JP2013050737A - 表示装置及び電子機器 - Google Patents

表示装置及び電子機器 Download PDF

Info

Publication number
JP2013050737A
JP2013050737A JP2012251401A JP2012251401A JP2013050737A JP 2013050737 A JP2013050737 A JP 2013050737A JP 2012251401 A JP2012251401 A JP 2012251401A JP 2012251401 A JP2012251401 A JP 2012251401A JP 2013050737 A JP2013050737 A JP 2013050737A
Authority
JP
Japan
Prior art keywords
film
substrate
region
liquid crystal
columnar spacer
Prior art date
Legal status (The legal status is an assumption and is not a legal conclusion. Google has not performed a legal analysis and makes no representation as to the accuracy of the status listed.)
Withdrawn
Application number
JP2012251401A
Other languages
English (en)
Inventor
Yoshiharu Hirakata
吉晴 平形
Yugo Goto
裕吾 後藤
Yuko Maruyama
優子 丸山
Shunpei Yamazaki
舜平 山崎
Current Assignee (The listed assignees may be inaccurate. Google has not performed a legal analysis and makes no representation or warranty as to the accuracy of the list.)
Semiconductor Energy Laboratory Co Ltd
Original Assignee
Semiconductor Energy Laboratory Co Ltd
Priority date (The priority date is an assumption and is not a legal conclusion. Google has not performed a legal analysis and makes no representation as to the accuracy of the date listed.)
Filing date
Publication date
Family has litigation
First worldwide family litigation filed litigation Critical https://patents.darts-ip.com/?family=16268899&utm_source=google_patent&utm_medium=platform_link&utm_campaign=public_patent_search&patent=JP2013050737(A) "Global patent litigation dataset” by Darts-ip is licensed under a Creative Commons Attribution 4.0 International License.
Application filed by Semiconductor Energy Laboratory Co Ltd filed Critical Semiconductor Energy Laboratory Co Ltd
Priority to JP2012251401A priority Critical patent/JP2013050737A/ja
Publication of JP2013050737A publication Critical patent/JP2013050737A/ja
Withdrawn legal-status Critical Current

Links

Images

Classifications

    • GPHYSICS
    • G02OPTICS
    • G02FOPTICAL DEVICES OR ARRANGEMENTS FOR THE CONTROL OF LIGHT BY MODIFICATION OF THE OPTICAL PROPERTIES OF THE MEDIA OF THE ELEMENTS INVOLVED THEREIN; NON-LINEAR OPTICS; FREQUENCY-CHANGING OF LIGHT; OPTICAL LOGIC ELEMENTS; OPTICAL ANALOGUE/DIGITAL CONVERTERS
    • G02F1/00Devices or arrangements for the control of the intensity, colour, phase, polarisation or direction of light arriving from an independent light source, e.g. switching, gating or modulating; Non-linear optics
    • G02F1/01Devices or arrangements for the control of the intensity, colour, phase, polarisation or direction of light arriving from an independent light source, e.g. switching, gating or modulating; Non-linear optics for the control of the intensity, phase, polarisation or colour 
    • G02F1/13Devices or arrangements for the control of the intensity, colour, phase, polarisation or direction of light arriving from an independent light source, e.g. switching, gating or modulating; Non-linear optics for the control of the intensity, phase, polarisation or colour  based on liquid crystals, e.g. single liquid crystal display cells
    • G02F1/133Constructional arrangements; Operation of liquid crystal cells; Circuit arrangements
    • G02F1/1333Constructional arrangements; Manufacturing methods
    • G02F1/1339Gaskets; Spacers; Sealing of cells
    • G02F1/13394Gaskets; Spacers; Sealing of cells spacers regularly patterned on the cell subtrate, e.g. walls, pillars
    • GPHYSICS
    • G02OPTICS
    • G02FOPTICAL DEVICES OR ARRANGEMENTS FOR THE CONTROL OF LIGHT BY MODIFICATION OF THE OPTICAL PROPERTIES OF THE MEDIA OF THE ELEMENTS INVOLVED THEREIN; NON-LINEAR OPTICS; FREQUENCY-CHANGING OF LIGHT; OPTICAL LOGIC ELEMENTS; OPTICAL ANALOGUE/DIGITAL CONVERTERS
    • G02F1/00Devices or arrangements for the control of the intensity, colour, phase, polarisation or direction of light arriving from an independent light source, e.g. switching, gating or modulating; Non-linear optics
    • G02F1/01Devices or arrangements for the control of the intensity, colour, phase, polarisation or direction of light arriving from an independent light source, e.g. switching, gating or modulating; Non-linear optics for the control of the intensity, phase, polarisation or colour 
    • G02F1/13Devices or arrangements for the control of the intensity, colour, phase, polarisation or direction of light arriving from an independent light source, e.g. switching, gating or modulating; Non-linear optics for the control of the intensity, phase, polarisation or colour  based on liquid crystals, e.g. single liquid crystal display cells
    • G02F1/133Constructional arrangements; Operation of liquid crystal cells; Circuit arrangements
    • G02F1/136Liquid crystal cells structurally associated with a semi-conducting layer or substrate, e.g. cells forming part of an integrated circuit
    • GPHYSICS
    • G02OPTICS
    • G02FOPTICAL DEVICES OR ARRANGEMENTS FOR THE CONTROL OF LIGHT BY MODIFICATION OF THE OPTICAL PROPERTIES OF THE MEDIA OF THE ELEMENTS INVOLVED THEREIN; NON-LINEAR OPTICS; FREQUENCY-CHANGING OF LIGHT; OPTICAL LOGIC ELEMENTS; OPTICAL ANALOGUE/DIGITAL CONVERTERS
    • G02F1/00Devices or arrangements for the control of the intensity, colour, phase, polarisation or direction of light arriving from an independent light source, e.g. switching, gating or modulating; Non-linear optics
    • G02F1/01Devices or arrangements for the control of the intensity, colour, phase, polarisation or direction of light arriving from an independent light source, e.g. switching, gating or modulating; Non-linear optics for the control of the intensity, phase, polarisation or colour 
    • G02F1/13Devices or arrangements for the control of the intensity, colour, phase, polarisation or direction of light arriving from an independent light source, e.g. switching, gating or modulating; Non-linear optics for the control of the intensity, phase, polarisation or colour  based on liquid crystals, e.g. single liquid crystal display cells
    • G02F1/133Constructional arrangements; Operation of liquid crystal cells; Circuit arrangements
    • G02F1/13306Circuit arrangements or driving methods for the control of single liquid crystal cells
    • GPHYSICS
    • G02OPTICS
    • G02FOPTICAL DEVICES OR ARRANGEMENTS FOR THE CONTROL OF LIGHT BY MODIFICATION OF THE OPTICAL PROPERTIES OF THE MEDIA OF THE ELEMENTS INVOLVED THEREIN; NON-LINEAR OPTICS; FREQUENCY-CHANGING OF LIGHT; OPTICAL LOGIC ELEMENTS; OPTICAL ANALOGUE/DIGITAL CONVERTERS
    • G02F1/00Devices or arrangements for the control of the intensity, colour, phase, polarisation or direction of light arriving from an independent light source, e.g. switching, gating or modulating; Non-linear optics
    • G02F1/01Devices or arrangements for the control of the intensity, colour, phase, polarisation or direction of light arriving from an independent light source, e.g. switching, gating or modulating; Non-linear optics for the control of the intensity, phase, polarisation or colour 
    • G02F1/13Devices or arrangements for the control of the intensity, colour, phase, polarisation or direction of light arriving from an independent light source, e.g. switching, gating or modulating; Non-linear optics for the control of the intensity, phase, polarisation or colour  based on liquid crystals, e.g. single liquid crystal display cells
    • G02F1/133Constructional arrangements; Operation of liquid crystal cells; Circuit arrangements
    • G02F1/1333Constructional arrangements; Manufacturing methods
    • G02F1/133345Insulating layers
    • GPHYSICS
    • G02OPTICS
    • G02FOPTICAL DEVICES OR ARRANGEMENTS FOR THE CONTROL OF LIGHT BY MODIFICATION OF THE OPTICAL PROPERTIES OF THE MEDIA OF THE ELEMENTS INVOLVED THEREIN; NON-LINEAR OPTICS; FREQUENCY-CHANGING OF LIGHT; OPTICAL LOGIC ELEMENTS; OPTICAL ANALOGUE/DIGITAL CONVERTERS
    • G02F1/00Devices or arrangements for the control of the intensity, colour, phase, polarisation or direction of light arriving from an independent light source, e.g. switching, gating or modulating; Non-linear optics
    • G02F1/01Devices or arrangements for the control of the intensity, colour, phase, polarisation or direction of light arriving from an independent light source, e.g. switching, gating or modulating; Non-linear optics for the control of the intensity, phase, polarisation or colour 
    • G02F1/13Devices or arrangements for the control of the intensity, colour, phase, polarisation or direction of light arriving from an independent light source, e.g. switching, gating or modulating; Non-linear optics for the control of the intensity, phase, polarisation or colour  based on liquid crystals, e.g. single liquid crystal display cells
    • G02F1/133Constructional arrangements; Operation of liquid crystal cells; Circuit arrangements
    • G02F1/1333Constructional arrangements; Manufacturing methods
    • G02F1/13338Input devices, e.g. touch panels
    • GPHYSICS
    • G02OPTICS
    • G02FOPTICAL DEVICES OR ARRANGEMENTS FOR THE CONTROL OF LIGHT BY MODIFICATION OF THE OPTICAL PROPERTIES OF THE MEDIA OF THE ELEMENTS INVOLVED THEREIN; NON-LINEAR OPTICS; FREQUENCY-CHANGING OF LIGHT; OPTICAL LOGIC ELEMENTS; OPTICAL ANALOGUE/DIGITAL CONVERTERS
    • G02F1/00Devices or arrangements for the control of the intensity, colour, phase, polarisation or direction of light arriving from an independent light source, e.g. switching, gating or modulating; Non-linear optics
    • G02F1/01Devices or arrangements for the control of the intensity, colour, phase, polarisation or direction of light arriving from an independent light source, e.g. switching, gating or modulating; Non-linear optics for the control of the intensity, phase, polarisation or colour 
    • G02F1/13Devices or arrangements for the control of the intensity, colour, phase, polarisation or direction of light arriving from an independent light source, e.g. switching, gating or modulating; Non-linear optics for the control of the intensity, phase, polarisation or colour  based on liquid crystals, e.g. single liquid crystal display cells
    • G02F1/133Constructional arrangements; Operation of liquid crystal cells; Circuit arrangements
    • G02F1/1333Constructional arrangements; Manufacturing methods
    • G02F1/1335Structural association of cells with optical devices, e.g. polarisers or reflectors
    • G02F1/133509Filters, e.g. light shielding masks
    • G02F1/133512Light shielding layers, e.g. black matrix
    • GPHYSICS
    • G02OPTICS
    • G02FOPTICAL DEVICES OR ARRANGEMENTS FOR THE CONTROL OF LIGHT BY MODIFICATION OF THE OPTICAL PROPERTIES OF THE MEDIA OF THE ELEMENTS INVOLVED THEREIN; NON-LINEAR OPTICS; FREQUENCY-CHANGING OF LIGHT; OPTICAL LOGIC ELEMENTS; OPTICAL ANALOGUE/DIGITAL CONVERTERS
    • G02F1/00Devices or arrangements for the control of the intensity, colour, phase, polarisation or direction of light arriving from an independent light source, e.g. switching, gating or modulating; Non-linear optics
    • G02F1/01Devices or arrangements for the control of the intensity, colour, phase, polarisation or direction of light arriving from an independent light source, e.g. switching, gating or modulating; Non-linear optics for the control of the intensity, phase, polarisation or colour 
    • G02F1/13Devices or arrangements for the control of the intensity, colour, phase, polarisation or direction of light arriving from an independent light source, e.g. switching, gating or modulating; Non-linear optics for the control of the intensity, phase, polarisation or colour  based on liquid crystals, e.g. single liquid crystal display cells
    • G02F1/133Constructional arrangements; Operation of liquid crystal cells; Circuit arrangements
    • G02F1/1333Constructional arrangements; Manufacturing methods
    • G02F1/1341Filling or closing of cells
    • GPHYSICS
    • G02OPTICS
    • G02FOPTICAL DEVICES OR ARRANGEMENTS FOR THE CONTROL OF LIGHT BY MODIFICATION OF THE OPTICAL PROPERTIES OF THE MEDIA OF THE ELEMENTS INVOLVED THEREIN; NON-LINEAR OPTICS; FREQUENCY-CHANGING OF LIGHT; OPTICAL LOGIC ELEMENTS; OPTICAL ANALOGUE/DIGITAL CONVERTERS
    • G02F1/00Devices or arrangements for the control of the intensity, colour, phase, polarisation or direction of light arriving from an independent light source, e.g. switching, gating or modulating; Non-linear optics
    • G02F1/01Devices or arrangements for the control of the intensity, colour, phase, polarisation or direction of light arriving from an independent light source, e.g. switching, gating or modulating; Non-linear optics for the control of the intensity, phase, polarisation or colour 
    • G02F1/13Devices or arrangements for the control of the intensity, colour, phase, polarisation or direction of light arriving from an independent light source, e.g. switching, gating or modulating; Non-linear optics for the control of the intensity, phase, polarisation or colour  based on liquid crystals, e.g. single liquid crystal display cells
    • G02F1/133Constructional arrangements; Operation of liquid crystal cells; Circuit arrangements
    • G02F1/1333Constructional arrangements; Manufacturing methods
    • G02F1/1343Electrodes
    • G02F1/134309Electrodes characterised by their geometrical arrangement
    • GPHYSICS
    • G02OPTICS
    • G02FOPTICAL DEVICES OR ARRANGEMENTS FOR THE CONTROL OF LIGHT BY MODIFICATION OF THE OPTICAL PROPERTIES OF THE MEDIA OF THE ELEMENTS INVOLVED THEREIN; NON-LINEAR OPTICS; FREQUENCY-CHANGING OF LIGHT; OPTICAL LOGIC ELEMENTS; OPTICAL ANALOGUE/DIGITAL CONVERTERS
    • G02F1/00Devices or arrangements for the control of the intensity, colour, phase, polarisation or direction of light arriving from an independent light source, e.g. switching, gating or modulating; Non-linear optics
    • G02F1/01Devices or arrangements for the control of the intensity, colour, phase, polarisation or direction of light arriving from an independent light source, e.g. switching, gating or modulating; Non-linear optics for the control of the intensity, phase, polarisation or colour 
    • G02F1/13Devices or arrangements for the control of the intensity, colour, phase, polarisation or direction of light arriving from an independent light source, e.g. switching, gating or modulating; Non-linear optics for the control of the intensity, phase, polarisation or colour  based on liquid crystals, e.g. single liquid crystal display cells
    • G02F1/133Constructional arrangements; Operation of liquid crystal cells; Circuit arrangements
    • G02F1/1333Constructional arrangements; Manufacturing methods
    • G02F1/1345Conductors connecting electrodes to cell terminals
    • G02F1/13454Drivers integrated on the active matrix substrate
    • GPHYSICS
    • G02OPTICS
    • G02FOPTICAL DEVICES OR ARRANGEMENTS FOR THE CONTROL OF LIGHT BY MODIFICATION OF THE OPTICAL PROPERTIES OF THE MEDIA OF THE ELEMENTS INVOLVED THEREIN; NON-LINEAR OPTICS; FREQUENCY-CHANGING OF LIGHT; OPTICAL LOGIC ELEMENTS; OPTICAL ANALOGUE/DIGITAL CONVERTERS
    • G02F1/00Devices or arrangements for the control of the intensity, colour, phase, polarisation or direction of light arriving from an independent light source, e.g. switching, gating or modulating; Non-linear optics
    • G02F1/01Devices or arrangements for the control of the intensity, colour, phase, polarisation or direction of light arriving from an independent light source, e.g. switching, gating or modulating; Non-linear optics for the control of the intensity, phase, polarisation or colour 
    • G02F1/13Devices or arrangements for the control of the intensity, colour, phase, polarisation or direction of light arriving from an independent light source, e.g. switching, gating or modulating; Non-linear optics for the control of the intensity, phase, polarisation or colour  based on liquid crystals, e.g. single liquid crystal display cells
    • G02F1/133Constructional arrangements; Operation of liquid crystal cells; Circuit arrangements
    • G02F1/136Liquid crystal cells structurally associated with a semi-conducting layer or substrate, e.g. cells forming part of an integrated circuit
    • G02F1/1362Active matrix addressed cells
    • G02F1/1368Active matrix addressed cells in which the switching element is a three-electrode device
    • HELECTRICITY
    • H10SEMICONDUCTOR DEVICES; ELECTRIC SOLID-STATE DEVICES NOT OTHERWISE PROVIDED FOR
    • H10DINORGANIC ELECTRIC SEMICONDUCTOR DEVICES
    • H10D30/00Field-effect transistors [FET]
    • H10D30/60Insulated-gate field-effect transistors [IGFET]
    • H10D30/67Thin-film transistors [TFT]
    • H10D30/6704Thin-film transistors [TFT] having supplementary regions or layers in the thin films or in the insulated bulk substrates for controlling properties of the device
    • H10D30/6713Thin-film transistors [TFT] having supplementary regions or layers in the thin films or in the insulated bulk substrates for controlling properties of the device characterised by the properties of the source or drain regions, e.g. compositions or sectional shapes
    • H10D30/6715Thin-film transistors [TFT] having supplementary regions or layers in the thin films or in the insulated bulk substrates for controlling properties of the device characterised by the properties of the source or drain regions, e.g. compositions or sectional shapes characterised by the doping profiles, e.g. having lightly-doped source or drain extensions
    • HELECTRICITY
    • H10SEMICONDUCTOR DEVICES; ELECTRIC SOLID-STATE DEVICES NOT OTHERWISE PROVIDED FOR
    • H10DINORGANIC ELECTRIC SEMICONDUCTOR DEVICES
    • H10D30/00Field-effect transistors [FET]
    • H10D30/60Insulated-gate field-effect transistors [IGFET]
    • H10D30/67Thin-film transistors [TFT]
    • H10D30/6704Thin-film transistors [TFT] having supplementary regions or layers in the thin films or in the insulated bulk substrates for controlling properties of the device
    • H10D30/6713Thin-film transistors [TFT] having supplementary regions or layers in the thin films or in the insulated bulk substrates for controlling properties of the device characterised by the properties of the source or drain regions, e.g. compositions or sectional shapes
    • H10D30/6715Thin-film transistors [TFT] having supplementary regions or layers in the thin films or in the insulated bulk substrates for controlling properties of the device characterised by the properties of the source or drain regions, e.g. compositions or sectional shapes characterised by the doping profiles, e.g. having lightly-doped source or drain extensions
    • H10D30/6719Thin-film transistors [TFT] having supplementary regions or layers in the thin films or in the insulated bulk substrates for controlling properties of the device characterised by the properties of the source or drain regions, e.g. compositions or sectional shapes characterised by the doping profiles, e.g. having lightly-doped source or drain extensions having significant overlap between the lightly-doped drains and the gate electrodes, e.g. gate-overlapped LDD [GOLDD] TFTs
    • HELECTRICITY
    • H10SEMICONDUCTOR DEVICES; ELECTRIC SOLID-STATE DEVICES NOT OTHERWISE PROVIDED FOR
    • H10DINORGANIC ELECTRIC SEMICONDUCTOR DEVICES
    • H10D30/00Field-effect transistors [FET]
    • H10D30/60Insulated-gate field-effect transistors [IGFET]
    • H10D30/67Thin-film transistors [TFT]
    • H10D30/6729Thin-film transistors [TFT] characterised by the electrodes
    • H10D30/673Thin-film transistors [TFT] characterised by the electrodes characterised by the shapes, relative sizes or dispositions of the gate electrodes
    • H10D30/6732Bottom-gate only TFTs
    • HELECTRICITY
    • H10SEMICONDUCTOR DEVICES; ELECTRIC SOLID-STATE DEVICES NOT OTHERWISE PROVIDED FOR
    • H10DINORGANIC ELECTRIC SEMICONDUCTOR DEVICES
    • H10D30/00Field-effect transistors [FET]
    • H10D30/60Insulated-gate field-effect transistors [IGFET]
    • H10D30/67Thin-film transistors [TFT]
    • H10D30/674Thin-film transistors [TFT] characterised by the active materials
    • H10D30/6741Group IV materials, e.g. germanium or silicon carbide
    • H10D30/6743Silicon
    • H10D30/6746Amorphous silicon
    • HELECTRICITY
    • H10SEMICONDUCTOR DEVICES; ELECTRIC SOLID-STATE DEVICES NOT OTHERWISE PROVIDED FOR
    • H10DINORGANIC ELECTRIC SEMICONDUCTOR DEVICES
    • H10D62/00Semiconductor bodies, or regions thereof, of devices having potential barriers
    • H10D62/80Semiconductor bodies, or regions thereof, of devices having potential barriers characterised by the materials
    • H10D62/83Semiconductor bodies, or regions thereof, of devices having potential barriers characterised by the materials being Group IV materials, e.g. B-doped Si or undoped Ge
    • H10D62/834Semiconductor bodies, or regions thereof, of devices having potential barriers characterised by the materials being Group IV materials, e.g. B-doped Si or undoped Ge further characterised by the dopants
    • HELECTRICITY
    • H10SEMICONDUCTOR DEVICES; ELECTRIC SOLID-STATE DEVICES NOT OTHERWISE PROVIDED FOR
    • H10DINORGANIC ELECTRIC SEMICONDUCTOR DEVICES
    • H10D86/00Integrated devices formed in or on insulating or conducting substrates, e.g. formed in silicon-on-insulator [SOI] substrates or on stainless steel or glass substrates
    • HELECTRICITY
    • H10SEMICONDUCTOR DEVICES; ELECTRIC SOLID-STATE DEVICES NOT OTHERWISE PROVIDED FOR
    • H10DINORGANIC ELECTRIC SEMICONDUCTOR DEVICES
    • H10D86/00Integrated devices formed in or on insulating or conducting substrates, e.g. formed in silicon-on-insulator [SOI] substrates or on stainless steel or glass substrates
    • H10D86/01Manufacture or treatment
    • H10D86/021Manufacture or treatment of multiple TFTs
    • H10D86/0231Manufacture or treatment of multiple TFTs using masks, e.g. half-tone masks
    • HELECTRICITY
    • H10SEMICONDUCTOR DEVICES; ELECTRIC SOLID-STATE DEVICES NOT OTHERWISE PROVIDED FOR
    • H10DINORGANIC ELECTRIC SEMICONDUCTOR DEVICES
    • H10D86/00Integrated devices formed in or on insulating or conducting substrates, e.g. formed in silicon-on-insulator [SOI] substrates or on stainless steel or glass substrates
    • H10D86/40Integrated devices formed in or on insulating or conducting substrates, e.g. formed in silicon-on-insulator [SOI] substrates or on stainless steel or glass substrates characterised by multiple TFTs
    • HELECTRICITY
    • H10SEMICONDUCTOR DEVICES; ELECTRIC SOLID-STATE DEVICES NOT OTHERWISE PROVIDED FOR
    • H10DINORGANIC ELECTRIC SEMICONDUCTOR DEVICES
    • H10D86/00Integrated devices formed in or on insulating or conducting substrates, e.g. formed in silicon-on-insulator [SOI] substrates or on stainless steel or glass substrates
    • H10D86/40Integrated devices formed in or on insulating or conducting substrates, e.g. formed in silicon-on-insulator [SOI] substrates or on stainless steel or glass substrates characterised by multiple TFTs
    • H10D86/421Integrated devices formed in or on insulating or conducting substrates, e.g. formed in silicon-on-insulator [SOI] substrates or on stainless steel or glass substrates characterised by multiple TFTs having a particular composition, shape or crystalline structure of the active layer
    • HELECTRICITY
    • H10SEMICONDUCTOR DEVICES; ELECTRIC SOLID-STATE DEVICES NOT OTHERWISE PROVIDED FOR
    • H10DINORGANIC ELECTRIC SEMICONDUCTOR DEVICES
    • H10D86/00Integrated devices formed in or on insulating or conducting substrates, e.g. formed in silicon-on-insulator [SOI] substrates or on stainless steel or glass substrates
    • H10D86/40Integrated devices formed in or on insulating or conducting substrates, e.g. formed in silicon-on-insulator [SOI] substrates or on stainless steel or glass substrates characterised by multiple TFTs
    • H10D86/441Interconnections, e.g. scanning lines
    • HELECTRICITY
    • H10SEMICONDUCTOR DEVICES; ELECTRIC SOLID-STATE DEVICES NOT OTHERWISE PROVIDED FOR
    • H10DINORGANIC ELECTRIC SEMICONDUCTOR DEVICES
    • H10D86/00Integrated devices formed in or on insulating or conducting substrates, e.g. formed in silicon-on-insulator [SOI] substrates or on stainless steel or glass substrates
    • H10D86/40Integrated devices formed in or on insulating or conducting substrates, e.g. formed in silicon-on-insulator [SOI] substrates or on stainless steel or glass substrates characterised by multiple TFTs
    • H10D86/60Integrated devices formed in or on insulating or conducting substrates, e.g. formed in silicon-on-insulator [SOI] substrates or on stainless steel or glass substrates characterised by multiple TFTs wherein the TFTs are in active matrices
    • GPHYSICS
    • G02OPTICS
    • G02FOPTICAL DEVICES OR ARRANGEMENTS FOR THE CONTROL OF LIGHT BY MODIFICATION OF THE OPTICAL PROPERTIES OF THE MEDIA OF THE ELEMENTS INVOLVED THEREIN; NON-LINEAR OPTICS; FREQUENCY-CHANGING OF LIGHT; OPTICAL LOGIC ELEMENTS; OPTICAL ANALOGUE/DIGITAL CONVERTERS
    • G02F1/00Devices or arrangements for the control of the intensity, colour, phase, polarisation or direction of light arriving from an independent light source, e.g. switching, gating or modulating; Non-linear optics
    • G02F1/01Devices or arrangements for the control of the intensity, colour, phase, polarisation or direction of light arriving from an independent light source, e.g. switching, gating or modulating; Non-linear optics for the control of the intensity, phase, polarisation or colour 
    • G02F1/13Devices or arrangements for the control of the intensity, colour, phase, polarisation or direction of light arriving from an independent light source, e.g. switching, gating or modulating; Non-linear optics for the control of the intensity, phase, polarisation or colour  based on liquid crystals, e.g. single liquid crystal display cells
    • G02F1/133Constructional arrangements; Operation of liquid crystal cells; Circuit arrangements
    • G02F1/1333Constructional arrangements; Manufacturing methods
    • G02F1/133302Rigid substrates, e.g. inorganic substrates
    • HELECTRICITY
    • H01ELECTRIC ELEMENTS
    • H01LSEMICONDUCTOR DEVICES NOT COVERED BY CLASS H10
    • H01L2924/00Indexing scheme for arrangements or methods for connecting or disconnecting semiconductor or solid-state bodies as covered by H01L24/00
    • H01L2924/0001Technical content checked by a classifier
    • H01L2924/0002Not covered by any one of groups H01L24/00, H01L24/00 and H01L2224/00
    • HELECTRICITY
    • H10SEMICONDUCTOR DEVICES; ELECTRIC SOLID-STATE DEVICES NOT OTHERWISE PROVIDED FOR
    • H10DINORGANIC ELECTRIC SEMICONDUCTOR DEVICES
    • H10D30/00Field-effect transistors [FET]
    • H10D30/60Insulated-gate field-effect transistors [IGFET]
    • H10D30/67Thin-film transistors [TFT]
    • H10D30/6704Thin-film transistors [TFT] having supplementary regions or layers in the thin films or in the insulated bulk substrates for controlling properties of the device
    • H10D30/6713Thin-film transistors [TFT] having supplementary regions or layers in the thin films or in the insulated bulk substrates for controlling properties of the device characterised by the properties of the source or drain regions, e.g. compositions or sectional shapes
    • H10D30/6715Thin-film transistors [TFT] having supplementary regions or layers in the thin films or in the insulated bulk substrates for controlling properties of the device characterised by the properties of the source or drain regions, e.g. compositions or sectional shapes characterised by the doping profiles, e.g. having lightly-doped source or drain extensions
    • H10D30/6721Thin-film transistors [TFT] having supplementary regions or layers in the thin films or in the insulated bulk substrates for controlling properties of the device characterised by the properties of the source or drain regions, e.g. compositions or sectional shapes characterised by the doping profiles, e.g. having lightly-doped source or drain extensions having lightly-doped extensions consisting of multiple lightly doped zones or having non-homogeneous dopant distributions, e.g. graded LDD
    • YGENERAL TAGGING OF NEW TECHNOLOGICAL DEVELOPMENTS; GENERAL TAGGING OF CROSS-SECTIONAL TECHNOLOGIES SPANNING OVER SEVERAL SECTIONS OF THE IPC; TECHNICAL SUBJECTS COVERED BY FORMER USPC CROSS-REFERENCE ART COLLECTIONS [XRACs] AND DIGESTS
    • Y10TECHNICAL SUBJECTS COVERED BY FORMER USPC
    • Y10STECHNICAL SUBJECTS COVERED BY FORMER USPC CROSS-REFERENCE ART COLLECTIONS [XRACs] AND DIGESTS
    • Y10S438/00Semiconductor device manufacturing: process
    • Y10S438/914Doping
    • Y10S438/924To facilitate selective etching
    • YGENERAL TAGGING OF NEW TECHNOLOGICAL DEVELOPMENTS; GENERAL TAGGING OF CROSS-SECTIONAL TECHNOLOGIES SPANNING OVER SEVERAL SECTIONS OF THE IPC; TECHNICAL SUBJECTS COVERED BY FORMER USPC CROSS-REFERENCE ART COLLECTIONS [XRACs] AND DIGESTS
    • Y10TECHNICAL SUBJECTS COVERED BY FORMER USPC
    • Y10STECHNICAL SUBJECTS COVERED BY FORMER USPC CROSS-REFERENCE ART COLLECTIONS [XRACs] AND DIGESTS
    • Y10S438/00Semiconductor device manufacturing: process
    • Y10S438/98Utilizing process equivalents or options

Landscapes

  • Physics & Mathematics (AREA)
  • Nonlinear Science (AREA)
  • Chemical & Material Sciences (AREA)
  • Crystallography & Structural Chemistry (AREA)
  • Optics & Photonics (AREA)
  • Mathematical Physics (AREA)
  • General Physics & Mathematics (AREA)
  • Liquid Crystal (AREA)
  • Microelectronics & Electronic Packaging (AREA)
  • Engineering & Computer Science (AREA)
  • Geometry (AREA)
  • Devices For Indicating Variable Information By Combining Individual Elements (AREA)
  • Thin Film Transistor (AREA)
  • Electroluminescent Light Sources (AREA)
  • Position Input By Displaying (AREA)
  • Transforming Electric Information Into Light Information (AREA)

Abstract

【課題】粒子状スペーサを用いず、使用する液晶の特性や駆動方法に応じて自由な範囲で設計された厚みを精度よく有する、高品質な表示装置およびタッチパネルを備えた表示装
置を提供する。
【解決手段】第1の基板と、第2の基板と、第1の基板と第2の基板との間に配置された
柱状スペーサを複数備えた表示装置と、光学式の検出素子を備えたタッチパネルとを有す
る。柱状スペーサによって、機械的強度が補強され、頑丈なパネルとすることができる。
【選択図】図22

Description

本願発明は薄膜トランジスタ(以下、TFTという)で構成された回路を有する半導体
装置およびその作製方法に関する。例えば、液晶表示パネルに代表される電気光学装置お
よびその様な電気光学装置を部品として搭載した電子機器に関する。
なお、本明細書中において半導体装置とは、半導体特性を利用することで機能しうる装
置全般を指し、電気光学装、半導体回路および電子機器は全て半導体装置である。
近年、絶縁表面を有する基板上に形成された半導体薄膜(厚さ数〜数百nm程度)を用
いて薄膜トランジスタ(TFT)を構成する技術が注目されている。薄膜トランジスタは
ICや電気光学装置のような電子デバイスに広く応用され、特に画像表示装置のスイッチ
ング素子として開発が急がれている。
上記電気光学装置の代表例としては、液晶表示装置やEL表示装置や密着型イメージセ
ンサが挙げられる。
一般に液晶表示装置は、一定の基板間隔を隔てて対向された一対の基板と、一定の基板間
隔を保つための粒子状スペーサと、基板間に封入された液晶材料とを備えている。
液晶表示装置の基板間隔は通常1〜20μmに設定され、これを±0.1μm程度の精
度で均一に制御する必要がある。基板間隔にばらつきが生じると、色むら、干渉縞などの
表示品位の劣化原因となるばかりではなく、外力により基板間隔が狭められた際に電極が
接触して回路損傷や表示不能などの不良の発生要因となるためである。このようにスペー
サは液晶表示素子の性能保持のための重要な部材である。
以下、従来の液晶表示装置(TFT―LCD)の作製方法を簡略に説明する。
まず、一対の基板を用意する。一方の基板には、TFT素子および画素電極をマトリク
ス状に形成する。もう一方の基板には、電極またはカラーフィルター等を形成する。次い
で、一対の基板のそれぞれに配向膜を形成した後、ラビング処理を行う。
次に、どちらか一方の基板の配向膜上に粒子状スペーサを均一に散布する。
次に、もう一方の基板とを組み合わせ、周縁部をシール用接着剤でシールして液晶セルを
形成する。次いで、この液晶セル内に液晶材料を真空注入法により充填した後、注入口を
封止する。
以上の工程の流れがTFT―LCDの一般的な作製工程である。
上記従来の工程において、粒子状スペーサを均一に散布することは困難であり、スペー
サの擬集による透過率の低減やスペーサ直下の素子を破壊してリークやショートが生じて
いることが問題となっている。
また、液晶材料を真空注入法により注入する工程において、注入時の加圧により基板中
央部が両面凹形状となり、この周辺において従来の粒子状スペーサでは圧縮強度が足りず
破壊されてしまったり、スペーサが移動させられて、その移動した跡が配向不良の原因と
なっている。
一般的に使用されている従来の粒子状スペーサ(ガラスビーズ、プラスチックビーズ等
)を用いた場合、粒子状スペーサを一方の基板上に散布する方法をとっている。そのため
、画素電極上にスペーサが配置され、入射光を遮ったり、液晶分子の配向を乱してしまう
。結果的に透過光量や発色を調節することが困難となっていた。また、粒子状スペーサは
静電気が帯電しやすく、このためスペーサ同士が集まりやすくなり均一に分布させること
が困難であった。
本発明の目的は、粒子状スペーサを用いず、使用する液晶の特性や駆動方法に応じて自由
な範囲で設計された厚みを精度よく有する、高品質な液晶パネルおよびその作製方法を提
供することである。
本明細書で開示する発明の構成は、第1の基板と、第2の基板と、 前記第1の基板と前
記第2の基板との間に配置され、前記第1の基板と前記第2の基板との間隔を保つ柱状の
スペーサを複数備えたことを特徴とする半導体装置である。
また、他の発明の構成は、第1の基板と、第2の基板と、前記第1の基板と前記第2の
基板との間に柱状のスペーサを複数備えた半導体装置であって、前記柱状のスペーサの曲
率半径Rは、2μm以下、好ましくは1μm以下であることを特徴とする半導体装置であ
る。
また、上記各構成において、前記柱状のスペーサの高さHは、0.5μm〜10μm、
好ましくは1.2μm〜5μmであることを特徴としている。
また、上記各構成において、前記柱状のスペーサの幅L1は、20μm以下、好ましく
は7μm以下であることを特徴としている。
また、上記各構成において、前記柱状のスペーサの側面中央における接平面と基板面と
の角度αは、65°〜115°であることを特徴としている。
また、上記各構成において、前記柱状のスペーサは、頭頂部に平坦な面を有することを
特徴としている。
また、上記各構成において、前記柱状のスペーサにおける径方向の断面形状は、円形、
楕円形、三角形、四角形、またはそれ以上の多角形であることを特徴としている。
また、上記各構成において、前記柱状のスペーサは絶縁性を有する材料でなることを特
徴としている。
また、上記各構成において、前記柱状のスペーサは、TFTと画素電極とが接続するコ
ンタクト部の上に形成されていることを特徴としている。
また、前記柱状のスペーサはシール領域のみに形成される構成としてもよいし、シール
領域及び駆動回路において素子が存在しない領域の上に形成してもよい。また、前記柱状
のスペーサはシール領域及び画素部に形成してもよいし、駆動回路において素子が存在し
ない領域の上及び画素部に形成してもよい。また、前記柱状のスペーサはシール領域及び
駆動回路と画素部との間の領域に形成してもよいし、前記柱状のスペーサは駆動回路と画
素部との間の領域及び画素部に形成してもよい。
また、前記柱状のスペーサはシール領域、駆動回路において素子が存在しない領域の上
及び画素部に形成してもよいし、前記柱状のスペーサは駆動回路において素子が存在しな
い領域の上及び駆動回路と画素部との間の領域に形成してもよい。また、前記柱状のスペ
ーサはシール領域、駆動回路において素子が存在しない領域の上、駆動回路と画素部との
間の領域及び画素部に形成してもよいし、前記柱状のスペーサはシール領域と画素部との
間の領域に形成してもよい。また、前記柱状のスペーサはシール領域と駆動回路との間の
領域に形成してもよいし、前記柱状のスペーサはシール領域と基板の端部との間の領域に
形成してもよい。
また、前記柱状のスペーサは基板全域に形成してもよい。
また、上記各構成において、前記柱状のスペーサが、配向膜上に接して形成されている
場合、プレチルト角は、4〜5°であることを特徴としている。
また、上記各構成において、前記柱状のスペーサが、配向膜で覆われている場合、プレ
チルト角は、6〜10°であることを特徴としている。
また、他の発明の構成は、第1の基板と、第2の基板と、前記第1の基板と前記第2の
基板との間に配置された柱状スペーサを複数備えた表示装置と、光学式の検出素子を備え
たタッチパネルとを有することを特徴とする半導体装置である。
また、他の発明の構成は、 第1の基板と、第2の基板と、前記第1の基板と前記第2
の基板との間に配置された柱状スペーサを複数備えた表示装置と、感圧式の検出素子を備
えたタッチパネルとを有することを特徴とする半導体装置である。
また、他の発明の構成は、第1の基板と、第2の基板と、前記第1の基板と前記第2の
基板との間に配置された柱状スペーサを複数備えた表示装置と、静電容量式の検出素子を
備えたタッチパネルとを有することを特徴とする半導体装置である。
また、上記構造を実現するための発明の構成は、基板上にTFTを形成する第1工程と
、前記TFTを覆って平坦化膜を形成する第2工程と、前記平坦化膜を開孔して、前記T
FTに接続するとともに画素電極を形成する第3工程と、 前記画素電極上に配向膜を形
成する第4工程と、 前記配向膜にラビング処理を施す第5工程と、 前記TFTと前記
画素電極とが接続するコンタクト部の上方に絶縁膜でなる柱状スペーサを形成する第6工
程と、 を有することを特徴とする半導体装置の作製方法である。
また、他の発明の構成は、基板上にTFTを形成する第1工程と、前記TFTを覆って
平坦化膜を形成する第2工程と、前記平坦化膜を開孔して、前記TFTに接続するととも
に画素電極を形成する第3工程と、前記TFTと前記画素電極とが接続するコンタクト部
の上に絶縁膜でなる柱状スペーサを形成する第4工程と、 前記画素電極および前記柱状
スペーサを覆う配向膜を形成する第5工程と、 前記配向膜にラビング処理を施す第6工
程と、を有することを特徴とする半導体装置の作製方法である。
上記構成において、前記絶縁膜でなる柱状スペーサを形成する工程は、 絶縁膜を形成す
る工程と、前記絶縁膜をパターニングする工程とによって柱状スペーサを形成することを
特徴としている。
本願発明の柱状スペーサを用いることで、粒子状スペーサを用いず、使用する液晶の特性
や駆動方法に応じて自由な範囲で設計された厚みを精度よく有する、高品質な液晶パネル
を提供することができる。
また、本願発明の柱状スペーサの形状とすることで、液晶の配向不良を防ぐことができ
る。
また、本願発明の柱状スペーサを用いることで、素子にかかる負荷を低減し、素子破壊
等による歩留まりの低下、信頼性の低下を防ぐことが可能となる。このように液晶表示装
置に代表される電気光学装置の動作性能の向上と信頼性の向上とを達成することができる
本願発明の柱状スペーサのSEM観察写真および模式図である。 柱状スペーサの配置の一例を示した図およびSEM観察写真である。 本願発明の作製工程図である。 本願発明の作製工程のフローチャートを示す図である。 AM−LCDの作製工程を示す図である。 AM−LCDの作製工程を示す図である。 AM−LCDの作製工程を示す図である。 AM−LCDの作製工程を示す図である。 TFTの断面構造図である。 AM−LCDの外観を示す図である。 画素部と駆動回路の構成を示す図である。 画素構造を示す上面図である。 外部端子との接続部の一例を示す図である。 本願発明の作製工程図である。 本願発明の作製工程のフローチャートを示す図である。 AM−LCDの作製工程を示す図である。 本願発明の柱状スペーサのSEM観察写真である。 柱状スペーサの配置の一例を示した図である。 柱状スペーサの配置の一例を示した図である。 アクティブマトリクス型液晶表示装置の断面構造図である。 アクティブマトリクス型液晶表示装置の断面構造図である。 タッチパネルを備えた表示装置を示す図である。 アクティブマトリクス型EL表示装置の構成を示す図。 無しきい値反強誘電性混合液晶の印加電圧に対する光透過率の特性を示す図である。 電子機器の一例を示す図である。 電子機器の一例を示す図である。 プレチルト角のラビングロール押し込み量依存性を示す図である。
本願発明の実施形態について、図1〜図4を用いて以下に説明する。
本願発明は、第1の基板と第2の基板の間隔を一定に保つため柱状スペーサを用いる。
本願発明の柱状スペーサの形状は以下に示す条件に適合することが望ましい。
図1に示すように、柱状スペーサにおいて、中央部の幅(径)をL1、上端の幅(径)
をL3、下端の幅(径)をL2とする。図3に示した工程(配向膜301上に柱状スペー
サ303を形成する場合)においては、柱状スペーサ自体の幅の値とするが、図14に示
した工程(柱状スペーサ1102上に配向膜1103を形成する場合)は、柱状スペーサ
自体に配向膜の膜厚分も加えた値を幅L1〜L3とする。なお、幅L2は、柱状スペーサ
形成以前の平面上から0.2μm以上の膜厚の柱状スペーサ材料が存在する領域の幅であ
る。柱状スペーサの中央の幅L1は十分にスペーサとしての役割を果たすことが必要であ
り、20μm以下、好ましくは10μm以下、さらに好ましくは7μm以下であることが
望ましい。
なお、本明細書において、下端とは、柱状スペーサにおける第1の基板側の端部を指す。
上端とは、柱状スペーサの頭頂部を指す。なお、本発明の柱状スペーサの頭頂部は、外圧
がかけられた時、均等な圧力が柱状スペーサにかかる様に、平坦な面を有する。また、樹
脂材料でなるスペーサは弾力性に富むため、圧力を適当に吸収することができる。また、
本発明の柱状スペーサは、粒子状スペーサと違って面で素子と接するため圧力が分散し、
一点に過剰な圧力がかかるようなことがない。本発明においては、柱状スペーサの頭頂部
における端部の曲率半径Rを2μm以下、好ましくは1μm以下とすることで均等な圧力
が柱状スペーサにかかる様にする。
本発明において柱状スペーサの各部位の幅は同一、即ちL1=L2=L3とすることが
望ましい。また、柱状スペーサの中央部における側面と基板表面とがなす角α°は65°
〜115°の範囲とすることが望ましい。
しかし、実際に柱状スペーサを形成した場合、柱状スペーサの上端が曲率半径2μm以
下、好ましくは1μm以下を有する端部となり、柱状スペーサの下端にはテーパー部が形
成されるため、L2>L1>L3となる。テーパー部では液晶の配向不良が生じやすく、
この周辺では光漏れが発生する。本発明においては、0.8≦L2/L1≦3の範囲内に
なるようにすることで光漏れを低減する。なお、図3に示した工程(配向膜上に柱状スペ
ーサを形成する場合)においては、1≦L2/L1≦1.1とすることが望ましい。また
、図14に示した工程(柱状スペーサ上に配向膜を形成する場合)においては、1≦L2
/L1≦2.5とすることが望ましい。
また、第2の基板との接触面積が縮小されるので、外圧がかけられた時、大きな圧力が局
所的にかかる。このことは、スペーサ強度の劣化の原因となる。本発明においては、0.
6≦L3/L1≦1.2とすることでスペーサ強度を強化した。
また、柱状スペーサの高さHは、柱状スペーサの形成工程の条件により自由な範囲で制
御できるため、適宜、所望の値に設定すればよい。例えば、液晶表示装置において、その
装置に用いられる液晶材料(TN液晶、強誘電性液晶、反強誘電性液晶等)に応じて最適
な基板間隔(0.5μm〜10μm、好ましくは1.2μm〜5μm)に設定する。
また、柱状スペーサの材料としては、樹脂材料でなる絶縁物(絶縁膜)が望ましい。ポ
リイミドなどの樹脂材料でなる絶縁膜は溶液を塗布して形成することができるが、溶液塗
布系の絶縁膜は微小な孔を充填する上で非常に好適である。もちろん、溶液を塗布して形
成する酸化シリコン膜などを用いても構わない。また、樹脂材料でなる絶縁膜を用いる場
合、光重合型絶縁膜でも良いし、熱重合型絶縁膜でも良い。特に、ポジ型またはネガ型の
感光性樹脂を用いると簡単な工程で柱状スペーサを形成することができるので好ましい。
また、光劣化を避けるためにネガ型感光性をもつ樹脂材料を用いることが望ましい。
また、柱状のスペーサにおける径方向の断面形状は、円形であってもよいし、楕円形で
あってもよい。さらに、三角形や四角形であってもよいし、それ以上の多角形であっても
よい。
また、柱状スペーサは、図2に示したように、規則的に配置する。図2においては、6
画素(6行×1列)当たりに1個の柱状スペーサ202を配置する構成としているが特に
限定されず、10〜200個/mm2の密度で配置すればよい。図2中の201は画素電
極、203は柱状スペーサの形成されていないコンタクト部である。また、図2において
は、TFTと画素電極とが接続するコンタクト部上の位置に形成しているが、特に限定さ
れない。例えば、配線(ソース配線、ゲート配線、容量配線等)の上方、または遮光膜の
上方に形成すれば透過率に影響しないため好ましい。また、柱状スペーサを画素部以外、
例えば、駆動回路において素子が存在しない領域、シール領域、画素部と駆動回路との間
の領域、画素部とシール領域との間の領域、駆動回路とシール領域の間の領域、シール領
域と基板端部との間の領域に形成してもよい。なお、シール領域と基板端部との間の領域
に形成すると、貼り合わせ工程及び基板分断工程において圧力が均等に基板にかかるため
、歩留まりが向上する。また、FPCを接続する端子部から駆動回路につながる配線に柱
状スペーサを形成すれば、FPCと接続する部分の機械強度を補強することができる。
上記形状を有する本願発明の柱状スペーサの作製方法を用いて以下に簡略に説明する。
なお、図3は本願発明の工程断面図を示し、図4は工程順序を示したフローチャート図で
ある。
まず、スイッチング素子および画素電極をマトリクス状に形成した第1の基板300を
形成する。また、電極を形成した第2の基板304を形成する。なお、図3には簡略化の
ためスイッチング素子および画素電極等は図示していない。次いで、第1の基板300と
第2の基板304のそれぞれに配向膜301、305を形成した後、ラビング処理を行う
。(図3(a))
次いで、第1の基板の配向膜301上にスペーサ材料層302を形成する。(図3(b
))なお、ここでは、第1の基板に柱状スペーサを形成した例を示したが、第2の基板に
柱状スペーサを形成する工程としてもよい。
こうして形成されたスペーサ材料層302に露光用マスクを介して柱状スペーサのパタ
ーンを露光した後、現像処理を行い、柱状スペーサ303を形成する。
(図3(c))
そして、電極および配向膜305を形成した第2の基板304にシール材パターン30
6を形成する。シール材パターンは液晶注入口を形成した矩形で、且つ同じ幅のパターン
枠を形成する。なお、ここでは、第2の基板にシール領域を形成した例を示したが、第1
の基板にシール領域を形成する工程としてもよい。そして、第1の基板300と第2の基
板304を貼り合わせる。貼り合わせ工程は、アライメントマークを利用して精度よく貼
り合わせた後、加圧焼成してシール材を硬化させる工程である。(図3(d))
その後、適当なサイズに第1の基板および第2の基板を分断し、液晶注入口から液晶材
料307を注入した後、注入口を封止する。こうして液晶パネルを完成させる。
また、上記工程では、第1の基板上に配向膜を形成した後、その上に柱状スペーサを形
成した例を示したが、図14に示したように第1の基板1100上に柱状スペーサ110
2を形成した後、その上に配向膜1103を形成する工程としてもよい。
また、第1の基板または第2の基板にカラーフィルターや遮蔽膜を形成する工程として
もよい。
また、ここではアクティブマトリクス型の液晶表示装置の例を示したが、特に限定され
ない。例えば、単純マトリクス型の液晶表示装置にも適用でき、表示方式がTN型でもS
TN型でもよく、透過型でも反射型でもよい。
以上の構成でなる本願発明について、以下に示す実施例でもってさらに詳細な説明を行
うこととする。
本発明の実施例について図5〜図8を用いて説明する。ここでは、画素部とその周辺に設
けられる駆動回路を同時に作製する方法について説明する。但し、説明を簡単にするため
に、駆動回路に関しては、シフトレジスタ回路、バッファ回路等の基本回路であるCMO
S回路と、サンプリング回路を形成するnチャネル型TFTとを図示することとする。
図5(A)において、基板501には、ガラス基板や石英基板を使用することが望まし
い。その他にもシリコン基板、金属基板またはステンレス基板の表面に絶縁膜を形成した
ものを基板としても良い。耐熱性が許せばプラスチック基板を用いることも可能である。
そして、基板501のTFTが形成される表面には、珪素(シリコン)を含む絶縁膜(
本明細書中では酸化シリコン膜、窒化シリコン膜、または窒化酸化シリコン膜の総称を指
す)からなる下地膜502をプラズマCVD法やスパッタ法で100〜400nmの厚さ
に形成する。
なお、本明細書中において窒化酸化シリコン膜とはSiOxNyで表される絶縁膜であり
、珪素、酸素、窒素を所定の割合で含む絶縁膜を指す。本実施例では、下地膜502とし
て、窒素を20〜50atomic%(典型的には20〜30atomic%)で含む100nm厚の
窒化酸化シリコン膜と、窒素を1〜20atomic%(典型的には5〜10atomic%)で含む
200nm厚の窒化酸化シリコン膜との積層膜を用いる。なお、厚さはこの値に限定する
必要はない。また、窒化酸化シリコン膜に含まれる窒素と酸素の含有比(atomic%比)は
3:1〜1:3(典型的には1:1)とすればよい。また、窒化酸化シリコン膜は、Si
4とN2OとNH3を原料ガスとして作製すればよい。
なお、この下地膜502は基板からの不純物汚染を防ぐために設けられるものであり、
石英基板を用いた場合には必ずしも設けなくても良い。
次に下地膜502の上に30〜120nm(好ましくは50〜70nm)の厚さの、非
晶質構造を含む半導体膜(本実施例では非晶質シリコン膜(図示せず)
)を公知の成膜法で形成する。なお、非晶質構造を含む半導体膜としては、非晶質半導体
膜、微結晶半導体膜があり、さらに非晶質シリコンゲルマニウム膜などの非晶質構造を含
む化合物半導体膜も含まれる。また、上記膜厚で形成しておけば、最終的にTFTが完成
した時点の活性層の膜厚は10〜100nm(好ましくは30〜50nm)となる。
そして、特開平7−130652号公報(USP5,643,826号に対応)に記載
された技術に従って、結晶構造を含む半導体膜(本実施例では結晶質シリコン膜)503
を形成する。同公報記載の技術は、非晶質シリコン膜の結晶化に際して、結晶化を助長す
る触媒元素(ニッケル、コバルト、ゲルマニウム、錫、鉛、パラジウム、鉄、銅から選ば
れた一種または複数種の元素、代表的にはニッケル)を用いる結晶化手段である。
具体的には、非晶質シリコン膜表面に触媒元素を保持させた状態で加熱処理を行い、非
晶質シリコン膜を結晶質シリコン膜に変化させるものである。本実施例では同公報の実施
例1に記載された技術を用いるが、実施例2に記載された技術を用いても良い。なお、結
晶質シリコン膜には、いわゆる単結晶シリコン膜も多結晶シリコン膜も含まれるが、本実
施例で形成される結晶質シリコン膜は結晶粒界を有するシリコン膜である。(図5(A)
非晶質シリコン膜は含有水素量にもよるが、好ましくは400〜550℃で数時間加熱
して脱水素処理を行い、含有水素量を5atom%以下として、結晶化の工程を行うことが望
ましい。また、非晶質シリコン膜をスパッタ法や蒸着法などの他の作製方法で形成しても
良いが、膜中に含まれる酸素、窒素などの不純物元素を十分低減させておくことが望まし
い。
ここでは、下地膜と非晶質シリコン膜とは、同じ成膜法で形成することが可能であるの
で両者を連続形成しても良い。下地膜を形成後、一旦大気雰囲気にさらされないようにす
ることで表面の汚染を防ぐことが可能となり、作製されるTFTの特性バラツキを低減さ
せることができる。
次に、結晶質シリコン膜503に対してレーザー光源から発する光(レーザー光)を照
射(以下、レーザーアニールという)して結晶性の改善された結晶質シリコン膜504を
形成する。レーザー光としては、パルス発振型または連続発振型のエキシマレーザー光が
望ましいが、連続発振型のアルゴンレーザー光でも良い。また、レーザー光のビーム形状
は線状であっても矩形状であっても構わない。(図5(B))
また、レーザー光の代わりにランプから発する光(以下、ランプ光という)を照射(以
下、ランプアニールという)しても良い。ランプ光としては、ハロゲンランプ、赤外ラン
プ等から発するランプ光を用いることができる。
なお、このようにレーザー光またはランプ光により熱処理(アニール)を施す工程を光
アニール工程という。光アニール工程は短時間で高温熱処理が行えるため、ガラス基板等
の耐熱性の低い基板を用いる場合にも効果的な熱処理工程を高いスループットで行うこと
ができる。勿論、目的はアニールであるので電熱炉を用いたファーネスアニール(熱アニ
ールともいう)で代用することもできる。
本実施例では、パルス発振型エキシマレーザー光を線状に加工してレーザーアニール工
程を行う。レーザーアニール条件は、励起ガスとしてXeClガスを用い、処理温度を室
温、パルス発振周波数を30Hzとし、レーザーエネルギー密度を250〜500mJ/cm2
(代表的には350〜400mJ/cm2)とする。
上記条件で行われたレーザーアニール工程は、熱結晶化後に残存した非晶質領域を完全
に結晶化すると共に、既に結晶化された結晶質領域の欠陥等を低減する効果を有する。そ
のため、本工程は光アニールにより半導体膜の結晶性を改善する工程、または半導体膜の
結晶化を助長する工程と呼ぶこともできる。このような効果はランプアニールの条件を最
適化することによっても得ることが可能である。本明細書中ではこのような条件を第1ア
ニール条件と呼ぶことにする。
次に、結晶質シリコン膜504をパターニングして島状の半導体膜(以下、活性層とい
う)505〜508を形成する。なお、このとき同時に、今後のパターニング時の位置合
わせに用いるアライメントマーカーを、結晶質シリコン膜を用いて形成する。本実施例の
場合、活性層の形成と同時にアライメントマーカーを形成することができるため、アライ
メントマーカーを別途形成する手間(マスク数の増加)を防ぐことができる。
次に、活性層505〜508上に後の不純物添加時のために保護膜509を形成する。
保護膜509は100〜200nm(好ましくは130〜170nm)
の厚さの窒化酸化シリコン膜または酸化シリコン膜を用いる。この保護膜509は不純物
添加時に結晶質シリコン膜が直接プラズマに曝されないようにするためと、微妙な濃度制
御を可能にするための意味がある。(図5(C))
そして、その上にレジストマスク510を形成し、保護膜509を介してp型を付与す
る不純物元素(以下、p型不純物元素という)を添加する。p型不純物元素としては、代
表的には13族に属する元素、典型的にはボロンまたはガリウムを用いることができる。
この工程(チャネルドープ工程という)はTFTのしきい値電圧を制御するための工程で
ある。なお、ここではジボラン(B26)を質量分離しないでプラズマ励起したイオンド
ープ法でボロンを添加する。勿論、質量分離を行うイオンインプランテーション法を用い
ても良い。
こうして1×1015〜1×1018atoms/cm3(代表的には5×1016〜5×1017atoms
/cm3)の濃度でp型不純物元素(本実施例ではボロン)が添加された活性層511〜51
3が形成される。この活性層511〜513は後のnチャネル型TFTの活性層となる。
但し、本明細書中で記載する濃度は全てSIMS(質量二次イオン分析)による測定値で
ある。
なお、本明細書中では少なくとも上記濃度範囲でp型不純物元素を含む不純物領域(但
し、1×1016atoms/cm3の濃度でn型を付与する不純物元素、典型的にはリン又は砒素
が添加された領域を除く)をp型不純物領域(b)と定義する。(図5(D))
次に、レジストマスク510を除去し、新たにレジストマスク514a〜514dを形成
する。そして、n型を付与する不純物元素(以下、n型不純物元素という)を添加してn
型を呈する不純物領域515〜517を形成する。なお、n型不純物元素としては、代表
的には15族に属する元素、典型的にはリンまたは砒素を用いることができる。(図5(
E))
この低濃度不純物領域515〜517は、後にCMOS回路およびサンプリング回路の
nチャネル型TFTにおいて、LDD領域として機能させるための不純物領域である。な
お、ここで形成された不純物領域にはn型不純物元素が2×1016〜5×1019atoms/cm
3(代表的には5×1017〜5×1018atoms/cm3)の濃度で含まれている。本明細書中で
は上記濃度範囲でn型不純物元素を含む不純物領域をn型不純物領域(b)と定義する。
なお、ここではフォスフィン(PH3)を質量分離しないでプラズマ励起したイオンド
ープ法でリンを1×1018atoms/cm3の濃度で添加する。勿論、質量分離を行うイオンイ
ンプランテーション法を用いても良い。この工程では、保護膜509を介して結晶質シリ
コン膜にリンを添加する。
次に、レジストマスク514a〜514d及び保護膜509を除去し、再びレーザー光の
照射工程を行う。ここでもレーザー光としては、パルス発振型または連続発振型のエキシ
マレーザー光が望ましいが、連続発振型のアルゴンレーザー光でも良い。また、レーザー
光のビーム形状は線状であっても矩形状であっても構わない。但し、添加された不純物元
素の活性化が目的であるので、結晶質シリコン膜が溶融しない程度のエネルギーで照射す
ることが好ましい。また、保護膜509をつけたままレーザーアニール工程を行うことも
可能である。(図5(F)
本実施例では、パルス発振型エキシマレーザー光を線状に加工してレーザーアニール工
程を行う。レーザーアニール条件は、励起ガスとしてKrFガスを用い、処理温度を室温
、パルス発振周波数を30Hzとし、レーザーエネルギー密度を100〜300mJ/cm2
代表的には150〜250mJ/cm2)とする。
上記条件で行われた光アニール工程は、添加されたn型またはp型を付与する不純物元
素を活性化すると共に、不純物元素の添加時に非晶質化した半導体膜を再結晶化する効果
を有する。なお、上記条件は半導体膜を溶融させることなく原子配列の整合性をとり、且
つ、不純物元素を活性化することが好ましい。また、本工程は光アニールによりn型また
はp型を付与する不純物元素を活性化する工程、半導体膜を再結晶化する工程、またはそ
れらを同時に行う工程と呼ぶこともできる。このような効果はランプアニールの条件を最
適化することによっても得ることが可能である。本明細書中ではこのような条件を第2ア
ニール条件と呼ぶことにする。
この工程によりn型不純物領域(b)515〜517の境界部、即ち、n型不純物領域
(b)の周囲に存在する真性な領域(p型不純物領域(b)も実質的に真性とみなす)と
の接合部が明確になる。このことは、後にTFTが完成した時点において、LDD領域と
チャネル形成領域とが非常に良好な接合部を形成しうることを意味する。
なお、このレーザー光による不純物元素の活性化に際して、電熱炉を用いた熱処理によ
る活性化を併用しても構わない。熱処理による活性化を行う場合は、基板の耐熱性を考慮
して450〜650℃(好ましくは500〜550℃)の熱処理を行えば良い。
次に、活性層505、511〜513を覆ってゲート絶縁膜518を形成する。ゲート
絶縁膜518は、10〜200nm、好ましくは50〜150nmの厚さに形成すれば良
い。本実施例では、プラズマCVD法でN2OとSiH4を原料とした窒化酸化シリコン膜
を115nmの厚さに形成する。(図6(A))
次に、ゲート配線となる導電膜を形成する。なお、ゲート配線は単層の導電膜で形成し
ても良いが、必要に応じて二層、三層といった積層膜とすることが好ましい。本実施例で
は、第1導電膜519と第2導電膜520とでなる積層膜を形成する。(図6(B))
ここで第1導電膜519、第2導電膜520としては、タンタル(Ta)、チタン(T
i)、モリブデン(Mo)、タングステン(W)、クロム(Cr)、ニオブ(Nb)、シ
リコン(Si)から選ばれた元素を含む金属膜、または前記元素を主成分とする金属化合
物膜(代表的には窒化タンタル膜、窒化タングステン膜、窒化チタン膜)、または前記元
素を組み合わせた合金膜(代表的にはMo−W合金膜、Mo−Ta合金膜、タングステン
シリサイド膜)、若しくはそれらの薄膜を積層した積層膜を用いることができる。
なお、第1導電膜519は10〜50nm(好ましくは20〜30nm)とし、第2導
電膜520は200〜400nm(好ましくは250〜350nm)とすれば良い。本実
施例では、第1導電膜519として、50nm厚の窒化タンタル(TaN)膜を、第2導
電膜520として、350nm厚のタンタル(Ta)
膜を用いる。
このほか、窒化タングステン膜とタングステン膜との積層膜、窒化タンタル膜のみの単
層膜、タングステンシリサイド膜も好適である。また、第1導電膜519の下にシリコン
膜を2〜20nm程度の厚さで形成する構造(ポリサイド構造)とすると、シリコン膜上
に形成された導電膜の密着性を向上させると同時に、導電膜の酸化を抑制することができ
る。
また、本実施例のように第2導電膜520として金属膜を用いた場合、その表面をアン
モニアガスまたは窒素ガスを用いたプラズマ雰囲気に曝すことで窒化することも有効であ
る。こうすることで、金属膜表面の酸化を抑制することが可能である。
次に、第1導電膜519と第2導電膜520とを一括でエッチングして400nm厚の
ゲート配線(ゲート電極とも言える)521〜524a、524bを形成する。この時、駆
動回路に形成されるゲート配線522、523はn型不純物領域(b)515〜517の
一部とゲート絶縁膜を介して重なるように形成する。
なお、ゲート配線524a、524bは断面では二つに見えるが、実際は連続的に繋がった
一つのパターンから形成されている。(図6(C))
次に、ゲート配線521〜524をマスクとして自己整合的にn型不純物元素(本実施
例ではリン)を添加する。こうして形成された不純物領域525〜530には前記n型不
純物領域(b)の1/2〜1/10(代表的には1/3〜1/4)の濃度(但し、前述の
チャネルドープ工程で添加されたボロン濃度よりも5〜10倍高い濃度、代表的には1×
1016〜5×1018atoms/cm3、典型的には3×1017〜3×1018atoms/cm3、)でリン
が添加されるように調節する。なお、本明細書中では上記濃度範囲でn型不純物元素を含
む不純物領域をn型不純物領域(c)と定義する。(図6(D))
なお、n型不純物領域(c)527〜530には既にチャネルドープ工程で1×1015
〜1×1018atoms/cm3の濃度のボロンが添加されているが、この工程ではp型不純物領
域(b)に含まれるボロンの5〜10倍の濃度でリンが添加されるので、ボロンの影響は
無視して良い。
但し、厳密にはn型不純物領域(b)515〜517のうちゲート配線に重なった部分
のリン濃度が2×1016〜5×1019atoms/cm3のままであるのに対し、ゲート配線に重
ならない部分はそれに1×1016〜5×1018atoms/cm3の濃度のリンが加わっており、
若干高い濃度でリンを含むことになる。
次に、ゲート配線521〜524をマスクとして自己整合的にゲート絶縁膜518をエ
ッチングする。エッチングはドライエッチング法を用い、エッチングガスとしてはCHF
3ガスを用いれば良い。但し、エッチングガスはこれに限定する必要はない。こうしてゲ
ート配線下にゲート絶縁膜531〜534a、534bが形成される。(図6(E))
このように活性層を露呈させることによって、次に不純物元素の添加工程を行う際に加
速電圧を低くすることができる。そのため、また必要なドーズ量が少なくて済むのでスル
ープットが向上する。勿論、ゲート絶縁膜をエッチングしないで残し、スルードーピング
によって不純物領域を形成しても良い。
次に、ゲート配線を覆う形でレジストマスク535a〜535dを形成し、n型不純物元
素(本実施例ではリン)を添加して高濃度にリンを含む不純物領域536〜544を形成
する。ここでも、フォスフィン(PH3)を用いたイオンドープ法(勿論、イオンインプ
ランテーション法でも良い)で行い、この領域のリンの濃度は1×1020〜1×1021at
oms/cm3(代表的には2×1020〜5×1021atoms/cm3)とする。(図6(F))
なお、本明細書中では上記濃度範囲でn型不純物元素を含む不純物領域をn型不純物領
域(a)と定義する。また、不純物領域536〜544が形成された領域には既に前工程
で添加されたリンまたはボロンが含まれるが、十分に高い濃度でリンが添加されることに
なるので、前工程で添加されたリンまたはボロンの影響は考えなくて良い。従って、本明
細書中では不純物領域536〜544はn型不純物領域(a)と言い換えても構わない。
次に、レジストマスク535a〜535dを除去し、新たにレジストマスク545を形成
する。そして、p型不純物元素(本実施例ではボロン)を添加し、高濃度にボロンを含む
不純物領域546、547を形成する。ここではジボラン(B26)を用いたイオンドー
プ法(勿論、イオンインプランテーション法でも良い)により3×1020〜3×1021at
oms/cm3(代表的には5×1020〜1×1021atoms/cm3)濃度でボロンを添加する。なお
、本明細書中では上記濃度範囲でp型不純物元素を含む不純物領域をp型不純物領域(a
)と定義する。(図7(A))
なお、不純物領域546、547の一部(前述のn型不純物領域(a)536、537
)には既に1×1020〜1×1021atoms/cm3の濃度でリンが添加されているが、ここで
添加されるボロンはその少なくとも3倍以上の濃度で添加される。そのため、予め形成さ
れていたn型の不純物領域は完全にP型に反転し、P型の不純物領域として機能する。従
って、本明細書中では不純物領域546、547をp型不純物領域(a)と言い換えても
構わない。
次に、レジストマスク545を除去した後、第1層間絶縁膜548を形成する。第1層
間絶縁膜548としては、珪素を含む絶縁膜、具体的には窒化シリコン膜、酸化シリコン
膜、窒化酸化シリコン膜またはそれらを組み合わせた積層膜で形成すれば良い。また、膜
厚は50〜400nm(好ましくは100〜200nm)とすれば良い。
本実施例では、プラズマCVD法でSiH4、N2O、NH3を原料ガスとし、200n
m厚の窒化酸化シリコン膜(但し窒素濃度が25〜50atomic%)を用いる。この第1層
間絶縁膜548は次に行われる熱処理工程(活性化工程)において、ゲート配線521〜
524a、524bが酸化されて抵抗値が増加するのを防ぐ効果を有する。
その後、それぞれの濃度で添加されたn型またはp型不純物元素を活性化するために熱
処理工程を行う。この工程はファーネスアニール法、レーザーアニール法、またはラピッ
ドサーマルアニール法(RTA法)で行うことができる。ここではファーネスアニール法
で活性化工程を行う。この熱処理工程は、窒素雰囲気中において300〜650℃、好ま
しくは400〜550℃、ここでは550℃、4時間の熱処理を行う。(図7(B))
この時、本実施例において非晶質シリコン膜の結晶化に用いた触媒元素(本実施例では
ニッケル)が、矢印で示す方向に移動して、前述の図6(F)の工程で形成された高濃度
にリンを含む領域に捕獲(ゲッタリング)される。これはリンによる金属元素のゲッタリ
ング効果に起因する現象であり、この結果、後のチャネル形成領域549〜553は前記
触媒元素の濃度が1×1017atoms/cm3以下となる。但し、ニッケルの場合、1×1017a
toms/cm3以下はSIMSの測定下限となるため、現状の技術では測定不能である。
また、逆に触媒元素のゲッタリングサイトとなった領域(図6(F)の工程で不純物領
域536〜544が形成された領域)は高濃度に触媒元素が偏析して5×1018atoms/cm
3以上(代表的には1×1019〜5×1020atoms/cm3)濃度で存在するようになる。しか
し、このゲッタリングサイトとなった領域はソース領域またはドレイン領域として機能す
れば良いので、ニッケルの有無は問題とはならないと考えられる。
次に、3〜100%の水素を含む雰囲気中で、300〜450℃で1〜12時間の熱処
理を行い、活性層を水素化する工程を行う。この工程は熱的に励起された水素により半導
体層のダングリングボンドを終端する工程である。水素化の他の手段として、プラズマ水
素化(プラズマにより励起された水素を用いる)を行っても良い。
活性化工程を終えたら、第1層間絶縁膜548の上に500nm〜1.5μm厚の第2
層間絶縁膜554を形成する。本実施例では第2層間絶縁膜554として800nm厚の
酸化シリコン膜をプラズマCVD法により形成する。こうして第1層間絶縁膜(窒化酸化
シリコン膜)548と第2層間絶縁膜(酸化シリコン膜)554との積層膜でなる1μm
厚の層間絶縁膜を形成する。
なお、第2層間絶縁膜554として、ポリイミド、アクリル、ポリアミド、ポリイミド
アミド、BCB(ベンゾシクロブテン)等の有機樹脂絶縁膜を用いることも可能である。
その後、それぞれのTFTのソース領域またはドレイン領域に達するコンタクトホール
が形成され、ソース配線555〜558と、ドレイン配線559〜562を形成する。な
お、図示されていないがCMOS回路を形成するためにドレイン配線559、560は同
一配線で形成されている。また、本実施例ではこの電極を、Ti膜を100nm、Tiを
含むアルミニウム膜300nm、Ti膜150nmをスパッタ法で連続して形成した3層
構造の積層膜とする。
次に、パッシベーション膜563として、窒化シリコン膜、酸化シリコン膜、または窒
化酸化シリコン膜で50〜500nm(代表的には200〜300nm)の厚さで形成す
る。(図7(C))
この時、膜の形成に先立ってH2、NH3等水素を含むガスを用いてプラズマ処理を行い
、成膜後に熱処理を行うことは有効である。この前処理により励起された水素が第1、第
2層間絶縁膜中に供給される。、この状態で熱処理を行うことで、パッシベーション膜5
63の膜質を改善するとともに、第1、第2層間絶縁膜中に添加された水素が下層側に拡
散するため、効果的に活性層を水素化することができる。
また、パッシベーション膜563を形成した後に、さらに水素化工程を行っても良い。
例えば、3〜100%の水素を含む雰囲気中で、300〜450℃で1〜12時間の熱処
理を行うと良く、あるいはプラズマ水素化法を用いても同様の効果が得られた。
なお、ここで後に画素電極とドレイン配線を接続するためのコンタクトホールを形成す
る位置において、パッシベーション膜563に開口部を形成しておいても良い。
その後、図7(D)に示すように、樹脂材料(又は有機材料ともいう)でなる絶縁膜(
以下、樹脂絶縁膜という)でなる第3層間絶縁膜(本明細書中では平坦化膜と呼ぶ場合も
ある)564を約1〜3μm(典型的には1.5〜2μm)の厚さに形成する。
樹脂材料としては、ポリイミド、アクリル、ポリアミド、ポリイミドアミド、BCB(
ベンゾシクロブテン)、シクロテン等を使用することができる。樹脂絶縁膜を用いること
の利点は、極めて平坦性に優れる点、比誘電率が低い点などが上げられる。なお上述した
以外の樹脂絶縁膜や有機系SiO化合物などを用いることもできる。また、平坦性さえ高け
れば無機材料でなる絶縁膜を用いることも可能である。
なお、ここでは、基板に塗布後、熱で重合するタイプのアクリル膜を用いるが、光照射
により重合するタイプを用いても良い。勿論、ポジ型またはネガ型の感光性材料であって
も良い。
また、第3層間絶縁膜564の一部の層として、顔料等で着色した樹脂膜を設け、カラ
ーフィルターとして用いることも可能である。
次に、画素部において、樹脂材料でなる第3層間絶縁膜(平坦化膜)564上に遮蔽膜
565を形成する。なお、本明細書中において遮蔽膜とは、光若しくは電磁波を遮断する
性質を有する導電膜を指す。
遮蔽膜565はアルミニウム(Al)、チタン(Ti)、タンタル(Ta)から選ばれ
た元素でなる金属膜または前記いずれかの元素を主成分(本明細書中では50重量%以上
で含む場合に主成分とみなす)とする金属膜で100〜300nmの厚さに形成する。本
実施例では1wt%のチタンを含有させたアルミニウム膜を125nmの厚さに形成する。な
お、本明細書中ではこの遮蔽膜を第「1導電膜」と呼ぶ場合がある。
なお、本実施例では遮蔽膜565を形成する前に酸化シリコン膜を5〜50nm(典型
的には20〜30nm)の厚さに形成している。そして、その上に遮蔽膜565を形成し
、遮蔽膜565をマスクとして上記絶縁膜のエッチング処理を行い、566で示される酸
化シリコン膜が形成される。
この酸化シリコン膜566は第3層間絶縁膜564と遮蔽膜565の密着性を高めるた
めに設けるが、遮蔽膜が存在する以外の領域では、後に第3層間絶縁膜にコンタクトホー
ルを形成する際の障害になるため除去することが望ましい。なお、第3層間絶縁膜564
の表面にCF4ガスを用いたプラズマ処理を施すことによっても、表面改質により膜上に
形成する遮蔽膜の密着性を向上させることができる。
また、このチタンを含有させたアルミニウム膜を用いて、遮蔽膜だけでなく他の接続配
線を形成することも可能である。例えば、駆動回路内で回路間をつなぐ接続配線を形成で
きる。但し、その場合は遮蔽膜または接続配線を形成する材料を成膜する前に、予め第3
層間絶縁膜にコンタクトホールを形成しておく必要がある。
次に、遮蔽膜565の表面に公知の陽極酸化法又はプラズマ酸化法(本実施例では陽極
酸化法)により20〜100nm(好ましくは30〜50nm)の厚さの酸化物を形成す
る。本実施例では遮蔽膜565としてアルミニウムを主成分とする膜を用い、陽極酸化法
を用いるため、陽極酸化物567として酸化アルミニウム膜(アルミナ膜)が形成される
。この陽極酸化物567が本実施例の保持容量の誘電体となる。
また、ここでは陽極酸化法を用いて遮蔽膜表面のみに絶縁物を設ける構成としたが、他
の絶縁物(絶縁膜)をプラズマCVD法、熱CVD法またはスパッタ法などの気相法によ
って形成しても良い。その場合も膜厚は20〜100nm(好ましくは30〜50nm)
とすることが好ましい。
次に、第3層間絶縁膜564、パッシベーション膜563にドレイン配線562に達す
るコンタクトホールを形成し、画素電極569を形成する。なお、画素電極570、57
1はそれぞれ隣接する別の画素の画素電極である。本実施例では画素電極569〜571
として透明導電膜を用い、具体的には酸化インジウム・スズ(ITO)膜を110nmの
厚さにスパッタ法で形成する。なお、本明細書中では画素電極を「第2導電膜」と呼ぶ場
合がある。
なお、反射型の液晶表示装置とする場合には画素電極の材料として金属膜を用いれば良
い。
また、この時、画素電極569と遮蔽膜565とが陽極酸化物567を介して重なり、
保持容量(キャハ゜シタンス・ストレーシ゛又はコンデンサ)572を形成する。なお、
保持容量572しか符号を付していないが、遮蔽膜と画素電極とが重なる領域は全て保持
容量として機能する。
また、保持容量の誘電体として比誘電率が7〜9と高いアルミナ膜を用いたため、必要
な容量を形成するための面積を少なくすることを可能としている。さらに、本実施例のよ
うに画素TFT上に形成される遮蔽膜を保持容量の一方の電極とすることで、アクティブ
マトリクス型液晶表示装置の画像表示部の開口率を向上させることができる。
また、この場合、遮蔽膜565をフローティング状態(電気的に孤立した状態)か固定
電位、好ましくはコモン電位(データとして送られる画像信号の中間電位)に設定してお
くことが望ましい。
上記工程を経て、画素TFTおよび画素電極を形成したアクティブマトリクス基板(第
1の基板)を形成した。
次に、アクティブマトリクス基板(第1の基板)から、アクティブマトリクス型液晶表
示装置を作製する工程を説明する。まず、画素TFTおよび画素電極を形成した第1の基
板上に配向膜573を成膜した。また、対向基板(第2の基板)574には、透明導電膜
575と、配向膜576とを形成する。なお、第2の基板には必要に応じてカラーフィル
ターや遮蔽膜を形成しても良い。本実施例では配向膜としてポリイミド膜を用いる。配向
膜573をロールコーターにより塗布した後、200℃で90分加熱した。なお、配向膜
573を形成する前に第1の基板を洗浄することが好ましい。その後、布を装着したロー
ラーで配向膜表面を擦り、液晶分子がある一定のプレチルト角(6°〜10°、好ましく
は7°〜8°)を持って配向するようにラビング配向処理を行った。
次いで、配向膜573上にスペーサ材料層として感光性アクリル樹脂(NN700:J
SR製)を900rpmでスピンコートし4.7μmの膜厚とした。その後、ホットプレ
ートを用いて80℃、3分間加熱した。加熱後の感光性アクリル樹脂膜の厚さは、4.0
μmとした。
こうして形成されたスペーサ材料層に露光用マスクを介して柱状スペーサのパターン(
サイズ:6μm四方)を露光した後、現像した。現像条件は、現像液として、CD−70
0(TMAH 0.14%)を用い、液温を18±1℃、現像時間は60秒とした。次い
で、クリーンオーブンを用いて180℃、1分間加熱した。
このようにして、第1の基板上に柱状のスペーサ568を形成した。(図8(A))ま
た、柱状のスペーサ568は、その形成位置を自由に設計することができるので、画像表
示領域を有効に活用することができる。なお、現像液によりプレチルト角は、4°〜5°
に変化した。
本実施例の画素構造を上面から見た図を図12に示す。図12に示すように本実施例で
は、画素TFTと画素電極62とが電気的に接続するコンタクト部65の上に柱状スペー
サ63を設ける。また、図12において、565は遮蔽膜であり、その上には図示されて
いない酸化物567を介して画素電極62が設けられている。このとき、遮蔽膜565、
酸化物567及び画素電極62で保持容量64a〜64cが形成される。本実施例の構造と
することで、コンタクト部に形成される段差(層間絶縁膜564の膜厚分)を埋め込むこ
とが可能となり、段差に起因する液晶分子の配向不良を防止することができる。
このように、本実施例では、TFTと画素電極とのコンタクト部に柱状スペーサを形成
した例を示したが、柱状のスペーサ568は、遮蔽膜やソース配線上など画像表示領域と
して用いない領域に形成すれば特に限定されない。本実施例においては、1mm2あたり
約100個の割合で規則正しく画素部に配置した。本実施例の柱状スペーサの断面におけ
るSEM観察写真図が、図17(A)である。また、外観を示すSEM観察写真図が、図
1(A)である。図2(A)には配置された模式図を示し、図2(B)および図2(C)
には、図1(A)に相当する倍率の異なるSEM観察写真を示した。
この柱状スペーサの形状は、テーパー部がほとんどなく、頭頂部に平坦な面を有し、高
さH=4μm、幅L1=6μm、曲率半径は1μm以下であった。また、柱状スペーサの
側面中央における接平面と基板面との角度αは、85°〜95°となっており、ほぼ垂直
であった。このような形状とすることで、光漏れを低減することができる。
そして、画素部と、駆動回路が形成されたアクティブマトリクス基板と対向基板とを、
公知のセル組み工程によってシール材579を介して貼りあわせる。本実施例では、フィ
ラー580を含むシール材を用いて基板間隔を一定に保った。
また、本実施例では弾力性に富んだ樹脂材料でなる柱状スペーサ568を用いているため
、貼り合わせ工程でかかる圧力を吸収(緩和)することができる。また、本実施例のスペ
ーサは素子に対する接触面積がビーズ状スペーサのそれより大きいため、特定部分に過剰
な圧力がかかるようなことがない。
その後、両基板の間に液晶578を注入し、封止剤(図示せず)によって完全に封止す
る。液晶には公知の液晶材料を用いれば良い。このようにして図8(B)に示すアクティ
ブマトリクス型液晶表示装置が完成する。
なお、図8(B)においては、駆動回路にはpチャネル型TFT701、nチャネル型T
FT702、703が形成され、画素部にはnチャネル型TFTでなる画素TFT704
が形成される。
なお、本実施例の工程順序は適宜変更しても構わない。どのような順序としても、最終
的に形成されるTFTの構造が図8(B)のような構造であればアクティブマトリクス基
板の基本的な機能は変化せず、本発明の効果を損なうものではない。
駆動回路のpチャネル型TFT701には、チャネル形成領域601、ソース領域60
2、ドレイン領域603がそれぞれp型不純物領域(a)で形成される。但し、実際には
ソース領域またはドレイン領域の一部に1×1020〜1×1021atoms/cm3の濃度でリン
を含む領域が存在する。また、その領域には図7(B)の工程でゲッタリングされた触媒
元素が5×1018atoms/cm3以上(代表的には1×1019〜5×1020atoms/cm3)濃度で
存在する。
また、nチャネル型TFT702には、チャネル形成領域604、ソース領域605、
ドレイン領域606、そしてチャネル形成領域の片側(ドレイン領域側)に、ゲート絶縁
膜を介してゲート配線と重なったLDD領域(本明細書中ではこのような領域をLov領域
という。なお、ovはoverlapの意味で付した。)607が形成される。この時、Lov領域
607は2×1016〜5×1019atoms/cm3の濃度でリンを含み、且つ、ゲート配線と全
部重なるように形成される。
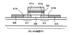
また、nチャネル型TFT703には、チャネル形成領域608、ソース領域609、
ドレイン領域610、そしてチャネル形成領域の両側にLDD領域611、612が形成
された。なお、この構造ではLDD領域611、612の一部がゲート配線と重なるよう
に配置されたために、ゲート絶縁膜を介してゲート配線と重なったLDD領域(Lov領域
)とゲート絶縁膜を介してゲート配線と重ならないLDD領域(本明細書中ではこのよう
な領域をLoff領域という。なお、offはoffsetの意味で付した。)が形成されている。
ここで図9に示す断面図は図8(B)に示したnチャネル型TFT703を図7(B)
の工程まで作製した状態を示す拡大図である。ここに示すように、LDD領域611はさ
らにLov領域611a、Loff領域611bに、LDD領域612はさらにLov領域612a
、Loff領域612bに区別できる。また、前述のLov領域611a、612aには2×10
16〜5×1019atoms/cm3の濃度でリンが含まれるが、Loff領域611b、612bはその
1〜2倍(代表的には1.2〜1.5倍)の濃度でリンが含まれる。
また、画素TFT704には、チャネル形成領域613、614、ソース領域615、
ドレイン領域616、Loff領域617〜620、Loff領域618、619に接したn型
不純物領域(a)621が形成される。この時、ソース領域615、ドレイン領域616
はそれぞれn型不純物領域(a)で形成され、Loff領域617〜620はn型不純物領
域(c)で形成される。
本実施例によれば、画素部および駆動回路が求める性能に応じて回路または素子を形成
するTFTの構造を最適化し、半導体装置の動作性能および信頼性を向上させることがで
きる。具体的には、nチャネル型TFTは回路仕様に応じてLDD領域の配置を異ならせ
、Lov領域またはLoff領域を使い分けることによって、同一基板上に高速動作またはホ
ットキャリア対策を重視したTFT構造と低オフ電流動作を重視したTFT構造とを実現
しうる。
例えば、アクティブマトリクス型液晶表示装置の場合、nチャネル型TFT702は高
速動作を重視するシフトレジスタ回路、信号分割回路、レベルシフタ回路、バッファ回路
などの駆動回路に適している。即ち、チャネル形成領域の片側(ドレイン領域側)のみに
Lov領域を配置することで、できるだけ抵抗成分を低減させつつホットキャリア注入によ
る劣化に強い動作を達成しうる。これは上記回路の場合、ソース領域とドレイン領域の機
能が変わらず、キャリア(電子)の移動する方向が一定だからである。但し、必要に応じ
てチャネル形成領域の両側にLov領域を配置することもできる。
また、nチャネル型TFT703はホットキャリア対策と低オフ電流動作の双方を重視
するサンプリング回路(サンプル及びホールド回路)に適している。即ち、Lov領域を配
置することでホットキャリア対策とし、さらにLoff領域を配置することで低オフ電流動
作を達成しうる。また、サンプリング回路はソース領域とドレイン領域の機能が反転して
キャリアの移動方向が180°変わるため、ゲート配線を中心に線対称となるような構造
としなければならない。なお、場合によってはLov領域のみとすることもありうる。
また、nチャネル型TFT704は低オフ電流動作を重視した画素部、サンプリング回
路(サンプルホールド回路)に適している。即ち、オフ電流値を増加させる要因となりう
るLov領域を配置せず、Loff領域のみを配置することで低オフ電流動作を達成しうる。
また、駆動回路のLDD領域よりも低い濃度のLDD領域をLoff領域として用いること
で、多少オン電流値が低下するが徹底的にオフ電流値を低減することができる。さらに、
n型不純物領域(a)621はオフ電流値を低減する上で非常に有効である。
また、nチャネル型TFT702のLov領域607の長さ(幅)は0.1〜3.0μm
、代表的には0.2〜1.5μmとすれば良い。また、nチャネル型TFT703のLov
領域611a、612aの長さ(幅)は0.1〜3.0μm、代表的には0.2〜1.5μ
m、Loff領域611b、612bの長さ(幅)は1.0〜3.5μm、代表的には1.5
〜2.0μmとすれば良い。また、画素TFT704に設けられるLoff領域617〜6
20の長さ(幅)は0.5〜3.5μm、代表的には2.0〜2.5μmとすれば良い。
また、上記アクティブマトリクス型液晶表示装置の構成を、図10の斜視図を用いて説
明する。アクティブマトリクス基板(第1の基板)は、ガラス基板801上に形成された
、画素部802と、ゲート側駆動回路803と、ソース側駆動回路804で構成される。
画素部の画素TFT805(図8(B)の画素TFT704に相当する)はnチャネル型
TFTであり、画素電極806及び保持容量807(図8(A)の保持容量572に相当
する)に接続される。
また、周辺に設けられる駆動回路はCMOS回路を基本として構成されている。ゲート
側駆動回路803と、ソース側駆動回路804はそれぞれゲート配線808とソース配線
809で画素部802に接続されている。また、FPC810が接続された外部入出力端
子811には駆動回路まで信号を伝達するための入出力配線(接続配線)812、813
が設けられている。また、814は対向基板(第2の基板)である。
なお、本明細書中では図10に示した半導体装置をアクティブマトリクス型液晶表示装
置と呼んでいるが、図10に示すようにFPCまで取り付けられた液晶パネルのことを一
般的には液晶モジュールという。従って、本実施例でいうアクティブマトリクス型液晶表
示装置を液晶モジュールと呼んでも差し支えない。
また、上記液晶表示装置の回路構成の一例を図11に示す。本実施例の液晶表示装置は
、ソース側駆動回路901、ゲート側駆動回路(A)907、ゲート側駆動回路(B)9
11、プリチャージ回路912、画素部906を有している。
なお、本明細書中において、駆動回路とはソース側駆動回路およびゲート側駆動回路を含
めた総称である。
ソース側駆動回路901は、シフトレジスタ回路902、レベルシフタ回路903、バ
ッファ回路904、サンプリング回路905を備えている。また、ゲート側駆動回路(A
)907は、シフトレジスタ回路908、レベルシフタ回路909、バッファ回路910
を備えている。ゲート側駆動回路(B)911も同様な構成である。
ここでシフトレジスタ回路902、908は駆動電圧が5〜16V(代表的には10V
)であり、回路を形成するCMOS回路に使われるnチャネル型TFTは図8(B)の7
02で示される構造が適している。
また、レベルシフタ回路903、909、バッファ回路904、910は、駆動電圧は
14〜16Vと高くなるが、シフトレジスタ回路と同様に、図8(B)
のnチャネル型TFT702を含むCMOS回路が適している。なお、ゲート配線をダブ
ルゲート構造、トリプルゲート構造といったマルチゲート構造とすることは、各回路の信
頼性を向上させる上で有効である。
また、サンプリング回路905は駆動電圧が14〜16Vであるが、ソース領域とドレ
イン領域が反転する上、オフ電流値を低減する必要があるので、図8(B)のnチャネル
型TFT703を含むCMOS回路が適している。なお、図8(B)ではnチャネル型T
FTしか図示されていないが、実際にサンプリング回路を形成する時はnチャネル型TF
Tとpチャネル型TFTとを組み合わせて形成することになる。
また、画素部906は駆動電圧が14〜16Vであり、サンプリング回路905よりも
さらにオフ電流値が低いことを要求するので、オフ電流の増加を招くLov領域を配置しな
い構造とすることが望ましく、図8(B)のnチャネル型TFT704を画素TFTとし
て用いることが望ましい。
本実施例では、柱状スペーサをシール領域以外の箇所に設け、機械的強度を補強する例を
図13(a)および図13(b)に示す。本実施例は、図8(B)に示されていなかった
領域(外部端子接続部)を示している。従って、実施例1の図8(B)に対応しており、
同じ符号を一部用いている。なお、シール材1000にフィラーを示していない点だけが
実施例1と異なっている。
図13(a)に外部端子接続部の上面図を示し、図13(b)に外部端子接続部の断面
構造図を示す。また、上面図におけるd−d’断面での断面構造も示している。
図13(a)および図13(b)中において、1001は柱状スペーサ、1002は外
部端子接続部、1003はITO膜、1004は導電性スペーサ、1005は接着剤、1
006はFPCである。
FPC1006と接続する外部端子接続部1002は、pチャネル型TFT701のソ
ース電極(配線)から延在している。
本実施例では、シール材1000が存在するシール領域と対向基板574の端部の間に
柱状スペーサ1001を形成する。この柱状スペーサ1001は、引き出し配線間に設け
られ、機械的強度を補強している。また、この柱状スペーサ1001は、対向基板の分断
工程においても分断不良を防止する効果を有している。なお、ここではpチャネル型TF
T701のソース電極と外部端子接続部との間の配線を引き出し配線と呼んでいる。
また、この柱状スペーサは実施例1中のコンタクト部に形成されるものと同一工程によっ
て形成することができる。
また、外部端子接続部1002上には、画素電極と同一工程によりITO膜1003を
形成し、FPCと良好なコンタクトを形成する。なお、接着剤1005中には金ペースト
等の導電性スペーサが混入しており、圧着することによってFPC1006とITO膜1
003とを接続している。
本実施例では、実施例1とは異なる以下のような方法(図14に簡略化した工程図を示し
、図15にそのフローチャート図を示した)により、柱状スペーサを形成する例に示す。
また、本実施例では、実施例1とは工程順序が異なっており、配向膜の形成前に柱状スペ
ーサを形成する。
図14を用いて手順を簡単に説明する。まず、第1の基板1100上にスペーサ材料層1
101を形成する。(図14(a))次いで、実施例1と同様にして露光および現像を行
って、柱状スペーサ1102を形成する。(図14(b))次いで、柱状スペーサ110
2を覆う配向膜1103を形成し、ラビング処理を行う。(図14(c))次いで、配向
膜1105とシール1106とが設けられた第2の基板1104を第1の基板1100と
貼り合わせる。(図14(d))次いで、第1の基板および第2の基板を適当な形状に分
断し、液晶材料1107を注入、封止して液晶パネルが完成する。(図14(e))
以下に詳細を示す。
まず、実施例1と同様にしてアクティブマトリクス基板(第1の基板)を形成する。画
素電極569、570を形成する工程までは全く同一の工程を用いた。
次いで、第1の基板上に実施例1と同じスペーサ材料を用い、同じ条件(成膜条件、露光
条件、現像条件、ベーク条件等)で柱状スペーサ1201を形成した。
次いで、柱状スペーサを覆って配向膜1202を形成した。(図16(A))
その後、ラビング処理を行った。以後、これらの工程以外は実施例1と全く同様にして図
16(B)に示す液晶表示装置を作製した。
本実施例の柱状スペーサの断面におけるSEM観察写真図が、図17(B)である。
この柱状スペーサの形状は、テーパー部が存在しているものの、頭頂部に平坦な面を有
し、幅L1=7〜8μm、曲率半径は2μmであった。また、柱状スペーサの側面中央に
おける接平面と基板面との角度αは、68°であった。本実施例において、幅L1は配向
膜の厚さを含めた値としている。なお、本実施例においては、1≦L2/L1≦2.5と
するとテーパー部による光漏れを低減できるため望ましい。
また、実施例1では、現像液の影響により最終的なプレチルト角が4°〜5°程度とな
っていたが、本実施例では、柱状スペーサを形成した後に配向膜を形成してラビング処理
を行うため、プレチルト角を6°〜10°、好ましくは7°〜8°とすることができ、液
晶の配向を良好なものとすることができた。
図27にプレチルト角のラビングロール押し込み量依存性を示した。ラビングロール押
し込み量とは、配向膜に施すラビング処理の際、ロールを押し込む量のことを指している
本実施例では、ラビングロール押し込み量を0.3mm、0.4mm、0.5mmと条
件をふってラビング処理を行い、それぞれのプレチルト角を測定する実験を行った。実験
結果は、0.3mmとした場合、平均のプレチルト角は、8.23°となり、0.4mm
とした場合、平均のプレチルト角は、7.42°となり、0.5mmとした場合、平均の
プレチルト角は、6.95°となった。ラビングロール押し込み量を調節することによっ
て、プレチルト角を6°〜10°、好ましくは7°〜8°とすることができる。このよう
に、本実施例は、配向膜上に球状スペーサを散布した従来例と比較しても、大差なく良好
な値を示している。
なお、本実施例を実施例2と組み合わせることは可能である。
本実施例では、図18(A)に示すように第1の基板全面に柱状スペーサを一定の間隔
で設けた例を示す。
図18(A)において、1300は封止材、1301は第1の基板、1302は画素部
、1303はゲート側駆動回路、1304はソース側駆動回路、1305は信号分割回路
、1306は外部接続端子部、1308はシール領域、1321は第2の基板である。
本実施例においては、画素部とソース側駆動回路との間に柱状スペーサ1307、外部
接続端子部に柱状スペーサ1309、画素部に柱状スペーサ1310、ゲート側駆動回路
に柱状スペーサ1311、シール領域に柱状スペーサ1312がそれぞれ一定の間隔でフ
ォトリソグラフィ法により設けた。このように一定の間隔で柱状スペーサを設けることに
より均一な基板間隔を維持することができる。また、シール領域に柱状スペーサ1312
を設けることによりフィラーを用いなくともよい。また、外部接続端子部に柱状スペーサ
1309を設けることにより接続部における機械強度を補強することができる。なお、上
記各柱状スペーサは実施例1または実施例3に示した作製方法を用いればよい。
また、図18(B)は、図18(A)中の点線1322で囲んだ領域の断面構造を簡略
に示した。図18(A)と同じ符号を用いた。図18(A)において、1314はCMO
S回路、1315はnチャネル型TFT、1316は画素TFT、1317は層間絶縁膜
、1318aは画素電極、1318bはITO膜である。このITO膜1318bは、F
PC等の外部端子と接続するために設ける。
また、1319は液晶材料、1320は対向電極である。
また、図19に他のスペーサ配置の形態を示した。図19(A)は、シール領域140
8内に均一に柱状スペーサ1407を形成した例である。また、図19(B)は、画素部
には柱状スペーサを設けず、シール領域に柱状スペーサ1410と、外部接続端子部に1
409とを形成した例である。また、図19(C)は、シール領域以外の領域に柱状スペ
ーサ1411、1412を形成した例である。なお、同様に上記各柱状スペーサは実施例
1または実施例3に示した作製方法を用いればよい。
なお、本実施例は実施例1〜3と自由に組み合わせることが可能である。
本実施例においては実施例1とは異なるアクティブマトリクス基板(第1の基板)を作
製する。なお、本実施例のTFT作製工程の詳細は、特願平11−104646号に記載
の工程を用いる。
まず、基板1501には低アルカリガラス基板や石英基板を用いることができる。本実施
例では低アルカリガラス基板を用いた。この基板1501のTFTを形成する表面には、
基板1501からの不純物拡散を防ぐために、酸化シリコン膜、窒化シリコン膜または酸
化窒化シリコン膜などの下地膜1502を形成する。
次に、20〜150nm(好ましくは30〜80nm)の厚さで非晶質構造を有する半導
体膜を、プラズマCVD法やスパッタ法などの公知の方法で形成する。
本実施例では、プラズマCVD法で非晶質シリコン膜を55nmの厚さに形成した。そし
て、公知の結晶化技術を使用して非晶質シリコン膜から結晶質シリコン膜を形成する。例
えば、レーザー結晶化法や熱結晶化法(固相成長法)を適用すれば良いが、ここでは、特
開平7−130652号公報で開示された技術に従って、触媒元素を用いる結晶化法で結
晶質シリコン膜を形成した。
そして、結晶質シリコン膜を島状に分割して、島状半導体層を形成する。その後、プラズ
マCVD法またはスパッタ法により50〜100nmの厚さの酸化シリコン膜によるマス
ク層を形成する。そしてレジストマスクを設け、nチャネル型TFTを形成する島状半導
体層の全面にしきい値電圧を制御する目的で1×1016〜5×1017atoms/cm3程度の濃
度でp型を付与する不純物元素としてボロン(B)を添加した。次いで、駆動回路のnチ
ャネル型TFTのLDD領域を形成するために、n型を付与する不純物元素を島状半導体
層に選択的に添加する。そのため、あらかじめレジストマスクを形成した。次に、マスク
層をフッ酸などにより除去して、添加した不純物元素を活性化させる工程を行う。活性化
は、窒素雰囲気中で500〜600℃で1〜4時間の熱処理や、レーザー活性化の方法に
より行うことができる。また、両者を併用して行っても良い。本実施例では、レーザー活
性化の方法を用いた。
そして、ゲート絶縁膜1520をプラズマCVD法またはスパッタ法を用いて10〜1
50nmの厚さでシリコンを含む絶縁膜で形成する。次に、本実施例では、導電性の窒化
物金属膜から成る導電層(A)と金属膜から成る導電層(B)
とを積層させた。導電層(B)はタンタル(Ta)、チタン(Ti)、モリブデン(Mo
)、タングステン(W)から選ばれた元素、または前記元素を主成分とする合金か、前記
元素を組み合わせた合金膜(代表的にはMo−W合金膜、Mo−Ta合金膜)で形成すれ
ば良く、導電層(A)は窒化タンタル(TaN)、窒化タングステン(WN)、窒化チタ
ン(TiN)膜、窒化モリブデン(MoN)
で形成する。本実施例では、導電層(A)に30nmの厚さの窒化タンタル膜を、導電層
(B)には350nmのTa膜を用い、いずれもスパッタ法で形成した。
次に、レジストマスクを形成し、導電層(A)と導電層(B)とを一括でエッチングして
ゲート電極1528〜1531と容量配線132を形成する。
次いで、駆動回路のpチャネル型TFTのソース領域およびドレイン領域を形成するため
に、p型を付与する不純物元素を添加する工程を行う。ここでは、ゲート電極1528を
マスクとして、自己整合的に不純物領域を形成する。このとき、nチャネル型TFTが形
成される領域はレジストマスクで被覆しておく。
次に、nチャネル型TFTにおいて、ソース領域またはドレイン領域として機能する不
純物領域の形成を行った。
そして、画素マトリクス回路のnチャネル型TFTのLDD領域を形成するためのn型
を付与する不純物添加の工程を行った。その後、それぞれの濃度で添加されたn型または
p型を付与する不純物元素を活性化するために窒素雰囲気中でファーネスアニール法で活
性化工程を行った。ここで実施される活性化工程の熱処理により、nチャネル型TFTお
よびpチャネル型TFTのチャネル形成領域から触媒元素をゲッタリングをすることがで
きた。この熱処理において、ゲート電極1528〜1531と容量配線1532の表面に
は窒化金属層が形成される。さらに、島状半導体層を水素化する工程を行った。
活性化および水素化の工程が終了したら、ゲート配線1547、1548と容量配線1
549を形成した。
第1の層間絶縁膜1550は500〜1500nmの厚さで酸化シリコン膜または酸化
窒化シリコン膜で形成され、その後、それぞれの島状半導体層に形成されたソース領域ま
たはドレイン領域に達するコンタクトホールを形成し、ソース配線1551〜1554と
、ドレイン配線1555〜1558を形成する。次に、パッシベーション膜1559とし
て、窒化シリコン膜、酸化シリコン膜、または窒化酸化シリコン膜を50〜500nm(
代表的には100〜300nm)の厚さで形成する。
その後、有機樹脂からなる第2の層間絶縁膜1560を1.0〜1.5μmの厚さに形
成する。そして、第2の層間絶縁膜1560にドレイン配線1558に達するコンタクト
ホールを形成し、画素電極1561、1562を形成する。画素電極は、透過型液晶表示
装置とする場合には透明導電膜を用いれば良く、反射型の液晶表示装置とする場合には金
属膜を用いれば良い。
次いで、柱状スペーサ1607を形成する。この柱状スペーサ1607は実施例3での
スペーサ作製工程と同一であるので省略する。次いで、実施例3と同様に柱状スペーサ1
607を覆う配向膜1601を形成する。配向膜を形成した後、ラビング処理を施して液
晶分子がある一定のプレチルト角(6°〜10°、好ましくは7°〜8°)を持って配向
するようにした。対向側の対向基板1602には、遮光膜1603、透明導電膜1604
および配向膜1605を形成した。
そして、画素マトリクス回路と、CMOS回路が形成されたアクティブマトリクス基板と
対向基板とを、公知のセル組み工程によって貼りあわせる。その後、両基板の間に液晶材
料1606を注入し、封止剤(図示せず)によって完全に封止した。液晶材料には公知の
液晶材料を用いれば良い。このようにして図20に示すアクティブマトリクス型液晶表示
装置が完成した。
図20において、駆動回路にはpチャネル型TFT1701、第1のnチャネル型TF
T1702、第2のnチャネル型TFT1703、表示領域には画素TFT1704、保
持容量1705が形成されている。
なお、本実施例は実施例1〜4と自由に組み合わせることが可能である。
本実施例においては、上記実施例とは異なるTFTを用いて表示装置を作製した例を示
す。
上記実施例においてはトップゲート型TFTを用いたが、本実施例ではボトムゲート型
TFTを用いて第1の基板を作製する。
図21中において1814はCMOS回路、1815はnチャネル型TFT、1816は
画素TFT、1817は層間絶縁膜、1818aは画素電極、1818bはITO膜であ
る。このITO膜1818bは、FPC等の外部端子と接続するために設ける。また、1
819は液晶材料、1820は対向電極である。また、1801は第1の基板、1808
はシール領域、1821は第2の基板である。
また、本実施例においては画素部とソース側駆動回路との間に柱状スペーサ1807、
外部接続端子部に柱状スペーサ1809、画素部に柱状スペーサ1810、ゲート側駆動
回路に柱状スペーサ1811、シール領域に柱状スペーサ1812がそれぞれ一定の間隔
でフォトリソグラフィ法により設けた。このように一定の間隔で柱状スペーサを設けるこ
とにより均一な基板間隔を維持することができる。また、シール領域に柱状スペーサ18
12を設けることによりフィラーを用いなくともよい。また、外部接続端子部に柱状スペ
ーサ1809を設けることにより接続部における機械強度を補強することができる。なお
、上記各柱状スペーサは実施例1または実施例3に示した作製方法を用いればよい。
なお、上記TFT構造を得るための作製工程は公知の技術を用いればよく、特に限定さ
れない。
なお、本実施例は実施例1〜4と自由に組み合わせることが可能である。
本実施例では、タッチパネルを備えた液晶表示装置に本発明の柱状スペーサを適用した
場合について図22(a)および図22(b)を用い説明する。
図22(a)は、光学式タッチパネル3002を備えた携帯情報端末機器の外観図およ
び断面図である。
図22(a)において、3001はデジタルカメラ、3002はタッチパネル、300
3は液晶パネル、3004はLEDバックライト、3100は発光素子、3200は受光
素子である。
このタッチパネルを備えた表示装置においては、タッチパネル3002の表面に指先や
ペン先が触ると、パネルの端部に設けられた発光素子3100からの光路aの一部が遮断
され光の一部が光路bに進んでしまう。そして、その光路aの一部が遮断された発光素子
に対応する受光素子3200は光を受光しないから、触った箇所の時間的な位置変化を検
出することができる。
本実施例において、本発明の柱状スペーサ3005を液晶パネル3003に用いた。こ
の柱状スペーサは、実施例1または実施例3に記載した作製方法により形成する。こうす
ることにより、機械的強度が補強され、頑丈なパネルとすることができた。また、本発明
の柱状スペーサによって、外部からの圧力(指先やペン先からの)により基板間隔がほと
んど変化しないので表示画像が乱れにくい。
なお、本実施例ではLEDバックライトを用いた透過型のLCDパネルを用いたが、バ
ックライトを用いない反射型LCDパネルを用いてもよい。また、外光の光量に応じて自
由に、反射型や透過型に切り替え可能なLCDパネルを用いてもよい。
図22(b)は、ペン入力式タッチパネル3102を備えた携帯情報端末機器の外観図
および断面図である。
図22(b)において、3102はタッチパネル、3103は液晶パネル、3104は
バックライト、3105は入力ペンである。
このタッチパネルを備えた表示装置においては、タッチパネル3102の表面に感圧式
や静電容量式の検出素子が設けられている。入力ペン3105で触ると、検出素子により
時間的な位置変化を検出することができる。
本実施例において、本発明の柱状スペーサ3106を液晶パネル3103に用いた。こ
の柱状スペーサは、実施例1または実施例3に記載した作製方法により形成する。こうす
ることにより、機械的強度が補強され、頑丈なパネルとすることができた。また、本発明
の柱状スペーサによって、外部からの圧力(指先やペン先からの)により基板間隔がほと
んど変化しないので表示画像が乱れにくい。
なお、このような感圧式や静電容量式の検出素子が設けられたタッチパネル3102はL
CDパネル3103に直接接しているため、LCDパネル3103が外部からの圧力を受
けやすく効果的である。
なお、本実施例の構成は、実施例1〜6のいずれの構成とも自由に組み合わせることが
可能である。
本実施例では、本発明をシリコン基板上に作製した反射型液晶表示装置に適用した場合
について説明する。本実施例は、実施例1において、結晶質シリコン膜でなる活性層の代
わりに、シリコン基板(シリコンウェハ)に直接的にn型またはp型を付与する不純物元
素を添加し、TFT構造を実現すれば良い。また、反射型であるので、画素電極として反
射率の高い金属膜(例えばアルミニウム、銀、またはこれらの合金(Al−Ag合金)等
を用いれば良い。
なお、本実施例の構成は、実施例1〜7のいずれの構成とも自由に組み合わせることが
可能である。
本発明は従来のMOSFET上に層間絶縁膜を形成し、その上にTFTを形成する際に
用いることも可能である。即ち、三次元構造の半導体装置を実現することも可能である。
また、基板としてSIMOX、Smart−Cut(SOITEC社の登録商標)、ELTRA
N(キャノン株式会社の登録商標)などのSOI基板を用いることも可能である。
なお、本実施例の構成は、実施例1〜8のいずれの構成とも自由に組み合わせることが
可能である。
本発明はアクティブマトリクス型EL(エレクトロルミネッセンス)ディスプレイに適
用することも可能である。その例を図23に示す。
図23はアクティブマトリクス型ELディスプレイの回路図である。11は画素部を表
しており、その周辺にはX方向駆動回路12、Y方向駆動回路13が設けられている。ま
た、表示領域11の各画素は、スイッチ用TFT14、保持容量15、電流制御用TFT
16、有機EL素子17を有し、スイッチ用TFT14にX方向信号線18a(または1
8b)、Y方向信号線19a(または19b、19c)が接続される。また、電流制御用TF
T16には、電源線20a、20bが接続される。
本実施例のアクティブマトリクス型ELディスプレイでは、X方向駆動回路12、Y方向
駆動回路13に用いられるTFTを図8(B)のpチャネル型TFT701、nチャネル
型TFT702または703を組み合わせて形成する。また、スイッチ用TFT14や電
流制御用TFT16のTFTを図8(B)のnチャネル型TFT704で形成する。
本発明によって作製された液晶表示装置は様々な液晶材料を用いることが可能である。
そのような材料として、TN液晶、PDLC(ポリマー分散型液晶)、FLC(強誘電性
液晶)、AFLC(反強誘性電液晶)、またはFLCとAFLCの混合物が挙げられる。
例えば、「H.Furue et al.;Charakteristics and Drivng Scheme of Polymer-Stabiliz
ed Monostable FLCD Exhibiting Fast Response Time and High Contrast Ratio with Gr
ay-Scale Capability,SID,1998」、「T.Yoshida et al.;A Full-Color Thresholdless An
tiferroelectric LCD Exhibiting Wide Viewing Angle with Fast Response Time,841,SI
D97DIGEST,1997」、または米国特許第5,594,569号に開示された材料を用いることができ
る。
特に、しきい値なし(無しきい値)の反強誘電性液晶(Thresholdless Antiferroelect
ric LCD:TL−AFLCと略記する)を使うと、液晶の動作電圧を±2.5V程度に低
減しうるため電源電圧として5〜8V程度で済む場合がある。
即ち、ドライバー回路と画素マトリクス回路を同じ電源電圧で動作させることが可能とな
り、液晶表示装置全体の低消費電力化を図ることができる。
また、無しきい値反強誘電性液晶は、V字型の電気光学応答特性を示すものがあり、そ
の駆動電圧が約±2.5V程度(セル厚約1μm〜2μm)のものも見出されている。
ここで、V字型の電気光学応答を示す無しきい値反強誘電性混合液晶の印加電圧に対す
る光透過率の特性を図24に示す。図24に示すグラフの縦軸は透過率(任意単位)、横
軸は印加電圧である。なお、液晶パネルにおける入射側の偏光板の透過軸は、液晶パネル
のラビング方向にほぼ一致する無しきい値反強誘電性混合液晶のスメクティック層の法線
方向とほぼ平行に設定されている。また、出射側の偏光板の透過軸は、入射側の偏光板の
透過軸に対してほぼ直角(クロスニコル)に設定されている。
また、強誘電性液晶や反強誘電性液晶はTN液晶に比べて応答速度が速いという利点を
もつ。上記実施例で用いるような結晶質TFTは非常に動作速度の速いTFTを実現しう
るため、強誘電性液晶や反強誘電性液晶の応答速度の速さを十分に生かした画像応答速度
の速い液晶表示装置を実現することが可能である。
なお、本実施例の液晶表示装置をパーソナルコンピュータ等の電子機器の表示ディスプ
レイとして用いることが有効であることは言うまでもない。
また、本実施例の構成は、実施例1〜10のいずれの構成とも自由に組み合わせること
が可能である。
本発明を実施して形成されたTFTは様々な電気光学装置に用いることができる。即ち
、それら電気光学装置を表示部として組み込んだ電子機器全てに本発明を実施できる。
その様な電子機器としては、ビデオカメラ、デジタルカメラ、ヘッドマウントディスプ
レイ(ゴーグル型ディスプレイ)、ウエアラブルディスプレイ、カーナビゲーション、パ
ーソナルコンピュータ、携帯情報端末(モバイルコンピュータ、携帯電話または電子書籍
等)などが挙げられる。それらの一例を図25に示す。
図25(A)はパーソナルコンピュータであり、本体2001、画像入力部2002、
表示部2003、キーボード2004で構成される。本願発明を画像入力部2002、表
示部2003やその他の駆動回路に適用することができる。
図25(B)はビデオカメラであり、本体2101、表示部2102、音声入力部21
03、操作スイッチ2104、バッテリー2105、受像部2106で構成される。本願
発明を表示部2102、音声入力部2103やその他の駆動回路に適用することができる
図25(C)はモバイルコンピュータ(モービルコンピュータ)であり、本体2201
、カメラ部2202、受像部2203、操作スイッチ2204、表示部2205で構成さ
れる。本願発明は表示部2205やその他の駆動回路に適用できる。
図25(D)はゴーグル型ディスプレイであり、本体2301、表示部2302、アー
ム部2303で構成される。本発明は表示部2302やその他の駆動回路に適用すること
ができる。
図25(E)はプログラムを記録した記録媒体(以下、記録媒体と呼ぶ)を用いるプレ
ーヤーであり、本体2401、表示部2402、スピーカ部2403、記録媒体2404
、操作スイッチ2405で構成される。なお、この装置は記録媒体としてDVD(Dig
tial Versatile Disc)、CD等を用い、音楽鑑賞や映画鑑賞やゲー
ムやインターネットを行うことができる。本発明は表示部2402やその他の駆動回路に
適用することができる。
図25(F)はデジタルカメラであり、本体2501、表示部2502、接眼部250
3、操作スイッチ2504、受像部(図示しない)で構成される。本願発明を表示部25
02やその他の駆動回路に適用することができる。
以上の様に、本願発明の適用範囲は極めて広く、あらゆる分野の電子機器に適用するこ
とが可能である。また、本実施例の電子機器は実施例1〜9および実施例11のどのよう
な組み合わせからなる構成を用いても実現することができる。
本発明を実施して形成されたTFTは様々な電気光学装置に用いることができる。即ち
、それら電気光学装置を表示部として組み込んだ電子機器全てに本発明を実施できる。
その様な電子機器としては、プロジェクター(リア型またはフロント型)などが挙げら
れる。それらの一例を図26に示す。
図26(A)はフロント型プロジェクターであり、投射装置2601、スクリーン26
02等を含む。本発明は投射装置2601の一部を構成する液晶表示装置2808やその
他の駆動回路に適用することができる。
図26(B)はリア型プロジェクターであり、本体2701、投射装置2702、ミラ
ー2703、スクリーン2704等を含む。本発明は投射装置2702の一部を構成する
液晶表示装置2808やその他の駆動回路に適用することができる。
なお、図26(C)は、図26(A)及び図26(B)中における投射装置2601、
2702の構造の一例を示した図である。投射装置2601、2702は、光源光学系2
801、ミラー2802、2804〜2806、ダイクロイックミラー2803、プリズ
ム2807、液晶表示装置2808、位相差板2809、投射光学系2810で構成され
る。投射光学系2810は、投射レンズを含む光学系で構成される。本実施例は三板式の
例を示したが、特に限定されず、例えば単板式であってもよい。また、図26(C)中に
おいて矢印で示した光路に実施者が適宜、光学レンズや、偏光機能を有するフィルムや、
位相差を調節するためのフィルム、IRフィルム等の光学系を設けてもよい。
また、図26(D)は、図26(C)中における光源光学系2801の構造の一例を示
した図である。本実施例では、光源光学系2801は、リフレクター2811、光源28
12、レンズアレイ2813、2814、偏光変換素子2815、集光レンズ2816で
構成される。なお、図26(D)に示した光源光学系は一例であって特に限定されない。
例えば、光源光学系に実施者が適宜、光学レンズや、偏光機能を有するフィルムや、位相
差を調節するフィルム、IRフィルム等の光学系を設けてもよい。
ただし、図26に示したプロジェクターにおいては、透過型の電気光学装置を用いた場
合を示しており、反射型の電気光学装置及びEL表示装置での適用例は図示していない。
以上の様に、本願発明の適用範囲は極めて広く、あらゆる分野の電子機器に適用するこ
とが可能である。また、本実施例の電子機器は実施例1〜9および実施例11のどのよう
な組み合わせからなる構成を用いても実現することができる。

Claims (2)

  1. 第1の基板と、
    第2の基板と、
    前記第1の基板と前記第2の基板との間の絶縁膜と、
    前記第1の基板と前記絶縁膜との間のトランジスタと、
    前記第2の基板と前記絶縁膜との間の液晶と、
    前記第2の基板と前記絶縁膜との間のスペーサと、を有し、
    前記スペーサは、第1の樹脂材料を用いて形成されており、
    前記絶縁膜は、第2の樹脂材料を用いて形成されており、
    前記スペーサは、高さ方向において、中央部の幅をL1とし、下端部の幅をL2とし、上端部の幅をL3とした場合、L2>L1>L3を満たし、
    前記スペーサの上端は曲率半径を有し、
    前記スペーサの下端はテーパー部を有することを特徴とする表示装置。
  2. 請求項1乃至請求項3のいずれか一に記載の半導体装置を表示部に有することを特徴とする電子機器。
JP2012251401A 1999-07-06 2012-11-15 表示装置及び電子機器 Withdrawn JP2013050737A (ja)

Priority Applications (1)

Application Number Priority Date Filing Date Title
JP2012251401A JP2013050737A (ja) 1999-07-06 2012-11-15 表示装置及び電子機器

Applications Claiming Priority (3)

Application Number Priority Date Filing Date Title
JP1999191102 1999-07-06
JP19110299 1999-07-06
JP2012251401A JP2013050737A (ja) 1999-07-06 2012-11-15 表示装置及び電子機器

Related Parent Applications (1)

Application Number Title Priority Date Filing Date
JP2011090708A Division JP5194142B2 (ja) 1999-07-06 2011-04-15 表示装置及び電子機器

Related Child Applications (3)

Application Number Title Priority Date Filing Date
JP2013102093A Division JP5760036B2 (ja) 1999-07-06 2013-05-14 液晶表示装置、液晶モジュール及び電子機器
JP2014076855A Division JP2014132363A (ja) 1999-07-06 2014-04-03 液晶表示装置及び透過型液晶表示装置
JP2014181899A Division JP5853078B2 (ja) 1999-07-06 2014-09-08 表示装置、表示モジュール及び電子機器

Publications (1)

Publication Number Publication Date
JP2013050737A true JP2013050737A (ja) 2013-03-14

Family

ID=16268899

Family Applications (22)

Application Number Title Priority Date Filing Date
JP2000196438A Withdrawn JP2001075500A (ja) 1999-07-06 2000-06-29 半導体装置およびその作製方法
JP2006045789A Expired - Lifetime JP4713365B2 (ja) 1999-07-06 2006-02-22 液晶表示装置、及び電子機器
JP2009123672A Expired - Fee Related JP5184439B2 (ja) 1999-07-06 2009-05-22 表示装置
JP2011066977A Expired - Lifetime JP5478542B2 (ja) 1999-07-06 2011-03-25 表示装置
JP2011087326A Expired - Lifetime JP4785998B2 (ja) 1999-07-06 2011-04-11 液晶表示装置
JP2011090708A Expired - Lifetime JP5194142B2 (ja) 1999-07-06 2011-04-15 表示装置及び電子機器
JP2011250739A Expired - Lifetime JP5073093B2 (ja) 1999-07-06 2011-11-16 液晶表示装置
JP2012251401A Withdrawn JP2013050737A (ja) 1999-07-06 2012-11-15 表示装置及び電子機器
JP2013102093A Expired - Lifetime JP5760036B2 (ja) 1999-07-06 2013-05-14 液晶表示装置、液晶モジュール及び電子機器
JP2013116033A Expired - Lifetime JP5581420B2 (ja) 1999-07-06 2013-05-31 液晶表示装置、液晶モジュール及び電子機器
JP2013119740A Expired - Lifetime JP5707447B2 (ja) 1999-07-06 2013-06-06 液晶表示装置、モジュール、及び電子機器
JP2013119743A Expired - Lifetime JP5396561B2 (ja) 1999-07-06 2013-06-06 液晶表示装置
JP2013119741A Expired - Lifetime JP5514935B2 (ja) 1999-07-06 2013-06-06 半導体装置
JP2013243035A Expired - Lifetime JP5453569B2 (ja) 1999-07-06 2013-11-25 液晶表示装置
JP2013243040A Expired - Lifetime JP5453570B1 (ja) 1999-07-06 2013-11-25 半導体装置
JP2014076855A Withdrawn JP2014132363A (ja) 1999-07-06 2014-04-03 液晶表示装置及び透過型液晶表示装置
JP2014181899A Expired - Lifetime JP5853078B2 (ja) 1999-07-06 2014-09-08 表示装置、表示モジュール及び電子機器
JP2015216391A Withdrawn JP2016014909A (ja) 1999-07-06 2015-11-04 表示装置及び電子機器
JP2017123829A Withdrawn JP2017215589A (ja) 1999-07-06 2017-06-26 半導体装置
JP2018100218A Expired - Lifetime JP6423980B2 (ja) 1999-07-06 2018-05-25 液晶表示装置
JP2019000673A Withdrawn JP2019066881A (ja) 1999-07-06 2019-01-07 表示装置
JP2019065661A Withdrawn JP2019133180A (ja) 1999-07-06 2019-03-29 液晶表示装置

Family Applications Before (7)

Application Number Title Priority Date Filing Date
JP2000196438A Withdrawn JP2001075500A (ja) 1999-07-06 2000-06-29 半導体装置およびその作製方法
JP2006045789A Expired - Lifetime JP4713365B2 (ja) 1999-07-06 2006-02-22 液晶表示装置、及び電子機器
JP2009123672A Expired - Fee Related JP5184439B2 (ja) 1999-07-06 2009-05-22 表示装置
JP2011066977A Expired - Lifetime JP5478542B2 (ja) 1999-07-06 2011-03-25 表示装置
JP2011087326A Expired - Lifetime JP4785998B2 (ja) 1999-07-06 2011-04-11 液晶表示装置
JP2011090708A Expired - Lifetime JP5194142B2 (ja) 1999-07-06 2011-04-15 表示装置及び電子機器
JP2011250739A Expired - Lifetime JP5073093B2 (ja) 1999-07-06 2011-11-16 液晶表示装置

Family Applications After (14)

Application Number Title Priority Date Filing Date
JP2013102093A Expired - Lifetime JP5760036B2 (ja) 1999-07-06 2013-05-14 液晶表示装置、液晶モジュール及び電子機器
JP2013116033A Expired - Lifetime JP5581420B2 (ja) 1999-07-06 2013-05-31 液晶表示装置、液晶モジュール及び電子機器
JP2013119740A Expired - Lifetime JP5707447B2 (ja) 1999-07-06 2013-06-06 液晶表示装置、モジュール、及び電子機器
JP2013119743A Expired - Lifetime JP5396561B2 (ja) 1999-07-06 2013-06-06 液晶表示装置
JP2013119741A Expired - Lifetime JP5514935B2 (ja) 1999-07-06 2013-06-06 半導体装置
JP2013243035A Expired - Lifetime JP5453569B2 (ja) 1999-07-06 2013-11-25 液晶表示装置
JP2013243040A Expired - Lifetime JP5453570B1 (ja) 1999-07-06 2013-11-25 半導体装置
JP2014076855A Withdrawn JP2014132363A (ja) 1999-07-06 2014-04-03 液晶表示装置及び透過型液晶表示装置
JP2014181899A Expired - Lifetime JP5853078B2 (ja) 1999-07-06 2014-09-08 表示装置、表示モジュール及び電子機器
JP2015216391A Withdrawn JP2016014909A (ja) 1999-07-06 2015-11-04 表示装置及び電子機器
JP2017123829A Withdrawn JP2017215589A (ja) 1999-07-06 2017-06-26 半導体装置
JP2018100218A Expired - Lifetime JP6423980B2 (ja) 1999-07-06 2018-05-25 液晶表示装置
JP2019000673A Withdrawn JP2019066881A (ja) 1999-07-06 2019-01-07 表示装置
JP2019065661A Withdrawn JP2019133180A (ja) 1999-07-06 2019-03-29 液晶表示装置

Country Status (4)

Country Link
US (8) US6638781B1 (ja)
JP (22) JP2001075500A (ja)
KR (1) KR100653758B1 (ja)
TW (1) TW459275B (ja)

Cited By (1)

* Cited by examiner, † Cited by third party
Publication number Priority date Publication date Assignee Title
JP2015028627A (ja) * 2013-07-05 2015-02-12 Hoya株式会社 基板の製造方法、多層反射膜付き基板の製造方法、マスクブランクの製造方法、転写用マスクの製造方法、及び基板加工装置

Families Citing this family (98)

* Cited by examiner, † Cited by third party
Publication number Priority date Publication date Assignee Title
JP4298131B2 (ja) * 1999-05-14 2009-07-15 株式会社半導体エネルギー研究所 液晶表示装置の作製方法
US6680487B1 (en) 1999-05-14 2004-01-20 Semiconductor Energy Laboratory Co., Ltd. Semiconductor comprising a TFT provided on a substrate having an insulating surface and method of fabricating the same
US6777254B1 (en) * 1999-07-06 2004-08-17 Semiconductor Energy Laboratory Co., Ltd. Semiconductor device and fabrication method thereof
TW459275B (en) * 1999-07-06 2001-10-11 Semiconductor Energy Lab Semiconductor device and method of fabricating the same
JP4627843B2 (ja) 1999-07-22 2011-02-09 株式会社半導体エネルギー研究所 半導体装置
US7071041B2 (en) * 2000-01-20 2006-07-04 Semiconductor Energy Laboratory Co., Ltd. Method of manufacturing a semiconductor device
US6639265B2 (en) * 2000-01-26 2003-10-28 Semiconductor Energy Laboratory Co., Ltd. Semiconductor device and method of manufacturing the semiconductor device
TW525305B (en) 2000-02-22 2003-03-21 Semiconductor Energy Lab Self-light-emitting device and method of manufacturing the same
US6891194B2 (en) * 2001-02-07 2005-05-10 Sharp Kabushiki Kaisha Active matrix substrate, electromagnetic detector, and liquid crystal display apparatus
US6887753B2 (en) * 2001-02-28 2005-05-03 Micron Technology, Inc. Methods of forming semiconductor circuitry, and semiconductor circuit constructions
JP2002333628A (ja) * 2001-05-07 2002-11-22 Matsushita Electric Ind Co Ltd 液晶表示装置、カラーフィルタ基板およびアレイ基板
JP2002357834A (ja) * 2001-05-31 2002-12-13 Matsushita Electric Ind Co Ltd 液晶表示装置及び液晶表示装置の製造方法
JP2002357837A (ja) * 2001-05-31 2002-12-13 Matsushita Electric Ind Co Ltd 液晶表示装置及びその製造方法
JP4185678B2 (ja) * 2001-06-08 2008-11-26 株式会社日立製作所 液晶表示装置
JP4945036B2 (ja) * 2001-08-31 2012-06-06 オプトレックス株式会社 液晶表示セルの製造方法
US6885146B2 (en) * 2002-03-14 2005-04-26 Semiconductor Energy Laboratory Co., Ltd. Display device comprising substrates, contrast medium and barrier layers between contrast medium and each of substrates
JP2004061904A (ja) * 2002-07-30 2004-02-26 Sharp Corp カラーフィルタ基板および表示装置
CN100565902C (zh) * 2002-10-09 2009-12-02 株式会社半导体能源研究所 发光装置的制造方法
KR100460210B1 (ko) * 2002-10-29 2004-12-04 엘지.필립스 엘시디 주식회사 듀얼패널타입 유기전계발광 소자 및 그의 제조방법
JP4244289B2 (ja) 2002-10-31 2009-03-25 シャープ株式会社 液晶表示装置用基板及びそれを備えた液晶表示装置
US8125601B2 (en) * 2003-01-08 2012-02-28 Samsung Electronics Co., Ltd. Upper substrate and liquid crystal display device having the same
TWI362644B (en) 2003-01-16 2012-04-21 Semiconductor Energy Lab Liquid crystal display device and manufacturing method therof
TWI360702B (en) * 2003-03-07 2012-03-21 Semiconductor Energy Lab Liquid crystal display device and method for manuf
US7583250B2 (en) 2003-03-12 2009-09-01 Semiconductor Energy Laboratory Co., Ltd. Semiconductor device
JP2004281538A (ja) * 2003-03-13 2004-10-07 Seiko Epson Corp 電子装置及びその製造方法、回路基板並びに電子機器
DE602004022576D1 (de) * 2003-10-16 2009-09-24 Sharp Kk Flüssigkristallanzeige und verfahren zur herstellung einer flüssigkristallanzeige
US8350466B2 (en) 2004-09-17 2013-01-08 Semiconductor Energy Laboratory Co., Ltd. Display device and manufacturing method thereof
US7753751B2 (en) 2004-09-29 2010-07-13 Semiconductor Energy Laboratory Co., Ltd. Method of fabricating the display device
US8772783B2 (en) * 2004-10-14 2014-07-08 Semiconductor Energy Laboratory Co., Ltd. Display device
KR100705319B1 (ko) * 2004-12-01 2007-04-10 엘지전자 주식회사 유기 전계발광표시소자 및 그 제조방법
US7916263B2 (en) * 2004-12-02 2011-03-29 Semiconductor Energy Laboratory Co., Ltd. Display device
US7563490B2 (en) * 2004-12-06 2009-07-21 Semiconductor Energy Laboratory Co., Ltd. Liquid crystal display device
KR100685929B1 (ko) 2004-12-14 2007-02-23 엘지.필립스 엘시디 주식회사 액정 표시 장치 및 이의 제조 방법
KR20060077536A (ko) * 2004-12-30 2006-07-05 동부일렉트로닉스 주식회사 씨모스 이미지 센서 및 그의 제조방법
US7687400B2 (en) 2005-06-14 2010-03-30 John Trezza Side stacking apparatus and method
US7786592B2 (en) * 2005-06-14 2010-08-31 John Trezza Chip capacitive coupling
US8456015B2 (en) 2005-06-14 2013-06-04 Cufer Asset Ltd. L.L.C. Triaxial through-chip connection
US7838997B2 (en) 2005-06-14 2010-11-23 John Trezza Remote chip attachment
US7767493B2 (en) 2005-06-14 2010-08-03 John Trezza Post & penetration interconnection
US7851348B2 (en) 2005-06-14 2010-12-14 Abhay Misra Routingless chip architecture
US7884483B2 (en) 2005-06-14 2011-02-08 Cufer Asset Ltd. L.L.C. Chip connector
WO2007032292A1 (en) * 2005-09-15 2007-03-22 Semiconductor Energy Laboratory Co., Ltd. Manufacturing method of liquid crystal display device
TWI517378B (zh) 2005-10-17 2016-01-11 半導體能源研究所股份有限公司 半導體裝置及其製造方法
KR100768191B1 (ko) * 2005-11-12 2007-10-17 삼성에스디아이 주식회사 유기 발광 표시 장치의 제조방법 및 유기 발광 표시장치
JP2007147814A (ja) * 2005-11-25 2007-06-14 Seiko Epson Corp 発光装置およびその製造方法並びに電子機器
US7731377B2 (en) 2006-03-21 2010-06-08 Semiconductor Energy Laboratory Co., Ltd. Backlight device and display device
IL176673A0 (en) * 2006-07-03 2007-07-04 Fermon Israel A variably displayable mobile device keyboard
CN101490610B (zh) * 2006-09-29 2013-06-05 株式会社半导体能源研究所 半导体设备
JP2008164787A (ja) 2006-12-27 2008-07-17 Epson Imaging Devices Corp 液晶表示装置
KR100970925B1 (ko) * 2006-12-29 2010-07-20 엘지디스플레이 주식회사 액정표시장치 및 이의 제조방법
KR101350479B1 (ko) * 2007-02-12 2014-01-16 삼성전자주식회사 Drm 디바이스를 이용하여 drm 기능과 부가 기능을수행하기 위한 방법 및 그 시스템
JP4577318B2 (ja) * 2007-03-02 2010-11-10 セイコーエプソン株式会社 液晶装置の製造方法
US8049851B2 (en) 2007-06-26 2011-11-01 Semiconductor Energy Laboratory Co., Ltd. Method for manufacturing a liquid crystal display device having a second orientation film surrounding a first orientation film
US8184256B2 (en) * 2007-12-28 2012-05-22 Samsung Electronics Co., Ltd. Display panel and method for manufacturing the same
JP5154261B2 (ja) * 2008-02-26 2013-02-27 株式会社ジャパンディスプレイイースト 液晶表示装置
JP5246782B2 (ja) 2008-03-06 2013-07-24 株式会社ジャパンディスプレイウェスト 液晶装置および電子機器
US20110141425A1 (en) * 2008-04-14 2011-06-16 Yoshimizu Moriya Liquid crystal display panel
US8736587B2 (en) * 2008-07-10 2014-05-27 Semiconductor Energy Laboratory Co., Ltd. Semiconductor device
KR20100024751A (ko) * 2008-08-26 2010-03-08 삼성전자주식회사 액정표시장치 및 그 제조방법
KR101500425B1 (ko) * 2008-08-27 2015-03-09 삼성디스플레이 주식회사 터치 스크린 표시 장치
TWI607670B (zh) 2009-01-08 2017-12-01 半導體能源研究所股份有限公司 發光裝置及電子裝置
JP5100670B2 (ja) 2009-01-21 2012-12-19 株式会社半導体エネルギー研究所 タッチパネル、電子機器
JP5202395B2 (ja) * 2009-03-09 2013-06-05 株式会社半導体エネルギー研究所 タッチパネル、電子機器
JP5572979B2 (ja) * 2009-03-30 2014-08-20 ソニー株式会社 半導体装置の製造方法
US8624875B2 (en) * 2009-08-24 2014-01-07 Semiconductor Energy Laboratory Co., Ltd. Method for driving touch panel
TWI418903B (zh) * 2009-09-30 2013-12-11 Au Optronics Corp 陣列基板及其製造方法
JP5740132B2 (ja) 2009-10-26 2015-06-24 株式会社半導体エネルギー研究所 表示装置及び半導体装置
JP2011138804A (ja) * 2009-12-25 2011-07-14 Honda Motor Co Ltd ナノワイヤ太陽電池及びその製造方法
JP5782676B2 (ja) * 2010-03-10 2015-09-24 セイコーエプソン株式会社 電気光学装置及び電子機器、並びに電気光学装置の製造方法
JP2011242506A (ja) * 2010-05-17 2011-12-01 Sony Corp 表示装置の製造方法、および表示装置
US20130076996A1 (en) * 2010-06-11 2013-03-28 Sharp Kabushiki Kaisha Integrated touch panel with display device and method of manufacturing the same
JP2012108494A (ja) 2010-10-25 2012-06-07 Semiconductor Energy Lab Co Ltd 表示装置
JP5877992B2 (ja) 2010-10-25 2016-03-08 株式会社半導体エネルギー研究所 表示装置
US8953120B2 (en) 2011-01-07 2015-02-10 Semiconductor Energy Laboratory Co., Ltd. Display device
KR20130000938A (ko) * 2011-06-24 2013-01-03 삼성디스플레이 주식회사 액정 표시 장치 및 액정 표시 장치의 제조 방법
KR20130010168A (ko) * 2011-07-18 2013-01-28 삼성전자주식회사 사용자 단말기 및 그의 표시 패널
JP2013026345A (ja) * 2011-07-19 2013-02-04 Toshiba Corp 半導体装置の製造方法
JP5631847B2 (ja) * 2011-11-07 2014-11-26 Jx日鉱日石金属株式会社 圧延銅箔
JP5683432B2 (ja) * 2011-11-07 2015-03-11 Jx日鉱日石金属株式会社 圧延銅箔
JP2013104992A (ja) * 2011-11-14 2013-05-30 Seiko Epson Corp 偏光素子、偏光素子の製造方法、プロジェクター、液晶装置、および電子機器
DK2827177T3 (en) * 2012-03-15 2018-02-12 Soken Kagaku Kk ANTI-REFLECTION FILM
KR102105287B1 (ko) 2012-08-01 2020-04-28 가부시키가이샤 한도오따이 에네루기 켄큐쇼 표시 장치
JP6076683B2 (ja) 2012-10-17 2017-02-08 株式会社半導体エネルギー研究所 発光装置
JP6204012B2 (ja) 2012-10-17 2017-09-27 株式会社半導体エネルギー研究所 発光装置
KR20140055097A (ko) * 2012-10-30 2014-05-09 삼성디스플레이 주식회사 터치 스크린 패널의 제조방법
JP6155020B2 (ja) 2012-12-21 2017-06-28 株式会社半導体エネルギー研究所 発光装置及びその製造方法
JP6216125B2 (ja) 2013-02-12 2017-10-18 株式会社半導体エネルギー研究所 発光装置
JP6104649B2 (ja) 2013-03-08 2017-03-29 株式会社半導体エネルギー研究所 発光装置
JP2014206596A (ja) * 2013-04-11 2014-10-30 株式会社ジャパンディスプレイ 液晶表示装置及びその製造方法
TWI683169B (zh) 2014-07-25 2020-01-21 日商半導體能源研究所股份有限公司 堆疊結構體、輸入/輸出裝置、資訊處理裝置及堆疊結構體的製造方法
JP2016200698A (ja) * 2015-04-09 2016-12-01 Jsr株式会社 液晶表示素子、感放射線性樹脂組成物、層間絶縁膜、層間絶縁膜の製造方法および液晶表示素子の製造方法
CN107533173B (zh) * 2015-04-13 2020-01-10 富士胶片株式会社 透明基材薄膜层叠体、触摸面板用传感器薄膜、触摸面板、图像显示装置及图像显示装置的可见性改善方法
EP3443826B1 (en) * 2016-04-13 2023-05-17 TactoTek Oy Multilayer structure with embedded multilayer electronics
CN108630829B (zh) * 2017-03-17 2019-11-08 京东方科技集团股份有限公司 显示面板的制作方法、显示面板及显示装置
KR102166474B1 (ko) * 2017-06-30 2020-10-16 주식회사 엘지화학 기판
CN114008572B (zh) * 2019-07-02 2024-11-15 株式会社和冠 终端装置及位置检测传感器
US11950461B2 (en) 2019-08-01 2024-04-02 Chengdu Boe Optoelectronics Technology Co., Ltd. Display substrate and display apparatus
CN111290155B (zh) * 2020-03-26 2021-04-27 武汉华星光电技术有限公司 一种彩膜基板、显示面板及电子装置

Citations (8)

* Cited by examiner, † Cited by third party
Publication number Priority date Publication date Assignee Title
JPH04127128A (ja) * 1990-09-18 1992-04-28 Sharp Corp アクティブマトリクス表示装置
JPH05158053A (ja) * 1991-12-05 1993-06-25 Sharp Corp 液晶表示装置の製造方法
JPH07120730A (ja) * 1993-10-27 1995-05-12 Sharp Corp 液晶表示入出力装置
JPH09120075A (ja) * 1995-08-21 1997-05-06 Toshiba Electron Eng Corp 液晶表示素子
JPH1068956A (ja) * 1996-08-29 1998-03-10 Toshiba Corp 液晶表示素子及びその製造方法
JPH1195194A (ja) * 1997-09-24 1999-04-09 Toshiba Electronic Engineering Corp 液晶表示素子およびその製造方法
JPH11109372A (ja) * 1997-09-30 1999-04-23 Toshiba Electronic Engineering Corp 液晶表示素子用基板の製造方法、液晶表示素子の製造方法、液晶表示素子用基板及び液晶表示素子
JPH11153810A (ja) * 1997-11-20 1999-06-08 Sharp Corp アクティブマトリクス型液晶表示装置の製造方法

Family Cites Families (202)

* Cited by examiner, † Cited by third party
Publication number Priority date Publication date Assignee Title
US322698A (en) * 1885-07-21 Feank dibber
JPS58140609U (ja) 1982-03-18 1983-09-21 株式会社白金製作所 磁力駆動装置
US4555746A (en) * 1983-01-12 1985-11-26 Matsushita Electric Industrial Co., Ltd. Organic chip capacitor
JPS61184518A (ja) 1985-02-12 1986-08-18 Semiconductor Energy Lab Co Ltd 液晶表示装置作成方法
JPS61184518U (ja) 1985-05-09 1986-11-18
US4775225A (en) * 1985-05-16 1988-10-04 Canon Kabushiki Kaisha Liquid crystal device having pillar spacers with small base periphery width in direction perpendicular to orientation treatment
DE3524086A1 (de) * 1985-07-05 1987-01-08 Vdo Schindling Fluessigkristallzelle
JPH07120730B2 (ja) 1986-01-13 1995-12-20 イビデン 株式会社 電子部品を搭載した樹脂基板
US4653864A (en) * 1986-02-26 1987-03-31 Ovonic Imaging Systems, Inc. Liquid crystal matrix display having improved spacers and method of making same
JPH0659228B2 (ja) 1986-06-10 1994-08-10 協和醗酵工業株式会社 アミノ酸の連続発酵生産方法
JPS6350817A (ja) 1986-08-20 1988-03-03 Semiconductor Energy Lab Co Ltd 液晶電気光学装置作製方法
US5379139A (en) 1986-08-20 1995-01-03 Semiconductor Energy Laboratory Co., Ltd. Liquid crystal device and method for manufacturing same with spacers formed by photolithography
US5963288A (en) * 1987-08-20 1999-10-05 Semiconductor Energy Laboratory Co., Ltd. Liquid crystal device having sealant and spacers made from the same material
JPH086053B2 (ja) 1987-04-08 1996-01-24 エスケ−化研株式会社 防藻防カビ塗料組成物
JPH0784267B2 (ja) 1987-04-28 1995-09-13 キヤノン株式会社 給紙装置
JPH0618903Y2 (ja) 1987-04-30 1994-05-18 昌芳 松本 盤状物用手提げ袋
US5032883A (en) * 1987-09-09 1991-07-16 Casio Computer Co., Ltd. Thin film transistor and method of manufacturing the same
DE3732519A1 (de) * 1987-09-26 1989-04-06 Olympia Aeg Anordnung zum eingeben und verarbeiten von zeichen und/oder grafischen mustern
JPH0291616A (ja) * 1988-09-28 1990-03-30 Seiko Epson Corp 液晶表示装置
JPH061213Y2 (ja) 1988-12-28 1994-01-12 株式会社土屋製作所 空気清浄器
JPH088181Y2 (ja) 1989-09-25 1996-03-06 松下電工株式会社 竪樋取付け装置
JPH0651319B2 (ja) 1989-10-20 1994-07-06 凸版印刷株式会社 射出成形ノズル及び射出成形方法
US5062198A (en) * 1990-05-08 1991-11-05 Keytec, Inc. Method of making a transparent touch screen switch assembly
JPH086053Y2 (ja) 1990-06-29 1996-02-21 カヤバ工業株式会社 ジャカード織機
JPH0493924A (ja) 1990-08-07 1992-03-26 Sony Corp 液晶表示装置
TW228633B (ja) * 1991-01-17 1994-08-21 Semiconductor Energy Res Co Ltd
JP2794678B2 (ja) * 1991-08-26 1998-09-10 株式会社 半導体エネルギー研究所 絶縁ゲイト型半導体装置およびその作製方法
US5199128A (en) * 1991-04-03 1993-04-06 The United States Of America As Represented By The Administrator Of The National Aeronautics And Space Administration Method and apparatus for cleaning rubber deposits from airport runways and roadways
CA2082136C (en) * 1991-11-08 1998-01-06 Hiroshi Tsujioka Coordinates input device
US5739882A (en) * 1991-11-18 1998-04-14 Semiconductor Energy Laboratory Co., Ltd. LCD polymerized column spacer formed on a modified substrate, from an acrylic resin, on a surface having hydrophilic and hydrophobic portions, or at regular spacings
JPH05158067A (ja) 1991-12-03 1993-06-25 Stanley Electric Co Ltd 液晶表示装置とその製造方法
JPH05158052A (ja) * 1991-12-09 1993-06-25 Sharp Corp 液晶表示素子
JPH0618903A (ja) * 1991-12-12 1994-01-28 Hosiden Corp カラー液晶表示素子とその製造方法
JPH05259109A (ja) 1992-03-12 1993-10-08 Sony Corp メタル配線層の形成方法
JPH05281558A (ja) 1992-04-03 1993-10-29 Toshiba Corp 液晶表示素子
JPH05289109A (ja) 1992-04-08 1993-11-05 Sony Corp 液晶表示装置
US5473450A (en) 1992-04-28 1995-12-05 Sharp Kabushiki Kaisha Liquid crystal display device with a polymer between liquid crystal regions
JP3251690B2 (ja) 1992-06-01 2002-01-28 株式会社東芝 液晶表示素子
FR2693005B1 (fr) * 1992-06-26 1995-03-31 Thomson Lcd Disposition d'encapsulation et de passivation de circuit pour écrans plats.
KR0159123B1 (ko) 1992-07-15 1999-01-15 사토 후미오 액정표시장치
JPH0659228A (ja) 1992-08-12 1994-03-04 Toshiba Corp 液晶表示素子の製造方法
JP2924506B2 (ja) 1992-10-27 1999-07-26 日本電気株式会社 アクティブマトリックス型液晶表示装置の画素構造
JPH07507405A (ja) * 1993-01-26 1995-08-10 ヒューズ・エアクラフト・カンパニー 内部の固定されたスペーサーを用いる改良された液晶ライトバルブ及びそれを組立てる方法
JP3497198B2 (ja) 1993-02-03 2004-02-16 株式会社半導体エネルギー研究所 半導体装置および薄膜トランジスタの作製方法
US5843225A (en) * 1993-02-03 1998-12-01 Semiconductor Energy Laboratory Co., Ltd. Process for fabricating semiconductor and process for fabricating semiconductor device
JPH06230349A (ja) * 1993-02-08 1994-08-19 Hitachi Ltd カラー液晶表示素子
CN1052110C (zh) * 1993-02-15 2000-05-03 株式会社半导体能源研究所 制造半导体器件的方法
JP3562588B2 (ja) 1993-02-15 2004-09-08 株式会社半導体エネルギー研究所 半導体装置の製造方法
JP3210126B2 (ja) 1993-03-15 2001-09-17 株式会社東芝 液晶表示装置の製造方法
JPH06273735A (ja) 1993-03-18 1994-09-30 Nippon Telegr & Teleph Corp <Ntt> 液晶セル
JP2933816B2 (ja) 1993-07-15 1999-08-16 シャープ株式会社 液晶表示素子及びその製造方法
JPH07152024A (ja) * 1993-05-17 1995-06-16 Sharp Corp 液晶表示素子
US5539545A (en) * 1993-05-18 1996-07-23 Semiconductor Energy Laboratory Co., Ltd. Method of making LCD in which resin columns are cured and the liquid crystal is reoriented
KR100186886B1 (ko) * 1993-05-26 1999-04-15 야마자끼 승페이 반도체장치 제작방법
US5481121A (en) * 1993-05-26 1996-01-02 Semiconductor Energy Laboratory Co., Ltd. Semiconductor device having improved crystal orientation
JP2791858B2 (ja) 1993-06-25 1998-08-27 株式会社半導体エネルギー研究所 半導体装置作製方法
US5594569A (en) 1993-07-22 1997-01-14 Semiconductor Energy Laboratory Co., Ltd. Liquid-crystal electro-optical apparatus and method of manufacturing the same
JP2762215B2 (ja) * 1993-08-12 1998-06-04 株式会社半導体エネルギー研究所 薄膜トランジスタおよび半導体装置の作製方法
JPH0784267A (ja) * 1993-09-20 1995-03-31 Matsushita Electric Ind Co Ltd 液晶表示素子及び空間光変調素子
EP0649046B1 (en) 1993-10-19 2001-07-11 Sharp Kabushiki Kaisha A liquid crystal display device and a production method for the same
TW264575B (ja) * 1993-10-29 1995-12-01 Handotai Energy Kenkyusho Kk
JP3431033B2 (ja) 1993-10-29 2003-07-28 株式会社半導体エネルギー研究所 半導体作製方法
US5923962A (en) 1993-10-29 1999-07-13 Semiconductor Energy Laboratory Co., Ltd. Method for manufacturing a semiconductor device
US5673127A (en) * 1993-12-01 1997-09-30 Matsushita Electric Industrial Co., Ltd. Display panel and display device using a display panel
TW272319B (ja) * 1993-12-20 1996-03-11 Sharp Kk
JP3269734B2 (ja) 1994-06-21 2002-04-02 シャープ株式会社 半導体装置及びその製造方法
JPH07181488A (ja) 1993-12-24 1995-07-21 Suzuki Sogyo Co Ltd 液晶表示装置における面状照明装置
JP3109967B2 (ja) 1993-12-28 2000-11-20 キヤノン株式会社 アクティブマトリクス基板の製造方法
JP3378078B2 (ja) * 1994-02-23 2003-02-17 株式会社半導体エネルギー研究所 半導体装置の作製方法
US6162667A (en) * 1994-03-28 2000-12-19 Sharp Kabushiki Kaisha Method for fabricating thin film transistors
JP3421690B2 (ja) * 1994-04-15 2003-06-30 株式会社ジェルテック 液晶表示装置における光錯乱防止構造並びにその製造方法
JP3192546B2 (ja) * 1994-04-15 2001-07-30 シャープ株式会社 半導体装置およびその製造方法
JPH07333655A (ja) 1994-06-10 1995-12-22 Sony Corp アクティブマトリクス型表示装置
JP3067949B2 (ja) * 1994-06-15 2000-07-24 シャープ株式会社 電子装置および液晶表示装置
JP3155886B2 (ja) 1994-06-20 2001-04-16 キヤノン株式会社 表示装置及びその製造法
DE69529493T2 (de) 1994-06-20 2003-10-30 Canon K.K., Tokio/Tokyo Anzeigevorrichtung und Verfahren zu ihrer Herstellung
JPH0876129A (ja) * 1994-09-01 1996-03-22 Hitachi Ltd 液晶表示素子およびその製造方法
JP2888177B2 (ja) 1994-09-28 1999-05-10 日本電気株式会社 液晶表示装置
US5915174A (en) * 1994-09-30 1999-06-22 Semiconductor Energy Laboratory Co., Ltd. Semiconductor device and method for producing the same
JP3894969B2 (ja) 1994-09-30 2007-03-22 株式会社半導体エネルギー研究所 半導体装置の作製方法
JP3277082B2 (ja) * 1994-11-22 2002-04-22 シャープ株式会社 半導体装置およびその製造方法
TW378276B (en) * 1995-01-13 2000-01-01 Seiko Epson Corp Liquid crystal display device and its fabrication method
JP3491415B2 (ja) * 1995-01-13 2004-01-26 セイコーエプソン株式会社 液晶表示装置の製造方法
JP3769317B2 (ja) 1995-01-13 2006-04-26 セイコーエプソン株式会社 液晶表示装置及びその製造方法
JP2694126B2 (ja) * 1995-02-06 1997-12-24 インターナショナル・ビジネス・マシーンズ・コーポレイション 液晶表示装置及びその製造方法
JPH08234225A (ja) 1995-02-28 1996-09-13 Sony Corp 液晶表示装置
JPH08248427A (ja) 1995-03-13 1996-09-27 Semiconductor Energy Lab Co Ltd 液晶表示装置
JP3678788B2 (ja) 1995-03-16 2005-08-03 富士通株式会社 液晶表示装置
JPH08297286A (ja) * 1995-04-26 1996-11-12 Internatl Business Mach Corp <Ibm> 液晶表示装置
JPH0926603A (ja) 1995-05-08 1997-01-28 Semiconductor Energy Lab Co Ltd 表示装置
DE69618458T2 (de) * 1995-05-22 2002-11-07 Hitachi Chemical Co., Ltd. Halbleiterteil mit einem zu einem verdrahtungsträger elektrisch verbundenem chip
JP2647815B2 (ja) * 1995-08-18 1997-08-27 工業技術院長 レーザー変位計・レーザー振動計の周波数特性測定法
JPH09120062A (ja) * 1995-08-18 1997-05-06 Toshiba Electron Eng Corp カラーフィルタ基板及びその製造方法、それを用いた液晶表示素子及びその製造方法
US6286359B1 (en) * 1995-08-18 2001-09-11 Director-General Of The Agency Of Industrial Science And Technology Method for testing frequency response characteristics of laser displacement/vibration meters
JP3999824B2 (ja) * 1995-08-21 2007-10-31 東芝電子エンジニアリング株式会社 液晶表示素子
JP3708593B2 (ja) 1995-09-06 2005-10-19 東芝電子エンジニアリング株式会社 液晶表示装置、及びその製造方法
TW373098B (en) * 1995-09-06 1999-11-01 Toshiba Corp Liquid crystal exposure component and its fabricating method
US6888608B2 (en) * 1995-09-06 2005-05-03 Kabushiki Kaisha Toshiba Liquid crystal display device
JPH0973093A (ja) 1995-09-06 1997-03-18 Toshiba Electron Eng Corp 液晶表示装置、及びその製造方法
JP3638346B2 (ja) 1995-09-06 2005-04-13 東芝電子エンジニアリング株式会社 液晶表示素子
JPH0980447A (ja) * 1995-09-08 1997-03-28 Toshiba Electron Eng Corp 液晶表示素子
JP3199215B2 (ja) * 1995-09-14 2001-08-13 シャープ株式会社 液晶表示素子およびその製造方法
JP3347925B2 (ja) 1995-09-14 2002-11-20 シャープ株式会社 液晶表示素子
JP3299869B2 (ja) * 1995-09-27 2002-07-08 シャープ株式会社 液晶表示装置とその製造方法
US5917563A (en) * 1995-10-16 1999-06-29 Sharp Kabushiki Kaisha Liquid crystal display device having an insulation film made of organic material between an additional capacity and a bus line
JPH09171196A (ja) 1995-10-16 1997-06-30 Sharp Corp 液晶表示装置
JPH09127525A (ja) * 1995-11-06 1997-05-16 Sharp Corp 液晶表示素子およびその製造方法
JPH09153619A (ja) 1995-11-30 1997-06-10 Sanyo Electric Co Ltd 薄膜トランジスタ
JP3124480B2 (ja) * 1995-12-12 2001-01-15 株式会社半導体エネルギー研究所 半導体装置の作製方法
JP3310152B2 (ja) 1996-01-18 2002-07-29 株式会社東芝 液晶表示装置およびその製造方法
JPH09203890A (ja) * 1996-01-25 1997-08-05 Sharp Corp 入力機能付き液晶表示素子および反射型入力機能付き液晶表示素子、並びにそれらの製造方法
US6236445B1 (en) * 1996-02-22 2001-05-22 Hughes Electronics Corporation Method for making topographic projections
US5852485A (en) * 1996-02-27 1998-12-22 Sharp Kabushiki Kaisha Liquid crystal display device and method for producing the same
KR100386203B1 (ko) * 1996-02-29 2003-12-31 가부시키가이샤 한도오따이 에네루기 켄큐쇼 전기광학장치및그제조방법
JP3634061B2 (ja) 1996-04-01 2005-03-30 株式会社半導体エネルギー研究所 液晶表示装置
GB2312773A (en) * 1996-05-01 1997-11-05 Sharp Kk Active matrix display
JP3663741B2 (ja) * 1996-05-22 2005-06-22 セイコーエプソン株式会社 アクティブマトリックス型液晶表示装置及びその製造方法
JP3841892B2 (ja) 1996-08-13 2006-11-08 株式会社半導体エネルギー研究所 表示装置及び表示機能を有する装置
US6288764B1 (en) * 1996-06-25 2001-09-11 Semiconductor Energy Laboratory Co., Ltd. Display device or electronic device having liquid crystal display panel
JP3871736B2 (ja) 1996-06-25 2007-01-24 株式会社半導体エネルギー研究所 液晶表示装置及び撮影装置及び情報処理装置
JPH1020298A (ja) * 1996-07-03 1998-01-23 Sharp Corp 液晶表示装置
US5986729A (en) * 1996-07-10 1999-11-16 Matsushita Electric Industrial Co., Ltd. Liquid crystal display device and method of manufacturing the same
JPH1062789A (ja) * 1996-08-23 1998-03-06 Sharp Corp 液晶表示装置及びその製造方法
JPH1068955A (ja) 1996-08-29 1998-03-10 Toshiba Corp 液晶表示素子
JPH1090689A (ja) * 1996-09-10 1998-04-10 Citizen Watch Co Ltd 液晶表示パネル
JPH1096955A (ja) 1996-09-24 1998-04-14 Toshiba Corp 液晶表示装置
JPH10153797A (ja) 1996-09-26 1998-06-09 Toshiba Corp 液晶表示装置
JPH10153785A (ja) * 1996-09-26 1998-06-09 Toshiba Corp 液晶表示装置
JPH10104418A (ja) 1996-10-03 1998-04-24 Toray Ind Inc 液晶表示装置用基板および液晶表示装置
JP3069949B2 (ja) 1996-10-09 2000-07-24 日精樹脂工業株式会社 射出成形機の入力装置
US5973763A (en) * 1996-10-16 1999-10-26 Seiko Epson Corporation Liquid crystal device including supporting columns
US6163257A (en) * 1996-10-31 2000-12-19 Detection Systems, Inc. Security system having event detectors and keypads with integral monitor
US6020947A (en) * 1996-11-06 2000-02-01 Sharp Kabushiki Kaisha Liquid crystal devices
JP3472422B2 (ja) * 1996-11-07 2003-12-02 シャープ株式会社 液晶装置の製造方法
TW542933B (en) 1996-12-19 2003-07-21 Sharp Kk Liquid crystal display device and process for producing the same
US6088070A (en) * 1997-01-17 2000-07-11 Semiconductor Energy Laboratory Co., Ltd. Active matrix liquid crystal with capacitor between light blocking film and pixel connecting electrode
JP3808155B2 (ja) 1997-01-17 2006-08-09 株式会社半導体エネルギー研究所 アクティブマトリクス型液晶表示装置
JPH11133463A (ja) 1997-10-31 1999-05-21 Semiconductor Energy Lab Co Ltd アクティブマトリクス型液晶表示装置及び電子機器
JP3833327B2 (ja) 1997-02-03 2006-10-11 三洋電機株式会社 薄膜トランジスタの製造方法、表示装置、密着型イメージセンサ、三次元ic
US5831710A (en) 1997-02-06 1998-11-03 International Business Machines Corporation Liquid crystal display
JPH10228022A (ja) 1997-02-17 1998-08-25 Semiconductor Energy Lab Co Ltd 液晶表示装置およびその作製方法
JP3782194B2 (ja) * 1997-02-28 2006-06-07 株式会社東芝 アクティブマトリクス型液晶表示装置
JP3032801B2 (ja) 1997-03-03 2000-04-17 株式会社半導体エネルギー研究所 半導体装置の作製方法
TW379360B (en) * 1997-03-03 2000-01-11 Semiconductor Energy Lab Method of manufacturing a semiconductor device
JP3828976B2 (ja) * 1997-03-03 2006-10-04 東芝電子エンジニアリング株式会社 液晶表示素子及びその製造方法
JP3361029B2 (ja) * 1997-03-19 2003-01-07 株式会社東芝 表示装置
JPH10268316A (ja) 1997-03-24 1998-10-09 Toshiba Corp 液晶表示素子の製造方法
JPH10268361A (ja) 1997-03-27 1998-10-09 Semiconductor Energy Lab Co Ltd 液晶表示装置およびその製造方法
US5978063A (en) 1997-04-15 1999-11-02 Xerox Corporation Smart spacers for active matrix liquid crystal projection light valves
WO1998048322A1 (en) 1997-04-22 1998-10-29 Matsushita Electric Industrial Co., Ltd. Liquid crystal display with image reading function, image reading method and manufacturing method
JPH10325959A (ja) 1997-05-26 1998-12-08 Semiconductor Energy Lab Co Ltd 表示装置
JPH10339889A (ja) 1997-06-09 1998-12-22 Semiconductor Energy Lab Co Ltd 電気光学装置およびその製造方法
JP3998755B2 (ja) 1997-05-22 2007-10-31 株式会社半導体エネルギー研究所 半導体表示装置
US6465268B2 (en) 1997-05-22 2002-10-15 Semiconductor Energy Laboratory Co., Ltd. Method of manufacturing an electro-optical device
JP4038272B2 (ja) 1997-06-04 2008-01-23 東芝松下ディスプレイテクノロジー株式会社 液晶表示装置の組立て方法および組立て装置
US6016357A (en) * 1997-06-16 2000-01-18 International Business Machines Corporation Feedback method to repair phase shift masks
GB9713544D0 (en) 1997-06-26 1997-09-03 Sharp Kk Ferroelectric liquid crystal device manufacture
JP4831850B2 (ja) * 1997-07-08 2011-12-07 株式会社半導体エネルギー研究所 薄膜トランジスタの作製方法
US6330047B1 (en) 1997-07-28 2001-12-11 Sharp Kabushiki Kaisha Liquid crystal display device and method for fabricating the same
JPH1184386A (ja) 1997-09-01 1999-03-26 Toshiba Corp アクティブマトリクス型液晶表示装置
JP3919900B2 (ja) 1997-09-19 2007-05-30 株式会社半導体エネルギー研究所 液晶表示装置およびその作製方法
JP4159633B2 (ja) 1997-09-19 2008-10-01 株式会社半導体エネルギー研究所 半導体装置およびその作製方法並びに電子機器
JPH1195687A (ja) 1997-09-20 1999-04-09 Semiconductor Energy Lab Co Ltd 表示装置
JPH11101986A (ja) 1997-09-26 1999-04-13 Sanyo Electric Co Ltd 表示装置及び表示装置用大基板
JP3699828B2 (ja) * 1997-10-06 2005-09-28 シャープ株式会社 液晶表示素子およびその製造方法
JPH11119230A (ja) 1997-10-14 1999-04-30 Toshiba Corp 液晶表示装置及び液晶表示装置の製造方法
JPH11133600A (ja) * 1997-10-30 1999-05-21 Jsr Corp 表示パネルスペーサー用感放射線性樹脂組成物
US6108064A (en) * 1997-11-06 2000-08-22 Sharp Kabushiki Kaisha Reflective-type liquid crystal display device including a single polarizer plate
JP3522095B2 (ja) * 1997-12-08 2004-04-26 松下電器産業株式会社 液晶表示素子
US6281952B1 (en) * 1997-12-26 2001-08-28 Sharp Kabushiki Kaisha Liquid crystal display
JPH11295746A (ja) * 1998-02-16 1999-10-29 Sharp Corp 液晶素子の製造方法、液晶注入装置および液晶注入システム
US6369867B1 (en) * 1998-03-12 2002-04-09 Gl Displays, Inc. Riveted liquid crystal display comprising at least one plastic rivet formed by laser drilling through a pair of plastic plates
JP4011725B2 (ja) 1998-04-24 2007-11-21 東芝松下ディスプレイテクノロジー株式会社 液晶表示装置
US6313481B1 (en) * 1998-08-06 2001-11-06 Semiconductor Energy Laboratory Co., Ltd. Semiconductor device and a method of manufacturing the same
US20010040560A1 (en) * 1998-08-20 2001-11-15 Alan Amron Video display document
EP0984492A3 (en) 1998-08-31 2000-05-17 Sel Semiconductor Energy Laboratory Co., Ltd. Semiconductor device comprising organic resin and process for producing semiconductor device
KR100324914B1 (ko) * 1998-09-25 2002-02-28 니시무로 타이죠 기판의 검사방법
JP2000122071A (ja) 1998-10-13 2000-04-28 Toshiba Corp 液晶表示素子及び液晶表示素子の製造方法
JP3661443B2 (ja) * 1998-10-27 2005-06-15 株式会社日立製作所 アクティブマトリクス液晶表示装置
KR100327696B1 (ko) * 1998-11-16 2002-03-09 니시무로 타이죠 액정표시장치 및 착색층 부재
JP4434359B2 (ja) * 1999-05-19 2010-03-17 東芝モバイルディスプレイ株式会社 平面表示装置及びその製造方法
JP4376989B2 (ja) * 1998-12-22 2009-12-02 東レ・ダウコーニング株式会社 固体材料用撥水処理剤
JP2000171805A (ja) * 1998-12-01 2000-06-23 Hitachi Ltd 液晶表示装置
US6420988B1 (en) * 1998-12-03 2002-07-16 Semiconductor Energy Laboratory Co., Ltd. Digital analog converter and electronic device using the same
US6285247B1 (en) * 1999-01-21 2001-09-04 Agere Systems Guardian Corporation Optimized low voltage CMOS operation
US6777716B1 (en) 1999-02-12 2004-08-17 Semiconductor Energy Laboratory Co., Ltd. Semiconductor display device and method of manufacturing therefor
JP4215905B2 (ja) * 1999-02-15 2009-01-28 シャープ株式会社 液晶表示装置
EP1031873A3 (en) * 1999-02-23 2005-02-23 Sel Semiconductor Energy Laboratory Co., Ltd. Semiconductor device and fabrication method thereof
US7821065B2 (en) * 1999-03-02 2010-10-26 Semiconductor Energy Laboratory Co., Ltd. Semiconductor device comprising a thin film transistor comprising a semiconductor thin film and method of manufacturing the same
US6861670B1 (en) 1999-04-01 2005-03-01 Semiconductor Energy Laboratory Co., Ltd. Semiconductor device having multi-layer wiring
JP2000321580A (ja) * 1999-04-28 2000-11-24 Internatl Business Mach Corp <Ibm> 液晶表示装置
US6680487B1 (en) * 1999-05-14 2004-01-20 Semiconductor Energy Laboratory Co., Ltd. Semiconductor comprising a TFT provided on a substrate having an insulating surface and method of fabricating the same
JP4298131B2 (ja) 1999-05-14 2009-07-15 株式会社半導体エネルギー研究所 液晶表示装置の作製方法
JP3838818B2 (ja) 1999-06-17 2006-10-25 Nec液晶テクノロジー株式会社 液晶表示パネル及びその製造方法
JP2001005007A (ja) * 1999-06-18 2001-01-12 Hitachi Ltd 液晶表示装置
TW459275B (en) 1999-07-06 2001-10-11 Semiconductor Energy Lab Semiconductor device and method of fabricating the same
JP2001133791A (ja) * 1999-11-09 2001-05-18 Toshiba Corp 液晶表示装置
US6477767B1 (en) * 1999-12-06 2002-11-12 Hon Hai Precision Ind. Co., Ltd. Method for removing a braiding layer of a coaxial cable
JP2001311963A (ja) * 2000-04-27 2001-11-09 Toshiba Corp 液晶表示装置および液晶表示装置の製造方法
US6876355B1 (en) 2000-05-18 2005-04-05 Lg. Philips Lcd Co., Ltd. Touch screen structure to prevent image distortion
KR20020004277A (ko) * 2000-07-04 2002-01-16 구본준, 론 위라하디락사 액정표시장치
US6690441B2 (en) * 2000-09-22 2004-02-10 Dai Nippon Printing Co., Ltd. Multi-domain vertical alignment mode liquid crystal display having spacers formed over zigzag like alignment-controlling projection

Patent Citations (8)

* Cited by examiner, † Cited by third party
Publication number Priority date Publication date Assignee Title
JPH04127128A (ja) * 1990-09-18 1992-04-28 Sharp Corp アクティブマトリクス表示装置
JPH05158053A (ja) * 1991-12-05 1993-06-25 Sharp Corp 液晶表示装置の製造方法
JPH07120730A (ja) * 1993-10-27 1995-05-12 Sharp Corp 液晶表示入出力装置
JPH09120075A (ja) * 1995-08-21 1997-05-06 Toshiba Electron Eng Corp 液晶表示素子
JPH1068956A (ja) * 1996-08-29 1998-03-10 Toshiba Corp 液晶表示素子及びその製造方法
JPH1195194A (ja) * 1997-09-24 1999-04-09 Toshiba Electronic Engineering Corp 液晶表示素子およびその製造方法
JPH11109372A (ja) * 1997-09-30 1999-04-23 Toshiba Electronic Engineering Corp 液晶表示素子用基板の製造方法、液晶表示素子の製造方法、液晶表示素子用基板及び液晶表示素子
JPH11153810A (ja) * 1997-11-20 1999-06-08 Sharp Corp アクティブマトリクス型液晶表示装置の製造方法

Cited By (1)

* Cited by examiner, † Cited by third party
Publication number Priority date Publication date Assignee Title
JP2015028627A (ja) * 2013-07-05 2015-02-12 Hoya株式会社 基板の製造方法、多層反射膜付き基板の製造方法、マスクブランクの製造方法、転写用マスクの製造方法、及び基板加工装置

Also Published As

Publication number Publication date
JP2018142021A (ja) 2018-09-13
JP5396561B2 (ja) 2014-01-22
US6638781B1 (en) 2003-10-28
JP2012032844A (ja) 2012-02-16
JP2006171789A (ja) 2006-06-29
US20040084673A1 (en) 2004-05-06
JP5073093B2 (ja) 2012-11-14
JP5581420B2 (ja) 2014-08-27
JP2019066881A (ja) 2019-04-25
US20090322698A1 (en) 2009-12-31
JP2014132363A (ja) 2014-07-17
JP5453570B1 (ja) 2014-03-26
US9052551B2 (en) 2015-06-09
JP2009237578A (ja) 2009-10-15
JP5514935B2 (ja) 2014-06-04
TW459275B (en) 2001-10-11
JP2016014909A (ja) 2016-01-28
JP2001075500A (ja) 2001-03-23
JP5184439B2 (ja) 2013-04-17
JP5853078B2 (ja) 2016-02-09
JP2014038360A (ja) 2014-02-27
JP5760036B2 (ja) 2015-08-05
US20090040445A1 (en) 2009-02-12
JP2017215589A (ja) 2017-12-07
JP2013164640A (ja) 2013-08-22
US20160282658A1 (en) 2016-09-29
JP5707447B2 (ja) 2015-04-30
US9069215B2 (en) 2015-06-30
US7808009B2 (en) 2010-10-05
JP2011118445A (ja) 2011-06-16
JP5478542B2 (ja) 2014-04-23
JP2014225044A (ja) 2014-12-04
JP5453569B2 (ja) 2014-03-26
US20060151791A1 (en) 2006-07-13
US9395584B2 (en) 2016-07-19
JP2011141571A (ja) 2011-07-21
US20120120336A1 (en) 2012-05-17
JP2013235274A (ja) 2013-11-21
US7605902B2 (en) 2009-10-20
JP2013214087A (ja) 2013-10-17
JP5194142B2 (ja) 2013-05-08
JP4785998B2 (ja) 2011-10-05
US7173281B2 (en) 2007-02-06
KR100653758B1 (ko) 2006-12-05
JP2019133180A (ja) 2019-08-08
US20140139762A1 (en) 2014-05-22
JP2014067055A (ja) 2014-04-17
JP4713365B2 (ja) 2011-06-29
KR20010029895A (ko) 2001-04-16
JP2011138171A (ja) 2011-07-14
JP6423980B2 (ja) 2018-11-14
JP2013190825A (ja) 2013-09-26
JP2013152494A (ja) 2013-08-08

Similar Documents

Publication Publication Date Title
JP6423980B2 (ja) 液晶表示装置

Legal Events

Date Code Title Description
A621 Written request for application examination

Free format text: JAPANESE INTERMEDIATE CODE: A621

Effective date: 20121210

A131 Notification of reasons for refusal

Free format text: JAPANESE INTERMEDIATE CODE: A131

Effective date: 20130326

A521 Request for written amendment filed

Free format text: JAPANESE INTERMEDIATE CODE: A523

Effective date: 20130514

A131 Notification of reasons for refusal

Free format text: JAPANESE INTERMEDIATE CODE: A131

Effective date: 20140204

A521 Request for written amendment filed

Free format text: JAPANESE INTERMEDIATE CODE: A523

Effective date: 20140210

A02 Decision of refusal

Free format text: JAPANESE INTERMEDIATE CODE: A02

Effective date: 20140902

A521 Request for written amendment filed

Free format text: JAPANESE INTERMEDIATE CODE: A523

Effective date: 20140908

A911 Transfer to examiner for re-examination before appeal (zenchi)

Free format text: JAPANESE INTERMEDIATE CODE: A911

Effective date: 20141104

A912 Re-examination (zenchi) completed and case transferred to appeal board

Free format text: JAPANESE INTERMEDIATE CODE: A912

Effective date: 20141219

A521 Request for written amendment filed

Free format text: JAPANESE INTERMEDIATE CODE: A523

Effective date: 20150622

A761 Written withdrawal of application

Free format text: JAPANESE INTERMEDIATE CODE: A761

Effective date: 20150622