JP5938136B2 - 半導体装置 - Google Patents
半導体装置 Download PDFInfo
- Publication number
- JP5938136B2 JP5938136B2 JP2015242845A JP2015242845A JP5938136B2 JP 5938136 B2 JP5938136 B2 JP 5938136B2 JP 2015242845 A JP2015242845 A JP 2015242845A JP 2015242845 A JP2015242845 A JP 2015242845A JP 5938136 B2 JP5938136 B2 JP 5938136B2
- Authority
- JP
- Japan
- Prior art keywords
- layer
- region
- semiconductor layer
- electrode
- thin film
- Prior art date
- Legal status (The legal status is an assumption and is not a legal conclusion. Google has not performed a legal analysis and makes no representation as to the accuracy of the status listed.)
- Active
Links
- 239000004065 semiconductor Substances 0.000 title claims description 296
- 230000015572 biosynthetic process Effects 0.000 claims description 70
- 229910052738 indium Inorganic materials 0.000 claims description 35
- 229910052733 gallium Inorganic materials 0.000 claims description 34
- 229910052725 zinc Inorganic materials 0.000 claims description 34
- OGIDPMRJRNCKJF-UHFFFAOYSA-N titanium oxide Inorganic materials [Ti]=O OGIDPMRJRNCKJF-UHFFFAOYSA-N 0.000 claims description 31
- GWEVSGVZZGPLCZ-UHFFFAOYSA-N Titan oxide Chemical compound O=[Ti]=O GWEVSGVZZGPLCZ-UHFFFAOYSA-N 0.000 claims description 30
- 229910052736 halogen Inorganic materials 0.000 claims description 13
- 150000002367 halogens Chemical class 0.000 claims description 13
- 238000004458 analytical method Methods 0.000 claims description 3
- 239000010410 layer Substances 0.000 description 464
- 239000010408 film Substances 0.000 description 431
- 239000010409 thin film Substances 0.000 description 249
- 239000000758 substrate Substances 0.000 description 135
- 238000000034 method Methods 0.000 description 99
- 239000011241 protective layer Substances 0.000 description 61
- 238000004544 sputter deposition Methods 0.000 description 60
- 239000004973 liquid crystal related substance Substances 0.000 description 50
- 239000012298 atmosphere Substances 0.000 description 43
- 229910044991 metal oxide Inorganic materials 0.000 description 40
- 150000004706 metal oxides Chemical class 0.000 description 40
- VYPSYNLAJGMNEJ-UHFFFAOYSA-N Silicium dioxide Chemical compound O=[Si]=O VYPSYNLAJGMNEJ-UHFFFAOYSA-N 0.000 description 38
- 239000011701 zinc Substances 0.000 description 34
- RTAQQCXQSZGOHL-UHFFFAOYSA-N Titanium Chemical compound [Ti] RTAQQCXQSZGOHL-UHFFFAOYSA-N 0.000 description 33
- 239000000463 material Substances 0.000 description 33
- 229910052719 titanium Inorganic materials 0.000 description 33
- 239000010936 titanium Substances 0.000 description 33
- 238000004519 manufacturing process Methods 0.000 description 32
- 229910052814 silicon oxide Inorganic materials 0.000 description 31
- 238000005530 etching Methods 0.000 description 30
- 238000012545 processing Methods 0.000 description 30
- 229910052782 aluminium Inorganic materials 0.000 description 29
- 230000008569 process Effects 0.000 description 29
- XAGFODPZIPBFFR-UHFFFAOYSA-N aluminium Chemical compound [Al] XAGFODPZIPBFFR-UHFFFAOYSA-N 0.000 description 28
- 229910052760 oxygen Inorganic materials 0.000 description 27
- QVGXLLKOCUKJST-UHFFFAOYSA-N atomic oxygen Chemical compound [O] QVGXLLKOCUKJST-UHFFFAOYSA-N 0.000 description 26
- 239000001301 oxygen Substances 0.000 description 26
- 230000006870 function Effects 0.000 description 25
- GYHNNYVSQQEPJS-UHFFFAOYSA-N Gallium Chemical compound [Ga] GYHNNYVSQQEPJS-UHFFFAOYSA-N 0.000 description 24
- HCHKCACWOHOZIP-UHFFFAOYSA-N Zinc Chemical compound [Zn] HCHKCACWOHOZIP-UHFFFAOYSA-N 0.000 description 24
- APFVFJFRJDLVQX-UHFFFAOYSA-N indium atom Chemical compound [In] APFVFJFRJDLVQX-UHFFFAOYSA-N 0.000 description 24
- 229910052581 Si3N4 Inorganic materials 0.000 description 21
- XLOMVQKBTHCTTD-UHFFFAOYSA-N Zinc monoxide Chemical compound [Zn]=O XLOMVQKBTHCTTD-UHFFFAOYSA-N 0.000 description 21
- HQVNEWCFYHHQES-UHFFFAOYSA-N silicon nitride Chemical compound N12[Si]34N5[Si]62N3[Si]51N64 HQVNEWCFYHHQES-UHFFFAOYSA-N 0.000 description 21
- 239000000123 paper Substances 0.000 description 20
- 229910052751 metal Inorganic materials 0.000 description 17
- 239000002245 particle Substances 0.000 description 17
- 239000002184 metal Substances 0.000 description 16
- 239000011159 matrix material Substances 0.000 description 15
- 238000012546 transfer Methods 0.000 description 15
- 239000007789 gas Substances 0.000 description 14
- 238000010438 heat treatment Methods 0.000 description 14
- 229910003437 indium oxide Inorganic materials 0.000 description 11
- PJXISJQVUVHSOJ-UHFFFAOYSA-N indium(iii) oxide Chemical compound [O-2].[O-2].[O-2].[In+3].[In+3] PJXISJQVUVHSOJ-UHFFFAOYSA-N 0.000 description 11
- XKRFYHLGVUSROY-UHFFFAOYSA-N Argon Chemical compound [Ar] XKRFYHLGVUSROY-UHFFFAOYSA-N 0.000 description 10
- IJGRMHOSHXDMSA-UHFFFAOYSA-N Atomic nitrogen Chemical compound N#N IJGRMHOSHXDMSA-UHFFFAOYSA-N 0.000 description 10
- 239000011787 zinc oxide Substances 0.000 description 10
- 229910052739 hydrogen Inorganic materials 0.000 description 9
- 239000012535 impurity Substances 0.000 description 9
- 239000003094 microcapsule Substances 0.000 description 9
- 239000004020 conductor Substances 0.000 description 8
- 239000011521 glass Substances 0.000 description 8
- 239000001257 hydrogen Substances 0.000 description 8
- QGLKJKCYBOYXKC-UHFFFAOYSA-N nonaoxidotritungsten Chemical compound O=[W]1(=O)O[W](=O)(=O)O[W](=O)(=O)O1 QGLKJKCYBOYXKC-UHFFFAOYSA-N 0.000 description 8
- 229920005989 resin Polymers 0.000 description 8
- 239000011347 resin Substances 0.000 description 8
- 229910052710 silicon Inorganic materials 0.000 description 8
- 229910001930 tungsten oxide Inorganic materials 0.000 description 8
- XUIMIQQOPSSXEZ-UHFFFAOYSA-N Silicon Chemical compound [Si] XUIMIQQOPSSXEZ-UHFFFAOYSA-N 0.000 description 7
- 230000005684 electric field Effects 0.000 description 7
- -1 hydrogen compound Chemical class 0.000 description 7
- AMGQUBHHOARCQH-UHFFFAOYSA-N indium;oxotin Chemical compound [In].[Sn]=O AMGQUBHHOARCQH-UHFFFAOYSA-N 0.000 description 7
- CPLXHLVBOLITMK-UHFFFAOYSA-N magnesium oxide Inorganic materials [Mg]=O CPLXHLVBOLITMK-UHFFFAOYSA-N 0.000 description 7
- 239000000395 magnesium oxide Substances 0.000 description 7
- AXZKOIWUVFPNLO-UHFFFAOYSA-N magnesium;oxygen(2-) Chemical compound [O-2].[Mg+2] AXZKOIWUVFPNLO-UHFFFAOYSA-N 0.000 description 7
- 239000000203 mixture Substances 0.000 description 7
- 239000010453 quartz Substances 0.000 description 7
- 239000000565 sealant Substances 0.000 description 7
- 239000010703 silicon Substances 0.000 description 7
- 239000002356 single layer Substances 0.000 description 7
- 238000001039 wet etching Methods 0.000 description 7
- 229910003087 TiOx Inorganic materials 0.000 description 6
- 229910052786 argon Inorganic materials 0.000 description 6
- 239000000945 filler Substances 0.000 description 6
- 229910052757 nitrogen Inorganic materials 0.000 description 6
- 238000009832 plasma treatment Methods 0.000 description 6
- 238000005546 reactive sputtering Methods 0.000 description 6
- 238000009751 slip forming Methods 0.000 description 6
- HLLICFJUWSZHRJ-UHFFFAOYSA-N tioxidazole Chemical compound CCCOC1=CC=C2N=C(NC(=O)OC)SC2=C1 HLLICFJUWSZHRJ-UHFFFAOYSA-N 0.000 description 6
- ATJFFYVFTNAWJD-UHFFFAOYSA-N Tin Chemical compound [Sn] ATJFFYVFTNAWJD-UHFFFAOYSA-N 0.000 description 5
- 239000003990 capacitor Substances 0.000 description 5
- 229920001940 conductive polymer Polymers 0.000 description 5
- 239000013078 crystal Substances 0.000 description 5
- 230000006866 deterioration Effects 0.000 description 5
- 150000002500 ions Chemical class 0.000 description 5
- 238000001755 magnetron sputter deposition Methods 0.000 description 5
- 230000007246 mechanism Effects 0.000 description 5
- 239000007769 metal material Substances 0.000 description 5
- 229910021421 monocrystalline silicon Inorganic materials 0.000 description 5
- 238000005268 plasma chemical vapour deposition Methods 0.000 description 5
- 229920003023 plastic Polymers 0.000 description 5
- 239000004033 plastic Substances 0.000 description 5
- 230000009467 reduction Effects 0.000 description 5
- 239000012798 spherical particle Substances 0.000 description 5
- 229910052718 tin Inorganic materials 0.000 description 5
- XLYOFNOQVPJJNP-UHFFFAOYSA-N water Chemical compound O XLYOFNOQVPJJNP-UHFFFAOYSA-N 0.000 description 5
- MYMOFIZGZYHOMD-UHFFFAOYSA-N Dioxygen Chemical compound O=O MYMOFIZGZYHOMD-UHFFFAOYSA-N 0.000 description 4
- VEXZGXHMUGYJMC-UHFFFAOYSA-N Hydrochloric acid Chemical compound Cl VEXZGXHMUGYJMC-UHFFFAOYSA-N 0.000 description 4
- 239000004642 Polyimide Substances 0.000 description 4
- NIXOWILDQLNWCW-UHFFFAOYSA-N acrylic acid group Chemical group C(C=C)(=O)O NIXOWILDQLNWCW-UHFFFAOYSA-N 0.000 description 4
- 230000004888 barrier function Effects 0.000 description 4
- 239000002585 base Substances 0.000 description 4
- 230000008901 benefit Effects 0.000 description 4
- BRPQOXSCLDDYGP-UHFFFAOYSA-N calcium oxide Chemical compound [O-2].[Ca+2] BRPQOXSCLDDYGP-UHFFFAOYSA-N 0.000 description 4
- 239000000292 calcium oxide Substances 0.000 description 4
- ODINCKMPIJJUCX-UHFFFAOYSA-N calcium oxide Inorganic materials [Ca]=O ODINCKMPIJJUCX-UHFFFAOYSA-N 0.000 description 4
- 238000010586 diagram Methods 0.000 description 4
- 229910001882 dioxygen Inorganic materials 0.000 description 4
- 239000000428 dust Substances 0.000 description 4
- 238000003780 insertion Methods 0.000 description 4
- 230000037431 insertion Effects 0.000 description 4
- 239000007788 liquid Substances 0.000 description 4
- 229910000476 molybdenum oxide Inorganic materials 0.000 description 4
- PQQKPALAQIIWST-UHFFFAOYSA-N oxomolybdenum Chemical compound [Mo]=O PQQKPALAQIIWST-UHFFFAOYSA-N 0.000 description 4
- 230000003071 parasitic effect Effects 0.000 description 4
- 238000005192 partition Methods 0.000 description 4
- 229920001721 polyimide Polymers 0.000 description 4
- 238000004549 pulsed laser deposition Methods 0.000 description 4
- XOLBLPGZBRYERU-UHFFFAOYSA-N tin dioxide Chemical compound O=[Sn]=O XOLBLPGZBRYERU-UHFFFAOYSA-N 0.000 description 4
- 229910001887 tin oxide Inorganic materials 0.000 description 4
- YVTHLONGBIQYBO-UHFFFAOYSA-N zinc indium(3+) oxygen(2-) Chemical compound [O--].[Zn++].[In+3] YVTHLONGBIQYBO-UHFFFAOYSA-N 0.000 description 4
- DGAQECJNVWCQMB-PUAWFVPOSA-M Ilexoside XXIX Chemical compound C[C@@H]1CC[C@@]2(CC[C@@]3(C(=CC[C@H]4[C@]3(CC[C@@H]5[C@@]4(CC[C@@H](C5(C)C)OS(=O)(=O)[O-])C)C)[C@@H]2[C@]1(C)O)C)C(=O)O[C@H]6[C@@H]([C@H]([C@@H]([C@H](O6)CO)O)O)O.[Na+] DGAQECJNVWCQMB-PUAWFVPOSA-M 0.000 description 3
- ZOKXTWBITQBERF-UHFFFAOYSA-N Molybdenum Chemical compound [Mo] ZOKXTWBITQBERF-UHFFFAOYSA-N 0.000 description 3
- MUBZPKHOEPUJKR-UHFFFAOYSA-N Oxalic acid Chemical compound OC(=O)C(O)=O MUBZPKHOEPUJKR-UHFFFAOYSA-N 0.000 description 3
- 238000005229 chemical vapour deposition Methods 0.000 description 3
- 239000000460 chlorine Substances 0.000 description 3
- KRKNYBCHXYNGOX-UHFFFAOYSA-N citric acid Chemical compound OC(=O)CC(O)(C(O)=O)CC(O)=O KRKNYBCHXYNGOX-UHFFFAOYSA-N 0.000 description 3
- 238000011109 contamination Methods 0.000 description 3
- 238000001816 cooling Methods 0.000 description 3
- PMHQVHHXPFUNSP-UHFFFAOYSA-M copper(1+);methylsulfanylmethane;bromide Chemical compound Br[Cu].CSC PMHQVHHXPFUNSP-UHFFFAOYSA-M 0.000 description 3
- AJNVQOSZGJRYEI-UHFFFAOYSA-N digallium;oxygen(2-) Chemical compound [O-2].[O-2].[O-2].[Ga+3].[Ga+3] AJNVQOSZGJRYEI-UHFFFAOYSA-N 0.000 description 3
- 239000002019 doping agent Substances 0.000 description 3
- 230000000694 effects Effects 0.000 description 3
- 238000007667 floating Methods 0.000 description 3
- 229910052750 molybdenum Inorganic materials 0.000 description 3
- 239000011733 molybdenum Substances 0.000 description 3
- 230000003287 optical effect Effects 0.000 description 3
- 150000002894 organic compounds Chemical class 0.000 description 3
- 230000003647 oxidation Effects 0.000 description 3
- 238000007254 oxidation reaction Methods 0.000 description 3
- TWNQGVIAIRXVLR-UHFFFAOYSA-N oxo(oxoalumanyloxy)alumane Chemical compound O=[Al]O[Al]=O TWNQGVIAIRXVLR-UHFFFAOYSA-N 0.000 description 3
- SIWVEOZUMHYXCS-UHFFFAOYSA-N oxo(oxoyttriooxy)yttrium Chemical compound O=[Y]O[Y]=O SIWVEOZUMHYXCS-UHFFFAOYSA-N 0.000 description 3
- 238000000059 patterning Methods 0.000 description 3
- 229920006267 polyester film Polymers 0.000 description 3
- 230000001681 protective effect Effects 0.000 description 3
- 239000003566 sealing material Substances 0.000 description 3
- 229910052708 sodium Inorganic materials 0.000 description 3
- 239000011734 sodium Substances 0.000 description 3
- 229910018072 Al 2 O 3 Inorganic materials 0.000 description 2
- 229910017073 AlLi Inorganic materials 0.000 description 2
- CURLTUGMZLYLDI-UHFFFAOYSA-N Carbon dioxide Chemical compound O=C=O CURLTUGMZLYLDI-UHFFFAOYSA-N 0.000 description 2
- ZAMOUSCENKQFHK-UHFFFAOYSA-N Chlorine atom Chemical compound [Cl] ZAMOUSCENKQFHK-UHFFFAOYSA-N 0.000 description 2
- VYZAMTAEIAYCRO-UHFFFAOYSA-N Chromium Chemical compound [Cr] VYZAMTAEIAYCRO-UHFFFAOYSA-N 0.000 description 2
- RYGMFSIKBFXOCR-UHFFFAOYSA-N Copper Chemical compound [Cu] RYGMFSIKBFXOCR-UHFFFAOYSA-N 0.000 description 2
- KRHYYFGTRYWZRS-UHFFFAOYSA-N Fluorane Chemical compound F KRHYYFGTRYWZRS-UHFFFAOYSA-N 0.000 description 2
- PXGOKWXKJXAPGV-UHFFFAOYSA-N Fluorine Chemical compound FF PXGOKWXKJXAPGV-UHFFFAOYSA-N 0.000 description 2
- UFHFLCQGNIYNRP-UHFFFAOYSA-N Hydrogen Chemical compound [H][H] UFHFLCQGNIYNRP-UHFFFAOYSA-N 0.000 description 2
- 229910017947 MgOx Inorganic materials 0.000 description 2
- 239000004952 Polyamide Substances 0.000 description 2
- QAOWNCQODCNURD-UHFFFAOYSA-N Sulfuric acid Chemical compound OS(O)(=O)=O QAOWNCQODCNURD-UHFFFAOYSA-N 0.000 description 2
- 230000002411 adverse Effects 0.000 description 2
- 230000015556 catabolic process Effects 0.000 description 2
- 239000000919 ceramic Substances 0.000 description 2
- 229910052801 chlorine Inorganic materials 0.000 description 2
- 238000004891 communication Methods 0.000 description 2
- 239000002131 composite material Substances 0.000 description 2
- 229910052802 copper Inorganic materials 0.000 description 2
- 239000010949 copper Substances 0.000 description 2
- 238000006731 degradation reaction Methods 0.000 description 2
- 238000000151 deposition Methods 0.000 description 2
- 230000008021 deposition Effects 0.000 description 2
- 238000001784 detoxification Methods 0.000 description 2
- 238000009792 diffusion process Methods 0.000 description 2
- 238000007599 discharging Methods 0.000 description 2
- KPUWHANPEXNPJT-UHFFFAOYSA-N disiloxane Chemical class [SiH3]O[SiH3] KPUWHANPEXNPJT-UHFFFAOYSA-N 0.000 description 2
- 238000001312 dry etching Methods 0.000 description 2
- 238000005401 electroluminescence Methods 0.000 description 2
- 230000005281 excited state Effects 0.000 description 2
- 239000000284 extract Substances 0.000 description 2
- 230000002349 favourable effect Effects 0.000 description 2
- 239000011152 fibreglass Substances 0.000 description 2
- 239000010419 fine particle Substances 0.000 description 2
- 239000011737 fluorine Substances 0.000 description 2
- 229910052731 fluorine Inorganic materials 0.000 description 2
- 229910001195 gallium oxide Inorganic materials 0.000 description 2
- 239000011261 inert gas Substances 0.000 description 2
- 238000002347 injection Methods 0.000 description 2
- 239000007924 injection Substances 0.000 description 2
- 229910010272 inorganic material Inorganic materials 0.000 description 2
- 238000002156 mixing Methods 0.000 description 2
- AHLBNYSZXLDEJQ-FWEHEUNISA-N orlistat Chemical compound CCCCCCCCCCC[C@H](OC(=O)[C@H](CC(C)C)NC=O)C[C@@H]1OC(=O)[C@H]1CCCCCC AHLBNYSZXLDEJQ-FWEHEUNISA-N 0.000 description 2
- 239000000049 pigment Substances 0.000 description 2
- 229920002037 poly(vinyl butyral) polymer Polymers 0.000 description 2
- 229920002647 polyamide Polymers 0.000 description 2
- 229920000915 polyvinyl chloride Polymers 0.000 description 2
- 239000004800 polyvinyl chloride Substances 0.000 description 2
- 229920002620 polyvinyl fluoride Polymers 0.000 description 2
- 238000007639 printing Methods 0.000 description 2
- 238000001552 radio frequency sputter deposition Methods 0.000 description 2
- 239000000243 solution Substances 0.000 description 2
- 239000002904 solvent Substances 0.000 description 2
- 125000006850 spacer group Chemical group 0.000 description 2
- 208000024891 symptom Diseases 0.000 description 2
- 229920001187 thermosetting polymer Polymers 0.000 description 2
- 210000003462 vein Anatomy 0.000 description 2
- 239000004925 Acrylic resin Substances 0.000 description 1
- 229920000178 Acrylic resin Polymers 0.000 description 1
- VHUUQVKOLVNVRT-UHFFFAOYSA-N Ammonium hydroxide Chemical compound [NH4+].[OH-] VHUUQVKOLVNVRT-UHFFFAOYSA-N 0.000 description 1
- 206010052128 Glare Diseases 0.000 description 1
- MHAJPDPJQMAIIY-UHFFFAOYSA-N Hydrogen peroxide Chemical compound OO MHAJPDPJQMAIIY-UHFFFAOYSA-N 0.000 description 1
- 206010021143 Hypoxia Diseases 0.000 description 1
- 229910017840 NH 3 Inorganic materials 0.000 description 1
- 238000006124 Pilkington process Methods 0.000 description 1
- 229910004298 SiO 2 Inorganic materials 0.000 description 1
- BQCADISMDOOEFD-UHFFFAOYSA-N Silver Chemical compound [Ag] BQCADISMDOOEFD-UHFFFAOYSA-N 0.000 description 1
- 101100268330 Solanum lycopersicum TFT7 gene Proteins 0.000 description 1
- NRTOMJZYCJJWKI-UHFFFAOYSA-N Titanium nitride Chemical compound [Ti]#N NRTOMJZYCJJWKI-UHFFFAOYSA-N 0.000 description 1
- 230000001133 acceleration Effects 0.000 description 1
- 229910052783 alkali metal Inorganic materials 0.000 description 1
- 150000001340 alkali metals Chemical class 0.000 description 1
- 229910045601 alloy Inorganic materials 0.000 description 1
- 239000000956 alloy Substances 0.000 description 1
- 239000005407 aluminoborosilicate glass Substances 0.000 description 1
- 239000005354 aluminosilicate glass Substances 0.000 description 1
- 150000001408 amides Chemical class 0.000 description 1
- 235000011114 ammonium hydroxide Nutrition 0.000 description 1
- 229910052788 barium Inorganic materials 0.000 description 1
- DSAJWYNOEDNPEQ-UHFFFAOYSA-N barium atom Chemical compound [Ba] DSAJWYNOEDNPEQ-UHFFFAOYSA-N 0.000 description 1
- UMIVXZPTRXBADB-UHFFFAOYSA-N benzocyclobutene Chemical compound C1=CC=C2CCC2=C1 UMIVXZPTRXBADB-UHFFFAOYSA-N 0.000 description 1
- 230000002457 bidirectional effect Effects 0.000 description 1
- 239000011230 binding agent Substances 0.000 description 1
- 239000005388 borosilicate glass Substances 0.000 description 1
- DQXBYHZEEUGOBF-UHFFFAOYSA-N but-3-enoic acid;ethene Chemical compound C=C.OC(=O)CC=C DQXBYHZEEUGOBF-UHFFFAOYSA-N 0.000 description 1
- 229910052791 calcium Inorganic materials 0.000 description 1
- 239000011575 calcium Substances 0.000 description 1
- 239000001569 carbon dioxide Substances 0.000 description 1
- 229910002092 carbon dioxide Inorganic materials 0.000 description 1
- 239000000969 carrier Substances 0.000 description 1
- 230000001413 cellular effect Effects 0.000 description 1
- 230000008859 change Effects 0.000 description 1
- 239000003795 chemical substances by application Substances 0.000 description 1
- 229910052804 chromium Inorganic materials 0.000 description 1
- 239000011651 chromium Substances 0.000 description 1
- 238000004140 cleaning Methods 0.000 description 1
- 238000000576 coating method Methods 0.000 description 1
- 238000004040 coloring Methods 0.000 description 1
- 150000001875 compounds Chemical class 0.000 description 1
- 229920001577 copolymer Polymers 0.000 description 1
- 230000007423 decrease Effects 0.000 description 1
- 238000013461 design Methods 0.000 description 1
- 238000001514 detection method Methods 0.000 description 1
- 238000009826 distribution Methods 0.000 description 1
- 230000009977 dual effect Effects 0.000 description 1
- 238000005538 encapsulation Methods 0.000 description 1
- 239000003822 epoxy resin Substances 0.000 description 1
- 239000005038 ethylene vinyl acetate Substances 0.000 description 1
- 239000004744 fabric Substances 0.000 description 1
- 230000005669 field effect Effects 0.000 description 1
- 239000011888 foil Substances 0.000 description 1
- PCHJSUWPFVWCPO-UHFFFAOYSA-N gold Chemical compound [Au] PCHJSUWPFVWCPO-UHFFFAOYSA-N 0.000 description 1
- 229910052737 gold Inorganic materials 0.000 description 1
- 239000010931 gold Substances 0.000 description 1
- 230000005283 ground state Effects 0.000 description 1
- 229910000449 hafnium oxide Inorganic materials 0.000 description 1
- WIHZLLGSGQNAGK-UHFFFAOYSA-N hafnium(4+);oxygen(2-) Chemical compound [O-2].[O-2].[Hf+4] WIHZLLGSGQNAGK-UHFFFAOYSA-N 0.000 description 1
- 239000003779 heat-resistant material Substances 0.000 description 1
- 229910052734 helium Inorganic materials 0.000 description 1
- 230000005525 hole transport Effects 0.000 description 1
- 150000002431 hydrogen Chemical class 0.000 description 1
- QOSATHPSBFQAML-UHFFFAOYSA-N hydrogen peroxide;hydrate Chemical compound O.OO QOSATHPSBFQAML-UHFFFAOYSA-N 0.000 description 1
- 230000001771 impaired effect Effects 0.000 description 1
- 150000002484 inorganic compounds Chemical class 0.000 description 1
- 239000011147 inorganic material Substances 0.000 description 1
- 239000012212 insulator Substances 0.000 description 1
- 238000005304 joining Methods 0.000 description 1
- 238000010030 laminating Methods 0.000 description 1
- 238000003475 lamination Methods 0.000 description 1
- 238000004020 luminiscence type Methods 0.000 description 1
- 239000000696 magnetic material Substances 0.000 description 1
- 239000012528 membrane Substances 0.000 description 1
- 229910021645 metal ion Inorganic materials 0.000 description 1
- 238000012986 modification Methods 0.000 description 1
- 230000004048 modification Effects 0.000 description 1
- 239000012299 nitrogen atmosphere Substances 0.000 description 1
- 238000007645 offset printing Methods 0.000 description 1
- 239000012788 optical film Substances 0.000 description 1
- 150000007524 organic acids Chemical class 0.000 description 1
- 235000005985 organic acids Nutrition 0.000 description 1
- 239000011368 organic material Substances 0.000 description 1
- 238000007500 overflow downdraw method Methods 0.000 description 1
- 235000006408 oxalic acid Nutrition 0.000 description 1
- 238000004806 packaging method and process Methods 0.000 description 1
- 230000035515 penetration Effects 0.000 description 1
- 238000007747 plating Methods 0.000 description 1
- 229920001200 poly(ethylene-vinyl acetate) Polymers 0.000 description 1
- 229920000767 polyaniline Polymers 0.000 description 1
- 229920000647 polyepoxide Polymers 0.000 description 1
- 229920000128 polypyrrole Polymers 0.000 description 1
- 229920001296 polysiloxane Polymers 0.000 description 1
- 229920000123 polythiophene Polymers 0.000 description 1
- 238000005215 recombination Methods 0.000 description 1
- 230000006798 recombination Effects 0.000 description 1
- 239000003870 refractory metal Substances 0.000 description 1
- 230000004044 response Effects 0.000 description 1
- 238000007650 screen-printing Methods 0.000 description 1
- 238000007789 sealing Methods 0.000 description 1
- 229920002050 silicone resin Polymers 0.000 description 1
- 229910052709 silver Inorganic materials 0.000 description 1
- 239000004332 silver Substances 0.000 description 1
- 238000010583 slow cooling Methods 0.000 description 1
- 238000003980 solgel method Methods 0.000 description 1
- 238000004528 spin coating Methods 0.000 description 1
- 239000010935 stainless steel Substances 0.000 description 1
- 229910001220 stainless steel Inorganic materials 0.000 description 1
- 239000000126 substance Substances 0.000 description 1
- 229910052715 tantalum Inorganic materials 0.000 description 1
- GUVRBAGPIYLISA-UHFFFAOYSA-N tantalum atom Chemical compound [Ta] GUVRBAGPIYLISA-UHFFFAOYSA-N 0.000 description 1
- 239000013077 target material Substances 0.000 description 1
- 238000002230 thermal chemical vapour deposition Methods 0.000 description 1
- 230000007704 transition Effects 0.000 description 1
- 238000002834 transmittance Methods 0.000 description 1
- 230000007723 transport mechanism Effects 0.000 description 1
- 238000007740 vapor deposition Methods 0.000 description 1
Images
Classifications
-
- H—ELECTRICITY
- H10—SEMICONDUCTOR DEVICES; ELECTRIC SOLID-STATE DEVICES NOT OTHERWISE PROVIDED FOR
- H10D—INORGANIC ELECTRIC SEMICONDUCTOR DEVICES
- H10D30/00—Field-effect transistors [FET]
- H10D30/60—Insulated-gate field-effect transistors [IGFET]
- H10D30/67—Thin-film transistors [TFT]
- H10D30/674—Thin-film transistors [TFT] characterised by the active materials
- H10D30/6755—Oxide semiconductors, e.g. zinc oxide, copper aluminium oxide or cadmium stannate
-
- H—ELECTRICITY
- H10—SEMICONDUCTOR DEVICES; ELECTRIC SOLID-STATE DEVICES NOT OTHERWISE PROVIDED FOR
- H10D—INORGANIC ELECTRIC SEMICONDUCTOR DEVICES
- H10D30/00—Field-effect transistors [FET]
- H10D30/60—Insulated-gate field-effect transistors [IGFET]
- H10D30/67—Thin-film transistors [TFT]
- H10D30/6704—Thin-film transistors [TFT] having supplementary regions or layers in the thin films or in the insulated bulk substrates for controlling properties of the device
-
- H—ELECTRICITY
- H10—SEMICONDUCTOR DEVICES; ELECTRIC SOLID-STATE DEVICES NOT OTHERWISE PROVIDED FOR
- H10D—INORGANIC ELECTRIC SEMICONDUCTOR DEVICES
- H10D64/00—Electrodes of devices having potential barriers
- H10D64/60—Electrodes characterised by their materials
- H10D64/62—Electrodes ohmically coupled to a semiconductor
-
- H—ELECTRICITY
- H10—SEMICONDUCTOR DEVICES; ELECTRIC SOLID-STATE DEVICES NOT OTHERWISE PROVIDED FOR
- H10D—INORGANIC ELECTRIC SEMICONDUCTOR DEVICES
- H10D86/00—Integrated devices formed in or on insulating or conducting substrates, e.g. formed in silicon-on-insulator [SOI] substrates or on stainless steel or glass substrates
- H10D86/40—Integrated devices formed in or on insulating or conducting substrates, e.g. formed in silicon-on-insulator [SOI] substrates or on stainless steel or glass substrates characterised by multiple TFTs
- H10D86/421—Integrated devices formed in or on insulating or conducting substrates, e.g. formed in silicon-on-insulator [SOI] substrates or on stainless steel or glass substrates characterised by multiple TFTs having a particular composition, shape or crystalline structure of the active layer
- H10D86/423—Integrated devices formed in or on insulating or conducting substrates, e.g. formed in silicon-on-insulator [SOI] substrates or on stainless steel or glass substrates characterised by multiple TFTs having a particular composition, shape or crystalline structure of the active layer comprising semiconductor materials not belonging to the Group IV, e.g. InGaZnO
-
- H—ELECTRICITY
- H10—SEMICONDUCTOR DEVICES; ELECTRIC SOLID-STATE DEVICES NOT OTHERWISE PROVIDED FOR
- H10D—INORGANIC ELECTRIC SEMICONDUCTOR DEVICES
- H10D86/00—Integrated devices formed in or on insulating or conducting substrates, e.g. formed in silicon-on-insulator [SOI] substrates or on stainless steel or glass substrates
- H10D86/40—Integrated devices formed in or on insulating or conducting substrates, e.g. formed in silicon-on-insulator [SOI] substrates or on stainless steel or glass substrates characterised by multiple TFTs
- H10D86/60—Integrated devices formed in or on insulating or conducting substrates, e.g. formed in silicon-on-insulator [SOI] substrates or on stainless steel or glass substrates characterised by multiple TFTs wherein the TFTs are in active matrices
Landscapes
- Thin Film Transistor (AREA)
- Electroluminescent Light Sources (AREA)
- Liquid Crystal (AREA)
- Electrodes Of Semiconductors (AREA)
- Devices For Indicating Variable Information By Combining Individual Elements (AREA)
- Metal-Oxide And Bipolar Metal-Oxide Semiconductor Integrated Circuits (AREA)
- Electrochromic Elements, Electrophoresis, Or Variable Reflection Or Absorption Elements (AREA)
- Shift Register Type Memory (AREA)
Description
TFTという)で構成された回路を有する半導体装置およびその作製方法に関する。例え
ば、液晶表示パネルに代表される電気光学装置や有機発光素子を有する発光表示装置を部
品として搭載した電子機器に関する。
全般を指し、電気光学装置、半導体回路および電子機器は全て半導体装置である。
ッチング素子を設けたアクティブマトリクス型の表示装置(液晶表示装置や発光表示装置
や電気泳動式表示装置)が盛んに開発されている。アクティブマトリクス型の表示装置は
、画素(又は1ドット)毎にスイッチング素子が設けられており、単純マトリクス方式に
比べて画素密度が増えた場合に低電圧駆動できるので有利である。
製し、電子デバイスや光デバイスに応用する技術が注目されている。例えば、酸化物半導
体膜としてZnOを用いるTFTや、InGaO3(ZnO)mを用いるTFTが挙げら
れる。これらの酸化物半導体膜を用いて形成されたTFTを透光性を有する基板上に形成
し、画像表示装置のスイッチング素子などに用いる技術が特許文献1、特許文献2などで
開示されている。
造工程が比較的簡単であり、十分な信頼性であることが求められている。
料を用いる。特に、大面積の表示を行う表示装置を製造する際、配線の抵抗による信号の
遅延問題が顕著になってくる。従って、配線や電極の材料としては、電気抵抗値の低い金
属材料を用いることが望ましい。一方、電気抵抗値の低い金属材料からなるソース電極及
びドレイン電極と、酸化物半導体膜とが直接接する薄膜トランジスタ構造とすると、コン
タクト抵抗が高くなる恐れがある。コンタクト抵抗が高くなる原因は、ソース電極及びド
レイン電極と、酸化物半導体膜との接触面でショットキー接合が形成されることが要因の
一つと考えられる。
形成され、周波数特性(f特性と呼ばれる)が低くなり、薄膜トランジスタの高速動作を
妨げる恐れがある。
トランジスタにおいて、ソース電極及びドレイン電極と酸化物半導体層のコンタクト抵抗
を低減した薄膜トランジスタ及びその作製方法を提供することを課題の一つとする。
の動作特性や信頼性を向上させることも課題の一つとする。
の電気特性のバラツキを低減することも課題の一つとする。特に、液晶表示装置において
は、個々の素子間でのバラツキが大きい場合、そのTFT特性のバラツキに起因する表示
むらが発生する恐れがある。
されたTFT(駆動回路または画素に配置される発光素子に電流を供給するTFT)のオ
ン電流(Ion)のバラツキが大きい場合、表示画面において輝度のバラツキが生じる恐
れがある。
を用い、半導体層とソース電極層及びドレイン電極層との間にバッファ層を設けた逆スタ
ガ型(ボトムゲート構造)の薄膜トランジスタを含むことを要旨とする。
された半導体層を「IGZO半導体層」とも記す。
のコンタクト抵抗は極力低減することが望まれる。同様に、ドレイン電極とIGZO半導
体層とはオーミック性のコンタクトが必要であり、さらに、そのコンタクト抵抗は極力低
減することが望まれる。
の高いバッファ層を意図的に設けることによってオーミック性のコンタクトを形成する。
えば酸化チタン、酸化モリブデン、酸化亜鉛、酸化インジウム、酸化タングステン、酸化
マグネシウム、酸化カルシウム、酸化錫等を用いることができる。バッファ層にはn型ま
たはp型の導電型を付与する不純物を含ませてもよい。不純物としては、インジウム、ガ
リウム、アルミニウム、亜鉛、錫などを用いることができる。
もしくはドレイン電極と半導体層が直接接合する場合に比べ、接触抵抗を低減することが
きる。
きる。
ト絶縁膜上に形成されたIGZO半導体層と、IGZO半導体層のチャネル形成領域と重
なる領域に形成されたチャネル保護層と、半導体層上に形成されたバッファ層と、バッフ
ァ層上に形成されたソース電極およびドレイン電極と、を含む薄膜トランジスタを有し、
バッファ層は、n型の導電型を有する金属酸化物を含み、半導体層とソース電極およびド
レイン電極は、バッファ層を介して電気的に接続している。また、バッファ層のキャリア
濃度がIGZO半導体層のキャリア濃度より高いことが好ましい。
低い第2のバッファ層を設けてもよい。第2のバッファ層はn−層として機能する。
ート絶縁膜上に形成されたIGZO半導体層と、IGZO半導体層のチャネル形成領域と
重なる領域に形成されたチャネル保護層と、半導体層上に形成された二層のバッファ層と
、二層のバッファ層上に形成されたソース電極およびドレイン電極と、を含む薄膜トラン
ジスタを有し、バッファ層は、n型の導電型を有する金属酸化物を含み、半導体層とソー
ス電極およびドレイン電極とは、バッファ層を介して電気的に接続している。IGZO半
導体層と接するバッファ層はn−層として機能する。
イン電極層はチタンを含むことが好ましい。例えば、チタン膜とアルミニウム膜とチタン
膜を積層した多層膜を用いると低抵抗であり、かつアルミニウム膜にヒロックが発生しに
くい。
IGZO半導体層のゲート絶縁膜と接する面とは反対側の領域、所謂バックチャネルを工
程時のダメージ(エッチング時のプラズマやエッチング剤による膜減りや、酸化など)か
ら保護することができ、半導体装置の信頼性を向上させることができる。
にゲート絶縁膜を形成し、ゲート絶縁膜上に半導体層を形成し、半導体層上のチャネル形
成領域と重なる領域にチャネル保護層を形成し、半導体層上にn型の導電型を有するバッ
ファ層を形成し、バッファ層上にソース電極及びドレイン電極を形成し、半導体層はイン
ジウム、ガリウム、及び亜鉛を含む酸化物半導体層を用いて形成し、バッファ層はn型の
導電型を有する金属酸化物を用いて形成し、バッファ層のキャリア濃度は、半導体層のキ
ャリア濃度より高く、半導体層とソース電極及びドレイン電極とはバッファ層を介して電
気的に接続する。
絶縁膜を形成し、ゲート絶縁膜上にインジウム、ガリウム、及び亜鉛を含む酸化物半導体
層を形成し、半導体層上のチャネル形成領域と重なる領域にチャネル保護層を形成し、半
導体層上にn型の導電型を有する金属酸化物を用いてバッファ層を形成し、バッファ層上
にソース電極及びドレイン電極を形成する、半導体層とソース電極及びドレイン電極がバ
ッファ層を介して電気的に接続する半導体装置の作製方法である。
電極上にゲート絶縁膜を形成し、ゲート絶縁膜上に半導体層を形成し、半導体層上のチャ
ネル形成領域と重なる領域にチャネル保護層を形成し、半導体層上にn型の導電型を有す
るバッファ層を形成し、バッファ層上にソース電極及びドレイン電極を形成し、半導体層
はインジウム、ガリウム、及び亜鉛を含む酸化物半導体層を用いて形成し、バッファ層は
n型の導電型を有する金属酸化物を用いて形成し、バッファ層のキャリア濃度は、半導体
層のキャリア濃度より高く、半導体層とソース電極及びドレイン電極とはバッファ層を介
して電気的に接続し、ゲート絶縁膜、半導体層及びチャネル保護層は大気に曝さずに形成
する。
ゲート絶縁膜を形成し、ゲート絶縁膜上にインジウム、ガリウム、及び亜鉛を含む酸化物
半導体層を形成し、半導体層上のチャネル形成領域と重なる領域にチャネル保護層を形成
し、半導体層上にn型の導電型を有する金属酸化物を用いてバッファ層を形成し、バッフ
ァ層上にソース電極及びドレイン電極を形成し、ゲート絶縁膜と、半導体層と、バッファ
層を大気に曝さずに連続して形成する、半導体層とソース電極及びドレイン電極がバッフ
ァ層を介して電気的に接続する半導体装置の作製方法である。
気中に浮遊する不純物元素やゴミによる汚染がない積層界面を形成することができるので
、薄膜トランジスタ特性のばらつきを低減することができる。
の成膜工程までの一連のプロセス中、被処理基板の置かれている雰囲気が大気等の汚染雰
囲気に触れることなく、常に真空中または不活性ガス雰囲気(窒素雰囲気または希ガス雰
囲気)で制御されていることを言う。連続成膜を行うことにより、清浄化された被処理基
板への水分等の再付着を回避して成膜を行うことができる。
は本明細書における連続成膜の範囲にあるとする。
う場合、第1の成膜工程を終えた後、大気にふれることなくチャンバー間を基板搬送して
第2の成膜を施すことも本明細書における連続成膜の範囲にあるとする。
工程、または第2の工程に必要な温度とするため基板を加熱または冷却する工程等を有し
ても、本明細書における連続成膜の範囲にあるとする。
の成膜工程と第2の成膜工程の間にある場合、本明細書でいう連続成膜の範囲には当ては
まらないとする。
により、生産性が高まるだけでなく信頼性の高い積層界面を形成できる。また、ゲート絶
縁膜、半導体層及びチャネル保護層は酸素雰囲気下で形成することで、劣化による信頼性
の低下や、薄膜トランジスタ特性のノーマリーオン側へのシフトなどを軽減することがで
きる。
ト絶縁膜上に形成された酸化物半導体層と、半導体層のチャネル形成領域と重なる領域に
形成されたチャネル保護層と、半導体層上に形成されたバッファ層と、バッファ層上に形
成されたソース電極およびドレイン電極を含む薄膜トランジスタを有し、バッファ層はチ
タン酸化物を含み、半導体層はソース電極およびドレイン電極と、バッファ層を介して電
気的に接続している半導体装置である。
る。
低い、第2のバッファ層を有する半導体装置である。
膜を形成し、ゲート絶縁膜上に半導体層を形成し、半導体層上のチャネル形成領域と重な
る領域にチャネル保護層を形成し、半導体層上に半導体層上にチタン酸化物を用いてバッ
ファ層を形成し、バッファ層上にソース電極及びドレイン電極を形成し、バッファ層のキ
ャリア濃度は、半導体層のキャリア濃度より高く、半導体層とソース電極及びドレイン電
極とはバッファ層を介して電気的に接続する半導体装置の作製方法である。
ト絶縁膜を形成し、ゲート絶縁膜上に半導体層を形成し、半導体層上のチャネル形成領域
と重なる領域にチャネル保護層を形成し、半導体層上に半導体層上にチタン酸化物を用い
てバッファ層を形成し、バッファ層上にソース電極及びドレイン電極を形成し、バッファ
層のキャリア濃度は、半導体層のキャリア濃度より高く、半導体層とソース電極及びドレ
イン電極とはバッファ層を介して電気的に接続し、ゲート絶縁膜、半導体層及びチャネル
保護層は大気に曝さずに形成する半導体装置の作製方法である。
半導体装置の作製方法である。
置の作製方法である。
トランジスタを得ることができ、良好な動特性を有する薄膜トランジスタを作製できる。
よって、電気特性が高く信頼性のよい薄膜トランジスタを有する半導体装置を提供できる
。
本発明は以下の説明に限定されず、本発明の趣旨およびその範囲から逸脱することなくそ
の形態および詳細を様々に変更し得ることは、当業者であれば容易に理解される。したが
って、本発明は以下に示す実施の形態の記載内容に限定して解釈されるものではない。な
お、以下に説明する本発明の構成において、同一部分又は同様な機能を有する部分には同
一の符号を異なる図面間で共通して用い、その繰り返しの説明は省略する。
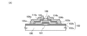
本実施の形態では、薄膜トランジスタおよびその作製工程について、図1及び図2を用い
て説明する。
面図であり、図1(B)は図1(A)におけるA1−A2で切断した断面図である。図1
に示す薄膜トランジスタは、基板100上にゲート電極101が形成され、ゲート電極1
01上に多層膜からなるゲート絶縁膜(102a、102b)が形成され、ゲート絶縁膜
(102a、102b)を介してゲート電極101上にチャネル形成領域として機能する
非晶質の酸化物半導体層103が形成され、非晶質の酸化物半導体層103のチャネル形
成領域と重なる領域にチャネル保護層106が形成され、非晶質の酸化物半導体層103
上に端部をゲート電極101に重畳してバッファ層104aおよび104bが形成され、
バッファ層104aおよび104bに接するソース電極及びドレイン電極105aおよび
105bが形成されている。
びドレイン電極105a、105bと半導体層103との間に、半導体層103よりもキ
ャリア濃度の高いバッファ層104a、104bを意図的に設けることによってオーミッ
ク性のコンタクトを形成する。
bとして機能する金属酸化物として、酸化チタン、酸化モリブデン、酸化亜鉛、酸化イン
ジウム、酸化タングステン、酸化マグネシウム、酸化カルシウム、酸化錫等を用いること
ができるが、特に酸化チタンが好適である。また、金属酸化物に異種の金属をドーピング
して用いることもできる。ドーパントとしては、インジウム、ガリウム、アルミニウム、
亜鉛、錫などを挙げることができる。ドーピングにより金属酸化物中のキャリア濃度を高
めることができる。
とも呼ぶことができる。
ル保護層106を形成する(図2(A)参照)。
ノシリケートガラスなど、フュージョン法やフロート法で作製される無アルカリガラス基
板、セラミック基板の他、本作製工程の処理温度に耐えうる耐熱性を有するプラスチック
基板等を用いることができる。また、ステンレス合金などの金属基板の表面に絶縁膜を設
けた基板を適用しても良い。基板100がマザーガラスの場合、基板の大きさは、第1世
代(320mm×400mm)、第2世代(400mm×500mm)、第3世代(55
0mm×650mm)、第4世代(680mm×880mm、または730mm×920
mm)、第5世代(1000mm×1200mmまたは1100mm×1250mm)、
第6世代1500mm×1800mm)、第7世代(1900mm×2200mm)、第
8世代(2160mm×2460mm)、第9世代(2400mm×2800mm、24
50mm×3050mm)、第10世代(2950mm×3400mm)等を用いること
ができる。
スパッタリング法等を用いて、酸化珪素膜、窒化珪素膜、酸化窒化珪素膜、または窒化酸
化珪素膜の単層、又は積層で形成すればよい。
チタン、タンタル、モリブデン、銅などが適用される。ゲート電極の好適例は、アルミニ
ウム又はアルミニウムとバリア金属の積層構造体によって形成される。バリア金属として
は、チタン、モリブデン、クロムなどの高融点金属が適用される。バリア金属はアルミニ
ウムのヒロック防止、酸化防止のために設けることが好ましい。
m以下とすることで、後に形成される半導体膜や配線の段切れ防止が可能である。また、
ゲート電極の厚さを150nm以上とすることで、ゲート電極の抵抗を低減することが可
能であり、大面積化が可能である。
テーパー状になるように加工することが望ましい。また、図示しないがこの工程でゲート
電極に接続する配線や容量配線も同時に形成することができる。
、銅などの導電性ナノペーストを用いて形成することができる。また、インクジェット法
により導電性粒子等を含む液滴を吐出し焼成して、ゲート電極を形成することができる。
なお、ここでは図2(A)のごとく基板上に導電膜としてアルミニウム膜とモリブデン膜
をスパッタリング法により積層して成膜し、本実施の形態における第1のフォトマスクを
用いて形成したレジストマスクを使い、基板上に形成された導電膜をエッチングしてゲー
ト電極101を形成する。
す。第1のゲート絶縁膜102a、第2のゲート絶縁膜102bはそれぞれ、厚さ50〜
150nmの酸化珪素膜、窒化珪素膜、酸化窒化珪素膜、または窒化酸化珪素膜で形成す
ることができる。ここでは、第1のゲート絶縁膜102aとして窒化珪素膜または窒化酸
化珪素膜を形成し、第2のゲート絶縁膜102bとして酸化珪素膜または酸化窒化珪素膜
を形成して積層する形態を示す。なお、ゲート絶縁膜を2層とせず、酸化珪素膜、窒化珪
素膜、酸化窒化珪素膜、または窒化酸化珪素膜の単層で形成することができるし、また、
3層のゲート絶縁膜を形成してもよい。
で、基板と第1のゲート絶縁膜102aの密着力が高まり、基板としてガラス基板を用い
た場合、基板からの不純物が酸化物半導体膜に拡散するのを防止することが可能であり、
さらにゲート電極101の酸化防止が可能である。即ち、膜剥れを防止することができる
と共に、後に形成される薄膜トランジスタの電気特性を向上させることができる。また、
第1のゲート絶縁膜102a、第2のゲート絶縁膜102bはそれぞれ厚さ50nm以上
であると、ゲート電極101の凹凸を被覆できるため好ましい。
あって、濃度範囲として酸素が55〜65原子%、窒素が1〜20原子%、Siが25〜
35原子%、水素が0.1〜10原子%の範囲で含まれるものをいう。また、窒化酸化珪
素膜とは、その組成として、酸素よりも窒素の含有量が多いものであって、濃度範囲とし
て酸素が15〜30原子%、窒素が20〜35原子%、Siが25〜35原子%、水素が
15〜25原子%の範囲で含まれるものをいう。
酸化アルミニウム、酸化マグネシウム、窒化アルミニウム、酸化イットリウム、酸化ハフ
ニウムを使うことができる。
ッタリング法等を用いて形成することができる。ここでは、第1のゲート絶縁膜102a
として窒化珪素膜をプラズマCVD法により成膜する。
のが望ましい。連続成膜することで、水蒸気などの大気成分や大気中に浮遊する不純物元
素やゴミによる汚染がない積層界面を形成できるので、薄膜トランジスタ特性のばらつき
を低減できる。
特性が重要であり、この電気特性が表示装置の性能を左右する。特に、薄膜トランジスタ
の電気特性のうち、しきい値電圧(Vth)が重要である。電界効果移動度が高くともし
きい値電圧値が高い、或いはしきい値電圧値がマイナスであると、回路として制御するこ
とが困難である。しきい値電圧値が高く、しきい値電圧の絶対値が大きい薄膜トランジス
タの場合には、駆動電圧が低い状態では薄膜トランジスタとしてのスイッチング機能を果
たすことができず、負荷となる恐れがある。また、しきい値電圧値がマイナスであると、
ゲート電圧が0Vでもソース電極とドレイン電極の間に電流が流れる、所謂ノーマリーオ
ンとなりやすい。
ネルが形成されて、ドレイン電流が流れ出すトランジスタが望ましい。駆動電圧を高くし
ないとチャネルが形成されないトランジスタや、負の電圧状態でもチャネルが形成されて
ドレイン電流が流れるトランジスタは、回路に用いる薄膜トランジスタとしては不向きで
ある。
電圧が0Vにできるだけ近い正のしきい値電圧でチャネルが形成されることが望ましい。
界面に大きく影響すると考えられる。
性を向上させるとともに、製造工程の複雑化を防ぐことができ、量産性と高性能の両方を
備えた薄膜トランジスタを実現する。
気的特性の劣化、しきい値電圧のばらつき、ノーマリーオンになりやすいといった問題を
招く。酸化物半導体層とゲート絶縁膜とを連続成膜することで、このような水素化合物を
排除することができる。
、減圧下で連続成膜することで良好な界面を有し、リーク電流が低く、且つ、電流駆動能
力の高い薄膜トランジスタを実現することができる。
は酸素90%以上、希ガス(アルゴン等)10%以下)で成膜することが好ましい。
が安定する。また、ゲート絶縁膜と半導体層を酸素雰囲気下で成膜し、酸素を多く含ませ
るようにすると、劣化による信頼性の低下や、薄膜トランジスタがノーマリーオンとなる
ことを軽減することができる。
成膜するのが望ましい。連続成膜することで、半導体膜のゲート絶縁膜と接する面とは反
対側の領域、所謂バックチャネルに水蒸気などの大気成分や大気中に浮遊する不純物元素
やゴミによる汚染がない積層界面を形成することができるので、薄膜トランジスタ特性の
ばらつきを低減することができる。
グ装置や複数のターゲットを有したスパッタリング装置もしくはPLD装置を用いれば良
い。絶縁膜として酸化珪素を形成する場合、ターゲットとして酸化珪素(人工石英)もし
くは単結晶シリコンを用い、高周波スパッタリング法もしくは反応性スパッタリング法に
より成膜できる。なお、ここでは単結晶シリコンターゲットと半導体膜用のターゲットを
備えたマルチチャンバー型のスパッタリング装置を使って、半導体に接する2層目のゲー
ト絶縁膜102bとして酸化珪素膜を形成し、大気にさらすことなく半導体膜の形成とチ
ャネル保護層となる酸化珪素膜を連続して成膜する。
は、インジウム、ガリウム、アルミニウム、亜鉛及びスズから選んだ元素の複合酸化物を
用いることができる。例えば、インジウム、ガリウム、及び亜鉛を含む酸化物(IGZO
)をその例に挙げることができる。
由度は高く、広い範囲の混合比で半導体層として機能する。酸化インジウムと酸化ガリウ
ムと酸化亜鉛をそれぞれ等モルで混合した材料や、膜中の金属元素の存在比がIn:Ga
:Zn=2.2:2.2:1.0の比で存在する酸化物を一例として挙げることができる
。
20nm以上150nm以下の厚さで形成するとよい。また、膜中の酸素欠損が増えると
キャリア濃度が高まり、薄膜トランジスタ特性が損なわれてしまうため、酸素欠損を抑制
した組成にする。
LD法)又はゾルゲル法により成膜できる。ここでは、半導体膜133の形成方法の一例
として、インジウム、ガリウム、及び亜鉛を含む酸化物(IGZO)を用いた方法につい
て説明する。
れぞれ等モルで混合し、焼結した直径8インチのターゲットを用い、ターゲットから17
0mmの位置に基板を配置して、500Wの出力でDC(Direct Current
)スパッタリングして半導体膜133を形成する。チャンバーの圧力は0.4Pa、ガス
組成比はAr/O2が10/5sccmの条件で50nm成膜する。成膜の際の酸素分圧
をインジウム錫酸化物(ITO)などの透明導電膜の成膜条件より高く設定し、成膜雰囲
気の酸素濃度を制御して酸素欠損を抑制することが望ましい。また、パルス直流(DC)
電源を用いると、ごみが軽減でき、膜厚分布も均一となるために好ましい。
半導体層103のエッチングによるダメージを回復することができる。プラズマ処理はO
2、H2O、N2O、好ましくは酸素を含むH2、N2、He、Ar、H、NH3雰囲気
下で行うことが好ましい。また、上記雰囲気にCl2、CF4を加えた雰囲気下で行って
もよい。なお、プラズマ処理は、無バイアスで行うことが好ましい。
ルチチャンバー型のスパッタリング装置を使い、前工程で形成した第2のゲート絶縁膜1
02bを大気にさらすことなく、その上に半導体膜133を形成する。成膜した半導体膜
133は引き続き大気にさらすことなく、次工程で半導体膜133上にチャネル保護層1
06となる絶縁膜を成膜する。
る領域に絶縁膜で形成する。チャネル保護層106として機能する絶縁膜は、無機材料(
酸化珪素、窒化珪素、酸化窒化珪素、窒化酸化珪素など)を用いることができる。また、
感光性または非感光性の有機材料(有機樹脂材料)(ポリイミド、アクリル、ポリアミド
、ポリイミドアミド、レジスト、ベンゾシクロブテンなど)、もしくは複数種からなる膜
、またはこれらの膜の積層などを用いることができる。また、シロキサンを用いてもよい
。
やスパッタリング法にて成膜できる。また、湿式法であるスピンコート法などの塗布法を
用いることができる。また、液滴吐出法や、印刷法(スクリーン印刷やオフセット印刷な
どパターンが形成される方法)などによって選択的に形成してもよい。
ー型のスパッタリング装置を使って、前工程で形成した酸化物半導体膜を大気にさらすこ
となく、チャネル保護層106となる酸化珪素膜を成膜する。次に、本実施の形態におけ
る第2のフォトマスクを用いて形成したレジストマスクを使い、半導体膜133上に形成
された酸化珪素膜を選択的にエッチングして図2(A)のごとくチャネル保護層106を
形成する。次に、本実施の形態における第3のフォトマスクを用いて形成したレジストマ
スクを使い、ゲート絶縁膜上に形成された酸化物半導体膜133をエッチングして半導体
層103を形成する。
法として、ウエットエッチング法を利用できる。クエン酸やシュウ酸などの有機酸をエッ
チャントに用いることができる。例えば、50nmのインジウム、ガリウム、及び亜鉛を
含む酸化物(IGZO)膜はITO07N(関東化学社製)を使い150秒でエッチング
加工できる。
化物で形成する。バッファ層104a、104bとして機能する金属酸化物として、酸化
チタン、酸化モリブデン、酸化亜鉛、酸化インジウム、酸化タングステン、酸化マグネシ
ウム、酸化カルシウム、酸化錫等を用いることができるが、特に酸化チタンが好適である
。
は、インジウム、ガリウム、アルミニウム、亜鉛、錫などを挙げることができる。ドーピ
ングにより金属酸化物中のキャリア濃度を高めることができる。
酸化物(IGZO)からなる半導体層103よりも高く導電性に優るため、ソース電極も
しくはドレイン電極105a、105bと半導体層103が直接接合する場合に比べ、接
触抵抗を低減することがきる。また、ソース電極もしくはドレイン電極105a、105
bと半導体層103の接合界面にバッファ層104a、104bを挟み込むことで、接合
界面に集中する電界を緩和できる。
2(B)のごとく、バッファ層がチャネル保護層106の一部に乗り上げるようにパター
ニングしてもよい。
下の厚さで形成するとよい。
レーザー蒸着法(PLD法)により成膜することができる。なお、ここではスパッタリン
グ法を用い、酸化チタン膜を形成する。次に、本実施の形態における第4のフォトマスク
を用いて形成したレジストマスクを使い、半導体層103とチャネル保護層106上に形
成された酸化チタン膜をドライエッチングもしくはウエットエッチングしてバッファ層1
04a、104bを形成する。また、酸化チタンのエッチング方法の一例として、ウエッ
トエッチング法を挙げることができる。希釈したフッ酸、塩酸又は硫酸もしくは、アンモ
ニア水と過酸化水素水と純水を1:1:5の体積比で混合した溶液をエッチャントに用い
ることができる。
同じ材料を使うことができるが、特に、バッファ層104a、104bに接する層がチタ
ン膜であることが好適である。導電膜の具体例として、単体のチタン膜、もしくはチタン
膜とアルミニウム膜の積層膜、もしくはチタン膜とアルミニウム膜とチタン膜とを順に積
み重ねた三層構造としても良い。
タン膜とアルミ膜とチタン膜からなる三層積層膜をスパッタリング法により成膜する。次
に、本実施の形態における第5のフォトマスクを用いて形成したレジストマスクを使い、
チャネル保護層106上に形成された導電膜をエッチングして分離し、ソース電極とドレ
イン電極105a、105bを図2(D)のごとく形成する。なお、チタン膜とアルミニ
ウム膜とチタン膜とを順に積み重ねた三層構造の導電膜は過酸化水素水または加熱塩酸を
エッチャントとしてエッチングできる。
ドレイン電極105a、105bの形成を分けて行うため、バッファ層104a、104
bとソース電極及びドレイン電極105a、105bの端部における重なりの長さを容易
に制御できる。
導体層103に用いた薄膜トランジスタは、形成した半導体層103を加熱処理すること
で、特性が改善する。具体的には、オン電流が大きくなり、トランジスタ特性のバラツキ
が減少する。
350℃で一時間処理する。加熱熱処理は半導体層103の形成後であればいつ行っても
良い。例えば、半導体層103とチャネル保護層106となる絶縁膜を連続成膜し終えた
後でも良いし、チャネル保護層106をパターニングして形成した後でも良いし、バッフ
ァ層104a、104bとなる金属酸化物膜を成膜した後でも良い。また、ソース電極お
よびドレイン電極105a、105bとなる導電膜を成膜した後でも良いし、薄膜トラン
ジスタの封止膜を形成した後でも良いし、薄膜トランジスタ上に形成した平坦化膜の熱硬
化処理を半導体層103の加熱処理に兼ねてもよい。
6、バッファ層104a、104b及びソース電極及びドレイン電極105a、105b
を形成する。
a、及びZnを含む酸化物半導体層)、バッファ層、チャネル保護層、ソース電極及びド
レイン電極という積層構造を有している。半導体層よりもキャリア濃度が高いバッファ層
を用いることによって、半導体層の膜厚を薄膜にしたままで、かつ寄生容量を抑制するこ
とができる。
ため、酸化物半導体膜のゲート絶縁膜102bと接する面とは反対側の領域、所謂バック
チャネルを工程時のダメージ(エッチング時のプラズマやエッチング剤による膜減りや、
酸化など)から保護することができる。従って薄膜トランジスタの信頼性を向上させるこ
とができる。
ングストッパーとして機能するためにチャネルストッパー層とも言える。
a、105bの端部がバッファ層104a、104bの端部から後退し、互いに離れる位
置にあるため、ソース電極及びドレイン電極105a、105b間のリーク電流やショー
トを防止することができる。
ン・オフ比の高い薄膜トランジスタを得ることができ、良好な動特性(f特性)を有する
薄膜トランジスタを作製できる。よって、電気特性が高く信頼性のよい薄膜トランジスタ
を有する半導体装置を提供することができる。
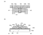
本実施の形態では、上記実施の形態1とは別の構造の酸化チタンをバッファ層に有する薄
膜トランジスタの構造について、図3を用いて説明する。また、本実施の形態において、
実施の形態1と同じものについては同じ符号を用い、詳細な説明を省略する。
導体層103のチャネル形成領域と重なる領域に絶縁膜で形成する。なお、チャネル保護
層106のエッチング加工において、半導体層103のバッファ層と接合する表面を図3
(A−2)のごとくエッチングしてもよい。酸化物半導体層のバッファ層と接合する表面
をエッチングすることで、バッファ層とより良好な接合が得られる。
に重畳する領域にチャネル保護層106を形成する。なお、チャネル保護層106を形成
する工程において、半導体膜133の表面を図3(A−2)のごとくエッチングしてもよ
い。チャネル保護層106の開口部にある半導体膜133の表面はエッチングされ、その
結果、該表面は次いで成膜されるバッファ層となる金属酸化物膜134と良好に接合でき
る。なお、本実施の形態においては図3(A−2)の形態に基づいて説明を続ける。
ごとく成膜する。バッファ層となる金属酸化物膜134は実施の形態1の記載と同様に成
膜したあと、パターニングせずに図3(C)のごとくソース電極及びドレイン電極105
a、105bとなる導電膜105を金属酸化物膜134上に積層する。
三層積層膜をスパッタリング法により成膜する。例えば、ソース電極及びドレイン電極1
05a1、105b1としてチタン膜、105a2、105b2としてアルミニウム膜、
105a3、105b3としてチタン膜を用いることができる。
の導電膜としてチタンを積層した導電膜105を用いて、チタンからなる第1の導電層(
105a1、105b1)と、アルミニウムからなる第2の導電層(105a2、105
b2)と、チタンからなる第3の導電層(105a3、105b3)を積層したソース電
極及びドレイン電極(105a、105b)を形成する。
て、導電膜105をエッチングする。
して用いて、ソース電極およびドレイン電極105a2、105a3、105b2、10
5b3をウエットエッチングによってエッチングして形成する。上記ウエットエッチング
と同じマスクを用いて、ソース電極又はドレイン電極105a1、105b1、バッファ
層104a、104b、半導体層103をドライエッチングによってエッチングして形成
する。従って、図3(D)のごとく、ソース電極またはドレイン電極105a1はバッフ
ァ層104aの端部と、ソース電極又はドレイン電極105b1はバッファ層104bの
端部とそれぞれ一致しており、ソース電極又はドレイン電極105a2、105a3、ソ
ース電極又はドレイン電極105b2、105b3は、ソース電極又はドレイン電極10
5a1、105b1より端部が後退している。
5a3、105b3)を形成し、次に第1の導電膜であるチタン膜をエッチングストッパ
ーに用いて第2の導電膜であるアルミニウム膜をエッチングして第2の導電層(105a
2、105b2)を形成する。さらに、上記ウエットエッチングと同じレジストマスクを
用いて、第1の導電膜であるチタン膜と金属酸化物膜134をドライエッチングして、第
1の導電層(105a1、105b1)と、バッファ層(104a、104b)を形成す
る。このような工程によりソース電極及びドレイン電極(105a、105b)を形成す
ると、第1の導電層(105a1、105b1)は、バッファ層(104a、104b)
の端部と一致し、第2の導電層(105a2、105b2)及び第3の導電層(105a
3、105b3)は、第1の導電層(105a1、105b1)より端部が後退する。な
お、この段階の断面図を図3(D)に示す。
がエッチング工程において選択比が低い場合は、エッチングストッパーとして機能する導
電膜を積層して別のエッチング条件で複数回エッチング工程を行えばよい。
5a、105bのパターニングを同一のフォトマスクから形成したレジストマスクを用い
て行うため、実施の形態1に比べフォトマスクの使用枚数が節減できる。その結果、複数
の工程を1つの工程にまとめることによって工程数を削減し、歩留まりを向上させ、製造
時間を短縮することができる。
本実施の形態では、上記実施の形態1および実施の形態2とは別の構造のバッファ層を有
する薄膜トランジスタの構造について、図4を用いて説明する。また、本実施の形態にお
いて、実施の形態1と同じものについては同じ符号を用い、詳細な説明を省略する。
鉛を含む酸化物(IGZO)半導体膜133上に、図4(A)のごとくチャネル保護層1
06を形成する。
成せず、半導体膜133上にバッファ層104a、104bとなる金属酸化物膜を実施の
形態1と同様な方法で成膜する。次に、本実施の形態における第3のフォトマスクを用い
て形成したレジストマスクを使い、図4(B)のごとくバッファ層104a、104bと
半導体層103を形成する。
に成膜する。ここでは、バッファ層104a、104b及びチャネル保護層106上に導
電膜としてチタン膜とアルミ膜とチタン膜からなる三層積層膜をスパッタリング法により
成膜する。次に、本実施の形態における第4のフォトマスクを用いて形成したレジストマ
スクを使って導電膜をエッチングして除去し、図4(C)のごとくソース電極及びドレイ
ン電極105a、105bを形成する。図4(D)は平面図であり、図4(C)は図4(
D)におけるA1−A2で切断した断面図である。
を同時に行うため、実施の形態1に比べフォトマスクの使用枚数が節減できる。その結果
、複数の工程を1つの工程にまとめることによって工程数を削減し、歩留まりを向上させ
、製造時間を短縮することができる。
本実施の形態では、電気的に接続された複数のゲート電極とバッファ層を有する薄膜トラ
ンジスタについて、図5乃至図7を用いて説明する。図5(A)は平面図であり、図5(
B)は図5(A)におけるA1−A2で切断した断面図である。図6(A)は平面図であ
り、図6(B)は図6(A)におけるA1−A2で切断した断面図である。図7(A)は
平面図であり、図7(B)は図7(A)におけるA1−A2で切断した断面図である。ま
た、本実施の形態において、実施の形態1と同じものについては同じ符号を用い、詳細な
説明を省略する。なお、本実施の形態では二つのチャネル形成領域を接続した構造を取り
上げるが、これに限られるものではなく、三つのチャネル形成領域が接続されたトリプル
ゲート構造など所謂マルチゲート構造(直列に接続された二つ以上のチャネル形成領域を
有する構造)であっても良い。
ネル領域をバッファ層104cのみで接続する形態(図5)と、バッファ層104cおよ
び導電層105cで接続する形態を(図6)と、二つのチャネル領域を半導体層103と
バッファ層104cと導電層105cで接続する形態(図7)の3つがある。該当する層
のフォトマスクの第1のゲート電極101a、第2のゲート電極101bに挟まれた部分
を変更することで、これらの薄膜トランジスタは、実施の形態1と同様な方法により形成
できる。
本実施の形態では、上記実施の形態1〜4とは別の構造のバッファ層を有する薄膜トラン
ジスタの構造について、図8を用いて説明する。なお、本実施の形態の薄膜トランジスタ
はバッファ層を除いて実施の形態1の記載と同様に形成できるため、バッファ層以外は詳
細な説明を省略する。
ース電極もしくはドレイン電極に接するバッファ層104a、104bを第1のバッファ
層とし、第1のバッファ層104a、104bと半導体層103に挟まれる第2のバッフ
ァ層をそれぞれ114a、114bとする。
第1のバッファ層104aと他方に接する第1のバッファ層104bと、第1のバッファ
層104aと半導体層103に挟まれる第2のバッファ層114aと、第1のバッファ層
104bと半導体層103に挟まれる第2のバッファ層114bから成る。
金属酸化物で形成する。第1のバッファ層104a、104bおよび第2のバッファ層1
14a、114bとして機能する金属酸化物として、酸化チタン、酸化モリブデン、酸化
亜鉛、酸化インジウム、酸化タングステン、酸化マグネシウム、酸化カルシウム、酸化錫
等を用いることができるが、特に酸化チタンが好適である。
は、インジウム、ガリウム、アルミニウム、亜鉛、錫などを挙げることができる。ドーピ
ングにより金属酸化物中のキャリア濃度を高めることができる。例えば、IGZOを第1
のターゲットとし、金属酸化物を第2のターゲットとし、同時にスパッタリング法を用い
て成膜(共スパッタリング)することにより、混合膜を形成し、バッファ層として用いて
もよい。
リア濃度はインジウム、ガリウム、及び亜鉛を含む酸化物(IGZO)からなる半導体層
よりも高く導電性に優り、かつ、第1のバッファ層104a、104bは第2のバッファ
層114a、114bのキャリア濃度より高い材料を選択する。例えば、第1のバッファ
層として金属酸化物を用い、第2のバッファ層としてIGZOと金属酸化物の混合膜を用
いることができる。半導体層103からソース電極もしくはドレイン電極105a、10
5bに向かってキャリア濃度が上昇するように勾配をつけることにより、半導体層103
とソース電極もしくはドレイン電極105a、105bとの間の接触抵抗を低減すること
がきる。
てキャリア濃度が高くなる勾配がついたバッファ層を接合界面に挟み込むことで、接合界
面に集中する電界を緩和できる。
ここでは、少なくともゲート絶縁膜と酸化物半導体膜を大気に触れることなく連続して成
膜する、逆スタガ型の薄膜トランジスタの作製例を以下に示す。ここでは、連続成膜を行
う工程までの工程を示し、その後の工程は、実施の形態1乃至実施の形態5のいずれか一
に従って薄膜トランジスタを作製すればよい。
装置を用いることが好ましい。
た搬送室80が設けられ、搬送室80には、搬送室内へ搬入および搬出する基板を複数枚
収納するカセットケースをセットするカセット室82が連結されている。
れる。ここでは、上面形状が六角形の搬送室80に5つの処理室を連結する例を示す。な
お、搬送室80の上面形状を変更することで、連結できる処理室の数を変えることができ
、例えば、四角形とすれば3つの処理室が連結でき、八角形とすれば7つの処理室が連結
できる。
ーとする。スパッタチャンバーは、少なくともチャンバー内部に、スパッタターゲット、
ターゲットをスパッタするための電力印加機構やガス導入手段、所定位置に基板を保持す
る基板ホルダー等が設けられている。また、スパッタチャンバー内を減圧状態とするため
、チャンバー内の圧力を制御する圧力制御手段がスパッタチャンバーに設けられている。
があり、さらにパルス的にバイアスを与えるパルスDCスパッタ法もある。RFスパッタ
法は主に絶縁膜を成膜する場合に用いられ、DCスパッタ法は主に金属膜を成膜する場合
に用いられる。
装置は、同一チャンバーで異なる材料膜を積層成膜することも、同一チャンバーで複数種
類の材料を同時に放電させて成膜することもできる。
や、グロー放電を使わずマイクロ波を用いて発生させたプラズマを用いるECRスパッタ
法を用いるスパッタ装置がある。
それらの化合物薄膜を形成するリアクティブスパッタ法や、成膜中に基板にも電圧をかけ
るバイアススパッタ法もある。
どを行う加熱チャンバー、スパッタリング後に基板を冷却する冷却チャンバー、或いはプ
ラズマ処理を行うチャンバーとする。
、カセット室82に設けられた真空排気手段によりカセット室を減圧状態とする。なお、
予め、各処理室および搬送室80内部をそれぞれに設けられた真空排気手段により減圧し
ておく。こうしておくことで、各処理室間を基板が搬送されている間、大気に触れること
なく清浄な状態を維持することができる。
。例えば、基板とゲート電極の間にプラズマCVD法で得られる窒化シリコン膜、窒化酸
化シリコン膜などの下地絶縁膜を設けてもよい。基板94としてアルカリ金属を含むガラ
ス基板を用いる場合、下地絶縁膜は、基板からナトリウム等の可動イオンがその上の半導
体領域中に侵入して、TFTの電気特性が変化することを抑制する作用を有する。
ト絶縁膜を形成した基板を用いる。プラズマCVD法で成膜された窒化シリコン膜は緻密
であり、1層目のゲート絶縁膜とすることでピンホールなどの発生を抑えることができる
。なお、ここではゲート絶縁膜を積層とする例を示すが特に限定されず、単層または3層
以上の積層を用いてもよい。
から抜き取り、ゲートバルブ84を開いて第1の処理室89内に搬送し、ゲートバルブ8
4を閉める。第1の処理室89では、加熱ヒータやランプ加熱で基板を加熱して基板94
に付着している水分などを除去する。特に、ゲート絶縁膜に水分が含まれるとTFTの電
気特性が変化する恐れがあるため、スパッタ成膜前の加熱は有効である。なお、カセット
室82に基板をセットした段階で十分に水分が除去されている場合には、この加熱処理は
不要である。
ズマ処理を行ってもよい。また、カセット室82に加熱手段を設けてカセット室82で水
分を除去する加熱を行ってもよい。
ゲートバルブ85を開いて第2の処理室90内に搬送し、ゲートバルブ85を閉める。
ーとする。第2の処理室90では、2層目のゲート絶縁膜として酸化シリコン膜(SiO
x膜(x>0))の成膜を行う。2層目のゲート絶縁膜として、酸化シリコン膜の他に、
酸化アルミニウム膜(Al2O3膜)、酸化マグネシウム膜(MgOx膜(x>0))、
窒化アルミニウム膜(AlNx膜(x>0))、酸化イットリウム膜(YOx膜(x>0
))などを用いることができる。
し、ナトリウム等の可動イオンの固定化をさせてもよい。その方法としては、チャンバー
内にハロゲン元素を含むガスを導入してスパッタリングを行う。ただし、ハロゲン元素を
含むガスを導入する場合にはチャンバーの排気手段に除害設備を設ける必要がある。ゲー
ト絶縁膜に含ませるハロゲン元素の濃度は、SIMS(二次イオン質量分析計)を用いた
分析により得られる濃度ピークが1×1015cm−3以上1×1020cm−3以下の
範囲内とすることが好ましい。
はアルゴンを用いるスパッタ方法や、ターゲットとして単結晶シリコンを用い、酸素ガス
と化学反応させてSiOx膜(x>0)を得るリアクティブスパッタ法を用いることがで
きる。ここでは酸素を限りなく多くSiOx膜(x>0)中に含ませるために、ターゲッ
トとして人工石英を用い、酸素のみの雰囲気下、または酸素が90%以上、且つ、Arが
10%以下の雰囲気下でスパッタリングを行い、酸素過剰のSiOx膜(x>0)を形成
する。
ロボット81により基板を搬送室80に搬送し、ゲートバルブ86を開いて第3の処理室
91内に搬送し、ゲートバルブ86を閉める。
ーとする。第3の処理室91では、半導体層(IGZO膜)の成膜を行う。In、Ga、
及びZnを含む酸化物半導体ターゲットを用いて、希ガス雰囲気下、または酸素雰囲気下
で成膜することができる。ここでは酸素を限りなく多くIGZO膜中に含ませるために、
ターゲットとしてIn、Ga、及びZnを含む酸化物半導体を用い、酸素のみの雰囲気下
、または酸素が90%以上、且つ、Arが10%以下の雰囲気下でパルスDCスパッタ法
のスパッタリングを行い、酸素過剰のIGZO膜を形成する。
ZO膜とを連続成膜することにより、酸素過剰の膜同士のため界面状態を安定させ、TF
Tの信頼性を向上させることができる。IGZO膜の成膜前に基板が大気に触れた場合、
水分などが付着し、界面状態に悪影響を与え、しきい値のバラツキや、電気特性の劣化、
ノーマリーオンのTFTになってしまう症状などを引き起こす恐れがある。水分は水素化
合物であり、大気に触れることなく、連続成膜することによって、水素化合物が界面に存
在することを排除することができる。従って、連続成膜することにより、しきい値のバラ
ツキの低減や、電気特性の劣化の防止や、TFTがノーマリーオン側にシフトすることを
低減、望ましくはシフトをなくすことができる。
及びZnを含む酸化物半導体ターゲットとの両方を設置し、シャッターを用いて順次積層
して連続成膜することによって同一チャンバー内で積層を行うこともできる。シャッター
は、ターゲットと基板の間に設け、成膜を行うターゲットはシャッターを開け、成膜を行
わないターゲットはシャッターにより閉じる。同一チャンバー内で積層する利点としては
、使用するチャンバーの数を減らせる点と、異なるチャンバー間を基板搬送する間にパー
ティクル等が基板に付着することを防止できる点である。
を搬送室80に搬送し、ゲートバルブ87を開いて第4の処理室92内に搬送し、ゲート
バルブ87を閉める。
ーとする。第4の処理室92では、チャネル保護層となる絶縁膜として酸化シリコン膜(
SiOx膜(x>0))の成膜を行う。また、チャネル保護層として、酸化シリコン膜の
他に、酸化アルミニウム膜(Al2O3膜)、酸化マグネシウム膜(MgOx膜(x>0
))、窒化アルミニウム膜(AlNx膜)、酸化イットリウム膜(YOx膜(x>0))
などを用いることができる。
トリウム等の可動イオンの固定化をさせてもよい。その方法としては、チャンバー内にハ
ロゲン元素を含むガスを導入してスパッタリングを行う。ただし、ハロゲン元素を含むガ
スを導入する場合にはチャンバーの排気手段に除害設備を設ける必要がある。チャネル保
護層に含ませるハロゲン元素の濃度は、SIMS(二次イオン質量分析計)を用いた分析
により得られる濃度ピークが1×1015cm−3以上1×1020cm−3以下の範囲
内とすることが好ましい。
い、希ガス、代表的にはアルゴンを用いるスパッタ方法や、ターゲットとして珪素を用い
、酸素ガスと化学反応させてSiOx膜(x>0)を得るリアクティブスパッタ法を用い
ることができる。ここでは酸素を限りなく多くSiOx膜(x>0)中に含ませるために
、ターゲットとして人工石英を用い、酸素のみの雰囲気下、または酸素が90%以上、且
つ、Arが10%以下の雰囲気下でスパッタリングを行い、酸素過剰のSiOx膜(x>
0)を形成する。
ZO膜と酸素過剰のチャネル保護層とを連続成膜することにより、3層が全て酸素過剰の
膜のため界面状態がより安定し、TFTの信頼性を向上させることができる。IGZO膜
の成膜前後に基板が大気に触れた場合、水分などが付着し、界面状態に悪影響を与え、し
きい値のバラツキや、電気特性の劣化、ノーマリーオンのTFTになってしまう症状など
を引き起こす恐れがある。水分は水素化合物であり、大気に触れることなく、連続成膜す
ることによって、水素化合物がIGZO膜の界面に存在することを排除することができる
。従って、3層を連続成膜することにより、しきい値のバラツキの低減や、電気特性の劣
化の防止や、TFTがノーマリーオン側にシフトすることを低減、望ましくはシフトをな
くすことができる。
及びZnを含む酸化物半導体ターゲットとの両方を設置し、シャッターを用いて順次積層
して3層を連続成膜することによって同一チャンバー内で積層を行うこともできる。同一
チャンバー内で積層する利点としては、使用するチャンバーの数を減らせる点と、異なる
チャンバー間を基板搬送する間にパーティクル等が基板に付着することを防止できる点で
ある。
終えた後、カセット室の真空を大気に開放して、基板およびカセットを取り出す。
さらにIGZO膜を選択的にエッチングする。ドライエッチングやウエットエッチングを
用いて形成してもよいし、2回のエッチングに分けてそれぞれ選択的にエッチングしても
よい。この段階で、IGZO膜が除去された領域は、ゲート絶縁膜の表面が露呈する。
成領域となる位置と重なる部分のみを残してエッチングを行う。ここでのチャネル保護層
のエッチングは、IGZO膜と十分にエッチングレートが異なる条件を用いる。チャネル
保護層のエッチングで十分にエッチングレートに差がない場合、IGZO膜の表面が部分
的にエッチングされ、チャネル保護層と重なる領域と比べ膜厚の薄い領域が形成される。
なお、チャネル保護層がゲート絶縁膜と同じ材料である場合、このエッチングによってゲ
ート絶縁膜もエッチングされてしまう。従って、ゲート絶縁膜をエッチングされないよう
にするためには、チャネル保護層は、ゲート絶縁膜と異なる材料を用いることが好ましい
。本実施の形態ではゲート絶縁膜は2層であり、上層はSiOx膜(x>0)であるため
除去される恐れがあるが、下層は窒化シリコン膜でありエッチングストッパーとして機能
する。
る。
いて搬送ロボット81により搬送室80に基板を搬送し、ゲートバルブ88を開いて第5
の処理室93内に搬送し、ゲートバルブ88を閉める。
ーとする。第5の処理室93では、バッファ層の成膜を行う。第5の処理室93のスパッ
タチャンバーにチタンのターゲットと、アルミニウムのターゲットとの両方を設置し、シ
ャッターを用いて順次積層して連続成膜することによって同一チャンバー内で積層を行う
。ここでは、シャッターでアルミニウムのターゲットを遮蔽し、酸素ガスを導入してリア
クティブスパッタリングを行い、酸化チタン膜(TiOx膜(x>0))を形成する。こ
のTiOx膜(x>0)はソース領域またはドレイン領域として機能する。次いで、第5
の処理室93から酸素ガスを排出し、アルゴンガスを導入して、スパッタリングを行い、
チタン膜を成膜する。次いで、チタンのターゲットをシャッターで遮蔽し、チタン膜上に
アルミニウム膜を積層し、その後、シャッターでアルミニウムのターゲットを遮蔽し、ア
ルミニウム膜上にチタン膜を積層する。
成膜することにより、TiOx膜(x>0)と金属多層膜との間で良好な界面状態を実現
でき、接触抵抗を低減できる。
終えた後、カセット室の真空を大気に開放して、基板およびカセットを取り出す。
る。さらにソース電極及びドレイン電極をマスクとしてエッチングを行い、TiOx膜(
x>0)を選択的にエッチングしてソース領域またはドレイン領域が形成される。TiO
x膜(x>0)のエッチングでは、チャネル保護層がエッチングストッパーとして機能す
る。
る例を示したが、特に限定されず、別々のチャンバーで成膜してもよい。
直列に連結するインライン方式の製造装置を用いて大気に触れることなく連続成膜を行っ
てもよい。
の処理室としたが、基板を垂直に立て、縦置き方式の処理室としてもよい。縦置き方式の
処理室は、フェイスダウン方式の処理室よりもフットプリントが小さいメリットがあり、
さらに基板の自重により撓む恐れのある大面積の基板を用いる場合に有効である。
本実施の形態では、同一基板上に少なくとも駆動回路の一部と、画素部に配置する薄膜ト
ランジスタを作製する例について以下に説明する。
。また、実施の形態1乃至実施の形態5に示す薄膜トランジスタはnチャネル型TFTで
あるため、駆動回路のうち、nチャネル型TFTで構成することができる駆動回路の一部
を画素部の薄膜トランジスタと同一基板上に形成する。
(A)に示す表示装置は、基板5300上に表示素子を備えた画素を複数有する画素部5
301と、各画素を選択する走査線駆動回路5302と、選択された画素へのビデオ信号
の入力を制御する信号線駆動回路5303とを有する。
線S1〜Sm(図示せず。)により信号線駆動回路5303と接続され、走査線駆動回路
5302から行方向に伸張して配置された複数の走査線G1〜Gn(図示せず。)により
走査線駆動回路5302と接続され、信号線S1〜Sm並びに走査線G1〜Gnに対応し
てマトリクス状に配置された複数の画素(図示せず。)を有する。そして、各画素は、信
号線Sj(信号線S1〜Smのうちいずれか一)、走査線Gi(走査線G1〜Gnのうち
いずれか一)と接続される。
あり、nチャネル型TFTで構成する信号線駆動回路について図11を用いて説明する。
02_M、第1の配線5611、第2の配線5612、第3の配線5613及び配線56
21_1〜5621_Mを有する。スイッチ群5602_1〜5602_Mそれぞれは、
第1の薄膜トランジスタ5603a、第2の薄膜トランジスタ5603b及び第3の薄膜
トランジスタ5603cを有する。
及び配線5621_1〜5621_Mに接続される。そして、スイッチ群5602_1〜
5602_Mそれぞれは、第1の配線5611、第2の配線5612、第3の配線561
3及びスイッチ群5602_1〜5602_Mそれぞれに対応した配線5621_1〜5
621_Mに接続される。そして、配線5621_1〜5621_Mそれぞれは、第1の
薄膜トランジスタ5603a、第2の薄膜トランジスタ5603b及び第3の薄膜トラン
ジスタ5603cを介して、3つの信号線に接続される。例えば、J列目の配線5621
_J(配線5621_1〜配線5621_Mのうちいずれか一)は、スイッチ群5602
_Jが有する第1の薄膜トランジスタ5603a、第2の薄膜トランジスタ5603b及
び第3の薄膜トランジスタ5603cを介して、信号線Sj−1、信号線Sj、信号線S
j+1に接続される。
号が入力される。
、スイッチ群5602_1〜5602_Mは、実施の形態1乃至実施の形態5に示した画
素部と同一基板上に形成されていることが望ましい。したがって、ドライバIC5601
とスイッチ群5602_1〜5602_MとはFPCなどを介して接続するとよい。
照して説明する。なお、図12のタイミングチャートは、i行目の走査線Giが選択され
ている場合のタイミングチャートを示している。さらに、i行目の走査線Giの選択期間
は、第1のサブ選択期間T1、第2のサブ選択期間T2及び第3のサブ選択期間T3に分
割されている。さらに、図11の信号線駆動回路は、他の行の走査線が選択されている場
合でも図12と同様の動作をする。
スタ5603a、第2の薄膜トランジスタ5603b及び第3の薄膜トランジスタ560
3cを介して、信号線Sj−1、信号線Sj、信号線Sj+1に接続される場合について
示している。
1の薄膜トランジスタ5603aのオン・オフのタイミング5703a、第2の薄膜トラ
ンジスタ5603bのオン・オフのタイミング5703b、第3の薄膜トランジスタ56
03cのオン・オフのタイミング5703c及びJ列目の配線5621_Jに入力される
信号5721_Jを示している。
択期間T2及び第3のサブ選択期間T3において、それぞれ別のビデオ信号が入力される
。例えば、第1のサブ選択期間T1において配線5621_Jに入力されるビデオ信号は
信号線Sj−1に入力され、第2のサブ選択期間T2において配線5621_Jに入力さ
れるビデオ信号は信号線Sjに入力され、第3のサブ選択期間T3において配線5621
_Jに入力されるビデオ信号は信号線Sj+1に入力される。さらに、第1のサブ選択期
間T1、第2のサブ選択期間T2及び第3のサブ選択期間T3において、配線5621_
Jに入力されるビデオ信号をそれぞれData_j−1、Data_j、Data_j+
1とする。
aがオンし、第2の薄膜トランジスタ5603b及び第3の薄膜トランジスタ5603c
がオフする。このとき、配線5621_Jに入力されるData_j−1が、第1の薄膜
トランジスタ5603aを介して信号線Sj−1に入力される。第2のサブ選択期間T2
では、第2の薄膜トランジスタ5603bがオンし、第1の薄膜トランジスタ5603a
及び第3の薄膜トランジスタ5603cがオフする。このとき、配線5621_Jに入力
されるData_jが、第2の薄膜トランジスタ5603bを介して信号線Sjに入力さ
れる。第3のサブ選択期間T3では、第3の薄膜トランジスタ5603cがオンし、第1
の薄膜トランジスタ5603a及び第2の薄膜トランジスタ5603bがオフする。この
とき、配線5621_Jに入力されるData_j+1が、第3の薄膜トランジスタ56
03cを介して信号線Sj+1に入力される。
、1ゲート選択期間中に1つの配線5621から3つの信号線にビデオ信号を入力するこ
とができる。したがって、図11の信号線駆動回路は、ドライバIC5601が形成され
る基板と、画素部が形成されている基板との接続数を信号線の数に比べて約1/3にする
ことができる。接続数が約1/3になることによって、図11の信号線駆動回路は、信頼
性、歩留まりなどを向上できる。
択期間それぞれにおいて、ある1つの配線から複数の信号線それぞれにビデオ信号を入力
することができれば、薄膜トランジスタの配置や数、駆動方法などは限定されない。
ぞれにビデオ信号を入力する場合は、薄膜トランジスタ及び薄膜トランジスタを制御する
ための配線を追加すればよい。ただし、1ゲート選択期間を4つ以上のサブ選択期間に分
割すると、1つのサブ選択期間が短くなる。したがって、1ゲート選択期間は、2つ又は
3つのサブ選択期間に分割されることが望ましい。
ジ期間Tp、第1のサブ選択期間T1、第2のサブ選択期間T2、第3の選択期間T3に
分割してもよい。さらに、図13のタイミングチャートは、i行目の走査線Giが選択さ
れるタイミング、第1の薄膜トランジスタ5603aのオン・オフのタイミング5803
a、第2の薄膜トランジスタ5603bのオン・オフのタイミング5803b、第3の薄
膜トランジスタ5603cのオン・オフのタイミング5803c及びJ列目の配線562
1_Jに入力される信号5821_Jを示している。図13に示すように、プリチャージ
期間Tpにおいて第1の薄膜トランジスタ5603a、第2の薄膜トランジスタ5603
b及び第3の薄膜トランジスタ5603cがオンする。このとき、配線5621_Jに入
力されるプリチャージ電圧Vpが第1の薄膜トランジスタ5603a、第2の薄膜トラン
ジスタ5603b及び第3の薄膜トランジスタ5603cを介してそれぞれ信号線Sj−
1、信号線Sj、信号線Sj+1に入力される。第1のサブ選択期間T1において第1の
薄膜トランジスタ5603aがオンし、第2の薄膜トランジスタ5603b及び第3の薄
膜トランジスタ5603cがオフする。このとき、配線5621_Jに入力されるDat
a_j−1が、第1の薄膜トランジスタ5603aを介して信号線Sj−1に入力される
。第2のサブ選択期間T2では、第2の薄膜トランジスタ5603bがオンし、第1の薄
膜トランジスタ5603a及び第3の薄膜トランジスタ5603cがオフする。このとき
、配線5621_Jに入力されるData_jが、第2の薄膜トランジスタ5603bを
介して信号線Sjに入力される。第3のサブ選択期間T3では、第3の薄膜トランジスタ
5603cがオンし、第1の薄膜トランジスタ5603a及び第2の薄膜トランジスタ5
603bがオフする。このとき、配線5621_Jに入力されるData_j+1が、第
3の薄膜トランジスタ5603cを介して信号線Sj+1に入力される。
ブ選択期間の前にプリチャージ選択期間を設けることによって、信号線をプリチャージで
きるため、画素へのビデオ信号の書き込みを高速に行うことができる。なお、図13にお
いて、図12と同様なものに関しては共通の符号を用いて示し、同一部分又は同様な機能
を有する部分の詳細な説明は省略する。
ッファを有している。また場合によってはレベルシフタを有していても良い。走査線駆動
回路において、シフトレジスタにクロック信号(CLK)及びスタートパルス信号(SP
)が入力されることによって、選択信号が生成される。生成された選択信号はバッファに
おいて緩衝増幅され、対応する走査線に供給される。走査線には、1ライン分の画素のト
ランジスタのゲート電極が接続されている。そして、1ライン分の画素のトランジスタを
一斉にONにしなくてはならないので、バッファは大きな電流を流すことが可能なものが
用いられる。
て説明する。
ップフロップ(フリップフロップ5701_1〜5701_n)で構成される。また、第
1のクロック信号、第2のクロック信号、スタートパルス信号、リセット信号が入力され
て動作する。
目のフリップフロップ5701_i(フリップフロップ5701_1〜5701_nのう
ちいずれか一)は、図15に示した第1の配線5501が第7の配線5717_i−1に
接続され、図15に示した第2の配線5502が第7の配線5717_i+1に接続され
、図15に示した第3の配線5503が第7の配線5717_iに接続され、図15に示
した第6の配線5506が第5の配線5715に接続される。
5712に接続され、偶数段目のフリップフロップでは第3の配線5713に接続され、
図15に示した第5の配線5505が第4の配線5714に接続される。
1の配線5711に接続され、n段目のフリップフロップ5701_nの図15に示す第
2の配線5502は第6の配線5716に接続される。
16を、それぞれ第1の信号線、第2の信号線、第3の信号線、第4の信号線と呼んでも
よい。さらに、第4の配線5714、第5の配線5715を、それぞれ第1の電源線、第
2の電源線と呼んでもよい。
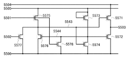
ップフロップは、第1の薄膜トランジスタ5571、第2の薄膜トランジスタ5572、
第3の薄膜トランジスタ5573、第4の薄膜トランジスタ5574、第5の薄膜トラン
ジスタ5575、第6の薄膜トランジスタ5576、第7の薄膜トランジスタ5577及
び第8の薄膜トランジスタ5578を有する。なお、第1の薄膜トランジスタ5571、
第2の薄膜トランジスタ5572、第3の薄膜トランジスタ5573、第4の薄膜トラン
ジスタ5574、第5の薄膜トランジスタ5575、第6の薄膜トランジスタ5576、
第7の薄膜トランジスタ5577及び第8の薄膜トランジスタ5578は、nチャネル型
トランジスタであり、ゲート・ソース間電圧(Vgs)がしきい値電圧(Vth)を上回
ったとき導通状態になるものとする。
が第4の配線5504に接続され、第1の薄膜トランジスタ5571の第2の電極(ソー
ス電極またはドレイン電極の他方)が第3の配線5503に接続される。
薄膜トランジスタ5572第2の電極が第3の配線5503に接続される。
薄膜トランジスタ5573の第2の電極が第2の薄膜トランジスタ5572のゲート電極
に接続され、第3の薄膜トランジスタ5573のゲート電極が第5の配線5505に接続
される。
薄膜トランジスタ5574の第2の電極が第2の薄膜トランジスタ5572のゲート電極
に接続され、第4の薄膜トランジスタ5574のゲート電極が第1の薄膜トランジスタ5
571のゲート電極に接続される。
薄膜トランジスタ5575の第2の電極が第1の薄膜トランジスタ5571のゲート電極
に接続され、第5の薄膜トランジスタ5575のゲート電極が第1の配線5501に接続
される。
薄膜トランジスタ5576の第2の電極が第1の薄膜トランジスタ5571のゲート電極
に接続され、第6の薄膜トランジスタ5576のゲート電極が第2の薄膜トランジスタ5
572のゲート電極に接続される。
薄膜トランジスタ5577の第2の電極が第1の薄膜トランジスタ5571のゲート電極
に接続され、第7の薄膜トランジスタ5577のゲート電極が第2の配線5502に接続
される。第8の薄膜トランジスタ5578の第1の電極が第6の配線5506に接続され
、第8の薄膜トランジスタ5578の第2の電極が第2の薄膜トランジスタ5572のゲ
ート電極に接続され、第8の薄膜トランジスタ5578のゲート電極が第1の配線550
1に接続される。
のゲート電極、第5の薄膜トランジスタ5575の第2の電極、第6の薄膜トランジスタ
5576の第2の電極及び第7の薄膜トランジスタ5577の第2の電極の接続箇所をノ
ード5543とする。さらに、第2の薄膜トランジスタ5572のゲート電極、第3の薄
膜トランジスタ5573の第2の電極、第4の薄膜トランジスタ5574の第2の電極、
第6の薄膜トランジスタ5576のゲート電極及び第8の薄膜トランジスタ5578の第
2の電極の接続箇所をノード5544とする。
504を、それぞれ第1の信号線、第2の信号、第3の信号線、第4の信号線と呼んでも
よい。さらに、第5の配線5505を第1の電源線、第6の配線5506を第2の電源線
と呼んでもよい。
ネル型TFTのみで作製することも可能である。実施の形態1乃至実施の形態5に示すn
チャネル型TFTはトランジスタの移動度が大きいため、駆動回路の駆動周波数を高くす
ることが可能となる。また、実施の形態1乃至実施の形態5に示すnチャネル型TFTは
バッファ層により寄生容量が低減されるため、周波数特性(f特性と呼ばれる)が高い。
例えば、実施の形態1乃至実施の形態5に示すnチャネル型TFTを用いた走査線駆動回
路は、高速に動作させることが出来るため、フレーム周波数を高くすること、または、黒
画面挿入を実現することなども実現することが出来る。
駆動回路を配置することなどによって、さらに高いフレーム周波数を実現することが出来
る。複数の走査線駆動回路を配置する場合は、偶数行の走査線を駆動する為の走査線駆動
回路を片側に配置し、奇数行の走査線を駆動するための走査線駆動回路をその反対側に配
置することにより、フレーム周波数を高くすることを実現することが出来る。
数の薄膜トランジスタを配置するため、走査線駆動回路を複数配置することが好ましい。
アクティブマトリクス型発光表示装置のブロック図の一例を図10(B)に示す。
素部5401と、各画素を選択する第1の走査線駆動回路5402及び第2の走査線駆動
回路5404と、選択された画素へのビデオ信号の入力を制御する信号線駆動回路540
3とを有する。
画素はトランジスタのオンとオフの切り替えによって、発光もしくは非発光の状態となる
。よって、面積階調法または時間階調法を用いて階調の表示を行うことができる。面積階
調法は、1画素を複数の副画素に分割し、各副画素を独立にビデオ信号に基づいて駆動さ
せることによって、階調表示を行う駆動法である。また時間階調法は、画素が発光する期
間を制御することによって、階調表示を行う駆動法である。
している。具体的に時間階調法で表示を行なう場合、1フレーム期間を複数のサブフレー
ム期間に分割する。そしてビデオ信号に従い、各サブフレーム期間において画素の発光素
子を発光または非発光の状態にする。複数のサブフレーム期間に分割することによって、
1フレーム期間中に画素が実際に発光する期間のトータルの長さを、ビデオ信号により制
御することができ、階調を表示することができる。
御用TFTとの2つを配置する場合、スイッチング用TFTのゲート配線である第1の走
査線に入力される信号を第1走査線駆動回路5402で生成し、電流制御用TFTのゲー
ト配線である第2の走査線に入力される信号を第2の走査線駆動回路5404で生成して
いる例を示しているが、第1の走査線に入力される信号と、第2の走査線に入力される信
号とを、共に1つの走査線駆動回路で生成するようにしても良い。また、例えば、スイッ
チング素子が有する各トランジスタの数によって、スイッチング素子の動作を制御するの
に用いられる第1の走査線が、各画素に複数設けられることもあり得る。この場合、複数
の第1の走査線に入力される信号を、全て1つの走査線駆動回路で生成しても良いし、複
数の各走査線駆動回路で生成しても良い。
る駆動回路の一部を画素部の薄膜トランジスタと同一基板上に形成することができる。ま
た、信号線駆動回路及び走査線駆動回路を実施の形態1乃至実施の形態5に示すnチャネ
ル型TFTのみで作製することも可能である。
的に接続する素子を利用して電子インクを駆動させる電子ペーパーに用いてもよい。電子
ペーパーは、電気泳動表示装置(電気泳動ディスプレイ)も呼ばれており、紙と同じ読み
やすさ、他の表示装置に比べ低消費電力、薄くて軽い形状とすることが可能という利点を
有している。
子と、マイナスの電荷を有する第2の粒子とを含むマイクロカプセルが溶媒または溶質に
複数分散されたものであり、マイクロカプセルに電界を印加することによって、マイクロ
カプセル中の粒子を互いに反対方向に移動させて一方側に集合した粒子の色のみを表示す
るものである。なお、第1の粒子または第2の粒子は染料を含み、電界がない場合におい
て移動しないものである。また、第1の粒子の色と第2の粒子の色は異なるもの(無色を
含む)とする。
いわゆる誘電泳動的効果を利用したディスプレイである。電気泳動ディスプレイは、液晶
表示装置には必要な偏光板、対向基板も電気泳動表示装置には必要なく、厚さや重さが半
減する。
の電子インクはガラス、プラスチック、布、紙などの表面に印刷することができる。また
、カラーフィルタや色素を有する粒子を用いることによってカラー表示も可能である。
ロカプセルを複数配置すればアクティブマトリクス型の表示装置が完成し、マイクロカプ
セルに電界を印加すれば表示を行うことができる。例えば、実施の形態1乃至実施の形態
5を用いることができる。
半導体材料、磁性材料、液晶材料、強誘電性材料、エレクトロルミネセント材料、エレク
トロクロミック材料、磁気泳動材料から選ばれた一種の材料、またはこれらの複合材料を
用いればよい。
本発明の一態様の薄膜トランジスタを作製し、該薄膜トランジスタを画素部、さらには駆
動回路に用いて表示機能を有する半導体装置(表示装置ともいう)を作製することができ
る。また、本発明の一態様の薄膜トランジスタを用いて、駆動回路の一部または全体を、
画素部と同じ基板上に一体形成し、システムオンパネルを形成することができる。
素子(発光表示素子ともいう)を用いることができる。発光素子は、電流または電圧によ
って輝度が制御される素子をその範疇に含んでおり、具体的には無機EL(Electr
o Luminescence)素子、有機EL素子等が含まれる。また、電子インクな
ど、電気的作用によりコントラストが変化する表示媒体も適用することができる。
を含むIC等を実装した状態にあるモジュールとを含む。さらに本発明の一態様は、該表
示装置を作製する過程における、表示素子が完成する前の一形態に相当する素子基板に関
し、該素子基板は、電流を表示素子に供給するための手段を複数の各画素に備える。素子
基板は、具体的には、表示素子の画素電極のみが形成された状態であっても良いし、画素
電極となる導電膜を成膜した後であって、エッチングして画素電極を形成する前の状態で
あっても良いし、あらゆる形態があてはまる。
源(照明装置含む)を指す。また、コネクター、例えばFPC(Flexible pr
inted circuit)もしくはTAB(Tape Automated Bon
ding)テープもしくはTCP(Tape Carrier Package)が取り
付けられたモジュール、TABテープやTCPの先にプリント配線板が設けられたモジュ
ール、または表示素子にCOG(Chip On Glass)方式によりIC(集積回
路)が直接実装されたモジュールも全て表示装置に含むものとする。
置を示す。図16(A)は液晶表示装置の平面図であり、図16(B)は図16(A)に
おける線V−Xの断面図である。半導体装置に用いられる薄膜トランジスタ201として
は、実施の形態4で示す薄膜トランジスタと同様に作製でき、IGZO半導体層及び金属
酸化物を含むバッファ層を有する信頼性の高い薄膜トランジスタである。また、実施の形
態1乃至実施の形態3、実施の形態5で示す薄膜トランジスタも本実施の薄膜トランジス
タ201として適用することもできる。
の逆スタガ型薄膜トランジスタ201、ゲート配線層203、容量配線層204を含む。
トランジスタ201、絶縁層211、絶縁層212、絶縁層213、及び表示素子に用い
る電極層255、配向膜として機能する絶縁層261、偏光板268が設けられた基板2
00と、配向膜として機能する絶縁層263、表示素子に用いる電極層265、カラーフ
ィルタとして機能する着色層264、偏光板267が設けられた基板266とが液晶層2
62を挟持して対向しており、液晶表示素子260を有している。
も半透過型液晶表示装置でも適用できる。
内側に着色層264、表示素子に用いる電極層265という順に設ける例を示すが、偏光
板267は基板266の内側に設けてもよい。また、偏光板と着色層の積層構造も図16
(B)に限定されず、偏光板及び着色層の材料や作製工程条件によって適宜設定すればよ
い。また、ブラックマトリクスとして機能する遮光膜を設けてもよい。
酸化物、酸化タングステンを含むインジウム亜鉛酸化物、酸化チタンを含むインジウム酸
化物、酸化チタンを含むインジウム錫酸化物、インジウム錫酸化物(以下、ITOと示す
。)、インジウム亜鉛酸化物、酸化ケイ素を添加したインジウム錫酸化物などの透光性を
有する導電性材料を用いることができる。
電性組成物を用いて形成することができる。導電性組成物を用いて形成した画素電極は、
シート抵抗が10000Ω/□以下、波長550nmにおける透光率が70%以上である
ことが好ましい。また、導電性組成物に含まれる導電性高分子の抵抗率が0.1Ω・cm
以下であることが好ましい。
ば、ポリアニリンまたはその誘導体、ポリピロールまたはその誘導体、ポリチオフェンま
たはその誘導体、若しくはこれらの2種以上の共重合体などがあげられる。
。
である。
本実施の形態では、本発明の一態様の半導体装置として電子ペーパーの例を示す。
子ペーパーを示す。半導体装置に用いられる薄膜トランジスタ581としては、実施の形
態4で示す薄膜トランジスタと同様に作製でき、IGZO半導体層及び金属酸化物を含む
バッファ層を有する信頼性の高い薄膜トランジスタである。また、実施の形態1乃至実施
の形態3、実施の形態5で示す薄膜トランジスタも本実施の薄膜トランジスタ581とし
て適用することもできる。
トボール表示方式とは、白と黒に塗り分けられた球形粒子を表示素子に用いる電極層であ
る第1の電極層及び第2の電極層の間に配置し、第1の電極層及び第2の電極層に電位差
を生じさせての球形粒子の向きを制御することにより、表示を行う方法である。
ース電極及びドレイン電極によって第1の電極層587と、絶縁層585に形成する開口
で接しており電気的に接続している。第1の電極層587と第2の電極層588との間に
は黒色領域590a及び白色領域590bを有し、周りに液体で満たされているキャビテ
ィ594を含む球形粒子589が設けられており、球形粒子589の周囲は樹脂等の充填
材595で充填されている(図23参照。)。
極層587上に無機絶縁膜が設けられており、無機絶縁膜は第1の電極層587よりイオ
ン性不純物が拡散するのを防止するバリア膜として機能する。
と、正に帯電した白い微粒子と負に帯電した黒い微粒子とを封入した直径10μm〜20
0μm程度のマイクロカプセルを用いる。第1の電極層と第2の電極層との間に設けられ
るマイクロカプセルは、第1の電極層と第2の電極層によって、電場が与えられると、白
い微粒子と、黒い微粒子が逆の方向に移動し、白または黒を表示することができる。この
原理を応用した表示素子が電気泳動表示素子であり、一般的に電子ペーパーとよばれてい
る。電気泳動表示素子は、液晶表示素子に比べて反射率が高いため、補助ライトは不要で
あり、また消費電力が小さく、薄暗い場所でも表示部を認識することが可能である。また
、表示部に電源が供給されない場合であっても、一度表示した像を保持することが可能で
あるため、電波発信源から表示機能付き半導体装置(単に表示装置、又は表示装置を具備
する半導体装置ともいう)を遠ざけた場合であっても、表示された像を保存しておくこと
が可能となる。
。
である。
本実施の形態では、本発明の一態様の半導体装置として発光表示装置の例を示す。表示装
置の有する表示素子としては、ここではエレクトロルミネッセンスを利用する発光素子を
用いて示す。エレクトロルミネッセンスを利用する発光素子は、発光材料が有機化合物で
あるか、無機化合物であるかによって区別され、一般的に、前者は有機EL素子、後者は
無機EL素子と呼ばれている。
がそれぞれ発光性の有機化合物を含む層に注入され、電流が流れる。そして、それらキャ
リア(電子および正孔)が再結合することにより、発光性の有機化合物が励起状態を形成
し、その励起状態が基底状態に戻る際に発光する。このようなメカニズムから、このよう
な発光素子は、電流励起型の発光素子と呼ばれる。
類される。分散型無機EL素子は、発光材料の粒子をバインダ中に分散させた発光層を有
するものであり、発光メカニズムはドナー準位とアクセプター準位を利用するドナー−ア
クセプター再結合型発光である。薄膜型無機EL素子は、発光層を誘電体層で挟み込み、
さらにそれを電極で挟んだ構造であり、発光メカニズムは金属イオンの内殻電子遷移を利
用する局在型発光である。なお、ここでは、発光素子として有機EL素子を用いて説明す
る。
リクス型の発光表示装置を示す。図19(A)は発光表示装置の平面図であり、図19(
B)は図19(A)における線Y−Zの断面図である。なお、図20に、図19に示す発
光表示装置の等価回路を示す。
施の形態2で示す薄膜トランジスタと同様に作製でき、IGZO半導体層と金属酸化物を
含むn型の導電型を有するバッファ層とを含む信頼性の高い薄膜トランジスタである。ま
た、実施の形態3乃至実施の形態5で示す薄膜トランジスタも本実施の薄膜トランジスタ
301、302として適用することもできる。
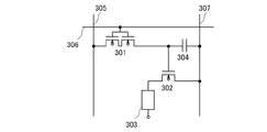
トランジスタ301、薄膜トランジスタ302、容量素子304、ソース配線層305、
ゲート配線層306、発光素子303を含む。薄膜トランジスタ301、302はnチャ
ネル型薄膜トランジスタである。
、絶縁層311、絶縁層312、絶縁層313、隔壁321、及び発光素子303に用い
る第1の電極層320、電界発光層322、第2の電極層323を有している。
を用いて形成することが好ましい。
1の電極層320として、陰極を用いるのが望ましい。具体的には、陰極としては、仕事
関数が小さい材料、例えば、Ca、Al、CaF、MgAg、AlLi等を用いることが
できる。
に感光性の材料を用い、第1の電極層320上に開口部を形成し、その開口部の側壁が連
続した曲率を持って形成される傾斜面となるように形成することが好ましい。
れていてもどちらでも良い。
極層323は、実施の形態8に画素電極層として列挙した透光性を有する導電性材料を用
いた透光性導電膜で形成することができる。上記透光性導電膜の他に、窒化チタン膜また
はチタン膜を用いても良い。第1の電極層320と電界発光層322と第2の電極層32
3とが重なり合うことで、発光素子303が形成されている。この後、発光素子303に
酸素、水素、水分、二酸化炭素等が侵入しないように、第2の電極層323及び隔壁32
1上に保護膜を形成してもよい。保護膜としては、窒化珪素膜、窒化酸化珪素膜、DLC
膜等を形成することができる。
が高く、脱ガスの少ない保護フィルム(貼り合わせフィルム、紫外線硬化樹脂フィルム等
)やカバー材でパッケージング(封入)することが好ましい。
型の場合を例に挙げて、画素の断面構造について説明する。図21(A)(B)(C)の
半導体装置に用いられる駆動用TFT7001、7011、7021は、実施の形態1で
示す薄膜トランジスタと同様に作製でき、IGZO半導体層及び金属酸化物を含むバッフ
ァ層を有する信頼性の高い薄膜トランジスタである。また、実施の形態2乃至実施の形態
5で示す薄膜トランジスタを駆動用TFT7001、7011、7021として適用する
こともできる。
して、基板上に薄膜トランジスタ及び発光素子を形成し、基板とは逆側の面から発光を取
り出す上面射出や、基板側の面から発光を取り出す下面射出や、基板側及び基板とは反対
側の面から発光を取り出す両面射出構造の発光素子があり、本発明の一態様の画素構成は
どの射出構造の発光素子にも適用することができる。
陽極7005側に抜ける場合の、画素の断面図を示す。図21(A)では、発光素子70
02の陰極7003と駆動用TFT7001が電気的に接続されており、陰極7003上
に発光層7004、陽極7005が順に積層されている。陰極7003は仕事関数が小さ
く、なおかつ光を反射する導電膜であれば様々の材料を用いることができる。例えば、C
a、Al、CaF、MgAg、AlLi等が望ましい。そして発光層7004は、単数の
層で構成されていても、複数の層が積層されるように構成されていてもどちらでも良い。
複数の層で構成されている場合、陰極7003上に電子注入層、電子輸送層、発光層、ホ
ール輸送層、ホール注入層の順に積層する。なおこれらの層を全て設ける必要はない。陽
極7005は光を透過する透光性を有する導電性材料を用いて形成し、例えば酸化タング
ステンを含むインジウム酸化物、酸化タングステンを含むインジウム亜鉛酸化物、酸化チ
タンを含むインジウム酸化物、酸化チタンを含むインジウム錫酸化物、インジウム錫酸化
物(以下、ITOと示す。)、インジウム亜鉛酸化物、酸化ケイ素を添加したインジウム
錫酸化物などの透光性を有する導電性導電膜を用いても良い。
相当する。図21(A)に示した画素の場合、発光素子7002から発せられる光は、矢
印で示すように陽極7005側に射出する。
011がn型で、発光素子7012から発せられる光が陰極7013側に射出する場合の
、画素の断面図を示す。図21(B)では、駆動用TFT7011と電気的に接続された
透光性を有する導電膜7017上に、発光素子7012の陰極7013が成膜されており
、陰極7013上に発光層7014、陽極7015が順に積層されている。なお、陽極7
015が透光性を有する場合、陽極7015上を覆うように、光を反射または遮蔽するた
めの遮蔽膜7016が成膜されていてもよい。陰極7013は、図21(A)の場合と同
様に、仕事関数が小さい導電性材料であれば様々な材料を用いることができる。ただしそ
の膜厚は、光を透過する程度(好ましくは、5nm〜30nm程度)とする。例えば20
nmの膜厚を有するアルミニウム膜を、陰極7013として用いることができる。そして
発光層7014は、図21(A)と同様に、単数の層で構成されていても、複数の層が積
層されるように構成されていてもどちらでも良い。陽極7015は光を透過する必要はな
いが、図21(A)と同様に、透光性を有する導電性材料を用いて形成することができる
。そして遮蔽膜7016は、例えば光を反射する金属等を用いることができるが、金属膜
に限定されない。例えば黒の顔料添加した樹脂等を用いることもできる。
に相当する。図21(B)に示した画素の場合、発光素子7012から発せられる光は、
矢印で示すように陰極7013側に射出する。
では、駆動用TFT7021と電気的に接続された透光性を有する導電膜7027上に、
発光素子7022の陰極7023が成膜されており、陰極7023上に発光層7024、
陽極7025が順に積層されている。陰極7023は、図21(A)の場合と同様に、仕
事関数が小さい導電性材料であれば様々な材料を用いることができる。ただしその膜厚は
、光を透過する程度とする。例えば20nmの膜厚を有するAlを、陰極7023として
用いることができる。そして発光層7024は、図21(A)と同様に、単数の層で構成
されていても、複数の層が積層されるように構成されていてもどちらでも良い。陽極70
25は、図21(A)と同様に、光を透過する透光性を有する導電性材料を用いて形成す
ることができる。
22に相当する。図21(C)に示した画素の場合、発光素子7022から発せられる光
は、矢印で示すように陽極7025側と陰極7023側の両方に射出する。
L素子を設けることも可能である。
発光素子が電気的に接続されている例を示したが、駆動用TFTと発光素子との間に電流
制御用TFTが接続されている構成であってもよい。
本発明の技術的思想に基づく各種の変形が可能である。
。
である。
次に、本発明の半導体装置の一形態である表示パネルの構成について、以下に示す。本実
施の形態では、表示素子として液晶素子を有する液晶表示装置の一形態である液晶表示パ
ネル(液晶パネルともいう)、表示素子として発光素子を有する半導体装置の一形態であ
る発光表示パネル(発光パネルともいう)について説明する。
図22を用いて説明する。図22(A)は、第1の基板上に形成されたIGZO半導体層
及び金属酸化物を含むバッファ層を有する信頼性の高い薄膜トランジスタ及び発光素子を
、第2の基板との間にシール材によって封止した、パネルの上面図であり、図22(B)
は、図22(A)のH−Iにおける断面図に相当する。
3b、及び走査線駆動回路4504a、4504bを囲むようにして、シール材4505
が設けられている。また画素部4502、信号線駆動回路4503a、4503b、及び
走査線駆動回路4504a、4504bの上に第2の基板4506が設けられている。よ
って画素部4502、信号線駆動回路4503a、4503b、及び走査線駆動回路45
04a、4504bは、第1の基板4501とシール材4505と第2の基板4506と
によって、充填材4507と共に密封されている。
503b、及び走査線駆動回路4504a、4504bは、薄膜トランジスタを複数有し
ており、図22(B)では、画素部4502に含まれる薄膜トランジスタ4510と、信
号線駆動回路4503aに含まれる薄膜トランジスタ4509とを例示している。
ァ層を有する薄膜トランジスタに相当し、実施の形態1乃至実施の形態5に示す薄膜トラ
ンジスタを適用することができる。本実施の形態において、薄膜トランジスタ4509、
4510はnチャネル型薄膜トランジスタである。
層4517は、薄膜トランジスタ4510のソース電極層またはドレイン電極層と電気的
に接続されている。なお発光素子4511の構成は、本実施の形態に示した構成に限定さ
れない。発光素子4511から取り出す光の方向などに合わせて、発光素子4511の構
成は適宜変えることができる。
、または画素部4502に与えられる各種信号及び電位は、FPC4518a、4518
bから供給されている。
いないコンタクトホールを介して画素部4502、信号線駆動回路4503a、4503
b、もしくは走査線駆動回路4504a、4504bと接続する配線4516を、ソース
電極層またはドレイン電極層と同じ材料を用いて形成する。また、第1の基板4501の
端部の配線4516上に接続端子4515を、第1の電極層4517と同じ材料を用いて
形成する。
電気的に接続されている。
ればならない。その場合には、ガラス板、プラスチック板、ポリエステルフィルムまたは
アクリルフィルムのような透光性を有する材料を用いる。
脂または熱硬化樹脂を用いることができ、PVC(ポリビニルクロライド)、アクリル、
ポリイミド、エポキシ樹脂、シリコーン樹脂、PVB(ポリビニルブチラル)またはEV
A(エチレンビニルアセテート)を用いることができる。本実施の形態は充填材4507
として窒素を用いた。
位相差板(λ/4板、λ/2板)、カラーフィルタなどの光学フィルムを適宜設けてもよ
い。また、偏光板又は円偏光板に反射防止膜を設けてもよい。例えば、表面の凹凸により
反射光を拡散し、映り込みを低減できるアンチグレア処理を施すことができる。
、別途用意された基板上に単結晶半導体膜又は多結晶半導体膜によって形成された駆動回
路で実装されていてもよい。また、信号線駆動回路のみ、或いは一部、又は走査線駆動回
路のみ、或いは一部のみを別途形成して実装しても良く、本実施の形態は図22の構成に
限定されない。
図17(A1)(A2)を用いて説明する。図17(A1)(A2)は、第1の基板40
01上に形成されたIGZO半導体層及び金属酸化物を含むバッファ層を有する信頼性の
高い薄膜トランジスタ4010、4011、及び液晶素子4013を、第2の基板400
6との間にシール材4005によって封止した、パネルの上面図であり、図17(B)は
、図17(A1)(A2)のM−Nにおける断面図に相当する。
ようにして、シール材4005が設けられている。また画素部4002と、走査線駆動回
路4004の上に第2の基板4006が設けられている。よって画素部4002と、走査
線駆動回路4004とは、第1の基板4001とシール材4005と第2の基板4006
とによって、液晶4008と共に封止されている。また第1の基板4001上のシール材
4005によって囲まれている領域とは異なる領域に、別途用意された基板上に単結晶半
導体膜又は多結晶半導体膜で形成された信号線駆動回路4003が実装されている。
ワイヤボンディング方法、或いはTAB方法などを用いることができる。図17(A1)
は、COG方法により信号線駆動回路4003を実装する例であり、図17(A2)は、
TAB方法により信号線駆動回路4003を実装する例である。
薄膜トランジスタを複数有しており、図17(B)では、画素部4002に含まれる薄膜
トランジスタ4010と、走査線駆動回路4004に含まれる薄膜トランジスタ4011
とを例示している。
ァ層を有する薄膜トランジスタに相当し、実施の形態1乃至実施の形態5に示す薄膜トラ
ンジスタを適用することができる。本実施の形態において、薄膜トランジスタ4010、
4011はnチャネル型薄膜トランジスタである。
気的に接続されている。そして液晶素子4013の対向電極層4031は第2の基板40
06上に形成されている。画素電極層4030と対向電極層4031と液晶4008とが
重なっている部分が、液晶素子4013に相当する。なお、画素電極層4030、対向電
極層4031はそれぞれ配向膜として機能する絶縁層4032、4033が設けられ、絶
縁層4032、4033を介して液晶4008を挟持している。
テンレス)、セラミックス、プラスチックを用いることができる。プラスチックとしては
、FRP(Fiberglass−Reinforced Plastics)板、PV
F(ポリビニルフルオライド)フィルム、ポリエステルフィルムまたはアクリル樹脂フィ
ルムを用いることができる。また、アルミニウムホイルをPVFフィルムやポリエステル
フィルムで挟んだ構造のシートを用いることもできる。
画素電極層4030と対向電極層4031との間の距離(セルギャップ)を制御するため
に設けられている。なお球状のスペーサを用いていても良い。
002に与えられる各種信号及び電位は、FPC4018から供給されている。
と同じ導電膜から形成され、配線4016は、薄膜トランジスタ4010、4011のゲ
ート電極層と同じ導電膜で形成されている。
気的に接続されている。
装している例を示しているが、本実施の形態はこの構成に限定されない。走査線駆動回路
を別途形成して実装しても良いし、信号線駆動回路の一部または走査線駆動回路の一部の
みを別途形成して実装しても良い。
として液晶表示モジュールを構成する一例を示している。
ール材2602により固着され、その間にTFT等を含む画素部2603、液晶層を含む
表示素子2604、着色層2605が設けられ表示領域を形成している。着色層2605
はカラー表示を行う場合に必要であり、RGB方式の場合は、赤、緑、青の各色に対応し
た着色層が各画素に対応して設けられている。TFT基板2600と対向基板2601の
外側には偏光板2606、偏光板2607、拡散板2613が配設されている。光源は冷
陰極管2610と反射板2611により構成され、回路基板2612は、フレキシブル配
線基板2609によりTFT基板2600の配線回路部2608と接続され、コントロー
ル回路や電源回路などの外部回路が組みこまれている。また偏光板と、液晶層との間に位
相差板を有した状態で積層してもよい。
n−Plane−Switching)モード、FFS(Fringe Field S
witching)モード、MVA(Multi−domain Vertical A
lignment)モード、PVA(Patterned Vertical Alig
nment)モード、ASM(Axially Symmetric aligned
Micro−cell)モード、OCB(Optical Compensated B
irefringence)モード、FLC(Ferroelectric Liqui
d Crystal)モード、AFLC(AntiFerroelectric Liq
uid Crystal)モードなどを用いることができる。
である。
本発明の一態様に係る半導体装置は、さまざまな電子機器(遊技機も含む)に適用するこ
とができる。電子機器としては、例えば、テレビジョン装置(テレビ、またはテレビジョ
ン受信機ともいう)、コンピュータ用などのモニタ、電子ペーパー、デジタルカメラ、デ
ジタルビデオカメラ、デジタルフォトフレーム、携帯電話機(携帯電話、携帯電話装置と
もいう)、携帯型ゲーム機、携帯情報端末、音響再生装置、パチンコ機などの大型ゲーム
機などが挙げられる。特に、実施の形態8〜実施の形態11で示したように、本発明の一
態様に係る薄膜トランジスタを液晶表示装置、発光装置、電気泳動方式表示装置などに適
用することにより、電子機器の表示部に用いることができる。以下に具体的に例示する。
とができる。電子ペーパーは、情報を表示するものであればあらゆる分野の電子機器に用
いることが可能である。例えば、電子ペーパーを用いて、電子書籍(電子ブック)、ポス
ター、電車などの乗り物の車内広告、クレジットカード等の各種カードにおける表示等に
適用することができる。電子機器の一例を図24、図25に示す。
の印刷物である場合には、広告の交換は人手によって行われるが、本発明の一態様の半導
体装置を適用した電子ペーパーを用いれば短時間で広告の表示を変えることができる。ま
た、電気特性のよい薄膜トランジスタを用いているため、表示も崩れることなく安定した
画像が得られる。なお、ポスターは無線で情報を送受信できる構成としてもよい。
紙の印刷物である場合には、広告の交換は人手によって行われるが、本発明の一態様の半
導体装置を適用した電子ペーパーを用いれば人手を多くかけることなく短時間で広告の表
示を変えることができる。また、電気特性のよい薄膜トランジスタを用いているため、表
示も崩れることなく安定した画像が得られる。なお、社内広告は無線で情報を送受信でき
る構成としてもよい。
筐体2701および筐体2703の2つの筐体で構成されている。筐体2701および筐
体2703は、軸部2711により接続されており、該軸部2711を軸として開閉動作
を行うことができる。このような構成により、紙の書籍のような動作を行うことが可能と
なる。
込まれている。表示部2705および表示部2707は、続き画面を表示する構成として
もよいし、異なる画面を表示する構成としてもよい。異なる画面を表示する構成とするこ
とで、例えば右側の表示部(図25では表示部2705)に文章を表示し、左側の表示部
(図25では表示部2707)に画像を表示することができる。
701において、電源2721、操作キー2723、スピーカ2725などを備えている
。操作キー2723により、頁を送ることができる。なお、筐体の表示部と同一面にキー
ボードやポインティングディバイスなどを備える構成としてもよい。また、筐体の裏面や
側面に、外部接続用端子(イヤホン端子、USB端子、またはACアダプタおよびUSB
ケーブルなどの各種ケーブルと接続可能な端子など)、記録媒体挿入部などを備える構成
としてもよい。さらに、電子書籍2700は、電子辞書としての機能を持たせた構成とし
てもよい。
電子書籍サーバから、所望の書籍データなどを購入し、ダウンロードする構成とすること
も可能である。
00は、筐体9601に表示部9603が組み込まれている。表示部9603により、映
像を表示することが可能である。また、ここでは、スタンド9605により筐体9601
を支持した構成を示している。表示部9603は、実施の形態8〜実施の形態11に示し
た表示装置を適用することができる。
コン操作機9610により行うことができる。リモコン操作機9610が備える操作キー
9609により、チャンネルや音量の操作を行うことができ、表示部9603に表示され
る映像を操作することができる。また、リモコン操作機9610に、当該リモコン操作機
9610から出力する情報を表示する表示部9607を設ける構成としてもよい。
より一般のテレビ放送の受信を行うことができ、さらにモデムを介して有線または無線に
よる通信ネットワークに接続することにより、一方向(送信者から受信者)または双方向
(送信者と受信者間、あるいは受信者間同士など)の情報通信を行うことも可能である。
ルフォトフレーム9700は、筐体9701に表示部9703が組み込まれている。表示
部9703は、各種画像を表示することが可能であり、例えばデジタルカメラなどで撮影
した画像データを表示させることで、通常の写真立てと同様に機能させることができる。
Bケーブルなどの各種ケーブルと接続可能な端子など)、記録媒体挿入部などを備える構
成とする。これらの構成は、表示部と同一面に組み込まれていてもよいが、側面や裏面に
備えるとデザイン性が向上するため好ましい。例えば、デジタルフォトフレームの記録媒
体挿入部に、デジタルカメラで撮影した画像データを記憶したメモリを挿入して画像デー
タを取り込み、取り込んだ画像データを表示部9703に表示させることができる。
。無線により、所望の画像データを取り込み、表示させる構成とすることもできる。
る。デジタルプレーヤー2100は、本体2130、表示部2131、メモリ部2132
、操作部2133、イヤホン2134、制御部2137等を含んでいる。なお、イヤホン
2134の代わりにヘッドホンや無線式イヤホンを用いることができる。表示部2131
は、実施の形態8〜実施の形態11に示した表示装置を適用することができる。
音楽)を記録、再生することができる。なお、表示部2131は黒色の背景に白色の文字
を表示することで消費電力を抑えられる。なお、メモリ部2132に設けられたメモリは
、取り出し可能な構成としてもよい。
1に組み込まれた表示部1002の他、操作ボタン1003、外部接続ポート1004、
スピーカ1005、マイク1006などを備えている。表示部1002は、実施の形態8
〜実施の形態11に示した表示装置を適用することができる。
力ことができる。また、電話を掛ける、或いはメールを打つ操作は、表示部1002を指
などで触れることにより行うことができる。
示モードであり、第2は、文字等の情報の入力を主とする入力モードである。第3は表示
モードと入力モードの2つのモードが混合した表示+入力モードである。
主とする文字入力モードとし、画面に表示させた文字の入力操作を行えばよい。この場合
、表示部1002の画面のほとんどにキーボードまたは番号ボタンを表示させることが好
ましい。
有する検出装置を設けることで、携帯電話機1000の向き(縦か横か)を判断して、表
示部1002の画面表示を自動的に切り替えるようにすることができる。
ボタン1003の操作により行われる。また、表示部1002に表示される画像の種類に
よって切り替えるようにすることもできる。例えば、表示部に表示する画像信号が動画の
データであれば表示モード、テキストデータであれば入力モードに切り替える。
部1002のタッチ操作による入力が一定期間ない場合には、画面のモードを入力モード
から表示モードに切り替えるように制御してもよい。
02に掌や指を触れることで、掌紋、指紋等を撮像することで、本人認証を行うことがで
きる。また、表示部に近赤外光を発光するバックライトまたは近赤外光を発光するセンシ
ング用光源を用いれば、指静脈、掌静脈などを撮像することもできる。
である。
81 搬送ロボット
82 カセット室
83 ゲートバルブ
84 ゲートバルブ
85 ゲートバルブ
86 ゲートバルブ
87 ゲートバルブ
88 ゲートバルブ
89 処理室
90 処理室
91 処理室
92 処理室
93 処理室
94 基板
100 基板
101 ゲート電極
101a ゲート電極
101b ゲート電極
102 ゲート絶縁膜
102a ゲート絶縁膜
102b ゲート絶縁膜
103 半導体層
104a バッファ層
104b バッファ層
104c バッファ層
105 導電膜
105a ドレイン電極
105a1 ドレイン電極
105a2 ドレイン電極
105b1 ドレイン電極
105b2 ドレイン電極
105c 導電層
106 チャネル保護層
114a バッファ層
114b バッファ層
133 半導体膜
134 金属酸化物膜
200 基板
201 薄膜トランジスタ
202 ソース配線層
203 ゲート配線層
204 容量配線層
211 絶縁層
212 絶縁層
213 絶縁層
255 電極層
260 液晶表示素子
261 絶縁層
262 液晶層
263 絶縁層
264 着色層
265 電極層
266 基板
267 偏光板
268 偏光板
301 薄膜トランジスタ
302 薄膜トランジスタ
303 発光素子
304 容量素子
305 ソース配線層
306 ゲート配線層
311 絶縁層
312 絶縁層
313 絶縁層
320 電極層
321 隔壁
322 電界発光層
323 電極層
581 薄膜トランジスタ
585 絶縁層
587 電極層
588 電極層
589 球形粒子
590a 黒色領域
590b 白色領域
594 キャビティ
595 充填材
1000 携帯電話機
1001 筐体
1002 表示部
1003 操作ボタン
1004 外部接続ポート
1005 スピーカ
1006 マイク
1601 ポスター
1602 車内広告
2100 デジタルプレーヤー
2130 本体
2131 表示部
2132 メモリ部
2133 操作部
2134 イヤホン
2137 制御部
2600 TFT基板
2601 対向基板
2602 シール材
2603 画素部
2604 表示素子
2605 着色層
2606 偏光板
2607 偏光板
2608 配線回路部
2609 フレキシブル配線基板
2610 冷陰極管
2611 反射板
2612 回路基板
2613 拡散板
2700 電子書籍
2701 筐体
2703 筐体
2705 表示部
2707 表示部
2711 軸部
2721 電源
2723 操作キー
2725 スピーカ
4001 基板
4002 画素部
4003 信号線駆動回路
4004 走査線駆動回路
4005 シール材
4006 基板
4008 液晶
4010 薄膜トランジスタ
4011 薄膜トランジスタ
4013 液晶素子
4015 接続端子
4016 配線
4018 FPC
4019 異方性導電膜
4030 画素電極層
4031 対向電極層
4032 絶縁層
4501 基板
4502 画素部
4503a 信号線駆動回路
4504a 走査線駆動回路
4505 シール材
4506 基板
4507 充填材
4509 薄膜トランジスタ
4510 薄膜トランジスタ
4511 発光素子
4515 接続端子
4516 配線
4517 電極層
4518a FPC
4519 異方性導電膜
5300 基板
5301 画素部
5302 走査線駆動回路
5303 信号線駆動回路
5400 基板
5401 画素部
5402 走査線駆動回路
5403 信号線駆動回路
5404 走査線駆動回路
5501 配線
5502 配線
5503 配線
5504 配線
5505 配線
5506 配線
5543 ノード
5544 ノード
5571 薄膜トランジスタ
5572 薄膜トランジスタ
5573 薄膜トランジスタ
5574 薄膜トランジスタ
5575 薄膜トランジスタ
5576 薄膜トランジスタ
5577 薄膜トランジスタ
5578 薄膜トランジスタ
5601 ドライバIC
5602 スイッチ群
5603a 薄膜トランジスタ
5603b 薄膜トランジスタ
5603c 薄膜トランジスタ
5611 配線
5612 配線
5613 配線
5621 配線
5701 フリップフロップ
5703a タイミング
5703b タイミング
5703c タイミング
5711 配線
5712 配線
5713 配線
5714 配線
5715 配線
5716 配線
5717 配線
5721 信号
5803a タイミング
5803b タイミング
5803c タイミング
5821 信号
7001 駆動用TFT
7002 発光素子
7003 陰極
7004 発光層
7005 陽極
7011 駆動用TFT
7012 発光素子
7013 陰極
7014 発光層
7015 陽極
7016 遮蔽膜
7017 導電膜
7021 駆動用TFT
7022 発光素子
7023 陰極
7024 発光層
7025 陽極
7027 導電膜
9600 テレビジョン装置
9601 筐体
9603 表示部
9605 スタンド
9607 表示部
9609 操作キー
9610 リモコン操作機
9700 デジタルフォトフレーム
9701 筐体
9703 表示部
Claims (5)
- ゲート電極と、
前記ゲート電極上の、ゲート絶縁膜と、
前記ゲート絶縁膜上の、酸化物半導体層と、
前記酸化物半導体層のチャネル形成領域と重なる、ハロゲン元素を有する第1の絶縁層と、
前記酸化物半導体層と電気的に接続された、ソース電極と、
前記酸化物半導体層と電気的に接続された、ドレイン電極と、
前記ソース電極上、及び前記ドレイン電極上の、第2の絶縁層と、を有し、
前記酸化物半導体層は、Inと、Gaと、Znと、を含み、
前記酸化物半導体層と、前記ソース電極との間に、第1のn型領域を有し、
前記酸化物半導体層と、前記ドレイン電極との間に、第2のn型領域を有し、
前記第1のn型領域は、酸化チタンを含み、
前記第2のn型領域は、酸化チタンを含み、
前記第1のn型領域のキャリア濃度は、前記酸化物半導体層のキャリア濃度より高く、
前記第2のn型領域のキャリア濃度は、前記酸化物半導体層のキャリア濃度より高く、
前記酸化物半導体層は、前記第1のn型領域を介して、前記ソース電極と電気的に接続され、
前記酸化物半導体層は、前記第2のn型領域を介して、前記ドレイン電極と電気的に接続され、
前記ソース電極の上方からみたとき、前記第1のn型領域は、前記ソース電極と重なる第3の領域と、前記ソース電極と重ならない第4の領域とを有し、
前記第4の領域は、前記チャネル形成領域上で、前記第2の絶縁層と接し、
前記ドレイン電極の上方からみたとき、前記第2のn型領域は、前記ドレイン電極と重なる第5の領域と、前記ドレイン電極と重ならない第6の領域とを有し、
前記第6の領域は、前記チャネル形成領域上で、前記第2の絶縁層と接していることを特徴とする半導体装置。 - ゲート電極と、
前記ゲート電極上の、ゲート絶縁膜と、
前記ゲート絶縁膜上の、酸化物半導体層と、
前記酸化物半導体層のチャネル形成領域と重なる、ハロゲン元素を有する第1の絶縁層と、
前記酸化物半導体層と電気的に接続された、ソース電極と、
前記酸化物半導体層と電気的に接続された、ドレイン電極と、
前記ソース電極上、及び前記ドレイン電極上の、第2の絶縁層と、を有し、
前記酸化物半導体層は、Inと、Gaと、Znと、を含み、
前記酸化物半導体層と、前記ソース電極との間に、ソース領域を有し、
前記酸化物半導体層と、前記ドレイン電極との間に、ドレイン領域を有し、
前記ソース領域は、酸化チタンを含み、
前記ドレイン領域は、酸化チタンを含み、
前記ソース電極の上方からみたとき、前記ソース領域は、前記ソース電極と重なる第3の領域と、前記ソース電極と重ならない第4の領域とを有し、
前記第4の領域は、前記チャネル形成領域上で、前記第2の絶縁層と接し、
前記ドレイン電極の上方からみたとき、前記ドレイン領域は、前記ドレイン電極と重なる第5の領域と、前記ドレイン電極と重ならない第6の領域とを有し、
前記第6の領域は、前記チャネル形成領域上で、前記第2の絶縁層と接していることを特徴とする半導体装置。 - ゲート電極と、
前記ゲート電極上の、ゲート絶縁膜と、
前記ゲート絶縁膜上の、酸化物半導体層と、
前記酸化物半導体層のチャネル形成領域と重なる、ハロゲン元素を有する第1の絶縁層と、
前記酸化物半導体層と電気的に接続された、ソース電極と、
前記酸化物半導体層と電気的に接続された、ドレイン電極と、
前記ソース電極上、及び前記ドレイン電極上の、第2の絶縁層と、を有し、
前記酸化物半導体層は、Inと、Gaと、Znと、を含み、
前記酸化物半導体層と、前記ソース電極との間に、前記酸化物半導体層と前記ソース電極との接触抵抗を低減させる第1の領域を有し、
前記酸化物半導体層と、前記ドレイン電極との間に、前記酸化物半導体層と前記ドレイン電極との接触抵抗を低減させる第2の領域を有し、
前記第1の領域は、酸化チタンを含み、
前記第2の領域は、酸化チタンを含み、
前記ソース電極の上方からみたとき、前記第1の領域は、前記ソース電極と重なる第3の領域と、前記ソース電極と重ならない第4の領域とを有し、
前記第4の領域は、前記チャネル形成領域上で、前記第2の絶縁層と接し、
前記ドレイン電極の上方からみたとき、前記第2の領域は、前記ドレイン電極と重なる第5の領域と、前記ドレイン電極と重ならない第6の領域とを有し、
前記第6の領域は、前記チャネル形成領域上で、前記第2の絶縁層と接していることを特徴とする半導体装置。 - ゲート電極と、
前記ゲート電極上の、ゲート絶縁膜と、
前記ゲート絶縁膜上の、酸化物半導体層と、
前記酸化物半導体層のチャネル形成領域と重なる、ハロゲン元素を有する第1の絶縁層と、
前記酸化物半導体層と電気的に接続された、ソース電極と、
前記酸化物半導体層と電気的に接続された、ドレイン電極と、
前記ソース電極上、及び前記ドレイン電極上の、第2の絶縁層と、を有し、
前記酸化物半導体層は、Inと、Gaと、Znと、を含み、
前記酸化物半導体層と、前記ソース電極との間に、第1の酸化チタンを有し、
前記酸化物半導体層と、前記ドレイン電極との間に、第2の酸化チタンを有し、
前記ソース電極の上方からみたとき、前記第1の酸化チタンは、前記ソース電極と重なる第3の領域と、前記ソース電極と重ならない第4の領域とを有し、
前記第4の領域は、前記チャネル形成領域上で、前記第2の絶縁層と接し、
前記ドレイン電極の上方からみたとき、前記第2の酸化チタンは、前記ドレイン電極と重なる第5の領域と、前記ドレイン電極と重ならない第6の領域とを有し、
前記第6の領域は、前記チャネル形成領域上で、前記第2の絶縁層と接していることを特徴とする半導体装置。 - 請求項1乃至請求4のいずれか一において、
前記第1の絶縁層が有するハロゲン元素は、SIMSを用いた分析により得られる濃度ピークが1×1015cm−3以上1×1020cm−3以下の範囲内にあることを特徴とする半導体装置。
Applications Claiming Priority (2)
| Application Number | Priority Date | Filing Date | Title |
|---|---|---|---|
| JP2008197143 | 2008-07-31 | ||
| JP2008197143 | 2008-07-31 |
Related Parent Applications (1)
| Application Number | Title | Priority Date | Filing Date |
|---|---|---|---|
| JP2014138587A Division JP5857093B2 (ja) | 2008-07-31 | 2014-07-04 | 半導体装置 |
Related Child Applications (1)
| Application Number | Title | Priority Date | Filing Date |
|---|---|---|---|
| JP2016095226A Division JP6225216B2 (ja) | 2008-07-31 | 2016-05-11 | 半導体装置 |
Publications (2)
| Publication Number | Publication Date |
|---|---|
| JP2016096347A JP2016096347A (ja) | 2016-05-26 |
| JP5938136B2 true JP5938136B2 (ja) | 2016-06-22 |
Family
ID=41607403
Family Applications (11)
| Application Number | Title | Priority Date | Filing Date |
|---|---|---|---|
| JP2009176531A Withdrawn JP2010056541A (ja) | 2008-07-31 | 2009-07-29 | 半導体装置およびその作製方法 |
| JP2014138587A Active JP5857093B2 (ja) | 2008-07-31 | 2014-07-04 | 半導体装置 |
| JP2015242846A Active JP5917762B1 (ja) | 2008-07-31 | 2015-12-14 | 半導体装置 |
| JP2015242845A Active JP5938136B2 (ja) | 2008-07-31 | 2015-12-14 | 半導体装置 |
| JP2016095226A Active JP6225216B2 (ja) | 2008-07-31 | 2016-05-11 | 半導体装置 |
| JP2017195776A Withdrawn JP2018019096A (ja) | 2008-07-31 | 2017-10-06 | 半導体装置 |
| JP2019160617A Withdrawn JP2020038970A (ja) | 2008-07-31 | 2019-09-03 | 半導体装置、液晶表示装置 |
| JP2021101422A Active JP7065233B2 (ja) | 2008-07-31 | 2021-06-18 | 半導体装置 |
| JP2022071305A Withdrawn JP2022109274A (ja) | 2008-07-31 | 2022-04-25 | 表示装置 |
| JP2023006532A Withdrawn JP2023052516A (ja) | 2008-07-31 | 2023-01-19 | 半導体装置 |
| JP2024100437A Pending JP2024129053A (ja) | 2008-07-31 | 2024-06-21 | 半導体装置 |
Family Applications Before (3)
| Application Number | Title | Priority Date | Filing Date |
|---|---|---|---|
| JP2009176531A Withdrawn JP2010056541A (ja) | 2008-07-31 | 2009-07-29 | 半導体装置およびその作製方法 |
| JP2014138587A Active JP5857093B2 (ja) | 2008-07-31 | 2014-07-04 | 半導体装置 |
| JP2015242846A Active JP5917762B1 (ja) | 2008-07-31 | 2015-12-14 | 半導体装置 |
Family Applications After (7)
| Application Number | Title | Priority Date | Filing Date |
|---|---|---|---|
| JP2016095226A Active JP6225216B2 (ja) | 2008-07-31 | 2016-05-11 | 半導体装置 |
| JP2017195776A Withdrawn JP2018019096A (ja) | 2008-07-31 | 2017-10-06 | 半導体装置 |
| JP2019160617A Withdrawn JP2020038970A (ja) | 2008-07-31 | 2019-09-03 | 半導体装置、液晶表示装置 |
| JP2021101422A Active JP7065233B2 (ja) | 2008-07-31 | 2021-06-18 | 半導体装置 |
| JP2022071305A Withdrawn JP2022109274A (ja) | 2008-07-31 | 2022-04-25 | 表示装置 |
| JP2023006532A Withdrawn JP2023052516A (ja) | 2008-07-31 | 2023-01-19 | 半導体装置 |
| JP2024100437A Pending JP2024129053A (ja) | 2008-07-31 | 2024-06-21 | 半導体装置 |
Country Status (3)
| Country | Link |
|---|---|
| US (2) | US8945981B2 (ja) |
| JP (11) | JP2010056541A (ja) |
| KR (6) | KR101606014B1 (ja) |
Families Citing this family (146)
| Publication number | Priority date | Publication date | Assignee | Title |
|---|---|---|---|---|
| TWI875442B (zh) | 2008-07-31 | 2025-03-01 | 日商半導體能源研究所股份有限公司 | 半導體裝置及半導體裝置的製造方法 |
| US9666719B2 (en) | 2008-07-31 | 2017-05-30 | Semiconductor Energy Laboratory Co., Ltd. | Semiconductor device and manufacturing method thereof |
| JP5480554B2 (ja) * | 2008-08-08 | 2014-04-23 | 株式会社半導体エネルギー研究所 | 半導体装置 |
| JP5608347B2 (ja) * | 2008-08-08 | 2014-10-15 | 株式会社半導体エネルギー研究所 | 半導体装置及び半導体装置の作製方法 |
| TWI518800B (zh) | 2008-08-08 | 2016-01-21 | 半導體能源研究所股份有限公司 | 半導體裝置的製造方法 |
| US8114720B2 (en) | 2008-12-25 | 2012-02-14 | Semiconductor Energy Laboratory Co., Ltd. | Semiconductor device and manufacturing method thereof |
| US8441007B2 (en) | 2008-12-25 | 2013-05-14 | Semiconductor Energy Laboratory Co., Ltd. | Display device and manufacturing method thereof |
| US8247276B2 (en) | 2009-02-20 | 2012-08-21 | Semiconductor Energy Laboratory Co., Ltd. | Thin film transistor, method for manufacturing the same, and semiconductor device |
| WO2010098101A1 (ja) * | 2009-02-27 | 2010-09-02 | 株式会社アルバック | トランジスタ、トランジスタの製造方法及びその製造装置 |
| JPWO2010098100A1 (ja) * | 2009-02-27 | 2012-08-30 | 株式会社アルバック | トランジスタ、トランジスタの製造方法及びその製造装置 |
| KR101743164B1 (ko) * | 2009-03-12 | 2017-06-02 | 가부시키가이샤 한도오따이 에네루기 켄큐쇼 | 반도체 장치의 제작 방법 |
| TWI556323B (zh) * | 2009-03-13 | 2016-11-01 | 半導體能源研究所股份有限公司 | 半導體裝置及該半導體裝置的製造方法 |
| KR101681884B1 (ko) * | 2009-03-27 | 2016-12-05 | 가부시키가이샤 한도오따이 에네루기 켄큐쇼 | 반도체장치, 표시장치 및 전자기기 |
| WO2011001881A1 (en) | 2009-06-30 | 2011-01-06 | Semiconductor Energy Laboratory Co., Ltd. | Method for manufacturing semiconductor device |
| WO2011043215A1 (en) | 2009-10-09 | 2011-04-14 | Semiconductor Energy Laboratory Co., Ltd. | Shift register and display device and driving method thereof |
| WO2011043218A1 (en) * | 2009-10-09 | 2011-04-14 | Semiconductor Energy Laboratory Co., Ltd. | Semiconductor device and method for manufacturing the same |
| SG178057A1 (en) | 2009-10-16 | 2012-03-29 | Semiconductor Energy Lab | Logic circuit and semiconductor device |
| KR101291488B1 (ko) * | 2009-10-21 | 2013-07-31 | 가부시키가이샤 한도오따이 에네루기 켄큐쇼 | 반도체 장치 |
| KR101084173B1 (ko) | 2009-10-27 | 2011-11-17 | 삼성모바일디스플레이주식회사 | 유기 발광 표시장치 및 그 제조 방법 |
| WO2011065329A1 (ja) * | 2009-11-27 | 2011-06-03 | 株式会社日立製作所 | 酸化物半導体装置およびその製造方法 |
| KR101108158B1 (ko) * | 2009-11-30 | 2012-01-31 | 삼성모바일디스플레이주식회사 | 유기 발광 표시장치 및 그 제조 방법 |
| KR101623961B1 (ko) * | 2009-12-02 | 2016-05-26 | 삼성전자주식회사 | 트랜지스터와 그 제조방법 및 트랜지스터를 포함하는 전자소자 |
| CN102668086B (zh) * | 2009-12-18 | 2016-01-06 | 巴斯夫欧洲公司 | 位于具有可由溶液低温加工的电介质的机械柔性聚合物衬底上的金属氧化物场效应晶体管 |
| KR101436120B1 (ko) * | 2009-12-28 | 2014-09-01 | 가부시키가이샤 한도오따이 에네루기 켄큐쇼 | 반도체 장치의 제작 방법 |
| KR101675115B1 (ko) * | 2010-01-12 | 2016-11-22 | 삼성전자주식회사 | 산화물 박막 트랜지스터 및 그 제조 방법 |
| KR20120130763A (ko) | 2010-02-05 | 2012-12-03 | 가부시키가이샤 한도오따이 에네루기 켄큐쇼 | 반도체 장치 및 반도체 장치의 제조 방법 |
| KR102026603B1 (ko) * | 2010-02-05 | 2019-10-01 | 가부시키가이샤 한도오따이 에네루기 켄큐쇼 | 반도체 장치 |
| WO2011096263A1 (en) | 2010-02-05 | 2011-08-11 | Semiconductor Energy Laboratory Co., Ltd. | Semiconductor device and method for manufacturing the same |
| JP2011188733A (ja) * | 2010-02-12 | 2011-09-22 | Semiconductor Energy Lab Co Ltd | 移動体、無線給電システムおよび無線給電方法 |
| KR20130009978A (ko) * | 2010-02-26 | 2013-01-24 | 가부시키가이샤 한도오따이 에네루기 켄큐쇼 | 반도체 소자의 제조 방법 및 성막 장치 |
| KR102192753B1 (ko) * | 2010-03-08 | 2020-12-18 | 가부시키가이샤 한도오따이 에네루기 켄큐쇼 | 반도체 장치 및 반도체 장치를 제작하는 방법 |
| EP2546884A1 (en) * | 2010-03-11 | 2013-01-16 | Sharp Kabushiki Kaisha | Semiconductor device and method for manufacturing the same |
| KR101773992B1 (ko) * | 2010-03-12 | 2017-09-01 | 가부시키가이샤 한도오따이 에네루기 켄큐쇼 | 반도체 장치 |
| KR102134294B1 (ko) | 2010-04-02 | 2020-07-15 | 가부시키가이샤 한도오따이 에네루기 켄큐쇼 | 반도체 장치 |
| KR101994909B1 (ko) | 2010-04-09 | 2019-07-01 | 가부시키가이샤 한도오따이 에네루기 켄큐쇼 | 반도체 장치 |
| KR101213493B1 (ko) * | 2010-04-13 | 2012-12-20 | 삼성디스플레이 주식회사 | 유기 발광 소자 및 그 제조방법 |
| KR101881729B1 (ko) * | 2010-04-16 | 2018-07-27 | 가부시키가이샤 한도오따이 에네루기 켄큐쇼 | 성막 방법 및 반도체 장치를 제작하기 위한 방법 |
| KR101800844B1 (ko) | 2010-04-23 | 2017-11-23 | 가부시키가이샤 한도오따이 에네루기 켄큐쇼 | 반도체 장치의 제작 방법 |
| KR20130054275A (ko) * | 2010-04-23 | 2013-05-24 | 가부시키가이샤 한도오따이 에네루기 켄큐쇼 | 반도체 장치 및 반도체 장치의 제작 방법 |
| WO2011135987A1 (en) * | 2010-04-28 | 2011-11-03 | Semiconductor Energy Laboratory Co., Ltd. | Method for manufacturing semiconductor device |
| US9490368B2 (en) * | 2010-05-20 | 2016-11-08 | Semiconductor Energy Laboratory Co., Ltd. | Semiconductor device and manufacturing method of the same |
| KR101293130B1 (ko) * | 2010-05-28 | 2013-08-12 | 엘지디스플레이 주식회사 | 어레이 기판 및 이의 제조방법 |
| WO2011155302A1 (en) * | 2010-06-11 | 2011-12-15 | Semiconductor Energy Laboratory Co., Ltd. | Semiconductor device |
| WO2011158703A1 (en) * | 2010-06-18 | 2011-12-22 | Semiconductor Energy Laboratory Co., Ltd. | Semiconductor device |
| JP5579848B2 (ja) * | 2010-06-21 | 2014-08-27 | 株式会社アルバック | 半導体装置、半導体装置を有する液晶表示装置、半導体装置の製造方法 |
| WO2011162104A1 (en) | 2010-06-25 | 2011-12-29 | Semiconductor Energy Laboratory Co., Ltd. | Semiconductor device and method for driving the same |
| WO2012002165A1 (en) * | 2010-07-02 | 2012-01-05 | Semiconductor Energy Laboratory Co., Ltd. | Liquid crystal display device and method for driving liquid crystal display device |
| KR102765169B1 (ko) | 2010-07-02 | 2025-02-06 | 가부시키가이샤 한도오따이 에네루기 켄큐쇼 | 반도체 장치 및 그 제작 방법 |
| TWI427784B (zh) * | 2010-07-16 | 2014-02-21 | Au Optronics Corp | 畫素結構的製造方法及有機發光元件的製造方法 |
| KR101793047B1 (ko) | 2010-08-03 | 2017-11-03 | 삼성디스플레이 주식회사 | 플렉서블 디스플레이 및 이의 제조 방법 |
| TWI408753B (zh) * | 2010-08-27 | 2013-09-11 | Au Optronics Corp | 薄膜電晶體的製造方法 |
| US8728860B2 (en) | 2010-09-03 | 2014-05-20 | Semiconductor Energy Laboratory Co., Ltd. | Method for manufacturing semiconductor device |
| US8835917B2 (en) * | 2010-09-13 | 2014-09-16 | Semiconductor Energy Laboratory Co., Ltd. | Semiconductor device, power diode, and rectifier |
| US8753921B2 (en) * | 2010-09-15 | 2014-06-17 | Sharp Kabushiki Kaisha | Manufacturing method for semiconductor device |
| JP2012094853A (ja) * | 2010-09-30 | 2012-05-17 | Kobe Steel Ltd | 配線構造 |
| US8569754B2 (en) | 2010-11-05 | 2013-10-29 | Semiconductor Energy Laboratory Co., Ltd. | Semiconductor device and manufacturing method thereof |
| US8405085B2 (en) * | 2010-12-01 | 2013-03-26 | Au Optronics Corporation | Thin film transistor capable of reducing photo current leakage |
| KR101995082B1 (ko) * | 2010-12-03 | 2019-07-02 | 가부시키가이샤 한도오따이 에네루기 켄큐쇼 | 산화물 반도체막 및 반도체 장치 |
| KR20120075048A (ko) * | 2010-12-28 | 2012-07-06 | 삼성전자주식회사 | 박막 트랜지스터 기판 및 이의 제조 방법 |
| US9634029B2 (en) | 2011-03-17 | 2017-04-25 | E Ink Holdings Inc. | Thin film transistor substrate and display device having same |
| TWI451573B (zh) | 2011-03-17 | 2014-09-01 | E Ink Holdings Inc | 顯示裝置及其薄膜電晶體結構 |
| US8927329B2 (en) | 2011-03-30 | 2015-01-06 | Semiconductor Energy Laboratory Co., Ltd. | Method for manufacturing oxide semiconductor device with improved electronic properties |
| US8541266B2 (en) * | 2011-04-01 | 2013-09-24 | Semiconductor Energy Laboratory Co., Ltd. | Method for manufacturing semiconductor device |
| CN102184866B (zh) * | 2011-04-21 | 2013-04-03 | 福建华映显示科技有限公司 | 薄膜晶体管及其制造方法 |
| US8679905B2 (en) * | 2011-06-08 | 2014-03-25 | Cbrite Inc. | Metal oxide TFT with improved source/drain contacts |
| KR102124557B1 (ko) * | 2011-06-08 | 2020-06-18 | 가부시키가이샤 한도오따이 에네루기 켄큐쇼 | 스퍼터링 타겟, 스퍼터링 타겟의 제조 방법 및 박막의 형성 방법 |
| US8836626B2 (en) * | 2011-07-15 | 2014-09-16 | Semiconductor Energy Laboratory Co., Ltd. | Semiconductor device and method for driving the same |
| US9660092B2 (en) * | 2011-08-31 | 2017-05-23 | Semiconductor Energy Laboratory Co., Ltd. | Oxide semiconductor thin film transistor including oxygen release layer |
| KR101506303B1 (ko) | 2011-09-29 | 2015-03-26 | 가부시키가이샤 한도오따이 에네루기 켄큐쇼 | 반도체 장치, 및 반도체 장치의 제작 방법 |
| TWI605590B (zh) | 2011-09-29 | 2017-11-11 | 半導體能源研究所股份有限公司 | 半導體裝置及其製造方法 |
| US9018629B2 (en) | 2011-10-13 | 2015-04-28 | Semiconductor Energy Laboratory Co., Ltd. | Semiconductor device and method for manufacturing semiconductor device |
| KR20130043063A (ko) | 2011-10-19 | 2013-04-29 | 가부시키가이샤 한도오따이 에네루기 켄큐쇼 | 반도체 장치 및 반도체 장치의 제작 방법 |
| KR102067051B1 (ko) | 2011-10-24 | 2020-01-16 | 가부시키가이샤 한도오따이 에네루기 켄큐쇼 | 반도체 장치 및 반도체 장치의 제작 방법 |
| JP5933895B2 (ja) | 2011-11-10 | 2016-06-15 | 株式会社半導体エネルギー研究所 | 半導体装置および半導体装置の作製方法 |
| US8710497B2 (en) * | 2011-12-08 | 2014-04-29 | LG Dispay Co., Ltd | Array substrate including thin film transistor and method of fabricating the same |
| WO2013105537A1 (ja) | 2012-01-11 | 2013-07-18 | シャープ株式会社 | 半導体装置、表示装置、ならびに半導体装置の製造方法 |
| US9123691B2 (en) * | 2012-01-19 | 2015-09-01 | E Ink Holdings Inc. | Thin-film transistor and method for manufacturing the same |
| TWI604609B (zh) * | 2012-02-02 | 2017-11-01 | 半導體能源研究所股份有限公司 | 半導體裝置 |
| KR101947808B1 (ko) * | 2012-02-29 | 2019-04-25 | 엘지디스플레이 주식회사 | 박막트랜지스터 어레이 기판 및 그 제조방법 |
| JP6306278B2 (ja) * | 2012-04-09 | 2018-04-04 | Jsr株式会社 | 半導体素子、半導体基板、感放射線性樹脂組成物、保護膜および表示素子 |
| KR101938761B1 (ko) | 2012-05-23 | 2019-01-16 | 삼성디스플레이 주식회사 | 박막 트랜지스터 어레이 기판, 이를 포함하는 유기 발광 표시 장치 및 그 제조 방법 |
| US9018624B2 (en) | 2012-09-13 | 2015-04-28 | Semiconductor Energy Laboratory Co., Ltd. | Display device and electronic appliance |
| EP2899588A4 (en) * | 2012-09-21 | 2015-09-30 | Sharp Kk | LIQUID CRYSTAL DISPLAY |
| KR101339082B1 (ko) * | 2013-02-25 | 2013-12-09 | 김동철 | 습식 플라즈마 열처리 장치 및 이를 이용한 산화물 반도체 박막트랜지스터의 제조 방법 |
| CN103199114B (zh) * | 2013-03-25 | 2016-11-16 | 合肥京东方光电科技有限公司 | 薄膜晶体管及其制作方法、阵列基板和显示装置 |
| US10566455B2 (en) * | 2013-03-28 | 2020-02-18 | Semiconductor Energy Laboratory Co., Ltd. | Semiconductor device and manufacturing method thereof |
| KR102269460B1 (ko) * | 2013-06-27 | 2021-06-28 | 가부시키가이샤 한도오따이 에네루기 켄큐쇼 | 반도체 장치 |
| KR102281300B1 (ko) | 2013-09-11 | 2021-07-26 | 삼성디스플레이 주식회사 | 박막 트랜지스터, 박막 트랜지스터의 제조 방법 및 박막 트랜지스터를 포함하는 표시장치 |
| TWM477048U (en) * | 2013-12-02 | 2014-04-21 | Chunghwa Picture Tubes Ltd | Metal oxide semiconductor thin film transistor |
| KR102268435B1 (ko) * | 2013-12-04 | 2021-06-23 | 주성엔지니어링(주) | 게이트 절연막 및 그를 이용한 박막 트랜지스터 |
| CN103762178A (zh) * | 2013-12-25 | 2014-04-30 | 深圳市华星光电技术有限公司 | 一种低温多晶硅薄膜晶体管及其制造方法 |
| CN103730475B (zh) * | 2013-12-26 | 2016-08-31 | 京东方科技集团股份有限公司 | 一种阵列基板及其制造方法、显示装置 |
| JP6531422B2 (ja) * | 2014-03-11 | 2019-06-19 | 東京エレクトロン株式会社 | プラズマ処理装置、基板処理システム、薄膜トランジスターの製造方法及び記憶媒体 |
| CN103943509B (zh) * | 2014-04-11 | 2017-02-15 | 深圳市华星光电技术有限公司 | 薄膜晶体管的制程方法 |
| US20150380563A1 (en) * | 2014-06-26 | 2015-12-31 | Samsung Display Co., Ltd. | Display apparatus and method for manufacturing the same |
| DE102014111140B4 (de) * | 2014-08-05 | 2019-08-14 | Infineon Technologies Austria Ag | Halbleitervorrichtung mit Feldeffektstrukturen mit verschiedenen Gatematerialien und Verfahren zur Herstellung davon |
| KR101624695B1 (ko) | 2014-10-14 | 2016-05-26 | 서종현 | 박막 트랜지스터 제조 방법 및 박막 트랜지스터 |
| TWI565081B (zh) * | 2014-12-31 | 2017-01-01 | 鴻海精密工業股份有限公司 | 薄膜電晶體及薄膜電晶體基板 |
| US10372274B2 (en) | 2015-04-13 | 2019-08-06 | Semiconductor Energy Laboratory Co., Ltd. | Semiconductor device and touch panel |
| US10192995B2 (en) | 2015-04-28 | 2019-01-29 | Semiconductor Energy Laboratory Co., Ltd. | Semiconductor device and manufacturing method thereof |
| US9837547B2 (en) * | 2015-05-22 | 2017-12-05 | Semiconductor Energy Laboratory Co., Ltd. | Semiconductor device comprising oxide conductor and display device including the semiconductor device |
| US9412590B1 (en) | 2015-08-31 | 2016-08-09 | United Microelectronics Corp. | Manufacturing method of oxide semiconductor device |
| CN106887436B (zh) * | 2015-12-16 | 2019-10-25 | 鸿富锦精密工业(深圳)有限公司 | 薄膜晶体管阵列基板及其制备方法 |
| WO2017149413A1 (en) * | 2016-03-04 | 2017-09-08 | Semiconductor Energy Laboratory Co., Ltd. | Semiconductor device and manufacturing method thereof |
| WO2017168283A1 (ja) | 2016-04-01 | 2017-10-05 | 株式会社半導体エネルギー研究所 | 複合酸化物半導体、当該複合酸化物半導体を用いた半導体装置、当該半導体装置を有する表示装置 |
| US11302717B2 (en) * | 2016-04-08 | 2022-04-12 | Semiconductor Energy Laboratory Co., Ltd. | Transistor and method for manufacturing the same |
| CN109417099A (zh) | 2016-04-25 | 2019-03-01 | 堺显示器制品株式会社 | 薄膜晶体管、显示装置和薄膜晶体管制造方法 |
| KR102567716B1 (ko) * | 2016-06-01 | 2023-08-17 | 삼성디스플레이 주식회사 | 유기 발광 표시 장치 및 그 제조 방법 |
| TW202224189A (zh) * | 2016-10-21 | 2022-06-16 | 日商半導體能源研究所股份有限公司 | 複合氧化物及電晶體 |
| US10224224B2 (en) | 2017-03-10 | 2019-03-05 | Micromaterials, LLC | High pressure wafer processing systems and related methods |
| US10847360B2 (en) | 2017-05-25 | 2020-11-24 | Applied Materials, Inc. | High pressure treatment of silicon nitride film |
| US10622214B2 (en) | 2017-05-25 | 2020-04-14 | Applied Materials, Inc. | Tungsten defluorination by high pressure treatment |
| KR102343573B1 (ko) * | 2017-05-26 | 2021-12-28 | 삼성디스플레이 주식회사 | 플렉서블 디스플레이 장치 |
| CN107195659B (zh) * | 2017-05-27 | 2020-07-24 | 京东方科技集团股份有限公司 | 阵列基板的制作方法、阵列基板及显示装置 |
| WO2018222771A1 (en) | 2017-06-02 | 2018-12-06 | Applied Materials, Inc. | Dry stripping of boron carbide hardmask |
| JP6947914B2 (ja) | 2017-08-18 | 2021-10-13 | アプライド マテリアルズ インコーポレイテッドApplied Materials,Incorporated | 高圧高温下のアニールチャンバ |
| US10276411B2 (en) | 2017-08-18 | 2019-04-30 | Applied Materials, Inc. | High pressure and high temperature anneal chamber |
| JP6782211B2 (ja) * | 2017-09-08 | 2020-11-11 | 株式会社東芝 | 透明電極、それを用いた素子、および素子の製造方法 |
| CN111095524B (zh) | 2017-09-12 | 2023-10-03 | 应用材料公司 | 用于使用保护阻挡物层制造半导体结构的设备和方法 |
| US10643867B2 (en) | 2017-11-03 | 2020-05-05 | Applied Materials, Inc. | Annealing system and method |
| US10720341B2 (en) | 2017-11-11 | 2020-07-21 | Micromaterials, LLC | Gas delivery system for high pressure processing chamber |
| SG11202003438QA (en) | 2017-11-16 | 2020-05-28 | Applied Materials Inc | High pressure steam anneal processing apparatus |
| CN111432920A (zh) | 2017-11-17 | 2020-07-17 | 应用材料公司 | 用于高压处理系统的冷凝器系统 |
| JP7299898B2 (ja) | 2018-01-24 | 2023-06-28 | アプライド マテリアルズ インコーポレイテッド | 高圧アニールを用いたシーム修復 |
| CN121398097A (zh) * | 2018-03-09 | 2026-01-23 | 应用材料公司 | 用于含金属材料的高压退火处理 |
| US10854612B2 (en) | 2018-03-21 | 2020-12-01 | Samsung Electronics Co., Ltd. | Semiconductor device including active region with variable atomic concentration of oxide semiconductor material and method of forming the same |
| KR102494122B1 (ko) * | 2018-03-21 | 2023-02-02 | 삼성전자주식회사 | 반도체 소자 |
| US10714331B2 (en) | 2018-04-04 | 2020-07-14 | Applied Materials, Inc. | Method to fabricate thermally stable low K-FinFET spacer |
| US10950429B2 (en) | 2018-05-08 | 2021-03-16 | Applied Materials, Inc. | Methods of forming amorphous carbon hard mask layers and hard mask layers formed therefrom |
| US10566188B2 (en) | 2018-05-17 | 2020-02-18 | Applied Materials, Inc. | Method to improve film stability |
| US10704141B2 (en) | 2018-06-01 | 2020-07-07 | Applied Materials, Inc. | In-situ CVD and ALD coating of chamber to control metal contamination |
| US10748783B2 (en) | 2018-07-25 | 2020-08-18 | Applied Materials, Inc. | Gas delivery module |
| US10675581B2 (en) | 2018-08-06 | 2020-06-09 | Applied Materials, Inc. | Gas abatement apparatus |
| WO2020092002A1 (en) | 2018-10-30 | 2020-05-07 | Applied Materials, Inc. | Methods for etching a structure for semiconductor applications |
| KR20210077779A (ko) | 2018-11-16 | 2021-06-25 | 어플라이드 머티어리얼스, 인코포레이티드 | 강화된 확산 프로세스를 사용한 막 증착 |
| WO2020112237A1 (en) * | 2018-11-30 | 2020-06-04 | Applied Materials, Inc. | Methods of patterning metal layers |
| WO2020117462A1 (en) | 2018-12-07 | 2020-06-11 | Applied Materials, Inc. | Semiconductor processing system |
| CN113166688B (zh) | 2018-12-13 | 2024-12-13 | 陶氏环球技术有限责任公司 | 液体衣物洗涤剂配制物 |
| JP7433313B2 (ja) | 2018-12-13 | 2024-02-19 | ダウ グローバル テクノロジーズ エルエルシー | 洗浄ブースタ |
| WO2020251762A1 (en) | 2019-06-14 | 2020-12-17 | Dow Global Technologies Llc | Cleaning booster polymer |
| KR20210094330A (ko) | 2020-01-21 | 2021-07-29 | 삼성전자주식회사 | 2차원 반도체 물질을 포함하는 반도체 소자 |
| US11901222B2 (en) | 2020-02-17 | 2024-02-13 | Applied Materials, Inc. | Multi-step process for flowable gap-fill film |
| US11342484B2 (en) | 2020-05-11 | 2022-05-24 | Silanna UV Technologies Pte Ltd | Metal oxide semiconductor-based light emitting device |
| CN111898506A (zh) * | 2020-07-21 | 2020-11-06 | 武汉华星光电技术有限公司 | 感光传感器、阵列基板、显示面板及电子设备 |
| KR20220014346A (ko) * | 2020-07-23 | 2022-02-07 | 삼성디스플레이 주식회사 | 표시 장치 |
| EP4430671A4 (en) * | 2021-11-10 | 2025-09-24 | Silanna UV Technologies Pte Ltd | EPITAXIAL OXIDE MATERIALS, STRUCTURES AND DEVICES |
Family Cites Families (199)
| Publication number | Priority date | Publication date | Assignee | Title |
|---|---|---|---|---|
| JPS60198861A (ja) | 1984-03-23 | 1985-10-08 | Fujitsu Ltd | 薄膜トランジスタ |
| JPH0244256B2 (ja) | 1987-01-28 | 1990-10-03 | Kagaku Gijutsucho Mukizaishitsu Kenkyushocho | Ingazn2o5deshimesarerurotsuhoshokeinosojokozoojusurukagobutsuoyobisonoseizoho |
| JPH0244260B2 (ja) | 1987-02-24 | 1990-10-03 | Kagaku Gijutsucho Mukizaishitsu Kenkyushocho | Ingazn5o8deshimesarerurotsuhoshokeinosojokozoojusurukagobutsuoyobisonoseizoho |
| JPH0244258B2 (ja) | 1987-02-24 | 1990-10-03 | Kagaku Gijutsucho Mukizaishitsu Kenkyushocho | Ingazn3o6deshimesarerurotsuhoshokeinosojokozoojusurukagobutsuoyobisonoseizoho |
| JPS63210023A (ja) | 1987-02-24 | 1988-08-31 | Natl Inst For Res In Inorg Mater | InGaZn↓4O↓7で示される六方晶系の層状構造を有する化合物およびその製造法 |
| JPH0244262B2 (ja) | 1987-02-27 | 1990-10-03 | Kagaku Gijutsucho Mukizaishitsu Kenkyushocho | Ingazn6o9deshimesarerurotsuhoshokeinosojokozoojusurukagobutsuoyobisonoseizoho |
| JPH0244263B2 (ja) | 1987-04-22 | 1990-10-03 | Kagaku Gijutsucho Mukizaishitsu Kenkyushocho | Ingazn7o10deshimesarerurotsuhoshokeinosojokozoojusurukagobutsuoyobisonoseizoho |
| JP2590938B2 (ja) * | 1987-10-02 | 1997-03-19 | 旭硝子株式会社 | 薄膜トランジスタ基板 |
| EP0445535B1 (en) | 1990-02-06 | 1995-02-01 | Sel Semiconductor Energy Laboratory Co., Ltd. | Method of forming an oxide film |
| JP2585118B2 (ja) | 1990-02-06 | 1997-02-26 | 株式会社半導体エネルギー研究所 | 薄膜トランジスタの作製方法 |
| DE69125886T2 (de) | 1990-05-29 | 1997-11-20 | Semiconductor Energy Lab | Dünnfilmtransistoren |
| JP3701549B2 (ja) * | 1991-08-26 | 2005-09-28 | 株式会社半導体エネルギー研究所 | 半導体装置 |
| US5766344A (en) | 1991-09-21 | 1998-06-16 | Semiconductor Energy Laboratory Co., Ltd. | Method for forming a semiconductor |
| JP3118037B2 (ja) | 1991-10-28 | 2000-12-18 | キヤノン株式会社 | 堆積膜形成方法および堆積膜形成装置 |
| JPH05251705A (ja) | 1992-03-04 | 1993-09-28 | Fuji Xerox Co Ltd | 薄膜トランジスタ |
| JPH0738111A (ja) * | 1993-07-22 | 1995-02-07 | Fujitsu Ltd | 薄膜トランジスタの形成方法 |
| US6323071B1 (en) | 1992-12-04 | 2001-11-27 | Semiconductor Energy Laboratory Co., Ltd. | Method for forming a semiconductor device |
| US7465679B1 (en) * | 1993-02-19 | 2008-12-16 | Semiconductor Energy Laboratory Co., Ltd. | Insulating film and method of producing semiconductor device |
| JP3479375B2 (ja) | 1995-03-27 | 2003-12-15 | 科学技術振興事業団 | 亜酸化銅等の金属酸化物半導体による薄膜トランジスタとpn接合を形成した金属酸化物半導体装置およびそれらの製造方法 |
| JPH11505377A (ja) | 1995-08-03 | 1999-05-18 | フィリップス エレクトロニクス ネムローゼ フェンノートシャップ | 半導体装置 |
| JPH0982681A (ja) * | 1995-09-20 | 1997-03-28 | Advanced Display:Kk | 半導体装置、薄膜トランジスタおよびそれらの製法 |
| US5847410A (en) | 1995-11-24 | 1998-12-08 | Semiconductor Energy Laboratory Co. | Semiconductor electro-optical device |
| JP3625598B2 (ja) | 1995-12-30 | 2005-03-02 | 三星電子株式会社 | 液晶表示装置の製造方法 |
| JP3476320B2 (ja) | 1996-02-23 | 2003-12-10 | 株式会社半導体エネルギー研究所 | 半導体薄膜およびその作製方法ならびに半導体装置およびその作製方法 |
| KR100225946B1 (ko) * | 1996-06-27 | 1999-10-15 | 김영환 | 반도체 소자의 금속 배선 형성방법 |
| JP3208658B2 (ja) * | 1997-03-27 | 2001-09-17 | 株式会社アドバンスト・ディスプレイ | 電気光学素子の製法 |
| JP4170454B2 (ja) | 1998-07-24 | 2008-10-22 | Hoya株式会社 | 透明導電性酸化物薄膜を有する物品及びその製造方法 |
| JP4246298B2 (ja) * | 1998-09-30 | 2009-04-02 | インターナショナル・ビジネス・マシーンズ・コーポレーション | 液晶ディスプレイパネルの製造方法 |
| JP2000150861A (ja) | 1998-11-16 | 2000-05-30 | Tdk Corp | 酸化物薄膜 |
| JP3276930B2 (ja) | 1998-11-17 | 2002-04-22 | 科学技術振興事業団 | トランジスタ及び半導体装置 |
| EP1014426A3 (en) | 1998-12-22 | 2004-02-04 | Canon Kabushiki Kaisha | Apparatus and method for processing a substrate |
| JP3916334B2 (ja) | 1999-01-13 | 2007-05-16 | シャープ株式会社 | 薄膜トランジスタ |
| JP4549475B2 (ja) * | 1999-02-12 | 2010-09-22 | 株式会社半導体エネルギー研究所 | 半導体装置、電子機器、および半導体装置の作製方法 |
| US6436801B1 (en) * | 1999-02-26 | 2002-08-20 | Texas Instruments Incorporated | Hafnium nitride gate dielectric |
| JP4801238B2 (ja) * | 1999-03-23 | 2011-10-26 | 株式会社半導体エネルギー研究所 | 半導体装置の作製方法 |
| TW460731B (en) | 1999-09-03 | 2001-10-21 | Ind Tech Res Inst | Electrode structure and production method of wide viewing angle LCD |
| JP2001217423A (ja) | 2000-02-01 | 2001-08-10 | Sony Corp | 薄膜半導体装置及び表示装置とその製造方法 |
| JP4118485B2 (ja) | 2000-03-13 | 2008-07-16 | 株式会社半導体エネルギー研究所 | 半導体装置の作製方法 |
| JP2002062824A (ja) * | 2000-06-05 | 2002-02-28 | Semiconductor Energy Lab Co Ltd | 発光装置 |
| JP4089858B2 (ja) | 2000-09-01 | 2008-05-28 | 国立大学法人東北大学 | 半導体デバイス |
| JP2002091340A (ja) * | 2000-09-14 | 2002-03-27 | Toshiba Corp | マトリクスアレイ基板 |
| KR20020038482A (ko) | 2000-11-15 | 2002-05-23 | 모리시타 요이찌 | 박막 트랜지스터 어레이, 그 제조방법 및 그것을 이용한표시패널 |
| US6858308B2 (en) | 2001-03-12 | 2005-02-22 | Canon Kabushiki Kaisha | Semiconductor element, and method of forming silicon-based film |
| JP3997731B2 (ja) | 2001-03-19 | 2007-10-24 | 富士ゼロックス株式会社 | 基材上に結晶性半導体薄膜を形成する方法 |
| JP2002289859A (ja) | 2001-03-23 | 2002-10-04 | Minolta Co Ltd | 薄膜トランジスタ |
| US6794682B2 (en) | 2001-04-04 | 2004-09-21 | Canon Kabushiki Kaisha | Semiconductor device, method for manufacturing the same, and radiation detector |
| JP2002368229A (ja) | 2001-04-04 | 2002-12-20 | Canon Inc | 半導体装置、及びその製造方法、並びに放射線検出装置 |
| JP2003037268A (ja) * | 2001-07-24 | 2003-02-07 | Minolta Co Ltd | 半導体素子及びその製造方法 |
| JP4090716B2 (ja) | 2001-09-10 | 2008-05-28 | 雅司 川崎 | 薄膜トランジスタおよびマトリクス表示装置 |
| JP3925839B2 (ja) | 2001-09-10 | 2007-06-06 | シャープ株式会社 | 半導体記憶装置およびその試験方法 |
| JP4164562B2 (ja) | 2002-09-11 | 2008-10-15 | 独立行政法人科学技術振興機構 | ホモロガス薄膜を活性層として用いる透明薄膜電界効果型トランジスタ |
| EP1443130B1 (en) | 2001-11-05 | 2011-09-28 | Japan Science and Technology Agency | Natural superlattice homologous single crystal thin film, method for preparation thereof, and device using said single crystal thin film |
| JP3810681B2 (ja) * | 2001-12-20 | 2006-08-16 | シャープ株式会社 | 薄膜トランジスタ基板および液晶表示装置 |
| JP4083486B2 (ja) | 2002-02-21 | 2008-04-30 | 独立行政法人科学技術振興機構 | LnCuO(S,Se,Te)単結晶薄膜の製造方法 |
| US7049190B2 (en) | 2002-03-15 | 2006-05-23 | Sanyo Electric Co., Ltd. | Method for forming ZnO film, method for forming ZnO semiconductor layer, method for fabricating semiconductor device, and semiconductor device |
| JP3933591B2 (ja) | 2002-03-26 | 2007-06-20 | 淳二 城戸 | 有機エレクトロルミネッセント素子 |
| US7115913B2 (en) | 2002-03-27 | 2006-10-03 | Tfpd Corporation | Array substrate used for a display device and a method of making the same |
| US20030203627A1 (en) | 2002-04-30 | 2003-10-30 | Jia-Pang Pang | Method for fabricating thin film transistor |
| US7339187B2 (en) | 2002-05-21 | 2008-03-04 | State Of Oregon Acting By And Through The Oregon State Board Of Higher Education On Behalf Of Oregon State University | Transistor structures |
| JP2004022625A (ja) | 2002-06-13 | 2004-01-22 | Murata Mfg Co Ltd | 半導体デバイス及び該半導体デバイスの製造方法 |
| US7105868B2 (en) | 2002-06-24 | 2006-09-12 | Cermet, Inc. | High-electron mobility transistor with zinc oxide |
| JP4556407B2 (ja) * | 2002-10-04 | 2010-10-06 | 住友金属鉱山株式会社 | 酸化物透明電極膜とその製造方法、透明導電性基材、太陽電池および光検出素子 |
| US7067843B2 (en) | 2002-10-11 | 2006-06-27 | E. I. Du Pont De Nemours And Company | Transparent oxide semiconductor thin film transistors |
| JP4166105B2 (ja) | 2003-03-06 | 2008-10-15 | シャープ株式会社 | 半導体装置およびその製造方法 |
| JP2004273732A (ja) | 2003-03-07 | 2004-09-30 | Sharp Corp | アクティブマトリクス基板およびその製造方法 |
| US7238963B2 (en) | 2003-04-28 | 2007-07-03 | Tpo Displays Corp. | Self-aligned LDD thin-film transistor and method of fabricating the same |
| US7145209B2 (en) | 2003-05-20 | 2006-12-05 | Tpo Displays Corp. | Thin film transistor and fabrication method thereof |
| JP4108633B2 (ja) | 2003-06-20 | 2008-06-25 | シャープ株式会社 | 薄膜トランジスタおよびその製造方法ならびに電子デバイス |
| US7262463B2 (en) | 2003-07-25 | 2007-08-28 | Hewlett-Packard Development Company, L.P. | Transistor including a deposited channel region having a doped portion |
| US20050074914A1 (en) | 2003-10-06 | 2005-04-07 | Toppoly Optoelectronics Corp. | Semiconductor device and method of fabrication the same |
| CN100464429C (zh) | 2003-10-28 | 2009-02-25 | 株式会社半导体能源研究所 | 液晶显示设备及其制造方法,以及液晶电视接收机 |
| WO2005047968A1 (en) | 2003-11-14 | 2005-05-26 | Semiconductor Energy Laboratory Co., Ltd. | Display device and method for manufacturing the same |
| KR100574971B1 (ko) | 2004-02-17 | 2006-05-02 | 삼성전자주식회사 | 멀티-게이트 구조의 반도체 소자 및 그 제조 방법 |
| US7282782B2 (en) | 2004-03-12 | 2007-10-16 | Hewlett-Packard Development Company, L.P. | Combined binary oxide semiconductor device |
| US7297977B2 (en) | 2004-03-12 | 2007-11-20 | Hewlett-Packard Development Company, L.P. | Semiconductor device |
| KR20070116889A (ko) | 2004-03-12 | 2007-12-11 | 도꾸리쯔교세이호징 가가꾸 기쥬쯔 신꼬 기꼬 | 아몰퍼스 산화물 박막의 기상성막방법 |
| US7145174B2 (en) | 2004-03-12 | 2006-12-05 | Hewlett-Packard Development Company, Lp. | Semiconductor device |
| JP4461873B2 (ja) * | 2004-03-29 | 2010-05-12 | カシオ計算機株式会社 | 亜鉛酸化物の加工方法および薄膜トランジスタの製造方法 |
| US20050258488A1 (en) | 2004-04-27 | 2005-11-24 | Toppoly Optoelectronics Corp. | Serially connected thin film transistors and fabrication methods thereof |
| JP5025095B2 (ja) * | 2004-05-07 | 2012-09-12 | 株式会社半導体エネルギー研究所 | 半導体装置の作製方法 |
| US7211825B2 (en) | 2004-06-14 | 2007-05-01 | Yi-Chi Shih | Indium oxide-based thin film transistors and circuits |
| KR101002347B1 (ko) | 2004-06-24 | 2010-12-21 | 엘지디스플레이 주식회사 | 수평 전계 인가형 박막 트랜지스터 기판 및 그 제조 방법 |
| JP4877873B2 (ja) * | 2004-08-03 | 2012-02-15 | 株式会社半導体エネルギー研究所 | 表示装置及びその作製方法 |
| JP4906039B2 (ja) * | 2004-08-03 | 2012-03-28 | 株式会社半導体エネルギー研究所 | 半導体装置の作製方法 |
| JP2006100760A (ja) | 2004-09-02 | 2006-04-13 | Casio Comput Co Ltd | 薄膜トランジスタおよびその製造方法 |
| US7285501B2 (en) | 2004-09-17 | 2007-10-23 | Hewlett-Packard Development Company, L.P. | Method of forming a solution processed device |
| JP4700317B2 (ja) * | 2004-09-30 | 2011-06-15 | 株式会社半導体エネルギー研究所 | 表示装置の作製方法 |
| US7427776B2 (en) | 2004-10-07 | 2008-09-23 | Hewlett-Packard Development Company, L.P. | Thin-film transistor and methods |
| US7298084B2 (en) | 2004-11-02 | 2007-11-20 | 3M Innovative Properties Company | Methods and displays utilizing integrated zinc oxide row and column drivers in conjunction with organic light emitting diodes |
| AU2005302964B2 (en) | 2004-11-10 | 2010-11-04 | Canon Kabushiki Kaisha | Field effect transistor employing an amorphous oxide |
| KR100939998B1 (ko) | 2004-11-10 | 2010-02-03 | 캐논 가부시끼가이샤 | 비정질 산화물 및 전계 효과 트랜지스터 |
| EP1810335B1 (en) | 2004-11-10 | 2020-05-27 | Canon Kabushiki Kaisha | Light-emitting device |
| US7863611B2 (en) | 2004-11-10 | 2011-01-04 | Canon Kabushiki Kaisha | Integrated circuits utilizing amorphous oxides |
| US7453065B2 (en) | 2004-11-10 | 2008-11-18 | Canon Kabushiki Kaisha | Sensor and image pickup device |
| US7829444B2 (en) | 2004-11-10 | 2010-11-09 | Canon Kabushiki Kaisha | Field effect transistor manufacturing method |
| JP5118810B2 (ja) * | 2004-11-10 | 2013-01-16 | キヤノン株式会社 | 電界効果型トランジスタ |
| US7791072B2 (en) | 2004-11-10 | 2010-09-07 | Canon Kabushiki Kaisha | Display |
| KR101054344B1 (ko) * | 2004-11-17 | 2011-08-04 | 삼성전자주식회사 | 박막 트랜지스터 표시판 및 그 제조 방법 |
| US7579224B2 (en) | 2005-01-21 | 2009-08-25 | Semiconductor Energy Laboratory Co., Ltd. | Method for manufacturing a thin film semiconductor device |
| TWI562380B (en) | 2005-01-28 | 2016-12-11 | Semiconductor Energy Lab Co Ltd | Semiconductor device, electronic device, and method of manufacturing semiconductor device |
| JP4777203B2 (ja) * | 2005-01-28 | 2011-09-21 | 株式会社半導体エネルギー研究所 | 半導体装置 |
| TWI481024B (zh) | 2005-01-28 | 2015-04-11 | 半導體能源研究所股份有限公司 | 半導體裝置,電子裝置,和半導體裝置的製造方法 |
| US7858451B2 (en) | 2005-02-03 | 2010-12-28 | Semiconductor Energy Laboratory Co., Ltd. | Electronic device, semiconductor device and manufacturing method thereof |
| KR20060090523A (ko) * | 2005-02-07 | 2006-08-11 | 삼성전자주식회사 | 표시 장치용 배선 및 상기 배선을 포함하는 박막트랜지스터 표시판 |
| US7948171B2 (en) | 2005-02-18 | 2011-05-24 | Semiconductor Energy Laboratory Co., Ltd. | Light emitting device |
| US20060197092A1 (en) | 2005-03-03 | 2006-09-07 | Randy Hoffman | System and method for forming conductive material on a substrate |
| US8681077B2 (en) | 2005-03-18 | 2014-03-25 | Semiconductor Energy Laboratory Co., Ltd. | Semiconductor device, and display device, driving method and electronic apparatus thereof |
| WO2006105077A2 (en) | 2005-03-28 | 2006-10-05 | Massachusetts Institute Of Technology | Low voltage thin film transistor with high-k dielectric material |
| US7645478B2 (en) | 2005-03-31 | 2010-01-12 | 3M Innovative Properties Company | Methods of making displays |
| US8300031B2 (en) | 2005-04-20 | 2012-10-30 | Semiconductor Energy Laboratory Co., Ltd. | Semiconductor device comprising transistor having gate and drain connected through a current-voltage conversion element |
| JP2006344849A (ja) | 2005-06-10 | 2006-12-21 | Casio Comput Co Ltd | 薄膜トランジスタ |
| US7402506B2 (en) | 2005-06-16 | 2008-07-22 | Eastman Kodak Company | Methods of making thin film transistors comprising zinc-oxide-based semiconductor materials and transistors made thereby |
| US7691666B2 (en) | 2005-06-16 | 2010-04-06 | Eastman Kodak Company | Methods of making thin film transistors comprising zinc-oxide-based semiconductor materials and transistors made thereby |
| US7507618B2 (en) | 2005-06-27 | 2009-03-24 | 3M Innovative Properties Company | Method for making electronic devices using metal oxide nanoparticles |
| KR101209046B1 (ko) | 2005-07-27 | 2012-12-06 | 삼성디스플레이 주식회사 | 박막트랜지스터 기판과 박막트랜지스터 기판의 제조방법 |
| KR100711890B1 (ko) | 2005-07-28 | 2007-04-25 | 삼성에스디아이 주식회사 | 유기 발광표시장치 및 그의 제조방법 |
| JP2007059128A (ja) | 2005-08-23 | 2007-03-08 | Canon Inc | 有機el表示装置およびその製造方法 |
| KR100796592B1 (ko) | 2005-08-26 | 2008-01-21 | 삼성에스디아이 주식회사 | 박막트랜지스터 및 그 제조 방법 |
| JP4280736B2 (ja) | 2005-09-06 | 2009-06-17 | キヤノン株式会社 | 半導体素子 |
| JP2007073705A (ja) | 2005-09-06 | 2007-03-22 | Canon Inc | 酸化物半導体チャネル薄膜トランジスタおよびその製造方法 |
| JP5116225B2 (ja) | 2005-09-06 | 2013-01-09 | キヤノン株式会社 | 酸化物半導体デバイスの製造方法 |
| JP4850457B2 (ja) | 2005-09-06 | 2012-01-11 | キヤノン株式会社 | 薄膜トランジスタ及び薄膜ダイオード |
| EP1998374A3 (en) | 2005-09-29 | 2012-01-18 | Semiconductor Energy Laboratory Co, Ltd. | Semiconductor device having oxide semiconductor layer and manufacturing method thereof |
| JP5064747B2 (ja) | 2005-09-29 | 2012-10-31 | 株式会社半導体エネルギー研究所 | 半導体装置、電気泳動表示装置、表示モジュール、電子機器、及び半導体装置の作製方法 |
| JP5078246B2 (ja) | 2005-09-29 | 2012-11-21 | 株式会社半導体エネルギー研究所 | 半導体装置、及び半導体装置の作製方法 |
| US8149346B2 (en) | 2005-10-14 | 2012-04-03 | Semiconductor Energy Laboratory Co., Ltd. | Display device and manufacturing method thereof |
| JP5416881B2 (ja) | 2005-10-18 | 2014-02-12 | 株式会社半導体エネルギー研究所 | 半導体装置の作製方法 |
| JP5037808B2 (ja) | 2005-10-20 | 2012-10-03 | キヤノン株式会社 | アモルファス酸化物を用いた電界効果型トランジスタ、及び該トランジスタを用いた表示装置 |
| KR101397571B1 (ko) | 2005-11-15 | 2014-05-22 | 가부시키가이샤 한도오따이 에네루기 켄큐쇼 | 반도체장치 및 그의 제조방법 |
| JP5395994B2 (ja) | 2005-11-18 | 2014-01-22 | 出光興産株式会社 | 半導体薄膜、及びその製造方法、並びに薄膜トランジスタ |
| JP5250929B2 (ja) * | 2005-11-30 | 2013-07-31 | 凸版印刷株式会社 | トランジスタおよびその製造方法 |
| JP5244295B2 (ja) * | 2005-12-21 | 2013-07-24 | 出光興産株式会社 | Tft基板及びtft基板の製造方法 |
| TWI292281B (en) | 2005-12-29 | 2008-01-01 | Ind Tech Res Inst | Pixel structure of active organic light emitting diode and method of fabricating the same |
| US7867636B2 (en) | 2006-01-11 | 2011-01-11 | Murata Manufacturing Co., Ltd. | Transparent conductive film and method for manufacturing the same |
| JP4977478B2 (ja) | 2006-01-21 | 2012-07-18 | 三星電子株式会社 | ZnOフィルム及びこれを用いたTFTの製造方法 |
| US7576394B2 (en) | 2006-02-02 | 2009-08-18 | Kochi Industrial Promotion Center | Thin film transistor including low resistance conductive thin films and manufacturing method thereof |
| US7977169B2 (en) | 2006-02-15 | 2011-07-12 | Kochi Industrial Promotion Center | Semiconductor device including active layer made of zinc oxide with controlled orientations and manufacturing method thereof |
| JP2007250982A (ja) | 2006-03-17 | 2007-09-27 | Canon Inc | 酸化物半導体を用いた薄膜トランジスタ及び表示装置 |
| JP5110803B2 (ja) | 2006-03-17 | 2012-12-26 | キヤノン株式会社 | 酸化物膜をチャネルに用いた電界効果型トランジスタ及びその製造方法 |
| JP5084160B2 (ja) | 2006-03-20 | 2012-11-28 | キヤノン株式会社 | 薄膜トランジスタ及び表示装置 |
| KR20070101595A (ko) | 2006-04-11 | 2007-10-17 | 삼성전자주식회사 | ZnO TFT |
| KR101206033B1 (ko) * | 2006-04-18 | 2012-11-28 | 삼성전자주식회사 | ZnO 반도체 박막의 제조방법 및 이를 이용한박막트랜지스터 및 그 제조방법 |
| US20070252928A1 (en) | 2006-04-28 | 2007-11-01 | Toppan Printing Co., Ltd. | Structure, transmission type liquid crystal display, reflection type display and manufacturing method thereof |
| JP5312728B2 (ja) | 2006-04-28 | 2013-10-09 | 凸版印刷株式会社 | 表示装置およびその製造方法 |
| JP5028033B2 (ja) | 2006-06-13 | 2012-09-19 | キヤノン株式会社 | 酸化物半導体膜のドライエッチング方法 |
| US7906415B2 (en) * | 2006-07-28 | 2011-03-15 | Xerox Corporation | Device having zinc oxide semiconductor and indium/zinc electrode |
| JP4999400B2 (ja) | 2006-08-09 | 2012-08-15 | キヤノン株式会社 | 酸化物半導体膜のドライエッチング方法 |
| JP4609797B2 (ja) | 2006-08-09 | 2011-01-12 | Nec液晶テクノロジー株式会社 | 薄膜デバイス及びその製造方法 |
| KR101257927B1 (ko) | 2006-08-18 | 2013-04-24 | 엘지디스플레이 주식회사 | 박막 트랜지스터 및 그 제조방법 |
| JP5127183B2 (ja) | 2006-08-23 | 2013-01-23 | キヤノン株式会社 | アモルファス酸化物半導体膜を用いた薄膜トランジスタの製造方法 |
| JP5128792B2 (ja) * | 2006-08-31 | 2013-01-23 | 財団法人高知県産業振興センター | 薄膜トランジスタの製法 |
| JP4332545B2 (ja) | 2006-09-15 | 2009-09-16 | キヤノン株式会社 | 電界効果型トランジスタ及びその製造方法 |
| JP4274219B2 (ja) | 2006-09-27 | 2009-06-03 | セイコーエプソン株式会社 | 電子デバイス、有機エレクトロルミネッセンス装置、有機薄膜半導体装置 |
| JP5164357B2 (ja) | 2006-09-27 | 2013-03-21 | キヤノン株式会社 | 半導体装置及び半導体装置の製造方法 |
| US7622371B2 (en) | 2006-10-10 | 2009-11-24 | Hewlett-Packard Development Company, L.P. | Fused nanocrystal thin film semiconductor and method |
| US7501305B2 (en) | 2006-10-23 | 2009-03-10 | Canon Kabushiki Kaisha | Method for forming deposited film and photovoltaic element |
| JP5227563B2 (ja) | 2006-10-26 | 2013-07-03 | 株式会社半導体エネルギー研究所 | 半導体装置の作製方法 |
| JP5116290B2 (ja) * | 2006-11-21 | 2013-01-09 | キヤノン株式会社 | 薄膜トランジスタの製造方法 |
| US7772021B2 (en) | 2006-11-29 | 2010-08-10 | Samsung Electronics Co., Ltd. | Flat panel displays comprising a thin-film transistor having a semiconductive oxide in its channel and methods of fabricating the same for use in flat panel displays |
| JP2008140684A (ja) | 2006-12-04 | 2008-06-19 | Toppan Printing Co Ltd | カラーelディスプレイおよびその製造方法 |
| US8143115B2 (en) | 2006-12-05 | 2012-03-27 | Canon Kabushiki Kaisha | Method for manufacturing thin film transistor using oxide semiconductor and display apparatus |
| WO2008069255A1 (en) | 2006-12-05 | 2008-06-12 | Canon Kabushiki Kaisha | Method for manufacturing thin film transistor using oxide semiconductor and display apparatus |
| JP5305630B2 (ja) | 2006-12-05 | 2013-10-02 | キヤノン株式会社 | ボトムゲート型薄膜トランジスタの製造方法及び表示装置の製造方法 |
| KR101363555B1 (ko) | 2006-12-14 | 2014-02-19 | 삼성디스플레이 주식회사 | 박막 트랜지스터 기판 및 그 제조 방법 |
| KR101303578B1 (ko) | 2007-01-05 | 2013-09-09 | 삼성전자주식회사 | 박막 식각 방법 |
| US8207063B2 (en) | 2007-01-26 | 2012-06-26 | Eastman Kodak Company | Process for atomic layer deposition |
| KR101410926B1 (ko) | 2007-02-16 | 2014-06-24 | 삼성전자주식회사 | 박막 트랜지스터 및 그 제조방법 |
| KR100858088B1 (ko) | 2007-02-28 | 2008-09-10 | 삼성전자주식회사 | 박막 트랜지스터 및 그 제조 방법 |
| KR100851215B1 (ko) | 2007-03-14 | 2008-08-07 | 삼성에스디아이 주식회사 | 박막 트랜지스터 및 이를 이용한 유기 전계 발광표시장치 |
| JP5244331B2 (ja) | 2007-03-26 | 2013-07-24 | 出光興産株式会社 | 非晶質酸化物半導体薄膜、その製造方法、薄膜トランジスタの製造方法、電界効果型トランジスタ、発光装置、表示装置及びスパッタリングターゲット |
| JP2008276212A (ja) | 2007-04-05 | 2008-11-13 | Fujifilm Corp | 有機電界発光表示装置 |
| US7795613B2 (en) | 2007-04-17 | 2010-09-14 | Toppan Printing Co., Ltd. | Structure with transistor |
| KR101325053B1 (ko) | 2007-04-18 | 2013-11-05 | 삼성디스플레이 주식회사 | 박막 트랜지스터 기판 및 이의 제조 방법 |
| KR20080094300A (ko) | 2007-04-19 | 2008-10-23 | 삼성전자주식회사 | 박막 트랜지스터 및 그 제조 방법과 박막 트랜지스터를포함하는 평판 디스플레이 |
| KR101334181B1 (ko) | 2007-04-20 | 2013-11-28 | 삼성전자주식회사 | 선택적으로 결정화된 채널층을 갖는 박막 트랜지스터 및 그제조 방법 |
| US8274078B2 (en) | 2007-04-25 | 2012-09-25 | Canon Kabushiki Kaisha | Metal oxynitride semiconductor containing zinc |
| JP4340982B2 (ja) | 2007-05-18 | 2009-10-07 | ソニー株式会社 | 表示装置の製造方法 |
| JP5245287B2 (ja) | 2007-05-18 | 2013-07-24 | ソニー株式会社 | 半導体装置の製造方法、薄膜トランジスタ基板の製造方法および表示装置の製造方法 |
| KR101345376B1 (ko) | 2007-05-29 | 2013-12-24 | 삼성전자주식회사 | ZnO 계 박막 트랜지스터 및 그 제조방법 |
| US7682882B2 (en) * | 2007-06-20 | 2010-03-23 | Samsung Electronics Co., Ltd. | Method of manufacturing ZnO-based thin film transistor |
| JP5567770B2 (ja) | 2007-09-21 | 2014-08-06 | 株式会社ジャパンディスプレイ | 表示装置及び表示装置の製造方法 |
| KR101270174B1 (ko) * | 2007-12-03 | 2013-05-31 | 삼성전자주식회사 | 산화물 반도체 박막 트랜지스터의 제조방법 |
| JP5215158B2 (ja) | 2007-12-17 | 2013-06-19 | 富士フイルム株式会社 | 無機結晶性配向膜及びその製造方法、半導体デバイス |
| US7781274B2 (en) | 2008-03-27 | 2010-08-24 | Kabushiki Kaisha Toshiba | Multi-gate field effect transistor and method for manufacturing the same |
| US20090278120A1 (en) | 2008-05-09 | 2009-11-12 | Korea Institute Of Science And Technology | Thin Film Transistor |
| JP5305730B2 (ja) | 2008-05-12 | 2013-10-02 | キヤノン株式会社 | 半導体素子の製造方法ならびにその製造装置 |
| KR100982311B1 (ko) | 2008-05-26 | 2010-09-15 | 삼성모바일디스플레이주식회사 | 박막트랜지스터, 그의 제조방법 및 이를 포함하는유기전계발광표시장치 |
| KR101468591B1 (ko) | 2008-05-29 | 2014-12-04 | 삼성전자주식회사 | 산화물 반도체 및 이를 포함하는 박막 트랜지스터 |
| US7732265B2 (en) | 2008-06-03 | 2010-06-08 | Toppan Printing Co., Ltd. | Thin film transistor, method for manufacturing the same and film formation apparatus |
| TWI875442B (zh) | 2008-07-31 | 2025-03-01 | 日商半導體能源研究所股份有限公司 | 半導體裝置及半導體裝置的製造方法 |
| TWI500159B (zh) | 2008-07-31 | 2015-09-11 | Semiconductor Energy Lab | 半導體裝置和其製造方法 |
| US9666719B2 (en) | 2008-07-31 | 2017-05-30 | Semiconductor Energy Laboratory Co., Ltd. | Semiconductor device and manufacturing method thereof |
| TWI495108B (zh) | 2008-07-31 | 2015-08-01 | 半導體能源研究所股份有限公司 | 半導體裝置的製造方法 |
| TWI518800B (zh) | 2008-08-08 | 2016-01-21 | 半導體能源研究所股份有限公司 | 半導體裝置的製造方法 |
| US8129718B2 (en) | 2008-08-28 | 2012-03-06 | Canon Kabushiki Kaisha | Amorphous oxide semiconductor and thin film transistor using the same |
| KR101489652B1 (ko) * | 2008-09-02 | 2015-02-06 | 삼성디스플레이 주식회사 | 박막 트랜지스터 기판 및 이의 제조 방법 |
| JP4623179B2 (ja) | 2008-09-18 | 2011-02-02 | ソニー株式会社 | 薄膜トランジスタおよびその製造方法 |
| JP5451280B2 (ja) | 2008-10-09 | 2014-03-26 | キヤノン株式会社 | ウルツ鉱型結晶成長用基板およびその製造方法ならびに半導体装置 |
| US9105728B2 (en) | 2012-07-24 | 2015-08-11 | Qualcomm Mems Technologies, Inc. | Multi-gate thin-film transistor |
-
2009
- 2009-07-29 US US12/511,273 patent/US8945981B2/en active Active
- 2009-07-29 JP JP2009176531A patent/JP2010056541A/ja not_active Withdrawn
- 2009-07-31 KR KR1020090070412A patent/KR101606014B1/ko active Active
-
2012
- 2012-01-18 KR KR1020120005676A patent/KR101349624B1/ko active Active
-
2014
- 2014-07-04 JP JP2014138587A patent/JP5857093B2/ja active Active
- 2014-12-11 US US14/567,309 patent/US10326025B2/en active Active
-
2015
- 2015-12-14 JP JP2015242846A patent/JP5917762B1/ja active Active
- 2015-12-14 JP JP2015242845A patent/JP5938136B2/ja active Active
-
2016
- 2016-03-15 KR KR1020160030708A patent/KR101785924B1/ko active Active
- 2016-05-11 JP JP2016095226A patent/JP6225216B2/ja active Active
-
2017
- 2017-09-29 KR KR1020170127840A patent/KR101842871B1/ko active Active
- 2017-10-06 JP JP2017195776A patent/JP2018019096A/ja not_active Withdrawn
-
2018
- 2018-03-20 KR KR1020180031810A patent/KR101885062B1/ko active Active
- 2018-07-26 KR KR1020180086938A patent/KR101939044B1/ko active Active
-
2019
- 2019-09-03 JP JP2019160617A patent/JP2020038970A/ja not_active Withdrawn
-
2021
- 2021-06-18 JP JP2021101422A patent/JP7065233B2/ja active Active
-
2022
- 2022-04-25 JP JP2022071305A patent/JP2022109274A/ja not_active Withdrawn
-
2023
- 2023-01-19 JP JP2023006532A patent/JP2023052516A/ja not_active Withdrawn
-
2024
- 2024-06-21 JP JP2024100437A patent/JP2024129053A/ja active Pending
Also Published As
| Publication number | Publication date |
|---|---|
| KR101885062B1 (ko) | 2018-08-07 |
| JP2018019096A (ja) | 2018-02-01 |
| JP7065233B2 (ja) | 2022-05-11 |
| KR101349624B1 (ko) | 2014-01-09 |
| KR20100014167A (ko) | 2010-02-10 |
| JP2010056541A (ja) | 2010-03-11 |
| KR20180031662A (ko) | 2018-03-28 |
| US8945981B2 (en) | 2015-02-03 |
| JP6225216B2 (ja) | 2017-11-01 |
| KR20170115997A (ko) | 2017-10-18 |
| KR101842871B1 (ko) | 2018-03-28 |
| KR20160036022A (ko) | 2016-04-01 |
| KR101606014B1 (ko) | 2016-03-24 |
| JP2016096348A (ja) | 2016-05-26 |
| KR20120096879A (ko) | 2012-08-31 |
| KR101785924B1 (ko) | 2017-10-16 |
| KR101939044B1 (ko) | 2019-01-16 |
| JP5917762B1 (ja) | 2016-05-18 |
| US20150091009A1 (en) | 2015-04-02 |
| KR20180089888A (ko) | 2018-08-09 |
| US20100025677A1 (en) | 2010-02-04 |
| JP2023052516A (ja) | 2023-04-11 |
| JP2020038970A (ja) | 2020-03-12 |
| US10326025B2 (en) | 2019-06-18 |
| JP2022109274A (ja) | 2022-07-27 |
| JP2024129053A (ja) | 2024-09-26 |
| JP2016096347A (ja) | 2016-05-26 |
| JP2016165009A (ja) | 2016-09-08 |
| JP5857093B2 (ja) | 2016-02-10 |
| JP2014222764A (ja) | 2014-11-27 |
| JP2021170646A (ja) | 2021-10-28 |
Similar Documents
| Publication | Publication Date | Title |
|---|---|---|
| JP7065233B2 (ja) | 半導体装置 | |
| JP7672475B2 (ja) | 表示装置 | |
| JP6423918B2 (ja) | 半導体装置 |
Legal Events
| Date | Code | Title | Description |
|---|---|---|---|
| A975 | Report on accelerated examination |
Free format text: JAPANESE INTERMEDIATE CODE: A971005 Effective date: 20160219 |
|
| A131 | Notification of reasons for refusal |
Free format text: JAPANESE INTERMEDIATE CODE: A131 Effective date: 20160315 |
|
| A521 | Request for written amendment filed |
Free format text: JAPANESE INTERMEDIATE CODE: A523 Effective date: 20160316 |
|
| TRDD | Decision of grant or rejection written | ||
| A01 | Written decision to grant a patent or to grant a registration (utility model) |
Free format text: JAPANESE INTERMEDIATE CODE: A01 Effective date: 20160510 |
|
| A61 | First payment of annual fees (during grant procedure) |
Free format text: JAPANESE INTERMEDIATE CODE: A61 Effective date: 20160513 |
|
| R150 | Certificate of patent or registration of utility model |
Ref document number: 5938136 Country of ref document: JP Free format text: JAPANESE INTERMEDIATE CODE: R150 |
|
| R250 | Receipt of annual fees |
Free format text: JAPANESE INTERMEDIATE CODE: R250 |
|
| R250 | Receipt of annual fees |
Free format text: JAPANESE INTERMEDIATE CODE: R250 |
|
| R250 | Receipt of annual fees |
Free format text: JAPANESE INTERMEDIATE CODE: R250 |
|
| R250 | Receipt of annual fees |
Free format text: JAPANESE INTERMEDIATE CODE: R250 |
|
| R250 | Receipt of annual fees |
Free format text: JAPANESE INTERMEDIATE CODE: R250 |
|
| R250 | Receipt of annual fees |
Free format text: JAPANESE INTERMEDIATE CODE: R250 |
|
| R250 | Receipt of annual fees |
Free format text: JAPANESE INTERMEDIATE CODE: R250 |