JP2010074839A - 給電回路 - Google Patents

給電回路 Download PDF

Info

Publication number
JP2010074839A
JP2010074839A JP2009249816A JP2009249816A JP2010074839A JP 2010074839 A JP2010074839 A JP 2010074839A JP 2009249816 A JP2009249816 A JP 2009249816A JP 2009249816 A JP2009249816 A JP 2009249816A JP 2010074839 A JP2010074839 A JP 2010074839A
Authority
JP
Japan
Prior art keywords
wireless
inductance elements
radiation plate
power supply
power feeding
Prior art date
Legal status (The legal status is an assumption and is not a legal conclusion. Google has not performed a legal analysis and makes no representation as to the accuracy of the status listed.)
Granted
Application number
JP2009249816A
Other languages
English (en)
Other versions
JP5056830B2 (ja
Inventor
Noboru Kato
登 加藤
Kosuke Yamada
浩輔 山田
Jun Sasaki
純 佐々木
Current Assignee (The listed assignees may be inaccurate. Google has not performed a legal analysis and makes no representation or warranty as to the accuracy of the list.)
Murata Manufacturing Co Ltd
Original Assignee
Murata Manufacturing Co Ltd
Priority date (The priority date is an assumption and is not a legal conclusion. Google has not performed a legal analysis and makes no representation as to the accuracy of the date listed.)
Filing date
Publication date
Application filed by Murata Manufacturing Co Ltd filed Critical Murata Manufacturing Co Ltd
Priority to JP2009249816A priority Critical patent/JP5056830B2/ja
Publication of JP2010074839A publication Critical patent/JP2010074839A/ja
Application granted granted Critical
Publication of JP5056830B2 publication Critical patent/JP5056830B2/ja
Active legal-status Critical Current
Anticipated expiration legal-status Critical

Links

Images

Classifications

    • HELECTRICITY
    • H01ELECTRIC ELEMENTS
    • H01QANTENNAS, i.e. RADIO AERIALS
    • H01Q1/00Details of, or arrangements associated with, antennas
    • H01Q1/12Supports; Mounting means
    • H01Q1/22Supports; Mounting means by structural association with other equipment or articles
    • H01Q1/2208Supports; Mounting means by structural association with other equipment or articles associated with components used in interrogation type services, i.e. in systems for information exchange between an interrogator/reader and a tag/transponder, e.g. in Radio Frequency Identification [RFID] systems
    • H01Q1/2225Supports; Mounting means by structural association with other equipment or articles associated with components used in interrogation type services, i.e. in systems for information exchange between an interrogator/reader and a tag/transponder, e.g. in Radio Frequency Identification [RFID] systems used in active tags, i.e. provided with its own power source or in passive tags, i.e. deriving power from RF signal
    • GPHYSICS
    • G06COMPUTING OR CALCULATING; COUNTING
    • G06KGRAPHICAL DATA READING; PRESENTATION OF DATA; RECORD CARRIERS; HANDLING RECORD CARRIERS
    • G06K19/00Record carriers for use with machines and with at least a part designed to carry digital markings
    • G06K19/06Record carriers for use with machines and with at least a part designed to carry digital markings characterised by the kind of the digital marking, e.g. shape, nature, code
    • G06K19/067Record carriers with conductive marks, printed circuits or semiconductor circuit elements, e.g. credit or identity cards also with resonating or responding marks without active components
    • G06K19/07Record carriers with conductive marks, printed circuits or semiconductor circuit elements, e.g. credit or identity cards also with resonating or responding marks without active components with integrated circuit chips
    • G06K19/077Constructional details, e.g. mounting of circuits in the carrier
    • GPHYSICS
    • G06COMPUTING OR CALCULATING; COUNTING
    • G06KGRAPHICAL DATA READING; PRESENTATION OF DATA; RECORD CARRIERS; HANDLING RECORD CARRIERS
    • G06K19/00Record carriers for use with machines and with at least a part designed to carry digital markings
    • G06K19/06Record carriers for use with machines and with at least a part designed to carry digital markings characterised by the kind of the digital marking, e.g. shape, nature, code
    • G06K19/067Record carriers with conductive marks, printed circuits or semiconductor circuit elements, e.g. credit or identity cards also with resonating or responding marks without active components
    • G06K19/07Record carriers with conductive marks, printed circuits or semiconductor circuit elements, e.g. credit or identity cards also with resonating or responding marks without active components with integrated circuit chips
    • G06K19/077Constructional details, e.g. mounting of circuits in the carrier
    • G06K19/07749Constructional details, e.g. mounting of circuits in the carrier the record carrier being capable of non-contact communication, e.g. constructional details of the antenna of a non-contact smart card
    • HELECTRICITY
    • H05ELECTRIC TECHNIQUES NOT OTHERWISE PROVIDED FOR
    • H05KPRINTED CIRCUITS; CASINGS OR CONSTRUCTIONAL DETAILS OF ELECTRIC APPARATUS; MANUFACTURE OF ASSEMBLAGES OF ELECTRICAL COMPONENTS
    • H05K1/00Printed circuits
    • H05K1/02Details
    • HELECTRICITY
    • H01ELECTRIC ELEMENTS
    • H01FMAGNETS; INDUCTANCES; TRANSFORMERS; SELECTION OF MATERIALS FOR THEIR MAGNETIC PROPERTIES
    • H01F17/00Fixed inductances of the signal type
    • H01F17/0006Printed inductances
    • H01F17/0013Printed inductances with stacked layers
    • H01F2017/002Details of via holes for interconnecting the layers

Landscapes

  • Engineering & Computer Science (AREA)
  • Microelectronics & Electronic Packaging (AREA)
  • Computer Hardware Design (AREA)
  • Physics & Mathematics (AREA)
  • General Physics & Mathematics (AREA)
  • Theoretical Computer Science (AREA)
  • Details Of Aerials (AREA)
  • Near-Field Transmission Systems (AREA)
  • Devices For Checking Fares Or Tickets At Control Points (AREA)
  • Credit Cards Or The Like (AREA)
  • Input Circuits Of Receivers And Coupling Of Receivers And Audio Equipment (AREA)
  • Coils Or Transformers For Communication (AREA)

Abstract

【課題】使用環境などからの影響を受けにくく、放射特性の変動を抑制することができ、広帯域での使用が可能な給電回路を得る。
【解決手段】給電端子42a,42bと放射板との間に配置され、放射板に送信信号を供給する、及び/又は放射板から受信信号を供給される給電回路。この給電回路は、インダクタンス素子L1,L2を含む共振回路及び/又は整合回路を有している。インダクタンス素子L1,L2は、それぞれ逆方向に巻かれた螺旋状に形成され、かつ、それぞれ直流的に導通するように接続されている。
【選択図】図1

Description

本発明は、給電回路、特に、RFID(Radio Frequency Identification)システムに用いられる無線ICデバイスに搭載される給電回路に関する。
従来、物品の管理システムとして、誘導電磁界を発生するリーダライタと物品に付された所定の情報を記憶した無線タグ(無線ICデバイスとも称する)とを非接触方式で通信し、情報を伝達するRFIDシステムが開発されている。この種のRFIDシステムに使用される無線タグとして、特許文献1には、フレキシブルな基板上にアンテナと整合回路を形成し、それらと電気的に導通するようにICチップを配置したものが提案されている。ここでは基板上にループ状のコイル(インダクタ)を形成して整合回路を構成している。
しかしながら、特許文献1に記載の無線タグでは、ICチップをアンテナとのインピーダンス整合を行う整合回路が、フレキシブル基板上に露出しており、無線タグを貼り付ける物品の誘電率や物品の周囲の状況により、ループ状コイルのインダクタンス値が変動し、整合回路の特性も変動するという不具合を有している。この変動によって、ICチップをアンテナとの間での信号の伝達に損失が生じ、アンテナの放射特性が低下するという問題点が発生する。また、無線タグの使用周波数はアンテナ長で決定され、アンテナを貼り付ける物品の誘電率などに応じてその都度アンテナを設計する必要があり、極めて煩雑であった。
特開2006−80367号公報
そこで、本発明の目的は、使用環境などからの影響を受けにくく、放射特性の変動を抑制することができ、広帯域での使用が可能な給電回路を提供することにある。
前記目的を達成するため、本発明の一形態である給電回路は、
複数の給電端子と放射板との間に配置され、前記放射板に送信信号を供給する及び/又は、前記放射板から受信信号を供給される給電回路であって、
少なくとも二つのインダクタンス素子を含み、
前記少なくとも二つのインダクタンス素子は、それぞれ逆方向に巻かれた螺旋状に形成され、かつ、それぞれ直流的に導通するように接続されていること、
を特徴とする。
前記給電回路においては、給電回路自身で信号の周波数を設定するため、本給電回路を搭載した無線ICデバイスを種々の物品に取り付けてもそのままで動作し、放射特性の変動が抑制され、個別の物品ごとに放射板などの設計変更をする必要がなくなる。特に、給電回路を構成する少なくとも二つのインダクタンス素子はそれぞれ逆方向に巻かれているため、インダクタンス素子で発生する磁界が相殺され、Q値が低くなるので共振特性の急峻性がなくなり、共振周波数付近で広帯域化することになる。また、磁界の方向が互いに逆方向を向くので、一方の磁界が上向きのとき、他方の磁界は下向きになる。これは、交流電流源のプラスとマイナスに相当し、磁界エネルギーを通して放射板にほぼ100%のエネルギー伝達を可能にする。
放射板から放射する送信信号の周波数及び給電端子に供給する受信信号の周波数は、給電回路の共振周波数に実質的に相当し、信号の最大利得は、給電回路のサイズ、形状、給電回路と放射板との距離及び媒質の少なくとも一つで実質的に決定される。給電回路において送受信信号の周波数が決まるため、放射板の形状やサイズ、配置関係などによらず、例えば、無線ICデバイスを丸めたり、誘電体で挟んだりしても、周波数特性が変化することがなく、安定した周波数特性が得られる。
本発明によれば、給電回路が搭載された無線ICデバイスが貼り付けられる物品などによって周波数や放射特性が影響を受けることを効果的に防止できる。しかも、給電回路を構成する少なくとも二つのインダクタンス素子をそれぞれ逆方向に巻かれた螺旋状に形成したため、発生する磁界が相殺され、共振周波数付近で広帯域化を図ることができる。
第1実施例である無線ICデバイスを構成する給電回路を示す等価回路図。 第1実施例である無線ICデバイスを構成する放射基板を示し、(A)は平面図、(B)は給電回路基板を貼着した状態を示す平面図。 第1実施例である無線ICデバイスを構成する給電回路基板上に無線ICチップを搭載した状態を示す斜視図。 第1実施例である無線ICデバイスの給電回路基板の積層構造を示す平面図。 第2実施例である無線ICデバイスの給電回路基板の積層構造を示す平面図。 第3実施例である無線ICデバイスの等価回路図。 第3実施例である無線ICデバイスの放射基板を示し、(A)は平面図、(B)は裏面図、(C)は裏面に設けた磁性体の平面図。 第3実施例である無線ICデバイスの給電回路基板の積層構造を示す平面図。 第4実施例である無線ICデバイスを示す斜視図。 第4実施例である無線ICデバイスの給電回路基板の積層構造を示す平面図。 第5実施例である無線ICデバイスの給電回路基板の積層構造を示す平面図。 第6実施例である無線ICデバイスの給電回路基板の積層構造を示す斜視図。 第7実施例である無線ICデバイスの給電回路基板の積層構造を示す斜視図。 第8実施例である無線ICデバイスの給電回路基板の積層構造を示す斜視図。 図14に示した給電回路基板の等価回路図。 第8実施例である無線ICデバイスの給電回路基板の他の積層構造を示す斜視図。 図16に示した給電回路基板の等価回路図。 第9実施例である無線ICデバイスを示す斜視図。 第9実施例である無線ICデバイスを金属缶に取り付けた状態を示す斜視図。 図19の部分拡大断面図。 第10実施例である無線ICデバイスを構成する給電回路を示す等価回路図。 第10実施例である無線ICデバイスの給電回路基板の作製工程を示す説明図。 図22に示した作製工程途中を示す裏面図。 第11実施例である無線ICデバイスを構成する給電回路を示す等価回路図。 第11実施例である無線ICデバイスの給電回路基板の作製工程を示す説明図。 図25に示した作製工程途中を示す裏面図。 (A)は第12実施例である無線ICデバイスの給電回路を示す等価回路図、(B)は第13実施例である無線ICデバイスの給電回路を示す等価回路図。 (A)は第14実施例である無線ICデバイスの給電回路を示す等価回路図、(B)は第15実施例である無線ICデバイスの給電回路を示す等価回路図。 第12実施例〜第15実施例である無線ICデバイスを示し、(A)は正面図、(B)は平面図、(C),(D)は裏面図である。 第12実施例〜第15実施例である無線ICデバイスの給電回路基板の積層構造を示す平面図。 第12実施例〜第15実施例である無線ICデバイスを示し、(A)は放射基板上に給電回路基板を搭載した状態の平面図、(B)は放射基板の第1例を示す平面図、(C)は放射基板の第2例を示す平面図、(D)は放射基板の裏面図。
以下に、本発明に係る給電回路の実施例について添付図面を参照して説明する。
(第1実施例、図1〜図4参照)
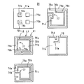
第1実施例である無線ICデバイスは、図3に示す、所定周波数の送受信信号を処理する無線ICチップ10と、この無線ICチップ10を搭載した給電回路基板20と、図2(A)又は図2(B)に示す放射基板30とで構成されている。
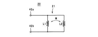
給電回路基板20は、図1に等価回路として示すように、互いに異なるインダクタンス値を有し、かつ、互いに逆相で磁気結合(相互インダクタンスMで示す)されているインダクタンス素子L1,L2を含む共振回路・整合回路を有する給電回路21(詳細は図4を参照して以下に説明する)を備えている。
無線ICチップ10は、クロック回路、ロジック回路、メモリ回路などを含み、必要な情報がメモリされており、裏面に図示しない一対の入出力端子電極及び一対の実装用端子電極が設けられている。図3に示すように、入出力端子電極は給電回路基板20上に形成した給電端子電極42a,42bに、実装用端子電極は実装電極43a,43bに金属バンプなどを介して電気的に接続されている。
放射基板30は、図2に示すように、フレキシブルな樹脂フィルム基板31上の周縁部に非磁性金属材料からなるループ状の放射板32が形成され、一方の端部32aと他方の端部32bに前記給電回路基板20が接着剤を介して貼着されている。端部32a,32bはそれぞれ給電回路21のインダクタンス素子L1,L2のいずれかと結合している。また、放射板32のループの内側には磁性体33が配置されている。なお、図2(B)は、放射基板30の放射板32上に、無線ICチップ10を搭載した給電回路基板20を貼着した状態を示している。
給電回路21に含まれるインダクタンス素子L1,L2は逆相で磁気結合して無線ICチップ10が処理する周波数に共振し、かつ、放射板32の端部32a,32bと電磁界結合している。また、給電回路21は無線ICチップ10のインピーダンス(通常50Ω)と放射板32のインピーダンス(空間のインピーダンス377Ω)とのマッチングを図っている。
従って、給電回路21は、無線ICチップ10から発信された所定の周波数を有する送信信号を放射板32に伝達し、かつ、放射板32で受信した信号から所定の周波数を有する受信信号を選択し、無線ICチップ10に供給する。それゆえ、この無線ICデバイスは、放射板32で受信した信号によって無線ICチップ10が動作され、該無線ICチップ10からの応答信号が放射板32から外部に放射される。
以上のごとく、本無線ICデバイスにあっては、給電回路基板20に設けた給電回路21で信号の周波数を設定するため、本無線ICデバイスを種々の物品に取り付けてもそのままで動作し、放射特性の変動が抑制され、個別の物品ごとに放射板32などの設計変更をする必要がなくなる。そして、放射板32から放射する送信信号の周波数及び無線ICチップ10に供給する受信信号の周波数は、給電回路基板20における給電回路21の共振周波数に実質的に相当し、信号の最大利得は、給電回路21のサイズ、形状、給電回路と放射板との距離及び媒質の少なくとも一つで実質的に決定される。給電回路基板20において送受信信号の周波数が決まるため、放射板32の形状やサイズ、配置関係などによらず、例えば、無線ICデバイスを丸めたり、誘電体で挟んだりしても、周波数特性が変化することがなく、安定した周波数特性が得られる。
ここで、給電回路基板20の構成について図4を参照して説明する。給電回路基板20は、誘電体あるいは磁性体からなるセラミックシート41a〜41hを積層、圧着、焼成したものである。最上層のシート41aには、給電端子電極42a,42b、実装電極43a,43b、ビアホール導体44a,44b,45a,45bが形成されている。2層目〜8層目のシート41b〜41hには、それぞれ、インダクタンス素子L1,L2を構成する配線電極46a,46bが形成され、必要に応じてビアホール導体47a,47b,48a,48bが形成されている。
以上のシート41a〜41hを積層することにより、配線電極46aがビアホール導体47aにて螺旋状に接続されたインダクタンス素子L1が形成され、配線電極46bがビアホール導体47bにて螺旋状に接続されたインダクタンス素子L2が形成される。また、配線電極46a,46bの線間にキャパシタンスが形成される。
シート41b上の配線電極46aの端部46a−1はビアホール導体45aを介して給電端子電極42aに接続され、シート41h上の配線電極46aの端部46a−2はビアホール導体48a,45bを介して給電端子電極42bに接続される。シート41b上の配線電極46bの端部46b−1はビアホール導体44bを介して給電端子電極42bに接続され、シート41h上の配線電極46bの端部46b−2はビアホール導体48b,44aを介して給電端子電極42aに接続される。
以上の給電回路21において、インダクタンス素子L1,L2は互いに略平行な巻回軸上にそれぞれ逆方向に巻かれているため、インダクタンス素子L1,L2で発生する磁界が相殺される。磁界が相殺されるため、所望のインダクタンス値を得るためには配線電極46a,46bをある程度長くする必要がある。これにてQ値が低くなるので共振特性の急峻性がなくなり、共振周波数付近で広帯域化することになる。
インダクタンス素子L1,L2は、給電回路基板20を平面透視したときに、左右の異なる位置に形成されている。また、インダクタンス素子L1,L2で発生する磁界はそれぞれ逆向きになる。これにて、給電回路21をループ状の放射板32の端部32a,32bに結合させたとき、端部32a,32bには逆向きの電流が励起され、ループ状の放射板32で信号を送受信することができる。なお、インダクタンス素子L1,L2をそれぞれ二つの異なる放射板に結合させてもよい。
放射板32は一方の端部32aと他方の端部32bを有するループ状電極で構成され、各端部32a,32bはそれぞれ異なるインダクタンス素子L1,L2と結合している。そして、ループ状電極のループの内側に例えばフェライトからなる磁性体33が配置されている。この磁性体33にてループ状電極からなる放射板32で発生する磁界が増幅され、通信距離が長くなる。なお、磁性体33は必ずしも必要ではなく、省略してもよい。
給電回路基板20を磁性体材料から形成し、磁性体内にインダクタンス素子L1,L2を形成することにより、大きなインダクタンス値を得ることができ、13.56MHz帯の周波数にも対応することができる。しかも、磁性体シートの加工ばらつきや透磁率のばらつきが生じても、無線ICチップ10とのインピーダンスのばらつきを吸収できる。磁性体の透磁率μは400程度が好ましい。
また、二つのインダクタンス素子L1,L2のインダクタンス値を実質的に同じ値に設定することで、各インダクタンス素子L1,L2で発生する磁界の大きさを等しくすることができる。これにより、二つのインダクタンス素子L1,L2での磁界の相殺量を同じにすることができ、共振周波数付近での広帯域化が可能になる。
なお、給電回路基板20は、セラミック又は樹脂からなる多層基板であってもよく、あるいは、ポリイミドや液晶ポリマなどの誘電体からなるフレキシブルなシートを積層した基板であってもよい。特に、インダクタンス素子L1,L2が給電回路基板20に内蔵されることで、給電回路21が基板外部の影響を受けにくくなり、放射特性の変動を抑制できる。
また、給電回路基板20は放射板32の端部32a,32b上に貼着されている必要はなく、端部32a,32bに近接して配置されていてもよい。
(第2実施例、図5参照)
第2実施例である無線ICデバイスは、基本的には前記第1実施例と同様の構成を備え、図5に示すように、給電回路基板20の最下層に設けたシート41iの裏面に、給電回路基板20を平面透視したときに、インダクタンス素子L1,L2の外形と同じ又は小さい平面電極49a,49bを設けた点が第1実施例と異なっている。
そして、インダクタンス素子L1,L2を形成する配線電極46a,46bの端部46a−2,46b−2にはそれぞれビアホール導体が配置され、このビアホール導体は給電端子電極42a,42bと接続されていることは勿論、シート41iに形成したビアホール導体48c,48dを介して平面電極49a,49bと接続されている。このような平面電極49a,49bを設けることで給電回路21と放射板32との結合のばらつきを抑えることができる。
なお、平面電極49a,49bは配線電極46a,46bと電気的に接続されていなくてもよく、あるいは、放射板32と電気的に接続されていてもよい。
(第3実施例、図6〜図8参照)
第3実施例である無線ICデバイスは、図7(A)に示すように、無線ICチップ10を搭載した給電回路基板20を放射基板50の表面に形成した電極53の端部53b上及び電極54上に接着剤を介して貼着したものである。無線ICチップ10は第1実施例と同じ構成を有している。
放射基板50は、図7(A)に示すように、フレキシブルな樹脂フィルム基板51の表面に放射板52として機能するスパイラル状の電極53及び電極54を形成し、図7(B)に示すように、裏面に放射板52として機能するスパイラル状の電極55を設けたものである。
電極53の端部53aと電極55の端部55aとはビアホール導体56aにて電気的に接続され、電極55の端部55bと電極54とはビアホール導体56bにて電気的に接続されている。また、基板50の裏面には、例えばフェライトからなる磁性体57が電極55の外形の内側であって電極55上に形成されている。なお、磁性体57は磁性金属材料から形成してもよく、この場合は電極55とは電気的に絶縁する必要がある。
給電回路基板20は、図6に等価回路として示すように、互いに異なるインダクタンス値を有するインダクタンス素子L1,L2とインダクタンス素子L3,L4はそれぞれ同相で磁気結合し(相互インダクタンスM1)、インダクタンス素子L1,L2とインダクタンス素子L3,L4は互いに逆相で磁気結合している(相互インダクタンスM2で示す)。インダクタンス素子L1,L2,L3,L4を含む共振回路・整合回路を有する給電回路21は、以下に図8を参照して説明する。
給電回路21に含まれるインダクタンス素子L1,L2とインダクタンス素子L3,L4は、互いに逆相で磁気結合して無線ICチップ10が処理する周波数に共振し、かつ、ループ状をなす放射板52の電極端部53bと電極54と電磁界結合している。また、給電回路21の給電端子電極62a,62bは無線ICチップ10の入出力端子電極(図示せず)と電気的に接続され、無線ICチップ10のインピーダンス(通常50Ω)と放射板52のインピーダンス(空間のインピーダンス377Ω)とのマッチングを図っている。
本第3実施例では、ループ状の放射板52の電極54にプラス極性の信号が加わった場合、電極端部53bにはマイナス極性の信号が加わる。これにより、プラス(電極54)からマイナス(電極端部53b)方向に電流が流れ、放射板52と給電回路21とで信号の伝達が行われる。
従って、給電回路21は、前記第1実施例と同様に、無線ICチップ10から発信された所定の周波数を有する送信信号を放射板52に伝達し、かつ、放射板52で受信した信号から所定の周波数を有する受信信号を選択し、無線ICチップ10に供給する。それゆえ、この無線ICデバイスは、放射板52で受信した信号によって無線ICチップ10が動作され、該無線ICチップ10からの応答信号が放射板52から外部に放射される。このように、本第3実施例の作用効果は前記第1実施例と基本的に同様である。
ここで、給電回路基板20の構成について図8を参照して説明する。給電回路基板20は、誘電体あるいは磁性体からなるセラミックシート61a〜61hを積層、圧着、焼成したものである。最上層のシート61aには、給電端子電極62a,62b、実装電極63a,63b、ビアホール導体64a,64b,65a,65bが形成されている。2層目〜8層目のシート61b〜61hには、それぞれ、インダクタンス素子L1,L2,L3,L4を構成する配線電極66a,66b,66c,66dが形成され、必要に応じてビアホール導体67a,67b,67c,67d,68a,68bが形成されている。
以上のシート61a〜61hを積層することにより、配線電極66aがビアホール導体67aにて螺旋状に接続されたインダクタンス素子L1が形成され、配線電極66bがビアホール導体67bにて螺旋状に接続されたインダクタンス素子L2が形成される。さらに、配線電極66cがビアホール導体67cにて螺旋状に接続されたインダクタンス素子L3が形成され、配線電極66dがビアホール導体67dにて螺旋状に接続されたインダクタンス素子L4が形成される。また、配線電極66a,66b,66c,66dの線間にキャパシタンスが形成される。
シート61b上の配線電極66a,66bが一体化された端部66−1はビアホール導体65aを介して給電端子電極62aに接続され、シート41h上の配線電極66a,66bが一体化された端部66−2はビアホール導体68a,65bを介して給電端子電極62bに接続される。シート61b上の配線電極66c,66dが一体化された端部66−3はビアホール導体64bを介して給電端子電極62bに接続され、シート61h上の配線電極66c,66dが一体化された66−4はビアホール導体68b,64aを介して給電端子電極62aに接続される。
以上の構成からなる給電回路21の作用は、基本的には前記第1実施例で説明した給電回路21と同様である。特に、インダクタンス素子L1,L2とL3,L4はそれぞれ同一平面上で隣接する二つの配線電極66a,66bと66c,66dとで形成されているため、配線電極の長さや電極間隔を変化させることにより、共振特性を広帯域化できる。
また、放射板52は一方の端部電極53aと他方の端部電極54を有するループ状電極で構成され、各端部電極53a,54はそれぞれ異なるインダクタンス素子L1,L2とL3,L4と結合している。そして、ループ状電極のループの外形より内側に磁性体57が配置されているため、ループ状電極からなる放射板52で発生する磁界が増幅され、通信距離が長くなる。なお、磁性体57は必ずしも必要ではなく、省略してもよい。
(第4実施例、図9及び図10参照)
第4実施例である無線ICデバイスは、図9に示すように、無線ICチップ10と、給電回路基板20と、放射板132を形成した放射基板130とから構成されている。
無線ICチップ10は前記第1実施例と同様の構成を備えている。給電回路基板20は、二つのインダクタンス素子L1,L2を内蔵したもので、表面に設けた給電端子電極72a,72bと実装電極73a,73bとが無線ICチップ10の入出力端子電極と実装用端子電極(ともに図示せず)に電気的に接続されている。
放射基板130は、セラミックからなる基板131の表面の半分の領域に放射板132を螺旋状に形成するとともに、残りの半分の領域に補助電極133を螺旋状に形成したものである。放射板132上には無線ICチップ10を搭載した給電回路基板20が接着剤を介して貼着される。また、補助電極133は中央部に位置する端部133aがビアホール導体134を介して基板131の裏面に形成した電極135と接続され、該電極135の端部135aは放射板132の中央部に位置する端部132aと容量により結合している。なお、電極135は基板131の内部に形成されていてもよい。
給電回路基板20は、図10に示すように、誘電体あるいは磁性体からなるセラミックシート71a〜71eを積層、圧着、焼成したものである。最上層のシート71aには、給電端子電極72a,72b、実装電極73a,73b、ビアホール導体74a,74bが形成されている。2層目〜4層目のシート71b〜71dには、それぞれ、インダクタンス素子L1,L2を構成する配線電極75a,75b、ビアホール導体76a,76b,77が形成されている。最下層のシート71eには、配線電極75が形成されている。配線電極75a,75は各シート71b〜71eの周縁部に露出した状態で形成されている。
以上のシート71a〜71eを積層することにより、配線電極75aがビアホール導体76aにて螺旋状に接続されたインダクタンス素子L1が形成され、配線電極75bがビアホール導体76bにて螺旋状に接続されたインダクタンス素子L2が形成される。配線電極75a,75bはシート71b上で分岐し、かつ、最下層のシート71e上の配線電極75で一体化されている。また、配線電極75a,75bの線間にキャパシタンスが形成される。
シート71b上の配線電極75a,75bが一体化された端部75cはビアホール導体74bを介して給電端子電極72bに接続され、シート71e上の配線電極75の端部75dは1層上のシート71dのビアホール導体76a,76bを介して配線電極75a,75bと接続されており、かつ、配線電極75の端部75eはビアホール導体77,74aを介して給電端子電極72aに接続されている。
以上の構成からなるインダクタンス素子L1,L2を含む給電回路21は図1に示した給電回路21と同様の等価回路であり、インダクタンス素子L1,L2は逆相で磁気結合して無線ICチップ10が処理する周波数に共振し、かつ、放射板132と電磁界結合している。また、給電回路21は無線ICチップ10のインピーダンス(通常50Ω)と放射板132のインピーダンス(空間のインピーダンス377Ω)とのマッチングを図っている。
従って、本第4実施例の作用効果は前記第1実施例と同様である。特に、第4実施例では、インダクタンス素子L1,L2の一部(配線電極75a,75)が給電回路基板20の側面に露出されているため、該露出部分が放射板としても機能する。また、露出したインダクタンス素子L1,L2の一部が給電回路基板20の側面で放射板132及び補助電極133と電磁界結合するので放射特性が向上する。補助電極133の外形寸法は給電回路基板20の外形寸法と同じか又はそれ以上の大きさであり、給電回路基板20の裏面及び側面から放射される磁界と結合しやすくなっている。
(第5実施例、図11参照)
第5実施例である無線ICデバイスは、図11に示す給電回路基板20を備えたもので、他の構成部品である無線ICチップ10及び放射基板30は前記第1実施例に示したものと同様である。
給電回路基板20は、誘電体あるいは磁性体からなるセラミックシート81a〜81eを積層、圧着、焼成したものである。最上層のシート81aには、給電端子電極82a,82b、実装電極83a,83b、ビアホール導体84a,84bが形成されている。2層目のシート81bには、配線電極85、ビアホール導体86a,86b,87a,87bが形成されている。3層目のシート81cには、インダクタンス素子L1,L2を構成する配線電極85a,85b、ビアホール導体86a,86b,87a,87bが形成されている。4層目のシート81dには、インダクタンス素子L1,L2を構成する配線電極85a,85bが形成されている。最下層のシート81eの裏面には、平面電極88a,88bが形成されている。
以上のシート81a〜81eを積層することにより、配線電極85aがビアホール導体86aにて螺旋状に接続されたインダクタンス素子L1が形成され、配線電極85bがビアホール導体86bにて螺旋状に接続されたインダクタンス素子L2が形成される。また、配線電極85a,85bの線間にキャパシタンスが形成される。
配線電極85a,85bはシート81b上で配線電極85にて一体化され、シート81d上の配線電極85aの端部85a'はビアホール導体87a,84aを介して給電端子電極82aに接続され、配線電極85bの端部85b'はビアホール導体87b,84bを介して給電端子電極82bに接続されている。
以上の構成からなるインダクタンス素子L1,L2を含む給電回路21は図1に示した給電回路21と同様の等価回路であり、インダクタンス素子L1,L2は逆相で磁気結合して無線ICチップ10が処理する周波数に共振し、かつ、放射板32と電磁界結合している。また、給電回路21は無線ICチップ10のインピーダンス(通常50Ω)と放射板32のインピーダンス(空間のインピーダンス377Ω)とのマッチングを図っている。
従って、本第5実施例の作用効果は前記第1実施例と同様である。特に、給電回路基板20の裏面に平面電極88a,88bを設けることによって給電回路21と放射板32との結合のばらつきを抑えることができる。なお、平面電極88a,88bは必ずしも必要なものではない。
(第6実施例、図12参照)
第6実施例である無線ICデバイスは、図12に示す給電回路基板20を備えたもので、他の構成部品である無線ICチップ10及び放射基板30は前記第1実施例に示したものと同様である。
また、給電回路基板20の構成は、前記第1実施例に示した給電回路基板20と基本的に同じであり、螺旋状に接続された配線電極101a,101bにてインダクタンス素子L1,L2が形成されている。このインダクタンス素子L1,L2は互いに異なるインダクタンス値を有し、かつ、互いに逆相で磁気結合されている。
さらに、インダクタンス素子L1,L2の直下には平面電極102a,102bが配置され、螺旋状に接続された配線電極103にて磁界受け用コイル104が形成されている。磁界受け用コイル104は、平面電極102a,102bに対して直列に接続され、給電回路21と放射板32(図2参照)とを結合する補助的な放射機能を有している。
本第6実施例におけるインダクタンス素子L1,L2を含む給電回路21は図1に示した給電回路21と同様の等価回路であり、インダクタンス素子L1,L2は逆相で磁気結合して無線ICチップ10が処理する周波数に共振し、かつ、放射板32と電磁界結合している。また、給電回路21は無線ICチップ10のインピーダンス(通常50Ω)と放射板32のインピーダンス(空間のインピーダンス377Ω)とのマッチングを図っている。従って、本第6実施例の作用効果は前記第1実施例と同様である。
(第7実施例、図13参照)
第7実施例である無線ICデバイスは、図13に示す給電回路基板20を備えたもので、他の構成部品である無線ICチップ10及び放射基板30は前記第1実施例に示したものと同様である。
給電回路基板20は、互いに隣接して螺旋状に接続された配線電極111a,111bにてインダクタンス素子L1,L2が形成されている。このインダクタンス素子L1,L2は互いに異なるインダクタンス値を有し、かつ、互いに逆相で磁気結合されている。
さらに、インダクタンス素子L1,L2の直下には平面電極112a,112bが配置され、螺旋状に接続された配線電極113にて磁界受け用コイル114が形成されている。磁界受け用コイル114は、平面電極112a,112bに対して直列に接続され、給電回路21と放射板32(図2参照)とを結合する補助的な放射機能を有している。
本第7実施例におけるインダクタンス素子L1,L2を含む給電回路21は図1に示した給電回路21と同様の等価回路であり、インダクタンス素子L1,L2は逆相で磁気結合して無線ICチップ10が処理する周波数に共振し、かつ、放射板32と電磁界結合している。また、給電回路21は無線ICチップ10のインピーダンス(通常50Ω)と放射板32のインピーダンス(空間のインピーダンス377Ω)とのマッチングを図っている。従って、本第7実施例の作用効果は前記第1実施例と同様である。
特に、第7実施例では、インダクタンス素子L1,L2がそれぞれ同一平面上で隣接する二つの配線電極111a,111bで形成されているため、配線電極111a,111bの長さや電極間隔を変化させることにより、共振特性を広帯域化できる。
(第8実施例、図14〜図17参照)
第8実施例である無線ICデバイスは、図14に示す給電回路基板20を備えたもので、この給電回路21は前記第5実施例(図11参照)と基本的に同じである。即ち、シート121a上には給電端子電極122a,122b、実装電極123a,123bが形成され、シート121b〜121g上には配線電極125a,125bが形成されている。さらに、シート121h上には平面電極128a,128bが形成されている。
インダクタンス素子L1,L2は配線電極125a,125bをそれぞれ螺旋状に接続することにより形成され、シート121b上の配線電極125にて一体化されている。シート121g上の配線電極125aの端部125a'が給電端子電極122aに接続され、シート121g上の配線電極125bの端部125b'が給電端子電極122bに接続されている。
以上の構成からなるインダクタンス素子L1,L2を含む給電回路21は図15に示す等価回路であり、無線ICチップ10に対して直列に接続されたインダクタンス素子L1,L2は逆相で磁気結合して無線ICチップ10が処理する周波数に共振し、かつ、放射板52(放射板32であってもよい)と電磁界結合している。また、給電回路21は無線ICチップ10のインピーダンス(通常50Ω)と放射板32,52のインピーダンス(空間のインピーダンス377Ω)とのマッチングを図っている。
従って、本第8実施例の作用効果は前記第1実施例と同様である。特に、給電回路基板20の裏面に平面電極128a,128bを設けることによって給電回路21と放射板32,52との結合のばらつきを抑えることができる。なお、平面電極128a,128bは必ずしも必要なものではない。
さらに、第8実施例においては、インダクタンス素子L1,L2の端部が給電端子電極122a,122bに接続される位置を変更し、前記端部125a',125b'を電気的に開放して補助整合回路を構成することができる。
例えば、図16に示すように、シート121e上の配線電極125a,125bに引出し電極125a",125b"を形成して給電端子電極122a,122bに接続する。そして、シート121g上の配線電極125a,125bの端部125a',125b'を電気的に開放し、シート121f,121g上の配線電極125a,125bにて補助整合回路129を形成する。給電端子電極122a,122bと接続する引出し電極125a",125b"は、シート121c〜121f上に設けたいずれの配線電極125a,125bであってもよい。その等価回路を図17に示す。このような補助整合回路129を形成することによって、整合状態の微調整を行うことができる。
(第9実施例、図18〜図20参照)
第9実施例である無線ICデバイスは、図18に示すように、無線ICチップ10を備えた給電回路基板20を放射基板30上に貼着したもので、図19に示すように、金属缶140の表面又は裏面の凹所141に貼着されている。金属缶140は、例えば、スチール材やアルミ材などの金属材からなる。給電回路基板20は前記第1実施例に示したものと同じであり、図4に示した給電回路21を有している。放射基板30も図2に示したフィルム基板31上に端部32a,32bを有するループ状の放射板32を形成したものである。但し、図2に示したフィルム基板31と放射板32とが四角形状であるのに対して、本第9実施例では図18に示すように楕円形状である。
そして、図20に示すように、凹所141の底部に両面に接着剤を有する台紙142を介して、無線ICチップ10及び給電回路基板20を備えた放射基板30が貼着されている。凹所141の深さH1は約5mm、凹所141の底部から放射板32までの高さH2は2〜3mmであり、無線ICチップ10が凹所141から突出しないことが望ましい。
本第9実施例の作用効果は第1実施例と同様である。ところで、信号の送受信時にループ状の放射板32の周囲には磁界φ(図20参照)が発生する。この磁界は金属を通過しないので、金属とループ状放射板32とを平行にかつ近接させて配置すると、放射板32で発生する磁界が金属によって妨げられ、外部へ十分に放射されず無線ICデバイスとしての動作が不十分になる。そこで、本第9実施例のように、放射板金属缶140の凹所141の底部から台紙142などを介して数mm程度離して放射板32を配置することで、放射板32から磁界φを放射させて無線ICデバイスとして機能させることができる。
なお、給電回路基板20を備えた放射基板30を台紙142に埋め込むように配置しても構わない。さらに、放射基板30を台紙142と同程度の厚みにし、その放射基板30に形成した凹部に給電回路基板20を埋め込むように配置しても構わない。また、無線ICチップ10を給電回路基板20と放射基板30とに挟み込まれるように配置しても構わない。このような構造にすることにより、無線ICチップ及び給電回路基板20を落下・衝撃などから保護することができ、無線ICデバイスの機械的強度を向上させることができる。なお、本第9実施例においては金属缶140へ無線ICデバイスを貼着した例を示したが、特に金属缶に限定されるものではなく、金属製の物品であれば金属ケースあるいは回路基板上のグランド電極など何でも構わない。
(第10実施例、図21〜図23参照)
以上の各実施例は給電回路基板内に共振回路及び/又は整合回路を有する給電回路を設けた給電回路基板を備えている。しかし、給電回路基板を備えることなく、無線ICチップの入出力端子電極が形成された裏面(主面)上に少なくとも二つのインダクタンス素子を含む共振回路及び/又は整合回路を有する給電回路を設けたものであってもよく、以下に第10実施例及び第11実施例としてこのような無線ICデバイスを示す。
第10実施例である無線ICデバイスは、図21に等価回路として示す給電回路150を無線ICチップ10の裏面に設けたものである。この給電回路150は、それぞれ逆方向に巻かれた螺旋状に形成した二つのインダクタンス素子L1,L2を直列に接続してなる。各インダクタンス素子L1,L2の一端に設けた給電端子電極151a,151bが無線ICチップ10の入力端子電極及び出力端子電極と電気的に導通している。インダクタンス素子L1,L2は逆相で磁気結合し、線間浮遊容量とで形成される共振回路とで無線ICチップ10が処理する周波数に共振し、かつ、放射板(例えば、図2に示した放射板32の端部32a,32b)と電磁界結合する。従って、本第10実施例の作用効果は前記第1実施例と同様である。
この給電回路150において、インダクタンス素子L1,L2の中間点が仮想グランドとなる。また、給電回路150のインピーダンス値は無線ICチップ10のインピーダンスと複素共役になるように設計される。インダクタンス素子L1,L2は図22に示すように積層状態で形成されるため、放射板までの距離に応じてインダクタンス値が異なる。そこで、無線ICチップ10の裏面に絶縁層159を形成して放射板との距離を固定し、かつ、インダクタンス素子L1,L2を保護している。
前記給電回路150は、図22に示す工程によって作製される。まず、図22(a)に示すように、無線ICチップ10の裏面に絶縁層152を入出力端子電極部分を除いて形成する。次に、図22(b)に示すように、電極層153を絶縁層152上にめっきなどで形成し、所定の形状にエッチングする(図22(c)参照)。この状態を図23(A)に示す。
次に、図22(d)に示すように、電極層153上に絶縁層154を形成する。さらに、図22(e)に示すように、電極層155を絶縁層154上にめっきなどで形成し、所定の形状にエッチングする(図22(f)参照)。この状態を図23(B)に示す。さらに、図22(g)に示すように、電極層155上に絶縁層159を形成する。
(第11実施例、図24〜図26参照)
第11実施例である無線ICデバイスは、図24に等価回路として示す給電回路150を無線ICチップ10の裏面に設けたものである。この給電回路150は、前記第9実施例で示した等価回路(図21参照)において、インダクタンス素子L1,L2の間にコンデンサCを挿入し、直列共振回路を構成したものである。本第11実施例の作用効果は前記第10実施例と同様である。
図24に示す給電回路150は、図25に示す工程によって作製される。まず、図25(a)に示すように、無線ICチップ10の裏面に絶縁層156を入出力端子電極部分を除いて形成する。次に、図25(b)に示すように、電極層157を絶縁層156上にめっきなどで形成し、所定の形状にエッチングする(図25(c)参照)。この状態を図26(A)に示し、中央部分に残された電極157aが一方のコンデンサ電極となる。
次に、図25(d)に示すように、電極層157上に絶縁層152を形成する。さらに、図25(e)に示すように、電極層153を絶縁層152上にめっきなどで形成し、所定の形状にエッチングする(図25(f)参照)。この状態を図26(B)に示す。このとき前記コンデンサ電極157aと対向する電極153a,153bが形成される。
さらに、図25(g)に示すように、電極層153上に絶縁層154を形成する。その後は、図22(e),(f),(g)に示したように、電極層155、絶縁層159を形成する。電極層155を形成したときの状態を図26(C)に示す。
(第12実施例〜第15実施例、図27〜図31参照)
第12実施例である無線ICデバイスは、図27(A)の等価回路に示すように、互いに逆方向に巻かれた螺旋状に形成されたインダクタンス素子L1,L2を直列に接続した給電回路200を備え、インダクタンス成分L10を有するループ状電極で構成した放射板212の両端部をインダクタンス素子L1,L2の両端部に電気的に導通させたものである。また、給電回路200の両端には前記無線ICチップ10の入力端子電極及び出力端子電極に接続される給電端子電極201a,201bが形成されている。
第13実施例である無線ICデバイスは、図27(B)の等価回路に示すように、インダクタンス素子L1,L2と並列にコンデンサCを設けたもので、他の構成は前記第12実施例と同様である。
第14実施例である無線ICデバイスは、図28(A)の等価回路に示すように、互いに逆方向に巻かれた螺旋状に形成されたインダクタンス素子L1,L2を直列に接続した給電回路200を備え、インダクタンス成分L10を有するループ状電極で構成した放射板212の両端部に設けた螺旋状のインダクタンス成分L11,L12を前記インダクタンス素子L1,L2と電磁界結合させたものである。また、給電回路200の両端には前記無線ICチップ10の入力端子電極及び出力端子電極に接続される給電端子電極201a,201bが形成されている。
第15実施例である無線ICデバイスは、図28(B)の等価回路に示すように、インダクタンス素子L1,L2と並列にコンデンサCを設けたもので、他の構成は前記第14実施例と同様である。
第14実施例及び第15実施例においては、給電回路200のインダクタンス素子L1,L2に対向するように放射板212の両端部に螺旋状の受け電極(インダクタンス成分L11,L12)を設けた。これにて、放射板212のインダクタンス成分L10で発生する磁界の向きを給電回路200で発生する磁界と同じ向きにできるので、給電回路200と放射板212との結合度が向上する。
また、放射板212の両端部に設けた受け電極(インダクタンス成分L11,L12)の螺旋状の向きを互いに逆方向にすることによって、エネルギーの受け渡し効率が向上する。さらに、それぞれ結合するように形成されたインダクタンス素子と放射板の螺旋状の端部(L1とL11、L2とL12)とは、給電回路200を平面透視したときに同方向に巻かれるように形成されている。平面透視で対向するように配置された二つの螺旋状電極(L1とL11、L2とL12)に発生する磁界の向きが同じ方向になり、給電回路200と放射板212との磁界結合がより強くなる。
さらに、放射板212のループ状電極のインダクタンス値(L10)は給電回路200のインダクタンス素子L1,L2のインダクタンス値よりも大きく設定されている。給電回路200による信号を放射板212で発生した磁界によって送受信できるため、リーダライタとの通信不良の発生を抑制することができる。
ここで、前記等価回路で示した第12実施例〜第15実施例の具体的構成について説明する。これらの無線ICデバイスは、図29に示すように、無線ICチップ10と給電回路基板220と放射板212を備えた放射基板210(図31参照)とで構成される。給電回路基板220の表面には給電端子電極201a,201bが形成され(図29(B)参照)、裏面には平面電極202a,202bが設けられている(図29(C)参照)。平面電極202a,202bの作用効果は前記第2実施例(図5参照)で説明したとおりである。なお、図29(D)に示すように、平面電極202a,202bを省略してもよい。
給電回路基板220の内部には図30に示す給電回路200が形成されている。給電回路基板220は誘電体あるいは磁性体からなるセラミックシートを積層、圧着、焼成したものである。最上層のシート231aには給電端子電極201a,201b、実装電極201c,201dが形成されている。2層目のシート231bには接続用電極203a,203bが形成されている。3層目〜7層目のシート231c〜231gにはそれぞれインダクタンス素子L1,L2を構成する配線電極204a,204bが形成されている。
以上のシート231a〜231gを積層することにより、配線電極204aがビアホール導体205aにて螺旋状に接続されたインダクタンス素子L1が形成され、配線電極204bがビアホール導体205bにて螺旋状に接続されたインダクタンス素子L2が形成される。また、インダクタンス素子L1,L2(配線電極204a,204b)の一方端部どうしはシート231c上で導通接続され、他方端部は接続用電極203a,203bやビアホール導体206a,206bを介して給電端子電極201a,201bに接続される。
以上の構成からなる給電回路200の作用効果は前記第1実施例、第2実施例での説明と同様である。特に、図30に示した給電回路200においては、二つのインダクタンス素子L1,L2の一方端部どうしを、積層体内の最上層近傍において導通接続し、他方端部をそれぞれ無線ICチップ10と接続しているため、放射板212とは離れた積層体内の最上層近傍で導通接続され、放射板212と電磁界結合する積層体の下層近傍において互いに逆方に巻かれているため、エネルギーの受け渡し効率が向上する。
放射基板210は、図31に示すように、フレキシブルな樹脂フィルム基板211の表面に一端212a及び他端212bを有する放射板212を螺旋状に形成するとともに、一端212aに隣接する電極213を形成したもので、電極213は基板211の裏面に形成した接続用電極214及びビアホール導体を介して放射板212の他端212bと電気的に導通されている。そして、放射板212の一端212aと電極213の一端213aに、無線ICチップ10を搭載した給電回路基板220が結合されている。
放射板212の一端212aと電極213の一端213aは、図31(B)に示すように、平面的な形状であってもよく、あるいは、図31(C)に示すように、螺旋状に形成されていてもよい。放射板212の一端212aと電極213の一端213aを螺旋状に形成した場合に第14実施例及び第15実施例に対応する。
(実施例のまとめ)
前記無線ICデバイスにおいて、少なくとも二つのインダクタンス素子は、給電回路を平面透視したときに、異なる位置に形成されていてもよく、給電回路を二つの異なる放射板に結合させることができる。また、少なくとも二つのインダクタンス素子はそれぞれ同一平面上で隣接する二つの配線電極で形成されていてもよい。隣接した二つの配線電極で一つのインダクタンス素子を構成すれば、配線電極の長さや電極間隔を変化させることにより、共振特性を広帯域化できる。
給電回路基板は積層体からなり、該積層体の最下層の内部又は表面に、該給電回路基板を平面透視したときに、少なくとも二つのインダクタンス素子の外形と同じ又は小さい平面電極を設けてもよい。平面電極を設けることで給電回路と放射板との結合のばらつきを抑えることができる。
給電回路基板は磁性体を含み、該磁性体内に少なくとも二つのインダクタンス素子が形成されていてもよい。給電回路基板が磁性体を含むことで、大きなインダクタンス値を得ることができ、13.56MHz帯の周波数にも対応することができる。
少なくとも二つのインダクタンス素子の一方端部どうしは、積層体内の最上層近傍において導通接続され、他方端部はそれぞれ無線ICと結合されていてもよい。二つのインダクタンス素子は、放射板とは離れた積層体内の最上層近傍で導通接続され、放射板と電磁界結合する積層体の下層近傍において互いに逆方に巻かれているため、エネルギーの受け渡し効率が向上する。
放射板は一方の端部と他方の端部を有するループ状電極で構成され、該一方の端部と他方の端部とはそれぞれ異なる少なくとも二つのインダクタンス素子と結合しかつそれぞれ逆方向に巻かれた螺旋状に形成されていてもよい。放射板側で発生する磁界の向きを給電回路と同じ向きにできるため、給電回路と放射板との結合が強くなる。そして、それぞれ結合するように形成されたインダクタンス素子と放射板の螺旋状の端部とは、給電回路を平面透視したときに同方向に巻かれるように形成されていることが好ましい。平面透視で対向するように配置された二つの螺旋状電極に発生する磁界の向きが同じ方向になり、給電回路と放射板との磁界結合がより強くなる。さらに、ループ状電極のインダクタンス値は給電回路のインダクタンス素子のインダクタンス値よりも大きいことが好ましい。給電回路による信号を放射板で発生した磁界によって送受信できるため、リーダライタとの通信不良の発生を抑制することができる。
ループ状電極のループの内側又は表面に磁性体が配置されていてもよい。これにて、ループ状電極からなる放射板で発生する磁界が増幅され、通信距離が長くなる。
少なくとも二つのインダクタンス素子は、無線ICに対して、直列に接続されていても、あるいは、並列に接続されていてもよく、それぞれのインダクタンス値が実質的に同じであってもよい。
給電回路基板の主面上には無線ICを実装するための複数の実装電極が形成され、少なくとも二つの実装電極は給電回路を通じて電気的に導通していてもよい。少なくとも二つの実装電極は平衡入出力端子電極であってもよい。また、給電回路は、一方の端部が該給電回路の所定位置に電気的に接続されているとともに他方の端部が電気的に開放されている補助整合回路を有していてもよい。補助整合回路によって整合状態の微調整を行うことができる。また、少なくとも二つの実装電極は平衡入出力端子電極であってもよい。
少なくとも二つのインダクタンス素子の一部が給電回路基板の側面に露出されており、該露出部分が放射板としても機能するように構成してもよい。インダクタンス素子の一部が給電回路基板の側面で放射板と電磁界結合し、放射特性が向上する。
給電回路基板は、セラミック又は樹脂からなる多層基板であってもよく、あるいは、フレキシブルな基板であってもよい。特に、給電回路を構成するインダクタンス素子が基板に内蔵されることで、給電回路が基板外部の影響を受けにくくなり、放射特性の変動を抑制できる。
少なくとも二つのインダクタンス素子はそれぞれ直流的に導通するように接続されていてもよい。それぞれのインダクタンス素子に確実に異なる向きの磁界を発生させることができる。
(他の実施例)
なお、本発明に係る給電回路は前記実施例に限定するものではなく、その要旨の範囲内で種々に変更できることは勿論である。
例えば、無線ICは、チップタイプではなく、給電回路基板に一体的に形成されていてもよい。また、放射板は種々の形状を採用することができる。
以上のように、本発明は、給電回路に有用であり、特に、使用環境などからの影響を受けにくく、放射特性の変動を抑制することができ、広帯域での使用が可能である点で優れている。
L1〜L4…インダクタンス素子
10…無線ICチップ
20,220…給電回路基板
21,150,200…給電回路
30,50,130,210…放射基板
32,52,132,212…放射板
33…磁性体
42a,42b…給電端子電極
46a,46b…配線電極
49a,49b…磁性体
66a〜66d…配線電極
75a,75b…配線電極
85a,85b…配線電極
88a,88b…磁性体
101a,101b…配線電極
111a,111b…配線電極
112a,112b…磁性体
125a,125b…配線電極
128a,128b…磁性体
129…補助整合回路
133…補助電極
204a,204b…配線電極

Claims (10)

  1. 複数の給電端子と放射板との間に配置され、前記放射板に送信信号を供給する、及び/又は、前記放射板から受信信号を供給される給電回路であって、
    少なくとも二つのインダクタンス素子を含み、
    前記少なくとも二つのインダクタンス素子は、それぞれ逆方向に巻かれた螺旋状に形成され、かつ、それぞれ直流的に導通するように接続されていること、
    を特徴とする給電回路。
  2. 前記少なくとも二つのインダクタンス素子の一方端部どうしは導通接続され、他方端部はそれぞれ前記複数の給電端子のそれぞれと結合されていること、を特徴とする請求項1に記載の給電回路。
  3. 前記少なくとも二つのインダクタンス素子は、平面透視したときに、異なる位置に形成されていること、を特徴とする請求項1又は請求項2に記載の給電回路。
  4. 前記少なくとも二つのインダクタンス素子はそれぞれ同一平面上で隣接する二つの配線電極で形成されていることを特徴とする請求項1ないし請求項3のいずれかに記載の給電回路。
  5. 前記少なくとも二つのインダクタンス素子は前記複数の給電端子に対して直列に接続されていることを特徴とする請求項1ないし請求項4のいずれかに記載の給電回路。
  6. 前記少なくとも二つのインダクタンス素子は前記複数の給電端子に対して並列に接続されていることを特徴とする請求項1ないし請求項4のいずれかに記載の給電回路。
  7. 前記少なくとも二つのインダクタンス素子はそれぞれのインダクタンス値が実質的に同じであることを特徴とする請求項1ないし請求項6のいずれかに記載の給電回路。
  8. 前記少なくとも二つのインダクタンス素子は並列接続されていることを特徴とする請求項1ないし請求項7のいずれかに記載の給電回路。
  9. 前記少なくとも二つのインダクタンス素子は直列接続されていることを特徴とする請求項1ないし請求項7のいずれかに記載の給電回路。
  10. 前記少なくとも二つのインダクタンス素子は共振回路を構成しており、前記送信信号及び/又は受信信号の周波数は前記共振回路の共振周波数に実質的に相当すること、を特徴とする請求項1ないし請求項9に記載の給電回路。
JP2009249816A 2007-12-20 2009-10-30 給電回路 Active JP5056830B2 (ja)

Priority Applications (1)

Application Number Priority Date Filing Date Title
JP2009249816A JP5056830B2 (ja) 2007-12-20 2009-10-30 給電回路

Applications Claiming Priority (7)

Application Number Priority Date Filing Date Title
JP2007329360 2007-12-20
JP2007329360 2007-12-20
JP2008177236 2008-07-07
JP2008177236 2008-07-07
JP2008213164 2008-08-21
JP2008213164 2008-08-21
JP2009249816A JP5056830B2 (ja) 2007-12-20 2009-10-30 給電回路

Related Parent Applications (1)

Application Number Title Priority Date Filing Date
JP2009515654A Division JP4462388B2 (ja) 2007-12-20 2008-12-08 無線icデバイス

Publications (2)

Publication Number Publication Date
JP2010074839A true JP2010074839A (ja) 2010-04-02
JP5056830B2 JP5056830B2 (ja) 2012-10-24

Family

ID=40787963

Family Applications (2)

Application Number Title Priority Date Filing Date
JP2009515654A Active JP4462388B2 (ja) 2007-12-20 2008-12-08 無線icデバイス
JP2009249816A Active JP5056830B2 (ja) 2007-12-20 2009-10-30 給電回路

Family Applications Before (1)

Application Number Title Priority Date Filing Date
JP2009515654A Active JP4462388B2 (ja) 2007-12-20 2008-12-08 無線icデバイス

Country Status (7)

Country Link
US (2) US7990337B2 (ja)
EP (2) EP2096709B1 (ja)
JP (2) JP4462388B2 (ja)
KR (2) KR101047189B1 (ja)
CN (1) CN101595599B (ja)
AT (1) ATE555518T1 (ja)
WO (1) WO2009081719A1 (ja)

Cited By (24)

* Cited by examiner, † Cited by third party
Publication number Priority date Publication date Assignee Title
WO2012121185A1 (ja) * 2011-03-08 2012-09-13 株式会社村田製作所 アンテナ装置及び通信端末機器
WO2013115019A1 (ja) * 2012-01-30 2013-08-08 株式会社村田製作所 無線icデバイス
US8740093B2 (en) 2011-04-13 2014-06-03 Murata Manufacturing Co., Ltd. Radio IC device and radio communication terminal
US8757502B2 (en) 2011-02-28 2014-06-24 Murata Manufacturing Co., Ltd. Wireless communication device
US8770489B2 (en) 2011-07-15 2014-07-08 Murata Manufacturing Co., Ltd. Radio communication device
US8797148B2 (en) 2008-03-03 2014-08-05 Murata Manufacturing Co., Ltd. Radio frequency IC device and radio communication system
US8814056B2 (en) 2011-07-19 2014-08-26 Murata Manufacturing Co., Ltd. Antenna device, RFID tag, and communication terminal apparatus
US8853549B2 (en) 2009-09-30 2014-10-07 Murata Manufacturing Co., Ltd. Circuit substrate and method of manufacturing same
US8876010B2 (en) 2009-04-14 2014-11-04 Murata Manufacturing Co., Ltd Wireless IC device component and wireless IC device
US8905296B2 (en) 2011-12-01 2014-12-09 Murata Manufacturing Co., Ltd. Wireless integrated circuit device and method of manufacturing the same
US8917211B2 (en) 2008-11-17 2014-12-23 Murata Manufacturing Co., Ltd. Antenna and wireless IC device
US8976075B2 (en) 2009-04-21 2015-03-10 Murata Manufacturing Co., Ltd. Antenna device and method of setting resonant frequency of antenna device
US8973841B2 (en) 2008-05-21 2015-03-10 Murata Manufacturing Co., Ltd. Wireless IC device
US9024837B2 (en) 2010-03-31 2015-05-05 Murata Manufacturing Co., Ltd. Antenna and wireless communication device
US9024725B2 (en) 2009-11-04 2015-05-05 Murata Manufacturing Co., Ltd. Communication terminal and information processing system
US9117157B2 (en) 2009-10-02 2015-08-25 Murata Manufacturing Co., Ltd. Wireless IC device and electromagnetic coupling module
US9281873B2 (en) 2008-05-26 2016-03-08 Murata Manufacturing Co., Ltd. Wireless IC device system and method of determining authenticity of wireless IC device
US9378452B2 (en) 2011-05-16 2016-06-28 Murata Manufacturing Co., Ltd. Radio IC device
US9543642B2 (en) 2011-09-09 2017-01-10 Murata Manufacturing Co., Ltd. Antenna device and wireless device
US9558384B2 (en) 2010-07-28 2017-01-31 Murata Manufacturing Co., Ltd. Antenna apparatus and communication terminal instrument
US9692128B2 (en) 2012-02-24 2017-06-27 Murata Manufacturing Co., Ltd. Antenna device and wireless communication device
US9727765B2 (en) 2010-03-24 2017-08-08 Murata Manufacturing Co., Ltd. RFID system including a reader/writer and RFID tag
US10013650B2 (en) 2010-03-03 2018-07-03 Murata Manufacturing Co., Ltd. Wireless communication module and wireless communication device
US10235544B2 (en) 2012-04-13 2019-03-19 Murata Manufacturing Co., Ltd. Inspection method and inspection device for RFID tag

Families Citing this family (78)

* Cited by examiner, † Cited by third party
Publication number Priority date Publication date Assignee Title
US7519328B2 (en) 2006-01-19 2009-04-14 Murata Manufacturing Co., Ltd. Wireless IC device and component for wireless IC device
US9064198B2 (en) 2006-04-26 2015-06-23 Murata Manufacturing Co., Ltd. Electromagnetic-coupling-module-attached article
CN101467209B (zh) 2006-06-30 2012-03-21 株式会社村田制作所 光盘
JP4775442B2 (ja) 2006-09-26 2011-09-21 株式会社村田製作所 電磁結合モジュール付き物品
US8235299B2 (en) 2007-07-04 2012-08-07 Murata Manufacturing Co., Ltd. Wireless IC device and component for wireless IC device
CN101601055B (zh) 2007-04-26 2012-11-14 株式会社村田制作所 无线ic器件
WO2008140037A1 (ja) 2007-05-11 2008-11-20 Murata Manufacturing Co., Ltd. 無線icデバイス
CN101542831B (zh) 2007-07-09 2014-06-25 株式会社村田制作所 无线ic器件
CN104540317B (zh) 2007-07-17 2018-11-02 株式会社村田制作所 印制布线基板
US20090021352A1 (en) 2007-07-18 2009-01-22 Murata Manufacturing Co., Ltd. Radio frequency ic device and electronic apparatus
EP2166616B1 (en) 2007-07-18 2013-11-27 Murata Manufacturing Co. Ltd. Wireless ic device
WO2009011376A1 (ja) * 2007-07-18 2009-01-22 Murata Manufacturing Co., Ltd. 無線icデバイス
KR101047189B1 (ko) 2007-12-20 2011-07-06 가부시키가이샤 무라타 세이사쿠쇼 무선 ic 디바이스
EP2717196B1 (en) 2007-12-26 2020-05-13 Murata Manufacturing Co., Ltd. Antenna device and wireless IC device
WO2009142068A1 (ja) 2008-05-22 2009-11-26 株式会社村田製作所 無線icデバイス及びその製造方法
CN102047500B (zh) 2008-05-28 2014-05-28 株式会社村田制作所 无线ic器件用部件及无线ic器件
JP4557186B2 (ja) 2008-06-25 2010-10-06 株式会社村田製作所 無線icデバイスとその製造方法
JP4671001B2 (ja) 2008-07-04 2011-04-13 株式会社村田製作所 無線icデバイス
EP2320519B1 (en) 2008-08-19 2017-04-12 Murata Manufacturing Co., Ltd. Wireless ic device and method for manufacturing same
JP5429182B2 (ja) 2008-10-24 2014-02-26 株式会社村田製作所 無線icデバイス
JP4525869B2 (ja) 2008-10-29 2010-08-18 株式会社村田製作所 無線icデバイス
US8089418B2 (en) * 2008-12-04 2012-01-03 Intel Corporation Antenna structure
JP5041075B2 (ja) 2009-01-09 2012-10-03 株式会社村田製作所 無線icデバイスおよび無線icモジュール
WO2010082413A1 (ja) 2009-01-16 2010-07-22 株式会社村田製作所 高周波デバイス及び無線icデバイス
JP2010200309A (ja) * 2009-01-30 2010-09-09 Tdk Corp 近接型アンテナ及び無線通信機
EP2385580B1 (en) 2009-01-30 2014-04-09 Murata Manufacturing Co., Ltd. Antenna and wireless ic device
JP5240293B2 (ja) * 2009-04-02 2013-07-17 株式会社村田製作所 回路基板
JP5532678B2 (ja) * 2009-05-26 2014-06-25 ソニー株式会社 通信装置、アンテナ装置、並びに通信システム
WO2010140429A1 (ja) 2009-06-03 2010-12-09 株式会社村田製作所 無線icデバイス及びその製造方法
WO2010146944A1 (ja) 2009-06-19 2010-12-23 株式会社村田製作所 無線icデバイス及び給電回路と放射板との結合方法
CN102474009B (zh) 2009-07-03 2015-01-07 株式会社村田制作所 天线及天线模块
JP5182431B2 (ja) 2009-09-28 2013-04-17 株式会社村田製作所 無線icデバイスおよびそれを用いた環境状態検出方法
CN102576939B (zh) 2009-10-16 2015-11-25 株式会社村田制作所 天线及无线ic器件
CN102598413A (zh) 2009-10-27 2012-07-18 株式会社村田制作所 收发装置及无线标签读取装置
EP2498207B1 (en) * 2009-11-04 2014-12-31 Murata Manufacturing Co., Ltd. Wireless ic tag, reader/writer, and information processing system
WO2011055701A1 (ja) 2009-11-04 2011-05-12 株式会社村田製作所 通信端末及び情報処理システム
WO2011062238A1 (ja) 2009-11-20 2011-05-26 株式会社村田製作所 アンテナ装置及び移動体通信端末
WO2011077877A1 (ja) 2009-12-24 2011-06-30 株式会社村田製作所 アンテナ及び携帯端末
TWI466375B (zh) * 2010-01-19 2014-12-21 Murata Manufacturing Co An antenna device and a communication terminal device
WO2011090048A1 (ja) * 2010-01-19 2011-07-28 株式会社村田製作所 周波数安定化回路、周波数安定化デバイス、アンテナ装置及び通信端末機器並びにインピーダンス変換素子
WO2011090082A1 (ja) * 2010-01-19 2011-07-28 株式会社村田製作所 高結合度トランス、電子回路および電子機器
WO2011102194A1 (ja) 2010-02-19 2011-08-25 株式会社村田製作所 複合プリント配線基板及び無線通信システム
WO2011108341A1 (ja) 2010-03-03 2011-09-09 株式会社村田製作所 無線通信デバイス及び無線通信端末
JP5477459B2 (ja) 2010-03-12 2014-04-23 株式会社村田製作所 無線通信デバイス及び金属製物品
JP2011211309A (ja) * 2010-03-29 2011-10-20 Sony Corp アンテナモジュール及び電子機器
WO2011122162A1 (ja) * 2010-03-31 2011-10-06 株式会社村田製作所 複合アンテナ及び複合無線通信デバイス
JP5472455B2 (ja) * 2010-04-26 2014-04-16 株式会社村田製作所 通信端末およびカード型アンテナモジュール
JP5170156B2 (ja) 2010-05-14 2013-03-27 株式会社村田製作所 無線icデバイス
JP5299351B2 (ja) 2010-05-14 2013-09-25 株式会社村田製作所 無線icデバイス
JP5376060B2 (ja) 2010-07-08 2013-12-25 株式会社村田製作所 アンテナ及びrfidデバイス
JP5423897B2 (ja) 2010-08-10 2014-02-19 株式会社村田製作所 プリント配線板及び無線通信システム
WO2012020576A1 (ja) * 2010-08-11 2012-02-16 株式会社村田製作所 周波数安定化回路、アンテナ装置及び通信端末機器
JP5234071B2 (ja) 2010-09-03 2013-07-10 株式会社村田製作所 Rficモジュール
JP2012064683A (ja) * 2010-09-15 2012-03-29 Murata Mfg Co Ltd 積層型コイル
WO2012043432A1 (ja) 2010-09-30 2012-04-05 株式会社村田製作所 無線icデバイス
CN105226382B (zh) 2010-10-12 2019-06-11 株式会社村田制作所 天线装置及终端装置
CN102971909B (zh) 2010-10-21 2014-10-15 株式会社村田制作所 通信终端装置
JP5234084B2 (ja) * 2010-11-05 2013-07-10 株式会社村田製作所 アンテナ装置および通信端末装置
US10381720B2 (en) * 2010-12-08 2019-08-13 Nxp B.V. Radio frequency identification (RFID) integrated circuit (IC) and matching network/antenna embedded in surface mount devices (SMD)
CN105048058B (zh) * 2011-01-05 2017-10-27 株式会社村田制作所 无线通信器件
JP5304956B2 (ja) 2011-01-14 2013-10-02 株式会社村田製作所 Rfidチップパッケージ及びrfidタグ
KR101317226B1 (ko) 2011-04-05 2013-10-15 가부시키가이샤 무라타 세이사쿠쇼 무선 통신 디바이스
EP3041087B1 (en) 2011-07-14 2022-09-07 Murata Manufacturing Co., Ltd. Wireless communication device
JP5709690B2 (ja) * 2011-08-17 2015-04-30 タイコエレクトロニクスジャパン合同会社 アンテナ
WO2013094667A1 (ja) * 2011-12-22 2013-06-27 株式会社村田製作所 磁性体アンテナ、アンテナ装置及び電子機器
EP2833477A4 (en) * 2012-03-30 2015-03-25 Fujitsu Ltd RFID-LABEL
WO2014129279A1 (ja) * 2013-02-19 2014-08-28 株式会社村田製作所 インダクタブリッジおよび電子機器
KR102010523B1 (ko) * 2013-07-31 2019-08-13 삼성전자주식회사 안테나 장치 및 그것을 갖는 전자 장치
JP5958670B2 (ja) * 2014-01-30 2016-08-02 株式会社村田製作所 無線通信デバイス及び無線通信用モジュールの製造方法
KR101762778B1 (ko) 2014-03-04 2017-07-28 엘지이노텍 주식회사 무선 충전 및 통신 기판 그리고 무선 충전 및 통신 장치
CN109888499B (zh) * 2014-04-28 2020-10-09 株式会社村田制作所 无线ic器件
KR101892689B1 (ko) 2014-10-14 2018-08-28 삼성전기주식회사 칩 전자부품 및 칩 전자부품의 실장 기판
US9839134B2 (en) 2015-12-22 2017-12-05 Intel Corporation Flexible integrated circuit that includes an antenna
KR102649484B1 (ko) 2017-01-18 2024-03-20 주식회사 위츠 이중 루프 안테나
JP6936022B2 (ja) * 2017-03-07 2021-09-15 ローム株式会社 プリント配線基板及びこれを用いたスイッチング電源
JP6789202B2 (ja) * 2017-11-27 2020-11-25 株式会社エスケーエレクトロニクス ブースターアンテナ
JP6546711B1 (ja) * 2019-04-10 2019-07-17 株式会社エスケーエレクトロニクス 非接触情報担体
KR102410205B1 (ko) * 2019-12-12 2022-06-20 한국전자통신연구원 근역장 전자기장의 전력 밀도를 측정하기 위한 프로브 안테나, 프로빙 시스템 및 전력 밀도 측정 방법

Citations (5)

* Cited by examiner, † Cited by third party
Publication number Priority date Publication date Assignee Title
WO2007066267A2 (en) * 2005-12-07 2007-06-14 Nxp B.V. Circuit arrangement for a transponder and method for operating the circuit arrangement
WO2007083574A1 (ja) * 2006-01-19 2007-07-26 Murata Manufacturing Co., Ltd. 無線icデバイス及び無線icデバイス用部品
WO2007084989A2 (en) * 2006-01-19 2007-07-26 Transpacific Technologies, Llc Rfid antenna
WO2007119310A1 (ja) * 2006-04-14 2007-10-25 Murata Manufacturing Co., Ltd. アンテナ
WO2007125683A1 (ja) * 2006-04-26 2007-11-08 Murata Manufacturing Co., Ltd. 電磁結合モジュール付き物品

Family Cites Families (325)

* Cited by examiner, † Cited by third party
Publication number Priority date Publication date Assignee Title
US3364564A (en) 1965-06-28 1968-01-23 Gregory Ind Inc Method of producing welding studs dischargeable in end-to-end relationship
JPS5754964B2 (ja) 1974-05-08 1982-11-20
JPS6193701A (ja) 1984-10-13 1986-05-12 Toyota Motor Corp 自動車用アンテナ装置
JPS62127140A (ja) 1985-11-26 1987-06-09 Hitachi Chem Co Ltd シエルモ−ルド用樹脂被覆砂
US5253969A (en) 1989-03-10 1993-10-19 Sms Schloemann-Siemag Aktiengesellschaft Feeding system for strip material, particularly in treatment plants for metal strips
JP2763664B2 (ja) 1990-07-25 1998-06-11 日本碍子株式会社 分布定数回路用配線基板
NL9100176A (nl) 1991-02-01 1992-03-02 Nedap Nv Antenne met transformator voor contactloze informatieoverdracht vanuit integrated circuit-kaart.
NL9100347A (nl) 1991-02-26 1992-03-02 Nedap Nv Geintegreerde transformator voor een contactloze identificatiekaart.
JPH04321190A (ja) 1991-04-22 1992-11-11 Mitsubishi Electric Corp 非接触型携帯記憶装置のアンテナ回路
DE69215283T2 (de) 1991-07-08 1997-03-20 Nippon Telegraph & Telephone Ausfahrbares Antennensystem
JPH05327331A (ja) 1992-05-15 1993-12-10 Matsushita Electric Works Ltd プリントアンテナ
JP3186235B2 (ja) 1992-07-30 2001-07-11 株式会社村田製作所 共振器アンテナ
JPH0677729A (ja) 1992-08-25 1994-03-18 Mitsubishi Electric Corp アンテナ一体化マイクロ波回路
JPH06177635A (ja) 1992-12-07 1994-06-24 Mitsubishi Electric Corp クロスダイポールアンテナ装置
JPH07183836A (ja) 1993-12-22 1995-07-21 San'eisha Mfg Co Ltd 配電線搬送通信用結合フィルタ装置
US5491483A (en) 1994-01-05 1996-02-13 Texas Instruments Incorporated Single loop transponder system and method
US6096431A (en) 1994-07-25 2000-08-01 Toppan Printing Co., Ltd. Biodegradable cards
JP3141692B2 (ja) 1994-08-11 2001-03-05 松下電器産業株式会社 ミリ波用検波器
US5528222A (en) 1994-09-09 1996-06-18 International Business Machines Corporation Radio frequency circuit and memory in thin flexible package
JPH0887580A (ja) 1994-09-14 1996-04-02 Omron Corp データキャリア及びボールゲーム
JP2837829B2 (ja) 1995-03-31 1998-12-16 松下電器産業株式会社 半導体装置の検査方法
JPH08279027A (ja) 1995-04-04 1996-10-22 Toshiba Corp 無線通信カード
US5955723A (en) 1995-05-03 1999-09-21 Siemens Aktiengesellschaft Contactless chip card
JPH08307126A (ja) 1995-05-09 1996-11-22 Kyocera Corp アンテナの収納構造
JP3637982B2 (ja) 1995-06-27 2005-04-13 株式会社荏原電産 インバータ駆動ポンプの制御システム
US5629241A (en) 1995-07-07 1997-05-13 Hughes Aircraft Company Microwave/millimeter wave circuit structure with discrete flip-chip mounted elements, and method of fabricating the same
JP3150575B2 (ja) 1995-07-18 2001-03-26 沖電気工業株式会社 タグ装置及びその製造方法
GB2305075A (en) 1995-09-05 1997-03-26 Ibm Radio Frequency Tag for Electronic Apparatus
DE19534229A1 (de) 1995-09-15 1997-03-20 Licentia Gmbh Transponderanordnung
JP3882218B2 (ja) 1996-03-04 2007-02-14 ソニー株式会社 光ディスク
JP3471160B2 (ja) 1996-03-18 2003-11-25 株式会社東芝 モノリシックアンテナ
JPH09270623A (ja) 1996-03-29 1997-10-14 Murata Mfg Co Ltd アンテナ装置
AUPO055296A0 (en) 1996-06-19 1996-07-11 Integrated Silicon Design Pty Ltd Enhanced range transponder system
US6104311A (en) 1996-08-26 2000-08-15 Addison Technologies Information storage and identification tag
AU4705097A (en) 1996-10-09 1998-05-05 Evc Rigid Film Gmbh Method and connection arrangement for producing a smart card
JPH10171954A (ja) 1996-12-05 1998-06-26 Hitachi Maxell Ltd 非接触式icカード
JPH10193849A (ja) 1996-12-27 1998-07-28 Rohm Co Ltd 回路チップ搭載カードおよび回路チップモジュール
DE19703029A1 (de) 1997-01-28 1998-07-30 Amatech Gmbh & Co Kg Übertragungsmodul für eine Transpondervorrichtung sowie Transpondervorrichtung und Verfahren zum Betrieb einer Transpondervorrichtung
US6181287B1 (en) 1997-03-10 2001-01-30 Precision Dynamics Corporation Reactively coupled elements in circuits on flexible substrates
JPH10293828A (ja) 1997-04-18 1998-11-04 Omron Corp データキャリア、コイルモジュール、リーダライタ及び衣服データ取得方法
JP3800765B2 (ja) 1997-11-14 2006-07-26 凸版印刷株式会社 複合icカード
JP3800766B2 (ja) 1997-11-14 2006-07-26 凸版印刷株式会社 複合icモジュールおよび複合icカード
WO1999026195A1 (en) 1997-11-14 1999-05-27 Toppan Printing Co., Ltd. Composite ic module and composite ic card
JPH11219420A (ja) 1998-02-03 1999-08-10 Tokin Corp Icカードモジュール、icカード及びそれらの製造方法
JPH11261325A (ja) 1998-03-10 1999-09-24 Shiro Sugimura コイル素子と、その製造方法
EP0987789A4 (en) 1998-03-31 2004-09-22 Matsushita Electric Industrial Co Ltd ANTENNA AND DIGITAL TELEVISION RECEIVER
US5936150A (en) 1998-04-13 1999-08-10 Rockwell Science Center, Llc Thin film resonant chemical sensor with resonant acoustic isolator
JP2002505645A (ja) 1998-04-14 2002-02-19 リバティ・カートン・カンパニー−テキサス コンプレッサ及び他の品物のためのコンテナ
US6018299A (en) 1998-06-09 2000-01-25 Motorola, Inc. Radio frequency identification tag having a printed antenna and method
US6107920A (en) 1998-06-09 2000-08-22 Motorola, Inc. Radio frequency identification tag having an article integrated antenna
JP2000021639A (ja) 1998-07-02 2000-01-21 Sharp Corp インダクター、これを用いた共振回路、整合回路、アンテナ回路及び発振回路
JP2000022421A (ja) 1998-07-03 2000-01-21 Murata Mfg Co Ltd チップアンテナ及びそれを搭載した無線機器
EP0977145A3 (en) 1998-07-28 2002-11-06 Kabushiki Kaisha Toshiba Radio IC card
JP2000311226A (ja) 1998-07-28 2000-11-07 Toshiba Corp 無線icカード及びその製造方法並びに無線icカード読取り書込みシステム
JP2000059260A (ja) 1998-08-04 2000-02-25 Sony Corp 記憶装置
ES2198938T3 (es) 1998-08-14 2004-02-01 3M Innovative Properties Company Aplicacion para un sistema de identificacion de radiofrecuencia.
BR9913043B1 (pt) 1998-08-14 2012-10-02 processos para ordenar um grupo de itens desordenados possuindo elementos de identificação por radiofrequência, para usar um dispositivo de identificação por radiofrequência seguro na mão para ler informação de um elemento de identificação por radiofrequência, e para usar um dispositivo de identificação por radiofrequência para identificar e localizar itens possuindo um elemento de identificação por radiofrequência.
JP4411670B2 (ja) 1998-09-08 2010-02-10 凸版印刷株式会社 非接触icカードの製造方法
JP4508301B2 (ja) 1998-09-16 2010-07-21 大日本印刷株式会社 非接触icカード
JP3632466B2 (ja) 1998-10-23 2005-03-23 凸版印刷株式会社 非接触icカード用の検査装置および検査方法
JP3924962B2 (ja) 1998-10-30 2007-06-06 株式会社デンソー 皿状物品用idタグ
JP2000137779A (ja) 1998-10-30 2000-05-16 Hitachi Maxell Ltd 非接触情報媒体とその製造方法
JP2000137785A (ja) 1998-10-30 2000-05-16 Sony Corp 非接触型icカードの製造方法および非接触型icカード
US6837438B1 (en) 1998-10-30 2005-01-04 Hitachi Maxell, Ltd. Non-contact information medium and communication system utilizing the same
JP2000148948A (ja) 1998-11-05 2000-05-30 Sony Corp 非接触型icラベルおよびその製造方法
JP2000172812A (ja) 1998-12-08 2000-06-23 Hitachi Maxell Ltd 非接触情報媒体
JP3088404B2 (ja) 1999-01-14 2000-09-18 埼玉日本電気株式会社 移動無線端末および内蔵アンテナ
JP2000222540A (ja) 1999-02-03 2000-08-11 Hitachi Maxell Ltd 非接触型半導体タグ
JP2000228602A (ja) 1999-02-08 2000-08-15 Alps Electric Co Ltd 共振線路
JP2000243797A (ja) 1999-02-18 2000-09-08 Sanken Electric Co Ltd 半導体ウエハ及びその切断法並びに半導体ウエハ組立体及びその切断法
JP3967487B2 (ja) 1999-02-23 2007-08-29 株式会社東芝 Icカード
JP2000251049A (ja) 1999-03-03 2000-09-14 Konica Corp カード及びその製造方法
JP4106673B2 (ja) 1999-03-05 2008-06-25 株式会社エフ・イー・シー コイルユニットを使用するアンテナ装置、プリント回路基板
JP4349597B2 (ja) 1999-03-26 2009-10-21 大日本印刷株式会社 Icチップの製造方法及びそれを内蔵したメモリー媒体の製造方法
US6542050B1 (en) 1999-03-30 2003-04-01 Ngk Insulators, Ltd. Transmitter-receiver
JP3751178B2 (ja) 1999-03-30 2006-03-01 日本碍子株式会社 送受信機
JP2000286634A (ja) 1999-03-30 2000-10-13 Ngk Insulators Ltd アンテナ装置及びアンテナ装置の製造方法
JP3067764B1 (ja) 1999-03-31 2000-07-24 株式会社豊田自動織機製作所 移動体通信用結合器、移動体及び移動体の通信方法
JP2000321984A (ja) 1999-05-12 2000-11-24 Hitachi Ltd Rf−idタグ付きラベル
JP3557130B2 (ja) 1999-07-14 2004-08-25 新光電気工業株式会社 半導体装置の製造方法
JP2001043340A (ja) 1999-07-29 2001-02-16 Toppan Printing Co Ltd 複合icカード
US6259369B1 (en) 1999-09-30 2001-07-10 Moore North America, Inc. Low cost long distance RFID reading
JP3451373B2 (ja) 1999-11-24 2003-09-29 オムロン株式会社 電磁波読み取り可能なデータキャリアの製造方法
JP4186149B2 (ja) 1999-12-06 2008-11-26 株式会社エフ・イー・シー Icカード用の補助アンテナ
JP2001188890A (ja) 2000-01-05 2001-07-10 Omron Corp 非接触タグ
JP2001240046A (ja) 2000-02-25 2001-09-04 Toppan Forms Co Ltd 容器及びその製造方法
JP2001257292A (ja) 2000-03-10 2001-09-21 Hitachi Maxell Ltd 半導体装置
JP2001256457A (ja) 2000-03-13 2001-09-21 Toshiba Corp 半導体装置及びその製造方法、icカード通信システム
WO2001073685A1 (de) 2000-03-28 2001-10-04 Lucatron Ag Rfid-label mit einem element zur einstellung der resonanzfrequenz
JP4624537B2 (ja) 2000-04-04 2011-02-02 大日本印刷株式会社 非接触式データキャリア装置、収納体
JP2001319380A (ja) 2000-05-11 2001-11-16 Mitsubishi Materials Corp Rfid付光ディスク
JP2001331976A (ja) 2000-05-17 2001-11-30 Casio Comput Co Ltd 光記録型記録媒体
JP4223174B2 (ja) 2000-05-19 2009-02-12 Dxアンテナ株式会社 フィルムアンテナ
JP2001339226A (ja) 2000-05-26 2001-12-07 Nec Saitama Ltd アンテナ装置
JP2001344574A (ja) 2000-05-30 2001-12-14 Mitsubishi Materials Corp 質問器のアンテナ装置
JP2001352176A (ja) 2000-06-05 2001-12-21 Fuji Xerox Co Ltd 多層プリント配線基板および多層プリント配線基板製造方法
AU2001275117A1 (en) 2000-06-06 2001-12-17 Battelle Memorial Institute Remote communication system and method
EP1172760B1 (en) 2000-06-23 2004-12-01 Toyo Aluminium Kabushiki Kaisha Antenna coil for IC card and manufacturing method thereof
JP2002157564A (ja) 2000-11-21 2002-05-31 Toyo Aluminium Kk Icカード用アンテナコイルとその製造方法
WO2002003560A1 (en) 2000-07-04 2002-01-10 Credipass Co.,Ltd. Passive transponder identification system and credit-card type transponder
JP4138211B2 (ja) 2000-07-06 2008-08-27 株式会社村田製作所 電子部品およびその製造方法、集合電子部品、電子部品の実装構造、ならびに電子装置
JP2002024776A (ja) 2000-07-07 2002-01-25 Nippon Signal Co Ltd:The Icカード用リーダライタ
CN1251131C (zh) 2000-07-19 2006-04-12 株式会社哈尼克斯 射频识别标签的收容结构,安装结构及使用该标签的通信
RU2163739C1 (ru) 2000-07-20 2001-02-27 Криштопов Александр Владимирович Антенна
JP2002042076A (ja) 2000-07-21 2002-02-08 Dainippon Printing Co Ltd 非接触型データキャリア及び非接触型データキャリアを有する冊子
JP3075400U (ja) 2000-08-03 2001-02-16 昌栄印刷株式会社 非接触型icカード
JP2002063557A (ja) 2000-08-21 2002-02-28 Mitsubishi Materials Corp Rfid用タグ
JP2002076750A (ja) 2000-08-24 2002-03-15 Murata Mfg Co Ltd アンテナ装置およびそれを備えた無線機
JP4615695B2 (ja) 2000-10-19 2011-01-19 三星エスディーエス株式会社 Icカード用のicモジュールと、それを使用するicカード
US6634564B2 (en) 2000-10-24 2003-10-21 Dai Nippon Printing Co., Ltd. Contact/noncontact type data carrier module
JP4628611B2 (ja) 2000-10-27 2011-02-09 三菱マテリアル株式会社 アンテナ
JP4432254B2 (ja) 2000-11-20 2010-03-17 株式会社村田製作所 表面実装型アンテナ構造およびそれを備えた通信機
JP2002185358A (ja) 2000-11-24 2002-06-28 Supersensor Pty Ltd 容器にrfトランスポンダを装着する方法
JP4641096B2 (ja) 2000-12-07 2011-03-02 大日本印刷株式会社 非接触式データキャリア装置とブースターアンテナ部用配線部材
JP2002183690A (ja) 2000-12-11 2002-06-28 Hitachi Maxell Ltd 非接触icタグ装置
AU2002226093A1 (en) 2000-12-15 2002-06-24 Electrox Corp. Process for the manufacture of novel, inexpensive radio frequency identificationdevices
JP3788325B2 (ja) 2000-12-19 2006-06-21 株式会社村田製作所 積層型コイル部品及びその製造方法
TW531976B (en) 2001-01-11 2003-05-11 Hanex Co Ltd Communication apparatus and installing structure, manufacturing method and communication method
JP3621655B2 (ja) 2001-04-23 2005-02-16 株式会社ハネックス中央研究所 Rfidタグ構造及びその製造方法
JP2002280821A (ja) 2001-01-12 2002-09-27 Furukawa Electric Co Ltd:The アンテナ装置および端末機器
KR20020061103A (ko) 2001-01-12 2002-07-22 후루까와덴끼고오교 가부시끼가이샤 안테나 장치 및 이 안테나 장치가 부착된 단말기기
JP2002232221A (ja) 2001-01-30 2002-08-16 Alps Electric Co Ltd 送受信ユニット
WO2002061675A1 (en) 2001-01-31 2002-08-08 Hitachi, Ltd. Non-contact identification medium
JP4662400B2 (ja) 2001-02-05 2011-03-30 大日本印刷株式会社 コイルオンチップ型の半導体モジュール付き物品
ATE499725T1 (de) 2001-03-02 2011-03-15 Nxp Bv Modul und elektronische vorrichtung
JP4712986B2 (ja) 2001-03-06 2011-06-29 大日本印刷株式会社 Rfidタグ付き液体容器
JP3570386B2 (ja) 2001-03-30 2004-09-29 松下電器産業株式会社 無線機能内蔵携帯用情報端末
JP2002298109A (ja) 2001-03-30 2002-10-11 Toppan Forms Co Ltd 非接触型icメディアおよびその製造方法
JP2002308437A (ja) 2001-04-16 2002-10-23 Dainippon Printing Co Ltd Rfidタグを用いた検査システム
JP2002319812A (ja) 2001-04-20 2002-10-31 Oji Paper Co Ltd データキャリヤ貼着方法
JP4700831B2 (ja) 2001-04-23 2011-06-15 株式会社ハネックス Rfidタグの通信距離拡大方法
JP2005236339A (ja) 2001-07-19 2005-09-02 Oji Paper Co Ltd Icチップ実装体
FI112550B (fi) 2001-05-31 2003-12-15 Rafsec Oy Älytarra ja älytarraraina
JP2002366917A (ja) 2001-06-07 2002-12-20 Hitachi Ltd アンテナを内蔵するicカード
JP2002362613A (ja) 2001-06-07 2002-12-18 Toppan Printing Co Ltd 非接触icが積層された積層包装材及びこれを用いた包装容器、並びに包装容器の開封検出方法
JP4710174B2 (ja) 2001-06-13 2011-06-29 株式会社村田製作所 バランス型lcフィルタ
JP2002373029A (ja) 2001-06-18 2002-12-26 Hitachi Ltd Icタグによるソフトウェアの不正コピーの防止方法
JP4882167B2 (ja) 2001-06-18 2012-02-22 大日本印刷株式会社 非接触icチップ付きカード一体型フォーム
JP4759854B2 (ja) 2001-06-19 2011-08-31 株式会社寺岡精工 Icタグの金属物への装着方法及びicタグ内蔵マーカー
JP2003087008A (ja) 2001-07-02 2003-03-20 Ngk Insulators Ltd 積層型誘電体フィルタ
JP4058919B2 (ja) 2001-07-03 2008-03-12 日立化成工業株式会社 非接触式icラベル、非接触式icカード、非接触式icラベルまたは非接触式icカード用icモジュール
JP2003026177A (ja) 2001-07-12 2003-01-29 Toppan Printing Co Ltd 非接触方式icチップ付き包装体
JP2003030612A (ja) 2001-07-19 2003-01-31 Oji Paper Co Ltd Icチップ実装体
ATE377908T1 (de) 2001-07-26 2007-11-15 Irdeto Access Bv Zeitvaliderungssystem
JP3629448B2 (ja) 2001-07-27 2005-03-16 Tdk株式会社 アンテナ装置及びそれを備えた電子機器
JP2003069335A (ja) 2001-08-28 2003-03-07 Hitachi Kokusai Electric Inc 補助アンテナ
JP2003067711A (ja) 2001-08-29 2003-03-07 Toppan Forms Co Ltd Icチップ実装体あるいはアンテナ部を備えた物品
JP2003078336A (ja) 2001-08-30 2003-03-14 Tokai Univ 積層スパイラルアンテナ
JP2003078333A (ja) 2001-08-30 2003-03-14 Murata Mfg Co Ltd 無線通信機
JP4514374B2 (ja) 2001-09-05 2010-07-28 トッパン・フォームズ株式会社 Rf−idの検査システム
JP4747467B2 (ja) 2001-09-07 2011-08-17 大日本印刷株式会社 非接触icタグ
JP2003085520A (ja) 2001-09-11 2003-03-20 Oji Paper Co Ltd Icカードの製造方法
JP4845306B2 (ja) 2001-09-25 2011-12-28 トッパン・フォームズ株式会社 Rf−idの検査システム
JP4698096B2 (ja) 2001-09-25 2011-06-08 トッパン・フォームズ株式会社 Rf−idの検査システム
JP2003110344A (ja) 2001-09-26 2003-04-11 Hitachi Metals Ltd 表面実装型アンテナおよびそれを搭載したアンテナ装置
JP2003132330A (ja) 2001-10-25 2003-05-09 Sato Corp Rfidラベルプリンタ
JP2003134007A (ja) 2001-10-30 2003-05-09 Auto Network Gijutsu Kenkyusho:Kk 車載機器間における信号送受信システム及び車載機器間における信号送受信方法
JP3984458B2 (ja) 2001-11-20 2007-10-03 大日本印刷株式会社 Icタグ付き包装体の製造方法
JP3908514B2 (ja) 2001-11-20 2007-04-25 大日本印刷株式会社 Icタグ付き包装体とicタグ付き包装体の製造方法
US6812707B2 (en) 2001-11-27 2004-11-02 Mitsubishi Materials Corporation Detection element for objects and detection device using the same
JP3894540B2 (ja) 2001-11-30 2007-03-22 トッパン・フォームズ株式会社 導電接続部を有するインターポーザ
JP2003188338A (ja) 2001-12-13 2003-07-04 Sony Corp 回路基板装置及びその製造方法
JP3700777B2 (ja) 2001-12-17 2005-09-28 三菱マテリアル株式会社 Rfid用タグの電極構造及び該電極を用いた共振周波数の調整方法
JP2003188620A (ja) 2001-12-19 2003-07-04 Murata Mfg Co Ltd モジュール一体型アンテナ
JP4028224B2 (ja) 2001-12-20 2007-12-26 大日本印刷株式会社 非接触通信機能を有する紙製icカード用基材
JP3895175B2 (ja) 2001-12-28 2007-03-22 Ntn株式会社 誘電性樹脂統合アンテナ
JP2003209421A (ja) 2002-01-17 2003-07-25 Dainippon Printing Co Ltd 透明アンテナを有するrfidタグ、及びその製造方法
JP3915092B2 (ja) 2002-01-21 2007-05-16 株式会社エフ・イー・シー Icカード用のブースタアンテナ
JP2003216919A (ja) 2002-01-23 2003-07-31 Toppan Forms Co Ltd Rf−idメディア
JP2003233780A (ja) 2002-02-06 2003-08-22 Mitsubishi Electric Corp データ通信装置
JP3998992B2 (ja) 2002-02-14 2007-10-31 大日本印刷株式会社 ウェブに実装されたicチップへのアンテナパターン形成方法とicタグ付き包装体
JP2003243918A (ja) 2002-02-18 2003-08-29 Dainippon Printing Co Ltd 非接触icタグ用アンテナと非接触icタグ
JP2003249813A (ja) 2002-02-25 2003-09-05 Tecdia Kk ループアンテナ付きrfid用タグ
US7119693B1 (en) 2002-03-13 2006-10-10 Celis Semiconductor Corp. Integrated circuit with enhanced coupling
JP2003288560A (ja) 2002-03-27 2003-10-10 Toppan Forms Co Ltd 帯電防止機能を有するインターポーザおよびインレットシート
US7129834B2 (en) 2002-03-28 2006-10-31 Kabushiki Kaisha Toshiba String wireless sensor and its manufacturing method
JP2003309418A (ja) 2002-04-17 2003-10-31 Alps Electric Co Ltd ダイポールアンテナ
JP2003317060A (ja) 2002-04-22 2003-11-07 Dainippon Printing Co Ltd Icカード
JP2003317052A (ja) 2002-04-24 2003-11-07 Smart Card:Kk Icタグシステム
JP3879098B2 (ja) 2002-05-10 2007-02-07 株式会社エフ・イー・シー Icカード用のブースタアンテナ
JP3979178B2 (ja) 2002-05-14 2007-09-19 凸版印刷株式会社 非接触ic媒体用モジュール及び非接触ic媒体
US6753814B2 (en) 2002-06-27 2004-06-22 Harris Corporation Dipole arrangements using dielectric substrates of meta-materials
JP3863464B2 (ja) 2002-07-05 2006-12-27 株式会社ヨコオ フィルタ内蔵アンテナ
JP3803085B2 (ja) 2002-08-08 2006-08-02 株式会社日立製作所 無線icタグ
JP4107381B2 (ja) 2002-08-23 2008-06-25 横浜ゴム株式会社 空気入りタイヤ
JP2004096566A (ja) 2002-09-02 2004-03-25 Toenec Corp 誘導通信装置
JP4267574B2 (ja) 2002-09-20 2009-05-27 フェアチャイルド セミコンダクター コーポレイション Rfidタグ広帯域幅対数螺旋アンテナの方法及びシステム
JP2004213582A (ja) 2003-01-09 2004-07-29 Mitsubishi Materials Corp Rfidタグ及びリーダ/ライタ並びに該タグを備えたrfidシステム
WO2004070879A1 (ja) 2003-02-03 2004-08-19 Matsushita Electric Industrial Co., Ltd. アンテナ装置とそれを用いた無線通信装置
JP2004234595A (ja) 2003-02-03 2004-08-19 Matsushita Electric Ind Co Ltd 情報記録媒体読取装置
EP1445821A1 (en) 2003-02-06 2004-08-11 Matsushita Electric Industrial Co., Ltd. Portable radio communication apparatus provided with a boom portion
JP2004253858A (ja) 2003-02-18 2004-09-09 Minerva:Kk Icタグ用のブースタアンテナ装置
JP2004280390A (ja) 2003-03-14 2004-10-07 Toppan Forms Co Ltd Rf−idメディア及びrf−idメディアの製造方法
JP4034676B2 (ja) 2003-03-20 2008-01-16 日立マクセル株式会社 非接触通信式情報担体
JP2004297249A (ja) 2003-03-26 2004-10-21 Matsushita Electric Ind Co Ltd 異相線間カプラーとその装着方法、及び、異相線間のカップリング方法
JP2004304370A (ja) 2003-03-28 2004-10-28 Sony Corp アンテナコイル及び通信機器
JP2004297681A (ja) 2003-03-28 2004-10-21 Toppan Forms Co Ltd 非接触型情報記録媒体
JP4208631B2 (ja) 2003-04-17 2009-01-14 日本ミクロン株式会社 半導体装置の製造方法
JP2004326380A (ja) 2003-04-24 2004-11-18 Dainippon Printing Co Ltd Rfidタグ
JP2004334268A (ja) 2003-04-30 2004-11-25 Dainippon Printing Co Ltd 紙片icタグと紙片icタグ付き書籍・雑誌、紙片icタグ付き書籍
JP2004336250A (ja) 2003-05-02 2004-11-25 Taiyo Yuden Co Ltd アンテナ整合回路、アンテナ整合回路を有する移動体通信装置、アンテナ整合回路を有する誘電体アンテナ
JP2004343000A (ja) 2003-05-19 2004-12-02 Fujikura Ltd 半導体モジュールとそれを備えた非接触icタグ及び半導体モジュールの製造方法
JP2004362190A (ja) 2003-06-04 2004-12-24 Hitachi Ltd 半導体装置
JP4828088B2 (ja) 2003-06-05 2011-11-30 凸版印刷株式会社 Icタグ
JP2005005866A (ja) 2003-06-10 2005-01-06 Alps Electric Co Ltd アンテナ一体型モジュール
JP3982476B2 (ja) 2003-10-01 2007-09-26 ソニー株式会社 通信システム
JP4062233B2 (ja) 2003-10-20 2008-03-19 トヨタ自動車株式会社 ループアンテナ装置
JP4680489B2 (ja) 2003-10-21 2011-05-11 三菱電機株式会社 情報記録読取システム
JP3570430B1 (ja) 2003-10-29 2004-09-29 オムロン株式会社 ループコイルアンテナ
JP4402426B2 (ja) 2003-10-30 2010-01-20 大日本印刷株式会社 温度変化感知検出システム
JP4343655B2 (ja) 2003-11-12 2009-10-14 株式会社日立製作所 アンテナ
JP4451125B2 (ja) 2003-11-28 2010-04-14 シャープ株式会社 小型アンテナ
JP2005165839A (ja) 2003-12-04 2005-06-23 Nippon Signal Co Ltd:The リーダライタ、icタグ、物品管理装置、及び光ディスク装置
JP4177241B2 (ja) 2003-12-04 2008-11-05 株式会社日立情報制御ソリューションズ 無線icタグ用アンテナ、無線icタグ及び無線icタグ付き容器
US6999028B2 (en) 2003-12-23 2006-02-14 3M Innovative Properties Company Ultra high frequency radio frequency identification tag
JP4326936B2 (ja) 2003-12-24 2009-09-09 シャープ株式会社 無線タグ
ATE503287T1 (de) 2003-12-25 2011-04-15 Mitsubishi Materials Corp Antennenvorrichtung und kommunikationsgerät
EP1548674A1 (en) 2003-12-25 2005-06-29 Hitachi, Ltd. Radio IC tag, method and apparatus for manufacturing the same
JP4089680B2 (ja) 2003-12-25 2008-05-28 三菱マテリアル株式会社 アンテナ装置
JP2005210676A (ja) 2003-12-25 2005-08-04 Hitachi Ltd 無線用icタグ、無線用icタグの製造方法、及び、無線用icタグの製造装置
JP2005190417A (ja) 2003-12-26 2005-07-14 Taketani Shoji:Kk 固定物管理システム及びこのシステムに用いる個体識別子
US20080272885A1 (en) 2004-01-22 2008-11-06 Mikoh Corporation Modular Radio Frequency Identification Tagging Method
JP4271591B2 (ja) 2004-01-30 2009-06-03 双信電機株式会社 アンテナ装置
KR101270180B1 (ko) 2004-01-30 2013-05-31 가부시키가이샤 한도오따이 에네루기 켄큐쇼 검사장치 및 검사방법과, 반도체장치 제작방법
JP2005229474A (ja) 2004-02-16 2005-08-25 Olympus Corp 情報端末装置
JP4393228B2 (ja) 2004-02-27 2010-01-06 シャープ株式会社 小型アンテナ及びそれを備えた無線タグ
JP2005252853A (ja) 2004-03-05 2005-09-15 Fec Inc Rf−id用アンテナ
WO2005091434A1 (ja) 2004-03-24 2005-09-29 Uchida Yoko Co.,Ltd. 記録媒体用icタグ貼付シート及び記録媒体
JP2005275870A (ja) 2004-03-25 2005-10-06 Matsushita Electric Ind Co Ltd 挿入型無線通信媒体装置および電子機器
JP2005284352A (ja) 2004-03-26 2005-10-13 Toshiba Corp 携帯可能電子装置
JP4067510B2 (ja) 2004-03-31 2008-03-26 シャープ株式会社 テレビジョン受信装置
JP2005293537A (ja) 2004-04-05 2005-10-20 Fuji Xynetics Kk Icタグ付き段ボ−ル
US8139759B2 (en) 2004-04-16 2012-03-20 Panasonic Corporation Line state detecting apparatus and transmitting apparatus and receiving apparatus of balanced transmission system
JP2005311205A (ja) 2004-04-23 2005-11-04 Nec Corp 半導体装置
JP2005340759A (ja) 2004-04-27 2005-12-08 Sony Corp アンテナモジュール用磁芯部材、アンテナモジュールおよびこれを備えた携帯情報端末
JP2005322119A (ja) 2004-05-11 2005-11-17 Ic Brains Co Ltd Icタグ付き物品の不正持ち出し防止装置
JP2005321305A (ja) 2004-05-10 2005-11-17 Murata Mfg Co Ltd 電子部品測定治具
JP4360276B2 (ja) 2004-06-02 2009-11-11 船井電機株式会社 無線icタグを有する光ディスク及び光ディスク再生装置
US7317396B2 (en) 2004-05-26 2008-01-08 Funai Electric Co., Ltd. Optical disc having RFID tag, optical disc apparatus, and system for preventing unauthorized copying
JP4551122B2 (ja) 2004-05-26 2010-09-22 株式会社岩田レーベル Rfidラベルの貼付装置
JP2005345802A (ja) 2004-06-03 2005-12-15 Casio Comput Co Ltd 撮像装置、この撮像装置に用いられる交換ユニット、交換ユニット使用制御方法及びプログラム
JP4348282B2 (ja) 2004-06-11 2009-10-21 株式会社日立製作所 無線用icタグ、及び無線用icタグの製造方法
JP2005352858A (ja) 2004-06-11 2005-12-22 Hitachi Maxell Ltd 通信式記録担体
JP4359198B2 (ja) 2004-06-30 2009-11-04 株式会社日立製作所 Icタグ実装基板の製造方法
JP4328682B2 (ja) 2004-07-13 2009-09-09 富士通株式会社 光記録媒体用の無線タグアンテナ構造および無線タグアンテナ付き光記録媒体の収納ケース
JP2004362602A (ja) 2004-07-26 2004-12-24 Hitachi Ltd Rfidタグ
JP4653440B2 (ja) 2004-08-13 2011-03-16 富士通株式会社 Rfidタグおよびその製造方法
JP2005129019A (ja) 2004-09-03 2005-05-19 Sony Chem Corp Icカード
JP2006080367A (ja) 2004-09-10 2006-03-23 Brother Ind Ltd インダクタンス素子、無線タグ回路素子、タグテープロール、及びインダクタンス素子の製造方法
JP4600742B2 (ja) 2004-09-30 2010-12-15 ブラザー工業株式会社 印字ヘッド及びタグラベル作成装置
JP2006107296A (ja) 2004-10-08 2006-04-20 Dainippon Printing Co Ltd 非接触icタグおよび非接触icタグ用アンテナ
GB2419779A (en) 2004-10-29 2006-05-03 Hewlett Packard Development Co Document having conductive tracks for coupling to a memory tag and a reader
EP1807814A1 (en) 2004-11-05 2007-07-18 Qinetiq Limited Detunable rf tags
JP4088797B2 (ja) 2004-11-18 2008-05-21 日本電気株式会社 Rfidタグ
JP2006148518A (ja) 2004-11-19 2006-06-08 Matsushita Electric Works Ltd 非接触icカードの調整装置および調整方法
JP2006151402A (ja) 2004-11-25 2006-06-15 Rengo Co Ltd 無線タグを備えた段ボール箱
US7545328B2 (en) 2004-12-08 2009-06-09 Electronics And Telecommunications Research Institute Antenna using inductively coupled feeding method, RFID tag using the same and antenna impedance matching method thereof
JP4281683B2 (ja) 2004-12-16 2009-06-17 株式会社デンソー Icタグの取付構造
JP4541246B2 (ja) 2004-12-24 2010-09-08 トッパン・フォームズ株式会社 非接触icモジュール
JP4942998B2 (ja) 2004-12-24 2012-05-30 株式会社半導体エネルギー研究所 半導体装置及び半導体装置の作製方法
US8716834B2 (en) 2004-12-24 2014-05-06 Semiconductor Energy Laboratory Co., Ltd. Semiconductor device including antenna
JP4737505B2 (ja) 2005-01-14 2011-08-03 日立化成工業株式会社 Icタグインレット及びicタグインレットの製造方法
JP4711692B2 (ja) 2005-02-01 2011-06-29 富士通株式会社 メアンダラインアンテナ
JP2006237674A (ja) 2005-02-22 2006-09-07 Suncall Corp パッチアンテナ及びrfidインレット
JP2006232292A (ja) 2005-02-22 2006-09-07 Nippon Sheet Glass Co Ltd 電子タグ付き容器およびrfidシステム
US7932081B2 (en) 2005-03-10 2011-04-26 Gen-Probe Incorporated Signal measuring system for conducting real-time amplification assays
JP4330575B2 (ja) 2005-03-17 2009-09-16 富士通株式会社 タグアンテナ
JP4437965B2 (ja) 2005-03-22 2010-03-24 Necトーキン株式会社 無線タグ
JP4087859B2 (ja) 2005-03-25 2008-05-21 東芝テック株式会社 無線タグ
JP4536775B2 (ja) 2005-04-01 2010-09-01 富士通フロンテック株式会社 金属対応rfidタグ及びそのrfidタグ部
JP4750450B2 (ja) 2005-04-05 2011-08-17 富士通株式会社 Rfidタグ
JP2006302219A (ja) 2005-04-25 2006-11-02 Fujita Denki Seisakusho:Kk Rfidタグ通信範囲設定装置
JP4771115B2 (ja) 2005-04-27 2011-09-14 日立化成工業株式会社 Icタグ
JP4529786B2 (ja) 2005-04-28 2010-08-25 株式会社日立製作所 信号処理回路、及びこれを用いた非接触icカード並びにタグ
JP4452865B2 (ja) 2005-04-28 2010-04-21 智三 太田 無線icタグ装置及びrfidシステム
JP4740645B2 (ja) 2005-05-17 2011-08-03 富士通株式会社 半導体装置の製造方法
US7688272B2 (en) 2005-05-30 2010-03-30 Semiconductor Energy Laboratory Co., Ltd. Semiconductor device
JP4255931B2 (ja) 2005-06-01 2009-04-22 日本電信電話株式会社 非接触ic媒体及び制御装置
JP2007007888A (ja) 2005-06-28 2007-01-18 Oji Paper Co Ltd 非接触icチップ実装体装着ダンボールおよびその製造方法
JP4720348B2 (ja) 2005-08-04 2011-07-13 パナソニック株式会社 Rf−idリーダーライター装置用アンテナ及びそれを用いたrf−idリーダーライター装置並びにrf−idシステム
JP4737716B2 (ja) 2005-08-11 2011-08-03 ブラザー工業株式会社 無線タグic回路保持体、タグテープロール、無線タグカートリッジ
JP4801951B2 (ja) 2005-08-18 2011-10-26 富士通フロンテック株式会社 Rfidタグ
DE102005042444B4 (de) * 2005-09-06 2007-10-11 Ksw Microtec Ag Anordnung für eine RFID - Transponder - Antenne
JP4384102B2 (ja) 2005-09-13 2009-12-16 株式会社東芝 携帯無線機およびアンテナ装置
JP4075919B2 (ja) 2005-09-29 2008-04-16 オムロン株式会社 アンテナユニットおよび非接触icタグ
JP4826195B2 (ja) 2005-09-30 2011-11-30 大日本印刷株式会社 Rfidタグ
JP4774273B2 (ja) 2005-10-31 2011-09-14 株式会社サトー Rfidラベルおよびrfidラベルの貼付方法
JP2007159083A (ja) 2005-11-09 2007-06-21 Alps Electric Co Ltd アンテナ整合回路
TWI293819B (en) * 2005-11-14 2008-02-21 Chant Sincere Co Ltd Chip antenna
JP2007150642A (ja) * 2005-11-28 2007-06-14 Hitachi Ulsi Systems Co Ltd 無線タグ用質問器、無線タグ用アンテナ、無線タグシステムおよび無線タグ選別装置
JP2007150868A (ja) 2005-11-29 2007-06-14 Renesas Technology Corp 電子装置およびその製造方法
US7573388B2 (en) 2005-12-08 2009-08-11 The Kennedy Group, Inc. RFID device with augmented grain
JP4815211B2 (ja) 2005-12-22 2011-11-16 株式会社サトー Rfidラベルおよびrfidラベルの貼付方法
JP4848764B2 (ja) 2005-12-26 2011-12-28 大日本印刷株式会社 非接触式データキャリア装置
WO2007083575A1 (ja) 2006-01-19 2007-07-26 Murata Manufacturing Co., Ltd. 無線icデバイス
US7519328B2 (en) * 2006-01-19 2009-04-14 Murata Manufacturing Co., Ltd. Wireless IC device and component for wireless IC device
US20090231106A1 (en) 2006-01-27 2009-09-17 Totoku Electric Co., Ltd. Tag Apparatus,Transceiver Apparatus, and Tag System
JP4026080B2 (ja) 2006-02-24 2007-12-26 オムロン株式会社 アンテナ、およびrfidタグ
WO2007102360A1 (ja) 2006-03-06 2007-09-13 Mitsubishi Electric Corporation Rfidタグ、rfidタグの製造方法及びrfidタグの設置方法
JP2007287128A (ja) 2006-03-22 2007-11-01 Orient Sokki Computer Kk 非接触ic媒体
JP4735368B2 (ja) 2006-03-28 2011-07-27 富士通株式会社 平面アンテナ
JP4854362B2 (ja) 2006-03-30 2012-01-18 富士通株式会社 Rfidタグ及びその製造方法
JP4998463B2 (ja) 2006-04-10 2012-08-15 株式会社村田製作所 無線icデバイス
CN101346852B (zh) 2006-04-14 2012-12-26 株式会社村田制作所 无线ic器件
US9064198B2 (en) 2006-04-26 2015-06-23 Murata Manufacturing Co., Ltd. Electromagnetic-coupling-module-attached article
CN101416350B (zh) 2006-04-26 2013-09-04 株式会社村田制作所 带馈电电路板的物件
US7589675B2 (en) 2006-05-19 2009-09-15 Industrial Technology Research Institute Broadband antenna
JP2007324865A (ja) 2006-05-31 2007-12-13 Sony Chemical & Information Device Corp アンテナ回路及びトランスポンダ
CN101460964B (zh) 2006-06-01 2011-09-21 株式会社村田制作所 无线ic器件和无线ic器件用复合元件
JP4957724B2 (ja) 2006-07-11 2012-06-20 株式会社村田製作所 アンテナ及び無線icデバイス
JP2008033716A (ja) 2006-07-31 2008-02-14 Sankyo Kk コイン型rfidタグ
JP4913529B2 (ja) 2006-10-13 2012-04-11 トッパン・フォームズ株式会社 Rfidメディア
JP2008107947A (ja) 2006-10-24 2008-05-08 Toppan Printing Co Ltd Rfidタグ
DE102006057369A1 (de) 2006-12-04 2008-06-05 Airbus Deutschland Gmbh RFID-Etikett, sowie dessen Verwendung und ein damit gekennzeichnetes Objekt
EP2133955A1 (en) * 2007-03-29 2009-12-16 Panasonic Corporation Antenna device and portable terminal
EP2133827B1 (en) 2007-04-06 2012-04-25 Murata Manufacturing Co. Ltd. Radio ic device
US8009101B2 (en) * 2007-04-06 2011-08-30 Murata Manufacturing Co., Ltd. Wireless IC device
WO2008142957A1 (ja) 2007-05-10 2008-11-27 Murata Manufacturing Co., Ltd. 無線icデバイス
WO2008140037A1 (ja) 2007-05-11 2008-11-20 Murata Manufacturing Co., Ltd. 無線icデバイス
US7830311B2 (en) 2007-07-18 2010-11-09 Murata Manufacturing Co., Ltd. Wireless IC device and electronic device
WO2009011376A1 (ja) 2007-07-18 2009-01-22 Murata Manufacturing Co., Ltd. 無線icデバイス
ES2371366T3 (es) * 2007-10-03 2011-12-30 Assa Abloy Ab Dispositivo de acoplamiento para transpondedor y tarjeta inteligente con dicho dispositivo.
KR101047189B1 (ko) 2007-12-20 2011-07-06 가부시키가이샤 무라타 세이사쿠쇼 무선 ic 디바이스
EP2251934B1 (en) 2008-03-03 2018-05-02 Murata Manufacturing Co. Ltd. Wireless ic device and wireless communication system
CN102598413A (zh) * 2009-10-27 2012-07-18 株式会社村田制作所 收发装置及无线标签读取装置

Patent Citations (5)

* Cited by examiner, † Cited by third party
Publication number Priority date Publication date Assignee Title
WO2007066267A2 (en) * 2005-12-07 2007-06-14 Nxp B.V. Circuit arrangement for a transponder and method for operating the circuit arrangement
WO2007083574A1 (ja) * 2006-01-19 2007-07-26 Murata Manufacturing Co., Ltd. 無線icデバイス及び無線icデバイス用部品
WO2007084989A2 (en) * 2006-01-19 2007-07-26 Transpacific Technologies, Llc Rfid antenna
WO2007119310A1 (ja) * 2006-04-14 2007-10-25 Murata Manufacturing Co., Ltd. アンテナ
WO2007125683A1 (ja) * 2006-04-26 2007-11-08 Murata Manufacturing Co., Ltd. 電磁結合モジュール付き物品

Cited By (29)

* Cited by examiner, † Cited by third party
Publication number Priority date Publication date Assignee Title
US8797148B2 (en) 2008-03-03 2014-08-05 Murata Manufacturing Co., Ltd. Radio frequency IC device and radio communication system
US9022295B2 (en) 2008-05-21 2015-05-05 Murata Manufacturing Co., Ltd. Wireless IC device
US8973841B2 (en) 2008-05-21 2015-03-10 Murata Manufacturing Co., Ltd. Wireless IC device
US9281873B2 (en) 2008-05-26 2016-03-08 Murata Manufacturing Co., Ltd. Wireless IC device system and method of determining authenticity of wireless IC device
US8917211B2 (en) 2008-11-17 2014-12-23 Murata Manufacturing Co., Ltd. Antenna and wireless IC device
US8876010B2 (en) 2009-04-14 2014-11-04 Murata Manufacturing Co., Ltd Wireless IC device component and wireless IC device
US8976075B2 (en) 2009-04-21 2015-03-10 Murata Manufacturing Co., Ltd. Antenna device and method of setting resonant frequency of antenna device
US8853549B2 (en) 2009-09-30 2014-10-07 Murata Manufacturing Co., Ltd. Circuit substrate and method of manufacturing same
US9117157B2 (en) 2009-10-02 2015-08-25 Murata Manufacturing Co., Ltd. Wireless IC device and electromagnetic coupling module
US9024725B2 (en) 2009-11-04 2015-05-05 Murata Manufacturing Co., Ltd. Communication terminal and information processing system
US10013650B2 (en) 2010-03-03 2018-07-03 Murata Manufacturing Co., Ltd. Wireless communication module and wireless communication device
US9727765B2 (en) 2010-03-24 2017-08-08 Murata Manufacturing Co., Ltd. RFID system including a reader/writer and RFID tag
US9024837B2 (en) 2010-03-31 2015-05-05 Murata Manufacturing Co., Ltd. Antenna and wireless communication device
US9558384B2 (en) 2010-07-28 2017-01-31 Murata Manufacturing Co., Ltd. Antenna apparatus and communication terminal instrument
US8960561B2 (en) 2011-02-28 2015-02-24 Murata Manufacturing Co., Ltd. Wireless communication device
US8757502B2 (en) 2011-02-28 2014-06-24 Murata Manufacturing Co., Ltd. Wireless communication device
JP5630566B2 (ja) * 2011-03-08 2014-11-26 株式会社村田製作所 アンテナ装置及び通信端末機器
WO2012121185A1 (ja) * 2011-03-08 2012-09-13 株式会社村田製作所 アンテナ装置及び通信端末機器
US8797225B2 (en) 2011-03-08 2014-08-05 Murata Manufacturing Co., Ltd. Antenna device and communication terminal apparatus
US8740093B2 (en) 2011-04-13 2014-06-03 Murata Manufacturing Co., Ltd. Radio IC device and radio communication terminal
US9378452B2 (en) 2011-05-16 2016-06-28 Murata Manufacturing Co., Ltd. Radio IC device
US8770489B2 (en) 2011-07-15 2014-07-08 Murata Manufacturing Co., Ltd. Radio communication device
US8814056B2 (en) 2011-07-19 2014-08-26 Murata Manufacturing Co., Ltd. Antenna device, RFID tag, and communication terminal apparatus
US9543642B2 (en) 2011-09-09 2017-01-10 Murata Manufacturing Co., Ltd. Antenna device and wireless device
US8905296B2 (en) 2011-12-01 2014-12-09 Murata Manufacturing Co., Ltd. Wireless integrated circuit device and method of manufacturing the same
WO2013115019A1 (ja) * 2012-01-30 2013-08-08 株式会社村田製作所 無線icデバイス
US8720789B2 (en) 2012-01-30 2014-05-13 Murata Manufacturing Co., Ltd. Wireless IC device
US9692128B2 (en) 2012-02-24 2017-06-27 Murata Manufacturing Co., Ltd. Antenna device and wireless communication device
US10235544B2 (en) 2012-04-13 2019-03-19 Murata Manufacturing Co., Ltd. Inspection method and inspection device for RFID tag

Also Published As

Publication number Publication date
CN101595599A (zh) 2009-12-02
KR20090088386A (ko) 2009-08-19
JPWO2009081719A1 (ja) 2011-05-06
EP2408064B1 (en) 2020-08-05
KR20110049922A (ko) 2011-05-12
US20110254752A1 (en) 2011-10-20
ATE555518T1 (de) 2012-05-15
KR101047189B1 (ko) 2011-07-06
EP2408064A1 (en) 2012-01-18
JP4462388B2 (ja) 2010-05-12
US7990337B2 (en) 2011-08-02
EP2096709B1 (en) 2012-04-25
EP2096709A1 (en) 2009-09-02
WO2009081719A1 (ja) 2009-07-02
US20090160719A1 (en) 2009-06-25
EP2096709A4 (en) 2010-08-18
JP5056830B2 (ja) 2012-10-24
KR101082702B1 (ko) 2011-11-15
US8610636B2 (en) 2013-12-17
CN101595599B (zh) 2013-05-01

Similar Documents

Publication Publication Date Title
JP5056830B2 (ja) 給電回路
JP6137362B2 (ja) 無線icデバイス用部品及び無線icデバイス
JP4404166B2 (ja) 無線icデバイス
US9117157B2 (en) Wireless IC device and electromagnetic coupling module
CN102576929B (zh) 天线装置以及移动通信终端
US9634376B2 (en) Wireless communication device
JPWO2010079830A1 (ja) 無線icデバイスおよび無線icモジュール
CN102124605A (zh) 无线ic器件及其制造方法
JP4666101B2 (ja) 無線icデバイス
JP5516580B2 (ja) 無線icデバイス及び給電回路と放射板との結合方法
JP5092599B2 (ja) 無線icデバイス

Legal Events

Date Code Title Description
A131 Notification of reasons for refusal

Free format text: JAPANESE INTERMEDIATE CODE: A131

Effective date: 20120207

A521 Request for written amendment filed

Free format text: JAPANESE INTERMEDIATE CODE: A523

Effective date: 20120404

RD02 Notification of acceptance of power of attorney

Free format text: JAPANESE INTERMEDIATE CODE: A7422

Effective date: 20120404

TRDD Decision of grant or rejection written
A01 Written decision to grant a patent or to grant a registration (utility model)

Free format text: JAPANESE INTERMEDIATE CODE: A01

Effective date: 20120703

A01 Written decision to grant a patent or to grant a registration (utility model)

Free format text: JAPANESE INTERMEDIATE CODE: A01

A61 First payment of annual fees (during grant procedure)

Free format text: JAPANESE INTERMEDIATE CODE: A61

Effective date: 20120716

FPAY Renewal fee payment (event date is renewal date of database)

Free format text: PAYMENT UNTIL: 20150810

Year of fee payment: 3

R150 Certificate of patent or registration of utility model

Ref document number: 5056830

Country of ref document: JP

Free format text: JAPANESE INTERMEDIATE CODE: R150

Free format text: JAPANESE INTERMEDIATE CODE: R150