JP5957553B2 - 半導体装置 - Google Patents

半導体装置 Download PDF

Info

Publication number
JP5957553B2
JP5957553B2 JP2015033863A JP2015033863A JP5957553B2 JP 5957553 B2 JP5957553 B2 JP 5957553B2 JP 2015033863 A JP2015033863 A JP 2015033863A JP 2015033863 A JP2015033863 A JP 2015033863A JP 5957553 B2 JP5957553 B2 JP 5957553B2
Authority
JP
Japan
Prior art keywords
transistor
oxide semiconductor
semiconductor layer
electrode
insulating layer
Prior art date
Legal status (The legal status is an assumption and is not a legal conclusion. Google has not performed a legal analysis and makes no representation as to the accuracy of the status listed.)
Expired - Fee Related
Application number
JP2015033863A
Other languages
English (en)
Other versions
JP2015146424A (ja
Inventor
加藤 清
清 加藤
小山 潤
潤 小山
Current Assignee (The listed assignees may be inaccurate. Google has not performed a legal analysis and makes no representation or warranty as to the accuracy of the list.)
Semiconductor Energy Laboratory Co Ltd
Original Assignee
Semiconductor Energy Laboratory Co Ltd
Priority date (The priority date is an assumption and is not a legal conclusion. Google has not performed a legal analysis and makes no representation as to the accuracy of the date listed.)
Filing date
Publication date
Application filed by Semiconductor Energy Laboratory Co Ltd filed Critical Semiconductor Energy Laboratory Co Ltd
Priority to JP2015033863A priority Critical patent/JP5957553B2/ja
Publication of JP2015146424A publication Critical patent/JP2015146424A/ja
Application granted granted Critical
Publication of JP5957553B2 publication Critical patent/JP5957553B2/ja
Expired - Fee Related legal-status Critical Current
Anticipated expiration legal-status Critical

Links

Images

Classifications

    • HELECTRICITY
    • H03ELECTRONIC CIRCUITRY
    • H03KPULSE TECHNIQUE
    • H03K19/00Logic circuits, i.e. having at least two inputs acting on one output; Inverting circuits
    • H03K19/02Logic circuits, i.e. having at least two inputs acting on one output; Inverting circuits using specified components
    • H03K19/173Logic circuits, i.e. having at least two inputs acting on one output; Inverting circuits using specified components using elementary logic circuits as components
    • H03K19/1733Controllable logic circuits
    • GPHYSICS
    • G11INFORMATION STORAGE
    • G11CSTATIC STORES
    • G11C14/00Digital stores characterised by arrangements of cells having volatile and non-volatile storage properties for back-up when the power is down
    • G11C14/0054Digital stores characterised by arrangements of cells having volatile and non-volatile storage properties for back-up when the power is down in which the volatile element is a SRAM cell
    • G11C14/0063Digital stores characterised by arrangements of cells having volatile and non-volatile storage properties for back-up when the power is down in which the volatile element is a SRAM cell and the nonvolatile element is an EEPROM element, e.g. a floating gate or MNOS transistor
    • HELECTRICITY
    • H03ELECTRONIC CIRCUITRY
    • H03KPULSE TECHNIQUE
    • H03K3/00Circuits for generating electric pulses; Monostable, bistable or multistable circuits
    • H03K3/02Generators characterised by the type of circuit or by the means used for producing pulses
    • H03K3/353Generators characterised by the type of circuit or by the means used for producing pulses by the use, as active elements, of field-effect transistors with internal or external positive feedback
    • H03K3/356Bistable circuits
    • H03K3/356008Bistable circuits ensuring a predetermined initial state when the supply voltage has been applied; storing the actual state when the supply voltage fails
    • HELECTRICITY
    • H03ELECTRONIC CIRCUITRY
    • H03KPULSE TECHNIQUE
    • H03K3/00Circuits for generating electric pulses; Monostable, bistable or multistable circuits
    • H03K3/02Generators characterised by the type of circuit or by the means used for producing pulses
    • H03K3/353Generators characterised by the type of circuit or by the means used for producing pulses by the use, as active elements, of field-effect transistors with internal or external positive feedback
    • H03K3/356Bistable circuits
    • H03K3/356017Bistable circuits using additional transistors in the input circuit
    • H03K3/356052Bistable circuits using additional transistors in the input circuit using pass gates
    • H03K3/35606Bistable circuits using additional transistors in the input circuit using pass gates with synchronous operation
    • HELECTRICITY
    • H10SEMICONDUCTOR DEVICES; ELECTRIC SOLID-STATE DEVICES NOT OTHERWISE PROVIDED FOR
    • H10DINORGANIC ELECTRIC SEMICONDUCTOR DEVICES
    • H10D30/00Field-effect transistors [FET]
    • H10D30/60Insulated-gate field-effect transistors [IGFET]
    • H10D30/67Thin-film transistors [TFT]
    • H10D30/674Thin-film transistors [TFT] characterised by the active materials
    • H10D30/6755Oxide semiconductors, e.g. zinc oxide, copper aluminium oxide or cadmium stannate
    • HELECTRICITY
    • H10SEMICONDUCTOR DEVICES; ELECTRIC SOLID-STATE DEVICES NOT OTHERWISE PROVIDED FOR
    • H10DINORGANIC ELECTRIC SEMICONDUCTOR DEVICES
    • H10D84/00Integrated devices formed in or on semiconductor substrates that comprise only semiconducting layers, e.g. on Si wafers or on GaAs-on-Si wafers
    • H10D84/01Manufacture or treatment
    • H10D84/02Manufacture or treatment characterised by using material-based technologies
    • H10D84/08Manufacture or treatment characterised by using material-based technologies using combinations of technologies, e.g. using both Si and SiC technologies or using both Si and Group III-V technologies
    • HELECTRICITY
    • H10SEMICONDUCTOR DEVICES; ELECTRIC SOLID-STATE DEVICES NOT OTHERWISE PROVIDED FOR
    • H10DINORGANIC ELECTRIC SEMICONDUCTOR DEVICES
    • H10D84/00Integrated devices formed in or on semiconductor substrates that comprise only semiconducting layers, e.g. on Si wafers or on GaAs-on-Si wafers
    • H10D84/80Integrated devices formed in or on semiconductor substrates that comprise only semiconducting layers, e.g. on Si wafers or on GaAs-on-Si wafers characterised by the integration of at least one component covered by groups H10D12/00 or H10D30/00, e.g. integration of IGFETs
    • H10D84/82Integrated devices formed in or on semiconductor substrates that comprise only semiconducting layers, e.g. on Si wafers or on GaAs-on-Si wafers characterised by the integration of at least one component covered by groups H10D12/00 or H10D30/00, e.g. integration of IGFETs of only field-effect components
    • H10D84/83Integrated devices formed in or on semiconductor substrates that comprise only semiconducting layers, e.g. on Si wafers or on GaAs-on-Si wafers characterised by the integration of at least one component covered by groups H10D12/00 or H10D30/00, e.g. integration of IGFETs of only field-effect components of only insulated-gate FETs [IGFET]
    • HELECTRICITY
    • H10SEMICONDUCTOR DEVICES; ELECTRIC SOLID-STATE DEVICES NOT OTHERWISE PROVIDED FOR
    • H10DINORGANIC ELECTRIC SEMICONDUCTOR DEVICES
    • H10D86/00Integrated devices formed in or on insulating or conducting substrates, e.g. formed in silicon-on-insulator [SOI] substrates or on stainless steel or glass substrates
    • H10D86/01Manufacture or treatment
    • HELECTRICITY
    • H10SEMICONDUCTOR DEVICES; ELECTRIC SOLID-STATE DEVICES NOT OTHERWISE PROVIDED FOR
    • H10DINORGANIC ELECTRIC SEMICONDUCTOR DEVICES
    • H10D86/00Integrated devices formed in or on insulating or conducting substrates, e.g. formed in silicon-on-insulator [SOI] substrates or on stainless steel or glass substrates
    • H10D86/201Integrated devices formed in or on insulating or conducting substrates, e.g. formed in silicon-on-insulator [SOI] substrates or on stainless steel or glass substrates the substrates comprising an insulating layer on a semiconductor body, e.g. SOI
    • HELECTRICITY
    • H10SEMICONDUCTOR DEVICES; ELECTRIC SOLID-STATE DEVICES NOT OTHERWISE PROVIDED FOR
    • H10DINORGANIC ELECTRIC SEMICONDUCTOR DEVICES
    • H10D86/00Integrated devices formed in or on insulating or conducting substrates, e.g. formed in silicon-on-insulator [SOI] substrates or on stainless steel or glass substrates
    • H10D86/40Integrated devices formed in or on insulating or conducting substrates, e.g. formed in silicon-on-insulator [SOI] substrates or on stainless steel or glass substrates characterised by multiple TFTs
    • H10D86/421Integrated devices formed in or on insulating or conducting substrates, e.g. formed in silicon-on-insulator [SOI] substrates or on stainless steel or glass substrates characterised by multiple TFTs having a particular composition, shape or crystalline structure of the active layer
    • H10D86/423Integrated devices formed in or on insulating or conducting substrates, e.g. formed in silicon-on-insulator [SOI] substrates or on stainless steel or glass substrates characterised by multiple TFTs having a particular composition, shape or crystalline structure of the active layer comprising semiconductor materials not belonging to the Group IV, e.g. InGaZnO
    • HELECTRICITY
    • H10SEMICONDUCTOR DEVICES; ELECTRIC SOLID-STATE DEVICES NOT OTHERWISE PROVIDED FOR
    • H10DINORGANIC ELECTRIC SEMICONDUCTOR DEVICES
    • H10D86/00Integrated devices formed in or on insulating or conducting substrates, e.g. formed in silicon-on-insulator [SOI] substrates or on stainless steel or glass substrates
    • H10D86/40Integrated devices formed in or on insulating or conducting substrates, e.g. formed in silicon-on-insulator [SOI] substrates or on stainless steel or glass substrates characterised by multiple TFTs
    • H10D86/481Integrated devices formed in or on insulating or conducting substrates, e.g. formed in silicon-on-insulator [SOI] substrates or on stainless steel or glass substrates characterised by multiple TFTs integrated with passive devices, e.g. auxiliary capacitors
    • HELECTRICITY
    • H10SEMICONDUCTOR DEVICES; ELECTRIC SOLID-STATE DEVICES NOT OTHERWISE PROVIDED FOR
    • H10DINORGANIC ELECTRIC SEMICONDUCTOR DEVICES
    • H10D86/00Integrated devices formed in or on insulating or conducting substrates, e.g. formed in silicon-on-insulator [SOI] substrates or on stainless steel or glass substrates
    • H10D86/40Integrated devices formed in or on insulating or conducting substrates, e.g. formed in silicon-on-insulator [SOI] substrates or on stainless steel or glass substrates characterised by multiple TFTs
    • H10D86/60Integrated devices formed in or on insulating or conducting substrates, e.g. formed in silicon-on-insulator [SOI] substrates or on stainless steel or glass substrates characterised by multiple TFTs wherein the TFTs are in active matrices
    • HELECTRICITY
    • H10SEMICONDUCTOR DEVICES; ELECTRIC SOLID-STATE DEVICES NOT OTHERWISE PROVIDED FOR
    • H10DINORGANIC ELECTRIC SEMICONDUCTOR DEVICES
    • H10D88/00Three-dimensional [3D] integrated devices
    • GPHYSICS
    • G11INFORMATION STORAGE
    • G11CSTATIC STORES
    • G11C16/00Erasable programmable read-only memories
    • G11C16/02Erasable programmable read-only memories electrically programmable
    • HELECTRICITY
    • H10SEMICONDUCTOR DEVICES; ELECTRIC SOLID-STATE DEVICES NOT OTHERWISE PROVIDED FOR
    • H10BELECTRONIC MEMORY DEVICES
    • H10B41/00Electrically erasable-and-programmable ROM [EEPROM] devices comprising floating gates
    • H10B41/70Electrically erasable-and-programmable ROM [EEPROM] devices comprising floating gates the floating gate being an electrode shared by two or more components

Landscapes

  • Engineering & Computer Science (AREA)
  • Physics & Mathematics (AREA)
  • Computer Hardware Design (AREA)
  • Computing Systems (AREA)
  • General Engineering & Computer Science (AREA)
  • Mathematical Physics (AREA)
  • Microelectronics & Electronic Packaging (AREA)
  • Thin Film Transistor (AREA)
  • Static Random-Access Memory (AREA)
  • Dram (AREA)
  • Metal-Oxide And Bipolar Metal-Oxide Semiconductor Integrated Circuits (AREA)
  • Semiconductor Memories (AREA)
  • Semiconductor Integrated Circuits (AREA)
  • Recrystallisation Techniques (AREA)
  • Shift Register Type Memory (AREA)
  • Read Only Memory (AREA)

Description

開示する発明は、電源を切っても記憶している論理状態が消えない不揮発性の論理回路及
びそれを用いた半導体装置に関する。特に、不揮発性のラッチ回路及びそれを用いた半導
体装置に関する。
電源を切っても記憶が消えない「不揮発」という性質を論理回路に取り入れた不揮発性ロ
ジック回路を有する集積回路が提案されている。例えば、不揮発性ロジック回路として強
誘電体素子を用いた不揮発性のラッチ回路が提案されている(特許文献1)。
国際公開第2003/044953号
しかし、強誘電体素子を用いた不揮発性のラッチ回路は、書き換え回数の信頼性や低電圧
化に課題がある。また、強誘電体素子は、素子に印加される電界によって分極し、この分
極が残ることで情報を記憶する。しかし、この残留分極が小さいと、ばらつきの影響が大
きくなったり、高精度の読み出し回路が必要になったりする。
このような問題に鑑み本発明の一形態は、新規な不揮発性のラッチ回路及びそれを用いた
半導体装置を提供することを課題の一とする。
本発明の一形態は、第1の素子の出力は第2の素子の入力に電気的に接続され、第2の素
子の出力は第2のトランジスタを介して第1の素子の入力に電気的に接続されるループ構
造を有するラッチ回路であって、チャネル形成領域を構成する半導体材料として酸化物半
導体を用いたトランジスタをスイッチング素子として用い、またこのトランジスタのソー
ス電極又はドレイン電極に電気的に接続された容量を有することで、ラッチ回路のデータ
を保持することができる。これにより不揮発性のラッチ回路を構成することができる。上
記酸化物半導体を用いたトランジスタを用いて、容量に書き込まれたデータを保持するこ
とができる。容量は、ラッチ回路が有するループ構造の所定の位置に電気的に接続されて
いる。従って、不揮発性のラッチ回路は、ラッチ回路が有するデータに応じた電荷を自動
的に容量に蓄積し、書き込みを行う構成を有している。
すなわち本発明の一形態は、チャネル形成領域を構成する半導体材料として酸化物半導体
を用いた第1のトランジスタと第2のトランジスタとをスイッチング素子として用いたラ
ッチ回路であって、第1のトランジスタと第2のトランジスタのソース電極及びドレイン
電極の一方にそれぞれ電気的に接続された容量を有している。上記ラッチ回路は、第1の
素子の出力は第2の素子の入力に電気的に接続され、第2の素子の出力は第2のトランジ
スタを介して第1の素子の入力に電気的に接続されるループ構造を有している。第1の素
子の入力は、第1のトランジスタを介して入力信号が与えられる配線に電気的に接続され
ている。第1の素子の出力は、出力信号が与えられる配線に電気的に接続されている。す
なわち、第1のトランジスタは、入力信号が与えられる配線と第1の素子の入力との間に
設けられ、第2のトランジスタは、第2の素子の出力と第1の素子の入力との間に設けら
れている。
上記において、容量の一方の電極は、第2のトランジスタのソース電極及びドレイン電極
の一方及び第1の素子の入力に電気的に接続されている。また、この容量の一方の電極は
、第1のトランジスタのソース電極及びドレイン電極の一方に電気的に接続されている。
第2のトランジスタのソース電極及びドレイン電極の他方は、第2の素子の出力に電気的
に接続されている。第1のトランジスタのソース電極及びドレイン電極の他方は、入力信
号が与えられる配線に電気的に接続されている。
上記において、第1の素子は少なくとも第3のトランジスタを有している。この第3のト
ランジスタのゲートは第1の素子の入力に電気的に接続されており、第3のトランジスタ
のゲートは、第2のトランジスタのソース電極及びドレイン電極の一方に電気的に接続さ
れている。また、第3のトランジスタのゲートは、第1のトランジスタのソース電極及び
ドレイン電極の一方に電気的に接続されている。
上記において、ラッチ回路のデータを保持する容量として、第2のトランジスタと第1の
素子の入力との間に設けられた容量を用いることができる。また、ラッチ回路のデータを
保持する容量として、第3のトランジスタのゲート容量を用いることができる。また、ラ
ッチ回路のデータを保持する容量として、第1の素子が有する第3のトランジスタ以外の
トランジスタのゲート容量を用いることができる。上記容量は組み合わせて用いることが
できる。また第3のトランジスタのゲート容量だけを用い、それ以外の容量を用いない構
成とすることもできる。
上記において、第1のトランジスタと第2のトランジスタは、容量に書き込まれたデータ
を保持させる機能を有している。容量は、ラッチ回路が有するループ構造の所定の位置に
電気的に接続されている。従って、不揮発性のラッチ回路は、ラッチ回路が有するデータ
に応じた電荷を自動的に容量に蓄積し、書き込みを行う構成を有している。
上記において、第1の素子と第2の素子とは、入力された信号を反転したものが出力とな
る素子を用いることができる。例えば、第1の素子と第2の素子として、インバータ、N
AND(ナンド)、NOR(ノア)、クロックドインバータ等を用いることができる。例
えば、第1の素子としてインバータを用い、第2の素子としてインバータを用いることが
できる。また例えば、第1の素子としてNANDを用い、第2の素子としてクロックドイ
ンバータを用いることができる。
上記において、第1のトランジスタと第2のトランジスタのそれぞれのチャネル形成領域
を構成する酸化物半導体層として、四元系金属酸化物であるIn−Sn−Ga−Zn−O
や、三元系金属酸化物であるIn−Ga−Zn−O、In−Sn−Zn−O、In−Al
−Zn−O、Sn−Ga−Zn−O、Al−Ga−Zn−O、Sn−Al−Zn−Oや、
二元系金属酸化物であるIn−Zn−O、Sn−Zn−O、Al−Zn−O、Zn−Mg
−O、Sn−Mg−O、In−Mg−Oや、In−O、Sn−O、Zn−Oなどを用いた
酸化物半導体層を適用することができる。また、上記酸化物半導体材料にSiOを含ま
せても良い。
上記において、例えば、In−Sn−Ga−Zn−O系酸化物半導体とは、少なくともI
n、Sn、Ga、Znを含む酸化物半導体という意味であり、それぞれの金属元素の組成
比に制限はなく、また、In、Sn、Ga、Zn以外の金属元素が含まれていてもよい。
また、酸化物半導体層として、InMO(ZnO)(m>0、且つ自然数でない)で
表記される材料を含む膜を用いることができる。ここで、Mは、Ga、Al、Mnおよび
Coから選ばれた一または複数の金属元素を示す。例えば、Mとしては、Ga、Gaおよ
びAl、GaおよびMn、GaおよびCoなどを適用することができる。
上記において、酸化物半導体層の水素濃度は5×1019/cm以下、望ましくは5×
1018/cm以下、より望ましくは5×1017/cm以下、より望ましくは1×
1016/cm未満とすることができる。また、酸化物半導体層のキャリア濃度は1×
1014/cm未満、望ましくは1×1012/cm未満、より望ましくは1×10
11/cm未満とすることができる。
上記において、酸化物半導体を用いたトランジスタは、ボトムゲート型であっても良いし
、トップゲート型であっても良いし、ボトムコンタクト型であっても良い。ボトムゲート
型トランジスタは、絶縁表面上のゲート電極と、ゲート電極上のゲート絶縁膜と、ゲート
絶縁膜上においてゲート電極と重なる酸化物半導体層と、酸化物半導体層上のソース電極
、ドレイン電極と、ソース電極、ドレイン電極及び酸化物半導体層上の絶縁膜とを有する
。トップゲート型トランジスタは、絶縁表面上の酸化物半導体層と、酸化物半導体層上の
ゲート絶縁膜と、ゲート絶縁膜上において酸化物半導体膜と重なり、なおかつ導電膜とし
て機能するゲート電極と、ドレイン電極、ソース電極と、酸化物半導体層上の絶縁膜とを
有することができる。また、別のトップゲート型トランジスタは、絶縁表面上の酸化物半
導体層と、酸化物半導体層上のドレイン電極、ソース電極と、酸化物半導体層、ドレイン
電極及びソース電極上のゲート絶縁膜と、ゲート絶縁膜上において酸化物半導体層と重な
り、なおかつ導電膜として機能するゲート電極とを有することができる。ボトムコンタク
ト型トランジスタは、絶縁表面上のゲート電極と、ゲート電極上のゲート絶縁膜と、ゲー
ト絶縁膜上のソース電極、ドレイン電極と、ソース電極、ドレイン電極上にあり、なおか
つゲート絶縁膜上においてゲート電極と重なる酸化物半導体層と、ソース電極、ドレイン
電極及び酸化物半導体層上の絶縁膜とを有する。
上記酸化物半導体材料により形成された酸化物半導体層をチャネル形成領域に用いたトラ
ンジスタ(第1のトランジスタ、第2のトランジスタ)は、例えばチャネル幅Wが1×1
μmでチャネル長が3μmの素子であっても、室温(例えば20℃)でのオフ電流が
10−13A以下、サブスレッショルドスイング値(S値)が0.1V/dec.程度(
ゲート絶縁膜厚100nm)の特性が得られる。また上記トランジスタは、ゲート電極と
ソース電極間の電圧がほぼ0Vの状態においてトランジスタがオフとなるノーマリーオフ
(nチャネル型の場合、しきい値電圧が正の値となること)の特性を有している。
従って、上記トランジスタは、ゲート電極とソース電極間の電圧がほぼ0Vの状態におけ
るオフ電流(リーク電流ともいう)が、シリコンをチャネル形成領域に用いたトランジス
タに比べて著しく小さいという特性を有している。例えば、上記のW=1×10μmの
トランジスタにおいてはチャネル幅1μmあたりに換算した室温でのリーク電流は10a
A以下(以後、本明細書では、室温での単位チャネル幅リーク電流が10aA/μm以下
、と表現する)、好ましくは1aA以下(1aA/μm以下)とすることができる。
そのため、チャネル形成領域に酸化物半導体層を用いたトランジスタをスイッチング素子
として用いることで、ラッチ回路への電源電圧の供給が停止された後も、容量に蓄積され
た電荷をそのまま保持し続けることができる。すなわち、容量に書き込まれたデータをそ
のまま保持し続けることができる。
例えば、リフレッシュタイムは、シリコンをチャネル形成領域に用いたトランジスタを用
いて構成されたDRAMよりも遙かに長時間とすることが可能であり、不揮発性メモリと
同程度のメモリ保有性(データ保持性)を有することができる。また、ラッチ回路への電
源電圧の供給が再び開始された後には、容量に保持されたデータを読み出すことができる
。これにより、電源電圧の供給の停止前の論理状態に復元することができる。
また、上記トランジスタは温度特性も良好であり、高温でもオフ電流が十分低く、オン電
流が十分高いものを得ることができる。例えば、トランジスタのVg−Id特性は−25
℃〜150℃の範囲において、オン電流、移動度、S値の温度依存性が少ないというデー
タが得られている。また、オフ電流は上記温度範囲において、1×10−13A以下と極
めて小さいデータが得られている。
上記特性は、トランジスタのチャネル形成領域に、水素濃度が十分に低減されて高純度化
され、キャリア濃度が十分に小さい、真性(i型)または実質的に真性(i型)にされた
酸化物半導体を用いることにより、得られたものと考えられる。すなわち、n型不純物で
ある水素を酸化物半導体から除去し、酸化物半導体の主成分以外の不純物が極力含まれな
いように高純度化することにより酸化物半導体を真性(i型)または実質的に真性(i型
)とした酸化物半導体を、トランジスタのチャネル形成領域に用いたものである。
なお、本明細書では、キャリア濃度が1×1011/cm未満の半導体を「真性」ある
いは「i型」、それ以上であるが、1×1012/cm未満のものを、「実質的に真性
」あるいは「実質的にi型」と呼ぶ。
このような、真性(i型)、あるいは、実質的に真性(i型)の酸化物半導体を用いたト
ランジスタは、チャネル幅Wが1μmあたりのオフ電流が10aA(1×10−17A)
/μm以下、より好ましくは1aA(1×10−18A)/μm以下とすることができる
このように、本発明の一形態は、チャネル形成領域を構成する半導体材料として酸化物半
導体を用いたトランジスタをスイッチング素子として用いることで、温度動作範囲が広く
高温でも安定に動作し、電源を切っても記憶している論理状態が消えない不揮発性のラッ
チ回路を提供するものである。
上記において、不揮発性のラッチ回路を用いることで、さまざまな論理回路を提供するこ
とができる。また、上記論理回路を用いたさまざまな半導体装置を提供することができる
。例えば、論理回路が有する複数のブロック回路のうち、使用しない一又は複数のブロッ
ク回路への電源電圧の供給を停止することができる。上記不揮発性のラッチ回路を用いる
ことで、ブロック回路への電源電圧の供給を停止した後も、ブロック回路の論理状態を記
憶しつづけることができる。また、ブロック回路への電源電圧の供給が再び開始された後
に、記憶している論理状態を読み出すことができる。これにより、電源電圧の供給の停止
前の論理状態に復元することができる。
なお、本明細書等において「上」や「下」などの用語は、構成要素の位置関係が「直上」
または「直下」であることを限定するものではない。例えば、「ゲート絶縁層上のゲート
電極」の表現であれば、ゲート絶縁層とゲート電極との間に他の構成要素を含むものを除
外しない。また、「上」「下」の用語は説明の便宜のために用いる表現に過ぎず、特に言
及する場合を除き、その上下を入れ替えたものも含む。
また、本明細書等において「電極」や「配線」の用語は、これらの構成要素を機能的に限
定するものではない。例えば、「電極」は「配線」の一部として用いられることがあり、
その逆もまた同様である。さらに、「電極」や「配線」の用語は、複数の「電極」や「配
線」が一体となって形成されている場合などをも含む。
また、「ソース」や「ドレイン」の機能は、異なる極性のトランジスタを採用する場合や
、回路動作において電流の方向が変化する場合などには入れ替わることがある。このため
、本明細書においては、「ソース」や「ドレイン」の用語は、入れ替えて用いることがで
きるものとする。
また、本明細書等において、「電気的に接続」には、「何らかの電気的作用を有するもの
」を介して接続されている場合が含まれる。ここで、「何らかの電気的作用を有するもの
」は、接続対象間での電気信号の授受を可能とするものであれば、特に制限を受けない。
例えば、「何らかの電気的作用を有するもの」には、電極や配線はもちろんのこと、トラ
ンジスタなどのスイッチング素子、抵抗素子、インダクタ、キャパシタ、その他の各種機
能を有する素子などが含まれる。
また、一般に「SOI基板」は絶縁表面上にシリコン半導体層が設けられた構成の基板を
いうが、本明細書等においては、絶縁表面上にシリコン以外の材料からなる半導体層が設
けられた構成の基板をも含む概念として用いる。つまり、「SOI基板」が有する半導体
層は、シリコン半導体層に限定されない。
また、「SOI基板」における基板は、シリコンウェハなどの半導体基板に限らず、ガラ
ス基板や石英基板、サファイア基板、金属基板などの非半導体基板をも含む。つまり、導
体基板や絶縁体基板上に半導体材料からなる層を有するものも、広く「SOI基板」に含
まれる。
さらに、本明細書等において、「半導体基板」は、半導体材料のみからなる基板を指すに
留まらず、半導体材料を含む基板全般を示すものとする。つまり、本明細書等においては
「SOI基板」も広く「半導体基板」に含まれる。
本発明の一形態によれば、チャネル形成領域を構成する半導体材料として、水素濃度が十
分に低減されて高純度化され、キャリア濃度が十分に小さい、真性(i型)または実質的
に真性(i型)な酸化物半導体を用いたトランジスタをスイッチング素子として用い、ま
た、このトランジスタのソース電極又はドレイン電極に電気的に接続された容量を有する
ことで、温度動作範囲が広く高温でも安定に動作し、電源を切っても記憶している論理状
態が消えない不揮発性のラッチ回路あるいはリフレッシュ期間が十分に長いデータ保持性
を有するラッチ回路を実現することができる。また、容量に蓄積された電荷がそのままデ
ータとして保持されるため、残留分極成分をデータとする場合と比較して、ばらつきに強
く、またデータの読み出しを容易に行うことができる。
上記不揮発性のラッチ回路を用いることで、さまざまな論理回路を実現することが可能で
ある。例えば、不揮発性のラッチ回路を用いた論理回路では、使用しないブロックの電源
をオフにすることで消費電力を低減することができる。また、電源をオフにしても論理状
態を記憶していることから、電源をオンにした時のシステム起動や、電源をオフにした時
のシステム終了を高速に、かつ低電力で行うことが可能である。
不揮発性のラッチ回路の構成の一例を示す図。 不揮発性のラッチ回路の一部の構成の一例を示す図。 不揮発性のラッチ回路が有する素子の断面及び平面の一例を示す図。 不揮発性のラッチ回路が有する素子の作製方法の一例を示す図。 不揮発性のラッチ回路が有する素子の作製方法の一例を示す図。 不揮発性のラッチ回路が有する素子の作製方法の一例を示す図。 酸化物半導体を用いた逆スタガー型のトランジスタの断面構成の一例を示す図。 図7のA−A’断面におけるエネルギーバンド図(模式図)。 (A)ゲート(GE1)に正の電圧(V>0)が与えられた状態を示し、(B)ゲート(GE1)に負の電圧(V<0)が与えられた状態示す図。 真空準位と金属の仕事関数(φ)、酸化物半導体の電子親和力(χ)の関係を示す図。 不揮発性のラッチ回路の構成の一例を示す図。 不揮発性のラッチ回路の動作の一例を示す図 不揮発性のラッチ回路の動作の一例を示す図 不揮発性のラッチ回路の構成の一例を示す図。 不揮発性のラッチ回路の構成の一例を示す図。 不揮発性のラッチ回路の構成の一例を示す図。 不揮発性のラッチ回路が有する素子の作製方法の一例を示す図。 不揮発性のラッチ回路が有する素子の作製方法の一例を示す図。 不揮発性のラッチ回路を用いた半導体装置を含む電子機器の一例を示す図。
本発明の実施の形態について、図面を参照して以下に説明する。ただし、本発明は以下
の説明に限定されるものではない。本発明の趣旨およびその範囲から逸脱することなくそ
の形態および詳細を様々に変更し得ることは、当業者であれば容易に理解されるからであ
る。したがって、本発明は以下に示す実施の形態の記載内容のみに限定して解釈されるも
のではない。なお、図面を用いて本発明の構成を説明するにあたり、同じものを指す符号
は異なる図面間でも共通して用いる。
なお、各実施の形態の図面等において示す各構成の、大きさ、層の厚さ、または領域は
、明瞭化のために誇張されて表記している場合がある。よって、必ずしもそのスケールに
限定されない。
なお、本明細書にて用いる第1、第2、第3といった序数を用いた用語は、構成要素を
識別するために便宜上付したものであり、その数を限定するものではない。
(実施の形態1)
本実施の形態は、開示する発明の一態様である不揮発性のラッチ回路の構成、動作、不
揮発性のラッチ回路が有する素子の構成、作製方法等について、図1、図2、図3乃至図
6、図7乃至図10を参照して説明する。
<不揮発性のラッチ回路の構成、動作>
図1は、不揮発性のラッチ回路400の構成を示している。図1に示す不揮発性のラッチ
回路400は、第1の素子(D1)412の出力が第2の素子(D2)413の入力に電
気的に接続され、第2の素子(D2)413の出力が第2のトランジスタ432を介して
第1の素子(D1)412の入力に電気的に接続されるループ構造を有している。
第1の素子(D1)412の入力は、第1のトランジスタ431を介して入力信号が与え
られる配線414に電気的に接続されている。第1の素子(D1)412の出力は、出力
信号が与えられる配線415に電気的に接続されている。入力信号が与えられる配線41
4は、前段の回路から不揮発性のラッチ回路400へ入力される信号が与えられる配線で
ある。出力信号が与えられる配線415は、不揮発性のラッチ回路400から後段の回路
へ出力される信号が与えられる配線である。
第1の素子(D1)412の入力が複数ある場合は、そのうちの一を、第1のトランジス
タ431を介して入力信号が与えられる配線414に電気的に接続することができる。第
2の素子(D2)413の入力が複数ある場合は、そのうちの一を第1の素子(D1)4
12の出力に電気的に接続することができる。
第1の素子(D1)412は、入力された信号を反転したものが出力となる素子を用いる
ことができる。例えば、第1の素子(D1)412には、インバータ、NAND(ナンド
)、NOR(ノア)、クロックドインバータ等を用いることができる。また、第2の素子
(D2)413は、入力された信号を反転したものが出力となる素子を用いることができ
る。例えば、第2の素子(D2)413には、インバータ、NAND(ナンド)、NOR
(ノア)、クロックドインバータ等を用いることができる。
上記不揮発性のラッチ回路400は、チャネル形成領域を構成する半導体材料として酸化
物半導体を用いた第1のトランジスタ431と第2のトランジスタ432をスイッチング
素子として用いている。また上記不揮発性のラッチ回路400は、この第1のトランジス
タ431と第2のトランジスタ432のソース電極又はドレイン電極にそれぞれ電気的に
接続された容量404を有している。すなわち、第1のトランジスタ431のソース電極
及びドレイン電極の一方に容量404の一方の電極が電気的に接続され、第2のトランジ
スタ432のソース電極及びドレイン電極の一方に容量404の一方の電極が電気的に接
続されている。第1のトランジスタ431のソース電極及びドレイン電極の他方は、入力
信号が与えられる配線に電気的に接続されている。第2のトランジスタ432のソース電
極及びドレイン電極の他方は、第2の素子の出力に電気的に接続されている。容量404
の他方の電極には電位Vcが与えられる。
上記において、不揮発性のラッチ回路400が有する第1の素子412は、少なくとも第
3のトランジスタ421を有している。この第3のトランジスタ421のゲートは第1の
素子412の入力に電気的に接続されている。すなわち、第3のトランジスタ421のゲ
ートは、第2のトランジスタ432のソース電極及びドレイン電極の一方に電気的に接続
されている。また、第3のトランジスタ421のゲートは、第1のトランジスタ431の
ソース電極及びドレイン電極の一方に電気的に接続されている。
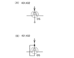
また、第1のトランジスタ431と第2のトランジスタ432はそれぞれ、図1に示す構
成に代えて、図2(A)又は図2(B)に示す構成とすることができる。
図2(A)に示すトランジスタは、第1のゲート電極と第2のゲート電極を有している。
第2のゲート電極は、チャネル形成領域を構成する酸化物半導体層を間にして第1のゲー
ト電極と反対側に設けられている。第1のゲート電極は信号が与えられる配線に電気的に
接続されている。第2のゲート電極は、所定の電位が与えられる配線に電気的に接続され
ている。例えば、第2のゲート電極は、負の電位或いは接地電位(GND)が与えられる
配線に電気的に接続されている。
図2(A)に示すトランジスタを用いた不揮発性のラッチ回路では、図1に示す不揮発性
のラッチ回路が有する効果に加えて、トランジスタの電気的特性(例えば、しきい値電圧
)の調節が容易になるという効果が得られる。例えば、トランジスタの第2のゲート電極
に負電位を与えることで、トランジスタを容易にノーマリーオフとする(すなわち、第1
のゲート電極とソース電極間の電圧がほぼ0Vの状態においてトランジスタをオフとする
)ことができる。
図2(B)に示すトランジスタは、第1のゲート電極と第2のゲート電極を有している。
第2のゲート電極は、チャネル形成領域を構成する酸化物半導体層を間にして第1のゲー
ト電極と反対側に設けられている。第2のゲート電極は、第1のゲート電極に電気的に接
続されている。
図2(B)に示すトランジスタを用いた不揮発性のラッチ回路では、図1に示す不揮発性
のラッチ回路が有する効果に加えて、トランジスタの電流量を増加できるという効果が得
られる。
図1又は図2に示す構成を有する不揮発性のラッチ回路は、以下のように、データの書き
込み、保持、読み出しが可能である。なお、以下では、図1の構成を元に説明するが、他
の構成の場合も同様である。
上で説明したとおり、不揮発性のラッチ回路400は、第1の素子(D1)412の出力
が第2の素子(D2)413の入力に電気的に接続され、第2の素子(D2)413の出
力が第2のトランジスタ432を介して第1の素子(D1)412の入力に電気的に接続
されるループ構造を有している。このループ構造の所定の位置に、容量404及び第3の
トランジスタ421のゲート容量が電気的に接続されている。具体的には、第1の素子(
D1)412の入力に、容量404の一方の電極及び第3のトランジスタ421のゲート
が電気的に接続されている。このように容量404及び第3のトランジスタ421のゲー
ト容量は、不揮発性のラッチ回路400が有するループ構造の所定の位置に電気的に接続
されている。これにより、容量404及び第3のトランジスタ421のゲート容量には、
ラッチ回路へデータを書き込む度に、データに応じた電荷が蓄積される。つまり、ラッチ
回路400が有するデータは自動的に不揮発性ラッチに書き込まれる(書き込み)。デー
タの書き換えも同様に行うことができる。
容量404及び第3のトランジスタ421のゲート容量に書き込まれたデータの保持、す
なわち、これらの容量に蓄積された電荷の保持は、第1のトランジスタ431と第2のト
ランジスタ432のゲートにそれぞれのトランジスタがオフとなる電位を与え、それぞれ
のトランジスタをオフすることにより行うことができる(保持)。
ここで、第1のトランジスタ431及び第2のトランジスタ432として、チャネル形成
領域に酸化物半導体層を用い、ノーマリーオフの特性を有し、かつオフ電流が非常に小さ
いトランジスタを用いることにより、ラッチ回路400が有する少なくとも第1の素子(
D1)412、第2の素子(D2)413の電源電圧の供給を停止した後も、容量に蓄積
された電荷をそのまま保持し続けることができる。これにより、上記電源電圧の供給を停
止した後も、ラッチ回路400の論理状態を記憶しつづけることができる。
容量404及び第3のトランジスタ421のゲート容量は、第1の素子(D1)412の
入力に電気的に接続されている。従って、ラッチ回路400が有する少なくとも第1の素
子(D1)412の電源電圧の供給が再び開始された後は、容量404及び第3のトラン
ジスタ421のゲート容量に蓄積された電荷に応じて、出力信号OUTの電位が決まる。
つまり、容量404及び第3のトランジスタ421のゲート容量に書き込まれたデータの
読み出しを行うことができる(読み出し)。
上記において、第1のトランジスタ431と第2のトランジスタ432のそれぞれのチャ
ネル形成領域を構成する酸化物半導体層として、四元系金属酸化物であるIn−Sn−G
a−Zn−Oや、三元系金属酸化物であるIn−Ga−Zn−O、In−Sn−Zn−O
、In−Al−Zn−O、Sn−Ga−Zn−O、Al−Ga−Zn−O、Sn−Al−
Zn−Oや、二元系金属酸化物であるIn−Zn−O、Sn−Zn−O、Al−Zn−O
、Zn−Mg−O、Sn−Mg−O、In−Mg−Oや、In−O、Sn−O、Zn−O
などを用いた酸化物半導体層を適用することができる。また、上記酸化物半導体材料にS
iOを含ませても良い。
上記において、例えば、In−Sn−Ga−Zn−O系酸化物半導体とは、少なくともI
n、Sn、Ga、Znを含む酸化物半導体という意味であり、それぞれの金属元素の組成
比に制限はなく、また、In、Sn、Ga、Zn以外の金属元素が含まれていてもよい。
また、酸化物半導体層として、InMO(ZnO)(m>0、且つ自然数でない)で
表記される材料を含む膜を用いることができる。ここで、Mは、Ga、Al、Mnおよび
Coから選ばれた一または複数の金属元素を示す。例えば、Mとしては、Ga、Gaおよ
びAl、GaおよびMn、GaおよびCoなどを適用することができる。
上記において、酸化物半導体層の水素濃度は5×1019/cm以下、望ましくは5×
1018/cm以下、より望ましくは5×1017/cm以下、より望ましくは1×
1016/cm未満とすることができる。また、酸化物半導体層のキャリア濃度は1×
1014/cm未満、望ましくは1×1012/cm未満、より望ましくは1×10
11/cm未満とすることができる。
上記において、酸化物半導体を用いたトランジスタ431、トランジスタ432は、ボト
ムゲート型であっても良いし、トップゲート型であっても良い。また、ボトムコンタクト
型であっても良いし、トップコンタクト型であっても良い。ボトムゲート型トランジスタ
は、少なくとも絶縁表面上のゲート電極と、ゲート電極上のゲート絶縁膜と、ゲート絶縁
膜上においてゲート電極と重なるチャネル形成領域となる酸化物半導体層とを有する。ト
ップゲート型トランジスタは、少なくとも絶縁表面上のチャネル形成領域となる酸化物半
導体層と、酸化物半導体層上のゲート絶縁膜と、ゲート絶縁膜上において酸化物半導体膜
と重なるゲート電極とを有する。ボトムコンタクト型トランジスタは、ソース電極及びド
レイン電極上にチャネル形成領域となる酸化物半導体層を有する。トップコンタクト型ト
ランジスタは、チャネル形成領域となる酸化物半導体層上にソース電極及びドレイン電極
を有する。
上記酸化物半導体材料により形成された酸化物半導体層をチャネル形成領域に用いたトラ
ンジスタ(第1のトランジスタ431、第2のトランジスタ432)は、例えば、チャネ
ル幅Wが1×10μmでチャネル長が3μmの素子であっても、ドレイン電極に印加す
るドレイン電圧Vdが+1V又は+10Vの場合に、ゲート電極に印加するゲート電圧V
gが−5Vから−20Vの範囲では、室温でのオフ電流が10−13A以下、サブスレッ
ショルドスイング値(S値)が0.1V/dec.程度(ゲート絶縁膜厚100nm)の
特性が得られる。また上記トランジスタは、ゲート電極とソース電極間の電圧がほぼ0V
の状態においてトランジスタがオフとなるノーマリーオフ(nチャネル型の場合、しきい
値電圧が正の値となること)の特性を有している。
従って、上記トランジスタは、ゲート電極とソース電極間の電圧がほぼ0Vの状態におけ
るオフ電流(リーク電流ともいう)が、シリコンをチャネル形成領域に用いたトランジス
タに比べて著しく小さいという特性を有している。例えば、上記のW=1×10μmの
トランジスタにおいてはチャネル幅1μmあたりに換算した室温でのリーク電流は10a
A/μm以下となる。
そのため、チャネル形成領域に酸化物半導体層を用いたトランジスタをスイッチング素子
として用いることで、ラッチ回路への電源電圧の供給が停止された後も、容量に蓄積され
た電荷をそのまま保持し続けることができる。すなわち、容量に書き込まれたデータをそ
のまま保持し続けることができる。
例えば、リフレッシュタイムは、シリコンをチャネル形成領域に用いたトランジスタを用
いて構成されたDRAMよりも遙かに長時間とすることが可能であり、不揮発性メモリと
同程度のメモリ保有性(データ保持性)を有することができる。また、ラッチ回路への電
源電圧の供給が再び開始された後には、容量に保持されたデータを読み出すことができる
。これにより、電源電圧の供給の停止前の論理状態に復元することができる。
また、上記トランジスタは温度特性も良好であり、高温でもオフ電流が十分低く、オン電
流が十分高いものを得ることができる。例えば、トランジスタのVg−Id特性は−25
℃〜150℃の範囲において、オン電流、移動度、S値の温度依存性が少ないというデー
タが得られている。また、オフ電流は上記温度範囲において、1×10−13A以下と極
めて小さいデータが得られている。
上記特性は、トランジスタのチャネル形成領域に、水素濃度が十分に低減されて高純度化
され、キャリア濃度が十分に小さい、真性(i型)または実質的に真性(i型)にされた
酸化物半導体を用いることにより、得られたものと考えられる。すなわち、n型不純物で
ある水素を酸化物半導体から除去し、酸化物半導体の主成分以外の不純物が極力含まれな
いように高純度化することにより酸化物半導体を真性(i型)または実質的に真性(i型
)とした酸化物半導体を、トランジスタのチャネル形成領域に用いたものである。
なお、本明細書では、キャリア濃度が1×1011/cm未満の半導体を「真性」ある
いは「i型」、それ以上であるが、1×1012/cm未満のものを、「実質的に真性
」あるいは「実質的にi型」と呼ぶ。
このような、真性(i型)、あるいは、実質的に真性(i型)の酸化物半導体を用いたト
ランジスタは、チャネル幅Wが1μmあたりのオフ電流が10aA(1×10−17A)
/μm以下、より好ましくは1aA(1×10−18A)/μm以下とすることができる
このように、本実施の形態は、チャネル形成領域を構成する半導体材料として上記酸化物
半導体を用いた第1のトランジスタ431、第2のトランジスタ432をスイッチング素
子として用いることで、温度動作範囲が広く高温でも安定に動作し、電源を切っても記憶
している論理状態が消えない不揮発性のラッチ回路を提供するものである。
なお、酸化物半導体層中の水素濃度は、二次イオン質量分析法(SIMS:Second
ary Ion Mass Spectrometry)で測定したものである。
<不揮発性のラッチ回路が有する素子の構成>
不揮発性のラッチ回路400が有する素子のうち、酸化物半導体を用いた第1のトランジ
スタ431と第2のトランジスタ432以外の素子は、半導体材料として酸化物半導体以
外の材料を用いることができる。酸化物半導体以外の材料としては、単結晶シリコン、結
晶性シリコンなどを用いることができる。例えば、第1のトランジスタ431と第2のト
ランジスタ432以外の素子は、半導体材料を含む基板に設けることができる。半導体材
料を含む基板としては、シリコンウェハ、SOI(Silicon on Insula
tor)基板、絶縁表面上のシリコン膜などを用いることができる。酸化物半導体以外の
材料を用いることにより、高速動作が可能となる。
例えば、第1の素子(D1)412が有する第3のトランジスタ421を、酸化物半導体
以外の材料(例えばシリコン)を用いて形成することができる。また、第1の素子(D1
)412、第2の素子(D2)413が有する他の素子についても、酸化物半導体以外の
材料(例えばシリコン)を用いて形成することができる。
また、不揮発性のラッチ回路400が有する容量404などの素子は、酸化物半導体を用
いたトランジスタ(第1のトランジスタ431、第2のトランジスタ432)又は酸化物
半導体以外の材料(例えばシリコン)を用いたトランジスタを構成する半導体層、絶縁層
、導電層あるいは配線を構成する導電層などと同じ層に、同じ材料を用いて形成すること
ができる。
例えば、下部に酸化物半導体以外の材料を用いた第3のトランジスタ421を有し、上部
に酸化物半導体を用いた第1のトランジスタ431、第2のトランジスタ432を有する
構成とすることができる。これにより、両者の特性を併せ持つ優れた不揮発性のラッチ回
路を作製することができる。
図3は、上記不揮発性のラッチ回路が有する素子の構成の一例を示す。図3(A)は、下
部に酸化物半導体以外の材料を用いたトランジスタ421を有し、上部に酸化物半導体を
用いたトランジスタ402を有するものである。トランジスタ402は、第1のトランジ
スタ431、第2のトランジスタ432として用いられる。トランジスタ421は、第3
のトランジスタ421として用いられる。
図3(A)には断面を、図3(B)には平面をそれぞれ示す。ここで、図3(A)は、図
3(B)の線A1−A2および線B1−B2における断面に相当する。図3(A)および
図3(B)は、下部に酸化物半導体以外の材料を用いたトランジスタ421を有し、上部
に酸化物半導体を用いたトランジスタ402を有するものである。
トランジスタ421は、半導体材料を含む基板100に設けられたチャネル形成領域11
6と、チャネル形成領域116を挟むように設けられた不純物領域114および高濃度不
純物領域120(これらをあわせて単に不純物領域とも呼ぶ)と、チャネル形成領域11
6上に設けられたゲート絶縁層108aと、ゲート絶縁層108a上に設けられたゲート
電極110aと、不純物領域114と電気的に接続するソース電極またはドレイン電極1
30a、および、ソース電極またはドレイン電極130bを有する(図3(A)参照)。
ここで、ゲート電極110aの側面にはサイドウォール絶縁層118が設けられている。
また、基板100の、平面で見てサイドウォール絶縁層118と重ならない領域には、高
濃度不純物領域120を有し、高濃度不純物領域120と接する金属化合物領域124を
有する。また、基板100上にはトランジスタ421を囲むように素子分離絶縁層106
が設けられており、トランジスタ421を覆うように、層間絶縁層126および層間絶縁
層128が設けられている。なお、半導体素子が高度に微細化される場合は、サイドウォ
ール絶縁層118を有さない構成とすることもできる。
ソース電極またはドレイン電極130a、ソース電極またはドレイン電極130bは、層
間絶縁層126および層間絶縁層128に形成された開口を通じて、金属化合物領域12
4と電気的に接続されている。つまり、ソース電極またはドレイン電極130a、ソース
電極またはドレイン電極130bは、金属化合物領域124を介して高濃度不純物領域1
20および不純物領域114と電気的に接続されている。
トランジスタ402は、層間絶縁層128上に設けられたゲート電極136dと、ゲート
電極136d上に設けられたゲート絶縁層138と、ゲート絶縁層138上に設けられた
酸化物半導体層140と、酸化物半導体層140上に設けられ、酸化物半導体層140と
電気的に接続されているソース電極またはドレイン電極142a、ソース電極またはドレ
イン電極142bと、を有する(図3(A)参照)。
また、トランジスタ402の上には、酸化物半導体層140の一部と接するように、保護
絶縁層144が設けられており、保護絶縁層144上には層間絶縁層146が設けられて
いる。ここで、保護絶縁層144および層間絶縁層146には、ソース電極またはドレイ
ン電極142a、ソース電極またはドレイン電極142bにまで達する開口が設けられて
おり、当該開口を通じて、電極150d、電極150eが、ソース電極またはドレイン電
極142a、ソース電極またはドレイン電極142bに接して形成されている。
また、電極150d、電極150eの形成と同時に、ゲート絶縁層138、保護絶縁層1
44、層間絶縁層146に設けられた開口を通じて、電極136a、電極136b、電極
136cに接する電極150a、電極150b、電極150cが形成されている。なおト
ランジスタ402としてボトムゲート型のトランジスタの例を示したが、これに限定され
ない。トップゲート型のトランジスタであっても良い。
また、層間絶縁層146上には絶縁層152が設けられており、当該絶縁層152に埋め
込まれるように、電極154a、電極154b、電極154c、電極154dが設けられ
ている。ここで、電極154aは電極150aと接しており、電極154bは電極150
bと接しており、電極154cは電極150cおよび電極150dと接しており、電極1
54dは電極150eと接している。
つまり、トランジスタ402のソース電極またはドレイン電極142aは、電極130c
、電極136c、電極150c、電極154c、電極150dを介して、他の要素(酸化
物半導体以外の材料を用いたトランジスタなど)と電気的に接続されている(図3(A)
参照)。さらに、トランジスタ402のソース電極またはドレイン電極142bは、電極
150e、電極154dを介して、他の要素に電気的に接続されている。なお、接続に係
る電極(電極130c、電極136c、電極150c、電極154c、電極150d等)
の構成は、上記に限定されず、適宜追加、省略等が可能である。
上記では、接続関係に係る一例を示したが、開示する発明の一態様はこれに限定されない
ここで、酸化物半導体層140は水素などの不純物が十分に除去され、高純度化されたも
のであることが望ましい。具体的には、二次イオン質量分析法(SIMS:Second
ary Ion Mass Spectrometry)で測定した酸化物半導体層14
0の水素濃度が5×1019/cm以下、望ましくは5×1018/cm以下、より
望ましくは5×1017/cm以下、より望ましくは1×1016/cm未満となる
ようにする。
なお、水素濃度が十分に低減され、高純度化された酸化物半導体層140では、一般的な
シリコンウェハ(リンやボロンなどの不純物元素が微量に添加されたシリコンウェハ)に
おけるキャリア濃度(1×1014/cm程度)と比較して、十分に小さいキャリア濃
度の値(例えば、1×1012/cm未満、望ましくは、1×1011/cm未満)
をとる。
このように、i型化または実質的にi型化された酸化物半導体を用いることで、極めて優
れたオフ電流特性のトランジスタ402を得ることができる。例えば、チャネル幅Wが1
×10μmでチャネル長が3μmの素子であっても、ドレイン電極に印加するドレイン
電圧Vdが+1V又は+10Vの場合に、ゲート電極に印加するゲート電圧Vgが−5V
から−20Vの範囲では、室温でのオフ電流は1×10−13A以下の特性を有している
。また、上記トランジスタは、ノーマリーオフのトランジスタ特性を有している。
従って、ゲート電極とソース電極間の電圧がほぼ0Vの状態におけるオフ電流(リーク電
流ともいう)が、シリコンをチャネル形成領域に用いたトランジスタに比べて著しく小さ
いという特性を有している。例えば、チャネル幅1μmあたりに換算した室温でのリーク
電流は10aA/μm以下とすることができる。
また、トランジスタ402は温度特性も良好であり、高温でもオフ電流が十分低く、オン
電流が十分高いものを得ることができる。例えば、トランジスタのVg−Id特性は−2
5℃〜150℃の範囲において、オン電流、移動度、S値の温度依存性が少ないというデ
ータが得られている。また、オフ電流は上記温度範囲において、1×10−13A以下と
極めて小さいデータが得られている。
このような、真性(i型)、あるいは、実質的に真性(i型)の酸化物半導体を用いたト
ランジスタは、チャネル幅Wが1μmあたりのオフ電流が10aA(1×10−17A)
/μm以下、より好ましくは1aA(1×10−18A)/μm以下とすることができる
このように、水素濃度が十分に低減されて高純度化された酸化物半導体層140を適用し
、トランジスタ402のオフ電流を低減することにより、新たな構成の半導体装置を実現
することができる。
<不揮発性のラッチ回路が有する素子の作製方法>
次に、上記不揮発性のラッチ回路が有する素子の作製方法の一例について説明する。以下
では、はじめにトランジスタ421の作製方法について図4を参照して説明し、その後、
トランジスタ402の作製方法について図5または図6を参照して説明する。以下に示す
作製方法により、上記不揮発性のラッチ回路が有する素子を作製することができる。なお
、図4では、図3(A)におけるA1−A2に相当する断面のみを示す。また、図5また
は図6では、図3(A)におけるA1−A2およびB1−B2に相当する断面を示す。
<下部トランジスタの作製方法>
まず、半導体材料を含む基板100を用意する(図4(A)参照)。半導体材料を含む基
板100としては、シリコンや炭化シリコンなどの単結晶半導体基板、多結晶半導体基板
、シリコンゲルマニウムなどの化合物半導体基板、SOI基板などを適用することができ
る。ここでは、半導体材料を含む基板100として、単結晶シリコン基板を用いる場合の
一例について示すものとする。
なお、一般に「SOI基板」は、絶縁表面上にシリコン半導体層が設けられた構成の基板
をいうが、本明細書等においては、絶縁表面上にシリコン以外の材料からなる半導体層が
設けられた構成の基板をも含む概念として用いる。つまり、「SOI基板」が有する半導
体層は、シリコン半導体層に限定されない。また、SOI基板には、ガラス基板などの絶
縁基板上に半導体層が設けられた構成のものが含まれるものとする。
基板100上には、素子分離絶縁層を形成するためのマスクとなる保護層102を形成す
る(図4(A)参照)。保護層102としては、例えば、酸化シリコンや窒化シリコン、
窒化酸化シリコンなどを材料とする絶縁層を用いることができる。なお、この工程の前後
において、トランジスタのしきい値電圧を制御するために、n型の導電性を付与する不純
物元素やp型の導電性を付与する不純物元素を基板100に添加してもよい。半導体がシ
リコンの場合、n型の導電性を付与する不純物としては、例えば、リンや砒素などを用い
ることができる。また、p型の導電性を付与する不純物としては、例えば、硼素、アルミ
ニウム、ガリウムなどを用いることができる。
次に、上記の保護層102をマスクとしてエッチングを行い、保護層102に覆われてい
ない領域(露出している領域)の基板100の一部を除去する。これにより分離された半
導体領域104が形成される(図4(B)参照)。当該エッチングには、ドライエッチン
グを用いるのが好適であるが、ウェットエッチングを用いても良い。エッチングガスやエ
ッチング液は、被エッチング材料に応じて適宜選択することができる。
次に、半導体領域104を覆うように絶縁層を形成し、半導体領域104に重畳する領域
の絶縁層を選択的に除去することで、素子分離絶縁層106を形成する(図4(B)参照
)。当該絶縁層は、酸化シリコンや窒化シリコン、窒化酸化シリコンなどを用いて形成さ
れる。絶縁層の除去方法としては、CMPなどの研磨処理やエッチング処理などがあるが
、そのいずれを用いても良い。なお、半導体領域104の形成後、または、素子分離絶縁
層106の形成後には、上記保護層102を除去する。
次に、半導体領域104上に絶縁層を形成し、当該絶縁層上に導電材料を含む層を形成す
る。
絶縁層は後のゲート絶縁層となるものであり、CVD法やスパッタリング法等を用いて得
られる酸化シリコン、窒化酸化シリコン、窒化シリコン、酸化ハフニウム、酸化アルミニ
ウム、酸化タンタル等を含む膜の単層構造または積層構造とすると良い。他に、高密度プ
ラズマ処理や熱酸化処理によって、半導体領域104の表面を酸化、窒化することにより
、上記絶縁層を形成してもよい。高密度プラズマ処理は、例えば、He、Ar、Kr、X
eなどの希ガス、酸素、酸化窒素、アンモニア、窒素、水素などの混合ガスを用いて行う
ことができる。また、絶縁層の厚さは特に限定されないが、例えば、1nm以上100n
m以下とすることができる。
導電材料を含む層は、アルミニウムや銅、チタン、タンタル、タングステン等の金属材料
を用いて形成することができる。また、導電性を付与する不純物元素を含む多結晶シリコ
ンなどの半導体材料を用いて、導電材料を含む層を形成しても良い。形成方法も特に限定
されず、蒸着法、CVD法、スパッタリング法、スピンコート法などの各種成膜方法を用
いることができる。なお、本実施の形態では、導電材料を含む層を、金属材料を用いて形
成する場合の一例について示すものとする。
その後、上記絶縁層および導電材料を含む層を選択的にエッチングして、ゲート絶縁層1
08a、ゲート電極110aを形成する(図4(C)参照)。
次に、ゲート電極110aを覆う絶縁層112を形成する(図4(C)参照)。そして、
半導体領域104にリン(P)又はヒ素(As)などを添加して、接合深さの浅い不純物
領域114を形成する(図4(C)参照)。なお、ここではn型トランジスタを形成する
ためにリンやヒ素を添加しているが、p型トランジスタを形成する場合には、硼素(B)
やアルミニウム(Al)などの不純物元素を添加すればよい。
なお、不純物領域114の形成により、半導体領域104のゲート絶縁層108a下部に
は、チャネル形成領域116が形成される(図4(C)参照)。ここで、添加する不純物
の濃度は適宜設定することができるが、半導体素子が高度に微細化される場合には、その
濃度を高くすることが望ましい。また、ここでは、絶縁層112を形成した後に不純物領
域114を形成する工程を採用しているが、不純物領域114を形成した後に絶縁層11
2を形成する工程としても良い。
次に、サイドウォール絶縁層118を形成する(図4(D)参照)。サイドウォール絶縁
層118は、絶縁層112を覆うように絶縁層を形成した後に、当該絶縁層に異方性の高
いエッチング処理を適用することで、自己整合的に形成することができる。また、この際
に、絶縁層112を部分的にエッチングして、ゲート電極110aの上面と、不純物領域
114の上面を露出させると良い。なお、半導体素子が高度に微細化される場合は、サイ
ドウォール絶縁層118を有さない構成とすることもできる。
次に、ゲート電極110a、不純物領域114、サイドウォール絶縁層118等を覆うよ
うに、絶縁層を形成する。そして、不純物領域114と接する領域に、リン(P)やヒ素
(As)などを添加して、高濃度不純物領域120を形成する。その後、上記絶縁層を除
去し、ゲート電極110a、サイドウォール絶縁層118、高濃度不純物領域120等を
覆うように金属層122を形成する(図4(E)参照)。
当該金属層122は、真空蒸着法やスパッタリング法、スピンコート法などの各種成膜方
法を用いて形成することができる。金属層122は、半導体領域104を構成する半導体
材料と反応して低抵抗な金属化合物となる金属材料を用いて形成することが望ましい。こ
のような金属材料としては、例えば、チタン、タンタル、タングステン、ニッケル、コバ
ルト、白金等がある。
次に、熱処理を施して、上記金属層122と半導体材料とを反応させる。これにより、高
濃度不純物領域120に接する金属化合物領域124が形成される(図4(F)参照)。
なお、ゲート電極110aとして多結晶シリコンなどを用いる場合には、ゲート電極11
0aの金属層122と接触する部分にも、金属化合物領域が形成されることになる。
上記熱処理としては、例えば、フラッシュランプの照射による熱処理を用いることができ
る。もちろん、その他の熱処理方法を用いても良いが、金属化合物の形成に係る化学反応
の制御性を向上させるためには、ごく短時間の熱処理が実現できる方法を用いることが望
ましい。なお、上記の金属化合物領域は、金属材料と半導体材料との反応により形成され
るものであり、十分に導電性が高められた領域である。当該金属化合物領域を形成するこ
とで、電気抵抗を十分に低減し、素子特性を向上させることができる。なお、金属化合物
領域124を形成した後には、金属層122は除去する。
次に、上述の工程により形成された各構成を覆うように、層間絶縁層126、層間絶縁層
128を形成する(図4(G)参照)。層間絶縁層126や層間絶縁層128は、酸化シ
リコン、窒化酸化シリコン、窒化シリコン、酸化ハフニウム、酸化アルミニウム、酸化タ
ンタル等の無機絶縁材料を含む材料を用いて形成することができる。また、ポリイミド、
アクリル等の有機絶縁材料を用いて形成することも可能である。なお、ここでは、層間絶
縁層126と層間絶縁層128の二層構造としているが、層間絶縁層の構成はこれに限定
されない。層間絶縁層128の形成後には、その表面を、CMPやエッチング処理などに
よって平坦化しておくことが望ましい。
その後、上記層間絶縁層に、金属化合物領域124にまで達する開口を形成し、当該開口
に、ソース電極またはドレイン電極130a、ソース電極またはドレイン電極130bを
形成する(図4(H)参照)。ソース電極またはドレイン電極130aやソース電極また
はドレイン電極130bは、例えば、開口を含む領域にPVD法やCVD法などを用いて
導電層を形成した後、エッチング処理やCMPといった方法を用いて、上記導電層の一部
を除去することにより形成することができる。
なお、上記導電層の一部を除去してソース電極またはドレイン電極130aやソース電極
またはドレイン電極130bを形成する際には、その表面が平坦になるように加工するこ
とが望ましい。例えば、開口を含む領域にチタン膜や窒化チタン膜を薄く形成した後に、
開口に埋め込むようにタングステン膜を形成する場合には、その後のCMPによって、不
要なタングステン、チタン、窒化チタンなどを除去すると共に、その表面の平坦性を向上
させることができる。このように、ソース電極またはドレイン電極130a、ソース電極
またはドレイン電極130bを含む表面を平坦化することにより、後の工程において、良
好な電極、配線、絶縁層、半導体層などを形成することが可能となる。
ソース電極またはドレイン電極130a、ソース電極またはドレイン電極130bとして
用いることができる材料について特に限定はなく、各種導電材料を用いることができる。
例えば、モリブデン、チタン、クロム、タンタル、タングステン、アルミニウム、銅、ネ
オジム、スカンジウムなどの導電性材料を用いることができる。また、ここでは、金属化
合物領域124と接触するソース電極またはドレイン電極130aやソース電極またはド
レイン電極130bのみを示しているが、この工程において、図3における電極130c
などをあわせて形成することができる。
具体的には、例えば、開口を含む領域にPVD法によりチタン膜を薄く形成し、CVD法
により窒化チタン膜を薄く形成した後に、開口に埋め込むようにタングステン膜を形成す
る方法を適用することができる。ここで、PVD法により形成されるチタン膜は、金属化
合物領域の表面に形成されうる酸化膜を還元し、金属化合物領域との接触抵抗を低減させ
る機能を有する。また、その後に形成される窒化チタン膜は、導電性材料の拡散を抑制す
るバリア機能を備える。また、チタンや窒化チタンなどによるバリア膜を形成した後に、
メッキ法により銅膜を形成してもよい。なお、いわゆるシングルダマシン法に限らず、デ
ュアルダマシン法を適用してもよい。
以上により、半導体材料を含む基板100を用いたトランジスタ421が形成される。な
お、上記工程の後には、さらに電極や配線、絶縁層などを形成しても良い。配線の構造と
して、層間絶縁層および導電層の積層構造でなる多層配線構造を採用することにより、高
度に集積化した半導体装置を提供することができる。
<上部トランジスタの作製方法>
次に、図5および図6を用いて、層間絶縁層128上にトランジスタ402を作製する工
程について説明する。なお、図5および図6は、層間絶縁層128上の各種電極や、トラ
ンジスタ402などの作製工程を示すものであるから、トランジスタ402の下部に存在
するトランジスタ421等については省略している。
まず、層間絶縁層128、ソース電極またはドレイン電極130a、ソース電極またはド
レイン電極130b、電極130c上に絶縁層132を形成する(図5(A)参照)。そ
して、絶縁層132に対し、ソース電極またはドレイン電極130a、ソース電極または
ドレイン電極130b、および、電極130cにまで達する開口を形成する。そして、当
該開口に埋め込むように導電層134を形成する(図5(B)参照)。その後、エッチン
グ処理やCMPといった方法を用いて上記導電層134の一部を除去し、絶縁層132を
露出させて、電極136a、電極136b、電極136c、ゲート電極136dを形成す
る(図5(C)参照)。
絶縁層132はPVD法やCVD法などを用いて形成することができる。また、酸化シリ
コン、窒化酸化シリコン、窒化シリコン、酸化ハフニウム、酸化アルミニウム、酸化タン
タル等の無機絶縁材料を含む材料を用いて形成することができる。
絶縁層132の開口は、マスクを用いたエッチングなどの方法で形成することができる。
当該マスクは、フォトマスクを用いた露光などの方法によって形成することが可能である
。エッチングとしてはウェットエッチング、ドライエッチングのいずれを用いても良いが
、微細加工の観点からは、ドライエッチングを用いることが好適である。
導電層134の形成は、PVD法やCVD法などの成膜法を用いて行うことができる。導
電層の形成に用いることができる材料としては、モリブデン、チタン、クロム、タンタル
、タングステン、アルミニウム、銅、ネオジム、スカンジウムなどの導電性材料や、これ
らの合金、化合物(例えば窒化物)などが挙げられる(図5(B)参照)。
より具体的には、例えば、開口を含む領域にPVD法によりチタン膜を薄く形成し、CV
D法により窒化チタン膜を薄く形成した後に、開口に埋め込むようにタングステン膜を形
成する方法を適用することができる。ここで、PVD法により形成されるチタン膜は、下
部電極(ここではソース電極またはドレイン電極130a、ソース電極またはドレイン電
極130b、電極130cなど)の表面に形成されうる酸化膜を還元し、下部電極との接
触抵抗を低減させる機能を有する。
また、その後に形成される窒化チタン膜は、導電性材料の拡散を抑制するバリア機能を備
える。また、チタンや窒化チタンなどによるバリア膜を形成した後に、メッキ法により銅
膜を形成してもよい。なお、いわゆるシングルダマシン法に限らず、デュアルダマシン法
などを適用してもよい。
導電層134を形成した後には、エッチング処理やCMPといった方法を用いて導電層1
34の一部を除去し、絶縁層132を露出させて、電極136a、電極136b、電極1
36c、ゲート電極136dを形成することができる(図5(C)参照)。なお、上記導
電層134の一部を除去して電極136a、電極136b、電極136c、ゲート電極1
36dを形成する際には、表面が平坦になるように加工することが望ましい。このように
、絶縁層132、電極136a、電極136b、電極136c、ゲート電極136dの表
面を平坦化することにより、後の工程において、良好な電極、配線、絶縁層、半導体層な
どを形成することが可能となる。
次に、絶縁層132、電極136a、電極136b、電極136c、ゲート電極136d
を覆うように、ゲート絶縁層138を形成する(図5(D)参照)。ゲート絶縁層138
は、CVD法やスパッタリング法等を用いて形成することができる。また、ゲート絶縁層
138は、酸化珪素、窒化珪素、酸化窒化珪素、窒化酸化珪素、酸化アルミニウム、酸化
ハフニウム、酸化タンタルなどを含むように形成するのが好適である。なお、ゲート絶縁
層138は、単層構造としても良いし、積層構造としても良い。
例えば、原料ガスとして、シラン(SiH)、酸素、窒素を用いたプラズマCVD法に
より、酸化窒化珪素でなるゲート絶縁層138を形成することができる。ゲート絶縁層1
38の厚さは特に限定されないが、例えば、10nm以上500nm以下とすることがで
きる。積層構造の場合は、例えば、膜厚50nm以上200nm以下の第1のゲート絶縁
層と、第1のゲート絶縁層上の膜厚5nm以上300nm以下の第2のゲート絶縁層の積
層とすると好適である。
なお、ゲート絶縁層138に水素や水などが含まれると、水素の酸化物半導体層への侵入
や、水素による酸化物半導体層中の酸素の引き抜きなどが生じ、トランジスタの特性が悪
化するおそれがある。よって、ゲート絶縁層138は、できるだけ水素や水を含まないよ
うに形成することが望ましい。
例えば、スパッタリング法などを用いる場合には、処理室内の残留水分を除去した状態で
ゲート絶縁層138を形成することが望ましい。また、処理室内の残留水分を除去するた
めには、クライオポンプ、イオンポンプ、チタンサブリメーションポンプなどの、吸着型
の真空ポンプを用いることが望ましい。ターボポンプにコールドトラップを加えたものを
用いてもよい。クライオポンプなどを用いて排気した処理室は、水素や水などが十分に除
去されているため、ゲート絶縁層138に含まれる不純物の濃度を低減することができる
また、ゲート絶縁層138を形成する際には、水素や水などの不純物が、1ppm以下(
望ましくは1ppb以下)にまで低減された高純度ガスを用いることが望ましい。
なお、不純物を除去することによりi型化または実質的にi型化された酸化物半導体(高
純度化された酸化物半導体)は、界面準位や界面電荷に対して極めて敏感であるため、こ
のような酸化物半導体を酸化物半導体層に用いる場合には、ゲート絶縁層との界面の特性
が重要である。つまり、高純度化された酸化物半導体層に接するゲート絶縁層138には
、高品質化が要求されることになる。
例えば、μ波(周波数2.45GHz)を用いた高密度プラズマCVD法は、緻密で絶縁
耐圧の高い高品質なゲート絶縁層138を形成できる点で好適である。高純度化された酸
化物半導体層と高品質ゲート絶縁層とが密接することにより、界面準位を低減して界面特
性を良好なものとすることができるからである。
もちろん、ゲート絶縁層として良質な絶縁層を形成できるものであれば、高純度化された
酸化物半導体層を用いる場合であっても、スパッタリング法やプラズマCVD法など他の
方法を適用することができる。また、形成後の熱処理によって、膜質や界面特性が改質さ
れる絶縁層を適用しても良い。いずれにしても、ゲート絶縁層138としての膜質が良好
であると共に、酸化物半導体層との界面準位密度を低減し、良好な界面を形成できるもの
を形成すれば良い。
次いで、ゲート絶縁層138上に、酸化物半導体層を形成し、マスクを用いたエッチング
などの方法によって該酸化物半導体層を加工して、島状の酸化物半導体層140を形成す
る(図5(E)参照)。
上記酸化物半導体層としては、四元系金属酸化物であるIn−Sn−Ga−Zn−O系や
、三元系金属酸化物であるIn−Ga−Zn−O系、In−Sn−Zn−O系、In−A
l−Zn−O系、Sn−Ga−Zn−O系、Al−Ga−Zn−O系、Sn−Al−Zn
−O系や、二元系金属酸化物であるIn−Zn−O系、Sn−Zn−O系、Al−Zn−
O系、Zn−Mg−O系、Sn−Mg−O系、In−Mg−O系や、In−O系、Sn−
O系、Zn−O系などの酸化物半導体を用いて形成することができる。また、上記酸化物
半導体にSiOを含ませたものを用いても良い。
また、酸化物半導体層として、InMO(ZnO)(m>0、且つ自然数でない)で
表記される材料を含む薄膜を用いることができる。ここで、Mは、Ga、Al、Mnおよ
びCoから選ばれた一または複数の金属元素を示す。例えば、Mとしては、Ga、Gaお
よびAl、GaおよびMn、GaおよびCoなどを適用することができる。
本実施の形態では、酸化物半導体層としてIn−Ga−Zn−O系の金属酸化物ターゲッ
トを用いて、非晶質の酸化物半導体層をスパッタ法により形成することとする。なお、非
晶質の酸化物半導体層中にシリコンを添加することで、その結晶化を抑制することができ
るから、例えば、SiOを2重量%以上10重量%以下含むターゲットを用いて酸化物
半導体層を形成しても良い。
酸化物半導体層をスパッタリング法で作製するためのターゲットとしては、例えば、組成
比として、In:Ga:ZnO=1:1:1[mol比]などを用いること
ができる。その他に、In:Ga:ZnO=1:1:2[mol比]、また
はIn:Ga:ZnO=1:1:4[mol比]の組成比を有するターゲッ
トなどを用いても良い。金属酸化物ターゲットの充填率は90%以上100%以下、好ま
しくは95%以上(例えば99.9%)である。充填率の高い金属酸化物ターゲットを用
いることにより、緻密な酸化物半導体層が形成される。
酸化物半導体層の形成雰囲気は、希ガス(代表的にはアルゴン)雰囲気、酸素雰囲気、ま
たは、希ガス(代表的にはアルゴン)と酸素との混合雰囲気とするのが好適である。具体
的には、例えば、水素、水、水酸基、水素化物などの不純物が、1ppm以下(望ましく
は1ppb以下)にまで除去された高純度ガスを用いるのが好適である。
酸化物半導体層の形成の際には、減圧状態に保持された処理室内に基板を保持し、基板温
度を100℃以上600℃以下好ましくは200℃以上400℃以下とする。基板を加熱
しながら酸化物半導体層を形成することにより、酸化物半導体層に含まれる不純物濃度を
低減することができる。また、スパッタリングによる損傷が軽減される。そして、処理室
内の残留水分を除去しつつ水素および水が除去されたスパッタガスを導入し、金属酸化物
をターゲットとして酸化物半導体層を形成する。
処理室内の残留水分を除去するためには、吸着型の真空ポンプを用いることが好ましい。
例えば、クライオポンプ、イオンポンプ、チタンサブリメーションポンプを用いることが
できる。また、排気手段としては、ターボポンプにコールドトラップを加えたものであっ
てもよい。クライオポンプを用いて排気した成膜室においては、例えば、水素原子、水(
O)など水素原子を含む化合物(より好ましくは炭素原子を含む化合物も)等が排気
されるため、当該成膜室で形成した酸化物半導体層に含まれる不純物の濃度を低減できる
形成条件としては、例えば、基板とターゲットの間との距離が100mm、圧力が0.6
Pa、直流(DC)電力が0.5kW、雰囲気が酸素(酸素流量比率100%)雰囲気、
といった条件を適用することができる。なお、パルス直流(DC)電源を用いると、ごみ
が軽減でき、膜厚分布も均一となるため、好ましい。酸化物半導体層の厚さは、2nm以
上200nm以下、好ましくは5nm以上30nm以下とする。なお、適用する酸化物半
導体材料により適切な厚さは異なるから、その厚さは用いる材料に応じて適宜選択すれば
よい。例えば、チャネル長が短い場合は、酸化物半導体層の厚さは5nm以上30nm以
下とすることができる。このように素子のサイズを小さくすることにより高集積化が図れ
るとともに、酸化物半導体層を薄くすることで短チャネル効果を抑制することができる。
なお、酸化物半導体層をスパッタ法により形成する前には、アルゴンガスを導入してプラ
ズマを発生させる逆スパッタを行い、ゲート絶縁層138の表面に付着しているゴミを除
去するのが好適である。ここで、逆スパッタとは、通常のスパッタにおいては、スパッタ
ターゲットにイオンを衝突させるところ、逆に、処理表面にイオンを衝突させることによ
ってその表面を改質する方法のことをいう。処理表面にイオンを衝突させる方法としては
、アルゴン雰囲気下で処理表面側に高周波電圧を印加して、基板付近にプラズマを生成す
る方法などがある。なお、アルゴン雰囲気に代えて窒素、ヘリウム、酸素などを用いても
良い。
上記酸化物半導体層のエッチングには、ドライエッチング、ウェットエッチングのいずれ
を用いても良い。もちろん、両方を組み合わせて用いることもできる。所望の形状にエッ
チングできるよう、材料に合わせてエッチング条件(エッチングガスやエッチング液、エ
ッチング時間、温度等)を適宜設定する。
ドライエッチングに用いるエッチングガスには、例えば、塩素を含むガス(塩素系ガス、
例えば塩素(Cl)、三塩化硼素(BCl)、四塩化珪素(SiCl)、四塩化炭
素(CCl)など)などがある。また、フッ素を含むガス(フッ素系ガス、例えば四弗
化炭素(CF)、六弗化硫黄(SF)、三弗化窒素(NF)、トリフルオロメタン
(CHF)など)、臭化水素(HBr)、酸素(O)、これらのガスにヘリウム(H
e)やアルゴン(Ar)などの希ガスを添加したガス、などを用いても良い。
ドライエッチング法としては、平行平板型RIE(Reactive Ion Etch
ing)法や、ICP(Inductively Coupled Plasma:誘導
結合型プラズマ)エッチング法を用いることができる。所望の形状にエッチングできるよ
うに、エッチング条件(コイル型の電極に印加される電力量、基板側の電極に印加される
電力量、基板側の電極温度等)は適宜設定する。
ウェットエッチングに用いるエッチング液としては、燐酸と酢酸と硝酸を混ぜた溶液、ア
ンモニア過水(アンモニア、水、過酸化水素水の混合液)などを用いることができる。ま
た、ITO07N(関東化学社製)などのエッチング液を用いてもよい。
次いで、酸化物半導体層に第1の熱処理を行うことが望ましい。この第1の熱処理によっ
て酸化物半導体層の脱水化または脱水素化を行うことができる。第1の熱処理の温度は、
300℃以上800℃以下、好ましくは400℃以上700℃以下、より好ましくは45
0℃以上700℃以下、より好ましくは550℃以上700℃以下とすることができる。
第1の熱処理の温度を350℃以上とすることにより酸化物半導体層の脱水化または脱水
素化が行え、膜中の水素濃度を低減することができる。また第1の熱処理の温度を450
℃以上とすることにより、膜中の水素濃度をさらに低減することができる。また第1の熱
処理の温度を550℃以上とすることにより、膜中の水素濃度をさらに低減することがで
きる。例えば、抵抗発熱体などを用いた電気炉に基板を導入し、酸化物半導体層140に
対して窒素雰囲気下450℃において1時間の熱処理を行う。この間、酸化物半導体層1
40は、大気に触れることなく、水や水素の再混入が行われないようにする。
なお、熱処理装置は電気炉に限られず、加熱されたガスなどの媒体からの熱伝導、または
熱輻射によって、被処理物を加熱する装置であっても良い。例えば、GRTA(Gas
Rapid Thermal Anneal)装置、LRTA(Lamp Rapid
Thermal Anneal)装置等のRTA(Rapid Thermal Ann
eal)装置を用いることができる。
LRTA装置は、ハロゲンランプ、メタルハライドランプ、キセノンアークランプ、カー
ボンアークランプ、高圧ナトリウムランプ、高圧水銀ランプなどのランプから発する光(
電磁波)の輻射により、被処理物を加熱する装置である。GRTA装置は、高温のガスを
用いて熱処理を行う装置である。気体としては、アルゴンなどの希ガス、または窒素のよ
うな、熱処理によって被処理物と反応しない不活性気体が用いられる。
例えば、第1の熱処理として、650℃〜700℃の高温に加熱した不活性ガス中に基板
を投入し、数分間加熱した後、当該不活性ガス中から基板を取り出すGRTA処理を行っ
てもよい。GRTA処理を用いると短時間での高温熱処理が可能となる。また、短時間の
熱処理であるため、基板の歪み点を超える温度条件であっても適用が可能となる。例えば
、ガラス基板など、比較的耐熱性が低い基板を含むSOI基板を用いる場合、耐熱温度(
歪み点)を超える温度では基板のシュリンクが問題となるが、短時間の熱処理の場合には
これは問題とならない。
なお、第1の熱処理を行う不活性ガス雰囲気としては、窒素、または希ガス(ヘリウム、
ネオン、アルゴン等)を主成分とする雰囲気であって、水、水素などが含まれない雰囲気
を適用するのが望ましい。例えば、熱処理装置に導入する窒素、またはヘリウム、ネオン
、アルゴン等の希ガスの純度を、6N(99.9999%)以上、好ましくは7N(99
.99999%)以上(すなわち、不純物濃度が1ppm以下、好ましくは0.1ppm
以下)とする。
なお、処理中に、不活性ガス雰囲気を、酸素を含む雰囲気に切り替えても良い。例えば、
第1の加熱処理に電気炉を用いる場合、加熱処理の降温時に雰囲気を切り替えることがで
きる。例えば、加熱処理時(恒温時)の雰囲気は、窒素、または希ガス(ヘリウム、ネオ
ン、アルゴン等)などの不活性ガス雰囲気とし、降温時に酸素を含む雰囲気に切り替える
ことができる。酸素を含む雰囲気としては、酸素ガスまたは酸素ガスと窒素ガスを混合し
た気体を用いることができる。この酸素を含む雰囲気を用いる場合も、雰囲気中に、水、
水素などが含まれないことが好ましい。または、用いる酸素ガス、窒素ガスの純度を、6
N(99.9999%)以上、好ましくは7N(99.99999%)以上、(即ち不純
物濃度を1ppm以下、好ましくは0.1ppm以下)とすることが好ましい。酸素を含
む雰囲気において第1の熱処理を行うことで、酸素欠損に起因する欠陥を低減することが
できる。
第1の熱処理の条件、または酸化物半導体層の材料によっては、酸化物半導体層が結晶化
し、微結晶または多結晶となる場合もある。例えば、結晶化率が90%以上、または80
%以上の微結晶の酸化物半導体層となる場合もある。また、第1の熱処理の条件、または
酸化物半導体層の材料によっては、結晶成分を含まない非晶質の酸化物半導体層となる場
合もある。
また、非晶質の酸化物半導体(例えば、酸化物半導体層の表面)に微結晶(粒径1nm以
上20nm以下(代表的には2nm以上4nm以下))が混在する酸化物半導体層となる
場合もある。
また、非晶質中に微結晶を配列させることで、酸化物半導体層の電気的特性を変化させる
ことも可能である。例えば、In−Ga−Zn−O系の金属酸化物ターゲットを用いて酸
化物半導体層を形成する場合には、電気的異方性を有するInGaZnOの結晶粒
が配向した微結晶部を形成することで、酸化物半導体層の電気的特性を変化させることが
できる。
例えば、InGaZnOのc軸が酸化物半導体層の表面に垂直な方向をとるように
配向させることで、酸化物半導体層の表面に平行な方向の導電性を向上させ、酸化物半導
体層の表面に垂直な方向の絶縁性を向上させることができる。また、このような微結晶部
は、酸化物半導体層中への水や水素などの不純物の侵入を抑制する機能を有する。
なお、上述の微結晶部を有する酸化物半導体層は、GRTA処理による酸化物半導体層の
表面加熱によって形成することができる。また、Znの含有量がInまたはGaの含有量
より小さいスパッタターゲットを用いることで、より好適に形成することが可能である。
酸化物半導体層140に対する第1の熱処理は、島状の酸化物半導体層140に加工する
前の酸化物半導体層に行うこともできる。その場合には、第1の熱処理後に、加熱装置か
ら基板を取り出し、フォトリソグラフィ工程を行うことになる。
なお、上記熱処理は、酸化物半導体層140に対する脱水化、脱水素化の効果があるから
、脱水化処理、脱水素化処理などと呼ぶこともできる。このような脱水化処理、脱水素化
処理は、酸化物半導体層の形成後、酸化物半導体層140上にソース電極またはドレイン
電極を積層させた後、ソース電極またはドレイン電極上に保護絶縁層を形成した後、など
のタイミングにおいて行うことが可能である。また、このような脱水化処理、脱水素化処
理は、一回に限らず複数回行っても良い。
次に、酸化物半導体層140に接するように、ソース電極またはドレイン電極142a、
ソース電極またはドレイン電極142bを形成する(図5(F)参照)。ソース電極また
はドレイン電極142a、ソース電極またはドレイン電極142bは、酸化物半導体層1
40を覆うように導電層を形成した後、当該導電層を選択的にエッチングすることにより
形成することができる。
導電層は、スパッタ法をはじめとするPVD(Physical Vapor Depo
sition)法や、プラズマCVD法などのCVD(Chemical Vapor
Deposition)法を用いて形成することができる。また、導電層の材料としては
、アルミニウム、クロム、銅、タンタル、チタン、モリブデン、タングステンからから選
ばれた元素や、上述した元素を成分とする合金等を用いることができる。マンガン、マグ
ネシウム、ジルコニウム、ベリリウム、イットリウムのいずれか一または複数から選択さ
れた材料を用いてもよい。また、アルミニウムに、チタン、タンタル、タングステン、モ
リブデン、クロム、ネオジム、スカンジウムから選ばれた元素を単数、または複数組み合
わせた材料を用いてもよい。
また、導電層は、酸化物導電膜を用いて形成してもよい。酸化物導電膜としては、酸化イ
ンジウム(In)、酸化スズ(SnO)、酸化亜鉛(ZnO)、酸化インジウム
酸化スズ合金(In―SnO、ITOと略記する場合がある)、酸化インジウム
酸化亜鉛合金(In―ZnO)、または、これらの金属酸化物材料にシリコン若し
くは酸化シリコンを含有させたものを用いることができる。
この場合、酸化物半導体層140に用いる材料と比較して、導電率が高いまたは抵抗率が
低い材料を酸化物導電膜に用いることが好ましい。酸化物導電膜の導電率は、キャリア濃
度を増やすことで高くすることができる。酸化物導電膜のキャリア濃度は、水素濃度を増
やすことで増やすことができる。また、酸化物導電膜のキャリア濃度は、酸素欠損を増や
すことで増やすことができる。
導電層は、単層構造であっても良いし、2層以上の積層構造としてもよい。例えば、シリ
コンを含むアルミニウム膜の単層構造、アルミニウム膜上にチタン膜が積層された2層構
造、チタン膜とアルミニウム膜とチタン膜とが積層された3層構造などが挙げられる。こ
こでは、チタン膜とアルミニウム膜とチタン膜の3層構造を適用することとする。
なお、酸化物半導体層140と導電層との間には、酸化物導電体層を形成してもよい。酸
化物導電体層と導電層は、連続して形成すること(連続成膜)が可能である。このような
酸化物導電層を設けることで、ソース領域またはドレイン領域の低抵抗化を図ることがで
きるため、トランジスタの高速動作が実現される。
次に、導電層を選択的にエッチングして、ソース電極またはドレイン電極142a、ソー
ス電極またはドレイン電極142bを形成する(図5(F)参照)。エッチングに用いる
マスク形成時の露光には、紫外線やKrFレーザ光やArFレーザ光を用いるのが好適で
ある。
トランジスタのチャネル長(L)は、ソース電極またはドレイン電極142aの下端部と
、ソース電極またはドレイン電極142bの下端部との間隔によって決定される。なお、
チャネル長(L)が25nm未満となるような露光を行う場合には、数nm〜数10nm
と極めて波長が短い超紫外線(Extreme Ultraviolet)を用いてマス
ク形成の露光を行う。超紫外線による露光は、解像度が高く焦点深度も大きい。従って、
後に形成されるトランジスタのチャネル長(L)が25nm未満となるような設計をする
ことが可能であり、即ちチャネル長(L)を10nm以上1000nm以下とすることも
可能であり、回路の動作速度を高速化できる。さらにオフ電流値が極めて小さいため、消
費電力が大きくならずに済む。
なお、導電層のエッチングの際には、酸化物半導体層140が除去されないように、それ
ぞれの材料およびエッチング条件を適宜調節する。なお、材料およびエッチング条件によ
っては、当該工程において、酸化物半導体層140の一部がエッチングされ、溝部(凹部
)を有する酸化物半導体層となることもある。
また、上記マスクの使用数や工程数を削減するため、透過した光が複数の強度となる露光
マスクである多階調マスクによってレジストマスクを形成し、これを用いてエッチング工
程を行ってもよい。多階調マスクを用いて形成したレジストマスクは、複数の厚みを有す
る形状(階段状)となり、アッシングによりさらに変形させることができるため、異なる
パターンに加工する複数のエッチング工程に用いることができる。つまり、一枚の多階調
マスクによって、少なくとも二種類以上の異なるパターンに対応するレジストマスクを形
成することができる。よって、露光マスク数を削減することができ、対応するフォトリソ
グラフィ工程も削減できるため、工程の簡略化が図れる。
なお、上述の工程の後には、NO、N、またはArなどのガスを用いたプラズマ処理
を行うのが好ましい。当該プラズマ処理によって、露出している酸化物半導体層の表面に
付着した水などが除去される。また、酸素とアルゴンの混合ガスを用いてプラズマ処理を
行ってもよい。
次に、大気に触れさせることなく、酸化物半導体層140の一部に接する保護絶縁層14
4を形成する(図5(G)参照)。
保護絶縁層144は、スパッタ法など、保護絶縁層144に水、水素等の不純物を混入さ
せない方法を適宜用いて形成することができる。また、その厚さは、少なくとも1nm以
上とする。保護絶縁層144に用いることができる材料としては、酸化珪素、窒化珪素、
酸化窒化珪素、窒化酸化珪素などがある。また、その構造は、単層構造としても良いし、
積層構造としても良い。保護絶縁層144を形成する際の基板温度は、室温以上300℃
以下とするのが好ましく、雰囲気は、希ガス(代表的にはアルゴン)雰囲気、酸素雰囲気
、または希ガス(代表的にはアルゴン)と酸素の混合雰囲気とするのが好適である。
保護絶縁層144に水素が含まれると、その水素の酸化物半導体層への侵入や、水素によ
る酸化物半導体層中の酸素の引き抜きなどが生じ、酸化物半導体層のバックチャネル側が
低抵抗化してしまい、寄生チャネルが形成されるおそれがある。よって、保護絶縁層14
4はできるだけ水素を含まないように、形成方法においては水素を用いないことが重要で
ある。
また、処理室内の残留水分を除去しつつ保護絶縁層144を形成することが好ましい。酸
化物半導体層140および保護絶縁層144に水素、水酸基または水分が含まれないよう
にするためである。
処理室内の残留水分を除去するためには、吸着型の真空ポンプを用いることが好ましい。
例えば、クライオポンプ、イオンポンプ、チタンサブリメーションポンプを用いることが
好ましい。また、排気手段としては、ターボポンプにコールドトラップを加えたものであ
ってもよい。クライオポンプを用いて排気した成膜室は、例えば、水素原子や、水(H
O)など水素原子を含む化合物等が除去されているため、当該成膜室で形成した保護絶縁
層144に含まれる不純物の濃度を低減できる。
保護絶縁層144を形成する際に用いるスパッタガスとしては、水素、水、水酸基または
水素化物などの不純物が、1ppm以下(望ましくは1ppb以下)にまで除去された高
純度ガスを用いることが好ましい。
次いで、不活性ガス雰囲気下、または酸素ガス雰囲気下で第2の熱処理(好ましくは20
0℃以上400℃以下、例えば250℃以上350℃以下)を行うのが望ましい。例えば
、窒素雰囲気下で250℃、1時間の第2の熱処理を行う。第2の熱処理を行うと、トラ
ンジスタの電気的特性のばらつきを軽減することができる。
また、大気中、100℃以上200℃以下、1時間以上30時間以下の熱処理を行っても
よい。この熱処理は一定の加熱温度を保持して行ってもよいし、室温から、100℃以上
200℃以下の加熱温度への昇温と、加熱温度から室温までの降温を複数回くりかえして
行ってもよい。また、この熱処理を、保護絶縁層の形成前に、減圧下で行ってもよい。減
圧下で熱処理を行うと、加熱時間を短縮することができる。なお、当該熱処理は、上記第
2の熱処理に代えて行っても良いし、第2の熱処理の前後などに行っても良い。
次に、保護絶縁層144上に、層間絶縁層146を形成する(図6(A)参照)。層間絶
縁層146はPVD法やCVD法などを用いて形成することができる。また、酸化シリコ
ン、窒化酸化シリコン、窒化シリコン、酸化ハフニウム、酸化アルミニウム、酸化タンタ
ル等の無機絶縁材料を含む材料を用いて形成することができる。層間絶縁層146の形成
後には、その表面を、CMPやエッチングなどの方法によって平坦化しておくことが望ま
しい。
次に、層間絶縁層146、保護絶縁層144、およびゲート絶縁層138に対し、電極1
36a、電極136b、電極136c、ソース電極またはドレイン電極142a、ソース
電極またはドレイン電極142bにまで達する開口を形成し、当該開口に埋め込むように
導電層148を形成する(図6(B)参照)。上記開口はマスクを用いたエッチングなど
の方法で形成することができる。当該マスクは、フォトマスクを用いた露光などの方法に
よって形成することが可能である。
エッチングとしてはウェットエッチング、ドライエッチングのいずれを用いても良いが、
微細加工の観点からは、ドライエッチングを用いることが好適である。導電層148の形
成は、PVD法やCVD法などの成膜法を用いて行うことができる。導電層134の形成
に用いることができる材料としては、モリブデン、チタン、クロム、タンタル、タングス
テン、アルミニウム、銅、ネオジム、スカンジウムなどの導電性材料や、これらの合金、
化合物(例えば窒化物)などが挙げられる。
具体的には、例えば、開口を含む領域にPVD法によりチタン膜を薄く形成し、CVD法
により窒化チタン膜を薄く形成した後に、開口に埋め込むようにタングステン膜を形成す
る方法を適用することができる。ここで、PVD法により形成されるチタン膜は、界面の
酸化膜を還元し、下部電極(ここでは、電極136a、電極136b、電極136c、ソ
ース電極またはドレイン電極142a、ソース電極またはドレイン電極142b)との接
触抵抗を低減させる機能を有する。また、その後に形成される窒化チタンは、導電性材料
の拡散を抑制するバリア機能を備える。また、チタンや窒化チタンなどによるバリア膜を
形成した後に、メッキ法により銅膜を形成してもよい。
導電層148を形成した後には、エッチングやCMPといった方法を用いて導電層148
の一部を除去し、層間絶縁層146を露出させて、電極150a、電極150b、電極1
50c、電極150d、電極150eを形成する(図6(C)参照)。なお、上記導電層
148の一部を除去して電極150a、電極150b、電極150c、電極150d、電
極150eを形成する際には、表面が平坦になるように加工することが望ましい。このよ
うに、層間絶縁層146、電極150a、電極150b、電極150c、電極150d、
電極150eの表面を平坦化することにより、後の工程において、良好な電極、配線、絶
縁層、半導体層などを形成することが可能となる。
さらに、絶縁層152を形成し、絶縁層152に、電極150a、電極150b、電極1
50c、電極150d、電極150eにまで達する開口を形成し、当該開口に埋め込むよ
うに導電層を形成した後、エッチングやCMPなどの方法を用いて導電層の一部を除去し
、絶縁層152を露出させて、電極154a、電極154b、電極154c、電極154
dを形成する(図6(D)参照)。当該工程は、電極150a等を形成する場合と同様で
あるから、詳細は省略する。
上述のような方法でトランジスタ402を作製した場合、酸化物半導体層140の水素濃
度は5×1019/cm以下となり、また、トランジスタ402の室温でのオフ電流は
1×10−13A以下(チャネル幅1μmあたりに換算した室温でのリーク電流は10a
A/μm以下)となる。また、酸化物半導体層のキャリア濃度は1×1014/cm
満となる。このような、水素濃度が十分に低減され、酸素が供給され、高純度化された酸
化物半導体層140を適用することで、優れた特性のトランジスタ402を得ることがで
きる。また、下部に酸化物半導体以外の材料を用いたトランジスタ421を有し、上部に
酸化物半導体を用いたトランジスタ402を有するため、両者の特性を併せ持つ優れた特
性の不揮発性のラッチ回路及びそれを用いた半導体装置を作製することができる。
なお、酸化物半導体層140への酸素の供給は、水素濃度を低減した直後に行う場合は、
酸化物半導体層に水素や水などが混入するおそれがないため、極めて良好な特性の酸化物
半導体層を実現することができるという点で好適である。もちろん、良好な特性の酸化物
半導体層を実現できるのであれば、水素濃度の低減処理と、酸素の供給処理は、連続的に
行われる必要はない。例えば、これらの処理の間に別の処理を含んでいても良い。また、
これらの処理を、同時に行っても良い。
なお、酸化物半導体との比較対象たり得る半導体材料としては、炭化珪素(例えば、4H
−SiC)がある。酸化物半導体と4H−SiCはいくつかの共通点を有している。キャ
リア密度はその一例である。フェルミ・ディラック分布に従えば、酸化物半導体の少数キ
ャリアは10−7/cm程度と見積もられるが、これは、4H−SiCにおける6.7
×10−11/cmと同様、極めて低い値である。シリコンの真性キャリア密度(1.
4×1010/cm程度)と比較すれば、その程度が並はずれていることが良く理解で
きる。
また、酸化物半導体のエネルギーバンドギャップは3.0〜3.5eVであり、4H−S
iCのエネルギーバンドギャップは3.26eVであるから、ワイドギャップ半導体とい
う点においても、酸化物半導体と炭化珪素とは共通している。
一方で、酸化物半導体と炭化珪素との間には極めて大きな相違点が存在する。それは、プ
ロセス温度である。炭化珪素を用いる半導体プロセスは一般に1500℃〜2000℃の
熱処理を必要とするから、他の半導体材料を用いた半導体素子との積層構造は困難である
。このような高い温度では、半導体基板や半導体素子などが破壊されてしまうためである
。他方、酸化物半導体は、300〜500℃(ガラス転位温度以下、最大でも700℃程
度)の熱処理で作製することが可能であり、他の半導体材料を用いて集積回路を形成した
上で、酸化物半導体による半導体素子を形成することが可能となる。
また、炭化珪素の場合と異なり、ガラス基板など、耐熱性の低い基板を用いることが可能
であるという利点を有する。さらに、高温での熱処理が不要という点で、炭化珪素と比較
してエネルギーコストを十分に低くすることができるという利点を有する。
なお、酸化物半導体において、DOS(density of state)等の物性研
究は多くなされているが、これらの研究は、局在準位そのものを十分に減らすという思想
を含まない。開示する発明の一態様では、局在準位の原因たり得る水や水素を酸化物半導
体中より除去することで、高純度化した酸化物半導体を作製する。これは、局在準位その
ものを十分に減らすという思想に立脚するものである。そして、これによって極めて優れ
た工業製品の製造を可能とするものである。
さらに、酸素欠乏により発生する金属の不対結合手に対して酸素を供給し、酸素欠陥によ
る局在準位を減少させることにより、いっそう高純度化された(i型の)酸化物半導体と
することが可能である。たとえば、チャネル形成領域に密接して酸素過剰の酸化膜を形成
し、当該酸化膜から酸素を供給して、酸素欠陥による局在準位を減少させることが可能で
ある。
酸化物半導体の欠陥は、過剰な水素による伝導帯下0.1〜0.2eVの浅い準位や、酸
素の不足による深い準位、などに起因するものとされている。これらの欠陥を無くすため
に、水素を徹底的に除去し、酸素を十分に供給するという技術思想は正しいものであると
考えられる。
また、酸化物半導体は一般にn型とされているが、開示する発明の一態様では、不純物、
特に水や水素を除去することによりi型化を実現する。この点、シリコンなどのように不
純物を添加してのi型化ではなく、従来にない技術思想を含むものといえる。
また上記では、不揮発性のラッチ回路400が有する素子のうち、酸化物半導体を用いた
トランジスタ402以外の素子は、半導体材料として酸化物半導体以外の材料を用いる例
を示したが、開示する発明はこれに限定されるものではない。不揮発性のラッチ回路40
0が有する素子のうち、トランジスタ402以外の素子において、半導体材料として酸化
物半導体を用いることも可能である。
<酸化物半導体を用いたトランジスタの電導機構>
酸化物半導体を用いたトランジスタの電導機構につき、図7乃至図10を用いて説明する
。なお、以下の説明では、理解の容易のため理想的な状況を仮定しており、そのすべてが
現実の様子を反映しているとは限らない。また、以下の説明はあくまでも一考察に過ぎず
、発明の有効性に影響を与えるものではないことを付記する。
図7は、酸化物半導体を用いたトランジスタ(薄膜トランジスタ)の断面図である。ゲー
ト電極(GE1)上にゲート絶縁層(GI)を介して酸化物半導体層(OS)が設けられ
、その上にソース電極(S)およびドレイン電極(D)が設けられ、ソース電極(S)お
よびドレイン電極(D)を覆うように絶縁層が設けられている。
図8には、図7のA−A’断面におけるエネルギーバンド図(模式図)を示す。また、図
8中の黒丸(●)は電子を示し、白丸(○)は正孔を示し、それぞれは電荷(−q,+q
)を有している。ドレイン電極に正の電圧(V>0)を印加した上で、破線はゲート電
極に電圧を印加しない場合(V=0)、実線はゲート電極に正の電圧(V>0)を印
加する場合を示す。ゲート電極に電圧を印加しない場合は高いポテンシャル障壁のために
電極から酸化物半導体側へキャリア(電子)が注入されず、電流を流さないオフ状態を示
す。一方、ゲートに正の電圧を印加するとポテンシャル障壁が低下し、電流を流すオン状
態を示す。
図9には、図7におけるB−B’の断面におけるエネルギーバンド図(模式図)を示す。
図9(A)は、ゲート電極(GE1)に正の電圧(V>0)が与えられた状態であり、
ソース電極とドレイン電極との間にキャリア(電子)が流れるオン状態を示している。ま
た、図9(B)は、ゲート電極(GE1)に負の電圧(V<0)が印加された状態であ
り、オフ状態(少数キャリアは流れない状態)である場合を示す。
図10は、真空準位と金属の仕事関数(φ)、酸化物半導体の電子親和力(χ)の関係
を示す。常温において金属中の電子は縮退しており、フェルミ準位は伝導帯内に位置する
。一方、従来の酸化物半導体はn型であり、そのフェルミ準位(E)は、バンドギャッ
プ中央に位置する真性フェルミ準位(E)から離れて、伝導帯寄りに位置している。な
お、酸化物半導体において水素の一部はドナーとなり、n型化する要因の一つであること
が知られている。
これに対して開示する発明の一態様に係る酸化物半導体は、n型化の要因である水素を酸
化物半導体から除去し、酸化物半導体の主成分以外の元素(不純物元素)が極力含まれな
いように高純度化することにより真性(i型)とし、または実質的に真性としたものであ
る。すなわち、不純物元素を添加してi型化するのでなく、水素や水等の不純物を極力除
去することにより、高純度化されたi型半導体(真性半導体)またはそれに近づけること
を特徴としている。これにより、フェルミ準位(E)は真性フェルミ準位(E)と同
程度とすることができる。
酸化物半導体のバンドギャップ(E)は3.15eVで、電子親和力(χ)は4.3e
Vと言われている。ソース電極およびドレイン電極を構成するチタン(Ti)の仕事関数
は、酸化物半導体の電子親和力(χ)とほぼ等しい。この場合、金属−酸化物半導体界面
において、電子に対してショットキー型の障壁は形成されない。
このとき電子は、図9(A)で示すように、ゲート絶縁層と高純度化された酸化物半導体
との界面付近(酸化物半導体のエネルギー的に安定な最低部)を移動する。
また、図9(B)に示すように、ゲート電極(GE1)に負の電位が与えられると、少数
キャリアであるホールの数は実質的にゼロであるため、電流は限りなくゼロに近い値とな
る。
このように酸化物半導体の主成分以外の元素(不純物元素)が極力含まれないように高純
度化することにより、真性(i型)または実質的に真性となるため、ゲート絶縁層との界
面特性が重要となる。そのため、ゲート絶縁層には、酸化物半導体と良好な界面を形成で
きるものが要求される。具体的には、例えば、VHF帯〜マイクロ波帯の電源周波数で生
成される高密度プラズマを用いたCVD法で作製される絶縁層や、スパッタリング法で作
製される絶縁層などを用いることが好ましい。
酸化物半導体を高純度化しつつ、酸化物半導体とゲート絶縁層との界面を良好なものとす
ることにより、例えば、トランジスタのチャネル幅Wが1×10μm、チャネル長Lが
3μmの場合には、室温でのオフ電流が1×10−13A以下、サブスレッショルドスイ
ング値(S値)が0.1V/dec.(ゲート絶縁層の厚さ:100nm)が実現され得
る。
このように、酸化物半導体の主成分以外の元素(不純物元素)が極力含まれないように高
純度化することにより、トランジスタの動作を良好なものとすることができる。
本実施の形態によれば、チャネル形成領域を構成する半導体材料として、水素濃度が十分
に低減されて高純度化され、キャリア濃度が十分に小さい、真性(i型)または実質的に
真性(i型)な酸化物半導体を用いたトランジスタをスイッチング素子として用い、また
このトランジスタのソース電極又はドレイン電極に電気的に接続された容量を有すること
で、温度動作範囲が広く高温でも安定に動作し、電源を切っても記憶している論理状態が
消えない不揮発性のラッチ回路あるいはリフレッシュ期間が十分に長いデータ保持性を有
するラッチ回路を実現することができる。また、容量に蓄積された電荷がそのままデータ
として保持されるため、残留分極成分をデータとする場合と比較して、ばらつきに強く、
またデータの読み出しを容易に行うことができる。
上記不揮発性のラッチ回路を用いることで、さまざまな論理回路を実現することが可能で
ある。例えば、不揮発性のラッチ回路を用いた論理回路では、使用しないブロックの電源
をオフにすることで消費電力を低減することができる。また、電源をオフにしても論理状
態を記憶していることから、電源をオンにした時のシステム起動や、電源をオフにした時
のシステム終了を高速に、かつ低電力で行うことが可能である。
本実施の形態は、他の実施の形態と自由に組み合わせることができる。
(実施の形態2)
本実施の形態は、開示する発明の一態様である不揮発性のラッチ回路の構成、動作につい
て、図11(A)、図11(B)、図12を参照して説明する。
図11(A)は、不揮発性のラッチ回路400の構成を示している。図11(B)は、不
揮発性のラッチ回路400の一部の構成を示している。図12は、不揮発性のラッチ回路
400のタイミングチャートの例を示している。
図11(A)は、図1のラッチ回路400の構成において、第1の素子412として第1
のインバータを用い、第2の素子413として第2のインバータを用いた例である。第1
のトランジスタ431及び第2のトランジスタ432の構成は、実施の形態1と同様とす
ることができる。すなわち、第1のトランジスタ431及び第2のトランジスタ432と
して、チャネル形成領域に酸化物半導体層を用い、ノーマリーオフの特性を有し、かつオ
フ電流が非常に小さいトランジスタを用いることができる。
図11に示す不揮発性のラッチ回路400は、第1の素子(第1のインバータ)412の
出力が第2の素子(第2のインバータ)413の入力に電気的に接続され、第2の素子(
第2のインバータ)413の出力が第2のトランジスタ432を介して第1の素子(第1
のインバータ)412の入力に電気的に接続されるループ構造を有している。
第1の素子(第1のインバータ)412の入力は、第1のトランジスタ431を介して入
力信号が与えられる配線414に電気的に接続されている。第1の素子(第1のインバー
タ)412の出力は、出力信号が与えられる配線415に電気的に接続されている。入力
信号が与えられる配線414は、前段の回路から不揮発性のラッチ回路400へ入力され
る信号が与えられる配線である。出力信号が与えられる配線415は、不揮発性のラッチ
回路400から後段の回路へ出力される信号が与えられる配線である。
不揮発性のラッチ回路400は、チャネル形成領域を構成する半導体材料として酸化物半
導体を用いた第1のトランジスタ431と第2のトランジスタ432をスイッチング素子
として用いている。また上記不揮発性のラッチ回路400は、この第1のトランジスタ4
31と第2のトランジスタ432のソース電極又はドレイン電極にそれぞれ電気的に接続
された容量404を有している。すなわち、第1のトランジスタ431のソース電極及び
ドレイン電極の一方に容量404の一方の電極が電気的に接続され、第2のトランジスタ
432のソース電極及びドレイン電極の一方に容量404の一方の電極が電気的に接続さ
れている。第1のトランジスタ431のソース電極及びドレイン電極の他方は、入力信号
が与えられる配線414に電気的に接続されている。第2のトランジスタ432のソース
電極及びドレイン電極の他方は、第2の素子(第2のインバータ)413の出力に電気的
に接続されている。容量404の他方の電極には電位Vcが与えられる。第1の素子(第
1のインバータ)412の入力に接続されるノードをノードSと呼ぶことにする。
図11(B)に示すように、不揮発性のラッチ回路400が有する第1の素子(第1のイ
ンバータ)412は、少なくとも第3のトランジスタ421を有している。この第3のト
ランジスタ421のゲートは第1の素子(第1のインバータ)412の入力に電気的に接
続されている。すなわち、第3のトランジスタ421のゲートは、第2のトランジスタ4
32のソース電極及びドレイン電極の一方に電気的に接続されている。また、第3のトラ
ンジスタ421のゲートは、第1のトランジスタ431のソース電極及びドレイン電極の
一方に電気的に接続されている。
また第1のトランジスタ431と第2のトランジスタ432はそれぞれ、図11に示す構
成に代えて、図2(A)又は図2(B)に示す構成とすることができる。
配線414には前段の回路から入力信号INの電位が与えられる。配線415の電位は出
力信号OUTとして後段の回路に与えられる。第1のトランジスタ431には信号φ1の
電位が与えられる。第2のトランジスタ432には信号φ2の電位が与えられる。信号φ
1にハイレベルの電位が与えられると、第1のトランジスタ431がオンとなる。信号φ
2にハイレベルの電位が与えられると、第2のトランジスタ432がオンとなる。なお、
第1のトランジスタ431、第2のトランジスタ432はいずれもn型トランジスタとし
て説明するが、p型トランジスタを採用してもよい。
通常の動作期間において、ラッチ回路400が有する第1の素子(第1のインバータ)4
12、第2の素子(第2のインバータ)413にはそれぞれ、ハイレベルの電源電圧VD
D及びローレベルの電源電圧VSSが与えられている。
不揮発性のラッチ回路400のデータの書き込み、保持、読み出しの動作について、図1
2を参照して説明する。図12は、不揮発性のラッチ回路400が動作状態の期間(動作
期間)と停止状態の期間(非動作期間)における、信号φ1、信号φ2、入力信号IN、
出力信号OUTの電位のタイミングチャートの例を示す。またラッチ回路400のノード
Sの電位、第1の素子(第1のインバータ)412、第2の素子(第2のインバータ)4
13の電源電圧VDDの電位を併せて示す。なお、容量404の他方の電極には所定の電
位Vcが与えられている。例えば接地電位が与えられている。
図12において、期間a、期間b、期間d、期間eはラッチ回路400が動作状態の期間
(動作期間)であり、第1の素子(第1のインバータ)412、第2の素子(第2のイン
バータ)413に電源電圧VDD、電源電圧VSSが供給されている。期間cはラッチ回
路400が停止状態の期間(非動作期間)であり、第1の素子(第1のインバータ)41
2、第2の素子(第2のインバータ)413への電源電圧の供給が停止され、電源電圧V
DDは低下する。期間a、期間eはラッチ回路400の通常の動作期間であり、信号φ1
、信号φ2に交互にハイレベル又はローレベルの電位が与えられている。信号φ1の電位
がハイレベルのときに信号φ2の電位はローレベルとなり、信号φ1の電位がローレベル
のときに信号φ2の電位はハイレベルとなる。すなわち、両者は反転した関係を有してい
る。期間bは、非動作期間に入る前の準備期間である。期間bを立ち下げ期間ともいう。
期間dは、非動作期間の後、電源が供給され、通常の動作期間に入るまでの準備期間であ
る。期間dを立ち上げ期間ともいう。
通常の動作期間(期間a)では、信号φ1にハイレベル、信号φ2にローレベルの電位が
与えられると、第2のトランジスタ432がオフとなりラッチ回路400が有するループ
構造(インバータループともいう)が切断されると共に、第1のトランジスタ431がオ
ンとなり、入力信号の電位が第1の素子(第1のインバータ)412に入力される。入力
信号の電位は第1の素子(第1のインバータ)412で反転され、出力信号OUTとして
後段の回路に与えられる。信号φ1にハイレベルの電位が与えられるときに、入力信号の
電位がハイレベルであれば、ローレベルの電位を有する出力信号が得られる。信号φ1に
ハイレベルの電位が与えられるときに、入力信号の電位がローレベルであれば、ハイレベ
ルの電位を有する出力信号が得られる。
信号φ1にローレベル、信号φ2にハイレベルの電位が与えられると、第1のトランジス
タ431がオフとなると共に、第2のトランジスタ432がオンとなりインバータループ
が形成され、出力信号OUTの電位が保持される(データがラッチされる。すなわちラッ
チ回路の論理状態が保持される。)。ノードSは、第1のインバータの入力の電位を示し
ており、通常の動作期間において出力信号OUTの電位を反転した電位を有している。
第1の素子(第1のインバータ)412の入力は、容量404の一方の電極及び第3のト
ランジスタ421のゲートに電気的に接続されている。これにより、容量404及び第3
のトランジスタ421のゲート容量には、ラッチ回路へデータを書き込む度に、データに
応じた電荷が蓄積される。つまり、ラッチ回路400が有するデータは自動的に不揮発性
ラッチに書き込まれる(書き込み)。容量404の一方の電極及び第3のトランジスタ4
21のゲート(ノードS)には、電位に応じた電荷が蓄積される。
非動作期間に入る前の準備期間(期間b)では、信号φ1及び信号φ2にそれぞれ、第1
のトランジスタ431及び第2のトランジスタ432がオフとなる電位(ローレベルの電
位)が与えられ、第1のトランジスタ431及び第2のトランジスタ432がオフとなり
、ノードSはフローティングの状態になる。その結果、ノードSに蓄積された電荷が保持
される(保持)。
次に、第1の素子(第1のインバータ)412及び第2の素子(第2のインバータ)41
3の電源電圧の供給が停止され、電源電圧VDDが低下し、非動作期間(期間c)に入る
。非動作期間(期間c)では、入力信号IN、出力信号OUTはVDD−VSS間のどの
ような値をとっても構わない。ここで、第1のトランジスタ431及び第2のトランジス
タ432として、チャネル形成領域に酸化物半導体層を用い、ノーマリーオフの特性を有
し、かつオフ電流が非常に小さいトランジスタを用いることにより、ラッチ回路400の
電源電圧の供給を停止した後(期間c)においても、容量404及び第3のトランジスタ
421のゲート容量に蓄積された電荷(ノードSに蓄積された電荷)をそのまま保持し続
けることができる。これにより、ラッチ回路400の電源電圧の供給を停止した後も、ラ
ッチ回路400の論理状態を記憶しつづけることができる。なお、電源電圧VDDが低下
したときにノードSの電位は、電源電位との容量結合の影響により多少変動する場合があ
る。もちろん、ノードSに蓄積された電荷は保持されるので、電源電圧VDDが再び供給
されるともとの電位に回復する。
容量404及び第3のトランジスタ421のゲート容量は、第1の素子(第1のインバー
タ)412の入力に電気的に接続されている。従って、ラッチ回路400が有する少なく
とも第1の素子(第1のインバータ)412の電源電圧の供給が再び開始された後(期間
d)は、容量404及び第3のトランジスタ421のゲート容量に蓄積された電荷(書き
込まれたデータ)に応じて、出力信号OUTの電位が決まる。つまり、容量404及び第
3のトランジスタ421のゲート容量に書き込まれたデータの読み出しを行うことができ
る(読み出し)。これにより、ラッチ回路の論理状態を、非動作期間に入る前の論理状態
に戻すことができる。
次に、信号φ2にハイレベルの電位が与えられる。信号φ2にハイレベルの電位が与えら
れると、第2のトランジスタ432がオンとなりインバータループが形成される。インバ
ータループが形成されると、出力信号OUTおよびノードSにハイレベルもしくはローレ
ベルの電位が与えられ、保持される(データがラッチされる)。
例えば、電源供給を停止する期間が長い場合などにおいて、ノードS(容量404及び第
3のトランジスタ421のゲート容量)に蓄積された電荷が減少するなどにより、ノード
Sがハイレベルもしくはローレベルから多少ずれた電位となっていても、あらためてハイ
レベルもしくはローレベルの電位が供給される。その結果、ノードSの電位を変動前の状
態に戻す(再書き込みとも呼ぶ)ことができる。この動作は、特に、容量404及び第3
のトランジスタ421のゲート容量が小さい場合に有効である。なお、期間dにおいて、
信号φ2にハイレベルの電位を与える期間を設けなくてもよい。
次に、信号φ1、信号φ2に、ハイレベル、ローレベルの電位が与えられ、通常の動作状
態(期間e)となる。通常の動作期間(期間e)の開始時には、信号φ1、信号φ2は、
その前の通常の動作期間(期間a)の終了時と同じ電位(同じ状態)から開始してもよい
し、期間aの終了時とは反転した電位(次の状態)から開始しても構わない。
本実施の形態によれば、チャネル形成領域を構成する半導体材料として、水素濃度が十分
に低減されて高純度化され、キャリア濃度が十分に小さい、真性(i型)または実質的に
真性(i型)な酸化物半導体を用いたトランジスタをスイッチング素子として用い、また
このトランジスタのソース電極又はドレイン電極に電気的に接続された容量を有すること
で、温度動作範囲が広く高温でも安定に動作し、電源を切っても記憶している論理状態が
消えない不揮発性のラッチ回路あるいはリフレッシュ期間が十分に長いデータ保持性を有
するラッチ回路を実現することができる。また、容量に蓄積された電荷がそのままデータ
として保持されるため、残留分極成分をデータとする場合と比較して、ばらつきに強く、
またデータの読み出しを容易に行うことができる。
上記不揮発性のラッチ回路を用いることで、さまざまな論理回路を実現することが可能で
ある。例えば、不揮発性のラッチ回路を用いた論理回路では、使用しないブロックの電源
をオフにすることで消費電力を低減することができる。また、電源をオフにしても論理状
態を記憶していることから、電源をオンにした時のシステム起動や、電源をオフにした時
のシステム終了を高速に、かつ低電力で行うことが可能である。
本実施の形態は、他の実施の形態と自由に組み合わせることができる。
(実施の形態3)
本実施の形態は、開示する発明の一態様である不揮発性のラッチ回路の動作について、
図13(A)、図13(B)を参照して説明する。不揮発性のラッチ回路の構成は図11
と同じであり、タイミングチャートが図12とは異なる例を示している。
図13(A)は、不揮発性のラッチ回路400が動作状態の期間(動作期間)と停止状態
の期間(非動作期間)における、信号φ1、信号φ2、入力信号IN、出力信号OUTの
電位のタイミングチャートの例を示す。またラッチ回路400のノードSの電位、第1の
素子(第1のインバータ)412、第2の素子(第2のインバータ)413の電源電圧V
DDの電位、容量404の他方の電極の電位Vcを併せて示す。
図13(A)において、期間a、期間b、期間d、期間eはラッチ回路400が動作状態
の期間(動作期間)であり、第1の素子(第1のインバータ)412、第2の素子(第2
のインバータ)413に電源電圧VDD、電源電圧VSSが供給されている。期間cはラ
ッチ回路400が停止状態の期間(非動作期間)であり、第1の素子(第1のインバータ
)412、第2の素子(第2のインバータ)413への電源電圧の供給が停止され、電源
電圧VDDは低下する。期間a、期間eはラッチ回路400の通常の動作期間であり、信
号φ1、信号φ2に交互にハイレベル又はローレベルの電位が与えられている。信号φ1
の電位がハイレベルのときに信号φ2の電位はローレベルとなり、信号φ1の電位がロー
レベルのときに信号φ2の電位はハイレベルとなる。すなわち、両者は反転した関係を有
している。期間bは、非動作期間に入る前の準備期間である。期間bを立ち下げ期間とも
いう。期間dは、非動作期間の後、電源が供給され、通常の動作期間に入るまでの準備期
間である。期間dを立ち上げ期間ともいう。
図13(A)において、期間a、期間bの動作は、図12と同様である。次に、第1の素
子(第1のインバータ)412及び第2の素子(第2のインバータ)413の電源電圧の
供給が停止され、電源電圧VDDが低下し、非動作期間(期間c)に入る。非動作期間(
期間c)では、入力信号IN、出力信号OUTはVDD−VSS間のどのような値をとっ
ても構わない。ここで、第1のトランジスタ431及び第2のトランジスタ432として
、チャネル形成領域に酸化物半導体層を用い、ノーマリーオフの特性を有し、かつオフ電
流が非常に小さいトランジスタを用いることにより、ラッチ回路400の電源電圧の供給
を停止した後(期間c)においても、容量404及び第3のトランジスタ421のゲート
容量に蓄積された電荷(ノードSに蓄積された電荷)をそのまま保持し続けることができ
る。これにより、ラッチ回路400の電源電圧の供給を停止した後も、ラッチ回路400
の論理状態を記憶しつづけることができる。なお、電源電圧VDDが低下したときにノー
ドSの電位は、電源電位との容量結合の影響により多少変動する場合がある。もちろん、
ノードSに蓄積された電荷は保持されるので、電源電圧VDDが再び供給されるともとの
電位に回復する。
次に、容量404の他方の電極の電位Vcに所定の電位を与える。電位Vcは、ローレベ
ルの電位から上昇させ、ローレベルとハイレベルの間の電位にする。これにより、ノード
Sには、容量404の他方の電極の電位Vcの増分を加味した電位が与えられる。この状
態で第1の素子(第1のインバータ)412、第2の素子(第2のインバータ)413に
電源電圧が供給されると(期間d)、容量404及び第3のトランジスタ421のゲート
容量に蓄積された電荷に応じて、出力信号OUTの電位が決まる。つまり、容量404及
び第3のトランジスタ421のゲート容量に書き込まれたデータの読み出しを行うことが
できる(読み出し)。これにより、ラッチ回路の論理状態を、非動作期間に入る前の論理
状態に戻すことができる。
上記のように、第1の素子(第1のインバータ)412の電源電圧の供給が再び開始され
容量404及び第3のトランジスタ421のゲート容量に蓄積された電荷(書き込まれた
データ)の読み出しを行うタイミングで、容量404の他方の電極の電位Vcに所定の電
位を与えることにより、読み出しをより安定に行うことが可能となる。例えば、電源供給
を停止する期間が長い場合など、容量404及び第3のトランジスタ421のゲート容量
に蓄積された電荷が減少すると、図13(B)に示すように、ノードSの電位がハイレベ
ルからずれて、読み出しの安定性が低下する可能性がある。このような振る舞いは、特に
、容量404及び第3のトランジスタ421のゲート容量が小さい場合に生じやすい。そ
のような場合であっても、図13(A)、図13(B)に示すように、容量404の他方
の電極の電位Vcに所定の電位を与えることで、容量404及び第3のトランジスタ42
1のゲート電極を適切な電位に制御することができる。その結果、安定した読み出しを行
うことが可能となる。つまり、より小さい容量に対しても動作が可能となり、小型化が可
能である。あるいは、データ保持期間をより長くすることが可能である。
次に、信号φ2にハイレベルの電位が与えられる。信号φ2にハイレベルの電位が与えら
れると、第2のトランジスタ432がオンとなりインバータループが形成される。インバ
ータループが形成されると、出力信号OUTおよびノードSにハイレベルもしくはローレ
ベルの電位が与えられ、保持される(データがラッチされる)。
このとき、ノードSがハイレベルもしくはローレベルから多少ずれた電位となっていても
、あらためてハイレベルもしくはローレベルの電位が供給される。その結果、ノードSの
電位を変動前の状態に戻す(再書き込みとも呼ぶ)ことができる。電位Vcは、ノードS
の電位を変動前に状態に戻した後(再書き込み後)、もとの電位に戻す。
次に、信号φ1、信号φ2に、ハイレベル、ローレベルの電位が与えられ、通常の動作状
態(期間e)となる。通常の動作期間(期間e)の開始時には、信号φ1、信号φ2は、
その前の通常の動作期間(期間a)の終了時と同じ電位(同じ状態)から開始してもよい
し、期間aの終了時とは反転した電位(次の状態)から開始しても構わない。
本実施の形態によれば、チャネル形成領域を構成する半導体材料として、水素濃度が十分
に低減されて高純度化され、キャリア濃度が十分に小さい、真性(i型)または実質的に
真性(i型)な酸化物半導体を用いたトランジスタをスイッチング素子として用い、また
このトランジスタのソース電極又はドレイン電極に電気的に接続された容量を有すること
で、温度動作範囲が広く高温でも安定に動作し、電源を切っても記憶している論理状態が
消えない不揮発性のラッチ回路あるいはリフレッシュ期間が十分に長いデータ保持性を有
するラッチ回路を実現することができる。また、容量に蓄積された電荷がそのままデータ
として保持されるため、残留分極成分をデータとする場合と比較して、ばらつきに強く、
またデータの読み出しを容易に行うことができる。
上記不揮発性のラッチ回路を用いることで、さまざまな論理回路を実現することが可能で
ある。例えば、不揮発性のラッチ回路を用いた論理回路では、使用しないブロックの電源
をオフにすることで消費電力を低減することができる。また、電源をオフにしても論理状
態を記憶していることから、電源をオンにした時のシステム起動や、電源をオフにした時
のシステム終了を高速に、かつ低電力で行うことが可能である。
本実施の形態は、他の実施の形態と自由に組み合わせることができる。
(実施の形態4)
本実施の形態は、開示する発明の一態様である不揮発性のラッチ回路の構成について、
図1とは異なる例を図14を参照して説明する。図14は、不揮発性のラッチ回路400
の構成を示している。
図14は、第1の素子(D1)412の入力に電気的に接続される容量(図1の容量40
4)を有さない構成である。その他の構成は図1と同様である。すなわち、図14に示す
不揮発性のラッチ回路400は、第1の素子(D1)412の出力が第2の素子(D2)
413の入力に電気的に接続され、第2の素子(D2)413の出力が第2のトランジス
タ432を介して第1の素子(D1)412の入力に電気的に接続されるループ構造を有
している。
第1の素子(D1)412の入力は、第1のトランジスタ431を介して入力信号が与え
られる配線414に電気的に接続されている。第1の素子(D1)412の出力は、出力
信号が与えられる配線415に電気的に接続されている。入力信号が与えられる配線41
4は、前段の回路から不揮発性のラッチ回路400へ入力される信号が与えられる配線で
ある。出力信号が与えられる配線415は、不揮発性のラッチ回路400から後段の回路
へ出力される信号が与えられる配線である。
上記不揮発性のラッチ回路400は、チャネル形成領域を構成する半導体材料として酸化
物半導体を用いた第1のトランジスタ431と第2のトランジスタ432をスイッチング
素子として用いている。第1のトランジスタ431及び第2のトランジスタ432の構成
は、実施の形態1と同様とすることができる。すなわち、第1のトランジスタ431及び
第2のトランジスタ432として、チャネル形成領域に酸化物半導体層を用い、ノーマリ
ーオフの特性を有し、かつオフ電流が非常に小さいトランジスタを用いることができる。
上記において、不揮発性のラッチ回路400が有する第1の素子412は、少なくとも第
3のトランジスタ421を有している。この第3のトランジスタ421のゲートは第1の
素子412の入力に電気的に接続されている。すなわち、第3のトランジスタ421のゲ
ートは、第2のトランジスタ432のソース電極及びドレイン電極の一方に電気的に接続
されている。また、第3のトランジスタ421のゲートは、第1のトランジスタ431の
ソース電極及びドレイン電極の一方に電気的に接続されている。第1のトランジスタ43
1のソース電極及びドレイン電極の他方は、入力信号が与えられる配線に電気的に接続さ
れている。第2のトランジスタ432のソース電極及びドレイン電極の他方は、第2の素
子の出力に電気的に接続されている。
また第1のトランジスタ431と第2のトランジスタ432はそれぞれ、図14に示す構
成に代えて、図2(A)又は図2(B)に示す構成とすることができる。
図14に示す構成を有する不揮発性のラッチ回路は、以下のように、データの書き込み、
保持、読み出しが可能である。
上記のとおり、不揮発性のラッチ回路400は、第1の素子(D1)412の出力が第2
の素子(D2)413の入力に電気的に接続され、第2の素子(D2)413の出力が第
2のトランジスタ432を介して第1の素子(D1)412の入力に電気的に接続される
ループ構造を有している。このループ構造の所定の位置に、第3のトランジスタ421の
ゲート容量が電気的に接続されている。具体的には、第1の素子(D1)412の入力に
、第3のトランジスタ421のゲートが電気的に接続されている。このように第3のトラ
ンジスタ421のゲート容量は、不揮発性のラッチ回路400が有するループ構造の所定
の位置に電気的に接続されている。これにより、第3のトランジスタ421のゲート容量
には、ラッチ回路へデータを書き込む度に、データに応じた電荷が蓄積される。つまり、
ラッチ回路400が有するデータは自動的に不揮発性ラッチに書き込まれる(書き込み)
。データの書き換えも同様に行うことができる。
第3のトランジスタ421のゲート容量に書き込まれたデータの保持、すなわち、これら
の容量に蓄積された電荷の保持は、第1のトランジスタ431と第2のトランジスタ43
2のゲートにそれぞれのトランジスタがオフとなる電位を与え、それぞれのトランジスタ
をオフすることにより行うことができる(保持)。
ここで、第1のトランジスタ431及び第2のトランジスタ432として、チャネル形成
領域に酸化物半導体層を用い、ノーマリーオフの特性を有し、かつオフ電流が非常に小さ
いトランジスタを用いることにより、ラッチ回路400が有する少なくとも第1の素子(
D1)412、第2の素子(D2)413の電源電圧の供給を停止した後も、上記ゲート
容量に蓄積された電荷をそのまま保持し続けることができる。これにより、上記電源電圧
の供給を停止した後も、ラッチ回路400の論理状態を記憶しつづけることができる。
第3のトランジスタ421のゲート容量は、第1の素子(D1)412の入力に電気的に
接続されている。従って、ラッチ回路400が有する少なくとも第1の素子(D1)41
2の電源電圧の供給が再び開始された後は、第3のトランジスタ421のゲート容量に蓄
積された電荷に応じて、出力信号OUTの電位が決まる。つまり、第3のトランジスタ4
21のゲート容量に書き込まれたデータの読み出しを行うことができる(読み出し)。
本実施の形態によれば、チャネル形成領域を構成する半導体材料として、水素濃度が十分
に低減されて高純度化され、キャリア濃度が十分に小さい、真性(i型)または実質的に
真性(i型)な酸化物半導体を用いたトランジスタをスイッチング素子として用い、また
このトランジスタのソース電極又はドレイン電極に電気的に接続された容量を有すること
で、温度動作範囲が広く高温でも安定に動作し、電源を切っても記憶している論理状態が
消えない不揮発性のラッチ回路あるいはリフレッシュ期間が十分に長いデータ保持性を有
するラッチ回路を実現することができる。また、容量に蓄積された電荷がそのままデータ
として保持されるため、残留分極成分をデータとする場合と比較して、ばらつきに強く、
またデータの読み出しを容易に行うことができる。
上記不揮発性のラッチ回路を用いることで、さまざまな論理回路を実現することが可能で
ある。例えば、不揮発性のラッチ回路を用いた論理回路では、使用しないブロックの電源
をオフにすることで消費電力を低減することができる。また、電源をオフにしても論理状
態を記憶していることから、電源をオンにした時のシステム起動や、電源をオフにした時
のシステム終了を高速に、かつ低電力で行うことが可能である。
本実施の形態は、他の実施の形態と自由に組み合わせることができる。
(実施の形態5)
本実施の形態は、開示する発明の一態様である不揮発性のラッチ回路の構成について、
図11とは異なる例を図15を参照して説明する。図15は、不揮発性のラッチ回路40
0の構成を示している。
図15は、ノードSに接続される容量(図11(A)の容量404)を有さない構成であ
る。その他の構成は図11と同様である。
また、図15は、図14のラッチ回路400の構成において、第1の素子412として第
1のインバータを用い、第2の素子413として第2のインバータを用いた例である。第
1のトランジスタ431及び第2のトランジスタ432の構成は、実施の形態1と同様と
することができる。すなわち、第1のトランジスタ431及び第2のトランジスタ432
として、チャネル形成領域に酸化物半導体層を用い、ノーマリーオフの特性を有し、かつ
オフ電流が非常に小さいトランジスタを用いることができる。
図15に示す不揮発性のラッチ回路400は、第1の素子(第1のインバータ)412の
出力が第2の素子(第2のインバータ)413の入力に電気的に接続され、第2の素子(
第2のインバータ)413の出力が第2のトランジスタ432を介して第1の素子(第1
のインバータ)412の入力に電気的に接続されるループ構造を有している。
第1の素子(第1のインバータ)412の入力は、第1のトランジスタ431を介して入
力信号が与えられる配線414に電気的に接続されている。第1の素子(第1のインバー
タ)412の出力は、出力信号が与えられる配線415に電気的に接続されている。入力
信号が与えられる配線414は、前段の回路から不揮発性のラッチ回路400へ入力され
る信号が与えられる配線である。出力信号が与えられる配線415は、不揮発性のラッチ
回路400から後段の回路へ出力される信号が与えられる配線である。
不揮発性のラッチ回路400は、チャネル形成領域を構成する半導体材料として酸化物半
導体を用いた第1のトランジスタ431と第2のトランジスタ432をスイッチング素子
として用いている。また不揮発性のラッチ回路400が有する第1の素子(第1のインバ
ータ)412は、少なくとも第3のトランジスタ421を有している。この第3のトラン
ジスタ421のゲートは第1の素子(第1のインバータ)412の入力に電気的に接続さ
れている。すなわち、第3のトランジスタ421のゲートは、第2のトランジスタ432
のソース電極及びドレイン電極の一方に電気的に接続されている。また、第3のトランジ
スタ421のゲートは、第1のトランジスタ431のソース電極及びドレイン電極の一方
に電気的に接続されている。第1のトランジスタ431のソース電極及びドレイン電極の
他方は、入力信号が与えられる配線414に電気的に接続されている。第2のトランジス
タ432のソース電極及びドレイン電極の他方は、第2の素子(第2のインバータ)41
3の出力に電気的に接続されている。第1の素子(第1のインバータ)412の入力に接
続されるノードをノードSと呼ぶことにする。
また第1のトランジスタ431と第2のトランジスタ432はそれぞれ、図15に示す構
成に代えて、図2(A)又は図2(B)に示す構成とすることができる。
不揮発性のラッチ回路400のデータの書き込み、保持、読み出しの動作については、図
11に示すラッチ回路400の動作(図12、図13及びその説明)と同様である。
本実施の形態によれば、チャネル形成領域を構成する半導体材料として、水素濃度が十分
に低減されて高純度化され、キャリア濃度が十分に小さい、真性(i型)または実質的に
真性(i型)な酸化物半導体を用いたトランジスタをスイッチング素子として用い、また
このトランジスタのソース電極又はドレイン電極に電気的に接続された容量を有すること
で、温度動作範囲が広く高温でも安定に動作し、電源を切っても記憶している論理状態が
消えない不揮発性のラッチ回路あるいはリフレッシュ期間が十分に長いデータ保持性を有
するラッチ回路を実現することができる。また、容量に蓄積された電荷がそのままデータ
として保持されるため、残留分極成分をデータとする場合と比較して、ばらつきに強く、
またデータの読み出しを容易に行うことができる。
上記不揮発性のラッチ回路を用いることで、さまざまな論理回路を実現することが可能で
ある。例えば、不揮発性のラッチ回路を用いた論理回路では、使用しないブロックの電源
をオフにすることで消費電力を低減することができる。また、電源をオフにしても論理状
態を記憶していることから、電源をオンにした時のシステム起動や、電源をオフにした時
のシステム終了を高速に、かつ低電力で行うことが可能である。
本実施の形態は、他の実施の形態と自由に組み合わせることができる。
(実施の形態6)
本実施の形態は、開示する発明の一態様である不揮発性のラッチ回路を複数有する論理
回路の構成について、図16を参照して説明する。
図16(A)は、不揮発性のラッチ回路400を二つ有する論理回路の構成を示している
。この論理回路はD−FFと呼ばれ、例えば、CPUや各種論理回路内でレジスタとして
使用される。図16(B)は、不揮発性のラッチ回路400の一部の構成を示している。
図16(A)に示すラッチ回路400は、図1に示すラッチ回路400の構成において、
第1の素子としてNANDを用い、第2の素子としてクロックドインバータを用いた例で
ある。
すなわち、ラッチ回路400は、第1の素子(NAND)412の出力が第2の素子(ク
ロックドインバータ)413の入力に電気的に接続され、第2の素子(クロックドインバ
ータ)413の出力が第2のトランジスタ432を介して第1の素子(NAND)412
の入力に電気的に接続されるループ構造を有している。
第1の素子(NAND)412の入力の一つには、第1のトランジスタ431を介して入
力信号が与えられる配線414に電気的に接続されている。第1の素子(NAND)41
2の出力は、出力信号が与えられる配線415に電気的に接続されている。第1の素子(
NAND)412の入力の他の一つには、信号RSTBが与えられる配線に電気的に接続
されている。第2の素子(クロックドインバータ)413にはクロック信号とクロック信
号の反転信号が与えられる。第1のトランジスタ431及び第2のトランジスタ432の
構成は、実施の形態1と同様とすることができる。すなわち、第1のトランジスタ431
及び第2のトランジスタ432として、チャネル形成領域に酸化物半導体層を用い、ノー
マリーオフの特性を有し、かつオフ電流が非常に小さいトランジスタを用いることができ
る。
上記不揮発性のラッチ回路400は、第1のトランジスタ431と第2のトランジスタ4
32をスイッチング素子として用いている。また上記不揮発性のラッチ回路400は、こ
の第1のトランジスタ431と第2のトランジスタ432のソース電極又はドレイン電極
にそれぞれ電気的に接続された容量404を有している。すなわち、第1のトランジスタ
431のソース電極及びドレイン電極の一方に容量404の一方の電極が電気的に接続さ
れ、第2のトランジスタ432のソース電極及びドレイン電極の一方に容量404の一方
の電極が電気的に接続されている。第1のトランジスタ431のソース電極及びドレイン
電極の他方は、入力信号が与えられる配線に電気的に接続されている。第2のトランジス
タ432のソース電極及びドレイン電極の他方は、第2の素子の出力に電気的に接続され
ている。容量404の他方の電極には電位Vcが与えられる。
上記において、不揮発性のラッチ回路400が有する第1の素子(NAND)412は、
図16(B)に示しように、少なくとも第3のトランジスタ421を有している。この第
3のトランジスタ421のゲートは第1の素子(NAND)412の入力に電気的に接続
されている。すなわち、第3のトランジスタ421のゲートは、第2のトランジスタ43
2のソース電極及びドレイン電極の一方に電気的に接続されている。また、第3のトラン
ジスタ421のゲートは、第1のトランジスタ431のソース電極及びドレイン電極の一
方に電気的に接続されている。
また第1のトランジスタ431と第2のトランジスタ432はそれぞれ、図16(A)に
示す構成に代えて、図2(A)又は図2(B)に示す構成とすることができる。
上記のとおり、不揮発性のラッチ回路400は、ループ構造の所定の位置に、容量404
及び第3のトランジスタ421のゲート容量が電気的に接続されている。具体的には、第
1の素子(NAND)412の入力に、容量404の一方の電極及び第3のトランジスタ
421のゲートが電気的に接続されている。このように容量404及び第3のトランジス
タ421のゲート容量は、不揮発性のラッチ回路400が有するループ構造の所定の位置
に電気的に接続されている。これにより、容量404及び第3のトランジスタ421のゲ
ート容量には、ラッチ回路へデータを書き込む度に、データに応じた電荷が蓄積される。
つまり、ラッチ回路400が有するデータは自動的に不揮発性ラッチに書き込まれる(書
き込み)。データの書き換えも同様に行うことができる。
容量404及び第3のトランジスタ421のゲート容量に書き込まれたデータの保持、す
なわちこれらの容量に蓄積された電荷の保持は、第1のトランジスタ431と第2のトラ
ンジスタ432のゲートにそれぞれのトランジスタがオフとなる電位を与え、それぞれの
トランジスタをオフすることにより行うことができる(保持)。
ここで、第1のトランジスタ431及び第2のトランジスタ432として、チャネル形成
領域に酸化物半導体層を用い、ノーマリーオフの特性を有し、かつオフ電流が非常に小さ
いトランジスタを用いることにより、ラッチ回路400が有する少なくとも第1の素子(
NAND)412、第2の素子(クロックドインバータ)413の電源電圧の供給を停止
した後も、容量に蓄積された電荷をそのまま保持し続けることができる。これにより、上
記電源電圧の供給を停止した後も、ラッチ回路400の論理状態を記憶しつづけることが
できる。
容量404及び第3のトランジスタ421のゲート容量は、第1の素子(NAND)41
2の入力に電気的に接続されている。従って、ラッチ回路400が有する少なくとも第1
の素子(NAND)412の電源電圧の供給が再び開始された後は、容量404及び第3
のトランジスタ421のゲート容量に蓄積された電荷に応じて、出力信号OUTの電位が
決まる。つまり、容量404及び第3のトランジスタ421のゲート容量に書き込まれた
データの読み出しを行うことができる(読み出し)。
図16(A)に示す論理回路は、上記の不揮発性のラッチ回路400を二つ有している。
不揮発性のラッチ回路400は、前段の回路から入力信号の電位が与えられる配線414
に電気的に接続されている。不揮発性のラッチ回路400の出力信号の電位が与えられる
配線417は、不揮発性のラッチ回路400の入力信号の電位が与えられる配線416に
電気的に接続されている。不揮発性のラッチ回路400は、後段の回路に出力信号の電位
が与えられる配線415に電気的に接続されている。
図16(A)には、ラッチ回路400が有するデータを、容量404及び第3のトランジ
スタ421のゲート容量に保持させる例を示したが、第3のトランジスタ421のゲート
容量だけを用い、それ以外の容量(容量404)を用いない構成とすることもできる。そ
の場合は、ラッチ回路400は容量404を有さない構成とすることができる。
また、図16(A)に示すラッチ回路400において、第2の素子(クロックドインバー
タ)413は、図16(C)に示す構成とすることもできる。図16(C)に示す第2の
素子(クロックドインバータ)413は、第2の素子(クロックドインバータ)413の
入力及び出力に電気的に接続されるトランジスタ442、トランジスタ443と、ハイレ
ベルの電源電圧VDDに電気的に接続されるトランジスタ441と、ローレベルの電源電
圧VSSに電気的に接続されるトランジスタ444とを有している。トランジスタ441
とトランジスタ444は、電源電圧の供給、停止を制御するスイッチとして機能している
。トランジスタ441とトランジスタ444のゲートには、クロック信号φとクロック信
号の反転信号φbが与えられる。
ここで、図16(C)に示す第2の素子(クロックドインバータ)413が有するトラン
ジスタ441とトランジスタ444として、チャネル形成領域に酸化物半導体層を用い、
ノーマリーオフの特性を有し、かつオフ電流が非常に小さいトランジスタを用いることが
できる。このように、チャネル形成領域を構成する半導体材料として酸化物半導体を用い
たトランジスタを、第2の素子(クロックドインバータ)413の電源電圧の供給、停止
を制御するスイッチとして機能するトランジスタ441とトランジスタ444に用いるこ
とにより、ラッチ回路400の電流のパスを遮断することができる。図16(C)に示す
構成を用いた場合には、ラッチ回路が有する第2のトランジスタ432を用いない構成と
することもできる。すなわち、図16(C)に示す構成を用いた場合には、ラッチ回路4
00は第2のトランジスタ432を有さない構成とすることができる。
本実施の形態によれば、チャネル形成領域を構成する半導体材料として、水素濃度が十分
に低減されて高純度化され、キャリア濃度が十分に小さい、真性(i型)または実質的に
真性(i型)な酸化物半導体を用いたトランジスタをスイッチング素子として用い、また
このトランジスタのソース電極又はドレイン電極に電気的に接続された容量を有すること
で、温度動作範囲が広く高温でも安定に動作し、電源を切っても記憶している論理状態が
消えない不揮発性のラッチ回路あるいはリフレッシュ期間が十分に長いデータ保持性を有
するラッチ回路を実現することができる。また、容量に蓄積された電荷がそのままデータ
として保持されるため、残留分極成分をデータとする場合と比較して、ばらつきに強く、
またデータの読み出しを容易に行うことができる。
上記不揮発性のラッチ回路を用いることで、さまざまな論理回路を実現することが可能で
ある。例えば、不揮発性のラッチ回路を用いた論理回路では、使用しないブロックの電源
をオフにすることで消費電力を低減することができる。また、電源をオフにしても論理状
態を記憶していることから、電源をオンにした時のシステム起動や、電源をオフにした時
のシステム終了を高速に、かつ低電力で行うことが可能である。
本実施の形態は、他の実施の形態と自由に組み合わせることができる。
(実施の形態7)
次に、先の実施の形態(実施の形態1、実施の形態2など)におけるトランジスタ402
として用いることができる、酸化物半導体を用いたトランジスタの作製方法の別の一例に
ついて、図17を参照して説明する。本実施の形態では、高純度化された酸化物半導体(
特に非晶質構造)を用いる場合について、詳細に説明する。なお、以下では、トップゲー
ト型のトランジスタを例に挙げて説明するが、トランジスタの構成をトップゲート型に限
る必要はない。
まず、下層基板200上に絶縁層202を形成する。それから、絶縁層202上に酸化物
半導体層206を形成する(図17(A)参照)。
ここで、下層基板200は、先の実施の形態における、下部のトランジスタ421などが
形成された基板に相当する。その詳細については、先の実施の形態を参酌することができ
る。なお、下層基板200の表面は可能な限り平坦であることが好ましく、そのためにC
MP法等によって、表面の高低差を、5nm以下、好ましくは1nm以下、あるいは、表
面荒さの二乗和平方根(RMS)を2nm以下、好ましくは、0.4nm以下とするとよ
い。
絶縁層202は下地として機能するものであり、先の実施の形態におけるゲート絶縁層1
38や保護絶縁層144などと同様に形成することができる。詳細については、先の実施
の形態を参酌すればよい。なお、絶縁層202は、できるだけ水素や水を含まないように
形成することが望ましい。
酸化物半導体層206は、四元系金属酸化物であるIn−Sn−Ga−Zn−O系や、三
元系金属酸化物であるIn−Ga−Zn−O系、In−Sn−Zn−O系、In−Al−
Zn−O系、Sn−Ga−Zn−O系、Al−Ga−Zn−O系、Sn−Al−Zn−O
系や、二元系金属酸化物であるIn−Zn−O系、Sn−Zn−O系、Al−Zn−O系
、Zn−Mg−O系、Sn−Mg−O系、In−Mg−O系や、In−O系、Sn−O系
、Zn−O系などの酸化物半導体を用いて形成することができる。
中でも、In−Ga−Zn−O系の酸化物半導体材料は、無電界時の抵抗が十分に高くオ
フ電流を十分に小さくすることが可能であり、また、電界効果移動度も高いため、半導体
装置に用いる半導体材料としては好適である。
In−Ga−Zn−O系の酸化物半導体材料の代表例としては、InGaO(ZnO)
(m>0、且つ自然数でない)で表記されるものがある。また、Gaに代えてMを用い
、InMO(ZnO)(m>0、且つ自然数でない)のように表記される酸化物半導
体材料がある。ここで、Mは、ガリウム(Ga)、アルミニウム(Al)、鉄(Fe)、
ニッケル(Ni)、マンガン(Mn)、コバルト(Co)などから選ばれた一の金属元素
または複数の金属元素を示す。例えば、Mとしては、Ga、GaおよびAl、Gaおよび
Fe、GaおよびNi、GaおよびMn、GaおよびCoなどを適用することができる。
なお、上述の組成は結晶構造から導き出されるものであり、あくまでも一例に過ぎないこ
とを付記する。
本実施の形態では、非晶質構造の酸化物半導体層206を、In−Ga−Zn−O系の金
属酸化物ターゲットを用いるスパッタ法により形成することとする。
酸化物半導体層206をスパッタリング法で作製するためのターゲットとしては、例えば
、In:Ga:ZnO=1:1:1[mol比]の組成比を有するターゲッ
トなどを用いても良い。また、In:Ga:ZnO=1:1:2[mol比
]の組成比を有するターゲットや、In:Ga:ZnO=1:1:4[mo
l比]の組成比を有するターゲットを用いることもできる。
金属酸化物ターゲット中の酸化物半導体の相対密度は80%以上、好ましくは95%以上
、さらに好ましくは99.9%以上である。相対密度の高い金属酸化物ターゲットを用い
ることにより、緻密な構造の酸化物半導体層206を形成することが可能である。
酸化物半導体層206の形成雰囲気は、希ガス(代表的にはアルゴン)雰囲気、酸素雰囲
気、または、希ガス(代表的にはアルゴン)と酸素との混合雰囲気とするのが好適である
。具体的には、例えば、水素、水、水酸基、水素化物などの不純物が、濃度数ppm以下
(例えば1ppm以下)、望ましくは濃度数ppb以下(例えば1ppb以下)にまで除
去された高純度ガス雰囲気を用いるのが好適である。
酸化物半導体層206の形成の際には、例えば、減圧状態に保持された処理室内に基板を
保持し、基板の温度が100℃以上550℃以下、好ましくは200℃以上400℃以下
となるように基板を熱する。そして、処理室内の水分を除去しつつ、水素や水などが除去
されたスパッタガスを導入し、上記ターゲットを用いて酸化物半導体層206を形成する
。基板を熱しながら酸化物半導体層206を形成することにより、酸化物半導体層206
に含まれる不純物を低減することができる。また、スパッタリングによる損傷を軽減する
ことができる。処理室内の水分を除去するためには、吸着型の真空ポンプを用いることが
好ましい。例えば、クライオポンプ、イオンポンプ、チタンサブリメーションポンプなど
を用いることができる。また、ターボポンプにコールドトラップを加えたものを用いても
よい。クライオポンプを用いて排気することで、処理室から水素や水などが除去されるた
め、酸化物半導体層206中の不純物濃度を低減できる。
酸化物半導体層206の形成条件としては、例えば、基板とターゲットの間との距離が1
70mm、圧力が0.4Pa、直流(DC)電力が0.5kW、雰囲気が酸素(酸素10
0%)雰囲気、またはアルゴン(アルゴン100%)雰囲気、または酸素とアルゴンの混
合雰囲気、といった条件を適用することができる。なお、パルス直流(DC)電源を用い
ると、ごみ(成膜時に形成される粉状の物質など)を低減でき、膜厚分布も均一となるた
め好ましい。酸化物半導体層206の厚さは、2nm以上200nm以下、好ましくは5
nm以上30nm以下とする。ただし、適用する酸化物半導体材料や、半導体装置の用途
などにより適切な厚さは異なるから、その厚さは、用いる材料や用途などに応じて選択す
ればよい。
なお、酸化物半導体層206をスパッタ法により形成する前には、アルゴンガスを導入し
てプラズマを発生させる逆スパッタを行い、絶縁層202の表面の付着物を除去するのが
好適である。ここで、逆スパッタとは、通常のスパッタにおいては、スパッタターゲット
にイオンを衝突させるところ、逆に、処理表面にイオンを衝突させることによってその表
面を改質する方法のことをいう。処理表面にイオンを衝突させる方法としては、アルゴン
雰囲気下で処理表面側に高周波電圧を印加して、基板付近にプラズマを生成する方法など
がある。なお、アルゴン雰囲気に代えて窒素、ヘリウム、酸素などによる雰囲気を適用し
てもよい。
次に、マスクを用いたエッチングなどの方法によって酸化物半導体層206を加工して、
島状の酸化物半導体層206aを形成する。
酸化物半導体層206のエッチングには、ドライエッチング、ウェットエッチングのいず
れを用いても良い。もちろん、その両方を組み合わせて用いることもできる。酸化物半導
体層を所望の形状にエッチングできるよう、材料に合わせてエッチング条件(エッチング
ガスやエッチング液、エッチング時間、温度等)は適宜設定する。詳細については、先の
実施の形態を参酌することができる。酸化物半導体層206のエッチングは、先の実施の
形態における酸化物半導体層のエッチングと同様に行うことができる。詳細については、
先の実施の形態を参酌すればよい。
その後、酸化物半導体層206aに対して、熱処理(第1の熱処理)を行うことが望まし
い。この第1の熱処理によって酸化物半導体層206a中の、過剰な水素(水や水酸基を
含む)を除去し、酸化物半導体層206aの構造を整え、酸化物半導体層206a中の欠
陥を低減することができる。第1の熱処理の温度は、例えば、300℃以上550℃以下
、または400℃以上550℃以下とする。
熱処理は、例えば、抵抗発熱体などを用いた電気炉に下層基板200を導入し、窒素雰囲
気下、450℃、1時間の条件で行うことができる。この間、酸化物半導体層206aは
大気に触れさせず、水や水素の混入が生じないようにする。
熱処理装置は電気炉に限る必要はなく、加熱されたガスなどの媒体からの熱伝導、または
熱輻射によって、被処理物を加熱する装置を用いても良い。例えば、GRTA(Gas
Rapid Thermal Anneal)装置、LRTA(Lamp Rapid
Thermal Anneal)装置等のRTA(Rapid Thermal Ann
eal)装置を用いることができる。LRTA装置は、ハロゲンランプ、メタルハライド
ランプ、キセノンアークランプ、カーボンアークランプ、高圧ナトリウムランプ、高圧水
銀ランプなどのランプから発する光(電磁波)の輻射により、被処理物を加熱する装置で
ある。GRTA装置は、高温のガスを用いて熱処理を行う装置である。ガスとしては、ア
ルゴンなどの希ガス、または窒素のような、熱処理によって被処理物と反応しない不活性
気体が用いられる。
例えば、第1の熱処理として、不活性ガス雰囲気中に基板を投入し、数分間熱した後、当
該不活性ガス雰囲気から基板を取り出すGRTA処理を行ってもよい。GRTA処理を用
いると短時間での高温熱処理が可能となる。また、短時間の熱処理であるため、基板の耐
熱温度を超える温度条件であっても適用が可能となる。
なお、処理中に、不活性ガスを、酸素を含むガスに切り替えても良い。酸素を含む雰囲気
において第1の熱処理を行うことで、酸素欠損に起因する欠陥を低減することができるた
めである。
例えば、第1の加熱処理に電気炉を用いる場合、加熱処理の降温時に雰囲気を切り替える
ことができる。例えば、加熱処理時(恒温時)の雰囲気は、窒素、または希ガス(ヘリウ
ム、ネオン、アルゴン等)などの不活性ガス雰囲気とし、降温時に酸素を含む雰囲気に切
り替えることができる。酸素を含む雰囲気としては、酸素ガスまたは酸素ガスと窒素ガス
を混合した気体を用いることができる。
なお、不活性ガス雰囲気としては、窒素、または希ガス(ヘリウム、ネオン、アルゴン等
)を主成分とする雰囲気であって、水、水素などが含まれない雰囲気を適用するのが望ま
しい。例えば、熱処理装置に導入する窒素や、ヘリウム、ネオン、アルゴン等の希ガスの
純度を、6N(99.9999%)以上、好ましくは7N(99.99999%)以上(
すなわち、不純物濃度が1ppm以下、好ましくは0.1ppm以下)とする。
いずれにしても、第1の熱処理によって不純物を低減し、i型化または実質的にi型化さ
れた酸化物半導体層206aを形成することで、極めて優れた特性のトランジスタを実現
することができる。
なお、第1の熱処理は、島状の酸化物半導体層206aに加工する前の酸化物半導体層2
06に行うこともできる。その場合には、第1の熱処理後に、加熱装置から下層基板20
0を取り出し、フォトリソグラフィ工程を行うことになる。
第1の熱処理には水素や水を除去する効果があるから、第1の熱処理を、脱水化処理、脱
水素化処理などと呼ぶこともできる。当該脱水化処理、脱水素化処理は、酸化物半導体層
の形成後、酸化物半導体層206a上にソース電極またはドレイン電極を積層させた後、
などのタイミングにおいて行うことも可能である。また、このような脱水化処理、脱水素
化処理は、一回に限らず複数回行っても良い。
次に、酸化物半導体層206aに接するように導電層を形成する。そして、導電層を選択
的にエッチングして、ソース電極またはドレイン電極208a、ソース電極またはドレイ
ン電極208bを形成する(図17(B)参照)。当該工程は、先の実施の形態のソース
電極またはドレイン電極142aなどに関する工程と同様である。詳細については、先の
実施の形態を参酌することができる。
次に、酸化物半導体層206aの一部に接するゲート絶縁層212を形成する。(図17
(C)参照)。詳細については、先の実施の形態のゲート絶縁層に関する記載を参酌する
ことができる。
ゲート絶縁層212の形成後には、不活性ガス雰囲気下、または酸素雰囲気下で第2の熱
処理を行うのが望ましい。熱処理の温度は、200℃以上450℃以下、望ましくは25
0℃以上350℃以下である。例えば、窒素雰囲気下で250℃、1時間の熱処理を行え
ばよい。第2の熱処理を行うことによって、トランジスタの電気的特性のばらつきを軽減
することができる。また、ゲート絶縁層212が酸素を含む場合、酸化物半導体層206
aに酸素を供給し、該酸化物半導体層206aの酸素欠損を低減して、i型(真性半導体
)またはi型に限りなく近い実質的にi型(真性)な酸化物半導体層を形成することもで
きる。
なお、本実施の形態では、ゲート絶縁層212の形成直後に第2の熱処理を行っているが
、第2の熱処理のタイミングはこれに特に限定されない。
次に、ゲート絶縁層212上の酸化物半導体層206aと重畳する領域にゲート電極21
4を形成する(図17(D)参照)。ゲート電極214は、ゲート絶縁層212上に導電
層を形成した後に、当該導電層を選択的にパターニングすることによって形成することが
できる。詳細については、先の実施の形態のゲート電極に関する記載を参酌することがで
きる。
次に、ゲート絶縁層212およびゲート電極214上に、層間絶縁層216および層間絶
縁層218を形成する(図17(E)参照)。層間絶縁層216および層間絶縁層218
は、PVD法やCVD法などを用いて形成することができる。また、酸化シリコン、酸窒
化シリコン、窒化シリコン、酸化ハフニウム、酸化アルミニウム、酸化タンタル等の無機
絶縁材料を含む材料を用いて形成することができる。なお、本実施の形態では、層間絶縁
層216と層間絶縁層218の積層構造としているが、開示する発明の一態様はこれに限
定されない。1層としても良いし、3層以上の積層構造としても良い。
なお、上記層間絶縁層218は、その表面が平坦になるように形成することが望ましい。
表面が平坦になるように層間絶縁層218を形成することで、層間絶縁層218上に、電
極や配線などを好適に形成することができるためである。
以上により、高純度化された酸化物半導体層206aを用いたトランジスタ250が完成
する。
図17(E)に示すトランジスタ250は、下層基板200上に絶縁層202を介して設
けられた酸化物半導体層206aと、酸化物半導体層206aと電気的に接続するソース
電極またはドレイン電極208a、ソース電極またはドレイン電極208bと、酸化物半
導体層206a、ソース電極またはドレイン電極208a、ソース電極またはドレイン電
極208bを覆うゲート絶縁層212と、ゲート絶縁層212上のゲート電極214と、
ゲート絶縁層212及びゲート電極214上の層間絶縁層216と、層間絶縁層216上
の層間絶縁層218とを有する。
本実施の形態において示すトランジスタ250では、酸化物半導体層206aが高純度化
されているため、その水素濃度は、5×1019/cm以下、望ましくは5×1018
/cm以下、より望ましくは5×1017/cm以下、より望ましくは1×1016
/cm未満となる。また、酸化物半導体層206aのキャリア密度は、一般的なシリコ
ンウェハにおけるキャリア密度(1×1014/cm程度)と比較して、十分に小さい
値(例えば、1×1012/cm未満、望ましくは、1×1011/cm未満)をと
る。そして、これにより、オフ電流が十分に小さくなる。例えば、ドレイン電圧Vdが+
1Vまたは+10Vの場合であって、ゲート電圧Vgが−5Vから−20Vの範囲では、
室温でのオフ電流は1×10−13A以下である。また、上記トランジスタは、ノーマリ
ーオフのトランジスタ特性を有している。従って、ゲート電極とソース電極間の電圧がほ
ぼ0Vの状態におけるオフ電流、すなわちリーク電流が、シリコンを用いたトランジスタ
に比べて著しく小さい。例えば室温での単位チャネル幅リーク電流は10aA/μm以下
となる。
このように高純度化され、真性化された酸化物半導体層206aを用いることで、トラン
ジスタのオフ電流を十分に低減することができる。
なお、本実施の形態では、先の実施の形態に示すトランジスタ402として、トランジス
タ250を用いる場合を説明したが、開示する発明をこれに限定して解釈する必要はない
。例えば、酸化物半導体の電気特性を十分に高めることで、集積回路を構成するトランジ
スタを含むすべてのトランジスタに酸化物半導体を用いることも可能である。そして、こ
のような場合には、先の実施の形態に示すように積層構造である必要もない。この場合、
例えば、ガラス基板などの基板を用いて半導体装置を形成することが可能である。
以上、本実施の形態に示す構成、方法などは、他の実施の形態に示す構成、方法などと適
宜組み合わせて用いることができる。
(実施の形態8)
次に、先の実施の形態(実施の形態1、実施の形態2など)におけるトランジスタ402
として用いることが可能な、酸化物半導体を用いたトランジスタの作製方法の別の一例に
ついて、図18を参照して説明する。本実施の形態では、酸化物半導体層として、結晶領
域を有する第1の酸化物半導体層と、第1の酸化物半導体層の結晶領域から結晶成長させ
た第2の酸化物半導体層を用いる場合について、詳細に説明する。なお、以下では、トッ
プゲート型のトランジスタを例に挙げて説明するが、トランジスタの構成をトップゲート
型に限る必要はない。
まず、下層基板300上に絶縁層302を形成する。それから、絶縁層302上に第1の
酸化物半導体層を成膜し、第1の熱処理によって少なくとも第1の酸化物半導体層の表面
を含む領域を結晶化させて、第1の酸化物半導体層304を形成する(図18(A)参照
)。
ここで、下層基板300は、先の実施の形態における、下部のトランジスタ421などが
形成された基板を指す。その詳細については、先の実施の形態を参酌することができる。
なお、下層基板300の表面の平坦性に関しては、本実施の形態では、特に重要視すべき
である。表面の平坦性は、結晶成長を均質におこなうために不可欠な要素であるためであ
る。好ましい結晶性の酸化物半導体層を得るには、表面の高低差を、1nm以下、好まし
くは0.2nm以下、あるいは、表面荒さの二乗和平方根(RMS)を0.5nm以下、
好ましくは、0.1nm以下とするとよい。
絶縁層302は下地として機能するものであり、先の実施の形態におけるゲート絶縁層1
38や保護絶縁層144などと同様に形成することができる。詳細については、先の実施
の形態を参酌すればよい。なお、絶縁層302は、できるだけ水素や水を含まないように
形成することが望ましい。
第1の酸化物半導体層304は、先の実施の形態における酸化物半導体層206と同様に
形成することができる。第1の酸化物半導体層304及びその成膜方法の詳細については
、先の実施の形態を参酌すればよい。ただし、本実施の形態では、第1の熱処理によって
第1の酸化物半導体層を意図的に結晶化させるため、結晶化が生じやすい金属酸化物ター
ゲットを用いて第1の酸化物半導体層を形成することが望ましい。例えば、ZnOが挙げ
られる。また、In−Ga−Zn−O系酸化物であっても、例えば、Znの濃度の高いも
のは結晶化しやすく、Znの金属元素(In、Ga、Zn)に占める割合が60%以上の
ものは、この目的に用いるには好ましい。また、第1の酸化物半導体層304の厚さは、
3nm以上15nm以下とするのが望ましい。本実施の形態では一例として5nmの厚さ
とする。ただし、適用する酸化物半導体材料や半導体装置の用途などにより適切な厚さは
異なるので、その厚さは、用いる材料や用途などに応じて選択すればよい。
第1の熱処理の温度は、450℃以上850℃以下、好ましくは550℃以上750℃以
下とする。また、熱処理の時間は、1分以上24時間以下とすることが望ましい。温度や
時間は酸化物半導体の種類や組成比によって異なる。また、第1の熱処理の雰囲気は、水
素や水などを含まない雰囲気とすることが望ましい。例えば、水が十分に除去された、窒
素、酸素、希ガス(ヘリウム、ネオン、アルゴン等)雰囲気とすることができる。
熱処理装置は、電気炉の他、加熱されたガスなどの媒体からの熱伝導、または熱輻射によ
って、被処理物を加熱する装置を用いることができる。例えば、GRTA(Gas Ra
pid Thermal Anneal)装置、LRTA(Lamp Rapid Th
ermal Anneal)装置等のRTA(Rapid Thermal Annea
l)装置を用いることができる。LRTA装置は、ハロゲンランプ、メタルハライドラン
プ、キセノンアークランプ、カーボンアークランプ、高圧ナトリウムランプ、高圧水銀ラ
ンプなどのランプから発する光(電磁波)の輻射により、被処理物を加熱する装置である
。GRTA装置は、高温のガスを用いて熱処理を行う装置である。ガスとしては、アルゴ
ンなどの希ガス、または窒素のような、熱処理によって被処理物と反応しない不活性気体
が用いられる。
上述の第1の熱処理によって、少なくとも第1の酸化物半導体層の表面を含む領域が結晶
化する。当該結晶領域は、第1の酸化物半導体層表面から、第1の酸化物半導体層内部に
向かって結晶成長が進行することにより形成される領域である。なお、当該結晶領域は、
平均厚さが2nm以上10nm以下の板状結晶を含む場合がある。また、当該結晶領域は
、酸化物半導体層の表面に略平行なa−b面を有し、該表面に対して略垂直な方向にc軸
が配向する結晶を含む場合がある。ここで、略平行とは、平行方向から±10°以内の状
態をいうものとし、略垂直とは、垂直方向から±10°以内の状態を言うものとする。
また、第1の熱処理によって結晶領域を形成すると共に、第1の酸化物半導体層中の水素
(水や水酸基を含む)などを除去することが望ましい。水素などの除去を行う場合には、
純度が、6N(99.9999%)以上(即ち不純物の濃度が1ppm以下)の窒素、酸
素、希ガス(ヘリウム、ネオン、アルゴン等)雰囲気において第1の熱処理を行うと良い
。より望ましくは、純度が7N(99.99999%)以上(即ち不純物の濃度が0.1
ppm以下)の雰囲気である。また、HOが20ppm以下の超乾燥空気中で、好まし
くは、HOが1ppm以下の超乾燥空気中で、第1の熱処理を行っても良い。
また、第1の熱処理により結晶領域を形成すると共に、第1の酸化物半導体層に酸素を供
給することが望ましい。例えば、熱処理の雰囲気を酸素雰囲気などに変更することで、第
1の酸化物半導体層に酸素を供給することができる。
本実施の形態では、第1の熱処理として、窒素雰囲気下で700℃、1時間の熱処理を行
って酸化物半導体層から水素などを除去した後、雰囲気を酸素雰囲気に切り替えることで
、第1の酸化物半導体層内部に酸素を供給する。なお、第1の熱処理の主たる目的は結晶
領域の形成にあるから、水素などの除去や、酸素の供給を目的とする処理は別に行うこと
もできる。例えば、水素などを除去するため熱処理や、酸素を供給する処理を行った後に
、結晶化のための熱処理を行うことが可能である。
このような第1の熱処理によって、結晶領域を有し、水素(水や水酸基を含む)などが除
去され、酸素が供給された第1の酸化物半導体層304が得られる。
次に、少なくとも表面を含む領域に結晶領域を有する第1の酸化物半導体層304上に、
第2の酸化物半導体層305を形成する(図18(B)参照)。
第2の酸化物半導体層305は、先の実施の形態における酸化物半導体層206と同様に
形成することができる。第2の酸化物半導体層305及びその成膜方法の詳細については
、先の実施の形態を参酌すればよい。ただし、第2の酸化物半導体層305は、第1の酸
化物半導体層304より厚く形成することが望ましい。また、第1の酸化物半導体層30
4と第2の酸化物半導体層305の厚さの和が3nm以上50nm以下となるように、第
2の酸化物半導体層305を形成することが望ましい。なお、適用する酸化物半導体材料
や、半導体装置の用途などにより適切な厚さは異なるから、その厚さは、用いる材料や用
途などに応じて選択すればよい。
第2の酸化物半導体層305には、第1の酸化物半導体層304と同一主成分の材料で、
さらに結晶化後の格子定数が近接した材料(ミスマッチが1%以下)を用いることが望ま
しい。同一主成分の材料を用いる場合には、第2の酸化物半導体層305の結晶化におい
て、第1の酸化物半導体層304の結晶領域から結晶成長が進行しやすいためである。さ
らに、同一主成分材料である場合には、界面物性や電気的特性も良好になる。
なお、結晶化によって所望の膜質が得られる場合には、第1の酸化物半導体層304とは
異なる主成分の材料を用いて第2の酸化物半導体層305を形成しても良い。
次に、第2の酸化物半導体層305に第2の熱処理を行い、第1の酸化物半導体層304
の結晶領域から結晶成長させて、第2の酸化物半導体層306を形成する(図18(C)
)参照)。
第2の熱処理の温度は、450℃以上850℃以下、好ましくは600℃以上700℃以
下とする。第2の熱処理の加熱時間は1分以上100時間以下とし、好ましくは5時間以
上20時間以下とし、代表的には10時間とする。なお、第2の熱処理においても、熱処
理の雰囲気には、水素や水などが含まれないことが望ましい。
雰囲気の詳細および第2の熱処理による効果は、第1の熱処理と同様である。また、用い
ることができる熱処理装置も、第1の熱処理の場合と同様である。例えば、第2の熱処理
の昇温時には炉の内部を窒素雰囲気とし、冷却時には炉の内部を酸素雰囲気とすることで
、窒素雰囲気で水素などの除去を、酸素雰囲気で酸素の供給を行うことができる。
上述のような第2の熱処理を行うことにより、第1の酸化物半導体層304に形成された
結晶領域から第2の酸化物半導体層305全体に結晶成長を進行させて、第2の酸化物半
導体層306を形成することができる。また、水素(水や水酸基を含む)などが除去され
、酸素が供給された第2の酸化物半導体層306を形成することができる。また、第2の
熱処理によって、第1の酸化物半導体層304の結晶領域の配向性を高めることが可能で
ある。
例えば、In−Ga−Zn−O系の酸化物半導体材料を第2の酸化物半導体層306に用
いる場合、第2の酸化物半導体層306は、InGaO(ZnO)(m>0、且つ自
然数でない)で表される結晶や、InGaZnO(In:Ga:Zn:O=2:2
:1:7)で表される結晶などを含み得る。このような結晶は、第2の熱処理によって、
そのc軸が、第2の酸化物半導体層306の表面と略垂直な方向をとるように配向する。
ここで、上述の結晶は、In、Ga、Znのいずれかを含有し、a軸(a−axis)お
よびb軸(b−axis)に平行な複数のレイヤーの積層構造として捉えることができる
。具体的には、上述の結晶は、Inを含有するレイヤーと、Inを含有しないレイヤー(
GaまたはZnを含有するレイヤー)が、c軸方向に積層された構造を有する。
In−Ga−Zn−O系の酸化物半導体結晶では、Inを含有するレイヤー、すなわち、
a軸およびb軸に平行な方向における導電性は良好である。これは、In−Ga−Zn−
O系の酸化物半導体結晶では電気伝導が主としてInによって制御されること、および、
一のInの5s軌道が、隣接するInの5s軌道と重なりを有することにより、キャリア
パスが形成されることによる。
また、第1の酸化物半導体層304が絶縁層302との界面に非晶質領域を有するような
構造の場合、第2の熱処理を行うことにより、第1の酸化物半導体層304の表面に形成
されている結晶領域から第1の酸化物半導体層の下方に向かって結晶成長が進行し、該非
晶質領域が結晶化される場合もある。なお、絶縁層302を構成する材料や、熱処理の条
件などによっては、該非晶質領域が残存する場合もある。
第1の酸化物半導体層304と第2の酸化物半導体層305とに同一主成分の酸化物半導
体材料を用いる場合、図18(C)に示すように、第1の酸化物半導体層304と、第2
の酸化物半導体層306とが、同一の結晶構造を有する場合がある。このため、図18(
C)では点線で示したが、第1の酸化物半導体層304と第2の酸化物半導体層306の
境界が判別できなくなり、第1の酸化物半導体層304と第2の酸化物半導体層306を
同一の層と見なせる場合もある。
次に、マスクを用いたエッチングなどの方法によって第1の酸化物半導体層304及び第
2の酸化物半導体層306を加工して、島状の第1の酸化物半導体層304a及び第2の
酸化物半導体層306aを形成する(図18(D)参照)。
第1の酸化物半導体層304及び第2の酸化物半導体層306のエッチングには、ドライ
エッチング、ウェットエッチングのいずれを用いても良い。もちろん、その両方を組み合
わせて用いることもできる。酸化物半導体層を所望の形状にエッチングできるよう、材料
に合わせてエッチング条件(エッチングガスやエッチング液、エッチング時間、温度等)
は適宜設定する。第1の酸化物半導体層304及び第2の酸化物半導体層306のエッチ
ングは、先の実施の形態における酸化物半導体層のエッチングと同様に行うことができる
。詳細については、先の実施の形態を参酌すればよい。
なお、酸化物半導体層のうち、チャネル形成領域となる領域は、平坦な表面を有している
ことが望ましい。例えば、第2の酸化物半導体層表面の高低差は、ゲート電極と重畳する
領域(チャネル形成領域)において、1nm以下(好ましくは0.2nm以下)であると
好適である。
次に、第2の酸化物半導体層306aに接するように導電層を形成する。それから、該導
電層を選択的にエッチングして、ソース電極またはドレイン電極308a、ソース電極ま
たはドレイン電極308bを形成する(図18(D)参照)。ソース電極またはドレイン
電極308a、ソース電極またはドレイン電極308bは、先の実施の形態におけるソー
ス電極またはドレイン電極142a、ソース電極またはドレイン電極142bと同様に形
成することができる。詳細については、先の実施の形態を参酌すればよい。
また、図18(D)に示す工程で、第1の酸化物半導体層304aおよび第2の酸化物半
導体層306aの側面において、ソース電極またはドレイン電極308a、ソース電極ま
たはドレイン電極308bと接する結晶層が非晶質状態となることもある。
次に、第2の酸化物半導体層306aの一部に接するゲート絶縁層312を形成する。ゲ
ート絶縁層312は、CVD法やスパッタリング法等を用いて形成することができる。そ
の後、ゲート絶縁層312上の、第1の酸化物半導体層304a及び第2の酸化物半導体
層306aと重畳する領域にゲート電極314を形成する。そして、ゲート絶縁層312
およびゲート電極314上に、層間絶縁層316および層間絶縁層318を形成する(図
18(E)参照)。ゲート絶縁層312、ゲート電極314、層間絶縁層316および層
間絶縁層318は、先の実施の形態におけるゲート絶縁層などと同様に形成することがで
きる。詳細については、先の実施の形態を参酌すればよい。
ゲート絶縁層312の形成後には、不活性ガス雰囲気下、または酸素雰囲気下で第3の熱
処理を行うのが望ましい。第3の熱処理の温度は、200℃以上450℃以下、望ましく
は250℃以上350℃以下である。例えば、酸素を含む雰囲気下で250℃、1時間の
熱処理を行えばよい。第3の熱処理を行うことによって、トランジスタの電気的特性のば
らつきを軽減することができる。また、ゲート絶縁層312が酸素を含む絶縁層である場
合、第2の酸化物半導体層306aに酸素を供給し、第2の酸化物半導体層306aの酸
素欠損を低減して、i型(真性半導体)またはi型に限りなく近い実質的にi型(真性)
な酸化物半導体層を形成することもできる。
なお、本実施の形態では、ゲート絶縁層312の形成後に第3の熱処理を行っているが、
第3の熱処理のタイミングはこれに限定されない。また、第2の熱処理などのような、他
の処理によって第2の酸化物半導体層に酸素を供給している場合には、第3の熱処理は省
略しても良い。
ゲート電極314は、ゲート絶縁層312上に導電層を形成した後に、当該導電層を選択
的にパターニングすることによって形成することができる。詳細については、先の実施の
形態のゲート電極に関する記載を参酌することができる。
層間絶縁層316および層間絶縁層318は、PVD法やCVD法などを用いて形成する
ことができる。また、酸化シリコン、酸窒化シリコン、窒化シリコン、酸化ハフニウム、
酸化アルミニウム、酸化タンタル等の無機絶縁材料を含む材料を用いて形成することがで
きる。なお、本実施の形態では、層間絶縁層316と層間絶縁層318の積層構造として
いるが、開示する発明の一態様はこれに限定されない。1層としても良いし、3層以上の
積層構造としても良い。
なお、上記層間絶縁層318は、その表面が平坦になるように形成することが望ましい。
表面が平坦になるように層間絶縁層318を形成することで、層間絶縁層318上に、電
極や配線などを好適に形成することができるためである。
以上により、第1の酸化物半導体層304a、および、第1の酸化物半導体層304aの
結晶領域から結晶成長させた第2の酸化物半導体層306aを用いたトランジスタ350
が完成する。
図18(E)に示すトランジスタ350は、下層基板300上に絶縁層302を介して設
けられた第1の酸化物半導体層304aと、第1の酸化物半導体層304a上に設けられ
た第2の酸化物半導体層306aと、第2の酸化物半導体層306aと電気的に接続する
ソース電極またはドレイン電極308a、ソース電極またはドレイン電極308bと、第
2の酸化物半導体層306a、ソース電極またはドレイン電極308a、ソース電極また
はドレイン電極308bを覆うゲート絶縁層312と、ゲート絶縁層312上のゲート電
極314と、ゲート絶縁層312及びゲート電極314上の層間絶縁層316と、層間絶
縁層316上の層間絶縁層318とを有する。
本実施の形態において示すトランジスタ350では、第1の酸化物半導体層304aおよ
び第2の酸化物半導体層306aが高純度化されているため、その水素濃度は、5×10
19/cm以下、望ましくは5×1018/cm以下、より望ましくは5×1017
/cm以下、より望ましくは1×1016/cm未満となる。また、酸化物半導体層
のキャリア密度は、一般的なシリコンウェハにおけるキャリア密度(1×1014/cm
程度)と比較して、十分に小さい値(例えば、1×1012/cm未満、望ましくは
、1×1011/cm未満)をとる。そして、これにより、オフ電流が十分に小さくな
る。例えば、ドレイン電圧Vdが+1Vまたは+10Vの場合であって、ゲート電圧Vg
が−5Vから−20Vの範囲では、室温でのオフ電流は1×10−13A以下である。ま
た、上記トランジスタ350は、ノーマリーオフのトランジスタ特性を有している。従っ
て、ゲート電極とソース電極間の電圧がほぼ0Vの状態におけるオフ電流、すなわち、リ
ーク電流が、シリコンを用いたトランジスタに比べて著しく小さい。例えば、室温での単
位チャネル幅リーク電流は10aA/μm以下となる。
このように高純度化され、真性化された第1の酸化物半導体層304aおよび第2の酸化
物半導体層306aを用いることで、トランジスタのオフ電流を十分に低減することがで
きる。
さらに、本実施の形態では、酸化物半導体層として、結晶領域を有する第1の酸化物半導
体層304aと、第1の酸化物半導体層304aの結晶領域から結晶成長させた第2の酸
化物半導体層306aを用いているため、電界効果移動度を向上させ、良好な電気特性を
有するトランジスタを実現することができる。
なお、本実施の形態では、先の実施の形態に示すトランジスタ402として、トランジス
タ350を用いる場合を説明したが、開示する発明をこれに限定して解釈する必要はない
。例えば、本実施の形態に示すトランジスタ350は、結晶領域を有する第1の酸化物半
導体層304a、および第1の酸化物半導体層304aの結晶領域から結晶成長させた第
2の酸化物半導体層306aを用いており、良好な電界効果移動度を有するので、集積回
路を構成するトランジスタを含むすべてのトランジスタに酸化物半導体を用いることが可
能である。そして、このような場合には、先の実施の形態に示すように積層構造である必
要もない。この場合、例えば、ガラス基板などの基板を用いて半導体装置を形成すること
が可能である。
以上、本実施の形態に示す構成、方法などは、他の実施の形態に示す構成、方法などと適
宜組み合わせて用いることができる。
(実施の形態9)
本実施の形態では、先の実施の形態で得られる不揮発性のラッチ回路を用いた半導体装置
を搭載した電子機器の例について図19を用いて説明する。先の実施の形態で得られる不
揮発性のラッチ回路を用いた半導体装置を搭載した電子機器は、従来にない優れた特性を
有するものである。このため、当該不揮発性のラッチ回路を用いた半導体装置を用いて新
たな構成の電子機器を提供することが可能である。なお、先の実施の形態に係る不揮発性
のラッチ回路を用いた半導体装置は、集積化されて回路基板などに実装され、各電子機器
の内部に搭載されることになる。
図19(A)は、先の実施の形態に係る不揮発性のラッチ回路を用いた半導体装置を含む
ノート型のパーソナルコンピュータであり、本体1301、筐体1302、表示部130
3、キーボード1304などによって構成されている。開示する発明に係る半導体装置を
パーソナルコンピュータに適用することで、優れた性能のパーソナルコンピュータを提供
することができる。
図19(B)は、先の実施の形態に係る不揮発性のラッチ回路を用いた半導体装置を含む
携帯情報端末(PDA)であり、本体1311には表示部1313と、外部インターフェ
イス1315と、操作ボタン1314等が設けられている。また操作用の付属品としてス
タイラス1312がある。開示する発明に係る半導体装置を携帯情報端末(PDA)に適
用することで、優れた性能の携帯情報端末(PDA)を提供することができる。
図19(C)には、先の実施の形態に係る不揮発性のラッチ回路を用いた半導体装置を含
む電子ペーパーの一例として、電子書籍1320を示す。電子書籍1320は、筐体13
21および筐体1323の2つの筐体で構成されている。筐体1321および筐体132
3は、軸部1337により一体とされており、該軸部1337を軸として開閉動作を行う
ことができる。このような構成により、電子書籍1320は、紙の書籍のように用いるこ
とが可能である。
筐体1321には表示部1325が組み込まれ、筐体1323には表示部1327が組み
込まれている。表示部1325および表示部1327は、続き画面を表示する構成として
もよいし、異なる画面を表示する構成としてもよい。異なる画面を表示する構成とするこ
とで、例えば右側の表示部(図19(C)では表示部1325)に文章を表示し、左側の
表示部(図19(C)では表示部1327)に画像を表示することができる。
また、図19(C)では、筐体1321に操作部などを備えた例を示している。例えば、
筐体1321は、電源スイッチ1331、操作キー1333、スピーカー1335などを
備えている。操作キー1333により、頁を送ることができる。なお、筐体の表示部と同
一面にキーボードやポインティングデバイスなどを備える構成としてもよい。また、筐体
の裏面や側面に、外部接続用端子(イヤホン端子、USB端子、またはACアダプタおよ
びUSBケーブルなどの各種ケーブルと接続可能な端子など)、記録媒体挿入部などを備
える構成としてもよい。さらに、電子書籍1320は、電子辞書としての機能を持たせた
構成としてもよい。
また、電子書籍1320は、無線で情報を送受信できる構成としてもよい。無線により、
電子書籍サーバから、所望の書籍データなどを購入し、ダウンロードする構成とすること
も可能である。
なお、電子ペーパーは、情報を表示するものであればあらゆる分野に適用することが可能
である。例えば、電子書籍以外にも、ポスター、電車などの乗り物の車内広告、クレジッ
トカード等の各種カードにおける表示などに適用することができる。開示する発明に係る
半導体装置を電子ペーパーに適用することで、優れた性能の電子ペーパーを提供すること
ができる。
図19(D)は、先の実施の形態に係る不揮発性のラッチ回路を用いた半導体装置を含む
携帯電話機である。当該携帯電話機は、筐体1340および筐体1341の二つの筐体で
構成されている。筐体1341は、表示パネル1342、スピーカー1343、マイクロ
フォン1344、ポインティングデバイス1346、カメラ用レンズ1347、外部接続
端子1348などを備えている。また、筐体1341は、当該携帯電話機の充電を行う太
陽電池セル1349、外部メモリスロット1350などを備えている。また、アンテナは
筐体1341内部に内蔵されている。
表示パネル1342はタッチパネル機能を備えており、図19(D)には映像表示されて
いる複数の操作キー1345を点線で示している。なお、当該携帯電話は、太陽電池セル
1349で出力される電圧を各回路に必要な電圧に昇圧するための昇圧回路を実装してい
る。また、上記構成に加えて、非接触ICチップ、小型記録装置などを内蔵した構成とす
ることもできる。
表示パネル1342は、使用形態に応じて表示の方向が適宜変化する。また、表示パネル
1342と同一面上にカメラ用レンズ1347を備えているため、テレビ電話が可能であ
る。スピーカー1343およびマイクロフォン1344は音声通話に限らず、テレビ電話
、録音、再生などが可能である。さらに、筐体1340と筐体1341はスライドし、図
19(D)のように展開している状態から重なり合った状態とすることができ、携帯に適
した小型化が可能である。
外部接続端子1348はACアダプタやUSBケーブルなどの各種ケーブルと接続可能で
あり、充電やデータ通信が可能になっている。また、外部メモリスロット1350に記録
媒体を挿入し、より大量のデータの保存および移動に対応できる。また、上記機能に加え
て、赤外線通信機能、テレビ受信機能などを備えたものであってもよい。開示する発明に
係る半導体装置を携帯電話機に適用することで、優れた性能の携帯電話機を提供すること
ができる。
図19(E)は、先の実施の形態に係る不揮発性のラッチ回路を用いた半導体装置を含む
デジタルカメラである。当該デジタルカメラは、本体1361、表示部(A)1367、
接眼部1363、操作スイッチ1364、表示部(B)1365、バッテリー1366な
どによって構成されている。開示する発明に係る半導体装置をデジタルカメラに適用する
ことで、優れた性能のデジタルカメラを提供することができる。
図19(F)は、先の実施の形態に係る不揮発性のラッチ回路を用いた半導体装置を含む
テレビジョン装置である。テレビジョン装置1370では、筐体1371に表示部137
3が組み込まれている。表示部1373により、映像を表示することが可能である。なお
、ここでは、スタンド1375により筐体1371を支持した構成を示している。
テレビジョン装置1370の操作は、筐体1371が備える操作スイッチや、別体のリモ
コン操作機1380により行うことができる。リモコン操作機1380が備える操作キー
1379により、チャンネルや音量の操作を行うことができ、表示部1373に表示され
る映像を操作することができる。また、リモコン操作機1380に、当該リモコン操作機
1380から出力する情報を表示する表示部1377を設ける構成としてもよい。
なお、テレビジョン装置1370は、受信機やモデムなどを備えた構成とするのが好適で
ある。受信機により、一般のテレビ放送の受信を行うことができる。また、モデムを介し
て有線または無線による通信ネットワークに接続することにより、一方向(送信者から受
信者)または双方向(送信者と受信者間、あるいは受信者間同士など)の情報通信を行う
ことが可能である。開示する発明に係る半導体装置をテレビジョン装置に適用することで
、優れた性能のテレビジョン装置を提供することができる。
本実施の形態に示す構成、方法などは、他の実施の形態に示す構成、方法などと適宜組み
合わせて用いることができる
100 基板
102 保護層
104 半導体領域
106 素子分離絶縁層
108a ゲート絶縁層
110a ゲート電極
112 絶縁層
114 不純物領域
116 チャネル形成領域
118 サイドウォール絶縁層
120 高濃度不純物領域
122 金属層
124 金属化合物領域
126 層間絶縁層
128 層間絶縁層
130a ソース電極又はドレイン電極
130b ソース電極又はドレイン電極
130c 電極
132 絶縁層
134 導電層
136a 電極
136b 電極
136c 電極
136d ゲート電極
138 ゲート絶縁層
140 酸化物半導体層
142a ソース電極又はドレイン電極
142b ソース電極又はドレイン電極
144 保護絶縁層
146 層間絶縁層
148 導電層
150a 電極
150b 電極
150c 電極
150d 電極
150e 電極
152 絶縁層
154a 電極
154b 電極
154c 電極
154d 電極
200 下層基板
202 絶縁層
206 酸化物半導体層
206a 酸化物半導体層
208a ソース電極又はドレイン電極
208b ソース電極又はドレイン電極
212 ゲート絶縁層
214 ゲート電極
216 層間絶縁層
218 層間絶縁層
250 トランジスタ
300 下層基板
302 絶縁層
304 酸化物半導体層
304a 酸化物半導体層
305 酸化物半導体層
306 酸化物半導体層
306a 酸化物半導体層
308a ソース電極又はドレイン電極
308b ソース電極又はドレイン電極
312 ゲート絶縁層
314 ゲート電極
316 層間絶縁層
318 層間絶縁層
350 トランジスタ
400 ラッチ回路
402 トランジスタ
404 容量
412 第1の素子
413 第2の素子
414 配線
415 配線
421 第3のトランジスタ
431 第1のトランジスタ
432 第2のトランジスタ
441 トランジスタ
442 トランジスタ
443 トランジスタ
444 トランジスタ
1301 本体
1302 筐体
1303 表示部
1304 キーボード
1311 本体
1312 スタイラス
1313 表示部
1314 操作ボタン
1315 外部インターフェイス
1320 電子書籍
1321 筐体
1323 筐体
1325 表示部
1327 表示部
1331 電源スイッチ
1333 操作キー
1335 スピーカー
1337 軸部
1340 筐体
1341 筐体
1342 表示パネル
1343 スピーカー
1344 マイクロフォン
1345 操作キー
1346 ポインティングデバイス
1347 カメラ用レンズ
1348 外部接続端子
1349 太陽電池セル
1350 外部メモリスロット
1361 本体
1363 接眼部
1364 操作スイッチ
1365 表示部(B)
1366 バッテリー
1367 表示部(A)
1370 テレビジョン装置
1371 筐体
1373 表示部
1375 スタンド
1377 表示部
1379 操作キー
1380 リモコン操作機

Claims (2)

  1. 第1の素子を有し、
    第2の素子を有し、
    第1のトランジスタを有し、
    第2のトランジスタを有し、
    容量を有し、
    前記第1の素子の出力は、前記第2の素子の入力と電気的に接続され、
    前記第2の素子の出力は、前記第2のトランジスタのソース及びドレインの一方と電気的に接続され、
    前記第2のトランジスタのソース及びドレインの他方は、前記第1の素子の入力と電気的に接続され、
    前記第1のトランジスタのソース及びドレインの一方は、前記第1の素子の入力と電気的に接続され、
    前記第1のトランジスタのソース及びドレインの他方は、入力端子と電気的に接続され、
    前記第1のトランジスタのソース及びドレインの一方は、前記容量の一方の電極と電気的に接続され、
    前記第2のトランジスタのソース及びドレインの他方は、前記容量の一方の電極と電気的に接続され、
    前記第1の素子の出力は、出力端子と電気的に接続され、
    前記第1のトランジスタのソース及びドレインの一方は、前記第1の素子が有する第3のトランジスタのゲートと電気的に接続され、
    前記第2のトランジスタのソース及びドレインの他方は、前記第1の素子が有する前記第3のトランジスタのゲートと電気的に接続され、
    前記第1のトランジスタのチャネル形成領域は、酸化物半導体層を有し、
    前記第2のトランジスタのチャネル形成領域は、酸化物半導体層を有し、
    前記第3のトランジスタのチャネル形成領域は、シリコンを有し、
    前記酸化物半導体層は、c軸が表面に対して略垂直な方向に配向した結晶を有することを特徴とする半導体装置。
  2. 請求項1において、
    前記酸化物半導体層は、Inと、Gaと、Znと、を有することを特徴とする半導体装置。
JP2015033863A 2009-12-18 2015-02-24 半導体装置 Expired - Fee Related JP5957553B2 (ja)

Priority Applications (1)

Application Number Priority Date Filing Date Title
JP2015033863A JP5957553B2 (ja) 2009-12-18 2015-02-24 半導体装置

Applications Claiming Priority (3)

Application Number Priority Date Filing Date Title
JP2009288146 2009-12-18
JP2009288146 2009-12-18
JP2015033863A JP5957553B2 (ja) 2009-12-18 2015-02-24 半導体装置

Related Parent Applications (1)

Application Number Title Priority Date Filing Date
JP2010278822A Division JP5704910B2 (ja) 2009-12-18 2010-12-15 半導体装置

Related Child Applications (1)

Application Number Title Priority Date Filing Date
JP2016121723A Division JP6201007B2 (ja) 2009-12-18 2016-06-20 半導体装置

Publications (2)

Publication Number Publication Date
JP2015146424A JP2015146424A (ja) 2015-08-13
JP5957553B2 true JP5957553B2 (ja) 2016-07-27

Family

ID=44150144

Family Applications (4)

Application Number Title Priority Date Filing Date
JP2010278822A Expired - Fee Related JP5704910B2 (ja) 2009-12-18 2010-12-15 半導体装置
JP2012186118A Expired - Fee Related JP5256368B2 (ja) 2009-12-18 2012-08-27 半導体装置
JP2015033863A Expired - Fee Related JP5957553B2 (ja) 2009-12-18 2015-02-24 半導体装置
JP2016121723A Active JP6201007B2 (ja) 2009-12-18 2016-06-20 半導体装置

Family Applications Before (2)

Application Number Title Priority Date Filing Date
JP2010278822A Expired - Fee Related JP5704910B2 (ja) 2009-12-18 2010-12-15 半導体装置
JP2012186118A Expired - Fee Related JP5256368B2 (ja) 2009-12-18 2012-08-27 半導体装置

Family Applications After (1)

Application Number Title Priority Date Filing Date
JP2016121723A Active JP6201007B2 (ja) 2009-12-18 2016-06-20 半導体装置

Country Status (6)

Country Link
US (2) US8314637B2 (ja)
JP (4) JP5704910B2 (ja)
KR (1) KR101729933B1 (ja)
CN (2) CN104700890B (ja)
TW (3) TWI552526B (ja)
WO (1) WO2011074408A1 (ja)

Families Citing this family (90)

* Cited by examiner, † Cited by third party
Publication number Priority date Publication date Assignee Title
IN2012DN01823A (ja) 2009-10-16 2015-06-05 Semiconductor Energy Lab
KR101720072B1 (ko) * 2009-12-11 2017-03-27 가부시키가이샤 한도오따이 에네루기 켄큐쇼 불휘발성 래치 회로와 논리 회로, 및 이를 사용한 반도체 장치
WO2011089847A1 (en) * 2010-01-20 2011-07-28 Semiconductor Energy Laboratory Co., Ltd. Signal processing circuit and method for driving the same
CN102742001B (zh) 2010-02-05 2017-03-22 株式会社半导体能源研究所 半导体装置
WO2011096264A1 (en) * 2010-02-05 2011-08-11 Semiconductor Energy Laboratory Co., Ltd. Semiconductor device and method of driving semiconductor device
CN102725842B (zh) 2010-02-05 2014-12-03 株式会社半导体能源研究所 半导体器件
WO2011096277A1 (en) 2010-02-05 2011-08-11 Semiconductor Energy Laboratory Co., Ltd. Semiconductor device and method of driving semiconductor device
DE112011100841B4 (de) 2010-03-08 2021-11-25 Semiconductor Energy Laboratory Co., Ltd. Halbleitervorrichtung und verfahren zur herstellung der halbleitervorrichtung
WO2011114866A1 (en) * 2010-03-17 2011-09-22 Semiconductor Energy Laboratory Co., Ltd. Memory device and semiconductor device
WO2011122299A1 (en) * 2010-03-31 2011-10-06 Semiconductor Energy Laboratory Co., Ltd. Driving method of liquid crystal display device
US8207025B2 (en) 2010-04-09 2012-06-26 Semiconductor Energy Laboratory Co., Ltd. Manufacturing method of semiconductor device
US8416622B2 (en) 2010-05-20 2013-04-09 Semiconductor Energy Laboratory Co., Ltd. Driving method of a semiconductor device with an inverted period having a negative potential applied to a gate of an oxide semiconductor transistor
US8928466B2 (en) 2010-08-04 2015-01-06 Semiconductor Energy Laboratory Co., Ltd. Semiconductor device
JP5739257B2 (ja) 2010-08-05 2015-06-24 株式会社半導体エネルギー研究所 半導体装置の作製方法
CN107947763B (zh) 2010-08-06 2021-12-28 株式会社半导体能源研究所 半导体集成电路
US8508276B2 (en) 2010-08-25 2013-08-13 Semiconductor Energy Laboratory Co., Ltd. Semiconductor device including latch circuit
JP5727892B2 (ja) 2010-08-26 2015-06-03 株式会社半導体エネルギー研究所 半導体装置
JP2013009285A (ja) 2010-08-26 2013-01-10 Semiconductor Energy Lab Co Ltd 信号処理回路及びその駆動方法
JP5647860B2 (ja) * 2010-10-28 2015-01-07 富士フイルム株式会社 薄膜トランジスタおよびその製造方法
US9048142B2 (en) 2010-12-28 2015-06-02 Semiconductor Energy Laboratory Co., Ltd. Semiconductor device
TWI562142B (en) 2011-01-05 2016-12-11 Semiconductor Energy Lab Co Ltd Storage element, storage device, and signal processing circuit
JP5859839B2 (ja) 2011-01-14 2016-02-16 株式会社半導体エネルギー研究所 記憶素子の駆動方法、及び、記憶素子
JP5839474B2 (ja) 2011-03-24 2016-01-06 株式会社半導体エネルギー研究所 信号処理回路
TWI567735B (zh) 2011-03-31 2017-01-21 半導體能源研究所股份有限公司 記憶體電路,記憶體單元,及訊號處理電路
JP6001900B2 (ja) 2011-04-21 2016-10-05 株式会社半導体エネルギー研究所 信号処理回路
US10079053B2 (en) 2011-04-22 2018-09-18 Semiconductor Energy Laboratory Co., Ltd. Memory element and memory device
US8446171B2 (en) 2011-04-29 2013-05-21 Semiconductor Energy Laboratory Co., Ltd. Signal processing unit
US9111795B2 (en) * 2011-04-29 2015-08-18 Semiconductor Energy Laboratory Co., Ltd. Semiconductor device with capacitor connected to memory element through oxide semiconductor film
JP5886128B2 (ja) 2011-05-13 2016-03-16 株式会社半導体エネルギー研究所 半導体装置
SG11201503709SA (en) 2011-05-13 2015-07-30 Semiconductor Energy Lab Semiconductor device
KR102093909B1 (ko) 2011-05-19 2020-03-26 가부시키가이샤 한도오따이 에네루기 켄큐쇼 회로 및 회로의 구동 방법
KR102081792B1 (ko) 2011-05-19 2020-02-26 가부시키가이샤 한도오따이 에네루기 켄큐쇼 연산회로 및 연산회로의 구동방법
TWI559683B (zh) 2011-05-20 2016-11-21 半導體能源研究所股份有限公司 半導體積體電路
TWI570730B (zh) 2011-05-20 2017-02-11 半導體能源研究所股份有限公司 半導體裝置
US9467047B2 (en) * 2011-05-31 2016-10-11 Semiconductor Energy Laboratory Co., Ltd. DC-DC converter, power source circuit, and semiconductor device
KR101933741B1 (ko) 2011-06-09 2018-12-28 가부시키가이샤 한도오따이 에네루기 켄큐쇼 캐시 메모리 및 캐시 메모리의 구동 방법
JP6012263B2 (ja) 2011-06-09 2016-10-25 株式会社半導体エネルギー研究所 半導体記憶装置
JP6099368B2 (ja) 2011-11-25 2017-03-22 株式会社半導体エネルギー研究所 記憶装置
JP2013168926A (ja) 2012-01-18 2013-08-29 Semiconductor Energy Lab Co Ltd 回路、センサ回路及びセンサ回路を用いた半導体装置
JP2014063557A (ja) 2012-02-24 2014-04-10 Semiconductor Energy Lab Co Ltd 記憶装置及び半導体装置
US9287370B2 (en) 2012-03-02 2016-03-15 Semiconductor Energy Laboratory Co., Ltd. Memory device comprising a transistor including an oxide semiconductor and semiconductor device including the same
JP6041707B2 (ja) 2012-03-05 2016-12-14 株式会社半導体エネルギー研究所 ラッチ回路および半導体装置
JP6097101B2 (ja) 2012-03-13 2017-03-15 株式会社半導体エネルギー研究所 記憶装置、データ処理装置及び記憶装置の駆動方法
US9058892B2 (en) 2012-03-14 2015-06-16 Semiconductor Energy Laboratory Co., Ltd. Semiconductor device and shift register
JP6004697B2 (ja) * 2012-03-27 2016-10-12 株式会社半導体エネルギー研究所 半導体装置
US9324449B2 (en) * 2012-03-28 2016-04-26 Semiconductor Energy Laboratory Co., Ltd. Driver circuit, signal processing unit having the driver circuit, method for manufacturing the signal processing unit, and display device
US9349849B2 (en) * 2012-03-28 2016-05-24 Semiconductor Energy Laboratory Co., Ltd. Semiconductor device and electronic device including the semiconductor device
JP6108935B2 (ja) * 2012-04-27 2017-04-05 株式会社半導体エネルギー研究所 スタンダードセル、半導体装置、及び電子機器
JP6126419B2 (ja) 2012-04-30 2017-05-10 株式会社半導体エネルギー研究所 半導体装置、電子機器
JP2013250965A (ja) 2012-05-02 2013-12-12 Semiconductor Energy Lab Co Ltd 半導体装置およびその駆動方法
KR102087443B1 (ko) 2012-05-11 2020-03-10 가부시키가이샤 한도오따이 에네루기 켄큐쇼 반도체 장치 및 그 구동 방법
JP6174899B2 (ja) 2012-05-11 2017-08-02 株式会社半導体エネルギー研究所 半導体装置
JP6250955B2 (ja) 2012-05-25 2017-12-20 株式会社半導体エネルギー研究所 半導体装置の駆動方法
US9343120B2 (en) 2012-06-01 2016-05-17 Semiconductor Energy Laboratory Co., Ltd. High speed processing unit with non-volatile register
US9135182B2 (en) 2012-06-01 2015-09-15 Semiconductor Energy Laboratory Co., Ltd. Central processing unit and driving method thereof
US8873308B2 (en) 2012-06-29 2014-10-28 Semiconductor Energy Laboratory Co., Ltd. Signal processing circuit
US9342259B2 (en) * 2012-09-10 2016-05-17 Texas Instruments Incorporated Nonvolatile logic array and power domain segmentation in processing device
JP6273112B2 (ja) * 2012-09-11 2018-01-31 株式会社半導体エネルギー研究所 フリップフロップ回路および半導体装置
KR102178068B1 (ko) 2012-11-06 2020-11-12 가부시키가이샤 한도오따이 에네루기 켄큐쇼 반도체 장치 및 그 구동 방법
JP5807076B2 (ja) 2013-01-24 2015-11-10 株式会社半導体エネルギー研究所 半導体装置
KR102112367B1 (ko) 2013-02-12 2020-05-18 가부시키가이샤 한도오따이 에네루기 켄큐쇼 반도체 장치
JP2014195243A (ja) 2013-02-28 2014-10-09 Semiconductor Energy Lab Co Ltd 半導体装置
US9294075B2 (en) 2013-03-14 2016-03-22 Semiconductor Energy Laboratory Co., Ltd. Semiconductor device
US9612795B2 (en) 2013-03-14 2017-04-04 Semiconductor Energy Laboratory Co., Ltd. Data processing device, data processing method, and computer program
JP6298662B2 (ja) 2013-03-14 2018-03-20 株式会社半導体エネルギー研究所 半導体装置
US9786350B2 (en) 2013-03-18 2017-10-10 Semiconductor Energy Laboratory Co., Ltd. Memory device
WO2014157019A1 (en) 2013-03-25 2014-10-02 Semiconductor Energy Laboratory Co., Ltd. Semiconductor device
JP6316630B2 (ja) 2013-03-26 2018-04-25 株式会社半導体エネルギー研究所 半導体装置
JP6333028B2 (ja) * 2013-04-19 2018-05-30 株式会社半導体エネルギー研究所 記憶装置及び半導体装置
JP6396671B2 (ja) 2013-04-26 2018-09-26 株式会社半導体エネルギー研究所 半導体装置
JP6329843B2 (ja) 2013-08-19 2018-05-23 株式会社半導体エネルギー研究所 半導体装置
US9349418B2 (en) 2013-12-27 2016-05-24 Semiconductor Energy Laboratory Co., Ltd. Semiconductor device and method for driving the same
KR102329066B1 (ko) 2014-02-28 2021-11-18 가부시키가이샤 한도오따이 에네루기 켄큐쇼 반도체 장치 및 그 구동 방법, 및 전자 기기
JP6442321B2 (ja) * 2014-03-07 2018-12-19 株式会社半導体エネルギー研究所 半導体装置及びその駆動方法、並びに電子機器
US9337030B2 (en) 2014-03-26 2016-05-10 Intermolecular, Inc. Method to grow in-situ crystalline IGZO using co-sputtering targets
JP2016015475A (ja) 2014-06-13 2016-01-28 株式会社半導体エネルギー研究所 半導体装置、及び電子機器
KR20160011004A (ko) * 2014-07-21 2016-01-29 에스케이하이닉스 주식회사 래치 회로 및 이를 포함하는 반도체 장치
JP2016111677A (ja) 2014-09-26 2016-06-20 株式会社半導体エネルギー研究所 半導体装置、無線センサ、及び電子機器
JP6615565B2 (ja) 2014-10-24 2019-12-04 株式会社半導体エネルギー研究所 半導体装置
JP6689062B2 (ja) 2014-12-10 2020-04-28 株式会社半導体エネルギー研究所 半導体装置
TWI732383B (zh) * 2015-02-06 2021-07-01 日商半導體能源研究所股份有限公司 裝置及其製造方法以及電子裝置
KR102582523B1 (ko) 2015-03-19 2023-09-26 가부시키가이샤 한도오따이 에네루기 켄큐쇼 반도체 장치 및 전자 기기
US10334196B2 (en) 2016-01-25 2019-06-25 Semiconductor Energy Laboratory Co., Ltd. Semiconductor device
CN109074296B (zh) 2016-04-15 2023-09-12 株式会社半导体能源研究所 半导体装置、电子构件及电子设备
US10008502B2 (en) 2016-05-04 2018-06-26 Semiconductor Energy Laboratory Co., Ltd. Memory device
TWI724231B (zh) 2016-09-09 2021-04-11 日商半導體能源硏究所股份有限公司 記憶體裝置及其工作方法、半導體裝置、電子構件以及電子裝置
CN107180619B (zh) * 2017-07-26 2021-01-26 京东方科技集团股份有限公司 锁存器及其驱动方法、源极驱动电路及显示装置
US20190378794A1 (en) * 2018-06-06 2019-12-12 Intel Corporation Bandgap reference diode using thin film transistors
US11462249B2 (en) * 2020-06-30 2022-10-04 Micron Technology, Inc. System and method for reading and writing memory management data using a non-volatile cell based register
JP2020202005A (ja) * 2020-07-30 2020-12-17 株式会社半導体エネルギー研究所 半導体装置

Family Cites Families (153)

* Cited by examiner, † Cited by third party
Publication number Priority date Publication date Assignee Title
JPS5764933U (ja) * 1980-10-06 1982-04-17
JPS60198861A (ja) 1984-03-23 1985-10-08 Fujitsu Ltd 薄膜トランジスタ
JPS62177794A (ja) * 1986-01-31 1987-08-04 Hitachi Ltd 半導体メモリセル
JPH0244256B2 (ja) 1987-01-28 1990-10-03 Kagaku Gijutsucho Mukizaishitsu Kenkyushocho Ingazn2o5deshimesarerurotsuhoshokeinosojokozoojusurukagobutsuoyobisonoseizoho
JPH0244260B2 (ja) 1987-02-24 1990-10-03 Kagaku Gijutsucho Mukizaishitsu Kenkyushocho Ingazn5o8deshimesarerurotsuhoshokeinosojokozoojusurukagobutsuoyobisonoseizoho
JPS63210023A (ja) 1987-02-24 1988-08-31 Natl Inst For Res In Inorg Mater InGaZn↓4O↓7で示される六方晶系の層状構造を有する化合物およびその製造法
JPH0244258B2 (ja) 1987-02-24 1990-10-03 Kagaku Gijutsucho Mukizaishitsu Kenkyushocho Ingazn3o6deshimesarerurotsuhoshokeinosojokozoojusurukagobutsuoyobisonoseizoho
JPH0244262B2 (ja) 1987-02-27 1990-10-03 Kagaku Gijutsucho Mukizaishitsu Kenkyushocho Ingazn6o9deshimesarerurotsuhoshokeinosojokozoojusurukagobutsuoyobisonoseizoho
JPH0244263B2 (ja) 1987-04-22 1990-10-03 Kagaku Gijutsucho Mukizaishitsu Kenkyushocho Ingazn7o10deshimesarerurotsuhoshokeinosojokozoojusurukagobutsuoyobisonoseizoho
JPH03192915A (ja) * 1989-12-22 1991-08-22 Nec Corp フリップフロップ
JPH05110392A (ja) * 1991-10-16 1993-04-30 Hitachi Ltd 状態保持回路を具備する集積回路
JPH05251705A (ja) 1992-03-04 1993-09-28 Fuji Xerox Co Ltd 薄膜トランジスタ
JP3479375B2 (ja) 1995-03-27 2003-12-15 科学技術振興事業団 亜酸化銅等の金属酸化物半導体による薄膜トランジスタとpn接合を形成した金属酸化物半導体装置およびそれらの製造方法
KR100394896B1 (ko) 1995-08-03 2003-11-28 코닌클리케 필립스 일렉트로닉스 엔.브이. 투명스위칭소자를포함하는반도체장치
JP3625598B2 (ja) 1995-12-30 2005-03-02 三星電子株式会社 液晶表示装置の製造方法
GB9614800D0 (en) 1996-07-13 1996-09-04 Plessey Semiconductors Ltd Programmable logic arrays
JP4103968B2 (ja) 1996-09-18 2008-06-18 株式会社半導体エネルギー研究所 絶縁ゲイト型半導体装置
US6271542B1 (en) * 1997-12-08 2001-08-07 International Business Machines Corporation Merged logic and memory combining thin film and bulk Si transistors
JP2000012864A (ja) 1998-06-22 2000-01-14 Semiconductor Energy Lab Co Ltd 半導体装置の作製方法
JP4170454B2 (ja) 1998-07-24 2008-10-22 Hoya株式会社 透明導電性酸化物薄膜を有する物品及びその製造方法
JP2000077982A (ja) 1998-08-27 2000-03-14 Kobe Steel Ltd 半導体集積回路
JP2000150861A (ja) 1998-11-16 2000-05-30 Tdk Corp 酸化物薄膜
JP3276930B2 (ja) 1998-11-17 2002-04-22 科学技術振興事業団 トランジスタ及び半導体装置
JP2001053164A (ja) * 1999-08-04 2001-02-23 Sony Corp 半導体記憶装置
TW460731B (en) 1999-09-03 2001-10-21 Ind Tech Res Inst Electrode structure and production method of wide viewing angle LCD
JP4089858B2 (ja) 2000-09-01 2008-05-28 国立大学法人東北大学 半導体デバイス
KR20020038482A (ko) 2000-11-15 2002-05-23 모리시타 요이찌 박막 트랜지스터 어레이, 그 제조방법 및 그것을 이용한표시패널
JP3997731B2 (ja) 2001-03-19 2007-10-24 富士ゼロックス株式会社 基材上に結晶性半導体薄膜を形成する方法
JP2002289859A (ja) 2001-03-23 2002-10-04 Minolta Co Ltd 薄膜トランジスタ
JP2002368226A (ja) * 2001-06-11 2002-12-20 Sharp Corp 半導体装置、半導体記憶装置及びその製造方法、並びに携帯情報機器
KR100418089B1 (ko) * 2001-06-21 2004-02-11 주식회사 하이닉스반도체 반도체 소자의 박막 트랜지스터 제조 방법
JP3925839B2 (ja) 2001-09-10 2007-06-06 シャープ株式会社 半導体記憶装置およびその試験方法
JP4090716B2 (ja) 2001-09-10 2008-05-28 雅司 川崎 薄膜トランジスタおよびマトリクス表示装置
JP4164562B2 (ja) 2002-09-11 2008-10-15 独立行政法人科学技術振興機構 ホモロガス薄膜を活性層として用いる透明薄膜電界効果型トランジスタ
EP1443130B1 (en) 2001-11-05 2011-09-28 Japan Science and Technology Agency Natural superlattice homologous single crystal thin film, method for preparation thereof, and device using said single crystal thin film
US6944045B2 (en) 2001-11-19 2005-09-13 Rohm Co., Ltd. Data holding apparatus and data read out method
JP3560949B2 (ja) 2001-11-19 2004-09-02 ローム株式会社 データ保持装置およびデータ保持装置を有する電子回路
JP4091301B2 (ja) * 2001-12-28 2008-05-28 富士通株式会社 半導体集積回路および半導体メモリ
JP4083486B2 (ja) 2002-02-21 2008-04-30 独立行政法人科学技術振興機構 LnCuO(S,Se,Te)単結晶薄膜の製造方法
CN1445821A (zh) 2002-03-15 2003-10-01 三洋电机株式会社 ZnO膜和ZnO半导体层的形成方法、半导体元件及其制造方法
JP3933591B2 (ja) 2002-03-26 2007-06-20 淳二 城戸 有機エレクトロルミネッセント素子
JP3940014B2 (ja) 2002-03-29 2007-07-04 富士通株式会社 半導体集積回路、無線タグ、および非接触型icカード
US7339187B2 (en) 2002-05-21 2008-03-04 State Of Oregon Acting By And Through The Oregon State Board Of Higher Education On Behalf Of Oregon State University Transistor structures
JP4001229B2 (ja) * 2002-06-10 2007-10-31 シャープ株式会社 半導体集積回路および半導体モジュール
JP2004022625A (ja) 2002-06-13 2004-01-22 Murata Mfg Co Ltd 半導体デバイス及び該半導体デバイスの製造方法
US7105868B2 (en) 2002-06-24 2006-09-12 Cermet, Inc. High-electron mobility transistor with zinc oxide
US6998722B2 (en) * 2002-07-08 2006-02-14 Viciciv Technology Semiconductor latches and SRAM devices
JP3986393B2 (ja) * 2002-08-27 2007-10-03 富士通株式会社 不揮発性データ記憶回路を有する集積回路装置
US7067843B2 (en) 2002-10-11 2006-06-27 E. I. Du Pont De Nemours And Company Transparent oxide semiconductor thin film transistors
US6788567B2 (en) * 2002-12-02 2004-09-07 Rohm Co., Ltd. Data holding device and data holding method
JP3737472B2 (ja) * 2002-12-02 2006-01-18 ローム株式会社 データ保持装置およびデータ保持方法
JP4166105B2 (ja) 2003-03-06 2008-10-15 シャープ株式会社 半導体装置およびその製造方法
JP2004273732A (ja) 2003-03-07 2004-09-30 Sharp Corp アクティブマトリクス基板およびその製造方法
JP4108633B2 (ja) 2003-06-20 2008-06-25 シャープ株式会社 薄膜トランジスタおよびその製造方法ならびに電子デバイス
US7262463B2 (en) 2003-07-25 2007-08-28 Hewlett-Packard Development Company, L.P. Transistor including a deposited channel region having a doped portion
JP2005079360A (ja) * 2003-09-01 2005-03-24 Renesas Technology Corp 半導体集積回路
US7145174B2 (en) 2004-03-12 2006-12-05 Hewlett-Packard Development Company, Lp. Semiconductor device
US7297977B2 (en) 2004-03-12 2007-11-20 Hewlett-Packard Development Company, L.P. Semiconductor device
US20070194379A1 (en) 2004-03-12 2007-08-23 Japan Science And Technology Agency Amorphous Oxide And Thin Film Transistor
US7282782B2 (en) 2004-03-12 2007-10-16 Hewlett-Packard Development Company, L.P. Combined binary oxide semiconductor device
US7211825B2 (en) 2004-06-14 2007-05-01 Yi-Chi Shih Indium oxide-based thin film transistors and circuits
JP2006050208A (ja) * 2004-08-04 2006-02-16 Denso Corp 電源瞬断対応論理回路
JP2006100760A (ja) 2004-09-02 2006-04-13 Casio Comput Co Ltd 薄膜トランジスタおよびその製造方法
US7285501B2 (en) 2004-09-17 2007-10-23 Hewlett-Packard Development Company, L.P. Method of forming a solution processed device
US7374984B2 (en) * 2004-10-29 2008-05-20 Randy Hoffman Method of forming a thin film component
US7298084B2 (en) 2004-11-02 2007-11-20 3M Innovative Properties Company Methods and displays utilizing integrated zinc oxide row and column drivers in conjunction with organic light emitting diodes
US7863611B2 (en) 2004-11-10 2011-01-04 Canon Kabushiki Kaisha Integrated circuits utilizing amorphous oxides
US7829444B2 (en) 2004-11-10 2010-11-09 Canon Kabushiki Kaisha Field effect transistor manufacturing method
EP1815530B1 (en) 2004-11-10 2021-02-17 Canon Kabushiki Kaisha Field effect transistor employing an amorphous oxide
US7791072B2 (en) 2004-11-10 2010-09-07 Canon Kabushiki Kaisha Display
US7453065B2 (en) 2004-11-10 2008-11-18 Canon Kabushiki Kaisha Sensor and image pickup device
AU2005302963B2 (en) 2004-11-10 2009-07-02 Cannon Kabushiki Kaisha Light-emitting device
EP2453480A2 (en) 2004-11-10 2012-05-16 Canon Kabushiki Kaisha Amorphous oxide and field effect transistor
US7579224B2 (en) 2005-01-21 2009-08-25 Semiconductor Energy Laboratory Co., Ltd. Method for manufacturing a thin film semiconductor device
TWI412138B (zh) 2005-01-28 2013-10-11 半導體能源研究所股份有限公司 半導體裝置,電子裝置,和半導體裝置的製造方法
TWI481024B (zh) 2005-01-28 2015-04-11 半導體能源研究所股份有限公司 半導體裝置,電子裝置,和半導體裝置的製造方法
US7858451B2 (en) 2005-02-03 2010-12-28 Semiconductor Energy Laboratory Co., Ltd. Electronic device, semiconductor device and manufacturing method thereof
US7948171B2 (en) 2005-02-18 2011-05-24 Semiconductor Energy Laboratory Co., Ltd. Light emitting device
US20060197092A1 (en) 2005-03-03 2006-09-07 Randy Hoffman System and method for forming conductive material on a substrate
US8681077B2 (en) 2005-03-18 2014-03-25 Semiconductor Energy Laboratory Co., Ltd. Semiconductor device, and display device, driving method and electronic apparatus thereof
US7544967B2 (en) 2005-03-28 2009-06-09 Massachusetts Institute Of Technology Low voltage flexible organic/transparent transistor for selective gas sensing, photodetecting and CMOS device applications
US7645478B2 (en) 2005-03-31 2010-01-12 3M Innovative Properties Company Methods of making displays
US8300031B2 (en) 2005-04-20 2012-10-30 Semiconductor Energy Laboratory Co., Ltd. Semiconductor device comprising transistor having gate and drain connected through a current-voltage conversion element
JP2006344849A (ja) 2005-06-10 2006-12-21 Casio Comput Co Ltd 薄膜トランジスタ
US7402506B2 (en) 2005-06-16 2008-07-22 Eastman Kodak Company Methods of making thin film transistors comprising zinc-oxide-based semiconductor materials and transistors made thereby
US7691666B2 (en) 2005-06-16 2010-04-06 Eastman Kodak Company Methods of making thin film transistors comprising zinc-oxide-based semiconductor materials and transistors made thereby
US7507618B2 (en) 2005-06-27 2009-03-24 3M Innovative Properties Company Method for making electronic devices using metal oxide nanoparticles
KR100711890B1 (ko) 2005-07-28 2007-04-25 삼성에스디아이 주식회사 유기 발광표시장치 및 그의 제조방법
US7323909B2 (en) * 2005-07-29 2008-01-29 Sequence Design, Inc. Automatic extension of clock gating technique to fine-grained power gating
JP2007059128A (ja) 2005-08-23 2007-03-08 Canon Inc 有機el表示装置およびその製造方法
JP4280736B2 (ja) 2005-09-06 2009-06-17 キヤノン株式会社 半導体素子
JP4850457B2 (ja) 2005-09-06 2012-01-11 キヤノン株式会社 薄膜トランジスタ及び薄膜ダイオード
JP4560502B2 (ja) * 2005-09-06 2010-10-13 キヤノン株式会社 電界効果型トランジスタ
JP5116225B2 (ja) 2005-09-06 2013-01-09 キヤノン株式会社 酸化物半導体デバイスの製造方法
JP2007073705A (ja) 2005-09-06 2007-03-22 Canon Inc 酸化物半導体チャネル薄膜トランジスタおよびその製造方法
JP5064747B2 (ja) 2005-09-29 2012-10-31 株式会社半導体エネルギー研究所 半導体装置、電気泳動表示装置、表示モジュール、電子機器、及び半導体装置の作製方法
EP3614442A3 (en) 2005-09-29 2020-03-25 Semiconductor Energy Laboratory Co., Ltd. Semiconductor device having oxide semiconductor layer and manufactoring method thereof
JP2007110254A (ja) * 2005-10-11 2007-04-26 Sharp Corp 集積回路
JP5037808B2 (ja) 2005-10-20 2012-10-03 キヤノン株式会社 アモルファス酸化物を用いた電界効果型トランジスタ、及び該トランジスタを用いた表示装置
CN101667544B (zh) 2005-11-15 2012-09-05 株式会社半导体能源研究所 半导体器件及其制造方法
JP5099740B2 (ja) * 2005-12-19 2012-12-19 財団法人高知県産業振興センター 薄膜トランジスタ
TWI292281B (en) 2005-12-29 2008-01-01 Ind Tech Res Inst Pixel structure of active organic light emitting diode and method of fabricating the same
US7867636B2 (en) 2006-01-11 2011-01-11 Murata Manufacturing Co., Ltd. Transparent conductive film and method for manufacturing the same
JP4977478B2 (ja) 2006-01-21 2012-07-18 三星電子株式会社 ZnOフィルム及びこれを用いたTFTの製造方法
US7576394B2 (en) 2006-02-02 2009-08-18 Kochi Industrial Promotion Center Thin film transistor including low resistance conductive thin films and manufacturing method thereof
JP5015473B2 (ja) 2006-02-15 2012-08-29 財団法人高知県産業振興センター 薄膜トランジスタアレイ及びその製法
US7977169B2 (en) 2006-02-15 2011-07-12 Kochi Industrial Promotion Center Semiconductor device including active layer made of zinc oxide with controlled orientations and manufacturing method thereof
JP5110803B2 (ja) * 2006-03-17 2012-12-26 キヤノン株式会社 酸化物膜をチャネルに用いた電界効果型トランジスタ及びその製造方法
JP5084160B2 (ja) * 2006-03-20 2012-11-28 キヤノン株式会社 薄膜トランジスタ及び表示装置
US8629490B2 (en) * 2006-03-31 2014-01-14 Semiconductor Energy Laboratory Co., Ltd. Nonvolatile semiconductor storage device with floating gate electrode and control gate electrode
KR20070101595A (ko) 2006-04-11 2007-10-17 삼성전자주식회사 ZnO TFT
US20070252928A1 (en) 2006-04-28 2007-11-01 Toppan Printing Co., Ltd. Structure, transmission type liquid crystal display, reflection type display and manufacturing method thereof
JP5028033B2 (ja) 2006-06-13 2012-09-19 キヤノン株式会社 酸化物半導体膜のドライエッチング方法
JP4999400B2 (ja) 2006-08-09 2012-08-15 キヤノン株式会社 酸化物半導体膜のドライエッチング方法
JP4609797B2 (ja) 2006-08-09 2011-01-12 Nec液晶テクノロジー株式会社 薄膜デバイス及びその製造方法
US7663165B2 (en) * 2006-08-31 2010-02-16 Aptina Imaging Corporation Transparent-channel thin-film transistor-based pixels for high-performance image sensors
JP4332545B2 (ja) 2006-09-15 2009-09-16 キヤノン株式会社 電界効果型トランジスタ及びその製造方法
JP4274219B2 (ja) 2006-09-27 2009-06-03 セイコーエプソン株式会社 電子デバイス、有機エレクトロルミネッセンス装置、有機薄膜半導体装置
JP5164357B2 (ja) 2006-09-27 2013-03-21 キヤノン株式会社 半導体装置及び半導体装置の製造方法
US7622371B2 (en) 2006-10-10 2009-11-24 Hewlett-Packard Development Company, L.P. Fused nanocrystal thin film semiconductor and method
US7511343B2 (en) 2006-10-12 2009-03-31 Xerox Corporation Thin film transistor
US7772021B2 (en) 2006-11-29 2010-08-10 Samsung Electronics Co., Ltd. Flat panel displays comprising a thin-film transistor having a semiconductive oxide in its channel and methods of fabricating the same for use in flat panel displays
JP2008140684A (ja) 2006-12-04 2008-06-19 Toppan Printing Co Ltd カラーelディスプレイおよびその製造方法
KR101303578B1 (ko) 2007-01-05 2013-09-09 삼성전자주식회사 박막 식각 방법
US8207063B2 (en) 2007-01-26 2012-06-26 Eastman Kodak Company Process for atomic layer deposition
KR100851215B1 (ko) 2007-03-14 2008-08-07 삼성에스디아이 주식회사 박막 트랜지스터 및 이를 이용한 유기 전계 발광표시장치
US7795613B2 (en) 2007-04-17 2010-09-14 Toppan Printing Co., Ltd. Structure with transistor
KR101325053B1 (ko) 2007-04-18 2013-11-05 삼성디스플레이 주식회사 박막 트랜지스터 기판 및 이의 제조 방법
KR20080094300A (ko) 2007-04-19 2008-10-23 삼성전자주식회사 박막 트랜지스터 및 그 제조 방법과 박막 트랜지스터를포함하는 평판 디스플레이
KR101334181B1 (ko) 2007-04-20 2013-11-28 삼성전자주식회사 선택적으로 결정화된 채널층을 갖는 박막 트랜지스터 및 그제조 방법
US8274078B2 (en) 2007-04-25 2012-09-25 Canon Kabushiki Kaisha Metal oxynitride semiconductor containing zinc
JP5043499B2 (ja) 2007-05-02 2012-10-10 財団法人高知県産業振興センター 電子素子及び電子素子の製造方法
KR101345376B1 (ko) 2007-05-29 2013-12-24 삼성전자주식회사 ZnO 계 박막 트랜지스터 및 그 제조방법
JP2009016891A (ja) * 2007-06-29 2009-01-22 Seiko Epson Corp マスタスレーブ型フリップフロップ回路
US20090002044A1 (en) * 2007-06-29 2009-01-01 Seiko Epson Corporation Master-slave type flip-flop circuit
JP2009049859A (ja) * 2007-08-22 2009-03-05 Seiko Epson Corp 電気回路、電気回路の駆動方法、表示装置および電子機器。
JP5170706B2 (ja) * 2007-08-31 2013-03-27 国立大学法人東京工業大学 スピン注入磁化反転mtjを用いた不揮発性sram/ラッチ回路
US7982250B2 (en) * 2007-09-21 2011-07-19 Semiconductor Energy Laboratory Co., Ltd. Semiconductor device
TW200921226A (en) 2007-11-06 2009-05-16 Wintek Corp Panel structure and manufacture method thereof
JP5392885B2 (ja) * 2007-11-22 2014-01-22 ローム株式会社 ZnO系半導体素子
JP5430846B2 (ja) 2007-12-03 2014-03-05 株式会社半導体エネルギー研究所 半導体装置の作製方法
JP5213422B2 (ja) * 2007-12-04 2013-06-19 キヤノン株式会社 絶縁層を有する酸化物半導体素子およびそれを用いた表示装置
US8202365B2 (en) 2007-12-17 2012-06-19 Fujifilm Corporation Process for producing oriented inorganic crystalline film, and semiconductor device using the oriented inorganic crystalline film
JP5178492B2 (ja) * 2007-12-27 2013-04-10 株式会社半導体エネルギー研究所 表示装置および当該表示装置を具備する電子機器
JP5213458B2 (ja) 2008-01-08 2013-06-19 キヤノン株式会社 アモルファス酸化物及び電界効果型トランジスタ
JP5202094B2 (ja) 2008-05-12 2013-06-05 キヤノン株式会社 半導体装置
JP5305731B2 (ja) * 2008-05-12 2013-10-02 キヤノン株式会社 半導体素子の閾値電圧の制御方法
JP4623179B2 (ja) 2008-09-18 2011-02-02 ソニー株式会社 薄膜トランジスタおよびその製造方法
JP5451280B2 (ja) 2008-10-09 2014-03-26 キヤノン株式会社 ウルツ鉱型結晶成長用基板およびその製造方法ならびに半導体装置
JP5781720B2 (ja) 2008-12-15 2015-09-24 ルネサスエレクトロニクス株式会社 半導体装置及び半導体装置の製造方法
KR101823861B1 (ko) 2009-11-20 2018-01-31 가부시키가이샤 한도오따이 에네루기 켄큐쇼 불휘발성 래치 회로와 논리 회로, 및 이를 사용한 반도체 장치
KR101720072B1 (ko) 2009-12-11 2017-03-27 가부시키가이샤 한도오따이 에네루기 켄큐쇼 불휘발성 래치 회로와 논리 회로, 및 이를 사용한 반도체 장치
KR101874779B1 (ko) 2009-12-25 2018-07-06 가부시키가이샤 한도오따이 에네루기 켄큐쇼 메모리 장치, 반도체 장치, 및 전자 장치

Also Published As

Publication number Publication date
CN102668377B (zh) 2015-04-08
CN104700890B (zh) 2017-10-17
TW201737628A (zh) 2017-10-16
KR20120123342A (ko) 2012-11-08
CN104700890A (zh) 2015-06-10
JP5256368B2 (ja) 2013-08-07
JP2015146424A (ja) 2015-08-13
TW201145834A (en) 2011-12-16
US20130057315A1 (en) 2013-03-07
CN102668377A (zh) 2012-09-12
TWI589121B (zh) 2017-06-21
US20110148463A1 (en) 2011-06-23
JP2013055653A (ja) 2013-03-21
TWI629870B (zh) 2018-07-11
KR101729933B1 (ko) 2017-04-25
WO2011074408A1 (en) 2011-06-23
JP5704910B2 (ja) 2015-04-22
JP2011147121A (ja) 2011-07-28
TWI552526B (zh) 2016-10-01
US8314637B2 (en) 2012-11-20
TW201639299A (zh) 2016-11-01
JP6201007B2 (ja) 2017-09-20
JP2016201550A (ja) 2016-12-01
US9692421B2 (en) 2017-06-27

Similar Documents

Publication Publication Date Title
JP6201007B2 (ja) 半導体装置
JP7350962B2 (ja) 半導体装置
JP6377824B2 (ja) 半導体装置
JP6109372B2 (ja) 半導体装置の作製方法

Legal Events

Date Code Title Description
A977 Report on retrieval

Free format text: JAPANESE INTERMEDIATE CODE: A971007

Effective date: 20160516

TRDD Decision of grant or rejection written
A01 Written decision to grant a patent or to grant a registration (utility model)

Free format text: JAPANESE INTERMEDIATE CODE: A01

Effective date: 20160531

A61 First payment of annual fees (during grant procedure)

Free format text: JAPANESE INTERMEDIATE CODE: A61

Effective date: 20160620

R150 Certificate of patent or registration of utility model

Ref document number: 5957553

Country of ref document: JP

Free format text: JAPANESE INTERMEDIATE CODE: R150

R250 Receipt of annual fees

Free format text: JAPANESE INTERMEDIATE CODE: R250

R250 Receipt of annual fees

Free format text: JAPANESE INTERMEDIATE CODE: R250

LAPS Cancellation because of no payment of annual fees