EP3287702B2 - Kochfeld mit dunstabzug - Google Patents
Kochfeld mit dunstabzug Download PDFInfo
- Publication number
- EP3287702B2 EP3287702B2 EP17197091.6A EP17197091A EP3287702B2 EP 3287702 B2 EP3287702 B2 EP 3287702B2 EP 17197091 A EP17197091 A EP 17197091A EP 3287702 B2 EP3287702 B2 EP 3287702B2
- Authority
- EP
- European Patent Office
- Prior art keywords
- cooktop
- hob
- recess
- cooking
- area
- Prior art date
- Legal status (The legal status is an assumption and is not a legal conclusion. Google has not performed a legal analysis and makes no representation as to the accuracy of the status listed.)
- Active
Links
Images
Classifications
-
- F—MECHANICAL ENGINEERING; LIGHTING; HEATING; WEAPONS; BLASTING
- F24—HEATING; RANGES; VENTILATING
- F24C—DOMESTIC STOVES OR RANGES ; DETAILS OF DOMESTIC STOVES OR RANGES, OF GENERAL APPLICATION
- F24C15/00—Details
- F24C15/20—Removing cooking fumes
- F24C15/2042—Devices for removing cooking fumes structurally associated with a cooking range e.g. downdraft
-
- F—MECHANICAL ENGINEERING; LIGHTING; HEATING; WEAPONS; BLASTING
- F24—HEATING; RANGES; VENTILATING
- F24C—DOMESTIC STOVES OR RANGES ; DETAILS OF DOMESTIC STOVES OR RANGES, OF GENERAL APPLICATION
- F24C15/00—Details
- F24C15/10—Tops, e.g. hot plates; Rings
-
- F—MECHANICAL ENGINEERING; LIGHTING; HEATING; WEAPONS; BLASTING
- F24—HEATING; RANGES; VENTILATING
- F24C—DOMESTIC STOVES OR RANGES ; DETAILS OF DOMESTIC STOVES OR RANGES, OF GENERAL APPLICATION
- F24C15/00—Details
- F24C15/20—Removing cooking fumes
-
- F—MECHANICAL ENGINEERING; LIGHTING; HEATING; WEAPONS; BLASTING
- F24—HEATING; RANGES; VENTILATING
- F24C—DOMESTIC STOVES OR RANGES ; DETAILS OF DOMESTIC STOVES OR RANGES, OF GENERAL APPLICATION
- F24C15/00—Details
- F24C15/20—Removing cooking fumes
- F24C15/2035—Arrangement or mounting of filters
-
- F—MECHANICAL ENGINEERING; LIGHTING; HEATING; WEAPONS; BLASTING
- F24—HEATING; RANGES; VENTILATING
- F24C—DOMESTIC STOVES OR RANGES ; DETAILS OF DOMESTIC STOVES OR RANGES, OF GENERAL APPLICATION
- F24C15/00—Details
- F24C15/32—Arrangements of ducts for hot gases, e.g. in or around baking ovens
- F24C15/322—Arrangements of ducts for hot gases, e.g. in or around baking ovens with forced circulation
-
- F—MECHANICAL ENGINEERING; LIGHTING; HEATING; WEAPONS; BLASTING
- F24—HEATING; RANGES; VENTILATING
- F24C—DOMESTIC STOVES OR RANGES ; DETAILS OF DOMESTIC STOVES OR RANGES, OF GENERAL APPLICATION
- F24C15/00—Details
- F24C15/32—Arrangements of ducts for hot gases, e.g. in or around baking ovens
- F24C15/322—Arrangements of ducts for hot gases, e.g. in or around baking ovens with forced circulation
- F24C15/325—Arrangements of ducts for hot gases, e.g. in or around baking ovens with forced circulation electrically-heated
-
- B—PERFORMING OPERATIONS; TRANSPORTING
- B08—CLEANING
- B08B—CLEANING IN GENERAL; PREVENTION OF FOULING IN GENERAL
- B08B2215/00—Preventing escape of dirt or fumes from the area where they are produced; Collecting or removing dirt or fumes from that area
- B08B2215/006—Suction tables
Definitions
- the present invention relates to a hob with the features specified in claim 1.
- a hob is known from the prior art which has elongated, rectangular slots on both sides and at the back of the hob through which the cooking fumes arising in the area of the hob are sucked downwards.
- This hob which is known from the prior art and has extraction slots on both sides and at the back, is particularly disadvantageous because the worktop supporting the hob - at least immediately to the side of the hob - cannot be fully used for storage purposes or similar.
- This state-of-the-art hob with extraction slots on both sides and the rear thereof is also disadvantageous because the two lateral and the rear extraction flows - especially in the particularly important area of the centre of the hob - cancel each other out completely or at least partially, so that cooking fumes arising there are not exposed to an effective extraction flow and can therefore spread and rise unhindered.
- a further disadvantage of this state-of-the-art hob with extraction slots on both sides and the rear thereof is that it entails significant manufacturing and material costs - particularly due to the design of the three extraction devices and the exhaust air duct system connected to them.
- hobs are known, for example, from the US 2007/062513 A1 , the DE 10 2005 030 038 A1 , the WO 2008/083660 A2 , the DE 20 2008 013350 U1 , the US 2,674,991 A , the CA 2,081,823 A1 and the DE 20 2011 005 698 U1 .
- From the EP 1 680 997 A2 is a table grill with two cooling fans.
- the object of the present invention is therefore to provide a hob with a device for extracting cooking fumes in a direction lying vertically below the plane of the hob, which does not take up the areas on both sides and to the rear of the hob on the worktop supporting the hob, but leaves them usable for storage purposes or the like, which reliably prevents cooking fumes from rising and spreading both in the central area of the hob and in its edge areas, which causes particularly low manufacturing, assembly, maintenance and operating costs, which does not require a separate installation frame for attachment to the surrounding worktop, which is particularly efficient in relation to the electrical energy used for extraction and whose noise development during operation is very low.
- the present invention therefore relates to a hob (1) with one or more cooking zones (2) which - in a plan view - has one or more recesses (4) only in the area (25) around its geometric center of gravity (3) - but not in its edge areas.
- These recesses (4) are generally connected to one or more devices (5) for extracting cooking fumes, whereby these devices (5) for extracting cooking fumes extract the cooking fumes that have arisen and are arising above the cooking zones (2) in a downward direction pointing vertically below the hob (1).
- the diameter (28) of the Area (25) for the one or more recesses (4) around the geometric center of gravity (3) of the hob (1) is in the range from 10% to 90% of the total width (29) of the hob (1), preferably in the range from 15% to 85%, in particular in the range from 20% to 80% of the total width (29) of the hob (1).
- the shape of the one or more recesses (4) - in a plan view - can be round or oval or square or rectangular or polygonal or star-shaped.
- the area of the recess (4) of the hob (5) can, for example, be in the range from 50 cm 2 to 500 cm 2 , preferably in the range from 60 cm 2 to 400 cm 2 , in particular in the range from 70 cm 2 to 300 cm 2 .
- each recess (4) of the hob (1) can be reversibly closed and opened manually and/or by means of an electric or pneumatic drive, over the entire surface or sector by sector.
- a single or multi-part grease filter insert (6) can be inserted into each recess (4) of the hob (1).
- This grease filter insert (6) is usually enclosed at the side and/or below by an exhaust air duct (9).
- the grease filter insert (6) is tightly connected to the edge area of the recess (4) of the hob (1).
- the grease filter insert (6) can, for example, be in the shape of a letter U in cross section (see Figures 2 , 3 , 6 and 7 ).
- the grease filter insert (6) - to increase the filter surface and reduce the flow speed and thus improve the effect of the grease filter insert (6) - can be designed, for example, in the form of a letter U with a sack-shaped or cap-shaped expansion (17) (see Figure 5 ) of its lower area to the side and/or in a downstream direction.
- the grease filter insert (6) can have suction openings (7) with grease filters (8) integrated therein in its wall areas or - at least in some areas - can be designed in the manner of a gas-permeable grease filter (6).
- the grease filter insert (6) can be designed in its base area in the form of a drip tray (10) - for collecting liquid (11) that has entered the recess (4) of the hob (1).
- a drip tray (10) for collecting liquid (11) that has entered the recess (4) of the hob (1).
- both the side walls of the grease filter insert (6) and its base must be permeable to cooking fumes.
- a liquid barrier (13) raised above the level of the underside (12) of the exhaust air duct (9) can be provided - immediately downstream behind the central recess (4).
- a particular advantage of the device is that the liquid collecting basin (15) provided below the central recess (4) of the hob (1) - delimited downstream by the liquid barrier (13) and otherwise by the walls (14) of the exhaust air duct (9) - can be manually drained and cleaned through the central recess (4) of the hob (1).
- the grease filter insert (6) can, for example, be designed in the form of a grease filter plate (16) covering the cross-section of the exhaust air duct (9) and arranged at an angle below the central recess (4) of the hob - or just downstream thereof.
- the central recess (4) of the hob (1) can be closed over its entire surface, for example by means of a lid-shaped closing element (18) that is reversibly adjustable in the vertical direction for opening and closing purposes - for odor trapping.
- a lid-shaped closing element (18) that is reversibly adjustable in the vertical direction for opening and closing purposes - for odor trapping.
- two or more flexible spring legs (19) with locking grooves (20) for locking projections (21) of the grease filter insert (6), the exhaust air duct (9) or the central recess (4) can be provided on the underside of the closing element (18).
- two or more rigid legs (19) with locking grooves (20) for locking spring projections (21) of the grease filter insert (6), the exhaust air duct (9) or the central recess (4) can be provided on the underside of the closing element (18).
- the central recess (4) of the hob (1) can be closed by means of a closing element (22) with a Y- or V-shaped cross-section that is reversibly adjustable in the vertical direction for opening and closing purposes.
- the undersides of this Y- or V-shaped closing element (22) can serve as flow-optimizing flow guide surfaces for the cooking fumes to be extracted.
- the Y- or V-shaped closing element (22) can be vertically reversibly adjustable by means of an eccentric disk or a lever mechanism or a thread (23).
- the recess (4) of the hob (1) located in the area (25) around the geometric center of gravity (3) of the hob (1) can comprise one or more sector-like, reversibly closable and openable closure elements (26) in order to control the direction (27) of the cooking fume extraction depending on the direction of the active cooking point (2) generating cooking fumes and to save the fan energy required for the device (5) for extracting cooking fumes.
- closure elements (26) can, for example, be reversibly opened and closed manually and/or electrically.
- the edge of the central recess (4) of the hob (1) - as overflow protection - have a surrounding cover (24) which projects upwards above the level of the hob (1) and is formed by the exhaust air duct connection and/or by the grease filter insert suspension device.
- each lamella shutter (30) comprises one or more lamellae (31) whose longitudinal axes (32) are preferably aligned horizontally.
- each slat (31) in particularly preferred embodiments of the cooking surface (1) according to the invention - in particular for vertical alignment of the cooking fume intake flow (27) and thus for adaptation to the vertical height of the cooking utensils used - each slat (31) can be pivoted reversibly back and forth about a horizontal pivot axis (33) at an angle ⁇ , which is for example in a range from 0° to 180°, preferably in a range from 0° to 110°, in particular in a range from 0° to 90°.
- the slat closure (30) can be reversibly rotatable about its vertical axis (34) at an angle ⁇ , for example.
- This angle ⁇ can, for example, be in the range from 0° to 360° without limitation.
- the level of the louvre shutter (30) can be just above the level of the hob (1).
- the level of the louvre shutter (30) can be approximately at the vertical height of the hob (1).
- the plane of the louvre closure (30) can also be provided below the hob (1).
- the louvre closure (30) can be removable from the central recess (4) of the hob (1) for cleaning purposes.
- the present invention further relates to a hob (1) with a central recess (4), which is designed in the form of an assembly unit with a device (36) attached to its underside (35) for operating the hob (1) and for extracting cooking fumes downwards and can be quickly and easily inserted into a recess in the kitchen worktop (54) designed to correspond to its dimensions.
- the device (36) - following one after the other in a vertical direction downwards - on the underside (35) of the hob (1) can comprise a housing (44) for the heating or hob heating and control electronics, a fan housing (48) for two or more radial fans (38) and one or more cooking fume suction chambers (39) - for horizontal, outward-directed cooking fume forwarding and for providing the cooking fume stream for vertically upward suction by the radial fans (38) provided in the vertically higher fan housing (48).
- a particular advantage of this cooking surface (1) designed according to the invention is that the distance (40) between the underside (35) of the cooking surface (1) on the one hand and the underside of the base (42) of the cooking vapor suction chambers (39) on the other hand is in a range of only 110 mm to 260 mm, preferably in a range of 140 mm to 230 mm, in particular in a range of 150 mm to 200 mm.
- a vertically downward-oriented, tubular exhaust air line (50) is provided, for example, downstream of the central recess (4) of the hob (1).
- Figures 14 and 16 show that in the central regions (59) of the vertically upper ceilings (60) of the cooking fume suction chambers (39) two or more recesses (61) can be provided - for the passage of the cooking fumes (63) from bottom to top to the radial fans (38) provided downstream of the recesses (61).
- the radial fan motors (56) can be mounted centered above their corresponding recesses (61) in the middle areas (59) of the ceilings (60) of the cooking fume intake chambers (39), on the underside (45) of the housing (44) for the heating or hob heating and control electronics.
- the housing (44) for the heating or hob heating and control electronics can contain, among other things, the hob heating elements (37), the power electronics (55) for the fan motors (56) and touch control elements (57) (see Figure 12 ).
- a device power connection (58) can be provided (see Figure 13 ).
- Figures 14 and 16 show that the rotation axes (62) of the radial fan motors (56) are aligned vertically and that the cooking fumes (63) captured by the rotating fan wheel (65) sucked vertically upwards can be transported into the fan housing (48) provided above the respective suction chamber (39).
- the fan housing (48) - in plan view - can have a spiral-shaped structure with an upstream guide chamber (66) and a downstream blow-out chamber (67).
- a space (68) adjoining all the blow-out chambers (67) of the radial fans (38) can be provided for dividing and directing the cooking fume blow-out streams (69).
- This space (68) can, for example, have two or more air guide surfaces (70). These air guide surfaces (70) can preferably be arranged and shaped in such a way that the odor filter (71) provided downstream of the division space (68) is blown evenly by the cooking fume blow-out streams (69) in relation to its total area.
- a bellows (72) flexible in the horizontal and/or vertical direction can be provided downstream of the odour filter (71) for flexible and vibration and noise-decoupled connection to a downstream exhaust air duct or kitchen carcass.
- the cooking vapour (63) can flow through the hollow cylindrical grease filter insert (6) at a speed in the range from 1.0 m/sec to 4.5 m/sec, preferably in the range from 1.15 m/sec to 4.25 m/sec, in particular in the range from 1.75 m/sec to 4.0 m/sec.
- the cooking fumes (63) can flow through the odor filter (71) at a speed in the range from 0.5 m/sec to 3.0 m/sec, preferably in the range from 0.7 m/sec to 2.7 m/sec, in particular in the range from 1.0 m/sec to 2.5 m/sec.
- the distance (43) between the underside (35) of the hob (1) on the one hand and the underside (45) of the housing (44) for the heating or hob heating and control electronics on the other hand can be in a range from 45 mm to 80 mm.
- the distance (46) between the underside (45) of the housing (44) for the heating or hob heating and control electronics on the one hand and the underside (47) of the fan housing (48) on the other hand can be in a range from 60 mm to 100 mm.
- the distance (49) between the underside (47) of the fan housing (48) on the one hand and the underside of the base (42) of the cooking fume intake chamber (39) on the other hand can, for example, be in a range from 45 mm to 80 mm.
- FIG 14 shows that - in a top view - the central base area (74) located inside the hollow cylindrical grease filter (6) can be at least slightly lowered at least relative to the lateral bases (42) of the two suction chambers (39) provided on both sides of this central base area (74), forming a stop (75) for the lower edge area (53) of the hollow cylindrical grease filter (6).
- the central base area (74) can be designed to be inclined towards a central or edge-side depression (76) - for collecting and catching overflowing liquid. In this case, there is a particularly user-friendly option of accessing the central base area (74) for cleaning purposes.
- a cooking surface is provided with a device for extracting cooking fumes in a direction lying vertically below the plane of the cooking surface.
- the cooking surface (1) according to the invention has a round, oval or square surface in the area of its geometric centre of gravity (3) Since the hob (1) has a recess (4) for a device (5) for extracting cooking fumes in a downward direction vertically beneath the hob (1), the surfaces on both sides and to the rear of the hob on the worktop supporting the hob can now be used without restriction for storage purposes or similar.
- the device (5) for extracting cooking fumes is now centrally located in the area of the geometric center of gravity (3) of the hob (1), sufficiently strong suction currents that do not cancel each other out act on the entire surface of the hob (1). This reliably prevents cooking fumes from rising and spreading both in the central area of the hob and in its edge areas.
- Particular advantages of the hob (1) according to the invention are also to be seen in the fact that its manufacturing, assembly, maintenance and operating costs are particularly low.
- Another advantage of the hob (1) according to the invention is that the electrical energy used for extraction is used particularly efficiently, which is why the efficiency of the hob (1) according to the invention is particularly high.
- a further advantage of the cooktop (1) according to the invention is that the noise level is very low even during cooking fume extraction operation.
- the cooktop (1) according to the invention which is designed in the form of an assembly unit with a device (36)
- its construction height is particularly low, which means that the space in the kitchen carcass that can be used without hindrance is pronounced.
- a particular advantage of the hob (1) according to the invention, which is designed in the form of an assembly unit with a device (36), is its compactness and the fact that it can be completely pre-assembled in the factory. This means that the planning and assembly effort is particularly low.
- the completely pre-assembled, compact mounting unit only needs to be inserted into a recess in the worktop, which makes installation particularly quick, easy and cost-effective.
- a particular advantage of the hob (1) according to the invention which is designed in the form of an assembly unit with a device (36), is that it offers effective protection against and insensitivity to overflowing liquid that has penetrated through the central recess (4) - up to a volume of 5 l.
- the fan motors (56) are suspended on the base (45) of the housing (44) for the heating or hob heating and control electronics, the trough-like volume of the lowest cooking fume suction chamber (39) is basically available to absorb overflow liquid without endangering the fan motors (56).
Landscapes
- Engineering & Computer Science (AREA)
- Chemical & Material Sciences (AREA)
- Combustion & Propulsion (AREA)
- Mechanical Engineering (AREA)
- General Engineering & Computer Science (AREA)
- Ventilation (AREA)
- Medicines That Contain Protein Lipid Enzymes And Other Medicines (AREA)
- Cookers (AREA)
- Baking, Grill, Roasting (AREA)
- Solid-Sorbent Or Filter-Aiding Compositions (AREA)
Description
- Die vorliegende Erfindung betrifft ein Kochfeld mit den im Patentanspruch 1 angegebenen Merkmalen.
- Aus dem Stand der Technik ist ein Kochfeld bekannt, welches beidseitig und rückseitig neben dem Kochfeld längliche, rechteckige Schlitze aufweist, durch welche die im Bereich des Kochfeldes entstehenden Kochdünste nach unten abgesaugt werden.
- Dieses aus dem Stand der Technik bekannte Kochfeld mit beidseitig und rückseitig hiervon vorgesehenen Absaugschlitzen ist insbesondere deswegen nachteilig, weil dort die das Kochfeld tragende Arbeitsplatte - zumindest unmittelbar seitlich von dem Kochfeld - nicht vollständig für Abstellzwecke oder ähnliches nutzbar ist.
- Dieses zum Stand der Technik gehörende Kochfeld mit beidseitig und rückseitig hiervon vorgesehenen Absaugschlitzen ist auch deswegen nachteilig, weil sich die beiden seitlichen und die rückwärtige Absaugströmungen - vor allem im besonders bedeutsamen Bereich des Zentrums des Kochfeldes - gegenseitig vollständig oder zumindest teilweise aufheben, so dass dort entstehende Kochdünste keiner effektiven Absaugströmung ausgesetzt sind und sich folglich ungehindert ausbreiten und aufsteigen können.
- Ein weiterer Nachteil dieses aus dem Stand der Technik hervorgehenden Kochfeldes mit beidseitig und rückseitig hiervon vorgesehenen Absaugschlitzen besteht darin, dass dort ausgeprägte Herstellungskosten und Materialkosten - insbesondere wegen der Ausbildung der drei Absaugvorrichtungen und dem mit diesen in Verbindung stehenden Abluftkanal-System - anzusetzen sind.
- Auch die Wartungskosten-sind bei diesem bekannten Kochfeld besonders hoch, insbesondere da dort drei (!) Fettfilter zu warten sind.
- Da bei diesem bekannten Kochfeld mit beidseitig und rückseitig hiervon vorgesehenen Absaugschlitzen - bei Aktivierung der Kochdunstabsaugung - über alle Absaugschlitze gleichzeitig starke Absaugströme freigesetzt werden, ist dort der Energieaufwand für eine Kochdunstabsaugung besonders hoch, weshalb die Effizienz dieses bekannten Kochfeldes auffallend gering ist.
- Aufgrund der dort erforderlichen drei starken Absaugströme ist dort auch die Lärmbelastung durch Strömungsgeräusche und Lüftermotoren des Absaug-Systemes ausgeprägt.
- Ein weiterer wesentlicher Nachteil des bekannten Kochfeldes mit beidseitig und rückseitig hiervon vorgesehenen Kochdunst-Absaugschlitzen besteht darin, dass dort eine material- und zeitintensive Montage des Kochfeldes an der das Kochfeld tragenden Arbeitsplatte - unter Überbrückung der beidseitigen und rückwärtigen Kochdunst-Absaugschlitze - mittels eines separaten Einbaurahmens erforderlich ist.
- Weitere Kochfelder sind beispielsweise bekannt aus der
US 2007/062513 A1 , derDE 10 2005 030 038 A1 , derWO 2008/083660 A2 , derDE 20 2008 013350 U1 , derUS 2,674,991 A , derCA 2,081,823 A1 und derDE 20 2011 005 698 U1 . Aus derEP 1 680 997 A2 ist ein Tischgrill mit zwei Kühl-Lüftern bekannt. - Aufgabe der vorliegenden Erfindung ist daher die Bereitstellung eines Kochfeldes mit einer Einrichtung zum Abzug von Kochdünsten in vertikal unterhalb der Ebene des Kochfeldes liegender Richtung, welches die auf beiden Seiten und rückwärtig von dem Kochfeld befindlichen Flächen auf der das Kochfeld tragenden Arbeitsplatte nicht beansprucht, sondern für Abstellzwecke oder ähnliches nutzbar lässt, welches sowohl im zentralen Bereich des Kochfeldes als auch in dessen Randbereichen ein Aufsteigen und Ausbreiten von Kochdünsten sicher vermeidet, welches besonders niedrige Herstellungs-, Montage-, Wartungs- und Betriebskosten verursacht, welches keinen separaten Einbaurahmen zur Anbringung an die umgebende Arbeitsplatte benötigt, welches in Bezug auf die für die Absaugung eingesetzte elektrische Energie besonders effizient ist und deren Geräuschentwicklung während des Betriebes sehr gering ist.
- Erfindungsgemäß wird diese Aufgabe bei einer gattungsgemäßen Vorrichtung durch die im kennzeichnenden Teil des Patentanspruches 1 angegebenen Merkmale gelöst. Besonders bevorzugte Ausführungsformen sind Gegenstand der Unteransprüche. Ausführungsbeispiele werden anhand der Zeichnungen näher beschrieben. Es zeigen:
-
Figur 1 eine Draufsicht auf ein Kochfeld (1) mit zentraler Aussparung (4) für eine Vorrichtung (5) zum Abzug von Kochdünsten nach unten; -
Figur 2 einen schematischen Querschnitt eines Kochfeldes (1) entlang der inFigur 1 dargestellten Linie A-A mit einem Fettfilter-Einsatz (6), welcher in seinem Bodenbereich eine Auffangschale (10) für durch die zentrale Aussparung (4) eingetretene Flüssigkeit aufweist und dessen darüber befindliche, seitliche Wände für die eingesaugten Kochdünste in Richtung des Abluft-Kanales (9) permeabel sind; -
Figur 3 einen schematischen Querschnitt eines Kochfeldes (1) entlang der inFigur 1 dargestellten Line B-B mit einem Fettfilter-Einsatz (6), dessen seitliche Wände und dessen Boden für die eingesaugten Kochdünste in Richtung des Abluft-Kanales (9) permeabel sind, wobei die Unterseite (12) des Abluft-Kanales (9) unterhalb des Bereiches der zentralen Aussparung (4) in Form eines Auffang-Beckens (15) für Flüssigkeiten (11) ausgebildet ist; -
Figur 4 einen schematischen Querschnitt eines Kochfeldes (1) entlang der inFigur 1 dargestellten Linie B-B mit einer schrägstehenden, plattenförmigen Fettfilter-Platte (16), welcher den Querschnitt des Abluft-Kanales (9) überdeckt und unterhalb der zentralen Aussparung (4) des Kochfeldes (1) vorgesehen ist; -
Figur 5 einen schematischen Querschnitt eines Kochfeldes (1) entlang der inFigur 1 dargestellten Linie B-B mit einem Fettfilter-Einsatz (6), welcher in Form eines Buchstabens U mit mützenförmiger Aufweitung (17) des unteren Bereichs hiervon in stromabwärtiger Richtung und kochdunst-permeabel ausgebildet ist; -
Figur 6 einen schematischen Querschnitt eines Kochfeldes (1) entlang der inFigur 1 dargestellten Linie B-B, wobei die zentrale Aussparung (4) des Kochfeldes (1) mittels eines in vertikaler Richtung reversibel verstellbaren, deckelförmigen Verschließ-Elementes (18) verschließbar und öffenbar ist, wobei an der Unterseite des Verschließ-Elementes zwei flexible Federbeine (19) mit Einrast-Rillen (20) zum Einrasten von Vorsprüngen (21) des Fettfilter-Einsatzes (6) vorgesehen sind; -
Figur 7 einen schematischen Querschnitt eines Kochfeldes (1) entlang der InFigur 1 dargestellten Linie B-B, wobei die zentrale Aussparung (4) des Kochfeldes (1) mittels eines in vertikaler Richtung reversibel verstellbaren Y-förmigen Verschließ-Elementes (18) verschließbar und öffenbar ist, wobei die Unterseite dieses Y-förmigen Verschließ-Elementes (22) für die angesaugten Kochdünste als strömungsoptimierende Strömungsleitfläche dient und das Y-förmige Verschließ-Element (22) mittels eines Gewindes (23) vertikal verstellbar ist; -
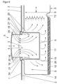
Figur 8 eine schematische Draufsicht auf ein erfindungsgemäßes Kochfeld (1), welches in dem Bereich (25) des geometrischen Flächenschwerpunktes (3) des Kochfeldes (1) eine Aussparung (4) des Kochfeldes (1) aufweist, die - zur Steuerung der Richtung (27) der Kochdunst-Absaugung in Abhängigkeit von der Richtung der jeweils Kochdunst erzeugenden Kochstelle (2) sowie zur Einsparung der für die Vorrichtung (5) zum Abzug von Kochdünsten aufzubringenden Lüfter-Energie - ein oder mehrere sektorartige, reversibel verschließbare und öffenbare Verschlusselemente (26) umfasst; -
Figur 9 eine schematische Draufsicht auf ein erfindungsgemäßes Kochfeld (1), dessen zentrale Aussparung (4) einen Lamellenverschluss (30) trägt; -
Figur 10 einen schematischen Querschnitt eines Kochfeldes (1) entlang der inFigur 9 dargestellten Linie B-B, wobei die zentrale Aussparung (4) des Kochfeldes (1) mittels eines knapp oberhalb der Ebene des Kochfeldes (1) vorgesehenen Lamellenverschlusses (30) mit schwenkbaren Lamellen (31) reversibel verschließbar ist; -
Figur 11 Figur einen schematischen Querschnitt eines Kochfeldes (1) entlang der inFigur 9 dargestellten Linie B-B, wobei die zentrale Aussparung (4) des Kochfeldes (1) mittels eines knapp unterhalb der Ebene des Kochfeldes (1) vorgesehenen Lamellenverschlusses (30) mit schwenkbaren Lamellen (31) reversibel verschließbar ist; -
Figur 12 eine schematische, perspektivische Ansicht von schräg oben eines erfindungsgemäßen Kochfeldes (1) mit einer zentralen Aussparung (4) des Kochfeldes (1), wobei das Kochfeld (1) in Form einer Montageeinheit mit einer an der Unterseite (35) des Kochfeldes (1) vorgesehenen Vorrichtung (36) zum Betreiben des Kochfeldes (1) und zum nach unten gerichteten Abzug von Kochdünsten ausgebildet ist; -
Figur 13 eine schematische, perspektivische Ansicht von schräg des inFigur 12 dargestellten erfindungsgemäßen Kochfeldes (1) mit einer zentralen Aussparung (4) des Kochfeldes (1), wobei das Kochfeld (1) in Form einer Montageeinheit mit einer an der Unterseite (35) des Kochfeldes (1) vorgesehenen Vorrichtung (36) zum Betreiben des Kochfeldes (1) und zum nach unten gerichteten Abzug von Kochdünsten ausgebildet ist; -
Figur 14 einen schematischen Längsschnitt entlang der Linie A-A der inFigur 15 dargestellten Montageeinheit aus einem Kochfeld (1) und einer Vorrichtung (36) zum Betreiben des Kochfeldes (1) und zum nach unten gerichteten Abzug von Kochdünsten; -
Figur 15 eine schematische Draufsicht auf eine erfindungsgemäße Montageeinheit aus einem Kochfeld (1) und einer Vorrichtung (36) zum Betreiben des Kochfeldes (1) und zum nach unten gerichteten Abzug von Kochdünsten, wobei zur Verbesserung der Klarheit der Darstellung das Kochfeld (1) abgenommen ist; -
Figur 16 einen schematischen Längsschnitt entlang der Linie B-B der inFigur 15 dargestellten Montageeinheit aus einem Kochfeld (1) und einer Vorrichtung (36) zum Betreiben des Kochfeldes (1) und zum nach unten gerichteten Abzug von Kochdünsten; -
Figur 17 eine schematische Ansicht eines hohlzylindrischen Fettfilters (6), welcher lediglich mit einem einzigen Abluft-Lüfter (38) in Verbindung steht; -
Figur 18 eine schematische Ansicht eines hohlzylindrischen Fettfilters (6), welcher mit zwei einander gegenüberliegenden Abluft-Lüftern (38) in Verbindung steht. - Die vorliegende Erfindung betrifft demnach ein Kochfeld (1) mit einer oder mit mehreren Kochstellen (2), welches - in einer Draufsicht - lediglich in dem Bereich (25) um seinen geometrischen Flächenschwerpunkt (3) herum - nicht jedoch in seinen Randbereichen - eine oder mehrere Aussparungen (4) aufweist. Diese Aussparungen (4) stehen in der Regel mit einer oder mit mehreren Vorrichtungen (5) zum Abzug von Kochdünsten in Verbindung, wobei diese Vorrichtungen (5) zum Abzug von Kochdünsten die über dem oder über den Kochstellen (2) entstandenen und entstehenden Kochdünste in vertikal unterhalb des Kochfeldes (1) weisender Richtung nach unten abziehen.
- Im Allgemeinen kann der Durchmesser (28) des Bereiches (25), für die eine oder für die mehreren Aussparungen (4), um den geometrischen Flächenschwerpunkt (3) des Kochfeldes (1) im Bereich von 10 % bis 90 % der Gesamt-Breite (29) des Kochfeldes (1), vorzugsweise im Bereich von 15 % bis 85 %, insbesondere im Bereich von 20 % bis 80 % der Gesamtbreite (29) des Kochfeldes (1) liegen. Vorzugsweise kann die Form der einen oder der mehreren Aussparungen (4) - in einer Draufsicht - rund oder oval oder quadratisch oder rechteckig oder polygonal oder sternförmig sein. Die Fläche der Aussparung (4) des Kochfeldes (5) kann beispielsweise in dem Bereich von 50 cm2 bis 500 cm2, vorzugsweise in dem Bereich von 60 cm2 bis 400 cm2, insbesondere in dem Bereich von 70 cm2 bis 300 cm2, liegen. Vorzugsweise kann jede Aussparung (4) des Kochfeldes (1) ) reversibel manuell und/oder mittels eines elektrischen oder pneumatischen Antriebes, ganzflächig oder sektorweise, verschließbar und öffenbar sein.
- Gemäß den
Figuren 3 ,5 ,6 und7 kann in jede Aussparung (4) des Kochfeldes (1) ein ein- oder mehrteiliger Fettfilter-Einsatz (6) einsetzbar sein. Dieser Fettfilter-Einsatz (6) ist in der Regel seitlich und/oder unten von einem Abluftkanal (9) umfasst. Vorzugsweise steht der Fettfilter-Einsatz (6) mit dem Randbereich der Aussparung (4) des Kochfeldes (1) dicht in Verbindung. Der Fettfilter-Einsatz (6) kann beispielsweise im Querschnitt in der Form eines Buchstabens U (sieheFiguren 2 ,3 ,6 und7 ) ausgebildet sein. Alternativ hierzu kann der Fettfilter-Einsatz (6) - zur Vergrößerung der Filterfläche und Reduzierung der Strömungsgeschwindigkeit und damit zur Verbesserung der Wirkung des Fettfilter-Einsatzes (6) - beispielsweise in der Form eines Buchstabens U mit sackförmiger oder mützenförmiger Aufweitung (17) (sieheFigur 5 ) seines unteren Bereiches zur Seite und/oder in stromabwärtiger Richtung, ausgebildet sein. Im Allgemeinen kann der Fettfilter-Einsatz (6) in seinen Wand-Bereichen Absaug-Öffnungen (7) mit darin integrierten Fettfiltern (8) aufweisen oder-zumindest bereichsweise - in der Art eines gas-permeablen Fettfilters (6) ausgebildet sein. - Wie insbesondere der
Figur 2 zu entnehmen ist, kann der Fettfilter-Einsatz (6) in seinem Boden-Bereich in Form einer Auffangschale (10) - zum Auffangen von in die Aussparung (4) des Kochfeldes (1) eingetretener Flüssigkeit (11) - ausgebildet sein. Alternativ hierzu können - wie in denFiguren 3 ,4 ,5 ,6 , und7 dargestellt - sowohl die seitlichen Wände des Fettfilter-Einsatzes (6) als auch dessen Boden für Kochdünste durchlässig sein.
Zur Verhinderung des Vordringens von durch die zentrale Aussparung (4) des Kochfeldes (1) eingedrungener Flüssigkeit (11) in stromabwärtige Abschnitte des Abluftkanales (9) kann - unmittelbar stromabwärts hinter der zentralen Aussparung (4) - auf der Unterseite (12) des Abluftkanales (9) eine über das Niveau der Unterseite (12) des Abluftkanales (9) erhabene Flüssigkeits-Sperre (13) vorgesehen sein.
Ein besonderer Vorteil der Vorrichtung besteht dann darin, dass das unterhalb der zentralen Aussparung (4) des Kochfeldes (1) vorgesehene - von der Flüssigkeits-Sperre (13) stromabwärts und von den Wänden (14) des Abluftkanales (9) im übrigen begrenzte - Flüssigkeits-Auffang-Becken (15) durch die zentrale Aussparung (4) des Kochfeldes (1) manuell trockenlegbar und reinigbar ist. - Gemäß
Figur 4 kann der Fettfilter-Einsatz (6) beispielsweise in Form einer den Querschnitt des Abluftkanales (9) überdeckenden und schrägstehend unterhalb der zentralen Aussparung (4) des Kochfeldes - oder knapp stromabwärts hiervon -vorgesehenen Fettfilter-Platte (16) ausgebildet sein. - Gemäß
Figur 6 kann die zentrale Aussparung (4) des Kochfeldes (1) beispielsweise mittels eines in vertikaler Richtung zu Öffnungszwecken und Verschließzwecken reversibel verstellbaren, deckelförmigen Verschließ-Elementes (18) - zum Geruchsverschluss - ganzflächig verschließbar sein. In diesem Falle können an der Unterseite des Verschließ-Elementes (18) zwei oder mehrere flexible Federbeine (19) mit Einrast-Rillen (20) zum Einrasten von Vorsprüngen (21) des Fettfilter-Einsatzes (6), des Abluftkanales (9) oder der zentralen Aussparung (4) vorgesehen sein. - Alternativ hierzu können an der Unterseite des Verschließ-Elementes (18) zwei oder mehrere starre Beine (19) mit Einrast-Rillen (20) zum Einrasten von federnden Vorsprüngen (21) des Fettfilter-Einsatzes (6), des Abluftkanales (9) oder der zentralen Aussparung (4) vorgesehen sein.
- Wie in
Figur 7 dargestellt, kann die zentrale Aussparung (4) des Kochfeldes (1) mittels eines in vertikaler Richtung zu Öffnungszwecken und zu Verschließzwecken reversibel verstellbaren, im Querschnitt Y- oder V- förmigen Verschließ-Elemente (22) verschließbar sein. In diesem Falle können die Unterseiten dieses Y- oder V-förmigen Verschließ-Elementes (22) als strömungsoptimierende Strömungsleitflächen für die abzusaugenden Kochdünste dienen. Vorzugsweise kann das Y- oder V-förmige Verschließ-Element (22) mittels einer Exzenter-Scheibe oder eines HebelMechanismus oder eines Gewindes (23) vertikal reversibel verstellbar sein. - Wie aus
Figur 8 hervorgeht, kann die in dem Bereich (25) um den geometrischen Flächenschwerpunkt (3) des Kochfeldes (1) befindliche Aussparung (4) des Kochfeldes (1) - zur Steuerung der Richtung (27) der Kochdunst-Absaugung in Abhängigkeit von der Richtung der jeweils Kochdunst erzeugenden, jeweils aktiven Kochstelle (2) sowie zur Einsparung der für die Vorrichtung (5) zum Abzug von Kochdünsten aufzubringenden Lüfter-Energie - ein oder mehrere sektorartige, reversibel verschließbare und öffenbare Verschlusselemente (26) umfassen. - Diese Verschlusselemente (26) können beispielsweise manuell und/oder elektrisch reversibel öffenbar und verschließbar sein.
- Wie aus den
Figuren 1 bis 8 hervorgeht, kann der Rand der zentralen Aussparung (4) des Kochfeldes (1) - als Überlaufschutz - einen die Ebene des Kochfeldes (1) nach oben überragenden, umlaufenden und von dem Abluftkanal-Anschluss und/oder von der Fettfilter-Einsatz-Einhängeeinrichtung gebildeten Überwurf (24) tragen. - Die
Figuren 9 ,10 und11 zeigen, dass die eine oder die mehreren zentralen Aussparungen (4) des Kochfeldes (1) zur Strömungsoptimierung jeweils einen oder mehrere Lamellenverschlüsse (30) aufweisen können. Dieser Lamellenverschluss (30) ist insbesondere für eine horizontale - und gegebenenfalls auch für eine vertikale - Ausrichtung der Kochdunst-Ansaugströmung (27) in Richtung des oder der jeweils aktiven Kochstellen (2) vorteilhaft.
In der Regel umfasst jeder Lamellenverschluss (30) jeweils eine oder mehrere Lamellen (31), deren Längsachsen (32) vorzugsweise horizontal ausgerichtet sind.
In besonders bevorzugten Ausführungsformen des erfindungsgemäßen Kochfeldes (1) kann - insbesondere zur vertikalen Ausrichtung der Kochdunst-Ansaugströmung (27) und damit zur Anpassung an die vertikale Höhe des verwendeten Kochgeschirres - jede Lamelle (31) um eine horizontale Schwenkachse (33) in einem Winkel α reversibel hin- und herschwenkbar sein, welcher beispielsweise in einem Bereich von 0° bis 180°, vorzugsweise in einem Bereich von 0° bis 110°, insbesondere in einem Bereich von 0° bis 90°, liegt. Insbesondere für eine horizontale Ausrichtung der Kochdunst-Ansaugströmung (27) in Richtung des oder der jeweils aktiven Kochstellen (2) kann der Lamellenverschluss (30) beispielsweise um seine Hochachse (34) in einem Winkel β reversibel drehbar sein. Dieser Winkel β kann beispielsweise ohne Begrenzung in dem Bereich von 0° bis 360° liegen. Wie insbesondereFigur 10 zu entnehmen ist, kann die Ebene des Lamellenverschlusses (30) knapp oberhalb der Ebene des Kochfeldes (1) liegen. Alternativ hierzu kann die Ebene des Lamellenverschlusses (30) etwa auf der vertikalen Höhe des Kochfeldes (1) liegen. GemäßFigur 11 kann die Ebene des Lamellenverschlusses (30) jedoch auch unterhalb des Kochfeldes (1) vorgesehen sein. In besonders bevorzugten Ausführungsformen des erfindungsgemäßen Kochfeldes (1) kann der Lamellenverschluss (30) - zu Reinigungszwecken - von der zentralen Aussparung (4) des Kochfeldes (1) abnehmbar sein. - Gegenstand der vorliegenden Erfindung ist darüber hinaus ein Kochfeld (1) mit einer zentralen Aussparung (4), welches in Form einer Montageeinheit mit einer an seiner Unterseite (35) angebrachten Vorrichtung (36) zum Betreiben des Kochfeldes (1) und zum Abzug von Kochdünsten nach unten ausgebildet ist und in eine korrespondierend zu ihren Abmessungen ausgebildete Aussparung der Küchen-Arbeitsplatte (54) schnell und einfach einsetzbar ist.
- Insbesondere in den
Figuren 12 bis 16 ist dargestellt, dass die Vorrichtung (36) - in vertikaler Richtung nach unten nacheinander folgend - an der Unterseite (35) des Kochfeldes (1) ein Gehäuse (44) für die Beheizungs- oder Kochfeldbeheizung- und Steuerungs-Elektronik, ein Lüfter-Gehäuse (48) für zwei oder mehrere Radial-Lüfter (38) und eine oder mehrere Kochdunst-Ansaugkammern (39) - zur horizontalen, nach außen gerichteten Kochdunst-Weiterleitung sowie zur Bereitstellung des Kochdunst-Stromes für eine vertikal nach oben gerichtete Ansaugung durch die in dem vertikal höher liegenden Lüfter-Gehäuse (48) vorgesehenen Radial-Lüfter (38) - umfassen kann. - Ein besonderer Vorteil dieses erfindungsgemäß ausgestalteten Kochfeldes (1) besteht darin, dass der Abstand (40) zwischen der Unterseite (35) des Kochfeldes (1) einerseits und der Unterseite des Bodens (42) der Kochdunst-Ansaugkammern (39) andererseits in einem Bereich von lediglich 110 mm bis 260 mm, vorzugsweise in einem Bereich von 140 mm bis 230 mm, insbesondere in einem Bereich von 150 mm bis 200 mm, liegt.
- Wie insbesondere den
Figuren 14 ,15 und16 zu entnehmen ist, ist bei diesem in Form einer Montageeinheit mit einer Vorrichtung (36) ausgebildeten Kochfeld (1) beispielsweise stromabwärts von der zentralen Aussparung (4) des Kochfeldes (1) eine vertikal nach unten ausgerichtete, rohrförmige Abluft-Leitung (50) vorgesehen. - Insbesondere die
Figuren 14 und16 zeigen, dass in den Mittenbereichen (59) der vertikal oben liegenden Decken (60) der Kochdunst-Ansaugkammern (39) zwei oder mehrere Aussparungen (61) - für die von unten nach oben gerichtete Hindurchführung der Kochdünste (63) zu den stromabwärts von den Aussparungen (61) vorgesehenen Radial-Lüftern (38) - vorgesehen sein können. - Wie insbesondere den
Figuren 14 und16 zu entnehmen ist, können die Radial-lüfter-Motoren (56) zentriert über den zu ihnen gehörenden Aussparungen (61) in den Mittenbereichen (59) der Decken (60) der Kochdunst-Ansaugkammern (39), an der Unterseite (45) des Gehäuses (44) für die Beheizungs- oder Koch-feldbeheizung- und Steuerungs-Elektronik, angebracht sein.
In dem Gehäuse (44) für die Beheizungs- oder Kochfeldbeheizung- und Steuerungselektronik können unter anderem beispielsweise die Kochfeld-Heizelemente (37), die Leistungs-Elektronik (55) für die Lüfter-Motoren (56) und Touch-Control-Bedienungselemente (57) enthalten sein (sieheFigur 12 ). An der Unterseite des Gehäuses (44) für die Beheizungs- oder Kochfeldbeheizung- und Steuerungs-Elektronik kann unter anderem beispielsweise ein Geräte-Netzanschluss (58) vorgesehen sein (sieheFigur 13 ).
Insbesondere dieFiguren 14 und16 zeigen, dass die Drehachsen (62) der Radiallüfter-Motoren (56) vertikal ausgerichtet sind und dass die von dem rotierenden Lüfterrad (65) vertikal nach oben ansaugend erfassten Kochdünste (63) in das oberhalb der jeweiligen Ansaug-Kammer (39) vorgesehene Lüfter-Gehäuse (48) transportiert werden können. - Wie aus
Figur 15 hervorgeht, kann das Lüfter-Gehäuse (48) - in der Draufsicht - einen spiralförmigen Aufbau mit einer stromaufwärts befindlichen Führungskammer (66) und einer stromabwärts nachfolgenden Ausblaskammer (67) aufweisen. Gemäß denFigur 15 kann stromabwärts von den Ausblaskammern (67) ein sämtliche Ausblas-Kammern (67) der Radial-Lüfter (38) anschließender Raum (68) zur Aufteilung und Ausrichtung der Kochdunst-Ausblasströme (69) vorgesehen sein. Dieser Raum (68) kann beispielsweise zwei oder mehrere Luftleitflächen (70) aufweisen. Diese Luftleitflächen (70) können vorzugsweise derart angeordnet und geformt sein, dass der stromabwärts von dem Aufteilungs-Raum (68) vorgesehene Geruchsfilter (71) - in Bezug auf seine Gesamtfläche - gleichmäßig von den Kochdunst-Ausblasströmen (69) angeblasen wird. - Wie aus
Figur 15 ersichtlich, kann stromabwärts von dem Geruchsfilter (71) ein in horizontaler und/oder in vertikaler Richtung flexibler Faltenbalg (72) zum flexiblen und vibrations- und geräusch-entkoppelten Anschluss an einen stromabwärts nachfolgenden Abluftkanal oder Küchenkorpus vorgesehen sein. - In besonders bevorzugten Ausführungsformen des erfindungsgemäßen, in Form einer Montageeinheit mit einer Vorrichtung (36) ausgebildeten Kochfeldes (1) kann der Kochdunst (63) den hohlzylindrischen Fettfilter-Einsatz (6) mit einer Geschwindigkeit in dem Bereich von 1,0 m/sec bis 4,5 m/sec, vorzugsweise in dem Bereich von 1,15 m/sec bis 4,25 m/sec, insbesondere in dem Bereich von 1,75 m/sec bis 4,0 m/sec, durchströmen. In bevorzugten Ausführungsformen des erfindungsgemäßen, in Form einer Montageeinheit mit einer Vorrichtung (36) ausgebildeten Kochfeldes (1) kann der Kochdunst (63) den Geruchsfilter (71) mit einer Geschwindigkeit in dem Bereich von 0,5 m/sec bis 3,0 m/sec, vorzugsweise in dem Bereich von 0,7 m/sec bis 2,7 m/sec, insbesondere in dem Bereich von 1,0 m/sec bis 2,5 m/sec, durchströmen.
- In der Regel kann der Abstand (43) zwischen der Unterseite (35) des Kochfeldes (1) einerseits und der Unterseite (45) des Gehäuses (44) für die Beheizungs- oder Kochfeldbeheizung- und Steuerungs-Elektronik andererseits in einem Bereich von 45 mm bis 80 mm liegen. Im Allgemeinen kann der Abstand (46) zwischen der Unterseite (45) des Gehäuses (44) für die Beheizungs- oder Kochfeldbeheizung- und Steuerungs-Elektronik einerseits und der Unterseite (47) des Lüfter-Gehäuses (48) andererseits in einem Bereich von 60 mm bis 100 mm liegen. Der Abstand (49) zwischen der Unterseite (47) des Lüfter-Gehäuses (48) einerseits und der Unterseite des Bodens (42) der Kochdunst-Ansaugkammer (39) andererseits kann beispielsweise in einem Bereich von 45 mm bis 80 mm liegen.
- Wie besonders aus
Figur 15 ersichtlich, sind - in einer Draufsicht - zwei Radial-Lüfter (38) in dem Lüfter-Gehäuse (48) beidseitig von der stromabwärts von der zentralen Kochfeld-Aussparung (4) vorgesehenen, rohrförmigen Abluft-Leitung (50) positioniert. Die Drehrichtungen (73) der beiden Lüfterräder (65) dieser beiden Radial-Lüfter (38) sind zueinander entgegengesetzt: GemäßFigur 15 kann - in einer Draufsicht - das linke Lüfterrad (65) entgegen dem Uhrzeigersinn rotativ antreibbar sein, während - in einer Drauf-sicht - das rechte Lüfterrad (65) dann im Uhrzeigersinn rotativ antreibbar ist. In diesem Falle können die beiden Ausblaskammern (67) der beiden Radial-Lüfter (38) zu der zentralen Abluft-Leitung (50) benachbart sein.
Die gegenläufige Ausrichtung der Drehrichtungen (73) gemäßFigur 15 führt zu dem Vorteil, dass die beiden Kochdunst-Ausblasströme (69) den stromabwärts von dem Raum (68) zur Aufteilung und Ausrichtung der Ausblasströme (69) vorgesehenen Geruchsfilter (71) mittelbar über Luftleitflächen (70) oder unmittelbar gleichmäßig anströmen. - Insbesondere
Figur 14 zeigt, dass - in einer Draufsicht - der im Inneren des hohlzylindrischen Fettfilters (6) befindliche zentrale Boden-Bereich (74) zumindest gegenüber den beidseitig von diesem zentralen Boden-Bereich (74) vorgesehenen seitlichen Böden (42) der beiden Ansaugkammern (39) unter Ausbildung eines Anschlages (75) für den unteren Randbereich (53) des hohlzylindrischen Fettfilters (6) zumindest etwas abgesenkt sein kann. Ferner kann der zentrale Boden-Bereich (74) -zum Sammeln und Auffangen von übergelaufener Flüssigkeit - zu einer zentralen oder randwärtigen Absenkung (76) geneigt ausgebildet sein. In diesem Falle besteht eine besonders bedienerfreundliche Zugriffsmöglichkeit auf den zentralen Boden-Bereich (74) zu Reinigungszwecken. - Zusammenfassend ist festzustellen, dass im Rahmen der vorliegenden Erfindung ein Kochfeld mit einer Einrichtung zum Abzug von Kochdünsten in vertikal unterhalb der Ebene des Kochfeldes liegender Richtung bereitgestellt wird.
- Da das erfindungsgemäße Kochfeld (1) im Bereich seines geometrischen Flächenschwerpunktes (3) eine in der Draufsicht runde oder ovale oder quadratische Aussparung (4) für eine Vorrichtung (5) zum Abzug von Kochdünsten in vertikal unterhalb des Kochfeldes (1) weisender Richtung nach unten aufweist, können nun die auf beiden Seiten und rückwärtig von dem Kochfeld befindlichen Flächen auf der das Kochfeld tragenden Arbeitsplatte für Abstellzwecke oder ähnliches uneingeschränkt genutzt werden.
- Da die Vorrichtung (5) zum Abzug von Kochdünsten nunmehr im Bereich des geometrischen Flächenschwerpunktes (3) des Kochfeldes (1) zentral vorgesehen ist, wirken auf der gesamten Fläche des Kochfeldes (1) ausreichend starke und sich nicht gegeneinander aufhebende Absaug-Strömungen. Hierdurch werden sowohl im zentralen Bereich des Kochfeldes als auch in dessen Randbereichen ein Aufsteigen und Ausbreiten von Kochdünsten sicher vermieden. Besondere Vorteile des erfindungsgemäßen Kochfeldes (1) sind ferner darin zu sehen, dass dessen Herstellungs-, Montage-, Wartungs- und Betriebskosten besonders gering sind.
Vorteilhaft im Falle des erfindungsgemäßen Kochfeldes (1) ist außerdem, dass die für die Absaugung eingesetzte elektrische Energie besonders effizient genutzt wird, weshalb der Wirkungsgrad des erfindungsgemäßen Kochfeldes (1) besonders groß ist.
Ein weiterer Vorteil des erfindungsgemäßen Kochfeldes (1) liegt darin, dass die Geräuschentwicklung auch während des Kochdunst-Absaug-Betriebes sehr gering ist. Bezüglich des erfindungsgemäßen, in Form einer Montageeinheit mit einer Vorrichtung (36) ausgebildeten Kochfeldes (1) kann zusammenfassend festgestellt werden, dass dessen Bauhöhe besonders gering ist, wodurch der im Küchenkorpus ungehindert nutzbare Raum ausgeprägt ist.
Von besonderem Vorteil des erfindungsgemäßen, in Form einer Montageeinheit mit einer Vorrichtung (36) ausgebildeten Kochfeldes (1) ist ferner dessen Kompaktheit und die Tatsache, dass es im Werk vollständig vormontiert werden kann. Dadurch sind der Planungs- und Montageaufwand besonders gering. - Schließlich muss die komplett vormontierte, kompakte Montageeinheit nur mehr in eine Aussparung der Arbeitsplatte eingesetzt werden, wodurch sich eine besonders schnelle, einfache und kostengünstige Montage ergibt.
- Durch das Vorsehen von zwei oder mehreren, zueinander gegenüberliegenden Radial-Lüftern (38) stromabwärts von dem hohlzylindrischen Fettfilter (6) - gemäß den
Figuren 17 und 18 - ergibt sich eine deutlich vergrößerte Wirkfläche des Fettfilters (6) und eine Erhöhung des Durchsatzvolumens unter Verbesserung des Fett-Abscheidegrades sowie unter Ausbildung eines besonders niedrigen Druckverlustes an der größeren, effektiv wirksamen Fettfilterfläche (6). Dies führt zu dem Vorteil, dass die Lüfter-Motoren (56) der Radial-Lüfter (38) besonders klein, energiesparend, energieeffizient und leise ausgebildet sein können. Außerdem kann die Drehzahl der Lüfter-Motoren (56) geringer gewählt werden, weshalb die erfindungsgemäß eingesetzten Radial-Lüfter (38) besonders leise, vibrationsarm und energieeffizient arbeiten. - Ein besonderer Vorteil des erfindungsgemäßen, in Form einer Montageeinheit mit einer Vorrichtung (36) ausgebildeten Kochfeldes (1) besteht darin, dass sie einen effektiven Schutz vor und Unempfindlichkeit gegenüber übergelaufener, durch die zentrale Aussparung (4) eingedrungene Flüssigkeit - bis zu einem Volumen von 5 I- bietet. Denn durch die Aufhängung der Lüfter-Motoren (56) an dem Boden (45) des Gehäuses (44) für die Beheizungs- oder Kochfeldbeheizung- und Steuerungselektronik steht grundsätzlich das wannenartige Volumen der tiefstliegenden Kochdunst-Ansaugkammer (39) zur Aufnahme von ÜberlaufFlüssigkeit unter Ausschluss einer Gefährdung der Lüfter-Motoren (56) zur Verfügung.
Claims (12)
- Kochfeld (1) mit1.1. einer oder mehreren Kochstellen (2),1.2. einer zentralen Aussparung (4) und1.3. einer Vorrichtung (5; 36) vorgesehen zum Abzug von Kochdünsten nach unten und umfassend zwei Radial-Lüfter,1.4. wobei die Aussparung (4) in einem Bereich um den geometrischen Flächenschwerpunkt des Kochfeldes (1) herum angeordnet ist, und1.5. wobei die Aussparung (4) mit der Vorrichtung (5; 36) zum Abzug von Kochdünsten in Verbindung steht,dadurch gekennzeichnet, dass1.6. die zwei Radial-Lüfter (38) Lüfter-Motoren (56) mit vertikal ausgerichteten Drehachsen (62) aufweisen,1.7. wobei die Drehrichtungen (73) zweier Lüfterräder (65) der beiden Radial-Lüfter (38) zueinander entgegengesetzt sind,1.8. wobei die Radial-Lüfter (38) in einem Lüfter-Gehäuse (48) in einer Draufsicht beidseitig von einer stromabwärts von der zentralen Aussparung (4) vorgesehenen, rohrförmigen Abluft-Leitung (50) positioniert sind, und1.9. wobei die von dem rotierenden Lüfterrad (65) vertikal nach oben ansaugend erfassten Kochdünste (63) in das oberhalb einer jeweiligen Ansaug-Kammer (39) vorgesehene Lüfter-Gehäuse (48) transportiert werden können.
- Kochfeld (1) nach Anspruch 1, dadurch gekennzeichnet, dass stromabwärts von den Ausblaskammern (67) ein sämtliche Ausblas-Kammern (67) der Radial-Lüfter (38) anschließender Raum (68) vorgesehen ist.
- Kochfeld (1) nach einem der Ansprüche 1 bis 2, dadurch gekennzeichnet, dass auf einer Unterseite (12) eines Abluftkanales (9) der Vorrichtung (5; 36) eine über das Niveau der Unterseite (12) erhabene Flüssigkeits-Sperre (13) angeordnet ist.
- Kochfeld (1) nach Anspruch 3, dadurch gekennzeichnet, dass ein Flüssigkeits-Auffang-Becken (15) von der Flüssigkeits-Sperre (13) stromabwärts und im Übrigen von den Wänden (14) des Abluftkanales (9) begrenzt ist.
- Kochfeld (1) nach einem der Ansprüche 1 bis 4, dadurch gekennzeichnet, dass eine Unterseite eines Abluftkanals (9) unterhalb des Bereichs der zentralen Aussparung in Form eines Flüssigkeits-Auffang-Beckens (15) ausgebildet ist.
- Kochfeld (1) nach Anspruch 4 oder 5, dadurch gekennzeichnet, dass das Flüssigkeits-Auffang-Becken (15) durch die Aussparung (4) des Kochfeldes (1) manuell trockenlegbar ist.
- Kochfeld (1) nach einem der Ansprüche 1 bis 6, gekennzeichnet durch einen ein- oder mehrteiligen Fettfilter-Einsatz (6), welcher in die Aussparung (4) einsetzbar ist.
- Kochfeld (1) nach einem der Ansprüche 1 bis 7, dadurch gekennzeichnet, dass ein jeweils in die Aussparung (4) einsetzbarer Fettfilter-Einsatz (6) dicht mit einem Randbereich der Aussparung (4) in Verbindung steht.
- Kochfeld (1) nach einem der Ansprüche 1 bis 8, dadurch gekennzeichnet, dass ein jeweils in die Aussparung (4) einsetzbarer Fettfilter-Einsatz (6) in seinem Bodenbereich als Auffangschale (10) zum Auffangen von Flüssigkeiten ausgebildet ist.
- Kochfeld (1) nach einem der Ansprüche 1 bis 11, dadurch gekennzeichnet, dass der Abstand (40) zwischen einer Unterseite (35) des Kochfeldes (1) und einer Unterseite eines Bodens (42) der Vorrichtung (5) in einem Bereich von 110 mm bis 260 mm liegt.
- Kochfeld (1) nach einem der Ansprüche 1 bis 10, dadurch gekennzeichnet, dass die Kochdunst-Ansaugkammer (39) zur horizontalen Kochdunst-Weiterleitung zur Aufnahme von Überlaufflüssigkeit zur Verfügung steht.
- Kochfeld (1) nach einem der Ansprüche 1 bis 9, dadurch gekennzeichnet, dass es eine komplett vormontierte, in eine Aussparung einer Arbeitsplatte einsetzbare Montageeinheit bildet.
Priority Applications (1)
| Application Number | Priority Date | Filing Date | Title |
|---|---|---|---|
| PL17197091.6T PL3287702T5 (pl) | 2011-04-28 | 2012-04-28 | Płyta grzejna z urządzeniem odsysającym opary |
Applications Claiming Priority (5)
| Application Number | Priority Date | Filing Date | Title |
|---|---|---|---|
| DE202011005698U DE202011005698U1 (de) | 2011-04-28 | 2011-04-28 | Kochfeld mit zentraler Absaugung von Kochdünsten nach unten |
| EP17184069.7A EP3282197B1 (de) | 2011-04-28 | 2012-04-28 | Kochfeld mit dunstabzugsvorrichtung |
| EP15177616.8A EP2975327B2 (de) | 2011-04-28 | 2012-04-28 | Montageeinheit mit kochfeld und dunstabzugsvorrichtung |
| PCT/DE2012/000458 WO2012146237A1 (de) | 2011-04-28 | 2012-04-28 | Kochfeld mit zentraler absaugung von kochdünsten nach unten |
| EP12733398.7A EP2702329B1 (de) | 2011-04-28 | 2012-04-28 | Kochfeld mit zentraler absaugung von kochdünsten nach unten |
Related Parent Applications (5)
| Application Number | Title | Priority Date | Filing Date |
|---|---|---|---|
| EP12733398.7A Division EP2702329B1 (de) | 2011-04-28 | 2012-04-28 | Kochfeld mit zentraler absaugung von kochdünsten nach unten |
| EP17184069.7A Division EP3282197B1 (de) | 2011-04-28 | 2012-04-28 | Kochfeld mit dunstabzugsvorrichtung |
| EP17184069.7A Division-Into EP3282197B1 (de) | 2011-04-28 | 2012-04-28 | Kochfeld mit dunstabzugsvorrichtung |
| EP15177616.8A Division EP2975327B2 (de) | 2011-04-28 | 2012-04-28 | Montageeinheit mit kochfeld und dunstabzugsvorrichtung |
| EP15177616.8A Division-Into EP2975327B2 (de) | 2011-04-28 | 2012-04-28 | Montageeinheit mit kochfeld und dunstabzugsvorrichtung |
Publications (3)
| Publication Number | Publication Date |
|---|---|
| EP3287702A1 EP3287702A1 (de) | 2018-02-28 |
| EP3287702B1 EP3287702B1 (de) | 2019-09-18 |
| EP3287702B2 true EP3287702B2 (de) | 2024-11-20 |
Family
ID=44860010
Family Applications (8)
| Application Number | Title | Priority Date | Filing Date |
|---|---|---|---|
| EP22157724.0A Pending EP4019851A1 (de) | 2011-04-28 | 2012-04-28 | Kochfeld |
| EP17184069.7A Active EP3282197B1 (de) | 2011-04-28 | 2012-04-28 | Kochfeld mit dunstabzugsvorrichtung |
| EP15177616.8A Active EP2975327B2 (de) | 2011-04-28 | 2012-04-28 | Montageeinheit mit kochfeld und dunstabzugsvorrichtung |
| EP21168165.5A Active EP3869107B1 (de) | 2011-04-28 | 2012-04-28 | Kochfeld |
| EP17197091.6A Active EP3287702B2 (de) | 2011-04-28 | 2012-04-28 | Kochfeld mit dunstabzug |
| EP23165982.2A Pending EP4224071A3 (de) | 2011-04-28 | 2012-04-28 | Kochfeld |
| EP20216989.2A Pending EP3828469A1 (de) | 2011-04-28 | 2012-04-28 | Kochfeld mit dunstabzugsvorrichtung |
| EP12733398.7A Active EP2702329B1 (de) | 2011-04-28 | 2012-04-28 | Kochfeld mit zentraler absaugung von kochdünsten nach unten |
Family Applications Before (4)
| Application Number | Title | Priority Date | Filing Date |
|---|---|---|---|
| EP22157724.0A Pending EP4019851A1 (de) | 2011-04-28 | 2012-04-28 | Kochfeld |
| EP17184069.7A Active EP3282197B1 (de) | 2011-04-28 | 2012-04-28 | Kochfeld mit dunstabzugsvorrichtung |
| EP15177616.8A Active EP2975327B2 (de) | 2011-04-28 | 2012-04-28 | Montageeinheit mit kochfeld und dunstabzugsvorrichtung |
| EP21168165.5A Active EP3869107B1 (de) | 2011-04-28 | 2012-04-28 | Kochfeld |
Family Applications After (3)
| Application Number | Title | Priority Date | Filing Date |
|---|---|---|---|
| EP23165982.2A Pending EP4224071A3 (de) | 2011-04-28 | 2012-04-28 | Kochfeld |
| EP20216989.2A Pending EP3828469A1 (de) | 2011-04-28 | 2012-04-28 | Kochfeld mit dunstabzugsvorrichtung |
| EP12733398.7A Active EP2702329B1 (de) | 2011-04-28 | 2012-04-28 | Kochfeld mit zentraler absaugung von kochdünsten nach unten |
Country Status (15)
| Country | Link |
|---|---|
| US (6) | US10006641B2 (de) |
| EP (8) | EP4019851A1 (de) |
| CN (2) | CN103688111B (de) |
| AU (1) | AU2012247900B2 (de) |
| DE (5) | DE202011005698U1 (de) |
| DK (4) | DK2975327T4 (de) |
| ES (4) | ES2545632T3 (de) |
| FI (1) | FI2975327T4 (de) |
| HU (1) | HUE036006T2 (de) |
| NO (1) | NO3173524T3 (de) |
| PL (5) | PL3282197T3 (de) |
| PT (3) | PT3869107T (de) |
| RU (1) | RU2549938C2 (de) |
| SI (1) | SI3282197T1 (de) |
| WO (1) | WO2012146237A1 (de) |
Families Citing this family (84)
| Publication number | Priority date | Publication date | Assignee | Title |
|---|---|---|---|---|
| DE202011005698U1 (de) | 2011-04-28 | 2011-09-26 | Wilhelm Bruckbauer | Kochfeld mit zentraler Absaugung von Kochdünsten nach unten |
| EP2581668A1 (de) * | 2011-10-10 | 2013-04-17 | Gianni Borinato | Kochgerät |
| DE102013014895A1 (de) * | 2013-04-08 | 2014-10-09 | Bulthaup Gmbh & Co. Kg | Küchenmöbel |
| DE202013005303U1 (de) | 2013-06-12 | 2013-06-24 | Wilhelm Bruckbauer | Kochfeld |
| ITPN20130047A1 (it) * | 2013-08-19 | 2015-02-20 | Concept Swiss Ag Kitchen Systems | Cappa di aspirazione integrata in un piano di cottura |
| DE102014115286A1 (de) | 2013-10-21 | 2015-04-23 | Georg Emanuel Koppenwallner | Abzugsvorrichtung, insbesondere Dunstabzugsvorrichtung |
| CN103953957A (zh) * | 2014-05-12 | 2014-07-30 | 马玉荣 | 一种一体式无烟灶具 |
| EP3018420A1 (de) * | 2014-11-04 | 2016-05-11 | CONCEPT SWISS AG Kitchen Systems | In einem Kochfeld integrierte Dunstabzugshaube |
| DE102015200642A1 (de) * | 2015-01-16 | 2016-07-21 | Berbel Ablufttechnik Gmbh | Vorrichtung zum Abziehen von Abluft über einem Kochfeld |
| DE102015103034A1 (de) * | 2015-03-03 | 2016-09-08 | Miele & Cie. Kg | Absaugvorrichtung |
| DE102015103030A1 (de) * | 2015-03-03 | 2016-09-08 | Miele & Cie. Kg | Absaugvorrichtung und Verfahren zur Installation |
| EP3112760A1 (de) * | 2015-07-02 | 2017-01-04 | Electrolux Appliances Aktiebolag | Abgasverschlusssystem für einen kochherd |
| DE102015017552B4 (de) * | 2015-07-17 | 2025-08-21 | Werkhaus GmbH & Co. KG | Kochfeld-System mit Lüfterbaustein |
| EP3136004B1 (de) | 2015-08-19 | 2019-10-09 | BSH Hausgeräte GmbH | Kombinationsgerät mit kochfeld und dunstabzugsvorrichtung |
| EP3133349B1 (de) | 2015-08-19 | 2019-04-03 | BSH Hausgeräte GmbH | Kombinationsgerät mit Kochfeld und Dunstabzugsvorrichtung mit Filtereinheit |
| US10900665B2 (en) * | 2015-08-19 | 2021-01-26 | BSH Hausgeräte GmbH | Combination appliance having a cooktop and steam extraction device |
| WO2017029128A1 (de) | 2015-08-19 | 2017-02-23 | BSH Hausgeräte GmbH | Kombinationsgerät mit kochfeld und dunstabzugsvorrichtung |
| EP3338030B1 (de) | 2015-08-19 | 2019-12-18 | BSH Hausgeräte GmbH | Kombinationsgerät mit kochfeld und dunstabzugsvorrichtung mit filtereinheit |
| EP3133350B1 (de) | 2015-08-19 | 2020-11-04 | BSH Hausgeräte GmbH | Kombinationsgerät mit kochfeld und dunstabzugsvorrichtung mit filtereinheit |
| US9903595B2 (en) * | 2015-09-11 | 2018-02-27 | Evo, Inc. | Noise reduction in cooking system |
| CN108348831B (zh) | 2015-11-10 | 2021-04-13 | Bsh家用电器有限公司 | 用于蒸汽排除装置的过滤装置和蒸汽排除装置 |
| ITUA20162311A1 (it) * | 2016-04-05 | 2017-10-05 | Elica Spa | Piano cottura con cappa integrata. |
| DE102016205911A1 (de) * | 2016-04-08 | 2017-10-12 | Wilhelm Bruckbauer | Steuereinrichtung für ein modulares Kochfeldsystem |
| DE102016211207B4 (de) | 2016-06-22 | 2025-03-13 | Werkhaus GmbH & Co. KG | Vorrichtung zum Abzug von Kochdünsten |
| DE102016211206A1 (de) * | 2016-06-22 | 2017-12-28 | Wilhelm Bruckbauer | Einsatz für einen Muldenlüfter |
| DE102016015901B4 (de) | 2016-06-22 | 2025-03-13 | Werkhaus GmbH & Co. KG | Vorrichtung zum Abzug von Kochdünsten |
| IT201600078092A1 (it) * | 2016-07-26 | 2018-01-26 | Elica Spa | Piano cottura. |
| EP3504482B2 (de) | 2016-08-26 | 2024-10-16 | BSH Hausgeräte GmbH | Kombinationsgerät umfassend ein kochfeld und eine dunstabzugsvorrichtung |
| DE102016117537A1 (de) * | 2016-09-16 | 2018-04-12 | Berling Aero IP UG (haftungsbeschränkt) | Dunstabzugsvorrichtung mit Ansaugstutzen |
| DE102016220897A1 (de) | 2016-10-25 | 2018-04-26 | Wilhelm Bruckbauer | Mauerkasten und Lüftungssystem mit einem Mauerkasten |
| DE102017104934B4 (de) | 2017-03-08 | 2021-03-04 | minEnergy GmbH | Dunstabzug |
| EP3396255B1 (de) * | 2017-04-26 | 2023-06-07 | Electrolux Appliances Aktiebolag | Induktionskochfeld mit integrierter saugzughaube |
| IT201700095549A1 (it) * | 2017-08-23 | 2019-02-23 | Elica Spa | Piano cottura |
| ES2703219A1 (es) | 2017-09-07 | 2019-03-07 | Bsh Electrodomesticos Espana Sa | Dispositivo de campo de coccion |
| ES2703242A1 (es) * | 2017-09-07 | 2019-03-07 | Bsh Electrodomesticos Espana Sa | Dispositivo de campo de coccion |
| DE102017121367B4 (de) * | 2017-09-14 | 2021-07-22 | Berbel Ablufttechnik Gmbh | Dunstabzug zum Abzug von auf einem Kochfeld erzeugter Abluft in vertikal unterhalb einer Kochfeldebene weisender Richtung |
| DE102017217853B4 (de) | 2017-10-06 | 2022-07-07 | Wilhelm Bruckbauer | Kochfeldsystem mit Dunstabzugsvorrichtung |
| DE102017223828A1 (de) * | 2017-12-27 | 2019-06-27 | Wilhelm Bruckbauer | Dunstabzugsvorrichtung zum Abzug von Kochdünsten nach unten |
| DE102018205935A1 (de) | 2018-04-18 | 2019-10-24 | Wilhelm Bruckbauer | Mauerkasten und Lüftungssystem mit einem Mauerkasten |
| DE102018212151A1 (de) | 2018-07-20 | 2020-01-23 | Wilhelm Bruckbauer | Kochfeldsystem |
| US12163667B2 (en) * | 2018-07-24 | 2024-12-10 | Werkhaus GmbH & Co. KG | Fume extraction device |
| DE102018212329A1 (de) * | 2018-07-24 | 2020-01-30 | Wilhelm Bruckbauer | Kochgutträger für ein Kücheneinbaugerät |
| EP3599427B1 (de) | 2018-07-24 | 2023-11-29 | Wilhelm Bruckbauer | Kochfeldysytem |
| DE102018215410A1 (de) | 2018-09-11 | 2020-03-12 | Wilhelm Bruckbauer | Mauerkasten-System für ein Lüftungssystem |
| CN111336554A (zh) * | 2018-12-18 | 2020-06-26 | 宁波方太厨具有限公司 | 一种岛式烹饪系统 |
| DE102019101060A1 (de) | 2019-01-16 | 2020-07-16 | Miele & Cie. Kg | Befestigungseinrichtung zum Befestigen einer Lüftereinheit für ein Kochfeld an einer Fläche, Lüftersystem und Kochfeld |
| RU196428U1 (ru) * | 2019-02-14 | 2020-02-28 | Федеральное государственное казенное военное образовательное учреждение высшего образования "Военная академия материально-технического обеспечения имени генерала армии А.В. Хрулёва" Министерства обороны Российской Федерации | Устройство для повышения коэффициента полезного действия электрической плиты |
| DE102019202088A1 (de) | 2019-02-15 | 2020-08-20 | Wilhelm Bruckbauer | Kochfeldsystem |
| CN109812847B (zh) * | 2019-03-15 | 2024-11-19 | 安吉明微智科技有限公司 | 一种烹饪智能炉灶 |
| EP3722677B1 (de) * | 2019-04-12 | 2024-07-31 | BSH Hausgeräte GmbH | Dunstabzugsvorrichtung und kombinationsgerät mit kochfeld und dunstabzugsvorrichtung |
| US12181157B2 (en) * | 2019-04-17 | 2024-12-31 | BSH Hausgeräte GmbH | Combination appliance comprising a fume extraction device and a hob |
| CN113646587B (zh) * | 2019-04-17 | 2024-03-05 | Bsh家用电器有限公司 | 用于抽油烟机设备的过滤设备和具有过滤设备的抽油烟机设备 |
| ES2951439T3 (es) * | 2019-07-18 | 2023-10-20 | Intell Properties B V | Placa de cocina con extracción de tiro descendente |
| DE102019213610B3 (de) | 2019-09-06 | 2020-12-17 | Wilhelm Bruckbauer | Einströmdüse |
| DE102020200864A1 (de) | 2020-01-24 | 2021-07-29 | Wilhelm Bruckbauer | Dunstabzugsvorrichtung zum Abzug von Kochdünsten nach unten |
| CN115299179A (zh) * | 2020-03-20 | 2022-11-04 | 伊莱克斯家用电器股份公司 | 具有至少一个承载板的烹饪器具和用于组装振动传感器的方法 |
| IT202000016360A1 (it) * | 2020-07-07 | 2022-01-07 | Elica Spa | Piano cottura con cappa aspirante |
| EP3951270A1 (de) * | 2020-08-05 | 2022-02-09 | Electrolux Appliances Aktiebolag | Kombinationsgerät |
| EP3951267A1 (de) | 2020-08-05 | 2022-02-09 | Electrolux Appliances Aktiebolag | Kombinationsgerät und verwendung des kombinationsgeräts |
| DE102020212823A1 (de) | 2020-10-09 | 2022-04-14 | Wilhelm Bruckbauer | Einrichtung zur Behandlung von Wrasen |
| DE102020212825A1 (de) | 2020-10-09 | 2022-04-14 | Wilhelm Bruckbauer | Vorrichtung zum Abzug von Kochdünsten |
| CN116324283B (zh) | 2020-10-09 | 2026-03-31 | 沃克豪斯股份两合公司 | 用于处理蒸汽的装置 |
| DE102020212821A1 (de) | 2020-10-09 | 2022-04-14 | Wilhelm Bruckbauer | Einrichtung zur Behandlung von Wrasen |
| DE102020212822A1 (de) | 2020-10-09 | 2022-04-14 | Wilhelm Bruckbauer | Einrichtung zur Behandlung von Wrasen |
| DE102020212827A1 (de) | 2020-10-09 | 2022-04-14 | Wilhelm Bruckbauer | Verfahren zur Behandlung von Wrasen |
| DE102020212824A1 (de) | 2020-10-09 | 2022-04-14 | Wilhelm Bruckbauer | Vorrichtung zum Reinigen von Wrasen |
| US11506397B2 (en) | 2020-11-12 | 2022-11-22 | Haier Us Appliance Solutions, Inc. | Debris diverter component for preventing damage to oven appliance fan |
| CN112484112A (zh) * | 2020-11-16 | 2021-03-12 | 宁波方太厨具有限公司 | 一种吸油烟机及其控制方法 |
| EP4043799B1 (de) | 2021-02-16 | 2024-04-10 | Electrolux Appliances Aktiebolag | Dunstabzugshaube für ein kochfeld und verfahren zum betreiben einer dunstabzugshaube |
| CN113112978A (zh) * | 2021-04-10 | 2021-07-13 | 高勤俊 | 一种集成灶谐振降噪单元 |
| CN113237112B (zh) * | 2021-05-31 | 2022-09-02 | 宁波方太厨具有限公司 | 一种吸油烟机 |
| US11454402B1 (en) | 2021-12-01 | 2022-09-27 | Mcevoy William B | Tabletop cooking assembly |
| CN116658948B (zh) * | 2022-02-18 | 2025-08-05 | 杭州老板电器股份有限公司 | 一种进气量分配装置、吸油烟机及进气量分配方法 |
| DE102022206087B4 (de) * | 2022-06-17 | 2024-08-14 | BORA - Vertriebs GmbH & Co KG | Kochfeldsystem mit Dunstabzugsvorrichtung zum Abzug von Kochdünsten nach unten |
| WO2024091018A1 (ko) * | 2022-10-26 | 2024-05-02 | 삼성전자 주식회사 | 배기 팬을 제어하는 방법 및 그에 따른 가열 장치 |
| KR102656194B1 (ko) * | 2023-03-21 | 2024-04-09 | (주)피스월드 | 공기 재생 기능을 갖는 언더 인덕션 시스템 |
| DE102023114566A1 (de) | 2023-06-02 | 2024-12-05 | Termacook Gmbh | Kochfeld mit integriertem Abzug und mit Beleuchtung, Verwendung des Kochfeldes zur Beleuchtung |
| DE202023103051U1 (de) | 2023-06-02 | 2023-06-16 | Termacook Gmbh | Kochfeld mit integriertem Abzug und mit Beleuchtung, Verwendung des Kochfeldes zur Beleuchtung |
| IT202300013401A1 (it) * | 2023-06-28 | 2024-12-28 | Elica Spa | Elettrodomestico per la cottura di pietanze comprendente un piano cottura e una cappa downdraft |
| EP4521025A1 (de) | 2023-09-08 | 2025-03-12 | Arpa Sasu | Kochfeld, system mit einem kochfeld und einer arbeitsplatte und verfahren zur installation solch eines kochfelds in einer arbeitsplatte |
| DE102023213183A1 (de) | 2023-12-21 | 2025-06-26 | BORA - Vertriebs GmbH & Co KG | Einrichtung zum Bedienen eines Küchengeräts in Form eines Kochfelds und/oder einer Dunstabzugs-Vorrichtung |
| IT202400003283A1 (it) * | 2024-02-15 | 2025-08-15 | Elica Spa | Piano cottura |
| KR20250135639A (ko) * | 2024-03-06 | 2025-09-15 | 삼성전자주식회사 | 환기 모듈 및 이를 포함하는 조리 기기 |
| DE102024210083A1 (de) | 2024-10-17 | 2026-04-23 | BORA - Vertriebs GmbH & Co KG | Bedien-Einrichtung für ein Haushaltsgerät |
Family Cites Families (117)
| Publication number | Priority date | Publication date | Assignee | Title |
|---|---|---|---|---|
| US839273A (en) * | 1905-07-01 | 1906-12-25 | Samuel Cleland Davidson | Centrifugal fan or pump and casing therefor. |
| US2674991A (en) * | 1951-02-08 | 1954-04-13 | Philco Corp | Ventilating means for cooking ranges |
| US3109358A (en) * | 1961-11-06 | 1963-11-05 | George J Meyer | Kitchen range ventilator |
| US3233606A (en) | 1963-07-15 | 1966-02-08 | Nutone Inc | Cooking range hood |
| US3286445A (en) * | 1963-11-14 | 1966-11-22 | Gen Electric | Recirculating air cleaner |
| US3367320A (en) | 1966-07-28 | 1968-02-06 | Jenn Air Corp | Self-ventilating cooking range |
| US3409005A (en) | 1966-12-19 | 1968-11-05 | Jenn Air Corp | Cooking range with retractable ventilating flue |
| GB1232982A (de) * | 1967-07-08 | 1971-05-26 | ||
| CA885589A (en) * | 1968-10-03 | 1971-11-09 | Industrial Air Filters Limited | High efficiency air filter |
| US3587555A (en) † | 1969-05-13 | 1971-06-28 | Jenn Air Corp | Ventilated range |
| US3596650A (en) * | 1970-01-15 | 1971-08-03 | Jenn Air Corp | Ventilated cooking range |
| US3710948A (en) * | 1970-06-10 | 1973-01-16 | American Air Filter Co | Self-sustaining pocket type filter |
| US3797375A (en) * | 1972-03-16 | 1974-03-19 | Jenn Air Corp | Stove with selectively interchangeable cooking apparatus |
| US4071738A (en) * | 1976-01-06 | 1978-01-31 | Jenn Air Corporation | Ventilated range with convertible radiant convection oven |
| US4501260A (en) * | 1979-07-17 | 1985-02-26 | Norris Industries Inc. | Cooktop ventilation system |
| US4411254A (en) * | 1981-04-24 | 1983-10-25 | The Jenn-Air Corporation | Countertop range with proximity ventilation and electronic air cleaner |
| US4409954A (en) * | 1981-05-04 | 1983-10-18 | Raytheon Company | Modular gas cartridge |
| US4415788A (en) * | 1981-06-08 | 1983-11-15 | Jenn-Air Corporation | Induction cartridge |
| US4431892A (en) | 1981-07-17 | 1984-02-14 | Jenn-Air Corporation | Ventilated modular cooktop cartridge |
| US4446849A (en) | 1981-08-24 | 1984-05-08 | The Tappan Company | Vent apparatus for a surface cooking appliance |
| JPS58178989A (ja) * | 1982-04-14 | 1983-10-20 | 松下電器産業株式会社 | 調理装置 |
| JPS61105036A (ja) * | 1984-10-29 | 1986-05-23 | Matsushita Electric Ind Co Ltd | 調理器ユニツト |
| US4562827A (en) | 1984-11-21 | 1986-01-07 | Roper Corporation | Downdraft countertop cooking range |
| US4689058A (en) * | 1986-02-07 | 1987-08-25 | Kimberly-Clark Corporation | Disposable stove hood filter |
| JPS63148595A (ja) † | 1986-12-11 | 1988-06-21 | 松下電器産業株式会社 | 加熱調理装置 |
| US4705018A (en) * | 1987-03-05 | 1987-11-10 | The Maytag Company | Gas distribution system for a range |
| US4750470A (en) * | 1987-03-05 | 1988-06-14 | The Maytag Company | Heater system for a downdraft range |
| JPS63294423A (ja) | 1987-05-27 | 1988-12-01 | Matsushita Seiko Co Ltd | 換気装置付調理台 |
| DE3718134A1 (de) | 1987-05-29 | 1987-12-10 | Haji Javad Mehdi Dr Ing | Verfahren und vorrichtungen zum gesundheitsschonenden grillen/roesten von lebensmitteln |
| GB2212608B (en) * | 1987-11-20 | 1992-03-25 | New World Domestic Appliances | Air extractor arrangements |
| US4846146A (en) * | 1988-01-15 | 1989-07-11 | Tucker James L | Cooking apparatus ventilation system with recycling air flow |
| US5001970A (en) * | 1989-10-06 | 1991-03-26 | Graver James H | Grill exhaust system |
| US5133786A (en) * | 1990-01-26 | 1992-07-28 | Anderson Edward M | Method and apparatus for minimizing odor during hot oil food cooking |
| US5062410A (en) | 1990-07-23 | 1991-11-05 | Broan Mfg. Co., Inc. | Downdraft range ventilator |
| JPH04240317A (ja) * | 1991-01-24 | 1992-08-27 | Matsushita Seiko Co Ltd | 換気装置付調理台 |
| US5078122A (en) * | 1991-01-29 | 1992-01-07 | Kalenian Paul A | Hood for a counter top stove |
| JP2931431B2 (ja) * | 1991-04-09 | 1999-08-09 | 三菱電機株式会社 | 換気装置 |
| IT222715Z2 (it) | 1991-09-12 | 1995-04-24 | Faber Spa | Dispositivo di aspirazione e depurazione estraibile e variabile in un piano di cottura |
| CA2081823A1 (en) * | 1991-10-30 | 1992-11-30 | Richard W. B. Tsang | Range hood fan assembly |
| US5190026A (en) † | 1991-11-19 | 1993-03-02 | Maytag Corporation | Modular countertop cooking system |
| GB2263334A (en) | 1992-01-13 | 1993-07-21 | Liu Wan Tien | Vertical type cooking fumes exhauster |
| JP3591847B2 (ja) * | 1992-03-26 | 2004-11-24 | 日本電気エンジニアリング株式会社 | 空気濾過装置 |
| US5325842A (en) * | 1992-07-24 | 1994-07-05 | Maytag Corporation | Dual mode downdraft gas range |
| US5209217A (en) * | 1992-07-24 | 1993-05-11 | Maytag Corporation | Downdraft gas range with dual mode burner system |
| US5301653A (en) * | 1993-01-25 | 1994-04-12 | Caloric Corporation | Gas range having down draft with automatic shutoff during ignition |
| US5279279A (en) * | 1993-02-26 | 1994-01-18 | Wlcr, Inc. | Deflector device for down-draft cooking range ventilator |
| DE4339877A1 (de) | 1993-11-23 | 1995-05-24 | Licentia Gmbh | Einbau-Glaskeramikkochplatte mit mehreren induktionsbeheizten Kochstellen |
| JP2970799B2 (ja) | 1994-02-25 | 1999-11-02 | 象印マホービン株式会社 | 無煙ロースター |
| FR2726752A1 (fr) * | 1994-11-15 | 1996-05-15 | Cometto Ind | Gril de restauration avec dispositif d'extraction et de traitement des fumees de cuisson |
| US5738083A (en) * | 1995-01-12 | 1998-04-14 | Turboaire S.P.A. | Flow deflector for filtration hood |
| US5619982A (en) * | 1995-07-31 | 1997-04-15 | Maytag Corporation | Method and apparatus for operating a downdraft cooking vapor withdrawal system |
| JP3446417B2 (ja) | 1995-09-07 | 2003-09-16 | 松下電器産業株式会社 | ホットプレート |
| JPH09148061A (ja) * | 1995-11-20 | 1997-06-06 | Matsushita Electric Ind Co Ltd | 埋め込み式誘導加熱調理器 |
| US5957320A (en) * | 1997-02-10 | 1999-09-28 | Boland; Michael P. | Device and method for collecting debris entering into a duct |
| US5797512A (en) * | 1997-02-10 | 1998-08-25 | Boland; Michael P. | Device for collecting debris entering into a duct |
| US5800585A (en) * | 1997-04-03 | 1998-09-01 | Choi; Kyung-Ju | Self-supporting pocket fluid filter |
| CN2310522Y (zh) * | 1997-09-11 | 1999-03-17 | 宫乃斌 | 自动排油烟的烧烤、火锅两用燃气餐桌 |
| US5884619A (en) * | 1997-09-26 | 1999-03-23 | Terry; William H. | Cook top intake director |
| JP4181664B2 (ja) | 1998-07-28 | 2008-11-19 | 富士工業株式会社 | レンジフード |
| JP2000070759A (ja) * | 1998-08-27 | 2000-03-07 | Joy Tec Kk | 無煙ロースター |
| JP2000139720A (ja) | 1998-11-17 | 2000-05-23 | Hitachi Hometec Ltd | 加熱調理器 |
| JP2001029240A (ja) * | 1999-07-26 | 2001-02-06 | Zojirushi Corp | ロースター |
| JP2001340227A (ja) * | 2000-06-06 | 2001-12-11 | Toshiba Home Technology Corp | 加熱調理器 |
| JP3539364B2 (ja) * | 2000-07-14 | 2004-07-07 | 松下電器産業株式会社 | 誘導加熱調理器 |
| JP2002085262A (ja) * | 2000-09-19 | 2002-03-26 | Joy Tec Kk | 無煙ロースター |
| US6455818B1 (en) * | 2001-08-23 | 2002-09-24 | Maytag Corporation | Downdraft filter assembly for a cooking appliance |
| JP2003217814A (ja) * | 2002-01-28 | 2003-07-31 | Mitsubishi Electric Corp | 電磁誘導加熱調理器 |
| DE10208488A1 (de) * | 2002-02-27 | 2003-09-04 | Bsh Bosch Siemens Hausgeraete | Abzugshaube und Verfahren zur Absaugung und/oder Aufreinigung kontaminierter Trägerstoffe |
| DE60326357D1 (de) * | 2002-06-10 | 2009-04-09 | Kyushu Electric Power | Rauchloser elektrischer röster |
| US6575157B1 (en) | 2002-07-02 | 2003-06-10 | Maytag Corporation | Heat shielding system for downdraft cooktop fan |
| US6916353B2 (en) * | 2003-04-01 | 2005-07-12 | Coltec Industries Inc. | Curved side oil or fluid separator element |
| KR100528261B1 (ko) | 2003-10-28 | 2005-11-15 | 주식회사 파세코 | 다운 드래프트 방식의 가스레인지용 팬모터 제어장치 및방법 |
| JP4135108B2 (ja) * | 2003-11-18 | 2008-08-20 | シンポ株式会社 | 無煙ロースター |
| JP3945485B2 (ja) * | 2004-01-30 | 2007-07-18 | 松下電器産業株式会社 | 誘導加熱調理器 |
| FR2866872B1 (fr) * | 2004-02-26 | 2006-05-26 | Eurokera | Plaque vitroceramique et son procede de fabrication |
| DE202004005942U1 (de) | 2004-04-15 | 2005-08-25 | Maier, Max | Dunstabsaugvorrichtung für eine Speisenzubereitungseinrichtung |
| US20060150965A1 (en) * | 2005-01-13 | 2006-07-13 | Samsung Electronics Co., Ltd. | Exhausting and cooling system for cooking utensil |
| KR20060087209A (ko) * | 2005-01-28 | 2006-08-02 | 삼성전자주식회사 | 조리기구용 배기시스템 |
| KR20060082690A (ko) * | 2005-01-13 | 2006-07-19 | 삼성전자주식회사 | 조리기구용 배기 및 냉각시스템 |
| KR20060083780A (ko) * | 2005-01-18 | 2006-07-21 | 삼성전자주식회사 | 조리장치 |
| JP4821180B2 (ja) * | 2005-06-23 | 2011-11-24 | パナソニック株式会社 | 調理廃気浄化装置 |
| DE102005030038B4 (de) * | 2005-06-27 | 2021-11-25 | Wilhelm Bruckbauer | Kochfeldabzugsvorrichtung |
| DE202005010164U1 (de) * | 2005-06-27 | 2005-09-22 | Bruckbauer, Wilhelm | Kochfeldabzugsvorrichtung |
| US7687748B2 (en) † | 2005-08-01 | 2010-03-30 | Western Industries, Inc. | Induction cook top system with integrated ventilator |
| US8872077B2 (en) * | 2005-08-01 | 2014-10-28 | Western Industries, Inc. | Low profile induction cook top with heat management system |
| US20070062513A1 (en) * | 2005-09-21 | 2007-03-22 | Gagas John M | Cooking system with ventilator and blower |
| CN2851909Y (zh) * | 2005-11-25 | 2006-12-27 | 孟繁亮 | 导烟灶台 |
| US20070151067A1 (en) * | 2006-01-04 | 2007-07-05 | San Ford Machinery Co., Ltd. | Negative pressure tabletop dust collecting machine |
| CN200949871Y (zh) | 2006-05-22 | 2007-09-19 | 夏志生 | 下排式油烟粉尘排出装置及配有该装置的灶具 |
| JP4876784B2 (ja) * | 2006-08-24 | 2012-02-15 | パナソニック株式会社 | 両吸込型遠心送風機 |
| DE102007002241B4 (de) * | 2007-01-10 | 2021-11-18 | Wilhelm Bruckbauer | Vorrichtung zum Abzug von Kochdünsten |
| DE202007017325U1 (de) | 2007-01-10 | 2008-03-13 | Bruckbauer, Wilhelm | Vorrichtung zum Abzug von Kochdünsten mit Abluft-Flachkanal |
| DE202007000610U1 (de) † | 2007-01-10 | 2007-04-12 | Bruckbauer Wilhelm | Vorrichtung zum Abzug von Kochdünsten |
| WO2008083660A2 (de) * | 2007-01-10 | 2008-07-17 | Wilhelm Bruckbauer | Vorrichtung zum abzug von kochdünsten mit abluft-flachkanal |
| DE202007003135U1 (de) | 2007-03-03 | 2007-06-21 | Gök, Ilhan, Dipl.-Ing. | Nachfüllbare Filterkartusche |
| JP4712913B2 (ja) | 2008-08-08 | 2011-06-29 | 三菱電機株式会社 | 加熱調理器 |
| DE102008050723A1 (de) | 2008-10-11 | 2010-04-15 | Wilhelm Bruckbauer | Vorrichtung zum Kochen mit Spül-Luftzuführung und Spül-Luftabsaugung |
| DE202008013350U1 (de) | 2008-10-11 | 2009-01-08 | Bruckbauer, Wilhelm | Vorrichtung zum Kochen mit Spül-Luftzuführung und Spül-Luftabsaugung |
| CN201315818Y (zh) * | 2008-10-30 | 2009-09-30 | 芳成工业股份有限公司 | 铁板烧机台 |
| DE202009000828U1 (de) | 2009-01-22 | 2009-04-02 | Hesse, Oliver | Mikrofonhalter |
| KR100933522B1 (ko) * | 2009-02-07 | 2009-12-23 | 주식회사 엔유씨전자 | 탈취/연기제거 기능을 갖는 가열조리기 |
| DE102009025038B4 (de) | 2009-06-10 | 2020-07-16 | Wilhelm Bruckbauer | Kochdunst-Eintrittsvorrichtung mit abnehmbarer deckelförmiger Verschließeinrichtung |
| DE202009008286U1 (de) | 2009-06-10 | 2009-09-24 | Bruckbauer, Wilhelm | Kochdunst-Eintrittsvorrichtung mit abnehmbarer deckelförmiger Verschließeinrichtung |
| JP5543272B2 (ja) * | 2009-09-28 | 2014-07-09 | シャープ株式会社 | 多口電磁誘導加熱調理器 |
| CN101694306A (zh) | 2009-10-06 | 2010-04-14 | 魏川人 | 隐形式排油烟集成灶具 |
| US20110146657A1 (en) | 2009-12-21 | 2011-06-23 | Whirlpool Corporation | Duct free re-circulating downdraft exhaust accessory |
| CN201569025U (zh) * | 2009-12-24 | 2010-09-01 | 王永勇 | 下吸式集成灶具的防火安全装置 |
| DE202011001401U1 (de) | 2010-09-08 | 2011-04-14 | Nova Flair GbR (vertretungsberechtigte Gesellschafter: Albert Herb | Staubabsauger für Nagelstudiotische |
| DE102010042726A1 (de) | 2010-10-21 | 2012-04-26 | BSH Bosch und Siemens Hausgeräte GmbH | Dunstabzugsvorrichtung mit einer drehenden Luftströmung |
| US20120204855A1 (en) * | 2011-02-04 | 2012-08-16 | Huber John J | Cooking Device with Ventilation and Filtration System |
| DE202011005698U1 (de) | 2011-04-28 | 2011-09-26 | Wilhelm Bruckbauer | Kochfeld mit zentraler Absaugung von Kochdünsten nach unten |
| DE202011104408U1 (de) | 2011-07-19 | 2011-11-24 | Nova Flair GbR (vertretungsberechtigte Gesellschafter: Albert Herb, 32361 Preußisch Oldendorf; Anton Herb, 32361 Preußisch Oldendorf) | Untertischstaubabsaugung |
| DE202011109570U1 (de) | 2011-12-28 | 2012-03-01 | Wilhelm Bruckbauer | Kochfeldabzug mit einem oder mehreren Plattenpaketen zum reversiblen Verschließen und Öffnen der Kochdunst-Eintrittsöffnung |
| EP3338030B1 (de) * | 2015-08-19 | 2019-12-18 | BSH Hausgeräte GmbH | Kombinationsgerät mit kochfeld und dunstabzugsvorrichtung mit filtereinheit |
| WO2017029128A1 (de) * | 2015-08-19 | 2017-02-23 | BSH Hausgeräte GmbH | Kombinationsgerät mit kochfeld und dunstabzugsvorrichtung |
| US10900665B2 (en) * | 2015-08-19 | 2021-01-26 | BSH Hausgeräte GmbH | Combination appliance having a cooktop and steam extraction device |
| DE102020202599B4 (de) * | 2020-02-28 | 2025-05-22 | Werkhaus GmbH & Co. KG | Kanaleinheit zum Leiten von Kochdünsten |
-
2011
- 2011-04-28 DE DE202011005698U patent/DE202011005698U1/de not_active Expired - Lifetime
-
2012
- 2012-04-28 DE DE202012004271U patent/DE202012004271U1/de not_active Expired - Lifetime
- 2012-04-28 US US14/114,351 patent/US10006641B2/en active Active
- 2012-04-28 SI SI201231898T patent/SI3282197T1/sl unknown
- 2012-04-28 CN CN201280020743.4A patent/CN103688111B/zh active Active
- 2012-04-28 PL PL17184069T patent/PL3282197T3/pl unknown
- 2012-04-28 EP EP22157724.0A patent/EP4019851A1/de active Pending
- 2012-04-28 FI FIEP15177616.8T patent/FI2975327T4/fi active
- 2012-04-28 PT PT211681655T patent/PT3869107T/pt unknown
- 2012-04-28 HU HUE15177616A patent/HUE036006T2/hu unknown
- 2012-04-28 EP EP17184069.7A patent/EP3282197B1/de active Active
- 2012-04-28 EP EP15177616.8A patent/EP2975327B2/de active Active
- 2012-04-28 DK DK15177616.8T patent/DK2975327T4/da active
- 2012-04-28 ES ES12733398.7T patent/ES2545632T3/es active Active
- 2012-04-28 WO PCT/DE2012/000458 patent/WO2012146237A1/de not_active Ceased
- 2012-04-28 CN CN201610959365.6A patent/CN107023864B/zh active Active
- 2012-04-28 DE DE112012001878.8T patent/DE112012001878A5/de not_active Withdrawn
- 2012-04-28 PL PL12733398T patent/PL2702329T3/pl unknown
- 2012-04-28 PL PL17197091.6T patent/PL3287702T5/pl unknown
- 2012-04-28 EP EP21168165.5A patent/EP3869107B1/de active Active
- 2012-04-28 ES ES21168165T patent/ES2908935T3/es active Active
- 2012-04-28 PL PL21168165T patent/PL3869107T3/pl unknown
- 2012-04-28 EP EP17197091.6A patent/EP3287702B2/de active Active
- 2012-04-28 PT PT171840697T patent/PT3282197T/pt unknown
- 2012-04-28 DK DK17184069.7T patent/DK3282197T3/da active
- 2012-04-28 EP EP23165982.2A patent/EP4224071A3/de active Pending
- 2012-04-28 PT PT151776168T patent/PT2975327T/pt unknown
- 2012-04-28 RU RU2013143995/03A patent/RU2549938C2/ru active
- 2012-04-28 EP EP20216989.2A patent/EP3828469A1/de active Pending
- 2012-04-28 ES ES17197091T patent/ES2761399T5/es active Active
- 2012-04-28 DK DK21168165.5T patent/DK3869107T3/da active
- 2012-04-28 DE DE202012013527.9U patent/DE202012013527U1/de not_active Expired - Lifetime
- 2012-04-28 EP EP12733398.7A patent/EP2702329B1/de active Active
- 2012-04-28 ES ES15177616T patent/ES2655258T5/es active Active
- 2012-04-28 DK DK12733398.7T patent/DK2702329T3/en active
- 2012-04-28 AU AU2012247900A patent/AU2012247900B2/en active Active
- 2012-04-28 PL PL15177616.8T patent/PL2975327T5/pl unknown
- 2012-04-28 DE DE202012013574.0U patent/DE202012013574U1/de not_active Expired - Lifetime
-
2016
- 2016-11-17 NO NO16199317A patent/NO3173524T3/no unknown
-
2018
- 2018-05-24 US US15/988,237 patent/US10718528B2/en active Active
-
2020
- 2020-06-22 US US16/907,628 patent/US11592188B2/en active Active
-
2023
- 2023-01-31 US US18/103,615 patent/US20230184442A1/en active Pending
-
2024
- 2024-11-29 US US18/964,070 patent/US12339011B2/en active Active
-
2025
- 2025-07-16 US US19/270,896 patent/US20250341317A1/en active Pending
Also Published As
Similar Documents
| Publication | Publication Date | Title |
|---|---|---|
| EP3287702B2 (de) | Kochfeld mit dunstabzug | |
| DE202013005303U1 (de) | Kochfeld | |
| EP3338031B1 (de) | Kombinationsgerät mit kochfeld und dunstabzugsvorrichtung | |
| EP3701192B1 (de) | Kombinationsgerät mit dunstabzugsvorrichtung und kochfeld | |
| EP1194721B1 (de) | Luftabsaugvorrichtung für einen arbeitsplatz | |
| EP3475622B1 (de) | Muldenlüfter mit einem einsatz | |
| WO2017029128A1 (de) | Kombinationsgerät mit kochfeld und dunstabzugsvorrichtung | |
| EP3045824B1 (de) | Vorrichtung zum abziehen von abluft eines kochfelds | |
| EP3956610A1 (de) | Kombinationsgerät mit dunstabzugsvorrichtung und kochfeld | |
| DE102011018962C5 (de) | Kochfeld mit zentraler Absaugung von Kochdünsten nach unten | |
| EP3710755B1 (de) | Dunstabzugsvorrichtung für ein kochfeld und küchenmöbel mit dunstabzugsvorrichtung | |
| WO2005100863A1 (de) | Dunstabsaugvorrichtung für eine speisenzubereitungseinrichtung | |
| EP2829808B1 (de) | Dunstabzugshaube | |
| DE102005019830A1 (de) | Filteranordnung für Haushaltsdunstabzugshaube | |
| DE20205642U1 (de) | Dunstabsaugvorrichtung, insbesondere Dunstabzugshaube | |
| EP2145134A1 (de) | Dunstabzugsvorrichtung | |
| DE10137932A1 (de) | Filtereinrichtung für eine Dunstabzugshaube | |
| DE102017120193B4 (de) | Kochelement | |
| DE8303643U1 (de) | Nischenluefter | |
| DE102007060802A1 (de) | Dunstabzugshaube, Filter für Dunstabzugshaube sowie diesbezügliches Verfahren | |
| DE202005012053U1 (de) | Wrasenabsorber | |
| DE102004062863A1 (de) | Vorrichtung zum Abführen eines gashaltigen oder gasförmigen Fluids aus einem Gebäuderaum |
Legal Events
| Date | Code | Title | Description |
|---|---|---|---|
| PUAI | Public reference made under article 153(3) epc to a published international application that has entered the european phase |
Free format text: ORIGINAL CODE: 0009012 |
|
| STAA | Information on the status of an ep patent application or granted ep patent |
Free format text: STATUS: REQUEST FOR EXAMINATION WAS MADE |
|
| 17P | Request for examination filed |
Effective date: 20171018 |
|
| AC | Divisional application: reference to earlier application |
Ref document number: 2975327 Country of ref document: EP Kind code of ref document: P Ref document number: 2702329 Country of ref document: EP Kind code of ref document: P Ref document number: 3282197 Country of ref document: EP Kind code of ref document: P |
|
| AK | Designated contracting states |
Kind code of ref document: A1 Designated state(s): AL AT BE BG CH CY CZ DE DK EE ES FI FR GB GR HR HU IE IS IT LI LT LU LV MC MK MT NL NO PL PT RO RS SE SI SK SM TR |
|
| STAA | Information on the status of an ep patent application or granted ep patent |
Free format text: STATUS: EXAMINATION IS IN PROGRESS |
|
| TPAC | Observations filed by third parties |
Free format text: ORIGINAL CODE: EPIDOSNTIPA |
|
| TPAC | Observations filed by third parties |
Free format text: ORIGINAL CODE: EPIDOSNTIPA |
|
| 17Q | First examination report despatched |
Effective date: 20181011 |
|
| GRAP | Despatch of communication of intention to grant a patent |
Free format text: ORIGINAL CODE: EPIDOSNIGR1 |
|
| STAA | Information on the status of an ep patent application or granted ep patent |
Free format text: STATUS: GRANT OF PATENT IS INTENDED |
|
| GRAS | Grant fee paid |
Free format text: ORIGINAL CODE: EPIDOSNIGR3 |
|
| GRAA | (expected) grant |
Free format text: ORIGINAL CODE: 0009210 |
|
| STAA | Information on the status of an ep patent application or granted ep patent |
Free format text: STATUS: THE PATENT HAS BEEN GRANTED |
|
| INTG | Intention to grant announced |
Effective date: 20190807 |
|
| AC | Divisional application: reference to earlier application |
Ref document number: 2975327 Country of ref document: EP Kind code of ref document: P Ref document number: 3282197 Country of ref document: EP Kind code of ref document: P Ref document number: 2702329 Country of ref document: EP Kind code of ref document: P |
|
| AK | Designated contracting states |
Kind code of ref document: B1 Designated state(s): AL AT BE BG CH CY CZ DE DK EE ES FI FR GB GR HR HU IE IS IT LI LT LU LV MC MK MT NL NO PL PT RO RS SE SI SK SM TR |
|
| REG | Reference to a national code |
Ref country code: GB Ref legal event code: FG4D Free format text: NOT ENGLISH |
|
| REG | Reference to a national code |
Ref country code: CH Ref legal event code: EP |
|
| REG | Reference to a national code |
Ref country code: DE Ref legal event code: R096 Ref document number: 502012015315 Country of ref document: DE |
|
| REG | Reference to a national code |
Ref country code: AT Ref legal event code: REF Ref document number: 1181798 Country of ref document: AT Kind code of ref document: T Effective date: 20191015 |
|
| REG | Reference to a national code |
Ref country code: IE Ref legal event code: FG4D Free format text: LANGUAGE OF EP DOCUMENT: GERMAN |
|
| REG | Reference to a national code |
Ref country code: DE Ref legal event code: R026 Ref document number: 502012015315 Country of ref document: DE |
|
| PLBI | Opposition filed |
Free format text: ORIGINAL CODE: 0009260 |
|
| 26 | Opposition filed |
Opponent name: BERBEL ABLUFTTECHNIK GMBH Effective date: 20191122 |
|
| REG | Reference to a national code |
Ref country code: NL Ref legal event code: MP Effective date: 20190918 |
|
| PG25 | Lapsed in a contracting state [announced via postgrant information from national office to epo] |
Ref country code: HR Free format text: LAPSE BECAUSE OF FAILURE TO SUBMIT A TRANSLATION OF THE DESCRIPTION OR TO PAY THE FEE WITHIN THE PRESCRIBED TIME-LIMIT Effective date: 20190918 Ref country code: LT Free format text: LAPSE BECAUSE OF FAILURE TO SUBMIT A TRANSLATION OF THE DESCRIPTION OR TO PAY THE FEE WITHIN THE PRESCRIBED TIME-LIMIT Effective date: 20190918 Ref country code: SE Free format text: LAPSE BECAUSE OF FAILURE TO SUBMIT A TRANSLATION OF THE DESCRIPTION OR TO PAY THE FEE WITHIN THE PRESCRIBED TIME-LIMIT Effective date: 20190918 Ref country code: BG Free format text: LAPSE BECAUSE OF FAILURE TO SUBMIT A TRANSLATION OF THE DESCRIPTION OR TO PAY THE FEE WITHIN THE PRESCRIBED TIME-LIMIT Effective date: 20191218 Ref country code: FI Free format text: LAPSE BECAUSE OF FAILURE TO SUBMIT A TRANSLATION OF THE DESCRIPTION OR TO PAY THE FEE WITHIN THE PRESCRIBED TIME-LIMIT Effective date: 20190918 Ref country code: NO Free format text: LAPSE BECAUSE OF FAILURE TO SUBMIT A TRANSLATION OF THE DESCRIPTION OR TO PAY THE FEE WITHIN THE PRESCRIBED TIME-LIMIT Effective date: 20191218 |
|
| REG | Reference to a national code |
Ref country code: LT Ref legal event code: MG4D |
|
| PG25 | Lapsed in a contracting state [announced via postgrant information from national office to epo] |
Ref country code: RS Free format text: LAPSE BECAUSE OF FAILURE TO SUBMIT A TRANSLATION OF THE DESCRIPTION OR TO PAY THE FEE WITHIN THE PRESCRIBED TIME-LIMIT Effective date: 20190918 Ref country code: LV Free format text: LAPSE BECAUSE OF FAILURE TO SUBMIT A TRANSLATION OF THE DESCRIPTION OR TO PAY THE FEE WITHIN THE PRESCRIBED TIME-LIMIT Effective date: 20190918 Ref country code: AL Free format text: LAPSE BECAUSE OF FAILURE TO SUBMIT A TRANSLATION OF THE DESCRIPTION OR TO PAY THE FEE WITHIN THE PRESCRIBED TIME-LIMIT Effective date: 20190918 Ref country code: GR Free format text: LAPSE BECAUSE OF FAILURE TO SUBMIT A TRANSLATION OF THE DESCRIPTION OR TO PAY THE FEE WITHIN THE PRESCRIBED TIME-LIMIT Effective date: 20191219 |
|
| PLAB | Opposition data, opponent's data or that of the opponent's representative modified |
Free format text: ORIGINAL CODE: 0009299OPPO |
|
| R26 | Opposition filed (corrected) |
Opponent name: BERBEL ABLUFTTECHNIK GMBH Effective date: 20191122 |
|
| PG25 | Lapsed in a contracting state [announced via postgrant information from national office to epo] |
Ref country code: PT Free format text: LAPSE BECAUSE OF FAILURE TO SUBMIT A TRANSLATION OF THE DESCRIPTION OR TO PAY THE FEE WITHIN THE PRESCRIBED TIME-LIMIT Effective date: 20200120 Ref country code: RO Free format text: LAPSE BECAUSE OF FAILURE TO SUBMIT A TRANSLATION OF THE DESCRIPTION OR TO PAY THE FEE WITHIN THE PRESCRIBED TIME-LIMIT Effective date: 20190918 Ref country code: EE Free format text: LAPSE BECAUSE OF FAILURE TO SUBMIT A TRANSLATION OF THE DESCRIPTION OR TO PAY THE FEE WITHIN THE PRESCRIBED TIME-LIMIT Effective date: 20190918 Ref country code: NL Free format text: LAPSE BECAUSE OF FAILURE TO SUBMIT A TRANSLATION OF THE DESCRIPTION OR TO PAY THE FEE WITHIN THE PRESCRIBED TIME-LIMIT Effective date: 20190918 |
|
| REG | Reference to a national code |
Ref country code: ES Ref legal event code: FG2A Ref document number: 2761399 Country of ref document: ES Kind code of ref document: T3 Effective date: 20200519 |
|
| PG25 | Lapsed in a contracting state [announced via postgrant information from national office to epo] |
Ref country code: SM Free format text: LAPSE BECAUSE OF FAILURE TO SUBMIT A TRANSLATION OF THE DESCRIPTION OR TO PAY THE FEE WITHIN THE PRESCRIBED TIME-LIMIT Effective date: 20190918 Ref country code: CZ Free format text: LAPSE BECAUSE OF FAILURE TO SUBMIT A TRANSLATION OF THE DESCRIPTION OR TO PAY THE FEE WITHIN THE PRESCRIBED TIME-LIMIT Effective date: 20190918 Ref country code: IS Free format text: LAPSE BECAUSE OF FAILURE TO SUBMIT A TRANSLATION OF THE DESCRIPTION OR TO PAY THE FEE WITHIN THE PRESCRIBED TIME-LIMIT Effective date: 20200224 Ref country code: SK Free format text: LAPSE BECAUSE OF FAILURE TO SUBMIT A TRANSLATION OF THE DESCRIPTION OR TO PAY THE FEE WITHIN THE PRESCRIBED TIME-LIMIT Effective date: 20190918 |
|
| PLAX | Notice of opposition and request to file observation + time limit sent |
Free format text: ORIGINAL CODE: EPIDOSNOBS2 |
|
| PG2D | Information on lapse in contracting state deleted |
Ref country code: IS |
|
| PG25 | Lapsed in a contracting state [announced via postgrant information from national office to epo] |
Ref country code: DK Free format text: LAPSE BECAUSE OF FAILURE TO SUBMIT A TRANSLATION OF THE DESCRIPTION OR TO PAY THE FEE WITHIN THE PRESCRIBED TIME-LIMIT Effective date: 20190918 Ref country code: IS Free format text: LAPSE BECAUSE OF FAILURE TO SUBMIT A TRANSLATION OF THE DESCRIPTION OR TO PAY THE FEE WITHIN THE PRESCRIBED TIME-LIMIT Effective date: 20200119 |
|
| PG25 | Lapsed in a contracting state [announced via postgrant information from national office to epo] |
Ref country code: SI Free format text: LAPSE BECAUSE OF FAILURE TO SUBMIT A TRANSLATION OF THE DESCRIPTION OR TO PAY THE FEE WITHIN THE PRESCRIBED TIME-LIMIT Effective date: 20190918 |
|
| PLBB | Reply of patent proprietor to notice(s) of opposition received |
Free format text: ORIGINAL CODE: EPIDOSNOBS3 |
|
| PG25 | Lapsed in a contracting state [announced via postgrant information from national office to epo] |
Ref country code: MC Free format text: LAPSE BECAUSE OF FAILURE TO SUBMIT A TRANSLATION OF THE DESCRIPTION OR TO PAY THE FEE WITHIN THE PRESCRIBED TIME-LIMIT Effective date: 20190918 |
|
| PLAB | Opposition data, opponent's data or that of the opponent's representative modified |
Free format text: ORIGINAL CODE: 0009299OPPO |
|
| R26 | Opposition filed (corrected) |
Opponent name: BERBEL ABLUFTTECHNIK GMBH Effective date: 20191122 |
|
| PG25 | Lapsed in a contracting state [announced via postgrant information from national office to epo] |
Ref country code: LU Free format text: LAPSE BECAUSE OF NON-PAYMENT OF DUE FEES Effective date: 20200428 |
|
| PG25 | Lapsed in a contracting state [announced via postgrant information from national office to epo] |
Ref country code: IE Free format text: LAPSE BECAUSE OF NON-PAYMENT OF DUE FEES Effective date: 20200428 |
|
| APAH | Appeal reference modified |
Free format text: ORIGINAL CODE: EPIDOSCREFNO |
|
| APBM | Appeal reference recorded |
Free format text: ORIGINAL CODE: EPIDOSNREFNO |
|
| APBP | Date of receipt of notice of appeal recorded |
Free format text: ORIGINAL CODE: EPIDOSNNOA2O |
|
| APBQ | Date of receipt of statement of grounds of appeal recorded |
Free format text: ORIGINAL CODE: EPIDOSNNOA3O |
|
| PG25 | Lapsed in a contracting state [announced via postgrant information from national office to epo] |
Ref country code: MT Free format text: LAPSE BECAUSE OF FAILURE TO SUBMIT A TRANSLATION OF THE DESCRIPTION OR TO PAY THE FEE WITHIN THE PRESCRIBED TIME-LIMIT Effective date: 20190918 Ref country code: CY Free format text: LAPSE BECAUSE OF FAILURE TO SUBMIT A TRANSLATION OF THE DESCRIPTION OR TO PAY THE FEE WITHIN THE PRESCRIBED TIME-LIMIT Effective date: 20190918 |
|
| PG25 | Lapsed in a contracting state [announced via postgrant information from national office to epo] |
Ref country code: MK Free format text: LAPSE BECAUSE OF FAILURE TO SUBMIT A TRANSLATION OF THE DESCRIPTION OR TO PAY THE FEE WITHIN THE PRESCRIBED TIME-LIMIT Effective date: 20190918 |
|
| P01 | Opt-out of the competence of the unified patent court (upc) registered |
Effective date: 20230511 |
|
| APBU | Appeal procedure closed |
Free format text: ORIGINAL CODE: EPIDOSNNOA9O |
|
| PGFP | Annual fee paid to national office [announced via postgrant information from national office to epo] |
Ref country code: CH Payment date: 20240501 Year of fee payment: 13 |
|
| PGFP | Annual fee paid to national office [announced via postgrant information from national office to epo] |
Ref country code: BE Payment date: 20240419 Year of fee payment: 13 |
|
| REG | Reference to a national code |
Ref country code: DE Ref legal event code: R081 Ref document number: 502012015315 Country of ref document: DE Owner name: WERKHAUS GMBH & CO. KG, DE Free format text: FORMER OWNER: BRUCKBAUER, WILHELM, 83115 NEUBEUERN, DE |
|
| REG | Reference to a national code |
Ref country code: CH Ref legal event code: PK Free format text: BERICHTIGUNGEN |
|
| PUAH | Patent maintained in amended form |
Free format text: ORIGINAL CODE: 0009272 |
|
| STAA | Information on the status of an ep patent application or granted ep patent |
Free format text: STATUS: PATENT MAINTAINED AS AMENDED |
|
| RAP2 | Party data changed (patent owner data changed or rights of a patent transferred) |
Owner name: WERKHAUS GMBH & CO. KG |
|
| RIN2 | Information on inventor provided after grant (corrected) |
Inventor name: BRUCKBAUER, WILHELM |
|
| REG | Reference to a national code |
Ref country code: GB Ref legal event code: 732E Free format text: REGISTERED BETWEEN 20241017 AND 20241023 |
|
| 27A | Patent maintained in amended form |
Effective date: 20241120 |
|
| AK | Designated contracting states |
Kind code of ref document: B2 Designated state(s): AL AT BE BG CH CY CZ DE DK EE ES FI FR GB GR HR HU IE IS IT LI LT LU LV MC MK MT NL NO PL PT RO RS SE SI SK SM TR |
|
| REG | Reference to a national code |
Ref country code: DE Ref legal event code: R102 Ref document number: 502012015315 Country of ref document: DE |
|
| REG | Reference to a national code |
Ref country code: BE Ref legal event code: PD Owner name: WERKHAUS GMBH & CO. KG; DE Free format text: DETAILS ASSIGNMENT: CHANGE OF OWNER(S), ASSIGNMENT; FORMER OWNER NAME: BRUCKBAUER, WILHELM Effective date: 20241017 |
|
| REG | Reference to a national code |
Ref country code: AT Ref legal event code: PC Ref document number: 1181798 Country of ref document: AT Kind code of ref document: T Owner name: WERKHAUS GMBH & CO. KG, DE Effective date: 20241127 |
|
| REG | Reference to a national code |
Ref country code: ES Ref legal event code: DC2A Ref document number: 2761399 Country of ref document: ES Kind code of ref document: T5 Effective date: 20250313 |
|
| PGFP | Annual fee paid to national office [announced via postgrant information from national office to epo] |
Ref country code: DE Payment date: 20250620 Year of fee payment: 14 Ref country code: PL Payment date: 20250402 Year of fee payment: 14 |
|
| PGFP | Annual fee paid to national office [announced via postgrant information from national office to epo] |
Ref country code: ES Payment date: 20250519 Year of fee payment: 14 |
|
| PGFP | Annual fee paid to national office [announced via postgrant information from national office to epo] |
Ref country code: IT Payment date: 20250430 Year of fee payment: 14 |
|
| PGFP | Annual fee paid to national office [announced via postgrant information from national office to epo] |
Ref country code: FR Payment date: 20250428 Year of fee payment: 14 |
|
| PGFP | Annual fee paid to national office [announced via postgrant information from national office to epo] |
Ref country code: AT Payment date: 20250404 Year of fee payment: 14 |
|
| PGFP | Annual fee paid to national office [announced via postgrant information from national office to epo] |
Ref country code: TR Payment date: 20250418 Year of fee payment: 14 |
|
| REG | Reference to a national code |
Ref country code: CH Ref legal event code: H13 Free format text: ST27 STATUS EVENT CODE: U-0-0-H10-H13 (AS PROVIDED BY THE NATIONAL OFFICE) Effective date: 20251125 |
|
| REG | Reference to a national code |
Ref country code: BE Ref legal event code: MM Effective date: 20250430 |
|
| PG25 | Lapsed in a contracting state [announced via postgrant information from national office to epo] |
Ref country code: BE Free format text: LAPSE BECAUSE OF NON-PAYMENT OF DUE FEES Effective date: 20250430 |
|
| PG25 | Lapsed in a contracting state [announced via postgrant information from national office to epo] |
Ref country code: CH Free format text: LAPSE BECAUSE OF NON-PAYMENT OF DUE FEES Effective date: 20250430 |
|
| PGFP | Annual fee paid to national office [announced via postgrant information from national office to epo] |
Ref country code: GB Payment date: 20260324 Year of fee payment: 15 |