JP4968681B2 - 半導体回路とそれを用いた表示装置並びにその駆動方法 - Google Patents

半導体回路とそれを用いた表示装置並びにその駆動方法 Download PDF

Info

Publication number
JP4968681B2
JP4968681B2 JP2007185974A JP2007185974A JP4968681B2 JP 4968681 B2 JP4968681 B2 JP 4968681B2 JP 2007185974 A JP2007185974 A JP 2007185974A JP 2007185974 A JP2007185974 A JP 2007185974A JP 4968681 B2 JP4968681 B2 JP 4968681B2
Authority
JP
Japan
Prior art keywords
transistor
circuit
signal
output
scanning
Prior art date
Legal status (The legal status is an assumption and is not a legal conclusion. Google has not performed a legal analysis and makes no representation as to the accuracy of the status listed.)
Active
Application number
JP2007185974A
Other languages
English (en)
Other versions
JP2009027265A (ja
Inventor
智彦 音瀬
雅通 下田
Current Assignee (The listed assignees may be inaccurate. Google has not performed a legal analysis and makes no representation or warranty as to the accuracy of the list.)
Tianma Japan Ltd
Original Assignee
NLT Technologeies Ltd
Priority date (The priority date is an assumption and is not a legal conclusion. Google has not performed a legal analysis and makes no representation as to the accuracy of the date listed.)
Filing date
Publication date
Application filed by NLT Technologeies Ltd filed Critical NLT Technologeies Ltd
Priority to JP2007185974A priority Critical patent/JP4968681B2/ja
Priority to US12/174,808 priority patent/US20090021466A1/en
Priority to CN200810133833.XA priority patent/CN101350179B/zh
Publication of JP2009027265A publication Critical patent/JP2009027265A/ja
Priority to US13/339,804 priority patent/US8654056B2/en
Application granted granted Critical
Publication of JP4968681B2 publication Critical patent/JP4968681B2/ja
Active legal-status Critical Current
Anticipated expiration legal-status Critical

Links

Images

Classifications

    • GPHYSICS
    • G09EDUCATION; CRYPTOGRAPHY; DISPLAY; ADVERTISING; SEALS
    • G09GARRANGEMENTS OR CIRCUITS FOR CONTROL OF INDICATING DEVICES USING STATIC MEANS TO PRESENT VARIABLE INFORMATION
    • G09G3/00Control arrangements or circuits, of interest only in connection with visual indicators other than cathode-ray tubes
    • G09G3/20Control arrangements or circuits, of interest only in connection with visual indicators other than cathode-ray tubes for presentation of an assembly of a number of characters, e.g. a page, by composing the assembly by combination of individual elements arranged in a matrix no fixed position being assigned to or needed to be assigned to the individual characters or partial characters
    • G09G3/34Control arrangements or circuits, of interest only in connection with visual indicators other than cathode-ray tubes for presentation of an assembly of a number of characters, e.g. a page, by composing the assembly by combination of individual elements arranged in a matrix no fixed position being assigned to or needed to be assigned to the individual characters or partial characters by control of light from an independent source
    • G09G3/36Control arrangements or circuits, of interest only in connection with visual indicators other than cathode-ray tubes for presentation of an assembly of a number of characters, e.g. a page, by composing the assembly by combination of individual elements arranged in a matrix no fixed position being assigned to or needed to be assigned to the individual characters or partial characters by control of light from an independent source using liquid crystals
    • G09G3/3611Control of matrices with row and column drivers
    • G09G3/3674Details of drivers for scan electrodes
    • GPHYSICS
    • G11INFORMATION STORAGE
    • G11CSTATIC STORES
    • G11C19/00Digital stores in which the information is moved stepwise, e.g. shift registers
    • G11C19/28Digital stores in which the information is moved stepwise, e.g. shift registers using semiconductor elements
    • GPHYSICS
    • G09EDUCATION; CRYPTOGRAPHY; DISPLAY; ADVERTISING; SEALS
    • G09GARRANGEMENTS OR CIRCUITS FOR CONTROL OF INDICATING DEVICES USING STATIC MEANS TO PRESENT VARIABLE INFORMATION
    • G09G2310/00Command of the display device
    • G09G2310/02Addressing, scanning or driving the display screen or processing steps related thereto
    • G09G2310/0264Details of driving circuits
    • G09G2310/0283Arrangement of drivers for different directions of scanning
    • GPHYSICS
    • G09EDUCATION; CRYPTOGRAPHY; DISPLAY; ADVERTISING; SEALS
    • G09GARRANGEMENTS OR CIRCUITS FOR CONTROL OF INDICATING DEVICES USING STATIC MEANS TO PRESENT VARIABLE INFORMATION
    • G09G2340/00Aspects of display data processing
    • G09G2340/04Changes in size, position or resolution of an image
    • G09G2340/0492Change of orientation of the displayed image, e.g. upside-down, mirrored

Landscapes

  • Engineering & Computer Science (AREA)
  • Chemical & Material Sciences (AREA)
  • Crystallography & Structural Chemistry (AREA)
  • Physics & Mathematics (AREA)
  • Computer Hardware Design (AREA)
  • General Physics & Mathematics (AREA)
  • Theoretical Computer Science (AREA)
  • Liquid Crystal Display Device Control (AREA)
  • Control Of Indicators Other Than Cathode Ray Tubes (AREA)
  • Shift Register Type Memory (AREA)
  • Liquid Crystal (AREA)

Description

本発明は、半導体回路、及びそれを用いた半導体装置に関し、特に、走査回路に用いて好適なシフトレジスタ回路、及びそれを用いた表示装置、及び表示装置の駆動方法に関する。
近年、液晶表示装置に代表される平面表示装置は、薄型・軽量、かつ低消費電力であることから、各種機器の表示装置として用いられている。最近では、更なる薄型・軽量化や低コスト化を実現するために、従来のアモルファスシリコン薄膜トランジスタに比べ、電子移動度が高い低温ポリシリコン薄膜トランジスタを用いて駆動回路を構成し、この駆動回路をガラス基板上に一体的に形成する技術が確立されている。
近年、TFTのチャネル層として、多結晶シリコンを用いることによって、マトリクス表示部と、周辺駆動回路部を、同一基板上に形成した駆動回路一体型のLCD(Liquid
Crystal Display)が開発されている。
一般に、多結晶シリコンはアモルファスシリコンに比べて移動度が高い。このため、TFTを小型にすることができるため、高精細化が実現される。
また、ゲートセルフアライン構造による微細化、寄生容量の縮小による高速化が達成されるため、NMOSトランジスタと、PMOSトランジスタとからなるCMOSトランジスタを形成することにより、LCDモジュールの小型化が実現される。
近年の液晶表示装置の高解像度の要求は日増しに高まっている。解像度が上がることによって一度に表示される情報量が多くなるため、液晶表示装置の付加価値の向上に寄与する。また、表示装置の走査方向を双方向に対応させることにより、液晶表示装置の向きに応じて柔軟に対応できる液晶表示装置が可能となる。
したがって、高解像度の表示領域と、双方向走査回路を有する高付加価値の液晶表示装置を実現することが望まれている。
例えば特許文献1には、単チャネルのトランジスタで構成された双方向シフトレジスタが開示されている。図27〜図30を用いて説明する。
図27は、特許文献1に開示されている平面表示装置の概略図、図28は、特許文献1に開示されている3位相双方向シフトレジスタの一つの構成を示す図である。図29は、特許文献1に開示されている3位相双方向シフトレジスタの順方向パルスシフト時の動作を説明するためのタイミングチャートである。図30は、特許文献1に開示されている3位相双方向シフトレジスタの逆方向パルスシフト時の動作を説明するためのタイミングチャートである。なお、3位相双方向シフトレジスタは、複数の同一構成のシフトレジスタを縦列に接続し、位相の異なる3つのクロック信号を用いることによって、初段のシフトレジスタに入力されたパルスの位相を各シフトレジスタでシフトさせながら後段のシフトレジスタへ伝搬させる3位相シフトレジスタを、順方向パルスシフトと逆方向のパルスシフトの双方を可能としたものである。
図27を参照すると、この従来の平面表示装置は、アレイ基板101上に走査線駆動回路102、信号線駆動回路103、及び複数(m×n)のスイッチング素子110が設置されている。
走査線G1〜Gnは、走査線駆動回路102の出力を、スイッチング素子110の制御信号として転送するための配線である。また、信号線S1〜Smは、信号線駆動回路103からの出力を、スイッチング素子110のソース、ドレインへ転送するための配線である。
また、図28を参照すると、3位相双方向シフトレジスタは、第1クロック端子INP、逆方向パルス入力端子INN、出力端子OUT、シフト方向制御信号P、及びNを備え、トランジスタTr1〜トランジスタTr17のトランジスタで構成されている。
図29、及び図30に示すように、双方向シフトレジスタは、順方向シフト(図29)と逆方向シフト(図30)の双方に対応している。
次に、特許文献2に開示された双方向シフトレジスタについて説明する。図31は、特許文献2に開示されたシフトレジスタの構成を示すブロック図である。図31を参照すると、このシフトレジスタは、単位レジスタRes1、Res2、・・・・と、トランジスタTr4−1、トランジスタTr4−2、・・と、トランジスタTr5−1、トランジスタTr5−2、・・・と、トランジスタTr6−1、トランジスタTr6−2・・・とを備えている。
トランジスタTr4は、それぞれの順方向シフトモードでオンになるトランジスタであり、左からN番目の単位レジスタResNから出力される論理値を(N+1)番目の単位レジスタRes(N+1)に伝える。トランジスタTr5は、それぞれ逆方向シフトモードでオンになるトランジスタであり、単位レジスタResNから出力される論理値を単位レジスタRes(N−1)に伝える。トランジスタTr6は、それぞれ単位レジスタの入力InとトランジスタTr4及びトランジスタTr5との間に設けられ、当該単位レジスタの順方向シフト動作の前にオンになり逆方向シフト動作時はオフになるように、当該単位レジスタの動作クロックとは逆相のクロック信号によりオン・オフする。図中のNorm信号及びRev信号は、外部から順方向シフトか、逆方向シフトかを指定するための信号であり何れか一方がハイレベルに指定される。順方向シフトではNorm信号がハイレベル、逆方向シフトではRev信号がハイレベルである。CLK1信号とCLK2信号は、それぞれ位相が異なるクロック信号であり、奇数番目の各単位レジスタと、偶数番目の各単位レジスタとが交互に入力信号を取り込む動作をするように供給される。
図31に示したシフトレジスタの動作について、図32(a)、図32(b)を用いて説明する。図32(a)は、順方向シフト動作時のタイムチャートである。図32(a)を参照すると、単位レジスタRes1は、CLK1信号に同期して、ハイレベル状態の入力信号In1を昇圧して内部に保持する。これと同時に画素選択信号としてOut1信号を出力し、Next1信号をハイレベルにする。
図32(b)は、逆方向シフト動作時のタイムチャートである。図32(b)を参照すると、逆方向シフトでは、Norm信号、Rev信号は、ローレベル、ハイレベルにそれぞれ設定される。これにより、トランジスタTr4がオフ状態に、トランジスタTr4がオン状態になる。これにより、図32(b)におけるトランジスタTr4の代わりに、トランジスタTr5を介して、順方向では後段の単位レジスタの出力信号Nextがその前段の単位レジスタの入力信号Inとして入力されることになる。
このような逆方向シフトの動作は、双方向シフトレジスタが固体撮像装置の行を選択する場合には、固体撮像装置は上下反転画像を出力することになる。
例えば、カメラにおいて回転可能な表示パネルを有している場合は、表示パネルが正面方向を向いている場合には順方向シフト、表示パネルが正面とは反対の方向を向いている場合は、逆方向シフトを行うことにより利用することができる。
特許文献1及び特許文献2は、共に単チャネルのトランジスタで構成された双方向シフトレジスタを挙げたが、例えば特許文献3には、CMOS構成の双方向シフトレジスタが開示されている。
図33(a)は、特許文献3に開示されている単一シフト方向のシフトレジスタの構成、図33(b)は、特許文献3の双方向シフトレジスタの構成をそれぞれ示している。
図33(a)に示した単一シフト方向のシフトレジスタは、DXより入力されたパルスを相補クロック信号(C1、C2)で制御されることにより、S1、S2へ順次パルスを出力していく動作を行う。
一方、図33(b)に示した双方向シフトレジスタは、シフト方向制御信号(L、R)を用いてシフト方向を制御することにより双方向走査を可能としている。
特開2004−185684号公報 (第17〜18頁 図1、図4、図5、図6) 特開2004−288697号公報 (第10頁 図1、図2(a)、図2(b)) 特開2004−134053号公報 (第24頁 図15(a)、図15(b))
しかしながら、上記した従来の構成を用いて、高付加価値の液晶表示装置を実現しようとした場合、それぞれ以下のような問題がある。
例えば特許文献1に開示された構成では、双方向走査を実現するために同じ機能を有する回路要素を重複して設置する必要がある。つまり、図27に示すとおり、トランジスタTr11、トランジスタTr3と、トランジスタTr12、トランジスタTr4は、それぞれ信号N、P、及びINN、INPで制御されているが、これらは、各々走査方向により一方が活性化され、他方が動作停止の状態である。同様に、トランジスタTr3とトランジスタTr14、及び、トランジスタTr15、トランジスタTr6と、トランジスタTr16、トランジスタTr7の組み合わせも、走査方向により、一方が活性化され、他方が動作停止の状態である。従って、この従来のシフトレジスタは、1ビット当たりの回路規模が大きくなる傾向にある。
この問題は、特許文献2に開示された構成でも、同様に起こりうる。特許文献2に開示された構成の場合、図31に示したとおり、シフトレジスタ1ビット(Regn)当たり、3個のトランジスタ(トランジスタTr4−n、トランジスタTr5−n、トランジスタTr6−n)が配設される。さらに、各々の配線も増大するため、特許文献1に開示された構成と同様、1ビットあたりの回路規模が大きくなる。
さらに、特許文献3に開示された構成においても、同様に、図33(b)中のシフト方向制御信号(L、R)が入力されるクロックトインバータ回路は、順方向シフト用と逆方向シフト用で1出力につき、2個配置する必要がある。従って、特許文献3に開示された構成においても、1ビットあたりの回路規模が大きくなる、という問題が起こりうる。
ここで、走査回路と表示装置の構成は、一般的に、表示装置を構成している画素の配置ピッチと、走査回路を構成しているシフトレジスタの配置ピッチとが、同じ長さであることが望ましい。図34(A)は、配置ピッチが画素ピッチと同じ長さのシフトレジスタの配置例を示したものである。
配置ピッチとシフトレジスタの配置ピッチを同じ長さとするのは、走査回路から出力される信号を伝達する電気配線のレイアウトの観点から明らかである。すなわち、表示装置の高解像度化に伴い、画素ピッチとシフトレジスタの最小構成単位の配置ピッチは共に狭ピッチ化していく。
図34(B)に示すように、画素21の狭ピッチ化に伴い、シフトレジスタ1の回路幅Lは増大する。図34(B)のシフトレジスタ1の回路素子数(面積)が、図34(A)の回路素子数(面積)と同じであるとした場合、シフトレジスタ1の寸法の1つ(高さ)の減少は、他の寸法(幅)の増大をもたらす。
回路幅Lが増大することにより、表示装置における、走査回路が配置される側の額縁が大きくなってしまう問題がある。
この非対称性は、表示装置の設計にも影響を及ぼし、この非対称性を解消するには、走査回路を配置しない側の額縁を、上記Lと同じ値に広げる必要がある。
従って上記した従来の双方向走査回路においては、狭ピッチと狭額縁との両立が極めて困難である、といえる。
また、シフトレジスタ内部に、双方向機能を持たせる構成の問題として走査方向によって回路の動作マージンが異なってしまう問題が挙げられる。
これは、シフトレジスタ内に双方向機能を持たせるために、重複して回路要素を配置している都合上、各々の回路要素や配線のレイアウトが複雑化することによる。従って、シフトレジスタ内に双方向機能を持たせるには、レイアウトを対称にすることが困難である。
レイアウトが非対称の場合、順方向走査と逆方向走査とで、回路動作マージンが異なるため、双方向走査回路の特性は、異なった動作マージンの内、動作マージンの小さい方が双方向走査回路の動作マージンとなってしまう。
この問題は、高精細化に伴って、動作周波数が増大することにより顕在化する。特にシフトレジスタを狭ピッチ化させる場合、上記問題を回避するには図34に示す回路の長さLが長くなり、狭額縁化が困難となる。
したがって、本発明の主たる目的は、走査方向によって回路動作マージンに差が生じる問題を解消した双方向走査回路を提供することにある。本発明の他の目的は、狭ピッチと狭額縁を両立し、走査方向によって表示性能が劣化することを防止した表示装置を提供することにある。
本願で開示される発明は、前記課題を解決するため概略以下の構成とされる。
本発明に係る半導体回路は、それぞれが単位レジスタを複数有する第1の走査回路と第2の走査回路を備え、前記第1の走査回路と前記第2の走査回路の対応する単位レジスタの出力同士が互いに接続され、前記第1の走査回路と前記第2の走査回路の前記単位レジスタは、制御信号に基づき、出力信号を出力する状態又は出力しない状態に、出力の状態を切り替える回路要素を備えている。本発明において、前記第1及び第2の走査回路の一方が出力信号を出力している期間、他方は出力信号を出力しない状態とされる。
本発明において、前記第1の走査回路の走査方向と、前記第2の走査回路の走査方向とが相反している。
本発明において、前記回路要素が、走査方向を指定する信号、又は前記走査方向を指定する信号から生成された信号を、前記制御信号として入力し、オン・オフ制御される第1のスイッチ回路と第2のスイッチ回路を備え、前記第1のスイッチ回路は、前記単位レジスタ内において、前記出力信号を発生する出力用トランジスタのゲート電極と、前記ゲート電極を制御する配線との間に配置され、前記第2のスイッチ回路は、前記第1のスイッチ回路と、前記出力用トランジスタとの間のノードと、前記出力用トランジスタをオフ状態とし得る信号線との間に配置されている。
本発明において、前記第1の走査回路を構成する前記単位レジスタと、前記第2の走査回路を構成する前記単位レジスタの回路構成及び回路配置が、回路動作に影響する範囲において等しい。
本発明に係る表示装置は、複数の画素が配列された画素アレイと、前記画素を活性化する半導体回路とを具備し、前記半導体回路を、本発明に係る半導体回路で構成し、
前記画素は、前記第1の走査回路、又は前記第2の走査回路を構成する単位レジスタから出力された出力信号によって制御される。
本発明に係る駆動方法は、
複数の画素が配列された画素アレイと、前記画素アレイを間に相対して配置され、前記複数の画素に走査信号をラインごとに供給する第1、第2の走査回路を備えた表示装置の駆動方法であって、
前記第1の走査回路が出力信号を出力している期間、前記第2の走査回路は出力信号を出力しない状態とされ、
前記第2の走査回路が出力信号を出力している期間、前記第1の走査回路は出力信号を出力しない状態とされ、
前記第1の走査回路の走査方向と、前記第2の走査回路の走査方向とが相反していることを特徴とする。
本発明によれば、走査方向によって回路動作マージンに差が生じる問題を解消した双方向走査回路を提供することができる。
また、本発明によれば、狭ピッチと狭額縁を両立し、走査方向によって表示性能が劣化することを防止した表示装置を提供することができる。
上記した本発明についてさらに詳細に説明すべく添付図面を参照して説明する。本発明の半導体回路は、第1の走査回路(例えば図1の5)、及び第2の走査回路(図1の6)を含み、第1の走査回路と第2の走査回路の出力が互いに接続されており、第1の走査回路及び前記第2の走査回路を構成する単位レジスタ(例えば図3の1)が、出力信号を電気的に出力状態、又は非出力状態にする回路要素を有している。一方の走査回路が出力動作している間に、他方の走査回路の出力動作を停止することが可能となり、第1の走査回路、及び第2の走査回路を用いた双方向走査回路が実現できる。
また、本発明の半導体回路は、第1の走査回路が出力信号を出力している期間において、第2の走査回路が出力信号を出力しない状態である、又は前記第2の走査回路が出力信号を出力している期間において、前記第1の走査回路が出力信号を出力しない状態である。一方の走査回路が出力動作している間に、他方の走査回路の出力動作を停止することが可能となり、第1の走査回路、及び第2の走査回路を用いた双方向走査回路を有する表示装置が実現できる。
本発明の半導体回路は、前記第1の走査回路の走査方向と、前記第2の走査回路の走査方向とが相反している。このため、第1の走査回路と第2の走査回路を用いて双方向走査回路を実現することが出来る。第1の走査回路と第2の走査回路を用いた双方向走査回路を有する表示装置が実現できる。
本発明の半導体回路は、前記回路要素が、走査方向を指定する信号(例えば図3のFW,RV)、又は前記走査方向を指定する信号から生成された信号によってオン・オフ制御される第1のスイッチ回路(例えば図4のTr7等)、及び第2のスイッチ回路(例えば図4のTr8)を備え、第1のスイッチ回路が、前記単位レジスタ内の、前記出力信号を発生する出力用トランジスタ(例えば図4のTr6)のゲート電極と、前記ゲート電極を制御する配線(例えば図4のノードB)との間に配置され、前記第2のスイッチ回路が、前記第1のスイッチ回路(Tr7)と前記出力用トランジスタ(Tr6)との間のノードと、前記出力用トランジスタ(Tr6)をオフ状態とし得る信号線(VSS)との間に配置されている。
このため、第1のスイッチ回路および第2のスイッチ回路をオン状態、又はオフ状態とすることにより、走査回路の出力信号を出力する状態、又は出力しない状態に制御することが可能となる。第1のスイッチ回路(Tr7)がオン、第2のスイッチ回路(Tr8)がオフのとき出力信号を出力する状態、第1のスイッチ回路(Tr7)がオフ、第2のスイッチ回路(Tr8)がオンのとき出力しない状態とされる。
また、本発明の半導体回路は、前記回路要素が、走査方向を指定する信号、又は前記走査方向を指定する信号から生成された信号によってオン・オフ制御される第1乃至第4のスイッチ回路を備えている。
前記第1のスイッチ回路(例えば図10のTr7)は、前記単位レジスタ内の、前記出力信号を発生する第1の出力用トランジスタ(図10のTr6)のゲート電極と、前記ゲート電極を制御する配線(図10のTr1とTr2の接続点)との間に配置されている。
前記第2のスイッチ回路(図10のTr8)は、前記第1のスイッチ回路(Tr7)と、前記第1の出力用トランジスタ(図10のTr6)との間のノードと、前記第1の出力用トランジスタをオフ状態とし得る信号線(VSS)との間に配置されている。
前記第3のスイッチ回路(図10のTr9)は、前記単位レジスタ内の、前記第1の出力用トランジスタとは異なる電位の制御信号を発生する第2の出力用トランジスタ(Tr5)のゲート電極と、前記ゲート電極を制御する配線(Tr3とTr4の接続点)との間に配置されている。
前記第4のスイッチ回路(図10のTr10)は、前記第3のスイッチ回路(Tr9)と、前記第2の出力用トランジスタ(Tr5)との間のノードと、前記第2の出力用トランジスタをオフ状態とし得る信号線(VSS)との間に配置されている。かかる構成において、第1のスイッチ回路、第2のスイッチ回路、第3のスイッチ回路、および第4のスイッチ回路をそれぞれオン状態、又はオフ状態とすることにより、走査回路の出力信号を出力する状態、又は出力しない状態に制御することが可能となる。
本発明の半導体回路は、前記回路要素が、走査方向を指定する信号、又は前記走査方向を指定する信号から生成された信号によってオン・オフ制御される第1のスイッチ回路(例えば図14のTr12)、及び第2のスイッチ回路(図14のTr11)と、
前記出力信号を発生する第1の出力用トランジスタ(図14のTr6)、及び第2の出力用トランジスタ(Tr5)と、
前記第1の出力用トランジスタ(Tr6)、及び第2の出力用トランジスタ(Tr5)をオフ状態とする第1の制御信号線(VSS)と、前記第1の制御信号線とは異なる電位の第2の制御信号線(CLK(n))と、
前記単位レジスタの出力信号を転送する出力信号線(OUT)と、
を備えている。
前記第1のスイッチ回路(Tr12)は、前記出力信号線(OUT)と、前記第1の制御信号線との間に設置されている。前記第2のスイッチ回路(Tr11)は、前記出力信号線(OUT)と、前記第2の制御信号線との間に設置されている。このため、第1のスイッチ回路、及び第2のスイッチ回路をそれぞれオン状態、又はオフ状態とすることにより、走査回路の出力信号を出力する状態、又は出力しない状態に制御することが可能となる。
また、本発明の半導体回路は、前記回路要素が、走査方向を指定する信号、又は前記走査方向を指定する信号から生成された信号によってオン・オフ制御されるスイッチ回路(図21のN3)と、
NMOSトランジスタ(N1)とPMOSトランジスタ(P1)から構成されたインバータ回路と、
高電位電源線、及び低電位電源線と、前記単位レジスタの出力信号を転送する出力信号線から構成されており、
前記スイッチ回路(N3)が、低電位電源線(VSS)と、出力信号線(OUT)との間、又は高電位電源線(VDD)と出力信号線(OUT)との間に配置されている。このため、スイッチ回路をオン状態、又はオフ状態とすることにより、走査回路の出力信号を出力する状態、又は出力しない状態に制御することが可能となる。
また、本発明の半導体回路は、前記回路要素が、走査方向を指定する信号、又は前記走査方向を指定する信号から生成された信号によってオン・オフ制御される第1のスイッチ回路(図25のN3)、および第2のスイッチ回路(図25のP3)と、
NMOSトランジスタ(N1)とPMOSトランジスタ(P1)とから構成されたインバータ回路と、
高電位電源線、及び低電位電源と、前記単位レジスタの出力信号を転送する出力信号線から構成されており、
前記第1のスイッチ回路(N3)が、低電位電源線(VSS)と、出力信号線(OUT)との間に設置され、
前記第2のスイッチ回路(P3)が、高電位電源線(VDD)と、出力信号線(OUT)との間に設置されている。
このため、第1のスイッチ回路、及び第2のスイッチ回路をそれぞれオン状態、又はオフ状態とすることにより、走査回路の出力信号を出力する状態、又は出力しない状態に制御することが可能となる。
また、本発明の半導体回路は、前記回路要素が、走査方向を指定する信号、又は前記走査方向を指定する信号から生成された信号によってオン・オフ制御されるスイッチ回路(P3、N3)を備え、前記出力信号を発生する回路が、NMOSトランジスタとPMOSトランジスタとから構成されたインバータ回路(P1とN1、P2とN2)を備え、前記スイッチ回路が、前記出力信号配線(OUT)と、前記インバータ回路の出力ノード(P2とN2の接続点)との間に配置されている。このため、スイッチ回路をオン状態、又はオフ状態とすることにより、走査回路の出力信号を出力する状態、又は出力しない状態に制御することが可能となる。
また、本発明の表示装置は、複数の画素が配列された画素アレイと、前記画素を活性化する半導体回路とを具備した表示装置において、前記画素は、前記第1の走査回路(5)、前記第2の走査回路(6)を構成する単位レジスタから出力された出力信号によって制御され、前記第1の走査回路、及び前記第2の走査回路の出力が互いに共通であって、前記単位レジスタ内に、出力信号を出力する状態、又は出力しない状態とする回路要素を有する。このため、一方の走査回路が出力動作している間に、他方の走査回路の出力動作を停止することが可能となり、第1の走査回路、及び第2の走査回路を用いた表示装置が実現できる。
また、本発明の半導体回路の駆動方法は、前記第1の走査回路が出力信号を出力している期間において、前記第2の走査回路が出力信号を出力しない状態である、又は前記第2の走査回路が出力信号を出力している期間において、前記第1の走査回路が出力信号を出力しない状態に制御する(図8)。このため、一方の走査回路が出力動作している間に、他方の走査回路の出力動作を停止することが可能となり、第1の走査回路、及び第2の走査回路を用いた走査回路が実現できる。
また、本発明の表示装置の駆動方法は、前記第1の走査回路が出力信号を出力している期間において、前記第2の走査回路が出力信号を出力しない状態である、又は前記第2の走査回路が出力信号を出力している期間において、前記第1の走査回路が出力信号を出力しない状態である、ことを特徴としている。このため、一方の走査回路が出力動作している間に、他方の走査回路の出力動作を停止することが可能となり、第1の走査回路、及び第2の走査回路を用いた表示装置が実現できる。
また、本発明の半導体回路、又は表示装置は、前記第1の走査回路を構成する前記単位レジスタと、前記第2の走査回路を構成する前記単位レジスタの回路構成及び回路配置が、回路動作に影響する範囲において、ほぼ等しい。このため、第1の走査回路の動作特性と、第2の走査回路の動作特性に差が生じることを抑制することが可能となる。さらに、第1の走査回路と第2の走査回路を具備した表示装置においては、走査方向により、表示品質が劣化することを抑制できる。
また、本発明の半導体回路、又は表示装置は、方向と、前記第2の走査回路の走査方向とが相反している。このため、第1の走査回路と第2の走査回路を用いて双方向走査回路を実現することが出来る。第1の走査回路と第2の走査回路を用いた双方向走査回路を有する表示装置が実現できる。
また、本発明の半導体回路、又は表示装置は、前記第1の走査回路、及び前記第2の走査回路がNMOSトランジスタ、又はPMOSトランジスタで形成してもよい。CMOSトランジスタの構成に比べて、トランジスタ基板の作製コストを抑制することができるため、低コストの半導体回路、又は表示装置を実現することができる。本発明において、走査回路のトランジスタ素子は、画素パネルの画素トランジスタ(TFT)と同一の製造工程で作製されるトランジスタを用いてもよい(アモルファスシリコンTFT、ポリシリコンTFT等)
また、本発明の半導体回路、又は表示装置は、前記第1の走査回路、及び前記第2の走査回路をCMOSで形成してもよい。このため、走査回路の出力が低電位電源から高電位電源までのフル振幅で行うことができる。以下実施例に即して説明する。
<実施例1>
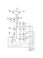
本発明の第1の実施例について説明する。図1は、本実施例の表示装置を示す構成を示す図である。図2は、図1のA−A’線の断面を模式的に示す図である。図3(a)、(b)は、本実施例の走査回路の構成を示すブロック図である。図4は、本実施例のシフトレジスタ(単位レジスタ)の構成を示す図である。図5は、本実施例の表示装置の画素部分の回路構成を示す図である。
図1を参照すると、本実施例の表示装置は、回路基板3上に、表示部4、第1の走査回路5、第2の走査回路6、ゲートバスライン7、ソースIC8、端子列9、データバスライン10が設置されている。表示部4は、図5に示す画素が複数配置されている。
図2を参照すると、本実施例の表示装置は、回路基板3、対向基板14、液晶層(液晶部)11を備え、液晶層11は、回路基板3、及び、対向基板14、及び、図示されないギャップ制御手段等によって狭持されている。
第1の走査回路、及び第2の走査回路は、それぞれ図3(a)、図3(b)に示す構成である。それぞれの走査回路は、配線群(CLK1、CLK2、CLK3、ST1(又はST2)、FW、RV)で制御されている。
ゲートバスライン7は、第1の走査回路5の出力と、第2の走査回路6の出力とが互いに接続されている。
図4に示すとおり、本実施例のシフトレジスタ1は、トランジスタTr1〜トランジスタTr8を備え、IN、CLK(n)、CLK(n+1)、OUT、VSS、D1、D2からなる端子を有する。
図4を参照すると、シフトレジスタ1(単位レジスタ)は、ゲートとドレインがクロック端子CLK(n+1)端子に接続されたNMOSトランジスタTr1と、NMOSトランジスタTr1のソースにドレインが接続されゲートがINに接続されソースがVSSに接続されたNMOSトランジスタTr2と、ゲートとドレインが端子INに接続されたNMOSトランジスタTr3と、NMOSトランジスタTr3のソース(ノードA)にドレインが接続され、NMOSトランジスタTr2のドレイン(ノードB)にゲート接続されソースがVSSに接続されたNMOSトランジスタTr4と、ドレインがCLK(n)端子に接続され、NMOSトランジスタTr3のソース(ノードA)にゲートが接続され、ドレインが端子OUTに接続されたNMOSトランジスタTr5と、ドレインが端子OUTに接続され、ソースがVSSに接続されたNMOSトランジスタTr6と、NMOSトランジスタTr2のドレインとNMOSトランジスタTr6のゲート間に接続され、ゲートが端子D1に接続されたNMOSトランジスタTr7と、NMOSトランジスタTr6のゲートにドレインが接続され、ゲートが端子D2に接続され、ソースがVSSに接続されたNMOSトランジスタTr8を備えている。
トランジスタTr1は、CLK(n+1)のハイレベル信号を受けて、ハイレベル(実際はハイレベルからトランジスタTr1のしきい値電圧分低下した電圧)を、ノードBへ転送する。
トランジスタTr2は、端子IN(又は前段のOUT)の電位をゲートに受けてオンしノードBの電位をVSS電圧とする。
トランジスタTr3は、ゲートに端子IN(又は前段のOUT)の電位を受け、ノードAにハイレベル(実際はハイレベルからトランジスタTr3のしきい値電圧分低下した電圧)を供給する。
トランジスタTr4は、ゲートにノードBの電位を受け、ノードBがハイレベルのとき(トランジスタTr1がオンでトランジスタTr2がオフのとき)、ノードAにVSS電圧を供給する。
トランジスタTr5は、ゲートにノードAの電位を受け、オンし、OUTへCLK(n)信号を出力する。
トランジスタTr6は、ゲートにノードBの電位を受け、ノードBがハイレベルのときOUTの電位をVSS電圧にする。
トランジスタTr7はゲートにD1信号を受けオン・オフ制御され、オフ時には、トランジスタTr6のゲートと、ノードB(トランジスタTr4のゲート、及びトランジスタTr1のソースとトランジスタTr2のドレインの接続点)を分離する。
トランジスタTr8は、ゲートにD2信号を受けてオン・オフ制御され、オン時には、トランジスタTr6のゲートとVSSとを短絡する。
1段目のシフトレジスタ1のCLK(n)端子とCLK(n+1)端子はCLK1とCLK2に接続される。
2段目のシフトレジスタ1のCLK(n)端子とCLK(n+1)端子はCLK2とCLK3に接続される。
3段目のシフトレジスタ1のCLK(n)端子とCLK(n+1)端子はCLK3とCLK1に接続される。
4段目から6段目のシフトレジスタ1のCLK(n)端子とCLK(n+1)端子は、1段目から3段目の接続が繰り返され、7段目以降も同様とされる。
ST1(ST2)は、転送を開始するための制御信号であり、1段目(図3(a)中の一番上にあるシフトレジスタ1又は図3(b)中の一番下にあるシフトレジスタ)のIN端子に入力される。
ST1は第1走査回路5に入力され、ST2は第2走査回路6に入力される。
次段以降のシフトレジスタ1のIN端子には、前段のOUTが入力される。
FW、及びRVは走査方向を規定するための制御信号であり、それぞれシフトレジスタ1のD1端子、及びD2端子に接続される。ここで、第1の走査回路5と第2の走査回路6とでは接続が異なる。
第1の走査回路5のD1端子、D2端子は、FW信号、RV信号が接続され、
第2の走査回路6のD2端子、D1端子は、FW信号、RV信号が接続される。
第1の走査回路5と第2の走査回路6とは、走査方向が相反する。例えば図1に記載しているように、第1の走査回路5は、ST1が、シフトレジスタ11のINに入力され、下方向へ走査していくのに対し、図3(b)の第2の走査回路6では、ST2がシフトレジスタ1の端子(IN)に入力され、上方向へ走査していく。
図5に示す例では、画素は、スイッチトランジスタ13、液晶部(液晶部容量)11、保持容量12を備えて構成されている。
スイッチトランジスタ13は、ゲート部にゲートバスライン7が接続され、ソース−ドレイン部にデータバスライン10、及び液晶部容量11と保持容量12の電極がそれぞれ接続されている。
液晶部容量11と保持容量12のもう一方の電極は、対向基板と電気的にそれぞれ接続されている。
ソースIC8は、図示されない外部接続機器から端子列9を経由して入力された映像表示用データ信号を受けて、データバスライン10へ供給するための回路である。
ソースIC8は、回路基板3とは別の基板上に形成されたトランジスタ回路チップが、回路基板3上に電気的にCOG実装されている。
このように、本実施例においては、表示部4の両側に第1の走査回路5、及び第2の走査回路6を具備し、第1の走査回路5と第2の走査回路6とは、各々の走査方向が互いに相反している。
第1の実施例の動作について説明する。図1を用いて、本実施例の表示装置の動作について説明する。
第1の走査回路5と第2の走査回路6のいずれか一方が出力動作し、他方が出力停止する。
また、各々の走査回路の走査方向は、互いに相反している。例えば、第1の走査回路5の走査方向を図1の下方と設定した場合、第2の走査回路6の走査方向は図1の上方へ設定する。
走査回路の出力信号は対応するゲートバスライン7に転送され、表示部4の画素群のうち、当該ゲートバスライン7に接続されている画素が全て活性化状態となる。
図示されない外部接続機器より出力された映像信号が、端子列9、ソースIC8を経由してデータバスライン10に転送されている。
この状態において、当該活性化された画素群に対して、対応するデータバスライン10から転送された映像信号が入力される。各画素は、入力された映像信号に従い、例えば図示されない光源の透過率を制御する。
上記動作を繰り返すことによって、走査回路は、順次、ゲートバスライン7を駆動する。このように、1フレーム期間内に全ゲートバスライン7を選択し、各ゲートバスライン7に接続された画素に対応した映像信号を各画素に入力することにより、1フレーム期間内に全ての画素の表示状態を変更することが可能となる。
従って、表示部4は1フレーム期間毎に表示状態を遷移させることにより、表示装置の機能を果たすことが出来る。
以下、走査回路の動作について、図4に示したNMOSトランジスタで構成されたシフトレジスタ1の動作について、図8を用いて説明する。
図8は、本実施例の動作を示すタイミングチャートである。本実施例の表示装置は、第1の走査回路5がゲートバスライン7に画素のスイッチングトランジスタ13を駆動するゲート信号を供給している間は、第2の走査回路6は、ゲートバスライン7への出力を停止させる。
逆に、第2の走査回路6が駆動中においては、第1の走査回路5は出力を停止している。この役割を果たすのは、トランジスタTr7及びトランジスタTr8とFW信号、及びRV信号である。
図8に示したタイミングチャートは、第1の走査回路5が駆動している期間(T1)と、第2の走査回路が駆動している期間(T2)とに分かれている。
期間T1において、FWはハイレベル、RVはローレベルを維持している。すなわち、第1の走査回路5の各シフトレジスタ1のトランジスタTr7がオン状態、トランジスタTr8はオフ状態を維持していることになる。
この状態において、ST1のハイレベルが第1の走査回路5の1段目のシフトレジスタのIN端子に入力されると、トランジスタTr2のゲートがオン状態に遷移し、ノードBにローレベルが印加される。また同時にトランジスタTr3が活性化されるため、ノードAにはハイレベル(実際はハイレベルからトランジスタTr3のしきい値電圧分低下した電圧)が入力される。
この状態において、ST1のレベルがローレベルに遷移し、CLK1がローレベルからハイレベルへ遷移すると、ブートストラップ効果によって、ノードAの電位が上昇し、CLK1のハイレベルが電位低下することなくOUT1(図3(a)の1番目のシフトレジスタの出力OUTをOUT1という)へ転送される。
OUT1の配線は、2段目のシフトレジスタ1のIN端子に接続されているため、OUT1の出力がハイレベルに遷移されたことにより、ちょうど1段目にST1が入力されたことと同じ状態となる。
OUT1のハイレベルがローレベルに遷移し、CLK2がローレベルからハイレベルに遷移すると、2段目のシフトレジスタ1のOUT2も同様にハイレベルへ遷移する。
OUT2が3段目のスタート信号の役割を果たし、CLK3によってOUT3も同様にハイレベルへ遷移する。
このように、順次シフトレジスタ1は端子(OUT)に出力するのと同時に、次段への転送も行うことにより、タイミングチャートに示すとおりOUT1、OUT2、OUT3、・・・の波形に示す駆動を行っていく。
この間、第2走査回路6は、ST2がローレベル、FWがハイレベル、RVがローレベルに維持されているため、第2走査回路6内のシフトレジスタ1は、全て、非活性化状態を維持することとなる。
トランジスタTr7はオフ状態、トランジスタTr8はオン状態であるため、トランジスタTr6のゲートにはローレベルが印加され、トランジスタTr6はオフ状態となっている。
また、トランジスタTr5は、ノードAがローレベルのため、オフ状態となっている。
第1の走査回路5が駆動しているため、対応するシフトレジスタ1のOUT端子がハイレベルになると同時にOUT端子に接続されているゲートバスライン7もハイレベルに遷移する。
このとき、共有している第2の走査回路6の対応するシフトレジスタ1のトランジスタTr6がオフ状態を維持している。このため、トランジスタTr6を経由してVSS電源側に、定常電流が流れることを防止することができる。
期間T2では、第2の走査回路6がゲートバスライン7にゲート信号を供給する。また、第1の走査回路5はゲートバスライン7への出力を停止する。すなわち、T1期間における第1の走査回路5の駆動方法を、第2の走査回路6に適用し、T1期間における第2の走査回路6の駆動方法を、第1の走査回路5に適用すればよい。
以上説明したとおり本実施例により、NMOSで構成されたトランジスタ回路を用いた双方向走査回路を有する表示装置を実現できる。
<実施例2>
次に本発明の第2の実施例について説明する。本発明の第2の実施例の表示装置の構成は、第1の実施例と同様、図1、及び図2に示した構成とされる。ただし、表示部4を構成する画素は、図7に示したPMOSトランジスタの構成である。ゲートとドレインが端子CLK(n+1)端子に接続されたPMOSトランジスタTr1と、PMOSトランジスタTr1のソースにドレインが接続されゲートがINに接続されソースがVDDに接続されたPMOSトランジスタTr2と、ゲートとドレインが端子INに接続されたPMOSトランジスタTr3と、PMOSトランジスタTr3のソース(ノードA)にドレインが接続され、PMOSトランジスタTr2のドレイン(ノードB)にゲート接続されソースがVDDに接続されたPMOSトランジスタTr4と、ドレインがCLK(n)端子に接続され、PMOSトランジスタTr3のソース(ノードA)にゲートが接続され、ドレインが端子OUTに接続されたPMOSトランジスタTr5と、ドレインが端子OUTに接続され、ソースがVDDに接続されたPMOSトランジスタTr6と、PMOSトランジスタTr2のドレインとPMOSトランジスタTr6のゲート間に接続され、ゲートが端子D1に接続されたPMOSトランジスタTr7と、PMOSトランジスタTr6のゲートにドレインが接続され、ゲートが端子D2に接続され、ソースがVSSに接続されたPMOSトランジスタTr8を備えている。
本実施例の走査回路の構成についても、前記第1の実施例と同様、図3(a)、(b)に示した構成とされる。
本実施例は、走査回路を構成するシフトレジスタ1の構成が第1の実施例と異なるため、図6を用いて本実施例のシフトレジスタ1の構成について説明する。
図6は、PMOSトランジスタで構成されたシフトレジスタ1の構成を示す回路図である。
図6に示すとおり、第2の実施例のシフトレジスタ1は、トランジスタTr1〜トランジスタTr8を備え、IN、CLK(n)、CLK(n+1)、OUT、VSS、D1、D2からなる端子を有する。
ここで、トランジスタTr1は、CLK(n+1)のローレベル信号を受けてローレベル(実際はローレベルからトランジスタTr1のしきい値電圧分上昇した電圧)を、ノードBへ転送する。
トランジスタTr2は、IN(又は前段のOUT)を受けてVDD電圧をノードBへ供給する。
トランジスタTr3は、IN(又は前段のOUT)を受けてノードAにローレベル(実際はローレベルからトランジスタTr3のしきい値電圧分上昇した電圧)を供給する。
トランジスタTr4は、ノードBの電位によってオン・オフ制御されることにより、ノードAにVDD電圧を供給する。
トランジスタTr5はノードAの電位によって制御されることにより、OUTへCLK(n)信号を出力する。
トランジスタTr6は、ノードBの電位によって制御されることにより、OUTの電位をVDD電圧まで変更する。
トランジスタTr7はD1信号を受けて、トランジスタTr6のゲートと、トランジスタTr4のゲート、及びトランジスタTr1、トランジスタTr2のソース・ドレインとを分離する。
トランジスタTr8はD2信号を受けてトランジスタTr6のゲートと、VDDとを短絡する。
本発明の第2の実施例の表示装置の動作については、前記第1の実施例と同一である。以下、本実施例の走査回路の動作について、図9のタイミングチャートを用いて説明する。
図9に示すとおり、第1の走査回路5が駆動している期間(T1)と、第2の走査回路が駆動している期間(T2)とに分かれている。
期間T1において、FWはローレベル、RVはハイレベルを維持している。すなわち、第1の走査回路5の各シフトレジスタ1のトランジスタTr7がオン状態、トランジスタTr8はオフ状態を維持していることになる。この状態において、ST1のローレベルが第1の走査回路5の1段目のシフトレジスタのIN端子に入力されると、トランジスタTr2のゲートがオン状態に遷移し、ノードBにハイレベルが印加される。また同時にトランジスタTr3が活性化されるため、ノードAにはローレベル(実際はローレベルからトランジスタTr3のしきい値電圧分上昇した電圧)が入力される。
この状態において、ST1のレベルがローレベルに遷移し、CLK1がハイレベルからローレベルへ遷移するとブートストラップ効果によって、ノードAの電位が低下し、CLK1のローレベルが浮き上がりを伴うことなく、OUT1へ転送される。
OUT1の配線は、2段目のシフトレジスタ1のIN端子に接続されているため、OUT1の出力がローレベルに遷移されたことにより、ちょうど1段目にST1が入力されたことと同じ状態となる。OUT1のローレベルがハイレベルに遷移し、CLK2がハイレベルからローレベルに遷移すると、2段目のシフトレジスタ1のOUT2も同様にローレベルへ遷移する。OUT2が3段目のスタート信号の役割を果たし、CLK3によってOUT3も同様にローレベルへ遷移する。
このように、順次シフトレジスタ1は端子(OUT)に出力するのと同時に、次段への転送も行うことにより、タイミングチャートに示すとおりOUT1、OUT2、OUT3、・・・の波形に示す駆動を行っていく。
この間、第2走査回路6は、ST2がハイレベル、FWがローレベル、RVがハイレベルに維持されているため、第2走査回路6内のシフトレジスタ1は全て非活性化状態を維持することとなる。特にトランジスタTr7はオフ状態、トランジスタTr8はオン状態を維持しているため、トランジスタTr6のゲートには常にハイレベルが印加されている状態であるため、トランジスタTr6は常にオフ状態となっている。
また、ST2がハイレベルで端子INにローレベルの入力が入ってこないためトランジスタTr5のゲートは常にハイレベルが印加されている状態であるため、オフ状態となっている。
第1の走査回路5が駆動しているため、対応するシフトレジスタ1のOUT端子がローレベルになると同時にそのOUT端子に接続されているゲートバスライン7もローレベルに遷移する。このとき、共有している第2の走査回路6の対応するシフトレジスタ1のトランジスタTr6がオフ状態を維持しているため、トランジスタTr6を経由してVDD電源側に定常電流が流れることを防止することができる。
期間T2では、逆に、第2の走査回路6を駆動し、第1の走査回路5を停止される。各々の内部の駆動方法については、T1期間における第1の走査回路5の駆動方法を、第2の走査回路6に適用し、T1期間における第2の走査回路6の駆動方法を、第1の走査回路5に適用すればよい。
以上説明したとおり本実施例により、PMOSで構成されたトランジスタ回路を用いた双方向走査回路を有する表示装置を実現できる。
<実施例3>
次に、本発明の第3の実施例を説明する。本実施例の表示装置の構成は、前記第1の実施例と同様、図1及び図2に示した構成とされるが、表示部4を構成する画素は、図5に示した構成である。また、走査回路の構成についても、第1の実施例と同様、図3(a)、図3(b)に示した構成とされる。
ただし、スタート信号であるST1、ST2は、本実施例においては、好ましくは、ST1とST2は同じ信号STとさせる(STが共通にST1、ST2として用いられる)。
本実施例は、走査回路を構成するシフトレジスタ1の構成が、第1の実施例と異なるため、図10を用いて本実施例のシフトレジスタ1の構成について説明する。
図10は、NMOSトランジスタで構成されたシフトレジスタ1の構成を示す回路図である。図10を参照すると、シフトレジスタ1は、CLK(n+1)にドレインとゲートが接続されたNMOSトランジスタTr1と、トランジスタTr1のソースにドレインが接続され、ゲートが端子INに接続され、ソースがVSSに接続されたNMOSトランジスタTr2と、端子INにドレインとゲートが接続されたNMOSトランジスタTr3と、トランジスタTr3のソースにドレインが接続され、ゲートがトランジスタTr1のソースとトランジスタTr2のドレインの接続点に接続され、ソースがVSSに接続されたトランジスタTr4と、CLK(n)端子にドレインが接続されソースが端子OUTに接続されたNMOSトランジスタTr5と、端子OUTにドレインが接続されソースがVSSに接続されたNMOSトランジスタTr6と、トランジスタTr3のソースとトランジスタTr5のゲート間に接続され、ゲートが端子D1に接続されたNMOSトランジスタTr9と、トランジスタTr1のソースとトランジスタTr2のドレインの接続点と、トランジスタTr6のゲート間にに接続され、ゲートが端子D1に接続されたNMOSトランジスタTr7と、トランジスタTr6のゲート間に接続され、ゲートが端子D2に接続されたNMOSトランジスタTr8と、トランジスタTr5のゲートにドレインが接続され、ソースがVSSに接続され、ゲートが端子D2に接続されたNMOSトランジスタTr10と、を備えている。
回路の構成上、トランジスタTr1〜トランジスタTr8までは、前記第1の実施例の構成と同一である。トランジスタTr9は、ゲートにD1信号を受けてトランジスタTr5とトランジスタTr3、及びトランジスタTr4のソース・ドレインとを分離する。また、トランジスタTr10は、ゲートにD2信号を受けて、トランジスタTr5のゲートとVSSを短絡する。
このシフトレジスタ1は、前記第1の実施例の構成に、トランジスタTr9、及びトランジスタTr10を付加した構成である。ただし、接続される配線は、第1の実施例に既存の(VSS、D1、D2)であるため、端子構成は、第1の実施例と相違ない。
図12は、本発明の第3の実施例の動作を説明するタイミングチャートである。本実施例において、スタート信号STは、第1の走査回路5、及び第2の走査回路6のどちらにおいても同じ信号が入力される。
トランジスタTr9、及びトランジスタTr10はそれぞれトランジスタTr7、及びトランジスタTr8と同様にそれぞれD1、及びD2とゲート接続されているため、トランジスタTr9、及びトランジスタTr10の動作は第1の実施例に記載したトランジスタTr7、及びトランジスタTr8の動作と相違ない。
本発明の第3の実施例においても、第1の走査回路5が出力動作を行っている間は、第2の走査回路6が出力を停止する。また、第2の走査回路6が出力動作を行っている間は、第1の走査回路5が出力を停止する。
出力動作を行っているときのシフトレジスタ1のトランジスタTr7、及びトランジスタTr9は、オン状態、また、トランジスタTr8、及びトランジスタTr10はオフ状態となっている。
一方、出力停止状態のシフトレジスタ1のトランジスタTr7、及びトランジスタTr9は、オフ状態、また、トランジスタTr8、及びトランジスタTr10はオン状態となっている。これにより、トランジスタTr5、及びトランジスタTr6が共にオフ状態となり、出力を停止する側のシフトレジスタ1にスタート信号STが入力されていても、OUT端子への信号出力が行われない。また、本実施例の動作においてスタート信号STは、図8に示すように、ST1とST2の信号を用いても構わない。
以上、NMOSトランジスタで構成されたシフトレジスタ1の構成と、その動作について説明したが、本実施例は、PMOSトランジスタで構成された場合についても適用される。
図11に、PMOSトランジスタで構成されたシフトレジスタ1の構成を示し、図13に、動作を示すタイミングチャートを示す。
図11を参照すると、CLK(n+1)端子にドレインとゲートが接続されたPMOSトランジスタTr1と、トランジスタTr1のソースにドレインが接続され、ゲートが端子INに接続され、ソースがVDDに接続されたPMOSトランジスタTr2と、端子INにドレインとゲートが接続されたPMOSトランジスタTr3と、トランジスタTr3のソースにドレインが接続され、ゲートがトランジスタTr1のソースとトランジスタTr2のドレインの接続点に接続され、ソースがVDDに接続されたトランジスタTr4と、CLK(n)端子にドレインが接続されソースが端子OUTに接続されたPMOSトランジスタTr5と、端子OUTにドレインが接続されソースがVSSに接続されたPMOSトランジスタTr6と、トランジスタTr3のソースとトランジスタTr5のゲート間に接続され、ゲートが端子D1に接続されたPMOSトランジスタTr9と、トランジスタTr1のソースとトランジスタTr2のドレインの接続点と、トランジスタTr6のゲート間にに接続され、ゲートが端子D1に接続されたPMOSトランジスタTr7と、VDDとトランジスタTr6のゲート間に接続され、ゲートが端子D2に接続されたPMOSトランジスタTr8と、トランジスタTr5のゲートにドレインが接続され、ソースがVDDに接続され、ゲートが端子D2に接続されたPMOSトランジスタTr10と、を備えている。
回路の構成上、トランジスタTr1〜トランジスタTr8までは、図6の第2の実施例のものと相違ない。トランジスタTr9はD1信号を受けてトランジスタTr5とトランジスタTr3、及びトランジスタTr4のソース・ドレインとを分離する。また、トランジスタTr10はD2信号を受けてトランジスタTr5のゲートとVDDを短絡する。第3の実施例のシフトレジスタ1は、第2の実施例の構成に、トランジスタTr9、及びトランジスタTr10を付加した構成である。ただし、接続される配線は、第2の実施例に既存の(VDD、D1、D2)であるため、端子構成は第2の実施例と相違ない。また、図13に示すように、PMOS構成のシフトレジスタ1の動作は、NMOS構成のシフトレジスタ1と同様、第1の走査回路5が出力動作を行っている間は、第2の走査回路6が出力を停止する。また、第2の走査回路6が出力動作を行っている間は、第1の走査回路5が出力を停止する。出力動作を行っているときの図11に示したシフトレジスタ1のトランジスタTr7、及びトランジスタTr9は、オン状態、また、トランジスタTr8、及びトランジスタTr10はオフ状態となっている。一方、出力停止状態のシフトレジスタ1のトランジスタTr7、及びトランジスタTr9は、オフ状態、また、トランジスタTr8、及びトランジスタTr10はオン状態となっている。これにより、トランジスタTr5、及びトランジスタTr6が共にオフ状態となり、出力を停止する側のシフトレジスタ1にスタート信号STが入力されていても、OUT端子への信号出力が行われない。
また、本実施例の別の構成として、スタート信号STが入力される1段目のみ図10に示したシフトレジスタ1で、2段目以降のシフトレジスタ1が図4に示す構成であってもよい。
また、PMOSで構成する場合は、スタート信号STが入力される1段目のみ図11で示したシフトレジスタ1で、2段目以降のシフトレジスタ1が図6に示す構成でも構わない。
以上のように本発明の第3の実施例は、シフトレジスタ1の構成と、スタート信号が第1の走査回路5と第2の走査回路6とで共通のパルスを利用できる点が、前記第1の実施例と異なっている。
<実施例4>
次に、本発明の第4の実施例を説明する。本発明の第4の実施例の表示装置の構成は、前記第1の実施例と同様、図1、及び図2に示した構成と同一とされる。
本実施例では、走査回路、及び走査回路を構成するシフトレジスタの構成が他の実施例と異なるため、図14(b)、及び図15(a)、(b)を用いて説明する。
図15(a)、図15(b)は、本実施例の走査回路の構成を示す図である。図14(b)は、本実施例のNMOSトランジスタで構成されたシフトレジスタの回路構成を示す図である。図15(a)、図15(b)を参照すると、走査回路2は、複数のシフトレジスタ1と配線群(CLK1、CLK2、CLK3、ST1(又はST2)、D(又は/D))とから構成されている。
各段のシフトレジスタ1のCLK(n)端子とCLK(n+1)端子に関して、1段目のシフトレジスタ1のCLK(n)端子とCLK(n+1)端子はCLK1とCLK2、2段目のシフトレジスタ1のCLK(n)端子とCLK(n+1)端子はCLK2とCLK3、3段目のシフトレジスタ1のCLK(n)端子とCLK(n+1)端子はCLK3とCLK1にそれぞれ接続される。また、4段目以降のシフトレジスタ1のCLK(n)端子とCLK(n+1)端子に関しても、1段目から3段目のシフトレジスタ1のCLK(n)端子とCLK(n+1)端子の接続形態が繰り返される。
ST1(ST2)は転送を開始するための制御信号であり、1段目のIN端子に入力される。ST1は第1走査回路5に入力され、ST2は第2走査回路6に入力される。また、次段以降のシフトレジスタ1のIN端子には、前段のシフトレジスタの出力端子OUTからの信号が入力される。
図14(b)を参照すると、本実施例のシフトレジスタ1は、ゲートとドレインがCLK(n+1)端子に接続されたNMOSトランジスタTr1と、トランジスタTr1のソースにドレインが接続されゲートがINに接続されソースがVSSに接続されたNMOSトランジスタTr2と、ゲートとドレインがINに接続されたNMOSトランジスタTr3と、ドレインがトランジスタTr3のソースに接続されゲートがトランジスタTr1のソースとTr2のドレインの接続点に接続されソースがVSSに接続されたNMOSトランジスタTr4と、ドレインがCLK(n)端子に接続され、ゲートがトランジスタTr3のソースとTr4のドレインの接続点に接続され、ソースが端子OUTに接続されたNMOSトランジスタTr5と、ドレインが端子OUTに接続され、ゲートがトランジスタTr1のソースとトランジスタTr2のドレインの接続点に接続されたNMOSトランジスタTr6と、ドレインがトランジスタTr6のソースに接続されゲートが端子Dに接続され、ソースがVSSに接続されたトランジスタTr11を備えている。回路の構成上、トランジスタTr1〜トランジスタTr6までは第1の実施例の構成と同一である。
シフトレジスタ1は、IN、CLK(n)、CLK(n+1)、OUT、VSS、Dからなる端子を有する。
トランジスタTr11は信号Dを受けてオン・オフの制御を行う。
また、信号D、及び信号/Dは、互いのハイレベル、ローレベルが反転した相補信号であり、第1の走査回路5と第2の走査回路6のいずれかに接続される。例えば第1の走査回路5にDが接続された場合には、第2の走査回路6には/Dが接続される。D、又は/Dはそれぞれのシフトレジスタ1内の端子(D)に接続される。
次に、本発明の第4の実施例の動作について、図17を用いて説明する。図17は、本実施例の走査回路の動作を示すタイミングチャートである。本実施例は、前記第1の実施例と同様、第1の走査回路5が駆動している間は第2の走査回路6は出力を停止する、又は第2の走査回路6が駆動している間は、第1の走査回路5が出力を停止する。
まず、出力動作を行っている走査回路2のシフトレジスタ1は、図17に示すとおり、期間T1において、Dがハイレベルに維持されているので、トランジスタTr11はオン状態を維持している。その状態において、トランジスタTr1〜トランジスタTr6の動作は基本的に第1の実施例のトランジスタTr1〜トランジスタTr6の動作と相違ないため、OUTにハイレベルを出力すると同時に次段へ転送する動作を行う。
出力停止している走査回路2のシフトレジスタ1は、/Dがローレベルに維持されているため、トランジスタTr11はオフ状態を維持する。
従って、VSS−OUT間が電気的に切断されている状態となるため、出力停止状態を維持することが可能となる。
以上、NMOSトランジスタで構成されたシフトレジスタ1の構成と、その動作について説明したが、本実施例は、PMOSトランジスタで構成された場合についても適用される。
図16(b)は、図14(b)のトランジスタをPMOSトランジスタで構成したシフトレジスタ1の構成を示す図であり、図18は、その動作を示すタイミングチャートである。
図16(b)を参照すると、本実施例のシフトレジスタ1は、ゲートとドレインがCLK(n+1)端子に接続されたPMOSトランジスタTr1と、トランジスタTr1のソースにドレインが接続されゲートがINに接続されソースがVDDに接続されたPMOSトランジスタTr2と、ゲートとドレインがINに接続されたPMOSトランジスタTr3と、トランジスタTr3のソースにドレインが接続されゲートがトランジスタTr1のソースとTr2のドレインの接続点に接続されソースがVDDに接続されたPMOSトランジスタTr4と、ドレインがCLK(n)端子に接続され、ゲートがトランジスタTr3のソースとTr4のドレインの接続点に接続されソースが端子OUTに接続されたPMOSトランジスタTr5と、ドレインが端子OUTに接続され、ゲートがトランジスタTr1のソースとトランジスタTr2のドレインの接続点に接続されたPMOSトランジスタTr6と、ドレインがトランジスタTr6のソースに接続されゲートが端子Dに接続され、ソースがVDDに接続されたPMOSトランジスタTr11を備えている。回路の構成上、トランジスタTr1〜トランジスタTr8までは第1の実施例のものと相違ない。
PMOSで構成されたシフトレジスタ1も同様に、IN、CLK(n)、CLK(n+1)、OUT、VSS、Dからなる端子を有する。トランジスタTr11は信号Dを受けてオン・オフの制御を行う。
また、信号/Dは、信号Dの相補信号であり、第1の走査回路5と第2の走査回路6のいずれかに接続される。例えば第1の走査回路5にDが接続された場合には、第2の走査回路6には/Dが接続される。D、又は/Dはそれぞれのシフトレジスタ1内の端子(D)に接続される。
PMOS構成のシフトレジスタ1の動作は、図18より、NMOS構成の場合と同様、第1の走査回路5が駆動している間は第2の走査回路6は出力を停止する、又は第2の走査回路6が駆動している間は第1の走査回路5が出力を停止する。また、出力動作を行っている走査回路と、出力停止している側の走査回路の動作については基本的にはNMOS構成の場合と相違はない。ただし、動作停止側の走査回路のシフトレジスタ1は、トランジスタTr11がオフ状態となることにより、VDD−OUT間が電気的に切断されているため、出力停止状態を維持することが可能となる。
<実施例5>
次に本発明の第5実施例を説明する。本発明の第5の実施例の表示装置の構成は、前記第1の実施例と同様、図1、及び図2に示した構成と同一とされる。また、走査回路は第4の実施例と同様、図15(a)、(b)に示した構成と同一であるが、本実施例において、スタート信号(ST1、ST2)は、好ましくは信号STが用いられる。
本実施例では、走査回路を構成するシフトレジスタの構成が他の実施例と異なるため、図14(a)を用いて説明する。図14(a)は、本実施例のNMOSトランジスタで構成されたシフトレジスタの回路構成を示す図である。
図14(a)を参照すると、本実施例のシフトレジスタ1は、ゲートとドレインがCLK(n+1)端子に接続されたNMOSトランジスタTr1と、トランジスタTr1のソースにドレインが接続されゲートがINに接続されソースがVSSに接続されたNMOSトランジスタTr2と、ゲートとドレインがINに接続されたNMOSトランジスタTr3と、トランジスタTr3のソースにドレインが接続されゲートがトランジスタTr1のソースとTr2のドレインの接続点に接続されソースがVSSに接続されたNMOSトランジスタTr4と、ドレインがCLK(n)端子に接続され、ゲートが端子Dに接続されたNMOSトランジスタTr11と、ドレインがトランジスタTr11のソースに接続されゲートがトランジスタTr3のソースとTr4のドレインの接続点に接続されソースが端子OUTに接続されたNMOSトランジスタTr5と、ドレインが端子OUTに接続され、ゲートがトランジスタTr1のソースとトランジスタTr2のドレインの接続点に接続されたNMOSトランジスタTr6と、ドレインがトランジスタTr6のソースに接続されゲートが端子Dに接続され、ソースがVSSに接続されたNMOSトランジスタTr12を備えている。回路の構成上、トランジスタTr1〜トランジスタTr6までは第1の実施例の構成と同一である。
シフトレジスタ1は、IN、CLK(n)、CLK(n+1)、OUT、VSS、Dからなる端子を有する。
トランジスタTr11、トランジスタTr12は信号Dを受けてオン・オフの制御を行う。また、信号D、及び信号/Dは、互いのハイレベル、ローレベルが反転した相補信号であり、第1の走査回路5と第2の走査回路6のいずれかに接続される。例えば第1の走査回路5に信号Dが接続された場合には、第2の走査回路6には信号/Dが接続される。信号D、又は信号/Dは、それぞれのシフトレジスタ1内のD端子に接続される。
次に本発明の第5実施例の動作について、図12を用いて説明する。本実施例は、第1の実施例と同様、第1の走査回路5が駆動している間は第2の走査回路6は出力を停止する、又は第2の走査回路6が駆動している間は第1の走査回路5が出力を停止する。
まず、出力動作を行っている走査回路2のシフトレジスタ1は、図12に示すとおり、期間T1において、信号Dがハイレベルに維持されているので、トランジスタTr11、及びトランジスタTr12(図14(a)参照)は共にオン状態を維持している。その状態において、トランジスタTr1〜トランジスタTr6の動作は、基本的に第1の実施例のトランジスタTr1〜トランジスタTr6の動作と相違ないため、OUT端子にハイレベルを出力すると同時に次段へ転送する動作を行う。
一方で、出力停止している走査回路2のシフトレジスタ1は、/Dがローレベルに維持されているため、トランジスタTr11、及びトランジスタTr12(図14(a)参照)は共にオフ状態を維持する。
従って、CLK(n)−OUT、及びVSS−OUT間が電気的に切断されている状態となるため、出力停止状態を維持することが可能となる。
以上、NMOSトランジスタで構成されたシフトレジスタ1の構成と、その動作について説明したが、本実施例は、PMOSトランジスタで構成された場合についても適用される。
図16(a)は、PMOSトランジスタで構成されたシフトレジスタ1の構成を示す図である。図13は、図16(a)のシフトレジスタ1の動作を説明するためのタイミングチャートである。
図16(a)を参照すると、本実施例のシフトレジスタ1は、ゲートとドレインがCLK(n+1)端子に接続されたPMOSトランジスタTr1と、トランジスタTr1のソースにドレインが接続されゲートがINに接続されソースがVDDに接続されたPMOSトランジスタTr2と、ゲートとドレインがINに接続されたPMOSトランジスタTr3と、トランジスタTr3のソースにドレインが接続されゲートがトランジスタTr1のソースとTr2のドレインの接続点に接続されソースがVDDに接続されたPMOSトランジスタTr4と、ドレインがCLK(n)端子に接続され、ゲートが端子Dに接続されたPMOSトランジスタTr11と、ドレインがトランジスタTr11のソースに接続されゲートがトランジスタTr3のソースとTr4のドレインの接続点に接続されソースが端子OUTに接続されたPMOSトランジスタTr5と、ドレインが端子OUTに接続され、ゲートがトランジスタTr1のソースとトランジスタTr2のドレインの接続点に接続されたPMOSトランジスタTr6と、ドレインがトランジスタTr6のソースに接続されゲートが端子Dに接続され、ソースがVDDに接続されたPMOSトランジスタTr12を備えている。回路の構成上、トランジスタTr1〜トランジスタTr8までは第1の実施例のものと相違ない。PMOSで構成されたシフトレジスタ1も同様に、IN、CLK(n)、CLK(n+1)、OUT、VSS、Dからなる端子を有する。トランジスタTr11、及びトランジスタTr12は、信号Dを受けてオン・オフ制御される。また、信号D、及び信号/Dは、互いのハイレベル、ローレベルが反転した相補信号であり、第1の走査回路5と第2の走査回路6のいずれかに接続される。例えば第1の走査回路5に信号Dが接続された場合には、第2の走査回路6には信号/Dが接続される。信号D、又は信号/Dはそれぞれのシフトレジスタ1内のD端子に接続される。
PMOS構成のシフトレジスタ1の動作は、図13より、NMOS構成の場合と同様、第1の走査回路5が駆動している間は第2の走査回路6は出力を停止するか、又は、第2の走査回路6が駆動している間は第1の走査回路5が出力を停止する。
また、出力動作を行っている走査回路と、出力停止している側の走査回路の動作については基本的にはNMOS構成の場合と相違はない。ただし、動作停止側の走査回路のシフトレジスタ1は、トランジスタTr11がオフ状態となることにより、CLK(n)−OUT、及びVDD−OUT間が電気的に切断されているため、出力停止状態を維持することが可能となる。
また、本実施例の動作においてスタート信号STが、図12又は図13に示すように、ST1とST2の信号を用いてもよい。
また、本実施例の別の構成として、スタート信号STが入力される1段目のみ図14(a)に示したシフトレジスタ1で、2段目以降のシフトレジスタ1は、図14(b)の構成でも構わない。このとき、2段目以降については、好ましくは、前段のシフトレジスタのOUT端子の信号を、ゲート信号に用いられる。
また、PMOSで構成する場合は、スタート信号STが入力される1段目のみ図16(a)で示したシフトレジスタ1で、2段目以降のシフトレジスタ1は、図16(b)の構成でも構わない。このとき、2段目以降については、前段のシフトレジスタのOUT端子の信号を、ゲート信号に用いることが望ましい。
以上のように本発明の第5実施例は、シフトレジスタ1の構成と、スタート信号が第1の走査回路5と第2の走査回路6とで共通のパルスを利用できる点が、第4の実施例と異なっている。
<実施例6>
次に、本発明の第6の実施例を説明する。本発明の第6の実施例の表示装置の構成は、図1に示した構成と同一である。本実施例においても、表示部4の両側に、第1の走査回路5、及び第2の走査回路6が配置されており、各々の走査回路の出力は、共通のゲートバスライン7で接続されている。また、図1の表示部4を構成する画素については、図5の構成が望ましい。
図19は、本実施例の走査回路の構成を示す図である。図19を参照すると、本実施例の走査回路は、シフトレジスタ1と出力回路20で構成されている。
シフトレジスタ1は、インバータ回路とクロックトインバータ回路が図に示すように接続されている。図19では、インバータ回路と、クロックトインバータ回路はそれぞれシンボルで書かれているが、これをNMOSトランジスタ、及びPMOSトランジスタで表した回路構成を、図20に示す。図20(A)のクロックドインバータは、例えば図20(B)に示した回路構成を表す。図20(B)を参照すると、CMOSインバータ(入力INにゲートが共通に接続され、共通接続されたドレインが出力OUTに接続されたPMOSトランジスタとNMOSトランジスタからなる)と高位側電源VDDとの間に、ゲートに信号Bを受けるPMOSトランジスタが挿入され、CMOSインバータと低位側電源VSSとの間に、ゲートに信号Aを受けるNMOSトランジスタが挿入されている。図20(B)において、信号Bは信号Aの相補信号とされる。図19(C)のインバータは、図19(D)に示したCMOSインバータで構成される。
また、出力回路20を、NMOSトランジスタ、及びPMOSトランジスタで表した回路図を図21に示す。図21より、出力回路20は、基本的にはP1・N1、及びP2・N2で構成されたインバータ回路が縦列接続された構成をとっているが、トランジスタN2のソースとVSS配線間に、NMOSトランジスタN3が挿入されている。NMOSトランジスタN3のゲートには制御信号Dの配線が接続されており、図示されない外部機器からの出力により、制御信号Dを介して、NMOSトランジスタN3のオン・オフが制御される。
図19に構成を示した本実施例の動作について、図22を用いて説明する。図22は、本実施例の動作を表すタイミングチャートである。図22では、第1の走査回路5が駆動している期間(T1)と、第2の走査回路が駆動している期間(T2)とに分けて示されている。
T1期間において、クロックAがハイレベル、クロックBがローレベルの状態において、INよりスタートパルスST1が入力されると、ノードaは、クロックトインバータCI1による反転動作により、ローレベルへ遷移する。それによって、ノードbはインバータCI1によってハイレベルになる。ここで、クロックトインバータCI2は、CI1とクロックA、クロックBの接続状態が逆のため、このタイミングではオフ状態である。したがって、ノードa、ノードbはそれぞれローレベル、ハイレベルにラッチされている。出力回路20は、ノードbがハイレベルで、制御信号DがローレベルでP3がオン状態となっているため、OUT1へハイレベルを転送する。
次に、クロックAがローレベル、クロックBがハイレベルへ遷移すると、クロックトインバータCI1がオフ状態、CI2がオン状態になるため、CI2の反転動作によりノードCはローレベルへ遷移する。ノードdは、I3の反転動作によりハイレベルへ遷移する。その結果、出力回路20を経由してOUT2にハイレベルを転送する。このように、順次、次段へ転送しながら各々の出力回路20によってOUTへハイレベルを出力していく。
一方、第2の走査回路6は、スタート信号ST2がローレベルに、制御信号Dがローレベルに維持されているため、OUTへのハイレベルの転送は行われず、NMOSトランジスタN3がオフ状態になっていることから、OUT出力がなされている。従って、第1の走査回路5において、OUTの電位がハイレベルに遷移した場合おいて、トランジスタN2を介して、VDD−VSS間の定常電流が流れる、ことを防止する。
T2期間では上記と逆の動作をおこなう。このとき、ST1はローレベルを維持し、ST2によって出力動作が行われる。
このように、本実施例ではCMOS構成の回路を利用した場合においても、他の実施例と同等の効果を得ることが可能となる。
<実施例7>
次に、本発明の第7の実施例を説明する。本発明の第7の実施例の表示装置の構成は、第6実施例と同様、図1に示す構成と同一である。本実施例においても、表示部4の両側に、第1の走査回路5、及び第2の走査回路6が配置されており、各々の走査回路の出力は、共通のゲートバスライン7で接続されている。また、図1の表示部4を構成する画素については、図5、又は図7のいずれの構成でも構わない。
図24は、本実施例の走査回路の構成を示す図である。図24を参照すると、本実施例の走査回路は、シフトレジスタ1と出力回路20で構成されている。シフトレジスタ1は、インバータ回路とクロックトインバータ回路が、図に示すように接続されている。第6の実施例と同様、インバータ回路と、クロックトインバータ回路は、図20に示した構成と同じである。スタート信号STは、第1の走査回路5と第2の走査回路6とで共通の信号を、それぞれ1段目のシフトレジスタ1のIN端子に入力する。
また、同様に、出力回路20を、NMOSトランジスタ、及びPMOSトランジスタで表した回路構成を、図25に示す。
図25を参照すると、出力回路20は、基本的には、PMOSトランジスタP1、NMOSトランジスタN1、及び、PMOSトランジスタP2、NMOSトランジスタN2で構成されたインバータ回路が縦列接続された構成をとっているが、PMOSトランジスタP2とVDD配線との間にPMOSトランジスタP3、及びNMOSトランジスタN2とVSS配線との間にNMOSトランジスタN3を備えている。NMOSトランジスタN3のゲートには信号Dの配線が接続され、PMOSトランジスタP3のゲートには信号/Dが接続されている。したがって、図示されない外部接続機器より出力された信号D及び信号/DによってNMOSトランジスタN3、及びPMOSトランジスタP3のオン・オフが制御される。
図23は、本実施例の走査回路の動作を表すタイミングチャートである。本実施例の走査回路は、スタートパルスST、クロックA、クロックBの制御により、次段のシフトレジスタ1への転送と、出力回路20によるOUTへの出力動作を行う。信号D、/Dにより、出力動作を行っていない側の走査回路2において、図25に示したトランジスタN3、及びP3がオフ状態となっているため、スタート信号が印加された場合においても、出力停止状態を維持することが可能となる。
本実施例は、前記第6の実施例と同様、CMOS構成の回路を適用することができるだけでなく、第1の走査回路5、及び第2の走査回路6でスタート信号を共通化することが可能となる。
<実施例8>
次に、本発明の第8の実施例を説明する。本実施例の表示装置の構成は、前記第6実施例と同様、図1に示した構成と同一とされる。本実施例においても、表示部4の両側に、第1の走査回路5、及び第2の走査回路6が配置されており、各々の走査回路の出力は、共通のゲートバスライン7で接続されている。また、図1の表示部4を構成する画素については、図5、又は図7のいずれの構成でも構わない。また、走査回路の構成は、第7実施例に示した図24の構成と同一である。本実施例では、出力回路20の構成が、第7実施例と相違している。図26に、本実施例の出力回路20の回路構成を示す。
図26を参照すると、出力回路20は、基本的にはPMOSトランジスタP1、NMOSトランジスタN1、及び、PMOSトランジスタP2、NMOSトランジスタN2で構成されたインバータ回路が縦列接続された構成をとっているが、PMOSトランジスタP2とNMOSトランジスタN2で構成されたインバータ段の出力部分と、OUT端子との間に、NMOSトランジスタN3、PMOSトランジスタP3で構成されたCMOSスイッチが介在している点が、第7の実施例と相違している。NMOSトランジスタN3のゲートには信号Dの配線が接続され、PMOSトランジスタP3のゲートには信号/Dが接続されている。したがって、図示されない外部接続機器より出力された信号D及び信号/DによってN3、及びP3のオン・オフが制御される。
本実施例の走査回路の動作は、基本的には、第7の実施例と相違はなく、図23に示すタイミングチャートと同様である。本実施例が第7の実施例と異なる点は、制御信号D、及び/Dによって、出力回路20のOUT端子が、上記CMOSスイッチによって電気的に切断される点である。
本実施例においては、第6の実施例と同様、CMOS構成の回路を適用することができるだけでなく、第1の走査回路5、及び第2の走査回路6でスタート信号を共通化することが可能となる。
以上第1の実施例から第8の実施例について、表示装置として液晶ディスプレイを例に挙げて説明した。
しかしながら、外部から入力された映像信号を受けて、表示部に画像を出力するマトリクス型表示装置であれば液晶ディスプレイに限定されるものではない。例えば、電流を印加して発光状態に遷移しうる発光素子群を、表示部とした発光型ディスプレイにも適用できる。発光型ディスプレイの例としては、無機EL(Electro−Luminescence)ディスプレイや有機ELディスプレイなどが挙げられる。またさらに、マトリクス状に配置された能動素子群を順次走査することにより駆動する装置においても同様に適用することができる。
上記の特許文献の各開示を、本書に引用をもって繰り込むものとする。本発明の全開示(請求の範囲を含む)の枠内において、さらにその基本的技術思想に基づいて、実施形態ないし実施例の変更・調整が可能である。また、本発明の請求の範囲の枠内において種々の開示要素の多様な組み合わせないし選択が可能である。
本発明の実施例の表示装置の構成を示す図である。 本発明の第1の実施例の本実施例の表示装置の断面を模式的に示す図である。 本発明の第1の実施例の走査回路の構成を示すブロック図である。 本発明の第1の実施例のシフトレジスタの回路構成を示す図である。 本発明の第1の実施例の表示装置の画素部分の回路構成を示す図である。 本発明の第2の実施例のPMOSで構成されたシフトレジスタの回路構成を示す図である。 本発明の第2の実施例の画素の回路構成を示す図である。 本発明の第1の実施例の動作を示すタイミングチャートである。 本発明の第2の実施例の動作を示すタイミングチャートである。 本発明の第3の実施例のシフトレジスタの回路構成を示す図である。 本発明の第3の実施例のシフトレジスタの別の回路構成を示す図である。 本発明の第3の実施例、及び第5の実施例の走査回路の動作を示すタイミングチャートである。 本発明の第3の実施例、及び第5の実施例の走査回路の動作を示すタイミングチャートである。 本発明の第4の実施例、又は第5の実施例のシフトレジスタの回路構成を示す図である。 本発明の第4の実施例の走査回路の構成を示すブロック図である。 本発明の第4の実施例、又は第5の実施例のシフトレジスタの回路構成を示す図である。 本発明の第4の実施例のNMOS構成の走査回路の動作を示すタイミングチャートである。 本発明の第4の実施例のPMOS構成の走査回路の動作を示すタイミングチャートである。 本発明の第6実施例の走査回路の構成を示す図である。 本発明の第6実施例の走査回路のシンボルの回路構成を示す図である。 本発明の第6実施例の走査回路の出力回路の回路構成を示す図である。 本発明の第6実施例の動作を示すタイミングチャートである。 本発明の第7実施例の動作を示すタイミングチャートである。 本発明の第7実施例の走査回路の構成を示す図である。 本発明の第7実施例の走査回路中の出力回路の回路構成を示す図である。 本発明の第8実施例の走査回路中の出力回路の別の回路構成を示す図である。 特許文献1の平面表示装置の概略構成を示す図である。 特許文献1の3位相双方向シフトレジスタの一つの回路構成を示す図である。 特許文献1の順方向パルスシフト時のタイミングチャートである。 特許文献1の逆方向パルスシフト時のタイミングチャートである。 特許文献2のシフトレジスタの構成を示すブロック図である。 特許文献2の(a)順方向シフトする通常動作を示すタイムチャート、(b)逆方向シフトする反転動作を示すタイムチャートである。 特許文献3の(a)単一シフト方向のシフトレジスタの構成、(b)双方向シフトレジスタの構成を示す図である。 画素ピッチと回路幅Lの説明するための図である。
符号の説明
1 シフトレジスタ
2 走査回路
3 回路基板
4 表示部
5 第1の走査回路
6 第2の走査回路
7 ゲートバスライン
8 ソースIC
9 端子列
10 データバスライン
11 液晶部
12 保持容量
13 スイッチトランジスタ
14 対向基板
16 共通配線
20 出力回路
21 画素
101 アレイ基板
102 走査線駆動回路
103 信号線駆動回路
104 垂直シフトレジスタ
105 レベルシフタ
106 水平シフトレジスタ
110 画素スイッチ(スイッチング素子、薄膜トランジスタ:TFT)
111 液晶
120 データ線

Claims (23)

  1. それぞれが単位レジスタを複数有する第1の走査回路と第2の走査回路を備え、
    前記第1の走査回路と前記第2の走査回路の対応する単位レジスタの出力同士が互いに接続され、
    前記第1の走査回路と前記第2の走査回路の前記単位レジスタは、
    制御信号に基づき、出力信号を出力する状態又は出力しない状態に、出力の状態を切り替える回路要素を備えている、ことを特徴とする半導体回路。
  2. 前記第1及び第2の走査回路の一方が出力信号を出力している期間、他方は出力信号を出力しない状態とされる、ことを特徴とする請求項1記載の半導体回路。
  3. 前記第1の走査回路の走査方向と、前記第2の走査回路の走査方向とが相反していることを特徴とする請求項1記載の半導体回路。
  4. 前記回路要素が、走査方向を指定する信号、又は前記走査方向を指定する信号から生成された信号を、前記制御信号として入力し、オン・オフ制御される第1のスイッチ回路と第2のスイッチ回路を備え、
    前記第1のスイッチ回路は、前記単位レジスタ内において、前記出力信号を発生する出力用トランジスタのゲート電極と、前記ゲート電極を制御する配線との間に配置され、
    前記第2のスイッチ回路は、前記第1のスイッチ回路と、前記出力用トランジスタとの間のノードと、前記出力用トランジスタをオフ状態とし得る信号線との間に配置されていることを特徴とする請求項1記載の半導体回路。
  5. 前記回路要素が、走査方向を指定する信号、又は前記走査方向を指定する信号から生成された信号によって、オン・オフ制御される第1乃至第4のスイッチ回路を備え、
    前記第1のスイッチ回路は、前記単位レジスタ内において、
    前記出力信号を発生する第1の出力用トランジスタのゲート電極と、前記ゲート電極を制御する配線との間に配置され、
    前記第2のスイッチ回路は、前記第1のスイッチ回路と、前記第1の出力用トランジスタとの間のノードと、前記第1の出力用トランジスタをオフ状態とし得る信号線との間に配置され、
    前記第3のスイッチ回路が、前記単位レジスタ内の、前記第1の出力用トランジスタとは異なる電位の制御信号を発生する第2の出力用トランジスタのゲート電極と、前記ゲート電極を制御する配線との間に配置され、
    前記第4のスイッチ回路が、前記第3のスイッチ回路と、前記第2の出力用トランジスタとの間のノードと、前記第2の出力用トランジスタをオフ状態とし得る信号線との間に配置されている、ことを特徴とする請求項1記載の半導体回路。
  6. 前記回路要素が、
    走査方向を指定する信号、又は前記走査方向を指定する信号から生成された信号によってゲート制御される第1のスイッチ回路、及び第2のスイッチ回路と、
    前記出力信号を発生する第1の出力用トランジスタ、及び第2の出力用トランジスタと、
    前記第1の出力用トランジスタをオフ状態とする第1の信号線と、
    前記第2の出力用トランジスタをオフ状態とする第2の信号線と、
    前記単位レジスタの出力信号を転送する出力信号線とを備え、
    前記第1のスイッチ回路は、前記出力信号線と、前記第1の制御信号線との間に設置され、
    前記第2のスイッチ回路が、前記出力信号線と、前記第2の制御信号線との間に設置されていることを特徴とする請求項1記載の半導体回路。
  7. 前記回路要素が、走査方向を指定する信号、又は前記走査方向を指定する信号から生成された信号によってオン・オフ制御されるスイッチ回路と、
    逆導電型の2つのトランジスタを含むインバータ回路と、
    高電位電源線、及び低電位電源線と、
    前記単位レジスタの出力信号を転送する出力信号線と、
    を備え、
    前記スイッチ回路が、前記低電位電源線と前記出力信号線との間、又は、前記高電位電源線と前記出力信号線との間に、配置されている、
    ことを特徴とする請求項1記載の半導体回路。
  8. 前記回路要素が、走査方向を指定する信号、又は前記走査方向を指定する信号から生成された信号によってゲート制御される第1のスイッチ回路、および第2のスイッチ回路と、
    逆導電型の2つのトランジスタを含むインバータ回路と、
    高電位電源線、及び低電位電源と、
    前記単位レジスタの出力信号を転送する出力信号線とを備え、
    前記第1のスイッチ回路が、前記低電位電源線と前記出力信号線との間に設置され、
    前記第2のスイッチ回路が、前記高電位電源線と前記出力信号線との間に設置されていることを特徴とする請求項1記載の半導体回路。
  9. 前記回路要素が、走査方向を指定する信号、又は前記走査方向を指定する信号から生成された信号によってオン・オフ制御されるスイッチ回路を備え、
    前記出力信号を発生する回路が、
    逆導電型の2つのトランジスタを含むインバータ回路を備え、
    前記スイッチ回路が、前記出力信号配線と前記インバータ回路の出力ノードとの間に配置されていることを特徴とする請求項1記載の半導体回路。
  10. 前記第1の走査回路を構成する前記単位レジスタと、前記第2の走査回路を構成する前記単位レジスタの回路構成及び回路配置が、回路動作に影響する範囲において等しいことを特徴とする請求項1記載の半導体回路。
  11. 前記第1の走査回路及び前記第2の走査回路が、それぞれ、NMOSトランジスタで形成されていることを特徴とする請求項1記載の半導体回路。
  12. 前記第1の走査回路及び前記第2の走査回路が、それぞれ、PMOSトランジスタで形成されていることを特徴とする請求項1記載の半導体回路。
  13. 前記第1の走査回路及び前記第2の走査回路が、それぞれ、CMOSで形成されていることを特徴とする請求項1記載の半導体回路。
  14. 前記単位レジスタが、
    ゲートとドレインが第2のクロック端子に接続された第1のトランジスタと、
    ドレインが前記第1のトランジスタのソースに接続され、ゲートが入力端子に接続されソースが第1の電源に接続された第2のトランジスタと、
    ゲートとドレインが前記入力端子に接続された第3のトランジスタと、
    ドレインが前記第3のトランジスタのソースに接続され、ゲートが前記第2のトランジスタのドレインに接続され、ソースが第1の電源に接続された第4のトランジスタと、
    ドレインが第1のクロック端子に接続され、ゲートが前記第3のトランジスタのソースに接続され、ドレインが出力端子に接続された第5のトランジスタと、
    ドレインが前記出力端子に接続され、ソースが前記第1の電源に接続された第6のトランジスタと、
    前記第1のトランジスタのソースと前記第2のトランジスタのドレインの接続点と、前記第6のトランジスタのゲート間に接続され、ゲートが第1の制御端子に接続された第7のトランジスタと、
    ドレインが前記第6のトランジスタのゲートに接続されゲートが第2の制御端子に接続されソースが第1の電源に接続された第8のトランジスタと、
    を備えている、ことを特徴とする請求項1記載の半導体回路。
  15. 前記単位レジスタは、3相クロックで駆動され、
    前記各走査回路を構成する複数の前記単位レジスタは縦列に接続され、初段の単位レジスタに入力されたパルスの位相を単位レジスタでシフトさせながら後段の単位レジスタに伝達する構成とされ、
    前記第1、第2のクロック端子には、3相クロックのうち、相隣る位相のクロックが入力され、
    初段の単位レジスタの入力信号端子には、パルスが入力され、
    単位レジスタの出力端子は対応するゲートラインに接続されるとともに、後段の単位レジスタの入力端子に接続され、
    前記第1の走査回路の単位レジスタにおいて、前記第1、第2の制御端子には、順方向シフト、逆方向シフトのときに活性化する信号がそれぞれ入力され、
    前記第2の走査回路の単位レジスタにおいて、前記第1、第2の制御端子には、逆方向シフト、順方向シフトのときに活性化する信号がそれぞれ入力される、ことを特徴とする、請求項14記載の半導体回路。
  16. 前記単位レジスタが、
    ドレインとゲートが第2のクロック端子に接続された第1のトランジスタと、
    ドレインが前記第1のトランジスタのソースに接続され、ゲートが入力端子に接続され、ソースが第1電源に接続された第2のトランジスタと、
    ドレインとゲートが前記入力端子に接続された第3のトランジスタと、
    ドレインが前記第3のトランジスタのソースに接続され、ゲートが前記第1のトランジスタのソースと前記第2のトランジスタのドレインの接続点に接続され、ソースが第1電源に接続された第4のトランジスタと、
    ドレインが第1のクロック端子に接続されソースが出力端子に接続された第5のトランジスタと、
    ドレインが前記出力端子にドレインが接続されソースが第1電源に接続された第6のトランジスタと、
    前記第1のトランジスタのソースと前記第2のトランジスタのドレインの接続点と、前記第6のトランジスタのゲート間に接続され、ゲートが前記第1の制御端子に接続された第7のトランジスタと、
    前記第6のトランジスタのゲートと第1の電源間に接続され、ゲートが第2の制御端子に接続された第8のトランジスタと、
    前記第3のトランジスタのソースと前記第4のトランジスタのドレインの接続点と、前記第5のトランジスタのゲート間に接続され、ゲートが第1の制御端子に接続された第9のトランジスタと、
    前記第5のトランジスタのゲートにドレインが接続され、ソースが第1電源に接続され、ゲートが前記第2の制御端子に接続された第10のトランジスタと、
    を備えている、ことを特徴とする、請求項1記載の半導体回路。
  17. 前記単位レジスタは、3相クロックで駆動され、
    前記各走査回路を構成する複数の前記単位レジスタは縦列に接続され、初段の単位レジスタに入力されたパルスの位相を単位レジスタでシフトさせながら後段の単位レジスタに伝達する構成とされ、
    前記第1、第2のクロック端子には、3相クロックの相隣る位相のクロックが入力され、
    初段の単位レジスタの入力信号端子には、パルスが入力され、前記単位レジスタの出力端子は対応するゲートラインに接続されるとともに、後段の単位レジスタの入力端子に接続され、
    前記第1の走査回路の単位レジスタにおいて、前記第1、第2の制御端子には、順方向シフト、逆方向シフトのときに活性化する信号がそれぞれ入力され、
    前記第2の走査回路の単位レジスタにおいて、前記第1、第2の制御端子には、逆方向シフト、順方向シフトのときに活性化する信号がそれぞれ入力される、ことを特徴とする、請求項16記載の半導体回路。
  18. 前記単位レジスタが、
    ドレインとゲートが第2のクロック端子に接続された第1のトランジスタと、
    ドレインが前記第1のトランジスタのソースに接続され、ゲートが入力端子に接続され、ソースが第1電源に接続された第2のトランジスタと、
    ドレインとゲートが前記入力端子に接続された第3のトランジスタと、
    ドレインが前記第3のトランジスタのソースに接続され、ゲートが前記第1のトランジスタのソースと前記第2のトランジスタのドレインの接続点に接続され、ソースが第1電源に接続された第4のトランジスタと、
    ドレインが第1のクロック端子に接続され、ソースが出力端子に接続された第5のトランジスタと、
    ドレインが前記出力端子にドレインが接続され、ゲートが前記第1のトランジスタのソースと前記第2のトランジスタのドレインの接続点と前記第4のトランジスタのゲートに接続された第6のトランジスタと、
    ドレインが前記第6のトランジスタのソースに接続され、ゲートが第1の制御端子に接続され、ソースが前記第1電源に接続された第7のトランジスタと、
    を備えている、ことを特徴とする、請求項1記載の半導体回路。
  19. 前記単位レジスタは、3相クロックで駆動され、
    前記各走査回路を構成する複数の前記単位レジスタは縦列に接続され、初段の単位レジスタに入力されたパルスの位相を単位レジスタでシフトさせながら後段の単位レジスタに伝達する構成とされ、
    前記第1、第2のクロック端子には、3相クロックの相隣る位相のクロックが入力され、
    初段の単位レジスタの入力信号端子には、パルスが入力され、前記単位レジスタの出力端子は対応するゲートラインに接続されるとともに、後段の単位レジスタの入力端子に接続され、
    前記第1の走査回路の単位レジスタにおいて、前記第1の制御端子には、順方向シフトのときに活性化する信号が入力され、
    前記第2の走査回路の単位レジスタにおいて、前記第1の制御端子には、逆方向シフトのときに活性化する信号が入力される、ことを特徴とする、請求項18記載の半導体回路。
  20. 前記単位レジスタが、前記第1のクロック端子と前記第5のトランジスタのドレインの間に、ゲートが前記第1の制御端子に接続された第8のトランジスタをさらに備えている、ことを特徴とする請求項18記載の半導体回路。
  21. 前記単位レジスタが、入力信号をクロック信号に応答してラッチするラッチ回路と、
    前記ラッチ回路の出力を受け、第1の制御信号に基づき、出力がオン・オフ制御される出力回路を備えていることを特徴とする請求項1記載の半導体回路。
  22. 複数の画素が配列された画素アレイと、前記画素を活性化する半導体回路とを具備した表示装置において、
    前記半導体回路は、請求項1乃至21のいずれか一項に記載の半導体回路よりなり、
    前記画素は、前記第1の走査回路、又は前記第2の走査回路を構成する単位レジスタから出力された出力信号によって制御されることを特徴とする表示装置。
  23. 複数の画素が配列された表示部を間に対向配置され、走査信号をラインごとに供給する第1、第2の走査回路を備えた表示装置の駆動方法であって、
    前記第1の走査回路が出力信号を出力している期間、前記第2の走査回路は出力信号を出力しない状態とされ、
    前記第2の走査回路が出力信号を出力している期間、前記第1の走査回路は出力信号を出力しない状態とされ、
    前記第2の走査回路の走査方向は前記第1の走査回路の走査方向と逆方向であり、双方向走査を行う、ことを特徴とする表示装置の駆動方法。
JP2007185974A 2007-07-17 2007-07-17 半導体回路とそれを用いた表示装置並びにその駆動方法 Active JP4968681B2 (ja)

Priority Applications (4)

Application Number Priority Date Filing Date Title
JP2007185974A JP4968681B2 (ja) 2007-07-17 2007-07-17 半導体回路とそれを用いた表示装置並びにその駆動方法
US12/174,808 US20090021466A1 (en) 2007-07-17 2008-07-17 Semiconductor circuit, display apparatus employing the same, and driving method therefor
CN200810133833.XA CN101350179B (zh) 2007-07-17 2008-07-17 半导体电路和使用该半导体电路的显示装置以及其驱动方法
US13/339,804 US8654056B2 (en) 2007-07-17 2011-12-29 Semiconductor circuit and display apparatus employing the same

Applications Claiming Priority (1)

Application Number Priority Date Filing Date Title
JP2007185974A JP4968681B2 (ja) 2007-07-17 2007-07-17 半導体回路とそれを用いた表示装置並びにその駆動方法

Publications (2)

Publication Number Publication Date
JP2009027265A JP2009027265A (ja) 2009-02-05
JP4968681B2 true JP4968681B2 (ja) 2012-07-04

Family

ID=40264440

Family Applications (1)

Application Number Title Priority Date Filing Date
JP2007185974A Active JP4968681B2 (ja) 2007-07-17 2007-07-17 半導体回路とそれを用いた表示装置並びにその駆動方法

Country Status (3)

Country Link
US (2) US20090021466A1 (ja)
JP (1) JP4968681B2 (ja)
CN (1) CN101350179B (ja)

Families Citing this family (36)

* Cited by examiner, † Cited by third party
Publication number Priority date Publication date Assignee Title
JP3183390B2 (ja) * 1995-09-05 2001-07-09 キヤノン株式会社 光電変換装置及びそれを用いた撮像装置
JP4439761B2 (ja) * 2001-05-11 2010-03-24 株式会社半導体エネルギー研究所 液晶表示装置、電子機器
US8330492B2 (en) 2006-06-02 2012-12-11 Semiconductor Energy Laboratory Co., Ltd. Liquid crystal display device and electronic device
JP5540430B2 (ja) * 2009-04-14 2014-07-02 Nltテクノロジー株式会社 走査線駆動回路、表示装置及び走査線駆動方法
WO2010150607A1 (en) 2009-06-25 2010-12-29 Semiconductor Energy Laboratory Co., Ltd. Display device and electronic device
KR101653246B1 (ko) * 2010-02-03 2016-09-12 삼성디스플레이 주식회사 표시 패널의 구동 방법 및 이를 수행하기 위한 표시 장치
JP2011164534A (ja) * 2010-02-15 2011-08-25 Hitachi Displays Ltd 表示装置
KR101798260B1 (ko) * 2010-03-12 2017-11-15 가부시키가이샤 한도오따이 에네루기 켄큐쇼 표시 장치
KR101840181B1 (ko) * 2010-05-21 2018-03-19 가부시키가이샤 한도오따이 에네루기 켄큐쇼 펄스 출력 회로, 시프트 레지스터, 및 표시 장치
CN101846835B (zh) * 2010-06-11 2012-11-07 华映光电股份有限公司 对向扫描讯号发送系统及其方法
JP5839896B2 (ja) 2010-09-09 2016-01-06 株式会社半導体エネルギー研究所 表示装置
CN102411891B (zh) * 2010-09-21 2014-10-08 群康科技(深圳)有限公司 显示装置及其驱动方法
KR101696480B1 (ko) * 2010-10-12 2017-01-13 엘지디스플레이 주식회사 액정표시장치 및 그 제조방법
JP5679172B2 (ja) 2010-10-29 2015-03-04 株式会社ジャパンディスプレイ 液晶表示装置
KR101778650B1 (ko) * 2011-02-23 2017-09-15 삼성디스플레이 주식회사 표시 패널 및 이를 포함하는 표시 장치
CN102646387B (zh) * 2011-05-19 2014-09-17 京东方科技集团股份有限公司 移位寄存器及行扫描驱动电路
JP5774911B2 (ja) * 2011-06-01 2015-09-09 株式会社ジャパンディスプレイ 表示装置
CN102222488B (zh) * 2011-06-27 2013-07-03 福建华映显示科技有限公司 非晶硅显示装置
KR101473843B1 (ko) 2012-04-25 2014-12-17 엘지디스플레이 주식회사 액정표시장치
KR20140020484A (ko) * 2012-08-08 2014-02-19 삼성디스플레이 주식회사 주사 구동 장치 및 그 구동 방법
CN204577057U (zh) * 2012-10-05 2015-08-19 夏普株式会社 显示装置
CN103268032B (zh) * 2012-12-28 2016-07-06 上海中航光电子有限公司 一种阵列基板、显示面板和显示装置
CN104008779B (zh) * 2014-05-27 2017-03-15 上海天马有机发光显示技术有限公司 移位寄存器及其驱动方法、移位寄存器组及其驱动方法
TWI500015B (zh) * 2014-06-20 2015-09-11 Au Optronics Corp 雙向選擇電路、應用此雙向選擇電路的閘極驅動器與測試電路
KR102397388B1 (ko) * 2014-07-24 2022-05-13 가부시키가이샤 한도오따이 에네루기 켄큐쇼 반도체 장치, 표시 모듈 및 전자 기기
CN104200769B (zh) * 2014-08-19 2016-09-28 上海和辉光电有限公司 扫描信号产生电路
CN104409054B (zh) * 2014-11-03 2017-02-15 深圳市华星光电技术有限公司 低温多晶硅薄膜晶体管goa电路
CN104537973A (zh) * 2014-12-29 2015-04-22 厦门天马微电子有限公司 一种移位寄存器、栅极驱动电路、阵列基板和显示面板
CN104575436B (zh) * 2015-02-06 2017-04-05 京东方科技集团股份有限公司 移位寄存器单元、栅极驱动电路及显示装置
US10297331B2 (en) * 2015-10-30 2019-05-21 Semiconductor Energy Laboratory Co., Ltd. Semiconductor device and electronic device
JP6705687B2 (ja) * 2016-04-04 2020-06-03 株式会社ジャパンディスプレイ 表示装置
CN110010078B (zh) * 2019-03-14 2022-02-08 合肥京东方卓印科技有限公司 移位寄存器单元、栅极驱动电路和显示装置
CN110085171A (zh) 2019-04-22 2019-08-02 上海天马有机发光显示技术有限公司 一种显示面板、其驱动方法及显示装置
CN110033737B (zh) * 2019-05-31 2021-10-26 上海天马有机发光显示技术有限公司 一种扫描电路、显示面板及显示装置
CN111653228A (zh) * 2020-06-17 2020-09-11 京东方科技集团股份有限公司 移位寄存单元的驱动方法、栅极驱动电路和显示装置
CN119785730A (zh) * 2025-01-24 2025-04-08 京东方科技集团股份有限公司 像素驱动方法、显示设备、时序控制器和存储介质

Family Cites Families (40)

* Cited by examiner, † Cited by third party
Publication number Priority date Publication date Assignee Title
US442839A (en) * 1890-12-16 Envelope machine
US2575544A (en) * 1949-01-26 1951-11-20 Jr Julius A Zinn Method and apparatus for closing and sealing containers
US4008850A (en) * 1962-01-29 1977-02-22 St. Regis Paper Company Gusseted pinch bottom bag
BE639342A (ja) * 1962-11-14 1900-01-01
DE3408722A1 (de) * 1983-12-08 1985-06-20 Karl-Heinz Dr. 4802 Halle Sengewald Abreissbeutel aus thermoplastischer kunststoffolie
US5048692A (en) * 1990-04-03 1991-09-17 Colgate-Palmolive Company Bag closure structure in which a single resealable closure acts as both the primary and secondary closures
US5410583A (en) * 1993-10-28 1995-04-25 Rca Thomson Licensing Corporation Shift register useful as a select line scanner for a liquid crystal display
US5721302A (en) * 1994-06-06 1998-02-24 Wood; Benny R. Water dispersible adhesive
JPH0855493A (ja) * 1994-08-10 1996-02-27 Sanyo Electric Co Ltd シフトレジスタ及び表示装置の駆動回路
US5654970A (en) * 1995-12-22 1997-08-05 Xerox Corporation Array with redundant integrated self-testing scan drivers
TW491954B (en) * 1997-11-10 2002-06-21 Hitachi Device Eng Liquid crystal display device
JP3843658B2 (ja) * 1998-09-22 2006-11-08 セイコーエプソン株式会社 電気光学装置の駆動回路及び電気光学装置並びに電子機器
JP3858486B2 (ja) * 1998-11-26 2006-12-13 セイコーエプソン株式会社 シフトレジスタ回路、電気光学装置および電子機器
KR100430099B1 (ko) * 1999-03-02 2004-05-03 엘지.필립스 엘시디 주식회사 쉬프트 레지스터 회로
TW548476B (en) * 1999-12-01 2003-08-21 Chi Mei Optoelectronics Corp Liquid crystal display module, scanning method of liquid crystal panel and its scan circuit board
TW495729B (en) * 1999-12-01 2002-07-21 Chi Mei Electronics Corp Liquid crystal display module and scanning circuit board thereof
DE10106289A1 (de) * 2001-02-06 2002-08-29 Windmoeller & Hoelscher Verfahren zum Herstellen von Seitenfaltensäcken aus Kunststoffolie
JP4761643B2 (ja) * 2001-04-13 2011-08-31 東芝モバイルディスプレイ株式会社 シフトレジスタ、駆動回路、電極基板及び平面表示装置
JP4310939B2 (ja) * 2001-06-29 2009-08-12 カシオ計算機株式会社 シフトレジスタ及び電子装置
KR100803163B1 (ko) * 2001-09-03 2008-02-14 삼성전자주식회사 액정표시장치
US6897281B2 (en) * 2002-04-05 2005-05-24 Noveon Ip Holdings Corp. Breathable polyurethanes, blends, and articles
US7129744B2 (en) * 2003-10-23 2006-10-31 Viciciv Technology Programmable interconnect structures
JP4006284B2 (ja) * 2002-07-17 2007-11-14 株式会社 日立ディスプレイズ 液晶表示装置
SE524961C2 (sv) * 2002-08-16 2004-11-02 Celanese Emulsions Norden Ab Vattenburen sampolymerdispersion och dess användning i ytbeläggningar
JP4460822B2 (ja) 2002-11-29 2010-05-12 東芝モバイルディスプレイ株式会社 双方向シフトレジスタ、これを用いた駆動回路、平面表示装置
JP4391107B2 (ja) 2003-03-19 2009-12-24 パナソニック株式会社 固体撮像装置、固体撮像装置の駆動方法およびカメラ
JP2004134053A (ja) 2003-08-28 2004-04-30 Seiko Epson Corp シフトレジスタ回路、電気光学装置の駆動回路、電気光学装置および電子機器
US7683860B2 (en) * 2003-12-02 2010-03-23 Semiconductor Energy Laboratory Co., Ltd. Display device, driving method thereof, and element substrate
US6991592B2 (en) * 2004-02-05 2006-01-31 Genpak Llc Method of folding flat bottom bag
JP5190722B2 (ja) * 2005-05-20 2013-04-24 Nltテクノロジー株式会社 ブートストラップ回路並びにこれを用いたシフトレジスタ、走査回路及び表示装置
JP4793121B2 (ja) * 2005-08-24 2011-10-12 セイコーエプソン株式会社 電気光学装置、及びこれを備えた電子機器
JP2007114343A (ja) * 2005-10-19 2007-05-10 Seiko Epson Corp 電気光学装置及び電子機器
FR2897542B1 (fr) * 2006-02-21 2008-06-06 Promiles Snc Table de tennis de table
JP4912000B2 (ja) * 2006-03-15 2012-04-04 三菱電機株式会社 シフトレジスタ回路およびそれを備える画像表示装置
US7731425B2 (en) * 2006-06-15 2010-06-08 Standard Multiwall Bag Manufacturing Co. Polywoven pinch bottom open mouth bag
KR101263531B1 (ko) * 2006-06-21 2013-05-13 엘지디스플레이 주식회사 액정표시장치
KR101243807B1 (ko) * 2006-06-30 2013-03-18 엘지디스플레이 주식회사 쉬프트 레지스터
JP2008020675A (ja) * 2006-07-13 2008-01-31 Mitsubishi Electric Corp 画像表示装置
JP2007048439A (ja) * 2006-08-25 2007-02-22 Casio Comput Co Ltd シフトレジスタ及び電子装置
US8164562B2 (en) * 2006-10-24 2012-04-24 Samsung Electronics Co., Ltd. Display device and driving method thereof

Also Published As

Publication number Publication date
JP2009027265A (ja) 2009-02-05
US20120112992A1 (en) 2012-05-10
CN101350179A (zh) 2009-01-21
CN101350179B (zh) 2013-07-24
US20090021466A1 (en) 2009-01-22
US8654056B2 (en) 2014-02-18

Similar Documents

Publication Publication Date Title
JP4968681B2 (ja) 半導体回路とそれを用いた表示装置並びにその駆動方法
JP5224241B2 (ja) 双方向シフトレジスタ、それを用いた表示装置
JP5472781B2 (ja) シフトレジスタ及び表示装置並びにシフトレジスタの駆動方法
JP4912186B2 (ja) シフトレジスタ回路およびそれを備える画像表示装置
CN102810303B (zh) 显示装置
JP4990034B2 (ja) シフトレジスタ回路およびそれを備える画像表示装置
JP4761643B2 (ja) シフトレジスタ、駆動回路、電極基板及び平面表示装置
CN100583297C (zh) 移位寄存器电路和具备该电路的图像显示装置
JP4912023B2 (ja) シフトレジスタ回路
CN100397446C (zh) 脉冲输出电路、移位寄存器和显示器件
US8937614B2 (en) Bidirectional shift register and display device using the same
JP5527647B2 (ja) シフトレジスタ
US6989810B2 (en) Liquid crystal display and data latch circuit
JP5132884B2 (ja) シフトレジスタ回路およびそれを備える画像表示装置
US20070024568A1 (en) Shift register and display device using same
JP2021529410A (ja) シフトレジスターおよび駆動方法、ゲート駆動回路および表示装置
JP6009153B2 (ja) 表示装置
KR100838653B1 (ko) 시프트 레지스터 회로 및 그것을 구비한 화상표시장치
CN113178221A (zh) 移位寄存器及其驱动方法、栅极驱动电路、显示装置
US20030063048A1 (en) Active matrix display device and data line switching circuit, switching section drive circuit, and scanning line drive circuit thereof
CN101026011A (zh) 移位寄存器电路及设有该电路的图像显示装置
JP2010049768A (ja) シフトレジスタ及び表示装置
JP2007207411A (ja) シフトレジスタ回路およびそれを備える画像表示装置
JP4832100B2 (ja) 表示装置
JP3506222B2 (ja) 論理回路及び画像表示装置

Legal Events

Date Code Title Description
A621 Written request for application examination

Free format text: JAPANESE INTERMEDIATE CODE: A621

Effective date: 20100611

A977 Report on retrieval

Free format text: JAPANESE INTERMEDIATE CODE: A971007

Effective date: 20120208

TRDD Decision of grant or rejection written
A01 Written decision to grant a patent or to grant a registration (utility model)

Free format text: JAPANESE INTERMEDIATE CODE: A01

Effective date: 20120306

A01 Written decision to grant a patent or to grant a registration (utility model)

Free format text: JAPANESE INTERMEDIATE CODE: A01

A61 First payment of annual fees (during grant procedure)

Free format text: JAPANESE INTERMEDIATE CODE: A61

Effective date: 20120327

FPAY Renewal fee payment (event date is renewal date of database)

Free format text: PAYMENT UNTIL: 20150413

Year of fee payment: 3

R150 Certificate of patent or registration of utility model

Ref document number: 4968681

Country of ref document: JP

Free format text: JAPANESE INTERMEDIATE CODE: R150

Free format text: JAPANESE INTERMEDIATE CODE: R150

R250 Receipt of annual fees

Free format text: JAPANESE INTERMEDIATE CODE: R250

R250 Receipt of annual fees

Free format text: JAPANESE INTERMEDIATE CODE: R250

R250 Receipt of annual fees

Free format text: JAPANESE INTERMEDIATE CODE: R250

R250 Receipt of annual fees

Free format text: JAPANESE INTERMEDIATE CODE: R250

R250 Receipt of annual fees

Free format text: JAPANESE INTERMEDIATE CODE: R250

R250 Receipt of annual fees

Free format text: JAPANESE INTERMEDIATE CODE: R250

R250 Receipt of annual fees

Free format text: JAPANESE INTERMEDIATE CODE: R250

R250 Receipt of annual fees

Free format text: JAPANESE INTERMEDIATE CODE: R250

R250 Receipt of annual fees

Free format text: JAPANESE INTERMEDIATE CODE: R250