JP2010066984A - 電流制限回路及び電流制限回路の駆動方法 - Google Patents

電流制限回路及び電流制限回路の駆動方法 Download PDF

Info

Publication number
JP2010066984A
JP2010066984A JP2008232344A JP2008232344A JP2010066984A JP 2010066984 A JP2010066984 A JP 2010066984A JP 2008232344 A JP2008232344 A JP 2008232344A JP 2008232344 A JP2008232344 A JP 2008232344A JP 2010066984 A JP2010066984 A JP 2010066984A
Authority
JP
Japan
Prior art keywords
voltage
bias voltage
current
current limiting
transistor
Prior art date
Legal status (The legal status is an assumption and is not a legal conclusion. Google has not performed a legal analysis and makes no representation as to the accuracy of the status listed.)
Granted
Application number
JP2008232344A
Other languages
English (en)
Other versions
JP5089536B2 (ja
Inventor
Yuichi Ueda
裕一 上田
Current Assignee (The listed assignees may be inaccurate. Google has not performed a legal analysis and makes no representation or warranty as to the accuracy of the list.)
Ricoh Co Ltd
Original Assignee
Ricoh Co Ltd
Priority date (The priority date is an assumption and is not a legal conclusion. Google has not performed a legal analysis and makes no representation as to the accuracy of the date listed.)
Filing date
Publication date
Application filed by Ricoh Co Ltd filed Critical Ricoh Co Ltd
Priority to JP2008232344A priority Critical patent/JP5089536B2/ja
Priority to US12/555,107 priority patent/US8149063B2/en
Publication of JP2010066984A publication Critical patent/JP2010066984A/ja
Application granted granted Critical
Publication of JP5089536B2 publication Critical patent/JP5089536B2/ja
Expired - Fee Related legal-status Critical Current
Anticipated expiration legal-status Critical

Links

Images

Classifications

    • GPHYSICS
    • G05CONTROLLING; REGULATING
    • G05FSYSTEMS FOR REGULATING ELECTRIC OR MAGNETIC VARIABLES
    • G05F1/00Automatic systems in which deviations of an electric quantity from one or more predetermined values are detected at the output of the system and fed back to a device within the system to restore the detected quantity to its predetermined value or values, i.e. retroactive systems
    • G05F1/10Regulating voltage or current 
    • G05F1/46Regulating voltage or current  wherein the variable actually regulated by the final control device is DC
    • G05F1/56Regulating voltage or current  wherein the variable actually regulated by the final control device is DC using semiconductor devices in series with the load as final control devices
    • G05F1/565Regulating voltage or current  wherein the variable actually regulated by the final control device is DC using semiconductor devices in series with the load as final control devices sensing a condition of the system or its load in addition to means responsive to deviations in the output of the system, e.g. current, voltage, power factor
    • G05F1/569Regulating voltage or current  wherein the variable actually regulated by the final control device is DC using semiconductor devices in series with the load as final control devices sensing a condition of the system or its load in addition to means responsive to deviations in the output of the system, e.g. current, voltage, power factor for protection
    • G05F1/573Regulating voltage or current  wherein the variable actually regulated by the final control device is DC using semiconductor devices in series with the load as final control devices sensing a condition of the system or its load in addition to means responsive to deviations in the output of the system, e.g. current, voltage, power factor for protection with overcurrent detector

Landscapes

  • Engineering & Computer Science (AREA)
  • Physics & Mathematics (AREA)
  • Electromagnetism (AREA)
  • General Physics & Mathematics (AREA)
  • Radar, Positioning & Navigation (AREA)
  • Automation & Control Theory (AREA)
  • Amplifiers (AREA)
  • Continuous-Control Power Sources That Use Transistors (AREA)

Abstract

【課題】実際に出力する電流の最大値と電流の制限値との差をより小さくできる電流制限回路を提供する。
【解決手段】電流制限回路は、ドライバトランジスタ(M1)と、センス抵抗(Rsns)を介して入力端子(IN)に一端が接続され、他端が出力端子(OUT)に接続され、制御端子がドライバトランジスタ(M1)の制御端子に接続されたセンストランジスタ(M2)と、入力端子の電位を基準電位とするバイアス電圧(Vbais)と、センス抵抗の電圧降下とを入力し、ドライバトランジスタとセンストランジスタの制御端子に出力が接続された演算増幅回路(1)を備える。電流制限回路は、バイアス電圧の電圧値を、入力端子と出力端子の差電圧に応じて、所定のバイアス電圧以下になるように制御するバイアス電圧変更回路(10)をさらに備える。
【選択図】図1

Description

本発明は、回路に流れる電流を所定の電流値以下に制限する電流制限回路に関する。
図12(a)は従来の電流制限回路である。この回路はドライバトランジスタM1、センストランジスタM2、演算増幅回路1、電流源I1、センス抵抗Rsns、およびバイアス抵抗Rbiで構成されている。また、入力端子IN、接地端子GND、出力端子OUTを備えている。入力端子INには入力電圧Viが入力されている。出力端子OUTと接地端子GND間には負荷20が接続されている。
ドライバトランジスタM1のドレインは入力端子INに接続され、ソースは出力端子OUTに接続されている。また、ゲートは演算増幅回路1の出力に接続されている。センストランジスタM2のドレインはセンス抵抗Rsnsを介して入力端子INに接続されると共に、演算増幅回路1の非反転入力に接続されている。またソースとゲートはそれぞれドライバトランジスタM1のソースとゲートに共通接続されている。
なお、センストランジスタM2の素子サイズはドライバトランジスタM1の素子サイズに比べ数十から数千分の一に設定されている。演算増幅回路1の反転入力はバイアス抵抗Rbiと電流源I1の接続ノードに接続されている。また、出力は前記したようにドライバトランジスタM1とセンストランジスタM2のゲートに接続されている。
バイアス抵抗Rbiは入力端子INと演算増幅回路1の反転入力間に接続されている。また電流源I1は演算増幅回路1の反転入力と接地端子GND間に接続されている。
この電流制限回路の動作を説明する。電流制限回路はドライバトランジスタM1を介して負荷20に供給される出力電流Ioを一定値内の電流に制限する機能を有する。ドライバトランジスタM1を介して負荷20に出力電流Ioが供給されると、センストランジスタM2には、ドライバトランジスタM1のドレイン電流Idに比例したセンス電流Isnsが流れる。ドライバトランジスタM1とセンストランジスタM2のサイズ比をK:1に設定した場合は、センストランジスタM2のセンス電流IsnsはドライバトランジスタM1のドレイン電流Idの1/Kになる。
センストランジスタM2のセンス電流Isnsはセンス抵抗Rsnsに流れるので、センス抵抗Rsnsにはセンス電圧Vsnsが発生する。センス電圧Vsnsは出力電流Ioが増えるに従い大きくなる。その結果、演算増幅回路1の非反転入力の電位は出力電流Ioが増えるに従い低下する。演算増幅回路1の非反転入力の電位が反転入力の電位以下になると、演算増幅回路1の出力は低下して、ドライバトランジスタM1のゲート電位を下げ、ドライバトランジスタM1のインピーダンスを大きくする。その結果、出力電流Ioは演算増幅回路1の非反転入力と反転入力の電圧が等しくなる電流値で制限されることになる。
一方、入力電圧Viと演算増幅回路1の反転入力端子間の電圧は、バイアス抵抗Rbiの電圧降下で決まる電圧である。この電圧をバイアス電圧Vbiasとする。バイアス電圧Vbiasはバイアス抵抗Rbiと電流源I1の積で決まる一定電圧である。すなわち、出力電流Ioの制限電流(最大電流値)Ilimは、センス電圧Vsnsがバイアス電圧Vbiasと等しくなるときの出力電流である。ドライバトランジスタM1のインピーダンスをRd、センストランジスタM2のインピーダンスをRsとすると、制限電流Ilimは下記の式(1)で表される。
Ilim=Vbias(Rd+Rs)/(Rd・Rsns) ・・・(1)
なお、上記のような従来技術としては特許文献1に開示の技術がある。
特許第3606994号
従来の構成では、入力電圧Viと出力電圧Voの差電圧(Vi−Vo)が小さいとき、出力電流Ioが制限電流Ilim以上に増加することがある。以下にその理由を説明する。
図12(b)、(c)は、図12(a)に示す従来の回路の動作を説明するための電圧と電流の関係を示すグラフである。図12(b)、(c)の横軸は入力電圧Viと出力電圧Voの差電圧(Vi−Vo)である。図12(b)に示すグラフは、センス電圧Vsns(細線)とバイアス電圧Vbiasそれぞれの変化を示すグラフである。縦軸は電圧であり、入力電圧Viを基準電位とし、下方に向かうほど電圧が下がっている。図12(b)において、Vbiasの電圧はバイアス抵抗Rbiと電流源I1間の接続ノードの電圧であり、Vsnsの電圧はセンス抵抗RsnsとセンストランジスタM2間の接続ノードの電圧である。Vbias0は所定のバイアス電圧である。所定のバイアス電圧Vbias0は、バイアス抵抗Rbiに電流源I1の電流が全て流れた場合のバイアス電圧Vbiasである。図12(c)に示すグラフは、出力電流Ioの変化を示すグラフであり、縦軸は電流値である。
今、ドライバトランジスタM1のオン抵抗をRd0、センストランジスタM2のオン抵抗をRs0とする。また、入力端子INからドライバトランジスタM1を通って出力端子OUTまでの配線抵抗(鎖線で表した抵抗)をRparaとする。差電圧(Vi−Vo)が小さく、センストランジスタM2がオンしてもセンス電圧Vsnsがバイアス電圧Vbias未満の場合のセンス電流Isnsは次式で得られる。
Isns=(Vi−Vo)/(Rsns+Rs0) ・・・(2)
また、このときのセンス電圧Vsnsは次式で得られる。
Vsns=Rsns・Isns=Rsns(Vi−Vo)/(Rsns+Rs0) ・・・(3)
式(3)からセンス電圧Vsnsは差電圧(Vi−Vo)が0Vの場合は0Vとなり、差電圧(Vi−Vo)に比例して大きくなることが分かる。
また、バイアス抵抗Rbiには、差電圧(Vi−Vo)に関係なく電流源I1の定電流が供給されるので、バイアス電圧Vbiasは常に所定のバイアス電圧値(Vbias0)となる。
演算増幅回路1の出力は、センス電圧Vsnsが所定のバイアス電圧Vbias0に等しくなるまではハイレベルとなるので、ドライバトランジスタM1もオン状態である。この状態におけるドライバトランジスタM1のドレイン電流Idは次式で得られる。
Id=(Vi−Vo)/(Rd0+Rpara) ・・・(4)
出力電流Ioはセンス電流Isnsとドレイン電流Idの和であるから、式(2)と式(4)から出力電流Ioは次式で得られる。
Io=(Vi−Vo)/(Rsns+Rs0)+(Vi−Vo)/(Rd0+Rpara) ・・・(5)
出力電流Ioが最大値となるときの差電圧(Vi−Vo)は、式(3)において、センス電圧Vsnsが所定のバイアス電圧Vbias0と等しくなったときである。そこで、式(3)のセンス電圧Vsnsを所定のバイアス電圧Vbais0で置換し、差電圧(Vi−Vo)に付いて解くと、次式が得られる。
Vi−Vo=Vbias0(Rsns+Rs0)/Rsns ・・・(6)
すなわち、式(6)の右辺が、出力電流Ioが最大値となる差電圧(Vi−Vo)である。そこで、式(6)を式(5)に代入して最大出力電流Imaxを求める。
Imax=Vbias0(Rd0+Rpara+Rsns+Rs0)/Rsns(Rd0+Rpara) ・・・(7)
さらに差電圧(Vi−Vo)が大きくなった場合は、ドライバトランジスタM1とセンストランジスタM2のゲートは演算増幅回路1で制御されるようになり、センス電圧Vsnsは常に所定のバイアス電圧Vbias0に等しくなるので、センス電流Isnsは次式となる。
Isns=Vbias0/Rsns ・・・(8)
また、ドライバトランジスタM1のドレイン電流Idは次式で表される。
Id=K・Isns=K・Vbias0/Rsns ・・・(9)
K:ドライバトランジスタM1とセンストランジスタM2の素子サイズ比
出力電流Ioは、センス電流Isns(式(8))とドライバ電流Id(式(9))の和であるから次式となる。
Io=Vbias0(1+K)/Rsns ・・・(10)
今、Rd0=0.1Ω、Rs0=1Ω、Rpara=0.1Ω、Rsns=5Ω、Vbias=0.1Vとして式(5)と式(10)をグラフに表したのが、図12(c)である。なお、電圧V1は出力電流Ioが最大出力電流Imaxとなる差電圧(Vi−Vo)である。差電圧(Vi−Vo)が電圧V1を越えた後、直ぐに出力電流Ioが制限電流Ilimにならないのは、センストランジスタM2とドライバトランジスタM1のドレイン電圧が僅かに異なることによるチャネル長変調効果などの影響によるものである。
上記の値を式(1)に代入して制限電流Ilimを求めると、Ilim=0.22Aが求まる。同様に式(7)に代入して最大出力電流Imax=0.62Aが求まり、このときの差電圧V1は、式(3)からV1=0.12Vが求まる。この例から分かるように、最大出力電流Imaxは制限電流Ilimの3倍近くにも達している。
最大出力電流Imaxが制限電流Ilimより大きい場合、次のような不利益がある。電流制限回路を用いて設計を行う際に、仕様上の定格電流はIlimであるにもかかわらず、負荷変動のシーケンスによっては最大出力電流値Imaxまで流れることを見込んで設計を行う必要がある。このことはシステム上流にある電源の負荷電流の許容値を大きくすることを要求すると共に、上流、下流の基板配線の配線幅をより太くする必要性を生じさせる。
本発明は、上述した実情を考慮してなされたものであって、最大出力電流Imaxと制限電流Ilimの差を小さくした電流制限回路を提供することを目的とする。
上記の課題を解決するために、本発明に係る電流制限回路は、入力電圧が印加される入力端子と、出力電圧を出力する出力端子と、一端が入力端子に接続され、他端が出力端子に接続され、制御端子を備えたドライバトランジスタと、一端がセンス抵抗を介して入力端子に接続され、他端が出力端子に接続され、制御端子がドライバトランジスタの制御端子に接続されたセンストランジスタと、入力端子の電位を基準電位とするバイアス電圧と、センス抵抗における電圧降下とを入力し、ドライバトランジスタとセンストランジスタの制御端子に出力が接続された第1演算増幅回路と、バイアス電圧の電圧値を、入力端子と出力端子の差電圧に応じて、所定のバイアス電圧以下になるように制御するバイアス電圧変更回路とを備える。
本発明に係る電流制限回路の駆動方法は、入力電圧が印加される入力端子と、出力電圧を出力する出力端子と、一端が入力端子に接続され、他端が出力端子に接続され、制御端子を備えたドライバトランジスタと、一端がセンス抵抗を介して入力端子に接続され、他端が出力端子に接続され、制御端子がドライバトランジスタの制御端子に接続されたセンストランジスタと、入力端子の電位を基準電位とするバイアス電圧と、センス抵抗における電圧降下とを入力し、ドライバトランジスタとセンストランジスタの制御端子に出力が接続された第1演算増幅回路とを備えた電流制限回路の駆動方法である。その駆動方法によれば、バイアス電圧の電圧値を、入力端子と出力端子の差電圧に応じて、所定のバイアス電圧以下になるように制御する。
本発明によれば、入力電圧と出力電圧の差電圧(出力端子と接地端子の間にドライバトランジスタを有する場合は出力電圧Voと接地電位の差電圧)に応じて、バイアス電圧Vbiasを変更するようにしたので、差電圧が小さい領域においても、出力電流ioの最大値を制限電流Ilimとほぼ同じ電流以下に制御することが可能となる。その結果、回路要素に対し許容電流値を緩和することが可能となり、回路面積の縮小、および回路コストの低減が可能となる。
以下、添付の図面を参照して、本発明の実施形態を詳細に説明する。
(実施の形態1)
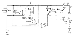
図1は、本発明の第1の実施形態における電流制限回路の回路図である。図12(a)に示す従来の電流制限回路と異なる点は、本実施形態の電流制限回路がバイアス電圧変更回路10をさらに備えている点である。バイアス電圧変更回路10以外の回路の部分に関しては、従来技術で既に説明を行なっているので、ここでの説明は省略する。
バイアス電圧変更回路10は、入力電圧Viと出力電圧Voの差電圧(Vi−Vo)に基づいて、バイアス抵抗Rbi両端に印加されるバイアス電圧Vbiasの値を変更する回路であり、演算増幅回路11と12、PMOSトランジスタM11、及び抵抗R11とR12で構成されている。
PMOSトランジスタM11はバイアス抵抗Rbiに並列に接続されており、ソースは入力端子INに、ドレインはバイアス抵抗Rbiと電流源I1間の接続ノードに接続されている。PMOSトランジスタM11のゲートは演算増幅回路11の出力に接続されている。演算増幅回路11の非反転入力はPMOSトランジスタM11のドレインに接続されている。また、その反転入力は抵抗R11と抵抗R12間の接続ノードに接続されている。抵抗R11の他端は入力端子INに接続され、抵抗R12の他端は演算増幅回路12の出力に接続されている。演算増幅回路12の反転入力は自身の出力に接続されている。また、非反転入力は出力端子OUTに接続されている。電流制限回路は出力端子OUTを流れる電流Ioを所定電流値内になるよう制限する。
次にバイアス電圧変更回路10の動作を説明する。
演算増幅回路12はボルテージフォロア回路を構成しているので、その出力電圧は、その入力電圧である出力端子OUTの電圧と同じである。抵抗R11とR12は直列接続され、入力端子INと演算増幅回路12の出力との間に接続されている。よって、抵抗R11と抵抗R12間の接続ノードの電圧は、入力電圧Viと出力電圧Voの差電圧(Vi−Vo)を、抵抗R11とR12の抵抗値で分圧した電圧となる。抵抗R11における電圧降下を電圧Vo1とすると電圧Vo1は次式で得られる。
Vo1=(Vi−Vo)・R11/(R11+R12) ・・・(11)
ここで、R11/(R11+R12)=1/Nとすると、式(11)から次式を得る。
Vo1=(Vi−Vo)/N ・・・(12)
この電圧Vo1が演算増幅回路11の反転入力に印加されているので、演算増幅回路11は、バイアス電圧Vbiasを電圧Vo1と等しくなるようにPMOSトランジスタM11のゲート電圧を制御する。すなわち、バイアス電圧Vbiasが電圧Vo1と等しくなるように制御される。
Vbias=Vo1=(Vi−Vo)/N ・・・(12')
しかしながら、PMOSトランジスタM11にはバイアス抵抗Rbiが並列に接続されており、しかもPMOSトランジスタM11とバイアス抵抗Rbiには電流源I1による定電流を超えた電流は流れないので、バイアス電圧Vbiasの最大値は、バイアス抵抗Rbiと電流源I1の電流値の積で決まる所定のバイアス電圧値(Vbias0)以上にはならない。
図2は、図1に示すバイアス電圧変更回路10の動作を説明するための電圧と電流の関係を示すグラフである。図2の趣旨は従来技術で説明した図12(b)、(c)に示すグラフと同じである。図2(a)、(b)の横軸は入力電圧Viと出力電圧Voの差電圧(Vi−Vo)である。図2(a)に示すグラフは、センス電圧Vsns(細線)とバイアス電圧Vbiasそれぞれの変化を示すグラフである。縦軸は電圧であり、入力電圧Viを基準電位とし、下方に向かうほど電圧が下がっている。図2(a)において、Vbiasの電圧はバイアス抵抗Rbiと電流源I1間の接続ノードの電圧であり、Vsnsの電圧はセンス抵抗RsnsとセンストランジスタM2間の接続ノードの電圧である。Vbias0は所定のバイアス電圧である。所定のバイアス電圧Vbias0は、バイアス抵抗Rbiに電流源I1の電流が全て流れた場合のバイアス電圧Vbiasである。図2(b)に示すグラフは、出力電流Ioの変化を示すグラフであり、縦軸は電流値である。
従来技術の場合と同様、ドライバトランジスタM1のオン抵抗をRd0、センストランジスタM2のオン抵抗をRs0とする。また、図1には示していないが、入力端子INからドライバトランジスタM1を通って出力端子OUTまでの配線抵抗をRparaとする。
演算増幅回路1によって、センス電圧Vsnsが常にバイアス電圧Vbiasと同じになるようにNMOSトランジスタM2のゲート電圧が制御される。そのため、図2(a)に示すように、センス電圧Vsnsとバイアス電圧Vbiasは常に同電圧となる。
センス電流Isnsは次式で得られる。
Isns=Vbias/Rsns ・・・(13)
また、ドライバトランジスタM1のドレイン電流Idは式(9)で表される。
本実施形態の最大出力電流Imaxは式(7)の場合と同様にして次式で求められる。
Imax=Vbias(Rd0+Rpara+Rsns+Rs0)/Rsns(Rd0+Rpara) ・・・(7')
式(7')より最大出力電流Imaxの値はバイアス電圧Vbiasの値に比例することが分かるが、式(12')より、バイアス電圧Vbiasは差電圧(Vi−Vo)の1/Nに制御される。よって、Nを適宜設定することで、差電圧(Vi−Vo)が小さい場合、バイアス電圧Vbiasを小さくでき、最大出力電流Imaxを従来に比して低減することができる。
従来技術の場合と同様に、Rd0=0.1Ω、Rs0=1Ω、Rpara=0.1Ω、Rsns=5Ω、Vbias=0.1Vとし、さらにN=2として式(9)を計算した結果を図2(b)に示す。
上記パラメータを式(1)に代入して制限電流Ilimを求めると、Ilim=0.22Aが求まる。最大出力電流Imaxはバイアス電圧Vbiasが所定のバイアス電圧Vbias0と等しくなるときで、このときの差電圧V1は、式(12)の電圧Vo1が所定のバイアス電圧Vbias0になったときであるから、V1=Vbias0×N=0.2Vとなる。このときの最大出力電流Imaxは、制限電流Ilimと等しくなるはずであるが、実際には、ドライバトランジスタM1のドレイン電圧がセンストランジスタM2のドレイン電圧より所定のバイアス電圧Vbias0分高いため、グラフに表したように制限電流Ilimより少し大きくなっている。
また、Nが1に近いほど差電圧V1は所定のバイアス電圧Vbias0(0.1V)に近づくが、チャネル変調効果の影響で、最大出力電流Imaxは大きくなる。逆にNが大きいほどチャネル変調効果の影響は小さくなり、最大出力電流Imaxは制限電流Ilimに近づくが、制限電流Ilimに到達する差電圧V1が大きくなる。このため、Nの値は、本電流制限回路を使用する回路の仕様によって最適な値を選ぶようにする。
以上のように、本実施形態では、バイアス電圧変更回路10により、バイアス電圧(Vbias)の大きさを、入力端子と出力端子の差電圧(Vi−Vo)に応じて所定のバイアス電圧(Vi−Vbias0)以下になるように制御する。これにより、差電圧が小さい領域においても出力電流ioの最大値を制限電流Ilimとほぼ同じ電流以下に制御することが可能となる。
(実施の形態2)
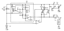
図3は、本発明の第2の実施形態における電流制限回路の回路図である。図1に示す実施の形態1の構成と異なる点は、バイアス電圧変更回路10bにおいて、抵抗R12と並列にPMOSトランジスタM12と抵抗R13の直列回路が接続され、PMOSトランジスタM12のゲートが演算増幅回路11の出力に接続されている点である。実施形態1の場合と同様、バイアス電圧変更回路10以外の回路の部分に関しての説明は省略する。
本実施形態では、バイアス電圧変更回路10において、抵抗R12と並列に設けたPMOSトランジスタM12と抵抗R13の直列回路によって、差電圧に応じ式(12')におけるNの値を変化させるようにしている。これにより、
PMOSトランジスタM12のゲートはPMOSトランジスタM11のゲートと同電位になっており、ソース電位はPMOSトランジスタM11のソース電位より電圧Vo1だけ低い電位になっている。電圧Vo1はバイアス電圧Vbiasが所定のバイアス電圧Vbias0になるまでは、バイアス電圧Vbiasと同じである。そのため、MOSトランジスタM12は、バイアス電圧Vbiasが0Vに近い場合は、PMOSトランジスタM11と同様インピーダンスは小さいが、バイアス電圧Vbiasが増加するに従いPMOSトランジスタM12のインピーダンスは大きくなり、バイアス電圧Vbiasが所定のバイアス電圧Vbias0では完全にオフとなる。
その結果、抵抗R12と抵抗R13、およびPMOSトランジスタM12で構成される回路の合成インピーダンスは、抵抗R12と抵抗R13を並列に接続した状態から抵抗R12単独抵抗までの間を連続的に変化することになる。すなわち、差電圧(Vi−Vo)に応じてNの値が変化するようになっている。これにより、差電圧(Vi−Vo)が小さい領域から、出力電流Ioの最大値を制限電流Ilimにより近づけることが可能となる。
図4は、図3の回路の動作を表した電圧と電流の関係を示すグラフである。書かれている内容は図2のグラフと同じである。
いま、R11=R12=R13とすると、Nは1.5から2まで変化することになる。その他の条件は第1の実施例と同様にした場合のグラフを図4に示す。図に示すように、バイアス電圧Vbiasと出力電流Ioの変化が曲線となっている。
Nの最大値が2で第1の実施形態と同じなので、出力電流Ioが最大になる差電圧V1は第1の実施形態と同様、0.2Vである。また、最大出力電流Imaxもチャネル変調効果などの影響で、制限電流Ilimより少し大きくなっている。
このように、差電圧(Vi−Vo)に応じてNを次第に大きくすることによって、差電圧(Vi−Vo)が小さいときから出力電流Ioの最大値を制限電流Ilimにより近づけることが可能となる。
なお、抵抗R11の抵抗値と抵抗R13の抵抗値の比と、センス抵抗Rsnsの抵抗値とセンストランジスタM2のオン時のインピーダンスの比とを等しくするのが好ましい。PMOSトランジスタM12は、センストランジスタM2の演算増幅回路1によるインピーダンスの変動をキャンセルするために挿入されている。
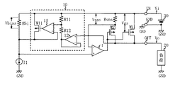
(実施の形態3)
図5に、本発明の第3の実施形態における電流制限回路の回路図を示す。図3に示す実施の形態2の構成と異なる点は、抵抗R11とR12の接続ノードと接地端子GND間に電流源I11がさらに接続されている点である。前述の実施形態と同様、バイアス電圧変更回路10以外の電流制限回路部分に関しての説明は省略する。
本実施形態では、電流源I11により、抵抗R11とR12の接続ノードから常にバイアス電流I11が供給される。これにより、電圧Vo1は、差電圧(Vi−Vo)が0Vであっても、0Vにはならない。バイアス電圧Vbiasも同様に、差電圧(Vi−Vo)が0Vであっても、0Vにならず、一定の電圧値を有する。この一定の電圧値を、バイアス電圧の下限値Vb0という。バイアス電圧の下限値Vb0を与えることにより、回路素子のバラツキをキャンセルする。すなわち、バイアス電圧の下限値Vb0の値は、キャンセルしたいバラツキに応じて適宜設定される。回路素子のバラツキとしては、例えば、演算増幅回路1のオフセットがある。
電圧Vo1は、抵抗R12、R13、PMOSトランジスタM12の合成抵抗をR23して次式で得られる。
Vo1={I11・R11・R23+(Vi−Vo)R11}/(R11+R23) (14)
ここで、抵抗R11、R12、R13の比を1:2:2とすると、R23は1から2まで変化し、差電圧(Vi−Vo)が0Vの場合、R23は1となる。図6に、電流源I11の電流値を0.003とし、その他の条件は第1の実施形態と同様にした場合のグラフを示す。
同図から分かるように、差電圧(Vi−Vo)が0Vの場合のバイアス電圧Vbiasは0Vではなく、Vb0である。このバイアス電圧Vb0を上記の条件で式(14)より求めると、Vb0=0.015Vとなる。
また、出力電流Ioは2つのピーク値を持つ。第1のピークは、バイアス電圧Vbiasとセンス電圧Vsnsが一致する差電圧V1で発生する。第2のピーク値はバイアス電圧Vbiasが所定のバイアス電圧Vbias0に到達した差電圧V2で発生する。
第1のピークが発生する差電圧V1とそのときの出力電流Ioは、電流源I11の電流値と、抵抗R11からR13の組み合わせでさまざまに変えることができる。上記条件の場合は、差電圧V1が約0.035Vで、そのときの出力電流Ioは約0.21Aと制限電流Ilimの0.22Aに近い電流値になっている。また、第2のピークは差電圧V2が約0.24Vとなっている。このときの最大出力電流Imaxは、制限電流Ilimと同じになるはずであるが、前記したようにチャネル長変調などの影響を受け制限電流Ilimより少し大きくなる。
本実施形態によれば、バイアス電圧の下限値Vb0を設定する。これにより、演算増幅回路1のばらつき(オフセット等)をキャンセルすることができる。
(実施の形態4)
図7は、本発明の第4の実施形態における電流制限回路の回路図である。図3に示す実施の形態2の構成と異なる点は、抵抗R14がPMOSトランジスタM11のドレインと入力端子IN間に挿入されている点である。
この回路では、PMOSトランジスタM11がオンになった場合、すなわち、差電圧が0Vになった場合、抵抗R14とバイアス抵抗Rb1が並列接続され、抵抗R14とバイアス抵抗Rb1の合成抵抗に対して電流源I1から電流が供給される。このため、PMOSトランジスタM11がオンになった場合、すなわち、差電圧が0Vになった場合でも、バイアス電圧Vbiasの最低電圧は0Vにはならず、所定の下限電圧Vb0に設定される。
図8に、抵抗R14=0.3Ωとし、その他の条件を第2の実施形態の場合と同じにした場合のグラフを示す。
同図から分かるように、差電圧(Vi−Vo)が0Vの場合のバイアス電圧Vbiasは0Vでなく、Vb0である。このバイアス電圧Vb0は上記したようにバイアス抵抗Rbiと抵抗R14の合成抵抗と電流源I1の積であるから、
Vb0=I1・Rbi・R14/(Rbi+R14) ・・・(15)
となり、数値を代入すると、Vb0=0.1×1×0.3/(1+0.3)≒0.023Vとなる。
また、本実施形態においても、図5に示す実施形態3の場合と同様、出力電流Ioは2つのピーク値を持つ。第1のピークは、バイアス電圧Vbiasとセンス電圧Vsnsが一致する差電圧V1で発生し、第2のピーク値はバイアス電圧Vbiasの大きさが所定のバイアス電圧Vbias0に到達したときの差電圧V2で発生する。
第1のピークが発生する差電圧V1とそのときの出力電流Ioは、電流源I1の電流値と、抵抗R11〜R14の組み合わせでさまざまに変えることができる。上記条件の場合は、差電圧V1が約0.03Vで、そのときの出力電流Ioは約0.21Aと制限電流Ilimの0.22Aに近い電流値になっている。また、第2のピークは差電圧V2が約0.2Vとなっている。そのときの最大出力電流Imaxも図5の場合と同様、制限電流Ilimと同じになるはずであるが、前述のようにチャネル長変調などの影響を受け制限電流Ilimより少し大きくなる。
本実施形態においても、実施の形態3と同様に、バイアス電圧Vbiasの下限値Vboは回路素子のバラツキに応じて適宜設定される。
(実施の形態5)
図9は、本発明の第5の実施形態における電流制限回路の回路図である。この回路は図1に示す電流制限回路におけるMOSトランジスタM1、M2、M11の導電型を全て逆にして構成した回路である。そのため、ドライバトランジスタM1は接地端子GNDと出力端子OUT間に接続され、負荷20は入力端子INと出力端子OUT間に接続されている。また、他の回路も入力電圧Viと接地電位GND間の接続関係が全て逆になっている。
本実施形態の電流制限回路の動作は図1の構成と全く同様なので説明は省略する。なお、図3、図5、図7の回路に付いても同様に逆の導電型のMOSトランジスタで構成できることは言うまでもない。
(実施の形態6)
図10は、本発明の第6の実施形態における電流制限回路の回路図である。この回路は図1に示す電流制限回路におけるドライバトランジスタM1とセンストランジスタM2をPMOSトランジスタに置き換えたときの回路図である。
ドライバトランジスタM1のソースが入力端子INに接続され、ドレインが出力端子OUTに接続されている。センストランジスタM1のソースはセンス抵抗Rsnsを介して入力端子INに接続され、ドレインは出力端子OUTに接続されている。
さらに演算増幅回路1の反転入力がセンストランジスタM2のソースとセンス抵抗Rsnsの接続ノードに接続され、非反転入力にバイアス電圧Vbiasが入力されている。
この回路の場合、センストランジスタM2のゲート−ソース間電圧が、ドライバトランジスタM1のゲート−ソース間電圧より、センス電圧Vsnsだけ低くなるため、センストランジスタM2のオン抵抗に関し補正を行なう必要がある。
ドライバトランジスタM1のゲート−ソース間電圧をVgs、図1の場合のセンストランジスタM2のインピーダンスをRsとし、図10のセンストランジスタM2のインピーダンスをRssとすると、RssとRsの関係は次式で表される。
Rss=Rs・Vgs/(Vgs−Vbias) ・・・(16)
今、ドライバトランジスタM1のゲート−ソース間電圧Vgs=1V、バイアス電圧Vbias=0.1Vとすると、式(16)より次式が得られる。
Rss≒1.11・Rs ・・・(17)
式(1)のRsを上記のRssで置換すると、制限電流Ilimが求められる。なお、その他の条件は図1の場合と同じとする。制限電流Ilimは次式で求まる。
Ilim=0.1(0.1+1.11×1)/0.1×5=0.242A
図1に示す回路に比べ、1割ほど大きくなるが、センス抵抗Rsnsを調整することで制限電流Ilimを同じにすることができる。
センストランジスタM2のゲート−ソース間電圧を上記のように補正するだけで、電流制限回路およびバイアス電圧変更回路10の動作を図1の場合と同様にできる。
さらに、図10に示す回路においても、図3、図5、図7で説明したバイアス電圧変更回路10を適用することができることは言うまでもない。
(実施の形態7)
図11は、本発明の第7の実施形態を示す電流制限回路の回路図である。この回路は、図10に示した電流制限回路に用いたMOSトランジスタM1、M2、M11の導電型を全て逆にして構成した回路である。そのため、ドライバトランジスタM1は接地端子GNDと出力端子OUT間に接続され、負荷20は入力端子INと出力端子OUT間に接続される。また、他の回路素子についても入力電圧Viと接地電位GNDに対する接続関係が全て逆になっている。
本実施形態の回路の動作は図10に示したものと全く同様なので、説明は省略する。図11に示す回路においても、図3、図5、図7で説明したバイアス電圧変更回路を利用することができることは言うまでも無い。
以上のように、上記実施形態1〜4に示した電流制限回路によれば、入力電圧Viと出力電圧Voの差電圧(実施の形態5〜7におけるMOSトランジスタの導電型を逆にした場合は、出力電圧Voと接地電位の差電圧)に応じて、バイアス電圧Vbiasを変更するようにしたので、差電圧が小さい領域においても、出力電流Ioを制限電流Ilimとほぼ同じ電流以下に制御することが可能となる。その結果、回路要素に対し許容電流値を緩和することが可能となり、回路面積の縮小、および回路コストの低減が実現できる。
本発明の第1の実施形態における電流制限回路の回路図である。 (a)電流制限回路におけるバイアス電圧とセンス電圧の変化を示す図、及び(b)出力電流の変化を示す図である(第1の実施形態)。 本発明の第2の実施形態における電流制限回路の回路図である。 (a)電流制限回路におけるバイアス電圧とセンス電圧の変化を示す図、及び(b)出力電流の変化を示す図である(第2の実施形態)。 本発明の第3の実施形態における電流制限回路の回路図である。 (a)電流制限回路におけるバイアス電圧とセンス電圧の変化を示す図、及び(b)出力電流の変化を示す図である(第3の実施形態)。 本発明の第4の実施形態における電流制限回路の回路図である。 (a)電流制限回路におけるバイアス電圧とセンス電圧の変化を示す図、及び(b)出力電流の変化を示す図である(第4の実施形態)。 本発明の第5の実施形態における電流制限回路の回路図である。 本発明の第6の実施形態における電流制限回路の回路図である。 本発明の第7の実施形態における電流制限回路の回路図である。 (a)電流制限回路の回路図、(b)電流制限回路におけるバイアス電圧とセンス電圧の変化を示す図、及び(c)電流制限回路における出力電流の変化を示す図である(従来技術)。
符号の説明
10 バイアス電圧変更回路
20 負荷
1、11 演算増幅回路
M1 ドライバトランジスタ
M2 センストランジスタ
Rbi バイアス抵抗
Rsns センス抵抗
R11〜R14 抵抗
I1,I11 電流源

Claims (12)

  1. 入力電圧が印加される入力端子と、
    出力電圧を出力する出力端子と、
    一端が入力端子に接続され、他端が前記出力端子に接続され、制御端子を備えたドライバトランジスタと、
    一端がセンス抵抗を介して前記入力端子に接続され、他端が前記出力端子に接続され、制御端子が前記ドライバトランジスタの制御端子に接続されたセンストランジスタと、
    前記入力端子の電位を基準電位とする、バイアス電圧と、前記センス抵抗における電圧降下とを入力し、前記ドライバトランジスタと前記センストランジスタの制御端子に出力が接続された第1演算増幅回路と、
    前記バイアス電圧の電圧値を、前記入力端子と前記出力端子の差電圧に応じて、所定のバイアス電圧以下になるように制御するバイアス電圧変更回路と
    を備えた電流制限回路。
  2. 前記バイアス電圧変更回路は、前記差電圧が小さいほど、前記バイアス電圧を小さくするように前記バイアス電圧の電圧値を制御する請求項1記載の電流制限回路。
  3. 前記バイアス電圧変更回路は、前記バイアス電圧が前記所定のバイアス電圧に達するまでは、前記バイアス電圧を前記差電圧の1/N(N>1)に制御する請求項2記載の電流制限回路。
  4. 前記バイアス電圧変更回路は、前記差電圧に応じて前記Nの値を変化させる請求項3記載の電流制限回路。
  5. 前記バイアス電圧に下限値を設定した請求項2ないし4のいずれか1つに記載の電流制限回路。
  6. 前記バイアス電圧は、前記入力端子に一端が接続されたバイアス抵抗に所定の電流を供給することで生成され、
    前記バイアス電圧変更回路は、前記バイアス抵抗に並列に接続した可変インピーダンス素子のインピーダンスを前記差電圧に応じて制御する、請求項1ないし5のいずれか1つに記載の電流制限回路。
  7. 前記可変インピーダンス素子は第1MOSトランジスタである請求項6記載の電流制限回路。
  8. 前記バイアス電圧変更回路は、前記バイアス電圧を入力する第1入力端子と、前記差電圧を抵抗で分圧した電圧を入力する第2入力端子と、前記第1MOSトランジスタのゲートに接続された出力端子とを有する第2演算増幅回路を備える請求項7記載の電流制限回路。
  9. 前記バイアス電圧変更回路は、前記バイアス電圧を入力する第1入力端子と、前記差電圧を抵抗で分圧した電圧を入力する第2入力端子と、前記第1MOSトランジスタのゲートに接続された出力端子とを有する第2演算増幅回路を備え、
    前記第2演算増幅回路の第2入力端子と、前記電流制限回路の出力端子との間に、前記第1MOSトランジスタと同じ導電型の第2MOSトランジスタと抵抗とが直列に接続され、前記第2MOSトランジスタのゲートに前記第2演算増幅回路の出力が接続された
    請求項7記載の電流制限回路。
  10. 前記ドライバトランジスタと前記センストランジスタは同じ導電型のMOSトランジスタであり、両トランジスタのソースが前記電流制限回路の出力端子に接続された、請求項1ないし9のいずれか1つに記載の電流制限回路。
  11. 前記ドライバトランジスタと前記センストランジスタは同じ導電型のMOSトランジスタであり、両トランジスタのドレインが前記電流制限回路の出力端子に接続された請求項1ないし9のいずれか1つに記載の電流制限回路。
  12. 入力電圧が印加される入力端子と、
    出力電圧を出力する出力端子と、
    一端が入力端子に接続され、他端が前記出力端子に接続され、制御端子を備えたドライバトランジスタと、
    一端がセンス抵抗を介して前記入力端子に接続され、他端が前記出力端子に接続され、制御端子が前記ドライバトランジスタの制御端子に接続されたセンストランジスタと、
    前記入力端子の電位を基準電位とする、バイアス電圧と、前記センス抵抗における電圧降下とを入力し、前記ドライバトランジスタと前記センストランジスタの制御端子に出力が接続された第1演算増幅回路とを備えた電流制限回路の駆動方法であって、
    バイアス電圧の電圧値を、前記入力端子と前記出力端子の差電圧に応じて、所定のバイアス電圧以下になるように制御する、
    電流制限回路の駆動方法。
JP2008232344A 2008-09-10 2008-09-10 電流制限回路及び電流制限回路の駆動方法 Expired - Fee Related JP5089536B2 (ja)

Priority Applications (2)

Application Number Priority Date Filing Date Title
JP2008232344A JP5089536B2 (ja) 2008-09-10 2008-09-10 電流制限回路及び電流制限回路の駆動方法
US12/555,107 US8149063B2 (en) 2008-09-10 2009-09-08 Current-restriction circuit and driving method therefor

Applications Claiming Priority (1)

Application Number Priority Date Filing Date Title
JP2008232344A JP5089536B2 (ja) 2008-09-10 2008-09-10 電流制限回路及び電流制限回路の駆動方法

Publications (2)

Publication Number Publication Date
JP2010066984A true JP2010066984A (ja) 2010-03-25
JP5089536B2 JP5089536B2 (ja) 2012-12-05

Family

ID=41798673

Family Applications (1)

Application Number Title Priority Date Filing Date
JP2008232344A Expired - Fee Related JP5089536B2 (ja) 2008-09-10 2008-09-10 電流制限回路及び電流制限回路の駆動方法

Country Status (2)

Country Link
US (1) US8149063B2 (ja)
JP (1) JP5089536B2 (ja)

Cited By (2)

* Cited by examiner, † Cited by third party
Publication number Priority date Publication date Assignee Title
JP2018197975A (ja) * 2017-05-24 2018-12-13 新日本無線株式会社 過電流保護回路
JP7581169B2 (ja) 2021-09-24 2024-11-12 株式会社東芝 電源回路

Families Citing this family (1)

* Cited by examiner, † Cited by third party
Publication number Priority date Publication date Assignee Title
US10965254B2 (en) 2018-06-04 2021-03-30 Stmicroelectronics S.R.L. Low noise amplifier circuit for a thermal varying resistance

Citations (8)

* Cited by examiner, † Cited by third party
Publication number Priority date Publication date Assignee Title
JPH08116221A (ja) * 1994-10-19 1996-05-07 Nippondenso Co Ltd 定電流回路
JPH10289578A (ja) * 1997-04-16 1998-10-27 Fujitsu Ltd 半導体記憶装置
JP2001111369A (ja) * 1999-10-14 2001-04-20 Hitachi Ltd 利得制御増幅回路、ミクサ回路及びそれらを用いた受信機、送信機
JP2003017954A (ja) * 2001-06-29 2003-01-17 Hitachi Ltd 高周波電力増幅回路
JP3606994B2 (ja) * 1996-02-27 2005-01-05 新日本無線株式会社 出力電流制限回路及び出力電流制限回路における出力電流調整方法
JP2005080090A (ja) * 2003-09-02 2005-03-24 Toyota Industries Corp 差動増幅回路の出力電圧制御回路及び電圧検出器
JP2005322152A (ja) * 2004-05-11 2005-11-17 Toshiba Corp 基準電圧回路
JP2008181451A (ja) * 2007-01-26 2008-08-07 Ricoh Co Ltd 定電流回路

Family Cites Families (13)

* Cited by examiner, † Cited by third party
Publication number Priority date Publication date Assignee Title
US4451779A (en) * 1982-04-22 1984-05-29 Honeywell Inc. Voltage controlled current source
US4553084A (en) * 1984-04-02 1985-11-12 Motorola, Inc. Current sensing circuit
JPH0754336B2 (ja) 1989-01-04 1995-06-07 日産自動車株式会社 電流センス回路
JPH04223508A (ja) 1990-12-26 1992-08-13 Mitsumi Electric Co Ltd 定電圧回路
US5159516A (en) * 1991-03-14 1992-10-27 Fuji Electric Co., Ltd. Overcurrent-detection circuit
US5233309A (en) * 1992-01-09 1993-08-03 Analog Devices, Inc. Programmable gain amplifier
ES2108206T3 (es) 1992-05-11 1997-12-16 Philips Electronics Nv Lampara de descarga de alta presion provista de casquillo.
JP3644156B2 (ja) 1996-11-13 2005-04-27 株式会社デンソー 電流制限回路
US6137366A (en) * 1998-04-07 2000-10-24 Maxim Integrated Products, Inc. High VSWR mismatch output stage
JP2003333831A (ja) 2002-05-15 2003-11-21 Ricoh Co Ltd 電源供給回路
JP2006048394A (ja) 2004-08-05 2006-02-16 Toshiba Corp 電流制限回路およびそれを用いた半導体集積装置、レギュレータ装置
JP5057883B2 (ja) 2007-08-09 2012-10-24 株式会社リコー チャージポンプ回路
US7760524B2 (en) * 2007-10-17 2010-07-20 Power Integrations, Inc. Method and apparatus to reduce the volume required for bulk capacitance in a power supply

Patent Citations (8)

* Cited by examiner, † Cited by third party
Publication number Priority date Publication date Assignee Title
JPH08116221A (ja) * 1994-10-19 1996-05-07 Nippondenso Co Ltd 定電流回路
JP3606994B2 (ja) * 1996-02-27 2005-01-05 新日本無線株式会社 出力電流制限回路及び出力電流制限回路における出力電流調整方法
JPH10289578A (ja) * 1997-04-16 1998-10-27 Fujitsu Ltd 半導体記憶装置
JP2001111369A (ja) * 1999-10-14 2001-04-20 Hitachi Ltd 利得制御増幅回路、ミクサ回路及びそれらを用いた受信機、送信機
JP2003017954A (ja) * 2001-06-29 2003-01-17 Hitachi Ltd 高周波電力増幅回路
JP2005080090A (ja) * 2003-09-02 2005-03-24 Toyota Industries Corp 差動増幅回路の出力電圧制御回路及び電圧検出器
JP2005322152A (ja) * 2004-05-11 2005-11-17 Toshiba Corp 基準電圧回路
JP2008181451A (ja) * 2007-01-26 2008-08-07 Ricoh Co Ltd 定電流回路

Cited By (2)

* Cited by examiner, † Cited by third party
Publication number Priority date Publication date Assignee Title
JP2018197975A (ja) * 2017-05-24 2018-12-13 新日本無線株式会社 過電流保護回路
JP7581169B2 (ja) 2021-09-24 2024-11-12 株式会社東芝 電源回路

Also Published As

Publication number Publication date
US8149063B2 (en) 2012-04-03
US20100060249A1 (en) 2010-03-11
JP5089536B2 (ja) 2012-12-05

Similar Documents

Publication Publication Date Title
JP5008472B2 (ja) ボルテージレギュレータ
KR101465598B1 (ko) 기준 전압 발생 장치 및 방법
JP4443301B2 (ja) ボルテージ・レギュレータ
JP5657853B2 (ja) 定電流源回路
US9298200B2 (en) Constant voltage circuit with drooping and foldback overcurrent protection
US9411345B2 (en) Voltage regulator
JP2010218543A (ja) ボルテージレギュレータ
US20170205840A1 (en) Power-supply circuit
CN101557164B (zh) 一种低压电源生成电路及装置
JP4058334B2 (ja) ヒステリシスコンパレータ回路
JP5089536B2 (ja) 電流制限回路及び電流制限回路の駆動方法
US8674671B2 (en) Constant-voltage power supply circuit
JP2010220394A (ja) 過電流保護装置
JP5402530B2 (ja) 電源回路
KR101362474B1 (ko) Cmos 서브밴드갭 기준발생기
JP5543059B2 (ja) 差動増幅回路
CN107643784A (zh) 半导体装置
CN106959718A (zh) 调节器
JP5788739B2 (ja) 電圧可変利得増幅回路
JP4892366B2 (ja) 過電流保護回路およびボルテージレギュレータ
JP3673479B2 (ja) ボルテージレギュレータ
JP4773991B2 (ja) ソースフォロア回路及び半導体装置
JP4555131B2 (ja) 定電圧電源回路
KR101141456B1 (ko) 전압 레벨 시프터
JP6837894B2 (ja) 降圧回路及び半導体集積回路

Legal Events

Date Code Title Description
A621 Written request for application examination

Free format text: JAPANESE INTERMEDIATE CODE: A621

Effective date: 20110803

A977 Report on retrieval

Free format text: JAPANESE INTERMEDIATE CODE: A971007

Effective date: 20120808

TRDD Decision of grant or rejection written
A01 Written decision to grant a patent or to grant a registration (utility model)

Free format text: JAPANESE INTERMEDIATE CODE: A01

Effective date: 20120821

A01 Written decision to grant a patent or to grant a registration (utility model)

Free format text: JAPANESE INTERMEDIATE CODE: A01

A61 First payment of annual fees (during grant procedure)

Free format text: JAPANESE INTERMEDIATE CODE: A61

Effective date: 20120911

FPAY Renewal fee payment (event date is renewal date of database)

Free format text: PAYMENT UNTIL: 20150921

Year of fee payment: 3

R150 Certificate of patent or registration of utility model

Free format text: JAPANESE INTERMEDIATE CODE: R150

LAPS Cancellation because of no payment of annual fees