WO2017187876A1 - 高圧ポンプ - Google Patents

高圧ポンプ Download PDF

Info

Publication number
WO2017187876A1
WO2017187876A1 PCT/JP2017/013165 JP2017013165W WO2017187876A1 WO 2017187876 A1 WO2017187876 A1 WO 2017187876A1 JP 2017013165 W JP2017013165 W JP 2017013165W WO 2017187876 A1 WO2017187876 A1 WO 2017187876A1
Authority
WO
WIPO (PCT)
Prior art keywords
fuel
pressure pump
plunger
chamber
axis
Prior art date
Legal status (The legal status is an assumption and is not a legal conclusion. Google has not performed a legal analysis and makes no representation as to the accuracy of the status listed.)
Ceased
Application number
PCT/JP2017/013165
Other languages
English (en)
French (fr)
Japanese (ja)
Inventor
振一郎 越本
政治 中岡
忍 及川
Current Assignee (The listed assignees may be inaccurate. Google has not performed a legal analysis and makes no representation or warranty as to the accuracy of the list.)
Denso Corp
Original Assignee
Denso Corp
Priority date (The priority date is an assumption and is not a legal conclusion. Google has not performed a legal analysis and makes no representation as to the accuracy of the date listed.)
Filing date
Publication date
Application filed by Denso Corp filed Critical Denso Corp
Priority to US16/096,442 priority Critical patent/US10883463B2/en
Priority to CN201780025412.2A priority patent/CN109072846B/zh
Priority to DE112017002249.5T priority patent/DE112017002249T5/de
Publication of WO2017187876A1 publication Critical patent/WO2017187876A1/ja
Anticipated expiration legal-status Critical
Ceased legal-status Critical Current

Links

Images

Classifications

    • FMECHANICAL ENGINEERING; LIGHTING; HEATING; WEAPONS; BLASTING
    • F02COMBUSTION ENGINES; HOT-GAS OR COMBUSTION-PRODUCT ENGINE PLANTS
    • F02MSUPPLYING COMBUSTION ENGINES IN GENERAL WITH COMBUSTIBLE MIXTURES OR CONSTITUENTS THEREOF
    • F02M55/00Fuel-injection apparatus characterised by their fuel conduits or their venting means; Arrangements of conduits between fuel tank and pump F02M37/00
    • F02M55/04Means for damping vibrations or pressure fluctuations in injection pump inlets or outlets
    • FMECHANICAL ENGINEERING; LIGHTING; HEATING; WEAPONS; BLASTING
    • F02COMBUSTION ENGINES; HOT-GAS OR COMBUSTION-PRODUCT ENGINE PLANTS
    • F02MSUPPLYING COMBUSTION ENGINES IN GENERAL WITH COMBUSTIBLE MIXTURES OR CONSTITUENTS THEREOF
    • F02M55/00Fuel-injection apparatus characterised by their fuel conduits or their venting means; Arrangements of conduits between fuel tank and pump F02M37/00
    • FMECHANICAL ENGINEERING; LIGHTING; HEATING; WEAPONS; BLASTING
    • F02COMBUSTION ENGINES; HOT-GAS OR COMBUSTION-PRODUCT ENGINE PLANTS
    • F02MSUPPLYING COMBUSTION ENGINES IN GENERAL WITH COMBUSTIBLE MIXTURES OR CONSTITUENTS THEREOF
    • F02M59/00Pumps specially adapted for fuel-injection and not provided for in groups F02M39/00 -F02M57/00, e.g. rotary cylinder-block type of pumps
    • F02M59/02Pumps specially adapted for fuel-injection and not provided for in groups F02M39/00 -F02M57/00, e.g. rotary cylinder-block type of pumps of reciprocating-piston or reciprocating-cylinder type
    • F02M59/10Pumps specially adapted for fuel-injection and not provided for in groups F02M39/00 -F02M57/00, e.g. rotary cylinder-block type of pumps of reciprocating-piston or reciprocating-cylinder type characterised by the piston-drive
    • F02M59/102Mechanical drive, e.g. tappets or cams
    • FMECHANICAL ENGINEERING; LIGHTING; HEATING; WEAPONS; BLASTING
    • F02COMBUSTION ENGINES; HOT-GAS OR COMBUSTION-PRODUCT ENGINE PLANTS
    • F02MSUPPLYING COMBUSTION ENGINES IN GENERAL WITH COMBUSTIBLE MIXTURES OR CONSTITUENTS THEREOF
    • F02M59/00Pumps specially adapted for fuel-injection and not provided for in groups F02M39/00 -F02M57/00, e.g. rotary cylinder-block type of pumps
    • F02M59/20Varying fuel delivery in quantity or timing
    • F02M59/36Varying fuel delivery in quantity or timing by variably-timed valves controlling fuel passages to pumping elements or overflow passages
    • FMECHANICAL ENGINEERING; LIGHTING; HEATING; WEAPONS; BLASTING
    • F02COMBUSTION ENGINES; HOT-GAS OR COMBUSTION-PRODUCT ENGINE PLANTS
    • F02MSUPPLYING COMBUSTION ENGINES IN GENERAL WITH COMBUSTIBLE MIXTURES OR CONSTITUENTS THEREOF
    • F02M59/00Pumps specially adapted for fuel-injection and not provided for in groups F02M39/00 -F02M57/00, e.g. rotary cylinder-block type of pumps
    • F02M59/44Details, components parts, or accessories not provided for in, or of interest apart from, the apparatus of groups F02M59/02 - F02M59/42; Pumps having transducers, e.g. to measure displacement of pump rack or piston
    • FMECHANICAL ENGINEERING; LIGHTING; HEATING; WEAPONS; BLASTING
    • F02COMBUSTION ENGINES; HOT-GAS OR COMBUSTION-PRODUCT ENGINE PLANTS
    • F02MSUPPLYING COMBUSTION ENGINES IN GENERAL WITH COMBUSTIBLE MIXTURES OR CONSTITUENTS THEREOF
    • F02M59/00Pumps specially adapted for fuel-injection and not provided for in groups F02M39/00 -F02M57/00, e.g. rotary cylinder-block type of pumps
    • F02M59/44Details, components parts, or accessories not provided for in, or of interest apart from, the apparatus of groups F02M59/02 - F02M59/42; Pumps having transducers, e.g. to measure displacement of pump rack or piston
    • F02M59/46Valves
    • FMECHANICAL ENGINEERING; LIGHTING; HEATING; WEAPONS; BLASTING
    • F02COMBUSTION ENGINES; HOT-GAS OR COMBUSTION-PRODUCT ENGINE PLANTS
    • F02MSUPPLYING COMBUSTION ENGINES IN GENERAL WITH COMBUSTIBLE MIXTURES OR CONSTITUENTS THEREOF
    • F02M59/00Pumps specially adapted for fuel-injection and not provided for in groups F02M39/00 -F02M57/00, e.g. rotary cylinder-block type of pumps
    • F02M59/44Details, components parts, or accessories not provided for in, or of interest apart from, the apparatus of groups F02M59/02 - F02M59/42; Pumps having transducers, e.g. to measure displacement of pump rack or piston
    • F02M59/48Assembling; Disassembling; Replacing
    • FMECHANICAL ENGINEERING; LIGHTING; HEATING; WEAPONS; BLASTING
    • F04POSITIVE - DISPLACEMENT MACHINES FOR LIQUIDS; PUMPS FOR LIQUIDS OR ELASTIC FLUIDS
    • F04BPOSITIVE-DISPLACEMENT MACHINES FOR LIQUIDS; PUMPS
    • F04B1/00Multi-cylinder machines or pumps characterised by number or arrangement of cylinders
    • F04B1/04Multi-cylinder machines or pumps characterised by number or arrangement of cylinders having cylinders in star- or fan-arrangement
    • F04B1/0404Details or component parts
    • FMECHANICAL ENGINEERING; LIGHTING; HEATING; WEAPONS; BLASTING
    • F04POSITIVE - DISPLACEMENT MACHINES FOR LIQUIDS; PUMPS FOR LIQUIDS OR ELASTIC FLUIDS
    • F04BPOSITIVE-DISPLACEMENT MACHINES FOR LIQUIDS; PUMPS
    • F04B11/00Equalisation of pulses, e.g. by use of air vessels; Counteracting cavitation
    • F04B11/0008Equalisation of pulses, e.g. by use of air vessels; Counteracting cavitation using accumulators
    • F04B11/0016Equalisation of pulses, e.g. by use of air vessels; Counteracting cavitation using accumulators with a fluid spring
    • FMECHANICAL ENGINEERING; LIGHTING; HEATING; WEAPONS; BLASTING
    • F04POSITIVE - DISPLACEMENT MACHINES FOR LIQUIDS; PUMPS FOR LIQUIDS OR ELASTIC FLUIDS
    • F04BPOSITIVE-DISPLACEMENT MACHINES FOR LIQUIDS; PUMPS
    • F04B11/00Equalisation of pulses, e.g. by use of air vessels; Counteracting cavitation
    • F04B11/0091Equalisation of pulses, e.g. by use of air vessels; Counteracting cavitation using a special shape of fluid pass, e.g. throttles, ducts
    • FMECHANICAL ENGINEERING; LIGHTING; HEATING; WEAPONS; BLASTING
    • F04POSITIVE - DISPLACEMENT MACHINES FOR LIQUIDS; PUMPS FOR LIQUIDS OR ELASTIC FLUIDS
    • F04BPOSITIVE-DISPLACEMENT MACHINES FOR LIQUIDS; PUMPS
    • F04B53/00Component parts, details or accessories not provided for in, or of interest apart from, groups F04B1/00 - F04B23/00 or F04B39/00 - F04B47/00
    • F04B53/16Casings; Cylinders; Cylinder liners or heads; Fluid connections
    • FMECHANICAL ENGINEERING; LIGHTING; HEATING; WEAPONS; BLASTING
    • F02COMBUSTION ENGINES; HOT-GAS OR COMBUSTION-PRODUCT ENGINE PLANTS
    • F02MSUPPLYING COMBUSTION ENGINES IN GENERAL WITH COMBUSTIBLE MIXTURES OR CONSTITUENTS THEREOF
    • F02M2200/00Details of fuel-injection apparatus, not otherwise provided for
    • F02M2200/30Fuel-injection apparatus having mechanical parts, the movement of which is damped
    • FMECHANICAL ENGINEERING; LIGHTING; HEATING; WEAPONS; BLASTING
    • F02COMBUSTION ENGINES; HOT-GAS OR COMBUSTION-PRODUCT ENGINE PLANTS
    • F02MSUPPLYING COMBUSTION ENGINES IN GENERAL WITH COMBUSTIBLE MIXTURES OR CONSTITUENTS THEREOF
    • F02M2200/00Details of fuel-injection apparatus, not otherwise provided for
    • F02M2200/31Fuel-injection apparatus having hydraulic pressure fluctuations damping elements
    • F02M2200/315Fuel-injection apparatus having hydraulic pressure fluctuations damping elements for damping fuel pressure fluctuations
    • FMECHANICAL ENGINEERING; LIGHTING; HEATING; WEAPONS; BLASTING
    • F02COMBUSTION ENGINES; HOT-GAS OR COMBUSTION-PRODUCT ENGINE PLANTS
    • F02MSUPPLYING COMBUSTION ENGINES IN GENERAL WITH COMBUSTIBLE MIXTURES OR CONSTITUENTS THEREOF
    • F02M55/00Fuel-injection apparatus characterised by their fuel conduits or their venting means; Arrangements of conduits between fuel tank and pump F02M37/00
    • F02M55/008Arrangement of fuel passages inside of injectors

Definitions

  • This disclosure relates to a high-pressure pump that pressurizes and discharges fuel.
  • the high-pressure pump of Patent Document 1 is formed to extend from the outer wall of the housing to the radially outer side of the plunger, and includes a fixed portion that is fixed to the internal combustion engine.
  • the fixed portion has an insertion hole portion whose axis is parallel to the axis of the plunger.
  • the to-be-fixed part is being fixed to the internal combustion engine by inserting a fixing member in the insertion hole, and screwing and fixing to an internal combustion engine.
  • the high pressure pump of Patent Document 1 is provided with a pulsation damper in a fuel chamber communicating with a pressurizing chamber to reduce fuel pulsation in the fuel chamber.
  • the fuel chamber and the pulsation damper are located on the axis of the plunger.
  • the pulsation damper is formed in a hollow disc shape, and is provided so that the axis is parallel to the axis of the plunger.
  • two insertion hole portions of the fixed portion are formed so as to be line symmetric with respect to the axis of the plunger as an axis of symmetry.
  • the tool used when screwing the fixing member into the internal combustion engine is the fuel. It may interfere with the chamber forming portion and may make it difficult to attach the high pressure pump to the internal combustion engine.
  • the outer diameter of the fuel chamber forming portion is reduced so that the tool does not interfere with the fuel chamber forming portion, the outer diameter of the pulsation damper must be reduced, and a sufficient pulsation reducing effect may not be achieved. There is.
  • the outer diameter of the pulsation damper is increased in order to achieve a sufficient pulsation reducing effect, the outer diameter of the fuel chamber forming portion is also increased, and the distance between the two insertion holes must be increased. Thereby, there exists a possibility that a high pressure pump may enlarge.
  • the present disclosure has been made in view of the above-described problems, and an object of the present disclosure is to provide a small high-pressure pump that has a high effect of reducing fuel pulsation in a fuel chamber and that can be easily attached to an internal combustion engine.
  • the present disclosure is a high-pressure pump that is attached to an internal combustion engine, pressurizes and discharges fuel, and supplies the fuel to the internal combustion engine, and includes a housing, a plunger, a fuel chamber forming portion, a pulsation damper, a discharge portion, and a fixed portion. Yes.
  • the housing has a pressurizing chamber.
  • the plunger moves to increase or decrease the volume of the pressurizing chamber and can pressurize the fuel in the pressurizing chamber.
  • the fuel chamber forming part is provided on the radially outer side of the plunger and forms a fuel chamber communicating with the pressurizing chamber.
  • the pulsation damper is provided in the fuel chamber and can reduce the pressure pulsation of the fuel in the fuel chamber.
  • the discharge part discharges the fuel pressurized in the pressurizing chamber.
  • the fixed portion is provided on the radially outer side of the plunger, has an insertion hole portion, and is fixed to the internal combustion engine by a fixing member provided corresponding to the insertion hole portion.
  • the fuel chamber formation part is provided in the position which avoided the axis of the penetration hole part. Therefore, it is possible to prevent the tool used when the fixed portion of the high-pressure pump is fixed to the internal combustion engine by the fixing member from interfering with the fuel chamber forming portion. This facilitates the attachment of the high-pressure pump to the internal combustion engine.
  • the fuel chamber forming portion is provided on the radially outer side of the plunger, even if the fuel chamber forming portion is enlarged, it is difficult to interfere with the shaft of the insertion hole portion. Therefore, in the present disclosure, it is possible to increase the size of the fuel chamber forming portion while avoiding the shaft of the insertion hole portion. Therefore, the size of the pulsation damper can be increased while suppressing interference between the tool and the fuel chamber forming portion when the fixed portion is fixed by the fixing member, and the effect of reducing fuel pulsation in the fuel chamber can be enhanced.
  • the fuel chamber forming portion is provided at a position avoiding the axis of the insertion hole portion on the radially outer side of the plunger, the insertion hole portion is formed at a position relatively close to the axis of the plunger. be able to. Therefore, the physique of the high pressure pump including the fixed portion in which the insertion hole is formed can be reduced.
  • the fuel chamber forming portion is provided at a position avoiding the virtual cylindrical surface including the entire inner wall of the insertion hole portion, a tool used for fixing the fixed portion of the high pressure pump to the internal combustion engine by the fixing member is used. Interfering with the fuel chamber forming portion can be more effectively suppressed.
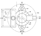
  • FIG. 1 is a cross-sectional view illustrating a high-pressure pump according to a first embodiment of the present disclosure.
  • FIG. 3 is a sectional view taken along line III-III in FIG. 2. Sectional drawing which shows the penetration hole part of the high pressure pump by 1st Embodiment of this indication, and its vicinity.
  • the schematic diagram which shows the high pressure pump by 1st Embodiment of this indication. Sectional drawing which shows the penetration hole part of the high pressure pump by 2nd Embodiment of this indication, and its vicinity.
  • the schematic diagram which shows the high pressure pump by 4th Embodiment of this indication The schematic diagram which shows the high pressure pump by 5th Embodiment of this indication.
  • the schematic diagram which shows the high pressure pump by 6th Embodiment of this indication The schematic diagram which shows the high pressure pump by 7th Embodiment of this indication.
  • the schematic diagram which shows the high pressure pump by 8th Embodiment of this indication Sectional drawing which shows the high pressure pump by 9th Embodiment of this indication. Sectional drawing which shows the high pressure pump by 10th Embodiment of this indication.
  • FIGS. 1-10 A high pressure pump according to a first embodiment of the present disclosure is shown in FIGS.
  • the high-pressure pump 1 is provided in a vehicle not shown.
  • the high-pressure pump 1 is a pump that supplies fuel at a high pressure to an engine 9 as an internal combustion engine, for example.
  • the fuel that the high-pressure pump 1 supplies to the engine 9 is, for example, gasoline. That is, the fuel supply target of the high-pressure pump 1 is a gasoline engine.
  • the fuel stored in the fuel tank 2 is supplied to the high-pressure pump 1 via the pipe 4 by the fuel pump 3.
  • the high-pressure pump 1 pressurizes the fuel supplied from the fuel pump 3 and discharges it to the fuel rail 7 via the pipe 6. Thereby, the fuel in the fuel rail 7 is accumulated and supplied to the engine 9 from the fuel injection valve 8 connected to the fuel rail 7.
  • the high-pressure pump 1 includes a housing 10, a plunger 20, a fuel chamber forming portion 30, an inlet portion 26, a pulsation damper 40, an intake valve portion 50, an electromagnetic drive portion 60, a discharge portion 70, a covered portion.
  • a fixing portion 90 and the like are provided.
  • the housing 10 is made of a metal such as stainless steel.
  • the housing 10 includes a housing main body 11, a cylinder part 12, and a holder support part 13.
  • the housing body 11 is formed in a substantially cylindrical shape.
  • the cylinder portion 12 is formed in a substantially cylindrical shape and is provided in the center of the housing body 11. In the present embodiment, the cylinder portion 12 is formed integrally with the housing body 11.
  • the holder support portion 13 is formed in a substantially cylindrical shape, and is provided on the housing body 11 so as to be coaxial with the cylinder portion 12 on the radially outer side of one end of the cylinder portion 12. In the present embodiment, the holder support portion 13 is formed integrally with the housing body 11.
  • the housing body 11 has an inflow hole 101, a hole 102, a hole 105, a suction hole 106, a discharge hole 109, and a hole 108.
  • the inflow hole portion 101 is formed so as to be recessed in a substantially cylindrical shape inward from the outer wall of the housing body 11 on the radially outer side of the cylinder portion 12. Specifically, it is formed so as to be recessed in a substantially cylindrical shape from the side wall of the housing main body 11, that is, the cylindrical outer wall of the housing main body 11 toward the inside.
  • the hole 102 is formed so as to connect the inflow hole 101 and the space between the cylinder 12 and the holder support 13.
  • a plurality of hole portions 102 are formed such that the axis is parallel to the axis of the cylinder portion 12.
  • three hole portions 102 are formed so that the axis is parallel to the axis of the cylinder portion 12.
  • parallel is not limited to two straight lines that are strictly parallel, but also includes two straight lines that are slightly non-parallel. same as below.
  • the hole portion 105 is formed so as to connect the space between the cylinder portion 12 and the holder support portion 13 and the end surface of the housing body 11 opposite to the holder support portion 13.
  • two holes 105 are formed such that the axis is parallel to the axis of the cylinder part 12.
  • the suction hole portion 106 is formed so as to be recessed in a substantially cylindrical shape from the end surface of the housing body 11 opposite to the holder support portion 13 in the axial direction of the cylinder portion 12. Here, the suction hole portion 106 is connected to the space inside the cylinder portion 12.
  • the discharge hole portion 109 is formed so as to be recessed in a substantially cylindrical shape inward from the outer wall of the housing body 11 on the radially outer side of the cylinder portion 12.
  • the discharge hole 109 is formed on the side opposite to the inflow hole 101 with the axis of the cylinder 12 interposed therebetween.
  • the hole 105 is formed so as to connect the space inside the cylinder 12 and the discharge hole 109.
  • the plunger 20 is formed in a substantially cylindrical shape with a metal such as stainless steel.
  • the plunger 20 has a large diameter part 201 and a small diameter part 202.
  • the small diameter portion 202 is formed so that the outer diameter is smaller than the outer diameter of the large diameter portion 201.
  • the large diameter portion 201 and the small diameter portion 202 are integrally formed coaxially.
  • the plunger 20 is provided so that the large diameter part 201 side is inserted into the cylinder part 12.
  • the outer diameter of the large-diameter portion 201 of the plunger 20 is substantially the same as the inner diameter of the cylinder portion 12 or slightly smaller than the inner diameter of the cylinder portion 12. Thereby, the outer wall of the large diameter part 201 slides on the inner wall of the cylinder part 12, and the plunger 20 is supported by the cylinder part 12 so that reciprocation is possible in an axial direction.
  • a pressurizing chamber 107 is formed between the inner wall of the cylinder portion 12 and the end portion of the plunger 20 on the large diameter portion 201 side. That is, the cylinder part 12 has a pressurizing chamber 107 on the inner side. The volume of the pressurizing chamber 107 changes when the plunger 20 reciprocates inside the cylinder portion 12.
  • the pressurizing chamber 107 is connected to the suction hole portion 106 and the hole portion 108.
  • a seal holder 21 is provided inside the holder support portion 13.
  • the seal holder 21 is formed in a cylindrical shape from a metal such as stainless steel.
  • the seal holder 21 is provided such that the outer wall is fitted to the inner wall of the holder support portion 13.
  • the seal holder 21 is provided so as to form a substantially cylindrical clearance between the inner wall at the end opposite to the cylinder portion 12 and the outer wall of the small diameter portion 202 of the plunger 20.
  • An annular seal 22 is provided between the inner wall of the seal holder 21 and the outer wall of the small diameter portion 202 of the plunger 20.
  • the seal 22 includes a fluorine resin ring on the inner diameter side and a rubber ring on the outer diameter side.
  • the thickness of the fuel oil film around the small diameter portion 202 of the plunger 20 is adjusted by the seal 22, and fuel leakage to the engine 9 is suppressed.
  • An oil seal 23 is provided at the end of the seal holder 21 opposite to the cylinder portion 12. The oil seal 23 adjusts the thickness of the oil film around the small-diameter portion 202 of the plunger 20, and prevents oil from entering the high-pressure pump 1.
  • a variable volume chamber 104 whose volume changes when the plunger 20 reciprocates is formed between the step surface between the large diameter portion 201 and the small diameter portion 202 of the plunger 20 and the seal 22.
  • annular space 103 which is an annular space is formed between the outer wall of the housing main body 11 and the cylinder portion 12, the inner wall of the holder support portion 13, and the seal holder 21.
  • the annular space 103 is connected to the inflow hole portion 101 via the hole portion 102.
  • the annular space 103 is connected to the end surface of the housing body 11 opposite to the holder support portion 13 via the hole portion 105.
  • the annular space 103 is connected to the variable volume chamber 104 via a cylindrical space between the inner wall of the seal holder 21 and the outer wall of the cylinder portion 12.
  • a substantially disc-shaped spring seat 24 is provided on the end of the plunger 20 opposite to the large diameter portion 201 of the small diameter portion 202.
  • a spring 25 is provided between the seal holder 21 and the spring seat 24.
  • the spring 25 is, for example, a coil spring, and is provided so that one end contacts the spring seat 24 and the other end contacts the seal holder 21.
  • the spring 25 urges the plunger 20 to the side opposite to the pressurizing chamber 107 via the spring seat 24.
  • the end of the plunger 20 opposite to the large diameter portion 201 of the small diameter portion 202 is in contact with the cam 5 of the cam shaft that rotates in conjunction with the drive shaft of the engine 9.
  • the cam 5 of the cam shaft that rotates in conjunction with the drive shaft of the engine 9.
  • the plunger 20 reciprocates in the axial direction by the rotation of the cam 5.
  • the volumes of the pressurizing chamber 107 and the variable volume chamber 104 change periodically.
  • the fuel chamber forming part 30 has a plate part 31, a cylinder part 32, a plate part 33, a cylinder part 34, and a support member 35.
  • the plate part 31, the cylinder part 32, the plate part 33, the cylinder part 34, and the support member 35 are made of metal such as stainless steel, for example.
  • the plate part 31 is formed in a substantially disc shape.
  • the cylindrical portion 32 is formed integrally with the plate portion 31 so as to extend from the outer edge portion of the plate portion 31 in a substantially cylindrical shape.
  • the plate portion 33 is formed in a substantially disc shape, and is provided so as to close the end portion of the cylindrical portion 32 on the side opposite to the plate portion 31.
  • a fuel chamber 300 that is a flat circular space is formed between the plate portion 31, the cylinder portion 32, and the plate portion 33. That is, the fuel chamber forming part 30 is formed in a hollow disc shape.
  • the plate portion 33 is formed separately from the tube portion 32.
  • the cylindrical portion 34 is formed integrally with the plate portion 33 so as to extend in a substantially cylindrical shape from the center of the plate portion 33 to the side opposite to the plate portion 31. Thereby, the inside of the fuel chamber forming portion 30, that is, the fuel chamber 300 and the outside are connected via the space inside the cylinder portion 34.
  • the support member 35 is provided in the fuel chamber 300.
  • the fuel chamber forming portion 30 is provided in the housing 10 so that the cylindrical portion 34 fits into the inflow hole portion 101 of the housing main body 11. Thereby, the fuel chamber 300 and the inflow hole portion 101 are connected via the cylindrical portion 34.
  • the fuel chamber forming portion 30 is fixed to the housing body 11 by welding, for example.
  • the fuel chamber forming portion 30 is provided so that at least a part thereof is located outside the side wall of the housing body 11 of the housing 10 on the radially outer side of the plunger 20 (see FIGS. 2 and 3).
  • the fuel chamber forming portion 30 is provided so that the axis Ax2 of the fuel chamber forming portion 30 is orthogonal to the axis Ax1 of the plunger 20 (see FIGS. 2 and 3).
  • the expression “orthogonal” is not limited to two straight lines that are strictly orthogonal, but includes two straight lines that slightly incline and cross each other and two straight lines that are slightly separated from each other. same as below.
  • the inlet portion 26 is formed in a substantially cylindrical shape with a metal such as stainless steel.
  • the inlet portion 26 is connected to the cylindrical portion 32 of the fuel chamber forming portion 30 so that the shaft is parallel to the axis Ax1 of the plunger 20.
  • the inside of the fuel chamber forming portion 30, that is, the fuel chamber 300 and the outside are connected via the space inside the inlet portion 26.
  • the inlet 4 is connected to the pipe 4. As a result, the fuel discharged from the fuel pump 3 flows into the fuel chamber 300 via the inlet portion 26.
  • the axial direction of the inlet part 26 can be freely set around the fuel chamber forming part 30, and the degree of freedom of mounting the high-pressure pump 1 is improved.
  • the pulsation damper 40 is provided in the fuel chamber 300.
  • the pulsation damper 40 is formed into a hollow disk shape by joining the peripheral portions of two diaphragms, for example, and a gas having a predetermined pressure is sealed inside.
  • the pulsation damper 40 is supported by the support member 35 in the fuel chamber 300.
  • the pulsation damper 40 is provided such that the axis Ax3 of the pulsation damper 40 is orthogonal to the axis Ax1 of the plunger 20 (see FIGS. 2 and 3). That is, in the present embodiment, the axis Ax2 of the fuel chamber forming portion 30 and the axis Ax3 of the pulsation damper 40 are substantially coincident.
  • the pulsation damper 40 can reduce the pressure pulsation of the fuel by elastically deforming according to the change of the fuel pressure in the fuel chamber 300.
  • a vibration suppressing member 41 is provided inside the pulsation damper 40.
  • the vibration suppressing member 41 is formed in a substantially annular shape by an elastic member such as rubber.
  • the vibration suppressing member 41 is in contact with the inner wall of the pulsation damper 40 at the outer edge.
  • the vibration suppressing member 41 can suppress vibration generated when the pulsation damper 40 suppresses fuel pressure pulsation.
  • the suction valve portion 50 is provided in the suction hole portion 106 of the housing body 11.
  • the suction valve portion 50 includes a suction valve seat portion 51, a suction valve 52, a spring 53, a stopper 54, and a screwing portion 55.
  • the suction hole portion 106 in which the suction valve portion 50 is provided is referred to as a suction passage 500.
  • the suction valve seat 51 is formed in a substantially disc shape with a metal such as stainless steel, and is provided in the suction passage 500.
  • the intake valve seat portion 51 has a plurality of holes that connect one end surface to the other end surface.
  • a suction valve seat 511 is formed around the hole on the end surface of the suction valve seat 51 on the pressure chamber 107 side.
  • the suction valve 52 is formed in a substantially disc shape with a metal such as stainless steel.
  • the stopper 54 is formed in a substantially disk shape with a metal such as stainless steel, for example, and is provided on the pressurizing chamber 107 side with respect to the suction valve 52 so that the outer edge portion is fitted to the inner wall of the suction hole portion 106.
  • the outer edge portion of the surface of the stopper 54 on the pressure chamber 107 side is in contact with the end surface of the cylinder portion 12 opposite to the seal holder 21.
  • the outer edge portion of the stopper 54 opposite to the pressurizing chamber 107 is in contact with the conceptual portion of the suction valve seat portion 51.
  • the stopper 54 has a plurality of holes that connect one surface to the other surface.
  • the suction valve 52 is provided so as to be able to reciprocate between the suction valve seat 51 and the stopper 54. One end surface of the suction valve 52 can contact the suction valve seat 511. The suction valve 52 can open and close the suction passage 500 by being separated from the suction valve seat 511 or contacting the suction valve seat 511. That is, the intake valve 52 can open and close between the fuel chamber 300 and the pressurizing chamber 107.
  • the other end face of the suction valve 52 can contact the stopper 54.
  • the stopper 54 can restrict the movement of the suction valve 52 toward the pressurizing chamber 107 when the suction valve 52 abuts.
  • the screwing portion 55 is formed in a substantially cylindrical shape with a metal such as stainless steel.
  • a screw thread is formed on the outer wall of the screwing portion 55.
  • a screw groove corresponding to the thread of the screwing portion 55 is formed in the inner wall of the suction hole portion 106.
  • the screwing portion 55 is provided so as to be screwed into the screw groove of the suction hole portion 106. Accordingly, the screwing portion 55 presses the stopper 54 against the end surface of the cylinder portion 12 opposite to the seal holder 21 via the suction valve seat portion 51. That is, the suction valve seat 51 and the stopper 54 are fixed so as to be sandwiched between the screwing portion 55 and the cylinder portion 12.
  • the screwing part 55 is provided coaxially with the plunger 20 (axis Ax1). Therefore, the influence which the distortion accompanying the screwing of the screwing part 55 has on the sliding part of the plunger 20 can be reduced.
  • the spring 53 is a coil spring, for example, and is provided between the suction valve 52 and the stopper 54.
  • the spring 53 biases the suction valve 52 toward the suction valve seat 511.
  • the electromagnetic drive unit 60 is provided on the side opposite to the plunger 20 with respect to the suction valve unit 50.
  • the electromagnetic drive unit 60 includes a yoke 61, a needle 62, a movable core 63, a cylindrical member 64, a fixed core 65, a spring 66, a coil 67, a yoke 68, and a connector 69.
  • the yoke 61 is formed in a substantially disc shape by a magnetic material, for example.
  • the yoke 61 is fixed to the housing body 11 with a gap s1 formed between the housing body 11 and the end surface opposite to the holder support portion 13. Thereby, the hole 105 and the suction passage 500 are connected via the gap s1.
  • the needle 62 is formed in a rod shape from, for example, metal.
  • the needle 62 is supported by a hole formed in the center of the yoke 61 so as to be reciprocally movable.
  • One end of the needle 62 is inserted through a hole formed in the center of the suction valve seat 51, and can contact the end surface of the suction valve 52 opposite to the pressurizing chamber 107.
  • the needle 62 is provided coaxially with the plunger 20.
  • the movable core 63 is formed in a substantially cylindrical shape with, for example, a magnetic material, and is provided at the other end of the needle 62.
  • the cylindrical member 64 is formed in a cylindrical shape from, for example, a nonmagnetic material, and is provided on the opposite side of the yoke 61 from the suction valve portion 50 on the radially outer side of the movable core 63.
  • the fixed core 65 is made of, for example, a magnetic material, and is provided on the opposite side of the cylindrical member 64 from the yoke 61.
  • the spring 66 is, for example, a coil spring, and is provided between the needle 62 and the fixed core 65.
  • the spring 66 urges the needle 62 toward the pressurizing chamber 107.
  • the biasing force of the spring 66 is set larger than the biasing force of the spring 53. Therefore, the suction valve 52 is separated from the suction valve seat 511.
  • the coil 67 is formed in a substantially cylindrical shape, and is provided on the radially outer side of the cylindrical member 64 and the fixed core 65.
  • the yoke 68 is formed, for example, in a cylindrical shape with a bottom using a magnetic material, and is provided so that the opening abuts against the yoke 61 while covering the coil 67.
  • the connector 69 is formed to extend outward in the radial direction of the yoke 68.
  • the connector 69 has a terminal 691.
  • the terminal 691 is formed in a rod shape from an electrically conductive material, and one end thereof is electrically connected to the coil 67.
  • a harness 692 is connected to the connector 69. As a result, power is supplied to the coil 67 via the harness 692 and the terminal 691.
  • the electromagnetic drive unit 60 can drive the intake valve unit 50 so that the intake valve unit 50 opens and closes the intake passage 500 between the pressurizing chamber 107 and the fuel chamber 300 when energized.
  • the electromagnetic drive unit 60 constitutes a so-called normally open type valve device that opens the intake valve 52 when not energized and closes the intake valve 52 when energized.
  • the discharge part 70 is provided in the discharge hole 109 of the housing body 11.
  • the discharge part 70 has a discharge cylinder part 71.
  • the discharge cylinder portion 71 is formed in a substantially cylindrical shape with a metal such as stainless steel.
  • the discharge cylinder 71 is provided in the housing body 11 so that one end thereof is screwed into the inner wall of the discharge hole 109.
  • a discharge passage 700 is formed inside the discharge cylinder portion 71.
  • a pipe 6 is connected to the other end of the discharge cylinder 71.
  • a discharge valve portion 80 is provided in the discharge passage 700.
  • the discharge valve portion 80 includes a discharge valve seat portion 81, a discharge valve 82, and a spring 83.
  • the discharge valve seat part 81 is formed in a bottomed cylindrical shape with a metal such as stainless steel, for example, and is provided between the housing body 11 and the discharge cylinder part 71.
  • the discharge valve seat 81 has a hole at the bottom.
  • a discharge valve seat 811 is formed around the hole on the surface opposite to the pressurizing chamber 107 at the bottom of the discharge valve seat 81.
  • the discharge valve 82 is formed, for example, in a substantially disk shape from a metal such as stainless steel, and is provided so as to be capable of reciprocating on the opposite side of the discharge valve seat 811 from the pressurizing chamber 107.
  • One end surface of the discharge valve 82 can contact the discharge valve seat 811.
  • the discharge valve 82 can open and close the discharge passage 700 by being separated from the discharge valve seat 811 or contacting the discharge valve seat 811. That is, the discharge valve 82 can open and close between the pressurizing chamber 107 and the pipe 6.
  • the spring 83 is, for example, a coil spring, and biases the discharge valve 82 toward the discharge valve seat 811.
  • the pressure of the fuel in the space on the pressurizing chamber 107 side relative to the discharge valve seat 81 is such that the fuel pressure in the space on the opposite side of the pressurizing chamber 107, that is, the space on the pipe 6 side, and the spring 83 are attached.
  • the valve opening pressure of the discharge valve 82 When it becomes larger than the sum of the forces (the valve opening pressure of the discharge valve 82), the valve separates from the discharge valve seat 811 and opens. As a result, the fuel on the pressurizing chamber 107 side is discharged to the pipe 6 side via the discharge valve seat 811.
  • the valve opening pressure of the discharge valve 82 can be set by adjusting the urging force of the spring 83.
  • the fixed portion 90 is provided on the outer side of the outer wall of the housing body 11 in the radial direction of the plunger 20. Specifically, the fixed portion 90 is provided on the side wall of the housing body 11. In the present embodiment, the fixed portion 90 is formed of a metal such as stainless steel. The fixed portion 90 is formed integrally with the housing body 11 so as to protrude from the side wall of the housing body 11 to the radially outer side of the plunger 20. A plurality of fixed portions 90 are provided so as to have a line-symmetric relationship with the axis Ax1 of the plunger 20 as the axis of symmetry. Specifically, two fixed portions 90 are provided so as to have a line-symmetric relationship with the axis Ax1 of the plunger 20 as the axis of symmetry.
  • the two fixed portions 90 are provided on the outer wall of the housing body 11 with the axis Ax1 of the plunger 20 interposed therebetween. In other words, two fixed portions 90 are provided at equal intervals (180 ° intervals) in the circumferential direction of the housing body 11.
  • Each of the two fixed parts 90 has an insertion hole part 900.
  • the insertion hole 900 is formed so that the axis Ax4 is parallel to the axis Ax1 of the plunger 20.
  • the fixed portion 90 is fixed to the engine head 15 by a bolt 91 as a fixing member provided corresponding to the insertion hole portion 900.
  • the bolt 91 as a fixing member has a shaft portion 911 and a head portion 912.
  • the shaft portion 911 is formed in a substantially cylindrical shape, and a thread is formed on the outer wall of one end portion.
  • the head 912 is formed in a hexagonal column shape, for example, and is provided at the other end of the shaft portion 911.
  • a fixed hole 151 is formed in the engine head 15.
  • the fixing hole 151 is formed so that its axis is substantially parallel to the axis of the mounting hole 150.
  • a thread groove corresponding to the thread of the shaft portion 911 of the bolt 91 is formed on the inner wall of the fixing hole 151.
  • the bolt 91 has a shaft portion 911 inserted through the insertion hole portion 900 of the fixed portion 90, and one end portion is screwed into the fixing hole portion 151 of the engine head 15.
  • the fixed portion 90 can be sandwiched and fixed (see FIG. 4). Thereby, the high-pressure pump 1 can be fixed to the engine 9.
  • the fuel chamber forming portion 30 defines the virtual cylindrical surface VT ⁇ b> 1 including all of the axis Ax ⁇ b> 4 of the insertion hole 900 and the inner wall of the insertion hole 900 as the plunger 20. It is provided at a position avoided in the radially outward direction. That is, the axis Ax4 and the virtual cylindrical surface VT1 do not pass through the fuel chamber forming portion 30 and the pulsation damper 40, and the fuel chamber forming portion 30, the axis Ax4 and the virtual cylindrical surface VT1 are separated by a predetermined distance or more. .
  • the fuel chamber forming portion 30 is provided at a position avoiding the straight line L1 connecting the axes Ax4 of the two insertion hole portions 900. That is, the fuel chamber forming portion 30 and the pulsation damper 40 are not provided between the two insertion hole portions 900.
  • the straight line L1 passes through the axis Ax1 of the plunger 20.
  • the fuel chamber forming portion 30 has an outer diameter d1 larger than the distance d2 between the two insertion holes 900.
  • the outer diameter d3 of the pulsation damper 40 is slightly smaller than the distance d2 between the two insertion holes 900.
  • the electromagnetic drive unit 60 is provided on the axis Ax1 of the plunger 20 at a position avoiding the axis Ax4 and the virtual cylindrical surface VT1. Note that the needle 62, the movable core 63, the fixed core 65, and the coil 67 of the electromagnetic drive unit 60 are provided so that their axes substantially coincide with the axis Ax1 of the plunger 20 (see FIG. 2).
  • the connector 69 is provided so as to face the same direction as the discharge unit 70. Moreover, the inlet part 26, the discharge part 70, and the connector 69 are provided in the position which avoided the axis
  • the suction valve unit 50 and the electromagnetic drive unit 60 are provided on the shaft of the plunger 20 and the suction valve 52 is disposed as close as possible to the pressurization chamber 107, thereby connecting to the pressurization chamber 107.
  • the volume can be made relatively small. Thereby, fuel can be effectively pressurized.
  • the holder support 13 of the housing 10 is inserted into the mounting hole 150 of the engine head 15.
  • the insertion hole 900 of the fixed portion 90 is aligned with the fixing hole 151 of the engine head 15 (see FIG. 4).
  • the bolt 91 is inserted into the insertion hole 900, and the bolt 91 is screwed into the fixing hole 151 with the tool 16.
  • the fixed part 90 is fixed to the engine head 15, and the attachment to the engine 9 of the high-pressure pump 1 is completed.
  • the tool 16 since the fuel chamber forming portion 30, the inlet portion 26, the discharge portion 70, the connector 69, and the like are provided at positions avoiding the axis Ax4 and the virtual cylindrical surface VT1, the tool 16 does not interfere.
  • the bolt 91 can be easily screwed in.
  • fuel in the fuel chamber 300 can flow into the inflow hole portion 101, fuel in the inflow hole portion 101 can flow into the hole portion 102, and fuel in the hole portion 102 can flow into the annular space 103.
  • the fuel in the annular space 103 can flow into the hole 105, the fuel in the hole 105 can flow into the gap s1, and the fuel in the gap s1 can flow into the suction passage 500.
  • the fuel can flow into the pressurizing chamber 107.
  • the amount of fuel returned from the pressurizing chamber 107 to the suction passage 500 side is adjusted by adjusting the timing for closing the suction valve 52. As a result, the amount of fuel pressurized in the pressurizing chamber 107 is determined.
  • the intake valve 52 is closed, the metering process for returning the fuel from the pressurizing chamber 107 to the intake passage 500 is completed.
  • the fuel in the pressurizing chamber 107 can flow out into the suction passage 500, the fuel in the suction passage 500 can flow out into the gap s1, and the fuel in the gap s1 can flow out into the hole 105.
  • the fuel in the hole portion 105 can flow out into the annular space 103, the fuel in the annular space 103 can flow out into the hole portion 102, the fuel in the hole portion 102 can flow out into the inflow hole portion 101, and the inflow hole portion.
  • the fuel 101 can flow into the fuel chamber 300.
  • the high pressure pump 1 pressurizes and discharges the fuel in the sucked fuel tank 2 and supplies it to the fuel rail 7 by repeating the above “suction process”, “metering process”, and “pressurization process”.
  • the amount of fuel supplied from the high-pressure pump 1 to the fuel rail 7 is adjusted by controlling the power supply timing to the coil 67 of the electromagnetic drive unit 60 and the like.
  • pressure pulsation may occur in the fuel in the fuel chamber 300.
  • the pulsation damper 40 provided in the fuel chamber 300 can be elastically deformed according to the change in the fuel pressure in the fuel chamber 300, thereby reducing the pressure pulsation of the fuel in the fuel chamber 300.
  • the fuel that has flowed from the inlet portion 26 flows into the fuel chamber 300, the inflow hole portion 101, the hole portion 102, the annular space 103, the hole portion. 105, the space between the housing body 11 and the yoke 61 flows through the suction passage 500 to the pressurizing chamber 107. Further, when the plunger 20 reciprocates, the volume of the variable volume chamber 104 increases or decreases, so that fuel flows between the annular space 103 and the variable volume chamber 104.
  • the cylinder part 12 and the plunger 20 that have become high temperature due to heat generated by sliding between the plunger 20 and the cylinder part 12 and heat generated by pressurizing the fuel in the pressurizing chamber 107 are cooled by the low-temperature fuel. Can do. Thereby, the burn-in of the plunger 20 and the cylinder part 12 can be suppressed.
  • part of the fuel that has become high pressure in the pressurizing chamber 107 flows into the variable volume chamber 104 via the clearance between the plunger 20 and the cylinder portion 12.
  • an oil film is formed between the plunger 20 and the cylinder part 12, and the seizure of the plunger 20 and the cylinder part 12 can be effectively suppressed.
  • the fuel that has flowed into the variable volume chamber 104 from the pressurizing chamber 107 flows into the pressurizing chamber 107 again via the annular space 103, the hole 105, and the suction passage 500.
  • this embodiment is a high-pressure pump 1 that is attached to an engine 9, pressurizes and discharges fuel, and supplies the engine 9 with a housing 10, a plunger 20, a fuel chamber forming portion 30, and The pulsation damper 40, the discharge part 70, and the to-be-fixed part 90 are provided.
  • the housing 10 has a pressurizing chamber 107.
  • the plunger 20 moves to increase or decrease the volume of the pressurizing chamber 107, and can pressurize the fuel in the pressurizing chamber 107.
  • the fuel chamber forming portion 30 is provided on the radially outer side of the plunger 20 and forms a fuel chamber 300 communicating with the pressurizing chamber 107.
  • the pulsation damper 40 is provided in the fuel chamber 300 and can reduce the pressure pulsation of the fuel in the fuel chamber 300.
  • the discharge unit 70 discharges the fuel pressurized in the pressurizing chamber 107.
  • the fixed portion 90 is provided on the outer wall of the outer wall of the housing 10 in the radial direction of the plunger 20.
  • the shaft Ax 4 has an insertion hole 900 parallel to the axis Ax 1 of the plunger 20, and is provided corresponding to the insertion hole 900.
  • the bolt 9 is fixed to the engine 9.
  • the fuel chamber formation part 30 is provided in the position which avoided the axis
  • the fuel chamber forming portion 30 is provided on the radially outer side of the plunger 20, it is possible to increase the size while avoiding the axis Ax4 of the insertion hole portion 900. Therefore, the size of the pulsation damper 40 can be increased while suppressing the interference between the tool 16 and the fuel chamber forming portion 30 when the fixed portion 90 is fixed by the bolt 91, and the pulsation reduction effect of the fuel in the fuel chamber 300 is enhanced. be able to.
  • the fuel chamber forming portion 30 is provided at a position avoiding the axis Ax4 of the insertion hole 900 on the radially outer side of the plunger 20, and therefore the insertion hole 900 is connected to the axis Ax1 of the plunger 20. It can be formed in a close position. Therefore, the physique of the high-pressure pump 1 including the fixed portion 90 in which the insertion hole portion 900 is formed can be reduced.
  • the fuel chamber forming portion 30 is provided at a position avoiding the virtual cylindrical surface VT1 including the entire inner wall of the insertion hole portion 900. Therefore, it is possible to more effectively suppress the tool 16 used when the fixed portion 90 of the high-pressure pump 1 is fixed to the engine 9 by the bolt 91 from interfering with the fuel chamber forming portion 30.
  • the bolt 91 is inserted into the insertion hole 900 and fixed to the engine 9, whereby the fixed portion 90 can be fixed to the engine 9.
  • the pulsation damper 40 is formed in a hollow disk shape, and is provided so that the axis Ax3 intersects the axis Ax1 of the plunger 20.
  • the pulsation damper 40 is provided so that the axis Ax3 is orthogonal to the axis Ax1 of the plunger 20.
  • two insertion holes 900 are provided so as to have a line-symmetric relationship with the axis Ax1 of the plunger 20 as the axis of symmetry.
  • the fuel chamber forming portion 30 is provided at a position avoiding the axis Ax4 of the insertion hole 900, two insertion holes 900 are provided so as to be line-symmetric with respect to the axis Ax1 of the plunger 20. Even if it is the structure by which the fuel chamber 300 and pulse
  • the physique of the session damper 40 can be enlarged.
  • the fuel chamber forming portion 30 is formed in a hollow disk shape, and the outer diameter d1 is larger than the distance d2 between the two insertion hole portions 900. Therefore, it is possible to increase the physique of the pulsation damper 40 while suppressing an increase in the physique of the high-pressure pump 1 including the fixed portion 90 in which the insertion hole 900 is formed, and to reduce the fuel pulsation in the fuel chamber 300 Can be increased.
  • the present embodiment further includes a cylindrical inlet portion 26 that communicates with the fuel chamber 300 and guides fuel from the outside to the fuel chamber 300.
  • the inlet portion 26 is connected to the fuel chamber forming portion 30. This exemplifies a specific configuration of the present embodiment.
  • the inlet portion 26 is provided at a position avoiding the axis Ax4 of the insertion hole portion 900 and the virtual cylindrical surface VT1. Therefore, it is possible to prevent the tool 16 used when the fixed portion 90 of the high-pressure pump 1 is fixed to the engine 9 with the bolt 91 from interfering with the inlet portion 26. Thereby, attachment to the engine 9 of the high pressure pump 1 becomes easy.
  • the inlet portion 26 is provided. Is easily connected to the fuel chamber forming portion 30 while avoiding the axis Ax4 of the insertion hole portion 900. Therefore, the connection position of the inlet portion 26 with respect to the fuel chamber forming portion 30 and the degree of freedom in the connection direction are improved.
  • the present embodiment further includes a suction valve unit 50 and an electromagnetic drive unit 60.
  • the suction valve unit 50 can open and close between the pressurizing chamber 107 and the fuel chamber 300.
  • the electromagnetic drive unit 60 can drive the intake valve unit 50 so that the intake valve unit 50 opens and closes between the pressurizing chamber 107 and the fuel chamber 300 when energized.
  • the electromagnetic drive unit 60 is provided at a position avoiding the axis Ax4 of the insertion hole 900 and the virtual cylindrical surface VT1. Therefore, it is possible to prevent the tool 16 used when the fixed portion 90 of the high-pressure pump 1 is fixed to the engine 9 with the bolt 91 from interfering with the electromagnetic drive portion 60. Thereby, attachment to the engine 9 of the high pressure pump 1 becomes easy.
  • the electromagnetic drive unit 60 is provided on the axis Ax1 of the plunger 20. This exemplifies a specific configuration of the present embodiment.
  • the electromagnetic drive unit 60 has a connector 69 to which a harness 692 for energization is connected.
  • the connector 69 is provided at a position avoiding the axis Ax4 of the insertion hole 900 and the virtual cylindrical surface VT1. Therefore, it is possible to prevent the tool 16 used when the fixed portion 90 of the high-pressure pump 1 is fixed to the engine 9 by the bolt 91 from interfering with the connector 69. Thereby, attachment to the engine 9 of the high pressure pump 1 becomes easy.
  • FIG. 1st Embodiment A part of the high-pressure pump according to the second embodiment of the present disclosure is shown in FIG. In 2nd Embodiment, the structure of the fixing member which fixes the to-be-fixed part 90 to the engine 9 differs from 1st Embodiment.
  • the shaft portion 152 is formed on the engine head 15 of the engine 9.
  • the shaft portion 152 is formed integrally with the engine head 15 so as to extend from the engine head 15 in a substantially cylindrical shape.
  • the shaft portion 152 is formed so that the shaft is substantially parallel to the shaft of the mounting hole 150.
  • a thread is formed on the outer wall of the end portion of the shaft portion 152 opposite to the engine head 15.
  • the fixed portion 90 is fixed to the engine head 15 by a nut 92 as a fixing member provided corresponding to the insertion hole portion 900.
  • the nut 92 is formed in a hexagonal column shape, and a hole 921 is formed in the center.
  • a thread groove corresponding to the thread of the shaft portion 152 is formed on the inner wall of the hole portion 921.
  • the nut 92 is screwed into the shaft portion 152 inserted through the insertion hole portion 900 of the fixed portion 90, so that the fixed portion 90 can be sandwiched between the engine head 15 and fixed (see FIG. 6). Thereby, the high-pressure pump can be fixed to the engine 9.
  • the second embodiment is the same as the first embodiment except for the points described above.
  • the nut 92 as the fixing member is fixed to the shaft portion 152 that is a part of the engine 9 inserted through the insertion hole portion 900, thereby fixing the fixed portion.
  • 90 can be fixed to the engine 9. This specifically illustrates the configuration of a fixing member used when fixing the fixed portion 90 to the engine 9.
  • FIG. 30 A high-pressure pump according to a third embodiment of the present disclosure is shown in FIG.
  • the arrangement of the fuel chamber forming unit 30 is different from that of the first embodiment.
  • the third embodiment further includes a relief valve portion 85.
  • the relief valve portion 85 is provided on the outer wall of the housing body 11 of the housing 10. In the present embodiment, the relief valve portion 85 is provided so as to protrude from the outer wall of the housing body 11 in a direction substantially parallel to the axis Ax1 of the plunger 20.
  • the relief valve portion 85 has a relief valve (not shown).
  • the relief valve has a discharge valve seat 811 inside the discharge cylinder portion 71 of the discharge portion 70 on the side opposite to the pressurizing chamber 107 and a gap s1 (see FIG. 2) between the housing body 11 and the yoke 61. The passage connecting the two can be opened and closed.
  • the relief valve 85 opens when the fuel pressure on the side opposite to the pressurizing chamber 107 with respect to the discharge valve seat 811 inside the discharge cylinder portion 71 of the discharge portion 70 becomes a predetermined value or more.
  • the fuel can be released to the gap s1 between the housing body 11 and the yoke 61. Therefore, it is possible to suppress the fuel pressure on the side opposite to the pressurizing chamber 107 from becoming excessive with respect to the discharge valve seat 811 inside the discharge cylinder portion 71 of the discharge portion 70. Thereby, damage etc. of piping 6 connected to discharge part 70 can be controlled.
  • the high pressure fuel when the relief valve is opened, the high pressure fuel is allowed to escape into the gap s1 that is relatively close to the pressurizing chamber 107. Therefore, compared to the configuration in which the high pressure fuel is allowed to escape into the fuel chamber 300, for example, the pipe 4 Moreover, the influence of the fuel pressure on the members provided in the low pressure environment such as the fuel pump 3 can be reduced.
  • the relief valve portion 85 is provided at a position avoiding the axis Ax4 of the insertion hole portion 900 and the virtual cylindrical surface VT1.
  • the fuel chamber forming portion 30, the discharge portion 70, and the connector 69 are positions shifted in the circumferential direction of the housing main body 11 as compared with the first embodiment, respectively, and have an axis Ax4 and a virtual cylindrical shape. It is provided at a position avoiding the surface VT1.
  • the discharge part 70 and the connector 69 are provided so as to face different directions.
  • the third embodiment is the same as the first embodiment except for the points described above.
  • the present embodiment further includes a relief valve portion 85.
  • the relief valve unit 85 can release the fuel in the discharge unit 70 toward the pressurizing chamber 107 with respect to the discharge unit 70 when the pressure of the fuel in the discharge unit 70 becomes a predetermined value or more. Thereby, damage etc. of piping 6 connected to discharge part 70 can be controlled.
  • the relief valve portion 85 is provided at a position avoiding the axis Ax4 of the insertion hole portion 900 and the virtual cylindrical surface VT1. Therefore, it is possible to prevent the tool 16 used when the fixed portion 90 of the high-pressure pump is fixed to the engine 9 with the bolt 91 from interfering with the relief valve portion 85. Thereby, attachment to the engine 9 of a high pressure pump becomes easy.
  • FIG. 4 A high-pressure pump according to a fourth embodiment of the present disclosure is shown in FIG.
  • the fourth embodiment is different from the third embodiment in the arrangement of the relief valve portion 85 and the inlet portion 26.
  • the relief valve portion 85 is provided so as to protrude radially outward from the outer wall of the housing body 11 of the housing 10.
  • the relief valve portion 85 is provided on a virtual plane that passes through the discharge portion 70 and is orthogonal to the axis Ax1 of the plunger 20.
  • the inlet portion 26 is provided so as to be connected to the outer wall of the housing body 11.
  • the space inside the inlet portion 26 communicates with, for example, the inflow hole portion 101 of the housing body 11.
  • the relief valve portion 85 and the inlet portion 26 are provided at positions avoiding the axis Ax4 of the insertion hole portion 900 and the virtual cylindrical surface VT1.
  • the inlet part 26 is provided so that the edge part on the opposite side to the housing main body 11 may be located in the outer side of the virtual cylindrical surface VT2.
  • the fourth embodiment is the same as the third embodiment except for the points described above.
  • the inlet portion 26 is connected to the housing 10. This exemplifies a specific configuration of the present embodiment.
  • the inlet portion 26 is provided at a position avoiding the axis Ax4 of the insertion hole portion 900 and the virtual cylindrical surface VT1.
  • the relief valve portion 85 is provided at a position avoiding the axis Ax4 of the insertion hole 900 and the virtual cylindrical surface VT1. Therefore, it is possible to prevent the tool 16 used when the fixed portion 90 of the high-pressure pump is fixed to the engine 9 with the bolt 91 from interfering with the inlet portion 26 and the relief valve portion 85. Thereby, attachment to the engine 9 of a high pressure pump becomes easy.
  • FIG. 5 A high-pressure pump according to a fifth embodiment of the present disclosure is shown in FIG.
  • the fifth embodiment differs from the fourth embodiment in the arrangement of the electromagnetic drive unit 60 and the inlet unit 26.
  • the electromagnetic drive unit 60 is provided so as to protrude radially outward from the outer wall of the housing body 11 of the housing 10.
  • the connector 69 is provided so as to face a direction substantially parallel to the axis Ax1 of the plunger 20.
  • the inlet portion 26 is provided so as to be connected between the electromagnetic drive portion 60 and the discharge portion 70 on the outer wall of the housing body 11.
  • the electromagnetic drive part 60, the connector 69, and the inlet part 26 are provided at positions avoiding the axis Ax4 of the insertion hole 900 and the virtual cylindrical surface VT1.
  • the fifth embodiment does not include the relief valve portion 85 shown in the fourth embodiment.
  • the fifth embodiment is the same as the fourth embodiment except for the points described above.
  • FIG. 6 A high-pressure pump according to a sixth embodiment of the present disclosure is shown in FIG.
  • the sixth embodiment is different from the fourth embodiment in the arrangement of the electromagnetic drive unit 60.
  • the electromagnetic drive unit 60 is provided so as to protrude radially outward from the outer wall of the housing body 11 of the housing 10 as in the fifth embodiment.
  • the connector 69 is provided so as to face a direction substantially parallel to the axis Ax1 of the plunger 20 as in the fifth embodiment.
  • the electromagnetic drive part 60 is provided between the relief valve part 85 and the fixed part 90 on the outer wall of the housing body 11.
  • the sixth embodiment is the same as the fourth embodiment except for the points described above.
  • FIG. 7 A high-pressure pump according to a seventh embodiment of the present disclosure is shown in FIG.
  • the seventh embodiment differs from the sixth embodiment in the orientation of the connector 69 of the electromagnetic drive unit 60.
  • the connector 69 of the electromagnetic drive unit 60 is provided so as to face the direction of twisting with respect to the axis Ax1 of the plunger 20.
  • the angle formed between the straight line L2 along the direction in which the connector 69 faces and the axis Ax1 is substantially a right angle. Further, the straight line L2 and the axis of the inlet portion 26 are substantially parallel.
  • the seventh embodiment is the same as the sixth embodiment except for the points described above.
  • FIG. 8 A high-pressure pump according to an eighth embodiment of the present disclosure is shown in FIG.
  • the sizes of the fuel chamber forming portion 30 and the pulsation damper 40 are different from those of the third embodiment.
  • the fuel chamber forming portion 30 has an outer diameter d1 larger than the distance d2 between the two insertion hole portions 900. Further, the outer diameter d3 of the pulsation damper 40 is larger than the distance d2 between the two insertion holes 900.
  • a part of the fuel chamber forming portion 30 and the pulsation damper 40 are located outside the virtual cylindrical surface VT2 passing through the end portion of the discharge portion 70 with the axis Ax1 of the plunger 20 as the center.
  • the eighth embodiment is the same as the third embodiment except for the points described above.
  • the outer diameter d1 of the fuel chamber forming portion 30 and the outer diameter d3 of the pulsation damper 40 are larger than the distance d2 between the two insertion hole portions 900. Therefore, compared with the third embodiment, the effect of reducing the pulsation of fuel in the fuel chamber 300 by the pulsation damper 40 can be enhanced.
  • FIG. 9 A high-pressure pump according to a ninth embodiment of the present disclosure is shown in FIG.
  • the ninth embodiment differs from the first embodiment in the configuration of the housing 10 and the fuel chamber forming portion 30.
  • the cylinder portion 12 is formed separately from the housing body 11.
  • the cylinder portion 12 is formed in a substantially cylindrical shape, and is provided so that the outer wall is fitted to the inner wall of the housing body 11.
  • the plate part 31 is formed separately from the cylindrical part 32.
  • the cylinder portion 32 is formed integrally with the plate portion 33.
  • the plate part 31 is provided so as to block the side of the cylinder part 32 opposite to the cylinder part 34.
  • the ninth embodiment is the same as the first embodiment except for the points described above.
  • FIG. 10th Embodiment A high-pressure pump according to a tenth embodiment of the present disclosure is shown in FIG.
  • the tenth embodiment differs from the first embodiment in the configuration of the fixed portion 90 and the like.
  • the fixed portion 90 is formed separately from the housing body 11.
  • the end surface of the fixed portion 90 opposite to the engine head 15 is formed so as to be positioned on the engine head 15 side with respect to the axis Ax2 of the fuel chamber forming portion 30, for example.
  • the tenth embodiment is the same as the first embodiment except for the points described above.
  • the fuel chamber forming portion 30 may be provided at a position through which the virtual cylindrical surface VT1 passes as long as the position avoids the axis Ax4 of the insertion hole portion 900.
  • the pulsation damper 40 may be provided such that the axis Ax3 intersects the axis Ax1 of the plunger 20 with an inclination. Further, the pulsation damper 40 may be provided such that the axis Ax3 is twisted with the axis Ax1 of the plunger 20. In this case, the pulsation damper 40 may be provided such that the axis Ax3 is twisted at a right angle to the axis Ax1 of the plunger 20. That is, at this time, the angle formed by the axis Ax3 of the pulsation damper 40 and the axis Ax1 of the plunger 20 is a right angle. Note that the angle formed by the two straight lines having a twist relationship corresponds to the angle formed by two half lines extending in parallel to the two straight lines starting from an arbitrary point.
  • the outer diameter d1 of the fuel chamber forming portion 30 may be smaller than the distance d2 between the two insertion hole portions 900.
  • four or more insertion holes 900 may be provided so as to have a line-symmetric relationship with the axis Ax1 of the plunger 20 as the axis of symmetry. Further, three or more insertion holes 900 may be provided at equal intervals in the circumferential direction of the plunger 20.
  • the inlet portion 26 is connected to the fuel chamber forming portion 30 so that the shaft is substantially parallel to the axis Ax1 of the plunger 20 has been described.
  • the inlet portion 26 is connected to the fuel chamber forming portion 30 in any orientation in consideration of the mounting space of the high-pressure pump in the vehicle, the position of the piping 4, and the like. May be.
  • the discharge part 70 and the inlet part 26 may be connected to the housing body 11 in any orientation in consideration of the mounting space of the high-pressure pump in the vehicle, the positions of the pipes 4 and 6, and the like. Further, the inlet portion 26 may be omitted.
  • the connector 69 of the electromagnetic drive unit 60 may be provided so as to face in any direction with respect to the housing body 11 in consideration of the space for mounting the high-pressure pump on the vehicle, the position of the harness 692, and the like.
  • the relief valve portion 85 supplies the fuel on the side opposite to the pressurizing chamber 107 with respect to the discharge valve seat 811 inside the discharge cylinder portion 71 of the discharge portion 70, and the housing body 11 and the yoke 61.
  • the example which escapes to the clearance gap s1 between was shown.
  • the relief valve portion 85 allows fuel inside the discharge cylinder portion 71 of the discharge portion 70 to flow between the intake valve 52 and the discharge valve 82 that have a relatively high pressure, for example. It is also possible to escape to the space including the pressurizing chamber 107 or the inflow hole portion 101 and the fuel chamber 300 which are at a relatively low pressure.
  • the vibration suppressing member 41 inside the pulsation damper 40 may be omitted.
  • the fuel chamber forming portion 30 may be formed integrally with the housing body 11.
  • the high-pressure pump may be used as a fuel pump that discharges fuel toward a device other than the engine of the vehicle.

Landscapes

  • Engineering & Computer Science (AREA)
  • Mechanical Engineering (AREA)
  • General Engineering & Computer Science (AREA)
  • Chemical & Material Sciences (AREA)
  • Combustion & Propulsion (AREA)
  • Fuel-Injection Apparatus (AREA)
PCT/JP2017/013165 2016-04-28 2017-03-30 高圧ポンプ Ceased WO2017187876A1 (ja)

Priority Applications (3)

Application Number Priority Date Filing Date Title
US16/096,442 US10883463B2 (en) 2016-04-28 2017-03-30 High pressure pump
CN201780025412.2A CN109072846B (zh) 2016-04-28 2017-03-30 高压泵
DE112017002249.5T DE112017002249T5 (de) 2016-04-28 2017-03-30 Hochdruckpumpe

Applications Claiming Priority (2)

Application Number Priority Date Filing Date Title
JP2016-090327 2016-04-28
JP2016090327A JP6569589B2 (ja) 2016-04-28 2016-04-28 高圧ポンプ

Publications (1)

Publication Number Publication Date
WO2017187876A1 true WO2017187876A1 (ja) 2017-11-02

Family

ID=60161616

Family Applications (1)

Application Number Title Priority Date Filing Date
PCT/JP2017/013165 Ceased WO2017187876A1 (ja) 2016-04-28 2017-03-30 高圧ポンプ

Country Status (5)

Country Link
US (1) US10883463B2 (enExample)
JP (1) JP6569589B2 (enExample)
CN (1) CN109072846B (enExample)
DE (1) DE112017002249T5 (enExample)
WO (1) WO2017187876A1 (enExample)

Families Citing this family (5)

* Cited by examiner, † Cited by third party
Publication number Priority date Publication date Assignee Title
JP6809520B2 (ja) 2017-09-29 2021-01-06 株式会社デンソー 高圧ポンプ
WO2019065973A1 (ja) * 2017-09-29 2019-04-04 株式会社デンソー 高圧ポンプ
JP7211884B2 (ja) * 2019-04-19 2023-01-24 日立Astemo株式会社 高圧燃料供給ポンプ
EP4155529B8 (en) * 2020-05-21 2025-09-17 Astemo, Ltd. Fuel pump
WO2025197059A1 (ja) * 2024-03-22 2025-09-25 Astemo株式会社 燃料ポンプ

Citations (7)

* Cited by examiner, † Cited by third party
Publication number Priority date Publication date Assignee Title
JPH11159416A (ja) * 1997-09-25 1999-06-15 Mitsubishi Electric Corp 筒内噴射式エンジンの高圧燃料ポンプ体
JP2001082290A (ja) * 1999-09-10 2001-03-27 Mitsubishi Electric Corp 高圧燃料供給装置
JP2004138071A (ja) * 2002-10-19 2004-05-13 Robert Bosch Gmbh 流体システム内の圧力脈動を減衰するための装置
JP2009501866A (ja) * 2005-07-19 2009-01-22 ローベルト ボツシユ ゲゼルシヤフト ミツト ベシユレンクテル ハフツング 内燃機関の燃料噴射系のための高圧燃料ポンプ
WO2014083979A1 (ja) * 2012-11-29 2014-06-05 日立オートモティブシステムズ株式会社 高圧燃料供給ポンプ
JP2016017498A (ja) * 2014-07-10 2016-02-01 株式会社デンソー 高圧ポンプ
JP2016164400A (ja) * 2015-03-06 2016-09-08 株式会社ケーヒン 燃料供給装置

Family Cites Families (30)

* Cited by examiner, † Cited by third party
Publication number Priority date Publication date Assignee Title
JPS5452839A (en) 1977-10-05 1979-04-25 Japan Dev & Construction Method of collecting and accumulating earth and sand that flow into dam
JP3180948B2 (ja) * 1996-09-03 2001-07-03 株式会社ボッシュオートモーティブシステム ダイヤフラム型ダンパ
TW384358B (en) 1997-09-25 2000-03-11 Mitsubishi Electric Corp High pressure fuel supply pump body for an in-cylinder fuel injection engine
EP1162365A4 (en) * 1999-02-09 2004-06-23 Hitachi Ltd HIGH PRESSURE FUEL PUMP FOR AN INTERNAL COMBUSTION ENGINE
JP2000291509A (ja) * 1999-04-01 2000-10-17 Mitsubishi Electric Corp 直噴式ガソリンエンジン用燃料供給装置
JP2001248518A (ja) * 2000-03-01 2001-09-14 Mitsubishi Electric Corp 可変吐出量燃料供給装置
JP2004518901A (ja) * 2001-04-06 2004-06-24 ローベルト ボツシユ ゲゼルシヤフト ミツト ベシユレンクテル ハフツング コモンレール式燃料噴射システムのためのシングルプランジャ式の噴射ポンプ
JP3884252B2 (ja) * 2001-09-27 2007-02-21 三菱電機株式会社 高圧燃料供給装置用電磁弁
JP3944413B2 (ja) * 2002-05-24 2007-07-11 株式会社日立製作所 高圧燃料供給ポンプ
JP4036153B2 (ja) 2003-07-22 2008-01-23 株式会社日立製作所 ダンパ機構及び高圧燃料供給ポンプ
JP4415884B2 (ja) * 2005-03-11 2010-02-17 株式会社日立製作所 電磁駆動機構,電磁弁機構及び電磁駆動機構によって操作される吸入弁を備えた高圧燃料供給ポンプ,電磁弁機構を備えた高圧燃料供給ポンプ
WO2008086012A1 (en) * 2007-01-10 2008-07-17 Stanadyne Corporation Inlet pressure attenuator for single plunger fuel pump
US8579611B2 (en) * 2007-01-10 2013-11-12 Stanadyne Corporation Load ring mounting of pumping plunger sleeve
JP4686501B2 (ja) * 2007-05-21 2011-05-25 日立オートモティブシステムズ株式会社 液体脈動ダンパ機構、および液体脈動ダンパ機構を備えた高圧燃料供給ポンプ
JP4353288B2 (ja) * 2007-08-08 2009-10-28 トヨタ自動車株式会社 燃料ポンプ
JP5478051B2 (ja) 2008-10-30 2014-04-23 日立オートモティブシステムズ株式会社 高圧燃料供給ポンプ
JP4941688B2 (ja) * 2009-11-09 2012-05-30 株式会社デンソー 高圧ポンプ
US7870871B1 (en) * 2010-02-24 2011-01-18 Continental Automotive Systems Us, Inc. Inlet orifice for a fuel pressure damper
JP5310748B2 (ja) * 2011-01-12 2013-10-09 トヨタ自動車株式会社 高圧ポンプ
CN102619660B (zh) * 2011-01-28 2015-06-24 株式会社电装 高压泵
JP5616246B2 (ja) 2011-01-28 2014-10-29 株式会社デンソー 高圧ポンプ
US9109593B2 (en) * 2011-08-23 2015-08-18 Denso Corporation High pressure pump
JP5821769B2 (ja) * 2012-04-24 2015-11-24 株式会社デンソー ダンパ装置
DE102013219428A1 (de) * 2013-09-26 2015-03-26 Continental Automotive Gmbh Dämpfer für eine Hochdruckpumpe
WO2015163245A1 (ja) * 2014-04-25 2015-10-29 日立オートモティブシステムズ株式会社 高圧燃料供給ポンプ
JP2016090327A (ja) 2014-10-31 2016-05-23 ダイハツ工業株式会社 オイルレベルゲージ
US9777879B2 (en) * 2015-07-20 2017-10-03 Delphi Technologies, Inc. Pulsation damper
DE102016201082B4 (de) * 2016-01-26 2017-10-05 Continental Automotive Gmbh Kraftstoffhochdruckpumpe
US10330065B2 (en) * 2016-03-07 2019-06-25 Stanadyne Llc Direct magnetically controlled inlet valve for fuel pump
JP6888408B2 (ja) * 2017-05-11 2021-06-16 株式会社デンソー パルセーションダンパおよび燃料ポンプ装置

Patent Citations (7)

* Cited by examiner, † Cited by third party
Publication number Priority date Publication date Assignee Title
JPH11159416A (ja) * 1997-09-25 1999-06-15 Mitsubishi Electric Corp 筒内噴射式エンジンの高圧燃料ポンプ体
JP2001082290A (ja) * 1999-09-10 2001-03-27 Mitsubishi Electric Corp 高圧燃料供給装置
JP2004138071A (ja) * 2002-10-19 2004-05-13 Robert Bosch Gmbh 流体システム内の圧力脈動を減衰するための装置
JP2009501866A (ja) * 2005-07-19 2009-01-22 ローベルト ボツシユ ゲゼルシヤフト ミツト ベシユレンクテル ハフツング 内燃機関の燃料噴射系のための高圧燃料ポンプ
WO2014083979A1 (ja) * 2012-11-29 2014-06-05 日立オートモティブシステムズ株式会社 高圧燃料供給ポンプ
JP2016017498A (ja) * 2014-07-10 2016-02-01 株式会社デンソー 高圧ポンプ
JP2016164400A (ja) * 2015-03-06 2016-09-08 株式会社ケーヒン 燃料供給装置

Also Published As

Publication number Publication date
CN109072846A (zh) 2018-12-21
US20190145364A1 (en) 2019-05-16
JP2017198155A (ja) 2017-11-02
CN109072846B (zh) 2020-12-29
JP6569589B2 (ja) 2019-09-04
US10883463B2 (en) 2021-01-05
DE112017002249T5 (de) 2019-01-17

Similar Documents

Publication Publication Date Title
JP6569589B2 (ja) 高圧ポンプ
JP5136919B2 (ja) 高圧ポンプ
US11092112B2 (en) High-pressure pump
JP6648237B2 (ja) 高圧燃料供給ポンプ
JP2012012950A (ja) 定残圧弁
US10907597B2 (en) Plunger pump
WO2014069192A1 (ja) 高圧燃料供給ポンプ
JP5905046B2 (ja) 電磁吸入弁を備えた高圧燃料供給ポンプ
CN111148896B (zh) 高压泵
US11149865B2 (en) High-pressure pump
JP2015218678A (ja) リリーフ弁を備えた高圧燃料供給ポンプ
JP5482855B2 (ja) 高圧ポンプ
CN111164299B (zh) 高压泵
JP6984310B2 (ja) 高圧ポンプ
JP6776963B2 (ja) 高圧ポンプ
JP6648808B2 (ja) 高圧ポンプ
JP6769324B2 (ja) 高圧ポンプ
JP6443239B2 (ja) 高圧ポンプ
JP6565772B2 (ja) 高圧ポンプ
JP6520650B2 (ja) 高圧ポンプ
JP2016041940A (ja) 電磁吸入弁を備えた高圧燃料供給ポンプ

Legal Events

Date Code Title Description
121 Ep: the epo has been informed by wipo that ep was designated in this application

Ref document number: 17789165

Country of ref document: EP

Kind code of ref document: A1

122 Ep: pct application non-entry in european phase

Ref document number: 17789165

Country of ref document: EP

Kind code of ref document: A1