EP0452704B1 - Druckmaschinenanlage - Google Patents
Druckmaschinenanlage Download PDFInfo
- Publication number
- EP0452704B1 EP0452704B1 EP91104634A EP91104634A EP0452704B1 EP 0452704 B1 EP0452704 B1 EP 0452704B1 EP 91104634 A EP91104634 A EP 91104634A EP 91104634 A EP91104634 A EP 91104634A EP 0452704 B1 EP0452704 B1 EP 0452704B1
- Authority
- EP
- European Patent Office
- Prior art keywords
- press
- further unit
- printing
- driving motor
- control
- Prior art date
- Legal status (The legal status is an assumption and is not a legal conclusion. Google has not performed a legal analysis and makes no representation as to the accuracy of the status listed.)
- Expired - Lifetime
Links
- 230000008878 coupling Effects 0.000 claims description 7
- 238000010168 coupling process Methods 0.000 claims description 7
- 238000005859 coupling reaction Methods 0.000 claims description 7
- 239000000463 material Substances 0.000 claims description 5
- 238000012545 processing Methods 0.000 claims description 4
- 238000009434 installation Methods 0.000 claims 15
- 239000011248 coating agent Substances 0.000 description 11
- 238000000576 coating method Methods 0.000 description 11
- 238000010586 diagram Methods 0.000 description 11
- 238000001816 cooling Methods 0.000 description 6
- 230000001105 regulatory effect Effects 0.000 description 6
- 238000004026 adhesive bonding Methods 0.000 description 5
- 230000008901 benefit Effects 0.000 description 4
- 230000006872 improvement Effects 0.000 description 4
- 230000008859 change Effects 0.000 description 3
- 230000000694 effects Effects 0.000 description 3
- 238000004519 manufacturing process Methods 0.000 description 3
- 239000003292 glue Substances 0.000 description 2
- 230000003993 interaction Effects 0.000 description 2
- 230000004048 modification Effects 0.000 description 2
- 238000012986 modification Methods 0.000 description 2
- 238000004806 packaging method and process Methods 0.000 description 2
- 230000001360 synchronised effect Effects 0.000 description 2
- 238000006243 chemical reaction Methods 0.000 description 1
- 238000005520 cutting process Methods 0.000 description 1
- 230000001419 dependent effect Effects 0.000 description 1
- 238000013461 design Methods 0.000 description 1
- 238000011161 development Methods 0.000 description 1
- 230000018109 developmental process Effects 0.000 description 1
- 238000002372 labelling Methods 0.000 description 1
- 238000000034 method Methods 0.000 description 1
- 238000010422 painting Methods 0.000 description 1
- 230000008569 process Effects 0.000 description 1
Images
Classifications
-
- B—PERFORMING OPERATIONS; TRANSPORTING
- B41—PRINTING; LINING MACHINES; TYPEWRITERS; STAMPS
- B41F—PRINTING MACHINES OR PRESSES
- B41F13/00—Common details of rotary presses or machines
- B41F13/08—Cylinders
- B41F13/10—Forme cylinders
- B41F13/12—Registering devices
-
- B—PERFORMING OPERATIONS; TRANSPORTING
- B65—CONVEYING; PACKING; STORING; HANDLING THIN OR FILAMENTARY MATERIAL
- B65H—HANDLING THIN OR FILAMENTARY MATERIAL, e.g. SHEETS, WEBS, CABLES
- B65H23/00—Registering, tensioning, smoothing or guiding webs
- B65H23/04—Registering, tensioning, smoothing or guiding webs longitudinally
- B65H23/18—Registering, tensioning, smoothing or guiding webs longitudinally by controlling or regulating the web-advancing mechanism, e.g. mechanism acting on the running web
- B65H23/188—Registering, tensioning, smoothing or guiding webs longitudinally by controlling or regulating the web-advancing mechanism, e.g. mechanism acting on the running web in connection with running-web
- B65H23/1882—Registering, tensioning, smoothing or guiding webs longitudinally by controlling or regulating the web-advancing mechanism, e.g. mechanism acting on the running web in connection with running-web and controlling longitudinal register of web
- B65H23/1886—Synchronising two or more webs
-
- B—PERFORMING OPERATIONS; TRANSPORTING
- B65—CONVEYING; PACKING; STORING; HANDLING THIN OR FILAMENTARY MATERIAL
- B65H—HANDLING THIN OR FILAMENTARY MATERIAL, e.g. SHEETS, WEBS, CABLES
- B65H2301/00—Handling processes for sheets or webs
- B65H2301/40—Type of handling process
- B65H2301/41—Winding, unwinding
- B65H2301/414—Winding
- B65H2301/4148—Winding slitting
Definitions
- the invention relates to a printing press system, according to the preamble of claim 1.
- the object of the invention is to design a printing press system having a plurality of printing presses more flexibly with regard to the production variants, without increasing the outlay on additional units, the individual printing presses being capable of being operated independently of one another and being able to be placed freely with respect to their spatial arrangement and distance from one another.
- FIG. 1 shows a first exemplary embodiment of a printing press system according to the invention.
- Two rotary printing presses 1 and 11, each complete and therefore operable independently of one another, are set up at a distance from one another.
- the first printing press 1 has printing units 2 to 5, the precise configuration of which is not important for the present invention and which are therefore not described in detail, as well as a coating unit 6, a dryer 7, a cooling unit 8 and a folder 9. Furthermore, the printing press 1 has a first drive motor 41, a second drive motor 42, a third drive motor 43, a first drive shaft 25 which is arranged along the printing units 2 to 5 and is driven by the drive motor 41, a second drive shaft 26 which runs along the cooling unit 8 and the folder 9 is arranged and driven by the drive motor 43, and coupling devices 27 to 32, with which each of the units 2 to 6, 8 and 9 are coupled individually and independently of the respective other units to the respective drive shaft 25 or 26 can on.
- the coating unit 6 is driven by the drive motor 42.
- a paper web 45 as an example of a printing material web to be printed runs through the individual units in the manner explained below.
- the second printing press 11 has four printing units 12, 13, 14 and 15, the exact configuration of which is not important for the present invention and which are therefore not described in detail, as well as a dryer 16, a cooling unit 17 and two different folders 18 and 19, such as a drum folder and a valve folder.
- the printing press 11 has a fourth drive motor 44, a third drive shaft 33 arranged along the second printing press 11, via which the printing units 12 to 15, the dryer 16, the cooling unit 17 and the two folders 18 and 19 are driven by the drive motor 44, and Coupling devices 34 to 40, with which each of the units 12 to 19 can be coupled individually and independently of the other units to the drive shaft 33.
- a paper web 46 as an example of a printing material web to be printed runs through the individual units in the manner explained below.
- the printing press 1 receives the paper web 45 from a paper supply (not shown), e.g. from a reel changer.
- the paper web 45 passes through the printing units 2 to 5 in a manner specified for the special application.
- the paper web 45 is guided past the coating unit 6 via web guiding elements, specifically guide roller arrangements 51 and 52, and passed into the dryer 7. Subsequently, the paper web 45 passes through the cooling unit 8 and the folder 9.
- the printing press 11 receives the paper web 46 from a paper supply (not shown), for example from a reel changer.
- the paper web 46 passes through the printing units 12 to 15 in a manner specified for the special application.
- the paper web 46 is diverted away from the printing machine 11 and to the coating unit 6 of the printing machine 1 via web guide elements, specifically a guide roller arrangement 47.
- the paper web 46 runs over further web guide elements, specifically a guide roller arrangement 48, into the coating unit 6 and over one Guide roller assembly 49 out of this.
- the paper web 46 is then returned to the printing press 11 and passed into the dryer 16 via a guide roller arrangement 50. Subsequently, the paper web 46 passes through the cooling unit 17 and the folders 18 and 19.
- the web guidance within the folders 18 and 19 can either take place along the path shown as a solid line in FIG. 1, which corresponds to folding the entire web 46 twice.
- the web 46 can be cut in a longitudinal cutting device 11 into two or more partial webs, of which at least one partial web is guided along the path shown as a solid line and thereby folded twice and of which the remaining partial webs are guided along the path shown as a dashed line and be folded once.
- the further unit 6, the coating unit can be used, for example, in cases in which a product with coating is to be produced which, because of the required folding devices 18 and 19, cannot be printed on the printing press 1.
- each of the machines 1 and 11 would have to have a coating unit and two folders in order to maintain the variety of products.
- the control of the individual printing presses of the printing press system takes place by means of a synchronization device 10.
- the synchronization device 10 has the function of coupling or coupling the individual units of the printing presses 1 and 11 and any further printing presses of the printing press system to the respective drive shaft or the respective individual drive in a changeable, predetermined manner . separate from this and so - regardless of the location of the individual units within the printing press system and in particular regardless of their spatial assignment to a specific printing press - to effect a functional assignment of one or more units of a printing press to another printing press and the speed to regulate the different motors.
- the synchronization device 10 has a respective plurality of controllers, microprocessors and further control devices, not shown, e.g. for the coupling devices, which, depending on the interconnection of the printing presses, can be connected to one another in different ways and combined to form control circuits.
- FIG. 2 shows a block diagram of a synchronization device 10 for the printing press system shown in FIG. 1.
- the synchronization device 10 has a first control circuit 65 and a second control circuit 66.
- Their control function essentially consists in coupling the individual units of the printing presses 1 and 11 to the respective drive shaft 25, 26 and 33, respectively, or separating them from the respective drive shaft, as well as the speed of the drive motors 41 to 44, hereinafter briefly referred to as motors 41 to 44 to regulate.
- the printing press 11 is driven holistically by the motor 44, while in the printing press 1 the units 2 to 5 are driven by the motor 41, the unit 6 by the motor 42 and the units 8 and 9 by the motor 43.
- Motors 42 and 44 are connected to control circuit 65, while motors 41 and 43 are connected to control circuit 66.
- the two control circuits 65 and 66 perform the speed control and synchronization of the motors 42 and 44 or 41 and 43.
- a predefined, ie first, external setpoint for the speed of the motor 44 is entered on a setpoint input device 55, for example a keypad or a data reader. This setpoint is given to an input of a controller 56. The actual value of the speed of the motor 44 is fed back to another input of the controller 56. The controller 56 forms a controlled variable from the difference between the actual value and the desired value and effects a change in the speed of the motor 44 in a manner known per se.
- a controller 57 is provided for regulating the speed of the motor 42. The controller 57 receives the actual speed values of the motors 42 and 44 as input variables as well as an additional one described below Controlled variable. The controller 57 forms an output value from these input values, on the basis of which the speed of the motor 42 changes in a manner known per se, that is to say it is matched to the speed of the motor 44.
- the speed of the motor 41 is regulated by means of a controller 58.
- the controller 58 receives as input variables via the setpoint input device 55 a second external setpoint for the speed of the motor 41 and the actual speed of the motor 41.
- the controller 58 forms the difference between Actual value and setpoint are a controlled variable and cause a change in the speed of the motor 41 in a manner known per se.
- a controller 59 is provided for regulating the speed of the motor 43.
- the controller 59 receives the actual speed values of the motors 41 and 43 as well as an additional control variable described below as input variables. From these input values, the controller 59 forms an output variable on the basis of which the speed of the motor 43 changes in a manner known per se, i.e. is matched to the speed of the motor 41.
- Each of the four motors 41 to 44 is subjected to reactions which come from the units driven by it.
- the actual speed values of the four motors 41 to 44 are given to input connections of a microprocessor 61 or 62.
- the microprocessor 61 then calculates an additional controlled variable for the controller 57 by means of an algorithm that is created in it and taking into account the input variables mentioned.
- the microprocessor 62 calculates an additional controlled variable for the controller 59.
- the control circuits 65 and 66 described above are each constructed according to the principle of the master / slave drive: one of the two drives to be controlled, namely the motor 44 in relation to the circuit 65 and the motor 41 in relation to the circuit 66, is called Considered master drive; consequently, an external setpoint is supplied to the respectively assigned controller, that is, controller 56 or controller 58.
- the respective other drive, that is Motor 42 or motor 43 are then a slave drive, the speed of which is regulated as a function of the actual speed of the master drive.
- the two control circuits 65 and 66 are thus able to control the motors 42 and 44 or 41 and 43 of the printing presses 1 and 11 with respect to their speed so that the unit 6 of the printing press 1 with the units 12 to 19 of the printing press 11th is synchronized and that the unit 8 is synchronized with the unit 5 as long as the printing press 1 works without the unit 6.
- the block diagram of the synchronization device 10 shown in FIG. 2 shows only the controllers and microprocessors required in the application example of FIG. 1. It is obvious to a person skilled in the art to equip the synchronization device 10 with any desired plurality of components of the type of the controller 56, the controller 57 or the microprocessor 61 and to make them interlinkable in a variable manner, in order, for example, to operate both printing presses with all the aggregates and to process the respective printed products after the aggregate 9 or 19 separately or else together and, depending on this, to synchronize the motors 42 and 43 to the motor 41 or the motors 42, 43 and 44 to the Synchronize motor 42.
- the exact number of the respective components depends on how many printing machines the printing press system comprises and how many motors are to be controlled in total.
- An improvement in the control of the speed of the motor 42 can be achieved in that an electrical signal is generated by means of a sensor arranged on the coating unit 6, such as, for example, a register mark scanner 77, and a computing and control device 78 connected downstream thereof Paper web 46 corresponds to applied register marks and which is supplied to the microprocessor 61 as an additional control variable.
- a sensor arranged on the coating unit 6 such as, for example, a register mark scanner 77, and a computing and control device 78 connected downstream thereof Paper web 46 corresponds to applied register marks and which is supplied to the microprocessor 61 as an additional control variable.
- Such an improvement in the regulation of the speed of the motor 42 is particularly advantageous if the coating unit 6 is arranged at a relatively large distance from the printing press 11 and if one registering painting is of particular importance. If another unit is functionally assigned to the printing press 11 instead of the coating unit 6, the same improvement in the control can be achieved by using a different type of sensor and a correspondingly designed computing and control device.
- FIG. 3 shows a block diagram of a modified embodiment of the synchronization device 10 shown in FIG. 2.
- the circuit according to FIG. 3 differs from the circuit according to FIG. 2 in that in the two control circuits 165 and 166 the first and the second external Setpoint is supplied to both controllers. Otherwise, the two circuits 165 and 166 correspond to the circuit 65 and the circuit 66 according to FIG. 2.
- the circuit arrangement according to FIG. 3 is constructed according to the principle of the follower / slave drive and has the advantage over the circuit arrangement according to FIG.
- Fig. 4 shows a schematic representation of a second embodiment of a printing press system according to the invention.
- the printing presses 1 and 11 largely correspond to the printing presses 1 and 11 from the first exemplary embodiment with regard to their operability and the units from which they are composed. Therefore, a detailed description is omitted here again.
- the features shown in FIG. 4 have the same reference numerals as the corresponding features from FIG. 1.
- the printing press 1 has an additional unit 21, for example a glue unit, after the folder 9.
- the printing press 1 can be used instead of or together with the gluing unit 21, specifically in each Appropriate order, one or more of the following units are spatially assigned: a perforating device 20, a stacker 22, a printed product feed device 23 for feeding the semi-finished or finished printed products to a further processing station and a further processing system 24, such as a packaging system.
- a perforating device 20 for feeding the semi-finished or finished printed products to a further processing station
- a further processing system 24 such as a packaging system.
- Other units provided for their functional assignment to several printing presses due to their comparatively low average utilization can also be spatially assigned to the printing press 1.
- the printing press 1 receives from a paper supply (not shown), e.g. a roll changer, a paper web 45.
- the paper web 45 passes through the printing press 1 completely.
- the exact course of the paper web 45 within the printing units 2 to 5 is to be defined in the special application.
- the printing machine 11 receives from a paper supply (not shown), e.g. a roll changer, a paper web 46.
- the paper web 46 passes through the printing press 11 completely, the exact course of the paper web 46 within the printing units 12 to 15 being determined in the special application.
- the paper web 46 is fed to the gluing unit 21 of the printing machine 1 via the guide roller arrangements 54 of the printing press 11 and 53 of the printing press 1 serving as deflection means and passes through the gluing unit 21 simultaneously with the paper web 45.
- Both paper webs are still brought together in the gluing unit 21 and in further subsequent units, not shown in FIG. 4, such as, for example a further folder or labeling and packaging devices, processed further.
- the control of the individual units of the two printing presses 1 and 11, including the gluing unit 21, and the regulation of the drive motors 41 to 44 takes place by means of the synchronization device 10, with which the two printing presses 1 and 11 and downstream devices are connected.
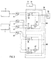
- FIG. 5 shows a block diagram of a first synchronization circuit 10 for the one shown in FIG. 4 Printing press system.
- this synchronization circuit largely corresponds to the circuit shown in FIG. 2, which is why the same reference numerals are used in FIG. 5 for the features corresponding to the features from FIG. 2.
- 5 also shows only the controllers and microprocessors required in the application example according to FIG. 4, without generally wanting to limit the number of these components to the amount shown.
- the units of the printing press 1 are driven by the motors 41 to 43, while the units of the printing press 2 are driven by the motor 44.
- the speed control of the motors 41 to 44 takes place via a control circuit 67.
- the glue unit 21 is driven by a motor 69.
- the motor 69 is also controlled via the control circuit 67.
- the control circuit 67 has an associated controller 56, 57, 58, 59 and 60 and microprocessors 61 to 64 for each motor.
- a setpoint input device 55 is provided for the external input of a setpoint for the speed control of the motor 69.
- the speed setpoint entered on the device 55 is fed to the controller 56 as the first input variable.
- the controller 56 receives the actual value of the speed of the motor 69 as feedback.
- the regulator 56 From the difference between the two input variables, the regulator 56 forms a controlled variable with which a change in the speed of the motor 69 is effected in a manner known per se.
- the controllers 57 to 60 receive the respective actual speed of the associated motor as the first control variable and the actual speed of the motor 69 as the second control variable.
- the actual speed value of the motor 69 is also fed to the microprocessors 61 to 64 in a corresponding manner on the basis of algorithms which can be changed in them and which are adapted to the special configuration of the printing press system, each calculate an additional control variable for the controllers 57 to 60 from the actual speed values as the respective third control variable.
- control circuit 67 it is possible to match the speeds of the motors 41 to 44 as best as possible to the actual speed of the motor 69, taking into account the repercussions to which the motors are exposed.
- FIG. 6 shows a block diagram of a second synchronization circuit 10 for the printing press system shown in FIG. 4.
- this synchronization circuit largely corresponds to the circuit shown in FIG. 5, which is why the same reference numerals are used in FIG. 6 for the features corresponding to the features from FIG. 5.
- the synchronization circuit 10 shown in FIG. 6 differs from the circuit shown in FIG. 5 in that the speed setpoint input via the setpoint input device 55 is supplied to all microprocessors 61 to 64 and 70 at the same time and in that the motors 41 to 44 are controlled and 69 is based on the same setpoint.
- An improvement in the control of the individual motors can be achieved in that sensors 71 to 75 are arranged at locations which are characteristic of the web path of the paper web 45 or the paper web 46 and that the signals generated by the sensors 71 to 75 are sent to the respective microprocessor 70, 61 , 62, 63 and 64 are supplied as an additional control variable.
- the control circuit in FIG. 6 is provided with the reference number 68.
- the motors 41 to 44 and 69 can be controlled so that all units driven by these motors interact optimally.
- the use of sensors 71 to 75 ensures that motors 41 to 44 and 69 are not exposed to the risk otherwise present of speeding apart in spite of the common setpoint specification. Irrespective of this, a circuit arrangement according to FIG. 6 has the advantage over the circuit arrangement according to FIG.
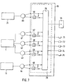
- FIG. 7 shows a block diagram of a third synchronization circuit 10 for the printing press system shown in FIG. 4.
- this circuit has a microprocessor 76.
- the microprocessor 76 has a variably predetermined algorithm which links the external speed setpoint input via the setpoint input device 55 and the actual speed values supplied by the motors 41 to 44 and 69 and derives internal setpoints for the controllers 56 to 60 therefrom.
- measured values can also be taken into account, which are detected by sensors 71 to 75 and fed to microprocessor 76.
- the sensors 71 to 75 correspond in type and use to the sensors 71 to 75 in FIG. 6, which is why they are provided with the same reference numerals in both figures.
- the microprocessor 76, the regulators 56 to 60 and the further components, not shown, which are required for the operation and the interconnection of the regulators and the microprocessor are combined in FIG. 7 in a regulating circuit 79.
- the microprocessor 76 has the same function as the microprocessors 61 to 64 and 70 from the synchronization device 10 according to FIG. 6. In addition, it is able to coordinate the individual control sequences of the motors 41 to 44 and 69 with one another, so that the after Principle of the follower / follower drive, the synchronization device 10 regulates the speeds of the motors 41 to 44 and 69 with the least possible overrun, and in particular ensures that the speeds of the individual motors do not diverge.
- a printing press system it can be achieved in a particularly advantageous manner that all units of the Printing presses belonging to printing presses as well as aggregates subordinate to these printing presses can be used in an optimal manner.
- the configuration of the printing press system can be adapted quickly and easily to the characteristics of the print job to be carried out by means of functional or effective connection, and that units that are not constantly required, such as varnishing devices, therefore do not have to be installed on every printing press.
- the printing press system according to the invention is characterized by an advantageous combination of mechanical control and electronic control.
- the extremely economical mechanical control of the drive of the printing units is supplemented by electronic control of other units and electronic control of the interaction of the printing presses belonging to the printing press system.
- the electronic regulation of the interaction of the respective printing presses is particularly advantageous in that it opens up greater adaptability to the local or operational requirements of the respective production site when installing the individual printing presses or the aggregates of the respective printing presses, as does mechanical synchronization, e.g. by means of a transverse shaft connecting the printing machines or an overlong longitudinal shaft.
- the printing press system according to the invention offers the advantage of an extremely flexible configuration without having to accept an expensive control device, as would be the case with a single drive of all units with purely electronic control.
Landscapes
- Engineering & Computer Science (AREA)
- Mechanical Engineering (AREA)
- Inking, Control Or Cleaning Of Printing Machines (AREA)
- Rotary Presses (AREA)
Description
- Die Erfindung betrifft eine Druckmaschinenanlage, gemäß dem Oberbegriff des Anspruchs 1.
- Die Vielfalt der zu erledigenden Druckaufträge erfordert eine immer umfangreichere Ausstattung der Druckmaschinen mit unterschiedlichen Zusatzaggregaten. Gleichzeitig bringt aber die Unregelmäßigkeit des Wiederkehrens gleichartiger Druckaufträge mit sich, daß die einzelnen Zusatzaggregate selten voll ausgelastet sind. Damit steht dem Wunsch nach größerer Produktionsvielfalt die Notwendigkeit des Findens rentabler Kompromißlösungen entgegen.
- Aufgabe der Erfindung ist es, eine mehrere Druckmaschinen aufweisende Druckmaschinenanlage hinsichtlich der Produktionsvarianten flexibler zu konzipieren, ohne den Aufwand an Zusatzaggregaten zu erhöhen, wobei die einzelnen Druckmaschinen unabhängig voneinander betreibbar und hinsichtlich ihrer räumlichen Anordnung und Entfernung zueinander frei plazierbar sein sollen.
- Die genannte Aufgabe wird durch eine Druckmaschinenanlage mit den Merkmalen des Patentanspruchs 1 gelöst.
- Vorteilhafte Weiterbildungen der Erfindung sind Gegenstand von Unteransprüchen.
- Weitere Merkmale und Zweckmäßigkeiten der Erfindung ergeben sich aus der Beschreibung von Ausführungsbeispielen anhand der Figuren. Von den Figuren zeigen:
- Fig. 1
- eine Druckmaschinenanlage in einer ersten erfindungsgemäßen Ausführungsform;
- Fig. 2
- ein Blockschaltbild einer ersten Synchronisationseinrichtung für die in Fig. 1 gezeigte Druckmaschinenanlage;
- Fig. 3
- ein Blockschaltbild einer zweiten Synchronisationseinrichtung für die in Fig.1 gezeigte Druckmaschinenanlage;
- Fig. 4
- eine Druckmaschinenanlage in einer zweiten erfindungsgemäßen Ausführungsform;
- Fig. 5
- ein Blockschaltbild einer ersten Synchronisationseinrichtung für die in Fig. 2 gezeigte Druckmaschinenanlage;
- Fig. 6
- ein Blockschaltbild einer zweiten Synchronisationseinrichtung für die in Fig. 2 gezeigte Druckmaschinenanlage; und
- Fig. 7
- ein Blockschaltbild einer dritten Synchronisationseinrichtung für die in Fig. 2 gezeigte Druckmaschinenanlage.
- Fig. 1 zeigt ein erstes erfindungsgemäßes Ausführungsbeispiel einer Druckmaschinenanlage. Zwei jeweils vollständige und daher unabhängig voneinander betreibbare Rotationsdruckmaschinen 1 und 11 sind in einem Abstand voneinender aufgestellt.
- Die erste Druckmaschine 1 weist Druckwerke 2 bis 5, deren genaue Konfiguration für die vorliegende Erfindung nicht von Bedeutung ist und die daher nicht näher beschrieben werden, sowie ein Lackierwerk 6, einen Trockner 7, ein Kühlwerk 8 und einen Falzapparat 9 auf. Weiterhin weist die Druckmaschine 1 einen ersten Antriebsmotor 41, einem zweiten Antriebsmotor 42, einem dritten Antriebsmotor 43, eine erste Antriebswelle 25, die längs der Druckwerke 2 bis 5 angeordnet ist und vom Antriebsmotor 41 angetrieben wird, eine zweite Antriebswelle 26, die längs des Kühlwerks 8 und des Falzapparats 9 angeordnet ist und vom Antriebsmotor 43 angetrieben wird, sowie Kupplungsvorrichtungen 27 bis 32, mit denen jedes der Aggregate 2 bis 6, 8 und 9 einzeln und von den jeweiligen übrigen Aggregaten unabhängig an die jeweilige Antriebswelle 25 bzw. 26 angekuppelt werden kann, auf. Das Lackierwerk 6 wird vom Antriebsmotor 42 angetrieben. Eine Papierbahn 45 als ein Beispiel für eine zu bedruckende Bedruckstoffbahn durchläuft die einzelnen Aggregate in weiter unten erläuterter Weise.
- Die zweite Druckmaschine 11 weist vier Druckwerke 12, 13, 14 und 15, deren genaue Konfiguration für die vorliegende Erfindung nicht von Bedeutung ist und die daher nicht näher beschrieben werden, sowie einen Trockner 16, ein Kühlwerk 17 und zwei unterschiedliche Falzapparate 18 und 19, wie zum Beispiel einen Trommelfalz- und einen Klappenfalzapparat, auf.
- Weiterhin weist die Druckmaschine 11 einen vierten Antriebsmotor 44, eine längs der zweiten Druckmaschine 11 angeordnete dritte Antriebswelle 33, über die die Druckwerke 12 bis 15, der Trockner 16, das Kühlwerk 17 und die beiden Falzapparate 18 und 19 vom Antriebsmotor 44 angetrieben werden, sowie Kupplungsvorrichtungen 34 bis 40, mit denen jedes der Aggregate 12 bis 19 einzeln und von den jeweiligen anderen Aggregaten unabhängig an die Antriebswelle 33 angekuppelt werden kann, auf. Eine Papierbahn 46 als ein Beispiel für eine zu bedruckende Bedruckstoffbahn durchläuft die einzelnen Aggregate in weiter unten erläuterter Weise.
- Die Druckmaschine 1 erhält die Papierbahn 45 aus einem (nicht dargestellten) Papiervorrat, z.B. von einem Rollenwechsler. Die Papierbahn 45 durchläuft die Druckwerke 2 bis 5 in für den speziellen Anwendungsfall vorgegebener Weise. Am Ausgang des Druckwerks 5 wird die Papierbahn 45 über Bahnführungselemente, und zwar Leitwalzenanordnungen 51 und 52, am Lackierwerk 6 vorbeigeführt und in den Trockner 7 geleitet. Daran anschließend durchläuft die Papierbahn 45 das Kühlwerk 8 und den Falzapparat 9.
- Die Druckmaschine 11 erhält die Papierbahn 46 aus einem (nicht dargestellten) Papiervorrat, z.B. von einem Rollenwechsler. Die Papierbahn 46 durchläuft die Druckwerke 12 bis 15 in für den speziellen Anwendungsfall vorgegebener Weise. Am Ausgang des Druckwerks 15 wird die Papierbahn 46 über Bahnführungselemente, und zwar eine Leitwalzenanordnung 47, von der Druckmaschine 11 weg und zum Lackierwerk 6 der Druckmaschine 1 umgeleitet. Dort läuft die Papierbahn 46 über weitere Bahnführungselemente, und zwar eine Leitwalzenanordnung 48, in das Lackierwerk 6 hinein und über eine Leitwalzenanordnung 49 aus diesem heraus. Anschließend wird die Papierbahn 46 zur Druckmaschine 11 zurückgeführt und über eine Leitwalzenanordnung 50 in den Trockner 16 geleitet. Daran anschließend durchläuft die Papierbahn 46 das Kühlwerk 17 und die Falzapparate 18 und 19. Dabei kann die Bahnführung innerhalb der Falzapparate 18 und 19 entweder entlang des in Fig. 1 als durchgezogene Linie dargestellten Weges erfolgen, was einer zweimaligen Falzung der gesamten Bahn 46 entspricht. Oder die Bahn 46 kann in einer Längsschneidevorrichtung 11 in zwei oder mehr Teilbahnen geschnitten werden, von denen wenigstens eine Teilbahn entlang des als durchgezogene Linie dargestellten Weges geführt und dabei zweimal gefalzt wird und von denen die übrigen Teilbahnen entlang des als gestrichelte Linie dargestellten Weges geführt und dabei einmal gefalzt werden.
- Durch die vorstehend beschriebene Papierführung kann das weitere Aggregat 6, das Lackierwerk, beispielsweise in den Fällen benutzt werden, in denen ein Produkt mit Lackierung hergestellt werden soll, das wegen der erforderlichen Falzapparate 18 und 19 nicht auf der Druckmaschine 1 gedruckt werden kann. Bei Fehlen der Variationsmöglichkeit müßte zur Wahrung der Produktvielfalt jede der Maschinen 1 und 11 ein Lackierwerk und zwei Falzapparate aufweisen.
- Die Steuerung der einzelnen Druckmaschinen der Druckmaschinenanlage erfolgt mittels einer Synchronisationseinrichtung 10. Die Synchronisationseinrichtung 10 hat die Funktion, die einzelnen Aggregate der Druckmaschinen 1 und 11 und eventueller weiterer Druckmaschinen der Druckmaschinenanlage in veränderbar vorgegebener Weise an die jeweilige Antriebswelle bzw. den jeweiligen Einzelantrieb zu kuppeln bzw. von diesem zu trennen und so - unabhängig vom Standort der einzelnen Aggregate innerhalb der Druckmaschinenanlage und insbesondere unabhängig von deren räumlicher Zuordnung zu einer bestimmten Druckmaschine - eine funktionelle Zuordnung eines oder mehrerer Aggregate einer Druckmaschine zu einer anderen Druckmaschine in veränderbarer Weise zu bewirken sowie die Drehzahl der verschiedenen Motoren zu regeln.
- Die Synchronistaionseinrichtung 10 weist dazu eine jeweilige Mehrzahl von Reglern, Mikroprozessoren und weiteren, nicht dargestellten Steuereinrichtungen, z.B. für die Kupplungsvorrichtungen, auf, die je nach Zusammenschaltung der Druckmaschinen in unterschiedlicher Weise miteinander verbunden und zu Regelungsschaltungen zusammengefaßt werden können.
- Fig. 2 zeigt ein Blockschaltbild einer Synchronisationseinrichtung 10 für die in Fig. 1 gezeigte Druckmaschinenanlage. Die Synchronisationseinrichtung 10 weist eine erste Regelungsschaltung 65 und eine zweite Regelungsschaltung 66 auf. Ihre Steuerungsfunktion besteht im wesentlichen darin, die einzelnen Aggregate der Druckmaschinen 1 und 11 in veränderbar vorgegebener Weise an die jeweilige Antriebswelle 25, 26 bzw. 33 zu kuppeln bzw. von der jeweiligen Antriebswelle zu trennen sowie die Drehzahl der Antriebsmotoren 41 bis 44, im folgenden kurz als Motoren 41 bis 44 bezeichnet, zu regeln. Die Druckmaschine 11 wird ganzheitlich vom Motor 44 angetrieben, während bei der Druckmaschine 1 die Aggregate 2 bis 5 vom Motor 41, das Aggregat 6 vom Motor 42 und die Aggregate 8 und 9 vom Motor 43 angetrieben werden. Die Motoren 42 und 44 sind mit der Regelungsschaltung 65 verbunden, während die Motoren 41 und 43 mit der Regelungsschaltung 66 verbunden sind. Die beiden Regelungsschaltungen 65 und 66 führen die Drehzahlregelung und Synchronisation der Motoren 42 und 44 bzw. 41 und 43 durch.
- An einer Sollwerteingabeeinrichtung 55, z.B. einem Tastenfeld oder einem Datenleser, wird ein vorgegebener, d.h. erster externer Sollwert für die Drehzahl des Motors 44 eingegeben. Dieser Sollwert wird auf einen Eingang eines Reglers 56 gegeben. Auf einen anderen Eingang des Reglers 56 wird der Istwert der Drehzahl des Motors 44 rückgekoppelt. Der Regler 56 bildet aus der Differenz zwischen Istwert und Sollwert eine Regelgröße und bewirkt eine Veränderung der Drehzahl des Motors 44 in an sich bekannter Weise. Für die Regelung der Drehzahl des Motors 42 ist ein Regler 57 vorgesehen. Der Regler 57 erhält als Eingangsgrößen die Drehzahl-Istwerte der Motoren 42 und 44 sowie eine weiter unten beschriebene zusätzliche Regelgröße. Aus diesen Eingangswerten bildet der Regler 57 einen Ausgangswert, aufgrund dessen die Drehzahl des Motors 42 in an sich bekannter Weise verändert, d.h. auf die Drehzahl des Motors 44 abgestimmt wird.
- Die Regelung der Drehzahl des Motors 41 erfolgt mittels eines Reglers 58. Der Regler 58 erhält als Eingangsgrößen über die Sollwerteingabeeinrichtung 55 einen zweiten externen Sollwert für die Drehzahl des Motors 41 sowie den Drehzahl-Istwert des Motors 41. Der Regler 58 bildet aus der Differenz zwischen Istwert und Sollwert eine Regelgröße und bewirkt eine Veränderung der Drehzahl des Motors 41 in an sich bekannter Weise. Für die Regelung der Drehzahl des Motors 43 ist ein Regler 59 vorgesehen. Der Regler 59 erhält als Eingangsgrößen die Drehzahl-Istwerte der Motoren 41 und 43 sowie eine weiter unten beschriebene zusätzliche Regelgröße. Aus diesen Eingangswerten bildet der Regler 59 eine Ausgangsgröße, aufgrund der die Drehzahl des Motors 43 in an sich bekannter Weise verändert, d.h. auf die Drehzahl des Motors 41 abgestimmt wird.
- Jeder der vier Motoren 41 bis 44 ist Rückwirkungen ausgesetzt, die von den von ihm angetriebenen Aggregaten ausgehen. Um diesen Rückwirkungen bestmöglich Rechnung zu tragen, werden die Drehzahl-Istwerte der vier Motoren 41 bis 44 auf Eingangsanschlüsse eines Mikroprozessors 61 bzw. 62 gegeben. Der Mikroprozessor 61 errechnet dann mittels eines in ihm angelegten Algorithmus und unter Berücksichtigung der genannten Eingangsgrößen eine zusätzliche Regelgröße für den Regler 57. In entsprechender Weise errechnet der Mikroprozessor 62 eine zusätzliche Regelgröße für den Regler 59.
- Die vorstehend beschriebenen Regelungsschaltungen 65 und 66 sind jeweils nach dem Prinzip des Leit-/Folgeantriebs aufgebaut: Einer der beiden zu regelnden Antriebe, und zwar der Motor 44 in Bezug auf die Schaltung 65 und der Motor 41 in Bezug auf die Schaltung 66, wird als Leitantrieb betrachtet; folglich wird dem jeweils zugeordneten Regler, also dem Regler 56 bzw. dem Regler 58, ein externer Sollwert zugeführt. Der jeweilige andere Antrieb, also der Motor 42 bzw. der Motor 43, sind dann Folgeantrieb, deren Drehzahl in Abhängigkeit von der Ist-Drehzahl des Leitantriebs geregelt wird. Die beiden Regelungsschaltungen 65 und 66 sind damit in der Lage, die Motoren 42 und 44 bzw. 41 und 43 der Druckmaschinen 1 und 11 hinsichtlich deren Drehzahl so zu regeln, daß das Aggregat 6 der Druckmaschine 1 mit den Aggregaten 12 bis 19 der Druckmaschine 11 synchronisiert wird und daß das Aggregat 8 mit dem Aggregat 5 synchronisiert wird, solange die Druckmaschine 1 ohne das Aggregat 6 arbeitet.
- Das in Fig. 2 dargestellte Blockschaltbild der Synchronisationseinrichtung 10 zeigt nur die im Anwendungsbeispiel der Fig. 1 benötigten Regler und Mikroprozessoren. Es liegt für den Fachmann auf der Hand, die Synchronisationseinrichtung 10 mit einer beliebigen jeweiligen Mehrzahl von Bauelementen von der Art des Reglers 56, des Reglers 57 oder des Mikroprozessors 61 auszustatten und in veränderbarer Weise miteinander verknüpfbar zu machen, um so z.B. beide Druckmaschinen mit jeweils allen Aggregaten zu betreiben und die jeweiligen Druckprodukte nach dem Aggregat 9 bzw. 19 getrennt oder aber auch gemeinsam weiterzuverarbeiten und in Abhängigkeit davon die Motoren 42 und 43 auf den Motor 41 zu synchronisieren oder die Motoren 42, 43 und 44 auf den Motor 42 zu synchronisieren. Die genaue Anzahl der jeweiligen Bauelemente hängt dabei davon ab, wieviel Druckmaschinen die Druckmaschinenanlage umfaßt und wieviel Motoren insgesamt zu regeln sind.
- Eine Verbesserung der Regelung der Drehzahl des Motors 42 kann dadurch erzielt werden, daß mittels eines am Lackierwerk 6 angeordneten Sensors, wie z.B. eines Registermarkenabtasters 77, und einer diesem nachgeschalteten Rechen- und Steuereinrichtung 78 ein elektrisches Signal erzeugt wird, das der Lage der auf der Papierbahn 46 aufgebrachten Registermarken entspricht und das dem Mikroprozessor 61 als zusätzliche Steuergröße zugeführt wird. Eine derartige Verbesserung der Regelung der Drehzahl des Motors 42 ist insbesondere dann vorteilhaft, wenn das Lackierwerk 6 in relativ großem Abstand von der Druckmaschine 11 angeordnet ist und wenn ein registerhaltiges Lackieren von besonderer Bedeutung ist. Wird der Druckmaschine 11 anstelle des Lackierwerks 6 ein anderes Aggregat funktionell zugeordnet, dann kann die gleiche Verbesserung der Regelung durch sinngemäBe Verwendung eines andersartigen Sensors und einer entsprechend ausgelegten Rechen- und Steuereinrichtung erzielt werden.
- Fig. 3 zeigt ein Blockschaltbild einer geänderten Ausführung der in Fig. 2 dargestellten Synchronisationseinrichtung 10. Die Schaltung nach Fig. 3 unterscheidet sich von der Schaltung nach Fig. 2 dadurch, daß bei den beiden Regelungsschaltungen 165 und 166 der erste bzw. der zweite externe Sollwert jeweils beiden Reglern zugeführt wird. Im übrigen entsprechen die beiden Schaltungen 165 und 166 der Schaltung 65 bzw. der Schaltung 66 nach Fig. 2. Die Schaltungsanordnung nach Fig. 3 ist nach dem Prinzip des Folge-/Folgeantriebs aufgebaut und und weist gegenüber der Schaltungsanordnung nach Fig. 2 den Vorteil auf, die Drehzahlen der Motoren 44 und 42 bzw. 41 und 43 auf der Grundlage desselben Drehzahl-Sollwertes zu regeln und somit die Drehzahl der Motoren 42 und 43 nicht anhand der ständig in Nachregelung befindlichen Ist-Drehzahl des Motors 44 bzw. des Motors 41 regeln und damit nachlaufen lassen zu müssen.
- Fig. 4 zeigt in schematischer Darstellung eine zweite erfindungsgemäße Ausführungsform einer Druckmaschinenanlage. Die Druckmaschinen 1 und 11 entsprechen hinsichtlich ihrer Betreibbarkeit und der Aggregate, aus denen sie zusammengesetzt sind, weitgehend den Druckmaschinen 1 und 11 vom ersten Ausführungsbeispiel. Deshalb wird hier auf eine erneute detaillierte Beschreibung verzichtet. Außerdem tragen die in Fig. 4 dargestellten Merkmale die gleichen Bezugszeichen wie die entsprechenden Merkmale aus Fig. 1. In Abänderung vom ersten Ausführungsbeispiel weist die Druckmaschine 1 nach dem Falzapparat 9 ein Zusatzaggregat 21, z.B. ein Leimwerk, auf. In freier Abänderung des beschriebenen zweiten Ausführungsbeispiels können der Druckmaschine 1 anstelle des Leimwerks 21 oder zusammen mit diesem, und zwar in jeder zweckmäßigen Reihenfolge, eins oder mehrere der folgenden Aggregate räumlich zugeordnet werden: eine Perforiervorrichtung 20, ein Kreuzleger 22 , eine Druckproduktzuführvorrichtung 23 zum Zuführen der halbfertigen oder fertigen Druckprodukte zu einer weiteren Verarbeitungsstation und eine Weiterverarbeitungsanlage 24, wie z.B. eine Verpackungsanlage. Auch andere, aufgrund ihrer vergleichsweise geringen durchschnittlichen Auslastung zur funktionellen Zuordnung zu mehreren Druckmaschinen vorgesehene Aggregate können der Druckmaschine 1 räumlich zugeordnet werden.
- Die Druckmaschine 1 erhält aus einem (nicht dargestellten) Papiervorrat, z.B. einem Rollenwechsler, eine Papierbahn 45. Die Papierbahn 45 durchläuft die Druckmaschine 1 vollständig. Dabei ist der genaue Verlauf der Papierbahn 45 innerhalb der Druckwerke 2 bis 5 im speziellen Anwendungsfall festzulegen.
- Die Druckmaschine 11 erhält aus einem (nicht dargestellten) Papiervorrat, z.B. einem Rollenwechsler, eine Papierbahn 46. Die Papierbahn 46 durchläuft die Druckmaschine 11 vollständig, wobei der genaue Verlauf der Papierbahn 46 innerhalb der Druckwerke 12 bis 15 im speziellen Anwendungsfall festzulegen ist. Nach dem zweiten Falzapparat 19 wird die Papierbahn 46 über die als Umlenkmittel dienenden Leitwalzenanordnungen 54 der Druckmaschine 11 und 53 der Druckmaschine 1 dem Leimwerk 21 der Druckmaschine 1 zugeführt und durchläuft das Leimwerk 21 gleichzeitig mit der Papierbahn 45. Beide Papierbahnen werden noch im Leimwerk 21 zusammengeführt und in weiteren, in Fig. 4 nicht dargestellten anschließenden Aggregaten, wie z.B. einem weiteren Falzapparat oder Etikettier- und Verpackungsvorrichtungen, weiterverarbeitet. Die Steuerung der einzelnen Aggregate der beiden Druckmaschinen 1 und 11, also auch des Leimwerks 21, und die Regelung der Antriebsmotoren 41 bis 44 erfolgt mittels der Synchronisationseinrichtung 10, mit der die beiden Druckmaschinen 1 und 11 und nachgeordnete Vorrichtungen verbunden sind.
- Fig. 5 zeigt ein Blockschaltbild einer ersten Synchronisationsschaltung 10 für die in Fig. 4 dargestellte Druckmaschinenanlage. Diese Synchronisationsschaltung entspricht hinsichtlich ihrer Merkmale weitgehend der in Fig. 2 dargestellten Schaltung, weshalb in Fig. 5 für die den Merkmalen aus Fig. 2 entsprechenden Merkmale gleiche Bezugszeichen verwendet werden. Außerdem zeigt auch Fig. 5 nur die im Anwendungsbeispiel nach Fig. 4 benötigten Regler und Mikroprozessoren, ohne die Anzahl dieser Bauelemente allgemein auf die dargestellte Menge beschränken zu wollen.
- Die Aggregate der Druckmaschine 1 werden von den Motoren 41 bis 43 angetrieben, während die Aggregate der Druckmaschine 2 vom Motor 44 angetrieben werden. Die Drehzahlregelung der Motoren 41 bis 44 erfolgt über eine Regelungsschaltung 67. Das Leimwerk 21 wird von einem Motor 69 angetrieben. Die Steuerung des Motors 69 erfolgt ebenfalls über die Regelungsschaltung 67. Die Regelungsschaltung 67 weist für jeden Motor einen jeweils zugeordneten Regler 56, 57, 58, 59 bzw. 60 sowie Mikroprozessoren 61 bis 64 auf. Für die externe Eingabe eines Sollwertes für die Drehzahlregelung des Motors 69 ist eine Sollwerteingabeeinrichtung 55 vorgesehen. Der an der Einrichtung 55 eingegebene Drehzahlsollwert wird dem Regler 56 als erste Eingangsgröße zugeführt. Als zweite Eingangsgröße erhält der Regler 56 als Rückkopplung den Istwert der Drehzahl des Motors 69. Aus der Differenz der beiden Eingangsgrößen bildet der Regler 56 eine Regelgröße, mit der eine Veränderung der Drehzahl des Motors 69 in an sich bekannter Weise bewirkt wird. Die Regler 57 bis 60 erhalten als erste Steuergröße die jeweilige Ist-Drehzahl des zugehörigen Motors und als zweite Steuergröße die Ist-Drehzahl des Motors 69. Der Drehzahlistwert des Motors 69 wird außerdem in dem ersten Ausführungsbeispiel entsprechender Weise den Mikroprozessoren 61 bis 64 zugeführt, die aufgrund von in ihnen veränderbar angelegten Algorithmen, die an die spezielle Konfiguration der Druckmaschinenanlage angepaßt sind, aus den Drehzahlistwerten je eine zusätzliche Steuergröße für die Regler 57 bis 60 als jeweiliger dritter Steuergröße errechnen.
- Mit der Regelungsschaltung 67 ist es möglich, die Drehzahlen der Motoren 41 bis 44 jeweils bestmöglich an die Ist-Drehzahl des Motors 69 heranzuführen und dabei die Rückwirkungen, denen die Motoren ausgesetzt sind, zu berücksichtigen.
- Fig. 6 zeigt ein Blockschaltbild einer zweiten Synchronisationsschaltung 10 für die in Fig. 4 dargestellte Druckmaschinenanlage. Diese Synchronisationsschaltung entspricht hinsichtlich ihrer Merkmale weitgehend der in Fig. 5 dargestellten Schaltung, weshalb in Fig. 6 für die den Merkmalen aus Fig. 5 entsprechenden Merkmale gleiche Bezugszeichen verwendet werden.
- Die in Fig. 6 dargestellte Synchronisationsschaltung 10 unterscheidet sich von der in Fig. 5 dargestellten Schaltung dadurch, daß der über die Sollwerteingabevorrichtung 55 eingegebene Drehzahl-Sollwert allen Mikroprozessoren 61 bis 64 und 70 gleichzeitig zugeführt wird und daß damit die Regelung der Motoren 41 bis 44 und 69 auf der Grundlage des gleichen Sollwerts erfolgt. Eine Verbesserung der Regelung der einzelnen Motoren kann dadurch erzielt werden, daß Sensoren 71 bis 75 an für den Bahnlauf der Papierbahn 45 bzw. der Papierbahn 46 charakteristischen Stellen angeordnet werden und daß die von den Sensoren 71 bis 75 erzeugten Signale dem jeweiligen Mikroprozessor 70, 61, 62, 63 bzw. 64 als zusätzliche Steuergröße zugeführt werden. Zur Unterscheidung der Verbindung der Regler 56 bis 60 und der Mikroprozessoren 61 bis 64 und 70 nach Fig. 6 von jener nach Fig. 5 ist die Regelungsschaltung in Fig. 6 mit dem Bezugszeichen 68 versehen. Mit der in Fig. 6 dargestellten Synchronisationsschaltung 10 können die Motoren 41 bis 44 und 69 so geregelt werden, daß alle von diesen Motoren angetriebenen Aggregate optimal zusammenwirken. Dabei stellt insbesondere die Verwendung der Sensoren 71 bis 75 sicher, daß die Motoren 41 bis 44 und 69 nicht der sonst gegebenen Gefahr ausgesetzt sind, trotz der gemeinsamen Sollwertvorgabe drehzahlmäßig auseinanderzulaufen. Unabhängig davon weist eine Schaltungsanordnung nach Fig. 6 gegenüber der Schaltungsanordnung nach Fig. 5 den Vorteil auf, die Drehzahlen der Motoren 41 bis 44 auf der Grundlage desselben Drehzahl-Sollwertes zu regeln wie die Drehzahl des Motors 69 und somit die Drehzahlen nicht anhand der ständig in Nachregelung befindlichen Ist-Drehzahl des Motors 69 regeln und damit nachlaufen lassen zu müssen.
- Fig. 7 zeigt ein Blockschaltbild einer dritten Synchronisationsschaltung 10 für die in Fig. 4 dargestellte Druckmaschinenanlage. Diese Schaltung weist außer den auch in den Regelungsschaltungen 67 und 68 nach Fig. 5 bzw. 6 verwendeten Reglern 56 bis 60 einen Mikroprozessor 76 auf. Der Mikroprozessor 76 weist einen veränderbar vorgegebenen Algorithmus auf, der den über die Sollwerteingabevorrichtung 55 eingegebenen externen Drehzahl-Sollwert und die von den Motoren 41 bis 44 und 69 zugeführten Drehzahl-Istwerte verknüpft und daraus interne Sollwerte für die Regler 56 bis 60 ableitet. Dabei können außer den im Algorithmus fest, aber veränderbar vorgegebenen, für die funktionell miteinander verbundenen Aggregate charakteristischen Parametern auch Meßwerte berücksichtigt werden, die von den Sensoren 71 bis 75 erfaßt und dem Mikroprozessor 76 zugeführt werden. Die Sensoren 71 bis 75 entsprechen nach Art und Verwendung den Sensoren 71 bis 75 von Fig. 6, weshalb sie in beiden Figuren mit jeweils gleichen Bezugszeichen versehen sind.
- Der Mikroprozessor 76, die Regler 56 bis 60 und die nicht dargestellten weiteren Bauelemente, die für den Betrieb und die Zusammenschaltung der Regler und des Mikroprozessors erforderlich sind, sind in Fig. 7 in einer Regelungsschaltung 79 zusammengefaßt. Der Mikroprozessor 76 hat die gleiche Funktion wie die Mikroprozessoren 61 bis 64 und 70 aus der Synchronisationseinrichtung 10 nach Fig. 6. Darüberhinaus ist er in der Lage, die einzelnen Regelungsabläufe der Motoren 41 bis 44 und 69 auch untereinander abzustimmen, so daß die nach dem Prinzip des Folge-/Folgeantriebs aufgebaute Synchronisationseinrichtung 10 die Drehzahlen der Motoren 41 bis 44 und 69 mit geringstmöglichem Nachlaufen regelt und insbesondere sicherstellt, daß die Drehzahlen der einzelnen Motoren nicht auseinanderlaufen.
- Mit einer erfindungsgemäßen Druckmaschinenanlage kann in besonders vorteilhafter Weise erreicht werden, daß alle Aggregate der zur Druckmaschinenanlage gehörenden Druckmaschinen sowie diesen Druckmaschinen nachgeordnete Aggregate in optimaler Weise genutzt werden können. Dies bedeutet insbesondere, daß die Konfiguration der Druckmaschinenanlage durch funktionelles bzw. wirkungsmäßiges Verbinden schnell und einfach an die Merkmale des jeweils auszuführenden Druckauftrags angepaßt werden kann und daß daher nicht ständig benötigte Aggregate, wie z.B. Lackiervorrichtungen, nicht bei jeder Druckmaschine aufgestellt zu werden brauchen.
- Weiterhin zeichnet sich die erfindungsgemäße Druckmaschinenanlage durch eine vorteilhafte Verbindung von mechanischer Regelung und elektronischer Regelung aus. Die äußerst wirtschaftliche mechanische Regelung des Antriebs der Druckwerke wird durch eine elektronische Regelung anderer Aggregate und eine elektronische Regelung des Zusammenspiels der zur Druckmaschinenanlage gehörenden Druckmaschinen ergänzt. Dabei ist die elektronische Regelung des Zusammenspiels der jeweiligen Druckmaschinen insbesondere insofern von Vorteil, als sie bei der Aufstellung der einzelnen Druckmaschinen bzw. der Aggregate der jeweiligen Druckmaschinen eine größere Anpassungsfähigkeit an örtliche oder betriebliche Notwendigkeiten der jeweiligen Produktionsstätte eröffnet, als dies mit einer mechanischen Synchronisation, z.B. mittels einer die Druckmaschinen verbindenden Querwelle oder einer überlangen Längswelle, möglich wäre. Schließlich bietet die erfindungsgemäße Druckmaschinenanlage den Vorteil einer äußerst flexiblen Konfiguration, ohne dabei eine teuere Regelungseinrichtung in Kauf nehmen zu müssen, wie dies bei einem Einzelantrieb aller Aggregate mit reiner elektronischer Steuerung der Fall wäre.
Claims (13)
- Druckmaschinenanlage, bestehend aus mehreren sowohl unabhängig voneinander als auch gemeinsam betreibbaren Druckmaschinen (1, 11), die jeweils einzelne Druckwerke (2 bis 5, 12 bis 15) und Aggregate wie Trockner (7, 16), Kühlwerke (8, 17) und Falzapparate (9, 18, 19) aufweisen und von denen einer ersten Druckmaschine (1) ein weiteres Aggregat (6; 20 bis 24) räumlich zugeordnet ist, dadurch gekennzeichnet, daß das weitere Aggregat (6; 20 bis 24) einer zweiten, dieses weitere Aggregat (6; 20 bis 24) nicht aufweisenden Druckmaschine (11) funktionell zuordenbar ist, daß Mittel (47, 48) zum bahnlaufgerechten Zuführen einer Bedruckstoffbahn (46) von der zweiten Druckmaschine (11) zum funktionell zugeordneten weiteren Aggregat (6; 20 bis 24) der ersten Druckmaschine (1) vorgesehen sind und daß ein individueller Antriebsmotor (42; 69) des funktionell zugeordneten weiteren Aggregats (6; 20 bis 24) mittels einer elektrischen Synchronisationseinrichtung (10) mit der zweiten Druckmaschine (11) synchronisierbar ist.
- Druckmaschinenanlage nach Anspruch 1, dadurch gekennzeichnet, daß das weitere Aggregat (6; 20 bis 24) ein Lackierwerk (6), eine Perforiereinrichtung (20), eine Leimaufbringvorrichtung (21), ein Kreuzleger (22), eine Druckproduktzuführvorrichtung (23), oder eine Weiterverarbeitungsanlage (24) oder eine andere Vorrichtung zur Bearbeitung oder Verarbeitung einer Bedruckstoffbahn (46) ist.
- Druckmaschinenanlage nach Anspruch 1 oder 2, dadurch gekennzeichnet, daß bei wenigstens zwei der Druckmaschinen (1, 11) die Druckwerke (2 bis 5, 12 bis 15), die Kühlwerke (8, 17), die Falzapparate (9, 18, 19) und die einer anderen Druckmaschine funktionell zuordenbaren weiteren Aggregate (6; 20 bis 24) über eine entsprechende Anzahl von Kupplungsvorrichtungen (27 bis 32, 34 bis 40) einzeln und unabhängig voneinander mit einem jeweils zugehörigen Antriebsmotor (41 bis 44; 69) verbindbar sind.
- Druckmaschinenanlage nach einem der Ansprüche 1 bis 3, dadurch gekennzeichnet, daß ein erster Antriebsmotor (41) mit einer längs der ersten Druckmaschine (1) angeordneten ersten Antriebswelle (25) verbunden ist, daß ein zweiter Antriebsmotor (42) mit dem weiteren Aggregat (6) der ersten Druckmaschine (1) verbunden ist, daß ein dritter Antriebsmotor (43) mit einer längs der ersten Druckmaschine (1) angeordneten zweiten Antriebswelle (26) verbunden ist, daß die Druckwerke (2 bis 5) der ersten Druckmaschine (1) einzeln und unabhängig voneinander mit der ersten Antriebswelle (25) verbindbar sind und daß das Kühlwerk (8) und der Falzapparat (9) der ersten Druckmaschine (1) mit der zweiten Antriebswelle (26) verbindbar ist.
- Druckmaschinenanlage nach einem der Ansprüche 1 bis 4, dadurch gekennzeichnet, daß als Mittel (47 bis 50) zum bahnlaufgerechten Zuführen der Bedruckstoffbahn (46) von der zweiten Druckmaschine (11) zum funktionell zugeordneten weiteren Aggregat (6) Bahnführungselemente (47 bis 50) vorgesehen sind.
- Druckmaschinenanlage, nach einem der Ansprüche 1 bis 5, dadurch gekennzeichnet, daß die Synchronisationseinrichtung (10) so ausgebildet ist, daß sie wahlweise jede Druckmaschine (1, 11) einzeln, und zwar allein oder gleichzeitig mit wenigstens einer anderen Druckmaschine der Druckmaschinenanlage, oder wenigstens zwei Druckmaschinen (1, 11) im Verbund und mit funktioneller Zuordnung eines einer Druckmaschine (1) räumlich zugeordneten weiteren Aggregats (6) zu einer anderen Druckmaschine (11) steuern und regeln kann.
- Druckmaschinenanlage nach Anspruch 6, dadurch gekennzeichnet, daß die Synchronisationseinrichtung (10) eine Einrichtung (55) für eine Eingabe eines externen Sollwerts aufweist.
- Druckmaschinenanlage nach Anspruch 6 oder 7, dadurch gekennzeichnet, daß die Synchronisationseinrichtung (10) eine erste (65) und eine zweite (66) Regelungsschaltung aufweist, von denen die erste Regelungsschaltung (65) zwei Regler (56, 57) zum Regeln des Antriebsmotors (44) der zweiten Druckmaschine (11) und des Antriebsmotors (42) des dieser Druckmaschine (11) funktionell zugeordneten weiteren Aggregats (6) und einen Mikroprozessor (61), mittels dessen der Regelung des Motors (42) des funktionell zugeordneten Aggregats (6) eine Regelung auf der Grundlage eines aus Betriebsdaten des Antriebsmotors (44) der zweiten Druckmaschine (11) und einer Rückkopplung von Betriebsdaten des Antriebsmotors (42) des funktionell zugeordneten weiteren Aggregats (6) bestimmten internen Sollwerts überlagert wird, und die zweite Regelungsschaltung (66) zwei Regler (58, 59) zum Regeln der übrigen Antriebsmotoren (41, 43) der das weitere Aggregat (6) aufweisenden ersten Druckmaschine (1) und einen Mikroprozessor (62), mittels dessen der Regelung wenigstens eines (43) dieser übrigen Antriebsmotoren (41, 43) eine Regelung auf der Grundlage eines aus Betriebsdaten all dieser übrigen Antriebsmotoren (41, 43) bestimmten internen Sollwerts überlagert wird, aufweist, wobei dem Regler (56) des Antriebsmotors (44) der zweiten Druckmaschine (11) und dem Regler (58) eines (41) der übrigen Antriebsmotoren (41, 43) der das weitere Aggregat (6) aufweisenden Druckmaschine (1) je ein externer Sollwert zugeführt werden.
- Druckmaschinenanlage nach Anspruch 6 oder 7, dadurch gekennzeichnet, daß die Synchronisationseinrichtung (10) eine Schaltung (67) mit einem Regler (56) zum Regeln eines Antriebsmotors (69) eines einer Druckmaschine (1) räumlich zugeordneten weiteren Aggregats (21) und einer Mehrzahl von Reglern (57 bis 60) und einer Mehrzahl von Mikroprozessoren (61 bis 64) zum Regeln der Antriebsmotoren (41, 42, 43, 44) der Druckmaschine (1), der das weitere Aggregat (21) räumlich zugeordnet ist, und der Druckmaschine (11), der das weitere Aggregat (21) funktionell zugeordnet ist, aufweist, wobei dem Regler (56) des Antriebsmotors (69) des weiteren Aggregats (21) ein externer Sollwert zugeführt wird, wobei den Reglern (57 bis 60) der Motoren (41, 42, 43, 44) der Druckmaschinen (1, 11) der Drehzahl-Istwert des Antriebsmotors (69) des weiteren Aggregats (21) als interner Sollwert zugeführt wird und wobei der Regelung der Antriebsmotoren (41, 42, 43, 44) der Druckmaschinen (1, 11) mittels der Mikroprozessoren (61 bis 64) eine Regelung auf der Grundlage von aus Betriebsdaten all dieser Motoren (41, 42, 43, 44) bestimmten internen Sollwerten überlagert wird.
- Druckmaschinenanlage nach Anspruch 6 oder 7, dadurch gekennzeichnet, daß die Synchronisationseinrichtung (10) eine Schaltung (68) mit einem Regler (56) und einem Mikroprozessor (70) zum Regeln eines Antriebsmotors (69) eines einer Druckmaschine (1) räumlich zugeordneten weiteren Aggregats (21) und einer Mehrzahl von Reglern (57 bis 60) und einer Mehrzahl von Mikroprozessoren (61 bis 64) zum Regeln der Antriebsmotoren (41, 42, 43, 44) der Druckmaschine (1), der das weitere Aggregat (21) räumlich zugeordnet ist, und der Druckmaschine (11), der das weitere Aggregat (21) funktionell zugeordnet ist, aufweist, wobei allen Mikroprozessoren (61 bis 64, 70) ein einziger externer Sollwert gleichzeitig zugeführt wird, wobei allen Reglern (56 bis 60) der Drehzahl-Istwert des jeweils zugehörigen Antriebsmotors (41 bis 44, 69) als Stellgröße zugeführt wird und wobei der Regelung der Antriebsmotoren (41 bis 44, 69) der Druckmaschinen (1, 11) mittels der Mikroprozessoren (61 bis 64, 70) eine Regelung auf der Grundlage von aus Betriebsdaten des jeweils zugehörigen Antriebsmotors (41, 42, 43, 44 bzw. 69) und einer jeweils von einer zugehörigen Sensoreinrichtung (71 bis 75) zugeführten weiteren Stellgröße bestimmten internen Sollwerten überlagert wird.
- Druckmaschinenanlage nach Anspruch 6 oder 7, dadurch gekennzeichnet, daß die Synchronisationseinrichtung (10) eine Schaltung (79) mit einem Regler (56) zum Regeln eines Antriebsmotors (69) eines einer Druckmaschine (1) räumlich zugeordneten weiteren Aggregats (21), einer Mehrzahl von Reglern (57 bis 60) zum Regeln der Antriebsmotoren (41, 42, 43, 44) der Druckmaschine (1), der das weitere Aggregat (21) räumlich zugeordnet ist, und der Druckmaschine (11), der das weitere Aggregat (21) funktionell zugeordnet ist, und einem Mikroprozessor (76) aufweist, wobei dem Mikroprozessor (76) ein externer Sollwert zugeführt wird, wobei allen Reglern (56 bis 60) der Drehzahl-Istwert des jeweils zugehörigen Antriebsmotors (41 bis 44, 69) als Stellgröße zugeführt wird und wobei der Regelung der Antriebsmotoren (41 bis 44, 69) der Druckmaschinen (1, 11) mittels des Mikroprozessors (76) eine Regelung auf der Grundlage von aus Betriebsdaten aller Antriebsmotoren (41, 42, 43, 44, 69) bestimmten internen Sollwerten überlagert wird.
- Druckmaschinenanlage nach Anspruch 11, dadurch gekennzeichnet, daß die Synchronisationseinrichtung (10) mit einer Mehrzahl von Sensoreinrichtungen (71 bis 75) verbunden ist.
- Druckmaschinenanlage nach einem der Ansprüche 1 bis 12, dadurch gekennzeichnet, daß die Synchronisationseinrichtung (10) mit einer Vorrichtung (77) zum Abtasten einer Registermarkierung und mit einer Rechen- und Steuereinrichtung (78) zum Errechnen einer Stellgröße zum Steuern des einer Druckmaschine (11) funktionell zugeordneten weiteren Aggregats (6; 20 bis 24) verbunden ist.
Applications Claiming Priority (2)
| Application Number | Priority Date | Filing Date | Title |
|---|---|---|---|
| DE4012396 | 1990-04-19 | ||
| DE4012396A DE4012396A1 (de) | 1990-04-19 | 1990-04-19 | Druckmaschinenanlage |
Publications (3)
| Publication Number | Publication Date |
|---|---|
| EP0452704A2 EP0452704A2 (de) | 1991-10-23 |
| EP0452704A3 EP0452704A3 (de) | 1991-10-30 |
| EP0452704B1 true EP0452704B1 (de) | 1994-05-04 |
Family
ID=6404604
Family Applications (1)
| Application Number | Title | Priority Date | Filing Date |
|---|---|---|---|
| EP91104634A Expired - Lifetime EP0452704B1 (de) | 1990-04-19 | 1991-03-25 | Druckmaschinenanlage |
Country Status (5)
| Country | Link |
|---|---|
| US (1) | US5117753A (de) |
| EP (1) | EP0452704B1 (de) |
| JP (1) | JPH04224960A (de) |
| CA (1) | CA2038570C (de) |
| DE (2) | DE4012396A1 (de) |
Cited By (1)
| Publication number | Priority date | Publication date | Assignee | Title |
|---|---|---|---|---|
| CN103158350A (zh) * | 2011-12-15 | 2013-06-19 | 中国科学院沈阳计算技术研究所有限公司 | 通用型商务轮转式印刷机的控制系统 |
Families Citing this family (63)
| Publication number | Priority date | Publication date | Assignee | Title |
|---|---|---|---|---|
| DE4201481A1 (de) * | 1992-01-21 | 1993-07-22 | Heidelberger Druckmasch Ag | Einrichtung zur handhabung von materialbahnen in verarbeitungsmaschinen |
| DE4210989C2 (de) * | 1992-04-02 | 2001-07-12 | Heidelberger Druckmasch Ag | Mehrfachantrieb für eine Bogenrotationsdruckmaschine |
| US6427590B1 (en) | 1992-10-12 | 2002-08-06 | Heidelberger Druckmaschinen Ag | Drive for a printing press with a plurality of printing units |
| DE4241807A1 (de) * | 1992-12-11 | 1994-06-16 | Heidelberger Druckmasch Ag | Antrieb für eine Druckmaschine |
| JPH06320714A (ja) * | 1993-05-14 | 1994-11-22 | Toshiba Mach Co Ltd | 切換式連続運転用印刷機およびその運転方法 |
| DE4318299A1 (de) * | 1993-06-02 | 1994-12-08 | Roland Man Druckmasch | Einziehvorrichtung und Verfahren zum Einzug von Materialbahnen in eine Druckmaschine |
| US5447566A (en) * | 1993-12-27 | 1995-09-05 | Autographic Business Forms, Inc. | Paper coating and drying machine |
| NL9400088A (nl) * | 1994-01-19 | 1995-09-01 | Stork X Cel Bv | Drukinrichting voorzien van verplaatsbare drukeenheid. |
| US6644184B1 (en) * | 1995-02-09 | 2003-11-11 | Man Roland Druckmaschinen Ag | Offset printing machine |
| DE4430693B4 (de) * | 1994-08-30 | 2005-12-22 | Man Roland Druckmaschinen Ag | Antriebe für eine Rollenrotations-Offsetdruckmaschine |
| DE4447859B4 (de) * | 1994-10-04 | 2007-02-22 | Maschinenfabrik Wifag | Rollenrotationsdruckmaschine |
| US6148724A (en) * | 1994-12-20 | 2000-11-21 | Moore Business Forms, Inc. | Selective flexographic printing |
| US5608639A (en) * | 1995-01-13 | 1997-03-04 | Wallace Computer Services, Inc. | System and method for printing, assembly and verifying a multiple-part printed product |
| JPH08238746A (ja) * | 1995-02-15 | 1996-09-17 | Gimaco Ing Ag Fuer Mas Bau | 1個の設備における複数軸の同期駆動装置 |
| DE59611381D1 (de) * | 1995-03-18 | 2006-10-12 | Koenig & Bauer Ag | Antrieb eines Falzapparates einer Rotationsdruckmaschine |
| DE19525169C2 (de) * | 1995-03-18 | 2000-02-03 | Koenig & Bauer Ag | Verfahren zum Antreiben eines Falzapparates |
| DE19516445A1 (de) † | 1995-05-04 | 1996-11-07 | Wifag Maschf | Rotationsdruckmaschine mit frei aufstellbarem Falzapparat |
| US5743184A (en) * | 1997-05-27 | 1998-04-28 | Joe Irace | Gearless printing press |
| US5816152A (en) * | 1997-09-02 | 1998-10-06 | Delaware Capital Formation, Inc. | Reconfigurable printing press |
| DE19742461C2 (de) * | 1997-09-26 | 2001-05-10 | Heidelberger Druckmasch Ag | Vorrichtung zum Antrieb einer Bogendruckmaschine mit Mehrmotorenantrieb |
| JP3180291B2 (ja) * | 1997-11-10 | 2001-06-25 | 株式会社ミヤコシ | フォーム印刷機における用紙テンション制御装置 |
| JPH11187688A (ja) * | 1997-12-22 | 1999-07-09 | Canon Inc | モータ制御方法、モータ制御装置および画像形成装置 |
| ATE204810T1 (de) * | 1998-04-16 | 2001-09-15 | Abb Ind Ag | Verfahren zur selbsteinstellenden farb- und schnittregistersteuerung in rotationsdruckmaschinen mit mehreren bahnen |
| US6655285B2 (en) * | 1998-10-23 | 2003-12-02 | Komori Corporation | Method and device for controlling automatic printing plate changing means and folding device status switching device |
| US6387201B1 (en) | 1999-05-14 | 2002-05-14 | Best Cutting Die Company | Rotary hot foil stamping machine |
| DE19959152A1 (de) * | 1999-12-08 | 2001-06-13 | Heidelberger Druckmasch Ag | Einrichtung zur Führung von Materialbahnen in Rotationsdruckmaschinen |
| DE10128122A1 (de) * | 2001-06-09 | 2002-12-12 | Roland Man Druckmasch | Antrieb für einen Falzapparat |
| JP4451049B2 (ja) * | 2001-07-26 | 2010-04-14 | ハイデルベルガー ドルツクマシーネン アクチエンゲゼルシヤフト | マルチモータ駆動装置、および枚葉紙印刷機を駆動する方法 |
| DE10236864B4 (de) * | 2002-08-12 | 2007-02-01 | Koenig & Bauer Ag | Heatset-Druckmaschine |
| DE10245962A1 (de) * | 2002-10-02 | 2004-04-15 | Man Roland Druckmaschinen Ag | Verfahren und Vorrichtung zum Regeln des Schnittregisters einer Rollenrotationsdruckmaschine |
| DE10326080A1 (de) * | 2003-06-10 | 2005-01-27 | OCé PRINTING SYSTEMS GMBH | Druckstraße mit Bahnspeichereinheit und Nachverarbeitungssystem |
| CA2529699C (en) | 2003-06-23 | 2008-11-18 | The Procter & Gamble Company | Process for producing highly registered printed images and embossment patterns on stretchable substrates |
| CA2530235C (en) * | 2003-06-23 | 2011-01-18 | The Procter & Gamble Company | Rolled substrate products with highly registered printed images and embossment patterns |
| ES2318301T3 (es) * | 2003-07-11 | 2009-05-01 | KOENIG & BAUER AKTIENGESELLSCHAFT | Rotativo de bobinas. |
| EP1515364B1 (de) * | 2003-09-15 | 2016-04-13 | Nuvotronics, LLC | Gehäuse und Verfahren zu seiner Herstellung und zu seiner Prüfung |
| US7044902B2 (en) * | 2003-12-09 | 2006-05-16 | Quad/Tech, Inc. | Printing press folder and folder components |
| CH697884B1 (de) * | 2004-07-13 | 2009-03-13 | Manroland Ag | Rollenrotationsdruckeinheit. |
| DE202004021518U1 (de) | 2004-09-09 | 2008-09-04 | Koenig & Bauer Aktiengesellschaft | Druckmaschinen |
| DE102004051263A1 (de) * | 2004-10-21 | 2006-04-27 | Man Roland Druckmaschinen Ag | Druckmaschinenanordnung |
| DE602005026734D1 (de) * | 2004-10-22 | 2011-04-14 | Sanford Lp | Drucker |
| DE102004056931A1 (de) * | 2004-11-25 | 2006-06-01 | Man Roland Druckmaschinen Ag | Rollenrotationsdruckmaschine |
| DE102005005401A1 (de) * | 2005-02-05 | 2006-08-10 | Man Roland Druckmaschinen Ag | Rollenrotationsdruckmaschine und Falzapparat |
| DE102005037730B4 (de) * | 2005-04-19 | 2007-02-15 | Koenig & Bauer Ag | Druckmaschinen |
| EP1871602B1 (de) * | 2005-04-19 | 2013-10-02 | Koenig & Bauer Aktiengesellschaft | Druckmaschine |
| EP1888337A1 (de) * | 2005-04-19 | 2008-02-20 | Koenig & Bauer AG | Druckmaschinenanlagen |
| JP4829529B2 (ja) * | 2005-04-28 | 2011-12-07 | 株式会社小森コーポレーション | 印刷機 |
| ES2289859B1 (es) * | 2005-05-13 | 2008-11-16 | Umetal Frontages And Covers International, S.L. | Instalacion de impresion digital de superficies. |
| US7187142B2 (en) * | 2005-05-25 | 2007-03-06 | Rockwell Automation Technologies, Inc. | Motor drive with velocity noise filter |
| US7109670B1 (en) * | 2005-05-25 | 2006-09-19 | Rockwell Automation Technologies, Inc. | Motor drive with velocity-second compensation |
| US8141485B2 (en) | 2005-08-18 | 2012-03-27 | Koenig & Bauer Aktiengesellschaft | Printing machine system |
| EP1915257B1 (de) | 2005-08-18 | 2013-08-28 | Koenig & Bauer AG | Druckmaschinenanlage |
| DE102005048472A1 (de) | 2005-10-07 | 2007-04-12 | Bosch Rexroth Ag | Rotationsdruckmaschine und Verfahren des Betriebs einer Rotationsdruckmaschine |
| EP1960198A1 (de) | 2005-12-15 | 2008-08-27 | Koenig & Bauer AG | Druckmaschinenanlage |
| CN101218099B (zh) | 2005-12-15 | 2010-11-03 | 柯尼格及包尔公开股份有限公司 | 印刷机设备 |
| US7926421B2 (en) | 2005-12-15 | 2011-04-19 | Koenig & Bauer Aktiengesellschaft | Printing press system |
| US7222436B1 (en) | 2006-07-28 | 2007-05-29 | The Procter & Gamble Company | Process for perforating printed or embossed substrates |
| US20080022872A1 (en) * | 2006-07-28 | 2008-01-31 | The Procter & Gamble Company | Apparatus for perforating printed or embossed substrates |
| DE102008064635A1 (de) * | 2008-03-05 | 2009-12-10 | Koenig & Bauer Aktiengesellschaft | Druckmaschine und Verfahren zum Betrieb einer Druckmaschine sowie Druckmaschinenanlage und Verfahren zum Betrieb der Druckmaschinenanlage |
| JP2010094858A (ja) * | 2008-10-15 | 2010-04-30 | Komori Corp | 処理機の駆動制御方法及び装置 |
| DE102008056132A1 (de) * | 2008-11-06 | 2010-05-12 | Robert Bosch Gmbh | Verfahren zur Bahnspannungseinstellung |
| NL2019408B1 (nl) * | 2017-08-10 | 2019-02-21 | Mps Holding Bv | Samenstel voor het bewerken van een substraatbaan |
| US10319654B1 (en) | 2017-12-01 | 2019-06-11 | Cubic Corporation | Integrated chip scale packages |
| EP3847609A1 (de) * | 2018-09-05 | 2021-07-14 | Gerber Technology LLC | Verfahren und vorrichtung zur herstellung von kleidungsstücken |
Family Cites Families (28)
| Publication number | Priority date | Publication date | Assignee | Title |
|---|---|---|---|---|
| CA623588A (en) * | 1961-07-11 | Electric Eye Equipment Company | Multi-unit printing-press drive | |
| US1307390A (en) * | 1919-06-24 | Ginia | ||
| US971533A (en) * | 1910-02-05 | 1910-10-04 | Goss Printing Press Co Ltd | Printing-machine. |
| GB191305728A (en) * | 1913-03-07 | 1914-03-05 | Goss Printing Press Co England | Improvements in or relating to Printing Machines. |
| US1774779A (en) * | 1926-12-20 | 1930-09-02 | Wood Newspaper Mach Corp | Paper lead for the upper decks of printing presses |
| US1738324A (en) * | 1926-12-30 | 1929-12-03 | Scott Isabella | Multicolor-printing press |
| US1774119A (en) * | 1928-03-26 | 1930-08-26 | Edward A Waller | Printing press |
| US1847708A (en) * | 1930-11-28 | 1932-03-01 | Cottrell C B & Sons Co | Multicolor rotary printing press |
| US1971771A (en) * | 1933-01-05 | 1934-08-28 | Goss Printing Press Co Ltd | Printing press |
| CH201020A (de) * | 1936-10-12 | 1938-11-15 | Matuschke Walter | Druckmaschinenanlage, bestehend aus einer Mehrfarben-Rollenrotationsmaschine und einer Einfarben-Hochdruckrollenrotationsmaschine. |
| GB702603A (en) * | 1950-04-27 | 1954-01-20 | Igranic Electric Co Ltd | Improvements in or relating to electric motor drives for printing presses |
| US2911908A (en) * | 1958-01-22 | 1959-11-10 | Harris Intertype Corp | Printing press |
| US3084621A (en) * | 1960-05-14 | 1963-04-09 | Pietro Guazzo Ing | Process and apparatus for controlling register on rotogravure printing machines |
| US3068787A (en) * | 1960-05-18 | 1962-12-18 | Dall Oglio Giorgio | Device for checking longitudinal registration on machines for performing repetitive operations on a continuous band |
| GB1119142A (en) * | 1965-08-03 | 1968-07-10 | Crabtree & Sons Ltd R | Offset printing press |
| US3556509A (en) * | 1968-08-21 | 1971-01-19 | Harris Intertype Corp | Printed web ribbon registration control system |
| US3605618A (en) * | 1968-11-14 | 1971-09-20 | Herman F Clasen | Reflex detector counter and monitoring system |
| US3717092A (en) * | 1970-11-23 | 1973-02-20 | Harris Intertype Corp | Registering mechanism for printing press |
| DE2122416A1 (de) * | 1971-05-06 | 1972-11-16 | Schnellpressenfabrik Koenig & Bauer AG, 8700 Würzburg | Papierbahnführung in Rollenrotationsdruckmaschinen |
| US4096801A (en) * | 1972-02-01 | 1978-06-27 | Martin John R | Register control method and apparatus |
| US3841216A (en) * | 1972-12-07 | 1974-10-15 | Hamilton Tool Co | Method of and apparatus for correcting deviations in length and registration in a continuous strip of material |
| DE2460612C2 (de) * | 1974-12-20 | 1984-08-09 | M.A.N. Maschinenfabrik Augsburg-Nürnberg AG, 8900 Augsburg | Rollen-Offsetmaschine |
| US4177730A (en) * | 1976-11-04 | 1979-12-11 | Harris Corporation | Method and apparatus for web printing |
| DE2753433C2 (de) * | 1977-11-30 | 1986-02-06 | Windmöller & Hölscher, 4540 Lengerich | Verfahren und Vorrichtung zum Voreinstellen der Formzylinder von Mehrfarbenrollen-Rotationsdruckmaschinen |
| DE3117663C2 (de) * | 1981-05-05 | 1984-09-20 | M.A.N.- Roland Druckmaschinen AG, 6050 Offenbach | Rollenrotationsdruckmaschine |
| DE8314827U1 (de) * | 1983-05-19 | 1985-09-19 | M.A.N.- Roland Druckmaschinen AG, 6050 Offenbach | Rollenrotationsdruckmaschine |
| DE3614624A1 (de) * | 1986-04-30 | 1987-11-05 | Heidelberger Druckmasch Ag | Druckmaschine mit mehreren komponenten, insbesondere druckwerken, anlege- und auslegeeinrichtungen |
| US4785734A (en) * | 1986-11-04 | 1988-11-22 | Fuji Kikai Kogyo Co., Ltd. | Apparatus for controlling paper transfer speed of a printing section of a form printing machine |
-
1990
- 1990-04-19 DE DE4012396A patent/DE4012396A1/de not_active Withdrawn
-
1991
- 1991-03-19 CA CA002038570A patent/CA2038570C/en not_active Expired - Fee Related
- 1991-03-20 US US07/672,476 patent/US5117753A/en not_active Expired - Fee Related
- 1991-03-25 EP EP91104634A patent/EP0452704B1/de not_active Expired - Lifetime
- 1991-03-25 DE DE59101539T patent/DE59101539D1/de not_active Expired - Fee Related
- 1991-04-17 JP JP3084996A patent/JPH04224960A/ja active Pending
Cited By (2)
| Publication number | Priority date | Publication date | Assignee | Title |
|---|---|---|---|---|
| CN103158350A (zh) * | 2011-12-15 | 2013-06-19 | 中国科学院沈阳计算技术研究所有限公司 | 通用型商务轮转式印刷机的控制系统 |
| CN103158350B (zh) * | 2011-12-15 | 2015-09-30 | 中国科学院沈阳计算技术研究所有限公司 | 通用型商务轮转式印刷机的控制系统 |
Also Published As
| Publication number | Publication date |
|---|---|
| EP0452704A2 (de) | 1991-10-23 |
| US5117753A (en) | 1992-06-02 |
| CA2038570C (en) | 1995-01-03 |
| JPH04224960A (ja) | 1992-08-14 |
| DE59101539D1 (de) | 1994-06-09 |
| DE4012396A1 (de) | 1991-10-31 |
| EP0452704A3 (de) | 1991-10-30 |
Similar Documents
| Publication | Publication Date | Title |
|---|---|---|
| EP0452704B1 (de) | Druckmaschinenanlage | |
| DE10335887B4 (de) | Verfahren und Vorrichtung zum Regeln eines Schnittregisterfehlers und einer Bahnzugkraft einer Rollenrotationsdruckmaschine | |
| DE3403623C2 (de) | ||
| DE4447859B4 (de) | Rollenrotationsdruckmaschine | |
| DE10243454B4 (de) | Antriebsvorrichtung einer Bearbeitungsmaschine | |
| DE19509947C2 (de) | Falzapparat für eine Rotationsdruckmaschine | |
| EP0814959A1 (de) | Verfahren zum antreiben eines aggregates z.b. eines falzapparates einer rotationsdruckmaschine | |
| EP0424874A2 (de) | Verfahren und Einrichtung zum Vermindern von Makulatur in Rollenrotationsdruckmaschinen | |
| DE19781048B4 (de) | Druckeinrichtung | |
| DE3602894C2 (de) | ||
| DE19936291B4 (de) | Bestimmung von Schnittlagen von Bahnsträngen in einer Rotationsdruckmaschine | |
| DE4237837A1 (de) | ||
| EP1114720A2 (de) | Luftleitsystem in einer Bogendruckmaschine | |
| DE102005048472A1 (de) | Rotationsdruckmaschine und Verfahren des Betriebs einer Rotationsdruckmaschine | |
| EP0692377B2 (de) | Verfahren und Vorrichtung zum synchronen Antreiben von Druckmaschinenkomponenten | |
| EP1772263B1 (de) | Rotationsdruckmaschine und Verfahren des Betriebs einer Rotationsdruckmaschine | |
| EP3169529B1 (de) | Verfahren zum betreiben einer einrichtung zum herstellen von drucksachen | |
| EP1535872B1 (de) | Querschneider für bedruckte Materialien | |
| DE102005021148B3 (de) | Verfahren zur Regelung eines Umfangsregisters in einer Druckmaschine | |
| DE10003107B4 (de) | Verfahren und Vorrichtung für einen Transport einer Bedruckstoffbahn zwischen Funktionseinheiten einer Rotationsdruckmaschine in besonderen Betriebssituationen | |
| DE69708093T2 (de) | Druckmaschine mit einer vorrichtung zum steuern des bahnvorschubs | |
| EP0174423A1 (de) | Vorrichtung zum Aufbringen von in der Länge begrenzten Druckbildern auf eine Wellpappenbahn | |
| EP3072690A1 (de) | Bogendruckmaschine mit beschleunigungsstation | |
| DE202005014636U1 (de) | Bogendruckmaschine | |
| EP1877257A2 (de) | Verfahren zum steuern und/oder regeln eines registers in einer druckmaschine sowie eine vorrichtung zum steuern und/oder regeln eines umfangsregisters |
Legal Events
| Date | Code | Title | Description |
|---|---|---|---|
| PUAI | Public reference made under article 153(3) epc to a published international application that has entered the european phase |
Free format text: ORIGINAL CODE: 0009012 |
|
| PUAL | Search report despatched |
Free format text: ORIGINAL CODE: 0009013 |
|
| AK | Designated contracting states |
Kind code of ref document: A2 Designated state(s): CH DE FR GB IT LI SE |
|
| AK | Designated contracting states |
Kind code of ref document: A3 Designated state(s): CH DE FR GB IT LI SE |
|
| 17P | Request for examination filed |
Effective date: 19911004 |
|
| 17Q | First examination report despatched |
Effective date: 19930630 |
|
| ITF | It: translation for a ep patent filed | ||
| GRAA | (expected) grant |
Free format text: ORIGINAL CODE: 0009210 |
|
| AK | Designated contracting states |
Kind code of ref document: B1 Designated state(s): CH DE FR GB IT LI SE |
|
| REF | Corresponds to: |
Ref document number: 59101539 Country of ref document: DE Date of ref document: 19940609 |
|
| GBT | Gb: translation of ep patent filed (gb section 77(6)(a)/1977) |
Effective date: 19940517 |
|
| ET | Fr: translation filed | ||
| EAL | Se: european patent in force in sweden |
Ref document number: 91104634.0 |
|
| PLBE | No opposition filed within time limit |
Free format text: ORIGINAL CODE: 0009261 |
|
| STAA | Information on the status of an ep patent application or granted ep patent |
Free format text: STATUS: NO OPPOSITION FILED WITHIN TIME LIMIT |
|
| 26N | No opposition filed | ||
| PGFP | Annual fee paid to national office [announced via postgrant information from national office to epo] |
Ref country code: GB Payment date: 19980213 Year of fee payment: 8 Ref country code: FR Payment date: 19980213 Year of fee payment: 8 |
|
| PGFP | Annual fee paid to national office [announced via postgrant information from national office to epo] |
Ref country code: SE Payment date: 19980219 Year of fee payment: 8 |
|
| PGFP | Annual fee paid to national office [announced via postgrant information from national office to epo] |
Ref country code: DE Payment date: 19980221 Year of fee payment: 8 |
|
| PGFP | Annual fee paid to national office [announced via postgrant information from national office to epo] |
Ref country code: CH Payment date: 19980225 Year of fee payment: 8 |
|
| PG25 | Lapsed in a contracting state [announced via postgrant information from national office to epo] |
Ref country code: GB Free format text: LAPSE BECAUSE OF NON-PAYMENT OF DUE FEES Effective date: 19990325 |
|
| PG25 | Lapsed in a contracting state [announced via postgrant information from national office to epo] |
Ref country code: SE Free format text: LAPSE BECAUSE OF NON-PAYMENT OF DUE FEES Effective date: 19990326 |
|
| PG25 | Lapsed in a contracting state [announced via postgrant information from national office to epo] |
Ref country code: LI Free format text: LAPSE BECAUSE OF NON-PAYMENT OF DUE FEES Effective date: 19990331 Ref country code: CH Free format text: LAPSE BECAUSE OF NON-PAYMENT OF DUE FEES Effective date: 19990331 |
|
| EUG | Se: european patent has lapsed |
Ref document number: 91104634.0 |
|
| REG | Reference to a national code |
Ref country code: CH Ref legal event code: PL |
|
| GBPC | Gb: european patent ceased through non-payment of renewal fee |
Effective date: 19990325 |
|
| PG25 | Lapsed in a contracting state [announced via postgrant information from national office to epo] |
Ref country code: FR Free format text: LAPSE BECAUSE OF NON-PAYMENT OF DUE FEES Effective date: 19991130 |
|
| EUG | Se: european patent has lapsed |
Ref document number: 91104634.0 |
|
| REG | Reference to a national code |
Ref country code: FR Ref legal event code: ST |
|
| PG25 | Lapsed in a contracting state [announced via postgrant information from national office to epo] |
Ref country code: DE Free format text: LAPSE BECAUSE OF NON-PAYMENT OF DUE FEES Effective date: 20000101 |
|
| PG25 | Lapsed in a contracting state [announced via postgrant information from national office to epo] |
Ref country code: IT Free format text: LAPSE BECAUSE OF NON-PAYMENT OF DUE FEES Effective date: 20050325 |