WO2017010215A1 - 欠陥測定方法、欠陥測定装置、および検査プローブ - Google Patents
欠陥測定方法、欠陥測定装置、および検査プローブ Download PDFInfo
- Publication number
- WO2017010215A1 WO2017010215A1 PCT/JP2016/067808 JP2016067808W WO2017010215A1 WO 2017010215 A1 WO2017010215 A1 WO 2017010215A1 JP 2016067808 W JP2016067808 W JP 2016067808W WO 2017010215 A1 WO2017010215 A1 WO 2017010215A1
- Authority
- WO
- WIPO (PCT)
- Prior art keywords
- magnetic
- defect
- tube
- thinning
- cross
- Prior art date
- Legal status (The legal status is an assumption and is not a legal conclusion. Google has not performed a legal analysis and makes no representation as to the accuracy of the status listed.)
- Ceased
Links
Images
Classifications
-
- G—PHYSICS
- G01—MEASURING; TESTING
- G01N—INVESTIGATING OR ANALYSING MATERIALS BY DETERMINING THEIR CHEMICAL OR PHYSICAL PROPERTIES
- G01N27/00—Investigating or analysing materials by the use of electric, electrochemical, or magnetic means
- G01N27/72—Investigating or analysing materials by the use of electric, electrochemical, or magnetic means by investigating magnetic variables
- G01N27/82—Investigating or analysing materials by the use of electric, electrochemical, or magnetic means by investigating magnetic variables for investigating the presence of flaws
- G01N27/90—Investigating or analysing materials by the use of electric, electrochemical, or magnetic means by investigating magnetic variables for investigating the presence of flaws using eddy currents
-
- G—PHYSICS
- G01—MEASURING; TESTING
- G01N—INVESTIGATING OR ANALYSING MATERIALS BY DETERMINING THEIR CHEMICAL OR PHYSICAL PROPERTIES
- G01N27/00—Investigating or analysing materials by the use of electric, electrochemical, or magnetic means
- G01N27/72—Investigating or analysing materials by the use of electric, electrochemical, or magnetic means by investigating magnetic variables
- G01N27/82—Investigating or analysing materials by the use of electric, electrochemical, or magnetic means by investigating magnetic variables for investigating the presence of flaws
- G01N27/90—Investigating or analysing materials by the use of electric, electrochemical, or magnetic means by investigating magnetic variables for investigating the presence of flaws using eddy currents
- G01N27/9013—Arrangements for scanning
- G01N27/902—Arrangements for scanning by moving the sensors
-
- G—PHYSICS
- G01—MEASURING; TESTING
- G01N—INVESTIGATING OR ANALYSING MATERIALS BY DETERMINING THEIR CHEMICAL OR PHYSICAL PROPERTIES
- G01N27/00—Investigating or analysing materials by the use of electric, electrochemical, or magnetic means
- G01N27/72—Investigating or analysing materials by the use of electric, electrochemical, or magnetic means by investigating magnetic variables
- G01N27/82—Investigating or analysing materials by the use of electric, electrochemical, or magnetic means by investigating magnetic variables for investigating the presence of flaws
Definitions
- the present invention relates to a defect measuring method and a defect measuring apparatus for measuring a defect of a member made of a magnetic material, and an inspection probe used for measuring the defect.
- Patent Document 2 As an inspection method for investigating the presence or absence of defects such as thinning and cracking in a magnetic member, a magnetic eddy current flaw inspection (magnetization ECT (Eddy CurrentingTesting)) disclosed in Patent Document 1 or the like, Patent Document 2 The leakage magnetic flux method (MFL) disclosed in the above is known.
- magnetization ECT Eddy CurrentingTesting
- a water immersion rotary ultrasonic thickness measurement method (IRIS; Internal Rotary Inspection Systems) is known.
- Patent No. 5169983 Japanese Patent Publication “Japanese Patent Laid-Open No. 2004-212161 (published July 29, 2004)”
- the magnetized eddy current flaw detection test and the leakage magnetic flux method have a problem that although the presence or absence of a defect can be inspected, the depth of the defect cannot be measured accurately and quantitatively.
- the immersion-rotation-type ultrasonic thickness measurement method can measure the depth of defects and the like quantitatively and with high accuracy, there is a problem that inspection takes time.
- the present invention has been made in view of the above problems, and an object of the present invention is to quickly perform quantitative evaluation of defects in a magnetic member.
- a defect measurement method is a defect measurement method for a magnetic member, and is arranged on a magnetic circuit formed by a magnet and the magnet and the magnetic member, and the magnetic flux density flowing through the magnetic circuit
- the defect surface determination step for determining whether there is a back surface defect occurring on the back surface of the facing surface, and the evaluation result set in advance for each of the surface defect and the back surface defect, the determination result of the defect surface determination step And applying an evaluation algorithm corresponding to the output signal of the magnetic sensor to quantitatively evaluate the defect of the magnetic member. It is characterized in.
- a defect measuring apparatus is a defect measuring apparatus for a magnetic member, and is arranged on a magnet and a magnetic circuit formed by the magnet and the magnetic member, and the magnetic flux density flowing through the magnetic circuit
- An inspection probe including a magnetic sensor for detecting the magnetic sensor, and a magnetic flux resistance calculation unit capable of quantitatively evaluating defects of the magnetic member based on an output signal of the magnetic sensor, Applying an evaluation algorithm to the output signal, which is selected depending on whether a defect is formed on the surface of the magnetic member facing the inspection probe or on the back surface of the facing surface. It is the structure which can perform the quantitative evaluation of the defect of a magnetic body member.
- An inspection probe is an inspection probe for inspecting a defect of a magnetic member, and includes a plurality of Halbach arrays arranged along a surface facing the magnetic member.
- a magnet a sensor for eddy current flaws disposed at a central portion of the Halbach array of the plurality of magnets, a magnet disposed at an end of the Halbach array of the plurality of magnets, and the magnetic member.
- the magnetic sensor is arranged on a magnetic circuit to be formed, and includes a magnetic sensor that detects a magnetic flux density flowing through the magnetic circuit.
- the defect measuring method As described above, according to the defect measuring method, the defect measuring apparatus, and the inspection probe of the present invention, it is possible to quickly perform quantitative evaluation of defects of the magnetic member.
- FIG. 2 is a cross-sectional schematic diagram of the test
- FIG. 2 is a cross-sectional view taken along the line AA shown in FIG. It is a circuit diagram of the eddy current flaw detection part in the inspection probe shown in FIG. It is a block diagram which shows the structure of the thinning determination process part with which the thinning measuring apparatus concerning one Embodiment of this invention is equipped. It is explanatory drawing which shows the outline
- (A) is explanatory drawing which shows an example of the test piece which has several outer surface thinning
- (b) is explanatory drawing which shows an example of the test piece which has several inner surface thinning
- (c) is (a )
- (b) is a graph showing the relationship between the total value of the output signals of each Hall element measured by the magnetic flux resistance method and the actual cross-sectional defect rate of each thinning in each test piece.
- the wall thickness evaluation value obtained by measuring the pipe used in the actual machine by the thinning measuring apparatus according to one embodiment of the present invention, and the wall thickness actual measurement value obtained by actually measuring the pipe used in the actual machine It is a graph which shows a relationship.
- (A) is the graph which plotted the output voltage of each Hall element when test
- (A) is the graph which plotted the output voltage of each Hall element when test
- the magnetic member is a member made of a magnetic material, and examples thereof include a cable, a wire, a plate-like member, and various structures made of a magnetic material.
- a defect of a magnetic body member a thin defect (henceforth thinning), a crack-like defect, etc. are mentioned.
- the thinning is a phenomenon in which the thickness is reduced due to mechanical wear or chemical corrosion.
- An embodiment of the present invention will be described.
- an example in which thinning is inspected using a magnetic tube as a magnetic member, a Hall element as a magnetic sensor, and an excitation / detection coil as an eddy current flaw detection sensor will be described.
- the application object of the invention is not limited to the magnetic material tube, and is not limited to the thinning inspection.
- the defect measuring apparatus of the present invention is referred to as a “thinning measuring apparatus”.
- the surface defect that occurs on the surface that is the surface facing the inspection probe and the back surface defect that occurs on the back surface of the facing surface are referred to as “outer surface thinning” and “inner surface thinning”, respectively.
- a defect range indicating a defect range along the circumferential direction in a cross section perpendicular to the axial direction of the magnetic tube of the present invention is referred to as a “thinning range”
- a defect range calculation unit that calculates the defect range is referred to as “reduction range”. This will be referred to as “meat range calculation unit”.
- the defect depth of the defect generated in the magnetic tube of the present invention is referred to as “thinning depth”, and the defect depth calculation unit for calculating the defect depth is referred to as “defect depth calculation unit”.
- a defect surface determination unit capable of determining whether a defect exists on the front or back surface of the magnetic member based on the result of the eddy current flaw inspection using the eddy current flaw detection sensor of the present invention, This is referred to as a “surface determination unit”.
- a defect surface determination is performed to determine whether the defect is a surface defect occurring on the surface of the magnetic member facing the inspection probe or a back surface defect occurring on the back surface of the facing surface. , Referred to as “thinning surface determination”.
- FIG. 1 is a schematic cross-sectional view of the inspection probe 100.
- FIG. 2 is a cross-sectional view taken along the line AA shown in FIG.
- the inspection probe 100 is inserted into the tube of the magnetic material tube and moved in the tube, so that a magnetic vortex flaw detection method (magnetization ECT (Eddy-Current Testing)) and a magnetic flux resistance method (MFR; Magnetic) are performed. Flux Resistance).
- a magnetic vortex flaw detection method magnetization ECT (Eddy-Current Testing)
- MFR magnetic flux resistance method
- Flux Resistance Magnetic
- a pipe made of a magnetic material such as carbon steel, ferritic stainless steel, duplex stainless steel composed of two phases of a ferrite phase and an austenite phase can be used.
- the inspection probe 100 includes a yoke 1, a first magnet 2, a second magnet 3, a third magnet 4, an excitation / detection coil 5, an eddy current control coil 6, guides 7 and 8, air introduction holes. 9, an air injection hole 10, and a Hall element 11 are provided.
- the yoke 1 is a hollow cylindrical member made of a magnetic material.
- a high magnetic permeability metal such as carbon steel or low alloy steel can be used.
- the first magnet 2, the second magnet 3, and the third magnet 4 are attached to the outer peripheral surface of the yoke 1, and are arranged in this order so as to form a Halbach array along the axial direction of the yoke 1.
- the first magnet 2 is formed in a hollow cylindrical shape made of a single magnet or a hollow cylindrical shape in which a plurality of magnets divided in the circumferential direction are combined, and the axial center portion ( It is mounted along the outer peripheral surface of a position between the second magnet 3 and the third magnet 4.
- the first magnet 2 is formed in a hollow cylindrical shape, and is attached to the yoke 1 so that the axis thereof is collinear with the axis of the yoke 1.
- the first magnet 2 is polarized along a direction substantially parallel to the axial direction of the yoke 1 so that the magnetic pole on the second magnet 3 side is an N pole and the magnetic pole on the third magnet 4 side is an S pole. Is magnetized.
- a high-performance permanent magnet such as a neodymium magnet is used.
- the second magnet 3 is attached to the first magnet 2 in the yoke 1 along the outer peripheral surface on one end side in the axial direction.
- the second magnet 3 is formed in a hollow cylindrical shape composed of a single magnet or a hollow cylindrical shape combining a plurality of magnets divided in the circumferential direction, and the axis thereof is the axis of the yoke 1.
- the yoke 1 is mounted so as to be on the same straight line.
- the second magnet 3 is polarized along the radial direction of the yoke 1 (the direction facing the magnetic tube P), the magnetic pole on the yoke 1 side is the S pole, and the opposite side (the magnetic tube to be inspected). Side) magnetic poles are N poles.
- a high performance permanent magnet such as a neodymium magnet is used.
- the third magnet 4 is mounted along the outer peripheral surface of the other end side in the axial direction with respect to the first magnet 2 in the yoke 1 (opposite side to the side on which the second magnet 3 is disposed).
- the third magnet 4 is formed in a hollow cylindrical shape made of a single magnet or a hollow cylindrical shape in which a plurality of magnets divided in the circumferential direction are combined, and its axis is the axis of the yoke 1.
- the yoke 1 is mounted so as to be on the same straight line.
- the third magnet 4 is polarized along the radial direction of the yoke 1 (the direction facing the magnetic pipe P), and is magnetized so that the magnetic pole direction is opposite to that of the second magnet 3. .
- the third magnet 4 is magnetized so that the magnetic pole on the yoke 1 side is an N pole and the opposite magnetic pole is an S pole.
- the third magnet 4 for example, a high-performance permanent magnet such as a neodymium magnet is used.
- the first magnet 2 is mounted between the second magnet 3 and the third magnet 4 so that the magnetic pole on the second magnet 3 side is an N pole and the magnetic pole on the third magnet 4 side is an S pole. (That is, by arranging the second magnet 3, the first magnet 2, and the third magnet 4 so as to form a Halbach array), the strength of the magnetic flux formed by the second magnet 3 and the third magnet 4 (Magnetic flux density) can be increased and the magnetic flux distribution can be made uniform.
- the size of the first magnet 2, the second magnet 3, and the third magnet 4 is not particularly limited as long as it can be inserted into the magnetic pipe to be inspected, but the second magnet 3 and the third magnet are not limited. It is preferable that the magnetic flux density at the end portion on the outer side in the axial direction of the yoke 1 of 4 (end portion far from the first magnet 2) is in the range of 1.4T to 2.4T, More preferably within the range of 2.2T.
- the magnetic flux density is within the above range, the relative permeability of the magnetic pipe to be inspected with respect to the change of the magnetic flux density changes linearly. For this reason, by setting the magnetic flux density within the above range, inspection by a magnetic flux resistance method (MFR) described later can be performed with higher accuracy.
- MFR magnetic flux resistance method
- the number of magnets is not particularly limited.
- the number of magnets may be one or both of between the first magnet 2 and the second magnet 3 and between the first magnet 2 and the third magnet 4.
- another magnet may be provided. In that case, each magnet may be arranged so that each magnet forms a Halbach array.
- the method of attaching the first magnet 2, the second magnet 3, and the third magnet 4 to the yoke 1 is not particularly limited.
- the first magnet 2, the second magnet 3, and the third magnet 4 may be attached to the yoke 1 with an adhesive or the like. May be combined.
- the excitation / detection coil 5 is wound along the outer peripheral surface of the first magnet 2 disposed in the central portion of the yoke 1 in the axial direction, and the second magnet 3, the first magnet 2 in the magnetic pipe P, and This is for performing eddy current flaw inspection in which eddy current flaw detection is performed on a region magnetically saturated by the third magnet 4 (or a region where the magnetic permeability has decreased to such a level that eddy current can sufficiently penetrate).
- eddy current flaw inspection when the excitation / detection coil 5 passes through the thinned portion of the magnetic tube, it correlates with the amplitude according to the thinning amount (volume) and the phase according to the thinning depth.
- a thinning signal (detection signal) is detected.
- the configuration of the excitation / detection coil 5 is not particularly limited as long as the above thinning signal can be detected.
- a copper wire having a wire diameter of 0.02 to 1.0 mm and a number of turns of 10 to 200 is used.
- the coil can be used.
- the eddy current control coil 6 is wound around the excitation / detection coil 5 on the outer peripheral surface of the first magnet 2 at positions on both sides of the yoke 1 in the axial direction, and the eddy current is excited by the excitation / detection coil 5. Excites the eddy current flowing in the opposite direction.
- the excess conduction range of the eddy current excited by the excitation / detection coil 5 is canceled by exciting the eddy current in the reverse direction with the excitation coil, and the excess conduction of the eddy current. The range can be suppressed.
- illustration is abbreviate
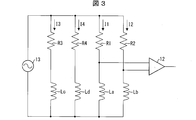
- FIG. 3 is a circuit diagram of the eddy current flaw detection part in the inspection probe 100.
- two excitation / detection coils 5 La, Lb
- two eddy current control coils 6 Lc, Ld
- four variable resistors R1, R2, R3, R4 are provided.
- the output terminal of the eddy current flaw detector 12 is connected to an eddy current flaw detector 30 described later by a conducting wire.
- the eddy current inspection is performed as follows. That is, first, the impedances of the excitation / detection coil 5 and the eddy current control coil 6 at a predetermined test frequency (for example, 100 kHz) and a predetermined applied voltage (for example, 5 v) are measured, and the resistances of the variable resistors R1 and R2 are measured. Adjust the value to the measured resistance value. Further, the combined impedance of the excitation / detection coil 5 and the variable resistors R1 and R2 at this time is measured, and the resistance values of the variable resistors R3 and R4 connected to the eddy current control coil 6 are measured before and after the measured resistance values. Flaw detection is performed, and finally flaw detection is performed under conditions where detection sensitivity is good. The flaw detection speed by the inspection probe 100 is set, for example, in the range of about 2 to 50 mm / second, and is set in the range of about 2 to 10 mm / second when it is necessary to accurately detect a smaller thickness reduction.
- the Hall element 11 is placed at a position near the end portion of the third magnet 4 on the side far from the first magnet 2 at substantially equal intervals along the circumferential direction of the yoke 1.
- Each of these Hall elements 11 outputs a voltage value (output signal) corresponding to the magnetic flux density (flux intensity) passing through the third magnet 4 and the magnetic tube to the magnetic flux resistance flaw detector 40 described later. That is, the Hall element 11 is disposed on a magnetic circuit formed by the third magnet 4 and the magnetic tube P, detects the magnetic flux density flowing through the magnetic circuit, and outputs an output signal corresponding to the detection result to the magnetic flux resistance flaw detector 40. Output to.
- the magnetic flux resistance flaw detection unit 40 uses the output signal of each Hall element 11 to quantitatively evaluate the thinning by the magnetic flux resistance method described later. In FIG. 1, illustration of the conducting wire of the hall element 11 and its extraction hole is omitted.
- the installation position of the Hall element 11 may be a position where the magnetic flux density passing through the third magnet 4 and the magnetic tube P can be measured.
- the hall element 11 is positioned in the axial direction of the inspection probe 100 with respect to the third magnet 4. The position which opposes may be sufficient and the position which opposes the circumferential direction may be sufficient. Further, the installation position of the Hall element 11 may be a position in contact with the third magnet 4 or may be a position separated from the third magnet 4.
- the magnetic flux density passing through the third magnet 4 and the magnetic tube P is measured by the Hall element 11, but not limited thereto, the Hall element 11 is connected to the second magnet 3 and the magnetic tube P.
- the magnetic flux density passing through the second magnet 3 and the magnetic material tube P may be measured on the magnetic circuit formed by
- Hall elements 11 are arranged on the magnetic circuit formed by the second magnet 3 and the magnetic tube P and on the magnetic circuit formed by the third magnet 4 and the magnetic tube P, respectively.
- the magnetic flux density passing through the body tube P and the magnetic flux density passing through the second magnet 3 and the magnetic body tube P may be measured.
- Guides 7 and 8 are provided at both axial ends of the inspection probe 100.
- the guides 7 and 8 are made of, for example, acetal resin or stainless steel, and are attached to the yoke 1 by a screw structure.
- air introduction holes 9 are provided at substantially central portions of the yoke 1 on both end surfaces in the axial direction of the yoke 1, and communicate with the air introduction holes 9 in the vicinity of both end portions of the yoke 1.
- a plurality of air injection holes 10 extending in the direction are provided. Thereby, air is introduced from the air introduction holes 9 provided on both end faces of the yoke 1, and air is ejected from the air ejection holes 10.
- the air injection hole 10 has a hole diameter of about 2 mm ⁇ and is provided with about 6 to 10 holes from the air introduction hole 9 in the circumferential direction.
- FIG. 16 is an explanatory diagram showing a difference between a leakage flux method (MFL) that has been conventionally performed and a magnetic flux resistance method (MFR) used in the present embodiment.
- MFL leakage flux method
- MFR magnetic flux resistance method
- the leakage magnetic flux method As shown in FIG. 16, among the second magnet 3, the first magnet 2, and the third magnet 4 arranged in the Halbach array, the magnetic material tube in the first magnet 2 arranged in the center.
- a Hall element 11b is arranged on the surface facing P, and the Hall element 11b detects that the magnetic flux flowing in the magnetic pipe P leaks outside the pipe at the thinned portion of the magnetic pipe P.
- the leakage magnetic flux is generated only in the shape discontinuity portion such as the thinning end portion, and as shown in FIG. 16, the leakage magnetic flux is not generated in the entire thinning portion or the gentle thinning portion. Therefore, the leakage magnetic flux method cannot detect the entire thinning or a gradual thinning portion, or quantitatively evaluate the thinning.
- the magnet (the third magnet 4 polarized in the direction facing the magnetic tube P) disposed at the end of the Halbach array and the magnetic circuit formed by the magnetic tube P are arranged on the magnetic circuit.
- the Hall element 11 is arranged, and the magnetic flux density flowing through the magnet and the magnetic tube P is measured.
- FIG. 4 is a block diagram showing a configuration of the thinning measuring apparatus 200 according to the present embodiment.
- FIG. 5 is explanatory drawing which shows the outline
- the thinning measuring apparatus 200 includes an excitation / detection coil 5, a Hall element 11, and a thinning determination processing unit 20. Further, the thinning determination processing unit 20 includes an eddy current flaw detection unit 30 and a magnetic flux resistance flaw detection unit 40.
- the eddy current flaw detection inspection is performed by the excitation / detection coil 5, and the eddy current flaw detection portion 30 is formed on the inner surface of the magnetic pipe P using the detection signal of the eddy current flaw inspection.
- the magnetic flux density flowing through the third magnet 4 and the magnetic tube P is detected by the Hall element 11, and the magnetic resistance test unit 40 is magnetic by using the detection result and the determination result of the thinned surface by the eddy current testing unit 30.
- the thinning of the body tube P is quantitatively evaluated.
- the inner surface of the magnetic tube P is the surface that is the facing surface between the magnetic tube P and the inspection probe 100, and the outer surface is the back surface of the facing surface.
- the eddy current flaw detection unit 30 includes a first detection unit 31, a first storage unit 32, and an eddy current flaw detection calculation unit 33.
- a meat surface determination unit 35 is provided.
- the magnetic flux resistance flaw detection unit 40 includes a second detection unit 41, a second storage unit 42, and a magnetic flux resistance calculation unit 43.
- the magnetic flux resistance calculation unit 43 includes a detection position specifying unit 44 and a cross-sectional defect rate calculation unit 45. , A shape parameter calculation unit 46, a thinning range calculation unit 47, and a thinning depth calculation unit 48.
- the first detection unit 31 acquires a detection signal input from the excitation / detection coil 5 via the eddy current flaw detector 12, and associates the acquired detection signal with a detection time (detection timing) when the detection signal is detected. In addition, it is stored in the first storage unit 32.
- the second detection unit 41 acquires the output voltage value of each Hall element 11 and stores the acquired voltage value and the detection time (detection timing) of each voltage value in the second storage unit 42 in association with each other.
- the configurations of the first storage unit 32 and the second storage unit 42 are not particularly limited.
- a tape system such as a magnetic tape or a cassette tape
- a magnetic disk such as a floppy (registered trademark) disk / hard disk
- a CD-ROM Disc systems including optical disks such as / MO / MD / DVD / CD-R, card systems such as IC cards (including memory cards) / optical cards, mask ROM / EPROM / EEPROM (registered trademark) / flash ROM, etc.
- a recording medium such as a semiconductor memory system can be used.
- the detection position specifying unit 34 and the detection position specifying unit 44 include the detection signal and the detection time of the excitation / detection coil 5 stored in the first storage unit 32, and the Hall elements stored in the second storage unit 42.
- the detection position corresponding to the detection signal of the excitation / detection coil 5 in the magnetic tube P and the detection position corresponding to the voltage output value of each Hall element 11 are associated with each other based on the output voltage value of 11 and the detection time thereof.
- the thinning surface determination unit 35 determines whether the thinning present in the magnetic pipe to be inspected is the thinning of the inner surface or the outer surface based on the detection signal of the excitation / detection coil 5.
- the cross-sectional defect rate calculation unit 45 calculates the cross-sectional defect rate at each position along the axial direction of the magnetic tube based on a cross-sectional defect rate calculation formula described later.
- the cross-sectional defect rate is the ratio of the cross-sectional area missing to the cross-sectional area in the cross-section perpendicular to the axial direction of the magnetic tube, and the deficient cross-sectional area is the cross-sectional area reduced due to thinning.
- different cross-sectional defect rate calculation formulas are used for the case of inner surface thinning and the case of outer surface thinning.
- the shape parameter calculation unit 46 calculates a shape parameter based on the output voltage value of each Hall element 11.
- the shape parameter calculation unit 46 normalizes (divides) Vmax, which is the maximum value among the output voltage values of each Hall element 11, and the output voltage value of each Hall element 11 by Vmax as the shape parameters.
- Vall which is the sum of the values obtained, is calculated.
- the thinning range calculation unit 47 calculates the thinning range of the magnetic tube based on the output voltage value of each Hall element 11.
- the thinning depth calculation unit 48 is based on the cross-sectional defect rate calculated by the cross-sectional defect rate calculation unit 45 and the thinning range calculated by the thinning range calculation unit 47, and is thinned in the radial direction of the magnetic pipe. Depth is calculated.
- the eddy current flaw detection calculation unit 33 and the magnetic flux resistance calculation unit 43 may be an integrated circuit (hardware logic) such as ASIC (Application specific integrated circuit), and a computer equipped with a processor such as a CPU executes software. It may be realized by things, or may be realized by combining them.
- ASIC Application specific integrated circuit
- the eddy current flaw detection calculation unit 33 and the magnetic flux resistance calculation unit 43 are provided in a common housing with the first detection unit 31, the first storage unit 32, the second detection unit 41, and the second storage unit 42. It may be provided separately. In the latter case, the eddy current flaw detection calculation unit 33 and the magnetic flux resistance calculation unit 43 transfer the information stored in the first storage unit 32 and the second storage unit 42 via wired communication, wireless communication, or a removable storage medium. To obtain and perform arithmetic processing.
- FIG. 6 is a flowchart showing the flow of the thinning inspection process in the present embodiment.
- the inspection probe 100 is inserted into a magnetic tube to be inspected, and measurement processing is performed by the excitation / detection coil 5 and the Hall element 11 while moving in the magnetic tube along the axial direction (S1).
- the first detection unit 31 acquires a detection signal output from the excitation / detection coil 5 via the eddy current flaw detector 12 and a detection time when the detection signal is detected, and associates them with the first detection signal.
- the data is stored in the storage unit 32.
- the second detection unit 41 acquires the output voltage value of each Hall element 11 and the detection time when the voltage value is detected, and stores them in the second storage unit 42 in association with each other.
- the method for moving the inspection probe 100 in the magnetic tube is not particularly limited.
- the inspection probe 100 may be moved by pulling a wire or the like connected to the inspection probe 100, and the inspection probe 100 is pushed by a rod-shaped member.
- the inspection probe 100 may be provided with a driving means to be self-propelled.
- the detection position specifying units 34 and 44 detect the position corresponding to the detection signal of the excitation / detection coil 5 (the axial position of the magnetic tube). Is associated with a detection position (position in the axial direction of the magnetic tube) corresponding to the output voltage value of the Hall element 11 (S2).
- the thinning surface determination unit 35 extracts one of the detection positions associated in S2 as the attention detection position (S3), and the thinning surface determination process of the detection position (thinning of the inspection position) Is performed (S4).
- the evaluation of the thinning of the outer surface (S5 to S11) is used to quantitatively evaluate the thinning (calculation of cross-sectional defect rate, thinning range, and thinning depth).
- a quantitative evaluation of the thinning is performed by the evaluation algorithm (S12 to S15) for inner surface thinning.
- the phase angle of the output voltage value is clearly different between the case where the thinning is present on the inner surface side and the outer surface side of the magnetic tube.
- the detection result is the first quadrant. If the thinning is present on the outer surface, it swings to the third quadrant side. Therefore, by using the magnetized eddy current flaw detection method, it can be easily determined whether the thinning is present on the inner surface side or the outer surface side of the magnetic tube.
- the thinning surface (whether thinning is present on the outer surface side of the magnetic tube or on the inner surface side) is determined by the magnetized eddy current flaw detection method.
- the measurement data acquisition by the magnetic flux resistance method and the measurement data acquisition by the magnetic eddy current flaw detection method can be simultaneously performed, and the thinning surface determination can be performed in real time.
- the thinning surface determination by the magnetized eddy current flaw detection method is particularly advantageous.
- the method for determining the thinned surface is not limited to the magnetized eddy current flaw detection method, and may be determined using another determination method.
- the thinning surface may be determined by the user.
- the cross-sectional defect rate calculation unit 45 determines whether or not the thinning of the target inspection position is the thinning of the outer surface based on the thinning surface determination result by the thinning surface determination unit 35 (S5).
- the cross-sectional defect rate calculation unit 45 calculates a cross-sectional defect rate Cout based on the cross-sectional defect rate calculation formula for outer surface thinning (S6).
- cross-sectional defect ratio calculation formula for the outer surface thinning and the cross-section defect ratio calculation formula for the inner surface thinning are based on a test piece (magnetic test tube) having a plurality of types of thinning using a test probe 100 and a magnetic flux. It sets beforehand based on the result measured by the resistance method.
- FIG. 7 is explanatory drawing which shows an example of the test piece which has several outer surface thinning
- (b) is explanatory drawing which shows an example of the test piece which has several inner surface thinning.
- the outer surface thinning test piece is an STB tube having an outer diameter of 25.4 mm and a wall thickness of 2.0 mm.
- a test piece on which meat was formed was used. That is, the [thinning range and thinning ratio] are [45 °, 25%], [45 °, 50%], [45 °, 75%], [90 °, 25%], [90 °, 50 %], [90 °, 75%], [135 °, 25%], [135 °, 50%], and [135 °, 75%] test pieces having 9 types of thinning were used.
- the thinning range in the circumferential direction is 360 degrees, it indicates that thinning has occurred over the entire circumference of the magnetic pipe P.
- the thinning ratio in the present embodiment indicates the ratio of the depth of the thinned portion in the direction in which the magnetic pipe P and the first magnet 2 face each other with respect to the thickness of the magnetic pipe P in a healthy state. It is a value and if the thickness reduction rate is 75%, it indicates that the thickness of the magnetic pipe P is 1 ⁇ 4 of the healthy state.
- the axial width of the magnetic tube in each thinning is 5 mm.
- an STB tube having an outer diameter of 25.4 mm and a wall thickness of 2.0 mm is provided with a diameter of 5 mm and a thickness reduction rate of 25%.
- an STB tube with an outer diameter of 25.4 mm and a wall thickness of 2.0 mm Thickness range 90 °, thinning rate 25%, thinning of magnetic tube axial width 5mm, and thinning range 90 °, thinning rate 50%, thinning of magnetic tube axial width 5mm The formed test piece was used.
- FIG. 5 is a graph showing a relationship between an actual cross-sectional defect rate (cross-sectional defect rate calculated based on an actual measurement value) of each thinning in each test piece.
- the actual measurement value was measured using an ultrasonic thickness meter or a water immersion rotary ultrasonic thickness measurement method.
- the graph also plots the results of measuring the outer circumferential groove thinning (outer circumferential groove thinning) and the inner circumferential groove thinning (inner circumferential groove thinning).
- a cross-sectional defect rate calculation formula for calculating the cross-sectional defect rate from V_sum is calculated in advance based on the relationship between V_sum based on the measurement result of the test specimen prepared in advance and the actual cross-sectional defect rate. Keep it.
- the shape parameter calculation unit 46 calculates a predetermined shape parameter based on the output voltage value of each Hall element 11 (S7).
- Vmax which is the maximum value among the output voltage values of each Hall element 11 and Val which is a total value of values obtained by normalizing the output voltage values of each Hall element 11 by Vmax are used as shape parameters. calculate.
- FIG. 8 is an explanatory diagram showing an example of output voltage values of the eight Hall elements 11 (ch1 to ch8) when full-thickness thinning and local thinning are detected.
- the output voltage value has a rectangular distribution when the entire surface is thinned so that the output voltage values of all the Hall elements 11 are substantially the same.
- the output voltage value of the Hall element 11 arranged immediately below the local thinning portion is the highest, and the output voltage value decreases as the distance from the Hall element 11 increases.
- the thinning range calculation unit 47 determines whether or not the thinning range can be calculated by the predetermined first calculation method using the shape parameters (Vmax, Val) calculated by the shape parameter calculation unit 46. (S8). The determination method in S8 will be described later.
- the thinning range calculation unit 47 calculates the thinning range by the first calculation method (S9), and by the first calculation method, If it is determined that the thinning range cannot be calculated, the thinning range calculation unit 47 calculates the thinning range by a predetermined second calculation method (S10).
- FIG. 9 shows the calculation of Vmax and Vall based on the results of flaw detection of the above-described thinning test piece (see FIG. 7A) and internal thinning test piece (see FIG. 7B).
- the graph is plotted with the horizontal axis as Vall and the vertical axis as Vmax.
- FIG. 10 is a graph obtained by extracting data related to the test piece for external thinning from the data shown in FIG.
- a straight line L90 indicating the correlation between Vall and Vmax and a straight line L135 indicating the correlation between Vall and Vmax when the thickness reduction range is 135 ° are calculated in advance.
- the intersection between Vmax obtained by flaw detection of the magnetic tube to be inspected and each of the straight lines L45, L90, and L135 is calculated, and the Val obtained by flawing the magnetic tube to be inspected and each of the above intersections are calculated.
- the thickness reduction range is calculated according to the ratio of the calculated differences.
- the Val value is an evaluation map (FIG. 10). ), And the thickness reduction range cannot be calculated by the first calculation method.
- the thinning range calculation unit 47 is (i) external thinning and the value of the Val is less than a predetermined value (for example, 3), and (ii) internal thinning,
- the thickness reduction range is calculated using a second calculation method described below. That is, in the case of external thinning, the thinning range calculation unit 47 determines whether or not the value of Vall is greater than or equal to a predetermined value in the process of S8. The thickness reduction range is calculated, and if it is less than the predetermined value, the thickness reduction range is calculated by the second calculation method in S10. Further, in the case of internal thinning, the thinning range calculation unit 47 calculates the thinning range by using the second calculation method in the process of S14 described later.
- FIG. 11 is an explanatory diagram showing a method for calculating a thinning range by the second calculation method.
- the standard thinning when measuring the thinning of the outer surface is the thinning range of 45 °, and the thinning with a thinning rate of 25% is the standard thinning.
- the thinning (arc-shaped thinning) with a thinning range of 90 ° and a thinning rate of 50% is set as the standard thinning. It should be noted that which thinning in the test piece is used as the reference thinning may be selected as appropriate in accordance with a verification experiment conducted in advance.
- the reference profile which is a shape profile of reference thinning (a profile obtained by connecting the output voltages of the hall elements 11 normalized by Vmax), both sides of the hall element 11 in which Vmax is detected.
- the distance L1 between the two points corresponding to the reference value in the reference profile is calculated using the average value of the output voltage values of the Hall elements 11 arranged at the reference value as the reference value.
- the distance L2 between the two points corresponding to the reference value in the shape profile obtained based on the result of the flaw detection of the magnetic pipe to be detected is calculated.
- Vmax 1 and Vmax are detected.
- a virtual profile is obtained by connecting the output voltages of the Hall elements 11 on both sides of the Hall element 11 normalized by Vmax with straight lines or curves, and the distance between the two points corresponding to the reference value in the virtual profile is expressed as a distance. What is necessary is just to calculate as L2.
- the thinning depth calculation unit 48 calculates the thinning depth based on the thinning loss rate and the thinning range (S11).
- the thinning depth d in the case of thinning of the outer surface is the radius of the outer diameter of the magnetic pipe to be inspected r (mm), the thickness of the healthy part t (mm), and the thinning loss rate S ( %)
- the cross-sectional defect rate calculation unit 45 calculates the cross-sectional defect rate Cin based on the above-described cross-sectional defect rate calculation formula for inner surface thinning. (S12).
- the shape parameter calculation unit 46 calculates a shape parameter based on the output voltage value of each Hall element 11 (S13).
- Vmax and Vall are calculated as shape parameters, as in the case of thinning of the outer surface.
- the thinning range calculation unit 47 calculates the thinning range by the second calculation method (S14).
- the thinning (arc-shaped thinning) with a thinning range of 90 ° and a thinning ratio of 50% is set as the standard thinning.
- the thickness reduction range is calculated by the second calculation method using the shape profile as a reference profile.
- FIG. 12 is an explanatory diagram illustrating a method for calculating a thinning range by the second calculation method.
- the thinning depth calculation unit 48 calculates the thinning depth based on the thinning loss rate and the thinning range (S15), and the process ends.
- the thinning depth d is the radius of the outer diameter of the magnetic pipe to be inspected r (mm), the thickness of the healthy part t (mm), and the thickness loss rate S ( %)
- the thinning surface determination unit 35 determines whether or not the calculation processing of the cross-sectional defect rate, the thinning range, and the thinning depth has been completed for all the inspection positions (S16), and the calculation processing is not performed. If the detected position remains, the process returns to S3 and the same processing is repeated. If it is determined in S16 that the calculation process has been completed for all the detected positions, the thinning inspection process is terminated.
- FIG. 13 shows the relationship between the wall thickness evaluation value obtained by measuring the pipe used in the actual machine by the method of the present embodiment and the wall thickness actual measurement value obtained by actually measuring the pipe used in the actual machine. It is a graph.
- the wall thickness evaluation value is calculated by calculating the thinning depth of the pipe used in the actual machine by the method of the present embodiment, and calculating the difference between the thin wall thickness and the thinning depth in a healthy state, The actual measured thickness was measured using an ultrasonic thickness meter or a water immersion rotary ultrasonic thickness measurement method. As shown in this figure, the thickness evaluation can be performed with an accuracy of approximately ⁇ 0.15 mm by the method according to the present embodiment.
- FIG. 14A is a graph plotting the output voltage of each Hall element 11 when an STB tube (magnetic tube) having an outer diameter of 27.2 mm and a wall thickness of 2.6 mm in which the inner wall thickness is reduced is inspected. It is.
- FIG. 15A is a graph plotting the output voltage of each Hall element 11 when inspecting an STB tube (magnetic tube) having an outer diameter of 25.4 mm and a wall thickness of 2.0 mm in which the outer surface is thinned. It is.
- the corrosion (thinning) was caused by local thinning over a substantially entire area in the tube axis direction and local thinning at the baffle.
- the inspection probe 100 is arranged on the magnetic circuit formed by the third magnet 4 and the third magnet 4 and the magnetic tube, and detects the magnetic flux density flowing through the magnetic circuit.
- a Hall element 11 is provided, and the thinning of the magnetic tube is quantitatively evaluated based on the output signal of the Hall element 11 when the inspection probe 100 is moved along the axial direction in the magnetic tube.
- the inner surface thinning evaluation algorithm or the outer surface thinning evaluation Apply algorithm to quantitatively evaluate thinning.
- the configuration in which the inspection probe 100 includes the yoke 1 is shown, but the yoke 1 is not necessarily provided. In other words, the inspection probe 100 only needs to have a configuration that can apply the magnetic flux density shown in FIG.
- the 2nd magnet 3 and the 3rd magnet 4 are arrange
- inspection probe 100 may become a direction facing the magnetic body pipe P.
- the present invention is not limited to this, and any configuration can be used as long as the magnetic flux density shown in FIG.
- the second magnet 3 and the third magnet 4 may be arranged such that the axial direction of the magnetic pipe P and the polarization direction are parallel to each other. Even in such a case, the Hall element 11 and the yoke 1 may be provided on the magnetic circuit constituted by the second magnet 3 and the third magnet 4 and the magnetic material tube P.
- the inspection probe 100 is inserted into the magnetic pipe P to be inspected, and the measurement process using the Hall element 11 is performed while moving in the magnetic pipe P along the axial direction. It is not limited to. That is, by inserting the inspection probe 100 into the magnetic pipe P to be inspected and measuring the output of the Hall element 11 at an arbitrary position in the magnetic pipe P, quantitative evaluation of defects at the position of the magnetic pipe P is performed. It is good also as composition which performs.
- a defect measurement method is a defect measurement method for a magnetic member, and is arranged on a magnetic circuit formed by a magnet and the magnet and the magnetic member, and the magnetic flux density flowing through the magnetic circuit
- the determination result of the defect surface determination step Applying an evaluation algorithm according to the output signal of the magnetic sensor to perform a quantitative evaluation of defects of the magnetic member. It is characterized.
- the magnetic sensor using the inspection probe comprising a magnet and a magnetic sensor that is disposed on a magnetic circuit formed by the magnet and the magnetic member and detects a magnetic flux density flowing through the magnetic circuit.
- Quantitative evaluation of defects using the magnetic flux resistance method is performed quickly and appropriately by measuring the output of the magnetic sensor and applying an evaluation algorithm according to the determination result of the defect surface determination process to the output signal of the magnetic sensor Can do.
- the method includes an eddy current flaw detection process for performing an eddy current flaw inspection of the magnetic member, and in the defect surface determination step, whether the defect exists on the front or back surface of the magnetic member based on a result of the eddy current flaw inspection. You may make it determine.
- the quantitative evaluation of the defect is quickly and appropriately performed using the magnetic flux resistance method. Can be done.
- the inspection probe is disposed at a central portion of the Halbach array of the plurality of magnets and a plurality of magnets disposed so as to form a Halbach array along a surface facing the magnetic member.
- An eddy current flaw detection sensor for performing the eddy current flaw inspection disposed on a surface of the magnet facing the magnetic member, wherein the magnetic sensor is an end of the Halbach array of the plurality of magnets. It may be arranged on a magnetic circuit formed by the magnet and the magnetic body member, and detect the magnetic flux density flowing through the magnetic circuit.
- the magnetic member may be a magnetic tube, and in the measurement step, the inspection probe may be moved along the axial direction of the magnetic tube within the magnetic tube.
- the quantitative evaluation of the defect in the magnetic tube can be performed quickly and appropriately.
- the magnetic sensor outputs a voltage value corresponding to the magnetic flux density
- the evaluation step calculates a cross-sectional defect rate that is a ratio of a cross-sectional area that is deficient with respect to a cross-sectional area in a cross-section perpendicular to the axial direction of the magnetic tube.
- the cross-sectional defect rate of the defect in the magnetic tube can be calculated quickly and appropriately.
- the evaluation step includes a defect range calculation step of calculating a defect range indicating a defect range along a circumferential direction in a cross section perpendicular to the axial direction of the magnetic tube, and the defect range calculation step
- the defect range of the defect in the magnetic tube may be calculated based on the maximum value of the voltage value and the total value obtained by dividing the output voltage value of each magnetic sensor by the maximum value.
- the defect range of the defect of the magnetic tube can be calculated quickly and appropriately.
- the evaluation step includes a defect range calculating step for calculating a defect range indicating a defect range along a circumferential direction in a cross section perpendicular to the axial direction of the magnetic tube, and a defect occurring in the magnetic tube.
- a defect depth calculation step for calculating a defect depth, and in the defect range calculation step, among the output voltage values of the respective magnetic sensors when a plurality of types of defects formed in the test magnetic tube are measured , A total value of values obtained by dividing the output voltage value of each magnetic sensor by the maximum value, and a relationship with an actual defect range of each defect formed in the test magnetic tube.
- the radius of the outer diameter of the magnetic tube is r (mm)
- the cross-sectional defect rate calculated in the cross-sectional defect rate calculating step is S (%)
- the defect range calculated in the defect range calculation step is ⁇ (°) and the defect depth is d (mm)
- the defect depth of the defect in the magnetic tube can be calculated quickly and appropriately.
- a defect measuring apparatus is a defect measuring apparatus for a magnetic member, and is arranged on a magnet and a magnetic circuit formed by the magnet and the magnetic member, and the magnetic flux density flowing through the magnetic circuit
- An inspection probe including a magnetic sensor for detecting the magnetic sensor, and a magnetic flux resistance calculation unit capable of quantitatively evaluating defects of the magnetic member based on an output signal of the magnetic sensor, Applying an evaluation algorithm to the output signal, which is selected depending on whether a defect is formed on the surface of the magnetic member facing the inspection probe or on the back surface of the facing surface. It is the structure which can perform the quantitative evaluation of the defect of a magnetic body member.
- said structure using said test
- the said magnetic sensor By applying an evaluation algorithm that is selected according to whether the defect is formed on the front or back surface of the magnetic member to the output signal, the quantitative evaluation of the defect can be performed quickly and appropriately using the magnetic flux resistance method. Can be done.
- the inspection probe is disposed at a central portion of the Halbach array of the plurality of magnets and a plurality of magnets disposed so as to form a Halbach array along a surface facing the magnetic member.
- a defect surface determination unit that can determine whether a defect exists on the front or back surface of the magnetic member based on a result of the eddy current flaw inspection using the eddy current flaw detection sensor. And applying an evaluation algorithm selected according to a determination result of the defect surface determination unit to the output signal, to quantitatively evaluate the defect of the magnetic member. It may be configured to kill.
- the working efficiency can be improved.
- the magnetic member is a magnetic tube
- the magnetic flux resistance calculation unit outputs an output signal of each magnetic sensor when the inspection probe is moved in the magnetic tube along the axial direction of the magnetic tube. It is good also as a structure which can perform the quantitative evaluation of the defect of the said magnetic body pipe
- the quantitative evaluation of defects in the magnetic tube can be performed quickly and appropriately.
- the magnetic sensor outputs a voltage value corresponding to a magnetic flux density
- the magnetic flux resistance calculation unit is a cross-sectional defect that is a ratio of a cross-sectional area missing to a cross-sectional area in a cross-section perpendicular to the axial direction of the magnetic tube.
- the cross-sectional defect rate calculation formula set in advance based on the relationship between the total value of the output voltage values of each and the actual cross-sectional defect rate of each of the defects formed in the test magnetic tube, and the magnetic tube is measured It is good also as a structure which can calculate the cross-sectional defect
- the cross-sectional defect rate of the defect in the magnetic tube can be calculated quickly and appropriately.
- the magnetic flux resistance calculation unit includes a defect range calculation unit capable of calculating a defect range indicating a defect range along a circumferential direction in a cross section perpendicular to the axial direction of the magnetic tube, and the defect range calculation.
- the unit divides the maximum value among the output voltage values of each magnetic sensor when measuring a plurality of types of defects formed in the test magnetic tube, and the output voltage value of each magnetic sensor by the maximum value.
- the total value of the values, the defect range calculation data set in advance based on the relationship between the actual defect ranges of the respective defects formed in the test magnetic tube, and the respective magnets when the magnetic tube is measured The defect range of the magnetic tube may be calculated based on the maximum value of the output voltage value of the sensor and the total value obtained by dividing the output voltage value of each magnetic sensor by the maximum value. .
- the defect range of the defect in the magnetic tube can be calculated quickly and appropriately.
- the magnetic flux resistance calculation unit includes a defect range calculation unit capable of calculating a defect range indicating a defect range along a circumferential direction in a cross section perpendicular to the axial direction of the magnetic tube, and the magnetic tube.
- a defect depth calculation unit that calculates a defect depth of a defect that has occurred, and the defect range calculation unit outputs each of the magnetic sensors when measuring a plurality of types of defects formed in the test magnetic tube. Based on the relationship among the maximum value of the voltage values, the total value obtained by dividing the output voltage value of each magnetic sensor by the maximum value, and the actual defect range of each defect formed in the magnetic test tube.
- the defect depth may be calculated.
- the defect depth of the defect in the magnetic tube can be calculated quickly and appropriately.
- An inspection probe is an inspection probe for inspecting a defect of a magnetic member, and includes a plurality of Halbach arrays arranged along a surface facing the magnetic member.
- a magnet a sensor for eddy current flaws disposed at a central portion of the Halbach array of the plurality of magnets, a magnet disposed at an end of the Halbach array of the plurality of magnets, and the magnetic member.
- the magnetic sensor is arranged on a magnetic circuit to be formed, and includes a magnetic sensor that detects a magnetic flux density flowing through the magnetic circuit.
- the defect can be quantitatively evaluated by the magnetic flux resistance method.
- the measurement data acquisition by the eddy current flaw detection sensor and the measurement data acquisition by the magnetic sensor can be performed in parallel, the working efficiency can be improved.
- a cylindrical yoke made of a magnetic material is provided, and the magnets are arranged side by side in a Halbach array along the axial direction of the yoke, and each of the magnets is cylindrical along the outer peripheral surface of the yoke
- the magnetic sensors may be arranged in a plurality along the circumferential direction of the yoke.
- the quantitative evaluation of defects in the magnetic tube can be performed quickly and appropriately.
- the present invention can be applied to a defect measuring method and a defect measuring apparatus for measuring a defect of a member made of a magnetic material, and an inspection probe used for measuring the defect.
Landscapes
- Chemical & Material Sciences (AREA)
- Chemical Kinetics & Catalysis (AREA)
- Electrochemistry (AREA)
- Physics & Mathematics (AREA)
- Health & Medical Sciences (AREA)
- Life Sciences & Earth Sciences (AREA)
- Analytical Chemistry (AREA)
- Biochemistry (AREA)
- General Health & Medical Sciences (AREA)
- General Physics & Mathematics (AREA)
- Immunology (AREA)
- Pathology (AREA)
- Investigating Or Analyzing Materials By The Use Of Magnetic Means (AREA)
Priority Applications (6)
| Application Number | Priority Date | Filing Date | Title |
|---|---|---|---|
| EP16824195.8A EP3336533B1 (en) | 2015-07-16 | 2016-06-15 | Defect measurement method and defect measurement device |
| SG11201800262YA SG11201800262YA (en) | 2015-07-16 | 2016-06-15 | Defect measurement method, defect measurement device, and testing probe |
| KR1020187003583A KR102501069B1 (ko) | 2015-07-16 | 2016-06-15 | 결함 측정 방법, 결함 측정 장치 및 검사 프로브 |
| US15/744,700 US10539535B2 (en) | 2015-07-16 | 2016-06-15 | Defect measurement method, defect measurement device, and testing probe |
| CN201680041554.3A CN107850571B (zh) | 2015-07-16 | 2016-06-15 | 缺陷测量方法、缺陷测量装置及检查探针 |
| SA518390730A SA518390730B1 (ar) | 2015-07-16 | 2018-01-11 | طريقة لقياس العيوب، وجهاز لقياسها، ومسبار اختبار |
Applications Claiming Priority (2)
| Application Number | Priority Date | Filing Date | Title |
|---|---|---|---|
| JP2015-142390 | 2015-07-16 | ||
| JP2015142390A JP6579840B2 (ja) | 2015-07-16 | 2015-07-16 | 欠陥測定方法、欠陥測定装置、および検査プローブ |
Publications (1)
| Publication Number | Publication Date |
|---|---|
| WO2017010215A1 true WO2017010215A1 (ja) | 2017-01-19 |
Family
ID=57756918
Family Applications (1)
| Application Number | Title | Priority Date | Filing Date |
|---|---|---|---|
| PCT/JP2016/067808 Ceased WO2017010215A1 (ja) | 2015-07-16 | 2016-06-15 | 欠陥測定方法、欠陥測定装置、および検査プローブ |
Country Status (8)
| Country | Link |
|---|---|
| US (1) | US10539535B2 (enExample) |
| EP (1) | EP3336533B1 (enExample) |
| JP (1) | JP6579840B2 (enExample) |
| KR (1) | KR102501069B1 (enExample) |
| CN (1) | CN107850571B (enExample) |
| SA (1) | SA518390730B1 (enExample) |
| SG (1) | SG11201800262YA (enExample) |
| WO (1) | WO2017010215A1 (enExample) |
Cited By (1)
| Publication number | Priority date | Publication date | Assignee | Title |
|---|---|---|---|---|
| CN113267559A (zh) * | 2021-07-06 | 2021-08-17 | 清华大学 | 漏磁检测装置及漏磁检测方法 |
Families Citing this family (28)
| Publication number | Priority date | Publication date | Assignee | Title |
|---|---|---|---|---|
| WO2017197505A1 (en) * | 2016-05-20 | 2017-11-23 | Desjardins Integrity Ltd. | System and method for detecting and characterizing defects in a pipe |
| US10914709B2 (en) * | 2017-07-24 | 2021-02-09 | Pii Pipetronix Gmbh | Internal/external discrimination of metal loss defects |
| CN109491306B (zh) * | 2017-09-11 | 2024-01-23 | 清华大学 | 动态磁检测探头及电磁控阵方法 |
| WO2019054158A1 (ja) * | 2017-09-13 | 2019-03-21 | コニカミノルタ株式会社 | 非破壊検査装置、非破壊検査システム及び非破壊検査方法 |
| JP6782931B2 (ja) * | 2017-09-27 | 2020-11-11 | 日立造船株式会社 | 渦電流探傷装置 |
| JP6782930B2 (ja) * | 2017-09-27 | 2020-11-11 | 日立造船株式会社 | 渦電流探傷装置 |
| JP6978913B2 (ja) | 2017-12-01 | 2021-12-08 | 住友化学株式会社 | 欠陥測定装置、欠陥測定方法および検査プローブ |
| CN109975398B (zh) * | 2017-12-27 | 2022-10-21 | 核动力运行研究所 | 一种传热管涡流检测探头磁通量线圈布线检测方法 |
| CN108469514A (zh) * | 2018-06-07 | 2018-08-31 | 青岛理工大学 | 一种混凝土内钢筋锈蚀行为的监测设备及其方法 |
| US11002638B2 (en) | 2019-03-22 | 2021-05-11 | Raytheon Technologies Corporation | Multi-zone automatic magnetoscop inspection system |
| JP6988854B2 (ja) * | 2019-03-28 | 2022-01-05 | 横河電機株式会社 | センサ装置、演算装置、パイプライン監視システム、演算方法およびプログラム |
| EP3961203B1 (en) * | 2019-04-24 | 2022-11-30 | JFE Steel Corporation | Leakage magnetic flux flaw inspection device |
| CN110006338B (zh) * | 2019-04-28 | 2020-11-06 | 哈尔滨工业大学(深圳) | 一种钢丝绳损伤面积检测方法 |
| CN110487889A (zh) * | 2019-08-30 | 2019-11-22 | 中国计量大学 | 监测电梯曳引钢带状态的电磁传感器及监测方法 |
| CN111024810B (zh) * | 2019-11-08 | 2022-10-14 | 上海应用技术大学 | 一种能够同时检测不锈钢短管内外壁缺陷的涡流检测装置 |
| DE102020108963A1 (de) * | 2020-03-31 | 2021-09-30 | Rosen Swiss Ag | Inspektionsvorrichtung zur Inspektion von sich flächig erstreckenden metallischen Gegenständen |
| KR102791047B1 (ko) * | 2020-04-14 | 2025-04-07 | 한화에어로스페이스 주식회사 | 검사 장치 |
| CN111443127A (zh) * | 2020-05-29 | 2020-07-24 | 沈阳仪表科学研究院有限公司 | 一种基于弱磁原理的无损检测传感器及其测量方法 |
| KR102837188B1 (ko) * | 2020-07-31 | 2025-07-21 | 제이에프이 스틸 가부시키가이샤 | 검사 장치, 검사 시스템 및 검사 방법, 그리고 부재의 보수 방법 |
| WO2022196425A1 (ja) | 2021-03-16 | 2022-09-22 | 住友化学株式会社 | 情報処理方法、プログラム、情報処理装置及びモデル生成方法 |
| CN113777155B (zh) * | 2021-09-09 | 2024-05-03 | 国家石油天然气管网集团有限公司华南分公司 | 一种基于Halbach阵列式线圈的涡流探头 |
| CN113777154B (zh) * | 2021-09-09 | 2024-06-07 | 国家石油天然气管网集团有限公司华南分公司 | 一种增强涡流传感器线圈灵敏度的方法 |
| CN115902290A (zh) * | 2021-09-30 | 2023-04-04 | 中国石油化工股份有限公司 | 一种用于管道内仪器的测速装置及测速方法 |
| CN114354740B (zh) * | 2022-03-09 | 2022-05-31 | 成都熊谷油气科技有限公司 | 一种管道检测系统 |
| CN114551027A (zh) * | 2022-03-31 | 2022-05-27 | 华中科技大学 | 一种海尔贝克式磁化器及桥梁缆索缺陷检测装置 |
| KR102471231B1 (ko) * | 2022-06-27 | 2022-11-25 | 재단법인차세대융합기술연구원 | 할바흐 배열을 갖는 복수의 솔레노이드 모듈을 이용하는 외부 자화 시스템 및 이를 위한 동작 방법 |
| US20240118241A1 (en) * | 2022-10-03 | 2024-04-11 | King Abdullah University Of Science And Technology | Remote field eddy current based system and method for corrosion inspection |
| BE1032467B1 (de) * | 2024-03-14 | 2025-10-13 | Rosen Ip Ag | Verfahren zur Bestimmung von Hard Spots in metallischen Prüfobjekten sowie Inspektionsgerät und Inspektionsgeräteanordnung hierfür |
Citations (5)
| Publication number | Priority date | Publication date | Assignee | Title |
|---|---|---|---|---|
| JPS5094987A (enExample) * | 1973-12-22 | 1975-07-29 | ||
| JPS63133054A (ja) * | 1986-10-31 | 1988-06-04 | エレクトリック パワー リサーチ インスチテュート インコーポレーテッド | 非破壊検査に使用するための磁束漏れプローブ |
| JPH05164745A (ja) * | 1991-12-13 | 1993-06-29 | Nkk Corp | 鋼体の探傷方法及びその装置 |
| JP2010127854A (ja) * | 2008-11-28 | 2010-06-10 | Non-Destructive Inspection Co Ltd | 管状体の欠陥評価方法及び管状体の欠陥評価装置 |
| JP2010237186A (ja) * | 2009-03-11 | 2010-10-21 | Sumitomo Chemical Co Ltd | 渦流探傷用プローブ |
Family Cites Families (37)
| Publication number | Priority date | Publication date | Assignee | Title |
|---|---|---|---|---|
| US3940689A (en) * | 1974-05-14 | 1976-02-24 | Schlumberger Technology Corporation | Combined eddy current and leakage field detector for well bore piping using a unique magnetizer core structure |
| US4659991A (en) * | 1983-03-31 | 1987-04-21 | Ndt Technologies, Inc. | Method and apparatus for magnetically inspecting elongated objects for structural defects |
| DE3515977A1 (de) | 1985-05-03 | 1986-11-06 | Nukem Gmbh, 6450 Hanau | Verfahren und vorrichtung zur zerstoerungsfreien pruefung ferromagnetischer koerper |
| JPS6340850A (ja) | 1986-08-07 | 1988-02-22 | Nippon Kokan Kk <Nkk> | 渦流探査装置 |
| JPH02210256A (ja) | 1989-02-10 | 1990-08-21 | Kawatetsu Techno Res Corp | 管の渦流探傷検査法およびその装置 |
| JPH0353155A (ja) | 1989-07-20 | 1991-03-07 | Nippon Hihakai Keisoku Kenkyusho:Kk | 鋼材の内部欠陥又は損傷検出装置 |
| JPH08136508A (ja) | 1994-11-10 | 1996-05-31 | Nippon Steel Corp | 漏洩磁束探傷における感度較正方法 |
| JPH09188496A (ja) | 1995-11-09 | 1997-07-22 | Sumitomo Constr Mach Co Ltd | ワイヤロープ損傷検出装置 |
| US6150809A (en) | 1996-09-20 | 2000-11-21 | Tpl, Inc. | Giant magnetorestive sensors and sensor arrays for detection and imaging of anomalies in conductive materials |
| JP2002005893A (ja) | 2000-06-20 | 2002-01-09 | Tokyo Gas Co Ltd | 管内検査装置における欠陥判別方法及びセンサの校正方法 |
| US6888346B2 (en) * | 2000-11-28 | 2005-05-03 | The United States Of America As Represented By The Administrator Of The National Aeronautics And Space Administration | Magnetoresistive flux focusing eddy current flaw detection |
| GB0112983D0 (en) * | 2001-05-30 | 2001-07-18 | Advanced Eng Solutions Ltd | Pipe condition detecting apparatus |
| JP3709930B2 (ja) | 2002-02-15 | 2005-10-26 | Jfeスチール株式会社 | 表層又は表面欠陥の検出方法、表層又は表面欠陥の検出装置、及び冷延又は鍍金用鋼帯製造用鋼帯の製造方法 |
| GB0216981D0 (en) | 2002-07-22 | 2002-08-28 | Borealis Tech Oy | Testing steel members |
| JP2004212161A (ja) | 2002-12-27 | 2004-07-29 | Osaka Gas Co Ltd | 配管検査方法 |
| JP2004279372A (ja) | 2003-03-19 | 2004-10-07 | Yazaki Corp | 破断検出方法 |
| US7795864B2 (en) * | 2005-03-11 | 2010-09-14 | Baker Hughes Incorporated | Apparatus and method of using multi-component measurements for casing evaluation |
| PL2100072T3 (pl) * | 2006-12-21 | 2019-07-31 | Athena Industrial Technologies Inc. | Przyrząd i sposób kontroli liniowej struktury |
| JP5031528B2 (ja) | 2007-11-19 | 2012-09-19 | 株式会社日立製作所 | ワイヤーロープの探傷装置 |
| JP2009287931A (ja) | 2008-05-27 | 2009-12-10 | Mitsubishi Electric Corp | サビ検出装置および方法 |
| US8578860B2 (en) * | 2008-09-18 | 2013-11-12 | Lawrence Livermore National Security, Llc | Inductrack III configuration—a maglev system for high loads |
| US8368395B2 (en) * | 2008-12-17 | 2013-02-05 | Ndt Technologies, Inc. | Magnetic inspection device and method for detecting loss in metallic cross section |
| JP5169983B2 (ja) | 2009-05-08 | 2013-03-27 | 住友化学株式会社 | 磁性体管の欠陥検査方法。 |
| CN102348972B (zh) * | 2009-03-11 | 2014-11-05 | 住友化学株式会社 | 涡电流缺陷检测探头 |
| RU2440493C1 (ru) | 2010-06-22 | 2012-01-20 | Открытое акционерное общество Научно-производственное предприятие "Научно-исследовательский и проектно-конструкторский институт геофизических исследований геологоразведочных скважин (ОАО НПП "ВНИИГИС") | Профилемер-дефектоскоп для исследования технического состояния обсадных колонн и насосно-компрессорных труб нефтегазовых скважин |
| JP5437979B2 (ja) | 2010-11-12 | 2014-03-12 | 三菱電機株式会社 | ワイヤロープ探傷装置 |
| WO2012142306A2 (en) * | 2011-04-12 | 2012-10-18 | Sarai Mohammad | Magnetic configurations |
| JP2013160739A (ja) | 2012-02-09 | 2013-08-19 | Hitachi Ltd | 磁性体の探傷方法及び探傷装置 |
| CN102798660B (zh) * | 2012-08-30 | 2015-11-11 | 东北大学 | 基于三轴漏磁与电涡流的管道内外壁缺陷检测装置及方法 |
| DE102012017871A1 (de) * | 2012-09-06 | 2014-03-06 | Institut Dr. Foerster Gmbh & Co. Kg | Differentieller Sensor und Verfahren zur Detektion von Anomalien in elektrisch leitfähigen Materialien |
| JP6200638B2 (ja) * | 2012-09-06 | 2017-09-20 | 住友化学株式会社 | 渦流探傷用プローブおよび渦流探傷検査装置 |
| CN103149272A (zh) | 2013-02-28 | 2013-06-12 | 厦门大学 | 一种半饱和时分多频漏磁检测方法 |
| CN103175891A (zh) * | 2013-02-28 | 2013-06-26 | 厦门大学 | 一种永磁与脉冲涡流复合的漏磁检测方法 |
| US20150239708A1 (en) * | 2014-02-25 | 2015-08-27 | Thyssenkrupp Elevator Ag | System and Method for Monitoring a Load Bearing Member |
| US10175200B2 (en) * | 2014-05-30 | 2019-01-08 | Prime Photonics, Lc | Methods and systems for detecting nonuniformities in a material, component, or structure |
| US9678041B2 (en) * | 2014-07-24 | 2017-06-13 | City of Tallahassee | Non-destructive real-time magnetic flux leakage imaging system and method |
| US9287029B1 (en) | 2014-09-26 | 2016-03-15 | Audeze Llc. | Magnet arrays |
-
2015
- 2015-07-16 JP JP2015142390A patent/JP6579840B2/ja active Active
-
2016
- 2016-06-15 CN CN201680041554.3A patent/CN107850571B/zh active Active
- 2016-06-15 EP EP16824195.8A patent/EP3336533B1/en active Active
- 2016-06-15 US US15/744,700 patent/US10539535B2/en active Active
- 2016-06-15 KR KR1020187003583A patent/KR102501069B1/ko active Active
- 2016-06-15 SG SG11201800262YA patent/SG11201800262YA/en unknown
- 2016-06-15 WO PCT/JP2016/067808 patent/WO2017010215A1/ja not_active Ceased
-
2018
- 2018-01-11 SA SA518390730A patent/SA518390730B1/ar unknown
Patent Citations (5)
| Publication number | Priority date | Publication date | Assignee | Title |
|---|---|---|---|---|
| JPS5094987A (enExample) * | 1973-12-22 | 1975-07-29 | ||
| JPS63133054A (ja) * | 1986-10-31 | 1988-06-04 | エレクトリック パワー リサーチ インスチテュート インコーポレーテッド | 非破壊検査に使用するための磁束漏れプローブ |
| JPH05164745A (ja) * | 1991-12-13 | 1993-06-29 | Nkk Corp | 鋼体の探傷方法及びその装置 |
| JP2010127854A (ja) * | 2008-11-28 | 2010-06-10 | Non-Destructive Inspection Co Ltd | 管状体の欠陥評価方法及び管状体の欠陥評価装置 |
| JP2010237186A (ja) * | 2009-03-11 | 2010-10-21 | Sumitomo Chemical Co Ltd | 渦流探傷用プローブ |
Non-Patent Citations (1)
| Title |
|---|
| See also references of EP3336533A4 * |
Cited By (1)
| Publication number | Priority date | Publication date | Assignee | Title |
|---|---|---|---|---|
| CN113267559A (zh) * | 2021-07-06 | 2021-08-17 | 清华大学 | 漏磁检测装置及漏磁检测方法 |
Also Published As
| Publication number | Publication date |
|---|---|
| KR102501069B1 (ko) | 2023-02-20 |
| JP6579840B2 (ja) | 2019-09-25 |
| CN107850571B (zh) | 2021-03-30 |
| US20180217097A1 (en) | 2018-08-02 |
| JP2017026354A (ja) | 2017-02-02 |
| SG11201800262YA (en) | 2018-02-27 |
| KR20180030991A (ko) | 2018-03-27 |
| SA518390730B1 (ar) | 2021-12-06 |
| EP3336533B1 (en) | 2020-04-15 |
| US10539535B2 (en) | 2020-01-21 |
| EP3336533A1 (en) | 2018-06-20 |
| EP3336533A4 (en) | 2019-03-27 |
| CN107850571A (zh) | 2018-03-27 |
Similar Documents
| Publication | Publication Date | Title |
|---|---|---|
| JP6579840B2 (ja) | 欠陥測定方法、欠陥測定装置、および検査プローブ | |
| US9146214B2 (en) | Leakage magnetic flux flaw inspection method and device | |
| KR102501065B1 (ko) | 결함 측정 방법, 결함 측정 장치 및 검사 프로브 | |
| US20120253696A1 (en) | Methods and apparatus for the inspection of plates and pipe walls | |
| JP2017026354A5 (enExample) | ||
| CN102759567A (zh) | 直流磁化下钢管内外壁缺陷的涡流检测识别及评价方法 | |
| CN106814131B (zh) | 一种铁磁平面构件浅层损伤磁发射检测方法及磁发射检测系统 | |
| CN205538817U (zh) | 磁巴克豪森噪声信号和磁性参数的检测装置 | |
| JPH0335624B2 (enExample) | ||
| CN107576720B (zh) | 铁磁细长构件浅层损伤磁发射检测方法及磁发射检测系统 | |
| CN101202148A (zh) | 一种钢管局部斜向磁化装置 | |
| JP2016197085A (ja) | 磁気探傷方法 | |
| CN205374376U (zh) | 焊缝裂纹涡流检测传感器探头 | |
| Pu | A new system for defects inspection of boiler water wall tubes using a combination of EMAT and MFL | |
| JPH05172786A (ja) | 漏洩磁束検出装置 | |
| KR101250559B1 (ko) | 누설자속 측정에 의한 압력용기의 비파괴 탐상장치 | |
| Tian et al. | Eddy-current model and detection in a thick stainless steel plate | |
| US20220003713A1 (en) | Defect measurement method, defect measurement device, and testing probe | |
| JP6146828B1 (ja) | 漏洩磁束法における評価方法 | |
| CN120254037A (zh) | 一种基于t形磁化场的漏磁检测传感器 | |
| JP2008145137A (ja) | 渦電流探傷プローブ,探傷装置及び探傷方法 |
Legal Events
| Date | Code | Title | Description |
|---|---|---|---|
| 121 | Ep: the epo has been informed by wipo that ep was designated in this application |
Ref document number: 16824195 Country of ref document: EP Kind code of ref document: A1 |
|
| WWE | Wipo information: entry into national phase |
Ref document number: 11201800262Y Country of ref document: SG |
|
| WWE | Wipo information: entry into national phase |
Ref document number: 15744700 Country of ref document: US |
|
| NENP | Non-entry into the national phase |
Ref country code: DE |
|
| ENP | Entry into the national phase |
Ref document number: 20187003583 Country of ref document: KR Kind code of ref document: A |
|
| WWE | Wipo information: entry into national phase |
Ref document number: 2016824195 Country of ref document: EP |