JP6173375B2 - 回路及び表示装置 - Google Patents
回路及び表示装置 Download PDFInfo
- Publication number
- JP6173375B2 JP6173375B2 JP2015040200A JP2015040200A JP6173375B2 JP 6173375 B2 JP6173375 B2 JP 6173375B2 JP 2015040200 A JP2015040200 A JP 2015040200A JP 2015040200 A JP2015040200 A JP 2015040200A JP 6173375 B2 JP6173375 B2 JP 6173375B2
- Authority
- JP
- Japan
- Prior art keywords
- transistor
- layer
- voltage
- circuit
- oxide semiconductor
- Prior art date
- Legal status (The legal status is an assumption and is not a legal conclusion. Google has not performed a legal analysis and makes no representation as to the accuracy of the status listed.)
- Expired - Fee Related
Links
- 239000004065 semiconductor Substances 0.000 claims description 324
- 238000006243 chemical reaction Methods 0.000 claims description 196
- 239000004973 liquid crystal related substance Substances 0.000 claims description 41
- 230000015572 biosynthetic process Effects 0.000 claims description 36
- 229910021421 monocrystalline silicon Inorganic materials 0.000 claims description 6
- 239000010410 layer Substances 0.000 description 803
- 239000000758 substrate Substances 0.000 description 106
- 238000010438 heat treatment Methods 0.000 description 74
- 229910044991 metal oxide Inorganic materials 0.000 description 64
- 150000004706 metal oxides Chemical group 0.000 description 64
- 239000012535 impurity Substances 0.000 description 56
- 239000000463 material Substances 0.000 description 52
- 238000000034 method Methods 0.000 description 51
- 239000007789 gas Substances 0.000 description 45
- 238000004544 sputter deposition Methods 0.000 description 37
- 239000001257 hydrogen Substances 0.000 description 36
- 229910052739 hydrogen Inorganic materials 0.000 description 36
- XKRFYHLGVUSROY-UHFFFAOYSA-N Argon Chemical compound [Ar] XKRFYHLGVUSROY-UHFFFAOYSA-N 0.000 description 30
- 229910052581 Si3N4 Inorganic materials 0.000 description 29
- VYPSYNLAJGMNEJ-UHFFFAOYSA-N silicon dioxide Inorganic materials O=[Si]=O VYPSYNLAJGMNEJ-UHFFFAOYSA-N 0.000 description 29
- HQVNEWCFYHHQES-UHFFFAOYSA-N silicon nitride Chemical compound N12[Si]34N5[Si]62N3[Si]51N64 HQVNEWCFYHHQES-UHFFFAOYSA-N 0.000 description 29
- 239000013078 crystal Substances 0.000 description 27
- 229910052814 silicon oxide Inorganic materials 0.000 description 27
- 229910007541 Zn O Inorganic materials 0.000 description 26
- 230000001681 protective effect Effects 0.000 description 26
- 229910052760 oxygen Inorganic materials 0.000 description 25
- QVGXLLKOCUKJST-UHFFFAOYSA-N atomic oxygen Chemical compound [O] QVGXLLKOCUKJST-UHFFFAOYSA-N 0.000 description 24
- 239000001301 oxygen Substances 0.000 description 24
- 229910052782 aluminium Inorganic materials 0.000 description 23
- 238000004519 manufacturing process Methods 0.000 description 23
- IJGRMHOSHXDMSA-UHFFFAOYSA-N Atomic nitrogen Chemical compound N#N IJGRMHOSHXDMSA-UHFFFAOYSA-N 0.000 description 22
- XLOMVQKBTHCTTD-UHFFFAOYSA-N Zinc monoxide Chemical compound [Zn]=O XLOMVQKBTHCTTD-UHFFFAOYSA-N 0.000 description 22
- 239000012298 atmosphere Substances 0.000 description 22
- 229910052710 silicon Inorganic materials 0.000 description 22
- XUIMIQQOPSSXEZ-UHFFFAOYSA-N Silicon Chemical compound [Si] XUIMIQQOPSSXEZ-UHFFFAOYSA-N 0.000 description 21
- 239000010703 silicon Substances 0.000 description 21
- UFHFLCQGNIYNRP-UHFFFAOYSA-N Hydrogen Chemical compound [H][H] UFHFLCQGNIYNRP-UHFFFAOYSA-N 0.000 description 20
- XAGFODPZIPBFFR-UHFFFAOYSA-N aluminium Chemical compound [Al] XAGFODPZIPBFFR-UHFFFAOYSA-N 0.000 description 19
- 239000003990 capacitor Substances 0.000 description 19
- 238000010586 diagram Methods 0.000 description 18
- 238000005530 etching Methods 0.000 description 17
- 238000003860 storage Methods 0.000 description 17
- RTAQQCXQSZGOHL-UHFFFAOYSA-N Titanium Chemical compound [Ti] RTAQQCXQSZGOHL-UHFFFAOYSA-N 0.000 description 16
- 239000000956 alloy Substances 0.000 description 16
- 150000002431 hydrogen Chemical class 0.000 description 16
- 229910052719 titanium Inorganic materials 0.000 description 16
- 239000010936 titanium Substances 0.000 description 16
- XLYOFNOQVPJJNP-UHFFFAOYSA-N water Substances O XLYOFNOQVPJJNP-UHFFFAOYSA-N 0.000 description 16
- 229910001868 water Inorganic materials 0.000 description 16
- 229910052786 argon Inorganic materials 0.000 description 15
- 239000007769 metal material Substances 0.000 description 14
- 238000005268 plasma chemical vapour deposition Methods 0.000 description 14
- RYGMFSIKBFXOCR-UHFFFAOYSA-N Copper Chemical compound [Cu] RYGMFSIKBFXOCR-UHFFFAOYSA-N 0.000 description 12
- MYMOFIZGZYHOMD-UHFFFAOYSA-N Dioxygen Chemical compound O=O MYMOFIZGZYHOMD-UHFFFAOYSA-N 0.000 description 12
- 229910052802 copper Inorganic materials 0.000 description 12
- 239000010949 copper Substances 0.000 description 12
- 229910001882 dioxygen Inorganic materials 0.000 description 12
- 229910052757 nitrogen Inorganic materials 0.000 description 12
- ZOKXTWBITQBERF-UHFFFAOYSA-N Molybdenum Chemical compound [Mo] ZOKXTWBITQBERF-UHFFFAOYSA-N 0.000 description 11
- 238000000151 deposition Methods 0.000 description 11
- 230000008021 deposition Effects 0.000 description 11
- 229910052750 molybdenum Inorganic materials 0.000 description 11
- 239000011733 molybdenum Substances 0.000 description 11
- WFKWXMTUELFFGS-UHFFFAOYSA-N tungsten Chemical compound [W] WFKWXMTUELFFGS-UHFFFAOYSA-N 0.000 description 11
- 229910052721 tungsten Inorganic materials 0.000 description 11
- 239000010937 tungsten Substances 0.000 description 11
- 239000011787 zinc oxide Substances 0.000 description 11
- VYZAMTAEIAYCRO-UHFFFAOYSA-N Chromium Chemical compound [Cr] VYZAMTAEIAYCRO-UHFFFAOYSA-N 0.000 description 10
- 229910052804 chromium Inorganic materials 0.000 description 10
- 239000011651 chromium Substances 0.000 description 10
- 239000000203 mixture Substances 0.000 description 10
- 230000008569 process Effects 0.000 description 10
- 229910052715 tantalum Inorganic materials 0.000 description 10
- GUVRBAGPIYLISA-UHFFFAOYSA-N tantalum atom Chemical compound [Ta] GUVRBAGPIYLISA-UHFFFAOYSA-N 0.000 description 10
- 125000002887 hydroxy group Chemical group [H]O* 0.000 description 9
- 238000000206 photolithography Methods 0.000 description 9
- 229910052733 gallium Inorganic materials 0.000 description 8
- 239000011521 glass Substances 0.000 description 8
- 239000011261 inert gas Substances 0.000 description 8
- 229910052751 metal Inorganic materials 0.000 description 8
- 239000000126 substance Substances 0.000 description 8
- 238000009825 accumulation Methods 0.000 description 7
- 229910045601 alloy Inorganic materials 0.000 description 7
- 230000008859 change Effects 0.000 description 7
- 230000006866 deterioration Effects 0.000 description 7
- 125000004435 hydrogen atom Chemical group [H]* 0.000 description 7
- 229910003437 indium oxide Inorganic materials 0.000 description 7
- PJXISJQVUVHSOJ-UHFFFAOYSA-N indium(iii) oxide Chemical compound [O-2].[O-2].[O-2].[In+3].[In+3] PJXISJQVUVHSOJ-UHFFFAOYSA-N 0.000 description 7
- -1 moisture Chemical class 0.000 description 7
- QTBSBXVTEAMEQO-UHFFFAOYSA-N Acetic acid Chemical compound CC(O)=O QTBSBXVTEAMEQO-UHFFFAOYSA-N 0.000 description 6
- HBBGRARXTFLTSG-UHFFFAOYSA-N Lithium ion Chemical compound [Li+] HBBGRARXTFLTSG-UHFFFAOYSA-N 0.000 description 6
- 229910019092 Mg-O Inorganic materials 0.000 description 6
- 229910019395 Mg—O Inorganic materials 0.000 description 6
- 229910006404 SnO 2 Inorganic materials 0.000 description 6
- PMHQVHHXPFUNSP-UHFFFAOYSA-M copper(1+);methylsulfanylmethane;bromide Chemical compound Br[Cu].CSC PMHQVHHXPFUNSP-UHFFFAOYSA-M 0.000 description 6
- 150000004678 hydrides Chemical class 0.000 description 6
- 229910001416 lithium ion Inorganic materials 0.000 description 6
- 239000002184 metal Substances 0.000 description 6
- TWNQGVIAIRXVLR-UHFFFAOYSA-N oxo(oxoalumanyloxy)alumane Chemical compound O=[Al]O[Al]=O TWNQGVIAIRXVLR-UHFFFAOYSA-N 0.000 description 6
- 238000001039 wet etching Methods 0.000 description 6
- 229910052779 Neodymium Inorganic materials 0.000 description 5
- 239000002585 base Substances 0.000 description 5
- 229910052799 carbon Inorganic materials 0.000 description 5
- 238000004891 communication Methods 0.000 description 5
- 150000001875 compounds Chemical class 0.000 description 5
- 229920001940 conductive polymer Polymers 0.000 description 5
- 238000001514 detection method Methods 0.000 description 5
- 229910052734 helium Inorganic materials 0.000 description 5
- 239000001307 helium Substances 0.000 description 5
- SWQJXJOGLNCZEY-UHFFFAOYSA-N helium atom Chemical compound [He] SWQJXJOGLNCZEY-UHFFFAOYSA-N 0.000 description 5
- 238000002347 injection Methods 0.000 description 5
- 239000007924 injection Substances 0.000 description 5
- 230000003287 optical effect Effects 0.000 description 5
- 239000004033 plastic Substances 0.000 description 5
- 229920003023 plastic Polymers 0.000 description 5
- QGZKDVFQNNGYKY-UHFFFAOYSA-N Ammonia Chemical compound N QGZKDVFQNNGYKY-UHFFFAOYSA-N 0.000 description 4
- 229910005191 Ga 2 O 3 Inorganic materials 0.000 description 4
- NBIIXXVUZAFLBC-UHFFFAOYSA-N Phosphoric acid Chemical compound OP(O)(O)=O NBIIXXVUZAFLBC-UHFFFAOYSA-N 0.000 description 4
- 229910021417 amorphous silicon Inorganic materials 0.000 description 4
- 230000015556 catabolic process Effects 0.000 description 4
- 230000007423 decrease Effects 0.000 description 4
- 238000001312 dry etching Methods 0.000 description 4
- 230000005611 electricity Effects 0.000 description 4
- 238000011049 filling Methods 0.000 description 4
- 238000003384 imaging method Methods 0.000 description 4
- 229910052748 manganese Inorganic materials 0.000 description 4
- 229910021424 microcrystalline silicon Inorganic materials 0.000 description 4
- QEFYFXOXNSNQGX-UHFFFAOYSA-N neodymium atom Chemical compound [Nd] QEFYFXOXNSNQGX-UHFFFAOYSA-N 0.000 description 4
- 229910052754 neon Inorganic materials 0.000 description 4
- GKAOGPIIYCISHV-UHFFFAOYSA-N neon atom Chemical compound [Ne] GKAOGPIIYCISHV-UHFFFAOYSA-N 0.000 description 4
- 239000012299 nitrogen atmosphere Substances 0.000 description 4
- 239000011368 organic material Substances 0.000 description 4
- 229910021420 polycrystalline silicon Inorganic materials 0.000 description 4
- 238000012545 processing Methods 0.000 description 4
- 230000005855 radiation Effects 0.000 description 4
- 229910052706 scandium Inorganic materials 0.000 description 4
- SIXSYDAISGFNSX-UHFFFAOYSA-N scandium atom Chemical compound [Sc] SIXSYDAISGFNSX-UHFFFAOYSA-N 0.000 description 4
- 239000000565 sealant Substances 0.000 description 4
- HBMJWWWQQXIZIP-UHFFFAOYSA-N silicon carbide Chemical compound [Si+]#[C-] HBMJWWWQQXIZIP-UHFFFAOYSA-N 0.000 description 4
- 229910010271 silicon carbide Inorganic materials 0.000 description 4
- 230000003068 static effect Effects 0.000 description 4
- 108010083687 Ion Pumps Proteins 0.000 description 3
- 229910020923 Sn-O Inorganic materials 0.000 description 3
- 239000000969 carrier Substances 0.000 description 3
- 239000004020 conductor Substances 0.000 description 3
- 230000007547 defect Effects 0.000 description 3
- 229910052738 indium Inorganic materials 0.000 description 3
- AMGQUBHHOARCQH-UHFFFAOYSA-N indium;oxotin Chemical compound [In].[Sn]=O AMGQUBHHOARCQH-UHFFFAOYSA-N 0.000 description 3
- 150000002500 ions Chemical class 0.000 description 3
- 239000011259 mixed solution Substances 0.000 description 3
- 150000001282 organosilanes Chemical class 0.000 description 3
- 239000002245 particle Substances 0.000 description 3
- 230000002441 reversible effect Effects 0.000 description 3
- 125000006850 spacer group Chemical group 0.000 description 3
- 238000000859 sublimation Methods 0.000 description 3
- 230000008022 sublimation Effects 0.000 description 3
- XOLBLPGZBRYERU-UHFFFAOYSA-N tin dioxide Chemical compound O=[Sn]=O XOLBLPGZBRYERU-UHFFFAOYSA-N 0.000 description 3
- 229910001887 tin oxide Inorganic materials 0.000 description 3
- YVTHLONGBIQYBO-UHFFFAOYSA-N zinc indium(3+) oxygen(2-) Chemical compound [O--].[Zn++].[In+3] YVTHLONGBIQYBO-UHFFFAOYSA-N 0.000 description 3
- WZJUBBHODHNQPW-UHFFFAOYSA-N 2,4,6,8-tetramethyl-1,3,5,7,2$l^{3},4$l^{3},6$l^{3},8$l^{3}-tetraoxatetrasilocane Chemical compound C[Si]1O[Si](C)O[Si](C)O[Si](C)O1 WZJUBBHODHNQPW-UHFFFAOYSA-N 0.000 description 2
- UWCWUCKPEYNDNV-LBPRGKRZSA-N 2,6-dimethyl-n-[[(2s)-pyrrolidin-2-yl]methyl]aniline Chemical compound CC1=CC=CC(C)=C1NC[C@H]1NCCC1 UWCWUCKPEYNDNV-LBPRGKRZSA-N 0.000 description 2
- PAYRUJLWNCNPSJ-UHFFFAOYSA-N Aniline Chemical compound NC1=CC=CC=C1 PAYRUJLWNCNPSJ-UHFFFAOYSA-N 0.000 description 2
- OKTJSMMVPCPJKN-UHFFFAOYSA-N Carbon Chemical compound [C] OKTJSMMVPCPJKN-UHFFFAOYSA-N 0.000 description 2
- 229910002601 GaN Inorganic materials 0.000 description 2
- JMASRVWKEDWRBT-UHFFFAOYSA-N Gallium nitride Chemical compound [Ga]#N JMASRVWKEDWRBT-UHFFFAOYSA-N 0.000 description 2
- DGAQECJNVWCQMB-PUAWFVPOSA-M Ilexoside XXIX Chemical compound C[C@@H]1CC[C@@]2(CC[C@@]3(C(=CC[C@H]4[C@]3(CC[C@@H]5[C@@]4(CC[C@@H](C5(C)C)OS(=O)(=O)[O-])C)C)[C@@H]2[C@]1(C)O)C)C(=O)O[C@H]6[C@@H]([C@H]([C@@H]([C@H](O6)CO)O)O)O.[Na+] DGAQECJNVWCQMB-PUAWFVPOSA-M 0.000 description 2
- PXHVJJICTQNCMI-UHFFFAOYSA-N Nickel Chemical compound [Ni] PXHVJJICTQNCMI-UHFFFAOYSA-N 0.000 description 2
- GRYLNZFGIOXLOG-UHFFFAOYSA-N Nitric acid Chemical compound O[N+]([O-])=O GRYLNZFGIOXLOG-UHFFFAOYSA-N 0.000 description 2
- 239000004642 Polyimide Substances 0.000 description 2
- KAESVJOAVNADME-UHFFFAOYSA-N Pyrrole Chemical compound C=1C=CNC=1 KAESVJOAVNADME-UHFFFAOYSA-N 0.000 description 2
- 229910004298 SiO 2 Inorganic materials 0.000 description 2
- BOTDANWDWHJENH-UHFFFAOYSA-N Tetraethyl orthosilicate Chemical compound CCO[Si](OCC)(OCC)OCC BOTDANWDWHJENH-UHFFFAOYSA-N 0.000 description 2
- YTPLMLYBLZKORZ-UHFFFAOYSA-N Thiophene Chemical compound C=1C=CSC=1 YTPLMLYBLZKORZ-UHFFFAOYSA-N 0.000 description 2
- GWEVSGVZZGPLCZ-UHFFFAOYSA-N Titan oxide Chemical compound O=[Ti]=O GWEVSGVZZGPLCZ-UHFFFAOYSA-N 0.000 description 2
- AZWHFTKIBIQKCA-UHFFFAOYSA-N [Sn+2]=O.[O-2].[In+3] Chemical compound [Sn+2]=O.[O-2].[In+3] AZWHFTKIBIQKCA-UHFFFAOYSA-N 0.000 description 2
- NIXOWILDQLNWCW-UHFFFAOYSA-N acrylic acid group Chemical group C(C=C)(=O)O NIXOWILDQLNWCW-UHFFFAOYSA-N 0.000 description 2
- 230000009471 action Effects 0.000 description 2
- 229910001413 alkali metal ion Inorganic materials 0.000 description 2
- 229910001420 alkaline earth metal ion Inorganic materials 0.000 description 2
- 229910000147 aluminium phosphate Inorganic materials 0.000 description 2
- 229910021529 ammonia Inorganic materials 0.000 description 2
- 239000012300 argon atmosphere Substances 0.000 description 2
- 230000004888 barrier function Effects 0.000 description 2
- UMIVXZPTRXBADB-UHFFFAOYSA-N benzocyclobutene Chemical compound C1=CC=C2CCC2=C1 UMIVXZPTRXBADB-UHFFFAOYSA-N 0.000 description 2
- 150000001721 carbon Chemical group 0.000 description 2
- 239000000919 ceramic Substances 0.000 description 2
- 230000001186 cumulative effect Effects 0.000 description 2
- 230000018044 dehydration Effects 0.000 description 2
- 238000006297 dehydration reaction Methods 0.000 description 2
- 238000006356 dehydrogenation reaction Methods 0.000 description 2
- 238000009826 distribution Methods 0.000 description 2
- 230000001747 exhibiting effect Effects 0.000 description 2
- 230000005669 field effect Effects 0.000 description 2
- 238000013467 fragmentation Methods 0.000 description 2
- 238000006062 fragmentation reaction Methods 0.000 description 2
- 229910000449 hafnium oxide Inorganic materials 0.000 description 2
- WIHZLLGSGQNAGK-UHFFFAOYSA-N hafnium(4+);oxygen(2-) Chemical compound [O-2].[O-2].[Hf+4] WIHZLLGSGQNAGK-UHFFFAOYSA-N 0.000 description 2
- 229910052736 halogen Inorganic materials 0.000 description 2
- 150000002367 halogens Chemical class 0.000 description 2
- FFUAGWLWBBFQJT-UHFFFAOYSA-N hexamethyldisilazane Chemical compound C[Si](C)(C)N[Si](C)(C)C FFUAGWLWBBFQJT-UHFFFAOYSA-N 0.000 description 2
- 150000002483 hydrogen compounds Chemical class 0.000 description 2
- 239000011159 matrix material Substances 0.000 description 2
- QSHDDOUJBYECFT-UHFFFAOYSA-N mercury Chemical compound [Hg] QSHDDOUJBYECFT-UHFFFAOYSA-N 0.000 description 2
- 229910052753 mercury Inorganic materials 0.000 description 2
- 229910001507 metal halide Inorganic materials 0.000 description 2
- 150000005309 metal halides Chemical class 0.000 description 2
- 229910017604 nitric acid Inorganic materials 0.000 description 2
- 150000004767 nitrides Chemical class 0.000 description 2
- QGLKJKCYBOYXKC-UHFFFAOYSA-N nonaoxidotritungsten Chemical compound O=[W]1(=O)O[W](=O)(=O)O[W](=O)(=O)O1 QGLKJKCYBOYXKC-UHFFFAOYSA-N 0.000 description 2
- HMMGMWAXVFQUOA-UHFFFAOYSA-N octamethylcyclotetrasiloxane Chemical compound C[Si]1(C)O[Si](C)(C)O[Si](C)(C)O[Si](C)(C)O1 HMMGMWAXVFQUOA-UHFFFAOYSA-N 0.000 description 2
- 230000003071 parasitic effect Effects 0.000 description 2
- 238000009832 plasma treatment Methods 0.000 description 2
- BASFCYQUMIYNBI-UHFFFAOYSA-N platinum Chemical compound [Pt] BASFCYQUMIYNBI-UHFFFAOYSA-N 0.000 description 2
- 230000010287 polarization Effects 0.000 description 2
- 229920001721 polyimide Polymers 0.000 description 2
- 229920002620 polyvinyl fluoride Polymers 0.000 description 2
- 239000010453 quartz Substances 0.000 description 2
- 238000001552 radio frequency sputter deposition Methods 0.000 description 2
- 230000004044 response Effects 0.000 description 2
- 229910052708 sodium Inorganic materials 0.000 description 2
- 239000011734 sodium Substances 0.000 description 2
- CZDYPVPMEAXLPK-UHFFFAOYSA-N tetramethylsilane Chemical compound C[Si](C)(C)C CZDYPVPMEAXLPK-UHFFFAOYSA-N 0.000 description 2
- OGIDPMRJRNCKJF-UHFFFAOYSA-N titanium oxide Inorganic materials [Ti]=O OGIDPMRJRNCKJF-UHFFFAOYSA-N 0.000 description 2
- 230000007704 transition Effects 0.000 description 2
- 229910001930 tungsten oxide Inorganic materials 0.000 description 2
- 229910052724 xenon Inorganic materials 0.000 description 2
- FHNFHKCVQCLJFQ-UHFFFAOYSA-N xenon atom Chemical compound [Xe] FHNFHKCVQCLJFQ-UHFFFAOYSA-N 0.000 description 2
- 229910052725 zinc Inorganic materials 0.000 description 2
- 239000011701 zinc Substances 0.000 description 2
- OYQCBJZGELKKPM-UHFFFAOYSA-N zinc indium(3+) oxygen(2-) Chemical compound [O-2].[Zn+2].[O-2].[In+3] OYQCBJZGELKKPM-UHFFFAOYSA-N 0.000 description 2
- 239000004925 Acrylic resin Substances 0.000 description 1
- 229920000178 Acrylic resin Polymers 0.000 description 1
- 239000004986 Cholesteric liquid crystals (ChLC) Substances 0.000 description 1
- 102100031699 Choline transporter-like protein 1 Human genes 0.000 description 1
- 239000004985 Discotic Liquid Crystal Substance Substances 0.000 description 1
- 239000004593 Epoxy Substances 0.000 description 1
- 101000940912 Homo sapiens Choline transporter-like protein 1 Proteins 0.000 description 1
- MHAJPDPJQMAIIY-UHFFFAOYSA-N Hydrogen peroxide Chemical compound OO MHAJPDPJQMAIIY-UHFFFAOYSA-N 0.000 description 1
- 206010021143 Hypoxia Diseases 0.000 description 1
- OAICVXFJPJFONN-UHFFFAOYSA-N Phosphorus Chemical compound [P] OAICVXFJPJFONN-UHFFFAOYSA-N 0.000 description 1
- 239000004952 Polyamide Substances 0.000 description 1
- 239000004983 Polymer Dispersed Liquid Crystal Substances 0.000 description 1
- 101710162453 Replication factor A Proteins 0.000 description 1
- 102100035729 Replication protein A 70 kDa DNA-binding subunit Human genes 0.000 description 1
- BQCADISMDOOEFD-UHFFFAOYSA-N Silver Chemical compound [Ag] BQCADISMDOOEFD-UHFFFAOYSA-N 0.000 description 1
- 229910020868 Sn-Ga-Zn Inorganic materials 0.000 description 1
- ATJFFYVFTNAWJD-UHFFFAOYSA-N Tin Chemical compound [Sn] ATJFFYVFTNAWJD-UHFFFAOYSA-N 0.000 description 1
- QCWXUUIWCKQGHC-UHFFFAOYSA-N Zirconium Chemical compound [Zr] QCWXUUIWCKQGHC-UHFFFAOYSA-N 0.000 description 1
- GDFCWFBWQUEQIJ-UHFFFAOYSA-N [B].[P] Chemical compound [B].[P] GDFCWFBWQUEQIJ-UHFFFAOYSA-N 0.000 description 1
- 239000005407 aluminoborosilicate glass Substances 0.000 description 1
- 229910052788 barium Inorganic materials 0.000 description 1
- DSAJWYNOEDNPEQ-UHFFFAOYSA-N barium atom Chemical compound [Ba] DSAJWYNOEDNPEQ-UHFFFAOYSA-N 0.000 description 1
- 239000005380 borophosphosilicate glass Substances 0.000 description 1
- 239000005388 borosilicate glass Substances 0.000 description 1
- 230000003098 cholesteric effect Effects 0.000 description 1
- 238000003776 cleavage reaction Methods 0.000 description 1
- 229910017052 cobalt Inorganic materials 0.000 description 1
- 239000010941 cobalt Substances 0.000 description 1
- GUTLYIVDDKVIGB-UHFFFAOYSA-N cobalt atom Chemical compound [Co] GUTLYIVDDKVIGB-UHFFFAOYSA-N 0.000 description 1
- 229920001577 copolymer Polymers 0.000 description 1
- 238000013461 design Methods 0.000 description 1
- 238000009792 diffusion process Methods 0.000 description 1
- 238000007598 dipping method Methods 0.000 description 1
- 238000007599 discharging Methods 0.000 description 1
- KPUWHANPEXNPJT-UHFFFAOYSA-N disiloxane Chemical class [SiH3]O[SiH3] KPUWHANPEXNPJT-UHFFFAOYSA-N 0.000 description 1
- 230000000694 effects Effects 0.000 description 1
- 230000005684 electric field Effects 0.000 description 1
- 230000008030 elimination Effects 0.000 description 1
- 238000003379 elimination reaction Methods 0.000 description 1
- 230000005284 excitation Effects 0.000 description 1
- 238000000605 extraction Methods 0.000 description 1
- 238000007667 floating Methods 0.000 description 1
- 229910052732 germanium Inorganic materials 0.000 description 1
- GNPVGFCGXDBREM-UHFFFAOYSA-N germanium atom Chemical compound [Ge] GNPVGFCGXDBREM-UHFFFAOYSA-N 0.000 description 1
- 229910052735 hafnium Inorganic materials 0.000 description 1
- VBJZVLUMGGDVMO-UHFFFAOYSA-N hafnium atom Chemical compound [Hf] VBJZVLUMGGDVMO-UHFFFAOYSA-N 0.000 description 1
- 239000002784 hot electron Substances 0.000 description 1
- APFVFJFRJDLVQX-UHFFFAOYSA-N indium atom Chemical compound [In] APFVFJFRJDLVQX-UHFFFAOYSA-N 0.000 description 1
- 229910010272 inorganic material Inorganic materials 0.000 description 1
- 239000011147 inorganic material Substances 0.000 description 1
- 238000003780 insertion Methods 0.000 description 1
- 230000037431 insertion Effects 0.000 description 1
- 238000009413 insulation Methods 0.000 description 1
- 239000012212 insulator Substances 0.000 description 1
- 238000002844 melting Methods 0.000 description 1
- 230000008018 melting Effects 0.000 description 1
- 238000002156 mixing Methods 0.000 description 1
- 229910052759 nickel Inorganic materials 0.000 description 1
- 229910052758 niobium Inorganic materials 0.000 description 1
- 239000010955 niobium Substances 0.000 description 1
- GUCVJGMIXFAOAE-UHFFFAOYSA-N niobium atom Chemical compound [Nb] GUCVJGMIXFAOAE-UHFFFAOYSA-N 0.000 description 1
- 238000007645 offset printing Methods 0.000 description 1
- 230000003647 oxidation Effects 0.000 description 1
- 238000007254 oxidation reaction Methods 0.000 description 1
- 238000006213 oxygenation reaction Methods 0.000 description 1
- 230000035515 penetration Effects 0.000 description 1
- 229910052698 phosphorus Inorganic materials 0.000 description 1
- 239000011574 phosphorus Substances 0.000 description 1
- 229910052697 platinum Inorganic materials 0.000 description 1
- 229920002647 polyamide Polymers 0.000 description 1
- 229920000767 polyaniline Polymers 0.000 description 1
- 229920006267 polyester film Polymers 0.000 description 1
- 229920000128 polypyrrole Polymers 0.000 description 1
- 229920005591 polysilicon Polymers 0.000 description 1
- 229920000123 polythiophene Polymers 0.000 description 1
- 239000011241 protective layer Substances 0.000 description 1
- 238000000746 purification Methods 0.000 description 1
- 230000009467 reduction Effects 0.000 description 1
- 239000003870 refractory metal Substances 0.000 description 1
- 239000011347 resin Substances 0.000 description 1
- 229920005989 resin Polymers 0.000 description 1
- 229910052594 sapphire Inorganic materials 0.000 description 1
- 239000010980 sapphire Substances 0.000 description 1
- 230000007017 scission Effects 0.000 description 1
- 238000007650 screen-printing Methods 0.000 description 1
- 239000003566 sealing material Substances 0.000 description 1
- 239000002210 silicon-based material Substances 0.000 description 1
- 229910052709 silver Inorganic materials 0.000 description 1
- 239000004332 silver Substances 0.000 description 1
- 238000009751 slip forming Methods 0.000 description 1
- 238000001179 sorption measurement Methods 0.000 description 1
- 238000004528 spin coating Methods 0.000 description 1
- 238000005507 spraying Methods 0.000 description 1
- 230000001360 synchronised effect Effects 0.000 description 1
- 229930192474 thiophene Natural products 0.000 description 1
- 238000002834 transmittance Methods 0.000 description 1
- QQQSFSZALRVCSZ-UHFFFAOYSA-N triethoxysilane Chemical compound CCO[SiH](OCC)OCC QQQSFSZALRVCSZ-UHFFFAOYSA-N 0.000 description 1
- 229910052720 vanadium Inorganic materials 0.000 description 1
- GPPXJZIENCGNKB-UHFFFAOYSA-N vanadium Chemical compound [V]#[V] GPPXJZIENCGNKB-UHFFFAOYSA-N 0.000 description 1
- 239000002699 waste material Substances 0.000 description 1
- 229910052726 zirconium Inorganic materials 0.000 description 1
Images
Classifications
-
- H—ELECTRICITY
- H03—ELECTRONIC CIRCUITRY
- H03M—CODING; DECODING; CODE CONVERSION IN GENERAL
- H03M1/00—Analogue/digital conversion; Digital/analogue conversion
- H03M1/12—Analogue/digital converters
- H03M1/34—Analogue value compared with reference values
- H03M1/38—Analogue value compared with reference values sequentially only, e.g. successive approximation type
- H03M1/46—Analogue value compared with reference values sequentially only, e.g. successive approximation type with digital/analogue converter for supplying reference values to converter
-
- G—PHYSICS
- G09—EDUCATION; CRYPTOGRAPHY; DISPLAY; ADVERTISING; SEALS
- G09G—ARRANGEMENTS OR CIRCUITS FOR CONTROL OF INDICATING DEVICES USING STATIC MEANS TO PRESENT VARIABLE INFORMATION
- G09G3/00—Control arrangements or circuits, of interest only in connection with visual indicators other than cathode-ray tubes
- G09G3/20—Control arrangements or circuits, of interest only in connection with visual indicators other than cathode-ray tubes for presentation of an assembly of a number of characters, e.g. a page, by composing the assembly by combination of individual elements arranged in a matrix no fixed position being assigned to or needed to be assigned to the individual characters or partial characters
- G09G3/34—Control arrangements or circuits, of interest only in connection with visual indicators other than cathode-ray tubes for presentation of an assembly of a number of characters, e.g. a page, by composing the assembly by combination of individual elements arranged in a matrix no fixed position being assigned to or needed to be assigned to the individual characters or partial characters by control of light from an independent source
- G09G3/36—Control arrangements or circuits, of interest only in connection with visual indicators other than cathode-ray tubes for presentation of an assembly of a number of characters, e.g. a page, by composing the assembly by combination of individual elements arranged in a matrix no fixed position being assigned to or needed to be assigned to the individual characters or partial characters by control of light from an independent source using liquid crystals
- G09G3/3611—Control of matrices with row and column drivers
- G09G3/3648—Control of matrices with row and column drivers using an active matrix
-
- H—ELECTRICITY
- H03—ELECTRONIC CIRCUITRY
- H03K—PULSE TECHNIQUE
- H03K5/00—Manipulating of pulses not covered by one of the other main groups of this subclass
- H03K5/22—Circuits having more than one input and one output for comparing pulses or pulse trains with each other according to input signal characteristics, e.g. slope, integral
- H03K5/24—Circuits having more than one input and one output for comparing pulses or pulse trains with each other according to input signal characteristics, e.g. slope, integral the characteristic being amplitude
- H03K5/2472—Circuits having more than one input and one output for comparing pulses or pulse trains with each other according to input signal characteristics, e.g. slope, integral the characteristic being amplitude using field effect transistors
-
- H—ELECTRICITY
- H10—SEMICONDUCTOR DEVICES; ELECTRIC SOLID-STATE DEVICES NOT OTHERWISE PROVIDED FOR
- H10D—INORGANIC ELECTRIC SEMICONDUCTOR DEVICES
- H10D86/00—Integrated devices formed in or on insulating or conducting substrates, e.g. formed in silicon-on-insulator [SOI] substrates or on stainless steel or glass substrates
- H10D86/40—Integrated devices formed in or on insulating or conducting substrates, e.g. formed in silicon-on-insulator [SOI] substrates or on stainless steel or glass substrates characterised by multiple TFTs
- H10D86/471—Integrated devices formed in or on insulating or conducting substrates, e.g. formed in silicon-on-insulator [SOI] substrates or on stainless steel or glass substrates characterised by multiple TFTs having different architectures, e.g. having both top-gate and bottom-gate TFTs
-
- H—ELECTRICITY
- H10—SEMICONDUCTOR DEVICES; ELECTRIC SOLID-STATE DEVICES NOT OTHERWISE PROVIDED FOR
- H10D—INORGANIC ELECTRIC SEMICONDUCTOR DEVICES
- H10D86/00—Integrated devices formed in or on insulating or conducting substrates, e.g. formed in silicon-on-insulator [SOI] substrates or on stainless steel or glass substrates
- H10D86/40—Integrated devices formed in or on insulating or conducting substrates, e.g. formed in silicon-on-insulator [SOI] substrates or on stainless steel or glass substrates characterised by multiple TFTs
- H10D86/60—Integrated devices formed in or on insulating or conducting substrates, e.g. formed in silicon-on-insulator [SOI] substrates or on stainless steel or glass substrates characterised by multiple TFTs wherein the TFTs are in active matrices
-
- G—PHYSICS
- G09—EDUCATION; CRYPTOGRAPHY; DISPLAY; ADVERTISING; SEALS
- G09G—ARRANGEMENTS OR CIRCUITS FOR CONTROL OF INDICATING DEVICES USING STATIC MEANS TO PRESENT VARIABLE INFORMATION
- G09G2360/00—Aspects of the architecture of display systems
- G09G2360/14—Detecting light within display terminals, e.g. using a single or a plurality of photosensors
- G09G2360/141—Detecting light within display terminals, e.g. using a single or a plurality of photosensors the light conveying information used for selecting or modulating the light emitting or modulating element
- G09G2360/142—Detecting light within display terminals, e.g. using a single or a plurality of photosensors the light conveying information used for selecting or modulating the light emitting or modulating element the light being detected by light detection means within each pixel
Landscapes
- Engineering & Computer Science (AREA)
- Theoretical Computer Science (AREA)
- Physics & Mathematics (AREA)
- Nonlinear Science (AREA)
- Chemical & Material Sciences (AREA)
- Crystallography & Structural Chemistry (AREA)
- Computer Hardware Design (AREA)
- General Physics & Mathematics (AREA)
- Thin Film Transistor (AREA)
- Analogue/Digital Conversion (AREA)
- Solid State Image Pick-Up Elements (AREA)
Description
う)を搭載した半導体装置が注目されている。例えばタッチセンサとしてフォトセンサを
搭載した表示装置は、タッチパネル又はタッチスクリーン(タッチパネルともいう)など
と呼ばれており、該タッチパネルは、フォトセンサを表示部に有し、表示部が入力部を兼
ねる構成である。上記タッチパネルの一例としては、例えば画像取り込み機能を備えた表
示装置が挙げられる(例えば、特許文献1を参照)。また、フォトセンサを有する半導体
回路としては、例えばCCD方式のイメージセンサやCMOS方式のイメージセンサなど
が挙げられる。CCD方式のイメージセンサやCMOS方式のイメージセンサなどの半導
体回路は、例えばデジタルスチルカメラや携帯電話などの電子機器に用いられる。
物によって反射し、さらに該反射した光を表示装置内の画素部に設けられたフォトセンサ
が検出することで、当該画素部に被検出物が存在することを認識することができる。また
、フォトセンサを搭載した表示装置では、被検出物から発せられる光又は被検出物の反射
光を、フォトセンサで直接検出する、又は光学レンズなどを用いて集光した後に検出する
。
フォトセンサにて光を検出することにより信号を生成し、生成した信号を用いる必要があ
る。フォトセンサにて光を検出することにより生成した信号は、一般にアナログ信号であ
り、撮像画像を構成するためには、アナログ信号をデジタル信号に変換する回路(A/D
変換回路又はA/Dconvともいう)によって、アナログ信号をデジタル信号に変換す
る必要がある。
能な高性能のA/D変換回路が要求される。一方、高性能のA/D変換回路を構成するた
めに、A/D変換回路の回路構成が複雑になると、面積が増大し、半導体回路や表示装置
の製造コストが増大する虞がある。
明の一態様では、A/D変換回路の回路構成を簡略にすることを課題の一つとする。なお
、本発明の一態様では、上記課題の少なくとも一つを解決すればよい。
用いることによりしきい値電圧が逐次的に変化するトランジスタを用いた構成にし、入力
される信号を、トランジスタのしきい値電圧の値に対応するデジタル値のデジタル信号に
変換する構成にすることにより、比較回路の回路構成の簡略化によるA/D変換回路の回
路構成の簡略化又はA/D変換における撮像動作における信号変換の分解能の向上を図る
ものである。
値に対応するデジタル値のデジタル信号である第2の信号に変換するA/D変換回路を有
し、A/D変換回路は、第1の信号が入力され、第1の信号の電圧と、逐次的に値が変化
する電圧であり、且つ変化したそれぞれの値が特定のデジタル値のデータに対応する基準
となる電圧と、を比較し、比較結果に応じた電圧を第3の信号として出力する比較回路と
、第3の信号が入力され、第3の信号に応じて、逐次的に値が変化するデジタル値である
デジタル信号を第4の信号として出力し、且つ第3の信号に応じて、第1の信号の電圧値
に対応するデジタル値のデジタル信号を第2の信号として出力するA/D変換制御回路と
、第4の信号が入力され、第4の信号をアナログ信号に変換し、変換したアナログ信号を
第5の信号として出力するD/A変換回路と、を有し、比較回路は、ソース、ドレイン、
第1のゲート、及び第2のゲートを有し、第1のゲートに第1の信号が入力され、第2の
ゲートに第5の信号が入力され、ソース及びドレインの一方の電圧が第3の信号の電圧と
なるトランジスタを有する半導体回路である。
し、生成した光の照度に応じた値の電圧を第1の信号として出力する光電変換回路と、第
1の信号が入力され、入力された第1の信号を、第1の信号の電圧値に対応するデジタル
値のデジタル信号である第2の信号に変換するA/D変換回路と、を有し、A/D変換回
路は、第1の信号が入力され、第1の信号の電圧と、逐次的に値が変化する電圧であり、
且つ変化したそれぞれの値が特定のデジタル値のデータに対応する基準となる電圧と、を
比較し、比較結果に応じた電圧を第3の信号として出力する比較回路と、第3の信号が入
力され、第3の信号に応じて、逐次的に値が変化するデジタル値であるデジタル信号を第
4の信号として出力し、且つ第3の信号に応じて、第1の信号の電圧値に対応するデジタ
ル値のデジタル信号を第2の信号として出力するA/D変換制御回路と、第4の信号が入
力され、第4の信号をアナログ信号に変換し、変換したアナログ信号を第5の信号として
出力するD/A変換回路と、を有し、比較回路は、抵抗素子と、ソース、ドレイン、第1
のゲート、及び第2のゲートを有し、ソース及びドレインのいずれか一方に抵抗素子を介
して第1の電源電圧が入力され、他方に第2の電源電圧が入力され、第1のゲートに第1
の信号が入力され、第2のゲートに第5の信号が入力され、ソース及びドレインのいずれ
か一方の電圧が第3の信号の電圧となるトランジスタを有する半導体回路である。
路と、光が入射することにより、入射した光の照度に応じた値の電圧を生成し、生成した
電圧を第1の信号として出力する光電変換回路と、を有し、駆動回路は、第1の信号が入
力され、入力された第1の信号を、第1の信号の電圧値に対応するデジタル値のデジタル
信号である第2の信号に変換するA/D変換回路を有し、A/D変換回路は、第1の信号
が入力され、第1の信号の電圧と、逐次的に値が変化する電圧であり、且つ変化したそれ
ぞれの値が特定のデジタル値のデータに対応する基準となる電圧と、を比較し、比較結果
に応じた電圧を第3の信号として出力する比較回路と、第3の信号が入力され、第3の信
号に応じて、逐次的に値が変化するデジタル値であるデジタル信号を第4の信号として出
力し、且つ第3の信号に応じて、第1の信号の電圧値に対応するデジタル値のデジタル信
号を第2の信号として出力するA/D変換制御回路と、第4の信号が入力され、第4の信
号をアナログ信号に変換し、変換したアナログ信号を第5の信号として出力するD/A変
換回路と、を有し、比較回路は、抵抗素子と、ソース、ドレイン、第1のゲート、及び第
2のゲートを有し、ソース及びドレインのいずれか一方に抵抗素子を介して第1の電源電
圧が入力され、他方に第2の電源電圧が入力され、第1のゲートに第1の信号が入力され
、第2のゲートに第5の信号が入力され、ソース及びドレインのいずれか一方の電圧が第
3の信号の電圧となるトランジスタを有する表示装置である。
のではなく、構成要素の混同を避けるために付したものである。
における回路構成を簡略にすることができる。
を構成することにより、該トランジスタの第2のゲートに入力される電圧を自由に設定し
てA/D変換回路の出力信号であるデジタル信号の値を設定することができるため、信号
変換における分解能を向上させることができる。
の形態は多くの異なる態様で実施することが可能であり、趣旨及びその範囲から逸脱する
ことなく、その形態及び詳細を様々に変更し得ることは、当業者であれば容易に理解され
る。従って、以下に示す実施の形態の記載内容に限定して解釈されるものではない。なお
、実施の形態を説明するための全図において、同一部分又は同様な機能を有する部分には
同一の符号を付し、その繰り返しの説明は省略する場合がある。
本実施の形態では、入力された信号をデジタル信号に変換することが可能な半導体回路に
ついて説明する。
、本実施の形態における半導体回路の構成の一例を示すブロック図である。
路112と、を有する。
11を生成し、生成した電圧V11を信号S11として出力する機能を有する。なお、必
ずしも光電変換回路111を設けなくてもよく、A/D変換回路112に入力信号として
所定の波形の電圧が入力される構成であればよい。
。しかし、電圧及び電位の値は、回路図などにおいていずれもボルト(V)で表されるこ
とがあるため、区別が困難である。そこで、本明細書では、特に指定する場合を除き、あ
る一点の電位と基準となる電位(基準電位ともいう)との電位差を、該一点の電圧として
用いる場合がある。
て構成される。光電変換素子は、入射した光の照度に応じた値の電流(光電流ともいう)
を生成し、光電変換回路111は、該光電変換素子により生成された電流に応じた値の電
圧V11を生成する。光電変換素子としては、例えばフォトダイオード又はフォトトラン
ジスタなどを用いることができる。また、本実施の形態の半導体回路では、光電変換回路
111の構成を、光電変換素子により生成される光電流を増幅させる増幅回路を有する構
成にすることもできる。
場合を除き、ソース、ドレイン、及びゲートを少なくとも有する。
をいう。また、ソース電極とソース配線とを区別せずにソース電極及びソース配線の両方
の機能を有する導電層をソースという場合がある。
のことをいう。また、ドレイン電極とドレイン配線とを区別せずにドレイン電極及びドレ
イン配線の両方の機能を有する導電層をドレインという場合がある。
をいう。また、ゲート電極とゲート配線とを区別せずにゲート電極及びゲート配線の両方
の機能を有する導電層をゲートという場合がある。
互いに入れ替わるため、いずれがソース又はドレインであるかを限定することが困難であ
る。そこで、本書類(明細書、特許請求の範囲又は図面など)では、トランジスタのソー
ス及びドレインのいずれか一方を第1端子と表記し、他方を第2端子と表記する場合があ
る。また、ソース又はドレインを第1端子又は第2端子と表記する場合、ゲートを第3端
子と表記する場合もある。
ゲートを有する場合には、それぞれのゲートを第1のゲート、第2のゲート(バックゲー
トともいう)という場合がある。なお、第1のゲート及び第2のゲートを有する場合、第
1のゲートを第3端子と表記し、第2のゲートを第4端子と表記する場合もある。
変換回路112には、信号S11が入力される。A/D変換回路112は、信号S11を
、信号S11の電圧に対応するデジタル値のデジタル信号に変換し、変換したデジタル信
号を信号S12として出力する機能を有する。
は、図1に示すA/D変換回路の回路構成の一例を示す回路図である。
と、A/D変換制御回路(A/DCTLともいう)112bと、D/A変換回路(D/A
convともいう)112cと、を有する。
S11の電圧と基準となる電圧を比較し、比較結果に応じた電圧を信号S21として出力
する機能を有する。基準となる電圧は、逐次的に値が変化する電圧であり、それぞれの値
が特定のデジタル値のデータに対応している。なお、基準となる電圧は、逐次的に値が大
きくなる電圧でもよい。比較回路112aは、第1のゲート及び第2のゲートを有するト
ランジスタを備える。
D変換制御回路112bは、入力された信号S21に応じて、逐次的に変化するデジタル
値のデータ信号を信号S22としてD/A変換回路112cに出力する機能を有し、さら
に入力された信号S21に応じて、信号S11の電圧に対応するデジタル値のデジタル信
号を信号S12として出力する機能を有する。A/D変換制御回路112bは、例えば逐
次変換レジスタなどを用いて構成される。
。D/A変換回路112cは、入力された信号S22をアナログ信号に変換し、変換した
アナログ信号を制御信号CTL11として比較回路112aが備えるトランジスタの第2
のゲートに出力する機能を有する。
るための信号の一つであり、上記基準となる電圧である。
と同一基板上に設けることができる。また、A/D変換制御回路112b及びD/A変換
回路112cを比較回路112aと同一基板に設けてもよいし、外部機器として設けられ
たA/D変換制御回路112b及びD/A変換回路112cが比較回路112aに電気的
に接続された構成としてもよい。
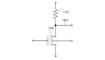
。図3は、図2に示す比較回路の回路構成の一例を示す回路図である。
、本実施の形態の比較回路では、抵抗素子1121の代わりとして、例えばゲートと、ソ
ース若しくはドレインが電気的に接続された(ダイオード接続されたともいう)トランジ
スタ、又はダイオードなどを用いることもできる。
。
タ1122の第1端子には、抵抗素子1121を介して電圧Vaが入力され、トランジス
タ1122の第2端子には、電圧Vbが入力され、トランジスタ1122の第1のゲート
には、信号S11が入力され、トランジスタ1122の第2のゲートには、制御信号CT
L11が入力される。また、図3に示す比較回路は、トランジスタ1122の第1端子と
抵抗素子1121との接続箇所(ノードN11ともいう)の電圧を信号S21として出力
する。
電源電圧Vssとなる電圧である。高電源電圧Vddは、相対的に低電源電圧Vssより
高い値の電圧であり、低電源電圧Vssは、相対的に高電源電圧Vddより低い値の電圧
である。電圧Va及び電圧Vbの値は、例えばトランジスタの極性などにより互いに入れ
替わる場合がある。
る。オフ電流の低いトランジスタを用いることにより、トランジスタ1122のソース及
びドレインのリーク電流によるノードN11の電圧の変動を抑制することができる。オフ
電流の低いトランジスタとしては、例えばチャネル形成層として酸化物半導体層を有する
トランジスタを用いることができる。上記酸化物半導体層を有するトランジスタのチャネ
ル幅1μmあたりのオフ電流は、10aA/μm(1×10−17A/μm)以下、1a
A/μm(1×10−18A/μm)以下、10zA/μm(1×10−20A/μm)
以下、又は1zA(1×10−21A/μm)以下である。
いることにより逐次的に変化するトランジスタを有する構成である。該構成にすることに
より、比較回路の回路構成を簡略にすることができる。
D変換回路112の構成を図2に示すA/D変換回路の構成とし、図2に示す比較回路1
12aの構成を図3に示す比較回路の構成とする。
成され、さらに光電変換回路111は、生成された光電流に応じた値の電圧V11を生成
し、生成した電圧V11を信号S11として出力する。
の第1のゲートに入力される。
う)がトランジスタ1122のしきい値電圧より低いときにトランジスタ1122がオフ
状態(状態OFFともいう)になる。また、トランジスタ1122がP型トランジスタの
場合、信号S11の電圧がトランジスタ1122のしきい値電圧より高いときにトランジ
スタ1122がオフ状態になる。トランジスタ1122がオフ状態であるとき、ノードN
11の電圧は、電圧Vaと同等の値になる。
タ1122のしきい値電圧より大きいときにトランジスタ1122がオン状態(状態ON
ともいう)になる。また、トランジスタ1122がP型トランジスタの場合、信号S11
の電圧がトランジスタ1122のしきい値電圧より低いときにトランジスタ1122がオ
ン状態になる。トランジスタ1122がオン状態であるとき、ノードN11の電圧は、電
圧Vbと同等の値になる。
より設定される。よって、トランジスタ1122のしきい値電圧は、制御信号CTL11
の値により変化する。例えばトランジスタ(例えばトランジスタ1122)がN型トラン
ジスタの場合、制御信号(例えば制御信号CTL11)の電圧値が上昇するに伴い、該ト
ランジスタのしきい値電圧は低下する。なお、制御信号CTL11は、A/D変換制御回
路112b及びD/A変換回路112cを用いて生成される。
路112bに出力する。
変換回路112cに出力する。
をアナログ信号に変換し、変換したアナログ信号を制御信号CTL11としてトランジス
タ1122の第2のゲートに出力する。
じて、信号S11の電圧に対応するデジタル値のデジタル信号を信号S12として出力す
る。例えば信号S11を、トランジスタ1122の状態が変化したとき(例えばトランジ
スタ1122のオン状態とオフ状態が切り替わるとき)の制御信号CTL11の電圧値に
対応するデジタル値のデジタル信号に変換する。
は、図1に示すA/D変換回路の動作の一例を説明するための図であり、信号S11の電
圧状態、制御信号CTL11の状態、トランジスタ1122の状態、及びノードN11の
電圧波形を示す。なお、ここでは一例として、A/D変換回路112の構成を図2に示す
A/D変換回路の構成とし、図2に示す比較回路112aの構成を図3に示す比較回路の
構成とし、トランジスタ1122がオフ状態からオン状態に変わるときの制御信号CTL
11の電圧に対応するデジタル値をデジタル信号変換用のデジタル値として用いるものと
する。
電圧の値は、単位時間毎(期間121、期間122、及び期間123)にデジタル値D1
、デジタル値D2、及びデジタル値D3に対応する値に変化する。
、時刻T11においてオフ状態からオン状態になる。つまり、制御信号CTL11の電圧
の値がデジタル値D3に対応する値であるとき(期間123)に、トランジスタ1122
は、オン状態になる。なお、これに限定されず、制御信号CTL11の電圧の値がデジタ
ル値D1又はデジタル値D2に対応する値のときに、トランジスタ1122がオン状態に
なってもよい。
る。このとき信号S11は、デジタル値D3であるデジタル信号に変換され、変換された
デジタル信号が信号S12となる。以上が図1に示すA/D変換回路の動作の一例である
。
1を用いることによりしきい値電圧の値が逐次的に変化するトランジスタを含む比較回路
を備えたA/D変換回路を具備し、該トランジスタは、第2のゲートによりしきい値電圧
が制御され、第2のゲートに入力される信号の電圧値が逐次的に変化する構成である。該
構成とすることにより、比較回路の回路構成を簡略にすることができ、A/D変換回路の
構成を簡略にすることができる。また、第2のゲートに入力される信号の電圧値を任意に
設定することができるため、信号変換(A/D変換)における分解能を向上させることが
できる。
形成することもできる。これにより、光電変換回路からA/D変換回路に入力される信号
のノイズを低減することでき、また、該光電変換回路は、A/D変換回路と同一工程で作
製することもできるため、製造コストを低減することができる。
本実施の形態では、上記実施の形態の半導体回路に適用可能な光電変換回路の一例につい
て説明する。
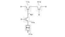
、図1に示す光電変換回路の回路構成の一例を示す回路図である。
ジスタ111cと、トランジスタ111dと、を有する。
を有する。光電変換素子111aは、第1端子及び第2端子を有し、光電変換素子111
aの第1端子は、信号S31が入力される。光電変換素子111aとしては、例えばフォ
トダイオード又はフォトトランジスタなどを用いることができる。フォトダイオードの場
合、アノード又はカソードが光電変換素子111aの第1端子又は第2端子に相当し、フ
ォトトランジスタの場合、ソース又はドレインが光電変換素子111aの第1端子又は第
2端子に相当する。また、信号S31は、光電変換素子111aの導通状態(状態Cとも
いう)又は非導通状態(状態NCともいう)を制御する信号である。なお、フォトダイオ
ードにおいて、導通状態とは、順方向に電圧が印加され、且つ第1端子及び第2端子の間
に電流が流れる状態であり、非導通状態とは、逆方向に電圧が印加される状態である。ま
た、フォトダイオードにおいて、非導通状態に光の入射により第1端子及び第2端子の間
に電流が流れてもよい。また、フォトトランジスタにおいて、導通状態とはオン状態であ
り、非導通状態とはオフ状態である。また、フォトトランジスタにおいて、非導通状態に
光の入射により第1端子及び第2端子の間に電流が流れてもよい。
れ、トランジスタ111bのゲートは、信号S32が入力される。信号S32は、トラン
ジスタ111bのオン状態又はオフ状態を制御する信号である。
る。オフ電流の低いトランジスタを用いることにより、トランジスタ111bのソース及
びドレインのリーク電流によるトランジスタ111bの第2端子の電圧の変動を抑制する
ことができる。オフ電流の低いトランジスタとしては、例えば実施の形態1に示すチャネ
ル形成層として酸化物半導体層を有するトランジスタを用いることができる。なお、本実
施の形態の光電変換回路では、トランジスタ111bを必ずしも設けなくてもよいが、ト
ランジスタ111bを設けることにより、すなわちトランジスタ111cのゲートが浮遊
状態のときに、一定期間の間トランジスタ111cのゲートの電圧の値を維持することが
できる。
トは、トランジスタ111bの第2端子に電気的に接続される。なお、トランジスタ11
1cのゲートとトランジスタ111bの第2端子との接続箇所をノードN21ともいう。
れ、トランジスタ111dのゲートは、信号S33が入力される。信号S33は、トラン
ジスタ111dのオン状態又はオフ状態を制御する信号である。
、トランジスタ111dを設けることにより、光電変換素子111aに入射する光の照度
に応じた電圧を信号S11として図1に示すA/D変換回路112に出力するタイミング
を制御することができる。また、図5に示す構成に限定されず、本実施の形態の光電変換
回路を、トランジスタ111dの第1端子に電圧Vaが入力され、トランジスタ111d
の第2端子がトランジスタ111cの第1端子に電気的に接続された構成にすることもで
きる。該構成のとき、トランジスタ111cの第1端子は、トランジスタ111dを介し
て電圧Vaが入力される。
出力する。
1の電圧を電圧Vaと同等の値にするか否かを制御するトランジスタを設けた構成にする
こともできる。この場合、上記トランジスタの第1端子は、電圧Vaが入力され、該トラ
ンジスタの第2端子は、トランジスタ111cのゲートに電気的に接続される。また、該
トランジスタとしては、オフ電流の低いトランジスタを用いることが好ましい。オフ電流
の低いトランジスタを用いることにより、上記トランジスタのソース及びドレインのリー
ク電流によるノードN21の電圧の変動を抑制することができる。オフ電流の低いトラン
ジスタとしては、例えば実施の形態1に示すチャネル形成層として酸化物半導体層を有す
るトランジスタを用いることができる。
タ111dの第2端子の電圧を所定の値の電圧に設定するか否かを制御するトランジスタ
を有する構成とすることもできる。この場合、上記トランジスタの第1端子には、電圧V
aが入力され、上記トランジスタの第2端子は、トランジスタ111dの第2端子に電気
的に接続され、上記トランジスタのゲートには、制御信号が入力される。
図5に示す光電変換回路の動作の一例を説明するための図であり、光電変換素子111a
、トランジスタ111b、及びトランジスタ111dのそれぞれの状態を示す。
り光電変換素子111aが導通状態になり、信号S32によりトランジスタ111bがオ
ン状態になり、信号S33によりトランジスタ111dがオフ状態になる。
、信号S32によりトランジスタ111bがオン状態になり、信号S33によりトランジ
スタ111dがオフ状態になる。
素子111aの第1端子及び第2端子の間に光電流が流れる。さらに、光電変換素子11
1aの第1端子及び第2端子の間に流れる光電流の量に応じてノードN21の電圧の値が
変化する。さらに、ノードN21の電圧に応じてトランジスタ111cの第1端子及び第
2端子に流れる電流が変化する。
、信号S32によりトランジスタ111bがオフ状態になり、信号S33によりトランジ
スタ111dがオフ状態になる。
時刻T32から時刻T33の間において光電変換素子111aの第1端子及び第2端子の
間に流れた電流量に応じた値である。
、信号S32によりトランジスタ111bがオフ状態になり、信号S33によりトランジ
スタ111dがオン状態になる。
及び第2端子、並びにトランジスタ111dの第1端子及び第2端子を介して電流が流れ
ることにより変化する。つまり、トランジスタ111dの第2端子の電圧の値は、光電変
換素子111aに入射する光の照度に応じて変化する。
り、信号S32によりトランジスタ111bがオフ状態になり、信号S33によりトラン
ジスタ111dがオフ状態になる。
。該一定の値とは、時刻T32から時刻T33の間において光電変換素子111aの第1
端子及び第2端子の間に流れた電流量に応じた値である。つまり、トランジスタ111d
の第2端子の電圧の値は、光電変換素子111aに入射する光の量に応じた値に保持され
る。なお、保持容量を設けてトランジスタ111dの第2端子の電圧の値を保持する構成
にすることもできる。また、図5に示す光電変換回路は、トランジスタ111dの第2端
子の電圧を信号S11として出力する。
光のデータを信号として検出することができる。
数のトランジスタを用いた構成である。該構成とすることにより、上記実施の形態の半導
体回路に入射する光の照度に応じた信号を生成することができる。
にすることができる。用いられる全てのトランジスタを同じ構造にすることにより、製造
工程数を少なくすることができる。また用いられるトランジスタを異なる構造にすること
により、必要とされる機能に応じて適した構造のトランジスタを適宜選択して用いること
ができる。
作製することができる。これにより、光電変換回路からA/D変換回路に入力される信号
のノイズを低減することができ、また、製造コストを低減することもできる。
る。
本実施の形態では、画素部に光検出手段を有する表示装置の一例について説明する。
本実施の形態における表示装置の構成の一例を示すブロック図である。
及び読み出し(読み取りともいう)動作など)を制御する駆動回路を有する領域である。
フォトセンサ制御回路103を有する。
有する。
7に示す表示装置における画素回路の回路構成の一例を示す回路図である。
。
され、第1端子がビデオデータ信号線(ソース信号線ともいう)212に電気的に接続さ
れる。トランジスタ201は、保持容量202及び液晶素子203への電荷の注入又は排
出(保持容量202及び液晶素子203の充電又は放電ともいう)を制御する機能を有す
る。例えば、トランジスタ201がオン状態になると、ビデオデータ信号線212の電圧
が保持容量202と液晶素子203に印加される。例えば、アモルファスシリコンや微結
晶シリコン、多結晶シリコンなどの半導体層を用いたトランジスタでトランジスタ201
を構成することもできるが、例えばチャネル形成層としての機能を有する酸化物半導体層
を用いたオフ電流が極めて低いトランジスタでトランジスタ201を構成することで、表
示品質を高めることができる。
該一対の電極のいずれか一方の電極がトランジスタ201の第2端子に電気的に接続され
、他方の電極に一定の値の電圧が入力される。保持容量202は、液晶素子203に印加
される電圧に相当する電荷を保持する機能を有する。なお、保持容量202を必ずしも設
けなくてもよい。
一対の電極のいずれか一方の電極がトランジスタ201の第2端子に電気的に接続され、
他方の電極に一定の値の電圧が入力される。該一定の値の電圧は、保持容量202の他方
の電極の入力される電圧と同じ電圧であってもよいし、異なる電圧であってもよい。液晶
素子203は、電圧が印加されることで偏光方向が変化する素子であり、該偏光方向の変
化を利用し、液晶素子203を透過する光の量を調整し、明暗(階調)を作ることで、画
像表示が実現できる。液晶素子203を透過する光には、表示装置の裏面から照射される
光源(バックライト)などの光を用いる。
光素子などの他の素子を有していてもよい。発光素子は、電流又は電圧によって輝度が制
御される素子であり、発光素子としては、発光ダイオード、OLED(Organic
Light Emitting Diode)等が挙げられる。
、フォトダイオード204、トランジスタ205、トランジスタ206、及びトランジス
タ207を有する。
リセット信号線210に電気的に接続されている。
いる。例えば、アモルファスシリコン、微結晶シリコン、多結晶シリコン、又は単結晶シ
リコンなどの半導体層を用いたトランジスタでトランジスタ205を形成することができ
るが、トランジスタ205は、フォトダイオード204が生成する電圧を増幅する機能を
有するため、例えば単結晶シリコンなどの半導体層を用いた移動度の高いトランジスタで
トランジスタ205を構成することが望ましい。また、図8に示すトランジスタ205は
、N型であるが、これに限定されず、本実施の形態の表示装置では、トランジスタ205
をP型のトランジスタを用いて構成することもできる。
第2端子がフォトセンサ出力信号線214に電気的に接続され、ゲートがゲート信号線2
11に電気的に接続されている。例えば、アモルファスシリコンや微結晶シリコン、多結
晶シリコン、又は単結晶シリコンなどの半導体層を用いたトランジスタでトランジスタ2
06を構成することができるが、トランジスタ206は、フォトセンサ出力信号線214
へのフォトセンサ106の出力信号の供給を制御する機能を有するため、例えば単結晶シ
リコンなどの半導体層を用いた移動度の高いトランジスタでトランジスタ206を構成す
ることが望ましい。
れ、第2端子がトランジスタ205のゲートに電気的に接続され、ゲートがゲート信号線
209に電気的に接続されている。トランジスタ207は、フォトダイオード204の出
力信号に応じた電荷をトランジスタ205のゲートに電荷容量として累積するか否かを制
御する機能を有する。また、トランジスタ207は、当該電荷容量を保持する機能を有す
るため、移動度が高く、また、オフ電流が極めて低いトランジスタでトランジスタ207
を構成する必要がある。そのため、例えばチャネル形成層として酸化物半導体層を用いた
トランジスタでトランジスタ207を構成することが望ましい。
り、ビデオデータ信号線212を介して表示回路105に信号を入力する表示回路駆動回
路107と、ゲート信号線208を介して表示回路105に信号を入力する表示回路駆動
回路108を有する。例えば、ゲート信号線208の電圧を制御する表示回路駆動回路1
08は、特定の行に配置された画素101が有する表示回路105を選択する機能を有す
る。また、ビデオデータ信号線212の電圧を制御する表示回路駆動回路107は、選択
された特定の行の画素回路101が有する表示回路105に任意の電圧を与える機能を有
する。なお、表示回路駆動回路108により、表示回路105におけるトランジスタ20
1がオン状態になると、ビデオデータ信号線212側の表示回路駆動回路107によりビ
デオデータ信号線212に与えられる電圧が表示回路105における液晶素子203に供
給される。
トセンサ出力信号線214及びフォトセンサ基準信号線213などの信号線の電圧を制御
するフォトセンサ読み出し回路109、並びにゲート信号線209及びゲート信号線21
1などの電圧を制御するフォトセンサ駆動回路110を有する。フォトセンサ駆動回路1
10は、特定の行に配置された画素101が有するフォトセンサ106に対して、リセッ
ト動作と累積動作と選択動作とを行う機能を有する。また、フォトセンサ読み出し回路1
09は、選択された特定の行の画素101が有するフォトセンサ106の出力信号を取り
出す機能を有する。
回路について、図8を用いて説明する。
D変換回路224を有する。
路216は、トランジスタ217及びプリチャージ信号線218から構成される。
が入力され、トランジスタ217の第2端子は、フォトセンサ出力信号線214に電気的
に接続され、トランジスタ217のゲートは、プリチャージ信号線218に電気的に接続
される。なお、プリチャージ回路216では、画素回路101内におけるフォトセンサ1
06の動作に先立ち、フォトセンサ出力信号線214の電圧を基準電圧Vrefに設定す
る。例えば、トランジスタ217をオン状態にすることで、フォトセンサ出力信号線21
4を基準電圧Vrefに設定することができる。なお、基準電圧Vrefの値は、適宜設
定される。また、フォトセンサ出力信号線214の電圧を安定させるために、フォトセン
サ出力信号線214に保持容量を設けることも有効である。
、例えば一列の画素に対して一つ設けられる。A/D変換回路224は、フォトセンサ出
力信号線214を介して信号が入力されるコンパレータ219を有する。
222、及びバックゲート信号線223を有する。コンパレータ219を構成する素子は
、わずかに、トランジスタ1個と抵抗素子1個であるため、コンパレータ219を該構成
にすることにより、A/D変換回路224の回路構成を簡略にすることができ、表示装置
の製造コストを低減することができる。
、及び第2のゲートを有し、トランジスタ220の第1端子は、抵抗素子221に電気的
に接続され、抵抗素子221を介して高電源電圧Vddが入力され、トランジスタ220
の第2端子は、低電源電圧Vssが入力される。また、トランジスタ220の第1のゲー
トは、フォトセンサ出力信号線214に電気的に接続される。つまり、トランジスタ22
0の第1のゲートは、トランジスタ206の第2端子に電気的に接続される。またトラン
ジスタ220の第1端子は、コンパレータ出力信号線222を介してA/D変換制御回路
に電気的に接続される。A/D変換制御回路としては、上記実施の形態の半導体回路にお
けるA/D変換制御回路を適用することができる。また、トランジスタ220は、第2の
ゲートがD/A変換回路に電気的に接続される。D/A変換回路としては、上記実施の形
態の半導体回路におけるD/A変換回路を適用することができる。また、該D/A変換回
路は、A/D変換制御回路に電気的に接続される。また、図8に示すトランジスタ220
は、一例としてN型である。
ックゲート(第2のゲート)の電圧を変更することで、しきい値電圧を変更することが可
能なトランジスタである。このようなトランジスタは、例えばボトムゲート型トランジス
タの場合、絶縁層を介してチャネル形成領域に重なる導電層を形成し、これをボトムゲー
トとすることで容易に実現できる。ここでは、一例としてトランジスタ220をバックゲ
ートの電位を高くすることで、しきい値電圧が低くなり、バックゲートの電位を低くする
ことで、しきい値電圧が高くなるトランジスタとする。また、トランジスタ220として
は、オフ電流の低いトランジスタを用いることができる。オフ電流の低いトランジスタと
しては、例えばチャネル形成層として酸化物半導体層を有するトランジスタを用いること
ができる。
出力信号線214の電圧がトランジスタ220のしきい値電圧より高い場合に、コンパレ
ータ出力信号線222に低電源電圧Vssと同等の値の電圧を出力し、フォトセンサ出力
信号線214の電圧がトランジスタ220のしきい値電圧より低い場合に、コンパレータ
出力信号線222に高電源電圧Vddと同等の値の電圧を出力する構成とする。ここで、
フォトセンサ出力信号線214の電圧を一定にしたまま、バックゲート信号線223の電
圧を次第に高くすると、コンパレータ出力信号線222の電圧は高電圧から低電圧に遷移
することになる。したがって、バックゲート信号線223に逐次的に変化する電圧を順次
印加し、コンパレータ出力信号線222の電圧を取得することで、フォトセンサ出力信号
線214の電圧の値を知ることができる。ここで知り得た電圧をデジタル値で表現するこ
とで、フォトセンサ出力信号線214を介して入力される信号をデジタル信号に変換する
ことができる。
路を適用することができる。
る。それぞれの動作について以下に説明する。
力することにより、入力されたビデオ信号のデータに応じて表示回路105の液晶素子2
03に電圧が印加され、液晶素子203は、印加された電圧に応じて表示動作を行う。
、図9を用いて説明する。図9は、図7及び図8に示す表示装置におけるフォトセンサの
読み出し動作の一例を説明するためのタイミングチャートであり、図9において、信号3
01は、図8におけるフォトダイオードリセット信号線210の電圧(V210ともいう
)を表し、信号302は、ゲート信号線209の電圧(V209ともいう)を表し、信号
303は、ゲート信号線211の電圧(V211ともいう)を表し、信号304は、ゲー
ト信号線215の電圧(V215ともいう)を表し、信号305は、フォトセンサ出力信
号線214の電圧(V214ともいう)を表し、信号306は、プリチャージ信号線21
8の電圧(V218ともいう)を表し、信号307は、コンパレータ出力信号線222の
電圧(V222ともいう)を表し、信号308は、バックゲート信号線223の電圧(V
223ともいう)を表す。なお、ここでは一例として、トランジスタ205、トランジス
タ206、トランジスタ207、及びトランジスタ220をN型トランジスタとし、トラ
ンジスタ217をP型トランジスタとし、信号301、信号302、信号303、信号3
06、及び信号308を、ハイレベル又はローレベルとなる2値のデジタル信号とし、フ
ォトセンサ基準信号線213にハイレベルの電圧信号が入力され、トランジスタ217の
第1端子にハイレベルの電圧信号が入力されるものとする。なお、ハイレベルのときの信
号の電圧を”H”(電圧Hともいう)とし、ローレベルのときの信号の電圧を”L”(電
圧Lともいう)とする。
10の電圧(信号301)を”H”とし、ゲート信号線209の電圧(信号302)を”
H”とすると、フォトダイオード204が導通し、ゲート信号線215の電圧(信号30
4)が”H”となる。また、プリチャージ信号線218の電圧(信号306)を”L”と
すると、フォトセンサ出力信号線214の電圧(信号305)は”H”にプリチャージさ
れる。なお、バックゲート信号線223の電圧(信号308)は、第1の比較電圧(デジ
タル値”11”を示す電圧)である。
リセット信号線210の電圧(信号301)を”L”とし、ゲート信号線209の電圧(
信号302)を”H”のままとすると、フォトダイオード204のオフ電流により、ゲー
ト信号線215の電圧(信号304)が低下し始める。フォトダイオード204は、光が
入射するとオフ電流が増大するので、入射する光の照度に応じてゲート信号線215の電
圧(信号304)が変化する。すなわち、トランジスタ205のソースとドレインの間の
チャネル抵抗が変化する。
)を”L”とすると、ゲート信号線215の電圧(信号304)の値が所定の値となる。
このとき、ゲート信号線215の電圧は、累積動作中にフォトダイオード204がゲート
信号線215に供給した電荷量により決まる。すなわち、ゲート信号線215の電圧は、
フォトダイオード204に入射していた光の照度に応じて変化する。また、トランジスタ
207が酸化物半導体層で形成したオフ電流が極めて低いトランジスタであるため、後の
選択動作を行うまで、ゲート信号線215の電荷量を一定に保つことができる。
9とゲート信号線215との間における寄生容量により、ゲート信号線215の電圧変化
が生じる。電圧の変化量が大きい場合、累積動作中にフォトダイオード204が供給した
電荷量を精密に取得できないことになる。該電圧の変化量を低減するには、トランジスタ
207のゲートとソース(若しくはゲートとドレイン)の間における容量を低減する、ト
ランジスタ205のゲート容量を増大する、又はゲート信号線215に保持容量を設ける
などの対策が有効である。なお、図9を用いて説明する図7及び図8に示す表示装置にお
けるフォトセンサの読み出し動作の一例では、上記電圧変化が無視できるほど小さいもの
とする。
)を”H”にすると、トランジスタ206がオン状態になり、フォトセンサ基準信号線2
13とフォトセンサ出力信号線214とが、トランジスタ205とトランジスタ206と
を介して導通する。すると、フォトセンサ出力信号線214の電圧(信号305)は、低
下していく。なお、時刻TD以前に、プリチャージ信号線218の電圧(信号306)を
”H”とし、トランジスタ217をオフ状態にし、フォトセンサ出力信号線214のプリ
チャージ動作を終了させておく。ここで、フォトセンサ出力信号線214の電圧(信号3
05)が低下する速さは、トランジスタ205のソースとドレインの間に流れる電流量に
依存する。すなわち、累積動作中にフォトダイオード204に入射する光の照度に応じて
変化する。
)を”L”にすると、トランジスタ206がオフ状態になり、フォトセンサ出力信号線2
14の電圧(信号305)は、一定値となる。このとき、該一定値は、フォトダイオード
204に入射する光の照度に応じて変化する。したがって、フォトセンサ出力信号線21
4の電圧の情報を取得することで、累積動作中にフォトダイオード204に入射した光の
照度を知ることができる。
ート信号線223の電圧を、第2の比較電圧(デジタル値”10”)、第3の比較電圧(
デジタル値”01”)、第4の比較電圧(デジタル値”00”)に順次変更する。そして
、コンパレータ出力信号線222の電圧(信号307)が”H”から”L”に変化した際
の比較電圧を知ることで、フォトセンサ出力信号線214の電圧を知ることができ、該フ
ォトセンサ出力信号線214の電圧を比較電圧に対応するデジタル値のデジタル信号に変
換することができる。例えば、第1の比較電圧に対するコンパレータ出力信号線222の
電圧が”L”である場合、フォトセンサ出力信号線214の電圧は、デジタル値が”11
”であるデジタル信号に変換される。また、例えば第3の比較電圧に対応するコンパレー
タ出力信号線222の電圧が”H”であり、第4の比較電圧に対するコンパレータ出力信
号線222の電圧が”L”である場合、フォトセンサ出力信号線214の電圧は、デジタ
ル値が”00”であるデジタル信号に変換される。なお、バックゲート信号線223の電
圧は、例えば上記実施の形態に示すように、A/D変換制御回路及びD/A変換回路など
を用いて生成される。
コンパレータ出力信号線222の電圧(信号307)が”H”から”L”に変化している
ため、フォトセンサ出力信号線214の電圧は、デジタル値が”01”であるデジタル信
号に変換される。
変換の場合を示したが、バックゲート信号線223に印加する電圧の値を、より細かい間
隔で変更することで、3ビット以上のA/D変換を行うこともできる。多ビットのA/D
変換を行う際には、より高速のコンパレータ動作が要求される。そのため、高移動度を有
するトランジスタでトランジスタ220を構成することが望ましい。また、待機時の消費
電力を低減するため、またトランジスタ220のソース及びドレインの間のリーク電流に
より、コンパレータ219の出力信号の電圧の変動を抑制するため、オフ電流が低いトラ
ンジスタでトランジスタ220を構成することが望ましい。以上の高い移動度と低いオフ
電流の両方を有するためには、例えば酸化物半導体を用いたトランジスタでトランジスタ
220を構成することが望ましい。
D変換動作を繰り返すことで実現される。当該動作を全画素について行うことで、撮像を
行うことができる。より具体的には、行毎に順次リセット動作、累積動作、選択動作、A
/D変換動作を繰り返すことで実現される。
ンサを有する半導体回路にも容易に応用できる。すなわち、本実施の形態における表示装
置100から、表示に要する回路、具体的には、表示回路制御回路102、表示回路10
5を取り除いて、半導体回路を構成することができる。
回路及び光電変換回路を有する構成である。上記構成にすることにより、画素部において
、表示動作及び読み取り動作を行うことができ、例えば位置検出機能(例えば指又はペン
などを画素部に接触又は近接することにより、接触した位置に応じて特定の動作を実行す
る機能)、文字入出力機能(例えば指又はペンなどにより文字を入力する機能及び入力し
た文字を画素部に表示する機能)、指紋認証機能(例えば指を画素部に接触させることに
より指紋を検出する機能)、及び原稿入出力機能(例えば画素部に原稿などを置いて原稿
の読み取り動作を行い、読み取った原稿の画像を画素部に表示させる機能)のいずれか一
つ又は複数の機能を表示装置に備えることができる。
次的に変化するトランジスタを用いた比較回路を備えたA/D変換回路を具備する構成で
ある。該構成とすることにより、A/D変換回路の回路構成を簡略することができる。ま
た、比較回路に用いられるトランジスタのしきい値電圧を自由に設定することができるた
め、撮像動作におけるフォトセンサに入射する光の信号変換の分解能を向上させることが
できる。
る。
本実施の形態では、上記実施の形態に示す半導体回路及び表示装置に適用可能なトランジ
スタの例について説明する。
ばチャネル形成層としての機能を有する酸化物半導体層を含むトランジスタを用いること
ができる。上記トランジスタのチャネル形成層としての機能を有する酸化物半導体層は、
高純度化することにより、真性(I型ともいう)、又は実質的に真性にさせた半導体層で
ある。
に酸素を供給して酸化物半導体層中の酸素欠乏に起因する欠陥を低減することの少なくと
も一方を含む概念である。
系金属酸化物、又は二元系金属酸化物などを用いることができる。四元系金属酸化物とし
ては、例えばIn−Sn−Ga−Zn−O系金属酸化物などを用いることができる。三元
系金属酸化物としては、例えばIn−Ga−Zn−O系金属酸化物、In−Sn−Zn−
O系金属酸化物、In−Al−Zn−O系金属酸化物、Sn−Ga−Zn−O系金属酸化
物、Al−Ga−Zn−O系金属酸化物、又はSn−Al−Zn−O系金属酸化物などを
用いることができる。二元系金属酸化物としては、例えばIn−Zn−O系金属酸化物、
Sn−Zn−O系金属酸化物、Al−Zn−O系金属酸化物、Zn−Mg−O系金属酸化
物、Sn−Mg−O系金属酸化物、In−Mg−O系金属酸化物、又はIn−Sn−O系
金属酸化物などを用いることができる。また、酸化物半導体としては、例えばIn−O系
金属酸化物、Sn−O系金属酸化物、又はZn−O系金属酸化物などを用いることもでき
る。また、酸化物半導体としては、上記酸化物半導体として適用可能な金属酸化物とSi
O2を含む酸化物を用いることもできる。
ることができる。ここで、Mは、Ga、Al、Mn、及びCoから選ばれた一つ又は複数
の金属元素を示す。例えばMとしては、Ga、Ga及びAl、Ga及びMn、又はGa及
びCoなどが挙げられる。例えばInMO3(ZnO)m(m>0)で表記される構造の
酸化物半導体のうち、MとしてGaを含む構造の酸化物半導体を、上記したIn−Ga−
Zn−O酸化物半導体という。
より好ましくは3eV以上とする。これにより、熱励起によって生じるキャリアの数を無
視することができる。さらに、ドナーとなる場合がある水素などの不純物を一定量以下に
なるまで低減し、キャリア濃度を1×1014/cm3未満、好ましくは1×1012/
cm3以下にする。すなわち、酸化物半導体層のキャリア濃度を限りなくゼロ又はゼロと
実質的に同等の値にする。
コンは、バンドギャップが1.12eVと小さいため、アバランシェ降伏と呼ばれる雪崩
的に電子が発生する現象が起こりやすく、ゲート絶縁層への障壁を越えられるほど高速に
加速される電子の数が増加する。一方、上記酸化物半導体層に用いられる酸化物半導体は
、バンドギャップが2eV以上と広く、アバランシェ降伏が生じにくく、シリコンと比べ
てホットキャリア劣化の耐性が高いため、絶縁耐圧が高い。
ト絶縁層中に注入されることにより発生する固定電荷により生じるトランジスタ特性の劣
化、又は高速に加速された電子によりゲート絶縁層界面に形成されるトラップ準位などに
より生じるトランジスタ特性の劣化などであり、トランジスタ特性の劣化としては、例え
ばしきい値電圧の変動又はゲートリークなどがある。また、ホットキャリア劣化の要因と
しては、チャネルホットエレクトロン注入(CHE注入)とドレインアバランシェホット
キャリア注入(DAHC注入)がある。
導体層に用いられる酸化物半導体のバンドギャップは同等であるが、該酸化物半導体の方
が、シリコンカーバイドより移動度が2桁程小さいため、電子が加速されにくく、また、
ゲート絶縁層との障壁がシリコンカーバイド、窒化ガリウム、又はシリコンよりも大きく
、ゲート絶縁層に注入される電子が極めて少ないため、シリコンカーバイド、窒化ガリウ
ム、又はシリコンよりホットキャリア劣化が生じにくく、絶縁耐圧が高い。また、該酸化
物半導体は、非晶質状態であっても同様に絶縁耐圧が高い。
電流を10aA(1×10−17A)以下、さらにはチャネル幅1μmあたりのオフ電流
を1aA(1×10−18A)以下、さらには10zA(1×10−20A)以下、さら
には1zA(1×10−21A)以下にすることができる。
トランジスタに限定されず、例えば非晶質シリコンなどの非晶質半導体、微結晶シリコン
などの微結晶半導体、ポリシリコンなどの多結晶半導体、又は単結晶シリコンなどの単結
晶半導体を用いたトランジスタを適用することもできる。上記実施の形態の半導体回路又
は表示装置では、必要とされる機能に応じて適した構造のトランジスタを適宜選択して用
いることができる。
、及び図11(A)乃至図11(D)を用いて説明する。図10(A)乃至図10(D)
、及び図11(A)乃至図11(D)は、本実施の形態におけるトランジスタの構造例を
示す断面模式図である。
スタガ型トランジスタともいう。
、ゲート絶縁層としての機能を有する絶縁層402aと、チャネル形成層としての機能を
有する酸化物半導体層403aと、ソース電極又はドレイン電極としての機能を有する導
電層405a及び導電層406aと、を有する。
上に設けられ、酸化物半導体層403aは、絶縁層402aを介して導電層401aの上
に設けられ、導電層405a及び導電層406aは、酸化物半導体層403aの一部の上
にそれぞれ設けられる。また、導電層401aを酸化物半導体層403aの全てと重なる
構造にすることもできる。導電層401aを酸化物半導体層403aの全てと重なる構造
にすることにより、酸化物半導体層403aへの光の入射を抑制することができる。また
、これに限定されず、導電層401aを酸化物半導体層403aの一部と重なる構造にす
ることもできる。
一部(上面に導電層405a及び導電層406aが設けられていない部分)に酸化物絶縁
層407aが接する。また、酸化物絶縁層407aは、上部に保護絶縁層409aが設け
られる。
ンジスタを、図10(A)に示すトランジスタにおいて、酸化物半導体層403aは、酸
化物絶縁層407a及び保護絶縁層409aを介して上部に導電層431aが設けられる
構造にすることもできる。導電層431aは、ゲート電極としての機能を有する。図11
(A)に示すトランジスタは、導電層401aを用いて構成されるゲート電極又は導電層
431aを用いて構成されるゲート電極によりトランジスタのしきい値電圧が制御される
構造である。また、導電層431aを酸化物半導体層403aの全てと重なる構造にする
こともできる。導電層431aを酸化物半導体層403aの全てと重なる構造にすること
により、酸化物半導体層403aへの光の入射を抑制することができる。また、これに限
定されず、導電層431aを酸化物半導体層403aの一部と重なる構造にすることもで
きる。
ャネルストップ型ともいう)トランジスタであり、逆スタガ型トランジスタともいう。
、ゲート絶縁層としての機能を有する絶縁層402bと、チャネル形成層としての機能を
有する酸化物半導体層403bと、チャネル保護層としての機能を有する絶縁層427と
、ソース電極又はドレイン電極としての機能を有する導電層405b及び導電層406b
と、を有する。
上に設けられ、酸化物半導体層403bは、絶縁層402bを介して導電層401bの上
に設けられ、絶縁層427は、絶縁層402b及び酸化物半導体層403bを介して導電
層401bの上に設けられ、導電層405b及び導電層406bは、絶縁層427を介し
て酸化物半導体層403bの一部の上にそれぞれ設けられる。また、導電層401bを酸
化物半導体層403bの全てと重なる構造にすることもできる。導電層401bを酸化物
半導体層403bの全てと重なる構造にすることにより、酸化物半導体層403bへの光
の入射を抑制することができる。また、これに限定されず、導電層401bを酸化物半導
体層403bの一部と重なる構造にすることもできる。
ンジスタは、図10(B)における保護絶縁層409bを介して、図10(B)に示すト
ランジスタにおける酸化物半導体層403bの上に導電層431bを設けることもできる
。導電層431bは、ゲート電極としての機能を有する。図11(B)に示すトランジス
タは、導電層401bを用いて構成されるゲート電極又は導電層431bを用いて構成さ
れるゲート電極によりトランジスタのしきい値電圧が制御される構造である。また、導電
層431bを酸化物半導体層403bの全てと重なる構造にすることもできる。導電層4
31bを酸化物半導体層403bの全てと重なる構造にすることにより、酸化物半導体層
403bへの光の入射を抑制することができる。また、これに限定されず、導電層431
bを酸化物半導体層403bの一部と重なる構造にすることもできる。
、ゲート絶縁層としての機能を有する絶縁層402cと、チャネル形成層としての機能を
有する酸化物半導体層403cと、ソース電極又はドレイン電極としての機能を有する導
電層405c及び導電層406cと、を有する。
上に設けられ、導電層405c及び導電層406cは、絶縁層402cの一部の上に設け
られ、酸化物半導体層403cは、絶縁層402c、導電層405c、及び導電層406
cを介して導電層401cの上に設けられる。また、導電層401cを酸化物半導体層4
03cの全てと重なる構造にすることもできる。導電層401cを酸化物半導体層403
cの全てと重なる構造にすることにより、酸化物半導体層403cへの光の入射を抑制す
ることができる。また、これに限定されず、導電層401cを酸化物半導体層403cの
一部と重なる構造にすることもできる。
び側面は、酸化物絶縁層407cに接する。また、酸化物絶縁層407cは、上部に保護
絶縁層409cが設けられる。
絶縁層409cを介して、図10(C)に示すトランジスタにおける酸化物半導体層40
3cの上に導電層431cを設けることもできる。導電層431cは、ゲート電極として
の機能を有する。図11(C)に示すトランジスタは、導電層401cを用いて構成され
るゲート電極又は導電層431cを用いて構成されるゲート電極によりトランジスタのし
きい値電圧が制御される構造である。また、導電層431cを酸化物半導体層403cの
全てと重なる構造にすることもできる。導電層431cを酸化物半導体層403cの全て
と重なる構造にすることにより、酸化物半導体層403cへの光の入射を抑制することが
できる。また、これに限定されず、導電層431cを酸化物半導体層403cの一部と重
なる構造にすることもできる。
、ゲート絶縁層としての機能を有する絶縁層402dと、チャネル形成層としての機能を
有する酸化物半導体層403dと、ソース電極又はドレイン電極としての機能を有する導
電層405d及び導電層406dと、を有する。
405d及び導電層406dは、それぞれ酸化物半導体層403dの一部の上に設けられ
、絶縁層402dは、酸化物半導体層403d、導電層405d、及び導電層406dの
上に設けられ、導電層401dは、絶縁層402dを介して酸化物半導体層403dの上
に設けられる。
(D)に示すトランジスタにおける酸化物半導体層403dの下に導電層431dを設け
ることもできる。導電層431dは、ゲート電極としての機能を有し、絶縁層447は、
ゲート絶縁層としての機能を有する。図11(D)に示すトランジスタは、導電層401
dを用いて構成されるゲート電極又は導電層431dを用いて構成されるゲート電極によ
りトランジスタのしきい値電圧が制御される構造である。また、導電層431dを酸化物
半導体層403dの全てと重なる構造にすることもできる。導電層431dを酸化物半導
体層403dの全てと重なる構造にすることにより、酸化物半導体層403dへの光の入
射を抑制することができる。また、これに限定されず、導電層431dを酸化物半導体層
403dの一部と重なる構造にすることもできる。
ウケイ酸ガラスなどのガラス基板を用いることができる。
ア基板などの絶縁体でなる基板を用いることもできる。また、基板400a乃至基板40
0dとして、結晶化ガラスを用いることもできる。また、基板400a乃至基板400d
として、プラスチック基板を用いることもできる。また、基板400a乃至基板400d
として、シリコンなどの半導体基板を用いることもできる。
有する。絶縁層447としては、例えば窒化シリコン層、酸化シリコン層、窒化酸化シリ
コン層、酸化窒化シリコン層、酸化アルミニウム層、又は酸化窒化アルミニウム層を用い
ることができる。また、絶縁層447に適用可能な材料の層の積層により絶縁層447を
構成することもできる。また、絶縁層447として、遮光性を有する材料の層と、上記絶
縁層447に適用可能な材料の層との積層を用いることもできる。また、遮光性を有する
材料の層を用いて絶縁層447を構成することにより、酸化物半導体層403dへの光の
入射を抑制することができる。
スタにおいて、図10(D)に示すトランジスタと同様に、基板とゲート電極としての機
能を有する導電層の間に絶縁層を設けてもよい。
タル、タングステン、アルミニウム、銅、ネオジム、若しくはスカンジウムなどの金属材
料、又はこれらを主成分とする合金材料の層を用いることができる。また、導電層401
a乃至導電層401dの形成に適用可能な材料の層の積層により、導電層401a乃至導
電層401dを構成することもできる。
酸化窒化シリコン層、窒化酸化シリコン層、酸化アルミニウム層、窒化アルミニウム層、
酸化窒化アルミニウム層、窒化酸化アルミニウム層、又は酸化ハフニウム層を用いること
ができる。また、絶縁層402a乃至絶縁層402dに適用可能な材料の層の積層により
絶縁層402a乃至絶縁層402dを構成することもできる。絶縁層402a乃至絶縁層
402dに適用可能な材料の層は、例えばプラズマCVD法又はスパッタリング法などを
用いて形成される。例えば、プラズマCVD法により窒化シリコン層を形成し、プラズマ
CVD法により窒化シリコン層の上に酸化シリコン層を形成することにより絶縁層402
a乃至絶縁層402dを構成することができる。
、例えば四元系金属酸化物、三元系金属酸化物、又は二元系金属酸化物などが挙げられる
。四元系金属酸化物としては、例えばIn−Sn−Ga−Zn−O系金属酸化物などが挙
げられる。三元系金属酸化物としては、例えばIn−Ga−Zn−O系金属酸化物、In
−Sn−Zn−O系金属酸化物、In−Al−Zn−O系金属酸化物、Sn−Ga−Zn
−O系金属酸化物、Al−Ga−Zn−O系金属酸化物、又はSn−Al−Zn−O系金
属酸化物などが挙げられる。二元系金属酸化物としては、In−Zn−O系金属酸化物、
Sn−Zn−O系金属酸化物、Al−Zn−O系金属酸化物、Zn−Mg−O系金属酸化
物、Sn−Mg−O系金属酸化物、In−Mg−O系金属酸化物、又はIn−Sn−O系
金属酸化物などが挙げられる。また、酸化物半導体としては、In−O系金属酸化物、S
n−O系金属酸化物、又はZn−O系金属酸化物などが挙げられる。また、上記酸化物半
導体としては、上記酸化物半導体として適用可能な金属酸化物とSiO2を含む酸化物を
用いることもできる。また、例えばIn−Ga−Zn−O系金属酸化物とは、少なくとも
InとGaとZnを含む酸化物であり、その組成比に特に制限はない。また、In−Ga
−Zn−O系金属酸化物にInとGaとZn以外の元素が含まれていてもよい。
しては、化学式InMO3(ZnO)m(mは0より大きい数)で表記される金属酸化物
も挙げられる。ここで、Mは、Ga、Al、Mn及びCoから選ばれた一つ又は複数の金
属元素を示す。Mとしては、例えばGa、Ga及びAl、Ga及びMn、又はGa及びC
oなどがある。
えばアルミニウム、クロム、銅、タンタル、チタン、モリブデン、若しくはタングステン
などの金属材料、又はこれらの金属材料を主成分とする合金材料の層を用いることができ
る。また、導電層405a乃至導電層405d、及び導電層406a乃至導電層406d
に適用可能な材料の層の積層により導電層405a乃至導電層405d、及び導電層40
6a乃至導電層406dのそれぞれを構成することができる。
高融点金属層との積層により導電層405a乃至導電層405d及び導電層406a乃至
導電層406dを構成することができる。また、複数の高融点金属層の間にアルミニウム
又は銅の金属層が設けられた積層により導電層405a乃至導電層405d、及び導電層
406a乃至導電層406dを構成することもできる。また、ヒロックやウィスカーの発
生を防止する元素(Si、Nd、Scなど)が添加されているアルミニウム層を用いて導
電層405a乃至導電層405d、及び導電層406a乃至導電層406dを構成するこ
とにより、耐熱性を向上させることができる。
、導電性の金属酸化物を含む層を用いることもできる。導電性の金属酸化物としては、例
えば酸化インジウム(In2O3)、酸化スズ(SnO2)、酸化亜鉛(ZnO)、酸化
インジウム酸化スズ合金(In2O3―SnO2、ITOと略記する)、若しくは酸化イ
ンジウム酸化亜鉛合金(In2O3―ZnO)、又はこれらの金属酸化物に酸化シリコン
を含むものを用いることができる。
成に用いられる材料を用いて他の配線を形成してもよい。
。また、絶縁層427に適用可能な材料の層の積層により絶縁層427を構成することも
できる。
でき、例えば酸化シリコン層などを用いることができる。また、酸化物絶縁層407a及
び酸化物絶縁層407cに適用可能な材料の層の積層により酸化物絶縁層407a及び酸
化物絶縁層407cを構成することもできる。
でき、例えば窒化シリコン層、窒化アルミニウム層、窒化酸化シリコン層、又は窒化酸化
アルミニウム層などを用いることができる。また、保護絶縁層409a乃至保護絶縁層4
09cに適用可能な材料の層の積層により保護絶縁層409a乃至保護絶縁層409cを
構成することもできる。
ル、チタン、モリブデン、若しくはタングステンなどの金属材料、又はこれらの金属材料
を主成分とする合金材料の層を用いることができる。また、導電層431a乃至導電層4
31dとしては、導電性の金属酸化物を含む層を用いることもできる。導電性の金属酸化
物としては、例えば酸化インジウム(In2O3)、酸化スズ(SnO2)、酸化亜鉛(
ZnO)、酸化インジウム酸化スズ合金(In2O3―SnO2、ITOと略記する)、
若しくは酸化インジウム酸化亜鉛合金(In2O3―ZnO)、又はこれらの金属酸化物
に酸化シリコンを含むものを用いることができる。また、導電層431a乃至導電層43
1dに適用可能な材料の層の積層により導電層431a乃至導電層431dをそれぞれ構
成することもできる。
起因する表面凹凸を低減するために、トランジスタの上(酸化物絶縁層又は保護絶縁層を
有する場合には酸化物絶縁層又は保護絶縁層を介してトランジスタの上)に平坦化絶縁層
を有する構成にすることもできる。平坦化絶縁層としては、ポリイミド、アクリル、ベン
ゾシクロブテン、などの有機材料の層を用いることができる。また平坦化絶縁層としては
、低誘電率材料(low−k材料ともいう)の層を用いることもできる。また、平坦化絶
縁層に適用可能な材料の層の積層により平坦化絶縁層を構成することもできる。
(A)に示すトランジスタの作製方法の一例について、図12(A)、図12(B)、図
12(C)、図13(A)、図13(B)、及び図13(C)を用いて説明する。図12
(A)乃至図12(C)及び図13(A)乃至図13(C)は、図10(A)及び図11
(A)に示すトランジスタの作製方法の一例を示す断面模式図である。
テン、アルミニウム、銅、ネオジム、若しくはスカンジウムなどの金属材料、又はこれら
を主成分とする合金材料の膜を用いることができる。また、第1の導電膜に適用可能な材
料の膜の積層膜により、第1の導電膜を構成することもできる。
形成し、第1のレジストマスクを用いて選択的に第1の導電膜のエッチングを行うことに
より導電層401aを形成し、第1のレジストマスクを除去する。
い。レジストマスクをインクジェット法で形成するとフォトマスクを使用しないため、製
造コストを低減できる。
階調マスクによって形成されたレジストマスクを用いてエッチングを行ってもよい。多階
調マスクは、透過した光が複数の強度となる露光マスクである。多階調マスクを用いて形
成したレジストマスクは複数の膜厚を有する形状となり、エッチングを行うことでさらに
形状を変形させることができるため、異なるパターンに加工する複数のエッチング工程に
用いることができる。よって、一枚の多階調マスクによって、少なくとも二種類以上の異
なるパターンに対応するレジストマスクを形成することができる。よって、露光マスク数
を削減することができ、対応するフォトリソグラフィ工程も削減できるため、製造工程を
簡略にすることができる。
ば、μ波(例えば、周波数2.45GHzのμ波)を用いた高密度プラズマCVD法は、
緻密で絶縁耐圧の高い高品質な絶縁層を形成できるため、好ましい。高密度プラズマCV
D法を用いて形成した高品質な絶縁層と酸化物半導体層が接することにより、界面準位が
低減し、界面特性を良好にすることができる。
成することもできる。また、絶縁層402aの形成後に熱処理を行ってもよい。上記熱処
理を行うことにより、絶縁層402aの質、酸化物半導体との界面特性を改質させること
ができる。
nm以下の酸化物半導体膜530を形成する。例えば、スパッタリング法を用いて酸化物
半導体膜530を形成することができる。
せる逆スパッタを行い、絶縁層402aの表面に付着している粉状物質(パーティクル、
ごみともいう)を除去することが好ましい。逆スパッタとは、ターゲット側に電圧を印加
せずに、アルゴン雰囲気下で基板側にRF電源を用いて電圧を印加し、基板近傍にプラズ
マを形成して表面を改質する方法である。なお、アルゴン雰囲気に代えて窒素、ヘリウム
、酸素などを用いてもよい。
530を形成することができる。本実施の形態では、一例としてIn−Ga−Zn−O系
酸化物ターゲットを用いてスパッタリング法により酸化物半導体膜530を形成する。こ
の段階での断面模式図が図12(A)に相当する。また、希ガス(代表的にはアルゴン)
雰囲気下、酸素雰囲気下、又は希ガスと酸素の混合雰囲気下において、スパッタリング法
により酸化物半導体膜530を形成することもできる。
例えば、In2O3:Ga2O3:ZnO=1:1:1[mol数比]の組成比である酸
化物ターゲットを用いることができる。また、上記に示すターゲットに限定されず、例え
ば、In2O3:Ga2O3:ZnO=1:1:2[mol数比]の組成比である酸化物
ターゲットを用いてもよい。また、作製される酸化物ターゲットの全体の体積に対して全
体の体積から空隙などが占める空間を除いた部分の体積の割合(充填率ともいう)は、9
0%以上100%以下、好ましくは95%以上99.9%以下である。充填率の高い金属
酸化物ターゲットを用いることにより形成した酸化物半導体膜は、緻密な膜となる。
水素、水、水酸基、又は水素化物などの不純物が除去された高純度ガスを用いることが好
ましい。
401aが形成された基板400a、又は導電層401a及び絶縁層402aが形成され
た基板400aを予備加熱し、基板400aに吸着した水素、水分などの不純物を脱離し
排気することが好ましい。該予備加熱により、絶縁層402a及び酸化物半導体膜530
への水素、水酸基、及び水分の侵入を抑制することができる。また、予備加熱室に設ける
排気手段としては、クライオポンプを用いることが好ましい。また、この予備加熱の処理
は省略することもできる。また、酸化物絶縁層407aの成膜前に、導電層405a及び
導電層406aまで形成した基板400aにも同様に該予備加熱を行ってもよい。
された成膜室内に基板400aを保持し、基板温度を100℃以上600℃以下、好まし
くは200℃以上400℃以下とする。基板400aを加熱することにより、形成する酸
化物半導体膜530に含まれる不純物濃度を低減することができる。また、スパッタリン
グによる酸化物半導体膜530の損傷が軽減する。そして、成膜室内の残留水分を除去し
つつ水素及び水分が除去されたスパッタリングガスを導入し、上記ターゲットを用いて絶
縁層402aの上に酸化物半導体膜530を成膜する。
、イオンポンプ、チタンサブリメーションポンプを用いることが好ましい。また、排気手
段としては、ターボポンプにコールドトラップを加えたものであってもよい。クライオポ
ンプを用いて排気した成膜室は、例えば、水素原子、水素原子を含む化合物(水など)、
より好ましくは水素原子及び炭素原子を含む化合物などが排気されるため、クライオポン
プを用いることにより、当該成膜室で形成した酸化物半導体膜530に含まれる不純物の
濃度を低減することができる。
、直流(DC)電源0.5kW、酸素(酸素流量比率100%)雰囲気下の条件が適用さ
れる。なお、パルス直流電源を用いると、成膜時に発生する粉状物質が軽減でき、膜厚分
布も均一となる。
マスクを形成し、第2のレジストマスクを用いて選択的に酸化物半導体膜530のエッチ
ングを行うことにより、酸化物半導体膜530を島状の酸化物半導体層に加工し、第2の
レジストマスクを除去する。
の酸化物半導体層に加工する際に該コンタクトホールを形成することもできる。
ッチングの両方を用いて酸化物半導体膜530のエッチングを行うことができる。例えば
、酸化物半導体膜530のウェットエッチングに用いるエッチング液としては、燐酸と酢
酸と硝酸を混ぜた溶液などを用いることができる。また、ITO07N(関東化学社製)
を用いてもよい。
体層の脱水化又は脱水素化を行うことができる。第1の加熱処理の温度は、400℃以上
750℃以下、又は400℃以上基板の歪み点未満とする。ここでは、加熱処理装置の一
つである電気炉に基板を導入し、酸化物半導体層に対して窒素雰囲気下450℃において
1時間の加熱処理を行った後、大気に触れることなく、酸化物半導体層への水や水素の再
混入を防ぎ、酸化物半導体層403aを得る(図12(B)参照。)。
輻射により被処理物を加熱する装置を備えていてもよい。加熱処理装置としては、例えば
GRTA(Gas Rapid Thermal Anneal)装置又はLRTA(L
amp Rapid Thermal Anneal)装置などのRTA(Rapid
Thermal Anneal)装置を用いることができる。LRTA装置は、例えばハ
ロゲンランプ、メタルハライドランプ、キセノンアークランプ、カーボンアークランプ、
高圧ナトリウムランプ、又は高圧水銀ランプなどのランプから発する光(電磁波)の輻射
により、被処理物を加熱する装置である。また、GRTA装置は、高温のガスを用いて加
熱処理を行う装置である。高温のガスとしては、例えばアルゴンなどの希ガス、又は窒素
のような、加熱処理によって被処理物と反応しない不活性気体を用いることができる。
動させて入れ、数分間加熱した後、基板を移動させて加熱した不活性ガス中から出す方式
のGRTAを行ってもよい。
に、水、水素などが含まれないことが好ましい。また、加熱処理装置に導入する窒素、又
はヘリウム、ネオン、若しくはアルゴンなどの希ガスの純度を、6N(99.9999%
)以上、好ましくは7N(99.99999%)以上、すなわち不純物濃度を1ppm以
下、好ましくは0.1ppm以下とすることが好ましい。
炉に高純度の酸素ガス、高純度のN2Oガス、又は超乾燥エア(露点が−40℃以下、好
ましくは−60℃以下の雰囲気)を導入してもよい。このとき酸素ガス又はN2Oガスは
、水、水素などを含まないことが好ましい。また、加熱処理装置に導入する酸素ガス又は
N2Oガスの純度を、6N以上、好ましくは7N以上、すなわち、酸素ガス又はN2Oガ
ス中の不純物濃度を1ppm以下、好ましくは0.1ppm以下とすることが好ましい。
酸素ガス又はN2Oガスの作用により、脱水化又は脱水素化処理による不純物の排除工程
によって同時に減少してしまった酸素を供給することによって、酸化物半導体層403a
を高純度化させる。
うこともできる。その場合には、第1の加熱処理後に加熱装置から基板を取り出し、島状
の酸化物半導体層に加工する。
電層405a及び導電層406aを形成した後、又は導電層405a及び導電層406a
の上に酸化物絶縁層407aを形成した後に第1の加熱処理を行ってもよい。
ンタクトホールを形成してもよい。
部材の材料が、酸化物、窒化物、金属など材料を問わず、膜厚の厚い結晶領域(単結晶領
域)、すなわち、膜表面に垂直にc軸配向した結晶領域を有する膜を用いて酸化物半導体
層を形成してもよい。例えば、膜厚が3nm以上15nm以下の第1の酸化物半導体膜を
成膜し、さらに第1の加熱処理として、窒素、酸素、希ガス、又は乾燥エアの雰囲気下で
450℃以上850℃以下、好ましくは550℃以上750℃以下の加熱処理を行い、表
面を含む領域に結晶領域(板状結晶を含む)を有する第1の酸化物半導体膜を形成する。
そして、第1の酸化物半導体膜よりも厚い第2の酸化物半導体膜を形成し、さらに第2の
加熱処理として、450℃以上850℃以下、好ましくは600℃以上700℃以下の加
熱処理を行い、第1の酸化物半導体膜を結晶成長の種として、第1の酸化物半導体膜から
第2の酸化物半導体膜にかけて上方に向かって結晶成長させ、第2の酸化物半導体膜の全
体を結晶化させ、結果として膜厚の厚い結晶領域を有する酸化物半導体膜を用いて酸化物
半導体層403aを形成してもよい。
ン、若しくはタングステンなどの金属材料、又はこれらの金属材料を主成分とする合金材
料の膜を用いることができる。また、第2の導電膜に適用可能な膜の積層膜により第2の
導電膜を形成することができる。
形成し、第3のレジストマスクを用いて選択的にエッチングを行って導電層405a及び
導電層406aを形成した後、第3のレジストマスクを除去する(図12(C)参照。)
。
線を形成することもできる。
ザ光を用いることが好ましい。酸化物半導体層403aの上の導電層405aの下端部と
導電層406aの下端部との間隔幅により、後に形成されるトランジスタのチャネル長L
が決定される。なお、チャネル長L=25nm未満の露光を行う場合には、数nm〜数1
0nmと極めて波長が短い超紫外線(Extreme Ultraviolet)を用い
て第3のレジストマスクの形成の際に露光を行うとよい。超紫外線による露光は、解像度
が高く焦点深度も大きい。従って、後に形成されるトランジスタのチャネル長Lを10n
m以上1000nm以下とすることも可能である。上記露光を用いて形成されたトランジ
スタを用いることにより、回路の動作速度を速くすることでき、さらに上記トランジスタ
のオフ電流は、極めて少ないため、回路の消費電力を低減することもできる。
の分断を抑制するために、エッチング条件を最適化することが好ましい。しかしながら、
第2の導電膜のみエッチングが行われ、酸化物半導体層403aは、全くエッチングが行
われないという条件を得ることは難しく、第2の導電膜のエッチングの際に酸化物半導体
層403aは一部のみエッチングが行われ、溝部(凹部)を有する酸化物半導体層403
aとなることもある。
の一例としてIn−Ga−Zn−O系酸化物半導体を用いるため、エッチャントとしてア
ンモニア過水(アンモニア、水、過酸化水素水の混合液)を用いる。
層407aを形成する。このとき酸化物絶縁層407aは、酸化物半導体層403aの上
面の一部に接する。
化物絶縁層407aに水又は水素などの不純物が混入しない方法を適宜用いて形成するこ
とができる。酸化物絶縁層407aに水素が混入すると、該水素の酸化物半導体層への侵
入又は該水素による酸化物半導体層中の酸素の引き抜きにより、酸化物半導体層のバック
チャネルが低抵抗化(N型化)し、寄生チャネルが形成されるおそれがある。よって、酸
化物絶縁層407aができるだけ水素を含まない層になるように、酸化物絶縁層407a
の作製方法として水素を用いない方法を用いることは重要である。
200nmの酸化シリコン膜を形成する。成膜時の基板温度は、室温以上300℃以下と
すればよく、本実施の形態では一例として100℃とする。酸化シリコン膜のスパッタリ
ング法による成膜は、希ガス(代表的にはアルゴン)雰囲気下、酸素雰囲気下、又は希ガ
スと酸素の混合雰囲気下において行うことができる。
ターゲット又はシリコンターゲットなどを用いることができる。例えば、シリコンターゲ
ットを用いて、酸素を含む雰囲気下でスパッタリング法により酸化シリコン膜を形成する
ことができる。
、例えば吸着型の真空ポンプ(クライオポンプなど)を用いることが好ましい。クライオ
ポンプを用いて成膜室内の残留水分を除去することにより、酸化物絶縁層407aに含ま
れる不純物濃度を低減できる。また、酸化物絶縁層407aの形成に用いられる成膜室内
の残留水分を除去するための排気手段としては、例えばターボポンプにコールドトラップ
を加えたものを用いることもできる。
水、水酸基、又は水素化物などの不純物が除去された高純度ガスを用いることが好ましい
。
プラズマ処理を行い、露出している酸化物半導体層403aの表面に付着した吸着水など
を除去してもよい。プラズマ処理を行った場合、大気に触れることなく、酸化物半導体層
403aの上面の一部に接する酸化物絶縁層407aを形成することが好ましい。
0℃以上400℃以下、例えば250℃以上350℃以下)を行うこともできる。例えば
、第2の加熱処理として、窒素雰囲気下で250℃、1時間の加熱処理を行う。第2の加
熱処理を行うと、酸化物半導体層403aの上面の一部が酸化物絶縁層407aと接した
状態で加熱される。
水分、水酸基、又は水素化物(水素化合物ともいう)などの不純物を酸化物半導体層から
意図的に排除し、且つ酸素を酸化物半導体層に供給することができる。よって、酸化物半
導体層は高純度化する。
コン層形成後の加熱処理によって酸化物半導体層403a中に含まれる水素、水分、水酸
基、又は水素化物などの不純物を酸化物絶縁層407aに拡散させ、酸化物半導体層40
3a中に含まれる該不純物をより低減させる効果を奏する。
スパッタリング法を用いて窒化シリコン膜を形成する。RFスパッタリング法は、量産性
がよいため、保護絶縁層409aの成膜方法として好ましい。本実施の形態では、一例と
して窒化シリコン膜を形成することにより保護絶縁層409aを形成する(図13(B)
参照)。
0℃の温度に加熱し、水素及び水分が除去された高純度窒素を含むスパッタリングガスを
導入し、シリコン半導体のターゲットを用いて窒化シリコン膜を形成することで保護絶縁
層409aを形成する。この場合においても、酸化物絶縁層407aと同様に、処理室内
の残留水分を除去しつつ保護絶縁層409aを成膜することが好ましい。
0時間以下での加熱処理を行ってもよい。この加熱処理は一定の加熱温度を保持して加熱
してもよいし、室温から、100℃以上200℃の加熱温度への昇温と、加熱温度から室
温までの降温を複数回くりかえして行ってもよい。以上が図10(A)に示すトランジス
タの作製方法の一例である。
に第4の導電膜を形成する。
ン、若しくはタングステンなどの金属材料、又はこれらの金属材料を主成分とする合金材
料の膜を用いることができる。また、第4の導電膜としては、導電性の金属酸化物を含む
膜を用いることもできる。導電性の金属酸化物としては、例えば酸化インジウム(In2
O3)、酸化スズ(SnO2)、酸化亜鉛(ZnO)、酸化インジウム酸化スズ合金(I
n2O3―SnO2、ITOと略記する)、若しくは酸化インジウム酸化亜鉛合金(In
2O3―ZnO)、又はこれらの金属酸化物に酸化シリコンを含むものを用いることがで
きる。また、第4の導電膜に適用可能な材料の膜の積層膜により第4の導電膜を形成する
ことができる。
成し、第4のレジストマスクを用いて選択的にエッチングを行って導電層431aを形成
した後、第4のレジストマスクを除去する(図13(C)参照)。以上が図11(A)に
示すトランジスタの作製方法の一例である。
(B)、図14(C)、及び図14(D)を用いて説明する。図14(A)乃至図14(
D)は、図10(D)に示すトランジスタの作製方法の一例を示す断面模式図である。
ることができる。例えばスパッタリング法を用いて絶縁層447を形成することより、絶
縁層447中の水素濃度を低減することができる。
残留水分を除去しつつ絶縁層447を形成することが好ましい。絶縁層447に水素、水
酸基又は水分が含まれないようにするためである。
しい。吸着型の真空ポンプとしては、例えばクライオポンプ、イオンポンプ、又はチタン
サブリメーションポンプを用いることが好ましい。また、排気手段としては、例えばター
ボポンプにコールドトラップを加えたものを用いることができる。クライオポンプを用い
て排気した成膜室では、例えば、水素原子又は水素原子を有する化合物(水など)が排気
されるため、当該成膜室で成膜することにより、形成される絶縁層447に含まれる不純
物(特に水素)の濃度を低減できる。
同じ処理室において共通のシリコンターゲットを用いて窒化シリコン層と酸化シリコン層
を形成することができる。先に窒素を含むスパッタリングガスを導入して、処理室内に装
着されたシリコンターゲットを用いて窒化シリコン層を形成し、次にスパッタリングガス
を酸素を含むスパッタリングガスに切り替え、同じシリコンターゲットを用いて酸化シリ
コン層を形成する。これにより窒化シリコン層と酸化シリコン層とを大気に曝露せずに連
続して形成することができるため、窒化シリコン層表面に水素や水分などの不純物の吸着
を防止することができる。
。
成膜の前処理として、絶縁層447が形成された基板400dをスパッタリング装置の予
備加熱室で予備加熱し、基板400dに吸着した水素、水分などの不純物を脱離させ、排
気させることが好ましい。なお、予備加熱室に設ける排気手段としては、例えばクライオ
ポンプが好ましい。なお、この予備加熱の処理は省略することもできる。
スパッタを行ってもよい。
膜を形成することができる。本実施の形態では、一例としてIn−Ga−Zn−O系酸化
物ターゲットを用いてスパッタリング法により酸化物半導体膜を形成する。また、希ガス
(代表的にはアルゴン)雰囲気下、酸素雰囲気下、又は希ガスと酸素の混合雰囲気下にお
いて、スパッタリング法により酸化物半導体膜を形成することができる。
、In2O3:Ga2O3:ZnO=1:1:1[mol数比]の組成比である酸化物タ
ーゲットを用いることができる。また、上記に示すターゲットに限定されず、例えば、I
n2O3:Ga2O3:ZnO=1:1:2[mol数比]の組成比である酸化物ターゲ
ットを用いてもよい。また、作製される酸化物ターゲットの全体の体積に対して全体の体
積から空隙などが占める空間を除いた部分の体積の割合(充填率ともいう)は、90%以
上100%以下、好ましくは95%以上99.9%以下である。充填率の高い金属酸化物
ターゲットを用いることにより形成した酸化物半導体膜は、緻密な膜となる。
水、水酸基、又は水素化物などの不純物が除去された高純度ガスを用いることが好ましい
。
内の残留水分を除去しつつ水素及び水分が除去されたスパッタガスを導入し、金属酸化物
をターゲットとして基板400dの上に酸化物半導体膜を形成する。処理室内の残留水分
を除去するためには、吸着型の真空ポンプを用いることが好ましい。吸着型の真空ポンプ
としては、例えば、クライオポンプ、イオンポンプ、又はチタンサブリメーションポンプ
を用いることが好ましい。また、排気手段としては、ターボポンプにコールドトラップを
加えたものを用いることができる。クライオポンプを用いて排気した成膜室は、例えば、
水素原子、水(H2O)など水素原子を含む化合物(より好ましくは炭素原子を含む化合
物も)等が排気されるため、当該成膜室で成膜することにより、酸化物半導体膜に含まれ
る不純物の濃度を低減できる。また、酸化物半導体膜形成時に基板を加熱してもよい。
直流(DC)電源0.5kW、酸素及びアルゴン(酸素流量15sccm:アルゴン流量
30sccm)雰囲気下の条件が適用される。なお、パルス直流電源を用いると、成膜時
に発生する粉状物質が軽減でき、膜厚分布も均一となる。
クを形成し、第1のレジストマスクを用いて選択的に該酸化物半導体膜のエッチングを行
うことにより、該酸化物半導体膜を島状の酸化物半導体層403dに加工し、第1のレジ
ストマスクを除去する(図14(A)参照。)。
ッチングの両方を用いて酸化物半導体膜のエッチングを行うことができる。例えば、酸化
物半導体膜のウェットエッチングに用いるエッチング液としては、燐酸と酢酸と硝酸を混
ぜた溶液などを用いることができる。また、ITO07N(関東化学社製)を用いてもよ
い。
0℃以上750℃以下、好ましくは400℃以上基板の歪み点未満とする。ここでは、加
熱処理装置の一つである電気炉に基板を導入し、酸化物半導体層に対して窒素雰囲気下4
50℃において1時間の加熱処理を行った後、大気に触れることなく、酸化物半導体層4
03dへの水や水素の再混入を防ぐ。
輻射により被処理物を加熱する装置を備えていてもよい。加熱処理装置としては、例えば
GRTA(Gas Rapid Thermal Anneal)装置又はLRTA(L
amp Rapid Thermal Anneal)装置などのRTA(Rapid
Thermal Anneal)装置を用いることができる。LRTA装置は、例えばハ
ロゲンランプ、メタルハライドランプ、キセノンアークランプ、カーボンアークランプ、
高圧ナトリウムランプ、又は高圧水銀ランプなどのランプから発する光(電磁波)の輻射
により、被処理物を加熱する装置である。また、GRTA装置は、高温のガスを用いて加
熱処理を行う装置である。高温のガスとしては、例えばアルゴンなどの希ガス、又は窒素
のような、加熱処理によって被処理物と反応しない不活性気体を用いることができる。
動させて入れ、数分間加熱した後、基板を移動させて加熱した不活性ガス中から出す方式
のGRTAを行ってもよい。
に、水、水素などが含まれないことが好ましい。また、加熱処理装置に導入する窒素、又
はヘリウム、ネオン、若しくはアルゴンなどの希ガスの純度を、6N(99.9999%
)以上、好ましくは7N(99.99999%)以上、すなわち不純物濃度を1ppm以
下、好ましくは0.1ppm以下とすることが好ましい。
炉と同じ炉に高純度の酸素ガス、高純度のN2Oガス、又は超乾燥エア(露点が−40℃
以下、好ましくは−60℃以下の雰囲気)を導入してもよい。このとき酸素ガス又はN2
Oガスは、水、水素などを含まないことが好ましい。また、加熱処理装置に導入する酸素
ガス又はN2Oガスの純度を、6N以上、好ましくは7N以上、すなわち、酸素ガス又は
N2Oガス中の不純物濃度を1ppm以下、好ましくは0.1ppm以下とすることが好
ましい。酸素ガス又はN2Oガスの作用により、脱水化又は脱水素化処理による不純物の
排除工程によって同時に減少してしまった酸素を供給することによって、酸化物半導体層
403dを高純度化させる。
行うこともできる。その場合には、第1の加熱処理後に加熱装置から基板を取り出し、島
状の酸化物半導体層403dに加工する。
の上に導電層405d及び導電層406dを形成した後、又は導電層405d及び導電層
406dの上に絶縁層402dを形成した後に第1の加熱処理を行ってもよい。
部材の材料が、酸化物、窒化物、金属など材料を問わず、膜厚の厚い結晶領域(単結晶領
域)、すなわち、膜表面に垂直にc軸配向した結晶領域を有する膜を用いて酸化物半導体
層を形成してもよい。例えば、膜厚が3nm以上15nm以下の第1の酸化物半導体膜を
成膜し、さらに第1の加熱処理として、窒素、酸素、希ガス、又は乾燥エアの雰囲気下で
450℃以上850℃以下、好ましくは550℃以上750℃以下の加熱処理を行い、表
面を含む領域に結晶領域(板状結晶を含む)を有する第1の酸化物半導体膜を形成する。
そして、第1の酸化物半導体膜よりも厚い第2の酸化物半導体膜を形成し、さらに第2の
加熱処理として、450℃以上850℃以下、好ましくは600℃以上700℃以下の加
熱処理を行い、第1の酸化物半導体膜を結晶成長の種として、第1の酸化物半導体膜から
第2の酸化物半導体膜にかけて上方に向かって結晶成長させ、第2の酸化物半導体膜の全
体を結晶化させ、結果として膜厚の厚い結晶領域を有する酸化物半導体膜を用いて酸化物
半導体層を形成してもよい。
ン、若しくはタングステンなどの金属材料、又はこれらの金属材料を主成分とする合金材
料の膜を用いることができる。また、第1の導電膜に適用可能な材料の膜の積層膜により
第1の導電膜を形成することができる。
形成し、第2のレジストマスクを用いて選択的にエッチングを行って導電層405d及び
導電層406dを形成した後、第2のレジストマスクを除去する(図14(B)参照)。
の絶縁層447が露出しないように、それぞれの材料及びエッチング条件を適宜調節する
。
の分断を抑制するために、エッチング条件を最適化することが好ましい。しかしながら、
第1の導電膜のみエッチングが行われ、酸化物半導体層403dは、全くエッチングが行
われないという条件を得ることは難しく、第1の導電膜のエッチングの際に酸化物半導体
層403dは一部のみエッチングが行われ、溝部(凹部)を有する酸化物半導体層403
dとなることもある。
ザ光を用いる。酸化物半導体層403d上の導電層405dの下端部と導電層406dの
下端部との間隔幅によって後に形成されるトランジスタのチャネル長Lが決定される。な
お、チャネル長L=25nm未満の露光を行う場合には、数nm〜数10nmと極めて波
長が短い超紫外線(Extreme Ultraviolet)を用いて第3のレジスト
マスクの形成の際に露光を行うとよい。
2dを形成する(図14(C)参照)。
ことができる。例えば、スパッタリング法などを用いて絶縁層402dを形成することに
より、絶縁層402d中の水素濃度を低減することができる。
0.4Pa、高周波電源1.5kW、酸素及びアルゴン(酸素流量25sccm:アルゴ
ン流量25sccm=1:1)雰囲気下で膜厚100nmの酸化シリコン層を形成する。
アルミニウム、銅、ネオジム、若しくはスカンジウムなどの金属材料、又はこれらを主成
分とする合金材料の膜を用いることができる。また、第2の導電膜に適用可能な材料の膜
の積層膜により、第2の導電膜を構成することもできる。
形成し、第3のレジストマスクを用いて選択的に第2の導電膜のエッチングを行うことに
より導電層401dを形成し、第3のレジストマスクを除去する(図14(D)参照)。
0℃以上400℃以下、例えば250℃以上350℃以下)を行うこともできる。例えば
、第2の加熱処理として、窒素雰囲気下で250℃、1時間の加熱処理を行う。
水分、水酸基、又は水素化物(水素化合物ともいう)などの不純物を酸化物半導体層から
意図的に排除し、且つ酸素を酸化物半導体層に供給することができる。よって、酸化物半
導体層は高純度化する。以上が図10(D)に示すトランジスタの作製方法の一例である
。
)、及び図11(A)に示すトランジスタの作製方法の一例を示すが、これに限定されず
、例えば図10(B)及び図10(C)、並びに図11(B)乃至図11(D)に示す各
構成要素において、名称が図10(A)、図10(D)、及び図11(A)に示す各構成
要素と同じであり且つ機能の少なくとも一部が図10(A)、図10(D)、及び図11
(A)に示す各構成要素と同じであれば、図10(A)図10(D)、及び図11(A)
に示すトランジスタの作製方法の一例の説明を適宜援用することができる。
層を有するトランジスタであり、トランジスタに用いられる酸化物半導体層は、熱処理に
より高純度化させることによりI型又は実質的にI型となった酸化物半導体層である。
キャリア濃度は1×1014/cm3未満、好ましくは1×1012/cm3未満、さら
に好ましくは1×1011/cm3未満である。このように酸化物半導体層のキャリアの
数が極めて少ないため、本実施の形態のトランジスタでは、オフ電流を少なくすることが
できる。オフ電流は少なければ少ないほど好ましい。本実施の形態のトランジスタでは、
チャネル幅1μmあたりのオフ電流を10aA(1×10−17A)以下にすること、さ
らには、チャネル幅1μmあたりのオフ電流を1aA(1×10−18A)以下、さらに
はチャネル幅1μmあたりのオフ電流を10zA(1×10−20A)以下、チャネル幅
1μmあたりのオフ電流を1zA(1×10−21A)以下にすることができる。
ンジスタを高速に駆動することができる。
施の形態の半導体回路又は表示装置のA/D変換回路における比較回路のトランジスタ(
例えば図3に示すトランジスタ1122)に用いることにより、しきい値電圧の制御が可
能なトランジスタを容易に作製することができ、また、オフ状態のときのトランジスタの
リーク電流による比較回路の出力信号の電圧の変動を抑制することができる。
光電変換回路のトランジスタ(例えば図5に示すトランジスタ111b)に用いることに
より、オフ状態のときの該トランジスタのリーク電流による、他の素子との接続箇所(例
えば図5に示すノードN21)の電圧の変動を抑制することができる。
ことにより、上記実施の形態の半導体回路又は表示装置における光電変換回路及びA/D
変換回路(少なくとも比較回路)を同一基板上に同一工程で作製することができる。これ
により、光電変換回路からA/D変換回路に入力される信号のノイズを低減することがで
きる。
る。
本実施の形態では、上記実施の形態に示す半導体回路に適用可能な複数のトランジスタの
例について説明する。
の構造例について、図15を用いて説明する。図15は、本実施の形態における複数のト
ランジスタの構造例を示す断面模式図である。なお、図15では、1つのゲートを有する
トランジスタ及び2つのゲートを有するトランジスタを組み合わせた構造の一例について
示しているが、これに限定されず、全て複数のゲートを有するトランジスタを用いてもよ
い。
1及び2つのゲートを含むトランジスタ602を有する構造である。
、ゲート絶縁層としての機能を有する絶縁層617と、ゲート電極としての機能を有する
導電層618と、を有する。
半導体層611の上に設けられ、導電層618は、絶縁層617を介して半導体層611
の上に設けられる。
ソース領域又はドレイン領域となる不純物領域613及び不純物領域614と、を有する
。なお、チャネル形成領域612と不純物領域613の間に第1の高抵抗不純物領域を設
け、チャネル形成領域612と不純物領域614の間に第2の高抵抗不純物領域を設けて
もよい。第1の高抵抗不純物領域及び第2の高抵抗不純物領域は、不純物領域613及び
不純物領域614より抵抗値の高い領域であり、例えば不純物領域613及び不純物領域
614よりも低い濃度になるように、N型又はP型の導電性を付与する不純物元素を半導
体層611の一部に添加することにより形成される。第1の高抵抗領域及び第2の高抵抗
領域を設けることにより、トランジスタのソース及びドレインの間に印加される電界の集
中を緩和させることができる。
22、及び絶縁層623を介してトランジスタ601の上層に設けられる。トランジスタ
602としては、例えば上記実施の形態4に示す複数のゲートを有するトランジスタのい
ずれかを適用することができる。図15では、トランジスタ602の一例として図11(
A)を用いて説明した構造のトランジスタを示す。
を有する導電層626は、絶縁層617、絶縁層621、絶縁層622、及び絶縁層62
3を貫通して設けられた開口部を介して不純物領域614に接する。なお、複数の導電層
を介して導電層626と不純物領域614が接する構造であってもよい。
有する導電層626と同一層に設けられた導電層625は、絶縁層617、絶縁層621
、絶縁層622、及び絶縁層623を貫通して設けられた開口部を介して不純物領域61
3に接する。なお、複数の導電層を介して導電層625と不純物領域613が接する構造
であってもよい。
体層は、上面の一部(上面にソース電極又はドレイン電極となる導電層が設けられていな
い部分)に酸化物絶縁層627が接する。また、酸化物絶縁層627は、上部に保護絶縁
層628が設けられる。さらに、保護絶縁層628は、上部にトランジスタ602のチャ
ネル形成層としての機能を有する酸化物半導体層と重なる導電層629が設けられる。
、又はシリコン基板などを用いることができる。
酸化窒化シリコン層、酸化アルミニウム層、又は酸化窒化アルミニウム層を用いることが
できる。また、絶縁層603としては、上記絶縁層603に適用可能な材料の層と、例え
ば水素を含有する酸化シリコン層、水素を含有する窒化シリコン層、酸素と水素を含有す
る窒化シリコン層、酸化窒化シリコン層、又は窒化酸化シリコン層との積層などを用いる
ことができる。例えば水素を含有する酸化シリコンとしては、例えば有機シランを用いて
形成される酸化シリコンが好ましい。例えば有機シランを用いて形成された酸化シリコン
膜を用いることによって、基板600と半導体層611との接合を強固にすることができ
るためである。有機シランとしては、例えばテトラエトキシシラン(略称:TEOS 化
学式:Si(OC2H5)4)、テトラメチルシラン(略称:TMS 化学式:Si(C
H3)4)、テトラメチルシクロテトラシロキサン(略称:TMCTS)、オクタメチル
シクロテトラシロキサン(略称:OMCTS)、ヘキサメチルジシラザン(略称:HMD
S)、トリエトキシシラン(化学式:SiH(OC2H5)3)、トリスジメチルアミノ
シラン(化学式:SiH(N(CH3)2)3)などのシリコン含有化合物などを用いる
ことができる。
を含む層を用いることができる。また、半導体層611としては、単結晶半導体層、多結
晶半導体層、微結晶半導体層、又は非晶質半導体層を用いることができる。
備し、単結晶半導体基板に損傷領域を形成する。例えば、イオン照射により該損傷領域を
形成する。さらに、損傷領域が設けられた単結晶半導体基板と基板600を絶縁層603
を介して貼り合わせた後、損傷領域を劈開面として貼り合わせ基板(単結晶半導体基板及
び基板600)から単結晶半導体基板の一部を分離させ、その後、基板600の上に設け
られた残存単結晶半導体領域をエッチングなどにより選択的に除去することにより該単結
晶半導体層を形成することができる。
を含む領域であり、例えばN型又はP型の導電性を付与する不純物元素を添加することに
より形成される。
窒化酸化シリコン層、酸化アルミニウム層、窒化アルミニウム層、酸化窒化アルミニウム
層、窒化酸化アルミニウム層、又は酸化ハフニウム層を用いることができる。また、絶縁
層617に適用可能な材料の層の積層により絶縁層617を構成することもできる。絶縁
層617に適用可能な材料の層は、例えばプラズマCVD法又はスパッタリング法などを
用いて形成することができる。例えば、プラズマCVD法により窒化シリコン層を形成し
、プラズマCVD法により窒化シリコン層の上に酸化シリコン層を形成することにより絶
縁層617を作製することができる。
アルミニウム、銅、ネオジム、若しくはスカンジウムなどの金属材料、又はこれらを主成
分とする合金材料の層を用いることができる。また、導電層618の形成に適用可能な材
料の層の積層により、導電層618を構成することもできる。導電層618は、例えばス
パッタリング法により導電膜を形成し、該導電膜を選択的にエッチングすることにより形
成される。
酸化窒化シリコン層、酸化アルミニウム層、又は酸化窒化アルミニウム層を用いることが
できる。また、絶縁層621に適用可能な材料の層を積層させて絶縁層621を構成する
こともできる。絶縁層621は、例えばプラズマCVD法などを用いて形成される。
絶縁層622に適用可能な材料の層を積層させて絶縁層622を構成することもできる。
絶縁層622は、例えばプラズマCVD法などを用いて形成される。
酸化窒化シリコン層、酸化アルミニウム層、又は酸化窒化アルミニウム層を用いることが
できる。また、絶縁層623に適用可能な材料の層を積層させて絶縁層623を構成する
こともできる。絶縁層623は、例えばプラズマCVD法などを用いて形成される。
レイン電極としての機能を有する導電層に適用可能な材料の層を用いることができる。ま
た、導電層625及び導電層626に適用可能な材料の層を積層させて導電層625及び
導電層626を構成することもできる。
態の半導体回路を構成することもできる。これにより、例えばオフ電流の低いトランジス
タが必要な場合には、酸化物半導体層を含むトランジスタ(例えばトランジスタ602)
を用い、その他のトランジスタは、酸化物半導体層を含むトランジスタ又は他の材料を用
いたトランジスタ(例えばトランジスタ601)を用いるなど、それぞれの回路の特性に
応じて最適な構造のトランジスタを選択的に用いることができる。
る。
本実施の形態では、上記実施の形態に示す画素部に光検出手段を有する表示装置の構造例
について説明する。
本実施の形態における表示装置の構造例を示す断面模式図である。
。なお、これに限定されず、本実施の形態の表示装置をP型半導体層、I型半導体層、及
びN型半導体層が順に積層された積層型のフォトダイオードを有する構造にすることもで
きる。
封止された領域に画素部及び駆動回路部を有し、画素部は、フォトダイオード4011と
、トランジスタ4012と、トランジスタ4013と、を有し、駆動回路部は、トランジ
スタ4014と、を有する。
の形態3に示す表示装置の構成を適用することができる。図16では、一例として、フォ
トセンサの一部について示す。
ォトセンサを制御するための回路の少なくとも一部を有する。駆動回路部の構成としては
、例えば上記実施の形態3に示す表示回路制御回路及びフォトセンサ制御回路の構成を適
用することができる。図16では、一例としてフォトセンサ読み出し回路の一部について
示す。
いて構成することもできる。このとき、図16に示す表示装置と、別途形成された駆動回
路との接続方法は、特に限定されるものではなく、COG法、ワイヤボンディング法、或
いはTAB法などを用いることができる。
物領域4062と、高抵抗半導体領域4063と、N型不純物領域4064と、を有する
。フォトダイオード4011は、例えばトランジスタ4013と同一工程で形成され、半
導体層4061としては、トランジスタ4013の半導体層に適用可能な材料の層を用い
ることができる。
を適用することができる。図16では、トランジスタ4012の一例として図10(D)
を用いて説明した構造のトランジスタを示す。なお、これに限定されず、例えば図10(
A)を用いて説明した構造のトランジスタを用いて該トランジスタの酸化物半導体層への
光の入射を抑制することもできる。
能を有する導電層4053は、絶縁層4021、絶縁層4022、及び絶縁層4023を
貫通して設けられた開口部を介してフォトダイオード4011のN型不純物領域4064
に接する。なお、本実施の形態の表示装置は、複数の導電層を介して導電層4053とN
型不純物領域4064が接する構造であってもよい。
して設けられた開口部を介してフォトダイオード4011のP型不純物領域4062に接
する。なお、本実施の形態の表示装置は、複数の導電層を介して導電層4065とP型不
純物領域4062が接する構造であってもよい。
た構造のトランジスタを適用することができる。図16では、トランジスタ4013の一
例としてトランジスタ601を用いて説明した構造のトランジスタを示す。
ランジスタのいずれかを適用することができる。複数のゲートを有するトランジスタを用
いることにより、例えば上記実施の形態3に示すコンパレータ219のトランジスタ22
0を構成することができる。図16では、トランジスタ4014の一例として図11(D
)を用いて説明した構造のトランジスタを示す。
導電層4030と、絶縁層4032と、液晶層4008と、絶縁層4033と、スペーサ
としての機能を有する絶縁層4035と、対向電極としての機能を有する導電層4031
と、を有する。
4013、及びトランジスタ4014の上に設けられ、導電層4030は、平坦化層40
25の上に設けられ、絶縁層4032は、導電層4030を介して平坦化層4025の上
に設けられ、導電層4031は、基板4006に接して設けられ、絶縁層4033は、導
電層4031に接して設けられ、絶縁層4035は、シール材4005により囲まれた領
域に絶縁層4032及び絶縁層4033を介して導電層4030あるいは平坦化層402
5及び導電層4031の間に設けられ、液晶層4008は、シール材4005により囲ま
れた領域に絶縁層4032及び絶縁層4033を介して、導電層4030あるいは平坦化
層4025及び導電層4031の間に設けられる。
構成される。
線と電気的に接続される。また、共通電圧線との接続部(共通接続部ともいう)を用いて
、一対の基板間に配置される導電性粒子を介して導電層4031と共通電圧線とを電気的
に接続することができる。
サであり、導電層4030と導電層4031との間の距離(セルギャップ)を制御するた
めに設けられている。なお、絶縁層4035として球状のスペーサを用いてもよい。
01の上に設けられた導電層4016と、導電層4016に接する導電層4015と、異
方性導電層4019を介してFPC4018に電気的に接続される。導電層4015及び
導電層4016は、端子電極としての機能を有する。
6は、例えばトランジスタ4014のソース電極又はドレイン電極としての機能を有する
導電層と同じ導電膜を用いて形成される。
基板としては、例えばガラス基板又はプラスチック基板などを用いることができる。プラ
スチック基板としては、例えばFRP(Fiberglass−Reinforced
Plastics)板、PVF(ポリビニルフルオライド)フィルム、ポリエステルフィ
ルム、又はアクリル樹脂フィルムなどを用いることができる。
ミド、又はエポキシなどの耐熱性を有する有機材料の層を用いることができる。また、平
坦化層4025としては、上記有機材料の層の他に、低誘電率材料(low−k材料)、
シロキサン系樹脂、PSG(リンガラス)、BPSG(リンボロンガラス)などの層を用
いることもできる。また、平坦化層4025に適用可能な材料の層を積層して平坦化層4
025を構成することもできる。
SOG法、スピンコート法、ディップ法、スプレー塗布法、液滴吐出法(インクジェット
法、スクリーン印刷、オフセット印刷など)、ドクターナイフを用いた形成法、ロールコ
ーターを用いた形成法、カーテンコーターを用いた形成法、ナイフコーターを用いた形成
法などを用いることができる。
いることができ、透光性を有する導電材料としては、例えばインジウム錫酸化物、酸化イ
ンジウムに酸化亜鉛を混合した金属酸化物(IZO:indium zinc oxid
eともいう)、酸化インジウムに酸化珪素(SiO2)を混合した導電材料、有機インジ
ウム、有機スズ、酸化タングステンを含むインジウム酸化物、酸化タングステンを含むイ
ンジウム亜鉛酸化物、酸化チタンを含むインジウム酸化物、又は酸化チタンを含むインジ
ウム錫酸化物などを用いることができる。また、本実施の形態の表示装置を反射型とする
場合、導電層4030及び導電層4031としては、例えばタングステン、モリブデン、
ジルコニウム、ハフニウム、バナジウム、ニオブ、タンタル、クロム、コバルト、ニッケ
ル、チタン、白金、アルミニウム、銅、若しくは銀などの金属、又はその合金の層を用い
ることができる。また、導電層4030及び導電層4031に適用可能な材料の層を積層
して導電層4030及び導電層4031を構成してもよい。
を含む導電性組成物を用いて形成することができる。導電性組成物を用いて形成した導電
層は、シート抵抗が10000Ω/□以下、波長550nmにおける透光率が70%以上
であることが好ましい。また、導電性組成物に含まれる導電性高分子の抵抗率は、0.1
Ω・cm以下であることが好ましい。
子共役系導電性高分子としては、例えばポリアニリン若しくはその誘導体、ポリピロール
若しくはその誘導体、ポリチオフェン若しくはその誘導体、又は、アニリン、ピロール及
びチオフェンの2種以上の共重合体若しくはその誘導体を用いることができる。
B型液晶、GH液晶、高分子分散型液晶、又はディスコチック液晶などを用いることがで
きる。
ic)モード、IPS(In−Plane−Switching)モード、VA(Ver
tical Alignment)モード、ASM(Axially Symmetri
c aligned Micro−cell)モード、OCB(Optically C
ompensated Birefringence)モード、FLC(Ferroel
ectric Liquid Crystal)モード、又はAFLC(AntiFer
roelectric Liquid Crystal)モード、MVA(Multi−
Domain Vertical Alignment)モード、PVA(Patter
ned Vertical Alignment)モード、又はASVモードなどを用い
ることができる。また、これに限定されず、FFS(Fringe Field Swi
tching)モードなど用いてもよい。
もよい。ブルー相は、液晶相の一つであり、コレステリック液晶を昇温していくと、コレ
ステリック相から等方相へ転移する直前に発現する相である。ブルー相は、狭い温度範囲
でしか発現しないため、温度範囲を改善するために5重量%以上のカイラル剤を混合させ
た液晶組成物を液晶材料として用いる。ブルー相を示す液晶とカイラル剤とを含む液晶組
成物は、応答速度が1msec以下と短く、光学的等方性であるため配向処理が不要であ
り、視野角依存性が小さい。また、配向膜を設けなくてもよいのでラビング処理も不要と
なるため、ラビング処理によって引き起こされる静電破壊を防止することができ、作製工
程中の表示装置の不良や破損を軽減することができる。よって、表示装置の生産性を向上
させることが可能となる。特に、酸化物半導体層を有するトランジスタは、静電気の影響
によりトランジスタの電気的な特性が著しく変動して設計範囲を逸脱する恐れがある。よ
って、酸化物半導体層を有するトランジスタを有する表示装置にブルー相の液晶材料を用
いることにより、静電気によるトランジスタの電気的変動を抑制することができる。
に着色層、表示素子に用いる電極層という順に設けてもよいし、偏光板を基板の内側に設
けてもよい。また、偏光板と着色層の積層構造は、偏光板及び着色層の材料や作製工程条
件によって適宜設定すればよい。また、表示部以外にブラックマトリクスとして機能する
遮光層を設けてもよい。
位相差部材、反射防止部材などの光学部材(光学基板)などを適宜設けることができる。
例えば、光学部材としては、偏光基板及び位相差基板による円偏光板を用いてもよい。ま
た、光源としてバックライトなどを用いてもよい。
オード)光源又は複数のEL光源などを用いて面光源を構成し、面光源を構成している各
光源を独立して1フレーム期間内で間欠点灯駆動する駆動技術もある。面光源として、3
種類以上のLEDを用いてもよいし、白色発光のLEDを用いてもよい。独立して複数の
LEDを制御できるため、液晶層の光学変調の切り替えタイミングに合わせてLEDの発
光タイミングを同期させることもできる。この駆動技術は、LEDを部分的に消灯するこ
とができるため、特に一画面を占める黒い表示領域の割合が多い映像表示の場合には、消
費電力を低減することができる。
部と同一基板上に保護回路を設けることが好ましい。保護回路は、酸化物半導体層を用い
た非線形素子を用いて構成することが好ましい。例えば、保護回路は、画素部と、走査線
入力端子及び信号線入力端子との間に配設されている。本実施の形態では、複数の保護回
路を配設して、走査線、信号線及び容量バス線に静電気などによりサージ電圧が印加され
、画素トランジスタなどが破壊されないように構成されている。そのため、保護回路は、
サージ電圧が印加されたときに共通配線に電荷を逃がすように構成する。また、保護回路
は、走査線に対して並列に配置された非線形素子によって構成されている。非線形素子は
、ダイオードのような二端子素子又はトランジスタのような三端子素子で構成される。例
えば、画素部のトランジスタと同じ工程で形成することも可能であり、例えばゲート端子
とドレイン端子を接続することによりダイオードと同様の特性を持たせることができる。
た、本実施の形態の表示装置の構成にすることにより画素部とフォトセンサ読み出し回路
を同一基板上に設けることができるため、フォトセンサ読み出し回路へのノイズの影響を
抑制することができる。
る。
本実施の形態では、上記実施の形態における画素部に光検出手段を有する表示装置を備え
た電子機器について説明する。
、図17(D)、図17(E)、及び図17(F)を用いて説明する。図17(A)乃至
図17(F)は、本実施の形態の電子機器の構成例を示す図である。
情報通信端末は、少なくとも表示部1001を有する。上記実施の形態に示す表示装置は
、表示部1001に搭載される。上記実施の形態に示す表示装置を表示部1001に搭載
することにより、例えば表示部1001にタッチパネルによる操作部1002を設けて携
帯電話機として利用することができる。操作部1002を必ずしも表示部1001に設け
なくてもよく、図17(A)に示す携帯型情報通信端末は、別途操作ボタンを設けた構成
にすることもできる。またメモ帳の代わりとしての利用やハンディスキャナーとして図1
7(A)に示す携帯型情報通信端末を利用することもできる。
図17(B)に示す情報案内端末は、少なくとも表示部1101を有し、さらに図17(
B)に示す情報案内端末を操作ボタン1102及び外部入力端子1103を有する構成に
することもできる。自動車の車内は、気温と共に温度が大きく変動し、温度が50℃を超
えることもある。しかし上記実施の形態に示す表示装置は、温度による特性変化の影響が
少ないため、自動車の車内のような温度が大きく変動する環境下において特に有効である
。上記実施の形態の表示装置は、表示部1101に搭載される。上記実施の形態の表示装
置を表示部1101に搭載することにより、表示部1101に接触して操作又は接触せず
に操作することもできるため、操作性を向上させることができる。
に示すノート型パーソナルコンピュータは、筐体1201と、表示部1202と、スピー
カ1203と、LEDランプ1204と、ポインティングデバイス1205と、接続端子
1206と、キーボード1207と、を有する。上記実施の形態の表示装置は、表示部1
202に搭載される。上記実施の形態の表示装置を表示部1202に搭載することにより
、例えば表示部1202に直接文字を書くように入力動作を行うことができる。また、上
記実施の形態の表示装置を表示部1202に搭載することにより、キーボード1207の
代わりとなる入力部を表示部1202に設けることもできる。
は、表示部1301と、表示部1302と、スピーカ1303と、接続端子1304と、
LEDランプ1305と、マイクロフォン1306と、記録媒体読込部1307と、操作
ボタン1308と、センサ1309と、を有する。上記実施の形態の表示装置は、表示部
1301及び表示部1302、又は表示部1301若しくは表示部1302に搭載される
。上記実施の形態の表示装置を表示部1301又は表示部1302に搭載することにより
、表示部1301又は表示部1302に接触して操作又は接触せずに操作することもでき
るため、入力手段(例えば指やペンなど)の操作性を向上させることができる。
くとも筐体1401と、筐体1403と、表示部1405と、表示部1407と、軸部1
411と、を有する。
子書籍は、該軸部1411を軸として開閉動作を行うことができる。このような構成によ
り、紙の書籍のような動作を行うことができる。また、表示部1405は、筐体1401
に組み込まれ、表示部1407は、筐体1403に組み込まれる。また、表示部1405
及び表示部1407の構成を互いに異なる画像を表示する構成としてもよく、例えば両方
の表示部で一続きの画像を表示する構成としてもよい。表示部1405及び表示部140
7を異なる画像を表示する構成にすることにより、例えば右側の表示部(図17(E)で
は表示部1405)に文章画像を表示し、左側の表示部(図17(E)では表示部140
7)に映像を表示することができる。
ば、図17(E)に示す電子書籍の構成を電源ボタン1421と、操作キー1423と、
スピーカ1425と、を有する構成にすることもできる。図17(E)に示す電子書籍は
、操作キー1423を用いることにより、複数の頁がある画像の頁を送ることができる。
また、図17(E)に示す電子書籍の表示部1405及び表示部1407、又は表示部1
405又は表示部1407にキーボードやポインティングデバイスなどを設けた構成とし
てもよい。また、図17(E)に示す電子書籍の筐体1401及び筐体1403の裏面や
側面に、外部接続用端子(イヤホン端子、USB端子、又はACアダプタ又はUSBケー
ブルなどの各種ケーブルと接続可能な端子など)、記録媒体挿入部などを設けてもよい。
さらに、図17(E)に示す電子書籍に電子辞書としての機能を持たせてもよい。
405若しくは表示部1407に搭載することができる。上記実施の形態の表示装置を表
示部1405又は表示部1407に搭載することにより、表示部1405又は表示部14
07に接触して操作又は接触せずに操作することもできるため、入力手段(例えば指やペ
ンなど)の操作性を向上させることができる。
。これにより、電子書籍サーバから所望の書籍データなどを購入し、ダウンロードする機
能を付加させることができる。
は、筐体1501と、表示部1502と、スピーカ1503と、LEDランプ1504と
、操作ボタン1505と、接続端子1506と、センサ1507と、マイクロフォン15
08と、支持台1509と、を有する。上記実施の形態の表示装置は、表示部1502に
搭載される。上記実施の形態の表示装置を表示部1502に搭載することにより、表示部
1502に接触して操作又は接触せずに操作することもできるため、入力手段(例えば指
やペンなど)の操作性を向上させることができる。
充電する蓄電装置と、該蓄電装置に充電された電圧を各回路に必要な電圧に変換する直流
変換回路と、を用いて構成される電源回路を有する構成にしてもよい。これにより外部電
源が不要となるため、外部電源が無い場所であっても、該電子機器を長時間使用すること
ができるため、利便性を向上させることができる。蓄電装置としては、例えばリチウムイ
オン二次電池、リチウムイオンキャパシタ、電気二重層キャパシタ、及びレドックスキャ
パシタのいずれか一つ又は複数などを用いることができる。例えばリチウムイオン二次電
池及びリチウムイオンキャパシタを併用することにより、高速充放電が可能であり、且つ
長時間電源を供給することが可能な蓄電装置にすることができる。なお、リチウムイオン
二次電池に限定されず、蓄電装置として、他のアルカリ金属イオン又はアルカリ土類金属
イオンなどを可動イオンとして用いた二次電池を用いてもよい。また、リチウムイオンキ
ャパシタに限定されず、蓄電装置として、他のアルカリ金属イオン又はアルカリ土類金属
イオンなどを可動イオンとして用いたキャパシタを用いてもよい。
接触して操作、又は接触せずに操作することが可能な電子機器を提供することができる。
る。
101 画素回路
102 表示回路制御回路
103 フォトセンサ制御回路
104 画素
105 表示回路
106 フォトセンサ
107 表示回路駆動回路
108 表示回路駆動回路
109 フォトセンサ読み出し回路
110 フォトセンサ駆動回路
111 光電変換回路
111a 光電変換素子
111b トランジスタ
111c トランジスタ
111d トランジスタ
112 A/D変換回路
112a 比較回路
112b A/D変換制御回路
112c D/A変換回路
121 期間
122 期間
123 期間
201 トランジスタ
202 保持容量
203 液晶素子
204 フォトダイオード
205 トランジスタ
206 トランジスタ
207 トランジスタ
208 ゲート信号線
209 ゲート信号線
210 フォトダイオードリセット信号線
211 ゲート信号線
212 ビデオデータ信号線
213 フォトセンサ基準信号線
214 フォトセンサ出力信号線
215 ゲート信号線
216 プリチャージ回路
217 トランジスタ
218 プリチャージ信号線
219 コンパレータ
220 トランジスタ
221 抵抗素子
222 コンパレータ出力信号線
223 バックゲート信号線
224 A/D変換回路
301 信号
302 信号
303 信号
304 信号
305 信号
306 信号
307 信号
308 信号
400a 基板
400b 基板
400c 基板
400d 基板
401a 導電層
401b 導電層
401c 導電層
401d 導電層
402a 絶縁層
402b 絶縁層
402c 絶縁層
402d 絶縁層
403a 酸化物半導体層
403b 酸化物半導体層
403c 酸化物半導体層
403d 酸化物半導体層
405a 導電層
405b 導電層
405c 導電層
405d 導電層
406a 導電層
406b 導電層
406c 導電層
406d 導電層
407a 酸化物絶縁層
407c 酸化物絶縁層
409a 保護絶縁層
409b 保護絶縁層
409c 保護絶縁層
431a 導電層
431b 導電層
431c 導電層
431d 導電層
427 絶縁層
447 絶縁層
530 酸化物半導体膜
600 基板
601 トランジスタ
602 トランジスタ
603 絶縁層
611 半導体層
612 チャネル形成領域
613 不純物領域
614 不純物領域
617 絶縁層
618 導電層
621 絶縁層
622 絶縁層
623 絶縁層
625 導電層
626 導電層
627 酸化物絶縁層
628 保護絶縁層
629 導電層
1001 表示部
1002 操作部
1101 表示部
1102 操作ボタン
1103 外部入力端子
1121 抵抗素子
1122 トランジスタ
1201 筐体
1202 表示部
1203 スピーカ
1204 LEDランプ
1205 ポインティングデバイス
1206 接続端子
1207 キーボード
1301 表示部
1302 表示部
1303 スピーカ
1304 接続端子
1305 LEDランプ
1306 マイクロフォン
1307 記録媒体読込部
1308 操作ボタン
1309 センサ
1401 筐体
1403 筐体
1405 表示部
1407 表示部
1411 軸部
1421 電源ボタン
1423 操作キー
1425 スピーカ
1501 筐体
1502 表示部
1503 スピーカ
1504 LEDランプ
1505 操作ボタン
1506 接続端子
1507 センサ
1508 マイクロフォン
1509 支持台
4001 基板
4005 シール材
4006 基板
4008 液晶層
4011 フォトダイオード
4012 トランジスタ
4013 トランジスタ
4014 トランジスタ
4015 導電層
4016 導電層
4017 液晶素子
4018 FPC
4019 異方性導電層
4020 絶縁層
4021 絶縁層
4022 絶縁層
4023 絶縁層
4025 平坦化層
4030 導電層
4031 導電層
4032 絶縁層
4033 絶縁層
4035 絶縁層
4053 導電層
4061 半導体層
4062 P型不純物領域
4063 高抵抗半導体領域
4064 N型不純物領域
4065 導電層
Claims (4)
- 光電変換回路と、A/D変換回路と、を有し、
前記光電変換回路は、光電変換素子と、第1のトランジスタと、第2のトランジスタと、を有し、
前記A/D変換回路は、第3のトランジスタを有し、
前記第3のトランジスタは、第1のゲートと、第2のゲートと、を有し、
前記第1のトランジスタの第1の端子は、前記光電変換素子と電気的に接続され、
前記第1のトランジスタの第2の端子は、前記第2のトランジスタのゲートと電気的に接続され、
前記第2のトランジスタの第1の端子は、フォトセンサ基準信号線と電気的に接続され、
前記第2のトランジスタの第2の端子は、フォトセンサ出力信号線と電気的に接続され、
前記第3のトランジスタの第1のゲートは、前記フォトセンサ出力信号線と電気的に接続され、
前記第3のトランジスタの第2のゲートには、逐次的に値が変化する電圧が入力され、
前記第3のトランジスタのしきい値電圧は、逐次的に変化することを特徴とする回路。 - 請求項1において、
前記第1のトランジスタ及び前記第3のトランジスタは、チャネル形成領域に酸化物半導体を有し、
前記第2のトランジスタは、チャネル形成領域に単結晶シリコンを有することを特徴とする回路。 - 請求項1又は2において、
前記A/D変換回路は、A/D変換制御回路と、D/A変換回路と、を有することを特徴とする回路。 - 請求項1乃至3のいずれか一項に記載の回路と、
液晶素子又は発光素子と、を有する表示装置。
Priority Applications (1)
| Application Number | Priority Date | Filing Date | Title |
|---|---|---|---|
| JP2015040200A JP6173375B2 (ja) | 2010-02-12 | 2015-03-02 | 回路及び表示装置 |
Applications Claiming Priority (3)
| Application Number | Priority Date | Filing Date | Title |
|---|---|---|---|
| JP2010029010 | 2010-02-12 | ||
| JP2010029010 | 2010-02-12 | ||
| JP2015040200A JP6173375B2 (ja) | 2010-02-12 | 2015-03-02 | 回路及び表示装置 |
Related Parent Applications (1)
| Application Number | Title | Priority Date | Filing Date |
|---|---|---|---|
| JP2011019915A Division JP2011188477A (ja) | 2010-02-12 | 2011-02-01 | 半導体回路及び表示装置 |
Related Child Applications (1)
| Application Number | Title | Priority Date | Filing Date |
|---|---|---|---|
| JP2016088739A Division JP6449809B2 (ja) | 2010-02-12 | 2016-04-27 | 回路及び表示装置 |
Publications (2)
| Publication Number | Publication Date |
|---|---|
| JP2015122807A JP2015122807A (ja) | 2015-07-02 |
| JP6173375B2 true JP6173375B2 (ja) | 2017-08-02 |
Family
ID=44367650
Family Applications (3)
| Application Number | Title | Priority Date | Filing Date |
|---|---|---|---|
| JP2011019915A Withdrawn JP2011188477A (ja) | 2010-02-12 | 2011-02-01 | 半導体回路及び表示装置 |
| JP2015040200A Expired - Fee Related JP6173375B2 (ja) | 2010-02-12 | 2015-03-02 | 回路及び表示装置 |
| JP2016088739A Expired - Fee Related JP6449809B2 (ja) | 2010-02-12 | 2016-04-27 | 回路及び表示装置 |
Family Applications Before (1)
| Application Number | Title | Priority Date | Filing Date |
|---|---|---|---|
| JP2011019915A Withdrawn JP2011188477A (ja) | 2010-02-12 | 2011-02-01 | 半導体回路及び表示装置 |
Family Applications After (1)
| Application Number | Title | Priority Date | Filing Date |
|---|---|---|---|
| JP2016088739A Expired - Fee Related JP6449809B2 (ja) | 2010-02-12 | 2016-04-27 | 回路及び表示装置 |
Country Status (5)
| Country | Link |
|---|---|
| US (1) | US8610696B2 (ja) |
| JP (3) | JP2011188477A (ja) |
| KR (1) | KR101817054B1 (ja) |
| TW (1) | TWI510081B (ja) |
| WO (1) | WO2011099368A1 (ja) |
Families Citing this family (45)
| Publication number | Priority date | Publication date | Assignee | Title |
|---|---|---|---|---|
| JP4900200B2 (ja) * | 2007-11-15 | 2012-03-21 | ソニー株式会社 | 固体撮像素子、およびカメラシステム |
| JP5100670B2 (ja) * | 2009-01-21 | 2012-12-19 | 株式会社半導体エネルギー研究所 | タッチパネル、電子機器 |
| US8803063B2 (en) * | 2010-02-19 | 2014-08-12 | Semiconductor Energy Laboratory Co., Ltd. | Photodetector circuit |
| JP5899220B2 (ja) * | 2010-09-29 | 2016-04-06 | ポスコ | ロール状の母基板を利用したフレキシブル電子素子の製造方法、フレキシブル電子素子及びフレキシブル基板 |
| US9024317B2 (en) | 2010-12-24 | 2015-05-05 | Semiconductor Energy Laboratory Co., Ltd. | Semiconductor circuit, method for driving the same, storage device, register circuit, display device, and electronic device |
| US9935622B2 (en) | 2011-04-28 | 2018-04-03 | Semiconductor Energy Laboratory Co., Ltd. | Comparator and semiconductor device including comparator |
| US8891285B2 (en) | 2011-06-10 | 2014-11-18 | Semiconductor Energy Laboratory Co., Ltd. | Semiconductor memory device |
| JP6116149B2 (ja) | 2011-08-24 | 2017-04-19 | 株式会社半導体エネルギー研究所 | 半導体装置 |
| US8698137B2 (en) | 2011-09-14 | 2014-04-15 | Semiconductor Energy Laboratory Co., Ltd. | Semiconductor device |
| CN103843145B (zh) * | 2011-09-29 | 2017-03-29 | 株式会社半导体能源研究所 | 半导体装置 |
| KR20140074384A (ko) * | 2011-10-14 | 2014-06-17 | 가부시키가이샤 한도오따이 에네루기 켄큐쇼 | 반도체 장치 |
| KR20130040706A (ko) * | 2011-10-14 | 2013-04-24 | 가부시키가이샤 한도오따이 에네루기 켄큐쇼 | 반도체 장치 및 반도체 장치의 제작 방법 |
| KR20130046357A (ko) * | 2011-10-27 | 2013-05-07 | 가부시키가이샤 한도오따이 에네루기 켄큐쇼 | 반도체 장치 |
| JP5910294B2 (ja) * | 2012-05-10 | 2016-04-27 | 富士通株式会社 | 電子装置及び積層構造体の製造方法 |
| JP2014045175A (ja) | 2012-08-02 | 2014-03-13 | Semiconductor Energy Lab Co Ltd | 半導体装置 |
| CN103716028A (zh) * | 2012-09-28 | 2014-04-09 | 中国航空工业集团公司第六三一研究所 | 开关切换调试/非调试模式和上下电状态的电路及方法 |
| US9412799B2 (en) | 2013-08-26 | 2016-08-09 | Apple Inc. | Display driver circuitry for liquid crystal displays with semiconducting-oxide thin-film transistors |
| US9818765B2 (en) | 2013-08-26 | 2017-11-14 | Apple Inc. | Displays with silicon and semiconducting oxide thin-film transistors |
| JP2015188062A (ja) * | 2014-02-07 | 2015-10-29 | 株式会社半導体エネルギー研究所 | 半導体装置 |
| JP6171997B2 (ja) | 2014-03-14 | 2017-08-02 | ソニー株式会社 | 固体撮像素子およびその駆動方法、並びに電子機器 |
| TWI505158B (zh) * | 2014-04-01 | 2015-10-21 | Au Optronics Corp | 觸控偵測電路 |
| KR20250078611A (ko) | 2014-06-09 | 2025-06-02 | 가부시키가이샤 한도오따이 에네루기 켄큐쇼 | 촬상 장치 |
| US9881954B2 (en) | 2014-06-11 | 2018-01-30 | Semiconductor Energy Laboratory Co., Ltd. | Imaging device |
| TWI700823B (zh) | 2014-06-27 | 2020-08-01 | 日商半導體能源研究所股份有限公司 | 攝像裝置及電子裝置 |
| US9543370B2 (en) | 2014-09-24 | 2017-01-10 | Apple Inc. | Silicon and semiconducting oxide thin-film transistor displays |
| KR20160144314A (ko) | 2015-06-08 | 2016-12-16 | 가부시키가이샤 한도오따이 에네루기 켄큐쇼 | 촬상 장치 및 그 동작 방법, 및 전자 기기 |
| US10163948B2 (en) | 2015-07-23 | 2018-12-25 | Semiconductor Energy Laboratory Co., Ltd. | Imaging device and electronic device |
| JP6814429B2 (ja) * | 2015-08-10 | 2021-01-20 | 天馬微電子有限公司 | 光センサ素子及び光電変換装置 |
| CN105224138B (zh) * | 2015-10-22 | 2019-04-19 | 京东方科技集团股份有限公司 | 悬浮触控显示装置 |
| US9818344B2 (en) | 2015-12-04 | 2017-11-14 | Apple Inc. | Display with light-emitting diodes |
| US10347681B2 (en) | 2016-02-19 | 2019-07-09 | Semiconductor Energy Laboratory Co., Ltd. | Imaging device |
| US10305460B2 (en) | 2016-02-23 | 2019-05-28 | Semiconductor Energy Laboratory Co., Ltd. | Data comparison circuit and semiconductor device |
| JP6906978B2 (ja) | 2016-02-25 | 2021-07-21 | 株式会社半導体エネルギー研究所 | 半導体装置、半導体ウェハ、および電子機器 |
| US10014325B2 (en) * | 2016-03-10 | 2018-07-03 | Semiconductor Energy Laboratory Co., Ltd. | Semiconductor device and electronic device |
| KR20170124068A (ko) | 2016-05-01 | 2017-11-09 | (주)이노프레소 | 복합 휴먼 인터페이스가 구비된 전자기기 |
| EP3859496A1 (en) | 2016-06-23 | 2021-08-04 | Innopresso, Inc. | Electronic device having complex human interface |
| KR20180055701A (ko) | 2016-11-17 | 2018-05-25 | 가부시키가이샤 한도오따이 에네루기 켄큐쇼 | 반도체 장치 및 반도체 장치의 제작 방법 |
| KR102768498B1 (ko) * | 2016-12-09 | 2025-02-17 | 삼성디스플레이 주식회사 | 유기 발광 표시 장치 |
| JP2019033414A (ja) * | 2017-08-09 | 2019-02-28 | 富士電機株式会社 | 差動回路およびopアンプ |
| KR102763624B1 (ko) | 2018-02-12 | 2025-02-10 | 삼성디스플레이 주식회사 | 유기 발광 표시 장치 |
| TWI669815B (zh) * | 2018-06-26 | 2019-08-21 | 智晶光電股份有限公司 | 柔性基板側向薄膜封裝 |
| WO2020042187A1 (zh) | 2018-08-31 | 2020-03-05 | 深圳市汇顶科技股份有限公司 | 逆流开关 |
| WO2020089725A1 (ja) * | 2018-11-02 | 2020-05-07 | 株式会社半導体エネルギー研究所 | 電源回路、および当該電源回路を備えた半導体装置 |
| TWI739431B (zh) * | 2019-12-09 | 2021-09-11 | 大陸商廣州印芯半導體技術有限公司 | 資料傳輸系統及其資料傳輸方法 |
| KR20250174159A (ko) * | 2024-06-04 | 2025-12-12 | 삼성디스플레이 주식회사 | 픽셀 회로 및 이를 포함하는 표시 장치 |
Family Cites Families (112)
| Publication number | Priority date | Publication date | Assignee | Title |
|---|---|---|---|---|
| JPS5923625A (ja) * | 1982-07-30 | 1984-02-07 | Citizen Watch Co Ltd | 信号処理回路 |
| JPH0339930U (ja) * | 1989-08-29 | 1991-04-17 | ||
| KR100394896B1 (ko) * | 1995-08-03 | 2003-11-28 | 코닌클리케 필립스 일렉트로닉스 엔.브이. | 투명스위칭소자를포함하는반도체장치 |
| JP3625598B2 (ja) * | 1995-12-30 | 2005-03-02 | 三星電子株式会社 | 液晶表示装置の製造方法 |
| JP4170454B2 (ja) | 1998-07-24 | 2008-10-22 | Hoya株式会社 | 透明導電性酸化物薄膜を有する物品及びその製造方法 |
| JP2000150861A (ja) * | 1998-11-16 | 2000-05-30 | Tdk Corp | 酸化物薄膜 |
| JP3276930B2 (ja) * | 1998-11-17 | 2002-04-22 | 科学技術振興事業団 | トランジスタ及び半導体装置 |
| JP2000209089A (ja) | 1999-01-14 | 2000-07-28 | Nec Corp | A/dコンバ―タテスト方式および方法 |
| TW460731B (en) * | 1999-09-03 | 2001-10-21 | Ind Tech Res Inst | Electrode structure and production method of wide viewing angle LCD |
| JP4112184B2 (ja) | 2000-01-31 | 2008-07-02 | 株式会社半導体エネルギー研究所 | エリアセンサ及び表示装置 |
| US6747638B2 (en) * | 2000-01-31 | 2004-06-08 | Semiconductor Energy Laboratory Co., Ltd. | Adhesion type area sensor and display device having adhesion type area sensor |
| JP4089858B2 (ja) | 2000-09-01 | 2008-05-28 | 国立大学法人東北大学 | 半導体デバイス |
| KR20020038482A (ko) * | 2000-11-15 | 2002-05-23 | 모리시타 요이찌 | 박막 트랜지스터 어레이, 그 제조방법 및 그것을 이용한표시패널 |
| JP3997731B2 (ja) * | 2001-03-19 | 2007-10-24 | 富士ゼロックス株式会社 | 基材上に結晶性半導体薄膜を形成する方法 |
| JP2002289859A (ja) | 2001-03-23 | 2002-10-04 | Minolta Co Ltd | 薄膜トランジスタ |
| JP2002290980A (ja) * | 2001-03-27 | 2002-10-04 | Minolta Co Ltd | A/d変換器及びこのa/d変換器を備えた撮像装置 |
| JP4090716B2 (ja) * | 2001-09-10 | 2008-05-28 | 雅司 川崎 | 薄膜トランジスタおよびマトリクス表示装置 |
| JP3925839B2 (ja) | 2001-09-10 | 2007-06-06 | シャープ株式会社 | 半導体記憶装置およびその試験方法 |
| JP3857099B2 (ja) * | 2001-10-09 | 2006-12-13 | 株式会社アドバンテスト | データ伝送装置、光電変換回路、及び試験装置 |
| WO2003040441A1 (fr) * | 2001-11-05 | 2003-05-15 | Japan Science And Technology Agency | Film mince monocristallin homologue a super-reseau naturel, procede de preparation et dispositif dans lequel est utilise ledit film mince monocristallin |
| JP4164562B2 (ja) | 2002-09-11 | 2008-10-15 | 独立行政法人科学技術振興機構 | ホモロガス薄膜を活性層として用いる透明薄膜電界効果型トランジスタ |
| JP4083486B2 (ja) * | 2002-02-21 | 2008-04-30 | 独立行政法人科学技術振興機構 | LnCuO(S,Se,Te)単結晶薄膜の製造方法 |
| US7049190B2 (en) * | 2002-03-15 | 2006-05-23 | Sanyo Electric Co., Ltd. | Method for forming ZnO film, method for forming ZnO semiconductor layer, method for fabricating semiconductor device, and semiconductor device |
| JP3933591B2 (ja) * | 2002-03-26 | 2007-06-20 | 淳二 城戸 | 有機エレクトロルミネッセント素子 |
| US7339187B2 (en) * | 2002-05-21 | 2008-03-04 | State Of Oregon Acting By And Through The Oregon State Board Of Higher Education On Behalf Of Oregon State University | Transistor structures |
| JP2004022625A (ja) * | 2002-06-13 | 2004-01-22 | Murata Mfg Co Ltd | 半導体デバイス及び該半導体デバイスの製造方法 |
| US7105868B2 (en) * | 2002-06-24 | 2006-09-12 | Cermet, Inc. | High-electron mobility transistor with zinc oxide |
| US7067843B2 (en) * | 2002-10-11 | 2006-06-27 | E. I. Du Pont De Nemours And Company | Transparent oxide semiconductor thin film transistors |
| JP4166105B2 (ja) | 2003-03-06 | 2008-10-15 | シャープ株式会社 | 半導体装置およびその製造方法 |
| JP2004273732A (ja) | 2003-03-07 | 2004-09-30 | Sharp Corp | アクティブマトリクス基板およびその製造方法 |
| KR20060012289A (ko) * | 2003-05-15 | 2006-02-07 | 코닌클리케 필립스 일렉트로닉스 엔.브이. | 복수의 셀을 포함하는 디스플레이 스크린 |
| JP4108633B2 (ja) | 2003-06-20 | 2008-06-25 | シャープ株式会社 | 薄膜トランジスタおよびその製造方法ならびに電子デバイス |
| US7262463B2 (en) * | 2003-07-25 | 2007-08-28 | Hewlett-Packard Development Company, L.P. | Transistor including a deposited channel region having a doped portion |
| TWI283517B (en) * | 2003-09-30 | 2007-07-01 | Rohm Co Ltd | D/A converter circuit, organic EL drive circuit and organic EL display device |
| US7282782B2 (en) * | 2004-03-12 | 2007-10-16 | Hewlett-Packard Development Company, L.P. | Combined binary oxide semiconductor device |
| CN1998087B (zh) | 2004-03-12 | 2014-12-31 | 独立行政法人科学技术振兴机构 | 非晶形氧化物和薄膜晶体管 |
| US7145174B2 (en) * | 2004-03-12 | 2006-12-05 | Hewlett-Packard Development Company, Lp. | Semiconductor device |
| US7297977B2 (en) * | 2004-03-12 | 2007-11-20 | Hewlett-Packard Development Company, L.P. | Semiconductor device |
| JP4419681B2 (ja) * | 2004-05-19 | 2010-02-24 | ソニー株式会社 | 固体撮像装置 |
| US7211825B2 (en) * | 2004-06-14 | 2007-05-01 | Yi-Chi Shih | Indium oxide-based thin film transistors and circuits |
| JP2006100760A (ja) * | 2004-09-02 | 2006-04-13 | Casio Comput Co Ltd | 薄膜トランジスタおよびその製造方法 |
| US7285501B2 (en) * | 2004-09-17 | 2007-10-23 | Hewlett-Packard Development Company, L.P. | Method of forming a solution processed device |
| US7298084B2 (en) * | 2004-11-02 | 2007-11-20 | 3M Innovative Properties Company | Methods and displays utilizing integrated zinc oxide row and column drivers in conjunction with organic light emitting diodes |
| RU2402106C2 (ru) * | 2004-11-10 | 2010-10-20 | Кэнон Кабусики Кайся | Аморфный оксид и полевой транзистор с его использованием |
| US7863611B2 (en) * | 2004-11-10 | 2011-01-04 | Canon Kabushiki Kaisha | Integrated circuits utilizing amorphous oxides |
| US7791072B2 (en) * | 2004-11-10 | 2010-09-07 | Canon Kabushiki Kaisha | Display |
| KR100953596B1 (ko) * | 2004-11-10 | 2010-04-21 | 캐논 가부시끼가이샤 | 발광장치 |
| US7829444B2 (en) * | 2004-11-10 | 2010-11-09 | Canon Kabushiki Kaisha | Field effect transistor manufacturing method |
| JP5118812B2 (ja) * | 2004-11-10 | 2013-01-16 | キヤノン株式会社 | 電界効果型トランジスタ |
| US7453065B2 (en) * | 2004-11-10 | 2008-11-18 | Canon Kabushiki Kaisha | Sensor and image pickup device |
| US7579224B2 (en) * | 2005-01-21 | 2009-08-25 | Semiconductor Energy Laboratory Co., Ltd. | Method for manufacturing a thin film semiconductor device |
| US7608531B2 (en) * | 2005-01-28 | 2009-10-27 | Semiconductor Energy Laboratory Co., Ltd. | Semiconductor device, electronic device, and method of manufacturing semiconductor device |
| TWI472037B (zh) * | 2005-01-28 | 2015-02-01 | 半導體能源研究所股份有限公司 | 半導體裝置,電子裝置,和半導體裝置的製造方法 |
| US7858451B2 (en) * | 2005-02-03 | 2010-12-28 | Semiconductor Energy Laboratory Co., Ltd. | Electronic device, semiconductor device and manufacturing method thereof |
| US7948171B2 (en) * | 2005-02-18 | 2011-05-24 | Semiconductor Energy Laboratory Co., Ltd. | Light emitting device |
| US20060197092A1 (en) * | 2005-03-03 | 2006-09-07 | Randy Hoffman | System and method for forming conductive material on a substrate |
| US8681077B2 (en) * | 2005-03-18 | 2014-03-25 | Semiconductor Energy Laboratory Co., Ltd. | Semiconductor device, and display device, driving method and electronic apparatus thereof |
| US7544967B2 (en) * | 2005-03-28 | 2009-06-09 | Massachusetts Institute Of Technology | Low voltage flexible organic/transparent transistor for selective gas sensing, photodetecting and CMOS device applications |
| US7645478B2 (en) * | 2005-03-31 | 2010-01-12 | 3M Innovative Properties Company | Methods of making displays |
| US8300031B2 (en) * | 2005-04-20 | 2012-10-30 | Semiconductor Energy Laboratory Co., Ltd. | Semiconductor device comprising transistor having gate and drain connected through a current-voltage conversion element |
| JP4690105B2 (ja) * | 2005-04-26 | 2011-06-01 | パナソニック株式会社 | 逐次比較型a/dコンバータ |
| JP2006344849A (ja) * | 2005-06-10 | 2006-12-21 | Casio Comput Co Ltd | 薄膜トランジスタ |
| US7402506B2 (en) * | 2005-06-16 | 2008-07-22 | Eastman Kodak Company | Methods of making thin film transistors comprising zinc-oxide-based semiconductor materials and transistors made thereby |
| US7691666B2 (en) * | 2005-06-16 | 2010-04-06 | Eastman Kodak Company | Methods of making thin film transistors comprising zinc-oxide-based semiconductor materials and transistors made thereby |
| US7507618B2 (en) * | 2005-06-27 | 2009-03-24 | 3M Innovative Properties Company | Method for making electronic devices using metal oxide nanoparticles |
| KR100711890B1 (ko) * | 2005-07-28 | 2007-04-25 | 삼성에스디아이 주식회사 | 유기 발광표시장치 및 그의 제조방법 |
| JP2007059128A (ja) * | 2005-08-23 | 2007-03-08 | Canon Inc | 有機el表示装置およびその製造方法 |
| JP4280736B2 (ja) * | 2005-09-06 | 2009-06-17 | キヤノン株式会社 | 半導体素子 |
| JP4560502B2 (ja) * | 2005-09-06 | 2010-10-13 | キヤノン株式会社 | 電界効果型トランジスタ |
| JP2007073705A (ja) * | 2005-09-06 | 2007-03-22 | Canon Inc | 酸化物半導体チャネル薄膜トランジスタおよびその製造方法 |
| JP4850457B2 (ja) * | 2005-09-06 | 2012-01-11 | キヤノン株式会社 | 薄膜トランジスタ及び薄膜ダイオード |
| JP5116225B2 (ja) * | 2005-09-06 | 2013-01-09 | キヤノン株式会社 | 酸化物半導体デバイスの製造方法 |
| EP1770788A3 (en) * | 2005-09-29 | 2011-09-21 | Semiconductor Energy Laboratory Co., Ltd. | Semiconductor device having oxide semiconductor layer and manufacturing method thereof |
| JP5037808B2 (ja) * | 2005-10-20 | 2012-10-03 | キヤノン株式会社 | アモルファス酸化物を用いた電界効果型トランジスタ、及び該トランジスタを用いた表示装置 |
| KR101112652B1 (ko) * | 2005-11-15 | 2012-02-16 | 가부시키가이샤 한도오따이 에네루기 켄큐쇼 | 액티브 매트릭스 디스플레이 장치 및 텔레비전 수신기 |
| TWI292281B (en) * | 2005-12-29 | 2008-01-01 | Ind Tech Res Inst | Pixel structure of active organic light emitting diode and method of fabricating the same |
| US7867636B2 (en) * | 2006-01-11 | 2011-01-11 | Murata Manufacturing Co., Ltd. | Transparent conductive film and method for manufacturing the same |
| JP4977478B2 (ja) * | 2006-01-21 | 2012-07-18 | 三星電子株式会社 | ZnOフィルム及びこれを用いたTFTの製造方法 |
| US7576394B2 (en) * | 2006-02-02 | 2009-08-18 | Kochi Industrial Promotion Center | Thin film transistor including low resistance conductive thin films and manufacturing method thereof |
| US7977169B2 (en) * | 2006-02-15 | 2011-07-12 | Kochi Industrial Promotion Center | Semiconductor device including active layer made of zinc oxide with controlled orientations and manufacturing method thereof |
| KR20070101595A (ko) * | 2006-04-11 | 2007-10-17 | 삼성전자주식회사 | ZnO TFT |
| US20070252928A1 (en) * | 2006-04-28 | 2007-11-01 | Toppan Printing Co., Ltd. | Structure, transmission type liquid crystal display, reflection type display and manufacturing method thereof |
| JP4175384B2 (ja) * | 2006-05-17 | 2008-11-05 | エプソンイメージングデバイス株式会社 | 電子回路、電気光学装置およびこれを備える電子機器 |
| JP5028033B2 (ja) | 2006-06-13 | 2012-09-19 | キヤノン株式会社 | 酸化物半導体膜のドライエッチング方法 |
| JP4609797B2 (ja) * | 2006-08-09 | 2011-01-12 | Nec液晶テクノロジー株式会社 | 薄膜デバイス及びその製造方法 |
| JP4999400B2 (ja) * | 2006-08-09 | 2012-08-15 | キヤノン株式会社 | 酸化物半導体膜のドライエッチング方法 |
| JP2008054256A (ja) * | 2006-08-28 | 2008-03-06 | Sanyo Electric Co Ltd | アナログデジタル変換器およびそれを用いた撮像回路 |
| JP4332545B2 (ja) * | 2006-09-15 | 2009-09-16 | キヤノン株式会社 | 電界効果型トランジスタ及びその製造方法 |
| JP4274219B2 (ja) * | 2006-09-27 | 2009-06-03 | セイコーエプソン株式会社 | 電子デバイス、有機エレクトロルミネッセンス装置、有機薄膜半導体装置 |
| JP5164357B2 (ja) * | 2006-09-27 | 2013-03-21 | キヤノン株式会社 | 半導体装置及び半導体装置の製造方法 |
| US7622371B2 (en) * | 2006-10-10 | 2009-11-24 | Hewlett-Packard Development Company, L.P. | Fused nanocrystal thin film semiconductor and method |
| US7772021B2 (en) * | 2006-11-29 | 2010-08-10 | Samsung Electronics Co., Ltd. | Flat panel displays comprising a thin-film transistor having a semiconductive oxide in its channel and methods of fabricating the same for use in flat panel displays |
| JP2008140684A (ja) * | 2006-12-04 | 2008-06-19 | Toppan Printing Co Ltd | カラーelディスプレイおよびその製造方法 |
| JP4917877B2 (ja) * | 2006-12-25 | 2012-04-18 | 株式会社リコー | Ad変換器 |
| KR101303578B1 (ko) * | 2007-01-05 | 2013-09-09 | 삼성전자주식회사 | 박막 식각 방법 |
| US8207063B2 (en) * | 2007-01-26 | 2012-06-26 | Eastman Kodak Company | Process for atomic layer deposition |
| JP2008193210A (ja) * | 2007-02-01 | 2008-08-21 | Niigata Seimitsu Kk | アナログ−デジタル変換器 |
| KR100851215B1 (ko) * | 2007-03-14 | 2008-08-07 | 삼성에스디아이 주식회사 | 박막 트랜지스터 및 이를 이용한 유기 전계 발광표시장치 |
| WO2008123119A1 (en) * | 2007-03-26 | 2008-10-16 | Semiconductor Energy Laboratory Co., Ltd. | Photoelectric conversion device and electronic device provided with the photoelectric conversion device |
| US7795613B2 (en) * | 2007-04-17 | 2010-09-14 | Toppan Printing Co., Ltd. | Structure with transistor |
| KR101325053B1 (ko) * | 2007-04-18 | 2013-11-05 | 삼성디스플레이 주식회사 | 박막 트랜지스터 기판 및 이의 제조 방법 |
| KR20080094300A (ko) * | 2007-04-19 | 2008-10-23 | 삼성전자주식회사 | 박막 트랜지스터 및 그 제조 방법과 박막 트랜지스터를포함하는 평판 디스플레이 |
| KR101334181B1 (ko) * | 2007-04-20 | 2013-11-28 | 삼성전자주식회사 | 선택적으로 결정화된 채널층을 갖는 박막 트랜지스터 및 그제조 방법 |
| US8274078B2 (en) * | 2007-04-25 | 2012-09-25 | Canon Kabushiki Kaisha | Metal oxynitride semiconductor containing zinc |
| KR101345376B1 (ko) | 2007-05-29 | 2013-12-24 | 삼성전자주식회사 | ZnO 계 박막 트랜지스터 및 그 제조방법 |
| JP5215158B2 (ja) * | 2007-12-17 | 2013-06-19 | 富士フイルム株式会社 | 無機結晶性配向膜及びその製造方法、半導体デバイス |
| KR100957948B1 (ko) * | 2008-02-19 | 2010-05-13 | 삼성모바일디스플레이주식회사 | 광센서 및 그를 이용한 평판표시장치 |
| JP2010004025A (ja) * | 2008-05-21 | 2010-01-07 | Semiconductor Energy Lab Co Ltd | 光電変換装置、及び当該光電変換装置の駆動方法、並びに当該光電変換装置を具備する電子機器 |
| JP4623179B2 (ja) * | 2008-09-18 | 2011-02-02 | ソニー株式会社 | 薄膜トランジスタおよびその製造方法 |
| JP5451280B2 (ja) * | 2008-10-09 | 2014-03-26 | キヤノン株式会社 | ウルツ鉱型結晶成長用基板およびその製造方法ならびに半導体装置 |
| TWI585955B (zh) * | 2008-11-28 | 2017-06-01 | 半導體能源研究所股份有限公司 | 光感測器及顯示裝置 |
| WO2011065258A1 (en) * | 2009-11-27 | 2011-06-03 | Semiconductor Energy Laboratory Co., Ltd. | Semiconductor device |
-
2011
- 2011-01-20 KR KR1020127023653A patent/KR101817054B1/ko not_active Expired - Fee Related
- 2011-01-20 WO PCT/JP2011/051536 patent/WO2011099368A1/en not_active Ceased
- 2011-02-01 JP JP2011019915A patent/JP2011188477A/ja not_active Withdrawn
- 2011-02-04 US US13/020,829 patent/US8610696B2/en not_active Expired - Fee Related
- 2011-02-09 TW TW100104279A patent/TWI510081B/zh not_active IP Right Cessation
-
2015
- 2015-03-02 JP JP2015040200A patent/JP6173375B2/ja not_active Expired - Fee Related
-
2016
- 2016-04-27 JP JP2016088739A patent/JP6449809B2/ja not_active Expired - Fee Related
Also Published As
| Publication number | Publication date |
|---|---|
| US8610696B2 (en) | 2013-12-17 |
| TW201215122A (en) | 2012-04-01 |
| WO2011099368A1 (en) | 2011-08-18 |
| US20110199351A1 (en) | 2011-08-18 |
| TWI510081B (zh) | 2015-11-21 |
| KR20130036195A (ko) | 2013-04-11 |
| KR101817054B1 (ko) | 2018-01-11 |
| JP2016178657A (ja) | 2016-10-06 |
| JP2011188477A (ja) | 2011-09-22 |
| JP6449809B2 (ja) | 2019-01-09 |
| JP2015122807A (ja) | 2015-07-02 |
Similar Documents
| Publication | Publication Date | Title |
|---|---|---|
| JP6449809B2 (ja) | 回路及び表示装置 | |
| JP7279141B2 (ja) | 半導体装置の作製方法 | |
| JP6595067B2 (ja) | 表示装置の作製方法 | |
| JP2021007151A (ja) | 液晶表示装置 | |
| JP2020065091A (ja) | 半導体装置の作製方法 |
Legal Events
| Date | Code | Title | Description |
|---|---|---|---|
| A977 | Report on retrieval |
Free format text: JAPANESE INTERMEDIATE CODE: A971007 Effective date: 20151013 |
|
| A131 | Notification of reasons for refusal |
Free format text: JAPANESE INTERMEDIATE CODE: A131 Effective date: 20151020 |
|
| A02 | Decision of refusal |
Free format text: JAPANESE INTERMEDIATE CODE: A02 Effective date: 20160209 |
|
| A521 | Request for written amendment filed |
Free format text: JAPANESE INTERMEDIATE CODE: A523 Effective date: 20170324 |
|
| A61 | First payment of annual fees (during grant procedure) |
Free format text: JAPANESE INTERMEDIATE CODE: A61 Effective date: 20170704 |
|
| R150 | Certificate of patent or registration of utility model |
Ref document number: 6173375 Country of ref document: JP Free format text: JAPANESE INTERMEDIATE CODE: R150 |
|
| R250 | Receipt of annual fees |
Free format text: JAPANESE INTERMEDIATE CODE: R250 |
|
| LAPS | Cancellation because of no payment of annual fees |