WO2018163624A1 - 半導体装置 - Google Patents

半導体装置 Download PDF

Info

Publication number
WO2018163624A1
WO2018163624A1 PCT/JP2018/001883 JP2018001883W WO2018163624A1 WO 2018163624 A1 WO2018163624 A1 WO 2018163624A1 JP 2018001883 W JP2018001883 W JP 2018001883W WO 2018163624 A1 WO2018163624 A1 WO 2018163624A1
Authority
WO
WIPO (PCT)
Prior art keywords
dummy gate
layer
gate electrode
electrode
voltage
Prior art date
Legal status (The legal status is an assumption and is not a legal conclusion. Google has not performed a legal analysis and makes no representation as to the accuracy of the status listed.)
Ceased
Application number
PCT/JP2018/001883
Other languages
English (en)
French (fr)
Japanese (ja)
Inventor
秀司 米田
Current Assignee (The listed assignees may be inaccurate. Google has not performed a legal analysis and makes no representation or warranty as to the accuracy of the list.)
Denso Corp
Original Assignee
Denso Corp
Priority date (The priority date is an assumption and is not a legal conclusion. Google has not performed a legal analysis and makes no representation as to the accuracy of the date listed.)
Filing date
Publication date
Application filed by Denso Corp filed Critical Denso Corp
Priority to CN201880004460.8A priority Critical patent/CN109983565B/zh
Publication of WO2018163624A1 publication Critical patent/WO2018163624A1/ja
Priority to US16/358,756 priority patent/US10840364B2/en
Anticipated expiration legal-status Critical
Ceased legal-status Critical Current

Links

Images

Classifications

    • HELECTRICITY
    • H10SEMICONDUCTOR DEVICES; ELECTRIC SOLID-STATE DEVICES NOT OTHERWISE PROVIDED FOR
    • H10DINORGANIC ELECTRIC SEMICONDUCTOR DEVICES
    • H10D12/00Bipolar devices controlled by the field effect, e.g. insulated-gate bipolar transistors [IGBT]
    • HELECTRICITY
    • H10SEMICONDUCTOR DEVICES; ELECTRIC SOLID-STATE DEVICES NOT OTHERWISE PROVIDED FOR
    • H10DINORGANIC ELECTRIC SEMICONDUCTOR DEVICES
    • H10D12/00Bipolar devices controlled by the field effect, e.g. insulated-gate bipolar transistors [IGBT]
    • H10D12/411Insulated-gate bipolar transistors [IGBT]
    • H10D12/441Vertical IGBTs
    • H10D12/461Vertical IGBTs having non-planar surfaces, e.g. having trenches, recesses or pillars in the surfaces of the emitter, base or collector regions
    • H10D12/481Vertical IGBTs having non-planar surfaces, e.g. having trenches, recesses or pillars in the surfaces of the emitter, base or collector regions having gate structures on slanted surfaces, on vertical surfaces, or in grooves, e.g. trench gate IGBTs
    • HELECTRICITY
    • H10SEMICONDUCTOR DEVICES; ELECTRIC SOLID-STATE DEVICES NOT OTHERWISE PROVIDED FOR
    • H10DINORGANIC ELECTRIC SEMICONDUCTOR DEVICES
    • H10D62/00Semiconductor bodies, or regions thereof, of devices having potential barriers
    • H10D62/10Shapes, relative sizes or dispositions of the regions of the semiconductor bodies; Shapes of the semiconductor bodies
    • H10D62/124Shapes, relative sizes or dispositions of the regions of semiconductor bodies or of junctions between the regions
    • H10D62/126Top-view geometrical layouts of the regions or the junctions
    • H10D62/127Top-view geometrical layouts of the regions or the junctions of cellular field-effect devices, e.g. multicellular DMOS transistors or IGBTs
    • HELECTRICITY
    • H10SEMICONDUCTOR DEVICES; ELECTRIC SOLID-STATE DEVICES NOT OTHERWISE PROVIDED FOR
    • H10DINORGANIC ELECTRIC SEMICONDUCTOR DEVICES
    • H10D62/00Semiconductor bodies, or regions thereof, of devices having potential barriers
    • H10D62/10Shapes, relative sizes or dispositions of the regions of the semiconductor bodies; Shapes of the semiconductor bodies
    • H10D62/13Semiconductor regions connected to electrodes carrying current to be rectified, amplified or switched, e.g. source or drain regions
    • H10D62/133Emitter regions of BJTs
    • HELECTRICITY
    • H10SEMICONDUCTOR DEVICES; ELECTRIC SOLID-STATE DEVICES NOT OTHERWISE PROVIDED FOR
    • H10DINORGANIC ELECTRIC SEMICONDUCTOR DEVICES
    • H10D62/00Semiconductor bodies, or regions thereof, of devices having potential barriers
    • H10D62/10Shapes, relative sizes or dispositions of the regions of the semiconductor bodies; Shapes of the semiconductor bodies
    • H10D62/13Semiconductor regions connected to electrodes carrying current to be rectified, amplified or switched, e.g. source or drain regions
    • H10D62/137Collector regions of BJTs
    • HELECTRICITY
    • H10SEMICONDUCTOR DEVICES; ELECTRIC SOLID-STATE DEVICES NOT OTHERWISE PROVIDED FOR
    • H10DINORGANIC ELECTRIC SEMICONDUCTOR DEVICES
    • H10D62/00Semiconductor bodies, or regions thereof, of devices having potential barriers
    • H10D62/10Shapes, relative sizes or dispositions of the regions of the semiconductor bodies; Shapes of the semiconductor bodies
    • H10D62/13Semiconductor regions connected to electrodes carrying current to be rectified, amplified or switched, e.g. source or drain regions
    • H10D62/141Anode or cathode regions of thyristors; Collector or emitter regions of gated bipolar-mode devices, e.g. of IGBTs
    • H10D62/142Anode regions of thyristors or collector regions of gated bipolar-mode devices
    • HELECTRICITY
    • H10SEMICONDUCTOR DEVICES; ELECTRIC SOLID-STATE DEVICES NOT OTHERWISE PROVIDED FOR
    • H10DINORGANIC ELECTRIC SEMICONDUCTOR DEVICES
    • H10D62/00Semiconductor bodies, or regions thereof, of devices having potential barriers
    • H10D62/10Shapes, relative sizes or dispositions of the regions of the semiconductor bodies; Shapes of the semiconductor bodies
    • H10D62/17Semiconductor regions connected to electrodes not carrying current to be rectified, amplified or switched, e.g. channel regions
    • H10D62/393Body regions of DMOS transistors or IGBTs 
    • HELECTRICITY
    • H10SEMICONDUCTOR DEVICES; ELECTRIC SOLID-STATE DEVICES NOT OTHERWISE PROVIDED FOR
    • H10DINORGANIC ELECTRIC SEMICONDUCTOR DEVICES
    • H10D64/00Electrodes of devices having potential barriers
    • H10D64/111Field plates
    • H10D64/117Recessed field plates, e.g. trench field plates or buried field plates
    • HELECTRICITY
    • H10SEMICONDUCTOR DEVICES; ELECTRIC SOLID-STATE DEVICES NOT OTHERWISE PROVIDED FOR
    • H10DINORGANIC ELECTRIC SEMICONDUCTOR DEVICES
    • H10D84/00Integrated devices formed in or on semiconductor substrates that comprise only semiconducting layers, e.g. on Si wafers or on GaAs-on-Si wafers
    • H10D84/40Integrated devices formed in or on semiconductor substrates that comprise only semiconducting layers, e.g. on Si wafers or on GaAs-on-Si wafers characterised by the integration of at least one component covered by groups H10D12/00 or H10D30/00 with at least one component covered by groups H10D10/00 or H10D18/00, e.g. integration of IGFETs with BJTs
    • H10D84/401Combinations of FETs or IGBTs with BJTs
    • H10D84/403Combinations of FETs or IGBTs with BJTs and with one or more of diodes, resistors or capacitors
    • H10D84/406Combinations of FETs or IGBTs with vertical BJTs and with one or more of diodes, resistors or capacitors
    • HELECTRICITY
    • H01ELECTRIC ELEMENTS
    • H01LSEMICONDUCTOR DEVICES NOT COVERED BY CLASS H10
    • H01L2224/00Indexing scheme for arrangements for connecting or disconnecting semiconductor or solid-state bodies and methods related thereto as covered by H01L24/00
    • H01L2224/01Means for bonding being attached to, or being formed on, the surface to be connected, e.g. chip-to-package, die-attach, "first-level" interconnects; Manufacturing methods related thereto
    • H01L2224/02Bonding areas; Manufacturing methods related thereto
    • H01L2224/04Structure, shape, material or disposition of the bonding areas prior to the connecting process
    • H01L2224/06Structure, shape, material or disposition of the bonding areas prior to the connecting process of a plurality of bonding areas
    • H01L2224/0601Structure
    • H01L2224/0603Bonding areas having different sizes, e.g. different heights or widths
    • HELECTRICITY
    • H10SEMICONDUCTOR DEVICES; ELECTRIC SOLID-STATE DEVICES NOT OTHERWISE PROVIDED FOR
    • H10DINORGANIC ELECTRIC SEMICONDUCTOR DEVICES
    • H10D62/00Semiconductor bodies, or regions thereof, of devices having potential barriers
    • H10D62/80Semiconductor bodies, or regions thereof, of devices having potential barriers characterised by the materials
    • H10D62/83Semiconductor bodies, or regions thereof, of devices having potential barriers characterised by the materials being Group IV materials, e.g. B-doped Si or undoped Ge
    • H10D62/832Semiconductor bodies, or regions thereof, of devices having potential barriers characterised by the materials being Group IV materials, e.g. B-doped Si or undoped Ge being Group IV materials comprising two or more elements, e.g. SiGe
    • H10D62/8325Silicon carbide
    • HELECTRICITY
    • H10SEMICONDUCTOR DEVICES; ELECTRIC SOLID-STATE DEVICES NOT OTHERWISE PROVIDED FOR
    • H10DINORGANIC ELECTRIC SEMICONDUCTOR DEVICES
    • H10D84/00Integrated devices formed in or on semiconductor substrates that comprise only semiconducting layers, e.g. on Si wafers or on GaAs-on-Si wafers
    • H10D84/01Manufacture or treatment
    • H10D84/02Manufacture or treatment characterised by using material-based technologies
    • H10D84/03Manufacture or treatment characterised by using material-based technologies using Group IV technology, e.g. silicon technology or silicon-carbide [SiC] technology
    • H10D84/038Manufacture or treatment characterised by using material-based technologies using Group IV technology, e.g. silicon technology or silicon-carbide [SiC] technology using silicon technology, e.g. SiGe

Definitions

  • the present disclosure relates to a semiconductor device including a dummy gate electrode disposed in a trench through a gate insulating film.
  • Patent Document 1 discloses a semiconductor device including a dummy gate electrode disposed in a trench via a gate insulating film.
  • This semiconductor device includes a dummy gate pad for a dummy gate electrode in addition to the pad for the main gate electrode. Therefore, it is possible to apply a voltage to the dummy gate pad and perform a breakdown voltage inspection of the gate insulating film in the dummy gate electrode. Further, after the breakdown voltage test, the dummy gate pad and the emitter electrode are connected by, for example, a bonding wire, so that the potential of the dummy gate electrode can be stabilized to a potential that does not generate the inversion layer.
  • the dummy gate pad and the emitter electrode must be electrically connected after performing a breakdown voltage inspection of the gate insulating film in the dummy gate electrode. For example, a wire bonding process is required.
  • the present disclosure provides a semiconductor device that can perform a breakdown voltage test of a gate insulating film in a dummy gate electrode and can be stabilized to a potential that does not generate an inversion layer even if the pad is not connected to the emitter electrode after the breakdown voltage test. For the purpose.
  • a semiconductor device in the first aspect of the present disclosure, includes a semiconductor substrate constituting a first conductivity type drift layer, a second conductivity type base layer formed on the drift layer, and penetrating the base layer.
  • a gate electrode disposed in the trench with the gate insulating film interposed between the emitter electrode and the drift layer when a voltage is applied to form an inversion layer.
  • the conduction is cut off or limited so that the dummy gate electrode does not contribute to the generation of the inversion layer.
  • a second voltage having a polarity opposite to that of the first voltage is applied to the gate pad, the first element that permits conduction, the connection point of the emitter electrode, the dummy gate electrode, and the first element And a second element that permits conduction when the first voltage is applied and blocks or restricts conduction when the second voltage is applied.
  • the second voltage for inspection is applied to the gate pad, so that the withstand voltage of the gate insulating film in the dummy gate electrode can be inspected.
  • a necessary voltage is applied between the emitter electrode and the dummy gate electrode. Therefore, the withstand voltage test of the gate insulating film in the dummy gate electrode can be performed.
  • the potential of the dummy gate electrode does not contribute to the generation of the inversion layer, For example, it can be stabilized at the same potential as the emitter electrode.
  • the withstand voltage test of the gate insulating film in the dummy gate electrode can be performed, and it can be stabilized at a potential that does not generate an inversion layer even if the pad is not connected to the emitter electrode after the withstand voltage test.
  • a semiconductor device in a second aspect of the present disclosure, includes a semiconductor substrate constituting a first conductivity type drift layer, a second conductivity type base layer formed on the drift layer, and penetrating the base layer.
  • a gate electrode disposed in the trench with the gate insulating film interposed between the emitter electrode and the drift layer when a voltage is applied to form an inversion layer.
  • a main gate electrode at least one dummy gate electrode that does not contribute to the generation of the inversion layer, a main gate pad connected to the main gate electrode, a dummy gate pad connected to the dummy gate electrode, It is formed between an emitter electrode and a connection point of the dummy gate electrode and the dummy gate pad.
  • a predetermined voltage is applied to the dummy gate pad, conduction is cut off or limited, and no voltage is applied to the dummy gate pad.
  • a third element that permits conduction when in an open state.
  • the semiconductor device since the third element and the dummy gate pad described above are provided, a voltage necessary for performing a breakdown voltage test on the gate insulating film in the dummy gate electrode by applying a predetermined voltage to the dummy gate pad. Is applied between the emitter electrode and the dummy gate electrode. Therefore, the withstand voltage test of the gate insulating film in the dummy gate electrode can be performed.
  • the potential of the dummy gate electrode can be stabilized at a potential that does not contribute to the generation of the inversion layer, for example, the same potential as the emitter electrode.
  • the withstand voltage test of the gate insulating film in the dummy gate electrode can be performed, and after the withstand voltage test, it can be stabilized at a potential that does not generate an inversion layer without connecting the dummy gate pad to the emitter electrode.
  • a semiconductor device in a third aspect of the present disclosure, includes a semiconductor substrate constituting a first conductivity type drift layer, a second conductivity type base layer formed on the drift layer, and penetrating the base layer.
  • a gate electrode disposed in the trench with the gate insulating film interposed between the emitter electrode and the drift layer when a voltage is applied to form an inversion layer.
  • the dummy is obtained by turning off the switch while a voltage is applied to the first dummy gate pad.
  • a voltage required for the withstand voltage test of the gate insulating film in the gate electrode is applied between the emitter electrode and the dummy gate electrode. Therefore, the withstand voltage test of the gate insulating film in the dummy gate electrode can be performed.
  • the potential of the dummy gate electrode is reduced by applying an overvoltage to the second dummy gate pad to intentionally short-circuit the terminal on the emitter electrode side and the terminal on the connection point side. It can be held at the same potential as the emitter electrode. That is, the potential of the dummy gate electrode can be stabilized to a potential that does not contribute to generation of the inversion layer.
  • the withstand voltage test of the gate insulating film in the dummy gate electrode can be performed, and it can be stabilized at a potential that does not generate an inversion layer even if the pad is not connected to the emitter electrode after the withstand voltage test.
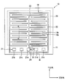
  • the drawing 1 is a plan view showing a schematic configuration of a semiconductor device according to a first embodiment; It is sectional drawing which follows the II-II line of FIG. It is the figure which expanded the area
  • FIG. 5 is an equivalent circuit diagram of a semiconductor device according to a third embodiment, showing a state before shipment; It is an equivalent circuit diagram of the semiconductor device, showing the state after shipment, It is a top view which shows schematic structure of the semiconductor device which concerns on 4th Embodiment, It is sectional drawing which follows the XVIII-XVIII line of FIG.
  • the thickness direction of the semiconductor substrate is indicated as the Z direction, the direction orthogonal to the Z direction, and the arrangement direction of a plurality of pads as the X direction.
  • a direction perpendicular to both the Z direction and the X direction is referred to as a Y direction.
  • the shape along the XY plane defined by the X direction and the Y direction described above, that is, the shape in plan view from the Z direction is defined as a planar shape.
  • the configuration of the semiconductor device of this embodiment will be described with reference to FIGS.
  • the emitter electrode is indicated by a broken line
  • the gate electrode and the wiring connecting the gate electrode and the pad are indicated by a solid line.
  • the semiconductor device of this embodiment is used for a power conversion circuit such as an inverter or a converter, for example.
  • the first conductivity type is N-type and the second conductivity type is P-type.
  • the semiconductor device 10 includes a semiconductor substrate 11 made of silicon, silicon carbide, or the like.
  • the semiconductor substrate 11 has one surface 11a and a back surface 11b opposite to the one surface 11a in the Z direction.
  • the semiconductor substrate 11 functions as an N ⁇ type drift layer 12.
  • the semiconductor substrate 11 constitutes the drift layer 12.
  • a P-type base layer 13 is formed on one surface 11 a side of the semiconductor substrate 11, that is, on the drift layer 12.
  • a plurality of trenches 14 are formed in the semiconductor substrate 11 so as to penetrate the base layer 13 and reach the drift layer 12.
  • the trench 14 extends along the X direction while having a predetermined depth in the Z direction.
  • a plurality of trenches 14 are formed at a predetermined pitch (equal intervals) in the Y direction.
  • the base layer 13 is partitioned into a plurality of regions by the trench 14.
  • an N + type emitter region 15 and a P + type body region 16 are formed on the surface layer of the base layer 13.
  • the emitter region 15 has a higher impurity concentration than the drift layer 12.
  • the emitter region 15 is formed in contact with the side surface of the trench 14.
  • the emitter region 15 terminates in the base layer 13.
  • the emitter region 15 extends in the region between the trenches 14 so as to be in contact with the side surface of the trench 14 along the longitudinal direction of the trench 14, and terminates inside the longitudinal end portion of the trench 14. .
  • the body region 16 has a higher impurity concentration than the base layer 13.
  • the body region 16 terminates in the base layer 13 like the emitter region 15.
  • the body region 16 is sandwiched between two emitter regions 15.
  • the body region 16 extends along the longitudinal direction of the trench 14. In the present embodiment, the depth of the body region 16 with respect to the one surface 11 a is made deeper than the emitter region 15.
  • a gate insulating film 17 is formed on the wall surface of each trench 14.
  • a gate electrode 18 is disposed in each trench 14 via a gate insulating film 17.
  • the gate insulating film 17 is embedded in the trench 14 so as to cover the wall surface of the trench 14.
  • the gate electrode 18 is made of polysilicon or the like.
  • the gate electrode 18 is formed on the gate insulating film 17 and is embedded in the trench 14.
  • the semiconductor device 10 includes a trench gate.
  • the semiconductor device 10 has a main gate electrode 18 a and a dummy gate electrode 18 b as the gate electrode 18.
  • the main gate electrode 18a is a gate electrode 18 that generates an inversion layer (channel) that connects between an emitter electrode 20 (described later) and the drift layer 12 by application of a voltage. Since the present embodiment includes the emitter region 15, the inversion layer connects the emitter region 15 and the drift layer 12, thereby connecting the emitter electrode 20 and the drift layer 12.
  • the dummy gate electrode 18b is a gate electrode 18 that does not contribute to the generation of the inversion layer.
  • Both the main gate electrode 18a and the dummy gate electrode 18b are formed above the collector layer 30 described later. That is, the dummy gate electrode 18b is also formed in the formation region of the IGBT element. In the present embodiment, the main gate electrodes 18a and the dummy gate electrodes 18b are alternately formed in the Y direction. As described above, the semiconductor device 10 is a semiconductor device having a structure in which the main gate electrode 18a is thinned out instead of the main gate electrode 18a.
  • An interlayer insulating film 19 is formed on the base layer 13, that is, on the one surface 11 a of the semiconductor substrate 11.
  • a contact hole 19a is formed in the interlayer insulating film 19, and a part of the emitter region 15 and the body region 16 are exposed by the contact hole 19a.
  • an emitter electrode 20 is formed on the interlayer insulating film 19, an emitter electrode 20 is formed.
  • the emitter electrode 20 is electrically connected to the emitter region 15 and the body region 16 through the contact hole 19a.
  • the emitter electrode 20 is exposed from a protective film (not shown) such as polyimide so that it can be connected to the main terminal.
  • a pad 21, a gate wiring 22, and a dummy gate wiring 23 are formed on one surface 11 a of the semiconductor substrate 11.
  • the pad 21 is an electrode portion to which the signal terminal is connected, and is exposed from the protective film so as to be connectable with the signal terminal.
  • the semiconductor device 10 includes at least a gate pad 21 a electrically connected to the main gate electrode 18 a as the pad 21.
  • the potential of the gate pad 21a, the cathode pad 21b of the temperature sensor (temperature sensing diode) that detects the temperature of the semiconductor substrate 11, the anode pad 21c, and the potential of the emitter electrode 20 is detected as the pad 21.
  • a pad 21d for Kelvin emitter and a pad 21e for current sensing are provided.
  • the plurality of pads 21 are collectively formed on one end side in the Y direction and formed side by side in the X direction in the semiconductor substrate 11 having a substantially rectangular planar shape.
  • the Kelvin emitter pad 21d is referred to as a KE pad 21d.
  • the gate wiring 22 is a wiring that electrically connects the main gate electrode 18a and the gate pad 21a.
  • the dummy gate wiring 23 is electrically connected to the dummy gate electrode 18b.
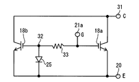
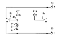
  • a diode 24 is disposed between the dummy gate line 23 and the gate pad 21a. That is, the dummy gate electrode 18 b is connected to the gate pad 21 a via the dummy gate wiring 23 and the diode 24.
  • a diode 25 is disposed between the dummy gate line 23 and the KE pad 21d.
  • the diode 24 has an anode connected to the dummy gate wiring 23 and a cathode connected to the gate pad 21a.
  • the diode 25 has an anode connected to the dummy gate wiring 23 and a cathode connected to the KE pad 21d.
  • the diode 24 corresponds to the first element
  • the diode 25 corresponds to the second element.
  • the polysilicon layer 26 is indicated by a one-dot chain line
  • the metal layer 27 is indicated by a broken line
  • the contact 28 between the polysilicon layer 26 and the metal layer 27 is indicated by a two-dot chain line.
  • the diodes 24 and 25 are configured to include a polysilicon layer 26.
  • the polysilicon layer 26 is disposed on the one surface 11a of the semiconductor substrate 11 via an insulating film (not shown).
  • the metal layer 27 is formed using, for example, Al—Si.
  • the gate wiring 22 and the dummy gate wiring 23 are composed of a metal layer 27.
  • a part of the metal layer 27 constituting the dummy gate wiring 23 is disposed on the polysilicon layer 26 constituting the anode region of the diode 24 and connected by the contact 28.
  • a part of the metal layer 27 constituting the dummy gate wiring 23 is disposed on the polysilicon layer 26 constituting the cathode region of the diode 25 and connected by the contact 28.
  • the pad 21 including the gate pad 21 a and the KE pad 21 d is also configured by the metal layer 27.
  • the exposed portion from the protective film is a connection portion with the signal terminal.
  • a part of the metal layer 27 constituting the gate pad 21 a is disposed on the polysilicon layer 26 constituting the cathode region of the diode 24 and connected by the contact 28.
  • a part of the metal layer 27 constituting the KE pad 21 d is disposed on the polysilicon layer 26 constituting the anode region of the diode 25 and connected by the contact 28.
  • the emitter electrode 20 is also configured to include a metal layer 27.
  • An exposed portion of the metal layer 27 from the protective film is the emitter electrode 20.
  • An insulating layer (not shown) is interposed between the portion of the metal layer 27 straddling the polysilicon layer 26 and the polysilicon layer 26.
  • another metal film (for example, a plating film) may be provided on the exposed portion of the metal layer 27.
  • An N-type field stop layer 29 is formed on the drift layer 12 on the side opposite to the base layer 13 side, that is, on the back surface 11 b side of the semiconductor substrate 11.
  • the field stop layer 29 is not always necessary. By providing the field stop layer 29, it is possible to prevent the depletion layer from spreading and improve the breakdown voltage and steady loss performance. In addition, the amount of holes injected from the back surface 11b side can be controlled.
  • a P-type collector layer 30 is formed on the surface of the field stop layer 29 opposite to the drift layer 12, that is, on the surface layer on the back surface 11 b side of the semiconductor substrate 11.
  • a collector electrode 31 is formed on the collector layer 30.
  • an IGBT element is configured in the semiconductor device 10.
  • the breakdown voltage inspection of the gate insulating film 17 that is, gate screening is performed after the semiconductor device 10 is manufactured and before shipping.
  • a voltage higher than the guaranteed voltage is applied to the gate electrode 18 to inspect whether or not the gate insulating film 17 has a desired withstand voltage.
  • a withstand voltage test is required for the gate insulating film 17 in the dummy gate electrode 18b.
  • the main gate electrode 18a is connected to the gate pad 21a via the gate wiring 22.
  • a diode 24 is formed between the dummy gate wiring 23 and the gate pad 21a.
  • a diode 25 is formed between the dummy gate line 23 and the KE pad 21d.
  • the gate pad 21a is a common pad for the main gate electrode 18a and the dummy gate electrode 18b constituting the IGBT element.
  • a diode 24 as a first element is formed between the gate pad 21a and the dummy gate electrode 18b.
  • the cathode of the diode 24 is connected to the gate pad 21a, and the anode is connected to the dummy gate electrode 18b.
  • a diode 25 as a second element is formed between the emitter electrode 20 and the connection point 32 of the dummy gate electrode 18 b and the diode 24.
  • the cathode of the diode 25 is connected to the emitter electrode 20, and the anode is connected to the connection point 32, that is, the dummy gate electrode 18b.
  • the anodes of the diodes 24 and 25 are connected to each other.
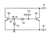
  • a predetermined voltage having a polarity different from the voltage applied during operation for example, ⁇ 50V
  • This predetermined voltage corresponds to the second voltage.
  • the emitter electrode 20 is 0V.
  • the diode 25 In the path of the emitter electrode 20, the diode 25, the diode 24, and the gate pad 21a, the diode 24 is in the forward direction and the diode 25 is in the reverse direction. For this reason, at the time of a withstand voltage test, the diode 24 allows conduction, and the diode 25 blocks conduction.
  • connection point 32 that is, the dummy gate electrode 18b becomes ⁇ 49.3V due to the voltage drop of the diode 24.
  • the voltage Vge between the dummy gate electrode 18b and the emitter electrode 20 can be set higher than the guaranteed voltage. Therefore, the withstand voltage test of the gate insulating film 17 in the dummy gate electrode 18b can be performed appropriately. Since the gate pad 21a is common, the withstand voltage test of the gate insulating film 17 in the main gate electrode 18a can be performed at the same time.
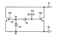
  • the turn-on voltage corresponds to the first voltage.
  • an N-type inversion layer (channel) is formed in a portion of the base layer 13 in contact with the trench 14 of the main gate electrode 18a. Electrons are supplied from the emitter region 15 to the drift layer 12 through the inversion layer, and holes are supplied from the collector layer 30 to the drift layer 12, and the resistance value of the drift layer 12 decreases due to conductivity modulation. Is turned on.
  • the turn-on voltage is a voltage that makes the gate-emitter voltage Vge higher than the threshold voltage Vth of the MOS gate on the main gate electrode 18a side.
  • the diode 24 is in the reverse direction and the diode 25 is in the forward direction. For this reason, during the IGBT operation, the diode 24 blocks conduction, and the diode 25 permits conduction.
  • the potential of the connection point 32 is the same potential (0 V) as that of the emitter electrode 20. Therefore, the dummy gate electrode 18b does not contribute to the generation of the inversion layer during the IGBT operation.
  • the diode 24 is in the forward direction and the diode 25 is in the reverse direction during the withstand voltage test. That is, the diode 24 allows conduction, and the diode 25 blocks conduction. As a result, a voltage required for the withstand voltage test is applied between the dummy gate electrode 18b and the emitter electrode 20. Therefore, the withstand voltage test of the gate insulating film 17 in the dummy gate electrode 18b can be performed appropriately.
  • the diode 24 is in the reverse direction and the diode 25 is in the forward direction. That is, the diode 24 blocks conduction and the diode 25 permits conduction. Therefore, even if a turn-on voltage is applied to the gate pad 21a, the potential of the dummy gate electrode 18b can be stabilized to the same potential as the emitter electrode 20, that is, a potential that does not contribute to the generation of the inversion layer.
  • the breakdown voltage test of the gate insulating film 17 in the dummy gate electrode 18b can be performed, and the potential of the dummy gate electrode 18b is set to a potential that does not generate an inversion layer even if the pad is not connected to the emitter electrode 20 after the breakdown voltage test. It can be stabilized. For example, a wire bonding step for connecting the pad and the emitter electrode 20 can be eliminated.
  • the gate pad 21a is shared by the main gate electrode 18a and the dummy gate electrode 18b, the breakdown voltage test of the gate insulating film 17 can be performed simultaneously with the main gate electrode 18a and the dummy gate electrode 18b. Moreover, the pad 21 and wiring can be reduced.
  • the feedback capacitance (capacitance between the gate and the collector) can be reduced, thereby improving the switching speed.
  • the feedback capacitance it is possible to suppress a decrease in breakdown voltage due to electric field concentration compared to a configuration in which the number of main gate electrodes 18a is reduced.
  • the present invention is not limited to this.
  • the conduction is cut off or limited so that the dummy gate electrode 18b does not contribute to the generation of the inversion layer during the IGBT operation, and the conduction during the breakdown voltage test. Anything that permits is acceptable. Note that the conduction is cut off or limited so as not to contribute to the generation of the inversion layer during the IGBT operation when the voltage Vge between the dummy gate electrode 18b and the emitter electrode 20 is applied when a turn-on voltage is applied to the gate pad 21a.
  • the voltage is equal to or lower than the threshold voltage Vth of the MOS gate.
  • the second element disposed between the emitter electrode 20 and the connection point 32 conduction is permitted during the IGBT operation, and a voltage higher than the guaranteed voltage is applied to the dummy gate electrode 18b during the breakdown voltage test. Any device that cuts off or restricts conduction can be employed.
  • a resistor 33 may be employed as the first element as in the first modification shown in FIG.
  • a predetermined voltage ⁇ 50V
  • the resistor 33 allows conduction and the diode 25 cuts off conduction. Therefore, the potential of the connection point 32 (dummy gate electrode 18b) becomes ⁇ 50V, and the withstand voltage test of the gate insulating film 17 in the dummy gate electrode 18b can be performed appropriately.
  • a turn-on voltage (15V) is applied to the gate pad 21a, the diode 25 is in the forward direction, so that the diode 25 is allowed to conduct and the potential at the connection point 32 becomes 0.7V.
  • the potential of the dummy gate electrode 18b can be stabilized at a potential that does not contribute to the generation of the inversion layer.
  • the resistor 33 may be employed as the first element, and the resistor 34 may be employed as the second element.
  • the voltage applied to the gate pad 21a is divided by the resistors 33 and 34.
  • a predetermined voltage ( ⁇ 50V) is applied to the gate pad 21a for the withstand voltage test, the potential at the connection point 32 becomes higher than the guaranteed voltage, and when a turn-on voltage (15V) is applied to the gate pad 21a, the connection point 32
  • the values of the resistors 33 and 34 are set so that the potential of the resistor 33 becomes equal to or lower than the threshold voltage Vth of the MOS gate.
  • the resistor 33 restricts conduction so that the dummy gate electrode 18b does not contribute to generation of the inversion layer during the IGBT operation, and permits conduction during the withstand voltage test.
  • the resistor 34 permits conduction during the IGBT operation, and restricts conduction so that a voltage higher than the guaranteed voltage is applied to the dummy gate electrode 18b during the withstand voltage test.
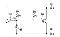
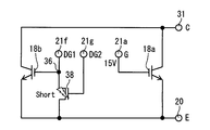
  • the semiconductor device 10 of this embodiment includes a dummy gate pad 21f connected to the dummy gate electrode 18b, in addition to the gate pad 21a connected to the main gate electrode 18a.
  • a resistor 35 as a third element is formed between the KE pad 21d and the dummy gate pad 21f.
  • the gate pad 21a corresponds to the main gate pad.
  • a resistor 33 is formed including the polysilicon layer 26.
  • the polysilicon layer 26 constituting the resistor 33 has a planar meandering shape (in other words, a meander shape).
  • a part of the metal layer 27 constituting the KE pad 21 d is laminated on one end of the polysilicon layer 26 constituting the resistor 33 and connected by a contact 28.
  • a part of the metal layer 27 constituting the dummy gate pad 21 f is laminated on the other end of the polysilicon layer 26 constituting the resistor 33 and connected by a contact 28.
  • FIG. 10 shows an equivalent circuit of the semiconductor device 10.
  • the gate pad 21a is a dedicated pad for the main gate electrode 18a constituting the IGBT element.
  • the dummy gate pad 21f is a dedicated pad for the dummy gate electrode 18b.
  • a resistor 35 as a third element is formed between the emitter electrode 20 and the connection point 36 between the dummy gate electrode 18b and the dummy gate pad 21f.
  • the resistor 35 cuts off the conduction.
  • the potential of the connection point 36 that is, the potential of the dummy gate electrode 18b is 50V. Therefore, the withstand voltage test of the gate insulating film 17 in the dummy gate electrode 18b can be performed appropriately.
  • the predetermined voltage applied to the dummy gate pad 21f is not limited to a positive voltage. For example, -50V may be applied. It is only necessary that the voltage Vge between the dummy gate electrode 18b and the emitter electrode 20 be higher than the guaranteed voltage by applying the predetermined voltage.
  • a turn-on voltage for example, 15 V is applied to the gate pad 21a.
  • the dummy gate pad 21f is separated from the gate pad 21a and is in an open state to which no voltage is applied.
  • the connection point 36 is connected to the emitter electrode 20 via the resistor 33, and the potential of the connection point 36, that is, the potential of the dummy gate electrode 18b becomes the same potential (0 V) as that of the emitter electrode 20. In this way, the resistor 35 allows conduction. Therefore, the dummy gate electrode 18b does not contribute to the generation of the inversion layer during the IGBT operation.
  • the dummy gate pad 21f is provided separately from the gate pad 21a, and an independent voltage can be applied to the dummy gate pad 21f. Therefore, the gate insulating film 17 in the dummy gate electrode 18b. It is possible to appropriately perform the pressure resistance test. Also, by providing the resistor 35, the potential of the dummy gate electrode 18b can be stabilized to a potential that does not generate an inversion layer without connecting the dummy gate pad 21f to the emitter electrode 20 after the withstand voltage test.
  • the resistor 35 is employed as the third element, but the present invention is not limited to this.
  • a third element disposed between the emitter electrode 20 and the connection point 36 conduction is permitted when the dummy gate pad 21f is in an open state (at the time of IGBT operation). What interrupts
  • a diode 37 may be employed as the third element as in the third modification shown in FIG.
  • the cathode of the diode 37 is connected to the emitter electrode 20, and the anode is connected to the connection point 36.
  • a predetermined voltage for example, ⁇ 50V
  • the diode 37 is reversed and the conduction is cut off. Therefore, the potential of the connection point 36 is also ⁇ 50 V, and the withstand voltage test of the gate insulating film 17 in the dummy gate electrode 18b can be appropriately performed.
  • connection point 36 is connected to the emitter electrode 20 through the diode 37, and the potential of the connection point 36 becomes 0.7V.
  • the diode 37 allows conduction. Therefore, the dummy gate electrode 18b does not contribute to the generation of the inversion layer during the IGBT operation.
  • a resistor 35 and a diode 37 may be employed as the third element.
  • the resistor 35 and the diode 37 are connected in parallel between the emitter electrode 20 and the connection point 36.
  • a predetermined voltage for example, ⁇ 50 V
  • the withstand voltage test of the gate insulating film 17 in the dummy gate electrode 18b can be appropriately performed.
  • the potential of the dummy gate electrode 18b can be stabilized to a potential that does not contribute to the generation of the inversion layer even during the IGBT operation.
  • a resistor 35 and a diode 37 are connected in series between the emitter electrode 20 and the connection point 36.
  • the resistor 35 is on the connection point side, and the cathode of the diode 37 and the emitter electrode 20 are connected.
  • a predetermined voltage for example, 50V
  • the conduction is cut off or restricted by the resistor 35. Therefore, the withstand voltage test of the gate insulating film 17 in the dummy gate electrode 18b can be performed appropriately.
  • the potential of the dummy gate electrode 18b can be stabilized to a potential that does not contribute to the generation of the inversion layer even during the IGBT operation.
  • a voltage having a polarity different from that of the turn-on voltage may be applied during the withstand voltage test.
  • a plurality of diodes 37 may be employed as in the sixth modification shown in FIG. In FIG. 14, three diodes 37 are connected in series between the emitter electrode 20 and the connection point 36. Each diode 37 has a cathode on the emitter electrode 20 side.
  • a predetermined voltage for example, ⁇ 50 V
  • a predetermined voltage having a polarity different from the turn-on voltage is applied to the dummy gate pad 21f, thereby appropriately testing the withstand voltage of the gate insulating film 17 in the dummy gate electrode 18b. Can be done.
  • the potential of the dummy gate electrode 18b can be stabilized to a potential that does not contribute to the generation of the inversion layer even during the IGBT operation.
  • FIG. 15 shows a state before shipment of the semiconductor device 10 of the present embodiment.
  • FIG. 15 shows a breakdown voltage test of the gate insulating film 17 in the dummy gate electrode 18b.
  • the semiconductor device 10 of this embodiment also includes a dummy gate pad 21f connected to the dummy gate electrode 18b, separately from the gate pad 21a.
  • a switch 38 is formed between the emitter electrode 20 and the connection point 36 of the dummy gate pad 21f and the dummy gate electrode 18b.
  • the switch 38 has a control electrode (gate).
  • a MOSFET is employed as the switch 38.
  • the semiconductor device 10 further includes a dummy gate pad 21g.
  • the dummy gate pad 21g is a pad 21 for controlling conduction or interruption by the switch 38.
  • the dummy gate pad 21f corresponds to the first dummy gate pad, and the dummy gate pad 21g corresponds to the second dummy gate pad.
  • a breakdown voltage inspection of the gate insulating film 17 in the dummy gate electrode 18b is performed before the semiconductor device 10 is shipped.
  • a voltage for turning on the switch 38 is not applied to the dummy gate pad 21g, and a predetermined voltage (for example, 50V) for a withstand voltage test is applied to the dummy gate pad 21f. Since the switch 38 in the off state is cut off, the potential of the connection point 36, that is, the potential of the dummy gate electrode 18b becomes 50V. Therefore, the withstand voltage test of the gate insulating film 17 in the dummy gate electrode 18b can be performed appropriately.
  • a voltage having a polarity different from that of the turn-on voltage for example, ⁇ 50 V
  • FIG. 16 shows the semiconductor device 10 after the switch 38 is short-circuited, that is, the semiconductor device 10 after product shipment.
  • the short-circuit process is performed after the pressure resistance test. At this time, an overvoltage is applied to the dummy gate pad 21g, thereby breaking the switch 38 and short-circuiting between the drain and the source. As a result, the switch 38 is always on even when no voltage is applied to the dummy gate pad 21g.
  • the dummy gate electrode 18b does not contribute to the generation of the inversion layer during the IGBT operation.
  • the breakdown voltage test of the gate insulating film 17 in the dummy gate electrode 18b can be performed, and even if the dummy gate pad 21f is not connected to the emitter electrode 20 after the breakdown voltage test, The potential of the dummy gate electrode 18b can be stabilized to a potential that does not generate an inversion layer.
  • the semiconductor substrate 11 includes an IGBT region 11 c that is an IGBT element formation region and a free-wheeling diode element (FWD) formation region.
  • a diode region 11d is alternately formed in the X direction.
  • Each of the IGBT region 11c and the diode region 11d extends along the Y direction.
  • the structure of the surface layer on the one surface 11a side of the semiconductor substrate 11 is the same in the IGBT region 11c and the diode region 11d. That is, the trench 14 is formed in each of the IGBT region 11c and the diode region 11d. The plurality of trenches 14 are formed at equal intervals in the X direction.
  • the emitter region 15 and the body region 16 are also formed in the IGBT region 11c and the diode region 11d, respectively.
  • a main gate electrode 18a is formed in the IGBT region 11c, and a dummy gate electrode 18b is formed in the diode region 11d.
  • the emitter electrode 20 is electrically connected to the emitter region 15 and the body region 16 in the IGBT region 11c and the diode region 11d. Therefore, the emitter electrode 20 also functions as an anode electrode of the freewheeling diode element.
  • a pad 21 is formed on one surface 11a of the semiconductor substrate 11 as in the first embodiment (see FIG. 1). That is, as the pad 21, a gate pad 21a and a KE pad 21d are formed.
  • a diode 24 is disposed between the dummy gate line 23 and the gate pad 21a, and a diode 25 is disposed between the dummy gate line 23 and the KE pad 21d.
  • the diode 24 has an anode connected to the dummy gate wiring 23 and a cathode connected to the gate pad 21a.
  • the diode 25 has an anode connected to the dummy gate wiring 23 and a cathode connected to the KE pad 21d.
  • the diode 24 corresponds to the first element
  • the diode 25 corresponds to the second element.
  • the gate wiring 22 is not shown for convenience.
  • a P-type collector layer 30 is formed in the IGBT region 11c, and an N-type is formed in the diode region 11d.
  • a cathode layer 39 is formed.
  • the collector layer 30 and the cathode layer 39 are arranged side by side.
  • a collector electrode 31 is formed on the collector layer 30 and the cathode layer 39. Therefore, the collector electrode 31 also functions as the cathode electrode of the freewheeling diode element.
  • the IGBT element and the free wheel diode element are formed on the semiconductor substrate 11. That is, an RC-IGBT is formed.
  • a dummy gate electrode 18b is formed in the diode region 11d.
  • the semiconductor device 10 according to the present embodiment includes the diodes 24 and 25 described above. Therefore, an effect equivalent to that of the first embodiment can be obtained. That is, at the time of the withstand voltage test, the diode 24 is allowed to conduct and the diode 25 is cut off, so that a voltage necessary for the withstand voltage test is applied between the dummy gate electrode 18b and the emitter electrode 20. Therefore, the withstand voltage test of the gate insulating film 17 in the dummy gate electrode 18b can be performed appropriately. Further, during the IGBT operation, since the diode 24 is turned off and the diode 25 is allowed to be turned on, the potential of the dummy gate electrode 18b is held at the same potential as that of the emitter electrode 20 while the gate pad 21a is shared. Can do.
  • the breakdown voltage test of the gate insulating film 17 in the dummy gate electrode 18b can be performed, and the potential of the dummy gate electrode 18b is set to a potential that does not generate an inversion layer without connecting the pad to the emitter electrode 20 after the breakdown voltage test. It can be stabilized. For example, a wire bonding step for connecting the pad and the emitter electrode 20 can be eliminated.
  • the gate pad 21a is shared by the main gate electrode 18a and the dummy gate electrode 18b, the breakdown voltage test of the gate insulating film 17 can be performed simultaneously with the main gate electrode 18a and the dummy gate electrode 18b. Moreover, the pad 21 and wiring can be reduced.
  • the trench 14 is formed not only in the IGBT region 11c but also in the diode region 11d. Therefore, it is possible to prevent electric field concentration from occurring in the trench 14 near the diode region 11d in the IGBT region 11c, thereby reducing the breakdown voltage.
  • the breakdown voltage test of the gate insulating film 17 in the dummy gate electrode 18b can be performed, and the potential of the dummy gate electrode 18b is stabilized to a potential that does not generate an inversion layer without connecting the pad to the emitter electrode 20 after the breakdown voltage test.
  • the breakdown voltage test of the gate insulating film 17 in the dummy gate electrode 18b can be performed, and the potential of the dummy gate electrode 18b is stabilized to a potential that does not generate an inversion layer without connecting the pad to the emitter electrode 20 after the breakdown voltage test.
  • the first conductivity type is N type and the second conductivity type is P type
  • the first conductivity type may be P type
  • the second conductivity type may be N type
  • the dummy gate electrode 18b is formed in the formation region of the IGBT element. Further, the example in which the dummy gate electrode 18b is formed in the diode region 11d is shown. However, the dummy gate electrode 18b may be formed in both the IGBT region 11c and the diode region 11d.
  • the emitter region 15 may be formed in a portion adjacent to the trench 14 of the main gate electrode 18a and not formed in a portion adjacent to the trench 14 of the dummy gate electrode 18b. Furthermore, the body region 16 may not be formed in the diode region 11d.

Landscapes

  • Semiconductor Integrated Circuits (AREA)
  • Metal-Oxide And Bipolar Metal-Oxide Semiconductor Integrated Circuits (AREA)
PCT/JP2018/001883 2017-03-06 2018-01-23 半導体装置 Ceased WO2018163624A1 (ja)

Priority Applications (2)

Application Number Priority Date Filing Date Title
CN201880004460.8A CN109983565B (zh) 2017-03-06 2018-01-23 半导体装置
US16/358,756 US10840364B2 (en) 2017-03-06 2019-03-20 Semiconductor device

Applications Claiming Priority (2)

Application Number Priority Date Filing Date Title
JP2017-042062 2017-03-06
JP2017042062A JP6729452B2 (ja) 2017-03-06 2017-03-06 半導体装置

Related Child Applications (1)

Application Number Title Priority Date Filing Date
US16/358,756 Continuation US10840364B2 (en) 2017-03-06 2019-03-20 Semiconductor device

Publications (1)

Publication Number Publication Date
WO2018163624A1 true WO2018163624A1 (ja) 2018-09-13

Family

ID=63449139

Family Applications (1)

Application Number Title Priority Date Filing Date
PCT/JP2018/001883 Ceased WO2018163624A1 (ja) 2017-03-06 2018-01-23 半導体装置

Country Status (4)

Country Link
US (1) US10840364B2 (enExample)
JP (1) JP6729452B2 (enExample)
CN (1) CN109983565B (enExample)
WO (1) WO2018163624A1 (enExample)

Cited By (1)

* Cited by examiner, † Cited by third party
Publication number Priority date Publication date Assignee Title
JP2020047660A (ja) * 2018-09-14 2020-03-26 富士電機株式会社 半導体素子及び半導体装置

Families Citing this family (6)

* Cited by examiner, † Cited by third party
Publication number Priority date Publication date Assignee Title
JP6946219B2 (ja) * 2018-03-23 2021-10-06 株式会社東芝 半導体装置
KR102127806B1 (ko) * 2018-09-17 2020-06-29 삼성전기주식회사 전자 부품 및 이의 제작 방법
JP7272004B2 (ja) * 2019-02-25 2023-05-12 富士電機株式会社 絶縁ゲート型半導体装置及びその製造方法
JP7351086B2 (ja) * 2019-03-05 2023-09-27 富士電機株式会社 絶縁ゲート型半導体装置及びその製造方法
JP7272421B2 (ja) * 2019-03-15 2023-05-12 富士電機株式会社 半導体装置
DE102020107277A1 (de) * 2020-03-17 2021-09-23 Infineon Technologies Austria Ag Rc-igbt

Citations (4)

* Cited by examiner, † Cited by third party
Publication number Priority date Publication date Assignee Title
JP2013513245A (ja) * 2009-12-08 2013-04-18 ローベルト ボツシユ ゲゼルシヤフト ミツト ベシユレンクテル ハフツング 半導体構成素子を備えた回路装置
JP2013251466A (ja) * 2012-06-01 2013-12-12 Fuji Electric Co Ltd 半導体装置、半導体装置の制御方法および半導体装置の評価方法
JP2014053552A (ja) * 2012-09-10 2014-03-20 Toyota Motor Corp 半導体装置
JP2016025124A (ja) * 2014-07-16 2016-02-08 株式会社デンソー 半導体装置およびその製造方法

Family Cites Families (16)

* Cited by examiner, † Cited by third party
Publication number Priority date Publication date Assignee Title
JP5383009B2 (ja) * 2007-07-17 2014-01-08 三菱電機株式会社 半導体装置の設計方法
DE102009005914B4 (de) * 2008-01-28 2014-02-13 Denso Corporation Halbleitervorrichtung mit Halbleiterelement mit isoliertem Gate und bipolarer Transistor mit isoliertem Gate
JP4688901B2 (ja) * 2008-05-13 2011-05-25 三菱電機株式会社 半導体装置
JP4840482B2 (ja) 2008-10-14 2011-12-21 株式会社デンソー 半導体装置
JP2010232335A (ja) * 2009-03-26 2010-10-14 Sanyo Electric Co Ltd 絶縁ゲートバイポーラトランジスタ
JP5410133B2 (ja) 2009-03-30 2014-02-05 富士電機株式会社 半導体装置およびその制御方法
JP5595067B2 (ja) * 2010-02-25 2014-09-24 富士電機株式会社 半導体装置
JP6119577B2 (ja) * 2013-11-26 2017-04-26 三菱電機株式会社 半導体装置
DE112014006606B4 (de) * 2014-04-21 2021-11-18 Mitsubishi Electric Corporation Leistungshalbleitereinheit
JP6404591B2 (ja) * 2014-04-23 2018-10-10 富士電機株式会社 半導体装置の製造方法、半導体装置の評価方法および半導体装置
JP6197773B2 (ja) * 2014-09-29 2017-09-20 トヨタ自動車株式会社 半導体装置
JP6274154B2 (ja) * 2015-05-27 2018-02-07 トヨタ自動車株式会社 逆導通igbt
JP6334465B2 (ja) * 2015-06-17 2018-05-30 富士電機株式会社 半導体装置
WO2017033315A1 (ja) * 2015-08-26 2017-03-02 三菱電機株式会社 半導体素子
JP6281548B2 (ja) * 2015-09-17 2018-02-21 トヨタ自動車株式会社 半導体装置
WO2017126167A1 (ja) * 2016-01-19 2017-07-27 三菱電機株式会社 半導体装置

Patent Citations (4)

* Cited by examiner, † Cited by third party
Publication number Priority date Publication date Assignee Title
JP2013513245A (ja) * 2009-12-08 2013-04-18 ローベルト ボツシユ ゲゼルシヤフト ミツト ベシユレンクテル ハフツング 半導体構成素子を備えた回路装置
JP2013251466A (ja) * 2012-06-01 2013-12-12 Fuji Electric Co Ltd 半導体装置、半導体装置の制御方法および半導体装置の評価方法
JP2014053552A (ja) * 2012-09-10 2014-03-20 Toyota Motor Corp 半導体装置
JP2016025124A (ja) * 2014-07-16 2016-02-08 株式会社デンソー 半導体装置およびその製造方法

Cited By (2)

* Cited by examiner, † Cited by third party
Publication number Priority date Publication date Assignee Title
JP2020047660A (ja) * 2018-09-14 2020-03-26 富士電機株式会社 半導体素子及び半導体装置
JP7293592B2 (ja) 2018-09-14 2023-06-20 富士電機株式会社 半導体素子及び半導体装置

Also Published As

Publication number Publication date
US20190221658A1 (en) 2019-07-18
CN109983565B (zh) 2022-01-11
US10840364B2 (en) 2020-11-17
JP2018148044A (ja) 2018-09-20
CN109983565A (zh) 2019-07-05
JP6729452B2 (ja) 2020-07-22

Similar Documents

Publication Publication Date Title
WO2018163624A1 (ja) 半導体装置
JP6459791B2 (ja) 半導体装置およびその製造方法
JP6115050B2 (ja) 半導体装置
US8102025B2 (en) Semiconductor device having IGBT and diode
US11056484B2 (en) Semiconductor device with multiple trench structures
US10192978B2 (en) Semiconductor apparatus
CN108475675B (zh) 半导体装置
US8890252B2 (en) Semiconductor device having switching element and free wheel diode and method for controlling the same
JP6056202B2 (ja) 半導体装置、半導体装置の制御方法および半導体装置の評価方法
CN102891172B (zh) 半导体装置及使用其的电力转换装置
CN105122452B (zh) 半导体装置
US20150221566A1 (en) Semiconductor device
CN110931551A (zh) 半导体电路以及控制电路
JP6652173B2 (ja) 半導体装置
WO2013179648A1 (ja) 半導体装置
WO2016117338A1 (ja) 半導体装置
CN109686789B (zh) 半导体装置
CN105917469A (zh) 电力用半导体装置
CN102386231B (zh) 半导体装置
JP2015126084A (ja) 半導体装置
JP7207361B2 (ja) 半導体装置
JP2011108800A (ja) 横型igbt及び横型igbtの製造方法
JP2017139291A (ja) 半導体装置
WO2023053439A1 (ja) 電力用半導体装置
CN114203811A (zh) 半导体装置以及其控制方法

Legal Events

Date Code Title Description
121 Ep: the epo has been informed by wipo that ep was designated in this application

Ref document number: 18764697

Country of ref document: EP

Kind code of ref document: A1

NENP Non-entry into the national phase

Ref country code: DE

122 Ep: pct application non-entry in european phase

Ref document number: 18764697

Country of ref document: EP

Kind code of ref document: A1