JP2005293637A - 光ディスク記録再生装置及びその信号検出方法 - Google Patents

光ディスク記録再生装置及びその信号検出方法 Download PDF

Info

Publication number
JP2005293637A
JP2005293637A JP2004103030A JP2004103030A JP2005293637A JP 2005293637 A JP2005293637 A JP 2005293637A JP 2004103030 A JP2004103030 A JP 2004103030A JP 2004103030 A JP2004103030 A JP 2004103030A JP 2005293637 A JP2005293637 A JP 2005293637A
Authority
JP
Japan
Prior art keywords
signal
light receiving
optical disc
light
recording
Prior art date
Legal status (The legal status is an assumption and is not a legal conclusion. Google has not performed a legal analysis and makes no representation as to the accuracy of the status listed.)
Pending
Application number
JP2004103030A
Other languages
English (en)
Inventor
Isao Ichimura
功 市村
Current Assignee (The listed assignees may be inaccurate. Google has not performed a legal analysis and makes no representation or warranty as to the accuracy of the list.)
Sony Corp
Original Assignee
Sony Corp
Priority date (The priority date is an assumption and is not a legal conclusion. Google has not performed a legal analysis and makes no representation as to the accuracy of the date listed.)
Filing date
Publication date
Application filed by Sony Corp filed Critical Sony Corp
Priority to JP2004103030A priority Critical patent/JP2005293637A/ja
Priority to KR1020050026677A priority patent/KR20060045035A/ko
Priority to US11/092,907 priority patent/US8111595B2/en
Publication of JP2005293637A publication Critical patent/JP2005293637A/ja
Pending legal-status Critical Current

Links

Images

Classifications

    • GPHYSICS
    • G11INFORMATION STORAGE
    • G11BINFORMATION STORAGE BASED ON RELATIVE MOVEMENT BETWEEN RECORD CARRIER AND TRANSDUCER
    • G11B7/00Recording or reproducing by optical means, e.g. recording using a thermal beam of optical radiation by modifying optical properties or the physical structure, reproducing using an optical beam at lower power by sensing optical properties; Record carriers therefor
    • G11B7/004Recording, reproducing or erasing methods; Read, write or erase circuits therefor
    • G11B7/005Reproducing
    • G11B7/0053Reproducing non-user data, e.g. wobbled address, prepits, BCA
    • GPHYSICS
    • G11INFORMATION STORAGE
    • G11BINFORMATION STORAGE BASED ON RELATIVE MOVEMENT BETWEEN RECORD CARRIER AND TRANSDUCER
    • G11B7/00Recording or reproducing by optical means, e.g. recording using a thermal beam of optical radiation by modifying optical properties or the physical structure, reproducing using an optical beam at lower power by sensing optical properties; Record carriers therefor
    • G11B7/08Disposition or mounting of heads or light sources relatively to record carriers
    • G11B7/09Disposition or mounting of heads or light sources relatively to record carriers with provision for moving the light beam or focus plane for the purpose of maintaining alignment of the light beam relative to the record carrier during transducing operation, e.g. to compensate for surface irregularities of the latter or for track following
    • GPHYSICS
    • G11INFORMATION STORAGE
    • G11BINFORMATION STORAGE BASED ON RELATIVE MOVEMENT BETWEEN RECORD CARRIER AND TRANSDUCER
    • G11B7/00Recording or reproducing by optical means, e.g. recording using a thermal beam of optical radiation by modifying optical properties or the physical structure, reproducing using an optical beam at lower power by sensing optical properties; Record carriers therefor
    • G11B7/004Recording, reproducing or erasing methods; Read, write or erase circuits therefor
    • G11B7/005Reproducing
    • GPHYSICS
    • G11INFORMATION STORAGE
    • G11BINFORMATION STORAGE BASED ON RELATIVE MOVEMENT BETWEEN RECORD CARRIER AND TRANSDUCER
    • G11B7/00Recording or reproducing by optical means, e.g. recording using a thermal beam of optical radiation by modifying optical properties or the physical structure, reproducing using an optical beam at lower power by sensing optical properties; Record carriers therefor
    • G11B7/007Arrangement of the information on the record carrier, e.g. form of tracks, actual track shape, e.g. wobbled, or cross-section, e.g. v-shaped; Sequential information structures, e.g. sectoring or header formats within a track
    • G11B7/00736Auxiliary data, e.g. lead-in, lead-out, Power Calibration Area [PCA], Burst Cutting Area [BCA], control information
    • GPHYSICS
    • G11INFORMATION STORAGE
    • G11BINFORMATION STORAGE BASED ON RELATIVE MOVEMENT BETWEEN RECORD CARRIER AND TRANSDUCER
    • G11B7/00Recording or reproducing by optical means, e.g. recording using a thermal beam of optical radiation by modifying optical properties or the physical structure, reproducing using an optical beam at lower power by sensing optical properties; Record carriers therefor
    • G11B7/08Disposition or mounting of heads or light sources relatively to record carriers
    • G11B7/09Disposition or mounting of heads or light sources relatively to record carriers with provision for moving the light beam or focus plane for the purpose of maintaining alignment of the light beam relative to the record carrier during transducing operation, e.g. to compensate for surface irregularities of the latter or for track following
    • G11B7/0901Disposition or mounting of heads or light sources relatively to record carriers with provision for moving the light beam or focus plane for the purpose of maintaining alignment of the light beam relative to the record carrier during transducing operation, e.g. to compensate for surface irregularities of the latter or for track following for track following only
    • GPHYSICS
    • G11INFORMATION STORAGE
    • G11BINFORMATION STORAGE BASED ON RELATIVE MOVEMENT BETWEEN RECORD CARRIER AND TRANSDUCER
    • G11B7/00Recording or reproducing by optical means, e.g. recording using a thermal beam of optical radiation by modifying optical properties or the physical structure, reproducing using an optical beam at lower power by sensing optical properties; Record carriers therefor
    • G11B7/08Disposition or mounting of heads or light sources relatively to record carriers
    • G11B7/09Disposition or mounting of heads or light sources relatively to record carriers with provision for moving the light beam or focus plane for the purpose of maintaining alignment of the light beam relative to the record carrier during transducing operation, e.g. to compensate for surface irregularities of the latter or for track following
    • G11B7/0901Disposition or mounting of heads or light sources relatively to record carriers with provision for moving the light beam or focus plane for the purpose of maintaining alignment of the light beam relative to the record carrier during transducing operation, e.g. to compensate for surface irregularities of the latter or for track following for track following only
    • G11B7/0906Differential phase difference systems

Landscapes

  • Optical Recording Or Reproduction (AREA)

Abstract

【課題】 情報ピットや記録マークによる影響を排除し、確実にウォブル信号を検出する。
【解決手段】 光ディスクからの戻り光を検出する光検出器27に、光ディスクのトラック接線方向及び光ディスク径方向に分割された受光領域によって主ビーム(0次回折光)の戻り光を検出する4分割受光素子270と、トラック接線方向に分割された受光領域によって副ビーム(±1次回折光)の戻り光を検出する2つの2分割受光素子271、272とを設ける。そして、4分割受光素子の各受光領域からのピット再生信号をAGC回路で正規化し、オペアンプ等によって演算処理することにより、ウォブル信号及び位相差法によるトラック制御誤差信号の演算を行う。
【選択図】 図1

Description

本発明は、光ディスク媒体上の案内溝や情報ピット列に付与されたウォブル(蛇行)形状から特定の情報信号を正確に検出することができる光ディスク記録再生装置及びその信号検出方法に関する。
従来より、CD−RやDVD−RWといった書き込み可能な光ディスクにおいては、案内溝(グルーブ)がウォブル(蛇行)して形成されており、このウォブルを用いてトラックアドレス情報や書き込みクロック生成の基準タイミング信号が重畳されている。
また、再生専用光ディスクにおいても、情報ピット列をウォブルして配置することで著作権情報等の電子透かし(ウォーターマーク)を重畳する試みがなされている。
そして、このようなウォブルによって記録された情報信号(以下、ウォブル信号という)を正確に検出する方法として、例えば、2分割された受光素子で構成される差信号検出手段によって得られた出力に基づいて、各受光素子の検出出力が等しくなるように利得制御を行うものが提案されている(例えば特許文献1参照)。この方法は、対物レンズと光ディスクとの間に傾きが生じた際、あるいは受光素子の取り付け位置に誤差が存在する際に、2分割された各受光素子の検出信号間の差分に残留成分が発生し、記録後のウォブル検出信号に記録マークによる漏れ込みが生じて再生信号のS/Nを劣化させる現象を防ぐ効果がある。
また、同様の目的で、2分割受光素子の出力を加算したRF信号によって、それぞれの受光素子における検出出力を正規化してから減算することで記録信号の影響を軽減する方法が提案されている(例えば特許文献2参照)。
さらに、トラックの接線方向、並びに接線と直交する方向にそれぞれ分割された4分割受光素子を用いてウォブル信号を検出するとともに、互いに隣接するグルーブの中間部(いわゆるランド部)に形成されたプリピット(LPP)、並びに記録マークを再生する際に、ウォブル信号への影響を少なくする方法が提案されている(例えば特許文献3参照)。
特許第3260151号公報 特開平6−29046号公報 特開2000−182248号公報
しかしながら、上記従来の方法は、いずれも記録可能な光ディスクにおいて、連続的な溝形状よりなるグルーブ部に重畳されるトラックアドレスやクロック生成用の時間情報等のウォブル信号が信号マークの存在によって影響を受けるのを防ぐことに主眼が置かれたものである。
したがって、上記従来の方法では、間欠的な孔形状の配列よりなる情報ピット列にウォーターマーク等のウォブル信号が重畳された再生専用(ROM)光ディスクについては、情報ピットや記録マークによる影響を有効に排除できず、ウォブル信号の正確な検出が行えない場合がある。
そこで本発明は、ウォブル付きグルーブによってアドレスや時間情報等の情報信号を重畳した光ディスクに加えて、ウォブル付き情報ピット列によってウォーターマーク等の情報信号を重畳した光ディスクについても、情報ピットや記録マークによる影響を排除し、確実にウォブル信号の検出を行うことが可能な光ディスク記録再生装置及びその信号検出方法を提供することを目的とする。
上述の目的を達成するため、本発明の光ディスク記録再生装置は、光ディスクに対して信号情報の記録再生動作を行う光ピックアップと、前記光ピックアップで光ディスクに照射される光ビームを主ビームと両側の副ビームに分岐させて光ディスクに供給する光学素子と、前記光ディスクからの戻り光を検出する光検出器と、前記光検出器からの検出信号を用いて位相差法及び差動プッシュプル法によるトラック制御誤差信号の検出を行うとともに、ウォブル信号の検出を行う演算回路とを有し、前記光検出器は、光ディスクの少なくともトラック接線方向及び光ディスク径方向に分割された受光領域によって前記主ビームの戻り光を検出する4分割受光素子と、前記4分割受光素子の両側に配置され、少なくともトラック接線方向に分割された受光領域によって前記副ビームの戻り光を検出する2つの2分割受光素子とを有し、前記演算回路は、前記光検出器の4分割受光素子における各受光領域からのピット再生信号を一定値に正規化する正規化手段を有し、正規化したピット再生信号を用いて前記ウォブル信号及び位相差法によるトラック制御誤差信号の演算を行うことを特徴とする。
また、本発明の信号検出方法は、光ディスクに対して信号情報の記録再生動作を行う光ピックアップと、前記光ピックアップで光ディスクに照射される光ビームを主ビームと両側の副ビームに分岐させて光ディスクに供給する光学素子と、前記光ディスクからの戻り光を検出する光検出器と、前記光検出器からの検出信号を用いて位相差法及び差動プッシュプル法によるトラック制御誤差信号の検出を行うとともに、ウォブル信号の検出を行う演算回路とを有し、前記光検出器は、光ディスクの少なくともトラック接線方向及び光ディスク径方向に分割された受光領域によって前記主ビームの戻り光を検出する4分割受光素子と、前記4分割受光素子の両側に配置され、少なくともトラック接線方向に分割された受光領域によって前記副ビームの戻り光を検出する2つの2分割受光素子とを有する光ディスク記録再生装置の信号検出方法であって、前記光検出器の4分割受光素子における各受光領域からのピット再生信号を一定値に正規化し、この正規化したピット再生信号を用いて前記ウォブル信号及び位相差法によるトラック制御誤差信号の演算を行うことを特徴とする。
本発明の光ディスク記録再生装置及びその信号検出方法によれば、光ディスクからの戻り光を検出する光検出器に、光ディスクの少なくともトラック接線方向及び光ディスク径方向に分割された受光領域によって主ビームの戻り光を検出する4分割受光素子と、この4分割受光素子の両側に配置され、少なくともトラック接線方向に分割された受光領域によって副ビームの戻り光を検出する2つの2分割受光素子とを設け、この光検出器の4分割受光素子における各受光領域からのピット再生信号を一定値に正規化し、この正規化したピット再生信号を用いてウォブル信号及び位相差法によるトラック制御誤差信号の演算を行うことから、情報ピットや記録マークによる影響を排除してウォブル信号を確実に検出できる。
したがって、ウォブル付きグルーブによってアドレスや時間情報等の情報信号を重畳した光ディスクに加えて、ウォブル付き情報ピット列によってウォーターマーク等の情報信号を重畳した光ディスクについても、情報ピットや記録マークによる影響を排除し、確実にウォブル信号の検出を行うことができる効果がある。
本発明の実施の形態による光ディスク記録再生装置及びその信号検出方法は、光ディスクからの戻り光を検出する光検出器に、光ディスクの少なくともトラック接線方向及び光ディスク径方向に分割された受光領域によって主ビーム(0次回折光)の戻り光を検出する4分割受光素子と、この4分割受光素子の両側に配置され、少なくともトラック接線方向に分割された受光領域によって副ビーム(±1次回折光)の戻り光を検出する2つの2分割受光素子とを設ける。
そして、この光検出器の4分割受光素子からの信号処理系に、4分割受光素子の各受光領域からのピット再生信号を一定値に正規化するAGC回路を設け、このAGC回路で正規化したピット再生信号をオペアンプ等によって演算処理することにより、ウォブル信号及び位相差法によるトラック制御誤差信号の演算を行うことで、情報ピットや記録マークによる影響を排除してウォブル信号の検出を確実に行う。
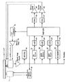
図1は本発明の実施例による光ディスク記録再生装置の全体構成例を示すブロック図であり、図2は図1に示す光ディスク記録再生装置の光ピックアップの構成例を示すブロック図である。なお、図2は主に位相差法(DPD)によるトラック誤差信号の検出及びウォブル信号の検出を行う際の構成を示している。
また、図3は図1に示す光ディスク記録再生装置の対物レンズ駆動部と光ディスクを示す断面図、図4は図1に示す光ディスク記録再生装置の光ディスク再生用光学ピックアッの構成を示す断面図、図5は図1に示す光ディスク記録再生装置に設けられる分割受光素子の構成を示す拡大平面図である。
本実施例の光ディスク記録再生装置は、開口数0.85の2群対物レンズと波長405nmの青紫色半導体レーザ光源を用いた光ディスク(Blu-ray Disc)の記録再生装置で用いられる光学系の例を示している。以下、このような光ディスク記録再生装置で用いる光ディスクのウォブル信号、並びにトラック制御誤差信号の検出方法を中心に本実施例を説明する。
まず、図3を用いて本実施例における光ディスク光学系用2群対物レンズを説明する。
図示のように、本実施例の対物レンズ駆動部には、2群対物レンズを構成する第1のレンズ12及び第2のレンズ14と、レンズホルダ13と、2軸電磁アクチュエータ15等からなり、光ディスク11の信号記録面に近接して対向配置されている。
第2のレンズ14は、光軸方向、及び信号トラック(接線)と直交する方向に可動な構造を持つ2軸電磁アクチュエータ15上に搭載されている。第1のレンズ12は、第2のレンズ14と同一の光軸上に位置するように、レンズホルダ13によって支持され、これら2枚のレンズ12、14は一体となって開口数0.85の2群対物レンズとして機能する。半導体レーザ光源(図3には不図示)からのビームは、これら2枚のレンズを通過することによって光ディスク11上に集光される。
なお、対物レンズの開口数が大きくなることで、一般に光ディスク記録再生装置におけるディスク傾き許容度が減少する。従って、レンズ開口数を0.85まで高めた光ディスク記録再生装置においても、DVD(Digital Versatile Disc)とほぼ同等の傾き許容度を得るため、光透過保護層(カバー層)11aの厚さを0.1mm程度に薄くする手法が提案されている。
次に、図4を用いて光ディスク再生用光学ピックアップの構成を説明する。
まず、半導体レーザ16からの出射光は、コリメータレンズ17で平行光とされ、トラック制御誤差信号を生成するために用いられる副ビーム(±1次回折光)生成用の回折格子19を通過した後、2 群対物レンズ12、14によって光ディスク11上に集光される。
そして、出射光の一部は偏光ビームスプリッタ20によって反射した後、集光レンズ21により発光出力検出用の光検出器22へと導かれて、レーザ出力を一定値に制御する目的で用いられる。なお、この光検出器22への入射光量は1/2波長板18を回転することによって調整が可能であり、実際のレーザ出力は、図示しない自動出力制御(APC:Automatic Power Control)回路によって任意の発光出力値に制御される。
また、液晶素子23は、同心状の電極パターンを有し、各電極への印加電圧に応じて、カバー層の厚さ誤差により生じる球面収差の補正を行う役割を果たす。また、2群レンズの手前には、半導体レーザ16の直線偏光を円偏光に変換するための1/4波長板24が配置される。
一方、光ディスク11からの反射光は、ビームスプリッタ20で反射した後、検出光路へと導かれる。本例においては、焦点制御誤差信号として非点収差法を用いるとともに、トラック制御誤差信号として位相差法(例えば特開昭58−150145号参照)、及び差動プッシュプル法(例えば特開昭61−94246号参照)を用いており、集光レンズ25、並びにマルチレンズ26を通った収束光は、サーボ誤差信号及びRF信号検出用の光検出器27へと入射し、光電変換が施される。
光検出器27は、図5に示すように、1つの4分割受光素子270と2つの2分割受光素子271、272から構成されている。4分割受光素子270は、矢印αに示すトラック接線方向、及びその直交方向(光ディスク径方向)に4分割配置された4つの分割受光領域A〜Dを有している。そして、各分割受光領域A〜Dは、それぞれ広帯域特性を有し、受光領域Aと受光領域D、受光領域Bと受光領域Cがトラック接線方向に対して対向する位置関係となる。
また、2分割受光素子271、271は、4分割受光素子270を挟んでトラック接線方向の直交方向の両側に配置され、2分割受光素子271はトラック接線方向の直交方向に2分割配置された2つの分割受光領域E、Fを有し、2分割受光素子272もトラック接線方向の直交方向に2分割配置された2つの分割受光領域G、Hを有している。
回折格子19によって0次光(主ビーム)及び±1次光(副ビーム)の3つのビームに分割された照明光のうち、0次光の反射光はAからDまでの受光領域によって受光され、また±1次光の反射光はEからHまでの受光領域によって受光されることとなる。
これらの受光領域A〜Hの出力に基づいて焦点制御誤差信号FE、並びに、トラック制御誤差信号としての位相差信号DPD(Differential Phase Detection Method)、及び差動プッシュプル誤差信号DPP(Differential Push-Pull Detection Method)が演算される。
次に、図2を用いて本実施例の光ディスク記録再生装置における光ピックアップの構成を説明する。
図示のように、この光ピックアップは、上述した光検出器27の各分割受光領域からの検出信号を増幅するヘッドアンプ31a〜31h、4分割受光素子270からの検出信号のゲインを自動調整するオートゲインコントローラ(AGC:Automatic Gain Control)32a〜32d、各AGC回路32a〜32dからの信号を波形整形するイコライザ(EQ:Equalizer)40a〜40d、AGC回路32a、32bの出力信号、並びにAGC回路32c、32dの出力信号を加算するオペアンプ34a、34b、各オペアンプ34a、34bの出力の差分をとるオペアンプ35、オペアンプ35の出力から所定の周波数帯域信号を通すバンドパスフィルタ(BPF)36、イコライザ40a〜40dからの出力信号を基準値と比較して二値化するレベルコンパレータ(LC:Level Comparator)41a〜41d、2つのレベルコンパレータ41a、41dの出力信号の位相、並びに2つのレベルコンパレータ41ab、41cの出力信号の位相を比較する位相コンパレータ(PC:Phase Comparator)42a、42b、位相コンパレータ42a、42bの出力信号の高周波信号をカットするローパスフィルタ43a、43b、各ローパスフィルタ43a、43bの出力信号を加算するオペアンプ44を有する。
次に、このような光ピックアップにおける動作について説明する。
図3〜図5に示す光学系により光ディスク11から読み出された再生信号はヘッドアンプ31a〜31hに入力される。各ヘッドアンプ31a〜31hは、光学系からの再生信号(ここでは図5に示した各分割受光領域における受光量)を光電変換し、後段で処理するために必要となる所定のレベルに増幅する。
その後、ヘッドアンプ出力のうち受光素子270の各領域A〜Dに対応するヘッドアンプ31a〜31dの出力はAGC回路32a〜32dに供給され、受光強度、あるいは再生信号振幅が指示電圧と等しくなるように調整が施される。
図6は、再生信号の振幅を半波整流回路によって検出し、参照電圧と等しくなるように制御するAGC回路の構成例(32a部分)を示す回路図である。
ヘッドアンプ31aの出力はコンデンサ(Ca1)32a−1により直流成分がカットされた後、AGC回路32a内のAGCアンプ32a−2に供給される。半波整流回路は広帯域オペアンプ32a−3と2個の抵抗器(Ra1、Ra2)32a−4、32a−5、2個のダイオード(Da1、Da1)32a−6、32a−7、並びにコンデンサ(Ca2)32a−8によって構成され、検出された電圧値は抵抗(Ra3)32a−10を介して別のオペアンプ32a−9のマイナス入力端子に、また、可変抵抗(Ra4)32a−11によって生成される参照電圧がプラス入力端子に接続されている。
オペアンプ32a−9の帰還抵抗(Ra5)32a−12をRa5>>Ra3となる条件に設定することで、十分な利得を持ったAGCアンプが構成され、再生信号の振幅値が常に一定の値に保たれる。他のAGC回路32b〜32dにおいても同様の処理が施されることで、4分割受光素子270の受光領域A〜Dの出力は一定の再生信号振幅となるように正規化される。なお、本実施例においては半波整流による信号振幅の検出方法を例示したが、全波整流方式等、他の振幅検出方法を適用することも可能である。
また、4分割受光素子270の受光強度が等しくなるように自動利得調整を行う方法も容易に実現できる。
ウォブル信号の検出は、オペアンプ34aを用いてAGC回路32aとAGC回路32bの出力を加算した信号から、オペアンプ34bを用いてAGC回路32cとAGC回路32dの出力を加算した信号をオペアンプ35を用いて減算し、その出力をウォブル信号のみを通過させる帯域通過フィルタ36を通すことで実現される。この手法を用いることで、対物レンズと光ディスクとの間に傾きが生じた際、あるいは受光素子の取り付け位置に誤差が存在する際などに、4分割受光素子270の受光信号間の差分に再生信号に起因する残留成分が発生して、ウォブル信号のS/Nが劣化する現象を防ぐ効果がある。
次に、位相差法によるトラック制御誤差信号の検出方法について説明する。
図2において、AGC回路32aの出力はイコライザ40aを通った後、コンパレータ41aによって2値化され、位相コンパレータ42aに入力される。同じくAGC回路32dの出力はイコライザ40dを通った後にコンパレータ41dによって2値化され、位相コンパレータ42aに入力される。
位相コンパレータ42aにおいては、これら2つの入力信号の位相差が検出される。その様子を図7に示す。
図示のように、受光領域Aの入力の位相が受光領域Dの入力に対して進んでいる場合、図7(d)に示すように、その位相差に対応する論理信号が進相端子(Proc)側に出力され、遅相端子(Delay)側はゼロレベルを保っている。
一方、受光領域Aの入力の位相が受光領域Dの入力に対して遅れている場合には、図7(e)に示すように、位相差に対応する論理信号が遅相端子(Delay)側に出力され、進相端子(Proc)側はゼロレベルとなる。従って、位相コンパレータ42aにおける両出力をローパスフィルタ(LPF)43aに通した後、その差分をオペアンプ44aによって演算することで、受光領域A−D間の位相差誤差信号が得られる。
同様にAGC回路32b、32cの出力を用いることで受光素子B−C間の位相差誤差信号を得ることが可能であり、この両者を加算することにより、4分割受光素子を用いた位相差(DPD)誤差信号が演算される。加えて、本例の手法を用いることで、光ディスクの反射率変動や信号振幅の差異によって生じる誤差信号の変動を防ぐことが可能となる。
また、ウォブル信号を検出する際に、本例の手法を用いることでピット信号や記録マークの影響を軽減することが可能である。しかしながら、ウォブル信号のS/Nを向上させるため、情報ピットあるいは記録マークが存在する部分のみ、もしくは、情報ピット、あるいは記録マークが存在しない部分のみの受光信号を標本化(サンプリング)する手法も有効である。
一例として、情報ピットがウォブルされている光ディスクを考える。この場合、連続グルーブがウォブルされている光ディスクとは異なり、情報ピットが存在しない微小区間においてはウォブル情報も存在しない。従って、情報ピットが存在する区間のみを検出してウォブル信号の生成に用いることで、実質的に信号S/Nを向上させることが可能となる。
図8は、この場合の構成を示すブロック図であり、図2に示す構成と同様のものについては同一符号を付している。
一般的に、情報ピットが存在する場合には反射率が低下するため、本例においては、受光素子A〜Dの出力変動を観察し、集光スポットが各ピットを通過する際に得られる信号が最小となる瞬間のウォブル信号をサンプル・ホールドする機構(サンプル・ホールド回路33a〜33d)を設けている。
すなわち、図8において、AGC回路32a〜32dの出力をサンプル・ホールド回路33a〜33dに入力し、オペアンプ34aを用いてサンプル・ホールド回路33aとサンプル・ホールド回路33bの出力を加算した後、オペアンプ34bを用いてサンプル・ホールド回路33cとサンプル・ホールド回路33dの出力を加算した信号を減算し(オペアンプ35を使用する)、その出力をウォブル信号のみを通過させるバンドパスフィルタ36を通すことで実現される。
また、連続グルーブがウォブルされている場合には、同様の手法を用いて記録マークの存在しない区間のみをサンプル・ホールドし、S/Nを向上することが可能である。
次に、差動プッシュプル検出法(DPP)を用いたトラック制御誤差信号の検出方法について説明する。
図9に示すように、受光領域A〜Dのヘッドアンプ出力31a〜31dに対し、オペアンプ51a〜51fを設けて以下の演算を行う。
まず、次の式(1)に示す演算を施すことでプッシュプル信号(MPP)が得られる。
MPP = (A+B)−(C+D) ……(1)
同様に、+1次回折光、−1次回折光の反射光である副ビームに対し、次の式(2)、並びに式(3)に示す演算を施すことで、副ビームのプッシュプル信号(SPP1、SPP2)が得られる。
SPP1 = E − F ……(2)
SPP2 = G − H ……(3)
上記(1)〜(3)までの出力信号に対して式(4)に示す演算を行い、差動プッシュプル誤差信号(DPP)を検出することが可能となる。
DPP = MPP − k・(SPP1+SPP2) ……(4)
なお、式(4)におけるkの値は、例えばオペアンプ51fの可変抵抗(R3)の抵抗値を変化させることで任意の値に設定することが可能である。
図2及び図3に示した構成によって得られる位相差法を用いたトラック誤差信号は、基本的にピット情報、あるいは記録マークが存在する場合のみに検出が可能となる。従って、再生専用(ROM)ディスクを再生する場合、また記録可能な光ディスクにおいては、ピット情報の存在する領域や信号記録済みの領域を再生する場合にのみ、誤差信号の生成が可能となる。
すなわち、本実施例では、情報ピットあるいは記録マークが存在しない場合には差動プッシュプル法を用い、また、情報ピットあるいは記録マークが存在する場合には、位相差法と差動プッシュプル法のいずれかを用いてトラック制御を行うことを特徴とする。
例えば、情報ピットが存在する領域においては、その都度、双方のトラック誤差信号を比較し、信号振幅の大きい検出方法を選択すればよい。なお、本実施例における再生RF信号は4分割受光素子の総和として、また焦点誤差信号は非点収差として得られるため、受光領域A〜Dのヘッドアンプ31a〜31dの出力に対し、式(5)及び式(6)に示す演算を行うことで検出可能である。
RF = A+B+C+D ……(5)
FE = (A+C)−(B+D) ……(6)
次に、図1を用いて本実施例を適用する光ディスク記録再生装置の全体構成を説明する。なお、図1において、上述した各誤差信号や和信号を検出するための演算回路は、それぞれブロック81、82、83、84で表している。
そして、式(5)の演算により得られた再生RF信号は、イコライザ・アンプ部(RF EQ)60によって波形等化された後、ブロック81、82、83、84等で示す信号処理系に供給される。
DSP(Digital Signal Processor)65は、光ディスク記録再生装置全体の動作を制御し、スピンドルモータ71の駆動回路70に対する制御も行うと同時に、光学系の焦点制御、並びにトラック制御に対する主機能も備えている。
また、各演算出力はA/D変換器61、62、63、64においてディジタル信号に変換され、DSP65において焦点制御、及びトラック制御に関する利得調整と位相補償が施される。DSPの出力はD/A変換器66、67によってアナログ信号に変換された後、増幅部68、69において必要な信号振幅へと増幅され、光学ピックアップ10に搭載された2軸電磁アクチュエータ15を駆動してレンズ位置の制御に用いられる。なお、球面収差補正素子である液晶デバイス23の制御はLC制御部(LC Control)72において行い、その駆動信号は増幅アンプ73を経由して光学ピックアップ10へと伝送される。
以上のように、本実施例によれば、グルーブ部をウォブルして形成することで予めトラックアドレスやクロック生成のための時間情報を重畳する光ディスクにおいて、情報ピットや記録マークによる影響を排除し、ウォブル信号を確実に検出することが可能となる。また、間欠的な情報ピットの連続による情報ピット列をウォブルすることで重畳が可能となる著作権情報等のウォーターマークを読み取る場合においても、情報ピットや記録マークによる影響を排除することで、ウォブル信号を確実に検出できる。
なお、本発明に適用される光ディスク記録媒体として、ピット再生信号、ウォブル信号、並びにトラック制御誤差信号の信号品質が、いずれも実用上支障のない範囲に収まるように、ウォブルにより付帯情報が付加されたピット及びグルーブ深さを、λ/10nからλ/4n(λは光源波長、nは光透過保護層の屈折率)の範囲内に設定することが望ましい。
また、本実施例の説明においては、Blu-ray Discの装置例を用い、また高開口数対物レンズの実施例として2群構成のレンズを用いたが、単レンズによっても同等の機能を実現することが可能である。さらに、本発明をCDやDVDといった従来型の光ディスク記録再生装置に対しても適用することが可能である。
本発明の実施例による光ディスク記録再生装置の全体構成例を示すブロック図である。 図1に示す光ディスク記録再生装置における光ピックアップのDPD信号及びウォブル検出用の構成例を示すブロック図である。 図1に示す光ディスク記録再生装置の対物レンズ駆動部の構成例を示す断面図である。 図1に示す光ディスク記録再生装置における光ピックアップ光学系の構成例を示す断面図である。 図1に示す光ディスク記録再生装置における光検出器の分割受光素子の構成例を示す断面図である。 図1に示す光ディスク記録再生装置のAGCアンプ回路の構成例を示す回路図である。 図1に示す光ディスク記録再生装置の位相コンパレータの位相差検出処理を示す波形図である。 図1に示す光ディスク記録再生装置における光ピックアップのウォブル信号検出用の構成例を示すブロック図である。 図1に示す光ディスク記録再生装置における光ピックアップのDPP信号検出用の構成例を示すブロック図である。
符号の説明
10……光ピックアップ、11……光ディスク、27……光検出器、31a〜31h……ヘッドアンプ、32a〜32d……AGC回路、34a、34b、35……オペアンプ、36……バンドパスフィルタ。

Claims (14)

  1. 光ディスクに対して信号情報の記録再生動作を行う光ピックアップと、
    前記光ピックアップで光ディスクに照射される光ビームを主ビームと両側の副ビームに分岐させて光ディスクに供給する光学素子と、
    前記光ディスクからの戻り光を検出する光検出器と、
    前記光検出器からの検出信号を用いて位相差法及び差動プッシュプル法によるトラック制御誤差信号の検出を行うとともに、ウォブル信号の検出を行う演算回路とを有し、
    前記光検出器は、光ディスクの少なくともトラック接線方向及び光ディスク径方向に分割された受光領域によって前記主ビームの戻り光を検出する4分割受光素子と、前記4分割受光素子の両側に配置され、少なくともトラック接線方向に分割された受光領域によって前記副ビームの戻り光を検出する2つの2分割受光素子とを有し、
    前記演算回路は、前記光検出器の4分割受光素子における各受光領域からのピット再生信号を一定値に正規化する正規化手段を有し、正規化したピット再生信号を用いて前記ウォブル信号及び位相差法によるトラック制御誤差信号の演算を行う、
    ことを特徴とする光ディスク記録再生装置。
  2. 前記正規化手段は前記4分割受光素子の各受光領域に対応するピット再生信号の信号振幅が一定値となるように正規化を行う手段であることを特徴とする請求項1記載の光ディスク記録再生装置。
  3. 前記正規化手段は前記4分割受光素子の各受光領域における受光強度が一定値となるように正規化を行う手段であることを特徴とする請求項1記載の光ディスク記録再生装置。
  4. 前記演算回路は前記4分割受光素子による受光信号の情報ピットあるいは記録マークが存在する領域のみを標本化してウォブル信号の演算を行うことを特徴とする請求項1記載の光ディスク記録再生装置。
  5. 前記演算回路は前記4分割受光素子による受光信号の情報ピットあるいは記録マークが存在しない領域のみを標本化してウォブル信号の演算を行うことを特徴とする請求項1記載の光ディスク記録再生装置。
  6. 前記トラック制御誤差信号のうち、情報ピットあるいは記録マークが存在しない場合には差動プッシュプル法を用いてトラック制御を行い、情報ピットあるいは記録マークが存在する場合には位相差法と差動プッシュプル法のいずれかを用いてトラック制御を行うことを特徴とする請求項1記載の光ディスク記録再生装置。
  7. 前記光ビームの光源波長をλ、前記光ディスクの光透過保護層の屈折率をnとした場合に、前記ウォブルによって付帯情報が付加された情報ピット及びグルーブの深さを、λ/8nからλ/4nの範囲内に設定することを特徴とする請求項1記載の光ディスク記録再生装置。
  8. 光ディスクに対して信号情報の記録再生動作を行う光ピックアップと、
    前記光ピックアップで光ディスクに照射される光ビームを主ビームと両側の副ビームに分岐させて光ディスクに供給する光学素子と、
    前記光ディスクからの戻り光を検出する光検出器と、
    前記光検出器からの検出信号を用いて位相差法及び差動プッシュプル法によるトラック制御誤差信号の検出を行うとともに、ウォブル信号の検出を行う演算回路とを有し、
    前記光検出器は、光ディスクの少なくともトラック接線方向及び光ディスク径方向に分割された受光領域によって前記主ビームの戻り光を検出する4分割受光素子と、前記4分割受光素子の両側に配置され、少なくともトラック接線方向に分割された受光領域によって前記副ビームの戻り光を検出する2つの2分割受光素子とを有する光ディスク記録再生装置の信号検出方法であって、
    前記光検出器の4分割受光素子における各受光領域からのピット再生信号を一定値に正規化し、この正規化したピット再生信号を用いて前記ウォブル信号及び位相差法によるトラック制御誤差信号の演算を行う、
    ことを特徴とする光ディスク記録再生装置の信号検出方法。
  9. 前記正規化は前記4分割受光素子の各受光領域に対応するピット再生信号の信号振幅が一定値となるように正規化を行うことを特徴とする請求項8記載の光ディスク記録再生装置の信号検出方法。
  10. 前記正規化は前記4分割受光素子の各受光領域における受光強度が一定値となるように正規化を行うことを特徴とする請求項8記載の光ディスク記録再生装置の信号検出方法。
  11. 前記4分割受光素子による受光信号の情報ピットあるいは記録マークが存在する領域のみを標本化してウォブル信号の演算を行うことを特徴とする請求項8記載の光ディスク記録再生装置の信号検出方法。
  12. 前記4分割受光素子による受光信号の情報ピットあるいは記録マークが存在しない領域のみを標本化してウォブル信号の演算を行うことを特徴とする請求項8記載の光ディスク記録再生装置の信号検出方法。
  13. 前記トラック制御誤差信号のうち、情報ピットあるいは記録マークが存在しない場合には差動プッシュプル法を用いてトラック制御を行い、情報ピットあるいは記録マークが存在する場合には位相差法と差動プッシュプル法のいずれかを用いてトラック制御を行うことを特徴とする請求項8記載の光ディスク記録再生装置の信号検出方法。
  14. 前記光ビームの光源波長をλ、前記光ディスクの光透過保護層の屈折率をnとした場合に、前記ウォブルによって付帯情報が付加された情報ピット及びグルーブの深さを、λ/8nからλ/4nの範囲内に設定することを特徴とする請求項8記載の光ディスク記録再生装置の信号検出方法。
JP2004103030A 2004-03-31 2004-03-31 光ディスク記録再生装置及びその信号検出方法 Pending JP2005293637A (ja)

Priority Applications (3)

Application Number Priority Date Filing Date Title
JP2004103030A JP2005293637A (ja) 2004-03-31 2004-03-31 光ディスク記録再生装置及びその信号検出方法
KR1020050026677A KR20060045035A (ko) 2004-03-31 2005-03-30 광디스크 기록 재생 장치 및 그 신호 검출 방법
US11/092,907 US8111595B2 (en) 2004-03-31 2005-03-30 Optical disk recording and playback apparatus and signal detection method utilizing a differential push-pull method and a phase difference method

Applications Claiming Priority (1)

Application Number Priority Date Filing Date Title
JP2004103030A JP2005293637A (ja) 2004-03-31 2004-03-31 光ディスク記録再生装置及びその信号検出方法

Publications (1)

Publication Number Publication Date
JP2005293637A true JP2005293637A (ja) 2005-10-20

Family

ID=35060397

Family Applications (1)

Application Number Title Priority Date Filing Date
JP2004103030A Pending JP2005293637A (ja) 2004-03-31 2004-03-31 光ディスク記録再生装置及びその信号検出方法

Country Status (3)

Country Link
US (1) US8111595B2 (ja)
JP (1) JP2005293637A (ja)
KR (1) KR20060045035A (ja)

Cited By (3)

* Cited by examiner, † Cited by third party
Publication number Priority date Publication date Assignee Title
EP2284835A2 (en) 2009-08-10 2011-02-16 TDK Corporation Optical drive device
US8107347B2 (en) 2009-01-21 2012-01-31 Sony Corporation Optical disk apparatus, optical pickup, preformatted signal generation method and program
US8270266B2 (en) 2008-04-17 2012-09-18 Mediatek Inc. Methods and devices for detecting wobbles on an optical disc

Families Citing this family (2)

* Cited by examiner, † Cited by third party
Publication number Priority date Publication date Assignee Title
US7489608B2 (en) * 2005-10-17 2009-02-10 Samsung Electronics Co., Ltd. Wobble signal detection
JP5785913B2 (ja) * 2012-07-30 2015-09-30 日立コンシューマエレクトロニクス株式会社 光情報再生装置

Family Cites Families (27)

* Cited by examiner, † Cited by third party
Publication number Priority date Publication date Assignee Title
JP2534988B2 (ja) * 1986-04-30 1996-09-18 株式会社リコー 情報信号再生方法
JP3458502B2 (ja) 1995-01-11 2003-10-20 ソニー株式会社 光ディスク装置
JP3831063B2 (ja) * 1997-04-25 2006-10-11 パイオニア株式会社 光ディスク判別装置
JPH11167731A (ja) 1997-09-30 1999-06-22 Toshiba Corp 光ディスク装置
JP3698891B2 (ja) 1998-04-27 2005-09-21 株式会社リコー 光ディスク装置
US6487149B1 (en) * 1998-10-09 2002-11-26 Ricoh Company, Ltd. Optical recording and reproducing methods for optical disk
JP3503513B2 (ja) * 1999-02-22 2004-03-08 ヤマハ株式会社 光ディスク記録方法及び装置
JP3292184B2 (ja) * 1999-10-06 2002-06-17 ヤマハ株式会社 光ディスク記録方法及び装置
JP3600105B2 (ja) * 1999-12-22 2004-12-08 シャープ株式会社 光記録媒体、及びそのトラッキング方法、並びにそれを記録再生する装置
JP2002074687A (ja) * 2000-08-24 2002-03-15 Pioneer Electronic Corp トラックジャンプ制御装置及びトラックジャンプ制御方法
KR20020026679A (ko) * 2000-10-02 2002-04-12 구자홍 광 기록매체의 재생 제어 방법 및 장치
JP2002117536A (ja) 2000-10-06 2002-04-19 Matsushita Electric Ind Co Ltd 光ディスク装置
JP2002175625A (ja) * 2000-12-06 2002-06-21 Sony Corp 記録装置および記録方法
DE10062078A1 (de) * 2000-12-13 2002-06-20 Thomson Brandt Gmbh Verfahren zum Erzeugen eines Linsenpositionssignals sowie entsprechendes Gerät zum Lesen und/oder Beschreiben eines optischen Aufzeichnungsträgers
JP2002216372A (ja) * 2001-01-23 2002-08-02 Pioneer Electronic Corp 光ピックアップ装置
KR20020072214A (ko) * 2001-03-09 2002-09-14 소니 가부시끼 가이샤 광디스크장치 및 광디스크장치를 위한 제어방법
JP2002269780A (ja) 2001-03-15 2002-09-20 Sony Corp トラッキング制御装置及びトラッキング制御方法、並びに光ディスク記録再生装置
US7206277B2 (en) * 2001-07-27 2007-04-17 Pioneer Corporation Optical pickup device and focal error detecting device therefor and wave aberration and focal error detecting device therefor
JP3736398B2 (ja) * 2001-08-01 2006-01-18 ティアック株式会社 光ディスク装置
JP3636124B2 (ja) * 2001-09-28 2005-04-06 ティアック株式会社 光ディスク装置
JP3566690B2 (ja) 2001-12-07 2004-09-15 株式会社リコー ウォブル信号検出回路及び光ディスク装置
JP3566701B2 (ja) * 2002-01-31 2004-09-15 株式会社東芝 光ディスク記録再生装置
TW200403635A (en) * 2002-07-24 2004-03-01 Matsushita Electric Industrial Co Ltd Optical disc drive and method of controlling write operation performed by optical disc drive
US20050052960A1 (en) * 2002-11-29 2005-03-10 Samsung Electronics Co., Ltd. Method and apparatus to generate tracking error signal, optical storage drive using the same, and lead-in control method for the optical storage drive
JP3728435B2 (ja) * 2002-12-03 2005-12-21 株式会社東芝 ディスク装置
JP2005018919A (ja) * 2003-06-26 2005-01-20 Sony Corp 記録媒体、記録再生装置、記録再生方法
US7187638B2 (en) * 2004-02-19 2007-03-06 Via Technologies, Inc. Apparatus and method for detecting defects of a recording and reproducing system

Cited By (4)

* Cited by examiner, † Cited by third party
Publication number Priority date Publication date Assignee Title
US8270266B2 (en) 2008-04-17 2012-09-18 Mediatek Inc. Methods and devices for detecting wobbles on an optical disc
US8107347B2 (en) 2009-01-21 2012-01-31 Sony Corporation Optical disk apparatus, optical pickup, preformatted signal generation method and program
EP2284835A2 (en) 2009-08-10 2011-02-16 TDK Corporation Optical drive device
US8830803B2 (en) 2009-08-10 2014-09-09 Tdk Corporation Optical drive device

Also Published As

Publication number Publication date
US20050226108A1 (en) 2005-10-13
US8111595B2 (en) 2012-02-07
KR20060045035A (ko) 2006-05-16

Similar Documents

Publication Publication Date Title
US6826133B2 (en) Optimizing a distance between lenses of a two objective lens for minimizing wavefront aberration and offsetting focus control
US7116612B2 (en) Optical pickup device driven by an error signal obtained from an optical detector's output signals
JP2000076665A (ja) 光ピックアップ装置
KR20100074311A (ko) 광 헤드 장치, 광 디스크 장치 및 광 디스크
JP4805292B2 (ja) 光ピックアップ装置、再生装置、記録装置およびトラッキングエラー信号生成方法
KR100557542B1 (ko) 트래킹 에러 오프셋 보상용 광검출 영역이 형성된 광픽업장치
JP2005293637A (ja) 光ディスク記録再生装置及びその信号検出方法
JP4048690B2 (ja) 光ディスク傾き検出方法、光学ピックアップ装置および光ディスク装置
JP2005293807A (ja) 光ディスク記録再生装置及びその信号検出方法
CN102005217B (zh) 光拾取器装置及使用其的光盘装置
JP2007520833A (ja) 2波長レーザダイオード使用のための光検出器
US20040228235A1 (en) Servo device and optical disc information recording and reproducing device using the same
US8374066B2 (en) Optical pickup
JP2005293809A (ja) 光ディスク記録/または再生装置及びその信号検出方法
EP2569770A1 (en) Apparatus comprising a pickup providing multiple beams
KR20090032090A (ko) 광 디스크 장치, 트랙킹 에러 신호 생성 회로, 트랙킹 에러신호의 보정 방법, 프로그램
JP4724181B2 (ja) 光ピックアップ装置及び情報記録再生装置
KR100614345B1 (ko) 광디스크 장치의 서보 제어 특성 설정 방법
KR100531358B1 (ko) 광 기록재생장치의 트랙킹 서보 장치
KR100657289B1 (ko) 초해상 정보저장매체의 트랙킹 에러신호 검출방법 및데이터 기록 및/또는 재생 장치
JP2005293636A (ja) 光ディスク再生装置及びその信号検出方法
US20060262708A1 (en) Optical head unit and optical disc apparatus
JP4978678B2 (ja) 光学ドライブ装置
KR100430276B1 (ko) 비점 수차법을 이용한 광픽업 장치
JP2001034967A (ja) ピックアップ装置

Legal Events

Date Code Title Description
A621 Written request for application examination

Free format text: JAPANESE INTERMEDIATE CODE: A621

Effective date: 20070305

A977 Report on retrieval

Free format text: JAPANESE INTERMEDIATE CODE: A971007

Effective date: 20090113

A131 Notification of reasons for refusal

Free format text: JAPANESE INTERMEDIATE CODE: A131

Effective date: 20090120

A521 Written amendment

Free format text: JAPANESE INTERMEDIATE CODE: A523

Effective date: 20090311

A02 Decision of refusal

Free format text: JAPANESE INTERMEDIATE CODE: A02

Effective date: 20090818

RD02 Notification of acceptance of power of attorney

Free format text: JAPANESE INTERMEDIATE CODE: A7422

Effective date: 20090825