WO2017104804A1 - 生産ライン - Google Patents

生産ライン Download PDF

Info

Publication number
WO2017104804A1
WO2017104804A1 PCT/JP2016/087553 JP2016087553W WO2017104804A1 WO 2017104804 A1 WO2017104804 A1 WO 2017104804A1 JP 2016087553 W JP2016087553 W JP 2016087553W WO 2017104804 A1 WO2017104804 A1 WO 2017104804A1
Authority
WO
WIPO (PCT)
Prior art keywords
pallet
workpiece
set position
production
work
Prior art date
Legal status (The legal status is an assumption and is not a legal conclusion. Google has not performed a legal analysis and makes no representation as to the accuracy of the status listed.)
Ceased
Application number
PCT/JP2016/087553
Other languages
English (en)
French (fr)
Japanese (ja)
Inventor
啓 見崎
Current Assignee (The listed assignees may be inaccurate. Google has not performed a legal analysis and makes no representation or warranty as to the accuracy of the list.)
NSK Ltd
Original Assignee
NSK Ltd
Priority date (The priority date is an assumption and is not a legal conclusion. Google has not performed a legal analysis and makes no representation as to the accuracy of the date listed.)
Filing date
Publication date
Application filed by NSK Ltd filed Critical NSK Ltd
Priority to EP16875778.9A priority Critical patent/EP3391990A4/en
Priority to CN201680073084.9A priority patent/CN108367402A/zh
Priority to US15/759,951 priority patent/US10532437B2/en
Publication of WO2017104804A1 publication Critical patent/WO2017104804A1/ja
Anticipated expiration legal-status Critical
Ceased legal-status Critical Current

Links

Images

Classifications

    • BPERFORMING OPERATIONS; TRANSPORTING
    • B23MACHINE TOOLS; METAL-WORKING NOT OTHERWISE PROVIDED FOR
    • B23PMETAL-WORKING NOT OTHERWISE PROVIDED FOR; COMBINED OPERATIONS; UNIVERSAL MACHINE TOOLS
    • B23P21/00Machines for assembling a multiplicity of different parts to compose units, with or without preceding or subsequent working of such parts, e.g. with programme control
    • B23P21/004Machines for assembling a multiplicity of different parts to compose units, with or without preceding or subsequent working of such parts, e.g. with programme control the units passing two or more work-stations whilst being composed
    • BPERFORMING OPERATIONS; TRANSPORTING
    • B23MACHINE TOOLS; METAL-WORKING NOT OTHERWISE PROVIDED FOR
    • B23PMETAL-WORKING NOT OTHERWISE PROVIDED FOR; COMBINED OPERATIONS; UNIVERSAL MACHINE TOOLS
    • B23P19/00Machines for simply fitting together or separating metal parts or objects, or metal and non-metal parts, whether or not involving some deformation; Tools or devices therefor so far as not provided for in other classes
    • BPERFORMING OPERATIONS; TRANSPORTING
    • B23MACHINE TOOLS; METAL-WORKING NOT OTHERWISE PROVIDED FOR
    • B23PMETAL-WORKING NOT OTHERWISE PROVIDED FOR; COMBINED OPERATIONS; UNIVERSAL MACHINE TOOLS
    • B23P19/00Machines for simply fitting together or separating metal parts or objects, or metal and non-metal parts, whether or not involving some deformation; Tools or devices therefor so far as not provided for in other classes
    • B23P19/04Machines for simply fitting together or separating metal parts or objects, or metal and non-metal parts, whether or not involving some deformation; Tools or devices therefor so far as not provided for in other classes for assembling or disassembling parts
    • GPHYSICS
    • G05CONTROLLING; REGULATING
    • G05BCONTROL OR REGULATING SYSTEMS IN GENERAL; FUNCTIONAL ELEMENTS OF SUCH SYSTEMS; MONITORING OR TESTING ARRANGEMENTS FOR SUCH SYSTEMS OR ELEMENTS
    • G05B19/00Programme-control systems
    • G05B19/02Programme-control systems electric
    • G05B19/04Programme control other than numerical control, i.e. in sequence controllers or logic controllers
    • G05B19/042Programme control other than numerical control, i.e. in sequence controllers or logic controllers using digital processors
    • GPHYSICS
    • G05CONTROLLING; REGULATING
    • G05BCONTROL OR REGULATING SYSTEMS IN GENERAL; FUNCTIONAL ELEMENTS OF SUCH SYSTEMS; MONITORING OR TESTING ARRANGEMENTS FOR SUCH SYSTEMS OR ELEMENTS
    • G05B19/00Programme-control systems
    • G05B19/02Programme-control systems electric
    • G05B19/418Total factory control, i.e. centrally controlling a plurality of machines, e.g. direct or distributed numerical control [DNC], flexible manufacturing systems [FMS], integrated manufacturing systems [IMS] or computer integrated manufacturing [CIM]
    • G05B19/41805Total factory control, i.e. centrally controlling a plurality of machines, e.g. direct or distributed numerical control [DNC], flexible manufacturing systems [FMS], integrated manufacturing systems [IMS] or computer integrated manufacturing [CIM] characterised by assembly
    • GPHYSICS
    • G05CONTROLLING; REGULATING
    • G05BCONTROL OR REGULATING SYSTEMS IN GENERAL; FUNCTIONAL ELEMENTS OF SUCH SYSTEMS; MONITORING OR TESTING ARRANGEMENTS FOR SUCH SYSTEMS OR ELEMENTS
    • G05B2219/00Program-control systems
    • G05B2219/20Pc systems
    • G05B2219/26Pc applications
    • G05B2219/2621Conveyor, transfert line
    • GPHYSICS
    • G05CONTROLLING; REGULATING
    • G05BCONTROL OR REGULATING SYSTEMS IN GENERAL; FUNCTIONAL ELEMENTS OF SUCH SYSTEMS; MONITORING OR TESTING ARRANGEMENTS FOR SUCH SYSTEMS OR ELEMENTS
    • G05B2219/00Program-control systems
    • G05B2219/30Nc systems
    • G05B2219/32Operator till task planning
    • G05B2219/32023Print label, instructions for operator and job code for machining parameters
    • GPHYSICS
    • G05CONTROLLING; REGULATING
    • G05BCONTROL OR REGULATING SYSTEMS IN GENERAL; FUNCTIONAL ELEMENTS OF SUCH SYSTEMS; MONITORING OR TESTING ARRANGEMENTS FOR SUCH SYSTEMS OR ELEMENTS
    • G05B2219/00Program-control systems
    • G05B2219/30Nc systems
    • G05B2219/36Nc in input of data, input key till input tape
    • G05B2219/36371Barcode reader
    • GPHYSICS
    • G05CONTROLLING; REGULATING
    • G05BCONTROL OR REGULATING SYSTEMS IN GENERAL; FUNCTIONAL ELEMENTS OF SUCH SYSTEMS; MONITORING OR TESTING ARRANGEMENTS FOR SUCH SYSTEMS OR ELEMENTS
    • G05B2219/00Program-control systems
    • G05B2219/30Nc systems
    • G05B2219/37Measurements
    • G05B2219/37304Combined position measurement, encoder and separate laser, two different sensors
    • GPHYSICS
    • G05CONTROLLING; REGULATING
    • G05BCONTROL OR REGULATING SYSTEMS IN GENERAL; FUNCTIONAL ELEMENTS OF SUCH SYSTEMS; MONITORING OR TESTING ARRANGEMENTS FOR SUCH SYSTEMS OR ELEMENTS
    • G05B2219/00Program-control systems
    • G05B2219/30Nc systems
    • G05B2219/37Measurements
    • G05B2219/37563Ccd, tv camera
    • GPHYSICS
    • G05CONTROLLING; REGULATING
    • G05BCONTROL OR REGULATING SYSTEMS IN GENERAL; FUNCTIONAL ELEMENTS OF SUCH SYSTEMS; MONITORING OR TESTING ARRANGEMENTS FOR SUCH SYSTEMS OR ELEMENTS
    • G05B2219/00Program-control systems
    • G05B2219/30Nc systems
    • G05B2219/37Measurements
    • G05B2219/37572Camera, tv, vision
    • YGENERAL TAGGING OF NEW TECHNOLOGICAL DEVELOPMENTS; GENERAL TAGGING OF CROSS-SECTIONAL TECHNOLOGIES SPANNING OVER SEVERAL SECTIONS OF THE IPC; TECHNICAL SUBJECTS COVERED BY FORMER USPC CROSS-REFERENCE ART COLLECTIONS [XRACs] AND DIGESTS
    • Y02TECHNOLOGIES OR APPLICATIONS FOR MITIGATION OR ADAPTATION AGAINST CLIMATE CHANGE
    • Y02PCLIMATE CHANGE MITIGATION TECHNOLOGIES IN THE PRODUCTION OR PROCESSING OF GOODS
    • Y02P90/00Enabling technologies with a potential contribution to greenhouse gas [GHG] emissions mitigation
    • Y02P90/02Total factory control, e.g. smart factories, flexible manufacturing systems [FMS] or integrated manufacturing systems [IMS]

Definitions

  • the present invention relates to a production line that sequentially executes a plurality of production processes such as assembly and processing of parts on a work set on each pallet while conveying a number of pallets for setting the work along a predetermined path.
  • Each pallet has a holding shape (bracket, etc.) for setting (holding) a workpiece, but it is not usually made with high accuracy. For this reason, the positioning accuracy of the workpiece by the holding shape is not high, and the setting position of the workpiece with respect to each pallet is slightly different for each pallet. Therefore, in the above-described conventional production line, among the production processes, regarding the production process that needs to be executed after grasping the exact set position of the workpiece on the pallet, each time the production process is executed, An accurate set position of a work on a pallet is measured using an expensive camera (image processing apparatus) or sensor.
  • An aspect of the present invention aims to provide a production line that is advantageous in simplifying the configuration and shortening the cycle time.
  • the production line includes a conveying means, a work setting unit, a set position measurement unit, a production processing execution unit, and a workpiece take-out unit.
  • the said conveyance means conveys many pallets which set a workpiece
  • the work setting unit is provided in a part of the path and is for setting a work on the pallet.
  • the work for setting the work on the pallet in this way can be a manual work by a worker or an automatic work by a robot.
  • the set position measurement unit is provided in a part of the path (for example, downstream of the work set unit with respect to the pallet transport direction), and measures the set position of the work on the pallet. It is.
  • the production process execution unit is provided in a part of the path (for example, downstream of the set position measurement unit with respect to the pallet conveyance direction), and a plurality of production processes ( Assembly, machining, etc.).
  • the workpiece take-out unit is provided in a part of the path, and is for taking out a workpiece (including a completed target product) that has been subjected to each production process from the pallet.
  • at least two of the production processes for the work on the pallet in the production process execution unit are performed on the work on the pallet measured by the set position measurement unit. It is configured to execute while considering the set position.
  • the predetermined route can be a loop-like circulation route or a non-loop-like route.
  • the production line may further include a control means.
  • Each pallet may have its own identifier.
  • the set position measuring unit reads the identifier of the pallet, measures the set position of the workpiece on the pallet, and uses the read identifier and information on the measured set position of the workpiece as production information on the pallet. It can be transmitted to the control means.
  • the control means may transmit at least information relating to a work set position to the production process execution unit among the production information for each pallet received from the set position measurement unit.
  • the production process execution unit reads the identifier of the pallet when executing each of the at least two production processes, and receives information on the set position of the workpiece corresponding to the read identifier from the control unit, In consideration of the received set position, each production process can be executed on the workpiece on the pallet.
  • the production line includes a transport device that transports a pallet along a predetermined path, a first section that is provided in a part of the path, and a work is set on the pallet, and the path.
  • a second section in which position information of the workpiece set on the pallet with respect to the pallet is acquired, and a third section provided in a part of the path and having a plurality of processing units.
  • the third section in which production processing is executed based on the position information for the workpiece set on the pallet in each of the plurality of processing units, and provided in a part of the path, A fourth section removed from the pallet.
  • the number of measurement of the set position of the workpiece on the pallet can be made smaller than the number of production processes executed after grasping the accurate set position of the workpiece on the pallet. That is, the production line performs at least two production processes among a plurality of production processes for the workpiece on the pallet in the production process execution unit, and sets the workpiece set position on the pallet measured by the set position measuring unit. Is executed in consideration of the above (after grasping the accurate set position). For this reason, the number of times of measurement of the set position of the workpiece on the pallet can be made smaller than the number of times of production processing executed after grasping the accurate set position of the workpiece on the pallet.
  • the set position of the workpiece on the pallet is measured by the same number of times as the number of production processes executed after grasping the exact set position of the workpiece on the pallet, compared to the conventional production line.
  • the number of expensive cameras (image processing devices) and sensors for measuring the position can be reduced, and the cycle time can be shortened.
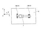
  • FIG. 1 schematically shows the production line of this example.
  • a production line in this example sequentially performs a plurality of production processes such as assembly and processing of a workpiece 1 (workpiece, see FIG. 2, not shown in FIG. 1) as an intermediate of the target product.
  • the transfer means 2 the work set unit (first section) 3, the set position measuring unit (second section) 4, the production processing execution unit (third section) 5, and the work take-out unit ( 4th section) 6 and the control means (control apparatus) 7 are provided.
  • a product manufactured through a plurality of processing steps executed based on position information can be targeted.
  • the target products can include various bearings, vehicle parts, and precision machine products.
  • the conveying means (conveying device) 2 has a plurality of pallets 8 and 8 for setting the workpiece 1 in a loop shape (in the illustrated example, an oval shape such as a track of an athletics stadium), as shown in FIG. Transport in the ⁇ direction.
  • a transport means 2 is a combination of a plurality of transport conveyors (a pair of linear transport conveyors 9a and 9a and a pair of semicircular transport conveyors 9b and 9b) in a loop shape. It consists of Each pallet 8 and 8 is mounted on each conveyance conveyor 9a and 9b.
  • each pallet 8, 8 is made of synthetic resin, metal, or the like. In other examples, the pallet can be formed of other materials. As shown in FIG. 2, the pallet 8 has a holding shape (holding portion, supporting portion, positioning portion, positioning mechanism) 10 for setting (holding) the workpiece 1 on the upper surface.
  • the holding shape 10 includes brackets 10a, 10b, and the like as shown with a diagonal lattice in FIG.
  • each pallet 8 and 8 has a certain amount of error in the holding shape (for example, mounting of about 0.2 to 0.5 mm at the position of each bracket 5a and 5b in the pallet 8). There is an error).
  • the positioning accuracy of the workpiece 1 by the holding shape 10 (the positioning accuracy of the workpiece 1 with respect to the reference position on the pallet 8) is relatively low.
  • the corner of the pallet 8 (for example, the lower left corner of the pallet 8 in FIG. 2) can be used as the origin as the reference position of the pallet 8.
  • the X axis can be set parallel to the lower edge of the pallet 8 and the Y axis can be set to be orthogonal to the X axis.
  • the set position of the workpiece 1 on each pallet 8, 8 is slightly different between the plurality of pallets 8, 8.
  • Each pallet 8, 8 has an ID, which is its own identifier, in a state that can be automatically read by a reading machine (barcode reader, IC reader, etc.) such as a barcode or an IC tag (not shown), It is attached by printing, pasting, etc.
  • a reading machine barcode reader, IC reader, etc.
  • IC tag not shown
  • the work set section (workpiece setting section, first section) 3 is provided in a part of the loop-shaped circulation path (in the illustrated example, the downstream end of the rightmost semicircular conveyance conveyor 9b in FIG. 1). ing.
  • the work 1 is set on the pallet 8 (the brackets 10 a and 10 b) conveyed by the conveying means 2 by manual operation by an operator or automatic operation by a robot.
  • the set position measurement unit (second section) 4 is a part of a loop-shaped circulation path and is adjacent to the downstream side of the work set unit 3 (in the illustrated example, the linear conveyor on the lower side of FIG. 1). 9a at the upstream end).
  • a set position measuring unit 4 includes a set position measuring device 11.
  • the set position measuring device 11 includes a positioning unit (first positioning mechanism) 11a for positioning the pallet 8 at a predetermined position on the base, and the position of the workpiece 1 with respect to the pallet 8 (predetermined reference in the pallet 8) (and And a position information acquisition unit 11b that acquires information on (posture).
  • the positioning accuracy of the positioning portion (first positioning mechanism) 11a is higher than the positioning accuracy of the workpiece 1 with respect to the pallet 8 in the work setting portion (first section) 3.
  • Various mechanisms that can position the pallet with relatively high accuracy are applicable as the positioning portion 11a.
  • the positioning part 11a can have a stopper against which the pallet 8 is abutted. Positioning using the stopper is advantageous for simplifying the configuration and shortening the cycle time.
  • the set position measuring device 11 abuts the pallet 8 conveyed by the conveying means 2 against the stopper and stops it, and positions it with high accuracy (for example, with an error of 0.1 mm or less). In this state, the set position of the workpiece 1 on the pallet 8 (position error that is a deviation from the appropriate position) is automatically measured.
  • the position error (position information) in the horizontal direction is measured by a camera (image processing apparatus) and the vertical direction ( In FIG. 2, the position error (position information) in the front-back direction Z) is measured by a non-contact distance sensor such as a laser.
  • the set position measuring device 11 automatically reads the ID given to a part of the pallet 8 by a reading machine (bar code reader, IC reader, etc.).
  • the set position measuring device 11 transmits the ID read as described above and information on the measured set position of the work 1 (position information) to the control means 7 as a part of the production information related to the pallet 8.
  • the control means 7 stores the production information for each pallet 8 received from the set position measuring device 11 in itself or in an external storage unit.
  • the positioning of the pallet 8 by the set position measuring device 11 is immediately released after the ID reading of the pallet 8 and the measurement of the workpiece position on the pallet 8 are completed, and the pallet 8 is again conveyed downstream by the conveying means 2. Is done.
  • a part of each pallet 8 or 8 may be provided with a marking (cross symbol, two-dimensional barcode, etc.) that serves as a reference for measuring the set position of the workpiece 1.
  • the production process execution unit (third section) 5 is a part of the loop-shaped circulation path, and is positioned adjacent to the downstream side of the set position measurement unit 4 (in the illustrated example, the linear conveyance on the lower side of FIG. 1). The remaining portion excluding the upstream end of the conveyor 9a) is provided.
  • Such a production processing execution unit 5 includes production processing execution devices (processing units, processing devices) 12a, 12b, and 12c that are installed one by one at a plurality of locations (three locations in the illustrated example) on the circulation path. Prepare.
  • Each of the plurality of production processing execution devices (processing units) 12a, 12b, 12c in the production processing execution unit (third section) 5 has a positioning unit (first unit) for positioning the pallet 8 in each device (unit) 12a, 12b, 12c. 2 positioning mechanism) 13.
  • the production process execution devices 12a, 12b, and 12c automatically and sequentially execute one or more production processes (part assembly, machining, etc.) on the workpiece 1 on the pallet 8 conveyed by the conveyance means 2. .
  • the position information acquired by the set position measuring unit (second section) 4 is added. A production process is executed based on this.
  • the positioning accuracy of the positioning portion (second positioning mechanism) 13 is higher than the positioning accuracy of the workpiece 1 with respect to the pallet 8 in the work setting portion (first section) 3.
  • the positioning unit 13 various mechanisms that can position the pallet with relatively high accuracy are applicable.
  • the positioning unit 13 can have a stopper against which the pallet 8 is abutted. Positioning using the stopper is advantageous for simplifying the configuration and shortening the cycle time.
  • each of the production processing execution apparatuses 12a, 12b, and 12c stops the pallet 8 that has been transported by the transporting unit 2 by abutting against a stopper and positions the pallet 8 with high accuracy (for example, with an error of 0.1 mm or less).
  • the position of the workpiece 1 on the pallet 8 includes a position error.
  • one or more production processes are automatically executed on the workpiece 1 on the pallet 8. Thereafter, the positioning of the pallet 8 is promptly released, and the pallet 8 is again conveyed downstream by the conveying means 2.
  • each of the production processing execution devices 12a, 12b, and 12c is an accurate set position of the workpiece 1 on the pallet 8 among one or a plurality of production processes for the workpiece 1 on the pallet 8.
  • the production process to be executed after grasping the above is executed in consideration of the set position of the workpiece 1 on the pallet 8 measured by the set position measuring device 11. For example, a target position when operating a robot hand or an actuator that performs machining or assembly of parts is corrected based on the position information of the workpiece 1.
  • each of the production processing execution apparatuses 12a, 12b, and 12c reads the ID given to a part of the pallet 8 positioned as described above with a reading machine (barcode reader, IC reader). Etc.) Then, by sending the ID read in this way to the control means 7, information related to the set position of the work 1 corresponding to the ID stored in the storage unit of the control means 7 is received. Alternatively, it corresponds to the ID read by the reading machine from the production information (ID and information related to the set position of the workpiece 1) for each pallet 8 received in advance from the control means 7 and stored in its own storage unit. Information on the set position of the workpiece 1 to be acquired is acquired. Then, while taking into consideration the measurement result of the set position of the work 1 on the pallet 8 obtained in this way, the production process to be executed is executed on the work 1 on the pallet 8 after grasping the accurate set position. To do.
  • the workpiece take-out unit 6 is a part of the circulation path and is located at a position adjacent to the downstream side of the production processing execution unit 5 (in the illustrated example, the upstream side end of the semicircular conveyance conveyor 9b at the left end in FIG. 1). Is provided.
  • the work 1 including the completed target product
  • the conveying means 2 is manually operated by an operator, or Take out by automatic operation by robot.
  • the set position of the work 1 on the pallet 8 is more than the number of production processes executed after grasping the accurate set position of the work 1 on the pallet 8.
  • the number of measurements can be reduced. More specifically, the number of measurement of the set position of the work 1 on the pallet 8 can be made one, regardless of the number of production processes executed after grasping the accurate set position of the work 1 on the pallet 8.
  • each of the production processing execution devices 12a, 12b, and 12c is an accurate set of the workpiece 1 on the pallet 8 among one or a plurality of production processes for the workpiece 1 on the pallet 8.
  • the production process to be executed after grasping the position is executed in consideration of the set position of the workpiece 1 on the pallet 8 measured by the set position measuring device 11. For this reason, the number of measurement of the set position of the work 1 on the pallet 8 can be made one, regardless of the number of production processes executed after grasping the accurate set position of the work 1 on the pallet 8.
  • the set position of the workpiece 1 on the pallet 8 is measured as many times as the number of production processes to be executed after grasping the accurate set position of the workpiece 1 on the pallet 8.
  • the number of expensive cameras (image processing devices) and sensors for measuring the set position can be reduced, and the cycle time can be shortened.
  • the production line of this example is advantageous in simplifying the configuration and shortening the cycle time.
  • the predetermined path through which the transport means transports a large number of pallets is not limited to a loop-shaped circulation path, and may be a non-loop-shaped path.
  • the predetermined route is a non-loop route, for example, the pallet is supplied from the upstream end portion of the route, and the pallet is collected at the downstream end portion of the route.

Landscapes

  • Engineering & Computer Science (AREA)
  • Mechanical Engineering (AREA)
  • Physics & Mathematics (AREA)
  • General Physics & Mathematics (AREA)
  • Automation & Control Theory (AREA)
  • General Engineering & Computer Science (AREA)
  • Manufacturing & Machinery (AREA)
  • Quality & Reliability (AREA)
  • Automatic Assembly (AREA)
  • General Factory Administration (AREA)
PCT/JP2016/087553 2015-12-18 2016-12-16 生産ライン Ceased WO2017104804A1 (ja)

Priority Applications (3)

Application Number Priority Date Filing Date Title
EP16875778.9A EP3391990A4 (en) 2015-12-18 2016-12-16 PRODUCTION LINE
CN201680073084.9A CN108367402A (zh) 2015-12-18 2016-12-16 生产线
US15/759,951 US10532437B2 (en) 2015-12-18 2016-12-16 Production line

Applications Claiming Priority (2)

Application Number Priority Date Filing Date Title
JP2015247313A JP6292217B2 (ja) 2015-12-18 2015-12-18 生産ライン及び製品の生産方法
JP2015-247313 2015-12-18

Publications (1)

Publication Number Publication Date
WO2017104804A1 true WO2017104804A1 (ja) 2017-06-22

Family

ID=59056631

Family Applications (1)

Application Number Title Priority Date Filing Date
PCT/JP2016/087553 Ceased WO2017104804A1 (ja) 2015-12-18 2016-12-16 生産ライン

Country Status (5)

Country Link
US (1) US10532437B2 (enExample)
EP (1) EP3391990A4 (enExample)
JP (1) JP6292217B2 (enExample)
CN (1) CN108367402A (enExample)
WO (1) WO2017104804A1 (enExample)

Cited By (2)

* Cited by examiner, † Cited by third party
Publication number Priority date Publication date Assignee Title
JP2019061364A (ja) * 2017-09-25 2019-04-18 キヤノン株式会社 搬送システム及び加工システム
WO2021100403A1 (ja) * 2019-11-20 2021-05-27 日本電産株式会社 作業システム

Families Citing this family (4)

* Cited by examiner, † Cited by third party
Publication number Priority date Publication date Assignee Title
JP7104240B2 (ja) * 2019-03-29 2022-07-20 平田機工株式会社 装着装置
CN113031537B (zh) * 2019-12-25 2022-05-17 北京极智嘉科技股份有限公司 机器人、货物运输方法、电子设备及存储介质
CN111061240A (zh) * 2019-12-30 2020-04-24 研祥智能科技股份有限公司 智能加工系统及其控制方法
CN111571176B (zh) 2020-04-23 2021-10-01 北京航空航天大学 一种轴孔配合类零件自动压装控制系统及其控制方法

Citations (7)

* Cited by examiner, † Cited by third party
Publication number Priority date Publication date Assignee Title
JPS5964257A (ja) * 1982-10-02 1984-04-12 Yamazaki Mazak Corp 工作機械設備における加工制御装置
JPS63272433A (ja) * 1987-04-28 1988-11-09 Mazda Motor Corp 物品に対する自動作業装置
JPH0715187A (ja) * 1993-06-25 1995-01-17 Matsushita Electric Ind Co Ltd 電子部品実装装置
JPH0722787A (ja) * 1993-06-30 1995-01-24 Matsushita Electric Ind Co Ltd 電子部品実装設備
JPH11121992A (ja) * 1997-10-08 1999-04-30 Fujitsu Ten Ltd 加工装置および電子回路素子の実装装置
JP2003086995A (ja) * 2001-09-17 2003-03-20 Matsushita Electric Ind Co Ltd 部品実装機への基板の搬入方法および装置
JP2008294033A (ja) * 2007-05-22 2008-12-04 Panasonic Corp 電子部品実装システムおよび電子部品実装方法

Family Cites Families (22)

* Cited by examiner, † Cited by third party
Publication number Priority date Publication date Assignee Title
US4781517A (en) 1986-02-03 1988-11-01 Clay-Mill Technical Systems, Inc. Robotic automobile assembly
US4827598A (en) 1987-04-28 1989-05-09 Mazda Motor Corporation Automatic assembling method and apparatus for vehicle bodies
JPH0795639B2 (ja) * 1990-11-30 1995-10-11 松下電器産業株式会社 生産ラインにおける位置ずれ自動補正方法
KR970007308B1 (ko) 1992-03-19 1997-05-07 마쓰다 가부시끼가이샤 자동차 가공물 조립방법 및 조립용 부품운반차
US5910894A (en) 1994-01-11 1999-06-08 Sensor Adaptive Machines, Inc. Sensor based assembly tooling improvements
US6153853A (en) * 1996-12-25 2000-11-28 Honda Giken Kogyo Kabushiki Kaisha Laser beam welding apparatus
JP3485816B2 (ja) * 1998-12-09 2004-01-13 太陽誘電株式会社 ダイシング装置
JP2003062727A (ja) * 2001-04-26 2003-03-05 Fuji Photo Film Co Ltd 組立装置
JP2003170319A (ja) 2001-12-03 2003-06-17 Asmo Co Ltd 生産システム及びモータの製造方法
JP2008055531A (ja) * 2006-08-30 2008-03-13 Honda Motor Co Ltd 位置決め装置
JP2009023013A (ja) 2007-07-17 2009-02-05 Mazda Motor Corp 組立生産ライン
JP4898753B2 (ja) * 2008-08-26 2012-03-21 ヤマハ発動機株式会社 部品実装システム、部品実装方法、基板貼付状態検出装置、動作条件データ作成装置、基板貼付装置、部品搭載装置および検査装置
JP2010100421A (ja) * 2008-10-27 2010-05-06 Seiko Epson Corp ワーク検知システム、ピッキング装置及びピッキング方法
JP2011209064A (ja) * 2010-03-29 2011-10-20 Fuji Xerox Co Ltd 物品認識装置及びこれを用いた物品処理装置
JP2011209959A (ja) * 2010-03-29 2011-10-20 Fuji Xerox Co Ltd 組付受部品の認識構造及びこれを用いた組立情報認識装置並びに組立処理装置
CN102811601B (zh) * 2011-06-01 2015-07-08 日本利特尔株式会社 工件插入装置和工件插入方法
CN103561905A (zh) * 2011-06-08 2014-02-05 村田机械株式会社 工件处理系统
JP5854885B2 (ja) 2012-02-29 2016-02-09 ダイハツ工業株式会社 作業装置の位置決め方法
JP6273084B2 (ja) * 2012-09-20 2018-01-31 株式会社安川電機 ロボットシステムおよびワークの搬送方法
US9440759B2 (en) * 2014-02-10 2016-09-13 Lorin Reed Container labeling systems and methods of use
JP6349546B2 (ja) * 2014-05-13 2018-07-04 パナソニックIpマネジメント株式会社 部品実装方法
US10071856B2 (en) * 2016-07-28 2018-09-11 X Development Llc Inventory management

Patent Citations (7)

* Cited by examiner, † Cited by third party
Publication number Priority date Publication date Assignee Title
JPS5964257A (ja) * 1982-10-02 1984-04-12 Yamazaki Mazak Corp 工作機械設備における加工制御装置
JPS63272433A (ja) * 1987-04-28 1988-11-09 Mazda Motor Corp 物品に対する自動作業装置
JPH0715187A (ja) * 1993-06-25 1995-01-17 Matsushita Electric Ind Co Ltd 電子部品実装装置
JPH0722787A (ja) * 1993-06-30 1995-01-24 Matsushita Electric Ind Co Ltd 電子部品実装設備
JPH11121992A (ja) * 1997-10-08 1999-04-30 Fujitsu Ten Ltd 加工装置および電子回路素子の実装装置
JP2003086995A (ja) * 2001-09-17 2003-03-20 Matsushita Electric Ind Co Ltd 部品実装機への基板の搬入方法および装置
JP2008294033A (ja) * 2007-05-22 2008-12-04 Panasonic Corp 電子部品実装システムおよび電子部品実装方法

Non-Patent Citations (1)

* Cited by examiner, † Cited by third party
Title
See also references of EP3391990A4 *

Cited By (4)

* Cited by examiner, † Cited by third party
Publication number Priority date Publication date Assignee Title
JP2019061364A (ja) * 2017-09-25 2019-04-18 キヤノン株式会社 搬送システム及び加工システム
JP2022103178A (ja) * 2017-09-25 2022-07-07 キヤノン株式会社 搬送システム及び加工システム
JP7114234B2 (ja) 2017-09-25 2022-08-08 キヤノン株式会社 搬送システム及び加工システム
WO2021100403A1 (ja) * 2019-11-20 2021-05-27 日本電産株式会社 作業システム

Also Published As

Publication number Publication date
JP2017109287A (ja) 2017-06-22
US20190047098A1 (en) 2019-02-14
JP6292217B2 (ja) 2018-03-14
US10532437B2 (en) 2020-01-14
EP3391990A1 (en) 2018-10-24
EP3391990A4 (en) 2019-07-17
CN108367402A (zh) 2018-08-03

Similar Documents

Publication Publication Date Title
WO2017104804A1 (ja) 生産ライン
JP2019136808A (ja) 作業ロボットシステム
WO2017022100A1 (ja) 用紙加工装置及びその制御方法
WO2015132905A1 (ja) 部品実装ラインのトレーサビリティ情報管理システム及びトレーサビリティ情報管理方法
US10329102B2 (en) Workpiece loading method
CN107921598A (zh) 用于生产设备的具有编码元件的工件托架
JP2017109287A5 (enExample)
JP7410615B2 (ja) 加工システム、および物品の製造方法
JP7243435B2 (ja) ロボット移載システム
JP6766833B2 (ja) 生産ライン及び製品の生産方法
JP6003845B2 (ja) 搬送装置
JP2018075714A5 (enExample)
JP2016074139A (ja) 加工検査装置
JP2010015288A (ja) ジョブショップ型方式におけるワークの工程管理方法と装置
JP5700969B2 (ja) 搬送品のトラッキング方法及びコンベア搬送装置
JP5937828B2 (ja) ワークの処理方法及び処理装置
JP6710234B2 (ja) 搬送装置及び製造システム
JP6826884B2 (ja) 基板搬送装置
KR100284544B1 (ko) 부품별 테스트 트레이의 식별장치
JP5217810B2 (ja) 生産ラインのワーク搬送方法及びその装置
JP2006192082A (ja) 遊技機製造ライン
CN206939643U (zh) 一种应用于乳酸菌饮品生产的高精度输送机构
US20220011206A1 (en) Strength measuring apparatus and strength measuring method
JP2016022486A (ja) 検知装置及び検知方法
KR20140075074A (ko) 레이저 마킹장치

Legal Events

Date Code Title Description
121 Ep: the epo has been informed by wipo that ep was designated in this application

Ref document number: 16875778

Country of ref document: EP

Kind code of ref document: A1

NENP Non-entry into the national phase

Ref country code: DE

WWE Wipo information: entry into national phase

Ref document number: 2016875778

Country of ref document: EP

ENP Entry into the national phase

Ref document number: 2016875778

Country of ref document: EP

Effective date: 20180718