WO2016104463A1 - 異方導電性フィルム及び接続構造体 - Google Patents

異方導電性フィルム及び接続構造体 Download PDF

Info

Publication number
WO2016104463A1
WO2016104463A1 PCT/JP2015/085744 JP2015085744W WO2016104463A1 WO 2016104463 A1 WO2016104463 A1 WO 2016104463A1 JP 2015085744 W JP2015085744 W JP 2015085744W WO 2016104463 A1 WO2016104463 A1 WO 2016104463A1
Authority
WO
WIPO (PCT)
Prior art keywords
conductive film
anisotropic conductive
conductive
particle arrangement
arrangement region
Prior art date
Legal status (The legal status is an assumption and is not a legal conclusion. Google has not performed a legal analysis and makes no representation as to the accuracy of the status listed.)
Ceased
Application number
PCT/JP2015/085744
Other languages
English (en)
French (fr)
Japanese (ja)
Inventor
慎一 林
雅男 斉藤
怜司 塚尾
恭志 阿久津
Current Assignee (The listed assignees may be inaccurate. Google has not performed a legal analysis and makes no representation or warranty as to the accuracy of the list.)
Dexerials Corp
Original Assignee
Dexerials Corp
Priority date (The priority date is an assumption and is not a legal conclusion. Google has not performed a legal analysis and makes no representation as to the accuracy of the date listed.)
Filing date
Publication date
Application filed by Dexerials Corp filed Critical Dexerials Corp
Priority to CN201580066924.4A priority Critical patent/CN107004974B/zh
Priority to KR1020177015109A priority patent/KR101929697B1/ko
Priority to US15/538,525 priority patent/US9991614B2/en
Publication of WO2016104463A1 publication Critical patent/WO2016104463A1/ja
Anticipated expiration legal-status Critical
Ceased legal-status Critical Current

Links

Images

Classifications

    • HELECTRICITY
    • H01ELECTRIC ELEMENTS
    • H01RELECTRICALLY-CONDUCTIVE CONNECTIONS; STRUCTURAL ASSOCIATIONS OF A PLURALITY OF MUTUALLY-INSULATED ELECTRICAL CONNECTING ELEMENTS; COUPLING DEVICES; CURRENT COLLECTORS
    • H01R11/00Individual connecting elements providing two or more spaced connecting locations for conductive members which are, or may be, thereby interconnected, e.g. end pieces for wires or cables supported by the wire or cable and having means for facilitating electrical connection to some other wire, terminal, or conductive member, blocks of binding posts
    • H01R11/01Individual connecting elements providing two or more spaced connecting locations for conductive members which are, or may be, thereby interconnected, e.g. end pieces for wires or cables supported by the wire or cable and having means for facilitating electrical connection to some other wire, terminal, or conductive member, blocks of binding posts characterised by the form or arrangement of the conductive interconnection between the connecting locations
    • HELECTRICITY
    • H01ELECTRIC ELEMENTS
    • H01BCABLES; CONDUCTORS; INSULATORS; SELECTION OF MATERIALS FOR THEIR CONDUCTIVE, INSULATING OR DIELECTRIC PROPERTIES
    • H01B1/00Conductors or conductive bodies characterised by the conductive materials; Selection of materials as conductors
    • H01B1/20Conductive material dispersed in non-conductive organic material
    • HELECTRICITY
    • H01ELECTRIC ELEMENTS
    • H01BCABLES; CONDUCTORS; INSULATORS; SELECTION OF MATERIALS FOR THEIR CONDUCTIVE, INSULATING OR DIELECTRIC PROPERTIES
    • H01B5/00Non-insulated conductors or conductive bodies characterised by their form
    • H01B5/14Non-insulated conductors or conductive bodies characterised by their form comprising conductive layers or films on insulating-supports
    • HELECTRICITY
    • H05ELECTRIC TECHNIQUES NOT OTHERWISE PROVIDED FOR
    • H05KPRINTED CIRCUITS; CASINGS OR CONSTRUCTIONAL DETAILS OF ELECTRIC APPARATUS; MANUFACTURE OF ASSEMBLAGES OF ELECTRICAL COMPONENTS
    • H05K3/00Apparatus or processes for manufacturing printed circuits
    • H05K3/30Assembling printed circuits with electric components, e.g. with resistor
    • H05K3/32Assembling printed circuits with electric components, e.g. with resistor electrically connecting electric components or wires to printed circuits
    • HELECTRICITY
    • H01ELECTRIC ELEMENTS
    • H01RELECTRICALLY-CONDUCTIVE CONNECTIONS; STRUCTURAL ASSOCIATIONS OF A PLURALITY OF MUTUALLY-INSULATED ELECTRICAL CONNECTING ELEMENTS; COUPLING DEVICES; CURRENT COLLECTORS
    • H01R13/00Details of coupling devices of the kinds covered by groups H01R12/70 or H01R24/00 - H01R33/00
    • H01R13/02Contact members
    • H01R13/22Contacts for co-operating by abutting
    • H01R13/24Contacts for co-operating by abutting resilient; resiliently-mounted
    • H01R13/2407Contacts for co-operating by abutting resilient; resiliently-mounted characterized by the resilient means
    • H01R13/2414Contacts for co-operating by abutting resilient; resiliently-mounted characterized by the resilient means conductive elastomers
    • HELECTRICITY
    • H05ELECTRIC TECHNIQUES NOT OTHERWISE PROVIDED FOR
    • H05KPRINTED CIRCUITS; CASINGS OR CONSTRUCTIONAL DETAILS OF ELECTRIC APPARATUS; MANUFACTURE OF ASSEMBLAGES OF ELECTRICAL COMPONENTS
    • H05K3/00Apparatus or processes for manufacturing printed circuits
    • H05K3/30Assembling printed circuits with electric components, e.g. with resistor
    • H05K3/32Assembling printed circuits with electric components, e.g. with resistor electrically connecting electric components or wires to printed circuits
    • H05K3/321Assembling printed circuits with electric components, e.g. with resistor electrically connecting electric components or wires to printed circuits by conductive adhesives
    • H05K3/323Assembling printed circuits with electric components, e.g. with resistor electrically connecting electric components or wires to printed circuits by conductive adhesives by applying an anisotropic conductive adhesive layer over an array of pads

Definitions

  • the present invention relates to an anisotropic conductive film, a connection method using the anisotropic conductive film, and a connection structure connected by the anisotropic conductive film.
  • Anisotropic conductive films are widely used when electronic parts such as IC chips are mounted on a substrate.
  • electronic parts such as IC chips are mounted on a substrate.
  • insulating adhesives for anisotropic conductive films are used.
  • a technique is known in which conductive particles are evenly arranged in a lattice pattern in a layer.
  • the conductive particles located on the edges of the terminals are separated by melting of the insulating adhesive.
  • the connection resistance varies without being caught between the terminals.
  • the first arrangement direction of the conductive particles is the longitudinal direction of the anisotropic conductive film
  • the second arrangement direction intersecting the first arrangement direction is the longitudinal direction of the anisotropic conductive film. It has been proposed to incline at an angle of 5 ° or more and 15 ° or less with respect to an orthogonal direction (Patent Document 1).
  • the present invention has an object to provide an anisotropic conductive film that can be used for FOG connection and COG connection of fine pitch, and can suppress an increase in manufacturing cost accompanying an increase in the density of conductive particles.
  • the present inventor when providing a plurality of arrangement regions having different arrangement mode, arrangement position or density of the conductive particles as the arrangement region of the conductive particles in the anisotropic conductive film, connect with the anisotropic conductive film
  • the conductive particle arrangement region according to the object to be formed can be formed, that is, the conductive particle arrangement region can correspond to the outer shape of the terminal arrangement region of the electronic component connected by the anisotropic conductive film (for example, When COG connection is performed with an anisotropic conductive film, conductive particles are arranged in a region corresponding to the peripheral portion of the IC chip where the bump row exists, but conductive particles are arranged in a region corresponding to the central portion where no bump exists.
  • the present invention is an anisotropic conductive film comprising an insulating adhesive layer and conductive particles disposed in the insulating adhesive layer, A first conductive particle arrangement region in which a plurality of conductive particles are arranged, and a second conductive particle arrangement region in which the arrangement mode, arrangement position, or density of the conductive particles is different from the first conductive particle arrangement region
  • the anisotropic conductive film in which the first conductive particle arrangement region and the second conductive particle arrangement region are periodically formed in the longitudinal direction of the anisotropic conductive film is provided.
  • the present invention is an anisotropic conductive film comprising an insulating adhesive layer and conductive particles arranged in the insulating adhesive layer, There is a conductive particle arrangement region (hereinafter also referred to as a conductive particle arrangement region for connection) formed corresponding to the outer shape of the arrangement region of the terminals of the electronic component connected by the anisotropic conductive film, and the conductive particle arrangement region is An anisotropic conductive film that is periodically formed in the longitudinal direction of the anisotropic conductive film is provided.
  • the present invention provides a connection structure in which the first electronic component and the second electronic component are anisotropically conductively connected by the anisotropic conductive film described above.
  • the anisotropic conductive film of the present invention since the conductive particle arrangement region for connection is formed according to the outer shape of the arrangement region of the terminals, the conductive particles not involved in the connection can be reduced. Manufacturing cost of the conductive film can be suppressed.
  • the anisotropic conductive film of the present invention when a conductive particle arrangement region (hereinafter also referred to as alignment conductive particle arrangement region) that serves as an alignment mark is formed, an array of terminals of electronic components to be connected Since the region and the conductive particle arrangement region for connecting the anisotropic conductive film can be aligned, the conductive particles can be surely captured by the terminal and conduction can be ensured.
  • alignment conductive particle arrangement region hereinafter also referred to as an alignment mark
  • the formation of the conductive particle arrangement region serving as the alignment mark can be formed without requiring an additional step in the conventional manufacturing process of the anisotropic conductive film.
  • FIG. 1A is an arrangement view of conductive particles in the anisotropic conductive film 1A.
  • FIG. 1B is a plan view of a terminal surface of an IC chip connected by an anisotropic conductive film 1A.
  • FIG. 1C is a plan view of a state in which conductive particles are captured by the terminals of the IC chip by thermocompression bonding the anisotropic conductive film 1A to the IC chip.
  • FIG. 2 is an arrangement view of conductive particles in the anisotropic conductive film 1B.
  • FIG. 3 is an arrangement view of conductive particles in the anisotropic conductive film 1C.
  • FIG. 4 is an arrangement view of conductive particles in the anisotropic conductive film 1D.
  • FIG. 1A is an arrangement view of conductive particles in the anisotropic conductive film 1A.
  • FIG. 1B is a plan view of a terminal surface of an IC chip connected by an anisotropic conductive film 1A.
  • FIG. 1C is
  • FIG. 5A is an arrangement diagram of conductive particles in a particle arrangement group.
  • FIG. 5B is an arrangement diagram of conductive particles in the particle array group.
  • FIG. 5C is an arrangement diagram of conductive particles in the particle array group.
  • FIG. 5D is a layout diagram of conductive particles in the particle array group.
  • FIG. 5E is an arrangement diagram of conductive particles in the particle array group.
  • FIG. 6 is an arrangement view of conductive particles in the anisotropic conductive film 1E.
  • FIG. 7 is an arrangement view of conductive particles in the anisotropic conductive film 1F.
  • FIG. 8A is an arrangement diagram of conductive particles forming a particle array group.
  • FIG. 8B is a layout diagram of conductive particles forming a particle array group.
  • FIG. 8C is a layout diagram of conductive particles forming a particle array group.
  • FIG. 8D is a layout diagram of conductive particles forming a particle array group.
  • FIG. 9 is a layout diagram of conductive particles forming a particle array group.
  • FIG. 10 is a layout diagram of conductive particles forming a particle array group.
  • FIG. 11 is an arrangement view of conductive particles in the anisotropic conductive film 1G.
  • FIG. 12 is an arrangement view of conductive particles in the anisotropic conductive film 1H.
  • FIG. 13 is an arrangement view of conductive particles in the anisotropic conductive film 1I.
  • FIG. 14 is an arrangement view of conductive particles in the anisotropic conductive film 1J.
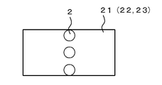
  • FIG. 1A is an arrangement view of conductive particles 2 in an anisotropic conductive film 1A of an embodiment of the present invention used for COG connection
  • FIG. 1B is a terminal of an IC chip 20 connected by the anisotropic conductive film 1A
  • FIG. 1C is a plan view of a state in which conductive particles are captured by the terminals of the IC chip 20 by thermocompression bonding the anisotropic conductive film 1A to the IC chip 20.
  • This anisotropic conductive film 1A has an insulating adhesive layer 10 and conductive particles 2 arranged on the insulating adhesive layer 10. As can be seen from FIG. 1A, FIG. 1B, and FIG. 1C, the conductive particles 2 are arranged corresponding to the arrangement of the terminals of the IC chip 20 in the anisotropic conductive film 1A.
  • each particle array group 3a is formed so as to be arranged in the individual output-side bumps 21 of the IC chip 20 when the anisotropic conductive film 1A and the IC chip 20 are overlaid.
  • the arrangement of the conductive particles 2 in the particle arrangement group 3a is inclined with respect to the longitudinal direction F1 of the anisotropic conductive film 1A, and the particle trapping property by the output side bumps 21 is improved.
  • the outer shape of the conductive particle arrangement region 4a for connection corresponds to the outer shape of the array region 21a of the output-side bump 21. That is, the outer shapes of both are substantially the same, but when the anisotropic conductive film 1A and the IC chip 20 are overlapped, the connecting conductive particle arrangement region 4a covers the arrangement region 21a of the output-side bumps 21.
  • the connecting conductive particle arrangement region 4 a is formed to be slightly larger than the arrangement region 21 a of the output-side bump 21. For this reason, both the conductive particle arrangement region 4a for connection and the arrangement region 21a of the output-side bump 21 extend along the longitudinal direction of the anisotropic conductive film 1A.
  • the particle arrangement group 3b corresponding to the input side bump 22 is arranged in a line along the longitudinal direction F1 of the anisotropic conductive film 1A, thereby forming the conductive particle arrangement region 4b for connection.
  • the outer shape of the connecting conductive particle arrangement region 4b corresponds to the outer shape of the arrangement region 22a of the input side bump 22, and the connecting conductive particle arrangement region 4b is formed to cover the arrangement region 22a of the input side bump 22. Yes.
  • the particle arrangement group 3c corresponding to the side bumps 23 is arranged in the short direction F2 of the anisotropic conductive film 1A to form the conductive particle arrangement region 4c for connection.
  • the outer shape of the connecting conductive particle arrangement region 4 c also corresponds to the outer shape of the arrangement region 23 a of the side bump 23, and the connecting conductive particle arrangement region 4 c is formed to cover the arrangement region 23 a of the side bump 23.
  • conductive particle arrangement regions (second conductive particle arrangement regions) 4a, 4b, and 4c having different arrangement modes or arrangement positions of the conductive particles are formed, and these conductive particle arrangement regions are formed.
  • the outer shapes of 4a, 4b, and 4c are formed corresponding to the outer shapes of the bump arrangement regions 21a, 22a, and 23a of the IC chip 20, so that the number of conductive particles that are not involved in the connection can be reduced. Thus, the manufacturing cost of the anisotropic conductive film can be suppressed.
  • region 4a, 4b, 4c is formed from the particle
  • the total connection area of bumps per IC chip is about 5 ⁇ 10 6 ⁇ m 2 , but it can be increased to 1.5 to 3 times. As a result, the IC chip can be further highly integrated.
  • this anisotropic conductive film 1A the position corresponding to the alignment mark 24 of the IC chip 20 is aligned with the conductive particle arrangement region (first region) by the conductive particles 2 arranged at the four corners and the center of the rectangle.
  • Conductive particle arrangement region) 4d is formed.
  • the alignment conductive particle arrangement region 4d corresponding to the alignment mark 24 is located at a position different from the connection conductive particle arrangement regions 4a, 4b, and 4c corresponding to the terminal arrangement regions 21a, 22a, and 23a of the IC chip 20.
  • the anisotropic conductive film 1A and the IC chip 20 can be used for alignment.
  • conductive particles may be further arranged in the alignment conductive particle arrangement region 4d, and the number density of the conductive particles in the region 4d may be higher than that of the connection conductive particle arrangement regions 4a, 4b, and 4c.
  • the alignment mark 24 of the IC chip 20 is formed to have a size of several tens ⁇ m to several hundreds ⁇ m, and the alignment between the IC chip and the substrate is performed using a CCD or a laser.
  • a mark corresponding to the alignment mark 24 of the IC chip 20 is not formed on the film. This is because in the conventional anisotropic conductive film, the conductive particles are arranged in a monodisperse or lattice form on the entire surface, so the anisotropic conductive film and the substrate or the IC chip are bonded with the accuracy of the bump size. This is because the alignment of the IC chip and the substrate is performed by transmitting a laser beam (used for alignment position detection) through the anisotropic conductive film.
  • an alignment mark on the anisotropic conductive film 1A it is conceivable to arrange an insulating adhesive layer having a size corresponding to the alignment mark 24 of the IC chip 20, but the anisotropic conductive film It is difficult due to restrictions on the manufacturing process. Although it is conceivable to directly mark the insulating adhesive layer by printing or the like, the alignment mark is too small and the actual marking processing is difficult.
  • the array of conductive particles is used as an alignment mark, it is not necessary to add a new process to the manufacturing process of the anisotropic conductive film, and the manufactured anisotropic conductive film is anisotropically conductive.
  • the conductive connection There is no particular limitation when used for the conductive connection, and it is possible to match the positions of the conductive particles in the anisotropic conductive film with the positions of the electrodes on the substrate side corresponding to the bumps of the IC chip. Therefore, in the anisotropic conductive film 1A of the present invention of this example, the conductive particle arrangement region 4d for alignment is formed as an alignment mark.
  • the anisotropic conductive film 1A can connect the number of the conductive particles 2 captured by the bumps 21, 22, and 23. Since it is reduced as long as it is ensured, the permeability of the anisotropic conductive film 1A is high. Therefore, it is possible to perform the alignment work through the substrate side. For this reason, the degree of freedom in designing the alignment mark on the IC chip side can be increased, and the alignment mark on the IC chip side can be provided in the vicinity of the bump formation region to improve the alignment accuracy.
  • the anisotropic conductive film in 1A 100 [mu] m 2 or more 1 mm 2 or less is preferred in this embodiment for COG.
  • the anisotropic conductive film for FOG and FOB it is preferable that the 0.01 mm 2 or more 9 mm 2 or less in order to maintain the detection accuracy.
  • the anisotropic conductive film 1A includes a conductive particle arrangement region 4a corresponding to the arrangement region 21a of the output side bump 21 of the IC chip 20 and a conductive particle arrangement region 4b corresponding to the arrangement region 22a of the input side bump 22.
  • a central region 5 where no conductive particles are arranged is formed between the two.
  • the conductive particle arrangement regions 4a, 4b, and 4c corresponding to the bump arrangement regions 21a, 22a, and 23a of the IC chip 20 are periodically and repeatedly formed.
  • a buffer region 6 in which no conductive particles are arranged is formed between the conductive particle arrangement regions 4c adjacent in the longitudinal direction F1 of the anisotropic conductive film 1A.
  • the anisotropic conductive film 1A is wound and stored in a roll shape, and is used by being pulled out.
  • the buffer region 6 is anisotropically conductive wound in a roll shape when the anisotropic conductive film 1A is used.
  • the film 1A is pulled out and used for cutting work.
  • the length in the longitudinal direction F1 of the anisotropic conductive film 1A in the buffer region 6 is not particularly limited.
  • the length of the anisotropic conductive film 1A is 0. 1 mm or more is preferable and 0.2 mm or more is more preferable.
  • 10 mm or less is preferable, 3 mm or less is more preferable, and 1 mm or less is even more preferable from the viewpoint of securing a large area that can contribute to connection.
  • the conductive particle arrangement regions 4a, 4b, and 4c are formed corresponding to the bump arrangement regions 21a, 22a, and 23a of the IC chip 20, the conductive particles In the arrangement regions 4a, 4b and 4c, the density of the conductive particles 2 can be made appropriate to improve the trapping property of the conductive particles 2 in the bumps, and in the central region 5 and the buffer region 6 corresponding to the regions without the bumps, Since no particles are present, conductive particles not involved in the connection can be reduced. Furthermore, in the conductive particle arrangement regions 4a, 4b, and 4c, particle array groups 3a, 3b, and 3c in which the conductive particles 2 are arranged corresponding to individual bumps are formed. And the occurrence of a short circuit between adjacent bumps can be suppressed.
  • the anisotropic conductive film of the present invention can take various forms.
  • the conductive particle arrangement for connection corresponding to the arrangement region of the bumps of the IC chip 20 in the longitudinal direction F1 is the same as the anisotropic conductive film 1A.
  • the regions 4a, 4b, and 4c are periodically and repeatedly formed, and a plurality of repeating rows of the connecting conductive particle arrangement regions 4a, 4b, and 4c are formed in the short direction F2 of the anisotropic conductive film 1B. Also good.
  • This anisotropic conductive film 1 ⁇ / b> B is used after being slit at the position of the slit line 7.
  • the particle array group 3b corresponding to the input-side bumps 22 is extended in the short direction F2 of the anisotropic conductive film 1C, and the anisotropic conductive film 1C.
  • the slit may be performed by the slit line 7a, or may be performed by the slit line 7b outside by the length of the extended conductive particles. This makes it possible to use the anisotropic conductive film after slitting even if the slit position is shifted in actual slit processing.
  • the alignment conductive particle arrangement region 4d used as an alignment mark is formed at a position along the edge in the longitudinal direction F1 of the anisotropic conductive film 1D. Also good.
  • the formation arrangement of the alignment conductive particle arrangement region 4d used as the alignment mark can be appropriately changed according to the alignment mark formed on the IC chip.
  • the arrangement of conductive particles in the conductive particle arrangement region is not particularly limited.
  • the conductive particles 2 form the particle arrangement groups 3a, 3b, and 3c, and the particle arrangement groups 3a, 3b, and 3c are arranged to form the conductive particle arrangement regions 4a, 4b, 4c may be formed, and conductive particles may randomly gather to form a particle group, and the particle group may be arranged in the conductive particle arrangement region, and a single conductive particle may be formed in the conductive particle arrangement region.
  • the conductive particles may be arranged in a lattice pattern, or the conductive particles may be randomly arranged within the conductive particle arrangement region.
  • the conductive particles are preferably arranged in the conductive particle arrangement region so that the conductive particles are aggregated to such an extent that the outline of the conductive particle arrangement region can be recognized from the viewpoint of accurate alignment.
  • the interval between the adjacent conductive particles in the particle arrangement group can be less than 1/4 of the particle diameter of the conductive particles, even if they are in contact with each other. Good.
  • the interval between adjacent particle arrangement groups is preferably 0.5 times or more the particle diameter of the conductive particles.
  • the particle diameter of the conductive particles is the average diameter of the conductive particles forming the anisotropic conductive film 1A.
  • the average diameter of the conductive particles is preferably 1 to 30 ⁇ m, more preferably 1 to 10 ⁇ m, from the viewpoint of preventing short circuit and the stability of the junction between terminals to be connected.
  • the number of conductive particles constituting the particle array group can be 2 or more, preferably 3 or more. Further, each particle array group may be in a straight line inclined with respect to the longitudinal direction of the bump, as in the particle array groups 3a, 3b, and 3c of the anisotropic conductive film 1A described above.
  • the arrangement of 2 may be a straight line traversing one bump 21 (22, 23) (FIG. 5A), or a straight line traversing one bump 21 (22, 23) (FIG. 5B).
  • the bumps 21 (22, 23) may be arranged in a plurality of lines (FIG. 5C), or the conductive particles may be arranged at the vertices of a triangle with respect to one bump 21 (22, 23). (FIG.
  • each particle array group is a polygon
  • the polygon shape may be a regular triangle, a square, a rectangle, etc., and a polygon shape distorted by one or more vertices protruding, etc. Or a non-symmetric shape may be sufficient. Since bumps are generally rectangular or circular, if there is no similarity or similarity to this, even if irregular particle misalignment occurs when the anisotropic conductive connection is pressed, the trapping property of the conductive particles at the terminal Can be suppressed.
  • the conductive particles constituting the particle array group may be in a region corresponding to one bump, and one bump as in the particle array groups 3a and 3b of the anisotropic conductive film 1E shown in FIG.
  • the bumps may be formed so as to cross the bumps without being within 21 and 22.
  • the dot-filled area indicates the bumps 21 and 22 and the alignment mark 24 of the IC chip connected by the anisotropic conductive film 1E.
  • the arrangement direction of the conductive particles in the particle arrangement group may be the longitudinal direction of the anisotropic conductive film 1E as shown in FIG. 6, or the short direction F2 of the anisotropic conductive film 1F (see FIG. 7). That is, it may be the longitudinal direction of each bump 21, 22.
  • more than three conductive particles 2 are anisotropically conductive as in the particle array group 3a of the anisotropic conductive film 1F shown in FIG. May be arranged in the short direction F2 of the conductive film (that is, the longitudinal direction of the bumps 21 and 22).
  • the arrangement of the conductive particles constituting the particle arrangement group can be appropriately determined according to the shape of the bump itself and the arrangement state of the bump in the IC chip.
  • the circumscribed shape of the conductive particles 2 constituting the particle arrangement group 3 is shown. May be a polygon that is a triangle or more, and the particle array group 3 may be arranged in the longitudinal direction of the bump 21.
  • the polygonal shape may be a regular polygon or a distorted polygon.
  • the direction of each side of the polygon circumscribed by the conductive particles 2 of the particle array group 3 may be a direction intersecting the longitudinal direction F1 or the short direction F2 of the anisotropic conductive film. it can.
  • the tolerance for misalignment of the anisotropic conductive film can be increased.
  • a conductive particle unit (four conductive particles) 3n composed of a pair of particle array groups spaced so as to straddle the bumps 21 and a particle array group (conducting conductive particles) on the bumps 21 are close to each other.
  • (4 particles) 3 m may be arranged.
  • the length of the circumscribed bump 21 of the particle array group 3 in the short direction is equal to or less than that of the particle array group 3n longer than the length of the bump short direction.
  • the particle array group 3m may be mixed.
  • a rectangular particle arrangement group 3m having a short length in the short-bump direction has a circumscribed line Lm in the bump longitudinal direction and a pair of rectangular particle arrangement groups having a long length in the short-bump direction.
  • the unit 3n overlaps with the inscribed line Ln in the bump longitudinal direction.
  • the length of the particle array group 3 in the short direction of the bump may be larger than the length of the bump 21 in the short direction.
  • the conductive particles 2 are easily captured by the bumps 21.
  • the projection width L1 of the conductive particles constituting the particle array group 3p on the side extending in the longitudinal direction F1 of the anisotropic conductive film It is preferable to overlap the same projected width L2 of the particle array group 3q adjacent to the particle array group 3p in the transverse direction F2 of the anisotropic conductive film.
  • the apex of the triangle is the long side or the short side of the anisotropic conductive film. It is preferable to protrude into.
  • the length L3 of the triangle in the short direction F2 of the anisotropic conductive film is equal to the longitudinal direction F1 of the anisotropic conductive film.
  • the triangle side 3x intersects the edge 21x of the bump 21 at an acute angle, so that the trapping property of the conductive particles is improved particularly in the case of a fine pitch.
  • the arrangement of the conductive particles 2 in the particle arrangement group 3 may be the same or different in each particle arrangement group 3. If different, it can be changed regularly. For example, as shown in FIG. 10, the same number of conductive particles 2 constituting the particle array group 3 and the same circumscribed shape may be used, but particles having different directions of the circumscribed shape may be mixed. As the particle array group 3, particles having different numbers of conductive particles may be regularly and repeatedly arranged.
  • the anisotropic conductive film 1G shown in FIG. 11 is obtained by arranging the conductive particles 2 obliquely with respect to the longitudinal direction F1 of the anisotropic conductive film in the particle arrangement group 3a across the plurality of bumps 21. From the viewpoint of improving the particle trapping property of the bumps, the arrangement of the conductive particles in the particle arrangement group is preferably oblique with respect to the longitudinal direction of the anisotropic conductive film 1G.
  • the conductive particle arrangement region 4a formed by arranging the particle array group 3a in the longitudinal direction F1 of the anisotropic conductive film is formed on the output side bump of the IC chip. It is formed so as to cover the region, and the end of the outer shape of the conductive particle arrangement region 4a corresponds to the alignment mark 24 of the semiconductor chip. For this reason, in this anisotropic conductive film 1G, an array of conductive particles corresponding to the alignment mark 24 of the IC chip, which is different from the array of conductive particles corresponding to the bumps of the IC chip, is not formed.
  • the particle arrangement groups 3a and 3b extending over the plurality of bumps 21 and 22 may have the conductive particles 2 arranged in the longitudinal direction F1 of the anisotropic conductive film 1H.
  • Conductive particle arrangement regions 4a and 4b are formed by arranging the particle arrangement groups 3a and 3b in the short direction F2 of the anisotropic conductive film 1H.
  • the conductive particles are preferably arranged so that the number of conductive particles captured by one bump is 3 or more, and more preferably 10 or more.
  • the length of the anisotropic conductive film in the particle array group in the longitudinal direction is preferably less than 0.8 times the distance between the bumps. Less than twice is more preferable.
  • region The 2nd electroconductive particle arrangement
  • the conductive particle arrangement region 4e for connection is formed into the anisotropic conductive film. 1I is formed periodically in the longitudinal direction F1.
  • the outer shape of the connecting conductive particle arrangement region 4e corresponds to the outer shape of the terminal arrangement region on the substrate.
  • alignment conductive particle arrangement regions 4d are periodically formed in the longitudinal direction of the anisotropic conductive film 1I.
  • the conductive particle 2 arranges the particle arrangement group 3e in which the anisotropic conductive film 1H is arranged in the longitudinal direction F1 in the short direction F2 of the anisotropic conductive film 1J. Then, the conductive particle arrangement region 4e may be formed, and the conductive particle arrangement region 4e may be periodically formed in the longitudinal direction F1 of the anisotropic conductive film 1H.
  • the outer shape of the conductive particle arrangement region 4e also corresponds to the outer shape of the terminal arrangement region on the substrate.
  • conductive particle arrangement regions 4d for alignment with alignment marks 24 formed on a glass substrate or a flexible printed wiring board are formed.
  • the conductive particles for alignment are formed by forming the end of the conductive particle arrangement region 4e so as to overlap the alignment mark 24.
  • the formation of the arrangement region 4d may be omitted, and the end of the conductive particle arrangement region 4e may be used as an alignment mark on the anisotropic conductive film side.
  • thermocompression bonding condition at the time of anisotropic conductive connection can be inspected from the indentation, although it is not involved in the connection between the electronic components.
  • a relatively large size input / output bump may be provided together with a fine pitch bump array. Therefore, it is also possible to provide a conductive particle arrangement region corresponding to a dummy bump or a relatively large size bump in the anisotropic conductive film, and to replace this with an alignment mark.
  • the conductive particles constituting the particle array group can take various arrangements, and when the number of conductive particles captured by each bump is reduced as far as the connection can be secured, the anisotropic at the anisotropic conductive connection In consideration of the flow of the resin constituting the insulating adhesive layer of the conductive film, the bending of the film, the substrate, or the IC chip, it is preferable to appropriately arrange the conductive particles with respect to each bump.
  • the density of the conductive particles 2 in the conductive particle arrangement region is not particularly limited and can be appropriately set depending on the target, but is preferably 10 / mm 2 or more, more preferably 1000 / mm 2 or more, and still more preferably. It can be 1000 pieces / mm 2 or more, particularly 2000 pieces / mm 2 or more.
  • the upper limit is changed depending on the conditions of the connection object, there is no particular limitation.
  • the density of the conductive particles 2 can be 250,000 / mm 2 or less. Usually, 100,000 pieces / mm 2 or less is preferable, and 50,000 pieces / mm 2 or less is more preferable. This particle density is appropriately adjusted according to the particle diameter and arrangement of the conductive particles 2.
  • the configuration of the conductive particles 2 itself, the layer configuration of the insulating adhesive layer 10 or the constituent resin can take various forms.
  • the conductive particles 2 can be appropriately selected from those used in known anisotropic conductive films.
  • examples thereof include metal particles such as nickel, cobalt, silver, copper, gold, and palladium, and metal-coated resin particles. Two or more kinds can be used in combination.
  • an insulating resin layer used in a known anisotropic conductive film can be appropriately adopted.
  • a photo radical polymerization type resin layer containing an acrylate compound and a photo radical polymerization initiator a heat radical polymerization type resin layer containing an acrylate compound and a heat radical polymerization initiator, a heat containing an epoxy compound and a heat cationic polymerization initiator
  • a cationic polymerization type resin layer, a thermal anion polymerization type resin layer containing an epoxy compound and a thermal anion polymerization initiator, or the like can be used.
  • Each of these resin layers can be polymerized as necessary.
  • the insulating adhesive layer 10 may be formed from a plurality of resin layers.
  • the insulating adhesive layer 10 may be added with an insulating filler such as silica fine particles, alumina, and aluminum hydroxide as necessary.
  • the blending amount of the insulating filler is preferably 3 to 40 parts by mass with respect to 100 parts by mass of the resin forming the insulating adhesive layer.
  • the minimum melt viscosity of the entire insulating adhesive layer is preferably 100 to 10,000 Pa ⁇ s, more preferably 500 to 5000 Pa ⁇ s, and particularly preferably 1000 to 3000 Pa ⁇ s. Within this range, the conductive particles can be precisely arranged in the insulating adhesive layer 10, and it is possible to prevent the resin flow from hindering the trapping property of the conductive particles due to the pressing during anisotropic conductive connection.
  • the minimum melt viscosity can be measured using a rheometer (ARES manufactured by TA) under the conditions of a heating rate of 5 ° C./min, a measurement temperature range of 50 to 200 ° C., and a vibration frequency of 1 Hz.
  • a mold having a dent corresponding to the arrangement of the conductive particles 2 is produced by a known method such as machining, laser processing, or photolithography. Conductive particles are put into a mold, and an insulating adhesive layer forming composition is filled thereon, cured, and taken out of the mold. From such a mold, the mold may be made of a material having lower rigidity.
  • a member having through holes formed in a predetermined arrangement is provided on the insulating adhesive layer-forming composition layer, and from there For example, the conductive particles 2 may be supplied and passed through the through holes.
  • connection terminals of first electronic components such as an FPC, a rigid substrate, a ceramic substrate, a plastic substrate, and a glass substrate
  • second electronic components such as an IC chip, an IC module, and an FPC
  • first electronic components such as an FPC
  • second electronic components such as an IC chip, an IC module, and an FPC
  • first electronic components such as an FPC
  • second electronic components such as an IC chip, an IC module, and an FPC
  • the present invention also includes a connection structure of the first electronic component and the second electronic component thus anisotropically connected.
  • a mold in which convex portions periodically have an arrangement pattern having a predetermined arrangement density, or the convex portions are randomly arranged at a predetermined arrangement density.
  • a mold having a proper arrangement (Comparative Example 1) was prepared, and a known transparent resin pellet was poured into the mold in a molten state, and cooled and hardened to form a resin mold having a lattice-like pattern of recesses. did.
  • the resin-shaped recess is filled with conductive particles (Sekisui Chemical Co., Ltd., AUL704, particle size 4 ⁇ m), and the adhesive layer of the above-mentioned insulating resin is placed thereon, and is contained in the insulating resin by ultraviolet curing.
  • the curable resin was cured.
  • insulating resin was peeled from the type
  • the flexible printed circuit board to be FOG connected had a terminal width of 20 ⁇ m, a terminal length of 1 mm, a space between terminals of 20 ⁇ m, and a terminal density corresponding to the bump density of the IC chip of 25 per 1 mm 2 .
  • ITO solid glass was used for the glass substrate.
  • Example 1 10 conductive particles per electrode terminal (20 ⁇ m ⁇ 1 mm) are arranged so as to be accommodated in the electrode terminals, and the particle array group is arranged so that no conductive particles exist between the electrode terminals. Periodically formed.
  • Example 2 14 conductive particles were arranged per electrode terminal (20 ⁇ m ⁇ 1 mm), and a particle array group was periodically formed so that no conductive particles existed between the electrode terminals. In this case, at each electrode terminal, the conductive particles protruded by one conductive particle diameter in the terminal width direction.
  • Example 3 a particle array group in which conductive particles are arranged in a tetragonal lattice with an interparticle distance of 4 ⁇ m and arranged in two rows in the short-side direction of the terminal and 40 to 42 rows in the long-side direction of the terminal is arranged on the electrode terminals. Particle array groups were formed periodically. As a result, the total number of conductive particles in the conductive particle arrangement region (including the inter-terminal region) (1 mm 2 ) corresponding to 25 electrode terminals was 2080.
  • Example 4 a particle arrangement group of a tetragonal lattice that is substantially the same as that of Example 3, and in each electrode terminal, a particle arrangement group that is arranged in 4 rows in the terminal short direction and 20 to 24 rows in the terminal longitudinal direction. was formed.
  • the length of the particle array group in the terminal short direction is longer than the terminal width (the length of the terminal in the short direction).
  • the total number of conductive particles in the conductive particle arrangement region (including between terminals) (1 mm 2 ) corresponding to 25 electrode terminals was 2130.
  • Comparative Example 1 the conductive particles were randomly arranged so that the number density of the conductive particles was 5000 / mm 2 .
  • the anisotropic conductive film of each example and comparative example is sandwiched between an evaluation IC for short-circuit occurrence rate and a glass substrate having a pattern corresponding to the evaluation IC, and heated under the same connection conditions as in (a). Pressurized to obtain a connection object, and the occurrence rate of short circuit of the connection object was determined.
  • the short-circuit occurrence rate is calculated by “number of short-circuit occurrences / total number of 7.5 ⁇ m spaces”. A short-circuit occurrence rate of 50 ppm or more is not preferable from the viewpoint of manufacturing a practical connection structure.
  • the anisotropic conductive films of Examples 1 to 4 have lower conductive particle number density in the conductive particle arrangement region than Comparative Example 1, but have the same conductive characteristics as Comparative Example 1, and preferable conductive characteristics. It can be seen that the anisotropic conductive film can be manufactured at low cost. In Example 3, 8 ⁇ m, and in Example 4, about 16 ⁇ m, the same results were obtained even when the films were intentionally shifted in the longitudinal direction and bonded together.
  • silica filler silica fine particles, Aerosil RY200, Nippon Aerosil Co., Ltd.
  • anisotropic conductive films were produced in the same manner, and conduction evaluation was performed. However, both were good.
  • the molds (Examples 5 to 9) in which the projections periodically have an array pattern with a predetermined arrangement density or the projections are quadrilateral lattices (grating pitch 8 ⁇ m).
  • Mold (Comparative Example 2), and a known transparent resin pellet was poured into the mold in a molten state, cooled and solidified to form a resin mold having a lattice-like pattern of recesses. .
  • the resin-shaped recess is filled with conductive particles (Sekisui Chemical Co., Ltd., AUL704, particle size 4 ⁇ m), and the adhesive layer of the above-mentioned insulating resin is placed thereon, and is contained in the insulating resin by ultraviolet curing.
  • the curable resin was cured.
  • insulating resin was peeled from the type
  • the IC chip and the glass substrate for COG connection correspond to their terminal patterns, and the sizes are as shown below.
  • IC chip outline 0.7 ⁇ 20mm Thickness 0.2mm Bump specifications Gold plating, height 12 ⁇ m, size 15 ⁇ 100 ⁇ m, space between bumps 13 ⁇ m, number of bumps 1300 (650 on the opposite sides of the IC chip)
  • Example 5 to 9 by forming the particle array group with the conductive particle arrangement pattern shown in Table 2 only in the region corresponding to the bump of the IC chip, this particle array group is arranged in the short direction of the bump.
  • a conductive particle arrangement region composed of the particle arrangement group shown in Table 2 was formed in a region corresponding to the bump formation region of the IC chip.
  • the conductive particles were arranged on the entire bump forming surface of the IC chip in a four-directional lattice arrangement with an interparticle distance of 4 ⁇ m.
  • conductive particle arrangement regions were formed in 12 rows (12 rows in total) of 12 sides in a four-sided lattice in accordance with the outer shape of 100 ⁇ m ⁇ 100 ⁇ m as alignment marks.
  • a mark (100 ⁇ m ⁇ 100 ⁇ m) corresponding to the alignment mark of the IC chip was provided on the glass substrate.
  • the glass substrate and the anisotropic conductive film were manually aligned and temporarily pasted. This temporary sticking was performed at 60 ° C., 2 Mpa, and 1 second.
  • the anisotropic conductive film temporarily attached to the glass substrate and the IC chip were aligned and heated and pressed to connect the IC chip.
  • a flip chip bonder FC1000 (Toray Engineering Co., Ltd.) was used for the connection of the IC chip.
  • the anisotropic conductive films of Examples 5 to 9 have a smaller number of conductive particles in the bump formation region (including the space between the bumps) of the IC chip than Comparative Example 2, but the same as in Comparative Example 2 It can be seen that an anisotropic conductive film having conduction characteristics and favorable conduction characteristics can be manufactured at low cost.
  • Examples 10-14 In Examples 5 to 9, 20 parts of silica filler (silica fine particles, Aerosil RY200, Nippon Aerosil Co., Ltd.) was added to 100 parts of insulating resin, and an anisotropic conductive film was produced in the same manner as in Examples 5 to 9. Conductivity evaluation was performed. As a result, all were good.
  • silica filler silicon fine particles, Aerosil RY200, Nippon Aerosil Co., Ltd.
  • Examples 15-19 anisotropic conductive films were produced in the same manner as in Examples 5 to 9 except that the formation of alignment marks was omitted, and continuity evaluation was performed. As a result, the alignment required more time than in Examples 5 to 9, but the conduction evaluation was good.
  • Example 20 In Examples 5 to 9, when the initial conduction resistance was evaluated, the conductive particle arrangement region of the anisotropic conductive film and the bump formation region of the IC chip were slightly shifted and overlapped, and the connection for evaluation was performed by heating and pressing. I got a thing. From the evaluation of the conduction resistance of the connection object for evaluation, the following could be confirmed. That is, in Example 20 (conductive particle arrangement of Example 5), it was found that the conductive particle group can be connected even if the particle size is shifted by one in the width direction of the rectangular bump.
  • Example 21 conductive particle arrangement of Example 6
  • the connection was possible even when the center of the conductive particle group was shifted from the center of the bump width by 30% (4.5 ⁇ m) of the bump width in the bump width direction.
  • Example 22 conductive particle arrangement of Example 7
  • the conductive particle group has two conductive particle diameters in the bump width direction. It turned out that it can be connected even if it is misaligned.
  • Example 23 (conducting particle arrangement of Example 8), it was found that the connection was possible even when the center of the conductive particle group arranged in a rectangle was shifted by three conductive particle diameters in the bump width direction with respect to the center of the bump width. .
  • Example 24 (conductive particle arrangement of Example 9), it was found that the connection was possible even when the center of the conductive particle group arranged in a rectangle was shifted by three conductive particle diameters in the bump width direction with respect to the center of the bump width. . In addition, the state of the electroconductive particle pressed rather than Example 8 was favorable.
  • Example 15 the conductive particles corresponding to one bump were arranged in the particle array group 3 shown in FIGS. 8A to 8D and FIG. 10, and the conduction evaluation was performed in the same manner as in Example 15.
  • the size of the bump is 15 ⁇ m ⁇ 100 ⁇ m as in Example 15
  • the space between the bumps is 13 ⁇ m
  • the number of trapped conductive particles per bump is 12 in the mode of FIG. 8A and the mode of FIG. 8B.
  • 16 12 in the embodiment of FIG. 8C, 15 in the embodiment of FIG. 8D, and 16 in the embodiment of FIG. 10. In any of these cases, a good connection state was obtained.
  • Anisotropic conductive film 2 Conductive particles 3, 3a, 3b, 3c, 3e, 3m, 3p, 3q Particle array group 4a, 4b, 4c 4e Conductive particle arrangement region for connection 4d Conductive particle arrangement region for alignment 5 Central region where no conductive particles are arranged 6 Buffer region where no conductive particles are arranged 7, 7a, 7b Slit line 10 Insulating adhesive layer 20 IC chip 21 Output side bump 21a Output side bump arrangement area 22 Input side bump 22a Input side bump arrangement area 23 Side bump 23a Side bump arrangement area 24 Alignment mark 30 Substrate electrode terminal 31 Substrate alignment mark F1 Anisotropic conductivity Direction of conductive film F2 Short direction of anisotropic conductive film

Landscapes

  • Engineering & Computer Science (AREA)
  • Physics & Mathematics (AREA)
  • Chemical & Material Sciences (AREA)
  • Dispersion Chemistry (AREA)
  • Spectroscopy & Molecular Physics (AREA)
  • Manufacturing & Machinery (AREA)
  • Microelectronics & Electronic Packaging (AREA)
  • Wire Bonding (AREA)
  • Non-Insulated Conductors (AREA)
  • Electric Connection Of Electric Components To Printed Circuits (AREA)
  • Manufacturing Of Electrical Connectors (AREA)
PCT/JP2015/085744 2014-12-22 2015-12-22 異方導電性フィルム及び接続構造体 Ceased WO2016104463A1 (ja)

Priority Applications (3)

Application Number Priority Date Filing Date Title
CN201580066924.4A CN107004974B (zh) 2014-12-22 2015-12-22 各向异性导电性膜及连接构造体
KR1020177015109A KR101929697B1 (ko) 2014-12-22 2015-12-22 이방 도전성 필름 및 접속 구조체
US15/538,525 US9991614B2 (en) 2014-12-22 2015-12-22 Anisotropic electrically conductive film and connection structure

Applications Claiming Priority (2)

Application Number Priority Date Filing Date Title
JP2014-259509 2014-12-22
JP2014259509 2014-12-22

Publications (1)

Publication Number Publication Date
WO2016104463A1 true WO2016104463A1 (ja) 2016-06-30

Family

ID=56150481

Family Applications (1)

Application Number Title Priority Date Filing Date
PCT/JP2015/085744 Ceased WO2016104463A1 (ja) 2014-12-22 2015-12-22 異方導電性フィルム及び接続構造体

Country Status (6)

Country Link
US (1) US9991614B2 (enExample)
JP (3) JP6759578B2 (enExample)
KR (1) KR101929697B1 (enExample)
CN (1) CN107004974B (enExample)
TW (1) TWI686014B (enExample)
WO (1) WO2016104463A1 (enExample)

Cited By (3)

* Cited by examiner, † Cited by third party
Publication number Priority date Publication date Assignee Title
CN107452438A (zh) * 2017-07-27 2017-12-08 京东方科技集团股份有限公司 一种各向异性导电胶带及胶带卷、绑定结构及显示装置
WO2018101108A1 (ja) * 2016-12-01 2018-06-07 デクセリアルズ株式会社 異方性導電フィルム
TWI763750B (zh) * 2016-12-01 2022-05-11 日商迪睿合股份有限公司 異向性導電膜

Families Citing this family (13)

* Cited by examiner, † Cited by third party
Publication number Priority date Publication date Assignee Title
KR102535557B1 (ko) 2016-03-07 2023-05-24 삼성디스플레이 주식회사 표시 장치 및 전자 디바이스
WO2018101106A1 (ja) * 2016-12-01 2018-06-07 デクセリアルズ株式会社 異方性導電フィルム
JP7313913B2 (ja) * 2018-06-06 2023-07-25 デクセリアルズ株式会社 接続体、接続体の製造方法、接続方法
JP7321792B2 (ja) 2019-06-26 2023-08-07 株式会社ジャパンディスプレイ 異方性導電膜及び表示装置
KR20210018700A (ko) 2019-08-09 2021-02-18 삼성디스플레이 주식회사 접착 부재 및 이를 포함한 표시장치
CN111303795A (zh) * 2020-02-14 2020-06-19 维沃移动通信有限公司 一种异方性导电胶膜及其制备方法和显示装置
KR20210122359A (ko) 2020-03-30 2021-10-12 삼성디스플레이 주식회사 표시 장치 및 표시 장치 제조 방법
KR20210138332A (ko) * 2020-05-12 2021-11-19 안성룡 전도체 본딩 방법
KR20230109182A (ko) * 2021-03-26 2023-07-19 데쿠세리아루즈 가부시키가이샤 필러 배열 필름
KR20230127298A (ko) * 2021-03-26 2023-08-31 데쿠세리아루즈 가부시키가이샤 필러 배열 필름
CN114999951A (zh) * 2022-05-30 2022-09-02 电子科技大学 各向异性导电胶膜互连电气失效可视化分析芯片制备方法
JP2024146277A (ja) * 2023-03-31 2024-10-15 デクセリアルズ株式会社 フィラー配列フィルム及びその製造方法並びに接続構造体及びその製造方法
KR20250156366A (ko) * 2024-04-25 2025-11-03 에이치엔에스하이텍 (주) 패턴 얼라인 정밀성을 향상시킨 이방도전성 접착필름

Citations (3)

* Cited by examiner, † Cited by third party
Publication number Priority date Publication date Assignee Title
JPH09320345A (ja) * 1996-05-31 1997-12-12 Whitaker Corp:The 異方導電性フィルム
WO2008029580A1 (en) * 2006-08-29 2008-03-13 Hitachi Chemical Company, Ltd. Anisotropic conductive tape and method of manufacturing it, connected structure and method of connecting circuit member by use of the tape
WO2008143358A1 (ja) * 2007-05-24 2008-11-27 Sony Chemical & Information Device Corporation 電気装置、接続方法及び接着フィルム

Family Cites Families (17)

* Cited by examiner, † Cited by third party
Publication number Priority date Publication date Assignee Title
JPH0660979B2 (ja) * 1985-08-30 1994-08-10 松下電器産業株式会社 電気的接続方法
JPH10209210A (ja) * 1997-01-20 1998-08-07 Sharp Corp 半導体装置及びその製造方法並びにその検査方法
JP3506003B2 (ja) * 1998-05-19 2004-03-15 ソニーケミカル株式会社 異方性導電接着材
JP2002094222A (ja) * 2000-09-19 2002-03-29 Matsushita Electric Ind Co Ltd 電子部品接合用シート、電子部品実装方法、及び電子部品実装装置
JP2004071857A (ja) * 2002-08-07 2004-03-04 Sharp Corp 基板接続部の構造、並びに該構造を有する電子部品及び液晶表示装置
JP3994335B2 (ja) * 2002-10-04 2007-10-17 日立化成工業株式会社 接続部材の製造方法
JP4887700B2 (ja) 2005-09-09 2012-02-29 住友ベークライト株式会社 異方導電性フィルムおよび電子・電機機器
JP2007115560A (ja) 2005-10-21 2007-05-10 Sumitomo Bakelite Co Ltd 異方導電フィルム及びその製造方法
KR100803433B1 (ko) * 2006-01-23 2008-02-13 엘에스전선 주식회사 접속 신뢰성이 개선된 이방성 도전 필름 및 이를 이용한회로 접속 구조체
CN101512840A (zh) * 2006-08-29 2009-08-19 日立化成工业株式会社 各向异性导电带及其制造方法以及使用其的连接结构体和电路部件的连接方法
CN101556838B (zh) * 2008-04-09 2011-06-01 北京京东方光电科技有限公司 各向异性导电膜
JP5543267B2 (ja) * 2010-05-07 2014-07-09 デクセリアルズ株式会社 異方性導電フィルム及びその製造方法、並びに実装体及びその製造方法
JP5690648B2 (ja) * 2011-04-28 2015-03-25 デクセリアルズ株式会社 異方性導電フィルム、接続方法及び接続構造体
JP5293843B2 (ja) * 2012-01-24 2013-09-18 デクセリアルズ株式会社 透明導電性素子、入力装置、電子機器および透明導電性素子作製用原盤
TWI550652B (zh) 2012-08-01 2016-09-21 迪睿合股份有限公司 An anisotropic conductive film, an anisotropic conductive film, and a connecting structure
TWI743560B (zh) * 2012-08-01 2021-10-21 日商迪睿合股份有限公司 異向性導電膜、連接結構體、及連接結構體之製造方法
JP6476747B2 (ja) * 2014-10-28 2019-03-06 デクセリアルズ株式会社 異方性導電フィルム及び接続構造体

Patent Citations (3)

* Cited by examiner, † Cited by third party
Publication number Priority date Publication date Assignee Title
JPH09320345A (ja) * 1996-05-31 1997-12-12 Whitaker Corp:The 異方導電性フィルム
WO2008029580A1 (en) * 2006-08-29 2008-03-13 Hitachi Chemical Company, Ltd. Anisotropic conductive tape and method of manufacturing it, connected structure and method of connecting circuit member by use of the tape
WO2008143358A1 (ja) * 2007-05-24 2008-11-27 Sony Chemical & Information Device Corporation 電気装置、接続方法及び接着フィルム

Cited By (8)

* Cited by examiner, † Cited by third party
Publication number Priority date Publication date Assignee Title
WO2018101108A1 (ja) * 2016-12-01 2018-06-07 デクセリアルズ株式会社 異方性導電フィルム
CN109964371A (zh) * 2016-12-01 2019-07-02 迪睿合株式会社 各向异性导电膜
CN109964371B (zh) * 2016-12-01 2021-03-12 迪睿合株式会社 各向异性导电膜
US10957462B2 (en) 2016-12-01 2021-03-23 Dexerials Corporation Anisotropic conductive film
TWI763750B (zh) * 2016-12-01 2022-05-11 日商迪睿合股份有限公司 異向性導電膜
CN107452438A (zh) * 2017-07-27 2017-12-08 京东方科技集团股份有限公司 一种各向异性导电胶带及胶带卷、绑定结构及显示装置
CN107452438B (zh) * 2017-07-27 2019-10-11 京东方科技集团股份有限公司 一种各向异性导电胶带及胶带卷、绑定结构及显示装置
US10510708B2 (en) 2017-07-27 2019-12-17 Boe Technology Group Co., Ltd. Anisotropic conductive film (ACF) and forming method thereof, ACF roll, bonding structure and display device

Also Published As

Publication number Publication date
CN107004974B (zh) 2020-09-01
JP2016119306A (ja) 2016-06-30
KR20170076783A (ko) 2017-07-04
US20170352967A1 (en) 2017-12-07
JP2020177916A (ja) 2020-10-29
JP7541249B2 (ja) 2024-08-28
JP2023001341A (ja) 2023-01-04
KR101929697B1 (ko) 2018-12-14
CN107004974A (zh) 2017-08-01
TW201635648A (zh) 2016-10-01
US9991614B2 (en) 2018-06-05
TWI686014B (zh) 2020-02-21
JP7176550B2 (ja) 2022-11-22
JP6759578B2 (ja) 2020-09-23

Similar Documents

Publication Publication Date Title
JP7541249B2 (ja) 異方導電性フィルム及び接続構造体
JP7004058B2 (ja) 異方導電性フィルム及び接続構造体
JP2022133317A (ja) 異方導電性フィルム及び接続構造体
TWI699788B (zh) 異向導電性膜及連接構造體
TWI834084B (zh) 異向導電性膜及其製造方法、以及使用有異向導電性膜之連接構造體及其製造方法
TWI671954B (zh) 異向導電性膜及連接結構體
HK1238796B (zh) 各向异性导电性膜及连接构造体
HK1238796A1 (en) Anisotropic conductive film and connection structure
HK1250424B (zh) 各向异性导电膜和连接结构体
HK1238416B (zh) 各向异性导电膜及连接结构体
HK1238416A1 (en) Anisotropic conductive film and connecting structure

Legal Events

Date Code Title Description
121 Ep: the epo has been informed by wipo that ep was designated in this application

Ref document number: 15873031

Country of ref document: EP

Kind code of ref document: A1

DPE1 Request for preliminary examination filed after expiration of 19th month from priority date (pct application filed from 20040101)
ENP Entry into the national phase

Ref document number: 20177015109

Country of ref document: KR

Kind code of ref document: A

WWE Wipo information: entry into national phase

Ref document number: 15538525

Country of ref document: US

NENP Non-entry into the national phase

Ref country code: DE

122 Ep: pct application non-entry in european phase

Ref document number: 15873031

Country of ref document: EP

Kind code of ref document: A1