WO2015053220A1 - ダイナモメータシステム - Google Patents

ダイナモメータシステム Download PDF

Info

Publication number
WO2015053220A1
WO2015053220A1 PCT/JP2014/076691 JP2014076691W WO2015053220A1 WO 2015053220 A1 WO2015053220 A1 WO 2015053220A1 JP 2014076691 W JP2014076691 W JP 2014076691W WO 2015053220 A1 WO2015053220 A1 WO 2015053220A1
Authority
WO
WIPO (PCT)
Prior art keywords
output
dynamometer
control
detection model
torque
Prior art date
Legal status (The legal status is an assumption and is not a legal conclusion. Google has not performed a legal analysis and makes no representation as to the accuracy of the status listed.)
Ceased
Application number
PCT/JP2014/076691
Other languages
English (en)
French (fr)
Japanese (ja)
Inventor
岳夫 秋山
喜正 澤田
伸彦 浅倉
Current Assignee (The listed assignees may be inaccurate. Google has not performed a legal analysis and makes no representation or warranty as to the accuracy of the list.)
Meidensha Corp
Meidensha Electric Manufacturing Co Ltd
Original Assignee
Meidensha Corp
Meidensha Electric Manufacturing Co Ltd
Priority date (The priority date is an assumption and is not a legal conclusion. Google has not performed a legal analysis and makes no representation as to the accuracy of the date listed.)
Filing date
Publication date
Application filed by Meidensha Corp, Meidensha Electric Manufacturing Co Ltd filed Critical Meidensha Corp
Priority to KR1020167011590A priority Critical patent/KR101659363B1/ko
Priority to US15/027,932 priority patent/US9739687B2/en
Publication of WO2015053220A1 publication Critical patent/WO2015053220A1/ja
Anticipated expiration legal-status Critical
Ceased legal-status Critical Current

Links

Images

Classifications

    • GPHYSICS
    • G01MEASURING; TESTING
    • G01LMEASURING FORCE, STRESS, TORQUE, WORK, MECHANICAL POWER, MECHANICAL EFFICIENCY, OR FLUID PRESSURE
    • G01L3/00Measuring torque, work, mechanical power, or mechanical efficiency, in general
    • G01L3/16Rotary-absorption dynamometers, e.g. of brake type
    • GPHYSICS
    • G01MEASURING; TESTING
    • G01MTESTING STATIC OR DYNAMIC BALANCE OF MACHINES OR STRUCTURES; TESTING OF STRUCTURES OR APPARATUS, NOT OTHERWISE PROVIDED FOR
    • G01M15/00Testing of engines
    • G01M15/02Details or accessories of testing apparatus
    • GPHYSICS
    • G01MEASURING; TESTING
    • G01MTESTING STATIC OR DYNAMIC BALANCE OF MACHINES OR STRUCTURES; TESTING OF STRUCTURES OR APPARATUS, NOT OTHERWISE PROVIDED FOR
    • G01M15/00Testing of engines
    • G01M15/04Testing internal-combustion engines
    • G01M15/05Testing internal-combustion engines by combined monitoring of two or more different engine parameters

Definitions

  • the present invention relates to a dynamometer system. More specifically, the present invention relates to a dynamometer system for connecting a dynamometer as a power absorber to a specimen equipped with an engine and measuring various characteristics of the engine.
  • FIG. 26 is a diagram illustrating a configuration of the dynamometer system 100.
  • the dynamometer system 100 includes a specimen W composed of the engine E and its output shaft S, a dynamometer D connected to the output shaft S of the specimen W as a power absorber, and a throttle actuator 110.
  • Engine controller 120 for controlling E
  • dynamo controller 140 for controlling dynamometer D via inverter 130
  • encoder 150 for detecting the rotational speed of the output shaft of dynamometer D
  • output shaft S of specimen W
  • a shaft torque sensor 160 for detecting a shaft torque (torsional torque) of a coupling portion between the dynamometer D and the output shaft of the dynamometer D.
  • mechanical elements such as a clutch, a transmission, and a propeller shaft are collectively shown as an output shaft S in a simplified manner.
  • the engine controller 120 controls the output of the engine E in a predetermined manner for each test item, and the dynamo controller 140 controls the rotational speed of the dynamometer D based on the outputs of the encoder 150 and the shaft torque sensor 160. And torque are controlled (see, for example, Patent Documents 1 and 2).
  • FIG. 27 is a diagram illustrating a change in the number of revolutions when the engine is started when the conventional system 100 realizes the no-load state. More specifically, it is a diagram showing a change in the number of revolutions at the time of starting the engine when the shaft torque command value input to the dynamo controller 140 is set to 0 so that no torsional torque is generated in the conventional system 100.
  • the measurement result by the system 100 that is, the number of rotations measured by the encoder 150 is indicated by a thin solid line.
  • the rotational speed measured with the engine E and the output shaft S disconnected and the engine E in a no-load state that is, an ideal value at the time of no-load control is indicated by a thick broken line.
  • the shaft torque sensor 160 of the output shaft S is simply controlled by setting the shaft torque command value to 0 [Nm] and the detected value of the shaft torque sensor to 0 [Nm].
  • the inertia of the portion on the engine E side must be borne by the engine E, the engine speed at the time of starting becomes smaller than an ideal value corresponding to the no-load state.
  • the inertia of the output shaft S can be borne by the dynamometer D if the position of the shaft torque sensor 160 is closer to the crankshaft side of the engine E.
  • the closer the shaft torque sensor 160 is to the engine E the more easily the heat of the engine E is transmitted, so the influence of the change in the measured value due to the temperature drift increases.
  • the closer the shaft torque sensor 160 is to the engine E the easier the vibration of the engine E is transmitted, and the measurement accuracy decreases.
  • the position of the shaft torque sensor 160 is preferably closer to the dynamometer D than the engine E. Therefore, the above problem becomes significant.
  • Patent Document 3 discloses a technique for realizing a no-load state at the time of engine start by feedforward control.
  • a torque current command value that realizes the dynamo rotation speed measured at the time of starting the engine in advance is output in accordance with the timing of engine start (that is, the ignition signal of the first engine explosion).
  • the rotational speed at the time of starting the engine alone (corresponding to the thick broken line in FIG. 27) is measured, or the rotation measured at the time of engine starting is measured. Therefore, it is necessary to record the torque current command value when controlling the rotational speed of the dynamo so as to realize the number, or to output the torque current command value recorded at an appropriate timing.
  • An object of the present invention is to provide a dynamometer control device for a dynamometer system that can accurately reproduce a no-load state when a specimen is started.
  • a dynamometer system (for example, a dynamometer system 1 described later) is connected via a specimen (for example, an engine E described later) that generates power and an intermediate coupling body (for example, a shaft S described later).
  • a dynamometer (for example, a dynamometer D described later), a torque detector (for example, a shaft torque sensor 61 described later) for detecting the torsional torque of the intermediate combined body, and a rotational speed detection for detecting the rotational speed of the dynamometer (For example, an encoder 62 described later) and an inverter (for example, an inverter 3 described later) for supplying electric power to the dynamometer.
  • the present invention provides a dynamo control device for a dynamometer system that generates a torque current command to the inverter based on detection signals of the torque detector and the rotation speed detector (for example, dynamo control described later).
  • Devices 6a, 6b, 6c, 6d, 6e, 6f, 6g which are external inputs corresponding to torque generated in the specimen (for example, external input w described later) and control inputs corresponding to the torque current command.
  • a generalized plant for example, a generalization described later that outputs a predetermined observation output (for example, observation outputs y1, y2 described later) and a controlled variable (for example, a controlled variable z described later) from (for example, a control input u described later).
  • a predetermined observation output for example, observation outputs y1, y2 described later
  • a controlled variable for example, a controlled variable z described later
  • H ⁇ control or ⁇ design method so as to reduce the response from the external input to the controlled variable.
  • controller designed by the control system design methods (e.g., controller Gc 1, Gc2 below) including.
  • the generalized plant includes a dynamic characteristic model (for example, a dynamic characteristic model 7 described later) that identifies the characteristics of the dynamometer system so as to output the angular acceleration of the specimen from the external input and the control input.
  • the control amount of the generalized plant is a weight function having an integral characteristic in the difference between the angular acceleration of the single specimen calculated based on the external input and the angular acceleration of the specimen calculated by the dynamic characteristic model. Is a signal multiplied by.
  • the dynamic characteristic model of the generalized plant includes an inverter model (for example, an inverter model P12 described later) that identifies the characteristics of the inverter, the specimen, the intermediate coupling body, and the dynamometer.
  • a machine model for example, machine models P4 to P9 described later
  • a torque detection model for example, torque detection model P10 that is described later
  • a rotation speed detection model for example, a rotation speed detection model P11 described later
  • an output obtained by multiplying the control input by a predetermined proportional gain is used as an input to the inverter model, and an output of an integrator provided at the output terminal of the torque detection model is a first observation output. It is preferable that the output of the proportional gain provided at the output end of the rotation speed detection model is the second observation output.
  • control input is an input to the inverter model, the output of the rotation speed detection model multiplied by a predetermined proportional gain, and the output of an integrator provided at the output terminal of the torque detection model, It is preferable that an output obtained by multiplying the difference by a predetermined proportional gain is a first observation output, and an output of the torque detection model is a second observation output.
  • the difference between the output of the rotation speed detection model multiplied by the predetermined proportional gain and the output of the integrator provided at the output terminal of the torque detection model is obtained by multiplying the predetermined proportional gain. It is preferable that an output obtained by combining the output and the control input is an input to the inverter model, and an output of the torque detection model is an observation output.
  • control input is an input to the inverter model, the output of the rotation speed detection model multiplied by a predetermined proportional gain, and the output of an integrator provided at the output terminal of the torque detection model It is preferable that an output obtained by multiplying the difference by a predetermined proportional gain is an observation output.
  • control input is an input to the inverter model, the output of the rotation speed detection model multiplied by a predetermined proportional gain, and the output of an integrator provided at the output terminal of the torque detection model
  • an output obtained by multiplying the difference by a predetermined proportional gain is used as a first observation output
  • an output of a high-pass filter provided at the output terminal of the torque detection model is used as a second observation output.
  • an output obtained by multiplying the control input by a predetermined proportional gain is used as an input to the inverter model, an output of the torque detection model is used as a first observation output, and a predetermined proportional gain is multiplied.
  • the difference between the output of the rotation speed detection model and the output of the torque detection model is preferably used as the second observation output.
  • a specimen, an intermediate coupling, and a dynamometer are mechanically connected, and a dynamometer system is configured by providing an inverter, a torque detector, and a rotational speed detector.
  • a design method called H ⁇ control or ⁇ design method More specifically, a generalized plant including a dynamic characteristic model that identifies the characteristics of the dynamometer system is defined, and the response from the external input corresponding to the torque generated in the specimen to a predetermined control amount is reduced.
  • a controller is designed for the dynamo controller.
  • the control amount of the generalized plant is the angular acceleration of the single specimen calculated based on the external input (that is, the angle of the specimen when it is assumed that the specimen, the intermediate coupling body, and the dynamometer are separated). Acceleration) and the angular acceleration of the specimen calculated by the dynamic characteristic model.
  • a torque current command is issued so that the inertia of the intermediate combination is compensated by the dynamometer in the system in which the specimen and the dynamometer that generate power are connected by the intermediate combination.
  • a dynamo control device to be generated can be constructed. In other words, a dynamo control device capable of realizing a no-load state as if the intermediate joint is not connected as viewed from the specimen, even though the specimen and the dynamometer are connected by the intermediate joint. Can be built.
  • the intermediate coupling body is composed of various mechanical elements such as a shaft, a clutch, and a transmission, and the rigidity varies depending on the vehicle type.
  • the higher the rigidity of the intermediate coupling body the higher the mechanical resonance point of the system. .
  • the higher the mechanical resonance point the greater the influence of response delays of the torque detector, the rotational speed detector, the inverter, and the like, so that resonance suppression becomes more difficult.
  • the present invention by designing with H ⁇ control or ⁇ design method, it is possible to construct a dynamo control device having a high resonance suppression effect in addition to the inertia compensation effect of the above-described intermediate coupled body.
  • a dynamic characteristic model corresponding to a nominal plant is composed of a mechanical model, an inverter model, a torque detection model, and a rotation speed detection model that identify the characteristics of a three-inertia system, and is close to an actual system.
  • a predetermined proportional gain is provided between the control input and the inverter model, an integrator is provided between the torque detection model and the first observation output, and the rotational speed A proportional gain is provided between the detection model and the second observation output.
  • These integrators and proportional gains are control elements required when performing the inertia compensation control of the intermediate combination as described above.
  • the essential control elements can be separated from the two controllers that are numerically derived by H ⁇ control or ⁇ design method. Evaluation of the derived controller is facilitated.
  • the inertia compensation amount and the control response can be adjusted without changing the characteristics of the two controllers once derived. In other words, it is not necessary to repeatedly perform H ⁇ control and ⁇ design method in order to construct a dynamo control device having desired characteristics.
  • an integrator and two proportional gains are provided between the control input, the torque detection model, the rotation speed detection model, and the inverter model.
  • This makes it possible to separate the essential control elements of the inertia compensation control from the derived controller, as in the invention of (3) above, thereby facilitating the evaluation of the controller and the inertia compensation amount without changing the characteristics of the controller. And control responsiveness can be adjusted.
  • the number of derived controllers can be reduced to one by setting the observation output of the generalized plant to one.
  • the inertia compensation control is mainly required at the time of starting the specimen. However, by setting the number of controllers that perform the inertia compensation control to one, it is possible to change the control mode from the inertia compensation control to another. Press processing becomes easy.
  • an integrator and two proportional gains are provided between the rotational speed detection model and the torque detection model and the second observation output, and the torque detection model and the first observation are further provided.
  • a high pass filter is provided between the output and the output.
  • a proportional gain is provided between the control input and the inverter model, and an integrator and a proportionality are provided between the torque detection model and the rotation speed detection model and the second observation output.
  • Provide gain This makes it possible to separate the essential control elements of the inertia compensation control from the derived controller, as in the invention of (3) above, thereby facilitating the evaluation of the controller and the inertia compensation amount without changing the characteristics of the controller. And control responsiveness can be adjusted.
  • FIG. 3 is a Bode diagram of the controller according to the first embodiment.
  • FIG. 10 is a Bode diagram of controllers Gc1 and Gc2 according to the third embodiment.
  • FIG. 10 is a Bode diagram of controllers Gc1 and Gc2 of Example 6. It is a figure which shows the specific structure of the generalized plant of Example 7. FIG. It is a figure which shows the specific structure of the dynamo control apparatus of Example 7. FIG. FIG. 10 is a Bode diagram of controllers Gc1 and Gc2 of Example 7. It is a figure which shows the structure of the conventional dynamometer system. It is a figure which shows the rotation speed change at the time of engine starting in the case of implement
  • FIG. 1 is a diagram illustrating a configuration of a dynamometer system 1 in which a dynamo control device 6 according to the present embodiment is used.
  • the dynamometer system 1 includes an engine E as a specimen, a dynamometer D connected to the engine E via a substantially rod-shaped shaft S, and an engine control device 5 that controls the engine E via a throttle actuator 2.
  • An inverter 3 for supplying power to the dynamometer D, a dynamometer control device 6 for controlling the dynamometer D via the inverter 3, an axis torque sensor 61 for detecting the torsional torque of the shaft S, and an output shaft of the dynamometer D And an encoder 62 for detecting the rotational speed of the SD.
  • the shaft torque sensor 61 detects a torsion torque acting on a portion of the shaft S extending from the engine E to the dynamometer D closer to the dynamometer D than the engine E from, for example, a distortion amount of the shaft S in the twist direction. A signal substantially proportional to the value is transmitted to the dynamo controller 6.
  • the engine control device 5 controls the output of the engine E in a predetermined manner after starting the engine E at a predetermined timing.
  • the dynamo control device 6 corresponds to a torque value to be generated by the dynamometer D based on detection signals of the shaft torque sensor 61 and the encoder 62 so that the power generated by the engine E is absorbed in a predetermined manner.
  • a torque current command is generated and input to the inverter 3.
  • the dynamo control device 6 defines a generalized plant P that outputs a predetermined control amount z and an observation output y from a predetermined external input w and control input u as shown in FIG. What is configured by mounting a controller K designed by a robust control system design method called H ⁇ control or ⁇ design method so as to reduce the response from the input w to the control amount z to an electronic computer is used. .
  • Generalized plant P is used in the robust control system design method described above, and is composed of a dynamic characteristic model to be controlled and a weight function that defines control specifications.
  • a controller K that achieves a desired control purpose from the generalized plant P by these H ⁇ control and ⁇ design method, for example, written by Liu Yasushi, “Linear Robust Control”, Corona, 2002, edited by Kenzo Nonami, Hidekazu Nishimura, Mitsuo Hirata, “Control System Design with MATLAB”, Tokyo Denki University Press, 1998, etc., so detailed explanation is omitted here. To do.
  • specific configurations of the generalized plant P and the dynamo control device 6 derived thereby will be described as Examples 1 to 7.
  • FIG. 3 is a diagram illustrating a specific configuration of the generalized plant Pa according to the first embodiment.
  • the input signal w indicates an external input and corresponds to the engine torque generated in the engine.
  • the input signal u indicates a control input output from a controller (not shown) and corresponds to a torque current command input to the inverter.
  • the output signal z indicates a control amount and corresponds to a difference value that is desired to be reduced by H ⁇ control or ⁇ design method. The specific contents of this difference value will be described in detail later.
  • Two output signals y1 and y2 indicate first and second observation outputs input to a controller (not shown), and correspond to the detected value of the shaft torque sensor and the detected value of the encoder, respectively.
  • the generalized plant Pa includes a dynamic characteristic model 7 that identifies the characteristics of the dynamometer system 1 shown in FIG. 1 so as to output the angular acceleration of the engine from the external input w and the control input u, and the external input w and the dynamic characteristic model 7.
  • a control amount calculation unit 8 that calculates the control amount z based on the output of.
  • the dynamic characteristic model 7 includes mechanical models P4 to P9 that identify characteristics of a three-inertia system configured by connecting an engine, a shaft, and a dynamometer, and an axial torque detection model that identifies axial torque detection characteristics by an axial torque sensor.
  • P10 a rotational speed detection model P11 that identifies the rotational speed detection characteristic of the dynamometer by the encoder, and P12 that identifies the torque current control characteristic by the inverter.
  • the configuration of the mechanical system of the dynamometer system 1 can be approximated by a three-inertia system model configured by connecting three rigid bodies each having a unique moment of inertia as shown in FIG. 4 with two spring elements.
  • "J1" is equivalent to the moment of inertia of the engine [kgm 2]
  • "J2” corresponds to the moment of inertia of the shaft [kgm 2]
  • "J3" the dynamometer inertia It corresponds to a moment [kgm 2 ].
  • K1” corresponds to the spring stiffness [Nm / rad] between the engine and the shaft
  • K2 corresponds to the spring stiffness [Nm / rad] between the shaft and the dynamometer.
  • the transfer function Gy1 (s) of the shaft torque detection model P10, the transfer function Gy2 (s) of the rotational speed detection model P11, and the transfer function Gu1 (s) of the inverter model P12 are respectively predetermined by system identification. Used.
  • the control amount calculation unit 8 calculates the dynamic characteristic model 7 described above from the angular acceleration of the engine alone (output of the block P1) obtained by multiplying the external input w corresponding to the engine torque by the reciprocal of the moment of inertia J1 of the engine alone.
  • the difference value obtained by subtracting the angular acceleration of the engine (the output of the block P4) calculated by the above is calculated, and the control amount z is calculated by multiplying the difference value by a predetermined weight function G (s).
  • the weight function G (s) for example, one having an integral characteristic is used.
  • the angular acceleration of the engine alone and the angular acceleration of the engine calculated from the dynamic characteristic model and the difference value are set as the control amount z, and the response from the external input w to the control amount z is reduced.
  • FIG. 5 is a diagram illustrating a specific configuration of the dynamo control device 6a according to the first embodiment.
  • this dynamo control device 6a two controllers Gc1 and Gc2 derived from the generalized plant Pa are used.
  • the controller Gc1 is derived corresponding to the first observation output y1
  • the controller Gc2 is derived corresponding to the second observation output y2.
  • FIG. 6 is a Bode diagram of the controllers Gc1 and Gc2 according to the first embodiment.
  • the upper part of FIG. 6 shows gain characteristics, and the lower part shows phase characteristics.
  • an integral characteristic is recognized in the low range of the controller Gc1
  • a proportional characteristic is recognized in the low range of the controller Gc2.
  • These integral characteristics and proportional characteristics are necessary control elements for compensating the shaft inertia with the dynamometer.
  • the gain decreases at a predetermined mechanical resonance point.
  • the shaft inertia compensation effect for compensating the shaft inertia so as to be in a no-load state as seen from the engine, and the resonance suppression for suppressing the mechanical resonance point. It became clear that both the effects were played simultaneously.
  • the response of the shaft inertia compensation control can be generally evaluated by how much the controllers Gc1 and Gc2 have integral characteristics and proportional characteristics.
  • the controllers Gc1 and Gc2 in FIG. 6 can be evaluated as having a response of about 10 Hz.
  • FIG. 7 is a diagram showing changes in the engine speed when the engine is started in the dynamometer system using the dynamo control device of FIG.
  • the measurement result by the system using the dynamo control device of FIG. 6 is shown by a thin solid line.
  • the result of measurement when the engine and the shaft are separated and the engine is actually in a no-load state, that is, an ideal value at the time of shaft inertia compensation is indicated by a thick broken line.
  • the thin solid line and the thick broken line almost coincide.
  • FIG. 8 is a diagram illustrating a specific configuration of the generalized plant Pb of the second embodiment.
  • the configuration different from the generalized plant Pa of Example 1 in FIG. 3 will be described.
  • the same components as those in the generalized plant Pa of the first embodiment are denoted by the same reference numerals, and detailed description thereof is omitted.
  • the integral characteristic and the proportional characteristic appear as a result in the controller derived so as to obtain the shaft inertia compensation effect.
  • a generalized plant Pb in which these control elements are included in advance is used in order to separate the control elements necessary for obtaining the shaft inertia compensation effect from the controller.
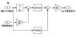
  • an integrator P13 and two gain blocks P14 and P15 are added to the generalized plant Pa of the first embodiment. More specifically, in the second embodiment, the output of the integrator P13 provided at the output end of the torque detection model P10 is defined as the first observation output y1, and the inertia of the shaft provided at the output end of the rotation speed detection model P11 is used. The output of the gain block P14 of the moment J2 is set as the second observation output y2. In the second embodiment, an output obtained by multiplying the control input u by a predetermined proportional gain K, which is a measure of control response, is used as an input to the inverter model P12.
  • FIG. 9 is a diagram illustrating a specific configuration of the dynamo control device 6b according to the second embodiment.
  • two controllers Gc1 (s) and Gc2 (s) derived from the generalized plant Pb are used.
  • the controller Gc1 is derived corresponding to the first observation output y1
  • the controller Gc2 is derived corresponding to the second observation output y2.
  • the characteristics of the integrator and the proportional gain are separated from the derived controllers Gc1 and Gc2.
  • FIG. 10 is a Bode diagram of the controllers Gc1 and Gc2 of the second embodiment.
  • the upper part of FIG. 10 shows gain characteristics, and the lower part shows phase characteristics.
  • controllers Gc1 and Gc2 having a proportional characteristic of the same gain in the low frequency range are derived.
  • both the controllers Gc1 and Gc2 have the same gain in the low band, there is an advantage that the evaluation of responsiveness becomes easier as compared with the case where the generalized plant Pa of the first embodiment is used.
  • the resonance suppression effect is effective to feed back the high-frequency shaft torque signal.
  • the high-frequency shaft torque signal is attenuated by the integrator, and the controller Gc1 Is input.
  • the controller Gc1 of this embodiment the high-frequency gain is increased to compensate for the high-frequency attenuation by the integrator. Therefore, the resonance suppression effect is not impaired as compared with the first embodiment.
  • the characteristic of the inertia compensation amount is included in the controller Gc2 in FIG. 5, and therefore if the inertia compensation amount is changed after the controller is derived once, the H ⁇ control is performed. It is necessary to derive the controller again by using the ⁇ design method.
  • the characteristic of the inertia compensation amount is separated from the controller Gc2 as a gain block J2 of the shaft inertia moment as shown in FIG. Therefore, according to this embodiment, even after the controller is once introduced by the H ⁇ control or ⁇ design method, the gain J2 is adjusted without executing the H ⁇ control or ⁇ design method again.
  • the inertia compensation amount can be easily changed. Further, the gain block K serving as a loop gain is also separated from the controllers Gc1 and Gc2. For this reason, similarly to the inertia compensation amount, the loop gain can be easily changed within a certain range without executing the H ⁇ control and the ⁇ design method again. Although illustration and detailed description are omitted, the same results as in FIG. 7 were obtained even in the dynamometer system using the dynamo control device 6b of the second embodiment.
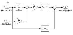
  • FIG. 11 is a diagram illustrating a specific configuration of the generalized plant Pc of the third embodiment.
  • the configuration different from the generalized plant Pa of Example 1 in FIG. 3 will be described.
  • the same components as those in the generalized plant Pa of the first embodiment are denoted by the same reference numerals, and detailed description thereof is omitted.
  • an integrator 13 two gain blocks P14 and P15, and an adder P16 are added to the generalized plant Pa of the first embodiment. More specifically, in the third embodiment, from the output of the gain block P14 of the shaft moment of inertia J2 provided at the output end of the rotation speed detection model P11, the integrator P13 provided at the output end of the torque detection model P10. An output obtained by multiplying the output obtained by subtracting the output by a predetermined proportional gain K that is a measure of control response is defined as a first observation output y1. Further, the output of the torque detection model P10 is set as a second observation output y2.
  • FIG. 12 is a diagram illustrating a specific configuration of the dynamo control device 6c according to the third embodiment.
  • this dynamo control device 6c two controllers Gc1 (s) and Gc2 (s) derived from the generalized plant Pc are used.
  • the controller Gc1 is derived corresponding to the first observation output y1
  • the controller Gc2 is derived corresponding to the second observation output y2.
  • the dynamo control device 6c includes two controllers Gc1 and Gc2 derived from the generalized plant Pc, an integrator necessary for shaft inertia compensation control, and two proportional gains K and J2. Are additionally provided as shown in FIG.
  • FIG. 13 is a Bode diagram of the controllers Gc1 and Gc2 of this embodiment.
  • the upper part of FIG. 14 shows gain characteristics, and the lower part shows phase characteristics.
  • the controller Gc1 receives a signal whose high frequency is attenuated by the integrator, and therefore the high frequency gain of the controller Gc1 increases.
  • the controller Gc1 receives a signal whose high frequency is attenuated by the integrator, and therefore the high frequency gain of the controller Gc1 increases.
  • FIG. 13 is a Bode diagram of the controllers Gc1 and Gc2 of this embodiment.
  • the upper part of FIG. 14 shows gain characteristics, and the lower part shows phase characteristics.
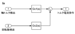
  • FIG. 14 is a diagram illustrating a specific configuration of the generalized plant Pd according to the fourth embodiment.
  • the configuration different from the generalized plant Pa of Example 1 in FIG. 3 will be described.
  • the same components as those in the generalized plant Pa of the first embodiment are denoted by the same reference numerals, and detailed description thereof is omitted.
  • an integrator P13, two gain blocks P14 and P15, and two adders P16 and P17 are added from the generalized plant Pa of the first embodiment. More specifically, in the fourth embodiment, the output of the torque detection model P10 is set as an observation output y1. Further, a control response guideline is obtained by subtracting the output of the integrator P13 provided at the output terminal of the torque detection model P10 from the output of the rotation speed detection model P11 multiplied by the inertia moment J2 of the shaft. An output obtained by multiplying the predetermined proportional gain K and the control input u is used as an input to the inverter model P12.
  • FIG. 15 is a diagram illustrating a specific configuration of the dynamo control device 6d according to the fourth embodiment.
  • the dynamo controller 6d uses a controller Gc1 (s) derived from the generalized plant Pd corresponding to the observation output y1.
  • the dynamo control device 6d includes an integrator necessary for shaft inertia compensation control and two proportional gains K and J2 in addition to the controller Gc1 derived from the generalized plant Pd. As shown in FIG.
  • FIG. 16 is a Bode diagram of the controller Gc1 of this embodiment.
  • the upper part of FIG. 16 shows gain characteristics, and the lower part shows phase characteristics.
  • by including an integrator and a proportional gain in the generalized plant Pd effects similar to those of the second embodiment can be obtained.
  • the observation output of the generalized plant Pd is only y1, only one higher-order controller Gc1 is derived. For this reason, according to the present embodiment, the bumpless process when switching from the shaft inertia compensation control to another control is facilitated.
  • illustration and detailed description are omitted, the same results as in FIG. 7 were obtained even in the dynamometer system using the dynamo control device 6d of Example 4.
  • FIG. 17 is a diagram illustrating a specific configuration of the generalized plant Pe of the fifth embodiment.
  • the generalized plant Pc of the third embodiment in FIG. 11 Only a configuration different from the generalized plant Pc of the third embodiment in FIG. 11 will be described.
  • the same components as those in the generalized plant Pc of the third embodiment are denoted by the same reference numerals, and detailed description thereof is omitted.
  • the output of the torque detection model P10 was set as the observation output y1, but in the generalized plant Pe of this example, this was deleted and only one observation output was provided. That is, in the generalized plant Pe of this embodiment, from the output of the gain block P14 of the inertia moment J2 of the shaft provided at the output end of the rotational speed model P11, the integrator P13 provided at the output end of the torque detection model P10. An output obtained by multiplying the output obtained by subtracting the output by a predetermined proportional gain K, which is a measure of control response, is defined as an observation output y1.
  • FIG. 18 is a diagram illustrating a specific configuration of the dynamo control device 6e according to the fifth embodiment.
  • the dynamo controller 6e uses a controller Gc1 (s) derived from the generalized plant Pe in correspondence with the observation output y1.
  • the dynamo control device 6e includes, in addition to the controller Gc1 derived from the generalized plant Pe, an integrator necessary for shaft inertia compensation control and two proportional gains K and J2 as shown in FIG. As shown in FIG.
  • FIG. 19 is a Bode diagram of the controller Gc1 according to the fifth embodiment.
  • the upper part of FIG. 19 shows gain characteristics, and the lower part shows phase characteristics.
  • effects similar to those of the second embodiment can be obtained.
  • the gain block K serving as the loop gain from the controller Gc1 (see FIG. 18)
  • the loop gain can be easily changed within a certain range without executing the H ⁇ control or the ⁇ design method again.
  • the observation output of the generalized plant Pe is only y1, only one higher-order controller Gc1 is derived.
  • the bumpless process when switching from the shaft inertia compensation control to another control is facilitated.
  • illustration and detailed description are omitted, the same results as in FIG. 7 were obtained even in the dynamometer system using the dynamo control device 6e of Example 5.
  • FIG. 20 is a diagram illustrating a specific configuration of the generalized plant Pf of the sixth embodiment.
  • the generalized plant Pc of the third embodiment in FIG. 11 will be described.
  • the same components as those in the generalized plant Pc of the third embodiment are denoted by the same reference numerals, and detailed description thereof is omitted.
  • a high pass filter P17 is added to the generalized plant Pc of the third embodiment. More specifically, in Example 6, the output of the high-pass filter P17 provided at the output end of the torque detection model P10 is set as the second observation output y2. The first observation output y1 is the same as that in the third embodiment.
  • FIG. 21 is a diagram illustrating a specific configuration of the dynamo control device 6f according to the sixth embodiment.
  • the dynamo control device 6f uses two controllers Gc1 (s) and Gc2 (s) derived from the generalized plant Pf.
  • the controller Gc1 is introduced corresponding to the first observation output y1, and the controller Gc2 is derived corresponding to the second observation output y2.
  • the dynamo control device 6f includes two controllers Gc1 and Gc2 derived from the generalized plant Pf, an integrator necessary for shaft inertia compensation control, and two proportional gains K, J2 and a high-pass filter are additionally provided as shown in FIG.
  • FIG. 22 is a Bode diagram of the controllers Gc1 and Gc2 of this embodiment.
  • the upper part of FIG. 22 shows gain characteristics, and the lower part shows phase characteristics.
  • a high-pass filter is added as compared with the third embodiment.
  • the low frequency characteristic of the controller Gc2 becomes a proportional characteristic, but in this example, the low frequency characteristic of the controller Gc2 becomes an integral characteristic due to the effect of the high-pass filter. .
  • illustration and detailed description are omitted, the same results as in FIG. 7 were obtained even in the dynamometer system using the dynamo control device 6f of Example 3.
  • FIG. 23 is a diagram illustrating a specific configuration of the generalized plant Pg according to the seventh embodiment.
  • the same components as those in the generalized plant Pc of the third embodiment are denoted by the same reference numerals, and detailed description thereof is omitted.
  • FIG. 24 is a diagram illustrating a specific configuration of the dynamo control device 6g according to the seventh embodiment.
  • two controllers Gc1 (s) and Gc2 (s) derived from the generalized plant Pg are used.
  • the controller Gc1 is derived corresponding to the first observation output y1
  • the controller Gc2 is derived corresponding to the second observation output y2.
  • the dynamo control device 6c includes two controllers Gc1 and Gc2 derived from the generalized plant Pg, an integrator necessary for shaft inertia compensation control, and two proportional gains K and J2. Are additionally provided as shown in FIG.
  • FIG. 25 is a Bode diagram of the controllers Gc1 and Gc2 of the seventh embodiment.
  • the upper part of FIG. 25 shows gain characteristics, and the lower part shows phase characteristics.
  • an integrator and a proportional gain in the generalized plant Pg substantially the same effects as those of the second embodiment can be obtained.
  • the gain block K serving as a loop gain from the controllers Gc1 and Gc2 (see FIG. 24)
  • the loop gain can be easily changed within a certain range without executing the H ⁇ control and the ⁇ design method again.

Landscapes

  • Physics & Mathematics (AREA)
  • General Physics & Mathematics (AREA)
  • Chemical & Material Sciences (AREA)
  • Engineering & Computer Science (AREA)
  • Combustion & Propulsion (AREA)
  • Testing Of Engines (AREA)
PCT/JP2014/076691 2013-10-07 2014-10-06 ダイナモメータシステム Ceased WO2015053220A1 (ja)

Priority Applications (2)

Application Number Priority Date Filing Date Title
KR1020167011590A KR101659363B1 (ko) 2013-10-07 2014-10-06 다이나모미터 시스템
US15/027,932 US9739687B2 (en) 2013-10-07 2014-10-06 Dynamometer system

Applications Claiming Priority (2)

Application Number Priority Date Filing Date Title
JP2013210518A JP5800001B2 (ja) 2013-10-07 2013-10-07 ダイナモメータシステム
JP2013-210518 2013-10-07

Publications (1)

Publication Number Publication Date
WO2015053220A1 true WO2015053220A1 (ja) 2015-04-16

Family

ID=52813036

Family Applications (1)

Application Number Title Priority Date Filing Date
PCT/JP2014/076691 Ceased WO2015053220A1 (ja) 2013-10-07 2014-10-06 ダイナモメータシステム

Country Status (4)

Country Link
US (1) US9739687B2 (enExample)
JP (1) JP5800001B2 (enExample)
KR (1) KR101659363B1 (enExample)
WO (1) WO2015053220A1 (enExample)

Families Citing this family (15)

* Cited by examiner, † Cited by third party
Publication number Priority date Publication date Assignee Title
SE538492C2 (sv) * 2014-03-31 2016-08-02 Rototest Int Ab Förfarande och system för användning vid dynamometerprovningav ett motorfordon
JP6044649B2 (ja) * 2015-01-19 2016-12-14 株式会社明電舎 ダイナモメータシステムの制御装置
JP6168126B2 (ja) 2015-11-09 2017-07-26 株式会社明電舎 ダイナモメータシステムのダイナモ制御装置及びそのエンジン始動方法
JP6149948B1 (ja) * 2016-01-07 2017-06-21 株式会社明電舎 供試体特性推定方法及び供試体特性推定装置
JP6217797B1 (ja) * 2016-06-22 2017-10-25 株式会社明電舎 共振抑制制御回路及びこれを用いた試験システム並びに共振抑制制御回路の設計方法
JP6659491B2 (ja) 2016-07-27 2020-03-04 株式会社エー・アンド・デイ エンジン試験装置
JP6659492B2 (ja) 2016-07-27 2020-03-04 株式会社エー・アンド・デイ エンジン試験装置
JP6493578B1 (ja) * 2018-02-08 2019-04-03 株式会社明電舎 試験システムの機械特性推定方法及び機械特性推定装置
JP6645525B2 (ja) * 2018-02-23 2020-02-14 株式会社明電舎 試験システムの制御装置
KR102256390B1 (ko) * 2018-09-07 2021-05-26 메이덴샤 코포레이션 동력계 제어 장치
JP6660038B1 (ja) * 2018-11-05 2020-03-04 株式会社明電舎 軸トルク制御装置
CN109839823B (zh) * 2019-01-15 2020-06-26 中国科学院西安光学精密机械研究所 压电变形镜的异步迟滞补偿-线性二次型h∞控制方法及系统
JP6737363B1 (ja) * 2019-02-28 2020-08-05 株式会社明電舎 動力計制御装置
KR102784179B1 (ko) 2022-04-27 2025-03-19 동의대학교 산학협력단 소형화된 이동식 다이나모 시스템
JP7380762B1 (ja) * 2022-06-27 2023-11-15 株式会社明電舎 試験システム

Citations (4)

* Cited by examiner, † Cited by third party
Publication number Priority date Publication date Assignee Title
JP2003121308A (ja) * 2001-10-11 2003-04-23 Meidensha Corp エンジンベンチシステムおよびエンジン特性の測定方法
JP2003149085A (ja) * 2001-11-08 2003-05-21 Meidensha Corp エンジンベンチシステムおよびエンジン特性の測定方法
JP2008286614A (ja) * 2007-05-17 2008-11-27 Meidensha Corp 電気慣性制御方法
JP2012068200A (ja) * 2010-09-27 2012-04-05 Meidensha Corp 動力計の軸トルク制御装置

Family Cites Families (11)

* Cited by examiner, † Cited by third party
Publication number Priority date Publication date Assignee Title
JPH01173848A (ja) * 1987-12-28 1989-07-10 Toyota Motor Corp 走行抵抗設定装置
JP4766039B2 (ja) 2007-11-30 2011-09-07 株式会社明電舎 エンジンベンチシステムの制御方式
AT10301U3 (de) * 2008-09-01 2009-09-15 Avl List Gmbh Verfahren und regelanordnung zur regelung einer regelstrecke mit sich wiederholendem arbeitszyklus
JP5758659B2 (ja) * 2011-03-17 2015-08-05 トヨタ自動車株式会社 エンジン試験装置及びエンジン試験方法
KR101548293B1 (ko) * 2012-01-13 2015-08-28 메이덴샤 코포레이션 구동 트레인 시험 시스템
JP5605383B2 (ja) * 2012-02-29 2014-10-15 株式会社明電舎 ダイナモメータシステム
JP5304913B2 (ja) * 2012-03-02 2013-10-02 株式会社明電舎 ダイナモメータシステム
JP5344067B1 (ja) * 2012-06-13 2013-11-20 株式会社明電舎 動力計システム
WO2014010409A1 (ja) * 2012-07-09 2014-01-16 株式会社明電舎 ドライブトレインの試験システム
JP5708704B2 (ja) * 2013-05-15 2015-04-30 株式会社明電舎 エンジンベンチシステム
JP5776731B2 (ja) * 2013-06-19 2015-09-09 株式会社明電舎 ドライブトレインの試験システム

Patent Citations (4)

* Cited by examiner, † Cited by third party
Publication number Priority date Publication date Assignee Title
JP2003121308A (ja) * 2001-10-11 2003-04-23 Meidensha Corp エンジンベンチシステムおよびエンジン特性の測定方法
JP2003149085A (ja) * 2001-11-08 2003-05-21 Meidensha Corp エンジンベンチシステムおよびエンジン特性の測定方法
JP2008286614A (ja) * 2007-05-17 2008-11-27 Meidensha Corp 電気慣性制御方法
JP2012068200A (ja) * 2010-09-27 2012-04-05 Meidensha Corp 動力計の軸トルク制御装置

Also Published As

Publication number Publication date
JP5800001B2 (ja) 2015-10-28
KR101659363B1 (ko) 2016-09-26
US9739687B2 (en) 2017-08-22
JP2015075361A (ja) 2015-04-20
US20160252428A1 (en) 2016-09-01
KR20160055961A (ko) 2016-05-18

Similar Documents

Publication Publication Date Title
JP5800001B2 (ja) ダイナモメータシステム
JP6044649B2 (ja) ダイナモメータシステムの制御装置
JP6545560B2 (ja) ハイブリッド車両の能動型振動低減制御装置及びその方法
KR101223669B1 (ko) 엔진 벤치 시스템 제어 시스템
US9242375B2 (en) Control device for power device
JP5136247B2 (ja) エンジンベンチシステムの動力計制御方式
JP5605127B2 (ja) 軸トルク制御装置
JP6007831B2 (ja) 動力系の試験装置
WO2020174814A1 (ja) 動力計制御装置
JP6226021B2 (ja) 試験システムのダイナモメータ制御装置
JP6481792B2 (ja) 動力系の試験装置
JP5989694B2 (ja) 制御装置、制御方法及び制御プログラム
JP6659492B2 (ja) エンジン試験装置
JP2013015386A (ja) エンジンベンチシステムの制御方法
JP2008233075A (ja) 振動試験装置
JP6497408B2 (ja) 電気慣性制御装置
JP5605128B2 (ja) 動力計の軸トルク制御装置
JP2011160574A (ja) 電動機の速度制御装置
JP2014142317A (ja) 動力系の試験装置
JP4019709B2 (ja) エンジンベンチシステム
JP7426319B2 (ja) 制御装置
JP6075252B2 (ja) 能動型振動絶縁装置
JP4946495B2 (ja) 動力計測システムの電気慣性制御装置
WO2023243638A1 (ja) ダイナモメータシステム

Legal Events

Date Code Title Description
121 Ep: the epo has been informed by wipo that ep was designated in this application

Ref document number: 14853036

Country of ref document: EP

Kind code of ref document: A1

NENP Non-entry into the national phase

Ref country code: DE

WWE Wipo information: entry into national phase

Ref document number: 15027932

Country of ref document: US

ENP Entry into the national phase

Ref document number: 20167011590

Country of ref document: KR

Kind code of ref document: A

122 Ep: pct application non-entry in european phase

Ref document number: 14853036

Country of ref document: EP

Kind code of ref document: A1