JP2010055729A - センスアンプ回路及び半導体記憶装置 - Google Patents

センスアンプ回路及び半導体記憶装置 Download PDF

Info

Publication number
JP2010055729A
JP2010055729A JP2008222928A JP2008222928A JP2010055729A JP 2010055729 A JP2010055729 A JP 2010055729A JP 2008222928 A JP2008222928 A JP 2008222928A JP 2008222928 A JP2008222928 A JP 2008222928A JP 2010055729 A JP2010055729 A JP 2010055729A
Authority
JP
Japan
Prior art keywords
mos transistor
sense amplifier
bit line
voltage
sense
Prior art date
Legal status (The legal status is an assumption and is not a legal conclusion. Google has not performed a legal analysis and makes no representation as to the accuracy of the status listed.)
Granted
Application number
JP2008222928A
Other languages
English (en)
Other versions
JP5680819B2 (ja
Inventor
Kazuhiko Kajitani
一彦 梶谷
Current Assignee (The listed assignees may be inaccurate. Google has not performed a legal analysis and makes no representation or warranty as to the accuracy of the list.)
Micron Memory Japan Ltd
Original Assignee
Elpida Memory Inc
Priority date (The priority date is an assumption and is not a legal conclusion. Google has not performed a legal analysis and makes no representation as to the accuracy of the date listed.)
Filing date
Publication date
Application filed by Elpida Memory Inc filed Critical Elpida Memory Inc
Priority to JP2008222928A priority Critical patent/JP5680819B2/ja
Priority to US12/461,858 priority patent/US8068369B2/en
Publication of JP2010055729A publication Critical patent/JP2010055729A/ja
Application granted granted Critical
Publication of JP5680819B2 publication Critical patent/JP5680819B2/ja
Expired - Fee Related legal-status Critical Current
Anticipated expiration legal-status Critical

Links

Images

Classifications

    • GPHYSICS
    • G11INFORMATION STORAGE
    • G11CSTATIC STORES
    • G11C7/00Arrangements for writing information into, or reading information out from, a digital store
    • G11C7/06Sense amplifiers; Associated circuits, e.g. timing or triggering circuits
    • G11C7/067Single-ended amplifiers
    • GPHYSICS
    • G11INFORMATION STORAGE
    • G11CSTATIC STORES
    • G11C11/00Digital stores characterised by the use of particular electric or magnetic storage elements; Storage elements therefor
    • G11C11/21Digital stores characterised by the use of particular electric or magnetic storage elements; Storage elements therefor using electric elements
    • G11C11/34Digital stores characterised by the use of particular electric or magnetic storage elements; Storage elements therefor using electric elements using semiconductor devices
    • G11C11/40Digital stores characterised by the use of particular electric or magnetic storage elements; Storage elements therefor using electric elements using semiconductor devices using transistors
    • G11C11/401Digital stores characterised by the use of particular electric or magnetic storage elements; Storage elements therefor using electric elements using semiconductor devices using transistors forming cells needing refreshing or charge regeneration, i.e. dynamic cells
    • G11C11/4063Auxiliary circuits, e.g. for addressing, decoding, driving, writing, sensing or timing
    • G11C11/407Auxiliary circuits, e.g. for addressing, decoding, driving, writing, sensing or timing for memory cells of the field-effect type
    • G11C11/409Read-write [R-W] circuits 
    • G11C11/4091Sense or sense/refresh amplifiers, or associated sense circuitry, e.g. for coupled bit-line precharging, equalising or isolating
    • GPHYSICS
    • G11INFORMATION STORAGE
    • G11CSTATIC STORES
    • G11C11/00Digital stores characterised by the use of particular electric or magnetic storage elements; Storage elements therefor
    • G11C11/21Digital stores characterised by the use of particular electric or magnetic storage elements; Storage elements therefor using electric elements
    • G11C11/34Digital stores characterised by the use of particular electric or magnetic storage elements; Storage elements therefor using electric elements using semiconductor devices
    • G11C11/40Digital stores characterised by the use of particular electric or magnetic storage elements; Storage elements therefor using electric elements using semiconductor devices using transistors
    • G11C11/401Digital stores characterised by the use of particular electric or magnetic storage elements; Storage elements therefor using electric elements using semiconductor devices using transistors forming cells needing refreshing or charge regeneration, i.e. dynamic cells
    • G11C11/4063Auxiliary circuits, e.g. for addressing, decoding, driving, writing, sensing or timing
    • G11C11/407Auxiliary circuits, e.g. for addressing, decoding, driving, writing, sensing or timing for memory cells of the field-effect type
    • G11C11/409Read-write [R-W] circuits 
    • G11C11/4097Bit-line organisation, e.g. bit-line layout, folded bit lines

Landscapes

  • Engineering & Computer Science (AREA)
  • Microelectronics & Electronic Packaging (AREA)
  • Computer Hardware Design (AREA)
  • Dram (AREA)

Abstract

【課題】低電圧で読み出し動作を行う場合に十分な動作マージンを確保し得るセンスアンプ回路を提供する。
【解決手段】シングルエンド型のセンスアンプ回路は、ゲートに印加される制御電圧Vgに応じてビット線BLに電位Vbを供給するとともにビット線BLとセンスノードNsとの間の接続を制御するMOSトランジスタQ1と、ゲートがセンスノードNsに接続されビット線BLからMOSトランジスタQ1を介して伝送される信号を増幅するMOSトランジスタQ2とを備えて構成される。メモリセルMCの読み出し動作に先立って電位Vbがビット線BLに供給されるとともに、この電位VbがメモリセルMCの読み出し電圧の範囲内において電荷転送モードと電荷分配モードとが切り換わる変化点の近傍で、メモリセルMCのハイ情報とロー情報をそれぞれ読み出した際にセンスノードNsにおける所要の電圧差を確保可能な値に設定される。
【選択図】図2

Description

本発明は、メモリセルから読み出されてビット線を介して伝送される信号を増幅するシングルエンド型のセンスアンプ回路とそれを備えた半導体記憶装置に関するものである。
近年、DRAM等の半導体記憶装置の微細化に伴い、各々のメモリセルの小型化を図るべく、メモリセルを構成するキャパシタの十分な容量を確保することが困難になっている。従来から、メモリセルから読み出した微小な信号電圧を増幅するために適したセンスアンプ回路として、電荷転送型のセンスアンプ回路が知られている。例えば、以下の特許文献1〜4においては、多様な電荷転送型センスアンプの構成が開示されている。
図23は、従来の典型的な電荷転送型のセンスアンプ回路の構成例を示している。図23においては、N型の選択トランジスタQ0及びキャパシタCsからなるメモリセルMCと、2つのN型のMOSトランジスタQg、Qpと、ラッチ型差動アンプ100が示されている。選択トランジスタQ0は、ソースがビット線BLに接続され、ゲートがワード線WLに接続される。キャパシタCsは、選択トランジスタQ0のドレインとグランド電位の間に接続される。MOSトランジスタQgは、ゲートに印加された制御電圧Vgに応じて、ビット線BLとセンスノードNsとの間の接続を制御する。MOSトランジスタQpは、ゲートに印加された制御信号SETに応じて、電源電圧VDDとセンスノードNsとの間の接続を制御する。ラッチ型差動アンプ100は、センスノードNsの信号電圧と、参照電位Vrとをそれぞれ入力し、差動増幅してラッチする。なお、参照電位Vrは、メモリセルMCからハイ情報とロー情報をそれぞれ読み出したときのセンスノードNsにおける各電位の概ね中間電位に設定される。
図23において、ビット線BLにはビット線容量Cbが形成され、センスノードNsには容量Caが形成される。発明者らの検討により、センスアンプ回路において想定される動作モードは、キャパシタの容量Cs、ビット線BLの電位とビット線容量Cb、センスノードNsの電位と容量Ca(図1及びその説明を参照)などのパラメータに依存して定まり、後述の(式1)〜(式3)に従って動作することが見出された。図23に示す従来の電荷転送型のセンスアンプ回路については、前述の動作モードのうち、電荷転送モードが支配的になることが確認されている。
特開2000−195268号公報 特開2002−157885号公報 特開平11−16384号公報 特開2007−73121号公報
しかしながら、図23の電荷転送型のセンスアンプ回路を用いる場合は、比較的回路規模が大きいラッチ型差動アンプ100を採用しているため、センスノードNsの容量Caの増大が避けられない。例えば、1本のビット線BLに512個のメモリセルMCを設ける構成において、ビット線容量Cb=50fF程度に対し、センスノードNsの容量Ca=10fF程度になることが想定される。そして、かかる条件に基づき発明者らが検討を行った結果、電源電圧VDDが比較的高い場合(例えば、3Vや2V)、センスアンプ回路の増幅動作に支障はないものの、特に電源電圧VDDの低電圧化を図って、例えばVDD=1Vで動作させる場合、増幅動作に支障を来たすことが判明した(図5及び図6とその説明参照)。このような条件下では、メモリセルMCのハイ情報とロー情報をそれぞれ読み出したときにセンスノードNsにおける電圧差が小さくなり、動作マージンが十分確保できなくなる。また、このような傾向は、メモリセルMCを小型化して容量が小さいキャパシタCsを用いる場合には、一層顕著になることがわかった。以上のように、従来の電荷転送型センスアンプ回路は、低容量のメモリセルMCを用いて低電圧動作を図る構成に対して適用することが困難であるという問題がある。
そこで、本発明はこれらの問題を解決するためになされたものであり、キャパシタの容量が小さいメモリセルを採用した半導体記憶装置において低電圧動作を図る場合、電荷転送モードと電荷分配モードの増幅動作を適切に制御することにより、読み出し動作時に十分な動作マージンを確保することが可能なセンスアンプ回路を提供することを目的とする。
上記課題を解決するために、本発明のセンスアンプ回路は、メモリセルから読み出されてビット線を伝送される信号を増幅するシングルエンド型のセンスアンプ回路であって、ゲートに印加される制御電圧に応じて、前記ビット線に対して所定電位を供給するとともに、前記ビット線とセンスノードとの間の接続を制御する第1のMOSトランジスタと、ゲートが前記センスノードに接続され、前記ビット線から前記第1のMOSトランジスタを介して伝送される信号を増幅する第2のMOSトランジスタとを備えて構成され、前記メモリセルの読み出し動作に先立って前記所定電位が前記ビット線に供給されるとともに、当該所定電位は、前記メモリセルの読み出し電圧の範囲内において電荷転送モードと電荷分配モードとが切り換わる変化点の近傍で、前記メモリセルのハイ情報とロー情報をそれぞれ読み出した際に前記センスノードにおける所要の電圧差を確保可能な値に設定されることを特徴とする。
本発明のセンスアンプ回路によれば、メモリセルの読み出し動作に際し、第1のMOSトランジスタが制御電圧に応じた所定電位をビット線に供給した状態で、第1のMOSトランジスタが電荷転送ゲートとして機能し、電荷転送モードあるいは電荷分配モードに基づき、センスノードに接続される第2のMOSトランジスタによって信号電圧が増幅される。このとき、メモリセルのハイ情報とロー情報を読み出す場合、両者の電圧差が十分確保されるように電位関係が設定されるとともに、シングルエンド型を採用したためにセンスノードの容量を小さくできるので、低容量のメモリセルを採用した場合であっても、特に低電圧動作時の動作マージンの向上に有効な構成を実現することができる。
本発明のセンスアンプ回路は、特に階層化されたメモリセルアレイに適用する場合に有効である。すなわち、所定数のローカルビット線がローカルセンスアンプを介してグローバルビット線と選択的に接続される構成において、差動構成を採用することなくシングルエンド型のローカルセンスアンプを用いて回路規模の小型化を図りつつ、センスアンプ回路の動作マージンを十分に確保することができる。
また、本発明のセンスアンプ回路は、特に、第1のMOSトランジスタ又は第2のMOSトランジスタの閾値電圧の変動が補償された補償電圧を発生する補償電圧発生回路と組み合わせて用いることが有効である。このような補償電圧をセンスアンプ回路に供給することにより、上述の動作マージンをより一層向上させることが可能となる。
以上述べたように本発明によれば、シングルエンド型のセンスアンプを採用し、電荷転送モードと電荷分配モードに基いて増幅動作を制御する場合、センスノードの容量を小さく設定できるので、1V程度の低電圧動作における動作マージンを十分に確保することができる。特に、5fF以下のように小さい容量のメモリセルを用いる場合に有利な構成を実現できる。
また、ビット線構成とセンスアンプ回路が階層化された半導体記憶装置において、特にローカルビット線の容量を小さく設定できるので、大容量の半導体記憶装置において良好な動作マージンを実現可能となる。
さらに、補償電圧発生回路を用いることで、MOSトランジスタの閾値電圧の製造プロセスや温度による変動を適切に補償することができ、センス時の動作マージンを一層向上させ、センスアンプ回路の動作の信頼性を高めることができる。あるいは、チップ内のばらつき許容範囲を拡大することができるので、小さい容量のメモリセルを用いる大容量のDRAMに多数のセンスアンプ回路を組み込む場合、製造歩留まりの向上と製造コストの低減が可能となる。
本発明の実施形態について図面を参照しながら説明する。以下では、センスアンプ回路を備えた半導体記憶装置に対して本発明を適用した3つの実施形態について説明する。
[基本原理]
まず、本実施形態のセンスアンプ回路に関し、基本的な動作原理について図1を参照して説明する。以下では、センスアンプ回路の動作モードとして、主に電荷転送モード(チャージトランスファモード)と電荷分配モード(チャージシェアモード)を想定する。図1は、電荷転送モード及び電荷分配モードで動作するセンスアンプ回路の入力側の構成を模式的に示す図である。図1においては、N型の選択トランジスタQ0及びキャパシタCsからなるメモリセルMCと、2つのN型のMOSトランジスタQg、Qpからなるセンスアンプ回路が示されている。
選択トランジスタQ0は、ソースがビット線BLに接続され、ゲートがワード線WLに接続される。また、選択トランジスタQ0のドレインとグランド電位の間にキャパシタCsが接続される。電荷転送ゲートとして機能するMOSトランジスタQgは、ビット線BLとセンスノードNsとの間に接続されている。ビット線電位供給用のMOSトランジスタQpは、電源電圧VDDとセンスノードNsとの間に接続されている。MOSトランジスタQgのゲートには制御電圧Vgが印加され、MOSトランジスタQpのゲートには制御信号SETが印加されている。図1には、ビット線BLに形成されるビット線容量Cbと、センスノードNsに形成される容量Caと、ビット線BLの電位Vbと、センスノードNsの電位Vaをそれぞれ示している。このうち、ビット線容量Cb及びセンスノードNsの容量Caは、配線の寄生容量、トランジスタ等の入力容量、メモリセルMCの接続数などに依存して定まる。
メモリセルMCの読み出し動作に先立って、ビット線電位供給用のMOSトランジスタQpの動作により、センスノードNsが電源電圧VDDに設定される。このとき、ビット線BLは、MOSトランジスタQgを介して、制御電圧VgとMOSトランジスタQgの閾値電圧Vt1に基づき、Vb=Vg−Vt1となる電位Vb(本発明の所定電位)が供給される。
その後、MOSトランジスタQpがオフし、続いてワード線WLが駆動されて選択トランジスタQ0がオンする。これにより、センスアンプ回路によるセンス動作が開始される。このときのメモリセルMCの電荷蓄積ノードN0の電圧をVsとすると、Vs、Vb、VDDの各値の関係に応じて、次の3つの動作に分けることができる。
(1)MOSトランジスタQgがオフを保持
(2)MOSトランジスタQgを通して上述の電荷転送モードで電荷が移動
(3)MOSトランジスタQgを通して上述の電荷分配モードで電荷が移動
ここで、上記の動作(2)と動作(3)の境界(変化点)となる電位VbをVcと定義する。この電圧Vcを用いると、上記動作を完了した後のセンスノードNsの電位Vaは、動作(1)、(2)、(3)に対応して、それぞれ以下の(式1)、(式2)、(式3)のように表現される。
(式1)Vb≦Vs : Va=VDD
(式2)Vs<Vb≦Vc : Va=VDD+(Cs/Ca)Vs
−(Cs/Ca)Vb
(式3)Vc<Vb : Va=(CsVs+CaVDD)/(Cs+Cb+Ca)
+(Cb/(Cs+Cb+Ca))Vb
ただし、電圧Vcは次式で算出される。
Vc=((Cs+Cb)CaVDD)+(Cs+Cb)CsVs)
/(Cs(Cs+Cb+Ca)+CbCa)
例えば、図23に示す従来のセンスアンプは、主に上記式(2)の電荷転送モードにより動作させるものであるが(電荷転送型センスアンプ)、本実施形態のセンスアンプ回路は、電荷転送モードと電荷分配モードとを制御しつつ動作させることが特徴である。
[第1実施形態]
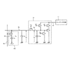
以下、本発明の第1実施形態について説明する。第1実施形態では、電荷転送・電荷分配制御型のシングルエンドセンスアンプ回路を採用した点が特徴である。図2は、第1実施形態のDRAMのうちセンス系の回路構成の一例を示す図であり、メモリセルMCと、上述のセンスアンプ回路の基本動作を担うプリアンプ10(本発明の第1のセンスアンプ)と、プリアンプ10の後段のセンスラッチ回路11(本発明の第2のセンスアンプ)が示されている。
メモリセルMCは、NMOS型の選択トランジスタQ0と、情報を電荷として保持するキャパシタCsとから構成される1T1C型のDRAMメモリセルである。選択トランジスタQ0は、ソースがビット線BLに接続され、ゲートがワード線WLに接続されている。キャパシタCsは、選択トランジスタQ0のドレインとセルプレート電位VPLTとの間に接続されている。図2では、1つのメモリセルMCを示しているが、実際には複数のワード線WLと複数のビット線BLの各交点に配置された多数のメモリセルMCが設けられている。第1実施形態では、例えば、1本のビット線BLに512個のメモリセルMCが接続されることを想定する。この場合、1本のビット線BLに形成されるビット線容量Cbは、全体として例えば50fFとなる。
プリアンプ10は、5つのN型のMOSトランジスタQ1、Q2、Q3、Q4、Q5から構成されている。電荷転送ゲートとして機能するMOSトランジスタQ1(本発明の第1のMOSトランジスタ)は、ビット線BLとプリアンプ10側のセンスノードNsの間に接続され、ゲートに制御電圧Vgが印加されている。増幅素子として機能するMOSトランジスタQ2(本発明の第2のMOSトランジスタ)は、ゲートがセンスノードNsに接続され、ビット線BLからMOSトランジスタQ1を介して伝送された信号をセンス・増幅してドレイン電流に変換する。このドレイン電流は、プリアンプ10の側の入出力ノードN1からMOSトランジスタQ4、Q2を通ってグランドに流れる。
ビット線BLのプリチャージ用トランジスタとして機能するMOSトランジスタQ3は、ゲートにプリチャージ信号PCが印加され、プリチャージ信号PCがハイのときにセンスノードNsをグランド電位にプリチャージする。センスノードNsがプリチャージされると、MOSトランジスタQ1を介してビット線BLがグランド電位にプリチャージされる。読み出し制御用のMOSトランジスタQ4は、ゲートに印加される制御信号RTに応じて、入出力ノードN1とMOSトランジスタQ2との間の接続を制御する。書き込み制御用のMOSトランジスタQ5は、ゲートに印加される制御信号WTに応じて、入出力ノードN1とセンスノードNsとの間の接続を制御する。
図2においては、プリアンプ10がMOSトランジスタ5個からなるシンプルな構成であるため、プリアンプ10内のセンスノードNsに形成される容量Caは、例えば、1〜2fF程度の値になり、上述のビット線容量Cbに比べて格段に小さい値になる。
図3は、プリアンプ10の後段のセンスラッチ回路11の回路構成の一例を示している。図3に示すように、センスラッチ回路11には、入出力ノードN1、読み出し信号線/RDL、書き込み信号線/WDLが接続され、3個のP型のMOSトランジスタQ10、Q13、Q15と8個のN型のMOSトランジスタQ11、Q12、Q14、Q16〜Q20を含んで構成される。電源電圧VDDと入出力ノードN1との間には、プリチャージ用のMOSトランジスタQ10が接続されている。MOSトランジスタQ10は、ゲートに印加される反転プリチャージ信号/PCがローのときに入出力ノードN1を電源電圧VDDにプリチャージする。MOSトランジスタQ11は、ゲートに印加されるラッチ制御信号LTCに応じて、入出力ノードN1とノードN2との間の接続を制御する。また、MOSトランジスタQ12は、ゲートに印加される制御信号RESに応じて、入出力ノードN1とノードN3との間の接続を制御する。
信号電圧判定ラッチ11aは、MOSトランジスタQ13、Q14、Q15、Q16から構成され、プリアンプ10から入出力ノードN1に伝送された信号電位を2値で判定してラッチする。信号電圧判定ラッチ11aにおいて、それぞれゲートがノードN2に接続される一対のMOSトランジスタQ13、Q14により、比較的駆動力の大きなセンス用インバータが構成される。同様に、それぞれゲートがノードN3に接続される一対のMOSトランジスタQ15、Q16により、比較的駆動力の小さなラッチ用インバータが構成される。
読み出し信号線/RDLとグランドの間には、読み出し回路としての2つのMOSトランジスタQ17、Q18が直列接続され、信号電圧判定ラッチ11aの出力信号SD(ノードN3)がMOSトランジスタQ17のゲートに入力される。書き込み信号線/WDLとノードN2の間には、書き込み回路としての2つのMOSトランジスタQ19、Q20が直列接続され、MOSトランジスタQ19のゲートに書き込みイネーブル信号WEが入力される。MOSトランジスタQ18、Q20の各ゲートには、センスアンプ選択信号YSが共通に入力される。
読み出し動作時は、ラッチ制御信号LTCがハイ、かつセンスアンプ選択信号YSがハイになり、センス用インバータの出力信号SDが読み出し信号線/RDLに出力される。このとき、ノードN3に現れる出力信号SDは、入出力ノードN1の論理値を反転した電圧となっている。また、読み出し動作後のメモリセルMCのデータの破壊を回避するための再書き込み動作時は、ラッチ制御信号LTCがロー、制御信号RESがハイとなり、出力信号SDはMOSトランジスタQ12を介して入出力ノードN1に出力される。
一方、書き込み動作時は、センスアンプ選択信号YSがハイ、書き込みイネーブル信号WEがハイになり、書き込み信号線/WDLから書き込みデータが入力される。この書き込みデータは、上述のセンス用インバータにより反転され、MOSトランジスタQ12を介して入出力ノードN1に出力される。
次に、第1実施形態のセンスアンプ回路の増幅動作について、図4を用いて説明する。図4は、第1実施形態のセンスアンプ回路の増幅動作を説明するために、2通りの容量の条件に対応する2つのグラフを示している。各グラフにおいて電源電圧VDD=1Vを想定し、特性W1(H)はメモリセルMCからハイ情報を読み出すときの特性であり(Vs=1V)、特性W1(L)は、メモリセルMCからロー情報を読み出すときの特性である(Vs=0V)。なお、電圧Vsは、キャパシタCsの電荷蓄積ノードN0の電圧である。また、ビット線容量Cbと、メモリセルMCのキャパシタCsの容量(以下、単に容量Csと呼ぶ)と、センスノードNsの容量Caに関し、図4(a)では、Cb=50fF、Cs=5fF、Ca=2fFに設定され、図4(b)では、Cb=50fF、Cs=2fF、Ca=1fFに設定されるとする。
図4において、ハイ情報の読み出し時の特性W1(H)は、電源電圧VDDが1Vであるため、上述の(式1)に従って、電位Vbの変化に対して電位Vaが1Vに保たれる。一方、ロー情報の読み出し時の特性W1(L)は、変化点P1までの領域(P1の左側)では上述の(式2)に従って電荷転送モードで動作し、変化点P1を過ぎた領域(P1の右側)では上述の(式3)に従って電荷分配モードで動作する。各グラフにおいて、特性W1(H)と特性W1(L)との電圧差により信号電圧の読み出し可能な範囲が定まる。
図4には、プリアンプ10における閾値電圧のばらつき許容範囲Rvt1の設定例を重ねて示している。ばらつき許容範囲Rvt1の縦軸方向の幅は、MOSトランジスタQ2の閾値電圧Vt2のばらつき許容範囲を表し、ばらつき許容範囲Rvt1の横軸方向の幅は、MOSトランジスタQ1の閾値電圧Vt1のばらつき許容範囲を表している。なお、電位Vbは、MOSトランジスタQ1の一定の制御電圧Vgから、MOSトランジスタQ1の閾値電圧Vt1だけ低い電圧に設定される。図4の例では、MOSトランジスタQ2の閾値電圧Vt2のばらつき許容範囲が0.5〜0.8V、MOSトランジスタQ1の閾値電圧Vt1のばらつき許容範囲が0.2〜0.5Vにある。このように、ばらつき許容範囲Rvt1が全体的に特性W1(H)、W1(L)に囲まれた範囲内に存在することが、プリアンプ10による安定な増幅動作の条件となる。この場合、特性W1(H)、W1(L)に囲まれた範囲内でばらつき許容範囲Rvt1が大きいほど、動作マージンが大きくなり増幅動作の信頼性が向上する。
ここで、図4に対する比較例として、従来のセンスアンプ回路(図23)の増幅動作に対応する2通りのグラフを図5及び図6に示す。図5及び図6の各々においては、電源電圧VDDの3Vまでの動作を想定し、VDD=3V、2V、1Vの場合の3通りについて、それぞれハイ情報とロー情報を読み出す場合の特性を示している。また、図5では、図4(a)に対応してCs=5fFに設定され、図6では、図4(b)に対応してCs=2fFに設定されるとする。図5及び図6においては、ともにCb=50fF、Ca=10fFに設定されるとする。図5においては、特性W、変化点P、横軸方向及び縦軸方向の各許容範囲X、Yのそれぞれに対し、カッコ書きにてVDDの値(3、2、1)とハイ情報(H)/ロー情報(L)を付加して表している。図6においても、特性W’、変化点P’、横軸方向及び縦軸方向の各許容範囲X’、Y’のそれぞれに対し、同様に表している。ここでX及びX’は電位Vbの設定値の許容範囲を、Y及びY’は許容範囲X及びX’におけるハイ情報とロー情報の読み出し信号電圧の差を示している。
従来のセンスアンプ回路では、電源電圧VDD=3V、2Vの場合、変化点P、P’の位置が右側にシフトしており、電荷転送モードが支配的であることがわかる。この場合、Cs=5fFの図5に比べ、メモリセルMCを低容量化したCs=2fFの図6は、読み出し電圧の信号差が小さくなっている。また、図5及び図6から明らかなように、VDD=1Vの条件では、上述の許容範囲X、Yを確保することが困難であり、かかる低電圧動作で従来のセンスアンプ回路を用いることは困難である。このように、特にVDD=1Vの低電圧動作の条件下で、上述の図4の場合において、図5及び図6の動作と比べたときに動作マージンが大幅に向上する点で顕著な相違がある。これは、主にシングルエンド型のプリアンプ10を採用したことにより、センスノードNsの容量Caを減少することによる効果である。なお、図4(a)においては、図5におけるVDD=1Vのときの特性W(1L)を破線で示すとともに、図4(b)においては、図6におけるVDD=1Vのときの特性W’(1L)を破線で示し、それぞれを比較している。
[第2実施形態]
次に、本発明の第2実施形態について説明する。第2実施形態は、階層化されたメモリセルアレイが構成され、ビット線とセンスアンプ回路がともに階層化されたDRAMに対し、電荷転送・電荷分配制御型のシングルエンドセンスアンプを適用したものである。図7は、第2実施形態のDRAMのうちセンス系の回路構成の一例を示す図であり、メモリセルMCと、階層化されたビット線としてのローカルビット線LBL及びグローバルビット線GBLと、階層化されたセンスアンプ回路としてのローカルセンスアンプ20及びグローバルセンスアンプ21とが示されている。メモリセルMCが接続されたローカルビット線LBLは、ローカルセンスアンプ20を介して選択的にグローバルビット線GBLに接続され、さらに対応するグローバルセンスアンプ21に伝送される。また、図7では一部のみが図示されるが、第2実施形態においては、各々のローカルセンスアンプ20を両側のローカルビット線LBLが共有するとともに、各々のグローバルセンスアンプ21を両側のグローバルビット線GBLが共有する構成が採用される。これにより、ローカルセンスアンプ20とグローバルセンスアンプ21の個数を減らしてチップ面積の削減が可能となる。
メモリセルMCの構造は、第1実施形態の図2と同様である。第2実施形態においては、1本のローカルビット線LBLに、例えば、32個のメモリセルMCが接続されるものとする。この場合、ローカルビット線LBLに形成されるビット線容量Cbは、例えば、Cb=3fFとなる。また、1つのローカルセンスアンプ20は2本のローカルビット線LBLに共有されるので、64個のメモリセルMCが接続されることになる。ローカルセンスアンプ20の回路構成のうち、MOSトランジスタQ1〜Q5を含む部分は第1実施形態のプリアンプ10と共通する。一方、ローカルセンスアンプ20においては、一方のローカルビット線LBLの電荷転送ゲートとして機能するMOSトランジスタQ1に加えて、他方のローカルビット線LBL(ノードN10)の電荷転送ゲートとして機能するMOSトランジスタQ6が付加されている。図7の左側のMOSトランジスタQ1のゲートには制御信号CTLが印加され、図7の右側のMOSトランジスタQ6のゲートには制御信号CTRが印加されている。
また、1本のグローバルビット線GBLには、例えば、8個のローカルセンスアンプ20が接続されものとする。この場合、1本のグローバルビット線GBLには、合計で512個のメモリセルMCを選択的に接続可能となる。各々のグローバルビット線GBLには、寄生容量Cgbが形成されている。グローバルセンスアンプ21の両側には、一方のグローバルビット線GBLとの間の接続を制御するMOSトランジスタQ7と、他方のグローバルビット線GBLとの間の接続を制御するMOSトランジスタQ8が設けられている。そして、MOSトランジスタQ7のゲートに印加される制御信号SHLと、MOSトランジスタQ8のゲートに印加される制御信号SHRにより、両側のグローバルビット線GBLとグローバルセンスアンプ21を選択的に接続することができる。
図8は、グローバルセンスアンプ21の回路構成の一例を示している。図8に示すように、グローバルセンスアンプ21は第1実施形態のセンスラッチ回路11(図3)と概ね同様の回路構成を有するので、説明を省略する。ただし、図3の入出力ノードN1に対応する図8のノードN12は、グローバルセンスアンプ21を挟んだ両側の上記2つのMOSトランジスタQ7、Q8に接続されている点で相違がある。
図9は、第2実施形態のセンスアンプ回路の増幅動作を説明するための2つのグラフを示している。図9に示す2つのグラフは、第1実施形態の図4と同様に電位Va、Vbの関係について2通りの容量の条件に対応する。特性W2(H)はメモリセルMCからハイ情報を読み出すときの特性であり(Vs=1V)、特性W2(L)は、メモリセルMCからロー情報を読み出すときの特性である(Vs=0V)。また、ビット線容量Cbと、メモリセルMCの容量Csと、センスノードNsの容量Caに関し、図9(a)では、Cb=3fF、Cs=5fF、Ca=2fFに設定され、図9(b)は、Cb=3fF、Cs=2fF、Ca=1fFに設定されるとする。その他の条件については、図4の場合と同様である。
図9には、図4と同様、閾値電圧のばらつき許容範囲Rvt2の設定例を重ねて示している。図9のグラフを、図4のグラフと比較すると、特性W2(H)、W2(L)で囲まれた範囲内で、ばらつき許容範囲Rvt2を大きく設定できることがわかる。すなわち、ローカルセンスアンプ20の動作マージンが増加することを意味する。これはビット線構成が階層化された結果、ローカルビット線LBLのビット線容量Cbが減少したことの効果である。また、上述したように、しきい値電圧Vt1を有するMOSトランジスタQ1を介して、ローカルビット線LBLが電位Vb=Vg−Vt1に駆動されるが、その動作に要する時間がビット線容量Cbの減少に伴って短縮されるため、高速な読み出し動作が可能となる効果もある。
次に、第2実施形態のDRAMにおける読み出し動作について図10及び図11を参照して説明する。図10は、メモリセルMCからハイ情報を読み出す場合の動作波形を示す図であり、図11は、メモリセルMCからロー情報を読み出す場合の動作波形を示す図である。図10及び図11の上部に示すように、全体動作を6つの期間(T1〜T6)に細分化して示している。
図10に示すように、ハイ情報の読み出し動作では、プリチャージ解除期間T1の前の時点でローカルビット線LBL及びセンスノードNsはグランド電位VSS(0V)にプリチャージされており、グローバルビット線GBLは電源電圧VDDにプリチャージされている。このとき、プリチャージ信号PC、制御信号SHR、CTL、CTR、ラッチ制御信号LTCはそれぞれハイ、反転プリチャージ信号/PC、制御信号WT、RT、RESはそれぞれローになっている。
プリチャージ解除期間T1において、プリチャージ信号PCがローに制御されてMOSトランジスタQ3がオフし、ローカルビット線LBL及びセンスノードNsはグランド電位VSSにプリチャージされた状態でフローティングとなる。また制御信号SHR、CTRがともにローに制御され、非選択側のグローバルビット線GBLがグローバルセンスアンプ21から切り離されるとともに、非選択側のローカルビット線LBLがローカルセンスアンプ20から切り離される。ここで、制御信号CTLの電圧値は、上記の制御電圧Vgに設定される。なお、非選択側のローカルセンスアンプ20については、プリチャージ信号PC、制御信号CTL、CTRがハイ、制御信号RT、WTがローに制御された状態に保たれる。
ローカルビット線電位設定期間T2において、制御信号WTが正電圧VPPに制御され、その状態を一定期間保持する。正電圧VPPとなった制御信号WTによってMOSトランジスタQ5がオンし、ローカルセンスアンプ20内のセンスノードNsがグローバルビット線GBLを通して電源電圧VDDに駆動される。その結果、ローカルビット線LBLは、MOSトランジスタQ1を通して電圧Vg−Vt1に駆動される。その後、反転プリチャージ信号/PCがハイに制御され、グローバルビット線GBLが電源電圧VDDにプリチャージされた状態で保持される。
セル選択期間T3において、ワード線WLが負電圧VKKから正電圧VPPに駆動され、これによりハイ情報を保持するメモリセルMCの信号電圧がローカルビット線LBLに読み出される。このとき、ローカルビット線LBLの電位Vbは、電圧Vg−Vt1より高くなるので、MOSトランジスタQ1がオフの状態を保つ。よって、センスノードNsは電源電圧VDDの状態を保ち続ける。
センス期間T4において、制御信号RTがハイに制御され、その状態を一定期間保持する。このとき、センスノードNsがMOSトランジスタQ2の閾値電圧Vt2のばらつき許容範囲Rvtの上限より高い電位にあるため、MOSトランジスタQ2には大きなドレイン電流が流れる。従って、グローバルビット線GBLの寄生容量Cgbに充電された電荷がMOSトランジスタQ2により短時間で引き抜かれることになり、グローバルビット線GBLが急速に放電されて、その電位が電源電圧VDDからグランド電位VSSに変化する。センス期間T4の終了時点で、グローバルビット線GBLの電位がグランド電位VSSとなり、その電位がグローバルセンスアンプ21の信号電圧判定ラッチ21aで反転され、出力信号SDが電源電圧VDDに変化する。その後、ラッチ制御信号LTCがローに制御され、センス期間T4が終了する。
なお、MOSトランジスタQ2の閾値電圧Vt2のばらつき許容範囲は、トランジスタ形成時の寸法の微細なばらつきやゲート絶縁膜厚のばらつき、あるいはチャネル不純物分布のランダムなゆらぎや温度などに依存して、全体的なばらつきが分布する範囲に依存して定まる。
続いてリストア期間T5において、制御信号RESが正電圧VPPに制御され、グローバルセンスアンプ21の出力信号SDがMOSトランジスタQ12を介してグローバルビット線GBLに出力され、グローバルビット線GBLの電位が電源電圧VDDに変化する。次いで制御信号WTが再び正電圧VPPに制御され、グローバルビット線GBLがMOSトランジスタQ5を介してセンスノードNsに接続される。そして、ほぼ同じタイミングで、制御電圧Vgを保持する制御信号CTLが正電圧VPPに制御され、ローカルビット線LBLがMOSトランジスタQ1を介してセンスノードNsに接続される。これにより、メモリセルMCにハイ情報が再書き込みされる。
プリチャージ期間T6において、ワード線WLが負電圧VKKに戻される。続いて、制御信号WT、RESがローに制御され、ラッチ制御信号LTCがハイに制御される。続いて、プリチャージ信号PCがハイ、かつ反転プリチャージ信号/PCがローにそれぞれ制御され、ローカルビット線LBLとセンスノードNsがともにグランド電位VSSにプリチャージされるとともに、グローバルビット線GBLが電源電圧VDDにプリチャージされる。これにより、信号電圧判定ラッチ21aの出力信号SDがローに変化する。最後に、制御信号SHR、CTRがそれぞれ正電圧VPPに制御され、読み出し動作が完了する。
次に図11に示すように、ロー情報の読み出し動作において、ローカルビット線電位設定間T2までの動作は図10と同様となるので、説明を省略する。続くセル選択期間T3において、ワード線WLが負電圧VKKから正電圧VPPに駆動され、ロー情報を保持するメモリセルMCから信号電圧がローカルビット線LBLに読み出さる。このとき、ローカルビット線LBLの電位Vbは、電圧Vg−Vt1より低くなるので、MOSトランジスタQ1がオンする。その結果、電荷転送モード又は電荷分配モードにより、センスノードNsの容量Caの電荷がMOSトランジスタQ1を介してローカルビット線LBLの側に移動するので、これによりセンスノードNsの電位Vaが低下する。
センス期間T4において、制御信号RTがハイに制御され、その状態を一定期間保持する。このとき、センスノードNsがMOSトランジスタQ2の閾値電圧Vt2のばらつき許容範囲Rvtの下限より低い電位にあるため、MOSトランジスタQ2にはドレイン電流が流れない。よって、グローバルビット線GBLの電位は電源電圧VDDを保持する。センス期間T4の終了時点でグローバルビット線GBLの電位が電源電圧VDDとなり、その電位がグローバルセンスアンプ21の信号電圧判定ラッチ21aで反転され、出力信号SDがグランド電位VSSを保つ。その後、ラッチ制御信号LTCがローに制御され、センス期間T4が終了する。
リストア期間T5において、制御信号RESが正電圧VPPに制御され、グローバルセンスアンプ21の出力信号SDがMOSトランジスタQ12を介してグローバルビット線GBLに出力され、グローバルビット線GBLの電位がグランド電位VSSに変化する。次いで制御信号WTが再び正電圧VPPに制御され、グローバルビット線GBLがMOSトランジスタQ5を介してセンスノードNsに接続される。そして、ほぼ同じタイミングで、制御電圧Vgを保持する制御信号CTLが正電圧VPPに制御され、ローカルビット線LBLがMOSトランジスタQ1を介してセンスノードNsに接続される。これにより、メモリセルMCにロー情報が再書き込みされる。
プリチャージ期間T6において、ワード線WL、制御信号WT、RES、ラッチ制御信号LTC、プリチャージ信号PC、反転プリチャージ信号/PCについては、図10と同様に制御される。このとき、ローカルビット線LBL及びセンスノードNsとグローバルビット線GBLがそれぞれプリチャージされて初期の状態に戻る。最後に、制御信号SHR、CTRがそれぞれ正電圧VPPに制御され、読み出し動作が完了する。
なお、図10及び図11に示す動作波形は、第2実施形態の読み出し動作に対して適用されるが、第1実施形態に対しても、概ね同様の動作波形を適用することができる。この場合、ローカルビット線LBLをビット線BLに置き換え、グローバルビット線GBLを入出力ノードN1に置き換え、制御信号CTLを制御電圧Vgに置き換えるとともに、制御信号CTR、SHRを無視すればよい。
次に、第2実施形態の変形例について説明する。図12は、第2実施形態の変形例として、ローカルセンスアンプ20の一部を変更した場合の構成である。すなわち、図12においては、図7と同様の回路構成において、ローカルセンスアンプ20のMOSトランジスタQ3のソースが、グランド電位と所定の電位とに駆動される電源VPCに接続されている。この所定の電位は、例えば1.5Vに設定される。なお、図12の他の回路部分は図7と共通であるため、説明を省略する。
図13及び図14は、本変形例のDRAMにおける読み出し動作を説明する図であり、図10及び図11に対応する動作波形を示している。図13及び図14の動作波形の多くは図10及び図11と共通するので、以下では相違点のみを説明する。本変形例では、センスノードNsが1.5Vと高い値になるので、ローカルビット線電位設定期間T2において、プリチャージ信号PCを正電圧VPPに制御しつつ、電源VPCをグランド電位VSSから1.5Vまで上昇させる。これにより、センスノードNsが電源VPCで駆動される。図13及び図14に示すように、センスノードNsの電位Vaが上昇する結果、閾値電圧Vt2のばらつき許容範囲Rvtが拡大するという効果がある。なお、センスノードNsの電位駆動方法の変更により、反転プリチャージ信号/PCの制御についても、図10及び図11とは異なっている。
[第3実施形態]
次に、本発明の第3実施形態について説明する。第3実施形態のDRAMは、第2実施形態と同様、ビット線とセンスアンプ回路が階層化されているが、一部の構成が第2実施形態とは異なっている。第2実施形態の図7の回路構成は、第3実施形態でも概ね共通するが、一部の電源系の構成が変更されている。すなわち、MOSトランジスタQ1の閾値電圧Vt1の変動を補償した補償電圧発生回路と、MOSトランジスタQ2の閾値電圧Vt2の変動を補償した補償電圧発生回路を採用している。これらの具体的な構成については後述する。
図15は、第3実施形態のグローバルセンスアンプ21の回路構成の一例を示している。図15の基本的な回路構成は、第2実施形態の図8と概ね共通であるが、上述したように電源系の構成が異なっている。すなわち、MOSトランジスタQ10及び信号電圧判定ラッチ21aに供給される電源電圧VDDが電圧VSNHに置き換えられ、MOSトランジスタQ17及び信号判定ラッチ21aに供給されるグランド電位が電圧VSNLに置き換えられている。これらの各電圧VSNH、VSNLを発生するために上述の補償電圧発生回路が採用されるが、具体的な構成については後述する。
図16は、第3実施形態の上記補償電圧発生回路として機能する制御電圧発生回路の回路構成例を示す図である。この制御電圧発生回路は、MOSトランジスタQ1の閾値電圧Vt1の変動が補償された制御電圧Vgを発生するフィードバック型電圧発生回路であり、例えば、MOSトランジスタQ1のゲートに制御信号CTLのハイ電圧を印加するために用いられる。図16に示すように制御電圧発生回路は、レプリカMOSトランジスタQ1rと、定電流源40と、2つのオペアンプ41、42とを含んで構成されている。また、一対の定電圧電源として正電圧VDLと負電圧VELが用いられ、正電圧VDLがレプリカMOSトランジスタQ1rとオペアンプ41、42に供給され、負電圧VELが定電流源40の一端とオペアンプ41、42に供給される。
図16において、レプリカMOSトランジスタQ1rは、ローカルセンスアンプ20(図7)のMOSトランジスタQ1のレプリカトランジスタとして機能し、MOSトランジスタQ1とほぼ同形状かつ同サイズとなるように形成される。レプリカMOSトランジスタQ1rには、ソースに接続された定電流源40を流れる一定の電流Ib1と等しいドレイン電流が流れる。オペアンプ41には、マイナス側入力端子にレプリカMOSトランジスタQ1rのソース電圧が抵抗を介して入力され、プラス側入力端子に電位Vbが入力される。オペアンプ41の出力電圧は抵抗を介して、レプリカMOSトランジスタQ1rのゲートに入力される。この場合、オペアンプ41の出力電圧は、レプリカMOSトランジスタQ1rの閾値電圧Vt1に電位Vbを加えた値に一致するようにフィードバック制御される。一方、オペアンプ41の出力電圧が入力される後段のオペアンプ42は、電流駆動能力を強化するためのボルテージフォロアを構成し、Vb+Vt1に一致する制御電圧Vgを出力する。
図16の制御電圧発生回路から出力される制御電圧Vgは、センス動作時にMOSトランジスタQ1のゲートに印加される。図7の構成において、MOSトランジスタQ1の閾値電圧Vt1の変動に伴い、Vb=Vg−Vt1で与えられるローカルビット線LBLの電位Vbが変動する。一方、第3実施形態では、図16の制御電圧発生回路により、閾値電圧Vt1の変動が補償された制御電圧Vgを生成するので、製造プロセスや温度によりMOSトランジスタの閾値電圧Vtが変動しても、電位Vbの値が常に一定になる。従って、図4や図9における閾値電圧のばらつき許容範囲Rvtに対し、実際のばらつきを小さくできるので、センスアンプ回路の動作マージンを一層向上させることができる。図16の制御電圧発生回路を採用することで、実際に残存するばらつき要因は、MOSトランジスタQ1とレプリカMOSトランジスタQ1rとの特性の差に基づく限定的なものとなるため、製造プロセスや温度による変動要因を確実に補償することが可能となる。
図17は、上記制御電圧発生回路により出力される制御電圧Vgのプロセス/温度依存性の一例を示すグラフである。図17では、製造プロセスのばらつきに対応して、標準的な動作特性Sa(typ)と、高速な動作特性Sa(fast)と、低速な動作特性Sa(slow)の3通りを比較し、それぞれについて温度と制御電圧Vgの変動量の関係をグラフにして示している。なお、縦軸の制御電圧Vgの変動量は、製造プロセスが“typ”で温度が50℃の場合を基準として求めた値である。ここで、図16の定電流源40の電流Ib1は、例えば、1nA程度の小さい値に設定することが望ましい。これは、ローカルビット線LBLを電位Vbに駆動するときにMOSトランジスタQ1を流れる電流は最終的に極めて小さい値となり、この値に電流Ib1を合わせる必要があるからである。
次に図18は、第3実施形態の補償電圧発生回路の他の例の構成を示すブロック図であり、例えば、図15の電圧VSNH、VSNL、図12のセルプレート電位VPLT、電位Vbを発生するために用いられる。図18に示すように、補償電圧発生回路は、ローカルセンスアンプ20のMOSトランジスタQ2の閾値電圧Vt2をモニタしてモニタ信号Smを生成する閾値電圧モニタ部30と、閾値電圧モニタ部30から出力されるモニタ信号Smを製造プロセスに応じた補正量だけシフトして補正信号δVtを生成するレベル補正部31と、参照電圧とレベル補正部31の補正信号δVtとを加算して補償電圧を生成する補償電圧加算部32とにより構成される。
図19は、図18の閾値電圧モニタ部30の回路構成例を示す図である。図19に示すように閾値電圧モニタ部30は、レプリカMOSトランジスタQ2rと、定電流源43と、オペアンプ44とを含んで構成されている。レプリカMOSトランジスタQ2rは、モニタ対象であるMOSトランジスタQ2のレプリカトランジスタとして機能し、MOSトランジスタQ2とほぼ同形状かつ同サイズとなるように形成される。一定の電流Ib2が流れる定電流源43は、図16の定電流源40と同様の接続関係となっている。オペアンプ44には、マイナス側入力端子にレプリカMOSトランジスタQ2のソース電圧が抵抗を介して入力され、プラス側入力端子にグランド電位に接続される。オペアンプ44の出力電圧は抵抗を介して、レプリカMOSトランジスタQ2rのゲートに入力される。この場合、オペアンプ44の出力信号Smは、レプリカMOSトランジスタQ2rのソース電圧がグランド電位に一致するようにフィードバック制御される。従って、出力信号Smに基づき、グランド電位を基準としたMOSトランジスタQ2の閾値電圧Vt2をモニタすることができる。
図20は、図18のレベル補正部31の回路構成例を示す図である。図20に示すように、レベル補正部31は、セレクタ45と、タップ選択回路46と、ローパスフィルタ47と、3つのオペアンプ48、49、50とを含んで構成されている。セレクタ45は、補正量設定回路として機能し、タップ選択回路46から送られる補正量情報に基づき、正の電源電圧VDLと負の電源電圧VELの間の多数の中間電位の中から抵抗分割により所望の電位を選択的に設定し、補正量Vmを出力する。タップ選択回路46には、セレクタ45における中間電位の選択がプログラムされている。例えば、製造プロセスが“typ”で温度が50℃のときに後述の補正信号δVtが0Vになるように補正量Vmが設定される。このように補正量Vmを設定すると、温度50℃における製造プロセス変動によるMOSトランジスタQ2の閾値電圧Vt2の変動が補償された補正信号δVtを得ることができる。補正量Vmのプログラム手段としては、例えば、レーザヒューズ、電気ヒューズ、不揮発性メモリ素子、ワンタイムプログラマブル素子等を利用することができる。
初段のオペアンプ48は、閾値電圧モニタ部30のモニタ信号Smを反転増幅し、反転モニタ信号−Smを出力する。2段目のオペアンプ49には、反転モニタ信号−Smがマイナス側入力端子に入力され、抵抗とキャパシタからなるローパスフィルタ47を通って平滑化された上述の補正量Vmがプラス側入力端子のシフト電圧として入力される。図20に示すように各抵抗R1、R2を配置した場合、オペアンプ49から、信号Smに2Vmが加算された信号Sm+2Vmが出力される。3段目のオペアンプ50はボルテージフォロアを構成し、Sm+2Vmに一致する補正信号δVtを出力する。
図21は、上記レベル補正部31から出力される補正信号δVtのプロセス/温度依存性の一例を示すグラフである。図21では、図17と同様の3通りの動作特性Sbをそれぞれグラフにして示している。ここで、図19の定電流源43の電流Ib2は、例えば、1μA程度の比較的大きい値に設定することが望ましい。これは、グローバルビット線GBLをグランド電位VSSに駆動するときにMOSトランジスタQ2を流れる電流はある程度大きな値になるため、この値に電流Ib2を合わせる必要があるからである。
図22は、図18の補償電圧加算部32の回路構成例を示す図である。図22に示すように、補償電圧加算部32は、3つのオペアンプ51、52、53を含んで構成されている。初段のオペアンプ51は、基準電圧Vrefと、レベル補正部31の補正信号δVtとを加算して反転増幅する。2段目のオペアンプ52は、オペアンプ51の出力をさらに反転増幅して電圧Vref+δVtを生成する。3段目のオペアンプ53はボルテージフォロアを構成し、電圧Vref+δVtを出力する。図22における基準電圧Vrefとしては、上述したように、電圧VSNH、VSNL、セルプレート電位VPLT、電位Vbに対応する所定の電圧をそれぞれ用いることができる。基準電圧Vrefの値は、例えば、電圧VSNHに対して1.0V、電圧VSNLに対して0V、セルプレート電位に対して0.5Vに設定される。この場合、補正信号δVtの値を0±0.1Vと仮定すると、それぞれの基準電圧Vrefに対して変動成分±0.1を加えた電圧を生成し、目的の回路に供給することができる。
以上説明したように、MOSトランジスタQ2の閾値電圧Vt2の製造プロセスと温度による変動を、閾値電圧モニタ部30の動作に基づき、それぞれの電源に反映させることができる。よって、電圧VSNH、VSNL、セルプレート電位VPLT、電位Vbのそれぞれの値は、MOSトランジスタQ2の閾値電圧Vt2の変動を補償するように適切に設定可能となる。例えば、ローカルセンスアンプ20内のセンスノードNsのプリチャージに用いる電圧VSNHは、MOSトランジスタQ2の閾値電圧Vt2の上昇に追随して高くなるようにし、逆に閾値電圧Vt2の低下に追随して低くなるように制御できる。また、メモリセルMCに書き込まれるハイ情報及びロー情報の電圧は、同様にMOSトランジスタQ2の閾値電圧Vt2の変動に追随して、同様に高く又は低くなるように制御可能となる。さらに、電位Vb、あるいは電位Vbを基準に生成される制御電圧Vgについても、MOSトランジスタQ2の閾値電圧Vt2の変動に追随して、同様に高く又は低くなるように制御可能となる。その結果、MOSトランジスタQ2の閾値電圧Vt2の変動と同じだけセンス系全体の各電圧が変動することになるので、上述の閾値電圧のばらつき許容範囲Rvtに対して実際のばらつきを減少させ、センスアンプ回路の動作マージンを一層向上させることができる。
以上、本実施形態に基づいて本発明の内容を具体的に説明したが、本発明は上述の実施形態に限定されるものではなく、その要旨を逸脱しない範囲で種々の変更を施すことができる。例えば、上記実施形態においては、5つのMOSトランジスタから構成されるプリアンプ10/ローカルセンスアンプ20(センスアンプ回路)について説明したが、電荷転送ゲートとして機能する第1のMOSトランジスタと、第1のMOSトランジスタを介して信号電圧を増幅する第2のMOSとを備えていれば、他の構成要素については特に制約されることなく、多様なセンスアンプ回路に対して広く本発明を適用することができる。
本実施形態のセンスアンプ回路に関し、基本的な動作原理を説明する図である。 第1実施形態のDRAMのうちセンス系の回路構成の一例を示す図である。 図2のセンスラッチ回路の回路構成の一例を示す図である。 第1実施形態のセンスアンプ回路の増幅動作について説明する図である。 従来のセンスアンプ回路の増幅動作に対応する第1の比較例を示す図である。 従来のセンスアンプ回路の増幅動作に対応する第2の比較例を示す図である。 第2実施形態のDRAMのうちセンス系の回路構成の一例を示す図である。 図7のグローバルセンスアンプの回路構成の一例を示す図である。 第2実施形態のセンスアンプ回路の増幅動作を説明する図である。 第2実施形態のDRAMにおける読み出し動作を説明する図であり、メモリセルからハイ情報を読み出す場合の動作波形を示す図である。 第2実施形態のDRAMにおける読み出し動作を説明する図であり、メモリセルからロー情報を読み出す場合の動作波形を示す図である。 第2実施形態の変形例におけるローカルセンスアンプの回路構成の一例を示す図である。 図12の読み出し動作を説明する図であり、メモリセルからハイ情報を読み出す場合の動作波形を示す図である。 図12の読み出し動作を説明する図であり、メモリセルからロー情報を読み出す場合の動作波形を示す図である。 第3実施形態のグローバルセンスアンプの回路構成の一例を示す図である。 第3実施形態の補償電圧発生回路として機能する制御電圧発生回路の回路構成例を示す図である。 図16の制御電圧発生回路により出力される制御電圧Vgのプロセス/温度依存性の一例を示すグラフである。 第3実施形態の補償電圧発生回路の他の例の構成を示すブロック図である。 図18の閾値電圧モニタ部の回路構成例を示す図である。 図18のレベル補正部の回路構成例を示す図である。 図20のレベル補正部から出力される補正信号δVtのプロセス/温度依存性の一例を示すグラフである。 図18の補償電圧加算部の回路構成例を示す図である。 従来の典型的な電荷転送型のセンスアンプ回路の構成例を示す図である。
符号の説明
10…プリアンプ
11…センスラッチ回路
20…ローカルセンスアンプ
21…グローバルセンスアンプ
11a、21a…信号電圧判定ラッチ
30…閾値電圧モニタ部
31…レベル補正部
32…補償電圧加算部
40、43…定電流源
41、42、44、48、49、50、51、52、53…オペアンプ
45…セレクタ
46…タップ選択回路
47…ローパスフィルタ
WL…ワード線
BL…ビット線
GBL…グローバルビット線
LBL…ローカルビット線
MC…メモリセル
Q0…選択トランジスタ
Cs…キャパシタ
Q1〜Q8、Q10〜Q20、Qg、Qp…MOSトランジスタ
Q1r、Q2r…レプリカMOSトランジスタ
PC…プリチャージ信号
/PC…反転プリチャージ信号
SET、RT、WT、RES、CTL、CTR、SHL、SHR…制御信号
WE…書き込みイネーブル信号
LTC…ラッチ制御信号
SD…出力信号
YS…センスアンプ選択信号
/RDL…読み出し信号線
/WDL…書き込み信号線
Va…センスノードの電位
Vb…ビット線の電位
Vg…制御電圧
VDD、VSNH、VSNL…電源電圧
VSS…グランド電位
VPLT…セルプレート電位
Ns…センスノード
N0、N1、N2、N3、N10,N11,N12…ノード

Claims (12)

  1. メモリセルから読み出されてビット線を伝送される信号を増幅するシングルエンド型のセンスアンプ回路であって、
    ゲートに印加される制御電圧に応じて、前記ビット線に対して所定電位を供給するとともに、前記ビット線とセンスノードとの間の接続を制御する第1のMOSトランジスタと、
    ゲートが前記センスノードに接続され、前記ビット線から前記第1のMOSトランジスタを介して伝送される信号を増幅する第2のMOSトランジスタと、
    を備え、前記メモリセルの読み出し動作に先立って前記所定電位が前記ビット線に供給されるとともに、当該所定電位は、前記メモリセルの読み出し電圧の範囲内において電荷転送モードと電荷分配モードとが切り換わる変化点の近傍で、前記メモリセルのハイ情報とロー情報をそれぞれ読み出した際に前記センスノードにおける所要の電圧差を確保可能な値に設定されることを特徴とするセンスアンプ回路。
  2. 前記第1のMOSトランジスタの閾値電圧のばらつき許容範囲と、前記第2のMOSトランジスタの閾値電圧のばらつき許容範囲は、前記センスノードにおける前記所要の電圧差の範囲内に設定されることを特徴とする請求項1に記載のセンスアンプ回路。
  3. 前記第1のMOSトランジスタ及び前記第2のMOSトランジスタを含む第1のセンスアンプと、
    前記第2のMOSトランジスタのドレイン電流を供給される入出力ノードに接続され、前記入出力ノードの信号電圧のレベルを判定する信号電圧判定回路を含む第2のセンスアンプと、
    を備えることを特徴とする請求項1に記載のセンスアンプ回路。
  4. 前記第1のMOSトランジスタ及び前記第2のMOSトランジスタを含み、前記ビット線としてのローカルビット線を介して伝送される信号を増幅するローカルセンスアンプと、
    前記ローカルセンスアンプを介して所定数の前記ローカルビット線と選択的に接続されるグローバルビット線に接続され、前記グローバルビット線の信号電圧のレベルを判定する信号電圧判定回路を含むグローバルセンスアンプと、
    を備えることを特徴とする請求項1に記載のセンスアンプ回路。
  5. ゲートに印加されるプリチャージ信号に応じて、前記センスノード及び前記ビット線を所定のプリチャージ電位にプリチャージする第3のMOSトランジスタをさらに備えることを特徴とする請求項3又は4に記載のセンスアンプ回路。
  6. 前記所定のプリチャージ電位は、前記ビット線に供給される前記所定電位よりも低い電位に設定されることを特徴とする請求項5に記載のセンスアンプ回路。
  7. ゲートに印加される第1の制御信号に応じて、前記第2のMOSトランジスタのドレインと前記入出力ノードとの間の接続を制御する第4のMOSトランジスタと、
    ゲートに印加される第2の制御信号に応じて、前記センスノードと前記入出力ノードとの間の接続を制御する第5のMOSトランジスタと、
    をさらに備えることを特徴とする請求項3に記載のセンスアンプ回路。
  8. ゲートに印加される第1の制御信号に応じて、前記第2のMOSトランジスタのドレインと前記グローバルビット線との間の接続を制御する第4のMOSトランジスタと、
    ゲートに印加される第2の制御信号に応じて、前記センスノードと前記グローバルビット線との間の接続を制御する第5のMOSトランジスタと、
    をさらに備えることを特徴とする請求項4に記載のセンスアンプ回路。
  9. 前記第3のMOSトランジスタを介して前記ビット線に対して前記所定電位を供給することを特徴とする請求項6に記載のセンスアンプ回路。
  10. 前記第5のMOSトランジスタを介して前記ビット線に対して前記所定電位を供給することを特徴とする請求項7又は8に記載のセンスアンプ回路。
  11. 入力された基準電圧に対し、前記第1のMOSトランジスタ又は前記第2のMOSトランジスタの閾値電圧の変動が補償された補償電圧を発生し、前記ローカルセンスアンプ又は前記グローバルセンスアンプに供給する補償電圧発生回路をさらに備えることを特徴とする請求項4に記載のセンスアンプ回路。
  12. 請求項1から11のいずれかに記載のセンスアンプ回路を備えたことを特徴とする半導体記憶装置。
JP2008222928A 2008-08-29 2008-08-29 センスアンプ回路及び半導体記憶装置 Expired - Fee Related JP5680819B2 (ja)

Priority Applications (2)

Application Number Priority Date Filing Date Title
JP2008222928A JP5680819B2 (ja) 2008-08-29 2008-08-29 センスアンプ回路及び半導体記憶装置
US12/461,858 US8068369B2 (en) 2008-08-29 2009-08-26 Sense amplifier circuit and semiconductor memory device

Applications Claiming Priority (1)

Application Number Priority Date Filing Date Title
JP2008222928A JP5680819B2 (ja) 2008-08-29 2008-08-29 センスアンプ回路及び半導体記憶装置

Publications (2)

Publication Number Publication Date
JP2010055729A true JP2010055729A (ja) 2010-03-11
JP5680819B2 JP5680819B2 (ja) 2015-03-04

Family

ID=41725275

Family Applications (1)

Application Number Title Priority Date Filing Date
JP2008222928A Expired - Fee Related JP5680819B2 (ja) 2008-08-29 2008-08-29 センスアンプ回路及び半導体記憶装置

Country Status (2)

Country Link
US (1) US8068369B2 (ja)
JP (1) JP5680819B2 (ja)

Cited By (8)

* Cited by examiner, † Cited by third party
Publication number Priority date Publication date Assignee Title
JP2012064264A (ja) * 2010-09-14 2012-03-29 Elpida Memory Inc 半導体装置及びその制御方法
JP2012138160A (ja) * 2010-10-05 2012-07-19 Semiconductor Energy Lab Co Ltd 半導体メモリ装置およびその駆動方法
US8576610B2 (en) 2010-07-23 2013-11-05 Elpida Memory, Inc. Semiconductor device having floating body type transistor
JP2014142994A (ja) * 2014-04-02 2014-08-07 Ps4 Luxco S A R L センスアンプ回路及び半導体記憶装置
JP2014142995A (ja) * 2014-04-02 2014-08-07 Ps4 Luxco S A R L 半導体装置、半導体記憶装置、及び半導体装置を含む情報処理システム
US8976612B2 (en) 2009-09-16 2015-03-10 Ps4 Luxco S.A.R.L. Sense amplifier circuit and semiconductor device
US9177619B2 (en) 2011-12-20 2015-11-03 Ps4 Luxco S.A.R.L. Semiconductor device having hierarchical bit line structure
USRE45819E1 (en) 2009-09-15 2015-12-15 Ps4 Luxco S.A.R.L. Semiconductor device, semiconductor memory device and data processing system comprising semiconductor system

Families Citing this family (15)

* Cited by examiner, † Cited by third party
Publication number Priority date Publication date Assignee Title
TWI399754B (zh) * 2008-03-17 2013-06-21 Elpida Memory Inc 具有單端感測放大器之半導體裝置
JP5357484B2 (ja) * 2008-09-29 2013-12-04 テルモ株式会社 医療用具、医療用材料およびその製造方法
JP2011159365A (ja) * 2010-02-02 2011-08-18 Elpida Memory Inc 半導体装置及び半導体装置を含む情報処理システム
JP2011222091A (ja) * 2010-04-09 2011-11-04 Elpida Memory Inc 半導体装置及び情報処理システム
JP2012104165A (ja) * 2010-11-05 2012-05-31 Elpida Memory Inc 半導体装置
US8509017B2 (en) * 2011-02-16 2013-08-13 Advanced Micro Devices, Inc. Memory device and related operating methods
US8918473B1 (en) * 2012-10-09 2014-12-23 Whatsapp Inc. System and method for detecting unwanted content
US8976611B2 (en) * 2013-03-15 2015-03-10 Taiwan Semiconductor Manufacturing Company, Ltd. Asymmetric sensing amplifier, memory device and designing method
KR102111076B1 (ko) * 2013-06-27 2020-05-15 삼성전자주식회사 반도체 메모리 장치 및 그것의 감지 증폭기 제어 방법
CN105185404B (zh) * 2015-07-30 2018-02-06 上海华虹宏力半导体制造有限公司 电荷转移型灵敏放大器
ITUA20161478A1 (it) * 2016-03-09 2017-09-09 St Microelectronics Srl Circuito e metodo di lettura di una cella di memoria di un dispositivo di memoria non volatile
KR102591119B1 (ko) * 2016-04-19 2023-10-19 에스케이하이닉스 주식회사 폴딩회로 및 이를 포함하는 불휘발성 메모리 소자
US9792967B1 (en) * 2016-06-13 2017-10-17 International Business Machines Corporation Managing semiconductor memory array leakage current
CN109448773A (zh) * 2018-11-28 2019-03-08 合肥博雅半导体有限公司 一种减小电压差的电压传递电路、存储芯片及其控制方法
JP2020135913A (ja) * 2019-02-25 2020-08-31 キオクシア株式会社 半導体記憶装置

Citations (10)

* Cited by examiner, † Cited by third party
Publication number Priority date Publication date Assignee Title
JPS63228496A (ja) * 1987-03-17 1988-09-22 Fujitsu Ltd メモリ回路
JPH02503606A (ja) * 1987-05-15 1990-10-25 アナログ・ディバイセス・インコーポレーテッド センス増幅器
JPH04153977A (ja) * 1990-10-17 1992-05-27 Hitachi Ltd 半導体メモリ
JPH09297992A (ja) * 1996-05-01 1997-11-18 Fujitsu Ltd センスアンプ回路
JPH1050073A (ja) * 1996-08-01 1998-02-20 Nec Corp 半導体記憶装置
JPH10312685A (ja) * 1997-03-11 1998-11-24 Toshiba Corp 半導体記憶装置
JP2000195268A (ja) * 1998-10-19 2000-07-14 Toshiba Corp 半導体記憶装置
JP2010055730A (ja) * 2008-08-29 2010-03-11 Elpida Memory Inc センスアンプ回路及び半導体記憶装置
JP2011065709A (ja) * 2009-09-16 2011-03-31 Elpida Memory Inc センスアンプ回路及びそれを備えた半導体装置
JP2014142994A (ja) * 2014-04-02 2014-08-07 Ps4 Luxco S A R L センスアンプ回路及び半導体記憶装置

Family Cites Families (5)

* Cited by examiner, † Cited by third party
Publication number Priority date Publication date Assignee Title
JPH1116384A (ja) 1997-06-26 1999-01-22 Fujitsu Ltd 半導体集積回路
JP4326127B2 (ja) * 2000-07-07 2009-09-02 株式会社ルネサステクノロジ 半導体記憶装置
JP4138228B2 (ja) * 2000-11-20 2008-08-27 株式会社東芝 半導体メモリ
JP2007073121A (ja) 2005-09-06 2007-03-22 Sony Corp 半導体メモリ回路
US20090175066A1 (en) * 2008-01-08 2009-07-09 Juhan Kim High-speed DRAM including hierarchical read circuits

Patent Citations (10)

* Cited by examiner, † Cited by third party
Publication number Priority date Publication date Assignee Title
JPS63228496A (ja) * 1987-03-17 1988-09-22 Fujitsu Ltd メモリ回路
JPH02503606A (ja) * 1987-05-15 1990-10-25 アナログ・ディバイセス・インコーポレーテッド センス増幅器
JPH04153977A (ja) * 1990-10-17 1992-05-27 Hitachi Ltd 半導体メモリ
JPH09297992A (ja) * 1996-05-01 1997-11-18 Fujitsu Ltd センスアンプ回路
JPH1050073A (ja) * 1996-08-01 1998-02-20 Nec Corp 半導体記憶装置
JPH10312685A (ja) * 1997-03-11 1998-11-24 Toshiba Corp 半導体記憶装置
JP2000195268A (ja) * 1998-10-19 2000-07-14 Toshiba Corp 半導体記憶装置
JP2010055730A (ja) * 2008-08-29 2010-03-11 Elpida Memory Inc センスアンプ回路及び半導体記憶装置
JP2011065709A (ja) * 2009-09-16 2011-03-31 Elpida Memory Inc センスアンプ回路及びそれを備えた半導体装置
JP2014142994A (ja) * 2014-04-02 2014-08-07 Ps4 Luxco S A R L センスアンプ回路及び半導体記憶装置

Non-Patent Citations (1)

* Cited by examiner, † Cited by third party
Title
JPN6013054819; 伊藤 清男: アドバンスト エレクトロニクスI-9 超LSIメモリ 初版第6刷, 20000220, p.213-214, 株式会社培風館 *

Cited By (10)

* Cited by examiner, † Cited by third party
Publication number Priority date Publication date Assignee Title
USRE45819E1 (en) 2009-09-15 2015-12-15 Ps4 Luxco S.A.R.L. Semiconductor device, semiconductor memory device and data processing system comprising semiconductor system
US8976612B2 (en) 2009-09-16 2015-03-10 Ps4 Luxco S.A.R.L. Sense amplifier circuit and semiconductor device
US8982652B2 (en) 2009-09-16 2015-03-17 Ps4 Luxco S.A.R.L. Sense amplifier circuit and semiconductor device
US8988958B2 (en) 2009-09-16 2015-03-24 Ps4 Luxco S.A.R.L. Sense amplifier circuit and semiconductor device
US8576610B2 (en) 2010-07-23 2013-11-05 Elpida Memory, Inc. Semiconductor device having floating body type transistor
JP2012064264A (ja) * 2010-09-14 2012-03-29 Elpida Memory Inc 半導体装置及びその制御方法
JP2012138160A (ja) * 2010-10-05 2012-07-19 Semiconductor Energy Lab Co Ltd 半導体メモリ装置およびその駆動方法
US9177619B2 (en) 2011-12-20 2015-11-03 Ps4 Luxco S.A.R.L. Semiconductor device having hierarchical bit line structure
JP2014142994A (ja) * 2014-04-02 2014-08-07 Ps4 Luxco S A R L センスアンプ回路及び半導体記憶装置
JP2014142995A (ja) * 2014-04-02 2014-08-07 Ps4 Luxco S A R L 半導体装置、半導体記憶装置、及び半導体装置を含む情報処理システム

Also Published As

Publication number Publication date
JP5680819B2 (ja) 2015-03-04
US20100054065A1 (en) 2010-03-04
US8068369B2 (en) 2011-11-29

Similar Documents

Publication Publication Date Title
JP5680819B2 (ja) センスアンプ回路及び半導体記憶装置
JP5451281B2 (ja) センスアンプ回路及びそれを備えた半導体装置
JP5518313B2 (ja) センスアンプ回路及び半導体記憶装置
US7460416B2 (en) Voltage supply circuit and semiconductor memory
JP5566623B2 (ja) 半導体記憶装置
US10074408B2 (en) Bit line sense amplifier
KR101108906B1 (ko) 단일-종단 감지 증폭기를 갖는 반도체 디바이스
US9972371B2 (en) Memory device including memory cell for generating reference voltage
KR101026658B1 (ko) 단일-종단 감지 증폭기를 갖는 반도체 디바이스
US7209399B2 (en) Circuit and method of driving bitlines of integrated circuit memory using improved precharge scheme and sense-amplification scheme
JP2014142994A (ja) センスアンプ回路及び半導体記憶装置
US20110248697A1 (en) Semiconductor device and data processing system
US12080336B2 (en) Apparatuses and methods for compensated sense amplifier with cross coupled N-type transistors

Legal Events

Date Code Title Description
A621 Written request for application examination

Free format text: JAPANESE INTERMEDIATE CODE: A621

Effective date: 20110609

A711 Notification of change in applicant

Free format text: JAPANESE INTERMEDIATE CODE: A711

Effective date: 20130730

A977 Report on retrieval

Free format text: JAPANESE INTERMEDIATE CODE: A971007

Effective date: 20131023

A131 Notification of reasons for refusal

Free format text: JAPANESE INTERMEDIATE CODE: A131

Effective date: 20131112

A601 Written request for extension of time

Free format text: JAPANESE INTERMEDIATE CODE: A601

Effective date: 20140203

A602 Written permission of extension of time

Free format text: JAPANESE INTERMEDIATE CODE: A602

Effective date: 20140206

A521 Request for written amendment filed

Free format text: JAPANESE INTERMEDIATE CODE: A523

Effective date: 20140509

TRDD Decision of grant or rejection written
A01 Written decision to grant a patent or to grant a registration (utility model)

Free format text: JAPANESE INTERMEDIATE CODE: A01

Effective date: 20141216

A61 First payment of annual fees (during grant procedure)

Free format text: JAPANESE INTERMEDIATE CODE: A61

Effective date: 20150108

R150 Certificate of patent or registration of utility model

Ref document number: 5680819

Country of ref document: JP

Free format text: JAPANESE INTERMEDIATE CODE: R150

LAPS Cancellation because of no payment of annual fees