WO2017061591A1 - 水晶振動素子、及びこの水晶振動素子を備える水晶振動子 - Google Patents

水晶振動素子、及びこの水晶振動素子を備える水晶振動子 Download PDF

Info

Publication number
WO2017061591A1
WO2017061591A1 PCT/JP2016/079920 JP2016079920W WO2017061591A1 WO 2017061591 A1 WO2017061591 A1 WO 2017061591A1 JP 2016079920 W JP2016079920 W JP 2016079920W WO 2017061591 A1 WO2017061591 A1 WO 2017061591A1
Authority
WO
WIPO (PCT)
Prior art keywords
crystal
vibration
crystal piece
resonator element
piece
Prior art date
Legal status (The legal status is an assumption and is not a legal conclusion. Google has not performed a legal analysis and makes no representation as to the accuracy of the status listed.)
Ceased
Application number
PCT/JP2016/079920
Other languages
English (en)
French (fr)
Japanese (ja)
Inventor
徹 木津
貴志 長谷
威 鎌田
開田 弘明
茂昭 杉村
Current Assignee (The listed assignees may be inaccurate. Google has not performed a legal analysis and makes no representation or warranty as to the accuracy of the list.)
Murata Manufacturing Co Ltd
Original Assignee
Murata Manufacturing Co Ltd
Priority date (The priority date is an assumption and is not a legal conclusion. Google has not performed a legal analysis and makes no representation as to the accuracy of the date listed.)
Filing date
Publication date
Application filed by Murata Manufacturing Co Ltd filed Critical Murata Manufacturing Co Ltd
Priority to JP2017519950A priority Critical patent/JP6268629B2/ja
Priority to CN202110685427.XA priority patent/CN113472310B/zh
Priority to CN201680058556.3A priority patent/CN108352821B/zh
Publication of WO2017061591A1 publication Critical patent/WO2017061591A1/ja
Priority to US15/943,858 priority patent/US11277115B2/en
Priority to US15/943,884 priority patent/US11075615B2/en
Priority to US15/943,919 priority patent/US11139796B2/en
Priority to US15/943,937 priority patent/US11038485B2/en
Anticipated expiration legal-status Critical
Ceased legal-status Critical Current

Links

Images

Classifications

    • HELECTRICITY
    • H03ELECTRONIC CIRCUITRY
    • H03HIMPEDANCE NETWORKS, e.g. RESONANT CIRCUITS; RESONATORS
    • H03H9/00Networks comprising electromechanical or electro-acoustic elements; Electromechanical resonators
    • H03H9/02Details
    • H03H9/05Holders or supports
    • H03H9/10Mounting in enclosures
    • H03H9/1007Mounting in enclosures for bulk acoustic wave [BAW] devices
    • H03H9/1035Mounting in enclosures for bulk acoustic wave [BAW] devices the enclosure being defined by two sealing substrates sandwiching the piezoelectric layer of the BAW device
    • HELECTRICITY
    • H03ELECTRONIC CIRCUITRY
    • H03HIMPEDANCE NETWORKS, e.g. RESONANT CIRCUITS; RESONATORS
    • H03H9/00Networks comprising electromechanical or electro-acoustic elements; Electromechanical resonators
    • H03H9/02Details
    • H03H9/02007Details of bulk acoustic wave devices
    • H03H9/02062Details relating to the vibration mode
    • HELECTRICITY
    • H03ELECTRONIC CIRCUITRY
    • H03HIMPEDANCE NETWORKS, e.g. RESONANT CIRCUITS; RESONATORS
    • H03H9/00Networks comprising electromechanical or electro-acoustic elements; Electromechanical resonators
    • H03H9/02Details
    • H03H9/05Holders or supports
    • H03H9/0595Holders or supports the holder support and resonator being formed in one body
    • HELECTRICITY
    • H03ELECTRONIC CIRCUITRY
    • H03HIMPEDANCE NETWORKS, e.g. RESONANT CIRCUITS; RESONATORS
    • H03H9/00Networks comprising electromechanical or electro-acoustic elements; Electromechanical resonators
    • H03H9/02Details
    • H03H9/05Holders or supports
    • H03H9/10Mounting in enclosures
    • H03H9/1007Mounting in enclosures for bulk acoustic wave [BAW] devices
    • H03H9/1014Mounting in enclosures for bulk acoustic wave [BAW] devices the enclosure being defined by a frame built on a substrate and a cap, the frame having no mechanical contact with the BAW device
    • H03H9/1021Mounting in enclosures for bulk acoustic wave [BAW] devices the enclosure being defined by a frame built on a substrate and a cap, the frame having no mechanical contact with the BAW device the BAW device being of the cantilever type
    • HELECTRICITY
    • H03ELECTRONIC CIRCUITRY
    • H03HIMPEDANCE NETWORKS, e.g. RESONANT CIRCUITS; RESONATORS
    • H03H9/00Networks comprising electromechanical or electro-acoustic elements; Electromechanical resonators
    • H03H9/02Details
    • H03H9/125Driving means, e.g. electrodes, coils
    • H03H9/13Driving means, e.g. electrodes, coils for networks consisting of piezoelectric or electrostrictive materials
    • H03H9/131Driving means, e.g. electrodes, coils for networks consisting of piezoelectric or electrostrictive materials consisting of a multilayered structure
    • HELECTRICITY
    • H03ELECTRONIC CIRCUITRY
    • H03HIMPEDANCE NETWORKS, e.g. RESONANT CIRCUITS; RESONATORS
    • H03H9/00Networks comprising electromechanical or electro-acoustic elements; Electromechanical resonators
    • H03H9/15Constructional features of resonators consisting of piezoelectric or electrostrictive material
    • H03H9/17Constructional features of resonators consisting of piezoelectric or electrostrictive material having a single resonator
    • H03H9/19Constructional features of resonators consisting of piezoelectric or electrostrictive material having a single resonator consisting of quartz
    • HELECTRICITY
    • H10SEMICONDUCTOR DEVICES; ELECTRIC SOLID-STATE DEVICES NOT OTHERWISE PROVIDED FOR
    • H10NELECTRIC SOLID-STATE DEVICES NOT OTHERWISE PROVIDED FOR
    • H10N30/00Piezoelectric or electrostrictive devices
    • H10N30/01Manufacture or treatment
    • H10N30/08Shaping or machining of piezoelectric or electrostrictive bodies
    • H10N30/085Shaping or machining of piezoelectric or electrostrictive bodies by machining
    • H10N30/088Shaping or machining of piezoelectric or electrostrictive bodies by machining by cutting or dicing
    • HELECTRICITY
    • H10SEMICONDUCTOR DEVICES; ELECTRIC SOLID-STATE DEVICES NOT OTHERWISE PROVIDED FOR
    • H10NELECTRIC SOLID-STATE DEVICES NOT OTHERWISE PROVIDED FOR
    • H10N30/00Piezoelectric or electrostrictive devices
    • H10N30/20Piezoelectric or electrostrictive devices with electrical input and mechanical output, e.g. functioning as actuators or vibrators

Definitions

  • the present invention relates to a crystal resonator element and a crystal resonator.
  • Quartz vibrators with thickness shear vibration as the main vibration are widely used as signal sources for reference signals used in oscillators and bandpass filters.
  • Patent Document 1 discloses a piezoelectric vibration element that is held in a sealed space of a cage and provided with an excitation electrode in the vicinity of the center of the piezoelectric plate.
  • the vibration distribution of the thickness shear vibration in such a piezoelectric vibration element spreads substantially concentrically from the center of the piezoelectric plate to the outside, and the displacement of the vibration becomes smaller toward the outside of the piezoelectric plate.
  • Patent Document 2 discloses a crystal impedance (Crystal Impedance) caused by obstructing the vibration of the vibration part due to the outflow of a fixing member such as an adhesive by setting the dimensions of the mesa-type piezoelectric vibrating piece to satisfy a predetermined relational expression.
  • Patent Documents 3 and 4 disclose a configuration in which excitation electrodes are formed on the main surface of a crystal piece having an elongated shape until reaching the edge on the long side of the crystal piece.
  • the present invention has been made in view of such circumstances, and an object thereof is to provide a crystal resonator capable of obtaining good vibration characteristics.
  • a crystal resonator element includes a crystal piece having a predetermined crystal orientation and having a first direction and a second direction in plan view, and a crystal piece mainly in the first direction when an alternating electric field is applied. And excitation electrodes provided on the front and back surfaces of the crystal piece so as to excite the thickness shear vibration having vibration, and the vibration distribution having the thickness shear vibration in the crystal piece as the main vibration is in the second direction of the crystal piece.
  • a vibration region extending in a band shape and a non-vibration region adjacent to both sides of the vibration region in the first direction of the quartz crystal piece are provided.
  • a crystal resonator element includes an AT-cut crystal piece having a first direction and a second direction in plan view, and an excitation electrode provided to face the front and back surfaces of the crystal piece,
  • the vibration distribution of the thickness shear vibration having the main vibration in the first direction excited by the excitation electrode in the crystal piece extends across two sides of the crystal piece facing each other in the second direction, and the first Two amplitude nodes provided opposite to each other with a distance in the direction, and an amplitude antinode of a vibration region provided at a position sandwiched between the two nodes.
  • a crystal resonator element includes a crystal piece having a predetermined crystal orientation and having a first direction and a second direction in a plan view, and at least a thickness-shear vibration located at a central portion in the first direction. And a non-vibrating region sandwiching both sides of the vibrating region in the first direction, and excitation electrodes respectively provided on the front and back surfaces of the crystal piece, the vibrating region and the non-vibrating region The boundary between and connects two sides extending in the first direction facing each other in the second direction of the crystal piece, and extends in a wavy shape in the second direction.
  • a crystal resonator element is a crystal resonator element having a thickness-shear vibration as a main vibration, and is formed on each main surface of a crystal piece having a rectangular main surface on the front and back sides, respectively.
  • the long side edge of the excitation electrode is parallel to the long side edge of the corresponding crystal piece, and the long side edge of the excitation electrode and the long side edge of the corresponding crystal piece When the distance between them is G, and the thickness between the respective excitation electrodes in the quartz crystal piece is T, the relationship is 0 ⁇ G / T ⁇ 0.5.
  • FIG. 1 is an exploded perspective view of the crystal resonator according to the first embodiment of the present invention.
  • 2 is a cross-sectional view taken along line II-II in FIG.
  • FIG. 3 is a perspective view of a crystal resonator element in the crystal unit of FIG.
  • FIG. 4A is a diagram showing a vibration distribution of thickness shear vibration of the crystal resonator element of FIG.
  • FIG. 4B is a diagram illustrating a simulation result of vibration distribution in the crystal resonator element of FIG. 3.
  • FIG. 4C is a diagram showing a simulation result of an X-direction component (corresponding to an X-direction component of crystal orientation) of vibration distribution in the crystal resonator element according to the first modification.
  • FIG. 1 is an exploded perspective view of the crystal resonator according to the first embodiment of the present invention.
  • 2 is a cross-sectional view taken along line II-II in FIG.
  • FIG. 3 is a perspective view of a crystal re
  • FIG. 4D is a diagram illustrating a simulation result of the Z direction component (corresponding to the Y ′ direction component of the crystal orientation) of the vibration distribution in the crystal resonator element according to the first modification.
  • FIG. 4E is a diagram illustrating a simulation result of a Y-direction component (corresponding to a Z′-direction component of crystal orientation) of vibration distribution in the crystal resonator according to the first modification.
  • FIG. 5 is a side view of a crystal resonator element according to a second modification.
  • FIG. 9A is a diagram illustrating a simulation result of an X-direction component (corresponding to an X-direction component of crystal orientation) of vibration distribution in the crystal resonator element according to the third modification.
  • FIG. 9B is a diagram illustrating a simulation result of the Z direction component (corresponding to the Y ′ direction component of the crystal orientation) of the vibration distribution in the crystal resonator element according to the third modification.
  • FIG. 10 is a diagram illustrating a crystal resonator element according to a fourth modification.
  • FIG. 11A is a diagram illustrating a simulation result on the surface side in the thickness direction of the vibration distribution in the crystal resonator element according to the fourth modification.
  • FIG. 11B is a diagram illustrating a simulation result on the back side in the thickness direction of the vibration distribution in the crystal resonator element according to the fourth modification.
  • FIG. 11C is a diagram illustrating a simulation result of the X direction component (corresponding to the X direction component of the crystal orientation) on the surface side in the thickness direction of the vibration distribution in the crystal resonator element according to the fourth modification.
  • FIG. 11D is a diagram illustrating a simulation result of the X direction component (corresponding to the X direction component of the crystal orientation) on the back side in the thickness direction of the vibration distribution in the crystal resonator element according to the fourth modification.
  • FIG. 11C is a diagram illustrating a simulation result of the X direction component (corresponding to the X direction component of the crystal orientation) on the surface side in the thickness direction of the vibration distribution in the crystal resonator element according to the fourth modification.
  • FIG. 11D is a diagram illustrating a simulation result of the X direction component (corresponding to the X direction component of
  • FIG. 11E is a diagram illustrating a simulation result of the Z direction component (corresponding to the Y ′ direction component of the crystal orientation) on the surface side in the thickness direction of the vibration distribution in the crystal resonator element according to the fourth modification.
  • FIG. 11F is a diagram illustrating a simulation result of the Z direction component (corresponding to the Y ′ direction component of the crystal orientation) on the back side in the thickness direction of the vibration distribution in the crystal resonator element according to the fourth modification.
  • FIG. 11G is a diagram illustrating a simulation result of the Y direction component (corresponding to the Z ′ direction component of the crystal orientation) on the surface side in the thickness direction of the vibration distribution in the crystal resonator element according to the fourth modification.
  • FIG. 11H is a diagram illustrating a simulation result of the Y direction component (corresponding to the Z ′ direction component of the crystal orientation) on the back side in the thickness direction of the vibration distribution in the crystal resonator element according to the fourth modification.
  • FIG. 11I is a simulation result on the surface side in the thickness direction of the vibration distribution in the crystal resonator element according to the fourth modification, and is a diagram in the case where the phase is 0 °.
  • FIG. 11J is a simulation result on the surface side in the thickness direction of the vibration distribution in the crystal resonator element according to the fourth modified example, and is a diagram when the phase is approximately 45 °.
  • FIG. 11I is a simulation result on the surface side in the thickness direction of the vibration distribution in the crystal resonator element according to the fourth modification, and is a diagram when the phase is approximately 45 °.
  • FIG. 11K is a simulation result on the surface side in the thickness direction of the vibration distribution in the crystal resonator element according to the fourth modified example, and is a diagram when the phase is approximately 90 °.
  • FIG. 11L is a simulation result on the surface side in the thickness direction of the vibration distribution in the crystal resonator element according to the fourth modification, and is a diagram when the phase is approximately 135 °.
  • FIG. 11M is a simulation result on the surface side in the thickness direction of the vibration distribution in the crystal resonator element according to the fourth modified example, and is a diagram when the phase is approximately 180 °.
  • FIG. 11K is a simulation result on the surface side in the thickness direction of the vibration distribution in the crystal resonator element according to the fourth modified example, and is a diagram when the phase is approximately 90 °.
  • FIG. 11L is a simulation result on the surface side in the thickness direction of the vibration distribution in the crystal resonator element according to the fourth modification, and is a diagram when the phase is approximately 1
  • FIG. 11N is a simulation result on the surface side in the thickness direction of the vibration distribution in the crystal resonator element according to the fourth modified example, and is a diagram when the phase is approximately 225 °.
  • FIG. 11O is a simulation result on the surface side in the thickness direction of the vibration distribution in the crystal resonator element according to the fourth modified example, and is a diagram when the phase is approximately 270 °.
  • FIG. 12A is a diagram illustrating a simulation result on the surface side in the thickness direction of the vibration distribution in the crystal resonator element according to the comparative example.
  • FIG. 12B is a diagram illustrating a simulation result on the back side in the thickness direction of the vibration distribution in the crystal resonator element according to the comparative example.
  • FIG. 12A is a diagram illustrating a simulation result on the surface side in the thickness direction of the vibration distribution in the crystal resonator element according to the comparative example.
  • FIG. 12B is a diagram illustrating a simulation result on the back side in
  • FIG. 12C is a diagram illustrating a simulation result of the Z direction component (corresponding to the Y ′ direction component of the crystal orientation) on the surface side in the thickness direction of the vibration distribution in the crystal resonator element according to the comparative example.
  • FIG. 12D is a diagram illustrating a simulation result of the Y direction component (corresponding to the Z ′ direction component of the crystal orientation) of the surface in the thickness direction of the vibration distribution in the quartz crystal resonator element according to the comparative example.
  • FIG. 13 is a graph comparing vibration states for the first modification, the third modification, the fourth modification, and the comparative example.
  • FIG. 14 is a diagram showing a crystal resonator element according to a fifth modified example of the invention.
  • FIG. 15 is an exploded perspective view of the crystal resonator according to the second embodiment of the present invention.
  • 16 is a cross-sectional view taken along line XVI-XVI in FIG.
  • FIG. 17 is an exploded perspective view of the crystal resonator according to the third embodiment of the invention.
  • 18 is a cross-sectional view taken along line XVIII-XIVIII in FIG. 19 is a perspective view of the crystal resonator element shown in FIG.
  • FIG. 20A is a graph for explaining the characteristics of the crystal resonator element according to the third embodiment of the invention.
  • FIG. 20B is a graph for explaining the characteristics of the crystal resonator element according to the third embodiment of the invention.
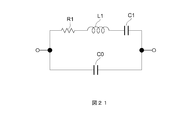
  • FIG. 21 is a diagram illustrating an equivalent circuit of the crystal resonator element.
  • FIG. 22A is a graph for explaining the characteristics of the crystal resonator element according to the third embodiment of the invention, and shows a case where the short side width W of the crystal resonator element is small.
  • FIG. 22B is a graph for explaining the characteristics of the crystal resonator element according to the third embodiment of the invention, and shows a case where the short side width W of the crystal resonator element is large.
  • FIG. 23 is a graph for explaining the characteristics of the crystal resonator element according to the third embodiment of the invention.
  • FIG. 24 is a perspective view of a crystal resonator element according to a first modification of the third embodiment of the present invention.
  • FIG. 25 is a perspective view of a crystal resonator element according to a second modification of the third embodiment of the present invention.
  • FIG. 26 is a perspective view of a crystal resonator element according to a third modification of the third embodiment of the present invention.
  • FIG. 28 is a perspective view of a crystal resonator element in a conventional crystal unit.
  • FIG. 29 is a diagram showing the vibration distribution of the thickness shear vibration of the conventional quartz resonator element of FIG.
  • FIG. 1 is an exploded perspective view of the crystal resonator
  • FIG. 2 is a cross-sectional view taken along the line II-II in FIG. In FIG. 2, illustration of various electrodes of the crystal resonator element 10 is omitted.
  • a crystal resonator 1 includes a crystal resonator element 10, a cap 20 that is an example of a lid member, and a substrate 30 that is an example of a support that supports the crystal resonator element 10. Is provided.
  • the cap 20 and the substrate 30 are holders (cases or packages) for housing the crystal resonator element 10.
  • the crystal resonator element 10 includes a crystal piece 11, and excitation electrodes 14a and 14b (hereinafter also referred to as “first excitation electrode 14a and second excitation electrode 14b”) provided on the front and back surfaces of the crystal piece 11, respectively. including.
  • the first excitation electrode 14 a is provided on the first surface 12 a (front surface) which is the main surface of the crystal piece 11, and the second excitation electrode 14 b is a main surface facing the first surface 12 a of the crystal piece 11. It is provided on the second surface 12b (back surface).
  • the crystal piece 11 has a trigonal crystal structure different from a cubic crystal system, such as a piezoelectric ceramic, and is formed of a crystal material having a predetermined crystal orientation.
  • the crystal resonator element 10 includes, for example, an AT-cut crystal piece 11.
  • the AT-cut crystal piece 11 has an X-axis, a Y-axis, and a Z-axis which are crystal axes of artificial quartz, and the Y-axis and the Z-axis are 35 degrees 15 minutes in the direction from the Y-axis to the Z-axis around the X-axis.
  • a crystal piece 11 that is an AT-cut crystal piece includes a long side parallel to the X axis as a first direction and a short side parallel to the Z ′ axis as a second direction orthogonal to the first direction. Furthermore, the third direction perpendicular to the first direction and the second direction has a thickness parallel to the Y ′ axis.
  • the direction along the long side may be referred to as the longitudinal direction, the direction along the short side as the short direction, and the thickness as the thickness direction.
  • the crystal piece 11 is formed in a rectangular shape when the XZ ′ plane is viewed in plan.
  • a quartz resonator element using an AT-cut quartz piece has extremely high frequency stability over a wide temperature range, and also has excellent aging characteristics.
  • the AT-cut crystal resonator element has a thickness-shear vibration mode as a main vibration.
  • each configuration of the crystal unit 1 will be described with reference to the axial direction of the AT cut.
  • the crystal piece 11 according to the present embodiment is not limited to the above configuration.
  • an AT-cut crystal piece having a long side parallel to the Z ′ axis and a short side parallel to the X axis may be applied. Good.
  • a crystal piece with a different cut other than the AT cut such as a BT cut may be used.
  • an AT-cut quartz crystal that can obtain extremely high frequency stability in a wide temperature range is most preferable.
  • the first excitation electrode 14 a is formed on the first surface 12 a of the crystal piece 11, and the second excitation electrode 14 b is formed on the second surface 12 b of the crystal piece 11.
  • the first and second excitation electrodes 14 a and 14 b are arranged so as to substantially overlap each other when the XZ ′ plane is viewed in plan as a pair of electrodes through the crystal piece 11.
  • the first and second excitation electrodes 14a and 14b have a rectangular shape when the XZ ′ plane is viewed in plan. For example, as shown in FIG. 1, the long side of the excitation electrode is provided in parallel with the short side of the crystal piece 11, and the short side of the excitation electrode is provided in parallel with the long side of the crystal piece 11.
  • the aspect of the crystal resonator element is not limited to the above, and as a first modification described later, a configuration of a plate-like crystal element that is elongated in the X direction of the crystal orientation as shown in FIGS. 4C to 4E. Can be implemented.
  • the long side of the excitation electrode may be provided in parallel with the long side of the crystal piece 11
  • the short side of the excitation electrode may be provided in parallel with the short side of the crystal piece 11.
  • the crystal piece 11 has a connection electrode 16a electrically connected to the first excitation electrode 14a via the extraction electrode 15a, and a connection electrode 16b electrically connected to the second excitation electrode 14b via the extraction electrode 15b. And are formed.
  • the extraction electrode 15a is extracted from the first excitation electrode 14a toward the X-axis negative direction side short side on the first surface 12a, and further passes through the side surface of the crystal piece 11 on the X-axis negative direction side, It is connected to a connection electrode 16a formed on the second surface 12b.
  • the extraction electrode 15b is extracted from the second excitation electrode 14b toward the X-axis negative direction side short side on the second surface 12b and connected to the connection electrode 16b formed on the second surface 12b.
  • connection electrodes 16a and 16b are arranged along the short side on the X-axis negative direction side, and these connection electrodes 16a and 16b are provided via conductive holding members 36a and 36b which are cured by applying a conductive adhesive.
  • the substrate 30 is electrically held and mechanically held.
  • positioning and pattern shape of connection electrode 16a, 16b and extraction electrode 15a, 15b are not limited, It can change suitably in consideration of electrical connection with another member.
  • the electrode overlap region where the first excitation electrode 14 a and the second excitation electrode 14 b overlap in a plan view is provided with a predetermined distance from the short side of the crystal piece 11. The distance from the short side of the crystal piece 11 to the electrode overlap region is larger than the distance from the long side of the crystal piece 11 to the electrode overlap region.
  • the first and second excitation electrodes 14a and 14b, the extraction electrodes 15a and 15b, and the connection electrodes 16a and 16b have, for example, a chromium (Cr) layer formed on the surface of the crystal piece 11 to increase the bonding force.
  • a gold (Au) layer is formed on the surface of the substrate.
  • the material is not limited.
  • the cap 20 has a recess 24 that opens to face the first surface 32 a of the substrate 30.
  • the recess 24 is provided with a side wall 22 formed so as to rise from the bottom surface of the recess 24 over the entire circumference of the opening.
  • the cap 20 has a flange portion 28 that protrudes further outward from the side wall portion 22.
  • the flange portion 28 has a facing surface 26 that faces the first surface 32 a of the substrate 30.
  • the width of the facing surface 26 is greater than the thickness of the side wall 22 of the cap 20. According to this, since the joining area of both can be enlarged by joining the flange part 28 and the board
  • the shape of the cap 20 is not particularly limited.
  • the cap 20 does not have the flange portion 28, and the front end of the side wall portion 22 is formed so as to rise substantially perpendicularly from the bottom surface of the recess 24. May be bonded to the substrate 30.
  • the material of the cap 20 is not particularly limited, but may be made of a conductive material such as metal. According to this, a shield function can be added by electrically connecting the cap 20 to the ground potential.
  • the cap 20 may be an insulating material or a composite structure of a conductive material and an insulating material.
  • the substrate 30 supports the crystal resonator element 10 so that it can be excited.
  • the crystal resonator element 10 is supported on the first surface 32a of the substrate 30 through the conductive holding members 36a and 36b so as to be able to be excited.
  • the substrate 30 has a long side parallel to the X-axis direction, a short side parallel to the Z′-axis direction, and a thickness parallel to the Y′-axis direction. It has a rectangular shape.
  • the substrate 30 may be formed of, for example, an insulating ceramic, and may be formed, for example, by laminating and baking a plurality of insulating ceramic sheets.
  • the substrate 30 is made of a glass material (for example, silicate glass or a material mainly composed of materials other than silicate and having a glass transition phenomenon due to temperature rise), a crystal material (for example, an AT-cut crystal) or You may form with a glass epoxy resin.
  • the substrate 30 is preferably made of a heat resistant material.
  • the substrate 30 may be a single layer or a plurality of layers. In the case of a plurality of layers, an insulating layer may be formed on the outermost layer of the first surface 32a.
  • the substrate 30 may have a flat plate shape, or may have a concave shape opened in a direction facing the cap 20. As shown in FIG. 2, when the cap 20 and the substrate 30 are bonded together via a bonding material 70, the quartz resonator element 10 is surrounded by an inner space (cavity) surrounded by the concave portion 24 of the cap 20 and the substrate 30. ) 23 is hermetically sealed. In this case, it is preferable that the pressure in the internal space is in a vacuum state lower than the atmospheric pressure, and this is preferable because changes over time due to oxidation of the first and second excitation electrodes 14a and 14b can be reduced.
  • the bonding material 70 is provided over the entire circumference of the cap 20 and the substrate 30, and is interposed between the facing surface 26 of the side wall portion 22 of the cap 20 and the first surface 32 a of the substrate 30.
  • the bonding material 70 is made of an insulating material.
  • the insulating material may be a glass adhesive material such as a low-melting glass (for example, lead borate or tin phosphate), or a resin adhesive. According to these insulating materials, the cost is lower than that of metal bonding, the heating temperature can be suppressed, and the manufacturing process can be simplified. If metal bonding is used, higher bonding strength can be obtained as compared with bonding using a resin adhesive.
  • the quartz resonator element 10 has one end fixed by conductive holding members 36a and 36b, and the other end is free.
  • the crystal resonator element 10 may be fixed to the substrate 30 at both ends in either the long side or the short side.
  • the substrate 30 includes connection electrodes 33a and 33b formed on the first surface 32a, and extraction electrodes 34a and 34b that are extracted from the connection electrodes 33a and 33b toward the outer edge of the first surface 32a. Including.
  • connection electrode 33a is connected to the connection electrode 16a of the crystal resonator element 10 via the conductive holding member 36a, and the connection electrode 33b is connected to the crystal resonator element 10 via the conductive holding member 36b.
  • the electrode 16b is connected.
  • the extraction electrode 34 a is extracted from the connection electrode 33 a toward one corner of the substrate 30, while the extraction electrode 34 b is extracted from the connection electrode 33 b toward the other corner of the substrate 30. Yes.
  • a plurality of external electrodes 35 a, 35 b, 35 c, and 35 d are formed at each corner portion of the substrate 30.
  • the extraction electrode 34a is connected to the external electrode 35a formed at the corner portion on the Z′-axis positive direction and the X-axis negative direction side
  • the extraction electrode 34b is connected to the Z′-axis negative direction and the X-axis. It is connected to the external electrode 35b formed at the corner portion on the positive direction side. Further, as shown in FIG.
  • external electrodes 35c and 35d may be formed in the remaining corner portions, and these external electrodes may be dummy electrodes that are not electrically connected to the crystal resonator element 10. Good. That is, the dummy electrode may not be electrically connected to any of the first and second excitation electrodes 14a and 14b. Further, the dummy electrode may be connected to a terminal (terminal not connected to any other electronic element) provided on a mounting substrate (not shown) on which the crystal resonator 1 is mounted. By forming such a dummy electrode, it becomes easy to apply a conductive material for forming the external electrode, and the external electrode can be formed at all corners. A processing step of electrically connecting to the member is also facilitated.
  • the external electrodes 35c and 35d may be ground electrodes to which a ground potential is supplied instead of the dummy electrodes.
  • a shield function can be added to the cap 20 by connecting the cap 20 to the external electrodes 35c and 35d, which are grounding electrodes.
  • the corner portion of the substrate 30 has a cut-out side surface formed by cutting a part of the corner portion into a cylindrical curved surface shape (also called a castellation shape), and the external electrodes 35a to 35d. Is continuously formed over the first surface 32a, the cut-out side surface and the second surface 32b.
  • the shape of the corner portion of the substrate 30 is not limited to this, and the shape of the cutout may be a flat shape, or may be a rectangular shape with four corners at right angles when viewed from above without a cutout. There may be.
  • connection electrodes 33a and 33b, the extraction electrodes 34a and 34b, and the external electrodes 35a to 35d of the substrate 30 are not limited to the above examples, and can be applied with various modifications.
  • the connection electrodes 33a and 33b are arranged on different sides on the first surface 32a of the substrate 30 such that one is formed on the X axis positive direction side and the other is formed on the X axis negative direction side. Also good.
  • the crystal resonator element 10 is supported by the substrate 30 at both one end and the other end of the long side.
  • the number of external electrodes is not limited to four, and may be two arranged on a diagonal, for example.
  • the external electrodes are not limited to those arranged at the corner portions, and may be formed on any side surface of the substrate 30 excluding the corner portions. In this case, as already described, a cut-out side surface obtained by cutting a part of the side surface into a cylindrical curved surface may be formed, and the external electrode may be formed on the side surface excluding the corner portion. Further, the other external electrodes 35c and 35d, which are dummy electrodes, may not be formed. Further, a through-hole penetrating from the first surface 32a to the second surface 32b is formed in the substrate 30, and the connection electrode provided in the through-hole and formed on the first surface 32a by the via conductor is electrically connected to the second surface 32b. Conduction may be achieved.
  • FIGS. 3 is a perspective view of the crystal resonator element 10, and FIGS. 4A and 4B show the vibration distribution of the thickness shear vibration of the crystal resonator element 10.
  • FIG. 4A is a schematic diagram
  • FIG. 4B is a diagram showing a simulation result.
  • FIGS. 4C to 14 are diagrams for explaining the crystal resonator element according to the modified example and the comparative example of the present embodiment.
  • FIG. 3 shows an example of the crystal piece 11, the first excitation electrode 14a, and the second excitation electrode 14b in the crystal resonator element 10 according to the present embodiment.
  • the short side of the excitation electrode 14a on the Z′-axis positive direction side overlaps with the long side of the crystal piece 11 on the Z′-axis positive direction side, and the Z′-axis negative direction side
  • the short side of the excitation electrode 14a overlaps the long side of the crystal piece 11 on the Z′-axis negative direction side.
  • the short side of the excitation electrode 14b on the Z′-axis positive direction side overlaps with the long side of the crystal piece 11 on the Z′-axis positive direction side
  • Z The short side of the excitation electrode 14b on the negative side of the 'axis overlaps with the long side of the crystal piece 11 on the negative direction side of the Z' axis. That is, the excitation electrode 14 a is provided on the first surface 12 a of the crystal piece 11 until reaching both ends of the main surface of the crystal piece 11 in the Z′-axis direction
  • the excitation electrode 14 b is provided on the second surface 12 b of the crystal piece 11. Above, it forms to both ends of the main surface of the crystal piece 11 in the Z′-axis direction.
  • the said dimension is only an example and the crystal vibration element which concerns on this embodiment has the form which has a vibration distribution demonstrated below (The shape and dimension of each of a crystal piece and an excitation electrode, and the positional relationship of both are included). including.
  • FIG. 4A is a schematic diagram of a simulation result performed by the piezoelectric analysis solver under a mesh size of 0.02 mm.
  • the X direction of the vibration direction of the vibration distribution corresponds to the X direction of the crystal orientation
  • the Y direction of the vibration direction of the vibration distribution corresponds to the Z ′ direction of the crystal orientation
  • the Z direction corresponds to the Y ′ direction of the crystal orientation.
  • the relationship between the vibration direction and the crystal orientation similarly applies to the diagrams showing other simulation results.
  • the direction of crystal orientation will be described as a reference unless otherwise specified.
  • the vibration distribution in which the thickness shear vibration that mainly vibrates in the X direction of the crystal resonator element 10 is a main vibration is a band shape in the Z′-axis direction (short direction) of the crystal piece 11.
  • the extending vibration region 40 and non-vibration regions 50a and 50b adjacent to both sides of the vibration region 40 in the X-axis direction (longitudinal direction) of the crystal piece 11 are provided. That is, the non-vibration regions 50a and 50b are not adjacent to each other.
  • the vibration region is a region in which a substantial displacement occurs in the crystal piece due to the main vibration that is a thickness shear vibration when an alternating electric field having a predetermined oscillation frequency (for example, an AT-cut basic oscillation frequency) is applied.
  • a predetermined oscillation frequency for example, an AT-cut basic oscillation frequency
  • the non-vibration region refers to a region where no substantial displacement occurs in the crystal piece when the vibration region of the crystal piece vibrates due to the main vibration, and a region where there is no displacement due to vibration. It is not limited to this, and includes a region where displacement due to vibration is smaller than the vibration region. Note that the non-vibration region is preferably a region where the displacement is less than 20 to 25% of the maximum displacement.
  • the vibration region 40 has a band-like shape that continues from one long side parallel to the X axis of the crystal piece 11 to the other side that is also parallel to the X axis. Yes.
  • the vibration region 40 does not reach any of the two short sides parallel to the Z ′ axis of the crystal piece 11.
  • the boundary between the vibration region 40 and the non-vibration regions 50a and 50b is not a straight line but has a wave shape in which peaks and valleys are alternately repeated.
  • the wavy boundary has, for example, a substantially sine wave shape in which the height of the mountain and the depth of the valley are substantially equal and the cycle is substantially constant.
  • the vibration region 40 may extend in a strip shape as long as it extends in a certain direction, and is not limited to an elongated shape in the extending direction.
  • the length in the extending direction is smaller than the width. Including.
  • the region of the vibration region 40 may substantially coincide with the region of the excitation electrodes 14a and 14b in FIG. 3 when the XZ ′ plane is viewed in plan.
  • the vibration region 40 has a belt-like shape that continues from one short side parallel to the X axis of the excitation electrodes 14a and 14b to the other short side parallel to the X axis.
  • the boundary where the vibration region 40 and the non-vibration regions 50a and 50b are adjacent has a wave shape as described above, but substantially coincides with the long side parallel to the Z ′ axis of the excitation electrodes 14a and 14b. Become.
  • FIG. 4A shows the displacement distribution at the moment when the vibration of the main surface shows the maximum displacement in the configuration of FIG.
  • the vibration region 40 is divided into four equal parts on the basis of the value of the maximum displacement, and is divided into three vibration regions and one non-vibration region, and the vibration regions are indicated by using different hatchings. That is, the vibration region 40 vibrates more than the first vibration strength region 42, the second vibration strength regions 44a and 44b having a smaller amount of vibration displacement than the first vibration strength region 42, and the second vibration strength regions 44a and 44b.
  • the third vibration intensity regions 46a and 46b have a small displacement amount.
  • the second vibration intensity regions 44 a and 44 b are adjacent to both sides of the first vibration intensity region 42 in the X-axis direction (longitudinal direction) of the crystal piece 11.
  • the third vibration intensity regions 46a and 46b are adjacent to the side of the second vibration intensity regions 44a and 44b that are not adjacent to the first vibration intensity region 42 in the X-axis direction (longitudinal direction) of the crystal piece 11, respectively. ing.
  • the vibration region 40 draws a center line parallel to the Z ′ axis at the center of the first vibration intensity region 42, the vibration region 40 has a vibration distribution that is line-symmetric with respect to the center line.
  • the non-vibration region 50 which is 0% to 25% of the maximum displacement amount shown in FIG. 4A and is 0 nm to 85 nm, corresponds to the third vibration intensity regions 46a and 46b in the X-axis direction (longitudinal direction) of the crystal piece 11.
  • the second vibration intensity regions 44a and 44b are adjacent to the non-adjacent sides.
  • the displacement amount of the first vibration intensity region 42 is 75% to 100% of the maximum displacement amount and about 255 nm to 340 nm, and the displacement amounts of the second vibration intensity regions 44a and 44b are the maximum displacement.
  • the third vibration intensity region 46a, 46b is 25% to 50% of the maximum displacement and 85 nm to 170 nm.
  • Each vibration intensity region has a band-like shape that continues from one long side parallel to the X axis of the crystal piece 11 to the other long side parallel to the X axis when the XZ ′ plane is viewed in plan. is doing. Each vibration intensity region does not reach any of the two short sides parallel to the Z ′ axis of the crystal piece 11.
  • the boundary where the vibration intensity regions are adjacent to each other is not a straight line but a meandering wave.
  • the wavy boundary has, for example, a substantially sine wave shape.
  • the vibration region 40 has a strong vibration region (including the top of vibration) showing a displacement amount of 90% or more of the maximum displacement amount.
  • the first vibration intensity region 42 in the vibration region 40 has a strong vibration region.
  • the strong vibration region is a crystal facing one long side extending in the X-axis direction on the surface (first main surface 12a) of the crystal piece 11 and facing away from the long side in the Z′-axis direction. It has the 1st distribution which is in the mutually opposite phase located in the other long side extended in the X-axis direction of the back surface of the piece 11 (2nd main surface 12b).
  • This first distribution is a semi-elliptical distribution obtained by dividing an ellipse having a long axis along the X-axis direction (longitudinal direction) of the crystal piece 11 into a vertical half.
  • the strong vibration region has a second distribution arranged side by side in the Z′-axis direction located on the front surface (first main surface 12 a) and the back surface (second main surface 12 b) of the crystal piece 11. Yes.
  • This second distribution is a substantially elliptical distribution having a long axis along the X-axis direction of the crystal piece 11 as shown in FIG. 4B.
  • the first vibration intensity region 42 in FIG. 4A has a plurality of strong vibration regions along the Z′-axis direction (short direction). In FIG. 4A, the outer edge of the first vibration intensity region 42 including a plurality of strong vibration regions is illustrated.
  • the strong vibration region of the displacement component in the Z-axis direction (the Y′-axis direction of the crystal orientation) based on the simulation model has a half on one side and a half on the other side in the X-axis direction of the crystal orientation. It has the 3rd distribution which is mutually antiphase. More specifically, this strong vibration region is one side of the intermediate line in the X-axis direction with reference to an intermediate line extending in the Z′-axis direction of the crystal orientation at the midpoint of the crystal orientation of the crystal piece in the X-axis direction.
  • a thickness slip is a main vibration mode in a crystal piece obtained by AT-cutting a crystal material that is a trigonal piezoelectric crystal having a predetermined crystal orientation.
  • a new thickness-slip vibration mode in which the boundary with the non-vibration region obtained in step 2 is distributed in a band shape in the second direction, and the vibrations are opposite in phase on the diagonal sides of the front and back surfaces.
  • a thickness-shear vibration mode having a region is generated.
  • such a thickness shear vibration mode included in the present invention is referred to as a full width thickness shear vibration mode.
  • the strong vibration region where the vibrations are opposite in phase to each other on the side of the diagonal position on the back surface has a semi-elliptical distribution in which an ellipse extending in the X direction is divided into a vertical half. Preferred (see FIGS. 4A-4E).
  • FIG. 27 shows a crystal resonator element in which thickness shear vibration is confined in the center of a conventional crystal piece.
  • FIG. 28 is a schematic diagram showing the vibration distribution in the thickness shear vibration mode of the conventional crystal resonator element shown in FIG. FIG. 27 shows a vibration distribution comprising an antinode of amplitude existing in the center of the crystal piece and nodes of amplitude extending continuously surrounding the entire circumference of the antinode of amplitude. Further, when the surface of the crystal piece is viewed in plan, there are positions where antinodes of amplitude existing on the front and back surfaces overlap each other. As shown in FIG. 28, in the quartz crystal resonator element of the conventional example, when the XZ ′ plane is viewed in plan, the first vibration intensity having the largest displacement due to the vibration is substantially concentric from the center of the crystal piece to the outside.
  • the full width thickness slip vibration mode according to the present embodiment is a node of thickness slip amplitude that surrounds the central portion of the crystal piece like the conventional thickness slip vibration mode shown in FIG. The area does not exist. Furthermore, as shown in FIG. 4A, at least one amplitude antinode exists in a vibration region distributed in a strip shape across both ends of the crystal pieces facing each other in the second direction. Further, when the surface of the crystal piece is viewed in plan, the antinodes of amplitude existing on the front and back surfaces are in positions where they do not overlap each other. For this reason, in the present embodiment, since the vibration distribution shown in FIG.
  • 4A is provided compared to the thickness-shear vibration mode in which there is one antinode in the overlapping position on the front and back of the central portion shown in FIG. A larger vibration area can be secured along the 'axis direction. Further, in the thickness shear vibration depending on the thickness T of the crystal piece sandwiched between the excitation electrodes, the length L of the crystal piece in the X-axis direction is made larger than the length EL of the excitation electrode in the X-axis direction by a predetermined ratio. 4A includes not only the full-width thickness sliding vibration mode existing in the first direction, but also the vibration state in which vibrations displaced in the third direction in the vibration region in the first direction are distributed at a plurality of wave numbers.
  • Such a full width thickness sliding vibration mode can also be excited. Furthermore, if the ratio of the length L in the first direction of the crystal piece to the length EL is set within a predetermined range, the first amplitude node extending in the Z′-axis direction of the full width thickness sliding vibration mode is set. Can be placed at the end of the crystal piece in the direction. Therefore, if the crystal piece is supported by the holding member at the position of the amplitude node in the full width thickness sliding vibration mode, the influence on the full width sliding vibration mode due to support such as vibration leakage and vibration inhibition can be reduced.
  • the full width thickness shear vibration referred to in the present invention is selectively generated in the vibration distribution of the thickness shear vibration over the Z′-axis direction (short direction) of the crystal resonator element 10. Therefore, uniform vibration can be obtained. Therefore, the DLD characteristics can be improved, and the CI value can be lowered and the capacitance ratio ⁇ can be reduced by securing a wide vibration region 40, so that good vibration characteristics can be obtained.
  • the crystal resonator element has the same configuration as that of FIG. 3 in that it has a plate shape elongated in the X direction, but the longitudinal direction of the excitation electrode coincides with the longitudinal direction of the crystal piece 11 and the excitation electrode. 3 is different from that in FIG. 3 in that the short direction is coincident with the short direction of the crystal piece 11.
  • FIG. 4C shows the displacement distribution of the X direction component (corresponding to the X direction component of the crystal orientation) of the vibration distribution
  • FIG. 4D shows the displacement distribution of the Z direction component (corresponding to the Y ′ direction component of the crystal orientation) of the vibration distribution
  • 4E shows the displacement distribution of the Y direction component (corresponding to the Z ′ direction component of the crystal orientation) of the vibration distribution obtained by simulation. From FIG.
  • the displacement distribution of the X-direction component indicating the main vibration of the vibration is sandwiched between non-vibration regions located at both ends in the X direction of the crystal resonator element, and has a full-width thickness sliding vibration having vibration regions connecting the opposing long sides. It can be seen that the displacement distribution is shown. Further, when divided into 10 stages of displacement between the positive maximum value and the negative minimum value, the strong vibration region on the negative displacement side showing 80% or more of the maximum absolute value of the negative displacement showing the largest displacement. As for the distribution state, two elliptical distributions extending in the X direction and a semielliptical distribution obtained by dividing the ellipse into half halves are arranged in the width direction.
  • the semi-elliptical distribution is distributed such that the center is located on the long side and extends long along the long side.
  • the maximum displacement of the X direction component is 5.668 ⁇ m
  • the maximum displacement of the Z (thickness) direction component of the vibration distribution is 0.603 ⁇ m
  • the displacement of the Y direction (width) component of the vibration distribution is The maximum value of is 0.966 ⁇ m.
  • the crystal resonator element 210 includes a mesa-shaped crystal piece having a first portion 240 and a second portion 250.
  • the first portion 240 has a vibration region extending in a band shape along the Z′-axis direction, similar to the vibration region described with reference to FIGS. 3 to 4B.
  • the second portion 250 is in contact with one side parallel to the Z ′ axis of the first portion 240 that is the vibration region and the other side that is also parallel to the Z ′ axis when the XZ ′ plane is viewed in plan. Is provided.
  • the crystal resonator element 210 has a first portion of a crystal piece sandwiched between a first excitation electrode 214a having a thickness Tex1 and a second excitation electrode 214b having a thickness Tex2 on the side surface of the crystal resonator element viewed from the XY ′ plane. 240.
  • the first portion 240 has a vibration region having a thickness T in plan view of the XY ′ plane. Further, the thickness Tpe of the second portion 250 is thinner than the thickness T of the first portion 240. As shown in FIG.
  • the pair of excitation electrodes 214a and 214b covers all the length L1 in the X-axis direction of the vibration region of the first portion 240 located at the center of the crystal piece in the X-axis direction.
  • FIG. 6 shows the crystal vibration element 210 shown in FIG. 5 having a vibration mode in which thickness shear vibration is the main vibration, satisfying the following expressions 1 and 2, and in the vibration region of the length L1 in the X-axis direction.
  • the thickness T of the crystal piece in the vibration region the length L1 of the first portion in the X-axis direction, the thickness Tex1 of the first excitation electrode and the thickness Tex2 of the second excitation electrode, The specific gravity ⁇ ex of the material and the specific gravity ⁇ xt of the crystal piece material.
  • the crystal calculated by multiplying the thickness Te of the excitation electrode by the ratio of the specific gravity ⁇ ex of the excitation electrode material to the specific gravity ⁇ xt of the crystal piece material
  • An effective thickness Te of the vibration region of the vibration element is given.
  • the wave number in the vibration region in the X-axis direction is n (n is a natural number).
  • the excitation electrode 214a and the excitation electrode 214b are made of the same material and the same thickness.
  • Te T + Tex ⁇ ⁇ ex / ⁇ xt Equation 1
  • L1 / Te 1.603 ⁇ n ⁇ 0.292 Equation 2
  • the crystal resonator element is used by being held in the sealed space of the cage (see, for example, FIG. 2).
  • the crystal resonator element is held by a conductive holding member provided on a substrate that is a component of the cage. Therefore, the vibration energy of the crystal resonator element is likely to cause vibration leakage to the substrate through the conductive holding member. Therefore, if the crystal vibrating element can be supported by the conductive holding member in a portion where the vibration displacement is substantially small, the leakage of vibration to the substrate can be reduced. Further, if the area of the portion where the vibration displacement is substantially small is small, it is impossible to ensure the holding area of the conductive holding member, and the holding strength of the crystal vibrating element is lowered.
  • the embodiment of the present invention shown in FIG. 6 and FIG. 7 can arrange a non-vibration region almost over the entire second portion as compared with the comparative example shown in FIG. Therefore, the embodiment of the present invention shown in FIG. 6 and FIG. 7 has an effect of reducing vibration leakage and reducing cracks and peeling occurring between the quartz crystal vibration element and the conductive holding member.
  • FIG. 5 shows an example in which the entire thickness of the second portion 250 is thinner than the thickness of the first portion 240 in the vibration region.
  • the aspect of a quartz-crystal vibrating element is not limited above, As a 4th modification mentioned later, the 1st part 243 which has thickness T as shown in FIG. 10, and the 1st part in a X-axis direction are shown. A second portion 253 adjacent to the first portion 243 at both ends of the second portion 243; and a third portion 263 adjacent to the second portion 253 opposite to the first portion 243, and the thickness Tpe of the second portion 253.
  • a configuration in which the thickness is smaller than the thickness T of the first portion 243 may be applied.
  • the thickness T of the first portion 243 and the thickness Trm of the third portion 263 may be the same.
  • a configuration in which a groove portion (second portion 253) extending in the second direction having a smaller thickness than the other portion may be applied to a portion in contact with both ends in the X-axis direction of the vibration region. Even in this case, the second portion 253 can be a non-vibrating region.
  • the excitation provided on the main surface on the Y′-axis positive side which is one of a pair of excitation electrodes provided with a thickness Tex in the vibration region of the crystal piece. The display of electrodes is omitted.
  • Patent Document 2 when the thickness of the peripheral portion of the mesa shape is made thinner than the thickness of the vibration region, bending vibration is easily excited in addition to thickness-shear vibration.
  • the problem that it is difficult to realize is disclosed.
  • the ratio of the thickness Tpe of the peripheral portion to the thickness T of the vibration region is 0.9, vibration energy leaks from the vibration region to the second portion as in the comparative example of FIG. .
  • the ratio Tpe / T between the thicknesses of the peripheral portion and the vibration region is 0.9 or more, the reduction of the energy confinement effect is prevented. Can do.
  • FIG. 5 shows a configuration in which the shape of the crystal piece is a mesa shape, but the first part having the vibration region and the first part adjacent to both ends of the first part in the X-axis direction.
  • a configuration including a second portion having substantially the same thickness as that of the second portion may be employed.
  • the crystal piece can be formed in a rectangular parallelepiped configuration.
  • the length EL in the X-axis direction and the effective thickness Te of the excitation electrode that generates the vibration region should be determined so as to satisfy the following formula 3 after satisfying the above formula 1.
  • EL / Te 1.603 ⁇ n ⁇ 0.292 Equation 3 Even with the configuration in this case, it is considered that an effect equivalent to the configuration shown in FIG. 5 can be obtained.
  • FIG. 9A and FIG. 9B are diagrams showing a third modification, and show simulation results for the mesa shape similar to FIG.
  • a crystal resonator element 216 shown in FIG. 10 includes a first portion 243 having a thickness T, a second portion 253 adjacent to the first portion 243 at both ends of the first portion 243 in the X-axis direction, and a second portion 253.
  • the first portion 243 has a third portion 263 adjacent to the opposite side, and the second portion 253 is thinner than the first portion 243.
  • the thickness of the 1st part 243 and the 3rd part 263 is the same.
  • such a crystal resonator element 216 is held on the substrate by the conductive holding member in the third portion 263 on one side.
  • FIGS. 11I to 11O show simulation results on the surface side in the thickness direction of the vibration distribution, and show the vibration state when the phase is shifted in units of about 45 ° from the phase 0 ° to about 225 °.
  • the magnitude of the displacement is divided into 10 levels, and the brighter the gray scale, the larger the displacement.
  • the phase in each figure is an approximate value. Note that the position of each point of the model is displaced in proportion to the displacement of the vibration distribution.
  • FIG. 11I is a diagram showing the vibration state when the displacement is maximum on the negative side (left side of the screen) in the X direction of the simulation result as a phase of 0 °.
  • there are three displacement maximum regions regions with the brightest gray scale in FIG. 11I). Specifically, the first region, the second region, and the second region located in the approximate center in the X direction. There are three regions. The first region is located on the long side on the negative side in the Y direction, the second region is located on the positive side in the Y direction from the first region, and the third region is located in the Y direction from the second region. It is in the position away from the positive side.
  • the first region has a semi-elliptical shape in which an ellipse having a long axis in the X-axis direction is divided into half halves. Further, the second region and the third region have an elliptical shape having a long axis in the X-axis direction.
  • the maximum displacement region shown in FIG. 11I is a strong vibration region showing a displacement amount of 90% or more of the maximum displacement amount.
  • FIG. 11J is a diagram showing a simulation result with a phase of approximately 45 °.
  • the maximum value of the displacement decreases, and the position of the maximum displacement region moves to the positive side in the X direction according to this decrease, but the model point (mesh) is the same as the phase 0 °. is there.
  • the distribution tendency of vibration is similar to the phase 0 °.
  • the position of the boundary between the vibration region and the non-vibration region is substantially the same as the phase 0 °.
  • FIG. 11K is a diagram showing a simulation result with a phase of approximately 90 °. As the phase advances, the maximum displacement value further decreases and the position of the maximum displacement region moves to the positive side in the X direction. Further, the length in the X direction in the vibration region gradually decreases as the phase advances from the phase 0 °, and the displacement of the entire surface does not appear at the phase of approximately 90 °.
  • FIG. 11L is a diagram showing a simulation result of a phase of approximately 135 °.
  • the vibration region appears again, and the length of the vibration region in the X direction increases as the phase advances.
  • the position of the maximum displacement region appears in the opposite direction to the X direction at a phase of 45 °.
  • FIG. 11M is a diagram showing a simulation result with a phase of approximately 180 °. As the phase advances from about 135 °, the maximum displacement value increases. At about 180 °, the position of the maximum displacement region appears in the opposite direction to the X direction at phase 0 °.
  • the maximum displacement area in FIG. 11M is a strong vibration area showing a displacement amount of 90% or more of the maximum displacement amount.
  • FIG. 11N is a diagram showing a simulation result of a phase of approximately 225 °.
  • the maximum displacement value decreases and the position of the maximum displacement region moves to the X direction negative side.
  • the position of the maximum displacement region is substantially the same in each of phase 0 °, phase approximately 45 °, phase approximately 135 °, phase approximately 180 °, and phase approximately 225 °.
  • FIG. 11O is a diagram showing a simulation result with a phase of approximately 270 °. As the phase advances, the maximum displacement value further decreases and the position of the maximum displacement region moves to the negative side in the X direction. Further, the length in the X direction in the vibration region gradually decreases as the phase advances from the phase of about 180 °, and the displacement of the entire surface does not appear at the phase of about 270 °.
  • the vibration of the present embodiment is the antinode with the specific position always having the displacement maximum point, the vibration distribution with the semi-elliptical or elliptical displacement near the antinode, It can be seen that the crystal resonator element vibrates with a standing wave having nodes that are always the minimum displacement points at both ends in the direction. Note that the position of the maximum displacement point appears to differ between the phase of 0 ° and approximately 180 °, and the position of the antinode appears to be different depending on whether the displacement in each direction has occurred. This is because they are displaced.
  • FIGS. 12A to 12D are diagrams showing comparative examples.
  • Tex 0.267 ⁇ m
  • L / T 23.7
  • EL / T 12.8.
  • FIG. 13 is a graph comparing vibration states for the first modification, the third modification, the fourth modification, and the comparative example.
  • the XYZ axis of the simulation model (corresponding to the XZ′Y ′ axis of crystal orientation) is used as a reference.
  • FIG. 13 shows the component of the Z direction as a ratio based on the maximum amplitude intensity of the X direction component (the main vibration direction of the thickness slip) of the flat plate (without mesa) which is the first modified example, and for the X component
  • the ratio of the Z component is shown as a percentage.
  • the vibration distribution in the full width thickness sliding vibration mode on the flat plate (first modification) the vibration distribution in the full width thickness sliding vibration mode on the mesa (third modification), and the full width thickness sliding vibration mode in the supported mesa.
  • the vibration distribution in the non-full width thickness sliding vibration mode in the mesa with support is shown.
  • the strong vibration region showing the intensity of 80% or more of the absolute value of the maximum intensity of the amplitude component of the X direction component is the Y direction ( When the main surface of the crystal piece is viewed in plan, the strong vibration region does not overlap the front and back main surfaces, and the phase is Inverted.
  • the confinement state of the vibration region is improved by the mesa shape as the third modified example, and the amplitude intensity of the X direction component is increased by 9% compared to the flat plate.
  • the Z (thickness) direction component increased from 0.11 to 0.14. This is because the simulation model assumes that the crystal piece is etched, the step is not perpendicular, but the etching anisotropy due to the crystal orientation is taken into account, the slope is Since the shape of the step is 55 degrees on the positive side in the X direction and 33 degrees on the negative side, the shape is not symmetric in the X direction. It is thought that it was excited.
  • the confined state of the vibration region is improved by the mesa with support as the fourth modified example, and the amplitude intensity of the X direction component is increased by 8% compared to the flat plate.
  • the thickness of the support portion which is the third portion 263 (see FIG. 10) is increased to increase the symmetry of the shape of the stepped portion, thereby reducing the vibration intensity of the Z-direction component. It is done.
  • the vibration intensity of the X direction component is increased by 8% to 1.08 as compared with the flat plate, and the vibration intensity of the X direction component of the mesa having a small mass, From 1.09, there was only a slight decrease of 0.01.
  • the confinement state of the vibration region was lowered, and the amplitude intensity of the X direction component was reduced by 6% compared to the flat plate. Furthermore, the vibration of the Z (thickness) direction component is excited as a sub-vibration of the thickness shear vibration in the X direction, and the vibration intensity of the Z (thickness) direction component is greatly increased to 0.45. The ratio of the Z (thickness) direction component increased to 47.6%.
  • the bending vibration in the X direction is not confined in the vibration region of the thickness shear, and the bending vibration having the main vibration in the Z direction (thickness) component in addition to the thickness shear vibration having the main vibration in the X direction component is the mesa protrusion. This is thought to be because the concentration of energy on the thickness-shear vibration has been reduced.
  • the ratio of the maximum displacement of the thick portion support portions (rib portions) provided at both ends in the first direction of the crystal piece to the maximum displacement in the vibration region is calculated. Determined (not shown).
  • W / T 7.88
  • the crystal resonator element 60 includes a crystal piece 61, a first excitation electrode 64 a provided on a first surface 62 a (front surface) which is a main surface of the crystal piece 61, and a main surface facing the first surface 62 a of the crystal piece 61.
  • a second excitation electrode 64b provided on the second surface 62b (back surface).
  • the short side of the first excitation electrode 64a on the Z′-axis positive direction side is provided with a gap from the long side of the crystal piece 61 on the Z′-axis positive direction side. It has been.
  • the short side of the first excitation electrode 64a on the Z′-axis negative direction side is provided with a gap from the long side of the crystal piece 61 on the Z′-axis negative direction side.
  • the short side of the second excitation electrode 64b on the Z′-axis positive direction side is the long side of the crystal piece 61 on the Z′-axis positive direction side. To be provided with a gap. Further, the short side of the second excitation electrode 64b on the Z′-axis negative direction side is provided with a gap from the long side of the crystal piece 61 on the Z′-axis negative direction side.
  • the short sides on both sides of the first excitation electrode 64 a are provided on the first surface 62 a of the crystal piece 61 with gaps from the long sides on both sides of the crystal piece 61.
  • the short sides on both sides of the second excitation electrode 64 b are provided on the second surface 62 b of the crystal piece 61 with gaps from the long sides on both sides of the crystal piece 61.
  • the size G of these gaps is, for example, 0 ⁇ G ⁇ 20 ⁇ m.
  • the size G of the gap from the ridge line on the side surface in the X direction is a range in which an electric field is applied to the side surface in the Z′-axis direction of the crystal piece 61 by the alternating electric field between the first excitation electrode 64a and the second excitation electrode 64b. It is preferable to be within.
  • the gap size G is preferably substantially uniform on one side of the excitation electrode. Moreover, it is preferable that the size G of the gap is substantially the same between the one side and the other side of the first excitation electrode 64a, and the gap between the one side and the other side of the second excitation electrode 64b is also the same. Are preferably substantially the same. As a modification, the gap size G may be partially different on one side of the excitation electrode. In addition, one side and the other side of either one of the first excitation electrode 64a and the second excitation electrode 64b may be different from each other.
  • the contents are essentially the same.
  • the vibration region 40 shown in FIG. 4A when the XZ ′ plane is viewed in plan, it extends in a band shape along the Z′-axis direction of the crystal piece 61. 14 extends further to the outside than the short sides on both sides of the first excitation electrode 64a and the second excitation electrode 64b. That is, the vibration region by the first excitation electrode 64a and the second excitation electrode 64b in FIG.
  • the non-vibration regions 50a and 50b shown in FIG. 4A are adjacent to both sides of the vibration region along the X-axis direction of the crystal piece 61.
  • connection electrode 66a electrically connected to the first excitation electrode 64a via the extraction electrode 65a, and a connection electrode electrically connected to the second excitation electrode 64b via the extraction electrode 65b. As described above, 66b is formed.
  • FIG. 15 is an exploded perspective view of the crystal unit 2
  • FIG. 16 is a cross-sectional view taken along the line XVI-XVI of FIG.
  • the packaging mode of the crystal resonator 2 is different from that of the first embodiment, and the shape, size, and dimensions of the crystal piece 102, the first excitation electrode 114a, and the second excitation electrode 114b in the crystal resonator element 110 are different.
  • a configuration similar to that of the first embodiment can be applied to the positional relationship between the two.
  • differences from the contents of the first embodiment will be described.
  • the crystal resonator 2 includes a crystal resonator element 110, a first substrate 120, and a second substrate 130.
  • the first and second substrates 120 and 130 are cases or packages for housing the crystal piece 102 of the crystal resonator element 110.
  • the crystal resonator element 110, the first substrate 120, and the second substrate 130 have substantially the same size and shape (rectangular shape) in the XZ ′ plane.
  • a wafer level chip size package such as a wafer LeaveChip Size Package, hereinafter referred to as “WLCSP”
  • WLCSP wafer Level Chip Size Package
  • a wafer corresponding to the first substrate 120, a crystal A three-layer structure including a wafer corresponding to the vibration element 110 and a wafer corresponding to the second substrate 130 is processed in a lump and is divided into individual crystal units 1 using a dicing saw. Accordingly, the crystal resonator element 110, the first substrate 120, and the second substrate 130 have substantially the same size and shape.
  • the crystal resonator element 110 includes a crystal piece 102, a frame body 104 that surrounds the outer periphery of the crystal piece 102, and connecting members 118 a and 118 b that connect the crystal piece 102 and the frame body 104.
  • the frame body 104 is an example of a support body for supporting the crystal piece 102.
  • the quartz piece 102, the frame body 104, and the connecting members 118a and 118b are all made of a quartz material having a predetermined crystal orientation, and are made of, for example, an AT-cut quartz material.
  • the thickness of the crystal resonator element 110 in the Y′-axis direction is not particularly limited.
  • the thickness of the crystal piece 102, the frame body 104, and the connecting members 118a and 110b are all the same. There may be.
  • the thickness of the connecting members 118 a and 118 b may be made thinner than the crystal piece 102 in order to improve the confinement property of vibration energy.
  • the crystal resonator element 110 has a long side in the X-axis direction, a short side in the Z′-axis direction, and a thickness in the Y′-axis direction.
  • both of the connecting members 118 a and 118 b are arranged at one end of the long side of the crystal piece 102 on the X-axis direction side.
  • the crystal piece 102 is provided away from the frame body 104, and both are connected by connecting members 118a and 118b.
  • positioned at the one end side of a long side are shown, the number of the connection members, the arrangement
  • one connecting member arranged on one end side of the long side may be applied as the connecting member, or one of the two connecting members is arranged on one end side of the long side, and the other May be arranged on the other end side of the long side.
  • the crystal resonator element 110 has notched side surfaces 108a, 108b, 108c, and 108d formed by cutting a part of a corner into a cylindrical curved surface. Similarly, notched side surfaces 122a, 122b, 122c, and 122d are also formed on the first substrate 120, and notched side surfaces 132a, 132b, 132c, and 132d are also formed on the second substrate 130. Such a cut-out side surface is formed by adopting a manufacturing method such as WLCSP that performs packaging up to a wafer state.
  • the notched side surfaces 108a, 122a, and 132a among the notched side surfaces of the crystal resonator element 110, the first substrate 120, and the second substrate 130 are formed to coincide with the Y′-axis direction.
  • the shape of the cut-out side surface may be a shape other than the curved cylindrical surface, or such a cut-out may not be present.
  • First and second excitation electrodes 114a and 114b are formed on the front and back surfaces of the crystal piece 102, respectively.
  • the first excitation electrode 114a is provided on the first surface 112a (front surface) of the crystal piece 102
  • the second excitation electrode 114b is provided on the second surface 112b (back surface) facing the first surface 112a of the crystal piece 102.
  • the first and second excitation electrodes 114a and 114b are arranged as a pair of electrodes so as to substantially overlap with each other through the crystal piece 102 when the XZ ′ plane is viewed in plan.
  • Each excitation electrode 114a, 114b has a rectangular shape in the XZ ′ plane.
  • the long side of the excitation electrode is parallel to the short side of the crystal piece 102 and the short side of the excitation electrode. May be provided so as to be parallel to the long side of the crystal piece 102.
  • An extraction electrode 115 a electrically connected to the first excitation electrode 114 a is formed on the first surface 111 a of the frame body 104.
  • the extraction electrode 115a is extracted from the first excitation electrode 114a through the one connecting member 118a, and then is extracted toward the cut-out side surface 108a through the first surface 111a of the frame 104.
  • the second electrode 111a is electrically connected to a connection electrode 116a formed on the second surface 111b.
  • an extraction electrode 115b that is electrically connected to the second excitation electrode 114b is formed on the second surface 111b of the frame body 104.
  • the extraction electrode 115b is extracted from the second excitation electrode 114b through the other connecting member 118b, and then extends through the second surface 111b of the frame body 104 toward the cut-out side surface 108b at the corner.
  • the connection electrode 116b formed on the second surface 111b of the body 104 is electrically connected. As described above, in the example illustrated in FIG. 10, the connection electrodes 116 a and 116 b that are electrically connected to the first and second excitation electrodes 114 a and 114 b are disposed at the opposite corners of the frame body 104.
  • connection electrodes 116a and 116b that are electrically connected to the first and second excitation electrodes 114a and 114b is not particularly limited.
  • the two corners on the X axis negative direction side of the frame body 104 are not limited. That is, it may be arranged on the cut-out side surfaces 108d and 108b.
  • the first and second excitation electrodes 114a and 114b, the extraction electrodes 115a and 115b, and the connection electrodes 116a and 116b are formed by forming a base with a chromium (Cr) layer and forming a gold (Au) layer on the surface of the chromium layer.
  • the material is not limited.
  • the first substrate 120 is disposed on the first surface 112a side of the crystal piece 102.
  • the second substrate 130 is disposed on the second surface 112 b side of the crystal piece 102.
  • the first substrate 120, the crystal resonator element 110, and the second substrate 130 are stacked in this order to form a three-layer structure.
  • the second substrate 130 has a mounting surface on which the crystal resonator element 110 is mounted, and a mounting surface that faces the mounting surface and is electrically connected to the outside.
  • External electrodes 134a, 134b, 134c, and 134d are formed at the corners of the mounting surface of the second substrate 130, respectively.
  • the external electrode 134a is electrically connected to the first excitation electrode 114a via the connection electrode 116a and the extraction electrode 115a.
  • the external electrode 134b is electrically connected to the second excitation electrode 114b via the connection electrode 116b and the extraction electrode 115b.
  • the remaining external electrodes 134c and 134d may be dummy electrodes that are not electrically connected to any of the first and second excitation electrodes 114a and 114b. Details of the dummy electrode are as described above.
  • the external electrodes 134a and 134b that are electrically connected to the first and second excitation electrodes 114a and 114b are arranged at opposing corners of the second substrate 130. It is not limited and you may arrange
  • External electrodes 134a to 134d are formed of, for example, chromium (Cr) or gold (Au).
  • the formation method used was a sputtering method or a plating method.
  • a four-terminal structure including four external electrodes is shown, but the number of external electrodes is not particularly limited, and for example, a two-terminal structure including two external electrodes may be applied.
  • the first and second substrates 120 and 130 are flat substrates.
  • the material of the first and second substrates 120 and 130 is composed of glass (for example, silicate glass or a material mainly composed of materials other than silicate and having a glass transition phenomenon due to temperature rise).
  • glass for example, silicate glass or a material mainly composed of materials other than silicate and having a glass transition phenomenon due to temperature rise.
  • it may be made of a crystal (for example, an AT cut crystal) that is the same material as the crystal resonator element 110.
  • the first substrate 120 is bonded to the entire circumference of the first surface 111 a of the frame body 104 via the first bonding material 140, while the second substrate 130 is bonded to the frame body 104. It is joined to the entire circumference of 111b via the second joining material 142.
  • the crystal piece 102 is hermetically sealed in the internal space (cavity) 123.
  • the first and second bonding materials 140 and 142 may be sealed and sealed so as to bond the bonding surfaces of the members and form an internal space, and the material is not limited.
  • the first and second bonding materials 140 and 142 may be glass adhesive materials such as low melting point glass (for example, lead boric acid type or tin phosphoric acid type), or using a resin adhesive. Also good.
  • the configuration described in the first embodiment can be applied to the configuration of the crystal piece 102, the first excitation electrode 114a, and the second excitation electrode 114b in the crystal resonator element 110 according to the present embodiment (see FIGS. 1 to 14). ).
  • the crystal resonator 2 according to the present embodiment since the full width thickness sliding vibration mode is generated along the Z′-axis direction of the crystal piece 102, good vibration characteristics can be obtained.
  • FIG. 17 is an exploded perspective view of the crystal resonator
  • FIG. 18 is a cross-sectional view taken along line XVIII-XVIII in FIG. In FIG. 18, illustration of various electrodes of the crystal resonator element is omitted.
  • a crystal resonator 1001 includes a crystal resonator element 1100, a cap 1200, and a substrate 1300.
  • the cap 1200 and the substrate 1300 are holders (cases or packages) for housing the crystal resonator element 1100.
  • the crystal resonator element 1100 includes a crystal piece 1110 and excitation electrodes 1120 and 1130 (hereinafter also referred to as “first and second excitation electrodes 1120 and 1130”) provided on the front and back surfaces of the crystal piece 1110, respectively. .
  • the first excitation electrode 1120 is provided on the first surface 1112 (surface) which is the main surface of the crystal piece 1110.
  • the second excitation electrode 1130 is provided on the second surface 1114 (back surface) which is the main surface facing the first surface 1112 of the crystal piece 1110.
  • the crystal piece 1110 is an AT-cut crystal piece.
  • the AT-cut crystal piece 1110 has a long side parallel to the X axis, a short side parallel to the Z ′ axis, and a thickness parallel to the Y ′ axis.
  • the long side may be referred to as the longitudinal direction
  • the short side as the short direction
  • the thickness as the thickness direction.
  • the AT-cut crystal piece 1110 has a rectangular shape in plan view on the XZ ′ plane.
  • the crystal piece according to the present embodiment is not limited to the above configuration.
  • an AT-cut crystal piece having a long side parallel to the Z ′ axis and a short side parallel to the X-axis direction may be applied. Good.
  • a crystal piece with a different cut other than the AT cut such as a BT cut may be used.
  • the first excitation electrode 1120 is formed on the first surface 1112 (XZ ′ surface on the Y′-axis positive direction side) of the crystal piece 1110, and the second excitation electrode 1130 is different from the first surface 1112 of the crystal piece 1110. It is formed on the opposite second surface 1114 (XZ ′ surface on the Y′-axis negative direction side).
  • the first and second excitation electrodes 1120 and 1130 are arranged so as to substantially overlap each other when the XZ ′ plane is viewed in plan as a pair of electrodes via the crystal piece 1110.
  • the first and second excitation electrodes 1120 and 1130 have a rectangular shape on the XZ ′ plane.
  • the long side of the excitation electrode is parallel to the long side of the crystal piece 1110
  • the short side of the excitation electrode is provided to be parallel to the short side of the crystal piece 1110.
  • the crystal piece 1110 has a connection electrode 1124 electrically connected to the first excitation electrode 1120 via the extraction electrode 1122 and a connection electrode 1134 electrically connected to the second excitation electrode 1130 via the extraction electrode 1132. And are formed. Specifically, the extraction electrode 1122 is extracted from the first excitation electrode 1120 toward the X-axis negative direction side short side on the first surface 1112, and further passes through the side surface of the crystal piece 1110 on the X-axis negative direction side, The connection electrode 1124 formed on the second surface 1114 is connected. On the other hand, the extraction electrode 1132 is extracted from the second excitation electrode 1130 toward the X-axis negative direction side short side on the second surface 1114 and connected to the connection electrode 1134 formed on the second surface 1114.
  • connection electrodes 1124 and 1134 are disposed along the short side on the X-axis negative direction side, and these connection electrodes 1124 and 1134 are electrically connected to the substrate 1300 via conductive holding members 1340 and 1342 described later. And mechanically held together.
  • the arrangement and pattern shape of the connection electrodes 1124 and 1134 and the extraction electrodes 1122 and 1132 are not limited, and can be appropriately changed in consideration of electrical connection with other members.
  • the first and second excitation electrodes 1120 and 1130, the extraction electrodes 1122 and 1132, and the connection electrodes 1124 and 1134 are formed of a chromium (Cr) layer as a base and a gold (Au) layer on the surface of the chromium layer.
  • the material is not limited.
  • the cap 1200 has a recess 1204 that opens to face the first surface 1302 of the substrate 1300.
  • the concave portion 1204 is provided with a side wall portion 1202 formed so as to rise from the bottom surface of the concave portion 1204 over the entire periphery of the opening.
  • the side wall portion 1202 is an end surface 1205 facing the first surface 1302 of the substrate 1300.
  • the material of the cap 1200 is not particularly limited, but may be made of metal, for example. According to this, a shield function can be added by electrically connecting the cap 1200 to the ground potential.
  • the cap 1200 may be an insulating material or a composite structure of metal and insulating material.
  • the cap 1200 may have a flange portion that protrudes further outward from the side wall portion 1202. According to this, since the joining area of both can be enlarged by joining a flange part and the board
  • the crystal resonator element 1100 is mounted on the first surface 1302 (upper surface) of the substrate 1300.
  • the substrate 1300 has a long side parallel to the X axis, a short side parallel to the Z ′ axis, and a thickness parallel to the Y ′ axis, and has a rectangular shape on the XZ ′ plane. I am doing.
  • the substrate 1300 may be formed of, for example, an insulating ceramic, and may be formed, for example, by laminating and baking a plurality of insulating ceramic sheets.
  • the substrate 1300 may be formed of a glass material, a quartz material, a glass epoxy resin, or the like.
  • the substrate 1300 is preferably made of a heat resistant material.
  • the substrate 1300 may be a single layer or a plurality of layers. In the case of a plurality of layers, an insulating layer may be formed on the outermost layer of the first surface 1302. Further, the substrate 1300 may have a flat plate shape, or may have a concave shape opened in a direction facing the cap 1200. As shown in FIG. 15, when the cap 1200 and the substrate 1300 are bonded together via a bonding material 1350, the quartz resonator element 1100 is surrounded by an inner space (cavity) surrounded by the recess 1204 of the cap 1200 and the substrate 1300. ) Sealed in 1206.
  • the bonding material 1350 is provided over the entire circumference of the cap 1200 and the substrate 1300, and is interposed between the end surface 1205 of the side wall 1202 of the cap 1200 and the first surface 1302 of the substrate 1300.
  • the bonding material 1350 is made of an insulating material.
  • a glass material for example, low-melting glass
  • a resin material for example, an epoxy resin
  • These insulating materials have lower melting points and lower costs than metal materials. Therefore, by using these insulating materials for the bonding material 1350, the heating temperature in the bonding process between the cap 1200 and the substrate 1300 can be suppressed, and the cost of the crystal unit can be reduced.
  • the crystal resonator element 1100 has one end (the end on the conductive holding members 1340 and 1342 side) as a fixed end and the other end as a free end.
  • the crystal resonator element 1100 may be fixed to the substrate 1300 at both ends in the longitudinal direction.
  • the substrate 1300 includes connection electrodes 1320 and 1322 formed on the first surface 1302, and extraction electrodes 1320 a and 1322 a that are extracted from the connection electrodes 1320 and 1322 toward the outer edge of the first surface 1302. Including.
  • the connection electrodes 1320 and 1322 are disposed on the inner side of the outer edge of the substrate 1300 so that the crystal resonator element 1100 can be disposed at the approximate center of the first surface 1302 of the substrate 1300.
  • connection electrode 1320 is connected to the connection electrode 1124 of the crystal vibrating element 1100 via the conductive holding member 1340, and the connection electrode 1322 is connected to the crystal vibrating element 1100 via the conductive holding member 1342.
  • An electrode 1134 is connected.
  • the extraction electrode 1320a is extracted from the connection electrode 1320 toward any one corner of the substrate 1300, while the extraction electrode 1322a is extracted from the connection electrode 1322 toward the other corner of the substrate 1300. Yes.
  • a plurality of external electrodes 1330, 1332, 1334, 1336 are formed at each corner of the substrate 1300.
  • the extraction electrode 1320a is connected to the external electrode 1330 formed at the corner portion on the Z′-axis negative direction and the X-axis negative direction side, while the extraction electrode 1322a is connected to the Z′-axis positive direction and the X-axis. It is connected to an external electrode 1332 formed at the corner on the positive direction side. As shown in FIG.
  • external electrodes 1334 and 1336 may also be formed in the remaining corner portions. These external electrodes may be used as the dummy electrodes already described. In this case, a shield function may be added to the cap 1200 by electrically connecting the cap 1200 made of a conductive material to the external electrodes 1334 and 1336 as dummy electrodes.
  • the corner portion of the substrate 1300 has a cut-out side surface formed by cutting a part of the corner portion into a cylindrical curved surface, and the external electrodes 1330, 1332, 1334, and 1336 are the first ones. It is formed continuously over the surface 1302, the cut-out side surface and the second surface 1304.
  • the shape of the corner portion of the substrate 1300 is not limited to this, and the shape of the cutout may be a flat shape, or may be a rectangular shape having no cutout and having four right corners in plan view. There may be.
  • substrate 1300, an extraction electrode, and an external electrode is not limited to the above-mentioned example, It can apply in various deformation
  • the connection electrodes 1320 and 1322 are arranged on different sides on the first surface 1302 of the substrate 1300 such that one is formed on the X axis positive direction side and the other is formed on the X axis negative direction side. Also good.
  • the crystal resonator element 1100 is supported by the substrate 1300 at both one end and the other end in the longitudinal direction. The contents already described can be applied to the number and arrangement of external electrodes, the presence or absence of dummy electrodes, and the electrical connection mode between external electrodes and connection electrodes.
  • the crystal unit 1001 by applying an AC voltage between the pair of first and second excitation electrodes 1120 and 1130 in the crystal resonator element 1100 via the external electrodes 1330 and 1332, The crystal piece 1110 vibrates with the thickness slip as the main vibration mode, and the resonance characteristics associated with the vibration are obtained.
  • FIG. 19 shows the crystal piece and the excitation electrode on the first surface of the crystal resonator element shown in FIG. 17 (for convenience of explanation, the drawing electrode and the connection electrode are not shown).
  • FIG. 20A and 20B are graphs for explaining the characteristics of the crystal resonator element.
  • FIG. 21 is a diagram illustrating an equivalent circuit of the crystal resonator element.
  • the long side edge 1120a of the excitation electrode 1120 is parallel to the long-side edge 1112a on the Z′-axis positive direction side of the crystal piece 1110.
  • the distance between the long side edge 1120a of the electrode 1120 and the long side edge 1112a of the crystal piece 1110 is G
  • the thickness T between the excitation electrodes 1120 and 1130 in the crystal piece 1110 is 0.0002 ⁇ G / T ⁇ 0.5 Have the relationship.
  • the long side edge 1120a of the excitation electrode 1120 is spaced inward from the long side edge 1112a of the crystal piece 1110 by a distance G, and the distance G is the above relational expression with respect to the thickness T of the crystal piece 1110. It has.
  • the edge of each main surface of the crystal piece 1110 is likely to be damaged in the manufacturing process, and the material may change. Therefore, setting the lower limit of the above relational expression results in such damage. Deterioration of vibration characteristics can be suppressed. On the other hand, if the distance G is too large, the useless area that does not contribute to vibration is expanded. Therefore, by setting the upper limit of the above relational expression, the effective area of the excitation electrode can be reduced while reducing the size of the crystal resonator element. Can be secured.
  • the frequency sensitivity of the crystal resonator element can be increased, and thus the frequency controllability of the crystal resonator element can be improved and good vibration characteristics can be obtained.
  • the excitation electrode is provided in the range where G / T is less than 0.0002 from the end face of the crystal piece, in addition to the influence of the fluctuation of the capacitance ratio ⁇ , the end face shape of the crystal piece is affected by instability. Therefore, it is preferable to provide the excitation electrode on the crystal piece so that G / T is 0.0002 or more.
  • the relational expression for G / T described above is the relationship between the long side edge 1120b of the excitation electrode 1120 and the long side edge 1112b of the crystal piece 1110 on the Z ′ axis negative direction side on the Z ′ axis negative direction side.
  • the excitation electrode 1120 of the first surface 1112 of the crystal piece 1110 has been described, but the same applies to the long side of the crystal piece 1110 on the second surface 1114 side.
  • the reason why the above relational expression is applied to the long side of the crystal piece 1110 is that the longer side having a relatively long distance has a greater influence on the vibration characteristics of the crystal resonator element than the short side.
  • Quartz vibration element generates resonance due to spurious (unnecessary vibration) due to shape and dimensions in addition to main vibration.
  • the resonance due to the spurious appears as a dip (indentation) of a larger or smaller magnitude in the impedance curve. If there is a dip in the vicinity of the main vibration, there is a possibility that the crystal oscillation element may be adversely affected, for example, the oscillation frequency may be deviated or the margin for oscillation may be reduced due to an increase in resonance resistance.
  • the spurious is the width vibration related to W / T, There are many. Such a spurious is called a width spurious.
  • the frequency interval of the width spurs is large as shown in FIG. 22A.
  • W is large, as shown in FIG.
  • the frequency interval is reduced.
  • the main vibration changes in a cubic function with the temperature change from 0 ° C. to 50 ° C., for example, more specifically about 10 ppm.
  • the width spurious changes in a linear function so that the value becomes smaller, more specifically, about 1.0%.
  • FIG. 23 is a graph in which the horizontal axis is W / T and the vertical axis is ⁇ F / ⁇ P (spurious density).
  • the temperature change condition is set to 0 ° C. to 50 ° C., which is the main operating temperature of the electronic device.
  • FIG. 23 will be specifically described.
  • W / T is varied, the frequency and number of width spurs before and after the main vibration are investigated, and the average frequency interval ⁇ P (MHz) between adjacent spurs is calculated.
  • ⁇ P MHz
  • the frequency of the width spurious has a variation range of ⁇ F due to a temperature change. If the frequency interval ⁇ P between the two width spurs sandwiching the main vibration is smaller than ⁇ F, at least one of the adjacent width spurs may cross the main vibration with respect to the temperature change. Thus, in each W / T, if the frequency interval ⁇ P between adjacent width spurs is small with respect to ⁇ F, there is a greater possibility that width spurs crossing the main vibration will be unavoidable. There is a possibility of suddenly degrading characteristics. Therefore, as shown in FIG.
  • ⁇ F / ⁇ P ⁇ 1 that is, a region where the interval between the two-width spurious adjacent to the main vibration is smaller than W / T corresponding to the fluctuation range changed from 0 ° C. to 50 ° C. (that is, As shown in FIG. 23, with W / T ⁇ 10.2), there is a possibility that a design in which the width spurious does not cross the main vibration, specifically, a design in which the excitation frequency of the main vibration and the frequency of the width spurious do not coincide with each other. The smaller the smaller, the less the risk of crossing. It should be noted that the position of the width spurious can be slightly changed by applying a bevel or a convex process to the crystal piece. Therefore, when W / T ⁇ 10.2, the bevel or convex processing is further performed to make the width dimension pseudo-small, thereby further reducing the risk that the width spurious crosses the main vibration.
  • each long side of the crystal piece 1110 may be appropriately selected in view of desired vibration characteristics.
  • the distance G between the long side edge 1112a of the crystal piece 1110 and the long side edge 1120a of the excitation electrode 1120, and the thickness T between the excitation electrodes 1120 and 1130 in the crystal piece 1110 Since the above relationship satisfies the above relational expression, good vibration characteristics can be obtained as described above.
  • a crystal resonator element according to a modification of the present embodiment will be described with reference to FIGS. In each of the following modifications, the configuration of the crystal piece is different from that described above.
  • FIG. 24 is a diagram for explaining the crystal resonator element according to the first modified example, and in this example, a crystal piece adopting a mesa structure in the so-called longitudinal direction is provided.
  • a crystal piece 1410 of the crystal resonator element 1400 includes a vibrating portion 1402 where excitation electrodes 1420 and 1430 overlap each other, and a thin end portion 1404 connected to the vibrating portion 1402 and formed thinner than the vibrating portion 1402. 1406.
  • the crystal piece 1410 has a long side parallel to the X axis and a short side parallel to the Z ′ axis, and the thin-walled end portions 1404 and 1406 have a long side of the crystal piece 1410. It is provided at both ends in the extending direction.
  • the excitation electrode 1420 is formed on the first surface 1412 that is one main surface of the vibration part 1402, while the excitation electrode 1430 is formed on the second surface 1414 that is the other main surface of the vibration part 1402. Yes.
  • the first and second surfaces 1412 and 1414 of the vibrating part 1402 are each formed in a rectangular shape that is long in the direction parallel to the X-axis direction.
  • the long side edge 1420a of the excitation electrode 1420 is parallel to the long-side edge 1412a on the Z′-axis positive direction side of the crystal piece 1410, and the excitation electrode
  • the relational expression for G / T is similarly applied to the relationship between the long side edge 1420b of the excitation electrode 1420 and the long side edge 1412b on the X axis negative direction side of the crystal piece 1410 on the Z ′ axis negative direction side. Is. Further, the relational expression of G / T is similarly applied to the long side of the crystal piece 1410 on the excitation electrode 1430 side.
  • the crystal piece 1410 has the thin-walled end portions 1404 and 1406 formed thinner than the vibrating portion 1402 at both ends in the longitudinal direction. In addition to being able to be obtained, it also has operational effects peculiar to mesa structures such as excellent vibration energy confinement.
  • FIG. 25 is a diagram for explaining a crystal resonator element according to a second modification, and in this example, a crystal piece having a mesa structure in a so-called short direction is provided.
  • the crystal piece 1510 of the crystal resonator element 1500 is connected to the vibrating portion 1502 in which the excitation electrode 1520 and an excitation electrode on the Y′-axis negative direction side (not shown) overlap each other, and the vibrating portion 1502. And thinner end portions 1504 and 1506 formed thinner.
  • the crystal piece 1510 has a long side parallel to the X axis and a short side parallel to the Z ′ axis, and the thin-walled end portions 1504 and 1506 have a short side of the crystal piece 1510. It is provided at both ends in the extending direction.
  • the excitation electrode 1520 is formed on the first surface 1512 which is one main surface of the vibration unit 1502, and the excitation electrode on the Y′-axis negative direction side which is not illustrated is the other main surface of the vibration unit 1502. Is formed on the second surface 1514.
  • the first and second surfaces 1512 and 1514 of the vibration unit 1502 are each formed in a rectangular shape that is long in a direction parallel to the X-axis direction.
  • the long side edge 1520a of the excitation electrode 1520 is parallel to the long-side edge 1512a on the Z′-axis positive direction side of the crystal piece 1510, and the excitation electrode
  • the relational expression for G / T is similarly applied to the relationship between the long side edge 1520b of the excitation electrode 1520 and the long side edge 1512b on the Z′-axis negative direction side of the crystal piece 1510 on the Z′-axis negative direction side. This is true. Further, the relational expression of G / T is similarly applied to the long side of the crystal piece 1510 on the excitation electrode 1530 side.
  • the crystal piece 1510 has the thin end portions 1504 and 1506 formed thinner at the both ends in the short direction than the vibration portion 1502, so that it has good vibration characteristics as already described. In addition to being able to obtain a mesa-type structure, such as excellent vibration energy confinement.
  • a crystal piece has a thin end part in each of a longitudinal direction and a transversal direction, and can provide the effect demonstrated about each aspect of FIG.24 and FIG.25.
  • FIG. 26 is a diagram for explaining a crystal resonator element according to a third modification.
  • a groove is formed between the end of the crystal piece and the resonator.
  • the excitation electrode 1620 is provided on the first surface 1612 and the excitation electrode 1630 is provided on the second surface 1614.
  • the first and second excitation electrodes 1620 and 1630 are provided to overlap each other with the crystal piece 1610 interposed therebetween.
  • the crystal piece 1610 has a vibrating portion 1602 in which the first and second excitation electrodes 1620 and 1630 overlap each other.
  • the crystal piece 1610 has a long side parallel to the X axis and a short side parallel to the Z ′ axis, as in the example shown in FIG.
  • a first end 1604 is provided on the X-axis positive direction side in the direction in which the long side of the crystal piece 1610 extends, and a second end 1606 is provided on the opposite X-axis negative direction side. That is, the vibration unit 1602 is provided between the first end 1604 and the second end 1606.
  • grooves 1608 and 1609 are formed between the first end 1604 and the vibration part 1602 and between the second end 1606 and the vibration part 1602, respectively. These grooves 1608 and 1609 extend from one long side edge 1612a of the crystal piece 1610 to the other long side edge 1612b.
  • the grooves 1608 and 1609 are formed on the Y ′ positive direction side of the crystal piece 1610.
  • channel may be similarly formed in the Y 'negative direction side of the crystal piece 1610, respectively.
  • the depths of the grooves 1608 and 1609 are not particularly limited, and may be set as appropriate so as to obtain desired vibration characteristics.
  • the cross-sectional shape orthogonal to the extending direction of the grooves 1608 and 1609 is not particularly limited, and may be a concave shape having a bottom surface as shown in FIG. 26, or may be constituted by two inclined side surfaces. V shape may be sufficient.
  • the grooves 1608 and 1609 may have the same cross-sectional shape in the extending direction as shown in FIG. 26, or may have different cross-sectional shapes such as different groove widths.
  • the excitation electrode 1620 is formed on the first surface 1612 that is one main surface of the vibration portion 1602, and the excitation electrode 1630 is formed on the second surface 1614 that is the other main surface of the vibration portion 1602.
  • the first and second surfaces 1612 and 1614 of the vibration unit 1602 are each formed in a rectangular shape having a long side parallel to the X axis and a short side parallel to the Z ′ axis.
  • the long side edge 1620a of the excitation electrode 1620 is parallel to the Z′-axis positive direction side long side edge 1612a of the crystal piece 1610, and the excitation electrode
  • G / T has a relational expression.
  • the relational expression for G / T is similarly applied to the relationship between the long side edge 1620b of the excitation electrode 1620 and the long side edge 1612b on the Z′-axis negative direction side of the crystal piece 1610 on the Z′-axis negative direction side. This is true.
  • the G / T relational expression applies similarly to the long side of the crystal piece 1610 on the excitation electrode 1630 side.
  • grooves 1608 and 1609 are formed between the first end 1604 and the vibration part 1602 and between the second end 1606 and the vibration part 1602, so-called mesa. It has a function and effect peculiar to the mold structure. In other words, as described above, in addition to being able to obtain good vibration characteristics, it also has operational effects peculiar to mesa structures such as excellent vibration energy confinement.
  • the mode of the groove is not limited to this, and the groove may be one extending in the direction of the short side of the crystal piece. Alternatively, three or more rows of grooves extending in the direction of the short side of the crystal piece may be arranged in the direction of the long side of the crystal piece. As yet another aspect, for example, one wide groove may be formed between the first end and the second end of the crystal piece, and an excitation electrode may be formed on the bottom surface of the groove. In this case, the bottom surface of the groove in which the excitation electrode is formed becomes the main surface of the vibration part.
  • the configuration according to the present embodiment may have vibration characteristics based on the full width thickness sliding vibration mode described in the first embodiment.
  • uniform vibration can be obtained by the occurrence of full-width thickness sliding vibration. Therefore, even better vibration characteristics can be obtained.
  • the entire crystal piece or each configuration has been described as having a substantially rectangular parallelepiped shape.
  • the present invention is not limited to this.
  • a bevel structure or a convex structure can be used.
  • the thickness T can be applied to the thickest portion (for example, the central portion of the excitation electrode) between the respective excitation electrodes.
  • the vibration distribution of the full width thickness sliding vibration mode in the crystal piece occurs on both the front and back surfaces of the crystal piece.
  • each embodiment described above is for facilitating understanding of the present invention, and is not intended to limit the present invention.
  • the present invention can be changed / improved without departing from the spirit thereof, and the present invention includes equivalents thereof.
  • those obtained by appropriately modifying the design of each embodiment by those skilled in the art are also included in the scope of the present invention as long as they include the features of the present invention.
  • each element included in each embodiment and its arrangement, material, condition, shape, size, and the like are not limited to those illustrated, and can be changed as appropriate.
  • each element included in each embodiment can be combined as much as technically possible, and combinations thereof are included in the scope of the present invention as long as they include the features of the present invention.

Landscapes

  • Physics & Mathematics (AREA)
  • Acoustics & Sound (AREA)
  • Engineering & Computer Science (AREA)
  • Manufacturing & Machinery (AREA)
  • Piezo-Electric Or Mechanical Vibrators, Or Delay Or Filter Circuits (AREA)
  • Oscillators With Electromechanical Resonators (AREA)
PCT/JP2016/079920 2015-10-08 2016-10-07 水晶振動素子、及びこの水晶振動素子を備える水晶振動子 Ceased WO2017061591A1 (ja)

Priority Applications (7)

Application Number Priority Date Filing Date Title
JP2017519950A JP6268629B2 (ja) 2015-10-08 2016-10-07 水晶振動素子、及びこの水晶振動素子を備える水晶振動子
CN202110685427.XA CN113472310B (zh) 2015-10-08 2016-10-07 水晶振动元件、以及具备该水晶振动元件的水晶振子
CN201680058556.3A CN108352821B (zh) 2015-10-08 2016-10-07 水晶振动元件、以及具备该水晶振动元件的水晶振子
US15/943,858 US11277115B2 (en) 2015-10-08 2018-04-03 Crystal vibration element, and crystal vibrator equipped with crystal vibration element
US15/943,884 US11075615B2 (en) 2015-10-08 2018-04-03 Crystal vibration element, and crystal vibrator equipped with crystal vibration element
US15/943,919 US11139796B2 (en) 2015-10-08 2018-04-03 Crystal vibration element, and crystal vibrator equipped with crystal vibration element
US15/943,937 US11038485B2 (en) 2015-10-08 2018-04-03 Crystal vibration element, and crystal vibrator equipped with crystal vibration element

Applications Claiming Priority (6)

Application Number Priority Date Filing Date Title
JP2015-200232 2015-10-08
JP2015200232 2015-10-08
JP2016059077 2016-03-23
JP2016-059077 2016-03-23
JP2016089765 2016-04-27
JP2016-089765 2016-04-27

Related Child Applications (4)

Application Number Title Priority Date Filing Date
US15/943,937 Continuation US11038485B2 (en) 2015-10-08 2018-04-03 Crystal vibration element, and crystal vibrator equipped with crystal vibration element
US15/943,919 Continuation US11139796B2 (en) 2015-10-08 2018-04-03 Crystal vibration element, and crystal vibrator equipped with crystal vibration element
US15/943,858 Continuation US11277115B2 (en) 2015-10-08 2018-04-03 Crystal vibration element, and crystal vibrator equipped with crystal vibration element
US15/943,884 Continuation US11075615B2 (en) 2015-10-08 2018-04-03 Crystal vibration element, and crystal vibrator equipped with crystal vibration element

Publications (1)

Publication Number Publication Date
WO2017061591A1 true WO2017061591A1 (ja) 2017-04-13

Family

ID=58487901

Family Applications (1)

Application Number Title Priority Date Filing Date
PCT/JP2016/079920 Ceased WO2017061591A1 (ja) 2015-10-08 2016-10-07 水晶振動素子、及びこの水晶振動素子を備える水晶振動子

Country Status (5)

Country Link
US (4) US11038485B2 (enExample)
JP (2) JP6268629B2 (enExample)
CN (2) CN113472310B (enExample)
TW (2) TWI718368B (enExample)
WO (1) WO2017061591A1 (enExample)

Cited By (3)

* Cited by examiner, † Cited by third party
Publication number Priority date Publication date Assignee Title
JP2018164193A (ja) * 2017-03-27 2018-10-18 京セラクリスタルデバイス株式会社 水晶素子および水晶デバイス
US20190051814A1 (en) * 2017-08-09 2019-02-14 Nihon Dempa Kogyo Co., Ltd. Crystal unit and manufacturing method thereof
WO2019167920A1 (ja) * 2018-02-28 2019-09-06 株式会社村田製作所 振動基板、振動素子、及び振動子

Families Citing this family (11)

* Cited by examiner, † Cited by third party
Publication number Priority date Publication date Assignee Title
WO2016132767A1 (ja) * 2015-02-18 2016-08-25 株式会社村田製作所 圧電振動デバイス及びその製造方法
CN113472310B (zh) * 2015-10-08 2025-03-11 株式会社村田制作所 水晶振动元件、以及具备该水晶振动元件的水晶振子
JP2019193066A (ja) * 2018-04-24 2019-10-31 日本電波工業株式会社 水晶振動子
US10840882B2 (en) * 2018-04-24 2020-11-17 Nihon Dempa Kogyo Co., Ltd. Crystal unit and manufacturing method thereof
JP6760430B1 (ja) * 2019-03-27 2020-09-23 株式会社大真空 水晶振動デバイス
US11145726B2 (en) * 2019-10-16 2021-10-12 Applied Materials, Inc. Doped through-contact structures
JP7396858B2 (ja) * 2019-11-01 2023-12-12 日本電波工業株式会社 圧電デバイス及びその製造方法
JP7514196B2 (ja) * 2021-02-12 2024-07-10 日本電波工業株式会社 圧電デバイス及びその製造方法
TWI773193B (zh) * 2021-03-15 2022-08-01 台灣嘉碩科技股份有限公司 晶體裝置及諧振元件
US12388415B2 (en) * 2021-05-28 2025-08-12 Nihon Dempa Kogyo Co., Ltd. Crystal unit, semimanufactured crystal unit, and method for manufacturing crystal unit
CN113556099B (zh) * 2021-06-11 2022-10-14 成都泰美克晶体技术有限公司 压电石英晶体振荡片、谐振器和振荡器

Citations (8)

* Cited by examiner, † Cited by third party
Publication number Priority date Publication date Assignee Title
JPS5186977U (enExample) * 1974-12-28 1976-07-12
JPS5677129U (enExample) * 1979-11-16 1981-06-23
JPS60160633U (ja) * 1984-03-31 1985-10-25 御代田精密株式会社 Atカツト小型矩形水晶振動子の電極構造
JPS61147613A (ja) * 1984-12-21 1986-07-05 Nippon Dempa Kogyo Co Ltd 厚みすべり型圧電振動子
JPS63221706A (ja) * 1987-03-11 1988-09-14 Matsushima Kogyo Co Ltd 矩形状at振動子
JP2009044237A (ja) * 2007-08-06 2009-02-26 Epson Toyocom Corp 圧電デバイスの周波数調整方法、並びに圧電デバイス、および周波数調整用マスク
JP2011151667A (ja) * 2010-01-22 2011-08-04 Murata Mfg Co Ltd 圧電共振子
JP2013192052A (ja) * 2012-03-14 2013-09-26 Nippon Dempa Kogyo Co Ltd 水晶デバイス及びその製造方法。

Family Cites Families (39)

* Cited by examiner, † Cited by third party
Publication number Priority date Publication date Assignee Title
JPS5186977A (ja) * 1975-01-29 1976-07-30 Hitachi Ltd Denkaikokatoranjisutatosonoseizohoho
JPS5636814B2 (enExample) 1975-02-21 1981-08-26
JPS542092A (en) * 1977-06-07 1979-01-09 Nippon Denpa Kogyo Kk Thickness slide piezooelectric vibrator holding structure
JPS5494173U (enExample) * 1977-12-16 1979-07-03
JPS5677129A (en) * 1979-11-29 1981-06-25 Yamashiro Seiki Seisakusho:Kk Small portable injection molding machine
JPS61123211A (ja) * 1984-11-19 1986-06-11 Murata Mfg Co Ltd 圧電振動子および圧電振動子の振動周波数調整方法
JPS61201512A (ja) * 1985-03-04 1986-09-06 Murata Mfg Co Ltd 圧電振動子
JPH07108039B2 (ja) * 1985-11-01 1995-11-15 耕司 戸田 正方形板振動子駆動方法
JPH0748633B2 (ja) 1987-03-11 1995-05-24 日本ビクター株式会社 オ−デイオ用振幅及び群遅延の調整装置
JP2001007677A (ja) 1999-06-24 2001-01-12 Toyo Commun Equip Co Ltd 水晶振動子
US6621194B1 (en) * 1999-11-15 2003-09-16 Matsushita Electric Industrial Co., Ltd. Piezoelectric element having thickness shear vibration and mobile communication device using the same
JP2002340559A (ja) * 2001-05-11 2002-11-27 Piedekku Gijutsu Kenkyusho:Kk 水晶角速度センサ
JP4249502B2 (ja) * 2003-02-04 2009-04-02 日本電波工業株式会社 圧電結晶材料及び圧電振動子
JP2006166390A (ja) 2004-02-05 2006-06-22 Seiko Epson Corp 圧電振動片、圧電振動子及び圧電発振器
JP3838260B2 (ja) 2004-10-14 2006-10-25 株式会社村田製作所 エネルギー閉じ込め型圧電共振子
US7745979B2 (en) * 2005-08-22 2010-06-29 Seiko Epson Corporation Piezoelectric device
JP4305542B2 (ja) * 2006-08-09 2009-07-29 エプソントヨコム株式会社 Atカット水晶振動片及びその製造方法
JP2008283665A (ja) * 2007-04-10 2008-11-20 Epson Toyocom Corp 輪郭振動子
CN101884168B (zh) 2007-12-06 2013-07-03 株式会社村田制作所 压电振动部件
JP4553047B2 (ja) * 2008-03-12 2010-09-29 セイコーエプソン株式会社 ラム波型共振子及び発振器
JP2010252303A (ja) * 2009-03-25 2010-11-04 Seiko Epson Corp 屈曲振動片およびそれを用いた発振器
JP5471303B2 (ja) * 2009-10-27 2014-04-16 セイコーエプソン株式会社 振動片及び振動子
JP5589167B2 (ja) 2010-11-19 2014-09-17 セイコーエプソン株式会社 圧電振動片および圧電振動子
US8963402B2 (en) * 2010-11-30 2015-02-24 Seiko Epson Corporation Piezoelectric vibrator element, piezoelectric module, and electronic device
JP2012156978A (ja) 2011-01-05 2012-08-16 Nippon Dempa Kogyo Co Ltd Atカットの水晶振動片、水晶デバイス及び水晶振動片の製造方法
JP5708089B2 (ja) 2011-03-18 2015-04-30 セイコーエプソン株式会社 圧電振動素子、圧電振動子、圧電発振器及び電子デバイス
JP5773418B2 (ja) 2011-05-06 2015-09-02 日本電波工業株式会社 圧電振動片、圧電振動片を有する圧電デバイス及び圧電デバイスの製造方法
JP5804825B2 (ja) * 2011-07-29 2015-11-04 京セラクリスタルデバイス株式会社 水晶振動素子及び水晶デバイス
JP2013051512A (ja) 2011-08-30 2013-03-14 Nippon Dempa Kogyo Co Ltd 水晶振動子
JP5943186B2 (ja) * 2012-03-19 2016-06-29 セイコーエプソン株式会社 振動片、振動子、電子デバイス、および電子機器
JP5943187B2 (ja) 2012-03-21 2016-06-29 セイコーエプソン株式会社 振動素子、振動子、電子デバイス、および電子機器
JP2013255051A (ja) * 2012-06-06 2013-12-19 Seiko Epson Corp 振動素子、振動子、電子デバイス、電子機器及び振動素子の製造方法
JP2014036426A (ja) 2012-08-10 2014-02-24 Nippon Dempa Kogyo Co Ltd 圧電振動片及び圧電デバイス
JP5423870B2 (ja) 2012-12-25 2014-02-19 セイコーエプソン株式会社 メサ型圧電振動片及び圧電デバイス
US20160164490A1 (en) 2013-03-27 2016-06-09 Nihon Dempa Kogyo Co., Ltd. Piezoelectric device and method for fabricating the same
JP6133697B2 (ja) 2013-06-12 2017-05-24 日本電波工業株式会社 圧電振動片、圧電デバイス、及び圧電デバイスの製造方法
JP6338367B2 (ja) 2013-12-24 2018-06-06 日本電波工業株式会社 水晶振動子
US9503045B2 (en) * 2015-01-19 2016-11-22 Seiko Epson Corporation Resonator element, resonator, oscillator, electronic apparatus, and moving object
CN113472310B (zh) * 2015-10-08 2025-03-11 株式会社村田制作所 水晶振动元件、以及具备该水晶振动元件的水晶振子

Patent Citations (8)

* Cited by examiner, † Cited by third party
Publication number Priority date Publication date Assignee Title
JPS5186977U (enExample) * 1974-12-28 1976-07-12
JPS5677129U (enExample) * 1979-11-16 1981-06-23
JPS60160633U (ja) * 1984-03-31 1985-10-25 御代田精密株式会社 Atカツト小型矩形水晶振動子の電極構造
JPS61147613A (ja) * 1984-12-21 1986-07-05 Nippon Dempa Kogyo Co Ltd 厚みすべり型圧電振動子
JPS63221706A (ja) * 1987-03-11 1988-09-14 Matsushima Kogyo Co Ltd 矩形状at振動子
JP2009044237A (ja) * 2007-08-06 2009-02-26 Epson Toyocom Corp 圧電デバイスの周波数調整方法、並びに圧電デバイス、および周波数調整用マスク
JP2011151667A (ja) * 2010-01-22 2011-08-04 Murata Mfg Co Ltd 圧電共振子
JP2013192052A (ja) * 2012-03-14 2013-09-26 Nippon Dempa Kogyo Co Ltd 水晶デバイス及びその製造方法。

Cited By (6)

* Cited by examiner, † Cited by third party
Publication number Priority date Publication date Assignee Title
JP2018164193A (ja) * 2017-03-27 2018-10-18 京セラクリスタルデバイス株式会社 水晶素子および水晶デバイス
US20190051814A1 (en) * 2017-08-09 2019-02-14 Nihon Dempa Kogyo Co., Ltd. Crystal unit and manufacturing method thereof
JP2019033410A (ja) * 2017-08-09 2019-02-28 日本電波工業株式会社 水晶振動子およびその製造方法
US10819307B2 (en) * 2017-08-09 2020-10-27 Nihon Dempa Kogyo Co., Ltd. Crystal unit and manufacturing method thereof
WO2019167920A1 (ja) * 2018-02-28 2019-09-06 株式会社村田製作所 振動基板、振動素子、及び振動子
US11824521B2 (en) 2018-02-28 2023-11-21 Murata Manufacturing Co., Ltd. Vibration substrate having a pair of holding portions and a beam portion connecting the holding portions, vibrator, and vibrator unit

Also Published As

Publication number Publication date
CN108352821A (zh) 2018-07-31
JP6819882B2 (ja) 2021-01-27
US11139796B2 (en) 2021-10-05
CN108352821B (zh) 2021-11-23
CN113472310B (zh) 2025-03-11
US20180241372A1 (en) 2018-08-23
JP2017220954A (ja) 2017-12-14
CN113472310A (zh) 2021-10-01
TW201830741A (zh) 2018-08-16
JPWO2017061591A1 (ja) 2017-10-19
US11277115B2 (en) 2022-03-15
JP6268629B2 (ja) 2018-01-31
US11075615B2 (en) 2021-07-27
US11038485B2 (en) 2021-06-15
US20180226943A1 (en) 2018-08-09
TWI630737B (zh) 2018-07-21
US20180248536A1 (en) 2018-08-30
US20180226944A1 (en) 2018-08-09
TW201727955A (zh) 2017-08-01
TWI718368B (zh) 2021-02-11

Similar Documents

Publication Publication Date Title
JP6268629B2 (ja) 水晶振動素子、及びこの水晶振動素子を備える水晶振動子
JP4936221B2 (ja) メサ型圧電振動片、メサ型圧電振動デバイス、発振器、及び電子機器
JP5708089B2 (ja) 圧電振動素子、圧電振動子、圧電発振器及び電子デバイス
JP5982898B2 (ja) 振動素子、振動子、電子デバイス、発振器、及び電子機器
JP5046012B2 (ja) 振動片、振動デバイス、発振器及び電子機器
US10205434B2 (en) Piezoelectric resonator unit and method of manufacturing the same
JP5824967B2 (ja) 振動素子、振動子、電子デバイス、及び電子機器
JP6052651B1 (ja) 水晶振動子
JP5446941B2 (ja) 圧電振動片
JPH11346139A (ja) 圧電共振子
JP5413486B2 (ja) 振動片、振動デバイス、発振器、及び電子機器
JP5293852B2 (ja) メサ型圧電振動片、メサ型圧電振動デバイス、発振器、及び電子機器
JP4640511B2 (ja) 圧電振動素子、圧電振動子、及び圧電発振器
JP5617983B2 (ja) 音叉型圧電振動片、および音叉型圧電振動デバイス
US8212458B2 (en) Flexural-mode tuning-fork type quartz crystal resonator

Legal Events

Date Code Title Description
ENP Entry into the national phase

Ref document number: 2017519950

Country of ref document: JP

Kind code of ref document: A

121 Ep: the epo has been informed by wipo that ep was designated in this application

Ref document number: 16853742

Country of ref document: EP

Kind code of ref document: A1

NENP Non-entry into the national phase

Ref country code: DE

122 Ep: pct application non-entry in european phase

Ref document number: 16853742

Country of ref document: EP

Kind code of ref document: A1