WO2015114751A1 - 電動パワーステアリング装置 - Google Patents
電動パワーステアリング装置 Download PDFInfo
- Publication number
- WO2015114751A1 WO2015114751A1 PCT/JP2014/051931 JP2014051931W WO2015114751A1 WO 2015114751 A1 WO2015114751 A1 WO 2015114751A1 JP 2014051931 W JP2014051931 W JP 2014051931W WO 2015114751 A1 WO2015114751 A1 WO 2015114751A1
- Authority
- WO
- WIPO (PCT)
- Prior art keywords
- unit
- steering
- current command
- command value
- motor
- Prior art date
- Legal status (The legal status is an assumption and is not a legal conclusion. Google has not performed a legal analysis and makes no representation as to the accuracy of the status listed.)
- Ceased
Links
Images
Classifications
-
- B—PERFORMING OPERATIONS; TRANSPORTING
- B62—LAND VEHICLES FOR TRAVELLING OTHERWISE THAN ON RAILS
- B62D—MOTOR VEHICLES; TRAILERS
- B62D5/00—Power-assisted or power-driven steering
- B62D5/04—Power-assisted or power-driven steering electrical, e.g. using an electric servo-motor connected to, or forming part of, the steering gear
- B62D5/0457—Power-assisted or power-driven steering electrical, e.g. using an electric servo-motor connected to, or forming part of, the steering gear characterised by control features of the drive means as such
- B62D5/046—Controlling the motor
- B62D5/0472—Controlling the motor for damping vibrations
-
- B—PERFORMING OPERATIONS; TRANSPORTING
- B62—LAND VEHICLES FOR TRAVELLING OTHERWISE THAN ON RAILS
- B62D—MOTOR VEHICLES; TRAILERS
- B62D5/00—Power-assisted or power-driven steering
- B62D5/04—Power-assisted or power-driven steering electrical, e.g. using an electric servo-motor connected to, or forming part of, the steering gear
- B62D5/0457—Power-assisted or power-driven steering electrical, e.g. using an electric servo-motor connected to, or forming part of, the steering gear characterised by control features of the drive means as such
- B62D5/046—Controlling the motor
- B62D5/0463—Controlling the motor calculating assisting torque from the motor based on driver input
-
- B—PERFORMING OPERATIONS; TRANSPORTING
- B62—LAND VEHICLES FOR TRAVELLING OTHERWISE THAN ON RAILS
- B62D—MOTOR VEHICLES; TRAILERS
- B62D1/00—Steering controls, i.e. means for initiating a change of direction of the vehicle
- B62D1/24—Steering controls, i.e. means for initiating a change of direction of the vehicle not vehicle-mounted
- B62D1/28—Steering controls, i.e. means for initiating a change of direction of the vehicle not vehicle-mounted non-mechanical, e.g. following a line or other known markers
-
- B—PERFORMING OPERATIONS; TRANSPORTING
- B62—LAND VEHICLES FOR TRAVELLING OTHERWISE THAN ON RAILS
- B62D—MOTOR VEHICLES; TRAILERS
- B62D6/00—Arrangements for automatically controlling steering depending on driving conditions sensed and responded to, e.g. control circuits
- B62D6/002—Arrangements for automatically controlling steering depending on driving conditions sensed and responded to, e.g. control circuits computing target steering angles for front or rear wheels
-
- B—PERFORMING OPERATIONS; TRANSPORTING
- B62—LAND VEHICLES FOR TRAVELLING OTHERWISE THAN ON RAILS
- B62D—MOTOR VEHICLES; TRAILERS
- B62D6/00—Arrangements for automatically controlling steering depending on driving conditions sensed and responded to, e.g. control circuits
- B62D6/008—Control of feed-back to the steering input member, e.g. simulating road feel in steer-by-wire applications
-
- B—PERFORMING OPERATIONS; TRANSPORTING
- B62—LAND VEHICLES FOR TRAVELLING OTHERWISE THAN ON RAILS
- B62D—MOTOR VEHICLES; TRAILERS
- B62D6/00—Arrangements for automatically controlling steering depending on driving conditions sensed and responded to, e.g. control circuits
- B62D6/02—Arrangements for automatically controlling steering depending on driving conditions sensed and responded to, e.g. control circuits responsive only to vehicle speed
-
- B—PERFORMING OPERATIONS; TRANSPORTING
- B62—LAND VEHICLES FOR TRAVELLING OTHERWISE THAN ON RAILS
- B62D—MOTOR VEHICLES; TRAILERS
- B62D6/00—Arrangements for automatically controlling steering depending on driving conditions sensed and responded to, e.g. control circuits
- B62D6/08—Arrangements for automatically controlling steering depending on driving conditions sensed and responded to, e.g. control circuits responsive only to driver input torque
Definitions
- the present invention relates to an electric power steering apparatus which has functions of an automatic steering mode (parking support mode) and a manual steering mode and applies an assist force by a motor to a steering system of a vehicle.
- the present invention relates to an electric power steering apparatus in which the followability of a steering angle to a target steering angle is further improved.
- An electric power steering apparatus which applies a steering assist force (assist force) to a steering mechanism of a vehicle by a rotational force of a motor is a steering shaft or a rack shaft by a transmission mechanism such as a gear or a belt via a reduction gear.
- the steering assist power is given to the Such a conventional electric power steering apparatus (EPS) performs feedback control of motor current in order to generate torque of steering assist force accurately.
- the feedback control is to adjust the motor applied voltage so that the difference between the steering assist command value (current command value) and the motor current detection value becomes smaller, and the motor applied voltage is generally adjusted by PWM (pulse width It is performed by adjusting the duty of modulation) control.
- the column shaft (steering shaft) 2 of the steering wheel 1 passes through the reduction gear 3, the universal joints 4a and 4b, the pinion rack mechanism 5, and the tie rods 6a and 6b. Further, they are connected to steering wheels 8L and 8R via hub units 7a and 7b.
- the column shaft 2 is provided with a torque sensor 10 for detecting the steering torque of the steering wheel 1, and a motor 20 for assisting the steering force of the steering wheel 1 is connected to the column shaft 2 via the reduction gear 3.
- Electric power is supplied from the battery 13 to the control unit (ECU) 100 that controls the electric power steering apparatus, and an ignition key signal is input through the ignition key 11.
- ECU control unit
- the control unit 100 calculates the steering assist command value of the assist (steering assist) command on the basis of the steering torque Th detected by the torque sensor 10 and the vehicle speed Vel detected by the vehicle speed sensor 12 to obtain a steering assist command value.
- the current supplied to the motor 20 is controlled by the current control value E subjected to the compensation or the like.
- the vehicle speed Vel can also be received from a CAN (Controller Area Network) or the like.
- the stability of the system, road surface information and disturbance are conventionally determined by a robust stabilization compensation unit in the control unit 100 as shown in, for example, JP-A-8-290778 (Patent Document 1).
- the sensitivity characteristics of the information are designed at the same time.
- Patent Document 2 Japanese Patent Application Laid-Open No. 2002-369565
- a motor 20 for generating an auxiliary steering force of the steering apparatus is driven by a motor drive unit 21.
- the motor drive unit 21 is controlled by a control unit 100 shown by a two-dot chain line.
- the vehicle speed Vel from the vehicle speed detection system is input.
- a voltage Vm between motor terminals and a motor current value i are measured and output.
- the control unit 100 includes a torque system control unit 110 shown by a broken line which performs control using a steering torque Th, and a motor system control unit 120 shown by a dot-and-dash line which performs control related to driving of the motor 20.
- the torque system control unit 110 includes an assist amount calculation unit 111, a differentiation control unit 112, a yaw rate convergence control unit 113, a robust stabilization compensation unit 114, and a self aligning torque (SAT) estimation feedback unit 115.
- a subtraction unit 116C is provided.
- motor system control unit 120 includes compensation unit 121, disturbance estimation unit 122, motor angular velocity calculation unit 123, motor angular acceleration calculation unit 124, and motor characteristic compensation unit 125, and includes addition units 126A and 126B.
- the steering torque Th is input to the assist amount calculation unit 111, the differential control unit 112, the yaw rate convergence control unit 113, and the SAT estimation feedback unit 115, and all use the vehicle speed Vel as a parameter input.
- the assist amount calculation unit 111 calculates the assist torque amount based on the steering torque Th, and the yaw rate convergence control unit 113 receives the steering torque Th and the motor angular velocity ⁇ as input to improve the yaw convergence of the vehicle.
- the brakes are applied to the swinging motion.
- the differential control unit 112 improves the response of control near the neutral point of steering to realize smooth and smooth steering
- the SAT estimation feedback unit 115 calculates the steering torque Th and the assist amount calculation unit 111.
- a signal obtained by adding the output of the differential control unit 112 to the output of the differential control unit 112 by the addition unit 116A, the angular velocity ⁇ calculated by the motor angular velocity calculation unit 123, and the angular acceleration ⁇ from the motor angular acceleration calculation unit 124 are input
- the estimated and estimated SAT is subjected to signal processing using a feedback filter, and appropriate road surface information is given as a reaction force to the steering wheel.
- the signal obtained by adding the output of the yaw rate convergence control unit 113 by the addition unit 116B7 to the signal obtained by adding the output of the differentiation control unit 112 by the addition unit 116A to the output of the assist amount calculation unit 111 is robust stabilization as the assist amount AQ. It is input to the compensation unit 114.
- the robust stabilization compensation unit 114 is a compensation unit disclosed in, for example, Japanese Patent Laid-Open No. 8-290778, and removes a peak value at a resonant frequency of a resonant system including an inertial element and a spring element included in a detected torque to perform control. It compensates for the phase shift of the resonance frequency which impairs the responsiveness and stability of the system.
- the assist amount Ia capable of transmitting road surface information as a reaction force to the steering wheel is obtained.
- the motor angular velocity calculation unit 123 calculates the motor angular velocity ⁇ based on the voltage Vm between the motor terminals and the motor current value i.
- the motor angular velocity ⁇ corresponds to the motor angular acceleration calculation unit 124, the yaw rate convergence control unit 113 and SAT.
- the information is input to the estimation feedback unit 115.
- the motor angular acceleration calculation unit 124 calculates the motor angular acceleration ⁇ based on the input motor angular velocity ⁇ , and the calculated motor angular acceleration ⁇ is input to the motor characteristic compensation unit 125.
- the assist amount Ia obtained by subtracting the output of the SAT estimation feedback unit 115 from the output of the robust stabilization compensation unit 114 is added by the adding unit 126A to the output Ic of the motor characteristic compensation unit 125, and the added signal is differentiated as the current command value Ir.
- the signal is input to a compensation unit 121 including a compensation unit and the like.
- a signal obtained by adding the output of the disturbance estimation unit 122 by the addition unit 126 B to the current command value Ira compensated by the compensation unit 121 is input to the motor drive unit 21 and the disturbance estimation unit 122.
- the disturbance estimation unit 122 is a device as disclosed in JP-A-8-310417 and is a signal obtained by adding the output of the disturbance estimation unit 122 to the current command value Ira compensated by the compensation unit 121 which is a control target of the motor output. Based on the motor current value i, the desired motor control characteristic in the output reference of the control system can be maintained, and the stability of the control system is not lost.
- SAT is estimated from motor angular velocity ⁇ , motor angular acceleration ⁇ , steering assist force Tm and steering torque Th by obtaining in advance inertia J and static friction Fr of motor 20 as constants. Can. From this reason, the steering torque Th, the motor angular velocity ⁇ , the motor angular acceleration ⁇ , and the output of the assist amount calculation unit 111 are input to the SAT estimation feedback unit 115, respectively.
- the SAT estimated current value * SAT estimated by the SAT estimation feedback unit 115 is fed back as it is, the steering becomes too heavy, so the steering feeling can not be improved. Therefore, as shown in FIG. 4, the SAT estimated current value * SAT is signal-processed using a feedback filter 115A having a vehicle speed sensitive gain and a frequency characteristic, and only information necessary for improving steering feeling is fed back. .
- the feedback filter used here is, as a static characteristic gain, a Q filter (phase delay) 115B having a gain that reduces the size of the estimated SAT to a necessary and sufficient value, and a gain section sensitive to the vehicle speed Vel as shown in FIG.
- the road surface information to be fed back is made smaller if the road surface information is relatively low in importance, such as stationary and low speed driving, with the 115C.
- the SAT estimation feedback is configured so as to be compatible with the frequency band in which the disturbance to be suppressed exists and the frequency band in which the disturbance to be transmitted is present. There is no function to counteract positively.
- the brake judder is a floor pedal vibration generated when the vehicle is braked, and may be accompanied by a vibration in the steering rotation direction.
- the braking torque fluctuation generated by DTV (Disk Thickness Variation) of the brake disc is a source of excitation, and has primary and higher order components of the rotation of the wheel. This is amplified by resonance and the like before and after the suspension, and transmitted to the vehicle body and the steering system, resulting in floor pedal vibration and steering vibration.
- shimmy refers to vibration generated in the direction of steering rotation when the vehicle is traveling, and imbalances and non-uniformities in the rotating parts such as tires and wheels serve as an excitation source, and are amplified by suspension resonance, and steering via a steering system. It becomes vibration in the direction of rotation.
- Such a brake judder or shimmy is not considered at all in the device of Patent Document 2, and in JP 2002-145075 (PT 3) and JP 2002-161969 (PT 4), the brake judder or shimmy is not used.
- the device for damping the vibration is disclosed, all of them are mechanical responses, and there is a problem that the cost is increased and fine control such as vehicle speed response can not be performed.
- the inertia or friction of the steering system is large, the vibration due to the brake judder is not transmitted to the steering wheel, but it is desirable that the inertia or friction of the steering system be as small as possible for good steering feeling and vehicle stability.
- a target secondary steering angle or a target steering angle to be added by the secondary steering angle superposition mechanism is generated based on the steering wheel angle detection value from the steering wheel angle detection means and the transfer characteristic. So that the target secondary steering angle coincides with the secondary steering angle detection value from the secondary steering angle detection means, or the target secondary steering angle coincides with the secondary steering angle detection value from the secondary steering angle detection means.
- a target drive amount calculation means for calculating a target drive amount of the motor and a motor drive means for driving the motor according to the target drive amount are provided, and the steering wheel is steered according to the steering wheel of the driver.
- the steering angle control of the steering wheel is performed in the automatic steering mode such as parking assistance and automatic traveling, but the friction (SAT) that the tire receives from the road surface changes due to the effects of vehicle speed, road surface conditions (slope, moisture, etc.)
- SAT friction
- the followability of the actual steering angle with respect to the target steering angle of the column axis angle changes, and the solution of the problem is also demanded.
- the present invention has been made under the circumstances as described above, and an object of the present invention is to facilitate tuning by performing signal processing of road surface information and the like in a high frequency region, thereby suppressing brake judder and shimmy. Safe and comfortable steering performance can be obtained, and in automatic steering mode (parking support function), steering can be performed accurately according to the calculated target steering angle, and smooth steering can be performed even if the target steering angle is sudden steering, and low vehicle speed It is another object of the present invention to provide an electric power steering apparatus capable of always following a target steering angle by raising the response or the steady state deviation.
- the present invention calculates the motor current command value 1 based on the steering torque and the vehicle speed, drives the motor based on the motor current command value 1 to assist control of the steering system, and performs automatic steering mode and manual steering mode
- the object of the present invention is to provide a motor current command based on a target steering angle, an actual steering angle, a motor angular velocity and motor angular acceleration of the motor, the steering torque, and a previous current command value.
- a steering angle control unit that calculates a value 2; and a switching unit that inputs and switches the motor current command value 1 and the motor current command value 2; and the steering angle control unit controls the target steering angle and the actual steering.
- a feedback control unit that generates a feedback control current command value based on an angle, the motor angular velocity, and the steering torque; Motor current command value 2 from the feedback control current command value and the SAT compensation current command value, and a SAT compensation unit that generates a SAT compensation current command value based on the angular acceleration, the steering torque, and the previous current command value.
- the switching unit is switched according to a switching command of the automatic steering mode and the manual steering mode, and drive control of the motor is performed based on the motor current command value 2 in the automatic steering mode. Is achieved by
- the object of the present invention is to provide a rate limiter for smoothing the target steering angle by the feedback control unit, an LPF connected to the output of the rate limiter, and an angular deviation between the output of the LPF and the actual steering angle.
- a first proportional gain unit for multiplying by a proportional gain
- an integral gain unit for integrating an error gain from the first proportional gain unit and a velocity deviation between the motor angular velocity and an integral gain, and multiplying the velocity deviation by a proportional gain
- Output of the differential gain unit according to a deviation value between the output of the integral gain unit and the output of the second proportional gain unit.
- the output unit that outputs the feedback control current command value by limiting the upper and lower limit values by adding A SAT estimation unit that calculates a SAT estimated current value based on a motor angular velocity, the motor angular acceleration, and a previous current command value, an LPF that receives the SAT estimated current value and has a cutoff frequency characteristic higher than the angle response frequency And the vehicle speed sensitive gain unit that outputs the SAT compensation current command value by multiplying the output of the LPF by the vehicle speed variable gain, or the SAT estimation unit determines the viscosity coefficient of friction to the motor angular velocity.
- a first subtraction unit that subtracts a value obtained by multiplying angular acceleration by inertia from the addition result of the addition unit, and a value obtained by encoding the motor angular velocity and multiplying friction are subtracted from the subtraction result of the first subtraction unit More effectively by comprising a second subtracting unit for outputting the SAT estimated current value, or by connecting a limiter for limiting the upper and
- the target steering angle calculated from data of a camera (image), distance sensor, etc.
- control gain is increased to increase responsiveness or steady state deviation, and the target steering angle can be approached even at low vehicle speeds.
- the SAT is estimated, this estimated SAT is filtered by an LPF set to a cutoff frequency higher than the angle response frequency, the filtered value is multiplied by the vehicle speed gain set according to the vehicle speed, and a compensation value is obtained. Since the addition is performed, the followability of the actual steering angle to the target steering angle can be further improved.
- the steering angle control of the steering wheel is performed in the automatic steering mode such as parking assistance and automatic traveling, but the friction (SAT) the tire receives from the road surface changes due to the influence of the vehicle speed and road surface conditions (tilt, moisture etc.)
- SAT friction
- the present invention estimates the SAT, filters this estimated SAT with an LPF set to a cutoff frequency higher than the angular response frequency, and sets the SAT value after filtering according to the vehicle speed.
- the followability of the actual steering angle to the target steering angle is improved by multiplying by the above and adding to the current command value as the compensation value.
- the feedback control current command value generated by the feedback control unit is added from the SAT compensation current command value generated by the SAT compensation unit to cancel the influence of the reaction force (SAT) received from the road surface by the tire. Generates a motor torque.
- SAT reaction force
- the influence of SAT disturbance generated during the steering angle control can be suppressed, and the followability of the steering angle control to the target steering angle can be improved.
- the SAT changes according to the friction ⁇ between the tire and the road surface, which changes the response of the steering angle, which makes the vehicle difficult to handle.
- FIG. 6A shows an example of the steering angle response waveform
- FIG. 6B shows an example of the SAT estimated value waveform
- FIGS. 6A and 6B show response waveforms when a SAT disturbance step as shown in FIG. 6C is input after 1 second from time (second).
- an LPF low-pass filter
- the steering angle response waveform and the SAT estimated value waveform change.
- the road surface reaction force (SAT) transmitted to the steering system through the tire varies depending on the vehicle speed. Therefore, when automatically controlling the steering to the calculated target steering angle in the automatic steering mode, the response of the steering angle differs depending on the vehicle speed. Therefore, in the present invention, the motor current command value for automatic control is adjusted in accordance with the vehicle speed to reduce the influence of the road surface reaction force that the tire receives from the road surface. Further, in the present invention, the target steering angle is smoothed by the rate limiter, and the effect of reducing the steering wheel angle response is obtained even when the target steering angle is suddenly changed. Regardless of the vehicle speed, the vehicle can be accurately moved relative to the target steering angle, which is safer for the driver.
- FIG. 7 shows a configuration example of the present invention, in which a rotation sensor 151 such as a resolver for detecting a motor rotation angle ⁇ s is connected to the motor 150.
- the motor 150 is an ECU 130 and EPS (electric power Driving is controlled via the ECU 140 on the steering device side.
- the ECU 130 on the vehicle side outputs a switching command unit 131 that outputs a switching command SW for the automatic steering mode or the manual steering mode based on a button, a switch or the like indicating the driver's intention, and a signal such as a camera (image) or distance sensor
- a target steering angle generation unit 132 that generates a target steering angle ⁇ t based on
- the actual steering angle ⁇ r detected by the steering angle sensor 152 provided on the column axis and the vehicle speed Vel from the vehicle speed sensor 153 are input to the steering angle control unit 200 in the ECU 140 on the EPS side via the ECU 130.
- the steering angle sensor 152 may be a column axis (including intermediate and pinion shafts), rack displacement of a rack and pinion, and a steering angle estimated value by wheel speed.
- the vehicle speed Vel can also be received from CAN or the like.
- the switching command unit 131 is based on a signal identifying that the vehicle is in the automatic steering mode, for example, a signal of a vehicle state by a button or a switch provided around the dashboard or steering wheel or a parking mode provided at a shift.
- the switching command SW is output to the switching unit 142 in the ECU 140 on the EPS side.
- the target steering angle generation unit 132 generates a target steering angle ⁇ t by a known method based on data of a camera (image), a distance sensor, etc., and generates the target steering angle ⁇ t as a rudder in the ECU 140 on the EPS side. Input to the angle control unit 200.
- the ECU 140 on the EPS side outputs the target steering angle ⁇ t, the actual steering angle ⁇ r, the vehicle speed Vel, and the torque control unit 141 which outputs the motor current command value Itref calculated as described above based on the steering torque Th and the vehicle speed Vel.
- a steering angle control unit 200 that calculates and outputs a motor current command value Imref for automatic steering angle control based on the steering torque Th from the sensor 154, the motor angular velocity ⁇ , and the motor angular acceleration ⁇ , and the motor current by the switching command SW Current control / drive unit 143 which drives and controls motor 150 based on switching unit 142 switching command values Itref and Imref, and motor current command value (Itref or Imref) from switching unit 142, motor rotation from rotation sensor 151
- a motor angular velocity calculation unit 144 that calculates the motor angular velocity ⁇ based on the angle ⁇ s; It has and a motor angular acceleration calculation unit 145 for calculating the motor angular acceleration ⁇ based on the angular velocity omega.
- Switching unit 142 switches torque control mode (manual steering mode) by torque control unit 141 and automatic steering mode by steering angle control unit 200 based on switching command SW from switching command unit 131 of ECU 130, and performs torque control.
- the motor current command value Itref is output
- the motor current command value Imref is output.
- the current control / drive unit 143 is configured by a PI current control unit, a PWM control unit, an inverter, and the like.
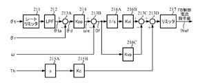
- the configuration of the steering angle control unit 200 is as shown in FIG. 8, and the feedback control current command value Ifref is calculated by inputting the target steering angle ⁇ t, the actual steering angle ⁇ r, the motor angular velocity ⁇ and the steering torque Th.
- SAT compensation current command value Isref is calculated by inputting the feedback control unit 210 which outputs and outputs the motor angular velocity ⁇ , the steering torque Th, the motor angular acceleration ⁇ , and the previous current command value Iref (Z -1 ) Unit 230, an adding unit 201 which adds the SAT compensation current command value Isref to the feedback control current command value Ifref and outputs the motor current command value Imo, and adds the motor current command value Imo to the current command value to produce the motor current command It comprises the addition part 202 which outputs value Imref.
- the feedback control unit 210 has a function of suppressing torsional vibration generated by the torsion bar and the steering inertia. Further, the adding unit 201 and the adding unit 202 constitute an output unit.
- the feedback control unit 210 is configured as shown in FIG. 9 and is a position control system in which the speed control loop system is a minor loop, and smoothing is performed when the target steering angle ⁇ t changes rapidly, that is, a predetermined time
- the target steering angle ⁇ t is input to the rate limiter 211 that smoothly changes within the range of change rate, and the target steering angle ⁇ ta that has passed through the LPF 212 that removes high frequency disturbance is additionally input to the subtracting unit 213A.
- the actual steering angle ⁇ r is subtracted and input to the subtracting unit 213A, the angular deviation from the smoothed target steering angle ⁇ ta is multiplied by the gain Kpp by the proportional gain (Kpp) unit 214, and added and input to the subtracting unit 213B as the error speed ⁇ e. Ru.
- the motor angular velocity ⁇ is subtracted from the motor angular velocity calculation unit 144 into the subtraction unit 213B, and the calculated speed deviation Df is passed through the integration unit 216A, multiplied by the gain Kvi by the integration gain (Kvi) unit 216B, and added to the subtraction unit 213C.
- the speed deviation Df is multiplied by the gain Kvp by the proportional gain (Kvp) unit 216C and subtracted and input to the subtraction unit 213C.
- the subtraction result in the subtraction unit 213C is input to the addition unit 213D.
- the steering torque Th from the torque sensor 154 passes through the differential unit 215A, is multiplied by the gain Kc by the differential gain (Kc) unit 215B, is input to the addition unit 213D, and the addition result by the addition unit 213D limits the upper and lower limit values by the limiter 217. And output as a feedback control current command value Ifref.
- An output unit is configured by the subtraction unit 213C, the addition unit 213D, and the limiter 217.
- the rate limiter 211 smooths and outputs the target steering angle ⁇ t when the target steering angle ⁇ t changes rapidly, and has a configuration as shown in FIG. 10, for example. That is, the target steering angle ⁇ t is additionally input to the subtraction unit 211-1, and the steering angle ⁇ t1 which is the subtraction result from the past value is set by the variation setting unit 211-2 as the variation setting unit 211-2.
- the change setting unit 211-2 sets the difference ⁇ t1 between the past value from the holding unit (Z -1 ) 211-4 and the input ( ⁇ t), and the change unit ⁇ t2 in the addition unit 211-3 and the past value The addition result is output as a new target steering angle ⁇ t3.
- the change amount setting unit 211-2 is for making the change amount not exceed the set upper limit and lower limit, and its characteristic is to obtain a difference with the input (target steering angle) ⁇ t every operation cycle T, and change If the difference is out of the range between the upper limit and the lower limit of the minute setting unit 211-2, the output ⁇ t3 is changed stepwise as shown in FIG. 11 by repeatedly adding the difference to the past value. The output ⁇ t3 is made to coincide with the target steering angle ⁇ t.
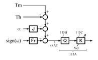
- the SAT compensation unit 230 obtains a SAT torque (converted to a column axis) from an equation of motion about the column axis, and obtains a SAT estimated current value I SAT that is a motor current corresponding to the SAT torque. Then, the SAT estimated current value I SAT is passed through an LPF set to a cutoff frequency higher than the angular response frequency, and is further multiplied by the vehicle speed sensitive gain set as the vehicle speed to obtain the SAT compensation current command value Isref.
- the SAT torque (in terms of column axis) is obtained from the equation of motion around the column axis, and the SAT estimated current value I SAT corresponding to the SAT torque is obtained as in the following formula 3.
- Ic is the column axis converted to the column axis, the pinion rack mechanism, the total moment of inertia of the tire, ⁇ c is the column axis angular velocity, Th is the steering torque (torsion torque of the torsion bar), and T Frc is the Coulomb friction acting on the column axis And c are column shaft viscous friction coefficients, and Kt is a coefficient (motor torque constant x speed reduction ratio) for converting current values into column shaft torques.
- the SAT compensation unit 230 based on Equation 3 is configured as shown in FIG.
- the motor angular velocity ⁇ is input to the viscous friction coefficient (c) unit 231, multiplied by the viscous friction coefficient c, and added to the adder / subtractor 232A. While being input, it is encoded by a sign unit 233, is multiplied by coulomb friction T Frc by a coulomb friction (T Frc ) unit 234, and is added to an addition / subtraction unit 232A.
- the coding part 233 and the coulomb friction part 234 constitute a coulomb friction part.
- the steering torque Th is subtracted and input to the adding and subtracting unit 232A, and the addition and subtraction result is added and input to the adding unit 232B.
- the motor angular acceleration ⁇ (here, the motor angular acceleration ⁇ is equal to the column axis angular acceleration) is input to the total moment of inertia (Ic) portion 235, multiplied by the total inertia moment Ic, and input to the adding portion 232B,
- the addition result is input to the coefficient (1 / Kt) unit 236, multiplied by 1 / Kt, and added and input to the subtraction unit 232C.
- the previous current command value Iref (Z -1 ) is subtracted and input to the subtracting unit 232C, and the difference is output as a SAT estimated current value I SAT that generates a motor torque corresponding to SAT.
- the addition unit 232B, the coefficient unit 236, and the subtraction unit 232C constitute an output coefficient unit.
- the cutoff frequency is filtered by the LPF 237 having a characteristic higher than the response frequency (for example, 1 Hz) of steering angle control.
- the filtering output of the LPF 237 is multiplied by the gain G by the gain (G) unit 238.
- the limiter 239 limits the upper and lower limit values of the current value command value multiplied by the gain G, and the limiter 239 outputs the SAT compensation current command value Isref.
- the limiter 239 is not a necessary element.
- the gain section 238 may be vehicle speed sensitive, and the gain G characteristic of the vehicle speed sensitive gain may be, for example, a characteristic in which the gain G becomes gradually smaller as the vehicle speed Vel increases as shown in FIG.
- step S1 When the operation of the steering system starts, the torque control by the torque control unit 141 is performed (step S1), and the motor 150 is driven by the current control / drive unit 143 using the motor current command value Itref (step S2). The above operation is repeated until the switching command SW is output from the switching command unit 131 (step S3).
- the target steering angle ⁇ t is input from the target steering angle generating unit 132 (step S4), and the actual steering angle ⁇ r is input from the steering angle sensor 152 (Step S5)
- steering torque Th is input from torque sensor 154 (step S6)
- vehicle speed Vel is input from vehicle speed sensor 153 (step S7)
- motor angular velocity ⁇ is input from motor angular velocity calculation unit 144 (step S8)
- the motor angular acceleration ⁇ is input from the motor angular acceleration calculation unit 145 (step S9), and the motor current command value Imref is generated by the steering angle control unit 200 (step S100).
- the order of inputting the target steering angle ⁇ t, the actual steering angle ⁇ r, the steering torque Th, the motor angular velocity ⁇ , and the motor angular acceleration ⁇ is arbitrary.
- switching unit 142 is switched by switching command SW from switching command unit 131 (step S10), and motor 150 is driven by current control / drive unit 143 using motor current command value Imref from steering angle control unit 200. (Step S11) The process returns to step S3. The drive control based on the motor current command value Imref is repeated until the switching command SW is changed from the switching command unit 131.
- the generation of the motor current command value Imref is performed by the steering angle control unit 200, and the operation of generating the motor current command value Imref by the steering angle control unit 200 is as shown in the flowchart of FIG.
- the feedback control unit 210 receives the target steering angle ⁇ t, the actual steering angle ⁇ r, the motor angular velocity ⁇ and the steering torque Th (step S101), and generates a feedback control current command value Ifref (step S102).
- the SAT compensation unit 230 receives the motor angular velocity ⁇ , the steering torque Th, the motor angular acceleration ⁇ , and the previous current command value Iref (Z -1 ) (step S103), and generates the SAT compensation current command value Isref. (Step S104).
- the target steering angle ⁇ t is input to the rate limiter 211 (step S110), the rate limiting operation as described above is performed by the rate limiter 211 (step S111), and the target steering angle ⁇ ta passed through the LPF 212 is input to the subtraction unit 213A.
- the actual steering angle ⁇ r is input from the steering angle sensor 152 (step S112), and subtraction of “ ⁇ ta ⁇ r” is performed by the subtraction unit 213A (step S113).
- the gain is multiplied by Kpp and added to the subtraction unit 213B (step S114).
- the motor angular velocity ⁇ is subtracted and input to the subtracting unit 213B, and a velocity deviation from the angular velocity multiplied by the gain Kpp is obtained (step S115).
- the velocity deviation obtained by the subtracting unit 213B is integrated and multiplied by the gain Kvi by the integrating unit 216A and the integral gain unit 216B and added to the subtracting unit 213C (step S116), and the proportional gain Kvp is multiplied by the proportional gain unit 216C.
- the signal is subtracted and input to the subtracting unit 213C (step S117), and subtracted by the subtracting unit 213C (step S118).
- the steering torque Th is input (step S120), and the steering torque Th is differentiated by the differentiation unit 215A, multiplied by the differential gain Kc by the differentiation gain unit 215B, and input to the addition unit 213C (step S121).
- the addition unit 213D adds the subtraction value from the subtraction unit 213C (step S122), limits the upper and lower limit values by the limiter 217 (step S123), and outputs the result as the feedback control current command value Ifref (step S124).
- the motor angular velocity ⁇ and the steering torque Th are input (step S130), and the viscous friction coefficient unit 231 multiplies the motor angular velocity ⁇ by the viscous friction coefficient c (step S131), and encoding is performed by the code unit 233.
- the friction T Frc is multiplied (step S132), the output of the viscous friction coefficient unit 231 and the output of the coulomb friction unit 234 are added, and the steering torque Th is added / subtracted by the adding / subtracting unit 232A (step S133).
- the total moment of inertia unit 235 inputs the motor angular acceleration ⁇ and multiplies the total moment of inertia Ic (step S132), and the adding unit 232B adds the results (step S135).
- the addition result in the adding unit 232B is multiplied by 1 / Kt in the coefficient unit 236 and added to the subtracting unit 232C, and the previous current command value Iref (Z -1 ) separately input (stored) is subtracted by the subtracting unit 232C (Step S137).
- the subtraction unit 232C outputs a SAT estimated current value I SAT that generates a motor torque corresponding to SAT , filters the SAT estimated current value I SAT with the LPF 237 (step S140), receives the vehicle speed Vel, and gains (G)
- the gain G is multiplied by the unit 238 (step S141), the upper and lower limit values are further limited by the limiter 239 (step S122), and the SAT compensation current command value Isref is output from the limiter 239 (step S143).
- the SAT compensation unit 230 in FIG. 12 is configured based on Equation 3, but can be configured similarly for the SAT estimation described in FIG. 4.
- the SAT compensation current command value Isref can be obtained.
Landscapes
- Engineering & Computer Science (AREA)
- Chemical & Material Sciences (AREA)
- Combustion & Propulsion (AREA)
- Transportation (AREA)
- Mechanical Engineering (AREA)
- Physics & Mathematics (AREA)
- Mathematical Physics (AREA)
- Steering Control In Accordance With Driving Conditions (AREA)
Abstract
【課題】チューニングし易くし、ブレーキジャダーやシミーの抑制を図って安全で快適な操舵性能が得られ、自動操舵モードにおいて、算出された目標操舵角に従って正確に操舵できると共に、目標操舵角が急操舵であっても円滑に操舵でき、低車速においても応答性若しくは定常偏差を上げることによって、目標操舵角に追従できる電動パワーステアリング装置を提供する。 【解決手段】モータ電流指令値を算出する舵角制御部と、モータ電流指令値を入力して切り換える切換部とを具備し、舵角制御部がフィードバック制御電流指令値を生成するフィードバック制御部と、SAT補償電流指令値を生成するSAT補償部と、フィードバック制御電流指令値及びSAT補償電流指令値からモータ電流指令値を生成する出力部とで構成され、自動操舵モード及び手動操舵モードの切換指令に応じて切換部が切り換えられ、自動操舵モード時にモータ電流指令値に基づいてモータを駆動制御する。
Description
本発明は、自動操舵モード(駐車支援モード)と手動操舵モードの機能を有し、車両の操舵系にモータによるアシスト力を付与するようにした電動パワーステアリング装置に関し、特に自動操舵モード時の実舵角の目標操舵角への追従性を一層向上した電動パワーステアリング装置に関する。
車両のステアリング機構にモータの回転力で操舵補助力(アシスト力)を付与する電動パワーステアリング装置は、モータの駆動力を減速機を介してギア又はベルト等の伝達機構により、ステアリングシャフト或いはラック軸に操舵補助力を付与するようになっている。かかる従来の電動パワーステアリング装置(EPS)は、操舵補助力のトルクを正確に発生させるため、モータ電流のフィードバック制御を行っている。フィードバック制御は、操舵補助指令値(電流指令値)とモータ電流検出値との差が小さくなるようにモータ印加電圧を調整するものであり、モータ印加電圧の調整は、一般的にPWM(パルス幅変調)制御のデューティの調整で行っている。
電動パワーステアリング装置の一般的な構成を図1に示して説明すると、ハンドル1のコラム軸(ステアリングシャフト)2は減速ギア3、ユニバーサルジョイント4a及び4b、ピニオンラック機構5、タイロッド6a,6bを経て、更にハブユニット7a,7bを介して操向車輪8L,8Rに連結されている。また、コラム軸2には、ハンドル1の操舵トルクを検出するトルクセンサ10が設けられており、ハンドル1の操舵力を補助するモータ20が減速ギア3を介してコラム軸2に連結されている。電動パワーステアリング装置を制御するコントロールユニット(ECU)100には、バッテリ13から電力が供給されると共に、イグニションキー11を経てイグニションキー信号が入力される。コントロールユニット100は、トルクセンサ10で検出された操舵トルクThと車速センサ12で検出された車速Velとに基づいてアシスト(操舵補助)指令の操舵補助指令値の演算を行い、操舵補助指令値に補償等を施した電流制御値Eによってモータ20に供給する電流を制御する。なお、車速VelはCAN(Controller Area Network)等から受信することも可能である。
このような電動パワーステアリング装置において、従来は例えば特開平8-290778号公報(特許文献1)に示すように、コントロールユニット100内のロバスト安定化補償部により、システムの安定性と路面情報及び外乱情報の感度特性が同時に設計されるようになっている。
しかしながら、かかる従来の制御装置では、ステアリング中立点付近の操舵時の反力が小さいため、摩擦の影響により、路面情報をドライバに正確に伝えることが困難である。また、従来の電動パワーステアリング装置では、操舵角と操舵力との間のヒステリシス特性を、油圧式パワーステアリング並みの特性にすることが困難である。
このような問題を解決する装置として、特開2002-369565号公報(特許文献2)に開示されているものがある。
特許文献2に開示されている装置の概略を、図1に対応させた図2に示して説明する。ステアリング装置の補助操舵力を発生するモータ20はモータ駆動部21によって駆動され、モータ駆動部21は二点鎖線で示すコントロールユニット100で制御され、コントロールユニット100にはトルクセンサからの操舵トルクTh及び車速検出系からの車速Velが入力される。モータ20では、モータ端子間電圧Vm及びモータ電流値iが計測されて出力される。
コントロールユニット100は操舵トルクThを用いて制御を行う破線で示すトルク系制御部110と、モータ20の駆動に関連した制御を行う一点鎖線で示すモータ系制御部120とで構成されている。トルク系制御部110はアシスト量演算部111、微分制御部112、ヨーレート収れん性制御部113、ロバスト安定化補償部114及びセルフアライニングトルク(SAT)推定フィードバック部115によって構成され、加算部116A及び116B、減算部116Cを具備している。また、モータ系制御部120は補償部121、外乱推定部122、モータ角速度演算部123、モータ角加速度演算部124及びモータ特性補償部125で構成され、加算部126A及び126Bを具備している。
操舵トルクThはアシスト量演算部111、微分制御部112、ヨーレート収れん性制御部113及びSAT推定フィードバック部115に入力され、いずれも車速Velをパラメータ入力としている。アシスト量演算部111は操舵トルクThに基づいてアシストトルク量を演算し、ヨーレート収れん性制御部113は操舵トルクTh及びモータ角速度ωを入力とし、車両のヨーの収れん性を改善するために、ハンドルが振れ回る動作に対してブレーキをかけるようになっている。また、微分制御部112はステアリングの中立点付近の制御の応答性を高め、滑らかでスムーズな操舵を実現するようになっており、SAT推定フィードバック部115は操舵トルクThと、アシスト量演算部111の出力に微分制御部112の出力を加算部116Aで加算した信号と、モータ角速度演算部123で演算された角速度ωと、モータ角加速度演算部124からの角加速度αとを入力してSATを推定し、推定したSATをフィードバックフィルタを用いて信号処理し、ハンドルに適切な路面情報を反力として与えるようになっている。
また、アシスト量演算部111の出力に微分制御部112の出力を加算部116Aで加算した信号に、ヨーレート収れん性制御部113の出力を加算部116B7で加算した信号をアシスト量AQとしてロバスト安定化補償部114に入力している。ロバスト安定化補償部114は例えば特開平8-290778号公報に示されている補償部であり、検出トルクに含まれる慣性要素とばね要素で成る共振系の共振周波数におけるピーク値を除去し、制御系の応答性と安定性を阻害する共振周波数の位相のズレを補償するものである。ロバスト安定化補償部114の出力からSAT推定フィードバック部115の出力を加算部116Cで加算することで、路面情報を反力としてハンドルに伝えることができるアシスト量Iaが得られる。
更に、モータ角速度演算部123はモータ端子間電圧Vm及びモータ電流値iに基づいてモータ角速度ωを演算するものであり、モータ角速度ωはモータ角加速度演算部124、ヨーレート収れん性制御部113及びSAT推定フィードバック部115に入力される。モータ角加速度演算部124では、入力されたモータ角速度ωに基づいてモータ角加速度αを演算し、演算したモータ角加速度αはモータ特性補償部125に入力される。モータ特性補償部125の出力Icに、ロバスト安定化補償部114の出力からSAT推定フィードバック部115の出力を減算したアシスト量Iaが加算部126Aで加算され、その加算信号が電流指令値Irとして微分補償部等で成る補償部121に入力される。補償部121で補償された電流指令値Iraに外乱推定部122の出力を加算部126Bで加算した信号がモータ駆動部21及び外乱推定部122に入力される。外乱推定部122は特開平8-310417号公報で示されるような装置であり、モータ出力の制御目標である補償部121で補償された電流指令値Iraに外乱推定部122の出力を加算した信号と、モータ電流値iとに基づいて、制御系の出力基準における希望するモータ制御特性を維持することができ、制御系の安定性を失うことがないようにしている。
ここで、路面からステアリングまでの間に発生するトルクの様子を図3に示して説明する。ドライバがハンドル1を操舵することによって操舵トルクThが発生し、その操舵トルクThに従ってモータ20がアシストトルクTmを発生する。その結果、車輪が転舵され、反力としてSATが発生する。また、その際、モータ20の慣性J及び摩擦(静摩擦)Frによってハンドル操舵の抵抗となるトルクが生じる。これらの力の釣り合いを考えると、sign()を符号関数として、下記数1のような運動方程式が得られる。
また、SAT推定フィードバック部115で推定したSAT推定電流値*SATをそのままフィードバックした場合、ステアリングが重くなり過ぎるため、操舵感覚を向上することはできない。そのため図4に示すように、車速感応ゲインと周波数特性を有するフィードバックフィルタ115Aを用いてSAT推定電流値*SATを信号処理し、操舵感覚を向上するのに必要十分な情報のみをフィードバックしている。ここで用いるフィードバックフィルタは静特性ゲインとして、推定したSATの大きさを必要十分な値に減少させるゲインを持つQフィルタ(位相遅れ)115Bと、図5に示すような車速Velに感応したゲイン部115Cを持ち、据え切りや低速走行といった路面情報の重要性が比較的低い場合には、フィードバックする路面情報を小さくしている。
上述の特許文献2に記載の装置では、抑制したい外乱が存在する周波数帯域と、伝えたい外乱が存在する周波数帯域とを両立するようにSAT推定のフィードバックを構成しているが、抑制したい外乱を積極的に打ち消すという機能はない。
一方、車両では、通常制動時及び定常走行時に、乗員に不快感を与えるブレーキジャダーとシミーが発生する。ブレーキジャダーは車両の制動時に発生するフロア・ペダル振動のことで、ステアリング回転方向に振動を伴う場合もある。ブレーキディスクのDTV(Disk Thickness Variation)により発生する制動トルク変動が起振源で、車輪の回転の1次成分及び高次成分を有する。これがサスペンションの前後の共振などで増幅され、車体やステアリングシステムを伝達して、フロア・ペダル振動やステアリング振動となる。また、シミーは車両走行時にステアリング回転方向に発生する振動のことであり、タイヤ、ホイールなどの回転部分のアンバランスやノンユニフォミティが起振源となり、サスペンション共振で増幅され、ステアリングシステムを介してステアリング回転方向の振動となる。
このようなブレーキジャダーやシミーについて特許文献2の装置では何ら考慮しておらず、また、特開2002-145075(特許文献3)や特開2002-161969(特許文献4)ではブレーキジャダーやシミーの振動を減衰させる装置を開示しているが、いずれも機械的な対応であり、コストアップになると共に、車速感応といったきめ細かな抑制ができないという問題がある。
更に、ステアリング系の慣性や摩擦が大きい場合はブレーキジャダーによる振動はハンドルまで伝わらないが、良好な操舵フィーリングや車両安定性のためには、ステアリング系の慣性や摩擦は極力小さいことが望ましい。
このような電動パワーステアリング装置において、近年駐車支援機能(パーキングアシスト)を搭載し、自動操舵モードと手動操舵モードとを切り換える車両が出現して来ており、駐車支援機能を搭載した車両にあってはカメラ(画像)や距離センサなどのデータを基に目標操舵角を設定し、目標操舵角に従った自動制御が行われる。
WO 2008/146372(特許文献5)では、ハンドル角検出手段からのハンドル操舵角検出値と伝達特性とに基づき、副操舵角重畳機構により付加される目標副操舵角又は目標操向角を生成して、目標副操舵角と副操舵角検出手段からの副操舵角検出値とが一致するか、又は目標副操舵角と副操舵角検出手段からの副操舵角検出値とが一致するように、モータの目標駆動量を算出する目標駆動量算出手段と、目標駆動量に応じてモータを駆動するモータ駆動手段とを設け、運転者のハンドル操舵に応じて操向車輪を転舵させている。
しかしながら、特許文献5に記載の電動パワーステアリング装置では、目標操舵角に対してレート制限処理を行っていないので、目標操舵角が急激に変化した場合には、運転者の操舵感を害することになってしまう。また、車速に応じたゲイン制御を行っていないので、車速に対応した緻密な制御ができないという問題がある。
また、駐車支援、自動走行等の自動操舵モード時にはハンドルの舵角制御を行うが、車速、路面状況(傾斜、湿気等)等の影響により、タイヤが路面から受ける摩擦(SAT)が変化することで、コラム軸角度の目標操舵角に対する実舵角の追従性が変化するという課題があり、かかる課題の解決も要請されている。
本発明は上述のような事情よりなされたものであり、本発明の目的は、高周波数領域で路面情報等の信号処理を行うことにより、チューニングし易くし、ブレーキジャダーやシミーの抑制を図って安全で快適な操舵性能が得られ、自動操舵モード(駐車支援機能)において、算出された目標操舵角に従って正確に操舵できると共に、目標操舵角が急操舵であっても円滑に操舵でき、低車速においても応答性若しくは定常偏差を上げることによって、常に目標操舵角に追従できる電動パワーステアリング装置を提供することにある。
本発明は、操舵トルク及び車速に基づいてモータ電流指令値1を演算し、前記モータ電流指令値1に基づいてモータを駆動して操舵系をアシスト制御すると共に、自動操舵モードと手動操舵モードとを切り換える機能を有する電動パワーステアリング装置に関し、本発明の上記目的は、目標操舵角、実操舵角、前記モータのモータ角速度及びモータ角加速度、前記操舵トルク、前回電流指令値に基づいてモータ電流指令値2を算出する舵角制御部と、前記モータ電流指令値1及びモータ電流指令値2を入力して切り換える切換部とを具備し、前記舵角制御部が、前記目標操舵角、前記実操舵角、前記モータ角速度及び前記操舵トルクに基づいてフィードバック制御電流指令値を生成するフィードバック制御部と、前記モータ角速度、前記モータ角加速度、前記操舵トルク及び前記前回電流指令値に基づいてSAT補償電流指令値を生成するSAT補償部と、前記フィードバック制御電流指令値及び前記SAT補償電流指令値から前記モータ電流指令値2を生成する出力部とで構成され、前記自動操舵モード及び手動操舵モードの切換指令に応じて前記切換部が切り換えられ、前記自動操舵モード時に前記モータ電流指令値2に基づいて前記モータを駆動制御することにより達成される。
本発明の上記目的は、前記フィードバック制御部が、前記目標操舵角を円滑化するレートリミッタと、前記レートリミッタの出力に接続されたLPFと、前記LPFの出力と前記実操舵角との角度偏差を比例ゲイン倍する第1比例ゲイン部と、前記第1比例ゲイン部からの誤差速度と前記モータ角速度との速度偏差を積分して積分ゲイン倍する積分ゲイン部と、前記速度偏差を比例ゲイン倍する第2比例ゲイン部と、前記操舵トルクを微分して微分ゲイン倍する微分ゲイン部と、前記積分ゲイン部の出力と前記第2比例ゲイン部の出力との偏差値に前記微分ゲイン部の出力を加算して上下限値を制限して前記フィードバック制御電流指令値を出力する出力部とで構成されていることにより、或いは前記SAT補償部が、前記操舵トルク、前記モータ角速度、前記モータ角加速度及び前回電流指令値に基づいてSAT推定電流値を算出するSAT推定部と、前記SAT推定電流値を入力すると共に、角度応答周波数よりも高いカットオフ周波数特性を有するLPFと、前記LPFの出力を車速可変ゲインで乗算して前記SAT補償電流指令値を出力する車速感応ゲイン部とで構成されていることにより、或いは前記SAT推定部が、前記モータ角速度に粘性摩擦係数を乗算する粘性摩擦係数部と、前記モータ角速度を符号化してクーロン摩擦を乗算する符号化クーロン摩擦部と、前記モータ角加速度に全慣性モーメントを乗算する全慣性モーメント部と、前記粘性摩擦係数部の出力及び前記符号化クーロン摩擦部の出力の加算値から前記操舵トルクを減算し、前記全慣性モーメント部の出力を加算して係数を乗算する出力係数部とで構成されていることにより、或いは前記SAT推定部が、アシストトルクに相当する電流指令値及び前記操舵トルクを加算する加算部と、前記モータ角加速度に慣性を乗算した値を、前記加算部の加算結果から減算する第1減算部と、前記モータ角速度を符号化して摩擦を乗算した値を、前記第1減算部の減算結果から減算して前記SAT推定電流値を出力する第2減算部とで構成されていることにより、或いは前記車速感応ゲイン部の後段に、上下限値を制限するリミッタが接続されていることにより、より効果的に達成される。
本発明に係る電動パワーステアリング装置によれば、自動操舵モード(駐車支援機能)と手動操舵モードを有する車両において、カメラ(画像)や距離センサなどのデータから算出する目標操舵角を、車速を考慮して算出しているので、目標操舵角に対して正確に操舵することができると共に、運転者に違和感を与えることもない。また、急激な目標操舵角については円滑化して制御しているので、自動運転においても運転者に不安感を与えることもない。
更に、低車速においては制御ゲインを上げ応答性若しくは定常偏差を上げるようにしており、低車速においても目標操舵角に近づけることができる。
更にまた、SATを推定し、この推定SATを角度応答周波数よりも高いカットオフ周波数に設定したLPFでフィルタリングし、フィルタリング後の値を車速に応じて設定された車速ゲインで乗算し、補償値として加算しているので、実舵角の目標操舵角への追従性を一層向上させることができる。
駐車支援、自動走行等の自動操舵モード時にはハンドルの舵角制御を行うが、車速、路面状況(傾斜、湿気等)等の影響により、タイヤが路面から受ける摩擦(SAT)が変化するので、コラム軸角度の目標操舵角に対する実舵角の追従性が変化してしまう問題がある。この問題に対して、本発明ではSATを推定し、この推定SATを角度応答周波数よりも高いカットオフ周波数に設定したLPFでフィルタリングし、フィルタリング後のSAT値を車速に応じて設定された車速ゲインで乗算し、補償値として電流指令値に加算することで、実舵角の目標操舵角への追従性を向上させている。
本発明では、SAT補償部で生成されたSAT補償電流指令値からフィードバック制御部で生成されたフィードバック制御電流指令値を加算することで、タイヤが路面から受ける反力(SAT)の影響を打ち消す方向にモータトルクを発生させている。これにより、舵角制御中に発生したSAT外乱の影響を抑制し、目標操舵角に対して舵角制御の追従性を向上させることができる。例えば駐車支援動作を挙げると、SATはタイヤ対路面間の摩擦μに応じて変動し、これによって舵角の応答も変わるため、車両側として扱い難くなる。別の例を挙げると、自動走行中に車体左右方向に路面の傾きが生じた場合に、SATがある一方向にかかるため、この影響により一時的に舵角が目標操舵角に対してずれを発生してしまう。これらの課題を解決するための手段として、フィードバック制御電流指令値からSAT補償電流指令値を減算することで、より追従性の良い舵角制御を可能にしている。
図6(A)は舵角応答波形の一例を示し、図6(B)はSAT推定値波形の一例を示している。図6(A)及び(B)は、時間(秒)0から1秒後に、図6(C)に示すようなSAT外乱ステップが入力された場合の各応答波形を示している。本発明では、外乱の高周波成分をカットするLPF(ローパスフィルタ)を、外乱成分を抽出して打ち消す機能があるSAT推定値の補償経路に使用しており、LPFのカットオフ周波数Fcの大きさによって、舵角応答波形及びSAT推定値波形が変化する。図6(C)に示すようなSAT外乱ステップが入力されると、図6(B)に示すSAT推定値波形では、LPFのカットオフ周波数Fcが大きくなるに従って、矢印Bに示すように立ち上がりが大きくなり、高速に外乱を打ち消すことができる。これにより舵角は図6(A)に示すようにSAT推定無しから矢印Aのように変動し、カットオフ周波数Fcを大きくするに従って舵角応答性を改善することができる。それ故、ハンドルが急に回転することを抑制することができる。
また、自動操舵モードと手動操舵モードを有する車両にあっても、タイヤを通して操舵系に伝わる路面反力(SAT)は車速によって異なってくる。そのため、自動操舵モード時に、操舵を算出された目標操舵角に自動制御する際、車速により操舵角の応答が異なることになる。そこで本発明では、車速に応じて自動制御のモータ電流指令値を調整するようにし、タイヤが路面から受ける路面反力の影響を軽減するようにしている。更に、本発明では、目標操舵角にレートリミッタによる円滑化処理を施すようにしており、目標操舵角の急変時においてもハンドル操舵角の応答を和らげる効果を得ている。車速に関係なく、目標操舵角に対して正確に車両を移動させることができ、運転者に対してより安全である。
以下に、本発明の実施の形態を、図面を参照して詳細に説明する。
図7は本発明の構成例を示しており、モータ150にはモータ回転角θsを検出するためのレゾルバ等の回転センサ151が接続されており、モータ150は車両側のECU130及びEPS(電動パワーステアリング装置)側のECU140を介して駆動制御される。
車両側のECU130は、運転者の意思を示すボタン、スイッチ等に基づいて、自動操舵モード又は手動操舵モードの切換指令SWを出力する切換指令部131と、カメラ(画像)や距離センサなどの信号に基づいて目標操舵角θtを生成する目標操舵角生成部132とを具備している。また、コラム軸に設けられた舵角センサ152で検出された実操舵角θr及び車速センサ153からの車速Velは、ECU130を経てEPS側のECU140内の舵角制御部200に入力される。舵角センサ152はコラム軸(インターミディエイト、ピニオン軸を含む)、ラックアンドピニオンのラックの変位、車輪速度による舵角推定値であっても良い。また、車速VelはCAN等から受信することも可能である。
切換指令部131は、自動操舵モードに入ることを識別する信号、例えば運転者の意思をダッシュボードやハンドル周辺に設けたボタンやスイッチ、或いはシフトに設けた駐車モードなどによる車両状態の信号を基に切換指令SWを出力し、切換指令SWをEPS側のECU140内の切換部142に入力する。また、目標操舵角生成部132は、カメラ(画像)、距離センサなどのデータを基に公知の手法で目標操舵角θtを生成し、生成された目標操舵角θtをEPS側のECU140内の舵角制御部200に入力する。
EPS側のECU140は、操舵トルクTh及び車速Velに基づいて前述のように演算されたモータ電流指令値Itrefを出力するトルク制御部141と、目標操舵角θt、実操舵角θr、車速Vel、トルクセンサ154からの操舵トルクTh、モータ角速度ω、モータ角加速度αに基づいて舵角自動制御のためのモータ電流指令値Imrefを演算して出力する舵角制御部200と、切換指令SWによってモータ電流指令値Itref及びImrefを切り換える切換部142と、切換部142からのモータ電流指令値(Itref又はImref)に基づいてモータ150を駆動制御する電流制御/駆動部143と、回転センサ151からのモータ回転角θsに基づいてモータ角速度ωを演算するモータ角速度演算部144と、モータ角速度ωに基づいてモータ角加速度αを演算するモータ角加速度演算部145とを具備している。切換部142は、ECU130の切換指令部131からの切換指令SWに基づいて、トルク制御部141によるトルク制御モード(手動操舵モード)と、舵角制御部200による自動操舵モードとを切り換え、トルク制御モードではモータ電流指令値Itrefを出力し、自動操舵モードではモータ電流指令値Imrefを出力する。また、電流制御/駆動部143は、PI電流制御部、PWM制御部、インバータ等で構成されている。
舵角制御部200の構成は図8に示すような構成となっており、目標操舵角θt、実操舵角θr、モータ角速度ω及び操舵トルクThを入力してフィードバック制御電流指令値Ifrefを演算して出力するフィードバック制御部210と、モータ角速度ω、操舵トルクTh、モータ角加速度α及び前回電流指令値Iref(Z-1)を入力してSAT補償電流指令値Isrefを演算して出力するSAT補償部230と、フィードバック制御電流指令値IfrefにSAT補償電流指令値Isrefを加算してモータ電流指令値Imoを出力する加算部201と、モータ電流指令値Imoを電流指令値と加算してモータ電流指令値Imrefを出力する加算部202とで構成されている。
フィードバック制御部210は、トーションバーとステアリング慣性により発生する捩り振動を抑制する機能を有する。また、加算部201及び加算部202で出力部を構成している。
フィードバック制御部210は図9のような構成となっており、速度制御ループ系をマイナーループとする位置制御系となっており、目標操舵角θtが急激に変化した場合の平滑化、つまり所定時間変化率の範囲内で円滑に変化するようにするレートリミッタ211に目標操舵角θtが入力され、高周波の外乱を除去するLPF212を経た目標操舵角θtaが減算部213Aに加算入力される。実操舵角θrは減算部213Aに減算入力され、平滑化された目標操舵角θtaとの角度偏差が比例ゲイン(Kpp)部214でゲインKpp倍され、誤差速度ωeとして減算部213Bに加算入力される。減算部213Bにはモータ角速度演算部144からモータ角速度ωが減算入力され、演算された速度偏差Dfが積分部216Aを経て積分ゲイン(Kvi)部216BでゲインKvi倍されて減算部213Cに加算入力されると共に、速度偏差Dfは比例ゲイン(Kvp)部216CでゲインKvp倍されて減算部213Cに減算入力される。減算部213Cでの減算結果は、加算部213Dに入力される。
トルクセンサ154からの操舵トルクThは微分部215Aを経て微分ゲイン(Kc)部215BでゲインKc倍されて加算部213Dに入力され、加算部213Dでの加算結果がリミッタ217で上下限値を制限され、フィードバック制御電流指令値Ifrefとして出力される。減算部213C、加算部213D及びリミッタ217で出力部を構成している。
レートリミッタ211は、目標操舵角θtが急激に変化した場合に円滑化して出力するものであり、例えば図10に示すような構成となっている。即ち、目標操舵角θtは減算部211-1に加算入力され、過去値との減算結果である操舵角θt1が変化分設定部211-2で変化分θt2の設定をされる。変化分設定部211-2は、保持部(Z-1)211-4からの過去値と入力(θt)の差分θt1を設定し、加算部211-3での変化分θt2と過去値との加算結果を新たな目標操舵角θt3として出力する。変化分設定部211-2は、変化分が設定された上限及び下限を超えないようにするものであり、その特性は演算周期T毎に入力(目標操舵角)θtとの差分を求め、変化分設定部211-2の上限及び下限の範囲外の場合には、差分を過去値に加算することを繰返し行うことにより、図11に示すような階段状に出力θt3を変化させて、最終的に出力θt3を目標操舵角θtに一致させる。また、入力(目標操舵角)θtとの差分が変化分設定部211-2の上限及び下限の範囲内の場合には、変化分θt2=差分θt1を出力し、過去値に加算するので、その結果出力θt3と入力(目標操舵角)θtは一致する。これらの結果、目標操舵角θtが急激に変化しても、急激に変化する目標操舵角θtを滑らかに変化させることができ、急激な電流変化(=急激な操舵)を防止し、運転者に自動運転の不安感を減少させる機能を果たしている。
SAT補償部230は、コラム軸回りの運動方程式からSATトルク(コラム軸換算)を求め、そのSATトルクに相当するモータ電流であるSAT推定電流値ISATを求める。そして、角度応答周波数よりも高いカットオフ周波数に設定されたLPFにSAT推定電流値ISATを通し、更に車速で設定された車速感応ゲインで乗算してSAT補償電流指令値Isrefを得ている。
コラム軸回りの運動方程式からSATトルク(コラム軸換算)を求め、そのSATトルクに相当するSAT推定電流値ISATを求めると、下記数3のようになる。
上記数3に基づくSAT補償部230は図12のような構成となっており、モータ角速度ωは粘性摩擦係数(c)部231に入力され、粘性摩擦係数cを乗算されて加減算部232Aに加算入力されると共に、符号(sign)部233で符号化され、クーロン摩擦(TFrc)部234でクーロン摩擦TFrcを乗算されて加減算部232Aに加算入力される。符号部233及びクーロン摩擦部234で符号化クーロン摩擦部を構成している。また、加減算部232Aには操舵トルクThが減算入力され、その加減算結果が加算部232Bに加算入力される。モータ角加速度α(ここでは、モータ角加速度αはコラム軸角加速度と等しいとしている)は全慣性モーメント(Ic)部235に入力され、全慣性モーメントIcを乗算されて加算部232Bに入力され、その加算結果が係数(1/Kt)部236に入力され、1/Kt倍されて減算部232Cに加算入力される。減算部232Cには前回電流指令値Iref(Z-1)が減算入力され、その差が、SATに相当するモータトルクを発生するSAT推定電流値ISATとして出力される。加算部232B、係数部236及び減算部232Cで出力係数部を構成している。
SAT推定電流値ISATをそのまま電流指令値に加えると振動やノイズが発生し易くなるため、カットオフ周波数が舵角制御の応答周波数(例えば1Hz)よりも高い特性のLPF237でフィルタリングする。LPF237のフィルタリング出力はゲイン(G)部238でゲインG倍される。ゲインG倍された電流値指令値はリミッタ239で上下限値を制限され、リミッタ239からSAT補償電流指令値Isrefが出力される。リミッタ239は必須の要素ではない。ゲイン部238は車速感応でも良く、車速感応ゲインのゲインG特性は、例えば図13に示すように車速Velの上昇に従ってゲインGが次第に小さくなる特性であれば良い。
このような構成において、全体の動作例を図14のフローチャートを参照して説明する。
操舵系の動作がスタートすると、トルク制御部141によるトルク制御が実施され(ステップS1)、モータ電流指令値Itrefを用いて電流制御/駆動部143によりモータ150が駆動される(ステップS2)。上記動作は切換指令部131より切換指令SWが出力されるまで繰り返される(ステップS3)。
自動操舵モードとなり、切換指令部131より切換指令SWが出力されると、目標操舵角生成部132から目標操舵角θtが入力され(ステップS4)、舵角センサ152から実操舵角θrが入力され(ステップS5)、トルクセンサ154から操舵トルクThが入力され(ステップS6)、車速センサ153から車速Velが入力され(ステップS7)、モータ角速度演算部144からモータ角速度ωが入力され(ステップS8)、更にモータ角加速度演算部145からモータ角加速度αが入力され(ステップS9)、舵角制御部200でモータ電流指令値Imrefが生成される(ステップS100)。なお、目標操舵角θt、実操舵角θr、操舵トルクTh、モータ角速度ω、モータ角加速度αの入力の順番は任意である。
その後、切換部142が切換指令部131からの切換指令SWにより切り換えられ(ステップS10)、舵角制御部200からのモータ電流指令値Imrefを用いて電流制御/駆動部143によりモータ150を駆動し(ステップS11)、上記ステップS3にリターンする。モータ電流指令値Imrefによる駆動制御は、切換指令部131から切換指令SWが変更されるまで繰り返される。
モータ電流指令値Imrefの生成は舵角制御部200で行われ、舵角制御部200でのモータ電流指令値Imrefの生成動作は図15のフローチャートのようになっている。
先ずフィードバック制御部210は目標操舵角θt、実操舵角θr、モータ角速度ω及び操舵トルクThを入力し(ステップS101)、フィードバック制御電流指令値Ifrefを生成する(ステップS102)。これと並行して、SAT補償部230はモータ角速度ω、操舵トルクTh、モータ角加速度α及び前回電流指令値Iref(Z-1)を入力し(ステップS103)、SAT補償電流指令値Isrefを生成する(ステップS104)。フィードバック制御電流指令値Ifrefを加算部201に入力すると共に、SAT補償電流指令値Isrefを加算部201に入力し(ステップs105)、加算結果である電流指令値Imo(=Ifref-Isref)を電流指令値と加算してモータ電流指令値Imrefを出力する(ステップS106)。
次に、フィードバック制御部210の動作を、図16のフローチャートを参照して説明する。
目標操舵角θtがレートリミッタ211に入力され(ステップS110)、レートリミッタ211で前述したようなレート制限動作が実行され(ステップS111)、LPF212を経た目標操舵角θtaが減算部213Aに入力される。また、舵角センサ152から実操舵角θrが入力され(ステップS112)、減算部213Aで“θta-θr”の減算が行われ(ステップS113)、減算値である角度偏差θdが比例ゲイン部214でゲインKpp倍されて減算部213Bに加算入力される(ステップS114)。モータ角速度ωが減算部213Bに減算入力され、ゲインKpp倍された角速度との速度偏差が求められる(ステップS115)。減算部213Bで得られた速度偏差は、積分部216A及び積分ゲイン部216Bで積分とゲインKvi倍されて減算部213Cに加算入力されると共に(ステップS116)、比例ゲイン部216Cで比例ゲインKvp倍されて減算部213Cに減算入力され(ステップS117)、減算部213Cで減算される(ステップS118)。
その後、操舵トルクThを入力し(ステップS120)、操舵トルクThを微分部215Aで微分し、微分ゲイン部215Bで微分ゲインKc倍して加算部213Cに入力する(ステップS121)。加算部213Dにおいて減算部213Cからの減算値と加算され(ステップS122)、リミッタ217で上下限値を制限され(ステップS123)、フィードバック制御電流指令値Ifrefとして出力される(ステップS124)。
次に、SAT補償部230の動作を、図17のフローチャートを参照して説明する。
モータ角速度ω及び操舵トルクThを入力し(ステップS130)、粘性摩擦係数部231でモータ角速度ωに粘性摩擦係数cを乗算し(ステップS131)、符号部233で符号化し、クーロン摩擦部234でクーロン摩擦TFrcを乗算し(ステップS132)、粘性摩擦係数部231の出力及びクーロン摩擦部234の出力を加算すると共に、操舵トルクThを加減算部232Aで加減算する(ステップS133)。
次に、全慣性モーメント部235はモータ角加速度αを入力して全慣性モーメントIcを乗算し(ステップS132)、加算部232Bで加算する(ステップS135)。加算部232Bでの加算結果は係数部236で1/Kt倍して減算部232Cに加算入力し、別途入力(記憶)されている前回電流指令値Iref(Z-1)を減算部232Cで減算する(ステップS137)。減算部232CからはSATに相当するモータトルクを発生するSAT推定電流値ISATとして出力され、SAT推定電流値ISATをLPF237でフィルタリングし(ステップS140)、車速Velを入力してゲイン(G)部238でゲインG倍し(ステップS141)、更にリミッタ239で上下限値を制限し(ステップS122)、リミッタ239からSAT補償電流指令値Isrefを出力する(ステップS143)。
図12のSAT補償部230は数3に基づいて構成したものであるが、図4で説明したSAT推定についても同様に構成することができる。図18はその構成例を示しており、SAT推定電流値*SAT(=ISAT)を前述と同様な特性のLPF230-1、車速感応型のゲイン(G)部230-2及びリミッタ230-3によって、SAT補償電流指令値Isrefを得ることができる。
1 ハンドル
2 コラム軸(ステアリングシャフト)
10、154 トルクセンサ
12、153 車速センサ
13 バッテリ
20,150 モータ
21 モータ駆動部
100 コントロールユニット(ECU)
110 トルク系制御部
120 モータ系制御部
151 回転センサ
152 舵角センサ
130 車両側のECU
131 切換指令部
132 目標操舵角生成部
140 EPS側のECU
141 トルク制御部
142 切換部
143 電流制御/駆動部
144 モータ角速度演算部
145 モータ角加速度演算部
200 舵角制御部
210 フィードバック制御部
211 レートリミッタ
211-2 変化分設定部
211-4 保持部
212、230-1、237 LPF
214 比例ゲイン部
215A 微分部
215B 微分ゲイン(Kc)部
216A 積分部
216B 積分ゲイン(Kvi)部
216C 比例ゲイン(Kvp)部
217、239、230-3 リミッタ
230 SAT補償部
231 粘性摩擦係数部
233 符号部
234 クーロン摩擦部
238 (車速感応)ゲイン部
2 コラム軸(ステアリングシャフト)
10、154 トルクセンサ
12、153 車速センサ
13 バッテリ
20,150 モータ
21 モータ駆動部
100 コントロールユニット(ECU)
110 トルク系制御部
120 モータ系制御部
151 回転センサ
152 舵角センサ
130 車両側のECU
131 切換指令部
132 目標操舵角生成部
140 EPS側のECU
141 トルク制御部
142 切換部
143 電流制御/駆動部
144 モータ角速度演算部
145 モータ角加速度演算部
200 舵角制御部
210 フィードバック制御部
211 レートリミッタ
211-2 変化分設定部
211-4 保持部
212、230-1、237 LPF
214 比例ゲイン部
215A 微分部
215B 微分ゲイン(Kc)部
216A 積分部
216B 積分ゲイン(Kvi)部
216C 比例ゲイン(Kvp)部
217、239、230-3 リミッタ
230 SAT補償部
231 粘性摩擦係数部
233 符号部
234 クーロン摩擦部
238 (車速感応)ゲイン部
Claims (7)
- 操舵トルク及び車速に基づいてモータ電流指令値1を演算し、前記モータ電流指令値1に基づいてモータを駆動して操舵系をアシスト制御すると共に、自動操舵モードと手動操舵モードとを切り換える機能を有する電動パワーステアリング装置において、
目標操舵角、実操舵角、前記モータのモータ角速度及びモータ角加速度、前記操舵トルク、前回電流指令値に基づいてモータ電流指令値2を算出する舵角制御部と、前記モータ電流指令値1及びモータ電流指令値2を入力して切り換える切換部とを具備し、
前記舵角制御部が、前記目標操舵角、前記実操舵角、前記モータ角速度及び前記操舵トルクに基づいてフィードバック制御電流指令値を生成するフィードバック制御部と、前記モータ角速度、前記モータ角加速度、前記操舵トルク及び前記前回電流指令値に基づいてSAT補償電流指令値を生成するSAT補償部と、前記フィードバック制御電流指令値及び前記SAT補償電流指令値から前記モータ電流指令値2を生成する出力部とで構成され、
前記自動操舵モード及び手動操舵モードの切換指令に応じて前記切換部が切り換えられ、前記自動操舵モード時に前記モータ電流指令値2に基づいて前記モータを駆動制御することを特徴とする電動パワーステアリング装置。 - 前記フィードバック制御部が、
前記目標操舵角を円滑化するレートリミッタと、前記レートリミッタの出力に接続されたLPFと、前記LPFの出力と前記実操舵角との角度偏差を比例ゲイン倍する第1比例ゲイン部と、前記第1比例ゲイン部からの誤差速度と前記モータ角速度との速度偏差を積分して積分ゲイン倍する積分ゲイン部と、前記速度偏差を比例ゲイン倍する第2比例ゲイン部と、前記操舵トルクを微分して微分ゲイン倍する微分ゲイン部と、前記積分ゲイン部の出力と前記第2比例ゲイン部の出力との偏差値に前記微分ゲイン部の出力を加算して上下限値を制限して前記フィードバック制御電流指令値を出力する出力部とで構成されている請求項1に記載の電動パワーテアリング装置。 - 前記SAT補償部が、
前記操舵トルク、前記モータ角速度、前記モータ角加速度及び前回電流指令値に基づいてSAT推定電流値を算出するSAT推定部と、前記SAT推定電流値を入力すると共に、角度応答周波数よりも高いカットオフ周波数特性を有するLPFと、前記LPFの出力を車速可変ゲインで乗算して前記SAT補償電流指令値を出力する車速感応ゲイン部とで構成されている請求項1又は2に記載の電動パワーステアリング装置。 - 前記SAT推定部が、
前記モータ角速度に粘性摩擦係数を乗算する粘性摩擦係数部と、前記モータ角速度を符号化してクーロン摩擦を乗算する符号化クーロン摩擦部と、前記モータ角加速度に全慣性モーメントを乗算する全慣性モーメント部と、前記粘性摩擦係数部の出力及び前記符号化クーロン摩擦部の出力の加算値から前記操舵トルクを減算し、前記全慣性モーメント部の出力を加算して係数を乗算する出力係数部とで構成されている請求項3に記載の電動パワーステアリング装置。 - 前記車速感応ゲイン部の後段に、上下限値を制限するリミッタが接続されている請求項3又は4に記載の電動パワーステアリング装置。
- 前記SAT推定部が、
アシストトルクに相当する電流指令値及び前記操舵トルクを加算する加算部と、前記モータ角加速度に慣性を乗算した値を、前記加算部の加算結果から減算する第1減算部と、前記モータ角速度を符号化して摩擦を乗算した値を、前記第1減算部の減算結果から減算して前記SAT推定電流値を出力する第2減算部とで構成されている請求項3に記載の電動パワーステアリング装置。 - 前記車速感応ゲイン部の後段に、上下限値を制限するリミッタが接続されている請求項6に記載の電動パワーステアリング装置。
Priority Applications (4)
| Application Number | Priority Date | Filing Date | Title |
|---|---|---|---|
| CN201480029047.9A CN105246764B (zh) | 2014-01-29 | 2014-01-29 | 电动助力转向装置 |
| EP14880581.5A EP2977296B1 (en) | 2014-01-29 | 2014-01-29 | Electric power steering device |
| US14/419,796 US9327761B2 (en) | 2014-01-29 | 2014-01-29 | Electric power steering apparatus |
| PCT/JP2014/051931 WO2015114751A1 (ja) | 2014-01-29 | 2014-01-29 | 電動パワーステアリング装置 |
Applications Claiming Priority (1)
| Application Number | Priority Date | Filing Date | Title |
|---|---|---|---|
| PCT/JP2014/051931 WO2015114751A1 (ja) | 2014-01-29 | 2014-01-29 | 電動パワーステアリング装置 |
Publications (1)
| Publication Number | Publication Date |
|---|---|
| WO2015114751A1 true WO2015114751A1 (ja) | 2015-08-06 |
Family
ID=53756370
Family Applications (1)
| Application Number | Title | Priority Date | Filing Date |
|---|---|---|---|
| PCT/JP2014/051931 Ceased WO2015114751A1 (ja) | 2014-01-29 | 2014-01-29 | 電動パワーステアリング装置 |
Country Status (4)
| Country | Link |
|---|---|
| US (1) | US9327761B2 (ja) |
| EP (1) | EP2977296B1 (ja) |
| CN (1) | CN105246764B (ja) |
| WO (1) | WO2015114751A1 (ja) |
Cited By (3)
| Publication number | Priority date | Publication date | Assignee | Title |
|---|---|---|---|---|
| CN105292246A (zh) * | 2015-12-07 | 2016-02-03 | 长春工业大学 | 汽车电动助力转向摩擦补偿控制方法 |
| CN111874089A (zh) * | 2020-07-14 | 2020-11-03 | 一汽奔腾轿车有限公司 | 一种基于c-eps采用角度接口的横向控制方法 |
| CN114919655A (zh) * | 2022-06-16 | 2022-08-19 | 上汽通用五菱汽车股份有限公司 | 车辆控制方法、系统、车辆及计算机可读存储介质 |
Families Citing this family (56)
| Publication number | Priority date | Publication date | Assignee | Title |
|---|---|---|---|---|
| US9623899B2 (en) * | 2013-02-07 | 2017-04-18 | Nsk Ltd. | Electric power steering apparatus |
| US9446789B2 (en) * | 2013-03-08 | 2016-09-20 | Nsk Ltd. | Electric power steering apparatus |
| US9676409B2 (en) | 2013-03-11 | 2017-06-13 | Steering Solutions Ip Holding Corporation | Road wheel disturbance rejection based on hand wheel acceleration |
| EP2799310B1 (en) | 2013-04-30 | 2016-06-08 | Steering Solutions IP Holding Corporation | Providing assist torque without hand wheel torque sensor |
| WO2015025942A1 (ja) * | 2013-08-22 | 2015-02-26 | 日本精工株式会社 | 電動パワーステアリング装置の制御装置 |
| US10144445B2 (en) * | 2014-09-15 | 2018-12-04 | Steering Solutions Ip Holding Corporation | Modified static tire model for providing assist without a torque sensor for zero to low vehicle speeds |
| JP6287767B2 (ja) * | 2014-11-10 | 2018-03-07 | 株式会社デンソー | モータ制御装置 |
| EP3210854B1 (en) * | 2014-12-02 | 2019-07-31 | NSK Ltd. | Electric power steering device |
| JP5990606B2 (ja) * | 2015-02-10 | 2016-09-14 | 本田技研工業株式会社 | 操舵装置及び操舵支援方法 |
| CA2982682A1 (en) * | 2015-04-17 | 2016-10-20 | Amgen Research (Munich) Gmbh | Bispecific antibody constructs for cdh3 and cd3 |
| US10336363B2 (en) | 2015-09-03 | 2019-07-02 | Steering Solutions Ip Holding Corporation | Disabling controlled velocity return based on torque gradient and desired velocity error |
| US10464594B2 (en) | 2015-09-03 | 2019-11-05 | Steering Solutions Ip Holding Corporation | Model based driver torque estimation |
| KR102350043B1 (ko) * | 2015-11-20 | 2022-01-12 | 주식회사 만도 | 자동 조향 제어 시스템 및 방법 |
| KR102307258B1 (ko) * | 2015-11-20 | 2021-10-01 | 현대모비스 주식회사 | 전동식 동력 조향장치의 조향복원 제어장치 및 그 방법 |
| EP3378734B1 (en) * | 2016-02-29 | 2020-04-01 | NSK Ltd. | Electric power steering apparatus |
| JP6296213B2 (ja) * | 2016-03-18 | 2018-03-20 | 日本精工株式会社 | 電動パワーステアリング装置の制御装置 |
| DE102016209833B4 (de) * | 2016-06-03 | 2019-10-31 | Volkswagen Aktiengesellschaft | Verfahren und Vorrichtung zum Bestimmen eines Fahrerhandmoments an einem Lenkrad eines Fahrzeugs |
| WO2017213119A1 (ja) * | 2016-06-06 | 2017-12-14 | 日本精工株式会社 | 電動パワーステアリング装置 |
| US10155534B2 (en) | 2016-06-14 | 2018-12-18 | Steering Solutions Ip Holding Corporation | Driver intent estimation without using torque sensor signal |
| CN109451782B (zh) * | 2016-07-20 | 2022-02-22 | 日本精工株式会社 | 电动助力转向装置 |
| JP6388187B2 (ja) * | 2016-07-28 | 2018-09-12 | 日本精工株式会社 | 電動パワーステアリング装置 |
| US20190225260A1 (en) * | 2016-08-26 | 2019-07-25 | Nsk Ltd. | Control device for electric power steering device |
| US10322748B2 (en) * | 2016-09-23 | 2019-06-18 | Jtekt Corporation | Motor controller and steering device |
| EP3489114B1 (en) * | 2016-11-07 | 2020-10-21 | NSK Ltd. | Electric power steering apparatus |
| EP3486141B1 (en) * | 2016-11-11 | 2020-06-03 | NSK Ltd. | Electric power steering device |
| JP6528786B2 (ja) * | 2017-01-13 | 2019-06-12 | トヨタ自動車株式会社 | 車両の運転支援装置 |
| JP6590090B2 (ja) * | 2017-02-20 | 2019-10-16 | 日本精工株式会社 | 電動パワーステアリング装置 |
| JP6555446B2 (ja) * | 2017-03-16 | 2019-08-07 | 日本精工株式会社 | 電動パワーステアリング装置 |
| CN106915383B (zh) * | 2017-03-23 | 2019-05-03 | 广州汽车集团股份有限公司 | 一种电动助力转向系统的控制方法及系统 |
| JP6477995B1 (ja) * | 2017-08-02 | 2019-03-06 | 日本精工株式会社 | 電動パワーステアリング装置 |
| JP2019064399A (ja) * | 2017-09-29 | 2019-04-25 | 株式会社Subaru | ステアリング装置 |
| EP3640118A4 (en) * | 2017-10-13 | 2020-11-11 | NSK Ltd. | ELECTRIC ASSISTED STEERING DEVICE |
| CN107885931B (zh) * | 2017-11-07 | 2020-12-25 | 长春工业大学 | 一种转向盘突变力矩人性化调节的汽车紧急避撞控制方法 |
| JP6637952B2 (ja) * | 2017-12-28 | 2020-01-29 | 株式会社Subaru | 車両の車線逸脱防止制御装置 |
| DE102019200971B4 (de) * | 2018-02-05 | 2025-07-10 | Denso Corporation | Lenksteuerungsvorrichtung |
| US10338539B1 (en) * | 2018-02-19 | 2019-07-02 | Hamilton Sundstrand Corporation | Actuator control system with transient reduction after redundancy level changes |
| US11110956B2 (en) * | 2018-02-22 | 2021-09-07 | Steering Solutions Ip Holding Corporation | Quadrant based friction compensation for tire load estimation in steering systems |
| JP6638012B2 (ja) * | 2018-03-16 | 2020-01-29 | 株式会社Subaru | 車両の車線逸脱防止制御装置 |
| US10689033B2 (en) * | 2018-03-27 | 2020-06-23 | Subaru Corporation | Vehicle driving assist apparatus |
| CN110576898B (zh) * | 2018-06-07 | 2022-03-11 | 华创车电技术中心股份有限公司 | 机动车辆转向控制系统及转向控制方法 |
| JP7247508B2 (ja) * | 2018-09-28 | 2023-03-29 | 日本電産株式会社 | ステアリング制御装置およびパワーステアリング装置 |
| US11511795B2 (en) * | 2018-10-11 | 2022-11-29 | Steering Solutions Ip Holding Corporation | Dither noise management in electric power steering systems |
| CN110001759B (zh) * | 2019-03-11 | 2021-04-20 | 江苏大学 | 基于eps状态机的辅助驾驶系统及状态切换方法 |
| JP7387998B2 (ja) * | 2019-04-15 | 2023-11-29 | 株式会社ジェイテクト | 操舵制御装置 |
| JP7170971B2 (ja) * | 2019-04-18 | 2022-11-15 | 日本精工株式会社 | 車両用操向システムの制御装置 |
| CN113119973B (zh) * | 2019-12-31 | 2022-10-25 | 上海汽车集团股份有限公司 | 助力力矩的切换控制方法、装置及计算机存储介质 |
| JP7347346B2 (ja) * | 2020-06-23 | 2023-09-20 | いすゞ自動車株式会社 | 操舵制御システム、電動パワーステアリング装置および操舵制御プログラム |
| DE102021202482B4 (de) * | 2021-03-15 | 2023-06-29 | Continental Automotive Technologies GmbH | Regelungseinrichtung und Verfahren zur Lenkwinkelregelung eines Fahrzeugs |
| CN115071807B (zh) * | 2021-03-15 | 2023-09-12 | 北汽福田汽车股份有限公司 | 一种控制方法、装置及车辆 |
| US12139213B2 (en) * | 2021-06-03 | 2024-11-12 | Nsk Ltd. | Control apparatus of steering system for vehicles |
| CN113428219A (zh) * | 2021-07-31 | 2021-09-24 | 重庆长安汽车股份有限公司 | 一种基于传递函数快速响应控制汽车安全的系统和方法 |
| KR20230023081A (ko) * | 2021-08-09 | 2023-02-17 | 현대모비스 주식회사 | 전동식 조향시스템의 제어 장치 및 방법 |
| JP7597051B2 (ja) * | 2022-02-10 | 2024-12-10 | トヨタ自動車株式会社 | ステアリングシステム |
| KR20240169448A (ko) * | 2023-05-24 | 2024-12-03 | 에이치엘만도 주식회사 | 조향 시스템의 모터 제어 장치 및 이에 의한 모터 제어 방법 |
| BE1031887B1 (de) * | 2023-08-11 | 2025-03-10 | Thyssenkrupp Presta Ag | Lenkeinrichtung für ein Kraftfahrzeug |
| CN118220323B (zh) * | 2024-04-08 | 2024-10-18 | 昌辉汽车转向系统(黄山)有限公司 | 用于线控转向系统的路面振动反馈控制系统 |
Citations (9)
| Publication number | Priority date | Publication date | Assignee | Title |
|---|---|---|---|---|
| JPH08290778A (ja) | 1995-04-21 | 1996-11-05 | Nippon Seiko Kk | 電動パワ−ステアリング装置の制御装置 |
| JPH08310417A (ja) | 1995-05-15 | 1996-11-26 | Nippon Seiko Kk | 電動パワ−ステアリング装置の制御装置 |
| JP2002145075A (ja) | 2000-11-06 | 2002-05-22 | Honda Motor Co Ltd | ステアリングホイールの制振装置 |
| JP2002161969A (ja) | 2000-11-24 | 2002-06-07 | Honda Motor Co Ltd | ステアリングラックの制振構造 |
| JP2002369565A (ja) | 2001-06-07 | 2002-12-20 | Nsk Ltd | 電動パワーステアリング装置の制御装置 |
| JP2007269140A (ja) * | 2006-03-31 | 2007-10-18 | Nsk Ltd | 電動パワーステアリング装置の制御装置 |
| WO2008146372A1 (ja) | 2007-05-30 | 2008-12-04 | Mitsubishi Electric Corporation | 車両用操舵装置 |
| JP2013193490A (ja) * | 2012-03-16 | 2013-09-30 | Nsk Ltd | 電動パワーステアリング装置 |
| JP2013252729A (ja) * | 2012-06-05 | 2013-12-19 | Nsk Ltd | 電動パワーステアリング装置 |
Family Cites Families (17)
| Publication number | Priority date | Publication date | Assignee | Title |
|---|---|---|---|---|
| JP3622329B2 (ja) * | 1996-03-08 | 2005-02-23 | スズキ株式会社 | 車両操舵装置 |
| JP3668340B2 (ja) * | 1996-09-05 | 2005-07-06 | 本田技研工業株式会社 | 車両操舵装置 |
| KR20020043069A (ko) * | 2000-12-01 | 2002-06-08 | 밍 루 | 전동식 파워 스티어링 시스템에 있어서 모터 제어 장치 |
| JP3637849B2 (ja) * | 2000-07-06 | 2005-04-13 | 日産自動車株式会社 | 車線追従走行制御装置 |
| JP3856690B2 (ja) * | 2001-11-30 | 2006-12-13 | 株式会社ジェイテクト | 電動パワーステアリング装置 |
| JP3674919B2 (ja) * | 2002-03-19 | 2005-07-27 | 本田技研工業株式会社 | 電動パワーステアリング装置とその制御方法 |
| JP2006117181A (ja) * | 2004-10-25 | 2006-05-11 | Favess Co Ltd | 操舵制御装置 |
| JP4600653B2 (ja) * | 2004-10-28 | 2010-12-15 | 株式会社ジェイテクト | 操舵制御装置 |
| JP4916820B2 (ja) * | 2006-08-29 | 2012-04-18 | 富士重工業株式会社 | 車両の操舵制御装置 |
| JP5387878B2 (ja) * | 2008-03-31 | 2014-01-15 | 株式会社ジェイテクト | モータ制御装置 |
| JP5526630B2 (ja) * | 2009-07-08 | 2014-06-18 | 株式会社ジェイテクト | 電動パワーステアリング装置 |
| JP5430505B2 (ja) * | 2010-06-25 | 2014-03-05 | トヨタ自動車株式会社 | 車両の制御装置 |
| US9499201B2 (en) * | 2012-11-08 | 2016-11-22 | Toyota Jidosha Kabushiki Kaisha | Vehicular travel control device |
| CN104812648B (zh) * | 2012-11-28 | 2017-12-01 | 丰田自动车株式会社 | 车辆的行驶控制装置 |
| US9446789B2 (en) * | 2013-03-08 | 2016-09-20 | Nsk Ltd. | Electric power steering apparatus |
| CN104583057B (zh) * | 2013-04-04 | 2017-04-26 | 日本精工株式会社 | 电动助力转向装置 |
| JP5939238B2 (ja) * | 2013-11-29 | 2016-06-22 | トヨタ自動車株式会社 | 車両用操舵制御装置 |
-
2014
- 2014-01-29 WO PCT/JP2014/051931 patent/WO2015114751A1/ja not_active Ceased
- 2014-01-29 US US14/419,796 patent/US9327761B2/en not_active Expired - Fee Related
- 2014-01-29 CN CN201480029047.9A patent/CN105246764B/zh not_active Expired - Fee Related
- 2014-01-29 EP EP14880581.5A patent/EP2977296B1/en not_active Not-in-force
Patent Citations (9)
| Publication number | Priority date | Publication date | Assignee | Title |
|---|---|---|---|---|
| JPH08290778A (ja) | 1995-04-21 | 1996-11-05 | Nippon Seiko Kk | 電動パワ−ステアリング装置の制御装置 |
| JPH08310417A (ja) | 1995-05-15 | 1996-11-26 | Nippon Seiko Kk | 電動パワ−ステアリング装置の制御装置 |
| JP2002145075A (ja) | 2000-11-06 | 2002-05-22 | Honda Motor Co Ltd | ステアリングホイールの制振装置 |
| JP2002161969A (ja) | 2000-11-24 | 2002-06-07 | Honda Motor Co Ltd | ステアリングラックの制振構造 |
| JP2002369565A (ja) | 2001-06-07 | 2002-12-20 | Nsk Ltd | 電動パワーステアリング装置の制御装置 |
| JP2007269140A (ja) * | 2006-03-31 | 2007-10-18 | Nsk Ltd | 電動パワーステアリング装置の制御装置 |
| WO2008146372A1 (ja) | 2007-05-30 | 2008-12-04 | Mitsubishi Electric Corporation | 車両用操舵装置 |
| JP2013193490A (ja) * | 2012-03-16 | 2013-09-30 | Nsk Ltd | 電動パワーステアリング装置 |
| JP2013252729A (ja) * | 2012-06-05 | 2013-12-19 | Nsk Ltd | 電動パワーステアリング装置 |
Cited By (3)
| Publication number | Priority date | Publication date | Assignee | Title |
|---|---|---|---|---|
| CN105292246A (zh) * | 2015-12-07 | 2016-02-03 | 长春工业大学 | 汽车电动助力转向摩擦补偿控制方法 |
| CN111874089A (zh) * | 2020-07-14 | 2020-11-03 | 一汽奔腾轿车有限公司 | 一种基于c-eps采用角度接口的横向控制方法 |
| CN114919655A (zh) * | 2022-06-16 | 2022-08-19 | 上汽通用五菱汽车股份有限公司 | 车辆控制方法、系统、车辆及计算机可读存储介质 |
Also Published As
| Publication number | Publication date |
|---|---|
| EP2977296A4 (en) | 2017-03-22 |
| EP2977296B1 (en) | 2018-07-18 |
| CN105246764A (zh) | 2016-01-13 |
| US9327761B2 (en) | 2016-05-03 |
| US20160001810A1 (en) | 2016-01-07 |
| EP2977296A1 (en) | 2016-01-27 |
| CN105246764B (zh) | 2017-06-23 |
Similar Documents
| Publication | Publication Date | Title |
|---|---|---|
| WO2015114751A1 (ja) | 電動パワーステアリング装置 | |
| JP5915811B2 (ja) | 電動パワーステアリング装置 | |
| US9446789B2 (en) | Electric power steering apparatus | |
| JP2014054885A (ja) | 電動パワーステアリング装置 | |
| EP2256019B1 (en) | Control apparatus for electric power steering apparatus | |
| WO2014162769A1 (ja) | 電動パワーステアリング装置 | |
| US20190002019A1 (en) | Electric power steering apparatus | |
| JP6069896B2 (ja) | 電動パワーステアリング装置 | |
| JP2013193490A (ja) | 電動パワーステアリング装置 | |
| WO2011037019A1 (ja) | 電動パワーステアリング装置 | |
| WO2016027663A1 (ja) | 電動パワーステアリング装置 | |
| JP2006199219A (ja) | 電動パワーステアリング装置の制御装置 | |
| JPWO2019167661A1 (ja) | 車両用操向装置 | |
| JP4984602B2 (ja) | 電動パワーステアリング装置の制御装置 | |
| JP5428415B2 (ja) | 車両の操舵装置 | |
| JP2010030391A (ja) | 車両の操舵装置 | |
| JP2010143303A (ja) | 車両用操舵装置 | |
| JP6252062B2 (ja) | ステアリング制御装置 | |
| JP4347871B2 (ja) | 車両用操舵制御装置 | |
| JP4506475B2 (ja) | 車両用操舵制御装置 | |
| JP4517555B2 (ja) | 自動車の電動パワーステアリング装置 |
Legal Events
| Date | Code | Title | Description |
|---|---|---|---|
| WWE | Wipo information: entry into national phase |
Ref document number: 14419796 Country of ref document: US |
|
| 121 | Ep: the epo has been informed by wipo that ep was designated in this application |
Ref document number: 14880581 Country of ref document: EP Kind code of ref document: A1 |
|
| WWE | Wipo information: entry into national phase |
Ref document number: 2014880581 Country of ref document: EP |
|
| NENP | Non-entry into the national phase |
Ref country code: DE |
|
| NENP | Non-entry into the national phase |
Ref country code: JP |
