JP5087828B2 - 半導体装置の製造方法 - Google Patents

半導体装置の製造方法 Download PDF

Info

Publication number
JP5087828B2
JP5087828B2 JP2005246037A JP2005246037A JP5087828B2 JP 5087828 B2 JP5087828 B2 JP 5087828B2 JP 2005246037 A JP2005246037 A JP 2005246037A JP 2005246037 A JP2005246037 A JP 2005246037A JP 5087828 B2 JP5087828 B2 JP 5087828B2
Authority
JP
Japan
Prior art keywords
manufacturing
semiconductor
laser light
irradiation
semiconductor device
Prior art date
Legal status (The legal status is an assumption and is not a legal conclusion. Google has not performed a legal analysis and makes no representation as to the accuracy of the status listed.)
Expired - Lifetime
Application number
JP2005246037A
Other languages
English (en)
Other versions
JP2007059801A (ja
Inventor
道生 根本
光明 桐澤
治雄 中澤
Current Assignee (The listed assignees may be inaccurate. Google has not performed a legal analysis and makes no representation or warranty as to the accuracy of the list.)
Fuji Electric Co Ltd
Original Assignee
Fuji Electric Co Ltd
Priority date (The priority date is an assumption and is not a legal conclusion. Google has not performed a legal analysis and makes no representation as to the accuracy of the date listed.)
Filing date
Publication date
Application filed by Fuji Electric Co Ltd filed Critical Fuji Electric Co Ltd
Priority to JP2005246037A priority Critical patent/JP5087828B2/ja
Priority to US11/464,489 priority patent/US7517777B2/en
Publication of JP2007059801A publication Critical patent/JP2007059801A/ja
Application granted granted Critical
Publication of JP5087828B2 publication Critical patent/JP5087828B2/ja
Anticipated expiration legal-status Critical
Expired - Lifetime legal-status Critical Current

Links

Images

Classifications

    • H10P30/21
    • HELECTRICITY
    • H10SEMICONDUCTOR DEVICES; ELECTRIC SOLID-STATE DEVICES NOT OTHERWISE PROVIDED FOR
    • H10DINORGANIC ELECTRIC SEMICONDUCTOR DEVICES
    • H10D8/00Diodes
    • H10D8/01Manufacture or treatment
    • H10D8/043Manufacture or treatment of planar diodes
    • HELECTRICITY
    • H10SEMICONDUCTOR DEVICES; ELECTRIC SOLID-STATE DEVICES NOT OTHERWISE PROVIDED FOR
    • H10DINORGANIC ELECTRIC SEMICONDUCTOR DEVICES
    • H10D8/00Diodes
    • H10D8/411PN diodes having planar bodies
    • H10P30/204
    • H10P34/42
    • H10P34/40

Landscapes

  • Mechanical Treatment Of Semiconductor (AREA)

Description

この発明は、半導体基板の裏面研削工程を含む半導体装置の製造方法に関し、特に電力用半導体装置の製造方法に関する。
ダイオードや絶縁ゲート型バイポーラトランジスタ(以下、IGBTとする)等の電力用半導体装置の製造方法として、以下の方法が公知である。まず、シリコン等のウェハーを厚いままで用いて半導体素子を製造する。そして、製造プロセスの最後で薄層研磨およびエッチングによりウェハーを最終厚さにした後に、イオン注入と活性化熱処理を行う(例えば、特許文献1参照。)。近年、このような製造プロセスが主流になりつつある。
しかし、この製造プロセスでは、薄層研磨後の活性化熱処理においては、既にウェハーの、薄層研磨された面と反対側の面に電極が形成されているため、この電極材料の融点以下の低温、例えば電極材料がアルミニウムであれば450℃以下の温度で熱処理を行わなければならない。そのため、不純物の活性化が不十分になりやすい。そこで、FZウェハーの一方の主面にダイオードのPアノード層とアノード電極を形成した後、他方の主面を研削し、その研削面にリンや砒素をイオン注入により導入し、レーザ光の照射によりリンや砒素を活性化させる方法が公知である(例えば、特許文献2参照。)。FZウェハーは、フローティングゾーン法により作製されたインゴットから切り出されたウェハーであり、エピタキシャルウェハーよりも安価である。
ところで、ダイオードに関して、順電圧の温度係数が正であることが望ましいという報告がある(例えば、非特許文献1参照。)。これは、IGBTモジュールの大電流化(例えば、500A以上)によってモジュール内でIGBTチップとフリーホイーリングダイオード(以下、FWDとする)チップを並列接続する必要がある場合に、特定のチップへの電流集中を抑えることができるので、チップ間の電流のバランスを安定に保つことができるからである。
順電圧の温度係数を正にするには、少数キャリアのライフタイム制御(ライフタイムキラーの導入量の制御)を電子線照射で行うことが前提となる(例えば、特許文献3参照。)。ライフタイム制御の代表的な方法の一つである白金を拡散させる方法では、白金の示すエネルギー準位が浅いため、ダイオードの温度係数は負になってしまうからである。
しかし、前記非特許文献1の中で、電子線照射法を用いた場合には、ダイオードの逆回復特性がいわゆるハードリカバリーとなりやすく、逆回復中の発振が起こりやすいということが指摘されている。これは、電子線照射によって生成される半導体基板中の結晶欠陥の濃度分布が、基板の厚さ方向、すなわち電子線の照射方向に対して一様になるからである。
従って、正の順電圧の温度係数を有する素子を作製するには、電子線照射によってライフタイム制御を行うだけでなく、ソフトリカバリーとなるような結晶欠陥分布を実現する方法が必要となる。そのような方法の一つとして、Nドリフト層の不純物濃度を、その中央付近でピークとなり、このピークの位置からPアノード層側およびNカソード層側に緩やかに減少するようにする方法が公知である(例えば、特許文献4参照。)。
特表2002−520885号公報(第17頁) 米国特許第6759301号明細書(第5欄、第20−36行) 特開2001−177114号公報(図2、段落番号0016) 特開2003−318412号公報(図13、段落番号0079) ミチオ・ネモト(Michio Nemoto)、外5名、「アン アドバンスト FWD デザイン コンセプト ウィズ スピアリア ソフト リバース リカバリ キャラクタリスティクス(An Advanced FWD Design Concept with Superior Soft Reverse Recovery Characteristics)」、(米国)アイエスピーエスディ プロシーディングズ(ISPSD Proceedings)、2000年、p.119−122
しかしながら、前記特許文献4に開示された方法は、エピタキシャルウェハーを用いるため、近時、主流となりつつあるFZウェハーを用いた安価な製造方法には適さない。そこで、FZウェハーを用い、電子線照射によってライフタイム制御を行う場合でも、ソフトリカバリー特性を有する素子が得られる製造方法を新たに開発する必要がある。
この発明は、上述した事情に鑑みなされたものであり、半導体基板の裏面研削工程を含む製造方法において、ソフトリカバリー特性を有する素子を作製することができる半導体装置の製造方法を提供することを目的とする。
上述した課題を解決し、目的を達成するため、本発明の発明者らは、鋭意研究を重ねた結果、電子線照射による結晶欠陥を有する半導体にYAGレーザを照射することによって、その照射面からある程度の深さまでの領域の欠陥を回復させることができることを発見した。本発明は、この発見に基づいてなされたものである。なお、YAG2ωレーザによる欠陥回復の詳細については、本発明者らが先に出願した特願2004−036547号の明細書に開示されている。
この発明にかかる半導体装置の製造方法は、第1導電型の第1半導体層と、前記第1半導体層よりも高濃度で、かつ前記第1半導体層の一方の主面側で同第1半導体層に接する第2導電型の第2半導体層と、前記第2半導体層に電気的に接続する第1電極と、前記第1半導体層よりも高濃度で、かつ前記第1半導体層の他方の主面側で同第1半導体層に接する第1導電型の第3半導体層と、前記第3半導体層に電気的に接続する第2電極と、を備えた半導体装置を製造するにあたって、第1導電型半導体基板の一方または他方の主面に荷電粒子を照射して前記半導体基板中に結晶欠陥を導入する工程と、前記第1半導体層のキャリアのライフタイムを、前記荷電粒子を照射する前の値よりも低い値となるように熱処理する熱処理工程と、結晶欠陥が導入された半導体基板の前記他方の主面を研削する工程と、研削により露出した面から前記半導体基板中に第1導電型または第2導電型の不純物をイオン注入法により導入する工程と、研削により露出した面にレーザ光を照射して、前記半導体基板中に導入された不純物を電気的に活性化させるとともに、前記半導体基板中に導入された結晶欠陥のうち、レーザ光の照射面から所定の深さまでの領域のキャリアのライフタイムが前記熱処理工程後のキャリアのライフタイムよりも高い値となるように結晶欠陥を回復させる回復工程と、を含み、レーザ光の照射により結晶欠陥を回復させる領域を、レーザ光の照射面から、研削後の全体の厚さの5%に相当する深さ以上30%に相当する深さ以下の範囲の任意の深さまでとすることを特徴とする。
この発明によれば、荷電粒子の照射により半導体基板中に結晶欠陥が導入されるが、レーザ光を照射することにより、基板中に導入された結晶欠陥のうち、レーザ光の照射面から所定の深さまでの領域の結晶欠陥が回復する。それによって、レーザ光の照射面から所定の深さまでの領域では、少数キャリアのライフタイムが、荷電粒子を照射する前の値まで回復するので、ソフトリカバリー特性が向上する。また、レーザ光の照射面から、研削後の全体の厚さの5%に相当する深さまでの領域の結晶欠陥を回復させることによって、ソフトリカバリー効果が生じる。そして、レーザ光の照射面から、研削後の全体の厚さの30%に相当する深さまでの領域の結晶欠陥を回復させることによって、十分なソフトリカバリー効果が得られる。
この発明にかかる半導体装置の製造方法は、前記回復工程において、前記レーザ光の照射面から所定の深さまでの領域のキャリアのライフタイムの値が、前記荷電粒子を照射する前の値まで回復することを特徴とする。また、この発明にかかる半導体装置の製造方法は、上述した発明において、前記半導体基板の一方の主面に前記第2半導体層と前記第1電極を形成した後に、荷電粒子の照射によって半導体基板中に結晶欠陥を導入する工程を行うことを特徴とする。
の発明によれば、レーザ光の照射によって局所的に加熱して不純物の活性化処理と結晶欠陥の回復処理を行うので、レーザ光の照射前にその照射面とは反対の面に既に所定の不純物濃度の第2半導体層や金属等の第1電極が形成されていても、それらに対する影響はない。従って、半導体基板の一方の主面側に素子の構造の一部が既に形成されていても、何ら問題なく、本発明方法を適用して、半導体基板中に結晶欠陥を導入し、半導体基板の他方の主面側の表層部分の結晶欠陥を回復させることができる。
ただし、レーザ光の照射面から、研削後の全体の厚さの30%に相当する深さよりもさらに深い領域まで結晶欠陥を回復させる場合には、レーザを照射する際に、高いエネルギー密度が必要となる。レーザの照射エネルギー密度が高くなると、レーザ照射面の温度が半導体の沸点(シリコンの場合には、3267℃)を超えてしまうため、アブレーションが発生し、半導体の表面が荒れてしまう。従って、本発明では、結晶欠陥の回復領域は、研削後の全体の厚さの30%以内であるのが望ましい。
の発明にかかる半導体装置の製造方法は、上述した発明において、レーザ光の照射により結晶欠陥を回復させる領域を、レーザ光の照射面から、10μm以上40μm以下の範囲の任意の深さまでとすることを特徴とする。
の発明によれば、研削後の全体の厚さが140μm程度である場合、レーザ光の照射面から10μmの深さまでの領域の結晶欠陥を回復させることによって、ソフトリカバリー効果が生じる。そして、レーザ光の照射面から40μmの深さまでの領域の結晶欠陥を回復させることによって、十分なソフトリカバリー効果が得られる。
の発明にかかる半導体装置の製造方法は、上述した発明において、レーザ光の照射エリアごとに、複数のレーザ照射装置から所定の遅延時間だけ照射タイミングをずらして複数のパルスレーザを連続的に照射することを特徴とする。
の発明によれば、複数のパルスレーザを所定の遅延時間だけずらして連続的に照射すると、先のパルスでは、結晶欠陥の導入領域の再結晶化を図ることが難しいため、レーザ照射領域には結晶欠陥が残ってしまうが、後のパルスによって再結晶化が進むようになる。これによって、レーザ照射面から適当な深さまでの領域の結晶欠陥が回復し、ソフトリカバリー効果が生じる。
の発明にかかる半導体装置の製造方法は、上述した発明において、レーザ光の照射エリアごとに、レーザ光を照射する際のエネルギー密度を合計で1J/cm2以上4J/cm2以下とすることを特徴とする。
の発明によれば、レーザ光を照射する際のエネルギー密度が合計で1J/cm2以上であれば、レーザ照射面から適当な深さまでの領域の結晶欠陥を回復させることができる。また、レーザ光を照射する際のエネルギー密度が合計で4J/cm2を超えると、レーザ照射面の温度が半導体の沸点(シリコンの場合には、3267℃)を超えてしまうため、アブレーションが発生し、半導体の表面が荒れてしまう。従って、本発明では、レーザ光を照射する際のエネルギー密度は、合計で4J/cm2以下であるのが望ましい。
の発明にかかる半導体装置の製造方法は、上述した発明において、前記レーザ光としてYAGレーザを用いることを特徴とする。の発明によれば、YAG第2高調波のような高エネルギーのレーザ光をもちいることによって、レーザ照射面から適当な深さまでの領域の結晶欠陥を効率よく回復させることができる。
の発明にかかる半導体装置の製造方法は、上述した発明において、前記荷電粒子として電子線を用いることを特徴とする。の発明によれば、電子線を用いることによって、半導体基板中に結晶欠陥を一様に分布するように導入することができる。
の発明にかかる半導体装置の製造方法は、上述した発明において、前記半導体基板としてFZウェハーを用いることを特徴とする。の発明によれば、FZウェハーがエピタキシャルウェハーよりも安価であるので、安価な半導体装置が得られる。
本発明にかかる半導体装置の製造方法によれば、半導体基板の裏面研削工程を含む製造方法において、ソフトリカバリー特性を有する素子を作製することができるという効果を奏する。特に、逆回復時間および損失が従来よりも大幅に減り、かつソフトリカバリー特性が向上したダイオードを実現できる。また、電気的損失および放射電磁ノイズの低い、環境問題を考慮したIGBTモジュールやIPM(Intelligent Power Module)を実現できる。
以下に添付図面を参照して、この発明にかかる半導体装置の製造方法の好適な実施の形態を詳細に説明する。本明細書および添付図面においては、NまたはPを冠記した層では、それぞれ電子または正孔が多数キャリアであることを意味する。また、Nに付す+および−は、それぞれ相対的に不純物濃度が高いまたは低いことを意味する。なお、以下の実施の形態の説明および添付図面において、同様の構成には同一の符号を付し、重複する説明を省略する。
図1〜図3は、本発明にかかる半導体装置の製造方法の一例を工程順に示した要部断面図である。まず、半導体基板1として、例えば5インチ径のN-FZウェハーを用意する(図1)。例えば1200Vクラスの場合、半導体基板1の比抵抗は40〜70Ωcmである。この半導体基板1を第1半導体層として用い、標準的なダイオードのプロセス工程によって、半導体基板1の一方の主面に第2半導体層となるPアノード層2と、図示しないガードリングエッジ構造を形成する。さらに、Pアノード層2にオーミック接触する第1電極としてアノード電極3を形成する。図中200は、この状態における不純物濃度のプロファイルを示している。
続いて、半導体基板1に電子線等のイオン化した荷電粒子を照射して半導体基板1の中に結晶欠陥を導入し、熱処理を行う。次いで、ウェハー(半導体基板1)の他方の主面に対して研削やウエットエッチングなどを行い、ウェハーを所定の厚さにする。例えば1200Vクラスの場合には、ウェハーの厚さを100〜160μmにするのが一般的である。その後、半導体基板1の研削等により露出した面(以下、研削による露出面とする)に対して不純物のイオン注入を行い、半導体基板1の中に不純物を導入する。
さらに、研削による露出面にYAG第2高調波レーザ等のレーザ光をダブルパルス法にて照射する。ダブルパルス法とは、レーザ光の照射エリアごとに、複数のレーザ照射装置から所定の遅延時間だけ照射タイミングをずらして複数のパルスレーザを連続的に照射する方法である。ダブルパルス法については、本発明者らが先に出願した特願2004−036547号の明細書(例えば、段落番号0030〜0032、0037)を参照されたい。
本実施の形態では、ダブルパルス法によりレーザ光を照射する際のエネルギー密度は、レーザ光の照射エリアごとに、合計で1J/cm2以上4J/cm2以下である。このレーザ照射によって、半導体基板1の中の不純物が電気的に活性化して第3半導体層となるN+カソード層4ができる。
同時に、荷電粒子の照射により半導体基板1の中に導入された結晶欠陥のうち、レーザ光の照射面、すなわち研削による露出面から、研削後の全体の厚さの5%に相当する深さ以上30%に相当する深さ以下の範囲の任意の深さまでの領域の結晶欠陥が回復する。例えば、研削後の全体の厚さが140μmである場合には、レーザ光の照射面から、10μm以上40μm以下の範囲の任意の深さまでの領域で結晶欠陥が回復する。その後、研削による露出面にチタン(Ti)、ニッケル(Ni)および金(Au)をこの順で積層させて第2電極となるカソード電極5を形成する(図3)。図中300は、この状態における不純物濃度のプロファイルを示している。
次に、上述した製造方法により作製されたダイオードの特性について説明する。図4は、上述した製造方法により作製されたダイオードの構成および特性を説明するための図である。図4は、ダイオードの要部断面を表している。また、アノード電極3からの距離とネットドーピング濃度との関係の特性図410と、アノード電極3からの距離とライフタイム分布との関係の特性図420を示した。特性図410,420の横軸、すなわちアノード電極3からの距離は、上部の断面図に対応している。
ここでは、一例として、1200Vクラスの耐圧で、150Aの定格電流となるように、チップサイズを10mm×10mmとした。また、半導体基板1の比抵抗は60Ωcmであり、半導体基板1のリン濃度は8.0×1013atoms/ccであった。また、Pアノード層2の濃度を5×1016atoms/ccとし、その深さを3μmとした。アノード電極は、AlSi1%で形成した。
また、電子線を加速電圧4.8MeVで、線量を100kGyで照射することによって結晶欠陥を導入した。電子線照射後、350℃で1時間程度の熱処理を行った。さらに、研削やウエットエッチングなどによってウェハーの厚さを140μmにした。また、N+カソード層4を形成するために、加速電圧50keVで、ドーズ量1×1019atoms/cm2のリンをイオン注入した。さらに、YAG第2高調波レーザを照射する際の、エネルギー密度を合計で3J/cm2とし、ダブルパルスの遅延時間を300nsとした。
本発明者らは、YAGレーザ照射時のダブルパルスの照射遅延時間を種々変更してダイオードを作製し、得られたダイオードの電気的特性を調べた結果、照射遅延時間によって順電圧に明確な差が生じることを見出した。図5は、YAGレーザ照射時のダブルパルスの照射遅延時間と、図4に示すダイオードの150Aにおける順電圧(室温)との関係を示す図である。図5から明らかなように、照射遅延時間が0ns、100ns、200ns、300ns、400nsおよび500nsのときの順電圧は、それぞれ約1.7V、約1.64V、約1.56V、約1.52V、約1.56Vおよび約1.76Vである。
このように順電圧に差が生じる理由は、以下の通りである。すなわち、YAGレーザを照射する前の状態では、周知のように、電子線照射による結晶欠陥はウェハーに一様に分布している。本実施の形態のように、ウェハーを研削および研磨し、リンをイオン注入した後に、上述した条件でYAGレーザを照射することによって、その照射面から約2.6μmの深さまでの領域では1414℃以上の高温となり、シリコンが溶融する。
YAGレーザの照射が終わると、100nsのオーダーで急速に温度が減少する。レーザの照射終了から1μs経過した時点で、その照射面から30μmの深さの位置では約500℃になる。すなわち、レーザの照射面から30μmの深さまでの領域の温度は500℃以上であり、容易に電子線照射による結晶欠陥が回復する。従って、この領域のライフタイムは、電子線照射前の値(約30μs)まで回復する。
次に、デバイスシミュレーションにより、ライフタイム分布を仮定し、そのときの順電圧を計算した。図6は、仮定したライフタイム分布を示す図であり、横軸をアノード電極3からの距離とし、縦軸をライフタイムとしている。また、N+カソード層4とカソード電極5との界面を140μmの位置にしている。
ここでは、電子線照射を想定した従来の一様なライフタイムを0.35μsと仮定している。そして、N+カソード層4とカソード電極5との界面から20μm(図6の7%回復の場合)、40μm(図6の21%回復の場合)、60μm、80μm、100μm、120μmおよび140μmまでの領域で結晶欠陥が回復してライフタイムが15μsになり、それぞれ、それよりも手前の領域(アノード電極3寄りの領域)のライフタイムを0.35μsと仮定している。
図7は、図6に示すようにライフタイム分布を仮定したときの、結晶欠陥の回復領域の幅と150Aおよび5Aの電流が流れるときの順電圧との関係を示す図である。なお、結晶欠陥の回復領域の幅とは、図6に示すライフタイム分布においてライフタイムが15μsとなっている領域の幅のことである。
図7から、150Aおよび5Aのいずれにおいても、結晶欠陥の回復領域の幅が伸びるほど順電圧が低くなることがわかる。150Aの場合、結晶欠陥の回復領域の幅が20μm(ウェハーの最終厚さの全体に対して約14%)のときの順電圧は、結晶欠陥の回復領域の幅が0μmのときの順電圧、すなわち結晶欠陥の回復領域がない場合の順電圧よりも約0.2V低くなる。
また、図5の実測値から、150Aの場合、最も結晶欠陥が回復している、すなわち最も順電圧が低いのは、YAGレーザ照射時のダブルパルスの照射遅延時間が300nsで、順電圧が約1.52Vの場合(図5のA)であることがわかる。150Aの場合、図7にAで示すように、約1.52Vの順電圧に対応する結晶欠陥の回復領域の幅は、約30μmであることがわかる。つまり、ウェハーの最終厚さの全体に対して約21%の領域で結晶欠陥が回復したときに最も順電圧が低くなることがわかる。
換言すれば、順電圧を最も低くするには、ウェハーの最終厚さの全体に対して約21%の領域で結晶欠陥を回復させればよいことになる。また、図7に示すように、YAGレーザ照射時のダブルパルスの照射遅延時間が500nsで、順電圧が約1.76Vの場合(図5のB)の結晶欠陥の回復領域の幅は、約5μm(ウェハーの最終厚さの全体に対して約3%)である。さらに、YAGレーザ照射時のダブルパルスの照射遅延時間が0nsで、順電圧が約1.7Vの場合(図5のC)の結晶欠陥の回復領域の幅は、約10μm(ウェハーの最終厚さの全体に対して約7%)である。
図8、図9および図10は、それぞれ図11に示す単相チョッパー回路10における図5のA、BおよびCで示すダイオードの室温での逆回復波形を示す図である。これらの図において、Iakはアノード電流であり、Vakはアノード・カソード間の電圧である。単相チョッパー回路10では、逆回復順電流が15Aで定格電流の1/10であり、DCバス電圧が900Vであり、負荷インダクタンスLmが1mHである。また、スイッチングIGBTは、標準的な1200V/150AのFS(フィールドストップ型)−IGBTであり、そのゲート抵抗は、オン側で0Ωであり、オフ側で33Ωである。主回路の回路浮遊インダクタンスLsは200nHである。
図8〜図10から明らかなように、最も結晶欠陥を回復させたAのダイオードが、発振がなくソフトリカバリーであることがわかる。それに対して、Cのダイオードは、丁度発振を開始する条件にあり、また、Bのダイオードは明らかに発振しており、そのピーク電圧がAおよびCの両ダイオードよりもはるかに高いことがわかる。従って、ソフトリカバリーとするには、結晶欠陥の回復領域を増やせばよいことがわかる。ただし、ウェハー全体にわたって結晶欠陥を回復させてしまうと全く意味をなさなくなる。
以上の結果より、N+カソード層4とカソード電極5との界面から、薄板化した後のウェハー全体の厚さの5%以上に相当する深さまでの領域で結晶欠陥を回復させれば、ソフトリカバリー効果が得られることは明白である。また、結晶欠陥を回復させる領域の、N+カソード層4とカソード電極5との界面からの深さを、薄板化した後のウェハー全体の厚さの20〜30%にすることによって、十分なソフトリカバリー効果が得られる。
なお、N+カソード層4とカソード電極5との界面から、薄板化した後のウェハー全体の厚さの30%(本実施の形態では、約40μm)を超える深さまでの領域で結晶欠陥を回復させようとすると、YAGレーザの照射エネルギー密度をおよそ4J/cm2以上にする必要がある。この場合には、レーザ照射面の温度がシリコンの沸点(3267℃)を超えてしまうため、アブレーションが生じ、レーザ照射面が荒れてしまう。従って、結晶欠陥の回復領域は、レーザ照射面から、薄板化した後のウェハー全体の厚さの30%に相当する深さまでの範囲であるのが望ましい。
+カソード層4を形成するために研削による露出面から半導体基板1の中に注入したリンを活性化させるためだけであれば、1J/cm2以下、例えば500mJ/cm2の照射エネルギー密度で、0nsの照射遅延時間、すなわち遅延なしでYAGレーザのパルスを照射すれば、十分にコンタクト抵抗の低いN+カソード層4を形成することができる。また、YAGレーザに限らず、エネルギー密度の低いエキシマレーザなどを用いても同様である。しかし、本実施の形態のように電子線等の軽い荷電粒子の照射によって結晶欠陥を生成し、かつソフトリカバリーとするためには、上述したダブルパルス法でYAGレーザを照射して、ソフトリカバリーに必要な結晶欠陥の回復分布、すなわちライフタイム分布を得る必要がある。
1200V以外の耐圧クラス、例えば600Vクラスのダイオードについても同様である。600Vクラスについては、半導体基板の比抵抗を15〜30Ωcm、例えば20Ωcmとし、研削および研磨後の最終的なウェハー厚さを50〜70μm、例えば60μmとする。そして、例えば、電子線照射の照射線量を300kGyとし、YAGレーザの照射エネルギー密度を2.8J/cm2とし、照射遅延時間を300nsにすれば、順方向電流の電流密度が400A/cm2のときに順電圧は1.3Vとなる。
同じ条件で、照射遅延時間を500nsにすると、順電圧は1.6Vとなり、図5と同様の特性が得られる。DCバス電圧500V、電流密度400A/cm2からの逆回復波形(室温)は、照射遅延時間が300nsのダイオードでは発振がなく、照射遅延時間が500nsのダイオードでは発振する。
また、本発明は、ダイオードに限らず、通常のIGBTや逆阻止IGBTに適用することもできる。本発明を適用したIGBT等では、低損失で、かつ発振を抑えたターンオフを実現できる。特に、逆阻止IGBTを作製する際には、FZバルクウェハーを用い、そのおもて面にゲート構造やエミッタ構造やエッジ構造を作製し、電子線を100kGy以下で照射した後に、ウェハー全体の最終的な厚さが100μm前後になるようにウェハーの裏面を研削および研磨し、研削による露出面に対してボロンのイオン注入とレーザ照射によるボロンの活性化工程がある。
一方、ターンオフ時には、ダイオードの逆回復と同様に表側から空乏層が広がり、キャリアが消滅していくが、ダイオードの場合と同様に、キャリアの急激な消滅を抑えることができるので、発振のないスムーズなターンオフが可能となる。従って、低損失でソフトリカバリーなダイオードや、発振のないスムーズなターンオフが可能なIGBTを作製することができる。また、そのような特性を有するIGBTモジュールを用いたPWMインバータ等の電力変換装置において、過電圧破壊やEMIノイズの発生を抑えることができる。
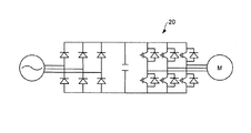
図12および図13は、実施の形態のダイオードやFS−IGBTの適用例を示す図である。図12に示すAC−AC用インバータ−コンバーター20は、効率良く誘導電動機やサーボモータ等を制御することが可能で、産業や電鉄などで広く用いられる。図13に示す力率改善回路(PFC回路)30は、AC−AC変換の入力電流を正弦波状に制御して波形改善をはかる回路であり、スイッチング電源用に用いられる。
実施の形態によれば、逆回復時間および損失が従来よりも大幅に低減し、かつソフトリカバリー特性が向上したダイオードを実現できる。また、電気的損失および放射電磁ノイズの低い、環境問題を考慮したIGBTモジュールやIPMを実現できる。
以上において本発明は、上述した実施の形態に限らず、種々変更可能である。例えば、実施の形態中に記載した寸法や濃度などは一例であり、本発明はそれらの値に限定されるものではない。また、各実施の形態では第1導電型をN型とし、第2導電型をP型としたが、本発明は第1導電型をP型とし、第2導電型をN型としても同様に成り立つ。
以上のように、本発明にかかる半導体装置の製造方法は、電力用半導体装置に有用であり、特に、高速かつ低損失であるとともに、ソフトリカバリー特性を備えたダイオードまたはIGBTに適している。
本発明にかかる半導体装置の製造方法の一例を工程順に示す要部断面図である。 本発明にかかる半導体装置の製造方法の一例を工程順に示す要部断面図である。 本発明にかかる半導体装置の製造方法の一例を工程順に示す要部断面図である。 本発明にかかる半導体装置の製造方法により作製されたダイオードの構成および特性を説明する図である。 YAGレーザ照射時のダブルパルスの照射遅延時間とダイオードの順電圧との関係を示す図である。 ライフタイム分布を説明する図である。 結晶欠陥の回復領域の幅と順電圧との関係を示す図である。 図5のAで示すダイオードの逆回復波形を示す図である。 図5のBで示すダイオードの逆回復波形を示す図である。 図5のCで示すダイオードの逆回復波形を示す図である。 単相チョッパー回路の構成を示す図である。 AC−AC用インバータ−コンバーターの構成を示す図である。 力率改善回路の構成を示す図である。
符号の説明
1 第1半導体層(半導体基板)
2 第2半導体層(Pアノード層)
3 第1電極(アノード電極)
4 第3半導体層(N+カソード層)
5 第2電極(カソード電極)


Claims (9)

  1. 第1導電型の第1半導体層と、前記第1半導体層よりも高濃度で、かつ前記第1半導体層の一方の主面側で同第1半導体層に接する第2導電型の第2半導体層と、前記第2半導体層に電気的に接続する第1電極と、前記第1半導体層よりも高濃度で、かつ前記第1半導体層の他方の主面側で同第1半導体層に接する第1導電型の第3半導体層と、前記第3半導体層に電気的に接続する第2電極と、を備えた半導体装置を製造するにあたって、
    第1導電型半導体基板の一方または他方の主面に荷電粒子を照射して前記半導体基板中に結晶欠陥を導入する工程と、
    前記第1半導体層のキャリアのライフタイムを、前記荷電粒子を照射する前の値よりも低い値となるように熱処理する熱処理工程と、
    結晶欠陥が導入された半導体基板の前記他方の主面を研削する工程と、
    研削により露出した面から前記半導体基板中に第1導電型または第2導電型の不純物をイオン注入法により導入する工程と、
    研削により露出した面にレーザ光を照射して、前記半導体基板中に導入された不純物を電気的に活性化させるとともに、前記半導体基板中に導入された結晶欠陥のうち、レーザ光の照射面から所定の深さまでの領域のキャリアのライフタイムが前記熱処理工程後のキャリアのライフタイムよりも高い値となるように結晶欠陥を回復させる回復工程と、
    を含み、
    レーザ光の照射により結晶欠陥を回復させる領域を、レーザ光の照射面から、研削後の全体の厚さの5%に相当する深さ以上30%に相当する深さ以下の範囲の任意の深さまでとすることを特徴とする半導体装置の製造方法。
  2. 記回復工程において、前記レーザ光の照射面から所定の深さまでの領域のキャリアのライフタイムの値が、前記荷電粒子を照射する前の値まで回復することを特徴とする請求項1に記載の半導体装置の製造方法。
  3. 前記半導体基板の一方の主面に前記第2半導体層と前記第1電極を形成した後に、荷電粒子の照射によって半導体基板中に結晶欠陥を導入する工程を行うことを特徴とする請求項2に記載の半導体装置の製造方法。
  4. レーザ光の照射により結晶欠陥を回復させる領域を、レーザ光の照射面から、10μm以上40μm以下の範囲の任意の深さまでとすることを特徴とする請求項1〜3のいずれか一つに記載の半導体装置の製造方法。
  5. レーザ光の照射エリアごとに、複数のレーザ照射装置から所定の遅延時間だけ照射タイミングをずらして複数のパルスレーザを連続的に照射することを特徴とする請求項1〜4のいずれか一つに記載の半導体装置の製造方法。
  6. レーザ光の照射エリアごとに、レーザ光を照射する際のエネルギー密度を合計で1J/cm 2 以上4J/cm 2 以下とすることを特徴とする請求項5に記載の半導体装置の製造方法。
  7. 前記レーザ光としてYAGレーザを用いることを特徴とする請求項1〜6のいずれか一つに記載の半導体装置の製造方法。
  8. 前記荷電粒子として電子線を用いることを特徴とする請求項1〜7のいずれか一つに記載の半導体装置の製造方法。
  9. 前記半導体基板としてFZウェハーを用いることを特徴とする請求項1〜8のいずれか一つに記載の半導体装置の製造方法。
JP2005246037A 2005-08-26 2005-08-26 半導体装置の製造方法 Expired - Lifetime JP5087828B2 (ja)

Priority Applications (2)

Application Number Priority Date Filing Date Title
JP2005246037A JP5087828B2 (ja) 2005-08-26 2005-08-26 半導体装置の製造方法
US11/464,489 US7517777B2 (en) 2005-08-26 2006-08-14 Method of manufacturing semiconductor device and semiconductor device formed by the method

Applications Claiming Priority (1)

Application Number Priority Date Filing Date Title
JP2005246037A JP5087828B2 (ja) 2005-08-26 2005-08-26 半導体装置の製造方法

Related Child Applications (1)

Application Number Title Priority Date Filing Date
JP2012127604A Division JP5672269B2 (ja) 2012-06-04 2012-06-04 半導体装置の製造方法

Publications (2)

Publication Number Publication Date
JP2007059801A JP2007059801A (ja) 2007-03-08
JP5087828B2 true JP5087828B2 (ja) 2012-12-05

Family

ID=37804808

Family Applications (1)

Application Number Title Priority Date Filing Date
JP2005246037A Expired - Lifetime JP5087828B2 (ja) 2005-08-26 2005-08-26 半導体装置の製造方法

Country Status (2)

Country Link
US (1) US7517777B2 (ja)
JP (1) JP5087828B2 (ja)

Families Citing this family (16)

* Cited by examiner, † Cited by third party
Publication number Priority date Publication date Assignee Title
JP5043445B2 (ja) * 2007-01-16 2012-10-10 三菱電機株式会社 半導体デバイスの製造方法
JP5309360B2 (ja) 2008-07-31 2013-10-09 三菱電機株式会社 半導体装置およびその製造方法
JP5307093B2 (ja) * 2010-08-23 2013-10-02 株式会社日本製鋼所 半導体デバイスの製造方法
CN104303285B (zh) * 2012-08-22 2017-03-01 富士电机株式会社 半导体装置以及半导体装置的制造方法
JP5610493B2 (ja) * 2012-10-03 2014-10-22 株式会社日本製鋼所 半導体デバイスの製造方法および製造装置
CN103855198B (zh) * 2012-11-29 2017-04-12 上海联星电子有限公司 一种逆导型igbt器件及其形成方法
CN103208532B (zh) * 2013-02-28 2015-06-10 溧阳市宏达电机有限公司 一种鳍型pin二极管
JP6291981B2 (ja) * 2013-04-08 2018-03-14 富士電機株式会社 半導体装置の製造方法
JP6221436B2 (ja) 2013-07-10 2017-11-01 富士電機株式会社 超接合mosfetとその製造方法およびダイオードを並列接続させた複合半導体装置
WO2015040938A1 (ja) 2013-09-18 2015-03-26 富士電機株式会社 半導体装置およびその製造方法
DE112015000206T5 (de) * 2014-10-03 2016-08-25 Fuji Electric Co., Ltd. Halbleitervorrichtung und Verfahren zum Herstellen einer Halbleitervorrichtung
JP6344483B2 (ja) 2014-11-17 2018-06-20 富士電機株式会社 半導体装置および半導体装置の製造方法
JP6406452B2 (ja) * 2015-06-30 2018-10-17 富士電機株式会社 半導体装置及びその製造方法
DE102018000395A1 (de) * 2018-01-18 2019-07-18 3-5 Power Electronics GmbH Stapelförmige lll-V-Halbleiterdiode
US11990543B2 (en) 2020-12-02 2024-05-21 Wolfspeed, Inc. Power transistor with soft recovery body diode
US11769827B2 (en) 2020-12-02 2023-09-26 Wolfspeed, Inc. Power transistor with soft recovery body diode

Family Cites Families (24)

* Cited by examiner, † Cited by third party
Publication number Priority date Publication date Assignee Title
JPS5817678A (ja) * 1981-07-24 1983-02-01 Toshiba Corp 半導体装置の製造方法
JPH0562924A (ja) 1991-09-04 1993-03-12 Sony Corp レーザアニール装置
JP3105488B2 (ja) 1992-10-21 2000-10-30 株式会社半導体エネルギー研究所 レーザー処理方法
US6090646A (en) 1993-05-26 2000-07-18 Semiconductor Energy Laboratory Co., Ltd. Method for producing semiconductor device
JPH07226405A (ja) * 1994-12-19 1995-08-22 Meidensha Corp 半導体デバイスの製造方法
US5569624A (en) 1995-06-05 1996-10-29 Regents Of The University Of California Method for shallow junction formation
US6534380B1 (en) 1997-07-18 2003-03-18 Denso Corporation Semiconductor substrate and method of manufacturing the same
ATE263433T1 (de) 1998-07-17 2004-04-15 Infineon Technologies Ag Leistungshalbleiterbauelement für hohe sperrspannungen
US6393042B1 (en) 1999-03-08 2002-05-21 Semiconductor Energy Laboratory Co., Ltd. Beam homogenizer and laser irradiation apparatus
JP2000349042A (ja) 1999-06-03 2000-12-15 Toshiba Corp 半導体素子の製造方法と製造装置
DE10055446B4 (de) * 1999-11-26 2012-08-23 Fuji Electric Co., Ltd. Halbleiterbauelement und Verfahren zu seiner Herstellung
JP4862207B2 (ja) * 1999-11-26 2012-01-25 富士電機株式会社 半導体装置の製造方法
JP4514861B2 (ja) 1999-11-29 2010-07-28 株式会社半導体エネルギー研究所 レーザ照射装置およびレーザ照射方法および半導体装置の作製方法
JP2001177114A (ja) 1999-12-17 2001-06-29 Fuji Electric Co Ltd 半導体装置
JP2001185504A (ja) 1999-12-22 2001-07-06 Sanyo Electric Co Ltd レーザアニール方法及び装置
JP4967205B2 (ja) 2001-08-09 2012-07-04 富士電機株式会社 半導体装置の製造方法
JP2003109912A (ja) 2001-10-01 2003-04-11 Matsushita Electric Ind Co Ltd レーザアニール装置
JP4539011B2 (ja) 2002-02-20 2010-09-08 富士電機システムズ株式会社 半導体装置
JP4364674B2 (ja) 2003-02-28 2009-11-18 株式会社半導体エネルギー研究所 半導体装置の作製方法
DE102004017723B4 (de) * 2003-04-10 2011-12-08 Fuji Electric Co., Ltd In Rückwärtsrichtung sperrendes Halbleiterbauteil und Verfahren zu seiner Herstellung
DE102004030268B4 (de) * 2003-06-24 2013-02-21 Fuji Electric Co., Ltd Verfahren zum Herstellen eines Halbleiterelements
JP4590880B2 (ja) * 2003-06-24 2010-12-01 富士電機システムズ株式会社 半導体素子の製造方法
JP4096838B2 (ja) * 2003-08-20 2008-06-04 富士電機デバイステクノロジー株式会社 半導体装置およびその製造方法
JP4872190B2 (ja) 2004-06-18 2012-02-08 トヨタ自動車株式会社 半導体装置

Also Published As

Publication number Publication date
US7517777B2 (en) 2009-04-14
US20070048982A1 (en) 2007-03-01
JP2007059801A (ja) 2007-03-08

Similar Documents

Publication Publication Date Title
JP7147891B2 (ja) 半導体装置
US11469297B2 (en) Semiconductor device and method for producing semiconductor device
JP5374883B2 (ja) 半導体装置およびその製造方法
JP5087828B2 (ja) 半導体装置の製造方法
CN101305470B (zh) 半导体器件及其制造方法
US8163630B2 (en) Method of manufacturing a semiconductor device
JP5396689B2 (ja) 半導体装置およびその製造方法
CN106463528B (zh) 碳化硅半导体装置的制造方法
US20150303268A1 (en) Diode and power conversion device
WO2013108911A1 (ja) 半導体装置およびその製造方法
JP2013197306A (ja) 半導体装置の製造方法
JP5033335B2 (ja) 半導体装置およびそれを用いたインバータ装置
JP6294175B2 (ja) 半導体装置およびそれを用いた電力変換システム
JP2007158320A (ja) 半導体装置およびその製造方法
JP5672269B2 (ja) 半導体装置の製造方法
JP5162964B2 (ja) 半導体装置及び半導体電力変換装置
JP2014056976A (ja) 半導体装置およびその製造方法
JP2014220516A (ja) 半導体装置

Legal Events

Date Code Title Description
A621 Written request for application examination

Free format text: JAPANESE INTERMEDIATE CODE: A621

Effective date: 20080715

A711 Notification of change in applicant

Free format text: JAPANESE INTERMEDIATE CODE: A712

Effective date: 20091112

RD03 Notification of appointment of power of attorney

Free format text: JAPANESE INTERMEDIATE CODE: A7423

Effective date: 20091112

RD04 Notification of resignation of power of attorney

Free format text: JAPANESE INTERMEDIATE CODE: A7424

Effective date: 20091112

A711 Notification of change in applicant

Free format text: JAPANESE INTERMEDIATE CODE: A712

Effective date: 20110422

A977 Report on retrieval

Free format text: JAPANESE INTERMEDIATE CODE: A971007

Effective date: 20110811

A131 Notification of reasons for refusal

Free format text: JAPANESE INTERMEDIATE CODE: A131

Effective date: 20110823

A521 Request for written amendment filed

Free format text: JAPANESE INTERMEDIATE CODE: A523

Effective date: 20111024

A131 Notification of reasons for refusal

Free format text: JAPANESE INTERMEDIATE CODE: A131

Effective date: 20120403

A521 Request for written amendment filed

Free format text: JAPANESE INTERMEDIATE CODE: A523

Effective date: 20120604

TRDD Decision of grant or rejection written
A01 Written decision to grant a patent or to grant a registration (utility model)

Free format text: JAPANESE INTERMEDIATE CODE: A01

Effective date: 20120814

A01 Written decision to grant a patent or to grant a registration (utility model)

Free format text: JAPANESE INTERMEDIATE CODE: A01

A61 First payment of annual fees (during grant procedure)

Free format text: JAPANESE INTERMEDIATE CODE: A61

Effective date: 20120827

FPAY Renewal fee payment (event date is renewal date of database)

Free format text: PAYMENT UNTIL: 20150921

Year of fee payment: 3

R150 Certificate of patent or registration of utility model

Ref document number: 5087828

Country of ref document: JP

Free format text: JAPANESE INTERMEDIATE CODE: R150

Free format text: JAPANESE INTERMEDIATE CODE: R150

R250 Receipt of annual fees

Free format text: JAPANESE INTERMEDIATE CODE: R250

R250 Receipt of annual fees

Free format text: JAPANESE INTERMEDIATE CODE: R250

R250 Receipt of annual fees

Free format text: JAPANESE INTERMEDIATE CODE: R250

R250 Receipt of annual fees

Free format text: JAPANESE INTERMEDIATE CODE: R250

R250 Receipt of annual fees

Free format text: JAPANESE INTERMEDIATE CODE: R250

R250 Receipt of annual fees

Free format text: JAPANESE INTERMEDIATE CODE: R250

R250 Receipt of annual fees

Free format text: JAPANESE INTERMEDIATE CODE: R250

R250 Receipt of annual fees

Free format text: JAPANESE INTERMEDIATE CODE: R250

R250 Receipt of annual fees

Free format text: JAPANESE INTERMEDIATE CODE: R250

R250 Receipt of annual fees

Free format text: JAPANESE INTERMEDIATE CODE: R250

EXPY Cancellation because of completion of term