JP4297136B2 - 記憶装置 - Google Patents

記憶装置 Download PDF

Info

Publication number
JP4297136B2
JP4297136B2 JP2006158868A JP2006158868A JP4297136B2 JP 4297136 B2 JP4297136 B2 JP 4297136B2 JP 2006158868 A JP2006158868 A JP 2006158868A JP 2006158868 A JP2006158868 A JP 2006158868A JP 4297136 B2 JP4297136 B2 JP 4297136B2
Authority
JP
Japan
Prior art keywords
resistance value
memory
voltage
writing
memory element
Prior art date
Legal status (The legal status is an assumption and is not a legal conclusion. Google has not performed a legal analysis and makes no representation as to the accuracy of the status listed.)
Expired - Fee Related
Application number
JP2006158868A
Other languages
English (en)
Other versions
JP2007328857A (ja
Inventor
朋人 対馬
勝久 荒谷
Current Assignee (The listed assignees may be inaccurate. Google has not performed a legal analysis and makes no representation or warranty as to the accuracy of the list.)
Sony Corp
Original Assignee
Sony Corp
Priority date (The priority date is an assumption and is not a legal conclusion. Google has not performed a legal analysis and makes no representation as to the accuracy of the date listed.)
Filing date
Publication date
Application filed by Sony Corp filed Critical Sony Corp
Priority to JP2006158868A priority Critical patent/JP4297136B2/ja
Priority to US11/757,107 priority patent/US7715220B2/en
Publication of JP2007328857A publication Critical patent/JP2007328857A/ja
Application granted granted Critical
Publication of JP4297136B2 publication Critical patent/JP4297136B2/ja
Expired - Fee Related legal-status Critical Current
Anticipated expiration legal-status Critical

Links

Images

Classifications

    • GPHYSICS
    • G11INFORMATION STORAGE
    • G11CSTATIC STORES
    • G11C11/00Digital stores characterised by the use of particular electric or magnetic storage elements; Storage elements therefor
    • G11C11/56Digital stores characterised by the use of particular electric or magnetic storage elements; Storage elements therefor using storage elements with more than two stable states represented by steps, e.g. of voltage, current, phase, frequency
    • G11C11/5685Digital stores characterised by the use of particular electric or magnetic storage elements; Storage elements therefor using storage elements with more than two stable states represented by steps, e.g. of voltage, current, phase, frequency using storage elements comprising metal oxide memory material, e.g. perovskites
    • GPHYSICS
    • G11INFORMATION STORAGE
    • G11CSTATIC STORES
    • G11C13/00Digital stores characterised by the use of storage elements not covered by groups G11C11/00, G11C23/00, or G11C25/00
    • G11C13/0002Digital stores characterised by the use of storage elements not covered by groups G11C11/00, G11C23/00, or G11C25/00 using resistive RAM [RRAM] elements
    • G11C13/0007Digital stores characterised by the use of storage elements not covered by groups G11C11/00, G11C23/00, or G11C25/00 using resistive RAM [RRAM] elements comprising metal oxide memory material, e.g. perovskites
    • GPHYSICS
    • G11INFORMATION STORAGE
    • G11CSTATIC STORES
    • G11C13/00Digital stores characterised by the use of storage elements not covered by groups G11C11/00, G11C23/00, or G11C25/00
    • G11C13/0002Digital stores characterised by the use of storage elements not covered by groups G11C11/00, G11C23/00, or G11C25/00 using resistive RAM [RRAM] elements
    • G11C13/0021Auxiliary circuits
    • G11C13/0069Writing or programming circuits or methods
    • GPHYSICS
    • G11INFORMATION STORAGE
    • G11CSTATIC STORES
    • G11C13/00Digital stores characterised by the use of storage elements not covered by groups G11C11/00, G11C23/00, or G11C25/00
    • G11C13/0002Digital stores characterised by the use of storage elements not covered by groups G11C11/00, G11C23/00, or G11C25/00 using resistive RAM [RRAM] elements
    • G11C13/0021Auxiliary circuits
    • G11C13/0069Writing or programming circuits or methods
    • G11C2013/0078Write using current through the cell
    • GPHYSICS
    • G11INFORMATION STORAGE
    • G11CSTATIC STORES
    • G11C13/00Digital stores characterised by the use of storage elements not covered by groups G11C11/00, G11C23/00, or G11C25/00
    • G11C13/0002Digital stores characterised by the use of storage elements not covered by groups G11C11/00, G11C23/00, or G11C25/00 using resistive RAM [RRAM] elements
    • G11C13/0021Auxiliary circuits
    • G11C13/0069Writing or programming circuits or methods
    • G11C2013/009Write using potential difference applied between cell electrodes
    • GPHYSICS
    • G11INFORMATION STORAGE
    • G11CSTATIC STORES
    • G11C2213/00Indexing scheme relating to G11C13/00 for features not covered by this group
    • G11C2213/30Resistive cell, memory material aspects
    • G11C2213/31Material having complex metal oxide, e.g. perovskite structure
    • GPHYSICS
    • G11INFORMATION STORAGE
    • G11CSTATIC STORES
    • G11C2213/00Indexing scheme relating to G11C13/00 for features not covered by this group
    • G11C2213/70Resistive array aspects
    • G11C2213/79Array wherein the access device being a transistor

Landscapes

  • Engineering & Computer Science (AREA)
  • Chemical & Material Sciences (AREA)
  • Materials Engineering (AREA)
  • Computer Hardware Design (AREA)
  • Semiconductor Memories (AREA)
  • Read Only Memory (AREA)

Description

本発明は、電気抵抗の状態により情報を記憶・保持する記憶素子を用いて、メモリセルが構成された記憶装置に係わる。
フラッシュメモリ等の半導体不揮発性メモリは小型であり、電源をオフにしても記録が保持されることから、動画画像や音声の記録媒体として広く利用されている。
不揮発性メモリにおいては、より多くの記録容量や記録密度を実現することが求められている。
これを実現する構成として、多値記録、即ち一つのメモリセルに対して2ビット以上のデータを記憶することが可能な構成の、不揮発性メモリが提案されている。
このとき、例えば2ビットのデータが記録できるという場合には、メモリセルを構成する記憶素子が4つの状態の保持が可能であることを意味する。
このような多値化技術を実現するメモリとしては、フラッシュメモリや、記憶素子の抵抗値の変化により情報を記録する抵抗変化型メモリが知られている。
抵抗変化型メモリでは、例えば、記憶素子に電圧パルスを印加することにより、情報の記録を行っている(例えば、非特許文献1参照)。
そして、この電圧パルスを印加する回数を変更することにより、記憶素子の抵抗値を異ならせて、多値記録を実現している。
しかしながら、フラッシュメモリの書き込み動作は、フローティングゲートと呼ばれる端子への段階的な電荷注入によって実行されるため、フラッシュメモリで多値記録を行うように構成した場合は、1ビット記録(単値記録)を行う場合と比較して、著しく時間がかかることになる。
また、上述した抵抗変化型メモリで多値記憶を行う場合においても、多値記録を実現するための段階的な抵抗変化を、端子への電圧パルスの印加回数で制御するため、同様に時間がかかり、動作速度を高速化することが困難である。
上述した多値記録が可能な記憶素子に対して情報の記録動作を行う場合には、複数のビットを入力して、入力された複数のビットに対応する電荷注入もしくはパルス印加回数を実行する必要があるため、この入力される複数のビットと記録する多値の情報との関係に応じた記録動作(電荷注入もしくはパルス印加回数)を、簡便かつ面積効率の優れた回路で実現することが望まれる。
従って、多値記録を速く行うことができると共に、駆動回路を簡便かつ面積効率の優れた回路により構成した記憶装置が望まれる。
そこで、本出願人は、記憶素子とMISトランジスタ等の回路素子とを用いてメモリセルを構成し、記憶素子又は回路素子に印加する電圧又は電流を制御することにより、記憶素子の抵抗値を制御して、多値記録を可能にした記憶装置を提案している(特許文献1参照)。
この構成の記憶装置においては、記憶素子の抵抗値が高い状態から抵抗値が低い状態へ変化させる動作を書き込みと定義し、記憶素子の抵抗値が低い状態から抵抗値が高い状態へ変化させる動作を消去と定義したとき、書き込み後の抵抗値(即ち抵抗値が低い状態)を複数のレベルとすることにより、消去後の抵抗値(即ち抵抗値が高い状態)と合わせて3値以上の多値記録を可能にしている。
W.W.Zhuang他著,「Novel Colossal Magnetoresistive Thin Film Nonvolatile Resistance Random Access Memory (RRAM)」,Technical Digest"InternationalElectron Devices Meeting",2002年,p.193 特開2005−235360号公報
しかしながら、この構成の記憶装置において、消去の動作を行う際には、書き込み後の抵抗値の複数のレベルのそれぞれから、消去動作を行って抵抗値が高い状態に遷移させるまでの経路が、各レベルで別々に(例えばレベルが3つなら3種類)存在してしまい、それぞれの経路における消去特性が異なる。ここで言う消去特性とは、消去後の抵抗値、消去後の抵抗値のばらつき、記録した情報の保持特性(抵抗値の保持特性)等である。
消去後の抵抗値に大きいばらつきがあると、記録された情報を読み出す際に、正確に読み出すことができず読み出しエラーとなることがある。
また、消去の際に印加する電圧が、全ての経路に対応するように設定されていない場合には、消去を失敗することも考えられる。
従って、このような消去特性の不一致を解消することが望まれる。
上述した問題の解決のために、本発明においては、多値データの記録を高速で行うことが可能であり、かつ記録や読み出しを安定して行うことができる記憶装置を提供するものである。
本発明の記憶装置は、電気抵抗の状態により情報を記憶・保持する記憶素子と、記憶素子と直列に接続された、負荷となる回路素子とを有してメモリセルが構成され、記憶素子は、2つの電極の間に記憶層が挟まれてなり、記憶層にはCu,Ag,Znのうち少なくともいずれか1つの金属元素を含有しており、記憶素子の抵抗値が高い状態から抵抗値が低い状態へ変化させる動作を書き込みと定義し、記憶素子の抵抗値が低い状態から抵抗値が高い状態へ変化させる動作を消去と定義したとき、書き込みの動作と、消去の動作とでは、記憶素子に印加される電圧の方向が逆であり、書き込みの際に、回路素子又は記憶素子に印加される電圧又は電流を制御することにより、書き込み後の記憶素子の抵抗値が異なる複数のレベルに設定され、記憶素子は、抵抗値が低い状態の複数のレベル及び消去後の抵抗値が高い状態に、それぞれ異なる情報が割り当てられ、各メモリセルの記憶素子に対して、それぞれ3値以上の情報を記憶することが可能であり、抵抗値が低い状態の複数のレベルのうち、最も抵抗値の低いレベル以外のレベルから消去する際には、最も抵抗値の低いレベルへ変化させる過程が行われてから、抵抗値が高い状態に変化させる過程が行われるものである。
上述の本発明の記憶装置の構成によれば、記憶素子に負荷となる回路素子が直列に接続されてメモリセルが構成されているため、メモリセルの両端に記憶素子の書き込み閾値電圧以上の電圧を印加すると、記憶素子の抵抗値が変化して記憶素子に書き込みが行われるが、書き込み後の記憶素子の抵抗値は、記憶素子の電流−電圧特性(I−V特性)及び回路素子の電流−電圧特性(I−V)により決まる状態(動作点)に設定され、それ以上は変化しなくなる。これにより、回路素子又は記憶素子に印加される電圧又は電流の大きさを変更することにより、設定される書き込み後の記憶素子の抵抗値を、変更することが可能になる。
そして、本発明の記憶装置では、書き込みの際に回路素子又は記憶素子に印加される電圧又は電流を制御することにより、書き込み後の記憶素子の抵抗値が異なる複数のレベルに設定され、記憶素子は、抵抗値が低い状態の複数(N種類;N≧2)のレベル及び消去後の抵抗値が高い状態に、それぞれ異なる情報が割り当てられ、各メモリセルの記憶素子に対してそれぞれ3値以上の情報を記憶することが可能であることから、記憶素子に対して、低抵抗の複数(N種類の)のレベルと高抵抗の状態との合計(N+1)種類の状態に、情報の記録後の抵抗値を制御することが可能になる。これにより、(N+1)値以上、即ち3値以上の情報を記憶素子に記憶することが可能である。
このように、3値以上と、通常の2値(データ“0”及び“1”)を記憶する記憶素子よりも多い、いわゆる多値記録を行うことが可能になる。
これにより、回路素子又は記憶素子に印加される電圧や電流を制御することにより、メモリセルの両端へ印加される電圧パルスの回数を変化させなくても、例えば1回の電圧パルスで、3値以上の情報を記憶素子に記録することが可能になり、パルス幅の制御や多数回のパルスが必要なくなる。
従って、短い時間で多値記録を行うことが可能である。
さらに、抵抗値が低い状態の複数のレベルのうち、最も抵抗値の低いレベル以外のレベルから消去する際には、最も抵抗値の低いレベルへ変化させる過程が行われてから、抵抗値が高い状態に変化させる過程が行われるので、消去の動作の経路が常に最も抵抗値の低い(書き込み後の)レベルを経由することになり、消去特性が一定となる。
これにより、消去後の抵抗値をほぼ一定として、この抵抗値のばらつきを大幅に低減することが可能になるため、消去動作を安定して行うことができると共に、情報の読み出しの際の読み出しエラーの発生を抑制することができる。
従って、記憶素子への情報の記録や、記憶素子に記録された情報の読み出しを安定して行うことができる。
上述の本発明によれば、短い時間で多値記録を行うことが可能であるため、多値記録を高速で行うことが可能になる。
また、メモリセルの選択用の能動素子等の回路素子や配線の電位制御回路、可変抵抗素子又はスイッチング素子等によって、簡素な構成により多値記録を行うことが可能である。
従って、本発明により、多値記録を高速で行うことが可能であり、比較的簡単な構成の駆動回路で多値記録を可能にする記憶装置を実現することができる。
さらに、本発明によれば、情報の記録や情報の読み出しを安定して行うことができるので、動作が安定した信頼性の高い記憶装置を実現することができる。
以下、本発明の記憶装置の実施の形態を説明する。本発明では、抵抗変化型記憶素子をメモリセルに使用して記憶装置を構成する。
まず、本発明の記憶装置の一実施の形態において、記憶装置に使用する抵抗変化型記憶素子の電圧−電流変化を図1に示す。この抵抗変化型記憶素子は、前記特許文献1の実施の形態で説明している抵抗変化型記憶素子と同一の構成である。
即ち、この抵抗変化型記憶素子は、初期状態は抵抗値が大きく電流が流れにくい状態(ST1)であるが、書き込み閾値電圧(図1の+1.1X[V]、例えば数100mV)以上印加すると、電流が流れて抵抗値が低下していく(ST2)。
そして、記憶素子がオーミック特性へと変化し(ST3)、電流が電圧に比例して流れる状態となる。
その後、電圧を0Vに戻してもその抵抗値(低い抵抗値)を保持し続ける。
次に、負の電圧を記憶素子に印加し、印加電圧を大きくしていくと、消去閾値電圧(図1の−1.1X[V]、例えば数100mV)で電流が減少し(ST4)、初期状態と同じ高抵抗へと変化する。
その後、電圧を0Vに戻してもその抵抗値(高い抵抗値)を保持し続ける(ST5)。
なお、図1では印加電圧の範囲を−2X〜+2Xとしているが、印加電圧をそれ以上に大きくしても、この記憶素子では、抵抗値はほとんど変化しない。
上述した電圧−電流特性を有しているため、この抵抗変化型記憶素子は、従来の抵抗変化型記憶素子と同様に、1ビット情報を記録する不揮発性メモリを実現することが可能である。この抵抗変化型記憶素子は、単独でも記憶装置のメモリセルを構成することが可能なものである。
図1に示したようなI−V特性を有する抵抗変化型記憶素子としては、例えば、第1の電極と第2の電極との間(例えば下部電極と上部電極との間)に記憶層が挟まれて構成された記憶素子において、記憶層が例えば希土類酸化膜等の薄膜から成るものが挙げられる。
この構成の記憶素子においては、希土類酸化膜中において、Cu,Ag,或いはZnのようなイオン化が容易な金属を含有していることが望ましい。
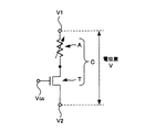
本実施の形態では、特に、この抵抗変化型記憶素子に対して、この記憶素子へのアクセスを制御する能動素子としてMISトランジスタを用いる。そして、図2に回路図を示すように、抵抗変化型記憶素子Aに対してMISトランジスタTを直列に接続して、記憶装置のメモリセルCを構成する。これにより、MISトランジスタTが、抵抗変化型記憶素子Aに対する負荷としても作用することになる。
即ち図2に示すように、抵抗変化型記憶素子AのMISトランジスタTに接続された端子とは反対側の端子に端子電圧V1が印加され、MISトランジスタTの抵抗変化型記憶素子Aに接続された端子とは反対側の一方(例えばソース側)の端子に端子電圧V2が印加され、MISトランジスタTのゲートにゲート電圧VGSが印加される構成となっている。
そして、メモリセルCを構成する抵抗変化型記憶素子A及びMISトランジスタTの両端にそれぞれ端子電圧V1,V2が印加されることにより、両端子間に電位差V(=|V2−V1|)を生じる。
なお、MISトランジスタTのオン抵抗値は、抵抗変化型記憶素子Aの高い抵抗値よりは低いことが望ましい。より望ましくは、抵抗変化型記憶素子Aの高い抵抗値の例えば数分の1以下として、充分低くなるようにする。
これは、MISトランジスタTのオン抵抗値が高いと、端子間に印加した電位差がほとんどMISトランジスタTにかかるため、電力がロスしてしまい、印加した電圧を効率良く記憶素子Aの抵抗の変化に使用することができないからである。
次に、本実施の形態の記憶装置の電気回路図を図3に示す。この電気回路図は、図2の各電圧(V1,V2,VGS)を印加するための電圧制御回路を含んでいる。
この記憶装置100は、(m+1)行・(n+1)列のメモリセルCが、マトリクス状に配置されて構成されている。メモリセルCは、図2に示したように、抵抗変化型記憶素子Aの一端がトランジスタTの一端(ここではドレイン)に接続されて構成されている。
トランジスタT(T00〜Tmn)のゲートは、ワード線W(W0〜Wm)に接続されている。抵抗変化型記憶素子Aの他端は、ビット線B(B0〜Bn)に接続されている。また、トランジスタTの他端(ソース)は、ソース線S(S0〜Sm)に接続されている。
さらに、ビット線B(B0〜Bn)は、その電圧制御回路であるビットデコーダBD(BD0〜BDn)に接続されている。ワード線W(W0〜Wm)は、その電圧制御回路であるロウデコーダRD(RD0〜RDm)に接続されている。ソース線S(S0〜Sm)は、その電圧制御回路であるソースデコーダSD(SD0〜SDm)に接続されている。
このように構成されている本実施の形態の記憶装置100では、例えば次のようにして、情報の記録を行うことができる。
情報の記録を行うべきメモリセルCに対応するワード線Wに対して、ロウデコーダRDによりゲート電圧VGSを印加して、MISトランジスタTのゲートをオンにする。そして、そのメモリセルCに対応するビット線B及びソース線Sに対して、ビットデコーダBD及びソースデコーダSDにより、図2に示した端子電圧V1,V2を印加する。これにより、メモリセルC内の抵抗変化型記憶素子A及びMISトランジスタTに、電圧Vを印加することができる。
このように電圧Vを印加したときに、抵抗変化型記憶素子Aの両端にかかる電圧が、前述した抵抗変化型記憶素子Aの書き込み閾値電圧よりも大きくなっていれば、抵抗変化型記憶素子Aの抵抗値が高抵抗の状態から低下して、低抵抗の状態へと遷移する。
これにより、抵抗変化型記憶素子Aへ情報の記録(以下、この場合を書き込みとする)を行うことができる。
また、抵抗変化型記憶素子Aの抵抗値が低抵抗の状態であるときに、MISトランジスタTのゲートをオンにすると共に、メモリセルC内の抵抗変化型記憶素子A及びMISトランジスタTに、書き込み時とは逆極性の電圧Vを印加すると、抵抗変化型記憶素子Aの両端にかかる電圧が、前述した抵抗変化型記憶素子Aの消去閾値電圧よりも大きくなっていれば、抵抗変化型記憶素子Aの抵抗値が低抵抗の状態から増大して、高抵抗の状態へと遷移する。
これにより、抵抗変化型記憶素子Aへ情報の記録(以下、この場合を消去とする)を行うことができる。
なお、このとき、ワード線Wが各行のメモリセルCで共通になっているため、同一行の全てのメモリセルCにおいて、MISトランジスタTのゲートがオンになる。
従って、例えば同一行のメモリセルC群のうち一部のメモリセルCにだけ情報の記録を行う場合には、情報の記録を行わない他のメモリセルCについては、ビット線Bの電位を、ソース線Sの電位と同じ、又はソース線Sとの電位差が抵抗変化型記憶素子Aの閾値電圧(書き込み閾値電圧或いは消去閾値電圧)よりも充分小さくなるように設定して、記録が行われないようにする。
次に、メモリセルCの両端に電圧を印加したときの変化について、その概略を説明する。
メモリセルCの両端に印加した電圧Vは、記憶素子AとMISトランジスタTとに分圧される。
このとき、前述したようにMISトランジスタTのオン抵抗値が記憶素子Aの高い抵抗値よりも充分低い構成であれば、記憶素子Aの抵抗値が高抵抗である状態では、印加した電圧のほとんどが記憶素子Aの両端に加わる。即ち、記憶素子Aの両端に加わる電圧VAについて、ほぼVA=Vとなる。
ここで、記憶素子Aの閾値電圧Vthよりも印加電圧Vが大きい(V>Vth)場合には、記録動作が開始され、記憶素子Aの抵抗値R1が低下していく。この記憶素子Aの抵抗値R1の低下とともに、記憶素子Aの両端の電圧VAも減少していく。
やがて、記憶素子Aの両端の電圧VAがある電圧Vmin(≧Vth)まで減少すると、記憶素子Aの抵抗値R1の減少が止まり、それ以上は抵抗値R1が減少しなくなる。これにより、記憶素子Aの両端の電圧VAもVminで停止する。
これは、記憶素子Aの抵抗値R1の低下により記憶素子Aの両端の電圧VAが減少していくと、記憶素子Aに流れる電流Iと記憶素子Aの両端の電圧VAとの関係が、記憶素子AのI−V特性に近づいていき、この記憶素子AのI−V特性に達したときにそれ以上は変化できなくなるからである。即ち、記憶素子AのI−V特性に達した後に、記憶素子Aの抵抗値R1をさらに減少させるためには、今度は記憶素子Aの両端の電圧VAを増やす必要があるが、この電圧VAを増やすと記憶素子Aに流れる電流Iも増加し、記憶素子Aに直列接続されたMISトランジスタTにも同じ電流Iが流れるため、電流Iの増加に対応してMISトランジスタTの両端にかかる電圧(V−VA)も増加する。しかし、メモリセルCへの印加電圧Vが一定であり、各素子A,Tの両端にかかる電圧(VA,V−VA)はこの印加電圧Vを分圧しているので、両方を共に増やすことは不可能である。
このため、記憶素子AのI−V特性に達した状態で、記憶素子Aの抵抗値R1の低下が止まり、各素子A,Tの両端にかかる電圧(VA,V−VA)がそれぞれ一定値となる。
以下、この状態をこのメモリセルCの動作点と呼ぶ。本実施の形態の記憶装置100のメモリセルCでは、この動作点において、情報の記録動作(書き込み動作)が停止することになる。
この動作点における各素子A,Tの両端の電圧及びメモリセルCを流れる電流は、記憶素子AのI−V特性とMISトランジスタTのI−V特性とにより求めることができる。具体的には、例えば0側を起点として抵抗変化型記憶素子AのI−V特性(電圧−電流変化)を描き、例えばV側を起点としてMISトランジスタTのI−V特性(電圧−電流変化)を描き、これらのI−V特性(電圧−電流変化)の線の交点が動作点となる。なお、逆に0側を起点としてMISトランジスタTのI−V特性(電圧−電流変化)を描き、V側を起点として抵抗変化型記憶素子AのI−V特性(電圧−電流変化)を描いても、同様に動作点を求めることができる。
次に、印加電圧Vの極性を逆にして、情報の記録(消去)を行うときには、記憶素子Aの抵抗値が低いため、記憶素子Aの両端にかかる電圧VAが記憶素子Aの消去閾値電圧よりも大きくなるように印加電圧Vを設定する。
記憶素子Aの両端にかかる電圧VAが記憶素子Aの消去閾値電圧よりも大きければ、情報の記録(消去)が開始され、記憶素子Aの抵抗値が増大していく。記憶素子Aの抵抗値の増大に伴って記憶素子Aの分圧即ち記憶素子Aの両端にかかる電圧VAも増大するため、記憶素子Aの抵抗値の増大がさらに進行していく。記憶素子Aの抵抗値がある程度大きく(高抵抗に)なると、それ以上は抵抗値の増大が進行しなくなるため、ここで情報の記録動作(消去動作)が停止することになる。
この状態における各素子A,Tの両端の電圧及びメモリセルCを流れる電流も、上述の動作点と同様に、記憶素子AのI−V特性とMISトランジスタTのI−V特性とにより求めることができる。
このようにメモリセルCの両端に電圧Vを印加することにより、そのメモリセルCの記憶素子Aに情報の記録、即ち書き込みや消去を行うことができる。
上述した情報の記録についての説明では、記憶素子Aの抵抗値が高い状態と低い状態の2つの状態を利用して情報の記録を行うようにしているため、例えばデータ“0”とデータ“1”といった、2値(1ビット)の情報の記録を行うことができる。
本実施の形態の記憶装置では、さらにこれを応用して、3値や4値(2ビット)以上の多値記録を行うものである。
以下、本実施の形態における多値記録について説明する。
MISトランジスタTは、ゲートに印加されるゲート電圧VGSの大きさによって、オン抵抗が変化し、I−V特性も変化する。
そこで、メモリセルCのMISトランジスタTのゲート電圧VGSを変更することにより、MISトランジスタTのI−V特性を変化させて、これにより動作点の位置を変えることが可能になる。
即ち、図4に示すように、MISトランジスタTのゲート電圧VGSを、VG1,VG2,VG3(VG1>VG2>VG3)と変えることにより、MISトランジスタTのI−V特性が変化する。MISトランジスタTのゲート電圧VGSが大きいほど、電流がよく流れ、オン抵抗が低くなることから、I−V特性の曲線が図4中で上方になる。
そして、MISトランジスタTのゲート電圧VGSを、VG1,VG2,VG3と変えることにより、動作点もそれぞれP1,P2,P3と異なる点になり、動作点における記憶素子Aの抵抗値も異なることになる。
そして、例えば、各動作点P1,P2,P3を、それぞれ2ビット情報の“11”,“10”,“01”に割り当て、高い抵抗値の状態(書き込み前及び消去後)を“00”に割り当てることにより、記憶素子Aに2ビット情報を記憶させることが可能になる。
このように、書き込みを行った素子の抵抗値に対して、複数のビット情報を割り当てることにより、多値記録を実現することができる。
なお、実際の記憶装置では、メモリセルC毎のMISトランジスタTに若干の特性の違いが存在することがあるため、このことを考慮して、図4に示した動作点P1,P2,P3だけでなく、動作点P1,P2,P3付近のある程度幅のある範囲(記憶素子Aの抵抗値の範囲)を、それぞれの情報(例えば、“01”,“10”,“11”の各データ)に割り当てる。
例えば、記憶素子Aの抵抗値が、3kΩ以下である場合を2ビット情報の“11”、3kΩ〜6kΩである場合を“10”、6kΩ〜9kΩである場合を“01”、9kΩ以上である場合を“00”、といったように割り当てる。
同様にして、さらに細かく抵抗値の範囲を区切ることにより、3ビット情報(8値)、4ビット情報(16値)も記録することが可能である。
上述のように多値記録を行った記憶素子Aに記録された情報を読み出す場合には、読み出し用の電流をメモリセルCに流して、この電流が記憶素子Aの抵抗値に比例して流れるため、記憶素子Aの抵抗値を検出して、情報の内容を検出することができる。
ただし、この読み出し時において、記憶素子Aの抵抗値を低下させないようにする必要がある。
そのために、読み出し時において、MISトランジスタTのゲートに、比較的高い電圧、例えば電源電圧VDDを印加する。これにより、MISトランジスタTのオン抵抗が小さくなるため、読み出し用の電流を流したときに記憶素子Aの両端にかかる電圧VAが小さくなり、記憶素子Aの抵抗値を低下させてしまうことがない。
この他に、例えば、読み出し時において、メモリセルCの両端への印加電圧をその情報の記録に対応する動作点の書き込み時のメモリセルCの両端への印加電圧よりも小さくすることも考えられるが、上述のようにゲート電圧に電源電圧を印加する方法が電圧を制御しやすい点で優れている。
また、記憶素子Aを低抵抗の状態から高抵抗の状態に遷移させるとき、即ち消去を行うときにも、MISトランジスタTのゲート電圧VGSを、比較的高い電圧、例えば電源電圧VDDにすることが望ましい。これにより、MISトランジスタTのオン抵抗が小さくなるため、メモリセルCの両端への印加電圧Vを大きくしなくても、記憶素子Aの両端にかかる電圧VAを消去閾値以上に大きくすることが可能になる。
従って、比較的小さい印加電圧Vで消去を行うことが可能になるため、消去に必要となるメモリセルCへの印加電圧Vを低減して、配線や素子にかかる負担を低減することができる。
なお、図5に示すように、メモリセルCの両端に印加する電圧Vを変更しても、同様に動作点を異ならせることができるため、これにより多値記録を行うことが可能である。
図5では、メモリセルCの両端に印加する電圧Vを、2.0V,1.0V,0.65Vと変更することにより、動作点をP1,P2,P3と異ならせている。
また、MISトランジスタTのゲート電圧VGSと、メモリセルCの両端に印加する電圧Vとを、両方とも変更してもよい。
このようにしても、多値記録を行うことが可能である。この構成は、例えばメモリセルCの両端に印加する印加電圧Vを大きく(幅広く)変化させることが難しい場合に好適である。
なお、本実施の形態では、記憶素子Aが図1に示したI−V特性を有するため、記憶素子Aの抵抗値を低くする方向では、ゲート電圧VGSやメモリセルCへの印加電圧Vを変化させることにより、記憶素子Aの抵抗値が低くなるため、図4のP2からP1へ遷移させるというように、動作点同士で直接遷移させることが可能である。
一方、記憶素子Aの抵抗値を高くする方向(例えば図4のP1からP2への遷移)では、ゲート電圧VGSやメモリセルCへの印加電圧Vを変化させても、記憶素子Aの抵抗値が高くならないため、動作点同士で直接遷移させることができない。
そこで、一旦逆極性の電圧を印加して低抵抗の状態(オーミック特性)から高抵抗の状態へ遷移させ、その後に改めて所望の抵抗値に遷移させる。この場合には、2段階の遷移が必要になるが、それでもパルスの回数によって抵抗値を規定する構成の記憶装置と比較すると、充分に短い時間で情報の記録を行うことができる。
ただし、動作点P1,P2,P3にそれぞれ対応する3つの抵抗値(以下、「書き込みレベル」とする)から、消去後の抵抗値(以下、「消去レベル」とする)に至るまでの経路は3種類存在しており、前述したように、それぞれの持つ消去特性(抵抗値、抵抗値のばらつき、記録した情報の保持特性等)は異なっている。
そこで、本実施の形態では、各経路の消去特性の不一致を解消するために、メモリセルを構成している抵抗変化型記憶素子に対するオーバーライトが可能であることに着目して、消去レベルに変化させる際に、常に最も抵抗値の低い書き込みレベルを経由させる。
即ち、抵抗値の高低が、書き込みレベル1(動作点P1)<書き込みレベル2(動作点P2)<書き込みレベル3(動作点P3)<消去レベル、の関係にあるとき、消去レベルに変化させる際に、常に書き込みレベル1(動作点P1)を経由させる。
例えば、書き込みレベル2(動作点P2)→消去レベルとする際には、書き込みレベル2(動作点P2)→書き込みレベル1(動作点P1)→消去レベルとする。
これにより、記憶素子Aの抵抗値を高くする方向に変える場合、即ち例えば、書き込みレベル2(動作点P2)から書き込みレベル3(動作点P3)へ変えるためには、書き込みレベル2(動作点P2)→書き込みレベル1(動作点P1)→消去レベル→書き込みレベル3(動作点P3)と、3段階の遷移を実行することになる。
上述のように、消去レベルに変化させる際に、常に最も抵抗値の低い書き込みレベルを経由させることにより、経路の消去特性が一定となるので、消去レベルをほぼ一定にして消去レベルのばらつきを大幅に低減することができる。
本実施の形態の記憶装置100では、抵抗変化型記憶素子AとMISトランジスタTとを直列に接続してメモリセルCを構成し、MISトランジスタTのゲート電圧VGSやメモリセルCの両端への印加電圧Vを変更することにより、動作点を変えて記憶素子Aの情報の記録(書き込みや消去)後の抵抗値を複数のレベル(点もしくは範囲)に制御して、記憶素子Aに3値以上の情報の記録、即ち多値記録を行うことができる。
そして、本実施の形態の記憶装置では、MISトランジスタTのゲート電圧VGSやメモリセルCの両端への印加電圧Vを変更するだけで、情報の記録後の記憶素子Aの抵抗値を変更することができるため、多値記録を行う場合でも、1クロックの電圧パルス・電流パルスで済み、パルス幅の制御や多数回のパルスが必要なくなる。
これにより、短い時間で多値記録を行うことが可能である。
また、本実施の形態の記憶装置では、メモリセルCの選択を行うためにメモリセルC内に設けられているアクセス用のMISトランジスタTを、メモリセルCの動作点を制御するための回路素子として利用しているため、メモリセルC内にさらに回路素子を追加しなくても、多値情報を記録することが可能である。
即ち、本実施の形態の記憶装置では、簡素な構成により、多値記録を行うことが可能である。
さらに、本実施の形態の記憶装置では、図3に示したように、各行のメモリセルCのMISトランジスタTのゲートに共通のワード線Wが接続され、このワード線WがロウデコーダRDに接続されている。
このため、このロウデコーダRDにワード線Wの電位制御を行う回路を接続するか、ロウデコーダRD内にワード線Wの電位制御を行う回路を内蔵することにより、簡素な構成でメモリセルCのMISトランジスタTのゲート電圧VGSを制御することができる。
そして、前述したように、メモリセルCのMISトランジスタTのゲート電圧VGSを変更することによって、MISトランジスタTのI−V特性及びオン抵抗を変化させて、これにより動作点を変更することができることから、多値記録を行うことができる。
即ち、本実施の形態の記憶装置では、簡素な構成により、メモリセルCのMISトランジスタTのゲート電圧VGSを制御して、多値記録を行うことが可能である。
また、このようにロウデコーダRDに対してワード線Wの電位制御を行う回路を設けることにより、ワード線Wの電位を一定とすることによって、同一行のメモリセルに対して一括して読み出しを行うことが可能になる。
また、図5に示したように、メモリセルCの両端に印加する電圧Vを変更するには、例えば、図6Aに電気回路図を示すように、ビットデコーダBD0にデコーダ抵抗制御信号SDR0を供給するように構成し、このデコーダ抵抗制御信号SDR0により、ビットデコーダBD0内の可変抵抗素子R0又はスイッチング素子の抵抗値を制御すればよい。このビットデコーダBD0内の可変抵抗素子R0又はスイッチング素子も、MISトランジスタT00と同じく、記憶素子A00に対する負荷抵抗となるものである。
そして、ビットデコーダBD0は、通常可変抵抗素子R0又はスイッチング素子を内部に備えているため、新たな構成を追加しなくても簡易な構成で、メモリセルCの両端に印加する電圧Vを変更することができる。
なお、行方向のメモリセルCに共通に接続されたソース線Sから特定のソース線Sを選択するソースデコーダSDに対して、ソース線Sの電位制御を行う回路を設けたり、ソースデコーダSD内の可変抵抗素子又はスイッチング素子の抵抗値を制御したりしても、同様にメモリセルCの両端に印加する電圧Vを制御することが可能である。
また、MISトランジスタTのゲート電圧VGSと、メモリセルCの両端に印加する電圧Vとを、両方とも変更する場合には、例えば、図6Bに電気回路図を示すように、図6Aの場合と同様にビットデコーダBD0にデコーダ抵抗制御信号SDR0を供給すると共に、例えば、ロウデコーダRD0に接続されたワード線W0の電位制御を行う回路(図示せず)から、ワード線W0の電位を制御する信号SW0をロウデコーダRD0に供給して、MISトランジスタTのゲート電圧VGSを制御するように構成すればよい。或いは、ロウデコーダRD0に、ワード線W0の電位制御を行う回路を内蔵させてもよい。
なお、図6A及び図6Bの各電気回路図では、図面を簡略化にするために、1つのメモリセルについて示しているが、他の行や他の列のメモリセルも同様に構成される。
従って、本実施の形態によれば、簡素な構成であり、かつ多値記録を行うことが可能である記憶装置を実現することができる。
さらに、本実施の形態の記憶装置100によれば、消去レベルに変化させる際には、即ち消去の動作を行う際には、常に最も抵抗値の低い書き込みレベルを経由させることにより、消去の経路の消去特性が一定となるので、消去レベルをほぼ一定にして、消去レベルのばらつきを大幅に低減することができる。
これにより、消去の動作や情報の読み出し動作を安定して行うことができるので、安定して動作する信頼性の高い記憶装置100を実現することができる。
ここで、多値記録を行う記憶装置において、一旦最低書き込みレベルを経由した方が、消去特性が良好であることを、具体例を用いて示す。
図2に回路構成を示すメモリセルCを多数有して成る記憶装置を、実際に作製し、書き込み・消去を繰り返し行った。
トランジスタTのゲート電圧VGSを一定の値として、書き込み・消去を10(100万)回繰り返した後において、多数ある各メモリセルCの記憶素子について書き込み後の抵抗値と消去後の抵抗値とを測定した。この測定を、書き込み時のトランジスタTのゲート電圧VGSを0.7V,0.9V,1.5Vの3通りで変えて、それぞれ行った。VGS=0.7Vのときの書き込みレベルを「書き込みレベル3」、VGS=0.9Vのときの書き込みレベルを「書き込みレベル2」、VGS=1.5Vのときの書き込みレベルを「書き込みレベル1」として、3つの書き込みレベルを設定した。各レベルの抵抗値の関係は、書き込みレベル1<書き込みレベル2<書き込みレベル3<消去レベルである。なお、消去時のトランジスタTのゲート電圧VGSは、いずれの場合も電源電圧と同じ1.8Vとした。
記憶素子の書き込み後の抵抗値の分布と消去後の抵抗値の分布を、それぞれ図7と図8に示す。図7及び図8において、横軸は書き込み及び消去のそれぞれの抵抗値、縦軸は累積確率分布[%]である。折れ線が縦に立っているほど、抵抗値のばらつきが小さいことを表している。
3つの線のうち、実線は、繰り返し書き込み・消去の各回で、書き込みレベル3と消去レベルとに変化させた場合を示している。点線は、書き込みレベル2と消去レベルとに変化させた場合を示している。破線は、書き込みレベル1と消去レベルとに変化させた場合を示している。このうち、破線は、最も抵抗値の低い書き込みレベル1から消去を行った場合である。他の2つの線は、最低書き込みレベル(書き込みレベル1)を経由しない場合に相当する。
図7からわかるように、最も低い書き込みレベル1では、10万回の繰り返し後も抵抗値のばらつきがほとんどない。これに対して、書き込みレベル3では、11kΩ〜14.5kΩまでの抵抗値の分布がある。
図8からわかるように、最も低い書き込みレベル1から消去した場合が、消去レベルのバラツキが小さい。ばらつきが約二桁も改善されている。
即ち、多値記録を行う場合においても、例えば、書き込みレベル2から直接消去レベルに変化させるのではなく、一旦最も低い書き込みレベル1までオーバーライトを行った後に消去を行うのが、最も良いことがわかる。
なお、この例ではゲート電圧VGS=1.5Vとした場合が最低書き込みレベル(書き込みレベル1)となっているが、常にVGS=1.5Vが最低書き込みレベルになるとは限らない。例えば、ゲート電圧VGS=2.0Vとした場合に、最低書き込みレベルとなることもある。
上述の実施の形態では、MISトランジスタTを記憶素子Aに直列に接続してメモリセルCを構成していたが、記憶素子に直列に接続する回路素子は、MISトランジスタに限定されるものではない。
記憶素子に直列に接続する回路素子として、例えばバイポーラトランジスタを用いることも可能である。その場合も、バイポーラトランジスタのベース電流又はメモリセルの両端への印加電圧を変更することにより、多値記録を行うことが可能である。
さらに、記憶素子に直列に接続する回路素子として、例えばダイオード等の能動素子や抵抗素子を使用することも可能である。
これらダイオードや抵抗素子を使用した場合には、メモリセルの両端に印加する電圧を変更することによって、多値記録を行うことが可能になる。
なお、トランジスタやダイオード等の能動素子を記憶素子に直列に接続する回路素子として用いた場合には、メモリセルの選択を能動素子で行うことが可能になる。
上述の実施の形態では、記憶素子Aが図1に示したI−V特性を有する構成であったが、本発明では、メモリセルを構成する記憶素子の構成は、図1に示したI−V特性と同様の傾向の特性を有する記憶素子に限らず、抵抗変化型記憶素子一般に広く適用することが可能である。
本発明は、上述の実施の形態に限定されるものではなく、本発明の要旨を逸脱しない範囲でその他様々な構成が取り得る。
本発明の記憶装置の一実施の形態において、記憶装置に使用する抵抗変化型記憶素子の電圧−電流変化を示す図である。 本発明の記憶装置の一実施の形態において、抵抗変化型記憶素子を用いて構成したメモリセルの回路図である。 本発明の記憶装置の一実施の形態の電気回路図である。 図2のMISトランジスタのゲート電圧を変更したときの動作点の変化を説明する図である。 図2のメモリセルの両端への印加電圧を変更したときの動作点の変化を説明する図である。 A ビットデコーダの抵抗値を制御する場合の記憶装置の電気回路図である。 B ビットデコーダの抵抗値及びワード線の電位を制御する場合の記憶装置の電気回路図である。 書き込み・消去を繰り返した後の、記憶素子の書き込み後の抵抗値の分布を示す図である。 書き込み・消去を繰り返した後の、記憶素子の消去後の抵抗値の分布を示す図である。
符号の説明
C メモリセル、100 記憶装置、A (抵抗変化型)記憶素子、T MISトランジスタ、VGS ゲート電圧

Claims (5)

  1. 電気抵抗の状態により情報を記憶・保持する記憶素子と、前記記憶素子と直列に接続された、負荷となる回路素子とを有してメモリセルが構成され、
    前記記憶素子は、2つの電極の間に記憶層が挟まれてなり、前記記憶層にはCu,Ag,Znのうち少なくともいずれか1つの金属元素を含有しており、
    前記記憶素子の抵抗値が高い状態から抵抗値が低い状態へ変化させる動作を書き込みと定義し、前記記憶素子の抵抗値が低い状態から抵抗値が高い状態へ変化させる動作を消去と定義したとき、
    前記書き込みの動作と、前記消去の動作とでは、前記記憶素子に印加される電圧の方向が逆であり、
    前記書き込みの際に、前記回路素子又は前記記憶素子に印加される電圧又は電流を制御することにより、前記書き込み後の前記記憶素子の抵抗値が、異なる複数のレベルに設定され、
    前記記憶素子は、抵抗値が低い状態の前記複数のレベル及び前記消去後の抵抗値が高い状態に、それぞれ異なる情報が割り当てられ、各前記メモリセルの前記記憶素子に対して、それぞれ3値以上の情報を記憶することが可能であり、
    抵抗値が低い状態の前記複数のレベルのうち、最も抵抗値の低いレベル以外のレベルから消去する際には、前記最も抵抗値の低いレベルへ変化させる過程が行われてから、前記抵抗値が高い状態に変化させる過程が行われる
    記憶装置。
  2. 前記回路素子がMISトランジスタから成り、前記MISトランジスタにより各前記メモリセルの前記記憶素子へのアクセスが制御されると共に、前記書き込みの際に、前記MISトランジスタのゲートに印加されるゲート電圧が制御されることにより、前記書き込み後の前記記憶素子の抵抗値が、前記異なる複数のレベルに設定される請求項1に記載の記憶装置。
  3. 前記回路素子がMISトランジスタから成り、前記MISトランジスタにより各前記メモリセルの前記記憶素子へのアクセスが制御されると共に、前記書き込みの際に、前記MISトランジスタのソース・ドレイン又は前記記憶素子に印加される電圧又は電流が制御されることにより、前記書き込み後の前記記憶素子の抵抗値が、前記異なる複数のレベルに設定される請求項1に記載の記憶装置。
  4. 前記書き込みの際に、前記MISトランジスタのゲートに印加されるゲート電圧を変えることにより、前記書き込み後の前記記憶素子の抵抗値が前記異なる複数のレベルに設定される請求項2に記載の記憶装置。
  5. 前記書き込みの際に、前記記憶素子に印加される電圧を変えることにより、前記書き込み後の前記記憶素子の抵抗値が前記異なる複数のレベルに設定される請求項3に記載の記憶装置。
JP2006158868A 2006-06-07 2006-06-07 記憶装置 Expired - Fee Related JP4297136B2 (ja)

Priority Applications (2)

Application Number Priority Date Filing Date Title
JP2006158868A JP4297136B2 (ja) 2006-06-07 2006-06-07 記憶装置
US11/757,107 US7715220B2 (en) 2006-06-07 2007-06-01 Memory apparatus

Applications Claiming Priority (1)

Application Number Priority Date Filing Date Title
JP2006158868A JP4297136B2 (ja) 2006-06-07 2006-06-07 記憶装置

Publications (2)

Publication Number Publication Date
JP2007328857A JP2007328857A (ja) 2007-12-20
JP4297136B2 true JP4297136B2 (ja) 2009-07-15

Family

ID=38861366

Family Applications (1)

Application Number Title Priority Date Filing Date
JP2006158868A Expired - Fee Related JP4297136B2 (ja) 2006-06-07 2006-06-07 記憶装置

Country Status (2)

Country Link
US (1) US7715220B2 (ja)
JP (1) JP4297136B2 (ja)

Cited By (1)

* Cited by examiner, † Cited by third party
Publication number Priority date Publication date Assignee Title
US7668519B2 (en) * 2002-04-26 2010-02-23 Thomson Licensing Tuner input filter with electronically adjustable response for adapting to antenna characteristic

Families Citing this family (64)

* Cited by examiner, † Cited by third party
Publication number Priority date Publication date Assignee Title
CN101652816B (zh) * 2007-04-05 2013-10-09 Nxp股份有限公司 存储器单元、存储器阵列和对存储器单元进行编程的方法
JP2009099206A (ja) * 2007-10-17 2009-05-07 Toshiba Corp 抵抗変化メモリ装置
JP5050813B2 (ja) * 2007-11-29 2012-10-17 ソニー株式会社 メモリセル
JP5171955B2 (ja) 2008-08-29 2013-03-27 株式会社東芝 多値抵抗変化型メモリ
JP5272596B2 (ja) * 2008-09-09 2013-08-28 日本電気株式会社 記憶装置およびその制御方法
US8687402B2 (en) * 2008-10-08 2014-04-01 The Regents Of The University Of Michigan Silicon-based nanoscale resistive device with adjustable resistance
KR20110086089A (ko) 2008-10-20 2011-07-27 더 리젠츠 오브 더 유니버시티 오브 미시건 실리콘계 나노스케일 크로스바 메모리
KR101519363B1 (ko) 2009-02-16 2015-05-13 삼성전자 주식회사 저항체를 이용한 멀티 레벨 비휘발성 메모리 장치
US8946046B1 (en) 2012-05-02 2015-02-03 Crossbar, Inc. Guided path for forming a conductive filament in RRAM
US9012307B2 (en) 2010-07-13 2015-04-21 Crossbar, Inc. Two terminal resistive switching device structure and method of fabricating
US9601692B1 (en) 2010-07-13 2017-03-21 Crossbar, Inc. Hetero-switching layer in a RRAM device and method
US9570678B1 (en) 2010-06-08 2017-02-14 Crossbar, Inc. Resistive RAM with preferental filament formation region and methods
KR101883236B1 (ko) 2010-06-11 2018-08-01 크로스바, 인크. 메모리 디바이스를 위한 필러 구조 및 방법
US8374018B2 (en) 2010-07-09 2013-02-12 Crossbar, Inc. Resistive memory using SiGe material
US8947908B2 (en) 2010-11-04 2015-02-03 Crossbar, Inc. Hetero-switching layer in a RRAM device and method
US8569172B1 (en) 2012-08-14 2013-10-29 Crossbar, Inc. Noble metal/non-noble metal electrode for RRAM applications
US8168506B2 (en) 2010-07-13 2012-05-01 Crossbar, Inc. On/off ratio for non-volatile memory device and method
US8884261B2 (en) 2010-08-23 2014-11-11 Crossbar, Inc. Device switching using layered device structure
US8492195B2 (en) 2010-08-23 2013-07-23 Crossbar, Inc. Method for forming stackable non-volatile resistive switching memory devices
US9401475B1 (en) 2010-08-23 2016-07-26 Crossbar, Inc. Method for silver deposition for a non-volatile memory device
US8889521B1 (en) 2012-09-14 2014-11-18 Crossbar, Inc. Method for silver deposition for a non-volatile memory device
JP5149358B2 (ja) 2010-09-24 2013-02-20 シャープ株式会社 半導体記憶装置
JP5091999B2 (ja) 2010-09-24 2012-12-05 シャープ株式会社 半導体記憶装置
US8558212B2 (en) 2010-09-29 2013-10-15 Crossbar, Inc. Conductive path in switching material in a resistive random access memory device and control
US8861259B2 (en) 2010-10-29 2014-10-14 Rambus Inc. Resistance change memory cell circuits and methods
US8502185B2 (en) 2011-05-31 2013-08-06 Crossbar, Inc. Switching device having a non-linear element
USRE46335E1 (en) 2010-11-04 2017-03-07 Crossbar, Inc. Switching device having a non-linear element
US8930174B2 (en) 2010-12-28 2015-01-06 Crossbar, Inc. Modeling technique for resistive random access memory (RRAM) cells
US9153623B1 (en) 2010-12-31 2015-10-06 Crossbar, Inc. Thin film transistor steering element for a non-volatile memory device
US8791010B1 (en) 2010-12-31 2014-07-29 Crossbar, Inc. Silver interconnects for stacked non-volatile memory device and method
US8815696B1 (en) 2010-12-31 2014-08-26 Crossbar, Inc. Disturb-resistant non-volatile memory device using via-fill and etchback technique
US9620206B2 (en) 2011-05-31 2017-04-11 Crossbar, Inc. Memory array architecture with two-terminal memory cells
US8619459B1 (en) 2011-06-23 2013-12-31 Crossbar, Inc. High operating speed resistive random access memory
US8946669B1 (en) 2012-04-05 2015-02-03 Crossbar, Inc. Resistive memory device and fabrication methods
US9564587B1 (en) 2011-06-30 2017-02-07 Crossbar, Inc. Three-dimensional two-terminal memory with enhanced electric field and segmented interconnects
US9627443B2 (en) 2011-06-30 2017-04-18 Crossbar, Inc. Three-dimensional oblique two-terminal memory with enhanced electric field
US9166163B2 (en) 2011-06-30 2015-10-20 Crossbar, Inc. Sub-oxide interface layer for two-terminal memory
WO2013015776A1 (en) 2011-07-22 2013-01-31 Crossbar, Inc. Seed layer for a p + silicon germanium material for a non-volatile memory device and method
US8674724B2 (en) 2011-07-29 2014-03-18 Crossbar, Inc. Field programmable gate array utilizing two-terminal non-volatile memory
US9729155B2 (en) 2011-07-29 2017-08-08 Crossbar, Inc. Field programmable gate array utilizing two-terminal non-volatile memory
US10056907B1 (en) 2011-07-29 2018-08-21 Crossbar, Inc. Field programmable gate array utilizing two-terminal non-volatile memory
US20130064027A1 (en) * 2011-09-14 2013-03-14 Meng-Yi Wu Memory and Method of Adjusting Operating Voltage thereof
KR20130052371A (ko) * 2011-11-11 2013-05-22 삼성전자주식회사 비휘발성 메모리요소 및 이를 포함하는 메모리소자
US9305643B2 (en) 2012-03-27 2016-04-05 Adesto Technologies Corporation Solid electrolyte based memory devices and methods having adaptable read threshold levels
US9087576B1 (en) 2012-03-29 2015-07-21 Crossbar, Inc. Low temperature fabrication method for a three-dimensional memory device and structure
US8730752B1 (en) 2012-04-02 2014-05-20 Adesto Technologies Corporation Circuits and methods for placing programmable impedance memory elements in high impedance states
US9685608B2 (en) 2012-04-13 2017-06-20 Crossbar, Inc. Reduced diffusion in metal electrode for two-terminal memory
US8658476B1 (en) 2012-04-20 2014-02-25 Crossbar, Inc. Low temperature P+ polycrystalline silicon material for non-volatile memory device
US8796658B1 (en) 2012-05-07 2014-08-05 Crossbar, Inc. Filamentary based non-volatile resistive memory device and method
US8765566B2 (en) 2012-05-10 2014-07-01 Crossbar, Inc. Line and space architecture for a non-volatile memory device
US9741765B1 (en) 2012-08-14 2017-08-22 Crossbar, Inc. Monolithically integrated resistive memory using integrated-circuit foundry compatible processes
US9583701B1 (en) 2012-08-14 2017-02-28 Crossbar, Inc. Methods for fabricating resistive memory device switching material using ion implantation
US8946673B1 (en) 2012-08-24 2015-02-03 Crossbar, Inc. Resistive switching device structure with improved data retention for non-volatile memory device and method
US9312483B2 (en) 2012-09-24 2016-04-12 Crossbar, Inc. Electrode structure for a non-volatile memory device and method
US9576616B2 (en) 2012-10-10 2017-02-21 Crossbar, Inc. Non-volatile memory with overwrite capability and low write amplification
US11068620B2 (en) 2012-11-09 2021-07-20 Crossbar, Inc. Secure circuit integrated with memory layer
US8982647B2 (en) 2012-11-14 2015-03-17 Crossbar, Inc. Resistive random access memory equalization and sensing
US9412790B1 (en) 2012-12-04 2016-08-09 Crossbar, Inc. Scalable RRAM device architecture for a non-volatile memory device and method
US9406379B2 (en) 2013-01-03 2016-08-02 Crossbar, Inc. Resistive random access memory with non-linear current-voltage relationship
US9112145B1 (en) 2013-01-31 2015-08-18 Crossbar, Inc. Rectified switching of two-terminal memory via real time filament formation
US9324942B1 (en) 2013-01-31 2016-04-26 Crossbar, Inc. Resistive memory cell with solid state diode
US10290801B2 (en) 2014-02-07 2019-05-14 Crossbar, Inc. Scalable silicon based resistive memory device
US9613693B1 (en) 2015-10-29 2017-04-04 Adesto Technologies Corporation Methods for setting a resistance of programmable resistance memory cells and devices including the same
US9941006B1 (en) 2016-09-16 2018-04-10 Toshiba Memory Corporation Memory device and method for driving same

Family Cites Families (7)

* Cited by examiner, † Cited by third party
Publication number Priority date Publication date Assignee Title
US6141241A (en) * 1998-06-23 2000-10-31 Energy Conversion Devices, Inc. Universal memory element with systems employing same and apparatus and method for reading, writing and programming same
JP4124635B2 (ja) 2002-12-05 2008-07-23 シャープ株式会社 半導体記憶装置及びメモリセルアレイの消去方法
JPWO2005031752A1 (ja) 2003-09-26 2006-12-07 有限会社金沢大学ティ・エル・オー 多値メモリおよびそのための相変化型記録媒体への記録方法
JP4670252B2 (ja) 2004-01-20 2011-04-13 ソニー株式会社 記憶装置
JP4385778B2 (ja) * 2004-01-29 2009-12-16 ソニー株式会社 記憶装置
JP4148210B2 (ja) * 2004-09-30 2008-09-10 ソニー株式会社 記憶装置及び半導体装置
US20080205179A1 (en) * 2007-02-28 2008-08-28 Qimonda Ag Integrated circuit having a memory array

Cited By (2)

* Cited by examiner, † Cited by third party
Publication number Priority date Publication date Assignee Title
US7668519B2 (en) * 2002-04-26 2010-02-23 Thomson Licensing Tuner input filter with electronically adjustable response for adapting to antenna characteristic
US7983638B2 (en) 2002-04-26 2011-07-19 Thomson Licensing Tuner input filter with electronically adjustable response for adapting to antenna characteristic

Also Published As

Publication number Publication date
US7715220B2 (en) 2010-05-11
JP2007328857A (ja) 2007-12-20
US20070291527A1 (en) 2007-12-20

Similar Documents

Publication Publication Date Title
JP4297136B2 (ja) 記憶装置
JP4670252B2 (ja) 記憶装置
CN100479057C (zh) 非易失性半导体存储装置及其控制方法
US8654559B2 (en) Semiconductor memory device
US8587986B2 (en) Variable-resistance memory device and its driving method
US8139392B2 (en) Nonvolatile semiconductor memory device and writing method of the same
JP5404683B2 (ja) 抵抗変化メモリ
JP4356786B2 (ja) 記憶装置および情報再記録方法
JP5151439B2 (ja) 記憶装置および情報再記録方法
JP4157582B1 (ja) 半導体記憶装置
JP4251576B2 (ja) 不揮発性半導体記憶装置
WO2013080499A1 (ja) 抵抗変化型不揮発性記憶素子の書き込み方法および抵抗変化型不揮発性記憶装置
US9530495B1 (en) Resistive switching memory having a resistor, diode, and switch memory cell
CN110910929A (zh) 非易失性存储装置
US9472272B2 (en) Resistive switching memory with cell access by analog signal controlled transmission gate
JP6457792B2 (ja) 半導体記憶装置
US7280392B2 (en) Integrated memory device and method for operating the same
US20230282277A1 (en) Semiconductor device and method of controlling the same
WO2013180022A1 (ja) 半導体記憶装置、及び、メモリセルアレイの駆動方法
JP2009217918A (ja) 半導体記憶装置及びその使用方法

Legal Events

Date Code Title Description
A977 Report on retrieval

Free format text: JAPANESE INTERMEDIATE CODE: A971007

Effective date: 20080404

A131 Notification of reasons for refusal

Free format text: JAPANESE INTERMEDIATE CODE: A131

Effective date: 20080415

A521 Request for written amendment filed

Free format text: JAPANESE INTERMEDIATE CODE: A523

Effective date: 20080613

A131 Notification of reasons for refusal

Free format text: JAPANESE INTERMEDIATE CODE: A131

Effective date: 20080722

A521 Request for written amendment filed

Free format text: JAPANESE INTERMEDIATE CODE: A523

Effective date: 20080918

TRDD Decision of grant or rejection written
A01 Written decision to grant a patent or to grant a registration (utility model)

Free format text: JAPANESE INTERMEDIATE CODE: A01

Effective date: 20090324

A01 Written decision to grant a patent or to grant a registration (utility model)

Free format text: JAPANESE INTERMEDIATE CODE: A01

A61 First payment of annual fees (during grant procedure)

Free format text: JAPANESE INTERMEDIATE CODE: A61

Effective date: 20090406

R151 Written notification of patent or utility model registration

Ref document number: 4297136

Country of ref document: JP

Free format text: JAPANESE INTERMEDIATE CODE: R151

FPAY Renewal fee payment (event date is renewal date of database)

Free format text: PAYMENT UNTIL: 20120424

Year of fee payment: 3

FPAY Renewal fee payment (event date is renewal date of database)

Free format text: PAYMENT UNTIL: 20130424

Year of fee payment: 4

R250 Receipt of annual fees

Free format text: JAPANESE INTERMEDIATE CODE: R250

FPAY Renewal fee payment (event date is renewal date of database)

Free format text: PAYMENT UNTIL: 20140424

Year of fee payment: 5

R250 Receipt of annual fees

Free format text: JAPANESE INTERMEDIATE CODE: R250

R250 Receipt of annual fees

Free format text: JAPANESE INTERMEDIATE CODE: R250

R250 Receipt of annual fees

Free format text: JAPANESE INTERMEDIATE CODE: R250

R250 Receipt of annual fees

Free format text: JAPANESE INTERMEDIATE CODE: R250

S111 Request for change of ownership or part of ownership

Free format text: JAPANESE INTERMEDIATE CODE: R313111

R350 Written notification of registration of transfer

Free format text: JAPANESE INTERMEDIATE CODE: R350

R250 Receipt of annual fees

Free format text: JAPANESE INTERMEDIATE CODE: R250

R250 Receipt of annual fees

Free format text: JAPANESE INTERMEDIATE CODE: R250

R250 Receipt of annual fees

Free format text: JAPANESE INTERMEDIATE CODE: R250

R250 Receipt of annual fees

Free format text: JAPANESE INTERMEDIATE CODE: R250

LAPS Cancellation because of no payment of annual fees