JP2010103464A - インプリント方法 - Google Patents

インプリント方法 Download PDF

Info

Publication number
JP2010103464A
JP2010103464A JP2009061650A JP2009061650A JP2010103464A JP 2010103464 A JP2010103464 A JP 2010103464A JP 2009061650 A JP2009061650 A JP 2009061650A JP 2009061650 A JP2009061650 A JP 2009061650A JP 2010103464 A JP2010103464 A JP 2010103464A
Authority
JP
Japan
Prior art keywords
photocurable resin
mold
region
pattern
light
Prior art date
Legal status (The legal status is an assumption and is not a legal conclusion. Google has not performed a legal analysis and makes no representation as to the accuracy of the status listed.)
Granted
Application number
JP2009061650A
Other languages
English (en)
Other versions
JP2010103464A5 (ja
JP4892025B2 (ja
Inventor
Ikuo Yoneda
郁男 米田
Kentaro Matsunaga
健太郎 松永
Sachiko Sato
幸子 佐藤
Yoshihisa Kawamura
嘉久 河村
Hideshi Shiobara
英志 塩原
Shinichi Ito
信一 伊藤
Tetsuo Nakasugi
哲郎 中杉
Hirokazu Kato
寛和 加藤
Current Assignee (The listed assignees may be inaccurate. Google has not performed a legal analysis and makes no representation or warranty as to the accuracy of the list.)
Toshiba Corp
Original Assignee
Toshiba Corp
Priority date (The priority date is an assumption and is not a legal conclusion. Google has not performed a legal analysis and makes no representation as to the accuracy of the date listed.)
Filing date
Publication date
Application filed by Toshiba Corp filed Critical Toshiba Corp
Priority to JP2009061650A priority Critical patent/JP4892025B2/ja
Priority to US12/563,461 priority patent/US8419995B2/en
Priority to KR1020090090940A priority patent/KR101129770B1/ko
Publication of JP2010103464A publication Critical patent/JP2010103464A/ja
Publication of JP2010103464A5 publication Critical patent/JP2010103464A5/ja
Application granted granted Critical
Publication of JP4892025B2 publication Critical patent/JP4892025B2/ja
Expired - Fee Related legal-status Critical Current
Anticipated expiration legal-status Critical

Links

Images

Classifications

    • BPERFORMING OPERATIONS; TRANSPORTING
    • B29WORKING OF PLASTICS; WORKING OF SUBSTANCES IN A PLASTIC STATE IN GENERAL
    • B29CSHAPING OR JOINING OF PLASTICS; SHAPING OF MATERIAL IN A PLASTIC STATE, NOT OTHERWISE PROVIDED FOR; AFTER-TREATMENT OF THE SHAPED PRODUCTS, e.g. REPAIRING
    • B29C37/00Component parts, details, accessories or auxiliary operations, not covered by group B29C33/00 or B29C35/00
    • B29C37/0003Discharging moulded articles from the mould
    • BPERFORMING OPERATIONS; TRANSPORTING
    • B29WORKING OF PLASTICS; WORKING OF SUBSTANCES IN A PLASTIC STATE IN GENERAL
    • B29CSHAPING OR JOINING OF PLASTICS; SHAPING OF MATERIAL IN A PLASTIC STATE, NOT OTHERWISE PROVIDED FOR; AFTER-TREATMENT OF THE SHAPED PRODUCTS, e.g. REPAIRING
    • B29C37/00Component parts, details, accessories or auxiliary operations, not covered by group B29C33/00 or B29C35/00
    • B29C37/0025Applying surface layers, e.g. coatings, decorative layers, printed layers, to articles during shaping, e.g. in-mould printing
    • BPERFORMING OPERATIONS; TRANSPORTING
    • B29WORKING OF PLASTICS; WORKING OF SUBSTANCES IN A PLASTIC STATE IN GENERAL
    • B29CSHAPING OR JOINING OF PLASTICS; SHAPING OF MATERIAL IN A PLASTIC STATE, NOT OTHERWISE PROVIDED FOR; AFTER-TREATMENT OF THE SHAPED PRODUCTS, e.g. REPAIRING
    • B29C37/00Component parts, details, accessories or auxiliary operations, not covered by group B29C33/00 or B29C35/00
    • B29C37/006Degassing moulding material or draining off gas during moulding
    • BPERFORMING OPERATIONS; TRANSPORTING
    • B29WORKING OF PLASTICS; WORKING OF SUBSTANCES IN A PLASTIC STATE IN GENERAL
    • B29CSHAPING OR JOINING OF PLASTICS; SHAPING OF MATERIAL IN A PLASTIC STATE, NOT OTHERWISE PROVIDED FOR; AFTER-TREATMENT OF THE SHAPED PRODUCTS, e.g. REPAIRING
    • B29C59/00Surface shaping of articles, e.g. embossing; Apparatus therefor
    • B29C59/02Surface shaping of articles, e.g. embossing; Apparatus therefor by mechanical means, e.g. pressing
    • B29C59/022Surface shaping of articles, e.g. embossing; Apparatus therefor by mechanical means, e.g. pressing characterised by the disposition or the configuration, e.g. dimensions, of the embossments or the shaping tools therefor
    • BPERFORMING OPERATIONS; TRANSPORTING
    • B82NANOTECHNOLOGY
    • B82YSPECIFIC USES OR APPLICATIONS OF NANOSTRUCTURES; MEASUREMENT OR ANALYSIS OF NANOSTRUCTURES; MANUFACTURE OR TREATMENT OF NANOSTRUCTURES
    • B82Y10/00Nanotechnology for information processing, storage or transmission, e.g. quantum computing or single electron logic
    • BPERFORMING OPERATIONS; TRANSPORTING
    • B82NANOTECHNOLOGY
    • B82YSPECIFIC USES OR APPLICATIONS OF NANOSTRUCTURES; MEASUREMENT OR ANALYSIS OF NANOSTRUCTURES; MANUFACTURE OR TREATMENT OF NANOSTRUCTURES
    • B82Y40/00Manufacture or treatment of nanostructures
    • GPHYSICS
    • G03PHOTOGRAPHY; CINEMATOGRAPHY; ANALOGOUS TECHNIQUES USING WAVES OTHER THAN OPTICAL WAVES; ELECTROGRAPHY; HOLOGRAPHY
    • G03FPHOTOMECHANICAL PRODUCTION OF TEXTURED OR PATTERNED SURFACES, e.g. FOR PRINTING, FOR PROCESSING OF SEMICONDUCTOR DEVICES; MATERIALS THEREFOR; ORIGINALS THEREFOR; APPARATUS SPECIALLY ADAPTED THEREFOR
    • G03F7/00Photomechanical, e.g. photolithographic, production of textured or patterned surfaces, e.g. printing surfaces; Materials therefor, e.g. comprising photoresists; Apparatus specially adapted therefor
    • G03F7/0002Lithographic processes using patterning methods other than those involving the exposure to radiation, e.g. by stamping
    • BPERFORMING OPERATIONS; TRANSPORTING
    • B29WORKING OF PLASTICS; WORKING OF SUBSTANCES IN A PLASTIC STATE IN GENERAL
    • B29CSHAPING OR JOINING OF PLASTICS; SHAPING OF MATERIAL IN A PLASTIC STATE, NOT OTHERWISE PROVIDED FOR; AFTER-TREATMENT OF THE SHAPED PRODUCTS, e.g. REPAIRING
    • B29C35/00Heating, cooling or curing, e.g. crosslinking or vulcanising; Apparatus therefor
    • B29C35/02Heating or curing, e.g. crosslinking or vulcanizing during moulding, e.g. in a mould
    • B29C35/08Heating or curing, e.g. crosslinking or vulcanizing during moulding, e.g. in a mould by wave energy or particle radiation
    • B29C35/0805Heating or curing, e.g. crosslinking or vulcanizing during moulding, e.g. in a mould by wave energy or particle radiation using electromagnetic radiation
    • B29C2035/0822Heating or curing, e.g. crosslinking or vulcanizing during moulding, e.g. in a mould by wave energy or particle radiation using electromagnetic radiation using IR radiation
    • BPERFORMING OPERATIONS; TRANSPORTING
    • B29WORKING OF PLASTICS; WORKING OF SUBSTANCES IN A PLASTIC STATE IN GENERAL
    • B29CSHAPING OR JOINING OF PLASTICS; SHAPING OF MATERIAL IN A PLASTIC STATE, NOT OTHERWISE PROVIDED FOR; AFTER-TREATMENT OF THE SHAPED PRODUCTS, e.g. REPAIRING
    • B29C35/00Heating, cooling or curing, e.g. crosslinking or vulcanising; Apparatus therefor
    • B29C35/02Heating or curing, e.g. crosslinking or vulcanizing during moulding, e.g. in a mould
    • B29C35/08Heating or curing, e.g. crosslinking or vulcanizing during moulding, e.g. in a mould by wave energy or particle radiation
    • B29C35/0805Heating or curing, e.g. crosslinking or vulcanizing during moulding, e.g. in a mould by wave energy or particle radiation using electromagnetic radiation
    • B29C2035/0827Heating or curing, e.g. crosslinking or vulcanizing during moulding, e.g. in a mould by wave energy or particle radiation using electromagnetic radiation using UV radiation
    • BPERFORMING OPERATIONS; TRANSPORTING
    • B29WORKING OF PLASTICS; WORKING OF SUBSTANCES IN A PLASTIC STATE IN GENERAL
    • B29CSHAPING OR JOINING OF PLASTICS; SHAPING OF MATERIAL IN A PLASTIC STATE, NOT OTHERWISE PROVIDED FOR; AFTER-TREATMENT OF THE SHAPED PRODUCTS, e.g. REPAIRING
    • B29C59/00Surface shaping of articles, e.g. embossing; Apparatus therefor
    • B29C59/02Surface shaping of articles, e.g. embossing; Apparatus therefor by mechanical means, e.g. pressing
    • B29C59/022Surface shaping of articles, e.g. embossing; Apparatus therefor by mechanical means, e.g. pressing characterised by the disposition or the configuration, e.g. dimensions, of the embossments or the shaping tools therefor
    • B29C2059/023Microembossing
    • BPERFORMING OPERATIONS; TRANSPORTING
    • B29WORKING OF PLASTICS; WORKING OF SUBSTANCES IN A PLASTIC STATE IN GENERAL
    • B29CSHAPING OR JOINING OF PLASTICS; SHAPING OF MATERIAL IN A PLASTIC STATE, NOT OTHERWISE PROVIDED FOR; AFTER-TREATMENT OF THE SHAPED PRODUCTS, e.g. REPAIRING
    • B29C35/00Heating, cooling or curing, e.g. crosslinking or vulcanising; Apparatus therefor
    • B29C35/02Heating or curing, e.g. crosslinking or vulcanizing during moulding, e.g. in a mould
    • B29C35/08Heating or curing, e.g. crosslinking or vulcanizing during moulding, e.g. in a mould by wave energy or particle radiation
    • B29C35/0888Heating or curing, e.g. crosslinking or vulcanizing during moulding, e.g. in a mould by wave energy or particle radiation using transparant moulds

Landscapes

  • Engineering & Computer Science (AREA)
  • Nanotechnology (AREA)
  • Chemical & Material Sciences (AREA)
  • Physics & Mathematics (AREA)
  • Crystallography & Structural Chemistry (AREA)
  • General Physics & Mathematics (AREA)
  • Mathematical Physics (AREA)
  • Manufacturing & Machinery (AREA)
  • Condensed Matter Physics & Semiconductors (AREA)
  • Theoretical Computer Science (AREA)
  • Mechanical Engineering (AREA)
  • Health & Medical Sciences (AREA)
  • Toxicology (AREA)
  • Oral & Maxillofacial Surgery (AREA)
  • Thermal Sciences (AREA)
  • Shaping Of Tube Ends By Bending Or Straightening (AREA)
  • Exposure Of Semiconductors, Excluding Electron Or Ion Beam Exposure (AREA)

Abstract

【課題】光照射により硬化した光硬化性樹脂からインプリント用モールドを離す工程における欠陥の発生を抑制できるインプリント方法を提供すること。
【解決手段】インプリント方法は、第1および第2の領域を含む基板1上に光硬化性樹脂を塗布する工程と、前記光硬化性樹脂にインプリント用モールド10を接触させる工程と、インプリント用モールド10を介して光硬化性樹脂に光を照射して光硬化性樹脂を硬化する工程と、少なくとも前記第1の領域を含む基板1の領域上に塗布された前記光硬化性樹脂に所定の処理を加えガスを発生させる工程と、前記ガスの発生後、前記光硬化性樹脂からインプリント用モールド1を離し、基板1上にパターンを形成する離型工程とを含み、前記第1の領域に塗布された前記光硬化性樹脂から発生する前記ガスの発生量が、前記第2の領域に塗布された前記光硬化性樹脂から発生する前記ガスの発生量よりも大きいことを特徴とする。
【選択図】 図4

Description

本発明は、半導体素子、光素子、バイオ製品等のデバイスの製造に使用されるインプリント方法に関する。
半導体素子の製造工程において、100nm以下の微細パターンの形成と、量産性とを両立させる技術の一つとして、被転写基板にナノインプリント用モールド(原版、テンプレートとも呼ばれる。)のパターンを転写するナノインプリント技術が注目されている。
ナノインプリント技術の一つとして、光(UV)ナノインプリントがある。光ナノインプリントは、被転写基板上に光硬化性樹脂を塗布する工程と、被転写基板とナノインプリント用モールドとを位置合わせする工程(アライメント)と、光硬化性樹脂にナノインプリント用モールドを接触させる工程(インプリント)と、光照射により光硬化性樹脂を硬化する工程と、硬化した光硬化性樹脂(マスク)からナノインプリント用モールドを離す工程(離型)とを含む(特許文献1)。
ここで、幅が狭く高さが高いパターン、つまり、高アスペクト比のパターンが硬化した光硬化性樹脂中に含まれている場合、離型時において、高アスペクト比のパターンがちぎれるなどの欠陥が生じることがある。このような欠陥が生じる理由としては、離型時において、硬化した光硬化性樹脂とナノインプリント用モールドとの間に摩擦力が生じること、硬化した光硬化性樹脂の引っ張り強度はパターン幅が細くなるに連れて弱くなることがあげられる。
特開2000−194142号公報
本発明の目的は、光照射により硬化した光硬化性樹脂(マスクパターン)からインプリント用モールドを離す工程における欠陥の発生を抑制できるインプリント方法を提供することにある。
本発明の一態様によるインプリント方法は、第1の領域および第2の領域を含む被加工基板上に光硬化性樹脂を塗布する工程と、前記光硬化性樹脂にインプリント用モールドを接触させる工程と、前記インプリント用モールドを介して前記光硬化性樹脂に光を照射して前記光硬化性樹脂を硬化する工程と、少なくとも前記第1の領域を含む前記被加工基板の領域上に塗布された前記光硬化性樹脂に所定の処理を加えガスを発生させる工程と、前記ガスの発生後、前記光硬化性樹脂から前記インプリント用モールドを離し、前記被加工基板上にパターンを形成する離型工程とを含み、前記第1の領域に塗布された前記光硬化性樹脂から発生する前記ガスの発生量が、前記第2の領域に塗布された前記光硬化性樹脂から発生する前記ガスの発生量よりも大きいことを特徴とする。
本発明によれば、光照射により硬化した光硬化性樹脂(マスクパターン)からインプリント用モールドを離す工程における欠陥の発生を抑制できるインプリント方法を実現できるようになる。
第1の実施形態に係るインプリント方法を用いたパターン形成方法を示す断面図。 図1に続く第1の実施形態に係るインプリント方法を用いたパターン形成方法を示す断面図。 図2に続く第1の実施形態に係るインプリント方法を用いたパターン形成方法を示す断面図。 図3に続く第1の実施形態に係るインプリント方法を用いたパターン形成方法を示す断面図。 図4に続く第1の実施形態に係るインプリント方法を用いたパターン形成方法を示す断面図。 図5に続く第1の実施形態に係るインプリント方法を用いたパターン形成方法を示す断面図。 図6に続く第1の実施形態に係るインプリント方法を用いたパターン形成方法を示す断面図。 図7に続く第1の実施形態に係るインプリント方法を用いたパターン形成方法を示す断面図。 離型時において発生しうる欠陥の例を示す断面図。 離型時において発生しうる他の欠陥の例を示す断面図。 離型時において発生しうるさらに別の欠陥の例を示す断面図。 第2の実施形態に係るインプリント方法を用いたパターン形成方法を示す断面図。 図12に続く第2の実施形態に係るインプリント方法を用いたパターン形成方法を示す断面図。 図13に続く第2の実施形態に係るインプリント方法を用いたパターン形成方法を示す断面図。 図14に続く第2の実施形態に係るインプリント方法を用いたパターン形成方法を示す断面図。 第3の実施形態に係るインプリント方法を用いたパターン形成方法を示す断面図。 図16に続く第3の実施形態に係るインプリント方法を用いたパターン形成方法を示す断面図。 図17に続く第3の実施形態に係るインプリント方法を用いたパターン形成方法を示す断面図。 図18に続く第3の実施形態に係るインプリント方法を用いたパターン形成方法を示す断面図。 図19に続く第3の実施形態に係るインプリント方法を用いたパターン形成方法を示す断面図。 図20に続く第3の実施形態に係るインプリント方法を用いたパターン形成方法を示す断面図。 図21に続く第3の実施形態に係るインプリント方法を用いたパターン形成方法を示す断面図。 図22に続く第3の実施形態に係るインプリント方法を用いたパターン形成方法を示す断面図。 光が照射されたナフトキノンジアジド化合物が窒素を放出して他の物質に変わることを示す図。 第4の実施形態に係るインプリント方法を用いたパターン形成方法を示す断面図。 図25に続く第4の実施形態に係るインプリント方法を用いたパターン形成方法を示す断面図。 図26に続く第4の実施形態に係るインプリント方法を用いたパターン形成方法を示す断面図。 図27に続く第4の実施形態に係るインプリント方法を用いたパターン形成方法を示す断面図。 図28に続く第4の実施形態に係るインプリント方法を用いたパターン形成方法を示す断面図。 図29に続く第4の実施形態に係るインプリント方法を用いたパターン形成方法を示す断面図。 第5の実施形態に係るインプリント方法を用いたパターン形成方法を示す断面図。 第6の実施形態に係るインプリント方法を用いたパターン形成方法を示す断面図。 第6の実施形態の変形例を説明するための図。 図33に続く第6の実施形態の変形例を説明するための図。 第7の実施形態に係るインプリント方法を用いたパターン形成方法を示す断面図。 図35の破線で囲まれた領域の拡大図。 第8の実施形態に係るインプリント方法を用いたパターン形成方法を示す断面図。 第9の実施形態に係るインプリント方法を用いたパターン形成方法を示す断面図。 第9の実施形態の変形例を説明するための図。 第10の実施形態に係るインプリント方法を用いたパターン形成方法を示す平面図。 第11の実施形態に係るインプリント方法を用いたパターン形成方法を示す断面図。 図41に続く第11の実施形態に係るインプリント方法を用いたパターン形成方法を示す断面図。 図42に続く第11の実施形態に係るインプリント方法を用いたパターン形成方法を示す断面図。 図43に続く第11の実施形態に係るインプリント方法を用いたパターン形成方法を示す断面図。 第12の実施形態に係るインプリント方法を用いたパターン形成方法を示す断面図。 図45に続く第12の実施形態に係るインプリント方法を用いたパターン形成方法を示す断面図。 図46に続く第12の実施形態に係るインプリント方法を用いたパターン形成方法を示す断面図。 第12の実施形態で使用されるモールドの形成方法を説明するための図。 図48に続く第12の実施形態で使用されるモールドの形成方法を説明するための図。 図49に続く第12の実施形態で使用されるモールドの形成方法を説明するための図。 図50に続く第12の実施形態で使用されるモールドの形成方法を説明するための図。 第13の実施形態に係るインプリント方法を用いたパターン形成方法を示す断面図。 図52に続く第13の実施形態に係るインプリント方法を用いたパターン形成方法を示す断面図。 図53に続く第13の実施形態に係るインプリント方法を用いたパターン形成方法を示す断面図。 図54に続く第13の実施形態に係るインプリント方法を用いたパターン形成方法を示す断面図。 第14の実施形態に係るインプリント方法を用いたパターン形成方法を示す断面図。 図56に続く第14の実施形態に係るインプリント方法を用いたパターン形成方法を示す断面図。 第14の実施形態の変形例を示す断面図。 第15の実施形態に係るインプリント方法を用いたパターン形成方法を示す断面図。 第16の実施形態に係るインプリント方法を用いたパターン形成方法を示す平面図。 図60に続く第16の実施形態に係るインプリント方法を用いたパターン形成方法を示す断面図。 第17の実施形態に係るインプリント方法を用いたパターン形成方法を示す平面図。 図62に続く第17の実施形態に係るインプリント方法を用いたパターン形成方法を示す断面図。
以下、図面を参照しながら本発明の実施形態を説明する。
(第1の実施形態)
図1−図8は、第1の実施形態に係るインプリント方法を用いたパターン形成方法を示す断面図である。
[図1]
被加工基板1上に光硬化性樹脂2が塗布される。
被加工基板1は、例えば、石英基板(透明基板)、シリコン基板(半導体基板)、SOI基板(半導体基板)である。被加工基板1は、多層構造のものであっても構わない。例えば、上記透明基板もしくは上記半導体基板と、その上に設けられた絶縁膜またはマスクとで構成されたもの(多層構造の被加工基板)であっても構わない。
上記絶縁膜は、例えば、ハードマスクとなるシリコン窒化膜とシリコン酸化膜との積層膜、または、層間絶縁膜としてのシリコン酸化膜もしくはlow−k(低誘電率)膜である。上記マスクは、例えば、有機膜で構成されたマスクである。さらに、被加工基板1の最上層の下には、デバイス製造過程で形成されたデバイスパターンが存在していても構わない。
光硬化性樹脂2は、光照射により硬化すると、内部からガスが発生する。このようなガス(アウトガス)を発生する光硬化性樹脂2としては、例えば、SCAP構造を有する有機材料があげられる。
[図2]
被加工基板1と光インプリント用モールド(以下、モールドという。)10との位置合わせ(アライメント)が行われる。モールド10は、表面にパターン(凹凸)が形成された透明基板で構成されている。上記パターンは、高アスペクト比(例えば、3以上)のパターンを含む。上記透明基板は、例えば、石英基板である。透明基板の材料は、照射する光に対応して適宜変更可能である。透明基板の表面に形成されたパターン(凹凸)は、被加工基板1上に形成するべきパターン(凹凸)に対応する。
[図3]
光硬化性樹脂2にモールド10を接触させる(インプリント)。このとき、モールド10の凸部と被加工基板1との間(隙間)には光硬化性樹脂2が薄く残る。この薄く残った光硬化性樹脂2は残膜となる。
[図4]
光硬化性樹脂2に光(UV〜EUVを含む)3を照射することにより、光硬化性樹脂2の硬化が行われる。UV光の波長は例えば310nmである。
[図5]
光硬化性樹脂2は、光照射により硬化すると、アウトガスを発生するので、光照射後には、光硬化性樹脂2とモールド10との間にアウトガス4が溜まる。この溜まったアウトガス4(アウトガス層)は、図5では、簡単のため、特にアウトガスが発生しやすい領域のものしか示していない。アウトガス4はその体積を広げようとするので、光硬化性樹脂2とモールド10との間の密着力は弱められる。また、アウトガス4が抜けたところに外気のガスが入ることでも、光硬化性樹脂2とモールド10との間の密着力は弱まる。
[図6]
光硬化性樹脂2からモールド10が離される(離型)。
このとき、アウトガス4によって、光硬化性樹脂2とモールド10との間の密着力は弱まっている。そのため、従来よりも弱い力(引っ張り力)で、光硬化性樹脂2からモールド10を離すことができる。したがって、本実施形態によれば、離型時において、高アスペクト比のパターンがちぎれるなどの欠陥(パターン剥がれ)の発生を抑制できるようになる。
図9−図11に、離型時において発生しうる欠陥(パターン剥がれ)の例を示す。
図9は、光硬化性樹脂2に形成された高アスペクト比のパターンがちぎれる欠陥を示している。
図10は、光硬化性樹脂2に形成された高アスペクト比のパターンおよびその周囲の部分が除去される欠陥を示している。
図11は、被加工基板1が多層構造(図11は2層1a,1bの例)の場合において、光硬化性樹脂2に形成された高アスペクト比のパターンおよびその周囲の部分、さらにその下地の部分1bが除去される欠陥を示している。下地の部分1bが除去されるのは、被加工基板1の多層構造の各層間の密着性が弱いと、密着力が最も弱い層間(図11は層1a,1b間の例)の界面で剥がれが生じるからである。
[図7]
残った光硬化性樹脂2(残膜)が除去され、硬化した光硬化性樹脂からなるマスク(光硬化性樹脂マスク)2が得られる。上記の残膜の除去は、例えば、主に酸素プラズマによる異方性エッチングを用いて行われる。
[図8]
光硬化性樹脂マスク2をエッチングマスクに用いて、被加工基板1をエッチングすることにより、被加工基板1上に微細パターンが形成される。その後、光硬化性樹脂マスク2が除去される。本実施形態によれば、離型時における欠陥(パターン剥がれ)の発生を抑制できるので、欠陥が無い高品質の微細パターンを形成できる。これにより、製品の歩留まりを向上できる。
ここで、被加工基板1が透明基板または半導体基板の場合、透明基板または半導体基板がエッチングされる。一方、被加工基板1が多層構造の場合、例えば、透明基板/絶縁膜または半導体基板/絶縁膜の場合、絶縁膜がエッチングされる。これにより、光硬化性樹脂マスク2のパターンが転写された絶縁膜(ハードマスク)が得られる。その後、このハードマスクを用いて、透明基板または半導体基板をエッチングすることにより、微細パターンが形成される。
本実施形態では、モールド10の凸部の断面形状が矩形状であるが、その形状は形成するべきデバイスのパターン(デバイスパターン)によって適宜変更される。例えば、CCDに用いられるマイクロレンズアレイの場合であれば、モールド10の凸部の側面は円弧状の形状を含む。
本実施形態のパターン方法は、マイクロレンズアレイ(光素子)以外にも、半導体デバイス(例えばCMOSロジックを構成するMOSトランジスタ)、DNAチップ(バイオ製品)を構成するSiウェハ上に形成されるパターンにも適用できる(他の実施形態も同様)。
また、図5の工程の後で、光硬化性樹脂2とモールド10との間の密着力を評価しても構わない(他の実施形態も同様)。すなわち、図5の工程の後で、光硬化性樹脂2とモールド10との間の密着力が一定値(しきい値)以下になった否かの判断(判断工程)を行っても構わない。上記一定値(しきい値)は、離型時において欠陥(パターン剥がれ)が発生しない値に設定される。
具体的には、モールド10側から光硬化性樹脂2上に光を照射し、その反射光の強度に基づいてアウトガス4の量を見積もる。見積もったアウトガス4の量が所定値以上の場合であれば、密着力は一定値以下になったと判断し、図6の工程(離型)に進む。見積もったアウトガス4の量が所定値未満の場合には、光硬化性樹脂2に光3をさらに照射(再照射)して、アウトガス4をさらに発生させる。
他の判断方法としては、図6の工程(離型)で、モールド10を所定の力で引っ張って、光硬化性樹脂2からモールド10を離す際に、モールド10を上記所定の力よりも弱い予め決められた力で引っ張って、光硬化性樹脂2からモールド10が全く離れなかった場合には、密着力は弱まっていないと判断し、この場合には、光硬化性樹脂2に光3をさらに照射して、アウトガス4をさらに発生させる。
(第2の実施形態)
図12−図15は、第2の実施形態に係るインプリント方法を用いたパターン形成方法を示す断面図である。なお、以下の図において、既出の図と対応する部分には既出の図と同一符号を付してあり、詳細な説明は省略する。
[図12]
被加工基板1上に光硬化性樹脂2が塗布される。
光硬化性樹脂2を光触媒層と接触した状態で光照射により硬化すると、光触媒層がない場合と比べて、光硬化性樹脂2はより多くのアウトガスを発生する。このようにしてアウトガスを効果的に発生させるためには、光硬化性樹脂2は例えばSCAP構造を有する有機材料で形成し、また、光触媒層としては例えば酸化チタン層を用いる。
被加工基板1とモールド10との位置合わせ(アライメント)が行われる。
モールド10のパターン面(凹凸パターン)は光触媒層11で覆われている。光触媒層11は、上記の通り、例えば、酸化チタン層である。酸化チタン層の形成工程は、モールド10のパターン面上にチタン層を堆積する工程と、上記チタン層を酸化する工程とを含む。
酸化チタン層は、チタン層の堆積工程とチタン層の酸化工程とに分けなくても、形成することができる。例えば、スパッタ法を用いる場合であれば、Tiからなるターゲットを用い、微量の酸素ガスを真空チャンバー内に導入することで、TiO2 層を形成することができる。また、EB蒸着法を用いる場合であれば、焼成によって形成したTiO2 の結晶粉末をタブレット状に固めたものをターゲットとして用いれば、TiO2 層を形成することができる。
[図13]
光硬化性樹脂2にモールド10を接触させる(インプリント)。
光硬化性樹脂2に光3を照射することにより、光硬化性樹脂2の硬化が行われる。
[図14]
光硬化性樹脂2を光触媒層11と接触した状態で光照射により硬化すると、光硬化性樹脂2はアウトガスを発生するので、光照射後には、光硬化性樹脂2と光触媒層11との間にアウトガス4が溜まる。アウトガス4はその体積を広げようとするので、光硬化性樹脂2と光触媒層11との間、つまり、光硬化性樹脂2とモールド10との間の密着力は弱められる。
[図15]
光硬化性樹脂2からモールド10が離される(離型)。
このとき、アウトガスによって、光硬化性樹脂2とモールド10との間の密着力は弱まっている。そのため、従来よりも弱い力(引っ張り力)で、光硬化性樹脂2からモールド10を離すことができる。したがって、本実施形態によれば、離型時において、高アスペクト比のパターンがちぎれるなどの欠陥(パターン剥がれ)の発生を抑制できるようになる。
この後は、第1の実施形態と同様に、図7の工程(残膜の除去)、図8の工程(被加工基板のエッチング)などが行われる。
本実施形態でも第1の実施形態と同様に、離型時における欠陥(パターン剥がれ)の発生を抑制できるので、欠陥が無い高品質の微細パターンを形成でき、その結果として、製品の歩留まりを向上できるようになる。
なお、本実施形態では、光触媒層11が形成されたモールド10を用いたが、モールド10に光触媒層11を形成する代わりに、光硬化性樹脂2の表面上に光触媒層11する方法でも、本実施形態と同様の効果が得られる。さらに、モールド10および光硬化性樹脂2の両方に光触媒層11を形成しても構わない。
(第3の実施形態)
図16−図23、第3の実施形態に係るインプリント方法を用いたパターン形成方法を示す断面図である。
[図16]
被加工基板1上に光硬化性樹脂2aが塗布される。
光硬化性樹脂2aはナフトキノンジアジド化合物を含む。より具体的には、光硬化性樹脂2aは、ベンゾフェノンにナフトキノンジアジドを結合させた化合物(ナフトキノンジアジド化合物)を溶剤に溶かしたものである。ナフトキノンジアジド化合物が光硬化性樹脂2aの表層に偏在するように、ナフトキノンジアジド化合物を含むインプリント材料を被加工基板1上の塗布(滴下)することが好ましい。
図24に示すように、ナフトキノンジアジド化合物は光(hν)が照射されると、インデンカルボン酸に変化する。ナフトキノンジアジド化合物は、インデンカルボン酸に変化するときに、窒素ガスを放出する。したがって、光硬化性樹脂2aは、光照射により硬化すると、アウトガス(窒素ガス)を発生する。
[図17]
被加工基板1とモールド10との位置合わせが行われる。
[図18]
光硬化性樹脂2aにモールド10を接触させる(インプリント)。
[図19]
光硬化性樹脂2aに光3を照射することにより、光硬化性樹脂2aの硬化が行われる。
[図20]
光硬化性樹脂2aは、光照射により硬化すると、アウトガス(窒素ガス)を発生するので、光照射後には、光硬化性樹脂2aとモールド10との間にアウトガス(窒素ガス)4aが溜まる。アウトガス4aはその体積を広げようとするので、光硬化性樹脂2aとモールド10との間の密着力は弱められる。アウトガス4aを効果的に発生させるためには、光3の波長は300−450nmが好ましい。
[図21]
光硬化性樹脂2aからモールド10が離される(離型)。
このとき、アウトガス4aによって、光硬化性樹脂2aとモールド10との間の密着力は弱まっている。そのため、従来よりも弱い力(引っ張り力)で、光硬化性樹脂2aからモールド10を離すことができる。したがって、本実施形態によれば、離型時において、高アスペクト比のパターンがちぎれるなどの欠陥(パターン剥がれ)の発生を抑制できるようになる。
ここで、光硬化性樹脂2a中にナフトキノンジアジド化合物を5mol%添加した場合には、離型を行う際のアウトガス(窒素ガス)によるアシスト力は約150Nとなり、欠陥(パターン剥がれ)の発生を効果的に抑制できる。なお、ナフトキノンジアジド化合物の添加量が0.1mol%以上であれば、欠陥発生抑制の効果は得られる。
[図22]
残った光硬化性樹脂2a(残膜)が除去され、光硬化性樹脂からなるマスク(光硬化性樹脂マスク)2aが得られる。
[図23]
光硬化性樹脂マスク2aをエッチングマスクに用いて、被加工基板1をエッチングすることにより、被加工基板1上にパターンが形成される。その後、光硬化性樹脂マスク2aが除去される。
本実施形態によれば、離型時における欠陥(パターン剥がれ)の発生を抑制できるので、欠陥が無い高品質の微細パターンを形成できる。これにより、製品の歩留まりを向上できる。
なお、本実施形態では、全ての領域に対して光硬化性樹脂2aを使用したが、所定の領域に対してだけ光硬化性樹脂2aを使用し、残りの領域に対してはアウトガスを発生しない通常の光硬化性樹脂を使用しても構わない。
上記所定の領域は、例えば、離型力が大きい領域であり、具体的には、密度の高いパターンを含む領域(密パターン領域)である。密度の高いパターンは表面積が大きいので、大きな離型力が必要となる。なお、離型力は、光照射により硬化された光硬化性樹脂からモールドを離す工程において、前記光硬化性樹脂からモールドを離すために要する力である。
このように離型力が大きい領域に対してだけ光硬化性樹脂2aを使用することにより、モールド10のパターン面内での離型力のばらつきが小さくなり、離型時におけるモールド10の歪みを小さくできるので、離型欠陥の発生を抑制できるようになる。同様の効果は、モールドのパターン面の全面をDNQが含有した溶液で処理後、密パターンの部分を選択的に露光することでN2 を発生させたテンプレートを使用した場合でも確認することができた。
(第4の実施形態)
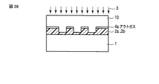
図25−図30は、第4の実施形態に係るインプリント方法を用いたパターン形成方法を示す断面図である。
[図25]
被加工基板1上に、ナフトキノンジアジド化合物を含まない光硬化性樹脂2bが塗布される。
光硬化性樹脂2上にナフトキノンジアジド化合物を含む光硬化性樹脂2cが塗布される。スキャンノズル20を用いて、光硬化性樹脂2b上にナフトキノンジアジド化合物を含むインプリント材を滴下することで、光硬化性樹脂2cは塗布される。
[図26]
被加工基板1とモールド10との位置合わせが行われる。
[図27]
光硬化性樹脂2b,2cにモールド10を接触させる(インプリント)。
[図28]
光硬化性樹脂2b,2bに光3を照射することにより、光硬化性樹脂2b,2cの硬化が行われる。
光硬化性樹脂2cは、光照射により硬化すると、アウトガス(窒素ガス)を発生するので、光照射後には、光硬化性樹脂2b,2cとモールド10との間にアウトガス(窒素ガス)4aが溜まる。アウトガス4aはその体積を広げようとするので、光硬化性樹脂2b,2cとモールド10との間の密着力は弱められる。
[図29]
光硬化性樹脂2b,2cからモールド10が離される(離型)。
このとき、アウトガス4aによって、光硬化性樹脂2b,2cとモールド10との間の密着力は弱まっている。そのため、従来よりも弱い力(引っ張り力)で、光硬化性樹脂2b,2cからモールド10を離すことができる。したがって、本実施形態によれば、離型時において、高アスペクト比のパターンがちぎれるなどの欠陥(パターン剥がれ)の発生を抑制できるようになる。
ここで、光硬化性樹脂2c中にナフトキノンジアジド化合物を5mol%添加した場合には、離型を行う際のアウトガス(窒素ガス)によるアシスト力は約150Nとなり、欠陥(パターン剥がれ)の発生を効果的に抑制できる。
[図30]
残った光硬化性樹脂2b,2c(残膜)が除去され、光硬化性樹脂からなるマスク(光硬化性樹脂マスク)2b,2cが得られる。
光硬化性樹脂マスク2b,2cをエッチングマスクに用いて、被加工基板1をエッチングすることにより、被加工基板1上にパターンが形成される。その後、光硬化性樹脂マスク2が除去される。
本実施形態でも第3の実施形態と同様に、離型時における欠陥(パターン剥がれ)の発生を抑制できるので、欠陥が無い高品質の微細パターンを形成できる。これにより、製品の歩留まりを向上できる。
(第5の実施形態)
図31は、第5の実施形態に係るインプリント方法を用いたパターン形成方法を示す断面図である。
本実施形態が第1−第4の実施形態と異なる点は、熱を発生する熱発生部材12を含むモールド10を用いることにある。熱発生部材12により発生した熱により、離型時において、光硬化性樹脂2は直接または間接的に加熱される。光硬化性樹脂2が間接的に加熱されるとは、熱発生部材12により発生した熱により、モールド10または被加工基板1が加熱され、モールド10または被加工基板1の温度が上がり、その結果として、光硬化性樹脂2は加熱されることである。
熱発生部材12は、例えば、赤外光を吸収する赤外吸収体である。赤外吸収体の材料としては、例えば、炭素(黒鉛)があげられる。赤外光を吸収した赤外吸収体は、熱(輻射熱)を発生する。なお、光硬化性樹脂2を硬化するための光は、上記赤外吸収体を通過する。上記赤外光は、離型時に、図示しない赤外光源により上記赤外吸収体に照射される。熱発生部材12は、抵抗ヒーターであっても構わない。
本実施形態によれば、熱発生部材12により発生した熱により、光硬化性樹脂2中に残存していた溶媒、例えば、PGMEA(プロピレングリコールモノメチルエーテルアセテート)が気化される。その結果、モールド10と光硬化性樹脂2との界面にアウトガスが溜まる。このアウトガスによって、離型時における光硬化性樹脂2とモールド10との間の密着力が弱まるので、第1の実施形態等と同様に、離型時における欠陥(離型欠陥)の発生を抑制できる。アウトガスは、モールド10に接した光硬化性樹脂2の表面から発生するので、光硬化性樹脂2の内部でガス発生し、該内部にガスが残るという欠陥(空隙)の発生は抑制される。
熱発生部材12として、赤外吸収体を用いた場合には、赤外吸収体の面積(光硬化性樹脂2との対向面積)を大きくすることにより、光硬化性樹脂2をまんべんなく加熱することが可能となる。これにより、アウトガスを均一に発生させることができ、欠陥をさらに減らすことができるようになる。
(第6の実施形態)
図32は、第6の実施形態に係るインプリント方法を用いたパターン形成方法を示す断面図である。
本実施形態が第5の実施形態と異なる点は、冷媒によって温度を下げられる機構を備えたチャック30を用いることにある。ここでは、上記機構として、冷媒を流すための配管31を用いた例について説明する。上記冷媒は、例えば、代替フロン冷媒であり、図示しない冷媒供給装置により、配管31中に供給されるようになっている。
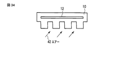
被加工基板1をチャック30上に固定した状態で、光硬化性樹脂2の塗布工程から光照射による光硬化性樹脂2の硬化工程までを行う。続いて、配管31中に冷媒を流し、チック31を冷却することにより、被加工基板11、光硬化性樹脂2およびモールド10の熱膨張を抑制する。その後、離型を行う。これにより、熱発生部材12による加熱で生じうるアライメント精度を低下させずに、離型欠陥を抑制できるようになる。
なお、次のショット(インプリント)を行う前に、図33に示すように、容器40内に入った冷却剤としての液体41中にモールド10を浸し、その後、液体41からモールド10を取り出し、図34に示すように、エアー42によりモールド10を乾燥させても構わない。これにより、モールド10の膨張によるアライメント精度の低下をより効果的に抑制できるようになる。
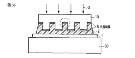
(第7の実施形態)
図35は、第7の実施形態に係るインプリント方法を用いたパターン形成方法を示す断面図である。
本実施形態が第1の実施形態と異なる点は、モールド10の凸部および凹部の上に半透明膜5が設けられていることにある。半透明膜5は、例えば、波長365nmの光(光硬化性樹脂2を硬化するための光(UV光)3)に対して5%の透過率を有する。
図36は、図35の破線で囲まれた領域の拡大図である。
光3は、半透明膜5の上面を照射する光(垂直成分の光)3aと、半透明膜5を照射しない光(斜め成分の光)3bとを含む。光3aは半透明膜5を透過してその強度が弱まるので、半透明膜5下の光硬化性樹脂2は十分には硬化されない。ここでは、半透明膜5下の光硬化性樹脂2が硬化されないように、光3の照射量を設定する。一方、光3bは半透明膜5を通らないので、光3bが照射される部分の光硬化性樹脂2は十分に硬化される。
したがって、半透明膜5を介して対向した部分のモールド10と光硬化性樹脂2との間の密着力は弱くなるので、離型時における離型欠陥の発生を抑制できるようになる。
ここで、例えば、第5の実施形態で述べたように、光硬化性樹脂2を赤外線で加熱すれば、半透明膜5下の未硬化の光硬化性樹脂2からガスが発生するので、離型時における離型欠陥の発生をより効果的に抑制できるようになる。
なお、本実施形態では、モールド10の凸部および凹部の上に半透明膜5を設けたが、凸部および凹部の一方でも構わない。また、半透明膜5の代わりに、光硬化性樹脂2を硬化するための光を遮光する遮光膜を用いても構わない。
(第8の実施形態)
図37は、第8の実施形態に係るインプリント方法を用いたパターン形成方法を示す断面図である。
本実施形態が第1−第7の実施形態と異なる点は、ガスを発生させることができる被膜13で、モールド10のパターン面をコーティングすることにある。被膜13の材料としては、例えば、通常状態(光が照射されていない状態)ではガスを吸着し、光が照射されるとガスを発生するものがあげられる。ここでは、光3を照射してもガスを発生しない光硬化性樹脂2dを用いる。
このような材料で形成された被膜13でパターン面を被覆すると、光硬化性樹脂2にモールド10を接触させる工程(インプリント)までの間に、モールド10がおかれている雰囲気中に存在するガスが被膜13の表面に吸着される。
インプリント後に行われる、光照射による光硬化性樹脂2dの際には、被膜13に光が照射されるので、被膜13の表面から上記ガスは脱着する。この脱着したガスはアウトガスとして働くため、離型時における光硬化性樹脂2dとモールド10との間の密着力は弱くなる。したがって、離型欠陥の発生を抑制できる。
本実施形態では、光硬化性樹脂2dを硬化するための光3の照射により、被膜13の表面からガスが脱着する場合について説明したが、光硬化性樹脂2dを硬化するための光3の照射ではガスの脱着は起こらず、光3とは波長が異なる光(ガス脱着用光)の照射でガスの脱着が生じる被膜を用いても構わない。
このような被膜を用いた場合、光3の照射による光硬化性樹脂2dの後に、ガス脱着用光の照射によるガス脱着を行うことができる。この時、光3の照射時間よりもガス脱着用光の照射時間を長くすることにより、より多くのガスを発生させることができる。したがって、離型時欠陥の発生をより効果的に抑制できる。
なお、本実施形態では、モールド10のパターン面の全体を被膜13でコーティングしたが、パターン面の一部を被膜13でコーティングしても構わない。また、光照射によりガスを発生する光硬化性樹脂2を用いても構わない。
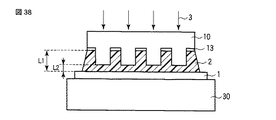
(第9の実施形態)
図38は、第9の実施形態に係るインプリント方法を用いたパターン形成方法を示す断面図である。
本実施形態が第1−第8の実施形態と異なる点は、モールド10の凹部に位相/透過率調整膜14が設けられていることにある。位相/透過率調整膜14は、光3の位相および透過率の少なくとも一方を調整する。位相/透過率調整膜14の材料は、例えば、MoSi、SiN、CrまたはCrOである。
位相/透過率調整膜14の光学パラメータ(例えば、屈折率n、減衰係数k)、モールド10の凹部と被加工基板1との距離L1、モールド10の凸部と被加工基板1との距離L2、光3の波長(硬化波長)、モールド10の屈折率、光硬化性樹脂2の屈折率などを考慮して、位相/透過率調整膜14を設計することにより、モールド10の凹部と光硬化性樹脂2との界面近傍に、光3の定在波のピークを生じさることができる。例えば、硬化波長が310nm、モールド10の屈折率が1.5(石英屈折率)、光硬化性樹脂2の屈折率が1.45であれば、上記界面近傍に光3の定在波のピークを生じさることができる。
モールド10の凹部と光硬化性樹脂2との界面近傍に、光3の定在波のピークを生じることで、モールド10の凹部と光硬化性樹脂2との界面近傍でのアウトガスの発生量を多くできる。したがって、離型欠陥の発生を効果的に抑制できるようになる。
なお、本実施形態では、モールド10の凹部に位相/透過率調整膜14を設けたが、図39に示すように、モールド10の凹部および凸部に位相/透過率調整膜14を設けても構わない。これにより、離型欠陥の発生をより効果的に抑制できるようになる。
(第10の実施形態)
図40は、第10の実施形態に係るインプリント方法を用いたパターン形成方法を示す平面図である。
本実施形態では、光硬化性樹脂2(第1の光硬化性樹脂)を硬化するための光照射(第1の光照射)の後に、離型力が大きい領域(第1の領域)R1に対してのみ、アウトガスを発生させるための光照射(第2の光照射)を行う。したがって、第2の光照射後、第1の領域R1での離型力は弱くなる。
第1の領域R1は、微細なパターンが形成された領域、密度の高いパターンが形成された領域、または、これらの二つの領域を含む領域である。図40において、R2は離型力が小さい領域(第2の領域)を示している。第2の領域R2は、例えば、第1の領域R1よりも大きなパターンが形成された領域、密度の低いパターンが形成された領域である。第2の光照射後、第1の領域R1と第2の領域R2との間の離型力の差は小さくなる。
第1および第2の光照射はともに波長310nmのUV光3を用い行う。すなわち、同じ波長の光を用いる。ただし、第1の光照射は、光硬化性樹脂2の硬化は起こるがアウトガスの発生は起こらない条件で行う。
例えば、第1の領域R1内の光硬化性樹脂2の単位面積当たりの光3の照射量を、第2の領域R2内の光硬化性樹脂2の単位面積当たりの光3の照射量により多くする。そのためには、第1の領域R1内での光3のスキャン速度を、第2の領域R2内での光3のスキャン速度よりも遅くする。光源15から出射した光3を反射するための反射ミラー16の位置を遅く変化させることで、光3のスキャン速度を遅くできる。
上記第2の光照射後に離型を行えば、第1の領域R1と第2の領域R2との間の離型力の差は小さくなっているので、離型時におけるモールド10の歪みは小さくなる。これにより、離型欠陥の発生を抑制できるようになる。
本実施形態では、第1の領域R1上に塗布した光硬化性樹脂2からアウトガスが発生する条件で光照射を行ったが、さらに、第2の領域R2上に塗布した光硬化性樹脂2からもアウトガスが発生する条件(例えば一定値上の照射量)で光照射を行っても構わない。また、離型欠陥の発生を抑制できるのなら、第1の領域R1におけるガス発生量(Q1)と第2の領域R2におけるガス発生量(Q2)との間の大小関係は特に限定されない(Q1>Q2、Q1=Q2またはQ1<Q2)。通常は、Q1>Q2とすることが多くなると考えられる。
以上述べたように本実施形態によれば、光硬化性樹脂に照射する光の照射量に応じてアウトガスの発生量が変化する光硬化性樹脂を用いてガス発生工程を行うことにより、一定レベル以下の離型力でもって各領域からモールドを離すことができるようになるので、離型欠陥の発生を抑制できるようになる。
なお、光硬化性樹脂に照射する光の照射量に応じてアウトガスの発生量が変化する光硬化性樹脂を用いたが、光硬化性樹脂に与える熱量(加熱量)に応じてアウトガスの発生量が変化する光硬化性樹脂、または、光硬化性樹脂に加える圧力(加圧/減圧)に応じてアウトガスの発生量が変化する光硬化性樹脂を用いても構わない。
このような光硬化性樹脂を用いてガス発生工程を行うことによっても、一定レベル以下の離型力でもって各領域からモールドを離すことができ、離型欠陥の発生を抑制できるようになる。
この場合において、第1および第2の領域R1,R2上の光硬化性樹脂それぞれに対して、異なる照射量で異なる熱量で加熱するというガス発生工程、または、第1および第2の領域R1,R2上の光硬化性樹脂それぞれに対して、異なる照射量で異なる圧力を加えるというガス発生工程を行っても構わない。
この時に使用する光硬化性樹脂は、光の照射量に応じてアウトガスの発生量が変化する光硬化性樹脂、または、光の照射量に応じてアウトガスの発生量が同じ(変化しない)光硬化性樹脂である。光の照射量に応じてアウトガスの発生量が変化する光硬化性樹脂を用いた場合、複数のパラメーター(照射量、熱量、圧力)でアウトガスの発生量を変えられるので、アウトガスの発生量の制御性を高めることが可能となる。
このように所定の処理(例えば、光照射、加熱および加圧/減圧のうちの少なくとも一つ以上)によりガスを発生する光硬化性樹脂を用いてガス発生工程を行うことにより、一定レベル以下の離型力でもって各領域からモールドを離すことができるようになるので、離型欠陥の発生を抑制できるようになる。この場合において、制御性の観点からは、光照射、加熱または圧力の有無によってガスが発生するか否かの二つではなく、光照射量、加熱量、圧力のレベルに応じてガスの発生量が変化する光硬化性樹脂を用いることが望ましい。
また、微細パターンや高密度パターン等の離型欠陥が発生しやすいパターンが形成される領域(第1の領域)におけるガス発生量は、第1の領域に形成されるパターンに比べて離型欠陥が発生しにくいパターン(例えば、上記微細パターンに比べてサイズが大きなパターン(非微細パターン)、上記高密度パターンに比べて密度が低いパターン(低密度パターン))が形成される領域(第2の領域)におけるガス発生量よりも多くするが、このようなガス発生量の大小関係を実現するための方法としては上記の所定の処理(例えば、光照射、加熱および加圧/減圧のうちの少なくとも一つ以上)があげられるが、これに限定されるものではない。
(第11の実施形態)
図41−図44は、第11の実施形態に係るインプリント方法を用いたパターン形成方法を示す断面図である。
[図41]
被加工基板1上に1ショット分の光硬化性樹脂2e(第4の光硬化性樹脂)がインクジェット法により塗布される。インクジェット法を用いる場合、1ショット分の液状の光硬化性樹脂2eの量は、一般には、モールドのパターン情報から算出される。
ここでは、光硬化性樹脂2eは、ターシャリブトキシカルボニル基(t−BOC基)、ターシャリブチル基(t−Bu基)などの保護基を有する化合物と、UV光照射により酸を発生する光酸発生剤とを含有している。光酸発生剤は、例えば、オニウム塩である。
[図42]
被加工基板1とモールド10との位置合わせが行われる。
ここでは、モールド10の中心部には、例えば、メモリデバイスのメモリセルパターンが形成されている。メモリセルパターンはラインアンドスペースを含む。メモリセルパターンの外側には周辺回路パターンが形成されており、さらにその外周には、チップの切り代の部分となるダイシング領域が形成されている。ダイシング領域には、位置合わせのためのアライメントマークなどが形成されている。
[図43]
光硬化性樹脂2eにモールド10を接触させる。モールド10を介して光硬化性樹脂2eに光3を照射することにより、光硬化性樹脂2eを硬化させる。この時、光硬化性樹脂2中の光酸発生剤より、酸が発生する。光3は、例えば、ArF光、KrF光またはi線等のUV光である。
[図44]
被加工基板1を例えば100℃まで加熱する。この加熱により、上記光酸発生剤より発生した酸の触媒作用により、光硬化性樹脂2e中の上記保護基が脱離し、アウトガス4が発生する。
その後、離型が行われる。このとき、アウトガス4によって、光硬化性樹脂2eとモールド10との間の密着力は弱まっているため、従来よりも弱い力で、光硬化性樹脂2eからモールド10を離すことができる。したがって、離型時において、高アスペクト比のパターンがちぎれるなどの欠陥の発生を抑制できるようになる。
この後は、第1の実施形態と同様に、残膜を除去する工程、被加工基板をエッチングする工程などが行われる。
なお、本実施形態では、被加工基板1上の全てのショット領域に光硬化性樹脂2eを塗布する場合について説明したが、一部のショット領域、つまり、相対的に離型力が大きい領域(相対的に離型欠陥が発生しにくい領域))のみに光硬化性樹脂2eを塗布し、その他の相対的に離型力が小さい領域には通常の光硬化性樹脂(第5の光硬化性樹脂)を塗布しても構わない。すなわち、本実施形態は、前述した第10の実施形態や後述する第14または第15の実施形態のように、ショット領域(第1の領域、第2の領域)毎にガスを発生させるか否かを制御するインプリント方法に適用しても構わない。
(第12の実施形態)
図45−図47は、第12の実施形態に係るインプリント方法を用いたパターン形成方法を示す断面図である。
本実施形態が第1−第11の実施形態と異なる点は、氷もしくはドライアイスで形成されたモールド10aを用いることにある。
[図45]
被加工基板1上に1ショット分の光硬化性樹脂2dがインクジェット法により塗布され、その後、被加工基板1とモールド10aとの位置合わせが行われる。
[図46]
光硬化性樹脂2dにモールド10aを接触させる。この時、被加工基板1の温度はモールド10aの融点(氷もしくはドライアイスの融点)未満に保たれていることが望ましい。これにより、モールド10aのパターン形状を所定の形状に容易に保持できる。モールド10aを介して光硬化性樹脂2dに光3を照射することにより、光硬化性樹脂2dを硬化させる。
[図47]
被加工基板1を加熱することにより、モールド10aを融解する。モールド10aを直接加熱することにより、モールド10aを融解しても構わない。加熱温度はモールド10aの融点以上である。融解したモールド10a(液体)は、例えば、スピンドライ法により除去する。
本実施形態によれば、光硬化性樹脂2dからモールド10を引っ張る必要がないので、離型欠陥は生じない。
なお、従来と同様に、光硬化性樹脂2dからモールド10を引っ張って、離型を行っても構わない。この場合、加熱によりモールド10aを多少融解し、光硬化性樹脂2dとモールド10との間の密着力を弱めた後に、離型を行うことにより、離型欠陥の発生を抑制できる。
図48−図51を用いてモールド10aの形成方法の一例について説明する。
ここでは、モールド10aが氷で形成された場合について説明する。
[図48]
モールド10aの凹凸パターンを反転させた凹凸パターンを有する石英基板(親モールド)10a’を用意する。このような親モールドは、一般のフォトマスクを形成する場合と同様に、石英基板の表面をプラズマエッチングにより加工することにより得られる。
[図49]
容器50の上方に、0℃以下に冷却された親モールド10a’を設置する。容器50は図示しない冷却機構により冷却できるようになっている。
[図50]
容器50内に0℃付近に冷却された純水51を注入し、その後、親モールド10a’を容器50内の純水51中に所定の深さまで浸し、上記の図示しない冷却機構により容器50を冷却し、純水51を凍らせる。
[図51]
容器50から親モールド10a’および凍らせた純水(氷)51を取り出し、氷51と親モールド10a’とを分離することで、モールド10aに相当する、氷51からなるモールド(子モールド)が得られる。
モールド10aがドライアイスで形成された場合も同様の方法で、モールド10aを形成することができる。
(第13の実施形態)
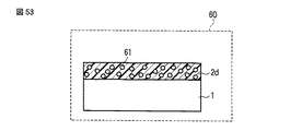
図52−図55は、第13の実施形態に係るインプリント方法を用いたパターン形成方法を示す断面図である。
本実施形態が第1−第12の実施形態と異なる点は、光硬化性樹脂中に溶融させたガスを気化させることで、離型時にアウトガスを発生させることにある。
[図52]
液体の光硬化性樹脂2d(第6の光硬化性樹脂)を空気、窒素、二酸化炭素、He、NeまたはArなどのガスの高圧雰囲気60中に晒すことにより、光硬化性樹脂2d中にガス61を溶解させる。
[図53]
高圧雰囲気60中において、被加工基板1上にガス61が溶解された光硬化性樹脂2dが塗布される。塗布方法は、例えば、スピンコート法またはインクジェット法である。上記塗布方法とスキージとを組み合わせても構わない。この場合、所望の厚さを有する光硬化性樹脂2dを容易に形成することができる。
[図54]
高圧雰囲気60中において、光硬化性樹脂2dにモールド10を接触させ、その後、モールド10を介して光硬化性樹脂2dに光3を照射することにより、光硬化性樹脂2dを硬化させる。
[図55]
雰囲気を高圧雰囲気60から減圧雰囲気62に変える。その結果、光硬化性樹脂2d中に溶解されたガス61が気化し、光硬化性樹脂2dとモールド10との界面にガス61が溜まる。この界面に溜まったガス(アウトガス)61によって、光硬化性樹脂2とモールド10との間の密着力は弱まるので、従来よりも弱い力で、離型を行うことができる。したがって、離型欠陥の発生を抑制できるようになる。
なお、本実施形態では、被加工基板1上の全てのショット領域に光硬化性樹脂2dを塗布する場合について説明したが、一部のショット領域、つまり、相対的に離型力が大きい領域(相対的に離型欠陥が発生しにくい領域))のみに光硬化性樹脂2dを塗布し、その他の相対的に離型力が小さい領域には通常の光硬化性樹脂(第7の光硬化性樹脂)を塗布しても構わない。すなわち、本実施形態は、前述した第10の実施形態や後述する第14または第15の実施形態のように、ショット領域(第1の領域、第2の領域)毎にガスを発生させるか否かを制御するインプリント方法に適用しても構わない。
(第14の実施形態)
図56および図57は、第14の実施形態に係るインプリント方法を用いたパターン形成方法を示す断面図である。
[図56]
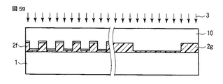
本実施形態では、2種類の光硬化性樹脂(第1および第2の光構成樹脂)2f,2gを用いる。
第1の光硬化性樹脂2f(第2の光硬化性樹脂)は、紫外線照射により、硬化およびガス発生を発現する。
第2の光硬化性樹脂2g(第3の光硬化性樹脂)は、紫外線照射により、硬化のみを発現する。
第1の光硬化性樹脂2fの材料は、例えば、光重合開始剤を添加したアクリルモノマーにDNQ(ナフトキノンジアジド)を結合させたベンゾフェノン化合物が添加されたものである。
第2の光硬化性樹脂2gは、例えば、光重合開始剤が添加されたアクリルモノマーである。
2種類の各光硬化性樹脂2f,2gはそれぞれインプリント装置の薬液塗布装置内に設置した2つの独立した薬液ラインに供給できるようになっている。各薬液ラインの先端にはインクジェットノズルが設置されている。
インプリント装置は、モールドのパターンのサイズに応じて適切な硬化樹脂分布と樹脂種を決定する。
具体的には、微細なパターンが形成された領域に対しては第1の光硬化性樹脂2fを使用し、それ以外の領域に対しては第2の光硬化性樹脂2gを使用する。
微細なパターンが形成された領域(第1の領域)は、モールト゛と光硬化性樹脂の接触面積が大きいために離型力が大きいので、ガスを発生する第1の光硬化性樹脂2fを使用する。それ以外の領域(第2の領域)では離型力が相対的に小さいので、ガスを発生しない第2の光硬化性樹脂2gを使用する。
[図57]
光硬化性樹脂2f,2gにモールド10を接触させ、その後、モールド10を介して光硬化性樹脂2f,2gに光3(ここではUV光)を照射することにより、硬化性樹脂2f,2gを硬化させる。
この時、光硬化性樹脂2f中のDNQが光3の照射によって分解され、光硬化性樹脂2fからはアウトガス(窒素ガス)4aが発生する。アウトガス4aは光硬化性樹脂2fとモールド10との間に溜まる。これにより、離型時における光硬化性樹脂2fとモールド10との間の密着力は弱くなり、離型欠陥の発生を抑制できるようになる。
また、密着力が弱くなったことにより、離型時に、インプリント装置のモールド保持機構からモールド10が脱落することを防止できる。モールド10の脱落は、モールド10の破損を招く可能性がある。モールド10は高価であるため、脱落によるモールド10の破損を防ぐことは、製造コスト削減の点で重要である。
なお、アウトガスはパターンの精度(形状、寸法)に与える影響が許容できる程度に発生量を調整してある。光硬化性樹脂2fで形成されたパターンは必要な精度内であることを確認した。
一方、光硬化性樹脂2gからはアウトガスは発生しない。したがって、光硬化性樹脂2gで形成されたパターンは高い精度を有する。
なお、図56、図57には、一つの微細なパターンが形成された領域(第1の領域)および一つのそれ以外の領域(第2の領域)しか示していないが、実際には複数の第1の領域および複数の第2の領域に対してそれぞれについて図56、図57に示した工程を行う。以下に説明する変形例についても同様である。
図58に、本実施形態の変形例を示す。本実施形態では、被加工基板1上に光硬化性樹脂2f,2gを塗布したが、この変形例では、モールド10のパターン面上に光硬化性樹脂2f,2gを塗布する。次に、光硬化性樹脂2f,2g上に被加工基板11を設置し、モールド10を介して光硬化性樹脂2f,2gに光3を照射する。この後は、離型等の周知の工程が行われる。この変形例(モールドに光硬化性樹脂を塗布する例)は、既に述べた第13の実施形態等の実施形態、後で述べる第15の実施形態等の実施形態に対しても同様に実施可能である。
(第15の実施形態)
図59は、第15の実施形態に係るインプリント方法を用いたパターン形成方法を示す断面図である。
[図59]
本実施形態が第14の実施形態と異なる点は、パターン密度が高い領域(密パターン領域)に対しては第1の光硬化性樹脂2fを使用し、パターン密度が低い領域(疎パターン領域)に対しては第2の光硬化性樹脂2gを使用することにある。
密パターン領域は、例えば、1:1のL/Sパターンが形成された領域である。密パターン領域は、モールト゛と光硬化性樹脂の接触面積が大きく離型力が大きいので、密パターン領域に対してはガスを発生する第1の光硬化性樹脂2fを使用する。
疎パターン領域は、例えば、孤立ライン(孤立スペース)やコンタクトホールが形成された領域である。疎パターン領域は離型力が大きくないので、疎パターン領域に対してはガスを発生しない第2の光硬化性樹脂2gを使用する。
光硬化性樹脂2f,2gにモールド10を接触させ、その後、モールド10を介して光硬化性樹脂2f,2gに光3(ここではUV光)を照射することにより、硬化性樹脂2f,2gを硬化させる。
この時、光硬化性樹脂2fからアウトガス(窒素ガス)4aが発生し、密パターン領域での密着力は弱くなる。これにより、離型時に、インプリント装置のモールド保持機構からモールド10が脱落することを防止できる。
また、離型後の光硬化性樹脂2f,2gからなるパターン(インプリントパターン)の欠陥を検査したところ、従来に比べて、離型欠陥が低減していることが分かった。その理由は以下のように考えられる。
密パターン領域での密着力が弱くなることで、密パターン領域と疎パターン領域との間での離型力の差は小さくなる。その結果、離型時におけるモールド10のパターン面内に発生する応力は小さくなり、離型欠陥の発生原因となる、モールド10のパターン面の形状変化は抑制される。
(第16の実施形態)
図60および図61は、第16の実施形態に係るインプリント方法を用いたパターン形成方法を示す断面図である。
[図60]
第3の実施形態と同様に、光硬化性樹脂2aの塗布工程からインプリント工程までの工程(図17,図18)が行われ、その後、モールド10を介して光硬化性樹脂2aに第1の光3aが照射される。
第1の光3aは可視光に相当する波長を中心波長とする。第1の光3aの光源は、例えば、高出力のキセノンランプである。第1の光3aの照射によって光硬化性樹脂2aは光硬化反応を起こし固まる。
この時、ナフトキノンジアジド化合物は可視光ではあまり分解されないので、光硬化性樹脂2aからアウトガスは放出されない。したがって、光硬化性樹脂2a内に気泡ができることはない。
[図61]
モールド10を介して光硬化性樹脂2aに第2の光3bが照射される。
第2の光3bは紫外線であり、その中心波長は、例えば、365nmである。第2の光3aの光源は、例えば、水銀ランプである。第2の光3bによって、ナフトキノンジアジドはインデンカルボン酸に高効率で分解され、その結果として、光硬化性樹脂2aからアウトガス(ここでは窒素ガス)4が放出される。したがって、本実施形態でも第3の実施形態と同様に、離型欠陥の発生を抑制できる。
この時、窒素ガスは固化した光硬化性樹脂2a中では固体の圧力によって圧縮されるので、光硬化性樹脂2aの内部に窒素ガスの空隙ができることはない。光硬化性樹脂2aの表面付近で発生した窒素ガスのみがアウトガス4として放出される。
(第17の実施形態)
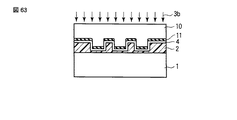
図62および図63は、第17の実施形態に係るインプリント方法を用いたパターン形成方法を示す断面図である。
[図62]
第2の実施形態と同様に、光硬化性樹脂2の塗布工程からインプリント工程までの工程(図12,図13)が行われ、その後、モールド10を介して光硬化性樹脂2に第1の光3aが照射される。第1の光3aの光源は、第16の実施形態と同様に、高出力のキセノンランプである。
[図63]
モールド10を介して光硬化性樹脂2に第2の光3bが照射される。
第2の光3bは、波長400nm以下の紫外線である。第2の光3bの光源は、第16の実施形態と同様に、水銀ランプである。
この時、第2の光3bの照射により光触媒層11は触媒作用を発現し、光触媒層11と接触している部分の光硬化性樹脂2の表面が分解され、光硬化性樹脂2の表面からアウトガス4が発生する。したがって、本実施形態でも第2の実施形態と同様に、離型欠陥の発生を抑制できる。
なお、本発明は上記実施形態そのままに限定されるものではなく、実施段階ではその要旨を逸脱しない範囲で構成要素を変形して具体化できる。また、上記実施形態に開示されている複数の構成要素の適宜な組み合わせにより、種々の発明を形成できる。例えば、実施形態に示される全構成要素から幾つかの構成要素を削除してもよい。具体的には、第10の実施形態と第14の実施形態と第15の実施形態とを適宜組み合わせても構わない。
さらに、異なる実施形態にわたる構成要素を適宜組み合わせてもよい。
その他、本発明の要旨を逸脱しない範囲で、種々変形して実施できる。
1…被加工基板、2,2a,2d,2e,2f,2g…光硬化性樹脂、2b…ナフトキノンジアジド化合物を含まない光硬化性樹脂(第1の光硬化性樹脂)、2c…ナフトキノンジアジド化合物を含む光硬化性樹脂(第2の光硬化性樹脂)、3,3a,3b…光、4,4a…アウトガス、5…半透明膜、10,10a…モールド、10a’…親モールド、11…光触媒層、12…熱発生部材、13…被膜、14…位相/透過率調整膜、15…光源、16…反射ミラー、20…スキャンノズル、30…チャック、31…配管、40…容器、41…液体、50…容器、51…純水、R1…離型力が大きい領域(第1の領域)、R2…離型力が小さい領域(第2の領域)、60…高圧雰囲気、61…ガス、62…減圧雰囲気。

Claims (6)

  1. 第1の領域および第2の領域を含む被加工基板上に光硬化性樹脂を塗布する工程と、
    前記光硬化性樹脂にインプリント用モールドを接触させる工程と、
    前記インプリント用モールドを介して前記光硬化性樹脂に光を照射して前記光硬化性樹脂を硬化する工程と、
    少なくとも前記第1の領域を含む前記被加工基板の領域上に塗布された前記光硬化性樹脂に所定の処理を加えガスを発生させる工程と、
    前記ガスの発生後、前記光硬化性樹脂から前記インプリント用モールドを離し、前記被加工基板上にパターンを形成する離型工程と
    を含み、
    前記第1の領域に塗布された前記光硬化性樹脂から発生する前記ガスの発生量が、前記第2の領域に塗布された前記光硬化性樹脂から発生する前記ガスの発生量よりも大きいことを特徴とするインプリント方法。
  2. 前記第1の領域は前記第2の領域よりも密度が高いパターンが形成される領域であることを特徴とする請求項1に記載のインプリント方法。
  3. 前記第1の領域は前記第2の領域よりもサイズが大きいパターンが形成される領域であることを特徴とする請求項1に記載のインプリント方法。
  4. 前記第1の領域は前記第2の領域に比べて、前記離型工程における前記光硬化性樹脂から前記インプリント用モールドを離すために要する力が大きい領域であることを特徴とする請求項1ないし3のいずれか一項に記載のインプリント方法。
  5. 前記所定の処理によりガスを発生する光硬化性樹脂は、光照射量、加熱量および圧力のいずれかに応じてガスの発生量が変化する第1の光硬化性樹脂であり、
    前記被加工基板上に前記光硬化性樹脂を塗布する工程において、前記第1および第2の領域上に前記第1の光硬化性樹脂を塗布し、
    前記ガス発生工程は、
    前記第1および第2の領域上の前記第1の光硬化性樹脂それぞれに対して、異なる照射量で光を照射する工程、
    前記第1および第2の領域上の前記第1の光硬化性樹脂それぞれに対して、異なる照射量で異なる熱量で加熱する工程、および、
    前記第1および第2の領域上の前記第1の光硬化性樹脂それぞれに対して、異なる照射量で異なる圧力を加える工程のいずれかの工程を含むことを特徴とする請求項1ないし4のいずれか一項に記載のインプリント方法。
  6. 前記光硬化性樹脂を塗布する工程は、
    前記第1の領域上に光照射、加熱および減圧のいずれかの処理によりガスを発生する光硬化性樹脂を塗布する工程と、前記第2の領域上に光照射、加熱および減圧のいずれの処理によってもガスを発生しない光硬化性樹脂を塗布する工程を含み、
    前記ガス発生工程は、前記第1の領域上の前記光硬化性樹脂に光照射、加熱および減圧のいずれかの処理を施すことによりガスを発生する工程を含むことを特徴とする請求項1ないし5のいずれか一項に記載のインプリント方法。
JP2009061650A 2008-09-26 2009-03-13 インプリント方法 Expired - Fee Related JP4892025B2 (ja)

Priority Applications (3)

Application Number Priority Date Filing Date Title
JP2009061650A JP4892025B2 (ja) 2008-09-26 2009-03-13 インプリント方法
US12/563,461 US8419995B2 (en) 2008-09-26 2009-09-21 Imprint method
KR1020090090940A KR101129770B1 (ko) 2008-09-26 2009-09-25 임프린트 방법

Applications Claiming Priority (3)

Application Number Priority Date Filing Date Title
JP2008249167 2008-09-26
JP2008249167 2008-09-26
JP2009061650A JP4892025B2 (ja) 2008-09-26 2009-03-13 インプリント方法

Publications (3)

Publication Number Publication Date
JP2010103464A true JP2010103464A (ja) 2010-05-06
JP2010103464A5 JP2010103464A5 (ja) 2011-06-23
JP4892025B2 JP4892025B2 (ja) 2012-03-07

Family

ID=42056548

Family Applications (1)

Application Number Title Priority Date Filing Date
JP2009061650A Expired - Fee Related JP4892025B2 (ja) 2008-09-26 2009-03-13 インプリント方法

Country Status (3)

Country Link
US (1) US8419995B2 (ja)
JP (1) JP4892025B2 (ja)
KR (1) KR101129770B1 (ja)

Cited By (8)

* Cited by examiner, † Cited by third party
Publication number Priority date Publication date Assignee Title
JP2010262980A (ja) * 2009-04-30 2010-11-18 Jsr Corp ナノインプリントリソグラフィー用硬化性組成物及びナノインプリント方法
JP2012505544A (ja) * 2008-10-10 2012-03-01 モレキュラー・インプリンツ・インコーポレーテッド インプリント・リソグラフィ・システムでの硬化用のエネルギー源
JP2013115197A (ja) * 2011-11-28 2013-06-10 Canon Inc パターン形成方法
JP2013128078A (ja) * 2011-12-19 2013-06-27 Canon Inc 硬化物の製造方法およびパターン形成方法
WO2014057823A1 (en) * 2012-10-09 2014-04-17 Canon Kabushiki Kaisha Photocurable composition and method for manufacturing film
JP2014078697A (ja) * 2012-09-24 2014-05-01 Canon Inc 光硬化性組成物及びこれを用いた膜の製造方法
US9308552B2 (en) 2011-11-28 2016-04-12 Canon Kabushiki Kaisha Curable composition and method of forming pattern
US9475229B2 (en) 2012-07-24 2016-10-25 Canon Kabushiki Kaisha Resin production method and resin production apparatus

Families Citing this family (25)

* Cited by examiner, † Cited by third party
Publication number Priority date Publication date Assignee Title
EP2150398A2 (en) * 2007-04-23 2010-02-10 Tessera North America, Inc. Mass production of micro-optical devices, corresponding tools, and resultant structures
JP2010182824A (ja) * 2009-02-04 2010-08-19 Toshiba Corp 磁気ランダムアクセスメモリの製造方法及び混載メモリの製造方法
JP5175771B2 (ja) * 2009-02-27 2013-04-03 株式会社日立ハイテクノロジーズ 微細構造転写装置及び微細構造転写方法
JP4881403B2 (ja) * 2009-03-26 2012-02-22 株式会社東芝 パターン形成方法
JP5295870B2 (ja) * 2009-06-02 2013-09-18 株式会社東芝 インプリントパターン形成方法
JP2011009641A (ja) * 2009-06-29 2011-01-13 Toshiba Corp 半導体装置の製造方法及びインプリント用テンプレート
US20120025426A1 (en) * 2010-07-30 2012-02-02 Seagate Technology Llc Method and system for thermal imprint lithography
FR2969772B1 (fr) * 2010-12-22 2012-12-28 Commissariat Energie Atomique Procédé de lithographie par nano impression
KR101326614B1 (ko) * 2011-06-23 2013-11-08 아사히 가세이 이-매터리얼즈 가부시키가이샤 미세 패턴 형성용 적층체 및 미세 패턴 형성용 적층체의 제조 방법
CN103650176B (zh) 2011-07-12 2016-12-14 丸文株式会社 发光元件及其制造方法
JP5686779B2 (ja) 2011-10-14 2015-03-18 キヤノン株式会社 インプリント装置、それを用いた物品の製造方法
JP6012344B2 (ja) * 2011-10-24 2016-10-25 キヤノン株式会社 膜の形成方法
JP5868215B2 (ja) * 2012-02-27 2016-02-24 キヤノン株式会社 インプリント装置およびインプリント方法、それを用いた物品の製造方法
EP2884264B1 (en) 2012-08-10 2019-11-20 Hamamatsu Photonics K.K. Surface-enhanced raman scattering element, and method for producing same
JP6058313B2 (ja) * 2012-08-10 2017-01-11 浜松ホトニクス株式会社 表面増強ラマン散乱ユニット
EP2884265A4 (en) 2012-08-10 2016-09-28 Hamamatsu Photonics Kk SURFACE-REINFORCED RAM SPREADING ELEMENT
KR101426463B1 (ko) * 2012-12-21 2014-08-06 (주) 에이와케이 미세 패턴필름 제조장치 및 미세 패턴필름 제조방법
JP5765865B2 (ja) 2013-07-17 2015-08-19 丸文株式会社 半導体発光素子及びフォトニック結晶周期構造のパラメータ計算方法
US9082625B2 (en) * 2013-12-11 2015-07-14 International Business Machines Corporation Patterning through imprinting
US9806229B2 (en) * 2014-03-06 2017-10-31 Marubun Corporation Deep ultraviolet LED and method for manufacturing the same
CN107075661B (zh) * 2014-09-26 2020-03-17 韩国机械研究院 形成有多个纳米间隙的基底及其制备方法
US9929317B2 (en) 2015-01-16 2018-03-27 Marubun Corporation Deep ultraviolet LED and method for manufacturing the same
TWI637530B (zh) 2015-09-03 2018-10-01 丸文股份有限公司 深紫外led及其製造方法
WO2017168811A1 (ja) 2016-03-30 2017-10-05 丸文株式会社 深紫外led及びその製造方法
JP7316610B6 (ja) 2018-01-26 2024-02-19 丸文株式会社 深紫外led及びその製造方法

Citations (5)

* Cited by examiner, † Cited by third party
Publication number Priority date Publication date Assignee Title
US6218316B1 (en) * 1998-10-22 2001-04-17 Micron Technology, Inc. Planarization of non-planar surfaces in device fabrication
JP2005064143A (ja) * 2003-08-08 2005-03-10 Seiko Epson Corp レジストパターンの形成方法、配線パターンの形成方法、半導体装置の製造方法、電気光学装置及び電子機器
JP2006516065A (ja) * 2002-08-01 2006-06-15 モレキュラー・インプリンツ・インコーポレーテッド インプリント・リソグラフィの散乱計測アラインメント
US20070066750A1 (en) * 2005-09-02 2007-03-22 Houle Frances A Stabilization of vinyl ether materials
WO2010005032A1 (ja) * 2008-07-09 2010-01-14 東洋合成工業株式会社 パターン形成方法

Family Cites Families (20)

* Cited by examiner, † Cited by third party
Publication number Priority date Publication date Assignee Title
FR1580370A (ja) * 1968-07-01 1969-09-05
US6671034B1 (en) * 1998-04-30 2003-12-30 Ebara Corporation Microfabrication of pattern imprinting
JP2000194142A (ja) 1998-12-25 2000-07-14 Fujitsu Ltd パタ―ン形成方法及び半導体装置の製造方法
US20080164638A1 (en) * 2006-11-28 2008-07-10 Wei Zhang Method and apparatus for rapid imprint lithography
US7070405B2 (en) * 2002-08-01 2006-07-04 Molecular Imprints, Inc. Alignment systems for imprint lithography
US7374864B2 (en) * 2003-02-13 2008-05-20 The Regents Of The University Of Michigan Combined nanoimprinting and photolithography for micro and nano devices fabrication
WO2004086471A1 (en) * 2003-03-27 2004-10-07 Korea Institute Of Machinery & Materials Uv nanoimprint lithography process using elementwise embossed stamp and selectively additive pressurization
US8097400B2 (en) * 2005-02-22 2012-01-17 Hewlett-Packard Development Company, L.P. Method for forming an electronic device
US7611348B2 (en) * 2005-04-19 2009-11-03 Asml Netherlands B.V. Imprint lithography
JP4290177B2 (ja) * 2005-06-08 2009-07-01 キヤノン株式会社 モールド、アライメント方法、パターン形成装置、パターン転写装置、及びチップの製造方法
US7482280B2 (en) * 2005-08-15 2009-01-27 Taiwan Semiconductor Manufacturing Company, Ltd. Method for forming a lithography pattern
US8011916B2 (en) * 2005-09-06 2011-09-06 Canon Kabushiki Kaisha Mold, imprint apparatus, and process for producing structure
US20070267764A1 (en) * 2005-10-25 2007-11-22 Dai Nippon Printing Co., Ltd. Mold for photocuring nano-imprint and its fabrication process
TWI283631B (en) * 2005-10-25 2007-07-11 Ind Tech Res Inst Method and device for demolding
JP4267631B2 (ja) 2006-02-13 2009-05-27 トヨタ自動車株式会社 メッセージデータ処理装置
JP5309436B2 (ja) * 2006-10-16 2013-10-09 日立化成株式会社 樹脂製微細構造物、その製造方法及び重合性樹脂組成物
KR101371093B1 (ko) * 2006-11-03 2014-03-10 엘아이지에이디피 주식회사 미세패턴 형성장치 및 이를 이용한 미세패턴 형성방법
JP5211505B2 (ja) * 2007-02-21 2013-06-12 凸版印刷株式会社 インプリントモールド、インプリントモールド製造方法及び光インプリント法
JP5137635B2 (ja) 2007-03-16 2013-02-06 キヤノン株式会社 インプリント方法、チップの製造方法及びインプリント装置
KR100829398B1 (ko) 2007-05-17 2008-05-15 주식회사 에이디피엔지니어링 미세패턴 형성장치 및 이를 이용한 미세패턴 형성방법

Patent Citations (5)

* Cited by examiner, † Cited by third party
Publication number Priority date Publication date Assignee Title
US6218316B1 (en) * 1998-10-22 2001-04-17 Micron Technology, Inc. Planarization of non-planar surfaces in device fabrication
JP2006516065A (ja) * 2002-08-01 2006-06-15 モレキュラー・インプリンツ・インコーポレーテッド インプリント・リソグラフィの散乱計測アラインメント
JP2005064143A (ja) * 2003-08-08 2005-03-10 Seiko Epson Corp レジストパターンの形成方法、配線パターンの形成方法、半導体装置の製造方法、電気光学装置及び電子機器
US20070066750A1 (en) * 2005-09-02 2007-03-22 Houle Frances A Stabilization of vinyl ether materials
WO2010005032A1 (ja) * 2008-07-09 2010-01-14 東洋合成工業株式会社 パターン形成方法

Cited By (16)

* Cited by examiner, † Cited by third party
Publication number Priority date Publication date Assignee Title
JP2012505544A (ja) * 2008-10-10 2012-03-01 モレキュラー・インプリンツ・インコーポレーテッド インプリント・リソグラフィ・システムでの硬化用のエネルギー源
JP2010262980A (ja) * 2009-04-30 2010-11-18 Jsr Corp ナノインプリントリソグラフィー用硬化性組成物及びナノインプリント方法
US8802570B2 (en) 2011-11-28 2014-08-12 Canon Kabushiki Kaisha Pattern forming method
JP2013115197A (ja) * 2011-11-28 2013-06-10 Canon Inc パターン形成方法
US9308552B2 (en) 2011-11-28 2016-04-12 Canon Kabushiki Kaisha Curable composition and method of forming pattern
KR20140108304A (ko) 2011-12-19 2014-09-05 캐논 가부시끼가이샤 경화물의 제조 방법 및 패턴 형성 방법
WO2013094660A1 (en) 2011-12-19 2013-06-27 Canon Kabushiki Kaisha Method of producing cured product and method of forming pattern
JP2013128078A (ja) * 2011-12-19 2013-06-27 Canon Inc 硬化物の製造方法およびパターン形成方法
KR101700491B1 (ko) * 2011-12-19 2017-01-26 캐논 가부시끼가이샤 경화물의 제조 방법 및 패턴 형성 방법
US9961776B2 (en) 2011-12-19 2018-05-01 Canon Kabushiki Kaisha Method of producing cured product and method of forming pattern
US9475229B2 (en) 2012-07-24 2016-10-25 Canon Kabushiki Kaisha Resin production method and resin production apparatus
JP2014078697A (ja) * 2012-09-24 2014-05-01 Canon Inc 光硬化性組成物及びこれを用いた膜の製造方法
WO2014057823A1 (en) * 2012-10-09 2014-04-17 Canon Kabushiki Kaisha Photocurable composition and method for manufacturing film
CN104737271A (zh) * 2012-10-09 2015-06-24 佳能株式会社 光固化性组合物和膜的制造方法
CN104737271B (zh) * 2012-10-09 2018-04-10 佳能株式会社 光固化性组合物和膜的制造方法
US10472445B2 (en) 2012-10-09 2019-11-12 Canon Kabushiki Kaisha Photocurable composition and method for manufacturing film

Also Published As

Publication number Publication date
KR20100035617A (ko) 2010-04-05
US20100078860A1 (en) 2010-04-01
JP4892025B2 (ja) 2012-03-07
US8419995B2 (en) 2013-04-16
KR101129770B1 (ko) 2012-03-23

Similar Documents

Publication Publication Date Title
JP4892025B2 (ja) インプリント方法
JP2010103464A5 (ja)
JP2008091782A (ja) パターン形成用テンプレート、パターン形成方法、及びナノインプリント装置
JP6111783B2 (ja) インプリント方法およびインプリント装置
JP5499668B2 (ja) インプリント用モールドおよび該モールドを用いたパターン形成方法
JP2010258326A (ja) ナノインプリント用モールドおよびその製造方法
JP2010149482A (ja) インプリント用モールドおよびパターン形成方法
JP5480530B2 (ja) 微細構造転写方法及び微細構造転写装置
JP5532854B2 (ja) パターン形成方法、パターン形成装置、ナノインプリントモールド及びナノインプリントモールドの製造方法
JP3819397B2 (ja) インプリント方法
JP2010284921A (ja) パターン形成方法及びテンプレート
JP5568960B2 (ja) ナノインプリントによるパターン形成方法
JP4937500B2 (ja) インプリント方法
JP2014195088A (ja) ナノインプリントによるパターン形成装置
JP5397054B2 (ja) ナノインプリント方法およびナノインプリント装置
JP5644906B2 (ja) ナノインプリント方法
KR20220059962A (ko) 임프린트용 몰드, 임프린트 방법 및 물품의 제조 방법
JP5481438B2 (ja) インプリント用モールドおよびパターン形成方法
JP5574802B2 (ja) 構造体の製造方法
JP2011014875A5 (ja)
JP2020170863A (ja) インプリントモールド
JP6083178B2 (ja) レジスト基板の製造方法、レプリカテンプレートの製造方法、及びナノインプリントリソグラフィ方法
JP6942487B2 (ja) インプリント装置、インプリント方法、および物品製造方法
JP2008119870A (ja) インプリントモールド
JP4858030B2 (ja) インプリント用モールド、インプリント用モールド製造方法およびパターン形成方法

Legal Events

Date Code Title Description
A521 Written amendment

Free format text: JAPANESE INTERMEDIATE CODE: A523

Effective date: 20110502

A621 Written request for application examination

Free format text: JAPANESE INTERMEDIATE CODE: A621

Effective date: 20110502

A871 Explanation of circumstances concerning accelerated examination

Free format text: JAPANESE INTERMEDIATE CODE: A871

Effective date: 20110502

A975 Report on accelerated examination

Free format text: JAPANESE INTERMEDIATE CODE: A971005

Effective date: 20110527

A131 Notification of reasons for refusal

Free format text: JAPANESE INTERMEDIATE CODE: A131

Effective date: 20110607

A521 Written amendment

Free format text: JAPANESE INTERMEDIATE CODE: A523

Effective date: 20110808

TRDD Decision of grant or rejection written
A01 Written decision to grant a patent or to grant a registration (utility model)

Free format text: JAPANESE INTERMEDIATE CODE: A01

Effective date: 20111122

A01 Written decision to grant a patent or to grant a registration (utility model)

Free format text: JAPANESE INTERMEDIATE CODE: A01

A61 First payment of annual fees (during grant procedure)

Free format text: JAPANESE INTERMEDIATE CODE: A61

Effective date: 20111216

R151 Written notification of patent or utility model registration

Ref document number: 4892025

Country of ref document: JP

Free format text: JAPANESE INTERMEDIATE CODE: R151

FPAY Renewal fee payment (event date is renewal date of database)

Free format text: PAYMENT UNTIL: 20141222

Year of fee payment: 3

S111 Request for change of ownership or part of ownership

Free format text: JAPANESE INTERMEDIATE CODE: R313111

R350 Written notification of registration of transfer

Free format text: JAPANESE INTERMEDIATE CODE: R350

LAPS Cancellation because of no payment of annual fees