EP2925585B1 - Anlage zur beförderung von personen - Google Patents
Anlage zur beförderung von personen Download PDFInfo
- Publication number
- EP2925585B1 EP2925585B1 EP14799652.4A EP14799652A EP2925585B1 EP 2925585 B1 EP2925585 B1 EP 2925585B1 EP 14799652 A EP14799652 A EP 14799652A EP 2925585 B1 EP2925585 B1 EP 2925585B1
- Authority
- EP
- European Patent Office
- Prior art keywords
- vehicle
- plant according
- chassis
- cableway
- carrier vehicle
- Prior art date
- Legal status (The legal status is an assumption and is not a legal conclusion. Google has not performed a legal analysis and makes no representation as to the accuracy of the status listed.)
- Active
Links
Images
Classifications
-
- B—PERFORMING OPERATIONS; TRANSPORTING
- B61—RAILWAYS
- B61B—RAILWAY SYSTEMS; EQUIPMENT THEREFOR NOT OTHERWISE PROVIDED FOR
- B61B10/00—Power and free systems
- B61B10/02—Power and free systems with suspended vehicles
-
- B—PERFORMING OPERATIONS; TRANSPORTING
- B61—RAILWAYS
- B61B—RAILWAY SYSTEMS; EQUIPMENT THEREFOR NOT OTHERWISE PROVIDED FOR
- B61B10/00—Power and free systems
- B61B10/02—Power and free systems with suspended vehicles
- B61B10/022—Vehicles; trolleys
-
- B—PERFORMING OPERATIONS; TRANSPORTING
- B61—RAILWAYS
- B61B—RAILWAY SYSTEMS; EQUIPMENT THEREFOR NOT OTHERWISE PROVIDED FOR
- B61B10/00—Power and free systems
- B61B10/02—Power and free systems with suspended vehicles
- B61B10/025—Coupling and uncoupling means between power track abd vehicles
-
- B—PERFORMING OPERATIONS; TRANSPORTING
- B61—RAILWAYS
- B61B—RAILWAY SYSTEMS; EQUIPMENT THEREFOR NOT OTHERWISE PROVIDED FOR
- B61B10/00—Power and free systems
- B61B10/02—Power and free systems with suspended vehicles
- B61B10/027—Power and free systems with suspended vehicles loading or unloading vehicles
-
- B—PERFORMING OPERATIONS; TRANSPORTING
- B61—RAILWAYS
- B61B—RAILWAY SYSTEMS; EQUIPMENT THEREFOR NOT OTHERWISE PROVIDED FOR
- B61B12/00—Component parts, details or accessories not provided for in groups B61B7/00 - B61B11/00
-
- B—PERFORMING OPERATIONS; TRANSPORTING
- B61—RAILWAYS
- B61B—RAILWAY SYSTEMS; EQUIPMENT THEREFOR NOT OTHERWISE PROVIDED FOR
- B61B15/00—Combinations of railway systems
-
- B—PERFORMING OPERATIONS; TRANSPORTING
- B61—RAILWAYS
- B61B—RAILWAY SYSTEMS; EQUIPMENT THEREFOR NOT OTHERWISE PROVIDED FOR
- B61B3/00—Elevated railway systems with suspended vehicles
- B61B3/02—Elevated railway systems with suspended vehicles with self-propelled vehicles
-
- B—PERFORMING OPERATIONS; TRANSPORTING
- B61—RAILWAYS
- B61B—RAILWAY SYSTEMS; EQUIPMENT THEREFOR NOT OTHERWISE PROVIDED FOR
- B61B7/00—Rope railway systems with suspended flexible tracks
-
- B—PERFORMING OPERATIONS; TRANSPORTING
- B61—RAILWAYS
- B61B—RAILWAY SYSTEMS; EQUIPMENT THEREFOR NOT OTHERWISE PROVIDED FOR
- B61B7/00—Rope railway systems with suspended flexible tracks
- B61B7/02—Rope railway systems with suspended flexible tracks with separate haulage cables
Definitions
- the subject invention relates to a system for the transport of persons or goods according to the features defined in the preamble of claim 1.
- Cableway installations are known for the transport of persons. These are systems in which cable car vehicles, for example cable car cabins, are moved along at least one carrying cable, wherein they are moved by means of a pulling cable or in which the cable car vehicles are fastened to a conveying cable or can be coupled to a conveying cable. These are also installations with cable car vehicles, which are moved along a fixed roadway, eg along rails, by means of pull ropes. In all such cable car systems, there is the difficulty that the routes must therefore be at least almost rectilinear, since the leadership of the traction cables to curves causes great technical difficulties.
- Cableway systems in which the cable car vehicles are moved along suspension ropes or by means of hoisting ropes are therefore advantageous, since the suspension ropes or the hoisting ropes are guided by supports, whereby a transportation of persons is made possible even in difficult topographical conditions in a simple manner.
- Facilities for transporting persons with cable car vehicles, which are provided with a drive motor, by which they are along roadways, especially along rails, are movable, are therefore advantageous because the routes can be formed with curves without thereby in the movement of the cable cars technical Difficulties are caused.
- a guide rail connects along which the cable cars are moved from the exit point to the entry point. This movement takes place by means of a vehicle formed with a drive, which is movable along a further guide rail and to which the cable car vehicles are coupled.
- a vehicle formed with a drive which is movable along a further guide rail and to which the cable car vehicles are coupled.
- separate guide rails are respectively provided for the cable car vehicles and for the vehicle designed with a drive for moving the cable car vehicles.
- the present invention has for its object to provide a system for the transport of persons, which on the one hand ensures the advantages of the known systems for the transport of persons and on the other hand their disadvantages are avoided. This is achieved according to the invention by the features of the characterizing part of claim 1.
- the at least one subsequent roadway for the carrying vehicle is formed by at least one running rail or at least one moving beam.
- the support vehicle may be formed with at least two pairs of rollers and optionally with pairs of guide rollers.
- the support vehicle is formed with a support frame for the chassis of the cable car, on which the chassis of the cable car is locked.
- the support vehicle and the cable car can be formed with at least one locking device for fastening the chassis of the cable car on the support vehicle.
- the locking device has two clamping jaws.
- a fixed and a movable clamping jaw may be provided, wherein the movable clamping jaw is movable by means of a clamping lever against the action of a restoring force, preferably a compression spring, from the closed position to the open position.
- the clamping lever may be formed with a control roller, which is assigned in the transfer station a Steuerschienc.
- the chassis of the cable car may be formed with at least one locking bolt which cooperates with the clamping jaws located on the support vehicle.
- the support vehicle may be formed with a fuel motor or with an electric motor, wherein the electric motor is fed via bus bars arranged along the roadways.
- the support vehicle can be driven inductively.
- FIG.1 and FIG.1A the illustrated portion of such a system for the transport of persons a terminal 1 and a transfer station 2.
- a terminal 1 and a transfer station 2 Between the end station 1 and the transfer station 2 are two pairs of support cables 3, 3 a, which are supported by at least one support 4.
- support cables 3, 3a are coupled to traction ropes 31 cable car vehicles 5, which are formed with cable car cabins, movable.
- lanes 6, 6a along which formed with drive motors support vehicles 7 for the cable car vehicles 5 are movable. Since the carrying vehicles 7 are not moved by means of pull ropes but by means of the drive motors located on them, the lanes 6, 6a do not need to be straight. Rather, the lanes 6, 6a may be formed with curves.
- the roadways 6, 6a can either connect to a further transfer station, to which again pairs of carrying cables 3, 3a connect or extend to a second end station. Any number of such sections of pairs of suspension cables 3, 3a and roadways 6, 6a can be provided.
- the support cables 3, 3a are provided in those sections in which the routes are rectilinear. However, as soon as curvatures are required, in particular due to the topographical conditions in the route, sections with curved tracks 6, 6a are provided.
- FIG.3 a transfer station 2 is shown in which a carrying vehicle 7 is located.
- the transfer station 2 is shown, in which a cable car 5 is located with a cabin 50, after it has been uncoupled from the traction cable 31, wherein the chassis 51 along one of the guide rails 21 by means of the conveyor tire 22 to the support vehicle 7 is moved.
- the transfer station 2 is shown, wherein the cable car 5 is in that position after the chassis 51 is driven onto the support vehicle 7, wherein it is locked on this.
- the drive of the support vehicle 7 is turned on, whereby this is moved with the cable car 5 along the rails 61, as shown in 3 c is shown.
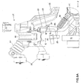
- FIG.4 and FIG.4A is a section of this cable car system, which is formed with lanes 6, 6a, shown in front view.
- the roadways 6, 6a are located on support beams 41 of supports 4a.
- Each of the lanes 6, 6a has a pair of running rails 61, 61a along which the carrying vehicles 7 are movable.
- On the carrying vehicles 7 is the chassis 51 of a cable car 5.
- On the chassis 51 a support rod 52 is hinged, to which the cabin 50 is attached.
- the chassis 51 are formed with four pairs of wheels 53, which are mounted on rockers 54.
- the chassis 51 of the cable car 5 and the support vehicle 7 is articulated, at the lower end of which - not shown in this drawing - Cabin 50 is attached.
- the chassis 51 is formed with four pairs of wheels 53, by means of which the cable car 5 along the support cables 3, 3a is movable.
- the chassis 51 is further formed with clamping jaws 55, by means of which the chassis 51 can be clamped to the two pairs of supporting cables 3, 3a associated traction cable 31.
- the two jaws 55 are brought by control rollers 56, which are under the action of compression springs 57, in its closed position, whereby the chassis 51 can be coupled to the pull cable 31.
- the rails 61, 61a are attached to each other by means of spaced support plates 62 on each of the lanes 6, 6a extending support tubes 63.
- the support tubes 63 are attached to the support beam 41.
- Each support vehicle 7 is formed with a chassis 71 on which a plurality of pairs of rollers 72, of guide rollers 73, which are rotatable about at least approximately horizontally oriented axes, and of guide rollers 74 which are rotatable about at least vertically aligned axes, are stored.
- the rollers 72 roll on the top of the rails 61, 61a.
- Each support vehicle 7 is formed with a support frame 75 on which the chassis 51 of the cable car 5 is brought to rest.
- the chassis 51 is mounted on the support vehicle 7 by two locking devices 8.
- the locking means 8 consist of a fixed jaw 81 and a movable jaw 82, which are located on the support frame 75, and a locking bolt 83 which is fixed by means of a support plate 87 on the chassis 51.
- the movable jaw 82 is located on a clamping lever 84, which by means of a along a control rail 80th guided control roller 85 against the action of a compression spring 86 is movable in its open position and held in this.
- the movable jaw 81 will move through the compression spring 86 as soon as the control roller 85 has exited the control rail 80 placed in its closed position, whereby the chassis 51 is locked to the support vehicle 7.
- the cable car 5 When entering a cable car 5 in a transfer station 2, the cable car 5 is disconnected from the traction cable 31 and the chassis 51 along the guide rails 21 by means of the conveyor tire 22 is moved to a present in the transfer station 2 support vehicle 7 and deposited on this. The cable car 5 is then fastened to the carrier vehicle 7 by means of the two locking devices 8. Subsequently, the cable car 5 is moved by means of the support vehicle 7 along the pair of rails 61 to a second end station or to another transfer station. In the further transfer station, the cable car 5 is unlocked from the support vehicle 7, further moved by means of the conveyor tire 22 along the guide rails 21 to another pair of support cables 3, there coupled to a further pull cable 31 and moved along the support cables 3 to another station. Along the rails 61a and the supporting cables 3a, the carrying vehicles 7 and the cable car vehicles 5 are moved back to the transfer station 2 and the end station 1.
- the drive of the carrying vehicles 7 takes place by means of fuel engines or by means of electric motors.
- busbars may be provided, via which the electric motors are fed.
- an inductive drive of the support vehicles 7 may be provided.
- the routes can therefore be adapted to the given topographical conditions, since the lanes 6, 6a need not be rectilinear, but be formed with curved areas can.
Landscapes
- Engineering & Computer Science (AREA)
- Transportation (AREA)
- Mechanical Engineering (AREA)
- Platform Screen Doors And Railroad Systems (AREA)
- Automobile Manufacture Line, Endless Track Vehicle, Trailer (AREA)
- Storing, Repeated Paying-Out, And Re-Storing Of Elongated Articles (AREA)
- Non-Mechanical Conveyors (AREA)
- Intermediate Stations On Conveyors (AREA)
Priority Applications (1)
| Application Number | Priority Date | Filing Date | Title |
|---|---|---|---|
| SI201430121A SI2925585T1 (sl) | 2013-11-28 | 2014-10-16 | Naprava za prevoz oseb |
Applications Claiming Priority (2)
| Application Number | Priority Date | Filing Date | Title |
|---|---|---|---|
| ATA912/2013A AT515098B1 (de) | 2013-11-28 | 2013-11-28 | Anlage zur Beförderung von Personen |
| PCT/AT2014/000185 WO2015077806A1 (de) | 2013-11-28 | 2014-10-16 | Anlage zur beförderung von personen |
Publications (2)
| Publication Number | Publication Date |
|---|---|
| EP2925585A1 EP2925585A1 (de) | 2015-10-07 |
| EP2925585B1 true EP2925585B1 (de) | 2016-09-28 |
Family
ID=51904536
Family Applications (1)
| Application Number | Title | Priority Date | Filing Date |
|---|---|---|---|
| EP14799652.4A Active EP2925585B1 (de) | 2013-11-28 | 2014-10-16 | Anlage zur beförderung von personen |
Country Status (21)
| Country | Link |
|---|---|
| US (1) | US9688289B2 (enExample) |
| EP (1) | EP2925585B1 (enExample) |
| JP (1) | JP6500021B2 (enExample) |
| KR (1) | KR101848798B1 (enExample) |
| CN (1) | CN105593097B (enExample) |
| AR (1) | AR098498A1 (enExample) |
| AT (1) | AT515098B1 (enExample) |
| AU (1) | AU2014354563B2 (enExample) |
| BR (1) | BR112016004862B1 (enExample) |
| CA (1) | CA2922548C (enExample) |
| CL (1) | CL2016001267A1 (enExample) |
| ES (1) | ES2607720T3 (enExample) |
| MA (1) | MA38845B1 (enExample) |
| MX (1) | MX2016006939A (enExample) |
| NZ (1) | NZ717770A (enExample) |
| PE (1) | PE20160638A1 (enExample) |
| PL (1) | PL2925585T3 (enExample) |
| RU (1) | RU2644818C2 (enExample) |
| SI (1) | SI2925585T1 (enExample) |
| TN (1) | TN2016000037A1 (enExample) |
| WO (1) | WO2015077806A1 (enExample) |
Families Citing this family (20)
| Publication number | Priority date | Publication date | Assignee | Title |
|---|---|---|---|---|
| AT515098B1 (de) * | 2013-11-28 | 2015-06-15 | Innova Patent Gmbh | Anlage zur Beförderung von Personen |
| AT515733B1 (de) * | 2014-04-10 | 2016-02-15 | Innova Patent Gmbh | Seilbahnanlage |
| AT515895B1 (de) * | 2014-06-02 | 2016-08-15 | Innova Patent Gmbh | Seilbahnanlage zur Beförderung von Personen |
| AT517873B1 (de) * | 2015-10-15 | 2019-04-15 | C D C Chain Drive Crane Gmbh | Seilbahnlaufwagen |
| US10059349B2 (en) | 2016-04-29 | 2018-08-28 | Sujay A. Phadke | Ropeway vehicles |
| US10144436B2 (en) | 2016-04-29 | 2018-12-04 | Sujay A. Phadke | Ropeway vehicle transportation network |
| FR3052131B1 (fr) | 2016-06-07 | 2019-06-28 | Poma | Installation de transport aerien |
| KR102217845B1 (ko) * | 2016-12-12 | 2021-02-19 | 로프트랜스 아게 | 케이블 카 시스템 작동 방법 및 케이블 카 시스템 작동 방법을 실행하기 위한 케이블 카 시스템 |
| CN107187452A (zh) * | 2017-04-17 | 2017-09-22 | 广西大学 | 一种无障碍过街座椅 |
| WO2019040793A1 (en) * | 2017-08-25 | 2019-02-28 | Sutter Jonathan | CARRIAGE ASSEMBLY WITH TROLLEY |
| IT201800004362A1 (it) * | 2018-04-10 | 2019-10-10 | Impianto di trasporto ibrido fune/rotaia, unita' di trasporto per tale impianto di trasporto e metodo di funzionamento di tale impianto di trasporto | |
| IT201800006234A1 (it) | 2018-06-12 | 2019-12-12 | Impianto di trasporto a fune | |
| IT201800006233A1 (it) | 2018-06-12 | 2019-12-12 | Carrello per supportare unita' di trasporto sospese a una guida di un impianto di trasporto e impianto di trasporto comprendente tale carrello | |
| IT201900006495A1 (it) | 2019-05-02 | 2020-11-02 | Leitner Spa | Impianto di trasporto a fune |
| EP3747722B1 (en) | 2019-06-05 | 2023-01-04 | LEITNER S.p.A. | Hybrid cable/rail transportation system |
| ES2961632T3 (es) | 2019-06-05 | 2024-03-13 | Leitner Spa | Sistema híbrido de transporte por cable/raíl |
| EP4003807A4 (en) * | 2019-07-25 | 2023-08-02 | Holmes Solutions Limited Partnership | SYSTEM AND METHOD FOR TRANSPORTING OBJECTS |
| DE102020202616A1 (de) | 2020-03-02 | 2021-09-02 | Robert Bosch Gesellschaft mit beschränkter Haftung | Antriebseinheit für einen selbstfahrenden Wagen, selbstfahrender Wagen, Tragstruktur für selbstfahrende Wagen und Transportsystem |
| IT202000011098A1 (it) | 2020-05-14 | 2021-11-14 | Leitner Spa | Impianto di trasporto ibrido aereo/terrestre e metodo di funzionamento di tale impianto di trasporto |
| CN113442952B (zh) * | 2021-06-21 | 2022-04-26 | 重庆文理学院 | 一种双线线缆的启停式缆车 |
Citations (4)
| Publication number | Priority date | Publication date | Assignee | Title |
|---|---|---|---|---|
| DE846854C (de) | 1950-10-07 | 1952-08-18 | Krauss Maffei Ag | Vorrichtung zum Bewegen der Befoerderungsmittel in den Stationen von Umlaufseilbahnen |
| US5452662A (en) | 1993-03-30 | 1995-09-26 | Konrad Doppelmayr & Sohn Maschinenfabrik Gesellschaft M.B.H. & Co. Kg | Device for coupling a gondola or a chair to the overhead cable of a cableway system |
| JPH09240466A (ja) | 1996-03-06 | 1997-09-16 | Nippon Cable Co Ltd | 自動循環式索道の屈曲運行方法 |
| WO2011077233A1 (en) | 2009-12-23 | 2011-06-30 | Rolic Invest Sarl | Passenger transportation system and relative control method |
Family Cites Families (38)
| Publication number | Priority date | Publication date | Assignee | Title |
|---|---|---|---|---|
| FR479705A (fr) * | 1914-09-19 | 1916-05-03 | Elisa Odazio | Dispositif à roues multiples permettant, dans un chemin de fer aérien suspendu, de faire passer le meme véhicule d'un troncon de ligne en plan à un autre en forte pente ou vice versa, tout en maintenant horizontal le véhicule lui-meme |
| SU43912A1 (ru) * | 1933-10-16 | 1935-08-31 | Ю.В. Заорский | Канатно-подвесна дорога |
| GB1133340A (en) * | 1966-09-12 | 1968-11-13 | Joseph H Meyer | Improvements in and relating to transportation |
| SU487800A1 (ru) * | 1974-03-18 | 1975-10-15 | Иркутский Филиал Центрального Научно--Исследовательского Института Механизации И Энергетики Лесной Промышленности | Трелевочна каретка |
| FR2571675B1 (fr) * | 1984-10-15 | 1988-03-18 | Pomagalski Sa | Installation de transport a cable aerien a plusieurs sections |
| AT385247B (de) * | 1986-06-03 | 1988-03-10 | Doppelmayr & Sohn | Mehrfachfoerderseil-umlaufbahn, insbesondere doppelfoerderseil-umlaufbahn |
| CH679766A5 (de) * | 1987-03-25 | 1992-04-15 | Von Roll Transportsysteme | Seilfoerderanlage. |
| CH674492A5 (enExample) * | 1987-10-15 | 1990-06-15 | Paul Glassey | |
| JPH02175463A (ja) * | 1988-12-28 | 1990-07-06 | Motoyuki Mizukami | サイバー・ハイウェイ・システム |
| FR2670451A1 (fr) * | 1990-12-18 | 1992-06-19 | Pomagalski Sa | Telecabine ou telesiege debrayage a deux boucles de cable. |
| FR2715006B1 (fr) * | 1994-01-13 | 1996-03-29 | Pomagalski Sa | Installation de transport à deux câbles aériens. |
| CA2143503A1 (en) * | 1994-03-11 | 1995-09-12 | Ernst Egli | Bypass for the cars of a circuit cable railway system |
| CA2143504A1 (en) * | 1994-03-11 | 1995-09-12 | Ernst Egli | Rope guide system for an aerial ropeway, particularly a circuital aerial ropeway |
| FR2731972B1 (fr) * | 1995-03-22 | 1997-06-20 | Creissels Denis | Teleporteur ayant deux emplacements d'embarquement |
| AT405270B (de) * | 1995-11-14 | 1999-06-25 | Doppelmayr & Sohn | Seilbahnanlage |
| WO1998036811A1 (de) * | 1997-02-21 | 1998-08-27 | Giovanola Freres S.A. | Vergnügungsbahn in der art einer achterbahn |
| DE19713871A1 (de) * | 1997-04-04 | 1997-10-23 | Goeckel Juergen | Einseilbahn für Kombitransport Bahn- Straße |
| AT410519B (de) * | 1999-02-04 | 2003-05-26 | Innova Patent Gmbh | Anlage zur bewegung von personen von einer bergstation in eine talstation |
| JP4334715B2 (ja) * | 2000-01-27 | 2009-09-30 | 日本車輌製造株式会社 | 車両台車用トラバーサ装置 |
| DE10206495A1 (de) * | 2002-02-16 | 2003-09-04 | Aloys Wobben | Windpark |
| AT505099B1 (de) * | 2003-07-17 | 2009-03-15 | Innova Patent Gmbh | Seilbahnanlage |
| DE502005000422D1 (de) * | 2004-09-23 | 2007-04-12 | Innova Patent Gmbh | Einrichtung zur Befestigung eines Fahrbetriebsmittels einer Seilbahnanlage an einer Gehängestange |
| US8156873B1 (en) * | 2006-08-03 | 2012-04-17 | Scott Olson | Rail bike |
| US10081373B2 (en) * | 2006-08-03 | 2018-09-25 | Skyride Technology, Llc | Suspended recreational vehicle drive |
| US9168931B1 (en) * | 2006-08-03 | 2015-10-27 | Skyride Technology, Inc. | Suspended recreational vehicle |
| AT504615A3 (de) * | 2006-12-04 | 2010-12-15 | Innova Patent Gmbh | Vorrichtung zum speichern von fahrbetriebsmitteln einer seilbahnanlage in einem speicherbereich |
| MX2007002349A (es) * | 2007-02-27 | 2007-07-11 | Gordon Thomas Quattlebaum | Sistema autopropulsado de transporte por cable para personas utilizado para la observacion panoramica aerea del medio ambiente. |
| AT505213A3 (de) * | 2007-05-07 | 2009-05-15 | Innova Patent Gmbh | Einrichtung zum befördern von personen und/oder gegenständen |
| AT505152B1 (de) * | 2007-08-13 | 2008-11-15 | Innova Patent Gmbh | Dünen-seilbahn |
| US8499696B2 (en) * | 2008-05-23 | 2013-08-06 | Zip Holdings LLC | Cable transport system |
| IT1390854B1 (it) * | 2008-07-31 | 2011-10-19 | Rolic Invest Sarl | Impianto di trasporto a fune, e metodo di azionamanto di tale impianto |
| CN201367023Y (zh) * | 2009-02-24 | 2009-12-23 | 国网交流工程建设有限公司 | 双线循环式货运索道 |
| CN201385665Y (zh) * | 2009-05-07 | 2010-01-20 | 石家庄煤矿机械有限责任公司 | 可回转索道式吊椅 |
| DK2585349T3 (en) * | 2010-06-23 | 2015-03-23 | Creissels Technologies | Systems with transmission lines and remote-controlled vehicle without suspension |
| DE102010034465A1 (de) * | 2010-08-16 | 2012-02-16 | Gerhard Bihler | Bauelemente für Seilschwebebahnen, die elektrifiziert sind |
| AT515098B1 (de) * | 2013-11-28 | 2015-06-15 | Innova Patent Gmbh | Anlage zur Beförderung von Personen |
| CN105392683B (zh) * | 2013-12-18 | 2018-08-14 | 路易斯.R.扎莫拉诺莫芬 | 个性化高架城市交通 |
| US20150303663A1 (en) * | 2014-04-08 | 2015-10-22 | Wall Industries Inc. | Apparatus for moving a line cart along a cable |
-
2013
- 2013-11-28 AT ATA912/2013A patent/AT515098B1/de not_active IP Right Cessation
-
2014
- 2014-10-16 KR KR1020167014055A patent/KR101848798B1/ko not_active Expired - Fee Related
- 2014-10-16 CA CA2922548A patent/CA2922548C/en active Active
- 2014-10-16 SI SI201430121A patent/SI2925585T1/sl unknown
- 2014-10-16 TN TN2016000037A patent/TN2016000037A1/en unknown
- 2014-10-16 JP JP2016534906A patent/JP6500021B2/ja not_active Expired - Fee Related
- 2014-10-16 US US14/763,569 patent/US9688289B2/en active Active
- 2014-10-16 CN CN201480054240.8A patent/CN105593097B/zh active Active
- 2014-10-16 MA MA38845A patent/MA38845B1/fr unknown
- 2014-10-16 WO PCT/AT2014/000185 patent/WO2015077806A1/de not_active Ceased
- 2014-10-16 RU RU2016120630A patent/RU2644818C2/ru active
- 2014-10-16 EP EP14799652.4A patent/EP2925585B1/de active Active
- 2014-10-16 PL PL14799652T patent/PL2925585T3/pl unknown
- 2014-10-16 PE PE2016000668A patent/PE20160638A1/es unknown
- 2014-10-16 NZ NZ717770A patent/NZ717770A/en not_active IP Right Cessation
- 2014-10-16 BR BR112016004862-8A patent/BR112016004862B1/pt not_active IP Right Cessation
- 2014-10-16 MX MX2016006939A patent/MX2016006939A/es active IP Right Grant
- 2014-10-16 AU AU2014354563A patent/AU2014354563B2/en not_active Ceased
- 2014-10-16 ES ES14799652.4T patent/ES2607720T3/es active Active
- 2014-11-21 AR ARP140104375A patent/AR098498A1/es active IP Right Grant
-
2016
- 2016-05-25 CL CL2016001267A patent/CL2016001267A1/es unknown
Patent Citations (4)
| Publication number | Priority date | Publication date | Assignee | Title |
|---|---|---|---|---|
| DE846854C (de) | 1950-10-07 | 1952-08-18 | Krauss Maffei Ag | Vorrichtung zum Bewegen der Befoerderungsmittel in den Stationen von Umlaufseilbahnen |
| US5452662A (en) | 1993-03-30 | 1995-09-26 | Konrad Doppelmayr & Sohn Maschinenfabrik Gesellschaft M.B.H. & Co. Kg | Device for coupling a gondola or a chair to the overhead cable of a cableway system |
| JPH09240466A (ja) | 1996-03-06 | 1997-09-16 | Nippon Cable Co Ltd | 自動循環式索道の屈曲運行方法 |
| WO2011077233A1 (en) | 2009-12-23 | 2011-06-30 | Rolic Invest Sarl | Passenger transportation system and relative control method |
Also Published As
| Publication number | Publication date |
|---|---|
| BR112016004862B1 (pt) | 2022-06-21 |
| TN2016000037A1 (en) | 2017-07-05 |
| RU2644818C2 (ru) | 2018-02-14 |
| AR098498A1 (es) | 2016-06-01 |
| JP2016538189A (ja) | 2016-12-08 |
| MX2016006939A (es) | 2016-09-27 |
| SI2925585T1 (sl) | 2017-01-31 |
| MA38845A1 (fr) | 2016-11-30 |
| PE20160638A1 (es) | 2016-07-28 |
| CA2922548A1 (en) | 2015-06-04 |
| BR112016004862A2 (enExample) | 2017-08-01 |
| NZ717770A (en) | 2016-12-23 |
| CN105593097A (zh) | 2016-05-18 |
| AU2014354563B2 (en) | 2017-03-09 |
| AT515098B1 (de) | 2015-06-15 |
| PL2925585T3 (pl) | 2017-03-31 |
| AT515098A4 (de) | 2015-06-15 |
| MA38845B1 (fr) | 2017-10-31 |
| CL2016001267A1 (es) | 2016-12-02 |
| AU2014354563A1 (en) | 2016-04-07 |
| KR101848798B1 (ko) | 2018-04-13 |
| US9688289B2 (en) | 2017-06-27 |
| WO2015077806A1 (de) | 2015-06-04 |
| CA2922548C (en) | 2017-03-21 |
| ES2607720T3 (es) | 2017-04-03 |
| CN105593097B (zh) | 2018-01-05 |
| US20160016593A1 (en) | 2016-01-21 |
| RU2016120630A (ru) | 2018-01-10 |
| EP2925585A1 (de) | 2015-10-07 |
| KR20160078432A (ko) | 2016-07-04 |
| JP6500021B2 (ja) | 2019-04-10 |
Similar Documents
| Publication | Publication Date | Title |
|---|---|---|
| EP2925585B1 (de) | Anlage zur beförderung von personen | |
| EP2837541B1 (de) | Anlage zur Beförderung von Personen | |
| DE2440682C3 (de) | Umschlagsystem für Container und Paletten | |
| EP1930225B1 (de) | Vorrichtung zum Speichern von Fahrbetriebsmitteln einer Seilbahnanlage in einem Speicherbereich | |
| EP2853460B1 (de) | Seilbahnanlage zur Beförderung von Personen bzw. Gütern | |
| DE2029636A1 (de) | Umsetzvorrichtung | |
| EP3148858B1 (de) | Seilbahnanlage zur beförderung von personen | |
| DE3833942A1 (de) | Verfahren und vorrichtung zum automatischen umsetzen von grossen behaeltern, wie containern | |
| EP4061686B1 (de) | Überführeinrichtung für selbstfahrende wagen an einem hochbahnähnlichen streckennetz | |
| DE1935769A1 (de) | Befoerderungssystem | |
| AT403786B (de) | Anlage zum transport von personen und bzw. oder von gütern | |
| DE202012104141U1 (de) | Belustigungsanlage | |
| EP2441636B1 (de) | Anlage zum Bewegen von Fahrzeugen längs zweier Fahrbahnen | |
| DE102014015963B4 (de) | Gerüstwechselsystem, Wechselwagen und Weiche für ein Gerüstwechselsystem und Walzwerk mit einem Walzblock und einem Gerüstwechselsystem | |
| EP1176077B1 (de) | Anlage zur Beförderung von Personen | |
| EP3455117B1 (de) | Transportsystem und wagen für ein transportsystem | |
| DE202013012075U1 (de) | Förderbahn zum Fördern stückiger Bauteile | |
| DE3009900A1 (de) | Universell einsetzbare transporteinrichtung | |
| AT408537B (de) | Verfahren zum betrieb einer anlage zum transport von personen und bzw. oder von gütern | |
| DE3512016A1 (de) | Verfahrbarer und versenkbarer prellbock | |
| DE3719778C1 (en) | Apparatus for transporting and laying beam-like supports made of steel, reinforced or prestressed concrete | |
| DE3340737A1 (de) | Gleisbaumaschine zum greifen und tragen von montierten gleisabschnitten und/oder gleisverbindungen | |
| DE621343C (de) | UEberladeanordnung fuer zwei Foerderbahnen | |
| EP3221518B1 (de) | Zerlegbare spurträgerbrücke und verfahren zum verlegen einer zerlegbaren spurträgerbrücke | |
| DE319562C (de) | UEbereinander hinweg fahrbare Haengebahnwagen |
Legal Events
| Date | Code | Title | Description |
|---|---|---|---|
| PUAI | Public reference made under article 153(3) epc to a published international application that has entered the european phase |
Free format text: ORIGINAL CODE: 0009012 |
|
| 17P | Request for examination filed |
Effective date: 20150630 |
|
| AK | Designated contracting states |
Kind code of ref document: A1 Designated state(s): AL AT BE BG CH CY CZ DE DK EE ES FI FR GB GR HR HU IE IS IT LI LT LU LV MC MK MT NL NO PL PT RO RS SE SI SK SM TR |
|
| AX | Request for extension of the european patent |
Extension state: BA ME |
|
| GRAP | Despatch of communication of intention to grant a patent |
Free format text: ORIGINAL CODE: EPIDOSNIGR1 |
|
| DAX | Request for extension of the european patent (deleted) | ||
| INTG | Intention to grant announced |
Effective date: 20160322 |
|
| GRAP | Despatch of communication of intention to grant a patent |
Free format text: ORIGINAL CODE: EPIDOSNIGR1 |
|
| INTG | Intention to grant announced |
Effective date: 20160614 |
|
| GRAS | Grant fee paid |
Free format text: ORIGINAL CODE: EPIDOSNIGR3 |
|
| GRAA | (expected) grant |
Free format text: ORIGINAL CODE: 0009210 |
|
| AK | Designated contracting states |
Kind code of ref document: B1 Designated state(s): AL AT BE BG CH CY CZ DE DK EE ES FI FR GB GR HR HU IE IS IT LI LT LU LV MC MK MT NL NO PL PT RO RS SE SI SK SM TR |
|
| REG | Reference to a national code |
Ref country code: GB Ref legal event code: FG4D Free format text: NOT ENGLISH |
|
| REG | Reference to a national code |
Ref country code: CH Ref legal event code: EP |
|
| REG | Reference to a national code |
Ref country code: FR Ref legal event code: PLFP Year of fee payment: 3 |
|
| REG | Reference to a national code |
Ref country code: AT Ref legal event code: REF Ref document number: 832459 Country of ref document: AT Kind code of ref document: T Effective date: 20161015 |
|
| REG | Reference to a national code |
Ref country code: IE Ref legal event code: FG4D Free format text: LANGUAGE OF EP DOCUMENT: GERMAN |
|
| REG | Reference to a national code |
Ref country code: CH Ref legal event code: NV Representative=s name: OFFICE ERNEST T. FREYLINGER S.A., CH |
|
| REG | Reference to a national code |
Ref country code: DE Ref legal event code: R096 Ref document number: 502014001604 Country of ref document: DE |
|
| REG | Reference to a national code |
Ref country code: SE Ref legal event code: TRGR |
|
| REG | Reference to a national code |
Ref country code: NL Ref legal event code: FP |
|
| REG | Reference to a national code |
Ref country code: LT Ref legal event code: MG4D |
|
| PG25 | Lapsed in a contracting state [announced via postgrant information from national office to epo] |
Ref country code: LT Free format text: LAPSE BECAUSE OF FAILURE TO SUBMIT A TRANSLATION OF THE DESCRIPTION OR TO PAY THE FEE WITHIN THE PRESCRIBED TIME-LIMIT Effective date: 20160928 Ref country code: RS Free format text: LAPSE BECAUSE OF FAILURE TO SUBMIT A TRANSLATION OF THE DESCRIPTION OR TO PAY THE FEE WITHIN THE PRESCRIBED TIME-LIMIT Effective date: 20160928 Ref country code: HR Free format text: LAPSE BECAUSE OF FAILURE TO SUBMIT A TRANSLATION OF THE DESCRIPTION OR TO PAY THE FEE WITHIN THE PRESCRIBED TIME-LIMIT Effective date: 20160928 |
|
| PG25 | Lapsed in a contracting state [announced via postgrant information from national office to epo] |
Ref country code: LV Free format text: LAPSE BECAUSE OF FAILURE TO SUBMIT A TRANSLATION OF THE DESCRIPTION OR TO PAY THE FEE WITHIN THE PRESCRIBED TIME-LIMIT Effective date: 20160928 Ref country code: BE Free format text: LAPSE BECAUSE OF NON-PAYMENT OF DUE FEES Effective date: 20161031 Ref country code: GR Free format text: LAPSE BECAUSE OF FAILURE TO SUBMIT A TRANSLATION OF THE DESCRIPTION OR TO PAY THE FEE WITHIN THE PRESCRIBED TIME-LIMIT Effective date: 20161229 |
|
| REG | Reference to a national code |
Ref country code: NO Ref legal event code: T2 Effective date: 20160928 |
|
| REG | Reference to a national code |
Ref country code: SK Ref legal event code: T3 Ref document number: E 22528 Country of ref document: SK |
|
| PG25 | Lapsed in a contracting state [announced via postgrant information from national office to epo] |
Ref country code: NO Free format text: LAPSE BECAUSE OF FAILURE TO SUBMIT A TRANSLATION OF THE DESCRIPTION OR TO PAY THE FEE WITHIN THE PRESCRIBED TIME-LIMIT Effective date: 20170202 Ref country code: RO Free format text: LAPSE BECAUSE OF FAILURE TO SUBMIT A TRANSLATION OF THE DESCRIPTION OR TO PAY THE FEE WITHIN THE PRESCRIBED TIME-LIMIT Effective date: 20160928 Ref country code: EE Free format text: LAPSE BECAUSE OF FAILURE TO SUBMIT A TRANSLATION OF THE DESCRIPTION OR TO PAY THE FEE WITHIN THE PRESCRIBED TIME-LIMIT Effective date: 20160928 |
|
| PG25 | Lapsed in a contracting state [announced via postgrant information from national office to epo] |
Ref country code: BG Free format text: LAPSE BECAUSE OF FAILURE TO SUBMIT A TRANSLATION OF THE DESCRIPTION OR TO PAY THE FEE WITHIN THE PRESCRIBED TIME-LIMIT Effective date: 20161228 Ref country code: SM Free format text: LAPSE BECAUSE OF FAILURE TO SUBMIT A TRANSLATION OF THE DESCRIPTION OR TO PAY THE FEE WITHIN THE PRESCRIBED TIME-LIMIT Effective date: 20160928 Ref country code: IS Free format text: LAPSE BECAUSE OF FAILURE TO SUBMIT A TRANSLATION OF THE DESCRIPTION OR TO PAY THE FEE WITHIN THE PRESCRIBED TIME-LIMIT Effective date: 20170128 Ref country code: PT Free format text: LAPSE BECAUSE OF FAILURE TO SUBMIT A TRANSLATION OF THE DESCRIPTION OR TO PAY THE FEE WITHIN THE PRESCRIBED TIME-LIMIT Effective date: 20170130 |
|
| REG | Reference to a national code |
Ref country code: DE Ref legal event code: R026 Ref document number: 502014001604 Country of ref document: DE |
|
| PLBI | Opposition filed |
Free format text: ORIGINAL CODE: 0009260 |
|
| REG | Reference to a national code |
Ref country code: IE Ref legal event code: MM4A |
|
| PG25 | Lapsed in a contracting state [announced via postgrant information from national office to epo] |
Ref country code: DK Free format text: LAPSE BECAUSE OF FAILURE TO SUBMIT A TRANSLATION OF THE DESCRIPTION OR TO PAY THE FEE WITHIN THE PRESCRIBED TIME-LIMIT Effective date: 20160928 |
|
| 26 | Opposition filed |
Opponent name: LEITNER S.P.A. Effective date: 20170628 |
|
| RAP2 | Party data changed (patent owner data changed or rights of a patent transferred) |
Owner name: INNOVA PATENT GMBH |
|
| PLAX | Notice of opposition and request to file observation + time limit sent |
Free format text: ORIGINAL CODE: EPIDOSNOBS2 |
|
| PG25 | Lapsed in a contracting state [announced via postgrant information from national office to epo] |
Ref country code: LU Free format text: LAPSE BECAUSE OF NON-PAYMENT OF DUE FEES Effective date: 20161016 |
|
| REG | Reference to a national code |
Ref country code: FR Ref legal event code: PLFP Year of fee payment: 4 |
|
| PG25 | Lapsed in a contracting state [announced via postgrant information from national office to epo] |
Ref country code: IE Free format text: LAPSE BECAUSE OF NON-PAYMENT OF DUE FEES Effective date: 20161016 |
|
| PLBB | Reply of patent proprietor to notice(s) of opposition received |
Free format text: ORIGINAL CODE: EPIDOSNOBS3 |
|
| REG | Reference to a national code |
Ref country code: BE Ref legal event code: MM Effective date: 20161031 |
|
| PG25 | Lapsed in a contracting state [announced via postgrant information from national office to epo] |
Ref country code: HU Free format text: LAPSE BECAUSE OF FAILURE TO SUBMIT A TRANSLATION OF THE DESCRIPTION OR TO PAY THE FEE WITHIN THE PRESCRIBED TIME-LIMIT; INVALID AB INITIO Effective date: 20141016 |
|
| PG25 | Lapsed in a contracting state [announced via postgrant information from national office to epo] |
Ref country code: MK Free format text: LAPSE BECAUSE OF FAILURE TO SUBMIT A TRANSLATION OF THE DESCRIPTION OR TO PAY THE FEE WITHIN THE PRESCRIBED TIME-LIMIT Effective date: 20160928 Ref country code: CY Free format text: LAPSE BECAUSE OF FAILURE TO SUBMIT A TRANSLATION OF THE DESCRIPTION OR TO PAY THE FEE WITHIN THE PRESCRIBED TIME-LIMIT Effective date: 20160928 Ref country code: MT Free format text: LAPSE BECAUSE OF FAILURE TO SUBMIT A TRANSLATION OF THE DESCRIPTION OR TO PAY THE FEE WITHIN THE PRESCRIBED TIME-LIMIT Effective date: 20160928 Ref country code: MC Free format text: LAPSE BECAUSE OF FAILURE TO SUBMIT A TRANSLATION OF THE DESCRIPTION OR TO PAY THE FEE WITHIN THE PRESCRIBED TIME-LIMIT Effective date: 20160928 |
|
| REG | Reference to a national code |
Ref country code: FR Ref legal event code: PLFP Year of fee payment: 5 |
|
| PG25 | Lapsed in a contracting state [announced via postgrant information from national office to epo] |
Ref country code: AL Free format text: LAPSE BECAUSE OF FAILURE TO SUBMIT A TRANSLATION OF THE DESCRIPTION OR TO PAY THE FEE WITHIN THE PRESCRIBED TIME-LIMIT Effective date: 20160928 |
|
| PLCK | Communication despatched that opposition was rejected |
Free format text: ORIGINAL CODE: EPIDOSNREJ1 |
|
| APBM | Appeal reference recorded |
Free format text: ORIGINAL CODE: EPIDOSNREFNO |
|
| APBP | Date of receipt of notice of appeal recorded |
Free format text: ORIGINAL CODE: EPIDOSNNOA2O |
|
| APAH | Appeal reference modified |
Free format text: ORIGINAL CODE: EPIDOSCREFNO |
|
| APBQ | Date of receipt of statement of grounds of appeal recorded |
Free format text: ORIGINAL CODE: EPIDOSNNOA3O |
|
| APBU | Appeal procedure closed |
Free format text: ORIGINAL CODE: EPIDOSNNOA9O |
|
| REG | Reference to a national code |
Ref country code: DE Ref legal event code: R100 Ref document number: 502014001604 Country of ref document: DE |
|
| PLBN | Opposition rejected |
Free format text: ORIGINAL CODE: 0009273 |
|
| STAA | Information on the status of an ep patent application or granted ep patent |
Free format text: STATUS: OPPOSITION REJECTED |
|
| 27O | Opposition rejected |
Effective date: 20200424 |
|
| PGFP | Annual fee paid to national office [announced via postgrant information from national office to epo] |
Ref country code: NL Payment date: 20221025 Year of fee payment: 9 |
|
| PGFP | Annual fee paid to national office [announced via postgrant information from national office to epo] |
Ref country code: TR Payment date: 20221004 Year of fee payment: 9 Ref country code: SK Payment date: 20221005 Year of fee payment: 9 Ref country code: SE Payment date: 20221024 Year of fee payment: 9 Ref country code: NO Payment date: 20221018 Year of fee payment: 9 Ref country code: GB Payment date: 20221018 Year of fee payment: 9 Ref country code: FI Payment date: 20221019 Year of fee payment: 9 Ref country code: CZ Payment date: 20221014 Year of fee payment: 9 |
|
| PGFP | Annual fee paid to national office [announced via postgrant information from national office to epo] |
Ref country code: SI Payment date: 20221003 Year of fee payment: 9 Ref country code: PL Payment date: 20221007 Year of fee payment: 9 |
|
| P01 | Opt-out of the competence of the unified patent court (upc) registered |
Effective date: 20230515 |
|
| REG | Reference to a national code |
Ref country code: SE Ref legal event code: EUG |
|
| REG | Reference to a national code |
Ref country code: NL Ref legal event code: MM Effective date: 20231101 Ref country code: SK Ref legal event code: MM4A Ref document number: E 22528 Country of ref document: SK Effective date: 20231016 |
|
| GBPC | Gb: european patent ceased through non-payment of renewal fee |
Effective date: 20231016 |
|
| PG25 | Lapsed in a contracting state [announced via postgrant information from national office to epo] |
Ref country code: GB Free format text: LAPSE BECAUSE OF NON-PAYMENT OF DUE FEES Effective date: 20231016 |
|
| PG25 | Lapsed in a contracting state [announced via postgrant information from national office to epo] |
Ref country code: NL Free format text: LAPSE BECAUSE OF NON-PAYMENT OF DUE FEES Effective date: 20231101 |
|
| PG25 | Lapsed in a contracting state [announced via postgrant information from national office to epo] |
Ref country code: CZ Free format text: LAPSE BECAUSE OF NON-PAYMENT OF DUE FEES Effective date: 20231016 |
|
| PG25 | Lapsed in a contracting state [announced via postgrant information from national office to epo] |
Ref country code: SK Free format text: LAPSE BECAUSE OF NON-PAYMENT OF DUE FEES Effective date: 20231016 |
|
| PG25 | Lapsed in a contracting state [announced via postgrant information from national office to epo] |
Ref country code: SK Free format text: LAPSE BECAUSE OF NON-PAYMENT OF DUE FEES Effective date: 20231016 Ref country code: NO Free format text: LAPSE BECAUSE OF NON-PAYMENT OF DUE FEES Effective date: 20231031 Ref country code: NL Free format text: LAPSE BECAUSE OF NON-PAYMENT OF DUE FEES Effective date: 20231101 Ref country code: GB Free format text: LAPSE BECAUSE OF NON-PAYMENT OF DUE FEES Effective date: 20231016 Ref country code: FI Free format text: LAPSE BECAUSE OF NON-PAYMENT OF DUE FEES Effective date: 20231016 Ref country code: CZ Free format text: LAPSE BECAUSE OF NON-PAYMENT OF DUE FEES Effective date: 20231016 Ref country code: SI Free format text: LAPSE BECAUSE OF NON-PAYMENT OF DUE FEES Effective date: 20231017 |
|
| PG25 | Lapsed in a contracting state [announced via postgrant information from national office to epo] |
Ref country code: SE Free format text: LAPSE BECAUSE OF NON-PAYMENT OF DUE FEES Effective date: 20231017 |
|
| REG | Reference to a national code |
Ref country code: SI Ref legal event code: KO00 Effective date: 20240718 |
|
| PGFP | Annual fee paid to national office [announced via postgrant information from national office to epo] |
Ref country code: DE Payment date: 20241016 Year of fee payment: 11 |
|
| PGFP | Annual fee paid to national office [announced via postgrant information from national office to epo] |
Ref country code: FR Payment date: 20241025 Year of fee payment: 11 Ref country code: AT Payment date: 20241021 Year of fee payment: 11 |
|
| PGFP | Annual fee paid to national office [announced via postgrant information from national office to epo] |
Ref country code: IT Payment date: 20241004 Year of fee payment: 11 Ref country code: ES Payment date: 20241106 Year of fee payment: 11 |
|
| PGFP | Annual fee paid to national office [announced via postgrant information from national office to epo] |
Ref country code: CH Payment date: 20241101 Year of fee payment: 11 |
|
| PG25 | Lapsed in a contracting state [announced via postgrant information from national office to epo] |
Ref country code: PL Free format text: LAPSE BECAUSE OF NON-PAYMENT OF DUE FEES Effective date: 20231016 |
|
| REG | Reference to a national code |
Ref country code: CH Ref legal event code: U11 Free format text: ST27 STATUS EVENT CODE: U-0-0-U10-U11 (AS PROVIDED BY THE NATIONAL OFFICE) Effective date: 20251117 |