WO2012039120A2 - Printed circuit board - Google Patents

Printed circuit board Download PDF

Info

Publication number
WO2012039120A2
WO2012039120A2 PCT/JP2011/005246 JP2011005246W WO2012039120A2 WO 2012039120 A2 WO2012039120 A2 WO 2012039120A2 JP 2011005246 W JP2011005246 W JP 2011005246W WO 2012039120 A2 WO2012039120 A2 WO 2012039120A2
Authority
WO
WIPO (PCT)
Prior art keywords
power source
conductor layer
printed circuit
circuit board
plane
Prior art date
Legal status (The legal status is an assumption and is not a legal conclusion. Google has not performed a legal analysis and makes no representation as to the accuracy of the status listed.)
Ceased
Application number
PCT/JP2011/005246
Other languages
English (en)
French (fr)
Other versions
WO2012039120A3 (en
WO2012039120A4 (en
Inventor
Toyohide Miyazaki
Kenji Koyama
Current Assignee (The listed assignees may be inaccurate. Google has not performed a legal analysis and makes no representation or warranty as to the accuracy of the list.)
Canon Inc
Original Assignee
Canon Inc
Priority date (The priority date is an assumption and is not a legal conclusion. Google has not performed a legal analysis and makes no representation as to the accuracy of the date listed.)
Filing date
Publication date
Application filed by Canon Inc filed Critical Canon Inc
Priority to US13/821,800 priority Critical patent/US20130170167A1/en
Publication of WO2012039120A2 publication Critical patent/WO2012039120A2/en
Publication of WO2012039120A3 publication Critical patent/WO2012039120A3/en
Publication of WO2012039120A4 publication Critical patent/WO2012039120A4/en
Anticipated expiration legal-status Critical
Ceased legal-status Critical Current

Links

Images

Classifications

    • HELECTRICITY
    • H05ELECTRIC TECHNIQUES NOT OTHERWISE PROVIDED FOR
    • H05KPRINTED CIRCUITS; CASINGS OR CONSTRUCTIONAL DETAILS OF ELECTRIC APPARATUS; MANUFACTURE OF ASSEMBLAGES OF ELECTRICAL COMPONENTS
    • H05K1/00Printed circuits
    • H05K1/02Details
    • H05K1/0213Electrical arrangements not otherwise provided for
    • H05K1/0216Reduction of cross-talk, noise or electromagnetic interference
    • HELECTRICITY
    • H01ELECTRIC ELEMENTS
    • H01LSEMICONDUCTOR DEVICES NOT COVERED BY CLASS H10
    • H01L23/00Details of semiconductor or other solid state devices
    • H01L23/48Arrangements for conducting electric current to or from the solid state body in operation, e.g. leads, terminal arrangements ; Selection of materials therefor
    • H01L23/488Arrangements for conducting electric current to or from the solid state body in operation, e.g. leads, terminal arrangements ; Selection of materials therefor consisting of soldered or bonded constructions
    • H01L23/498Leads, i.e. metallisations or lead-frames on insulating substrates, e.g. chip carriers
    • H01L23/49822Multilayer substrates
    • HELECTRICITY
    • H01ELECTRIC ELEMENTS
    • H01LSEMICONDUCTOR DEVICES NOT COVERED BY CLASS H10
    • H01L23/00Details of semiconductor or other solid state devices
    • H01L23/48Arrangements for conducting electric current to or from the solid state body in operation, e.g. leads, terminal arrangements ; Selection of materials therefor
    • H01L23/50Arrangements for conducting electric current to or from the solid state body in operation, e.g. leads, terminal arrangements ; Selection of materials therefor for integrated circuit devices, e.g. power bus, number of leads
    • HELECTRICITY
    • H01ELECTRIC ELEMENTS
    • H01LSEMICONDUCTOR DEVICES NOT COVERED BY CLASS H10
    • H01L23/00Details of semiconductor or other solid state devices
    • H01L23/58Structural electrical arrangements for semiconductor devices not otherwise provided for, e.g. in combination with batteries
    • H01L23/64Impedance arrangements
    • H01L23/66High-frequency adaptations
    • HELECTRICITY
    • H05ELECTRIC TECHNIQUES NOT OTHERWISE PROVIDED FOR
    • H05KPRINTED CIRCUITS; CASINGS OR CONSTRUCTIONAL DETAILS OF ELECTRIC APPARATUS; MANUFACTURE OF ASSEMBLAGES OF ELECTRICAL COMPONENTS
    • H05K1/00Printed circuits
    • H05K1/02Details
    • H05K1/0213Electrical arrangements not otherwise provided for
    • H05K1/0216Reduction of cross-talk, noise or electromagnetic interference
    • H05K1/0218Reduction of cross-talk, noise or electromagnetic interference by printed shielding conductors, ground planes or power plane
    • H05K1/0224Patterned shielding planes, ground planes or power planes
    • H05K1/0225Single or multiple openings in a shielding, ground or power plane
    • HELECTRICITY
    • H05ELECTRIC TECHNIQUES NOT OTHERWISE PROVIDED FOR
    • H05KPRINTED CIRCUITS; CASINGS OR CONSTRUCTIONAL DETAILS OF ELECTRIC APPARATUS; MANUFACTURE OF ASSEMBLAGES OF ELECTRICAL COMPONENTS
    • H05K1/00Printed circuits
    • H05K1/16Printed circuits incorporating printed electric components, e.g. printed resistor, capacitor, inductor
    • H05K1/162Printed circuits incorporating printed electric components, e.g. printed resistor, capacitor, inductor incorporating printed capacitors
    • HELECTRICITY
    • H01ELECTRIC ELEMENTS
    • H01LSEMICONDUCTOR DEVICES NOT COVERED BY CLASS H10
    • H01L2223/00Details relating to semiconductor or other solid state devices covered by the group H01L23/00
    • H01L2223/58Structural electrical arrangements for semiconductor devices not otherwise provided for
    • H01L2223/64Impedance arrangements
    • H01L2223/66High-frequency adaptations
    • H01L2223/6605High-frequency electrical connections
    • H01L2223/6616Vertical connections, e.g. vias
    • HELECTRICITY
    • H01ELECTRIC ELEMENTS
    • H01LSEMICONDUCTOR DEVICES NOT COVERED BY CLASS H10
    • H01L2924/00Indexing scheme for arrangements or methods for connecting or disconnecting semiconductor or solid-state bodies as covered by H01L24/00
    • H01L2924/0001Technical content checked by a classifier
    • H01L2924/0002Not covered by any one of groups H01L24/00, H01L24/00 and H01L2224/00
    • HELECTRICITY
    • H01ELECTRIC ELEMENTS
    • H01LSEMICONDUCTOR DEVICES NOT COVERED BY CLASS H10
    • H01L2924/00Indexing scheme for arrangements or methods for connecting or disconnecting semiconductor or solid-state bodies as covered by H01L24/00
    • H01L2924/10Details of semiconductor or other solid state devices to be connected
    • H01L2924/11Device type
    • H01L2924/12Passive devices, e.g. 2 terminal devices
    • H01L2924/1205Capacitor
    • HELECTRICITY
    • H01ELECTRIC ELEMENTS
    • H01LSEMICONDUCTOR DEVICES NOT COVERED BY CLASS H10
    • H01L2924/00Indexing scheme for arrangements or methods for connecting or disconnecting semiconductor or solid-state bodies as covered by H01L24/00
    • H01L2924/10Details of semiconductor or other solid state devices to be connected
    • H01L2924/11Device type
    • H01L2924/14Integrated circuits
    • HELECTRICITY
    • H05ELECTRIC TECHNIQUES NOT OTHERWISE PROVIDED FOR
    • H05KPRINTED CIRCUITS; CASINGS OR CONSTRUCTIONAL DETAILS OF ELECTRIC APPARATUS; MANUFACTURE OF ASSEMBLAGES OF ELECTRICAL COMPONENTS
    • H05K1/00Printed circuits
    • H05K1/02Details
    • H05K1/0213Electrical arrangements not otherwise provided for
    • H05K1/0216Reduction of cross-talk, noise or electromagnetic interference
    • H05K1/023Reduction of cross-talk, noise or electromagnetic interference using auxiliary mounted passive components or auxiliary substances
    • H05K1/0233Filters, inductors or a magnetic substance
    • HELECTRICITY
    • H05ELECTRIC TECHNIQUES NOT OTHERWISE PROVIDED FOR
    • H05KPRINTED CIRCUITS; CASINGS OR CONSTRUCTIONAL DETAILS OF ELECTRIC APPARATUS; MANUFACTURE OF ASSEMBLAGES OF ELECTRICAL COMPONENTS
    • H05K1/00Printed circuits
    • H05K1/02Details
    • H05K1/0213Electrical arrangements not otherwise provided for
    • H05K1/0237High frequency adaptations
    • H05K1/0243Printed circuits associated with mounted high frequency components
    • HELECTRICITY
    • H05ELECTRIC TECHNIQUES NOT OTHERWISE PROVIDED FOR
    • H05KPRINTED CIRCUITS; CASINGS OR CONSTRUCTIONAL DETAILS OF ELECTRIC APPARATUS; MANUFACTURE OF ASSEMBLAGES OF ELECTRICAL COMPONENTS
    • H05K2201/00Indexing scheme relating to printed circuits covered by H05K1/00
    • H05K2201/09Shape and layout
    • H05K2201/09209Shape and layout details of conductors
    • H05K2201/0929Conductive planes
    • H05K2201/093Layout of power planes, ground planes or power supply conductors, e.g. having special clearance holes therein
    • HELECTRICITY
    • H05ELECTRIC TECHNIQUES NOT OTHERWISE PROVIDED FOR
    • H05KPRINTED CIRCUITS; CASINGS OR CONSTRUCTIONAL DETAILS OF ELECTRIC APPARATUS; MANUFACTURE OF ASSEMBLAGES OF ELECTRICAL COMPONENTS
    • H05K2201/00Indexing scheme relating to printed circuits covered by H05K1/00
    • H05K2201/09Shape and layout
    • H05K2201/09209Shape and layout details of conductors
    • H05K2201/0929Conductive planes
    • H05K2201/09345Power and ground in the same plane; Power planes for two voltages in one plane
    • HELECTRICITY
    • H05ELECTRIC TECHNIQUES NOT OTHERWISE PROVIDED FOR
    • H05KPRINTED CIRCUITS; CASINGS OR CONSTRUCTIONAL DETAILS OF ELECTRIC APPARATUS; MANUFACTURE OF ASSEMBLAGES OF ELECTRICAL COMPONENTS
    • H05K2201/00Indexing scheme relating to printed circuits covered by H05K1/00
    • H05K2201/09Shape and layout
    • H05K2201/09209Shape and layout details of conductors
    • H05K2201/09654Shape and layout details of conductors covering at least two types of conductors provided for in H05K2201/09218 - H05K2201/095
    • H05K2201/09663Divided layout, i.e. conductors divided in two or more parts

Definitions

  • the present invention relates to a printed circuit board having a circuit element thereon.
  • Printed circuit boards with a circuit element mounted thereon such as integrated circuit (IC) and large-scale integration (LSI) are known to have a problem: the circuit element in a printed circuit board causes electromagnetic wave noise when turned on/off, and the noise adversely affects the other circuits of the electronic device that incorporates the printed circuit board and the other electronic devices, leading to malfunction.
  • the noise is caused mainly by the parasitic capacitance component and the inductance component of the wiring structure electrically connecting circuit elements, and by the high-frequency current flowing through the electromagnetic coupling of these components.
  • ICs and LSIs have extensively increased in processing speed to have operating frequencies from hundreds of MHz to several GHz.
  • the parasitic components of a noise suppression element itself or the wiring structure in the printed circuit board more and more adversely affect the circuits, so that the noise suppression components cannot achieve their original function, providing only insufficient suppression effect.
  • U.S. Patent No. 5,079,069 discusses use of an embedded capacitor substrate to suppress radiation noise at a frequency band exceeding hundreds of MHz.
  • a printed circuit board is configured to have a structure of a capacitor having a small parasitic inductance component.
  • the embedded capacitor substrate includes a power source conductor layer and a ground conductor layer, and uses these entire layers as electrodes, and further has a thin dielectric layer with a thickness of 100 micrometer or less disposed between the power source conductor layer and the ground conductor layer to form a capacitor.
  • the present invention provides a printed circuit board having a circuit element thereon, in which radiation noise is reduced by suppressing propagation of noise caused by a circuit element.
  • the present invention provides a printed circuit board including a power source conductor layer, a ground conductor layer, and a signal wiring layer having a circuit element thereon, the power source conductor layer, the ground conductor layer, and the signal wiring layer being multilayered with a dielectric layer interposed therebetween.
  • the printed circuit board further includes a first power source plane provided in the power source conductor layer, a second power source plane provided in the power source conductor layer at a position separated from the first power source plane by a gap, a connecting line connecting the first power source plane to the second power source plane, and a ground plane provided in the ground conductor layer, wherein the ground plane has an opening at a portion overlapping with the image of the connecting line when projected onto the ground conductor layer.
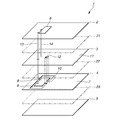
  • Fig. 1 schematically illustrates a printed circuit board according to an exemplary embodiment.
  • Fig. 2 is a circuit diagram illustrating a printed circuit board according to an exemplary embodiment.
  • Fig. 3 is an exploded perspective diagram of a simulation model of a printed circuit board according to an exemplary embodiment.
  • Fig. 4 is an exploded perspective diagram of a simulation model of a printed circuit board in a comparative example.
  • Fig. 5 is a graph illustrating simulation results of the printed circuit boards according to an exemplary embodiment and a comparative example respectively.
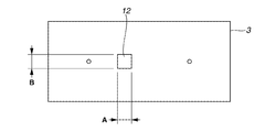
  • FIG. 6A is a plan view illustrating a ground conductor layer of a printed circuit board according to an exemplary embodiment.
  • Fig. 6B is a plan view illustrating a power source conductor layer of a printed circuit board according to an exemplary embodiment.
  • Fig. 7A is a graph illustrating the effect of suppressing noise propagation in a simulation model of a printed circuit board according to an exemplary embodiment.
  • Fig. 7B is a graph illustrating the effect of suppressing noise propagation in a simulation model of a printed circuit board according to an exemplary embodiment.
  • FIG. 1 schematically illustrates a printed circuit board according to an exemplary embodiment.
  • a printed circuit board 1 according to the present exemplary embodiment is a multi-layer printed circuit board having a first signal wiring layer 2, a ground conductor layer 3, a power source conductor layer 4, and a second signal wiring layer 5, the layers being multilayered in sequence with insulator layers (conductor layers) 21, 22, and 23 respectively interposed therebetween.
  • the insulator layers 21, 22, and 23 are provided with an isolator (dielectric) that is composed of resin or glass fiber for example.
  • the power source conductor layer 4 is located opposite the ground conductor layer 3 with the insulator layer 22 interposed therebetween to form an embedded capacitor.
  • the insulator layer 22 in the embedded capacitor satisfies the following condition either (1) or (2), or both of (1) and (2): (1) having a thickness of 100 micrometer or less; and (2) being composed of a high dielectric material having a relative permittivity of 5 or more.
  • the first wiring layer 2 has a semiconductor apparatus 6 as a circuit element such as IC and LSI provided with signal lines, power source lines, and ground lines (not illustrated).
  • the first signal wiring layer 2 and the second signal wiring layer 5 are signal wiring layers mainly for supplying a signal to the semiconductor apparatus 6, other than wiring layers for signals, a conductor for ground and a conductor for the power source can also be provided there.
  • the power source conductor layer 4 includes a main power supply plane 7 and an IC power supply plane 8 separated from each other by a gap.
  • the main power supply plane 7 is connected to the IC power supply plane 8 by a connecting line 10.
  • the IC power supply plane 8 is a first power source plane to supply a power source potential (power) supplied from the main power supply plane 7 to the semiconductor apparatus 6.
  • the IC power supply plane (first power source plane) 8 preferably has a size to accommodate the area of an image of the semiconductor apparatus 6 when projected onto the power source conductor layer 4.
  • the IC power supply plane 8 has a size to fit (the same size as that of) an image of the semiconductor apparatus 6 when projected onto the power source conductor layer 4.
  • the semiconductor apparatus 6 has a power source terminal connected to the IC power supply plane 8 through a via 13.
  • the main power supply plane 7 is a second power source plane provided in the power source conductor layer 4, and separated from the IC power supply plane 8 by a gap. More specifically, the main power supply plane 7 has an approximately C-shaped opening 9 which separates the IC power supply plane 8 as an island from the main power supply plane 7.
  • the connecting line 10 connects the IC power supply plane 8 to the main power supply plane 7.
  • the connecting line 10 is a linear strip connecting a side of the main power supply plane 7 to a side of the IC power supply plane 8 which are opposing each other.
  • power can be supplied to the power source terminal of the semiconductor apparatus 6.
  • the power source conductor layer 4 is a conductor layer mainly for supplying power source potential to the semiconductor apparatus 6, other than the conductor for the power source, a conductor for ground and a wiring layer for signal can also be provided there.
  • the ground conductor layer 3 has a ground plane 11 covering almost all over the ground conductor layer 3.
  • the semiconductor apparatus 6 has a ground terminal connected to the ground plane 11 through a via 14.
  • the ground plane 11 has an opening 12 at a position overlapping with an image of the connecting line 10 when projected on the ground conductor layer 3.
  • the opening 12 has a shape approximately the same as that of the image of the connecting line 10 when projected.
  • the second signal wiring layer 5 is provided with wiring patterns and electronic parts (not illustrated).
  • the ground conductor layer 3 is disposed closer to the first signal wiring layer 2 having the semiconductor apparatus 6 thereon than the power source conductor layer 4, but the power source conductor layer 4 may be disposed closer to the first wiring layer 2.
  • Fig. 2 illustrates an equivalent circuit of the power source conductor layer 4 and the ground conductor layer 3 which constitute an embedded capacitor substrate.
  • the circuit has a self inductance component Lv in the connecting line 10, a self inductance component Lg near the opening 12 in the ground plane 11, and a mutual inductance component M between the connecting line 10 and the opening 12 in the ground plane 11, a capacitance component Cm between the main power supply plane 7 and the ground conductor layer 3, and a capacitance component Cs between the IC power supply plane 8 and the ground conductor layer 3.
  • the circuit further has an inductance component Lvv mainly caused by the via 13 connecting the IC power supply plane 8 to the power source terminal of the semiconductor apparatus 6, and an inductance component Lvg mainly caused by the via 14 connecting the ground conductor layer 3 to the ground terminal of the semiconductor apparatus 6.
  • an effective inductance Lx of the connecting line 10 is increased.
  • the effective inductance Lx can be expressed as follows.
  • the opening 12 is arranged at a position of an image of the connecting line 10 when projected on the ground conductor layer 3, the mutual inductance component M is extremely reduced, as compared with the case without the opening 12. Accordingly, despite of the size of the opening 12, the opening 12 at a position overlapping with the projected image area reduces the mutual inductance component M, increasing the effective inductance Lx, and enhancing the connect impedance.
  • the noise that is otherwise propagated to the entire substrate can be confined within the IC power supply plane 8 by the high impedance connection.
  • the noise radiated from the substrate acting as an antenna but also the noise propagated to cables through connectors disposed at the ends of the substrate and radiated by the cables and a housing that can act as antennas can be suppressed.
  • the impedance at the connecting line 10 becomes high, the noise caused by the operation of the semiconductor device 6 at the IC power supply plane 8 can be suppressed and cannot be propagated to the main power supply plane 7, thus reducing radiation noise.
  • the opening 12 preferably has a size equal to or more than the projected image when the connecting line 10 is projected onto the ground conductor layer 3.
  • a value of the mutual inductance component M varies inversely proportional to the distance between conductors. Accordingly, in the multi-layer printed circuit board having a thin space between layers, the mutual inductance component M sharply decreases when the conductors are separated from each other out of their opposed positions on the projection plane as seen in the vertical direction. Especially in the embedded capacitor substrate, the decrease is prominent. Thus, a larger opening 12 results in a smaller mutual inductance component M.
  • the opening 12 having a size equal to or larger than the connecting line 10 can more effectively increase the effective inductance Lx, more effectively suppress the propagation of a noise current, and more effectively reduce radiation noise.
  • the opening 12 preferably has a shape approximately the same as that of an image of the connecting line 10 when projected on the ground conductor layer 3.
  • This structure effectively increases the effective inductance Lx while keeping an area of the opening 12 small, so that a sufficient area of the ground plane 11 can be maintained to ensure a returning path of a signal current Accordingly, the propagation of a noise current can be more effectively suppressed, and radiation noise can be more effectively reduced.
  • the present invention has been described by way of the above exemplary embodiment, but the present invention is not limited to the exemplary embodiment.
  • the above exemplary embodiment has been described using a multi-layer printed circuit board having four layers, but the same effect can be obtained by a multi-layer printed circuit board having a different number of layers, provided that the printed circuit board is configured to include an embedded capacitor to have the above described structure.
  • the ground plane 11 is provided with the opening 12 having the same size (rectangular shape) of the connecting line 10, but the opening 12 may be of a different shape.
  • the ground plane 11 may be divided into a first ground plane containing an image area of the semiconductor apparatus 6 when projected onto the ground conductor layer 3, and a second ground plane provided in the ground conductor layer 3 and separated from the first ground plane by a gap.
  • an opening needs to be provided so that the ground plane 11 is divided into the first ground plane and the second ground plane.
  • the first ground plane can be connected to the second ground plane by a connecting line, which only needs to be located at a position that does not overlap with an image of the connecting line 10 when projected onto the ground conductor layer 3.
  • the first power source plane at an IC power supply unit and the second power source plane at a main power supply unit are configured with a plurality of lines.
  • Fig. 3 is an exploded perspective diagram illustrating wiring structures of conductor layers of a simulation model in the present Example.
  • Fig. 3 illustrates the first signal wiring layer 2, the ground conductor layer 3, the power source conductor layer 4, and the second signal wiring layer 5.
  • the printed circuit board 1 illustrated in Fig. 3 has a rectangular shape of 40 mm x 90 mm.
  • Each of the first signal wiring layer 2, the ground conductor layer 3, the power source conductor layer 4, and the second signal wiring layer 5 is made of a 50micrometer thick copper.
  • the insulator layers 21, 22, and 23 (see Fig. 1) each having a relative permittivity of 4.3 are interposed.
  • the insulator layer 21 has a thickness of 100 micrometer
  • the insulator layer 22 has a thickness of 50 micrometer
  • the insulator layer 23 has a thickness of 1.3 mm.
  • the IC power supply plane 8 is a square of 26 mm x 26 mm, and is separated from the main power supply plane 7 by a 4-mm width gap.
  • the IC power supply plane 8 is connected to the main power supply plane 7 by the connecting line 10, which is a strip conductor having a 4-mm length in the direction parallel to the longitudinal direction of the printed circuit board 1, and a 5-mm length in the direction parallel to the lateral direction of the printed circuit board 1.
  • the connecting line 10 is 4 mm long in its extending direction, and 5 mm long in the direction orthogonal to the extending direction.
  • the ground plane 11 is provided with the opening 12 of a size to fit (the same size as that of) an image of the connecting line 10 when projected onto the ground conductor layer 3, the opening 12 being 4 mm long in the direction parallel to the longitudinal direction of the printed circuit board 1, and 5 mm long in the direction parallel to the lateral direction of the printed circuit board 1.
  • An input port 120 is connected, at one end thereof, to the IC power supply plane 8, and to the ground conductor layer 3 at the other end thereof.
  • An output port 121 is connected to the main power supply plane 7 at one end, and to the ground conductor layer 3 at the other end. Each port has a 50 ohm impedance.
  • a simulation model for a conventional printed circuit board was made in a Comparative Example, and the resultant calculation in the Comparative Example was compared with that in the Example.
  • Fig. 4 is an exploded perspective diagram illustrating line structures of conductor layers of a simulation model for a printed circuit board 301 in the present Comparative Example.
  • the simulation model for a printed circuit board 301 in the present Comparative Example in Fig. 4 differs from that for the printed circuit board 1 in the Example in Fig. 3 in that the simulation model in the present Comparative Example does not have an opening in a ground conductor layer 302 thereof.
  • Fig. 5 illustrates simulation results for the printed circuit board 1 in the Example that is depicted by the solid line, and simulation results for the printed circuit board 301 in the present Comparative Example that is depicted by the dashed line.
  • the horizontal axis represents frequency
  • the vertical axis represents noise propagation.
  • the propagation of a noise current from the input port 120 to the output port 121 in the printed circuit board 1 in the Example is much less than that in printed circuit board 301 in the Comparative Example.
  • the difference proves that the structure of the printed circuit board 1 in the Example suppresses the propagation of noise current to the entire printed circuit board.
  • Figs. 6A and 6B each illustrate a conductor layer as a part of the simulation model for the printed circuit board 1 in the Example as a plan view: Fig. 6A illustrates the ground conductor layer 3; and Fig. 6B illustrates the power source conductor layer 4.
  • the opening 12 has a side length A parallel to the longitudinal direction of the connecting line 10, and a side length B parallel to the lateral direction of the connecting line 10.
  • the connecting line 10 has a length a in its extending direction, and another length b in its lateral direction.
  • the length A of the opening 12 in Fig. 6A was changed in a range from 1 mm to 20 mm to obtain a noise propagation amount by a simulation.
  • the simulated result was compared with a noise propagation amount in the Comparative Example, and the difference is shown in Fig. 7A as the effect of suppressing noise propagation.
  • the horizontal axis represents a ratio (A/a) between the side length A (the length along the longitudinal length of the substrate) of the opening 12 and the length a (the length along the longitudinal length of the substrate) of the connecting line 10, and the vertical axis represents the effect of suppressing noise propagation at frequency of 1.5 GHz.
  • the effect of suppressing noise propagation shows certain inclination within a wide range from hundreds of MHz to several GHz, and the result in the present Example at the frequency of 1.5 GHz is a typical example.
  • the effect of suppressing noise propagation remains at the almost same level after the ratio (A/a) reaches one. Therefore, the opening 12 having a side length A that is equal to or more than the length a of the connecting line 10 in its extending direction seems to maximize the effect of suppressing noise propagation.
  • the another length B of the opening 12 in Fig. 6A was changed within a range from 1 mm to 20 mm to obtain a noise propagation amount by simulation.
  • the simulated result was compared with a noise propagation amount in the Comparative Example, and the difference is shown in Fig. 7B as the effect of suppressing noise propagation.
  • the horizontal axis represents a ratio (B/b) between the side length B (the length along the lateral length of the substrate) of the opening 12 and the length b (the length along the lateral length of the substrate) of the connecting line 10, and the vertical axis represents the effect of suppressing noise propagation at frequency of 1.5 GHz.
  • the effect of suppressing noise propagation is increased after the ratio (B/b) reaches one. Especially, the effect is sharply increased between the ratio (B/b) of 1 and the ratio (B/b) of 1.2. Thus, further enhanced effect of suppressing noise propagation is obtained when the ratio (B/b) is equal to or more than 1.2. Therefore, the opening 12 having a side length B that is equal to or more than the length b of the connecting line 10 in its lateral direction maximizes the effect of suppressing noise propagation.

Landscapes

  • Engineering & Computer Science (AREA)
  • Microelectronics & Electronic Packaging (AREA)
  • Physics & Mathematics (AREA)
  • Condensed Matter Physics & Semiconductors (AREA)
  • General Physics & Mathematics (AREA)
  • Computer Hardware Design (AREA)
  • Power Engineering (AREA)
  • Electromagnetism (AREA)
  • Structure Of Printed Boards (AREA)
  • Production Of Multi-Layered Print Wiring Board (AREA)
PCT/JP2011/005246 2010-09-24 2011-09-16 Printed circuit board Ceased WO2012039120A2 (en)

Priority Applications (1)

Application Number Priority Date Filing Date Title
US13/821,800 US20130170167A1 (en) 2010-09-24 2011-09-16 Printed circuit board

Applications Claiming Priority (2)

Application Number Priority Date Filing Date Title
JP2010-214397 2010-09-24
JP2010214397A JP5669499B2 (ja) 2010-09-24 2010-09-24 プリント回路板

Publications (3)

Publication Number Publication Date
WO2012039120A2 true WO2012039120A2 (en) 2012-03-29
WO2012039120A3 WO2012039120A3 (en) 2012-05-18
WO2012039120A4 WO2012039120A4 (en) 2012-08-02

Family

ID=44898141

Family Applications (1)

Application Number Title Priority Date Filing Date
PCT/JP2011/005246 Ceased WO2012039120A2 (en) 2010-09-24 2011-09-16 Printed circuit board

Country Status (3)

Country Link
US (1) US20130170167A1 (enExample)
JP (1) JP5669499B2 (enExample)
WO (1) WO2012039120A2 (enExample)

Cited By (2)

* Cited by examiner, † Cited by third party
Publication number Priority date Publication date Assignee Title
EP2651199A3 (en) * 2012-04-09 2014-07-02 Canon Kabushiki Kaisha Printed circuit board
CN107645825A (zh) * 2017-09-18 2018-01-30 济南浪潮高新科技投资发展有限公司 减小电源对高速信号线干扰的印制电路板及其设计方法

Families Citing this family (3)

* Cited by examiner, † Cited by third party
Publication number Priority date Publication date Assignee Title
TW201316895A (zh) * 2011-10-14 2013-04-16 Hon Hai Prec Ind Co Ltd 可抑制電磁干擾的電路板
JP6226600B2 (ja) * 2013-07-18 2017-11-08 キヤノン株式会社 プリント回路板
FR3037439A1 (fr) * 2015-06-12 2016-12-16 St Microelectronics Sa Dispositif electronique a plaque arriere evidee.

Citations (2)

* Cited by examiner, † Cited by third party
Publication number Priority date Publication date Assignee Title
US5079069A (en) 1989-08-23 1992-01-07 Zycon Corporation Capacitor laminate for use in capacitive printed circuit boards and methods of manufacture
JP2010214397A (ja) 2009-03-16 2010-09-30 Kobe Steel Ltd タンデムパルスアーク溶接制御装置、及び、そのシステム

Family Cites Families (14)

* Cited by examiner, † Cited by third party
Publication number Priority date Publication date Assignee Title
JP3926880B2 (ja) * 1997-03-31 2007-06-06 富士通株式会社 多層プリント板
JPH1187880A (ja) * 1997-09-16 1999-03-30 Oki Electric Ind Co Ltd プリント配線板
JP3610225B2 (ja) * 1998-02-16 2005-01-12 キヤノン株式会社 プリント配線板
JP2001332825A (ja) * 2000-03-14 2001-11-30 Fuji Xerox Co Ltd 回路基板装置及び設計支援装置
JP3925032B2 (ja) * 2000-03-14 2007-06-06 富士ゼロックス株式会社 プリント配線基板
JP3646098B2 (ja) * 2002-03-27 2005-05-11 コニカミノルタビジネステクノロジーズ株式会社 回路基板
JPWO2004068922A1 (ja) * 2003-01-31 2006-05-25 富士通株式会社 多層プリント基板、電子機器、および実装方法
TW595275B (en) * 2003-11-05 2004-06-21 Tatung Co Low noise printed circuit board
JP4689461B2 (ja) * 2005-12-26 2011-05-25 富士通株式会社 プリント基板
CN101090599B (zh) * 2006-06-16 2010-05-26 鸿富锦精密工业(深圳)有限公司 电路板
TW200810651A (en) * 2006-08-09 2008-02-16 Tatung Co Ltd Low-noise multilayered PCB
TWI330048B (en) * 2007-09-05 2010-09-01 Tatung Co Signal transmission structure and layout method thereof
JP2009212329A (ja) * 2008-03-05 2009-09-17 Epson Imaging Devices Corp 回路基板、電気光学装置及び電子機器
JP4892514B2 (ja) * 2008-04-22 2012-03-07 日本オプネクスト株式会社 光通信モジュールおよびフレキシブルプリント基板

Patent Citations (2)

* Cited by examiner, † Cited by third party
Publication number Priority date Publication date Assignee Title
US5079069A (en) 1989-08-23 1992-01-07 Zycon Corporation Capacitor laminate for use in capacitive printed circuit boards and methods of manufacture
JP2010214397A (ja) 2009-03-16 2010-09-30 Kobe Steel Ltd タンデムパルスアーク溶接制御装置、及び、そのシステム

Cited By (3)

* Cited by examiner, † Cited by third party
Publication number Priority date Publication date Assignee Title
EP2651199A3 (en) * 2012-04-09 2014-07-02 Canon Kabushiki Kaisha Printed circuit board
US9326370B2 (en) 2012-04-09 2016-04-26 Canon Kabushiki Kaisha Printed circuit board
CN107645825A (zh) * 2017-09-18 2018-01-30 济南浪潮高新科技投资发展有限公司 减小电源对高速信号线干扰的印制电路板及其设计方法

Also Published As

Publication number Publication date
WO2012039120A3 (en) 2012-05-18
US20130170167A1 (en) 2013-07-04
JP2012069815A (ja) 2012-04-05
JP5669499B2 (ja) 2015-02-12
WO2012039120A4 (en) 2012-08-02

Similar Documents

Publication Publication Date Title
KR101385167B1 (ko) 프린트 회로판
US8354975B2 (en) Electromagnetic band gap element, and antenna and filter using the same
US9326370B2 (en) Printed circuit board
US9515027B2 (en) Printed circuit board
US20090040741A1 (en) Method for transmitting moving image data and communication apparatus
US9468089B2 (en) EBG structure, semiconductor device, and circuit board
KR20100073223A (ko) 노이즈 억제 및 신호 특성 개선을 위한 전자파 억제 구조물의 배치 구조
US9313890B2 (en) Attenuation reduction structure for high frequency signal contact pads of circuit board
US8476533B2 (en) Printed circuit board
KR101560476B1 (ko) 전자 회로 및 전자 기기
WO2012039120A2 (en) Printed circuit board
US20210410269A1 (en) High-frequency circuit and communication module
US10588215B2 (en) Inter-board connection structure
CN115299184B (zh) 电路基板及电子设备
US20070194434A1 (en) Differential signal transmission structure, wiring board, and chip package
CN110784995A (zh) 电路板结构
US10912187B2 (en) Printed board
KR20120019634A (ko) 광대역 노이즈를 억제하는 전자기 밴드갭 구조
JP6399969B2 (ja) プリント基板
JP2007335618A (ja) プリント回路基板
US20080072204A1 (en) Layout design of multilayer printed circuit board
JP2005294502A (ja) コネクタ端子を有する電子回路ユニットおよび回路基板
JP6269233B2 (ja) 半導体モジュール
JP2012069814A (ja) プリント回路板
JP2005294501A (ja) コネクタ端子を有する電子回路ユニットおよび回路基板

Legal Events

Date Code Title Description
121 Ep: the epo has been informed by wipo that ep was designated in this application

Ref document number: 11776598

Country of ref document: EP

Kind code of ref document: A2

WWE Wipo information: entry into national phase

Ref document number: 13821800

Country of ref document: US

NENP Non-entry into the national phase

Ref country code: DE

122 Ep: pct application non-entry in european phase

Ref document number: 11776598

Country of ref document: EP

Kind code of ref document: A2