JP6898570B2 - 半導体集積回路装置 - Google Patents

半導体集積回路装置 Download PDF

Info

Publication number
JP6898570B2
JP6898570B2 JP2018520810A JP2018520810A JP6898570B2 JP 6898570 B2 JP6898570 B2 JP 6898570B2 JP 2018520810 A JP2018520810 A JP 2018520810A JP 2018520810 A JP2018520810 A JP 2018520810A JP 6898570 B2 JP6898570 B2 JP 6898570B2
Authority
JP
Japan
Prior art keywords
power supply
wiring
strap
switch
supply wirings
Prior art date
Legal status (The legal status is an assumption and is not a legal conclusion. Google has not performed a legal analysis and makes no representation as to the accuracy of the status listed.)
Active
Application number
JP2018520810A
Other languages
English (en)
Other versions
JPWO2017208887A1 (ja
Inventor
岡本 淳
淳 岡本
智靖 北浦
智靖 北浦
紘宜 武野
紘宜 武野
Current Assignee (The listed assignees may be inaccurate. Google has not performed a legal analysis and makes no representation or warranty as to the accuracy of the list.)
Socionext Inc
Original Assignee
Socionext Inc
Priority date (The priority date is an assumption and is not a legal conclusion. Google has not performed a legal analysis and makes no representation as to the accuracy of the date listed.)
Filing date
Publication date
Application filed by Socionext Inc filed Critical Socionext Inc
Publication of JPWO2017208887A1 publication Critical patent/JPWO2017208887A1/ja
Application granted granted Critical
Publication of JP6898570B2 publication Critical patent/JP6898570B2/ja
Active legal-status Critical Current
Anticipated expiration legal-status Critical

Links

Images

Classifications

    • HELECTRICITY
    • H10SEMICONDUCTOR DEVICES; ELECTRIC SOLID-STATE DEVICES NOT OTHERWISE PROVIDED FOR
    • H10DINORGANIC ELECTRIC SEMICONDUCTOR DEVICES
    • H10D89/00Aspects of integrated devices not covered by groups H10D84/00 - H10D88/00
    • H10D89/10Integrated device layouts
    • GPHYSICS
    • G06COMPUTING OR CALCULATING; COUNTING
    • G06FELECTRIC DIGITAL DATA PROCESSING
    • G06F1/00Details not covered by groups G06F3/00 - G06F13/00 and G06F21/00
    • G06F1/26Power supply means, e.g. regulation thereof
    • GPHYSICS
    • G06COMPUTING OR CALCULATING; COUNTING
    • G06FELECTRIC DIGITAL DATA PROCESSING
    • G06F30/00Computer-aided design [CAD]
    • G06F30/30Circuit design
    • G06F30/39Circuit design at the physical level
    • GPHYSICS
    • G06COMPUTING OR CALCULATING; COUNTING
    • G06FELECTRIC DIGITAL DATA PROCESSING
    • G06F30/00Computer-aided design [CAD]
    • G06F30/30Circuit design
    • G06F30/39Circuit design at the physical level
    • G06F30/392Floor-planning or layout, e.g. partitioning or placement
    • GPHYSICS
    • G06COMPUTING OR CALCULATING; COUNTING
    • G06FELECTRIC DIGITAL DATA PROCESSING
    • G06F30/00Computer-aided design [CAD]
    • G06F30/30Circuit design
    • G06F30/39Circuit design at the physical level
    • G06F30/394Routing
    • HELECTRICITY
    • H01ELECTRIC ELEMENTS
    • H01LSEMICONDUCTOR DEVICES NOT COVERED BY CLASS H10
    • H01L23/00Details of semiconductor or other solid state devices
    • H01L23/52Arrangements for conducting electric current within the device in operation from one component to another, i.e. interconnections, e.g. wires, lead frames
    • H01L23/522Arrangements for conducting electric current within the device in operation from one component to another, i.e. interconnections, e.g. wires, lead frames including external interconnections consisting of a multilayer structure of conductive and insulating layers inseparably formed on the semiconductor body
    • H01L23/528Layout of the interconnection structure
    • H01L23/5286Arrangements of power or ground buses
    • HELECTRICITY
    • H03ELECTRONIC CIRCUITRY
    • H03KPULSE TECHNIQUE
    • H03K19/00Logic circuits, i.e. having at least two inputs acting on one output; Inverting circuits
    • H03K19/0008Arrangements for reducing power consumption
    • H03K19/0016Arrangements for reducing power consumption by using a control or a clock signal, e.g. in order to apply power supply
    • HELECTRICITY
    • H10SEMICONDUCTOR DEVICES; ELECTRIC SOLID-STATE DEVICES NOT OTHERWISE PROVIDED FOR
    • H10DINORGANIC ELECTRIC SEMICONDUCTOR DEVICES
    • H10D84/00Integrated devices formed in or on semiconductor substrates that comprise only semiconducting layers, e.g. on Si wafers or on GaAs-on-Si wafers
    • H10D84/90Masterslice integrated circuits
    • H10D84/903Masterslice integrated circuits comprising field effect technology
    • H10D84/907CMOS gate arrays
    • HELECTRICITY
    • H10SEMICONDUCTOR DEVICES; ELECTRIC SOLID-STATE DEVICES NOT OTHERWISE PROVIDED FOR
    • H10DINORGANIC ELECTRIC SEMICONDUCTOR DEVICES
    • H10D84/00Integrated devices formed in or on semiconductor substrates that comprise only semiconducting layers, e.g. on Si wafers or on GaAs-on-Si wafers
    • H10D84/90Masterslice integrated circuits
    • H10D84/903Masterslice integrated circuits comprising field effect technology
    • H10D84/907CMOS gate arrays
    • H10D84/968Macro-architecture
    • H10D84/974Layout specifications, i.e. inner core regions
    • H10D84/981Power supply lines

Landscapes

  • Engineering & Computer Science (AREA)
  • Physics & Mathematics (AREA)
  • Computer Hardware Design (AREA)
  • Theoretical Computer Science (AREA)
  • General Engineering & Computer Science (AREA)
  • General Physics & Mathematics (AREA)
  • Geometry (AREA)
  • Evolutionary Computation (AREA)
  • Condensed Matter Physics & Semiconductors (AREA)
  • Computing Systems (AREA)
  • Mathematical Physics (AREA)
  • Microelectronics & Electronic Packaging (AREA)
  • Power Engineering (AREA)
  • Architecture (AREA)
  • Computer Networks & Wireless Communication (AREA)
  • Semiconductor Integrated Circuits (AREA)
  • Design And Manufacture Of Integrated Circuits (AREA)

Description

本開示は、半導体集積回路装置における電源遮断技術に関する。
半導体集積回路装置の低消費電力化を実現するための技術の一つに、電源遮断技術がある。電源遮断技術とは、半導体集積回路装置の内部を複数の回路ブロックに分割し、動作していない回路ブロックの電源を遮断することによって電力消費の原因となるリーク電流を抑制する技術である。特許文献1では、電源遮断領域において、電源を供給/遮断するためのスイッチを各スタンダードセル列に配置し、電源供給制御を実現する構成が開示されている。各スタンダードセルには、ストラップ電源配線からスイッチおよびスタンダードセル電源配線を経由して、電源が供給される。
特開2008−277788号公報
特許文献1の構成では、電源遮断を行う回路ブロックにおいて、各スタンダードセル電源配線に対してそれぞれ、電源を供給/遮断するためのスイッチを設ける必要がある。すなわち、多数のスイッチを回路ブロック内に配置する必要がある。このため、スイッチの面積分、回路ブロックの面積が増加することになり、また多数のスイッチの存在により、スタンダードセルの配置の自由度が下がることになる。すなわち、多数のスイッチの存在に起因した面積の増加や、スタンダードセル配置の自由度低下によるタイミング収束性の悪化に起因した設計工数の増大、という問題が生じるおそれがある。
また、スイッチ1個当たりで供給可能な電流量は定まっているため、回路ブロック内に配置するスイッチの個数は、当該回路ブロックの総電流量を基にして、必要最小限に設定することができる。ところがこの場合、スイッチの配置位置によっては、スイッチ間の距離が長くなってしまい、スイッチ間の電源配線において電圧降下が大きくなってしまうおそれがある。電源電圧降下は、回路の誤動作の原因となるため、好ましくない。
本開示は、電源遮断技術を用いた半導体集積回路装置において、配置するスイッチの個数を少なく抑えつつ、電源電圧降下を効果的に抑制可能にすることを目的とする。
本開示の態様では、半導体集積回路装置は、第1方向に並べて配置された複数のスタンダードセルをそれぞれ備え、前記第1方向と垂直をなす方向である第2方向に並べて配置された複数のスタンダードセル列と、前記第1方向に延びるようにそれぞれ配置されており、前記複数のスタンダードセルに電源を供給する複数の電源配線と、前記複数の電源配線の上層において前記第2方向に延びるように配置された、複数のストラップ電源配線と、前記複数の電源配線の上層において前記第2方向に延びるように配置され、前記複数の電源配線とそれぞれ接続された、複数の副ストラップ電源配線と、前記複数のストラップ電源配線のいずれかと、前記複数の電源配線の中のN本(Nは1以上の整数)からなる配線組との間に設けられており、制御信号に応じて、当該ストラップ電源配線と当該配線組に属する前記電源配線とを電気的に接続するか否かを切替可能に構成された、複数のスイッチセルとを備え、前記複数のスイッチセルは、前記複数のストラップ電源配線に対してそれぞれ、M(Mは3以上の整数)個の前記配線組毎に1個ずつ、配置されており、前記複数のスイッチセルの前記第2方向における配置位置は、隣り合う前記ストラップ電源配線において互いに異なっており、かつ、前記第1方向における前記ストラップ電源配線のM本ごとに、同一である。
この態様によると、各ストラップ電源配線について、スイッチセルは、電源配線のM(Mは3以上の整数)本毎に配置されている。すなわち、配置するスイッチセルの個数は少なく抑えられている。そして、ストラップ電源配線が延びる方向である第2方向における、スイッチセルの配置位置は、隣り合うストラップ電源配線において互いに異なっており、かつ、ストラップ電源配線のM本毎に、同一になっている。このため、スタンダードセルは、自己が接続された電源配線に設けられたスイッチセルから離れている場合でも、隣り合う電源配線に設けられたスイッチセルが、その近傍に配置されている。このため、そのスイッチセルから副ストラップ電源配線を介した電源供給がなされるので、電源電圧降下が抑制される。したがって、スイッチセルの個数を少なく抑えつつ、各スタンダードセルにおける電源電圧降下を抑制することができる。
そして、前記態様の半導体集積回路装置において、前記複数のスイッチセルは、前記配線組の1つである第1配線組に対してそれぞれ設けられており、前記第1方向において隣り合う第1および第2スイッチセルと、前記第1配線組と前記第2方向において隣り合う前記配線組に対して設けられた第3スイッチセルとを含み、前記第3スイッチセルは、前記第1スイッチセルが設けられた前記ストラップ電源配線と前記第2スイッチセルが設けられた前記ストラップ電源配線と間の中間位置にある、前記ストラップ電源配線に対して、設けられている、としてもよい。
また、前記態様の半導体集積回路装置において、前記複数のスイッチセルの配置を、X軸方向に延びる各行が前記配線組に対応し、Y軸方向に延びる各列が前記ストラップ電源配線に対応するマス目で表した場合において、前記スイッチセルが配置されていない第1マスと、前記スイッチセルが配置されており当該第1マスから最も近い第2マスとの、X座標の差をX、Y座標の差をYとしたとき、X+Y≦M/4の関係を満たす、としてもよい。
本開示によると、電源遮断技術を用いた半導体集積回路装置について、配置するスイッチの個数を少なく抑えつつ、電源電圧降下を効果的に抑制することができる。
第1実施形態に係る半導体集積回路装置の構成を示す平面図 スイッチセルの構成例を示す模式図 図1のIII−III断面図 図1のIV−IV断面図 第1実施形態の変形例に係る半導体集積回路装置の構成を示す平面図 第1実施形態の変形例に係る半導体集積回路装置の構成を示す平面図 第1実施形態の変形例に係る半導体集積回路装置の構成を示す平面図 第2実施形態に係る半導体集積回路装置の構成を示す平面図 第3実施形態に係る半導体集積回路装置の構成を示す平面図 第4実施形態に係る半導体集積回路装置の構成を示す平面図 図1の構成におけるスイッチセル配置を概念的に表す図 対比例としてのスイッチセル配置を概念的に表す図 スイッチセルの配置手法を説明するための図 (a)〜(d)はスイッチセル配置の他の例を概念的に表す図 (a)〜(c)はスイッチセル配置の他の例を概念的に表す図
以下、実施の形態について、図面を参照して説明する。
(第1実施形態)
図1は第1実施形態に係る半導体集積回路装置の構成を示す平面図であり、電源遮断を行う回路ブロックにおけるレイアウトパターンを簡略化して図示している(以降の平面図も同様)。図1に示す半導体集積回路装置は、基板に、複数のスタンダードセル1が配置されている。X方向(図面横方向、第1方向に相当)に並べて配置された複数のスタンダードセル1を備えたスタンダードセル列2が、Y方向(図面縦方向、第1方向と垂直をなす方向である第2方向)に複数行配置されている。スタンダードセル1は、例えばインバータや論理回路等の機能を有する基本回路素子であり、スタンダードセル1を組み合わせて配置配線することによって、所定の機能を実現する半導体集積回路装置を設計・製造することができる。スタンダードセル1は、P型MOS(Metal Oxide Semiconductor)トランジスタ(PMOS)が形成されるN型領域とN型MOSトランジスタ(NMOS)が形成されるP型領域とをそれぞれ有している。本開示では、スタンダードセル1は、N型領域とP型領域とがY方向に並べて配置されており、かつ、スタンダードセル列2は、1行おきに、N型領域とP型領域との並びが反転しているものとする。なお、スタンダードセル1の内部構造については図示を省略している。
スタンダードセル列2同士の間に、スタンダードセル1に電源電位を供給するスタンダードセル電源配線3(右横にVVDDと記す)と、スタンダードセル1に接地電位を供給する接地電源配線4(右横にVSSと記す)とが、交互に、配置されている。スタンダードセル電源配線3および接地電源配線4はともに、X方向に延びるように配置されている。スタンダードセル電源配線3は、そのY方向両側のスタンダードセル列2に電源電位を供給する。また接地電源配線4は、そのY方向両側のスタンダードセル列2に接地電位を供給する。そして、各スタンダードセル電源配線3に対して、スイッチセル20(ハッチを付している)が設けられている。スイッチセル20は、スタンダードセル1に対する電源供給を遮断するか否かを制御するものであり、制御信号に応じて、スタンダードセル電源配線3と、後述するストラップ電源配線11とを電気的に接続するか否かを切替可能に構成されている。制御信号は例えば、電源遮断を制御する制御ブロックから送られる。
図2はスイッチセル20の構成例を示す模式図である。なお図2では、構成を回路記号によって図示しているが、実際には、拡散領域やゲート配線、メタル配線等からなるレイアウトが形成される。図2に示すスイッチセル20は、ダブルハイトセルであり、ストラップ電源配線11と接続される入力端子21と、制御信号を受ける制御端子22と、PMOS23と、制御端子22に与えられた制御信号を受けるバッファ24とを備えている。PMOS23は、ソースが入力端子21と接続され、ドレインがスタンダードセル電源配線3と接続され、ゲートにバッファ24の出力を受ける。制御信号がハイレベルのとき、PMOS23は導通せず、入力端子21とスタンダードセル電源配線3とは電気的に遮断される。一方、制御信号がローレベルのとき、PMOS23は導通し、入力端子21とスタンダードセル電源配線3とは電気的に接続される。なお、図2では図示を省略しているが、バッファ24には入力端子21を介して電源が供給される。
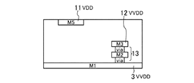
図1に戻り、スタンダードセル列2やスタンダードセル電源配線3の上層に、Y方向に延びるように配置されたストラップ電源配線11が設けられている。ストラップ電源配線11は、その下方に配置されているスイッチセル20の入力端子21と接続されている。また、スタンダードセル列2やスタンダードセル電源配線3の上層に、Y方向に延びるように配置された副ストラップ電源配線12が設けられている。副ストラップ電源配線12は、ビア構造13を介して、その下方を通過するスタンダードセル電源配線3と接続されている。図1の構成では、ストラップ電源配線11は、平面視において、スイッチセル20と重なりを有している。また、副ストラップ電源配線12も、平面視において、スイッチセル20と重なりを有している。なお本願明細書では、「ストラップ電源配線」は、スタンダードセル列2の方向と直交する方向に延びる電源配線という意味で用いている。また、図1では図示を省略しているが、接地電位を供給するためのストラップ電源配線も、スタンダードセル列2やスタンダードセル電源配線3の上層に、図面縦方向に延びるように配置されている。
なお、図1では、電源供給元からスイッチセル20までの電源配線、すなわちストラップ電源配線11には「VDD」と記しており、スイッチセル20を経由した後の電源配線、すなわち副ストラップ電源配線12およびスタンダードセル電源配線3には「VVDD」と記している。以降の図でも同様である、ただし、スイッチセル20におけるPMOS23の導通時に供給される電源電位は、「VDD」と記された電源配線と「VVDD」と記された電源配線とで共通である。
図3は図1のIII−III断面図、図4は図1のIV−IV断面図であり、いずれもスイッチセル20が配置された箇所における断面構造を示している。図1の半導体集積回路装置は、基板上に5層以上の配線層を有している。図3および図4に示すように、基板側から順に積層するように、第1〜第5配線層(M1〜M5)が形成されている。ストラップ電源配線11は第5配線層(M5)に形成されており、副ストラップ電源配線12は第3配線層(M3)に形成されている。すなわち、ここでは、副ストラップ電源配線12は、ストラップ電源配線11よりも下層に設けられている。またスタンダードセル電源配線3は、第1配線層(M1)に形成されている。また図示はしていないが、接地電源配線4は第1配線層に形成されており、スタンダードセル1の信号配線は主に第1配線層に形成されている。なお図1において、第1、第2および第4配線層の優先配線方向はX方向であり、第3および第5配線層の優先配線方向はY方向である。
ここで、図1の構成におけるスイッチセル20の配置位置について、説明する。スイッチセル20は、ストラップ電源配線11とスタンダードセル電源配線3とが平面視で交差する箇所において、当該ストラップ電源配線11と当該スタンダードセル電源配線3との間に、設けられている。ただし、ストラップ電源配線11とスタンダードセル電源配線3とが平面視で交差する箇所であっても、スイッチセル20が配置されていない箇所がある。
図1の構成では、各ストラップ電源配線11について、スイッチセル20は、スタンダードセル電源配線3の4本毎に配置されている。言い換えると、各ストラップ電源配線11について、Y方向において隣り合うスイッチセル20同士の間には、3本のスタンダードセル電源配線3が存在する。そして、スイッチセル20のY方向における配置位置は、隣り合うストラップ電源配線11において互いに異なっている。また、スイッチセル20のY方向における配置位置は、ストラップ電源配線11の4本毎に、同一になっている。
例えば、図面下側の4本のスタンダードセル電源配線3((1)〜(4)を付している)と、図面左側の4本のストラップ電源配線11((1)〜(4)を付している)とに着目する。ストラップ電源配線11(1)は、スタンダードセル電源配線3(1)との間にのみスイッチセル20が配置されており、他のスタンダードセル電源配線3(2)〜(4)との間にはスイッチセル20は配置されていない。同様に、ストラップ電源配線11(2)は、スタンダードセル電源配線3(3)との間にのみスイッチセル20が配置されており、ストラップ電源配線11(3)は、スタンダードセル電源配線3(2)との間にのみスイッチセル20が配置されており、ストラップ電源配線11(4)は、スタンダードセル電源配線3(4)との間にのみスイッチセル20が配置されている。すなわち、4本のストラップ電源配線11(1)〜(4)について、スタンダードセル電源配線3(1),(3),(2),(4)の順で、その間にスイッチセル20が配置されている。そして、このようなスイッチセル20の配置が、X方向およびY方向において繰り返されている。
ここで、スタンダードセル1A(ハッチを付している)に着目する。図1では、スタンダードセル1Aに対する電源供給経路の一部に矢印付き破線を付している。スタンダードセル1Aは、スタンダードセル電源配線3(2)に接続されるが、スタンダードセル電源配線3(2)に設けられたスイッチセル201,202からは離れている。このため、電源電圧降下が懸念される。この一方で、スタンダードセル電源配線3(2)に隣りあうスタンダードセル電源配線3(1)には、スタンダードセル1Aに近接した位置に、スイッチセル203が配置されている。このため、スタンダードセル1Aは、スイッチセル203から副ストラップ電源配線12を介して電源が供給されるので、電源電圧降下が抑制される。すなわち、第1スイッチセルとしてのスイッチセル201と第2スイッチセルとしてのスイッチセル202は、スタンダードセル電源配線3(2)に対してそれぞれ設けられており、X方向において隣り合っている。第3スイッチセルとしてのスイッチセル203は、スタンダードセル電源配線3(2)とY方向において隣りあうスタンダードセル電源配線3(1)に設けられている。そして、スイッチセル203は、スイッチセル201が設けられたストラップ電源配線11とスイッチセル202が設けられたストラップ電源配線11との間の中間位置にある、ストラップ電源配線11に対して、設けられている。
このように、図1の構成では、スタンダードセル1は、自己が接続されたスタンダードセル電源配線3に設けられたスイッチセル20から離れている場合でも、隣り合うスタンダードセル電源配線3に設けられたスイッチセル20が、その近傍に配置されている。例えば、X方向において隣り合うスイッチセル20同士の間の中間位置にあるスタンダードセル1に、Y方向において隣り合う位置に、スイッチセル20が配置されている。このため、そのスイッチセル20から副ストラップ電源配線12を介した電源供給がなされるので、電源電圧降下が抑制される。したがって、本実施形態によると、スイッチセル20の個数を少なく抑えつつ、各スタンダードセル1における電源電圧降下を抑制することができる。
なお、図1の構成では、副ストラップ電源配線12は、ストラップ電源配線11の隣りにそれぞれ並べて配置しているが、これに限られるものではない。例えば、副ストラップ電源配線12を、ストラップ電源配線11から間隔を空けて配置し、スイッチセル20と平面視で重ならないようにしてもかまわない。また、一部のストラップ電源配線11には、副ストラップ電源配線12を隣りに並べないようにしてもよい。
また、図1の構成では、スイッチセル20は、ストラップ電源配線11の下方に配置されており、ストラップ電源配線11は平面視においてスイッチセル20と重なりを有しているものとしたが、これに限られるものではない。ただし、スイッチセル20をストラップ電源配線11の下方に配置した場合、スイッチセル20の入力端子21とストラップ電源配線11との間の配線やビア等の経路における抵抗値が小さくなるため、電源電圧の電圧降下が抑制される。また、図1の構成では、副ストラップ電源配線12は平面視においてスイッチセル20と重なりを有しているものとしたが、これに限られるものではない。
また、図1の構成では、副ストラップ電源配線12は、下方を通過する全てのスタンダードセル電源配線3と電気的に接続しているが、これに限られるものではない。例えば、下方を通過するスタンダードセル電源配線3の一部のみと電気的に接続するものとしてもよい。
(変形例1)
図1の構成では、4本のストラップ電源配線11(1)〜(4)について、スタンダードセル電源配線3(1),(3),(2),(4)の順で、その間にスイッチセル20が配置されているものとした。ただし、スイッチセル20の配置パターンは、図1に示したものに限られるものではない。
図5は本実施形態の変形例1に係る半導体集積回路装置の構成を示す平面図である。スタンダードセル1の配置や、スタンダードセル電源配線3、接地電源配線4、ストラップ電源配線11および副ストラップ電源配線12の配置に関しては、図1と同様であり、ここではその詳細な説明を省略する。
図5の構成では、図1の構成と同様に、各ストラップ電源配線11について、スイッチセル20は、スタンダードセル電源配線3の4本毎に配置されている。そして、スイッチセル20のY方向における配置位置は、隣り合うストラップ電源配線11において互いに異なっている。また、スイッチセル20のY方向における配置位置は、ストラップ電源配線11の4本毎に、同一になっている。
ただし、図5の構成では、スイッチセル20の配置パターンが、図1の構成と異なっている。すなわち、ストラップ電源配線11(1)は、スタンダードセル電源配線3(1)との間にのみスイッチセル20が配置されており、他のスタンダードセル電源配線3(2)〜(4)との間にはスイッチセル20は配置されていない。同様に、ストラップ電源配線11(2)は、スタンダードセル電源配線3(2)との間にのみスイッチセル20が配置されており、ストラップ電源配線11(3)は、スタンダードセル電源配線3(3)との間にのみスイッチセル20が配置されており、ストラップ電源配線11(4)は、スタンダードセル電源配線3(4)との間にのみスイッチセル20が配置されている。すなわち、4本のストラップ電源配線11(1)〜(4)について、スタンダードセル電源配線3(1),(2),(3),(4)の順に、その間にスイッチセル20が配置されている。そして、このようなスイッチセル20の配置が、X方向およびY方向において繰り返されている。
図5の構成においても、スタンダードセル1は、自己が接続されたスタンダードセル電源配線3に設けられたスイッチセル20から離れている場合でも、隣り合うスタンダードセル電源配線3に設けられたスイッチセル20が、その近傍に配置されている。このため、そのスイッチセル20から副ストラップ電源配線12を介した電源供給がなされるので、電源電圧降下が抑制される。したがって、スイッチセル20の個数を少なく抑えつつ、各スタンダードセル1における電源電圧降下を抑制することができる。
(変形例2)
図6は本実施形態の変形例2に係る半導体集積回路装置の構成を示す平面図である。図6では、図の簡略化のために、スタンダードセル1の配置に関しては図示を省略している。また、スタンダードセル電源配線3、接地電源配線4、ストラップ電源配線11および副ストラップ電源配線12の配置に関しては、図1とほぼ同様であり、ここではその詳細な説明を省略する。
図6の構成では、スイッチセル25は、Y方向におけるサイズすなわちセル高さが図1のスイッチセル20の2倍になっており、スタンダードセル列2の4列分のセル高さを有している。そして、各スイッチセル25は、ストラップ電源配線11と2本のスタンダードセル電源配線3との間に設けられている。すなわち、2本のスタンダードセル電源配線3を1個の「配線組」として捉えたとき、各スイッチセル25は、ストラップ電源配線11と配線組との間に設けられている。
そして図6の構成では、各ストラップ電源配線11について、スイッチセル25は、4個の配線組毎に配置されている。そして、スイッチセル25のY方向における配置位置は、隣り合うストラップ電源配線11において互いに異なっている。また、スイッチセル25のY方向における配置位置は、ストラップ電源配線11の4本毎に、同一になっている。
例えば、図面左側の4本のストラップ電源配線11((1)〜(4)を付している)と、図面下側の4個の配線組(1)〜(4)に着目する。ストラップ電源配線11(1)は、配線組(1)との間にのみスイッチセル25が配置されており、他の配線組(2)〜(4)との間にはスイッチセル25は配置されていない。同様に、ストラップ電源配線11(2)は、配線組(3)との間にのみスイッチセル25が配置されており、ストラップ電源配線11(3)は、配線組(2)との間にのみスイッチセル25が配置されており、ストラップ電源配線11(4)は、配線組(4)との間にのみスイッチセル25が配置されている。すなわち、4本のストラップ電源配線11(1)〜(4)について、配線組(1),(3),(2),(4)の順に、その間にスイッチセル25が配置されている。そして、このようなスイッチセル25の配置が、X方向およびY方向において繰り返されている。
すなわち、図6の構成では、図1のスイッチセル20と同様の配置パターンに従って、スイッチセル25が配置されている。したがって、スイッチセル25の個数を少なく抑えつつ、各スタンダードセル1における電源電圧降下を抑制することができる。
なお、スイッチセル25の配置パターンは、図1に示したものに限られるものではない。例えば図5の構成と同様に、4本のストラップ電源配線11(1)〜(4)について、配線組(1),(2),(3),(4)の順に、その間にスイッチセル25が配置されるようにしてもよい。
(変形例3)
図7は本実施形態の変形例3に係る半導体集積回路装置の構成を示す平面図である。図7では、図の簡略化のために、スタンダードセル1の配置に関しては図示を省略している。また、スタンダードセル電源配線3、接地電源配線4、ストラップ電源配線11および副ストラップ電源配線12の配置に関しては、図1とほぼ同様であり、ここではその詳細な説明を省略する。
図7の構成では、スイッチセル26は、Y方向におけるサイズすなわちセル高さが図1のスイッチセル20の3倍になっており、スタンダードセル列2の6列分のセル高さを有している。そして、各スイッチセル26は、ストラップ電源配線11と3本のスタンダードセル電源配線3との間に設けられている。すなわち、3本のスタンダードセル電源配線3を1個の「配線組」として捉えたとき、各スイッチセル26は、ストラップ電源配線11と配線組との間に設けられている。
そして図7の構成では、図6の構成と同様に、各ストラップ電源配線11について、スイッチセル26は、4個の配線組毎に配置されている。そして、スイッチセル26のY方向における配置位置は、隣り合うストラップ電源配線11において互いに異なっている。また、スイッチセル26のY方向における配置位置は、ストラップ電源配線11の4本毎に、同一になっている。
例えば、図面左側の4本のストラップ電源配線11((1)〜(4)を付している)と、図面下側の4個の配線組(1)〜(4)に着目する。ストラップ電源配線11(1)は、配線組(1)との間にのみスイッチセル26が配置されており、他の配線組(2)〜(4)との間にはスイッチセル26は配置されていない。同様に、ストラップ電源配線11(2)は、配線組(3)との間にのみスイッチセル26が配置されており、ストラップ電源配線11(3)は、配線組(2)との間にのみスイッチセル26が配置されており、ストラップ電源配線11(4)は、配線組(4)との間にのみスイッチセル26が配置されている。すなわち、4本のストラップ電源配線11(1)〜(4)について、配線組(1),(3),(2),(4)の順に、その間にスイッチセル26が配置されている。そして、このようなスイッチセル26の配置が、X方向およびY方向において繰り返されている。
すなわち、図7の構成は、図1の構成と同様の配置パターンに従って、スイッチセル26が配置されている。したがって、スイッチセル26の個数を少なく抑えつつ、各スタンダードセル1における電源電圧降下を抑制することができる。
なお、スイッチセル26の配置パターンは、図7に示したものに限られるものではない。例えば図5の構成と同様に、4本のストラップ電源配線11(1)〜(4)について、配線組(1),(2),(3),(4)の順に、その間にスイッチセル26が配置されていてもよい。
ここで、変形例2では、2本のスタンダードセル電源配線3を1個の「配線組」として捉えるものとし、変形例3では、3本のスタンダードセル電源配線3を1個の「配線組」として捉えるものとしたが、配線組に属するスタンダードセル電源配線3の本数は、2本または3本に限られるものではない。例えば、4本のスタンダードセル電源配線3を1個の「配線組」として捉えて、スタンダードセル列2の8列分のセル高さを有するスイッチセルを、本実施形態と同様に配置してもよい。また、図1や図5の構成は、1本のスタンダードセル電源配線3を1個の「配線組」として捉えたものに相当する。すなわち、N本(Nは1以上の整数)のスタンダードセル電源配線3を1個の配線組として捉えて、スイッチセルを配置すればよい。
(第2実施形態)
図8は第2実施形態に係る半導体集積回路装置の構成を示す平面図である。スタンダードセル1の配置や、スタンダードセル電源配線3、接地電源配線4、ストラップ電源配線11および副ストラップ電源配線12の配置に関しては、図1と同様であり、ここではその詳細な説明を省略する。
図8では、図1と対比すると、ストラップ電源配線11および副ストラップ電源配線12の上層に、X方向に延びる上層電源配線14が配置されている。上層電源配線14は、その下層にある副ストラップ電源配線12とビア16によって接続されている。このように、副ストラップ電源配線12同士を接続する上層電源配線14を設けることによって、電源供給の強化ができるので、電源電圧降下をより抑制することが可能になる。
なお、図8の構成では、上層電源配線14は、下方を通過する全ての副ストラップ電源配線12と電気的に接続されているが、これに限られるものではない。例えば、上層電源配線14は、下方を通過する副ストラップ電源配線12の一部のみと電気的に接続するものとしてもよい。
(第3実施形態)
図9は第3実施形態に係る半導体集積回路装置の構成を示す平面図である。スタンダードセル1の配置や、スタンダードセル電源配線3、接地電源配線4およびストラップ電源配線11の配置に関しては、図1と同様であり、ここではその詳細な説明を省略する。
図9では、図1と対比すると、副ストラップ電源配線の本数が増えている。例えば、領域A1,A2では、ストラップ電源配線11同士の間に、副ストラップ電源配線12が2本配置されている。また、領域A3では、ストラップ電源配線11同士の間に、副ストラップ電源配線12に加えて、副ストラップ電源配線12とは異なる配線層(ここでは第5配線層(M5)とする)に形成された副ストラップ電源配線15が配置されている。なお、ストラップ電源配線11同士の間に、副ストラップ電源配線12,15を3本以上配置してもかまわない。
このように、副ストラップ電源配線12,15の本数を増やすことによって、スイッチセル20の個数を増やすことなく、電源供給の強化ができるので、半導体集積回路装置の面積増加を抑制することができる。
(第4実施形態)
図10は第4実施形態に係る半導体集積回路装置の構成を示す平面図である。スタンダードセル1の配置や、スタンダードセル電源配線3、接地電源配線4、ストラップ電源配線11および副ストラップ電源配線12の配置に関しては、図1とほぼ同様であり、ここではその詳細な説明を省略する。
図10の構成では、標準の駆動能力を有するスイッチセル20aと、高い駆動能力を有するスイッチセル20bとが配置されている。スイッチセル20aとスイッチセル20bとは、トランジスタサイズが互いに異なっている。ここで、破線で囲んだ領域Xは電源供給を強化したい領域である。ところが、領域Xにはスタンダードセル1が高密度で配置されているため、スイッチセル20aをこれ以上追加できない。そこで、領域Xの周囲に、スイッチセル20aよりも駆動能力が高いスイッチセル20bを配置している。これにより、領域X内に、駆動能力が高いスイッチセル20bから副ストラップ電源配線12を介して、電源を供給することができる。
(スイッチセルの配置パターンおよび配置手法)
図11は図1の構成におけるスイッチセル20の配置パターンを概念的に示す図である。図11では、X軸方向に延びる各行がスタンダードセル電源配線3に対応し、Y軸方向に延びる各列がストラップ電源配線11に対応している。そして、各マスはそれぞれ、スタンダードセル電源配線3とストラップ電源配線11とが平面視で交差した箇所、言い換えると、スイッチセル20が配置される可能性がある箇所に対応している。そして、灰色のマスはスイッチセル20が配置された箇所を表しており、白いマスはスイッチセル20が配置されていない箇所を表している。なお、図6や図7の構成のように、スイッチセル20よりもセル高さが高いスイッチセル25,26が、複数のスタンダードセル電源配線3に対して配置されている場合は、図11のX軸方向に延びる各行は、複数のスタンダードセル電源配線3からなる「配線組」に対応することになる。
図11において、白いマスには、当該マスに最も近い灰色のマスまでの距離を表す数字が記されている。具体的には、当該マスと灰色のマスとの間の、X座標の差およびY座標の差を加えた値の、最小値を記している。図11では、白いマスは、全て「1」が記されている。すなわち、スイッチセルが配置されていない箇所はいずれも、その上下左右のいずれかにスイッチセルが配置されている。
図12は対比例としてのスイッチセルの配置パターンを概念的に示す図である。図12では、スイッチセルはいわゆる千鳥状に配置されている。図12から分かるように、この千鳥状の配置パターンでも、白いマスは全て「1」が記されており、スイッチセルが配置されていない箇所はいずれも、その上下左右のいずれかにスイッチセルが配置されている。したがって、電源電圧降下の抑制効果は得られる。ただし、図11と対比すると分かるように、必要とするスイッチセルの個数が、上述の実施形態の2倍になっており、格段に多くなっている。すなわち、本実施形態では、スイッチセルの個数を少なく抑えつつ、各スタンダードセル1における電源電圧降下を抑制することができる。
なお、上述の実施形態では、4本のストラップ電源配線11と、4本のスタンダードセル電源配線3または4個の配線組とを1つの単位として、スイッチセル20,25,26の配置パターンが設定されていた。ただし、本開示はこれに限定されるものではない。すなわち、M(Mは3以上の整数)本のストラップ電源配線11と、M本のスタンダードセル電源配線3またはM個の配線組とを1つの単位として、スイッチセル20,25,26の配置パターンを設定すればよい。
この場合、スイッチセルの配置パターンは、例えば次のように設定すればよい。図13を参照して、M=8の場合を例にとって、説明する。まず、M個×M個のマスからなるマス目を作成する。マス目において、X軸方向に延びる各行は、スタンダードセル電源配線3または複数のスタンダードセル電源配線3からなる配線組に対応し、Y軸方向に延びる各列は、ストラップ電源配線11に対応している。まず、左上の座標(1,1)を出発点とし、スイッチセルを配置する。その後、1マス下に下りてからmx(図13ではmx=3)段右に移動し、その座標にスイッチセルを配置する。この動作を繰り返し行う。この結果、図13に示すような配置パターンが得られる。
図14および図15は上のような手法によって得られたスイッチセルの配置パターンである。図14において、(a)はM=3、(b)はM=5、(c)はM=6、(d)はM=7の場合であり、図15において、(a)はM=8、(b)はM=12、(c)はM=16の場合である。表現方法は図11と同一であり、灰色のマスは、スイッチセルが配置された箇所に対応しており、白いマスには、当該マスに最も近い灰色のマス(すなわち最も近いスイッチセル)までの距離を表す数字が記されている。
Mの値と、移動量mxの値との関係は次のとおりである。
M=3:mx=2
M=4:mx=2,3,2の順
M=5:mx=2
M=6:mx=2,3,4,4,3,2の順
M=7:mx=3
M=8:mx=3
M=12:mx=5
M=16:mx=5
ここで、白いマスに記された数字の最大値をDmaxとすると、次のようになる。
M=3:Dmax=1
M=4:Dmax=1
M=5:Dmax=1
M=6:Dmax=2
M=7:Dmax=2
M=8:Dmax=2
M=12:Dmax=3
M=16:Dmax=4
この例では、M=4,5,8,12,16では、次の関係が成り立っている。
Dmax ≦ M/4
図14および図15に示すスイッチセルの配置パターンを半導体集積回路装置に適用することによって、電源電圧降下を、少ない個数のスイッチセルによって、より効果的に抑制することができる。
(その他の実施形態)
上の説明では、ストラップ電源配線11は第5配線層に設けられ、副ストラップ電源配線12,15は第3配線層および第5配線層に設けられるものとしたが、ストラップ電源配線や副ストラップ電源配線が形成される配線層はこれらに限られるものではない。ただし、副ストラップ電源配線は、スタンダードセル電源配線にできるだけ近い配線層に形成することが好ましい。これにより、副ストラップ電源配線とスタンダードセル電源配線との間の配線やビア等の経路における抵抗値が小さくなり、電源電位の低下を抑制することができる。また、上の説明では、スタンダードセル電源配線3は第1配線層に設けられるものとしたが、これに限られるものではなく、例えば複数の配線層に設けてもかまわない。
また、図2に示したスイッチセル20の構成はあくまでも一例であり、スイッチセル20は、制御信号に応じて、スタンダードセル電源配線3とストラップ電源配線11とを電気的に接続するか否かを切替可能に構成されていればよい。例えば図2において、バッファ24に代えてインバータを用いてもよい。この場合は、制御信号の論理と接続/遮断との関係が上で説明したものと逆になる。あるいは、図2に示した回路構成を2組設けてもかまわない。また、図2の構成例では、スイッチセル20はダブルハイトセルとしたが、シングルハイトセルとしてもよい。
また、上の説明では、電源電位を供給するスタンダードセル電源配線3に対してスイッチセル20を設けるものとしたが、これに代えて、接地電位を供給する接地電源配線4にスイッチセルを設けて、上で説明したものと同様の構成を適用してもよい。この場合は,副ストラップ電源配線は、接地電源配線4を接続するように設ければよい。
本開示では、電源遮断技術を用いた半導体集積回路装置について、スイッチセルを増やすことなく、電源供給の強化が可能になるので、例えば、LSIの消費電力削減や面積削減に有効である。
1 スタンダードセル
2 スタンダードセル列
3 スタンダードセル電源配線(電源配線)
11 ストラップ電源配線
12,15 副ストラップ電源配線
14 上層電源配線
20,20a,20b スイッチセル
25,26 スイッチセル
201 第1スイッチセル
202 第2スイッチセル
203 第3スイッチセル

Claims (12)

  1. 第1方向に並べて配置された複数のスタンダードセルをそれぞれ備え、前記第1方向と垂直をなす方向である第2方向に並べて配置された複数のスタンダードセル列と、
    前記第1方向に延びるようにそれぞれ配置されており、前記複数のスタンダードセルに電源を供給する複数の電源配線と、
    前記複数の電源配線の上層において前記第2方向に延びるように配置された、複数のストラップ電源配線と、
    前記複数の電源配線の上層において前記第2方向に延びるように配置され、前記複数の電源配線とそれぞれ接続された、複数の副ストラップ電源配線と、
    前記複数のストラップ電源配線のいずれかと、前記複数の電源配線の中のN本(Nは1以上の整数)からなる配線組との間に設けられており、制御信号に応じて、当該ストラップ電源配線と当該配線組に属する前記電源配線とを電気的に接続するか否かを切替可能に構成された、複数のスイッチセルとを備え、
    前記複数のスイッチセルは、前記複数のストラップ電源配線に対してそれぞれ、M(Mは3以上の整数)個の前記配線組毎に1個ずつ、配置されており、
    前記複数のスイッチセルの前記第2方向における配置位置は、隣り合う前記ストラップ電源配線において互いに異なっており、かつ、前記第1方向における前記ストラップ電源配線のM本ごとに、同一である
    ことを特徴とする半導体集積回路装置。
  2. 請求項1記載の半導体集積回路装置において、
    前記複数の副ストラップ電源配線の上層に、前記第1方向に延びるように配置されており、前記複数の副ストラップ電源配線とそれぞれ接続された、上層電源配線を備えた
    ことを特徴とする半導体集積回路装置。
  3. 請求項1記載の半導体集積回路装置において、
    前記副ストラップ電源配線は、前記ストラップ電源配線よりも下層に設けられている
    ことを特徴とする半導体集積回路装置。
  4. 請求項1記載の半導体集積回路装置において、
    前記ストラップ電源配線は、平面視において、前記スイッチセルと重なりを有している
    ことを特徴とする半導体集積回路装置。
  5. 請求項1記載の半導体集積回路装置において、
    前記副ストラップ電源配線は、平面視において、前記スイッチセルと重なりを有している
    ことを特徴とする半導体集積回路装置。
  6. 請求項1記載の半導体集積回路装置において、
    前記複数のストラップ電源配線は、に前記副ストラップ電源配線が2本以上配置された、2本のストラップ電源配線を含む
    ことを特徴とする半導体集積回路装置。
  7. 請求項1記載の半導体集積回路装置において、
    前記複数の副ストラップ電源配線は、配置された層が互いに異なる、2本の副ストラップ電源配線を含む
    ことを特徴とする半導体集積回路装置。
  8. 請求項1記載の半導体集積回路装置において、
    前記スイッチセルは、トランジスタサイズが互いに異なる、2個のスイッチセルを含む
    ことを特徴とする半導体集積回路装置。
  9. 第1方向に並べて配置された複数のスタンダードセルをそれぞれ備え、前記第1方向と垂直をなす方向である第2方向に並べて配置された複数のスタンダードセル列と、
    前記第1方向に延びるようにそれぞれ配置されており、前記複数のスタンダードセルに電源を供給する複数の電源配線と、
    前記複数の電源配線の上層において前記第2方向に延びるように配置された、複数のストラップ電源配線と、
    前記複数の電源配線の上層において前記第2方向に延びるように配置され、前記複数の電源配線とそれぞれ接続された、複数の副ストラップ電源配線と、
    前記複数のストラップ電源配線のいずれかと、前記複数の電源配線の中のN本(Nは1以上の整数)からなる配線組との間に設けられており、制御信号に応じて、当該ストラップ電源配線と当該配線組に属する前記電源配線とを電気的に接続するか否かを切替可能に構成された、複数のスイッチセルとを備え、
    前記複数のスイッチセルは、前記複数のストラップ電源配線に対してそれぞれ、M(Mは3以上の整数)個の前記配線組毎に1個ずつ、配置されており、
    前記複数のスイッチセルの前記第2方向における配置位置は、隣り合う前記ストラップ電源配線において互いに異なっており、かつ、前記第1方向における前記ストラップ電源配線のM本ごとに、同一であり、
    前記複数のスイッチセルは、前記配線組の1つである第1配線組に対してそれぞれ設けられており、前記第1方向において隣り合う第1および第2スイッチセルと、前記第1配線組と前記第2方向において隣り合う前記配線組に対して設けられた第3スイッチセルとを含み、
    前記第3スイッチセルは、前記第1スイッチセルが設けられた前記ストラップ電源配線と前記第2スイッチセルが設けられた前記ストラップ電源配線と間の中間位置にある、前記ストラップ電源配線に対して、設けられている
    ことを特徴とする半導体集積回路装置。
  10. 請求項9記載の半導体集積回路装置において、
    Mは4である
    ことを特徴とする半導体集積回路装置。
  11. 第1方向に並べて配置された複数のスタンダードセルをそれぞれ備え、前記第1方向と垂直をなす方向である第2方向に並べて配置された複数のスタンダードセル列と、
    前記第1方向に延びるようにそれぞれ配置されており、前記複数のスタンダードセルに電源を供給する複数の電源配線と、
    前記複数の電源配線の上層において前記第2方向に延びるように配置された、複数のストラップ電源配線と、
    前記複数の電源配線の上層において前記第2方向に延びるように配置され、前記複数の電源配線とそれぞれ接続された、複数の副ストラップ電源配線と、
    前記複数のストラップ電源配線のいずれかと、前記複数の電源配線の中のN本(Nは1以上の整数)からなる配線組との間に設けられており、制御信号に応じて、当該ストラップ電源配線と当該配線組に属する前記電源配線とを電気的に接続するか否かを切替可能に構成された、複数のスイッチセルとを備え、
    前記複数のスイッチセルは、前記複数のストラップ電源配線に対してそれぞれ、M(Mは3以上の整数)個の前記配線組毎に1個ずつ、配置されており、
    前記複数のスイッチセルの前記第2方向における配置位置は、隣り合う前記ストラップ電源配線において互いに異なっており、かつ、前記第1方向における前記ストラップ電源配線のM本ごとに、同一であり、
    前記複数のスイッチセルの配置を、X軸方向に延びる各行が前記配線組に対応し、Y軸方向に延びる各列が前記ストラップ電源配線に対応するマス目で表した場合において、
    前記スイッチセルが配置されていない第1マスと、前記スイッチセルが配置されており当該第1マスから最も近い第2マスとの、X座標の差をX、Y座標の差をYとしたとき、
    X+Y≦M/4
    の関係を満たす
    ことを特徴とする半導体集積回路装置。
  12. 請求項11記載の半導体集積回路装置において、
    Mは4,8,12,16のうちのいずれかである
    ことを特徴とする半導体集積回路装置。
JP2018520810A 2016-06-01 2017-05-22 半導体集積回路装置 Active JP6898570B2 (ja)

Applications Claiming Priority (5)

Application Number Priority Date Filing Date Title
JP2016110402 2016-06-01
JP2016110402 2016-06-01
JP2017077462 2017-04-10
JP2017077462 2017-04-10
PCT/JP2017/019015 WO2017208887A1 (ja) 2016-06-01 2017-05-22 半導体集積回路装置

Publications (2)

Publication Number Publication Date
JPWO2017208887A1 JPWO2017208887A1 (ja) 2019-03-28
JP6898570B2 true JP6898570B2 (ja) 2021-07-07

Family

ID=60477489

Family Applications (1)

Application Number Title Priority Date Filing Date
JP2018520810A Active JP6898570B2 (ja) 2016-06-01 2017-05-22 半導体集積回路装置

Country Status (4)

Country Link
US (1) US10734373B2 (ja)
JP (1) JP6898570B2 (ja)
CN (1) CN109155284B (ja)
WO (1) WO2017208887A1 (ja)

Families Citing this family (17)

* Cited by examiner, † Cited by third party
Publication number Priority date Publication date Assignee Title
US11011545B2 (en) 2017-11-14 2021-05-18 Taiwan Semiconductor Manufacturing Co., Ltd. Semiconductor device including standard cells
DE102018108836B4 (de) 2017-11-14 2023-10-05 Taiwan Semiconductor Manufacturing Co. Ltd. Halbleitervorrichtungen mit standardzellen
CN110531136B (zh) * 2018-05-23 2021-11-12 中芯国际集成电路制造(上海)有限公司 标准单元漏电流的测试电路及测试方法
US10784199B2 (en) * 2019-02-20 2020-09-22 Micron Technology, Inc. Component inter-digitated VIAS and leads
JP7080845B2 (ja) * 2019-03-20 2022-06-06 株式会社東芝 半導体装置
JP7259944B2 (ja) 2019-04-25 2023-04-18 株式会社ソシオネクスト 半導体装置
CN113767466B (zh) 2019-04-25 2024-08-02 株式会社索思未来 半导体装置
CN110752203B (zh) * 2019-10-30 2021-03-23 珠海格力电器股份有限公司 一种低功耗芯片及其制备方法
US12136595B2 (en) 2019-12-10 2024-11-05 Samsung Electronics Co., Ltd. Semiconductor device including power gating switches
CN113688594B (zh) * 2020-05-18 2024-06-21 元太科技工业股份有限公司 电子装置
CN116472605B (zh) * 2020-11-27 2025-06-24 株式会社索思未来 半导体集成电路装置的设计方法、半导体集成电路装置以及计算机可读记录介质
JP7600701B2 (ja) 2021-01-19 2024-12-17 株式会社ソシオネクスト 半導体装置
JP7635557B2 (ja) 2021-01-19 2025-02-26 株式会社ソシオネクスト 半導体装置
CN115472195A (zh) * 2021-07-27 2022-12-13 台湾积体电路制造股份有限公司 半导体器件及其操作方法
DE102022100096A1 (de) * 2021-07-27 2023-02-02 Taiwan Semiconductor Manufacturing Co., Ltd. Halbleitervorrichtung und verfahren zum betreiben davon
CN113935273A (zh) * 2021-09-17 2022-01-14 东科半导体(安徽)股份有限公司 一种低功耗模块的控制信号连接方法
CN119949047A (zh) * 2022-09-27 2025-05-06 新唐科技日本株式会社 半导体集成电路装置

Family Cites Families (20)

* Cited by examiner, † Cited by third party
Publication number Priority date Publication date Assignee Title
JP3924471B2 (ja) * 2002-01-30 2007-06-06 株式会社リコー スタンダードセルまたはマクロセルを含む半導体集積回路、およびその配置配線方法
JP4547939B2 (ja) * 2004-03-02 2010-09-22 ソニー株式会社 半導体集積回路およびそのレイアウト設計方法
US7279926B2 (en) * 2004-05-27 2007-10-09 Qualcomm Incoporated Headswitch and footswitch circuitry for power management
US7659746B2 (en) * 2005-02-14 2010-02-09 Qualcomm, Incorporated Distributed supply current switch circuits for enabling individual power domains
JP2007095787A (ja) * 2005-09-27 2007-04-12 Nec Electronics Corp 半導体集積回路
JP5307427B2 (ja) * 2007-04-05 2013-10-02 ルネサスエレクトロニクス株式会社 半導体装置
JP5358913B2 (ja) * 2007-09-07 2013-12-04 日本電気株式会社 半導体集積回路およびその設計方法
JP5528662B2 (ja) 2007-09-18 2014-06-25 ソニー株式会社 半導体集積回路
JP4636077B2 (ja) * 2007-11-07 2011-02-23 ソニー株式会社 半導体集積回路
JP5130904B2 (ja) * 2007-12-21 2013-01-30 富士通セミコンダクター株式会社 電子回路装置及び電子回路装置の制御方法
JP4535136B2 (ja) * 2008-01-17 2010-09-01 ソニー株式会社 半導体集積回路、および、スイッチの配置配線方法
JP5398257B2 (ja) * 2008-12-25 2014-01-29 ルネサスエレクトロニクス株式会社 半導体装置及びそのスイッチトランジスタの制御方法
US8368226B2 (en) * 2009-12-23 2013-02-05 Oracle International Corporation Die power structure
JP2011159810A (ja) * 2010-02-01 2011-08-18 Renesas Electronics Corp 半導体集積回路及びその制御方法
JP5364023B2 (ja) * 2010-03-29 2013-12-11 パナソニック株式会社 半導体装置
JP2011243794A (ja) * 2010-05-19 2011-12-01 Renesas Electronics Corp 半導体装置、電源スイッチの制御方法及びその設計方法
JP5404678B2 (ja) * 2011-03-10 2014-02-05 株式会社東芝 電源制御装置
JP5819218B2 (ja) * 2012-02-23 2015-11-18 ルネサスエレクトロニクス株式会社 半導体装置
JP2016035995A (ja) * 2014-08-04 2016-03-17 株式会社東芝 半導体集積回路装置
US10394299B2 (en) * 2016-05-23 2019-08-27 Qualcomm Incorporated Systems and methods to separate power domains in a processing device

Also Published As

Publication number Publication date
CN109155284A (zh) 2019-01-04
JPWO2017208887A1 (ja) 2019-03-28
CN109155284B (zh) 2022-09-23
US10734373B2 (en) 2020-08-04
US20190081029A1 (en) 2019-03-14
WO2017208887A1 (ja) 2017-12-07

Similar Documents

Publication Publication Date Title
JP6898570B2 (ja) 半導体集積回路装置
JP6826292B2 (ja) 半導体集積回路装置
CN101471340B (zh) 半导体集成电路
JP7610127B2 (ja) 半導体集積回路装置
US12464819B2 (en) Semiconductor integrated circuit device
US20240072058A1 (en) Output circuit
CN103187414A (zh) Esd保护电路单元
US7786566B2 (en) Semiconductor integrated circuit
JP5896682B2 (ja) 半導体集積回路装置
US11824055B2 (en) Semiconductor integrated circuit device
JP2025019283A (ja) 半導体装置
JP2014131007A (ja) 半導体集積回路
US10777579B2 (en) Semiconductor integrated circuit device
US20240363521A1 (en) Semiconductor integrated circuit device
US20110316174A1 (en) Semiconductor integrated circuit device
US10417368B2 (en) Semiconductor device and layout design method thereof
JP7323847B2 (ja) 半導体集積回路装置
WO2024214653A1 (ja) 半導体集積回路装置
WO2024047820A1 (ja) 半導体集積回路装置
JP6118923B2 (ja) 半導体集積回路装置
WO2024241869A1 (ja) 半導体集積回路装置
US9082508B2 (en) Semiconductor device
WO2022254676A1 (ja) 半導体集積回路装置
JP2013140888A (ja) 半導体装置及び半導体装置の製造方法
JP2011009388A (ja) 半導体集積回路

Legal Events

Date Code Title Description
A621 Written request for application examination

Free format text: JAPANESE INTERMEDIATE CODE: A621

Effective date: 20200409

A131 Notification of reasons for refusal

Free format text: JAPANESE INTERMEDIATE CODE: A131

Effective date: 20210302

A521 Request for written amendment filed

Free format text: JAPANESE INTERMEDIATE CODE: A523

Effective date: 20210309

TRDD Decision of grant or rejection written
A01 Written decision to grant a patent or to grant a registration (utility model)

Free format text: JAPANESE INTERMEDIATE CODE: A01

Effective date: 20210511

A61 First payment of annual fees (during grant procedure)

Free format text: JAPANESE INTERMEDIATE CODE: A61

Effective date: 20210524

R150 Certificate of patent or registration of utility model

Ref document number: 6898570

Country of ref document: JP

Free format text: JAPANESE INTERMEDIATE CODE: R150