JP3708166B2 - 果菜物箱詰め装置 - Google Patents

果菜物箱詰め装置 Download PDF

Info

Publication number
JP3708166B2
JP3708166B2 JP13584595A JP13584595A JP3708166B2 JP 3708166 B2 JP3708166 B2 JP 3708166B2 JP 13584595 A JP13584595 A JP 13584595A JP 13584595 A JP13584595 A JP 13584595A JP 3708166 B2 JP3708166 B2 JP 3708166B2
Authority
JP
Japan
Prior art keywords
insulators
held
vegetable
fruit
box
Prior art date
Legal status (The legal status is an assumption and is not a legal conclusion. Google has not performed a legal analysis and makes no representation as to the accuracy of the status listed.)
Expired - Fee Related
Application number
JP13584595A
Other languages
English (en)
Other versions
JPH08301222A (ja
Inventor
徹 石井
孝道 下村
Current Assignee (The listed assignees may be inaccurate. Google has not performed a legal analysis and makes no representation or warranty as to the accuracy of the list.)
Yanmar Agricultural Equipment Co Ltd
Original Assignee
Yanmar Agricultural Equipment Co Ltd
Priority date (The priority date is an assumption and is not a legal conclusion. Google has not performed a legal analysis and makes no representation as to the accuracy of the date listed.)
Filing date
Publication date
Application filed by Yanmar Agricultural Equipment Co Ltd filed Critical Yanmar Agricultural Equipment Co Ltd
Priority to JP13584595A priority Critical patent/JP3708166B2/ja
Publication of JPH08301222A publication Critical patent/JPH08301222A/ja
Application granted granted Critical
Publication of JP3708166B2 publication Critical patent/JP3708166B2/ja
Anticipated expiration legal-status Critical
Expired - Fee Related legal-status Critical Current

Links

Images

Landscapes

  • Specific Conveyance Elements (AREA)

Description

【0001】
【産業上の利用分野】
この発明は、例えば、茄子、胡瓜、人参、長芋、或いは、蜜柑、林檎、梨、柿、桃等の果菜物を箱詰めする作業に用いられる果菜物箱詰め装置に関する。
【0002】
【従来の技術】
従来、上述例のような茄子を箱詰めする装置としては、例えば、等階級別に選別した適宜本数の各茄子に各吸着パッドを夫々密着させて、各吸着パッドに接続した吸引用ブロワの負圧により吸着保持する。各吸着パッドにより吸着保持した各茄子を段ボール箱上方に移動させ、各吸着パッドにより吸着保持した各茄子を段ボール箱内に一括収納し、各吸着パッドに接続した吸引用ブロワの負圧を遮断又は停止して、適宜本数の各茄子を段ボール箱内に箱詰めする装置がある。
【0003】
【発明が解決しようとする課題】
しかし、上述例のような茄子を箱詰めする場合、各吸着パッドで吸着保持した各茄子を段ボール箱内に一括収納するとき、各吸着パッドで吸着保持した左右の各茄子と段ボール箱とが互いに面接触することがあるが、例えば、胡瓜や人参等の果菜物に比べて、各茄子と段ボール箱との対向面間に生じる接触抵抗の方が各吸着パッドの吸着力よりも大きいため、その接触抵抗に抗して各茄子を強引に箱詰めしようとすると、各吸着パッドから各茄子が脱落したり、各茄子の吸着姿勢が変位したりするので、適宜本数の各茄子を整列した状態のまま箱詰めすることが困難である。且つ、茄子の箱詰め本数が不足したり、箱詰め姿勢が変位した場合、作業者の手で本数及び姿勢を修正しなければならず、箱詰め作業に手間及び時間が掛かるという問題点を有している。
【0004】
この発明は上記問題に鑑み、吸着ユニットの各吸着子により吸着保持した左右の各果菜物を一対の各保持体で押圧保持した状態のまま箱詰めすることにより、適宜本数の各果菜物を箱詰めする作業が機械的に行え、作業の省力化及び能率アップを図ることができる果菜物箱詰め装置の提供を目的とする。
【0005】
【課題を解決するための手段】
請求項1に記載した発明の果菜物箱詰め装置は、果菜物整列部に整列された適宜数の各果菜物を吸着ユニットに垂設した各吸着子により吸着保持し、該各吸着子により吸着保持した適宜数の各果菜物を箱体内部に箱詰めする果菜物箱詰め装置であって、上記吸着ユニットの各吸着子により吸着保持した左右の各果菜物に対向する位置と、該左右の各果菜物との対向が回避される位置とに移動する一対の各保持体を設け、上記吸着ユニットの各吸着子により吸着保持した左右の各果菜物に対して一対の各保持体を押圧し、該各吸着子により吸着保持した適宜数の各果菜物を一対の各保持体で押圧保持した状態のまま箱体内部に収納した後、上記各果菜物を各吸着子により押圧保持したまま、一対の各保持体を各果菜物との対向が回避される位置とに移動することを特徴とする。
【0006】
請求項2に記載した発明の果菜物箱詰め装置は、上記請求項1に記載の構成と併せて、上記果菜物整列部に整列された各果菜物を吸着ユニットの各吸着子により吸着する際には、一対の各保持体を左右の各果菜物との対向が回避される位置に位置させるとともに、上記各果菜物を箱体内部に収納する際には、一対の各保持体を左右の各果菜物と対向する位置に位置させることを特徴とする。
【0007】
【作用】
請求項1記載の果菜物箱詰め装置は、果菜物整列部に整列された適宜本数の各果菜物を吸着ユニットの各吸着子で吸着保持した後、一対の各保持体を、吸着ユニットの各吸着子で吸着保持した左右の各果菜物と対向する位置に移動させて保持し、左右の各果菜物に各保持体を押付けた状態のまま箱体内部に一括収納することで、各吸着子で吸着保持した左右の各果菜物と箱体内部との面接触が各保持体の介在により阻止される。且つ、箱体内部に収納した各果菜物を各吸着子で押圧した状態のまま左右の各保持体のみを引き抜くことで、左右の果菜物が各保持体と一緒に引き上げられるのを防止する。
【0008】
請求項2記載の果菜物箱詰め装置は、上記請求項1記載の作用と併せて、果菜物整列部に整列された各果菜物を吸着ユニットの各吸着子により吸着保持する際には、一対の各保持体を左右の各果菜物との対向が回避される位置に位置させて、各吸着子による各果菜物の吸着を許容する。各吸着子により吸着保持した各果菜物を箱体内部に収納する際には、一対の各保持体を左右の各果菜物と対向する位置に位置させて、各吸着子により吸着した各果菜物を保持する。
【0009】
【発明の効果】
この発明によれば、吸着ユニットの各吸着子で吸着保持した左右の各果菜物を一対の各保持体で押圧保持した状態のまま箱体内部に一括収納することで、各吸着子で吸着保持した左右の各果菜物と箱体との面接触が各保持体の介在により阻止され、従来方法のように左右の各吸着子から各果菜物が脱落したり、各果菜物の箱詰め姿勢が変位したりするのを確実に防止できると共に、各果菜物の吸着姿勢が安定し、所定の状態に箱詰めすることができる。且つ、箱詰め時に於いて、果菜物の表皮が剥離したり、擦り傷が付いたりせず、商品価値が損なわれるのを確実に防止することができる。しかも、箱体内部に収納された各果菜物を各吸着子で押圧した状態のまま左右の各保持体のみを引き抜くので、各保持体を引き抜くときに左右の各果菜物が一緒に引き上げられるのを積極的に防止でき、箱詰め状態を維持することができる。
【0010】
【実施例】
この発明の一実施例を以下図面に基づいて詳述する。
図面は果菜物の一例として複数本の各茄子を箱詰めする作業に用いられる茄子箱詰め装置を示し、図1、図2、図3に於いて、この茄子箱詰め装置1は、例えば、4条並設した各仕分け用コンベア2…に生産者から持ち込まれる多数本の各茄子N…を順次載置し、各仕分け用コンベア2…により搬送される各茄子N…の等階級を各検査位置A…上部に配設した各等階級判定装置3…で夫々判定する。各等階級判定装置3…による判定に基づいて、各仕分け用コンベア2…により搬送される各茄子N…を各仕分け位置a〜d下部に配設した各茄子投入機4…に対して等階級別に振分け投入し、或いは、各仕分け位置a〜d後段に配設した各予備コンベア20…に対して等階級別に移載する。各茄子投入機4…に投入された各茄子N…を各仕分け位置a〜d下部に配設した各整列用コンベア5…に対して6本ずつ移載する。各整列用コンベア5…により搬送される6本分の各茄子N…を各整列位置B…上部に配設した各茄子整列機6…により前後2列に整列し、各茄子整列機6…により整列した2列分の各茄子N…を各茄子箱詰め機7…で吸着保持して各箱詰め位置C…に移動する。同時に、上面開放形態に製函された各段ボール箱E…を各箱供給機8…により各箱詰め位置C…に供給し、各段ボール箱E…の各フラップEa…を各箱開放機9…により四方に開放して、上述の各茄子箱詰め機7…により吸着保持した2列分の各茄子N…を各段ボール箱E…に順次箱詰めする。
【0011】
上述した整列用コンベア5は、図4、図6に示すように、左右に架設した各取付け枠5a,5aの対向面間に多数本の各支軸5b…を送り方向に対して所定等間隔に隔てて軸架し、同各支軸5b…の軸周面に多数個の各送りローラ5c…を自由回転可能に軸受し、減速機付きモータ(図示省略)の駆動力により各支軸5b…を送り方向に回転して、各支軸5b…上に軸受した各送りローラ5c…を接触抵抗により送り方向に回転させ、同各送りローラ5c…上に載置された6本分の各茄子N…を送り方向に整列して搬送する。且つ、整列用コンベア5上に設定した整列位置Bに、同位置に搬送される前列側の各茄子N…と対向して規制板5dを架設し、同位置前段に設定した待機位置Dの搬送面上に、例えば、1本分の茄子Nが送り方向に向けて載置される左右間隔に隔てて5本の各送りガイド10…を架設している。
【0012】
且つ、整列用コンベア5上に設定した整列位置Bに、同位置に搬送される後列側の各茄子N…と対向して第1ストッパ11を出没可能に設け、同位置下部に配設した出没用シリンダ12を第1ストッパ11の下端部に連結し、同位置に整列される前後列の各茄子N…と対向して透過型又は反射型の各光電センサS1 ,S2 を配設している。且つ、整列位置B直前に設定した待機位置Dに、同位置に搬送される前後列の各茄子N…と対向して第2ストッパ13と第3ストッパ15とを出没可能に設け、同位置下部に配設した各出没用シリンダ14,16を各ストッパ13,15の下端部に連結し、同位置に整列される前後列の各茄子N…と対向して透過型又は反射型の各光電センサS3 ,S4 を配設している。
【0013】
つまり、各光電センサS1 ,S2 ,S3 ,S4 から出力される検知信号に基づいて各出没用シリンダ12,14,16を作動し、整列用コンベア5により搬送される各茄子N…と当接する突出位置と、同各茄子N…との当接が回避される没入位置とに各ストッパ11,13,15を上下動する。整列位置Bに搬送される前列側の各茄子N…を規制板5dに当接して停止した後、光電センサS1 による検知に基づいて出没用シリンダ12を作動し、同位置に搬送される後列側の各茄子N…を第1ストッパ11で停止する。同時に、光電センサS2 による検知に基づいて各出没用シリンダ14,16を作動し、待機位置Dに搬送される前列側及び後列側の各茄子N…を第2ストッパ13と第3ストッパ15とで停止する。後述する茄子整列機6と茄子箱詰め機7とを駆動して、2列分の各茄子N…を箱詰め位置Cに移動すると同時に、各ストッパ11,14,16を没入して、後続の各茄子N…を整列位置Bに順次搬送する。
【0014】
且つ、待機位置Dの左側部に、同位置の後列側左端部に整列される茄子Nの下部周面と対向して排除プレート17を出没可能に設け、同側下部に配設した出没用シリンダ18を排除プレート17の下端部に連結し、同位置の左端部に排除用シュータ19を斜設している。例えば、5本分の各茄子N…を後列側に箱詰めするとき、出没用シリンダ18を作動して、同位置の後列側左端部に整列された1本分の茄子Nを排除プレート17により排除し、排除用シュータ19から排出される茄子Nを一時ストックして作業者の手で整列用コンベア5に返還する。
【0015】
前述した茄子整列機6は、図5、図6、図7、図8に示すように、整列用コンベア5上に設定した整列位置Bの下部前後に、同位置前後に整列される各茄子N…の下部中央面と対向して2枚の各持上げ板21,21を出没可能に夫々設け、同各持上げ板21,21の前後間隔を6本分の各茄子N…が水平姿勢に支持される間隔に設定すると共に、同各持上げ板21,21の上端側縁部に多数個の各受けローラ22…を幅方向に対して自由回転可能に軸受している。且つ、同位置下部に配設した各持上げ用シリンダ23,23のシリンダロッドを、前列側下部及び後列側下部に配設した各持上げ板21,21の下端側中央部に連結して、同各持上げ用シリンダ23,23の作動により、整列用コンベア5の搬送面よりも上方に各受けローラ22…が突出される上昇位置と、同整列用コンベア5の搬送面よりも下方に各受けローラ22…が没入される降下位置とに前後列の各持上げ板21,21を上下動する。
【0016】
且つ、整列位置Bの左側部及び右側部に、同部の前後列に整列される各茄子N,Nの側部周面と対向して左側幅寄せ板24と右側幅寄せ板25とを配設し、同位置下部に架設した各ガイドレール26,26上に右側幅寄せ板25の下端部を左右移動可能に係合し、同位置下部に配設した幅寄せ用シリンダ27のシリンダロッドを右側幅寄せ板25の下端部に連結して、同幅寄せ用シリンダ27の作動により、整列位置Bの左側部に固定した左側幅寄せ板24を基準として、前後列に整列された6本分又は5本分の各茄子N…を左側に幅寄せする幅寄せ位置と、同各茄子N…が搬送許容される待機位置とに右側幅寄せ板25を左右移動する。つまり、各持上げ板21,21の上端側縁部に軸受した多数個の各受けローラ22…を幅寄せ方向に回転させて、同各受けローラ22…上に載置された各茄子N…を側幅寄せ板25により幅寄せ移動する。
【0017】
且つ、整列位置Bの左側部に、同位置の後列側左端部に整列される茄子Nの左側周面と対向して補助プレート28を配設し、同側に配設した進退用シリンダ29を補助プレート28の背面部に連結して、例えば、5本分の各茄子N…を後列側に箱詰めするとき、進退用シリンダ29を作動して、後列側に整列された5本分の各茄子N…を右側幅寄せ板25と補助プレート28との相対移動により幅寄せする。
【0018】
且つ、整列位置Bの左側下部前後に、同位置前後に整列される各茄子N…の先細側下面部と対向して2枚の各支持板30,30を出没可能に夫々設け、同各支持板30,30の上端部に、例えば、シリコンゴム、ウレタンゴム等の弾性体で形成又は被覆した2枚の各姿勢保持板31,31を固定し、各姿勢保持板31,31の上端側縁部に各茄子N…の先細側下面部と対応する波形の各受け部31a…を形成し、同位置下部に配設した各出没用シリンダ32,32のシリンダロッドを各支持板30,30の下端側中央部に連結して、同各出没用シリンダ32,32の作動により、整列用コンベア5の搬送面よりも上方に突出した上昇位置と、同整列用コンベア5の搬送面よりも下方に没入した降下位置とに各姿勢保持板31,31を上下動する。つまり、前後列に整列された各茄子N…の先細側を各姿勢保持板31,31により持上げて、後述する各吸着パッド43…が密着される姿勢に各茄子N…を傾斜する。
【0019】
前述した茄子箱詰め機7は、図2、図3に示すように、整列用コンベア5上に設定した整列位置B上方と、同位置側部に設定した箱詰め位置C上方との間に各ガイドレール33,33を架設し、同位置上部に配設した移動用シリンダ34のシリンダロッドを、各ガイドレール33,33間に架設した移動枠35の上面部に連結して、同移動用シリンダ34の作動により、整列位置B上方と箱詰め位置C上方とに移動枠35全体を水平移動する。且つ、移動枠35上部に立設した昇降用シリンダ36のシリンダロッドを、同枠下部に垂設した昇降用シリンダ37の上端部に連結し、同枠下部に垂設した昇降用シリンダ37のシリンダロッドを昇降枠38の上面部に連結して、昇降用シリンダ36の作動により、整列位置B上方と箱詰め位置C上方とで昇降枠38全体を垂直昇降する。且つ、箱詰め位置Cに於いて昇降枠38を垂直降下したとき、昇降用シリンダ37を作動して、後述する各吸着パッド43…で吸着保持した各茄子N…が段ボール箱E内に収納される降下位置と、同各吸着パッド43…で吸着保持した各茄子N…が段ボール箱Eの各フラップEa…よりも上方に待機される上昇位置とに昇降枠38全体を垂直昇降する。
【0020】
上述した昇降枠38は、同枠の前側両壁部に前部支持台39の両側端部を移動不可に固定し、後側両壁部に架設した各ガイドレール41,41上に後部支持台40の両側端部を前後移動可能に係合し、各支持台39,40の下面側に6本の各支持管42…を所定等間隔に隔てて夫々垂設し、同各支持管42…の下端部に合成ゴム製の各吸着パッド43…を取付け、各支持管42…の下端部を所定等間隔に隔てて各取付け板45,45の上面側に挿通固定し、同各取付け板45,45の前後端部に、例えば、シリコンゴム、ウレタンゴム等の弾性体で形成した各支持パッド46,47を垂設し、各支持パッド46,47の下端側縁部に各茄子N…の先細側上面部と対応する波形の各受け部46a,47aを形成している。
【0021】
且つ、昇降枠38の前側両壁部に取付けた各進退用シリンダ44,44のシリンダロッドを後部支持台40の両側端部に連結して、各進退用シリンダ44,44の作動により、昇降枠38の前部側に固定した前部支持台39を基準として、上述の茄子整列機6により整列した2列分の各茄子N…を前後列の各吸着パッド43…により吸着保持する離間位置と、前後列の各吸着パッド43…により吸着保持した2列分の各茄子N…を上下段違いに一部重合する集合位置とに後部支持台40を前後移動する。
【0022】
つまり、整列位置Bに整列された2列の各茄子N…に各吸着パッド43…を夫々密着したとき、同各吸着パッド43…に接続した吸引用ブロワ又は真空ポンプ等の適宜吸引手段(図示省略)による負圧で2列分の各茄子N…を吸着保持する。同時に、各茄子N…の先端側上面部に短尺寸法の支持パッド46を押付け、各茄子N…の後端側上面部に長尺寸法の支持パッド47を押付けて、各茄子N…の先細側を若干持上げた姿勢に支持する。一方、各吸着パッド43…で吸着保持した2列分の各茄子N…を段ボール箱E内に収納したとき、負圧を遮断又は停止して各茄子N…の吸着保持を解除する。
【0023】
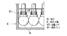
且つ、図9、図10、図11、図12に示すように、昇降枠38の下面側中央部に垂直固定した昇降用シリンダ48のシリンダロッドを取付け板49の上面側中央部に固定し、同取付け板49の下面側両端部に水平固定した各拡縮用シリンダ50,50のシリンダロッドを各挾持プレート51,51の上端側中央部に連結すると共に、同各挾持プレート51,51を、昇降枠38の前側両側部の左側前後部に垂設した各吸着パッド43,43と、右側前後部に垂設した各吸着パッド43,43により吸着保持される左右の各茄子N,Nに対して押圧される大きさ及び形状に形成して、昇降用シリンダ48の作動により、各吸着パッド43…で吸着保持される左右の各茄子N,Nに対して押圧される降下位置と、各茄子N,Nに対して押圧が回避される上昇位置とに各挾持プレート51,51を上下動し、各拡縮用シリンダ50,50の作動により、各吸着パッド43…で吸着保持した左右の各茄子N,Nを押圧する前進位置と、同各茄子N,Nに対して適宜間隔に離間した後退位置とに各挾持プレート51,51を前後動する。
【0024】
つまり、整列用コンベア5上の整列位置Bに整列された2列分の各茄子N…に各吸着パッド43…を密着させて吸着保持し、各吸着パッド43…で吸着保持した2列分の各茄子N…を適宜高さに垂直上昇させ、各吸着パッド43…で吸着保持した2列分の各茄子N…を上下段違いに一部重合した後、昇降用シリンダ48を作動して、各吸着パッド43…で吸着保持した左右の各茄子N,Nと対向する高さ位置に各挾持プレート51,51を降下させ、各拡縮用シリンダ50,50を作動して、各吸着パッド43…で吸着保持した左右の各茄子N…に各挾持プレート51,51を押付けて、2列分の各茄子N…を幅寄せした状態のまま挾持する。
【0025】
一方、各吸着パッド43…で吸着保持した左右の各茄子N,Nに各挾持プレート51,51を押付けた状態のまま段ボール箱E内に収納して、各吸着パッド43…で吸着保持した左右の各茄子N,Nと段ボール箱Eとが互いに面接触するのを防止する。2列分の各茄子N…を段ボール箱E内に収納した後、昇降用シリンダ48を復帰作動して、段ボール箱E内に収納された各茄子N…の中央上面部を各吸着パッド43…で押圧保持した状態のまま左右の各挾持プレート51,51のみを先行して垂直上昇させ、各拡縮用シリンダ50,50を復帰作動して、左右の各挾持プレート51,51を初期間隔に離間する。
【0026】
前述した箱供給機8は、箱詰め位置Cの下部両側に架設した各イドレール52,52に昇降台53の両側端部を上下動可能に係合し、同下部一側に垂直軸受したネジ軸54上に、昇降台53の後側端部に固定したナット部55を螺合して、降下位置下部に配設した減速機付き昇降用モータ56の駆動力により、各スプロケット57,58及び駆動チェーン59を介してネジ軸54を正逆回転させ、上段側後部に配設した搬入用コンベア66及び下段側前部に配設した搬出用コンベア67に対して水平となる位置と、上面開放形態に組立てられた段ボール箱Eを箱詰め位置Cに供給する位置とに箱載置台60を垂直昇降する。且つ、昇降台53の前側上面部に一つの段ボール箱Eが載置される大きさに形成した箱載置台60を水平回転可能に軸受し、同昇降台53の前側下面部に固定した減速機付き回転用モータ61の駆動力により、各ギャ62,63を介して、上下段に箱詰めされる各茄子N…が前後逆向きとなる状態に箱載置台60を180度正逆回転する。
【0027】
且つ、箱詰め位置C下部の搬入側に、製函工程(図示省略)から供給される空の段ボール箱Eを搬送するための搬入用コンベア66を配設し、同位置下部の搬出側に、封函工程(図示省略)に箱詰め済みの段ボール箱Eを搬送するための搬出用コンベア67を配設している。なお、上述した段ボール箱Eには、例えば、合成樹脂製又は紙製の包装袋(図示省略)を敷設してもよい。
【0028】
前述した箱開放機9は、上述した箱載置台60により箱詰め位置Cに供給される段ボール箱Eの各フラップEa…と対応する位置に各開放板64…を上下開閉可能に軸支し、同各開放板64…の軸端部を傘歯車機構(図示省略)を介して動力伝達可能に連結し、同位置側部に配設した開閉用シリンタ65のシリンダロッドを開放板64の軸端部に連結して、同開閉用シリンダ65の作動により、上述した箱載置台60に載置された段ボール箱Eの各フラップEa…と対向する閉位置と、同段ボール箱Eの各フラップEa…を開放する開位置とに各開放板64…を連動して上下開閉する。
【0029】
図示実施例は上記の如く構成するものにして、以下、茄子箱詰め装置1により多数本の各茄子N…を箱詰めするときの動作を説明する。
先ず、図1に示すように、4条並設した各仕分け用コンベア2…に多数本の各茄子N…を順次載置し、各仕分け用コンベア2…により搬送される各茄子N…の等階級を各検査位置A…上部に配設した各等階級判定装置3…で夫々判定する。例えば、CCDカメラ等で撮像した画像データに基づいて各茄子N…の等階級を各等階級判定装置3…により1本ずつ判定すると共に、各等階級判定装置3…による判定に基づいて、各仕分け用コンベア2…により搬送される各茄子N…を各仕分け位置a〜d下部に配設した各茄子投入機4…に対して等階級別に振分け投入する。
【0030】
次に、各茄子投入機4…を駆動して、等階級別に振分け投入された各茄子N…を各仕分け位置a〜d下部に配設した各整列用コンベア5…に対して6本ずつ移載し、各茄子N…の先細側を送り方向に向けて各整列用コンベア5…により並列搬送する。なお、各茄子N…の本数に過不足が生じたり、各茄子N…の向きが不揃いとなった場合、作業者の手で本数及び向きを修正する。且つ、各茄子投入機4…に投入されなかった余剰分の各茄子N…は各予備コンベア20…に対して等階級別に順次移載し、各予備コンベア20…に載置された各茄子N…を作業者の手で各整列用コンベア5…に移載する。
【0031】
次に、一つの整列用コンベア5上に載置された各茄子N…の箱詰め作業を説明する。図4に示すように、整列用コンベ5上の整列位置Bに6本分の各茄子N…を搬送し、同整列位置Bに搬送される前列側の各茄子N…を規制板5dに当接して搬送停止する。同整列位置Bに搬送される後列側の各茄子N…を第1ストッパ11に当接して搬送停止する。同時に、待機位置Dに搬送される後続の各茄子N…を第2ストッパ13と第3ストッパ15とに当接して搬送停止する。
【0032】
次に、茄子整列機6を駆動して、図5、図6に示すように、整列用コンベア5上の整列位置Bに整列された2列分の各茄子N…を各持上げ板21,21により適宜高さに持上げ、同時に、各持上げ板21,21により持上げられた2列分の各茄子N…を右側幅寄せ板25により左側に水平移動して、各持上げ板21,21により持上げられた2列分の各茄子N…を左側幅寄せ板24と右側幅寄せ板25とで幅寄せする。同時に、図7、図8に示すように、左側部に幅寄せした各茄子N…の先細側を各姿勢保持板31,31により適宜高さに持上げ、各持上げ板21,21を搬送面下に没入して、左側部に幅寄せした2列分の各茄子N…を先端側を持上げた姿勢に傾斜する。同時に、右側幅寄せ板25を初期位置に復帰させる。
【0033】
次に、茄子箱詰め機を駆動して、図9、図10に示すように、整列用コンベ5上の整列位置B上方に待機する各吸着パッド43…を垂直降下させ、各姿勢保持板31,31により持上げられた各茄子N…の上部中央面に各吸着パッド43…を密着させて吸着保持し、各吸着パッド43…で吸着保持した2列分の各茄子N…を適宜高さに垂直上昇させながら、各吸着パッド43…で吸着保持した2列分の各茄子N…を上下段違いに一部重合する。同時に、各吸着パッド43…で吸着保持した左右の各茄子N,Nに各挾持プレート51,51を押付け、2列分の各茄子N…を幅寄せした状態のまま挾持する。各吸着パッド43…で吸着保持した2列分の各茄子N…を各挾持プレート51,51で挾持した状態のまま箱詰め位置C上方に水平移動する。同時に、各姿勢保持板31,31を搬送面下に没入し、各ストッパ11,13,15を没入して、整列用コンベア5上に載置された後続の各茄子N…を整列位置B及び待機位置Dに順次搬送する。
【0034】
一方、箱供給機8を駆動して、製函工程(図示省略)から供給される空の段ボール箱Eを搬入用コンベア66を介して箱載置台60上に移載し、同箱載置台60を垂直上昇して空の段ボール箱Eを箱詰め位置Cに供給する。同時に、箱開放機9を駆動して、箱載置台60上に載置された段ボール箱Eの各フラップEa…を各開放板64…により四方に開放する。
【0035】
次に、図11、図12に示すように、各吸着パッド43…で吸着保持した2列分の各茄子N…を左右の各挾持プレート51,51で挾持した状態のまま箱詰め位置C上方に水平移動させ、各吸着パッド43…で吸着保持した2列分の各茄子N…を左右の各挾持プレート51,51で挾持した状態のまま垂直降下して、各吸着パッド43…で吸着保持した左右の各茄子N,Nに各挾持プレート51,51を押付けた状態のまま段ボール箱E内に一括収納することで、図13に示すように、各吸着パッド43…で吸着保持した左右の各茄子N…と段ボール箱Eとの面接触が各挾持プレート51,51の介在により確実に阻止され、箱詰め時に於いて、左右の各吸着パッド43…から各茄子N…が脱落したり、各茄子N…の箱詰め姿勢が変位したりするのを確実に防止できる。
【0036】
次に、各吸着パッド43…で吸着保持した2列分の各茄子N…を段ボール箱E内に一括収納した後、段ボール箱E内に収納された各茄子N…の中央上面部を各吸着パッド43…で押圧保持した状態のまま左右の各挾持プレート51,51のみを先行して垂直上昇させ、続いて、各吸着パッド43…による吸着保持を解除してから箱詰め位置C上方に垂直上昇することで、各挾持プレート51,51を垂直上昇するときに左右の各茄子N,Nが一緒に引上げられたりせず、段ボール箱E内に収納された各茄子N…の箱詰め状態が変位するのを積極的に防止でき、各吸着パッド43…で吸着保持した2列分の各茄子N…を段ボール箱Eの下段側に箱詰めすることができる。
【0037】
次に、整列用コンベア5上の整列位置B上方に各吸着パッド43…を回帰させて、同整列位置Bに整列された2列分の各茄子N…を各吸着パッド43…で吸着保持する。同時に、箱載置台60に載置された段ボール箱Eを180度方向転換して、各吸着パッド43…で吸着保持した2列分の各茄子N…を段ボール箱Eの上段側に箱詰めする。上下段に積重ねられる2列分の各茄子N…を前後互い違いにして段ボール箱E内に箱詰めした後、箱載置台60を垂直降下して、箱詰め済みの段ボール箱Eを搬出用コンベア67を介して封函工程(図示省略)に搬送供給する。
【0038】
以上のように、茄子箱詰め機7の各吸着パッド43…で吸着保持した左右の各茄子N,Nに各挾持プレート51,51を押付けた状態のまま段ボール箱E内に一括収納することで、各吸着パッド43…で吸着保持した左右の各茄子N…と段ボール箱Eとの面接触が各挾持プレート51,51の介在により確実に阻止され、左右の各吸着パッド43…から各茄子N…が脱落したり、各茄子N…の箱詰め姿勢が変位したりするのを確実に防止できると共に、各茄子N…の吸着姿勢が安定し、所定の状態に箱詰めすることができる。且つ、箱詰め時に於いて、各茄子N…の表皮が剥離したり、擦り傷が付いたりせず、商品価値が損なわれるのを確実に防止することができる。
【0039】
しかも、段ボール箱E内に収納した各茄子N…の中央上面部を各吸着パッド43…で押圧保持した状態のまま左右の各挾持プレート51,51のみを先行して垂直上昇させるので、各挾持プレート51,51を引き抜くときに左右の各茄子N,Nが一緒に引上げられるのを積極的に防止でき、段ボール箱E内に収納された各茄子N…の箱詰め状態を維持することができる。
【0040】
図14は上面開放形態に製函した段ボール箱E内に、例えば、ポリエチレン、ポリ塩化ビニル等の合成樹脂で形成した透明又は半透明の包装袋Pを敷設した他の箱詰め例を示し、整列用コンベア5上の整列位置Bに整列された2列分の各茄子N…を茄子箱詰め機7の各吸着パッド43…で吸着保持し、各吸着パッド43…で吸着保持した左右の各茄子N,Nに各挾持プレート51,51を押付けた状態のまま段ボール箱E内に収納することで、上述の実施例と同様に、各吸着パッド43…で吸着保持した左右の各茄子N…と、段ボール箱E内に敷設した包装袋Pとの面接触が各挾持プレート51,51の介在により確実に阻止され、左右の各吸着パッド43…から各茄子N…が脱落したり、各茄子N…の箱詰め姿勢が変位したりするのを確実に防止できる。且つ、段ボール箱E内に収納した各茄子N…の中央上面部を各吸着パッド43…で押圧保持した状態のまま左右の各挾持プレート51,51のみを先行して垂直上昇するので、各挾持プレート51,51を垂直上昇するときに左右の各茄子N,Nが一緒に引上げられるのを積極的に防止でき、箱詰め状態を維持することができる。
【0041】
図15は各挾持プレート51,51の挾持面全体に、例えば、ビロード、コール天、別珍等の柔らかく起毛した各布生地51a,51aを貼着して挾持する他の箱詰め例を示し、整列用コンベア5上の整列位置Bに整列された2列分の各茄子N…を茄子箱詰め機7の各吸着パッド43…で吸着保持した後、各吸着パッド43…で吸着保持した左右の各茄子N,Nに各挾持プレート51,51を押付けることで、各吸着パッド43…で吸着保持した左右の各茄子N…と各挾持プレート51,51との面接触が各布生地51a,51aの介在により確実に阻止される。且つ、各吸着パッド43…で吸着保持した各茄子N…を段ボール箱E内に収納した後、左右の各茄子N,Nと段ボール箱Eとの対向面間から各挾持プレート51,51を引き抜くことで、各挾持プレート51,51に貼着した各布生地51a,51a表面の柔らかい起毛が弾性変形し、左右の各茄子N,Nに付与される接触抵抗を小さくするため、各挾持プレート51,51の引抜き動作が容易に行えると共に、左右の各茄子N,Nが一緒に引上げられるのを防止することができ、箱詰め状態を維持することができる。
【0042】
この発明の構成と、上述の実施例との対応において、
この発明の果菜物は、実施例の茄子Nに対応し、
以下同様に、
箱体は、段ボール箱Eに対応し、
果菜物箱詰め装置は、茄子箱詰め装置1に対応し、
吸着ユニットは、昇降枠38に対応し、
各吸着子は、各吸着パッド43…に対応し、
各保持体は、各挾持プレート51,51に対応し、
平行移動手段は、昇降用シリンダ48に対応し、
相対移動手段は、各拡縮用シリンダ50,50に対応するも、
この発明は、上述の実施例の構成のみに限定されるものではない。
【0043】
上述した実施例では、茄子箱詰め装置1により多数本の各茄子N…を箱詰めする作業を説明しているが、例えば、胡瓜、人参、長芋、蜜柑、林檎、梨、柿、桃等の果菜物を箱詰めする作業にも用いることができる。箱詰め時に於いて、果菜物の表皮に付いた突起が剥離したり、擦り傷が付いたりせず、商品価値が損なわれるのを確実に防止することができる。
【0044】
さらに、各吸着パッド43…で吸着保持した左右の各茄子N,Nと各挾持プレート51,51との対向面に、例えば、水道水、蒸溜水、植物油、アルコール等の液体を吹付けて相互の接触抵抗を低減するもよい。
【0045】
且つ、実施例に於いて、昇降用シリンダ48及び拡縮用シリンダ50により左右の各挾持プレート51,51を昇降動作及び拡縮動作するが、これら各シリンダ48,50の代わりに、例えば、電動モータ(図示省略)の駆動力により左右の各挾持プレート51,51を昇降動作及び拡縮動作してもよい。
【図面の簡単な説明】
【図1】 茄子箱詰め装置の全体構成を示す平面図。
【図2】 茄子箱詰め機による茄子の箱詰め動作を示す側面図。
【図3】 茄子箱詰め機による茄子の箱詰め動作を示す正面図。
【図4】 整列用コンベアによる茄子の整列動作を示す平面図。
【図5】 茄子整列機による茄子の持上げ動作を示す側面図。
【図6】 茄子整列機による茄子の幅寄せ動作を示す正面図。
【図7】 茄子整列機による茄子の傾斜動作を示す側面図。
【図8】 茄子整列機による茄子の傾斜動作を示す正面図。
【図9】 各吸着パッドの吸着動作及び各挾持プレートの挾持動作を示す正面図。
【図10】 各吸着パッドの吸着状態及び各挾持プレートの挾持状態を示す正面図。
【図11】 各吸着パッド及び各挾持プレートで保持した茄子の箱詰め動作を示す正面図。
【図12】 各挾持プレートの引抜き動作を示す正面図。
【図13】 段ボール箱に茄子を箱詰めするときの動作を示す断面図。
【図14】 袋敷設済みの段ボール箱に箱詰めする他の箱詰め例を示す断面図。
【図15】 布生地を貼着した各挾持プレートで箱詰めする他の箱詰め例を示す断面図。
【符号の説明】
N…茄子
E…段ボール箱
P…包装袋
1…茄子箱詰め装置
2…仕分け用コンベア
3…等階級判定装置
4…茄子投入機
5…整列用コンベア
5d…規制板
6…茄子整列機
7…茄子箱詰め機
8…箱供給機
9…箱開放機
21…持上げ板
22…受けローラ
24…左側幅寄せ板
25…右側幅寄せ板
31…姿勢保持板
43…吸着パッド
51…挾持プレート
51a…布生地

Claims (2)

  1. 果菜物整列部に整列された適宜数の各果菜物を吸着ユニットに垂設した各吸着子により吸着保持し、該各吸着子により吸着保持した適宜数の各果菜物を箱体内部に箱詰めする果菜物箱詰め装置であって、
    上記吸着ユニットの各吸着子により吸着保持した左右の各果菜物に対向する位置と、該左右の各果菜物との対向が回避される位置とに移動する一対の各保持体を設け、
    上記吸着ユニットの各吸着子により吸着保持した左右の各果菜物に対して一対の各保持体を押圧し、該各吸着子により吸着保持した適宜数の各果菜物を一対の各保持体で押圧保持した状態のまま箱体内部に収納した後、
    上記各果菜物を各吸着子により押圧保持したまま、一対の各保持体を各果菜物との対向が回避される位置とに移動することを特徴とする
    果菜物箱詰め装置。
  2. 上記果菜物整列部に整列された各果菜物を吸着ユニットの各吸着子により吸着する際には、一対の各保持体を左右の各果菜物との対向が回避される位置に位置させるとともに、
    上記各果菜物を箱体内部に収納する際には、一対の各保持体を左右の各果菜物と対向する位置に位置させることを特徴とする
    請求項1記載の果菜物箱詰め装置。
JP13584595A 1995-05-08 1995-05-08 果菜物箱詰め装置 Expired - Fee Related JP3708166B2 (ja)

Priority Applications (1)

Application Number Priority Date Filing Date Title
JP13584595A JP3708166B2 (ja) 1995-05-08 1995-05-08 果菜物箱詰め装置

Applications Claiming Priority (1)

Application Number Priority Date Filing Date Title
JP13584595A JP3708166B2 (ja) 1995-05-08 1995-05-08 果菜物箱詰め装置

Publications (2)

Publication Number Publication Date
JPH08301222A JPH08301222A (ja) 1996-11-19
JP3708166B2 true JP3708166B2 (ja) 2005-10-19

Family

ID=15161112

Family Applications (1)

Application Number Title Priority Date Filing Date
JP13584595A Expired - Fee Related JP3708166B2 (ja) 1995-05-08 1995-05-08 果菜物箱詰め装置

Country Status (1)

Country Link
JP (1) JP3708166B2 (ja)

Families Citing this family (4)

* Cited by examiner, † Cited by third party
Publication number Priority date Publication date Assignee Title
NL1004657C2 (nl) * 1996-11-29 1998-06-03 Food Processing Systems Inrichting voor het overdragen van in hoofdzaak ronde, kwetsbare voorwerpen, zoals bijvoorbeeld eieren.
JP2011032089A (ja) * 2009-08-06 2011-02-17 Kyoto Seisakusho Co Ltd 包装物品ハンドリング装置
CN101982375B (zh) * 2010-10-20 2012-12-19 江苏大学 禽蛋自动装箱机械手及其装箱方法和控制方法
CN111776293B (zh) * 2020-07-29 2024-03-19 中科微至科技股份有限公司 一种水果输送吸取装箱设备

Also Published As

Publication number Publication date
JPH08301222A (ja) 1996-11-19

Similar Documents

Publication Publication Date Title
CN113650896B (zh) 一种产品包装生产线
CN117208299A (zh) 烟支自动装盒生产线
JP3708166B2 (ja) 果菜物箱詰め装置
JP3672620B2 (ja) 長尺物箱詰め装置
JP2592514Y2 (ja) 長尺物箱詰め装置
JPH07237601A (ja) 長尺物箱詰め装置
JPH07137712A (ja) 長尺物箱詰め装置
JP3017714U (ja) 果菜物箱詰め装置
JPH1081412A (ja) 果菜物揃え装置
JP3017491U (ja) 長尺物箱詰め装置
JP3597549B2 (ja) 長尺物載置装置
JP2592873Y2 (ja) 長尺物集出荷施設
JP2592887Y2 (ja) 長尺物吸着子
JPH0648402A (ja) 缶箱詰め装置
JP2592874Y2 (ja) 長尺物集出荷施設
JP3494316B2 (ja) 長尺物仕分け装置
JP3678798B2 (ja) 袋体箱詰め装置
JP3409876B2 (ja) 長尺物箱詰め装置
JP2598529Y2 (ja) 長尺青果物箱詰め装置
JPH10269U (ja) 青果物吸着装置
JPH07300114A (ja) 長尺物箱詰め装置
JPH09142480A (ja) 果菜物箱詰め装置
JP2587625Y2 (ja) 長尺物箱詰め装置
JP3538215B2 (ja) 長尺物箱詰め装置
JPH10139012A (ja) 整列貯留装置

Legal Events

Date Code Title Description
A977 Report on retrieval

Free format text: JAPANESE INTERMEDIATE CODE: A971007

Effective date: 20050125

A131 Notification of reasons for refusal

Free format text: JAPANESE INTERMEDIATE CODE: A131

Effective date: 20050201

A521 Written amendment

Free format text: JAPANESE INTERMEDIATE CODE: A523

Effective date: 20050325

TRDD Decision of grant or rejection written
A01 Written decision to grant a patent or to grant a registration (utility model)

Free format text: JAPANESE INTERMEDIATE CODE: A01

Effective date: 20050802

A61 First payment of annual fees (during grant procedure)

Free format text: JAPANESE INTERMEDIATE CODE: A61

Effective date: 20050803

R150 Certificate of patent or registration of utility model

Free format text: JAPANESE INTERMEDIATE CODE: R150

FPAY Renewal fee payment (event date is renewal date of database)

Free format text: PAYMENT UNTIL: 20080812

Year of fee payment: 3

FPAY Renewal fee payment (event date is renewal date of database)

Free format text: PAYMENT UNTIL: 20090812

Year of fee payment: 4

FPAY Renewal fee payment (event date is renewal date of database)

Free format text: PAYMENT UNTIL: 20100812

Year of fee payment: 5

FPAY Renewal fee payment (event date is renewal date of database)

Free format text: PAYMENT UNTIL: 20100812

Year of fee payment: 5

S111 Request for change of ownership or part of ownership

Free format text: JAPANESE INTERMEDIATE CODE: R313115

FPAY Renewal fee payment (event date is renewal date of database)

Free format text: PAYMENT UNTIL: 20100812

Year of fee payment: 5

R350 Written notification of registration of transfer

Free format text: JAPANESE INTERMEDIATE CODE: R350

FPAY Renewal fee payment (event date is renewal date of database)

Free format text: PAYMENT UNTIL: 20100812

Year of fee payment: 5

FPAY Renewal fee payment (event date is renewal date of database)

Free format text: PAYMENT UNTIL: 20110812

Year of fee payment: 6

FPAY Renewal fee payment (event date is renewal date of database)

Free format text: PAYMENT UNTIL: 20110812

Year of fee payment: 6

S111 Request for change of ownership or part of ownership

Free format text: JAPANESE INTERMEDIATE CODE: R313111

FPAY Renewal fee payment (event date is renewal date of database)

Free format text: PAYMENT UNTIL: 20110812

Year of fee payment: 6

R360 Written notification for declining of transfer of rights

Free format text: JAPANESE INTERMEDIATE CODE: R360

FPAY Renewal fee payment (event date is renewal date of database)

Free format text: PAYMENT UNTIL: 20110812

Year of fee payment: 6

R370 Written measure of declining of transfer procedure

Free format text: JAPANESE INTERMEDIATE CODE: R370

FPAY Renewal fee payment (event date is renewal date of database)

Free format text: PAYMENT UNTIL: 20110812

Year of fee payment: 6

FPAY Renewal fee payment (event date is renewal date of database)

Free format text: PAYMENT UNTIL: 20110812

Year of fee payment: 6

FPAY Renewal fee payment (event date is renewal date of database)

Free format text: PAYMENT UNTIL: 20120812

Year of fee payment: 7

FPAY Renewal fee payment (event date is renewal date of database)

Free format text: PAYMENT UNTIL: 20120812

Year of fee payment: 7

S111 Request for change of ownership or part of ownership

Free format text: JAPANESE INTERMEDIATE CODE: R313115

FPAY Renewal fee payment (event date is renewal date of database)

Free format text: PAYMENT UNTIL: 20120812

Year of fee payment: 7

R350 Written notification of registration of transfer

Free format text: JAPANESE INTERMEDIATE CODE: R350

FPAY Renewal fee payment (event date is renewal date of database)

Free format text: PAYMENT UNTIL: 20120812

Year of fee payment: 7

S531 Written request for registration of change of domicile

Free format text: JAPANESE INTERMEDIATE CODE: R313531

FPAY Renewal fee payment (event date is renewal date of database)

Free format text: PAYMENT UNTIL: 20120812

Year of fee payment: 7

R350 Written notification of registration of transfer

Free format text: JAPANESE INTERMEDIATE CODE: R350

FPAY Renewal fee payment (event date is renewal date of database)

Free format text: PAYMENT UNTIL: 20130812

Year of fee payment: 8

R250 Receipt of annual fees

Free format text: JAPANESE INTERMEDIATE CODE: R250

LAPS Cancellation because of no payment of annual fees