JP2010051152A - 電流モード制御型スイッチングレギュレータ - Google Patents

電流モード制御型スイッチングレギュレータ Download PDF

Info

Publication number
JP2010051152A
JP2010051152A JP2008215354A JP2008215354A JP2010051152A JP 2010051152 A JP2010051152 A JP 2010051152A JP 2008215354 A JP2008215354 A JP 2008215354A JP 2008215354 A JP2008215354 A JP 2008215354A JP 2010051152 A JP2010051152 A JP 2010051152A
Authority
JP
Japan
Prior art keywords
voltage
circuit
slope
transistor
capacitor
Prior art date
Legal status (The legal status is an assumption and is not a legal conclusion. Google has not performed a legal analysis and makes no representation as to the accuracy of the status listed.)
Granted
Application number
JP2008215354A
Other languages
English (en)
Other versions
JP5470772B2 (ja
Inventor
Ippei Noda
一平 野田
Current Assignee (The listed assignees may be inaccurate. Google has not performed a legal analysis and makes no representation or warranty as to the accuracy of the list.)
Ricoh Co Ltd
Original Assignee
Ricoh Co Ltd
Priority date (The priority date is an assumption and is not a legal conclusion. Google has not performed a legal analysis and makes no representation as to the accuracy of the date listed.)
Filing date
Publication date
Application filed by Ricoh Co Ltd filed Critical Ricoh Co Ltd
Priority to JP2008215354A priority Critical patent/JP5470772B2/ja
Publication of JP2010051152A publication Critical patent/JP2010051152A/ja
Application granted granted Critical
Publication of JP5470772B2 publication Critical patent/JP5470772B2/ja
Active legal-status Critical Current
Anticipated expiration legal-status Critical

Links

Images

Landscapes

  • Dc-Dc Converters (AREA)

Abstract

【課題】直線性のよいスロープ電圧を生成することができ、安定した動作を行うことができる電流モード制御型スイッチングレギュレータを得る。
【解決手段】インダクタL1に流れるインダクタ電流iLに応じた傾斜のスロープ電圧Vslpを生成するスロープ電圧生成回路4が、インダクタ電流iLを電圧に変換して検出するスイッチドキャパシタ回路と、該スイッチドキャパシタ回路を所定の定電流で充電又は放電する定電流源と、前記スイッチドキャパシタ回路で変換された電圧を接地電圧基準の電圧に変換してスロープ電圧Vslpを生成する電圧変換回路とで構成されるようにした。
【選択図】図1

Description

本発明は、電流モード制御型スイッチングレギュレータに関し、特に入出力電圧差が大きい場合にも安定した動作を行うことができる電流モード制御型スイッチングレギュレータに関する。
図8は、従来の同期整流方式で電流モード制御型の降圧型スイッチングレギュレータの例を示したブロック図である(例えば、特許文献1参照。)。
図8のスイッチングレギュレータ100は、入力端子INに入力された入力電圧Vinを降圧して、出力端子OUTから出力電圧Voutとして出力するものである。スイッチングレギュレータ100では、スイッチングトランジスタM101と同期整流用トランジスタM102が相補的にオン/オフ動作を行うことにより、インダクタL101とコンデンサC101にエネルギーを蓄え、蓄えたエネルギーを出力端子OUTから出力電圧Voutとして出力し、負荷200に供給している。
図9は、図8のスロープ電圧生成回路120の回路例を示した図である。
スイッチングトランジスタM101がオンしているときにインダクタL101に流れるインダクタ電流iLは、スイッチングトランジスタM101のドレイン電流と等しいため、スイッチングトランジスタM101のオン抵抗が分かっていれば、スイッチングトランジスタM101の電圧降下を検出することによりインダクタ電流iLを検出することができる。
そこで、図9のインダクタ電流検出回路120Aは、スイッチングトランジスタM101がオンしているときの電圧降下を検出している。スイッチングトランジスタM101がオンしている場合は、ゲート信号S101はローレベルであり、このとき、PMOSトランジスタM122がオフすると共に、PMOSトランジスタM123がオンするため、演算増幅回路121の非反転入力端には図8の接続部LXの電圧VLXが入力される。
演算増幅回路121は、PMOSトランジスタM121のソース電圧が電圧VLXと同じになるようにPMOSトランジスタM121のゲート電圧を制御することから、PMOSトランジスタM121のドレイン電流はインダクタ電流iLに比例した電流になる。該ドレイン電流は、抵抗R122によって電圧に変換され、該変換された電圧が抵抗R123を介して出力される。
抵抗R121とR122の各抵抗値が同じであるとすると、PMOSトランジスタM121のドレイン電圧VAは、下記(a)式のようになる。
VA=Vin−VLX………………(a)
なお、スイッチングトランジスタM101がオフしているときは、ゲート信号S101はハイレベルである。このとき、PMOSトランジスタM122がオンすると共にPMOSトランジスタM123がオフするため、演算増幅回路121の非反転入力端の電圧は入力電圧Vinになり、演算増幅回路121はPMOSトランジスタM121をオフさせることから、PMOSトランジスタM121のドレイン電圧VAは0Vになる。
ランプ電圧生成回路120BのNMOSトランジスタM124は、ゲート信号S101がハイレベルである間はオンしているため、定電流回路i121から出力される電流はNMOSトランジスタM124でバイパスされ、ランプコンデンサC121の端子電圧VBは0Vになっている。
ゲート信号S101がローレベルになるとNMOSトランジスタM124はオフするため、ランプコンデンサC121は定電流回路i121の出力電流によって充電される。このことから、ランプコンデンサC121の端子電圧VBは直線的に上昇してランプ電圧となり、ランプ電圧VBは抵抗R124を介して出力される。インダクタ電流検出回路120Aとランプ電圧生成回路120Bの各出力電圧は抵抗R123とR124で加算され、抵抗R123とR124の接続部から出力される。抵抗R123とR124の各抵抗値が同じであるとし、抵抗R1123とR124との接続部の電圧をVCとすると、電圧VCは、下記(b)式のようになり、スロープ電圧出力回路120Cの演算増幅回路124の非反転入力端に入力される。
VC=(VA+VB)/2=(Vin−VLX+VB)/2…………(b)
演算増幅回路124は、NMOSトランジスタM126のソース電圧が電圧VCに等しくなるようにNMOSトランジスタM126のゲート電圧を制御するため、NMOSトランジスタM126のドレイン電流は、電圧VCに比例した電流になる。該電流はPMOSトランジスタM127とM128で構成されたカレントミラー回路を介して抵抗R126に供給され、抵抗R126で電圧に変換されてスロープ電圧Vslpになる。抵抗R126の抵抗値を抵抗R125の抵抗値のK倍であるとすると、スロープ電圧Vslpは、下記(c)式のようになる。
Vslp=K×VC=K×(Vin−VLX+VB)/2………………(c)
一方、抵抗R126には、カレントミラー回路からの出力電流以外に、定電流回路i122からも電流が供給されており、スロープ電圧生成回路120の出力電圧Vslpには、定電流回路i122の出力電流iaに抵抗R126の抵抗値r126を乗じた電圧であるオフセット電圧Vof(=r126×ia)が加算されている。抵抗R125とR126の抵抗値が同じであるとした場合のスロープ電圧生成回路120の出力電圧Vslpは、下記(d)式のようになる。
Vslp=VC+(r126×ia)=(Vin−VLX+VB)/2+(r126×ia)………………(d)
前記(d)式から分かるように、スロープ電圧Vslpは、インダクタ電流(Vin−VLX)に、スロープ補償電圧であるランプコンデンサの充電電圧VBとオフセット電圧Vofを加えた電圧である。
特開2006−246626号公報
しかし、図9のスロープ電圧生成回路120では、スロープ電圧Vslpの立ち上がり部分における直線性が悪いという問題があった。
図10は、図8のスロープ電圧生成回路120で生成されたスロープ電圧Vslpの波形例を示した図である。図10から分かるように、スロープ電圧Vslpは、ゲート信号S101がローレベルになった直後は緩やかに立ち上がり、時間の経過に伴って所望の傾斜に近づき、時間Tdel後に該所望の傾斜になっていた。このように、スロープ電圧Vslpの立ち上がりが緩やかになる原因は、電圧VCを演算増幅回路124による電圧−電流変換回路で電流に変換する際の遅延時間と、PMOSトランジスタM127とM128で形成したカレントミラー回路を経由するときの遅延時間によるものである。
スロープ電圧Vslpの立ち上がりが緩やかになると、スイッチングトランジスタM101のオン時間が、時間Tdelより短くなる条件、例えば入力電圧Vinと出力電圧Voutの電圧差が大きい場合等においては、スイッチングレギュレータ100の動作が不安定になり、出力電圧Voutが安定しない等の不具合が発生していた。
更に、インダクタ電流iLを変換した電圧とランプ電圧とを加算する抵抗R123及びR124には電圧VA及びVBからの電流の流入がないことが前提であり、このような前提が成り立ったときのみ、インダクタ電流iLを正確に検出することができる。このため、抵抗R123及びR124は、電圧VA及びVBからの入力インピーダンスが十分に大きくなるように抵抗値が設定される必要があり、このことは加算回路の出力電圧VCにおいて遅延時間の増大を招いていた。このような遅延時間を低減するために、抵抗R123及びR124の抵抗値を小さく設定すると、電圧VA及びVBから抵抗R123及びR124に電流が流入することによる誤差が発生し、インダクタ電流iLを正確に電圧に変換することができないため、スロープ電圧Vslpの直線性が悪くなっていた。
本発明は、このような問題を解決するためになされたものであり、直線性のよいスロープ電圧を生成することができ、安定した動作を行うことができる電流モード制御型スイッチングレギュレータを得ることを目的とする。
この発明に係る電流モード制御型スイッチングレギュレータは、入力端子に入力された入力電圧を、所定の定電圧に変換して出力端子から出力電圧として出力する電流モード制御型スイッチングレギュレータにおいて、
制御電極に入力された制御信号に応じてスイッチングを行うスイッチトランジスタと、
該スイッチングトランジスタのスイッチングによって前記入力電圧による充電が行われるインダクタと、
該インダクタの放電を行う整流素子と、
前記インダクタの充電を行う際に該インダクタに流れるインダクタ電流に比例した電圧を生成しスロープ電圧として出力するスロープ電圧生成回路部と、
前記スロープ電圧に応じて前記スイッチングトランジスタのスイッチング制御を行うスイッチング制御回路部と、
を備え、
前記スロープ電圧生成回路部は、
前記スイッチングトランジスタの制御電極に入力される制御信号に応じてスイッチングを行い、前記インダクタ電流を電圧に変換して出力するスイッチドキャパシタ回路と、
該スイッチドキャパシタ回路に対して所定の定電流で充電又は放電を行う第1の定電流源と、
を備えるものである。
具体的には、前記スイッチドキャパシタ回路は、
前記第1の定電流源からの定電流で充電又は放電が行われるコンデンサと、
該コンデンサの一端と前記インダクタにおける前記スイッチングトランジスタ側の一端との間に接続された第1のスイッチ素子と、
前記コンデンサの前記一端と前記入力電圧との間に接続された第2のスイッチ素子と、
前記コンデンサに並列に接続された第3のスイッチ素子と、
を備え、
前記コンデンサの他端と接地電圧との間に前記第1の定電流源が接続され、前記第1のスイッチ素子は、前記スイッチングトランジスタと同じスイッチング動作を行い、前記第2及び第3の各スイッチ素子は、前記スイッチングトランジスタと相反するスイッチング動作を行うようにした。
また、前記スロープ電圧生成回路部は、前記コンデンサと前記第1の定電流源との接続部の電圧を前記スロープ電圧として出力するようにした。
また、前記スロープ電圧生成回路部は、前記コンデンサと前記第1の定電流源との接続部の電圧を接地電圧基準の電圧に変換して前記スロープ電圧として出力する電圧変換回路を備えるようにしてもよい。
この場合、前記電圧変換回路は、
前記コンデンサと前記第1の定電流源との接続部の電圧が一方の入力端に入力された演算増幅回路と、
制御電極が該演算増幅回路の出力端に接続されると共に、電流入力端が前記演算増幅回路の他方の入力端に接続された第1のトランジスタと、
前記入力電圧と該第1のトランジスタの電流入力端との間に接続された第1の抵抗と、
前記第1のトランジスタから出力された電流を電圧に変換して前記スロープ電圧を生成する第2の抵抗と、
を備えるようにした。
また、前記演算増幅回路は、少なくとも一方の入力端に所定のオフセット電圧が設けられるようにした。
また、前記電圧変換回路は、前記第2の抵抗に所定の定電流を供給する第2の定電流源を備えるようにしてもよい。
本発明の電流モード制御型スイッチングレギュレータによれば、インダクタ電流を変換した電圧とランプ電圧とを加算する回路にスイッチドキャパシタ回路を使用するようにしたことから、従来のスロープ電圧生成回路で使用されていた、スロープ電圧の立ち上がりを遅らせる電圧−電流変換回路、カレントミラー回路、及び抵抗素子で構成された加算回路を不要にすることができるため、スイッチングトランジスタがオンしてインダクタへの充電を開始した直後から、直線性のよいスロープ電圧を生成することができ、スイッチングトランジスタのオン時間が短い場合においても安定した動作を行うことができると共に、回路規模を大幅に縮小させることができる。
次に、図面に示す実施の形態に基づいて、本発明を詳細に説明する。
第1の実施の形態.
図1は、本発明の第1の実施の形態における電流モード制御型スイッチングレギュレータの回路例を示した図である。
図1において、電流モード制御型スイッチングレギュレータ(以下、スイッチングレギュレータと呼ぶ)1は、入力端子INに入力された入力電圧Vinを所定の定電圧に降圧して出力電圧Voutとして出力端子OUTから負荷10に出力する同期整流方式の降圧型スイッチングレギュレータをなしている。
スイッチングレギュレータ1は、PMOSトランジスタからなるスイッチングトランジスタM1と、NMOSトランジスタからなる同期整流用トランジスタM2と、インダクタL1と、平滑用のコンデンサC1と、出力電圧Voutを分圧して分圧電圧Vfbを生成し出力する出力電圧検出用の抵抗R1,R2とを備えている。更に、スイッチングレギュレータ1は、所定の基準電圧Vrefを生成して出力する基準電圧発生回路2と、前記分圧電圧Vfbと該基準電圧Vrefとの電圧差を増幅して誤差電圧Veを生成し出力する誤差増幅回路3と、スロープ電圧Vslpを生成して出力するスロープ電圧生成回路4とを備えている。
また、スイッチングレギュレータ1は、誤差増幅回路3からの誤差電圧Veとスロープ電圧Vslpとの電圧比較を行い、誤差電圧Veに応じたパルス幅を有するPWM制御を行うためのパルス信号Spwを生成して出力するPWMコンパレータ5と、所定のクロック信号CLKを生成して出力する発振回路6と、セット入力端Sに発振回路6からのクロック信号CLKが、リセット入力端RにPWMコンパレータ5からのパルス信号Spwがそれぞれ入力されたRSフリップフロップ回路7と、該RSフリップフロップ回路7からの出力信号Sqに応じて、スイッチングトランジスタM1及び同期整流用トランジスタM2のスイッチング制御を行うための制御信号S1を生成してスイッチングトランジスタM1及び同期整流用トランジスタM2を駆動するインバータ8とを備えている。
なお、同期整流用トランジスタM2は整流素子を、スロープ電圧生成回路4はスロープ電圧生成回路部をそれぞれなし、基準電圧発生回路2、誤差増幅回路3、PWMコンパレータ5、発振回路6、RSフリップフロップ回路7、インバータ8及び抵抗R1,R2はスイッチング制御回路部をなす。また、図1のスイッチングレギュレータ1では、インダクタL1及びコンデンサC1を除く各回路は、1つのICに集積されるようにしてもよい。
入力電圧Vinと同期整流用トランジスタM2のドレインとの間にはスイッチングトランジスタM1が接続され、同期整流用トランジスタM2のソースは接地電圧GNDに接続されている。スイッチングトランジスタM1のドレインと出力端子OUTとの間にインダクタL1が接続され、出力端子OUTと接地電圧GNDとの間に抵抗R1と抵抗R2との直列回路及びコンデンサC1が並列に接続されている。抵抗R1と抵抗R2との接続部の電圧である分圧電圧Vfbは誤差増幅回路3の反転入力端に入力され、誤差増幅回路3の非反転入力端には基準電圧Vrefが入力されている。
また、PWMコンパレータ5の反転入力端には、誤差増幅回路3からの誤差電圧Veが入力され、PWMコンパレータ5の非反転入力端にはスロープ電圧Vslpが入力されている。RSフリップフロップ回路7の出力信号Sqは、インバータ8で信号レベルが反転されてスイッチングトランジスタM1及び同期整流用トランジスタM2の各ゲートにそれぞれ入力されると共に、スロープ電圧生成回路4にも入力されている。スロープ電圧生成回路4には、スイッチングトランジスタM1と同期整流用トランジスタM2との接続部LXの電圧VLXも入力されている。
次に、スイッチングレギュレータ1の動作について説明する。
図2は、図1に示したスイッチングレギュレータ1の各信号の波形例を示したタイミングチャートであり、図2を参照しながらスイッチングレギュレータ1の動作について説明する。なお、ioutは出力端子OUTから負荷10に出力される出力電流を示している。
発振回路6からRSフリップフロップ回路7のセット入力端Sには、所定の周期でハイレベルになるクロック信号CLKが入力されており、クロック信号CLKがハイレベルになるとRSフリップフロップ回路7の出力信号Sqはハイレベルになる。
このため、スイッチングトランジスタM1及び同期整流用トランジスタM2の各ゲートにはローレベルの制御信号S1がそれぞれ入力され、スイッチングトランジスタM1がオンして導通状態になると共に同期整流用トランジスタM2がオフして遮断状態になる。この場合、インダクタL1とコンデンサC1との直列回路に入力電圧Vinが印加され、インダクタL1に流れる電流であるインダクタ電流iLは時間の経過とともに直線的に増加する。インダクタ電流iLが出力電流ioutよりも大きくなると、コンデンサC1に電荷が蓄積され、出力電圧Voutが上昇する。
スロープ電圧生成回路4は、インダクタ電流iLを検出し、該検出したインダクタ電流iLを電圧に変換すると共に、サブハーモニック発振を防止するための補償電圧を生成する。更に、スロープ電圧生成回路4は、インダクタ電流iLを変換した電圧に該補償電圧を加算してスロープ電圧Vslpを生成し出力する。スロープ電圧Vslpは、スイッチングトランジスタM1がオンしている間、直線的に電圧が上昇する。一方、誤差増幅回路3は、分圧電圧Vfbと基準電圧Vrefとの電圧差を増幅して誤差電圧Veを生成し出力する。PWMコンパレータ5は、誤差電圧Veとスロープ電圧Vslpとの電圧比較を行い、スロープ電圧Vslpが誤差電圧Veよりも大きくなるとハイレベルの信号Spwを出力し、RSフリップフロップ回路7をリセットする。このため、RSフリップフロップ回路7の出力信号Sqはローレベルに戻り、制御信号S1はハイレベルになることから、スイッチングトランジスタM1はオフして遮断状態になると共に同期整流用トランジスタM2はオンして導通状態になる。
スイッチングトランジスタM1がオフして同期整流用トランジスタM2がオンすると、インダクタL1に蓄えられていたエネルギーが放出され、これに伴って、インダクタ電流iLは時間と共に直線的に減少する。インダクタ電流iLが出力電流ioutよりも小さくなると、コンデンサC1から負荷10へ電力が供給され、出力電圧Voutが低下する。発振回路6からのクロック信号CLKの1周期後にクロック信号CLKは再びハイレベルになり、スイッチングトランジスタM1がオンすると共に同期整流用トランジスタM2がオフしてインダクタ電流iLが流れ、出力電圧Voutが上昇する。
ここで、時刻T0で出力電流ioutが急激に増加すると出力電圧Voutが低下し、誤差増幅回路3からの誤差電圧Veが上昇するため、スロープ電圧Vslpが誤差電圧Veの電圧値を超えるまでの時間が長くなる。この結果、スイッチングトランジスタM1のオン時間が長くなり、インダクタL1に電力を供給している時間が長くなることから出力電圧Voutは上昇する。逆に、出力電圧Voutが上昇すると、スイッチングトランジスタM1のオン時間が短くなって出力電圧Voutは低下する。このように、出力電圧Voutの変動に応じてスイッチングトランジスタM1と同期整流用トランジスタM2を相補的にオン/オフさせる時間を制御することにより、出力電圧Voutの電圧を安定化させている。
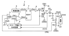
次に、図3は、図1のスロープ電圧生成回路4の回路例を示した図である。
図3において、スロープ電圧生成回路4は、所定の定電流i11を供給する定電流源11、インバータ12、演算増幅回路13、PMOSトランジスタM11〜M14、コンデンサC11及び抵抗R11,R12で構成されている。なお、定電流源11は第1の定電流源を、PMOSトランジスタM11〜M13、コンデンサC11及びインバータ12はスイッチドキャパシタ回路をなし、演算増幅回路13、PMOSトランジスタM14及び抵抗R11,R12は電圧変換回路をなす。また、PMOSトランジスタM11は第1のスイッチ素子を、PMOSトランジスタM12は第2のスイッチ素子を、PMOSトランジスタM13は第3のスイッチ素子をそれぞれなし、PMOSトランジスタM14は第1のトランジスタを、抵抗R11は第1の抵抗を、抵抗R12は第2の抵抗をそれぞれなす。
電圧VLXとコンデンサC11の一端との間にPMOSトランジスタM11が接続され、PMOSトランジスタM11のゲートには制御信号S1が入力されている。コンデンサC11の他端と接地電圧GNDとの間には定電流源11が接続され、入力電圧VinとコンデンサC11の該他端との間にはPMOSトランジスタM12及びM13が直列に接続されている。PMOSトランジスタM12とM13との接続部は、コンデンサC11の前記一端に接続されており、PMOSトランジスタM12及びM13の各ゲートは接続され、該接続部にはインバータ12によって制御信号S1の信号レベルが反転された反転信号が入力されている。
コンデンサC11と定電流源12との接続部の電圧をV1とし、コンデンサC11とPMOSトランジスタM11との接続部の電圧をV2とする。電圧V1は演算増幅回路13の非反転入力端に入力され、演算増幅回路13の出力端はPMOSトランジスタM14のゲートに接続されている。PMOSトランジスタM14のソースは演算増幅回路13の反転入力端に接続され、入力電圧VinとPMOSトランジスタM14のソースとの間には抵抗R11が接続されている。また、PMOSトランジスタM14のドレインと接地電圧GNDとの間には抵抗R12が接続され、PMOSトランジスタM14のドレインと抵抗R12との接続部からスロープ電圧Vslpが出力される。演算増幅回路13の反転入力端の電圧をV3とする。
PMOSトランジスタM11〜M13、コンデンサC11及びインバータ12からなるスイッチドキャパシタ回路と定電流源11はインダクタ電流iLの検出を行っている。
図4は、図3の各電圧の波形例を示した図であり、図4を参照しながら図3の回路の動作について説明する。
最初に、電流源回路11から定電流i11の供給がない場合の、制御信号S1に応じたPMOSトランジスタM11〜M13及びコンデンサC11の動作について説明する。
制御信号S1がハイレベルのとき、PMOSトランジスタM11はオフして遮断状態になり、PMOSトランジスタM12及びM13がそれぞれオンして導通状態になるため、コンデンサC11の両端は入力電圧Vinで充電される。制御信号S1がローレベルのときは、PMOSトランジスタM11がオンすると共にPMOSトランジスタM12及びM13がそれぞれオフするため、コンデンサC11とPMOSトランジスタM11との接続部は電圧VLXで充電され、電圧V1は電圧VLXになる。
次に、定電流源11によって定電流i11が供給されているときの電圧V1の状態について説明する。なお、PMOSトランジスタM11〜M13の各オン抵抗は十分に小さく、定電流i11が流れても無視できるほどの小さな電圧降下しか発生しないものとする。
制御信号S1がハイレベルのときは、前記のようにPMOSトランジスタM11はオフすると共に、PMOSトランジスタM12及びM13がそれぞれオンするため、コンデンサC11の両端は入力電圧Vinで充電される。
制御信号S1がローレベルのときは、PMOSトランジスタM11がオンすると共に、PMOSトランジスタM12及びM13がそれぞれオフするため、コンデンサC11とPMOSトランジスタM11との接続部は電圧VLXで充電され、同時にコンデンサC11と定電流源11との接続部は定電流i11によってコンデンサC11の電荷が放電される。
ここで、制御信号S1がハイレベルからローレベルに切り換わったときの時刻をゼロとして、時刻Tにおける電圧V1をV1(T)とし、コンデンサC11の容量をc11とすると、電圧V1(T)は下記(1)式のようになる。
V1(T)=VLX−T×i11/c11………………(1)
前記(1)式の右辺第1項は、インダクタ電流iLを電圧に変換して検出していることを示し、右辺第2項は一定の傾きを持ったランプ電圧を減算していることを示している。したがって、電圧V1をスロープ電圧として出力することができる。
次に、演算増幅回路13、PMOSトランジスタM14及び抵抗R11,R12は、電圧V1を接地電圧基準の電圧に変換して出力する電圧変換回路をなしており、演算増幅回路13には、あらかじめ所定の入力オフセット電圧Vofが設けられている。
演算増幅回路13は、電圧V1からオフセット電圧Vofを減算した電圧と電圧V3が等しくなるようにPMOSトランジスタM14のゲート電圧を制御する。抵抗R11に流れる電流をir11とすると、入力電圧Vinから抵抗R11での電圧降下を減算した電圧V3が、電圧V1からオフセット電圧Vofを減算した電圧に等しくなるように、PMOSトランジスタM14によって電流ir11が制御されるため、抵抗R11の抵抗値をr11とすると下記(2)式が成り立つ。
Vin−r11×ir11=V3=V1−Vof
ir11=(Vin−V1+Vof)/r11………………(2)
更に、抵抗R12に電流ir11が流れるため、抵抗R12の抵抗値をr12とすると、PMOSトランジスタM14と抵抗R12との接続部の電圧であるスロープ電圧Vslpは、下記(3)式のようになる。
Vslp=ir11×r12………………(3)
前記(3)式に前記(1)式及び(2)式を代入すると、下記(4)式のようになる。
Vslp={Vin−(VLX−T×i11/c11)+Vof}/r11×r12=(Vin−VLX+T×i11/c11)/r11×r12+Vof/r11×r12………………(4)
前記(4)式の右辺第1項は、インダクタ電流を電圧に変換して一定の傾きを持ったランプ電圧を加算していることを表しており、右辺第2項はオフセット電圧を表している。
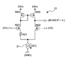
図5は、図3の演算増幅回路13の回路例を示した図である。
図5において、演算増幅回路13は、NMOSトランジスタM21,M22、PMOSトランジスタM23,M24、所定の定電流i21を供給する定電流源21及びオフセット電圧Vofを設けるための抵抗R21で構成されている。NMOSトランジスタM21及びM22は差動対をなしており、NMOSトランジスタM21のゲートには電圧V1が、NMOSトランジスタM22のゲートには電圧V3がそれぞれ入力されている。PMOSトランジスタM23及びM24はカレントミラー回路を形成しており、前記差動対の負荷をなしている。PMOSトランジスタM23及びM24において、各ソースはそれぞれ入力電圧Vinに接続され、各ゲートは接続され該接続部はPMOSトランジスタM23のドレインに接続されている。
PMOSトランジスタM23のドレインはNMOSトランジスタM21のドレインに接続されており、PMOSトランジスタM24のドレインはNMOSトランジスタM22のドレインに接続され、該接続部は演算増幅回路13の出力端をなしPMOSトランジスタM14のゲートに接続されている。NMOSトランジスタM21のソースと接地電圧GNDとの間には抵抗R21と定電流源21が直列に接続され、抵抗R21と定電流源21との接続部にNMOSトランジスタM22のソースが接続されている。
NMOSトランジスタM21とM22に同一の電流が流れるようにするためには、抵抗R21で発生する電圧降下分だけNMOSトランジスタM21のゲート電圧がNMOSトランジスタM22のゲート電圧よりも大きくならなければならない。すなわち、抵抗R21で発生する前記電圧降下がオフセット電圧Vofになり、演算増幅回路13は、抵抗R21を設けることにより入力端にオフセット電圧Vofが設けられている。
図6は、図2のスロープ電圧生成回路4で生成したスロープ電圧Vslpの波形を拡大した図である。
図6から分かるように、従来よりもスロープVslpで発生していた遅延を削減することができるため、制御信号S1がローレベルになった直後からスロープ電圧Vslpの直線性が保たれている。
このように、本第1の実施の形態における電流モード制御型スイッチングレギュレータは、従来のスロープ電圧生成回路で使用されていた、スロープ電圧Vslpの立ち上がりを遅らせる電圧−電流変換回路、カレントミラー回路、及び抵抗素子で構成された加算回路が不要であるため、図4及び図6で示したように、制御信号S1がローレベルに変化した直後から、直線性のよいスロープ電圧Vslpを生成することができ、スイッチングトランジスタM1のオン時間が短い場合においても安定した動作を行うことができる。
更に、図9の従来回路から演算増幅回路124、NMOSトランジスタM126、PMOSトランジスタM127,M128、抵抗R123,R124,R125,R126、及び電流源i122に相当する素子を削減することができるため、回路規模を半分以下にすることができる。
なお、前記説明では、スロープ電圧生成回路4の演算増幅回路13にオフセット電圧Vofを設けて前記電圧変換回路に所定のオフセット電圧Vofを設けるようにしたが、演算増幅回路13にオフセット電圧Vofを設ける代わりに、図7で示すように、入力電圧VinとPMOSトランジスタM14のドレインとの間に、所定の定電流i14を供給する定電流源14を設けるようにしてもよい。なお、定電流源14は第2の定電流源をなす。このようにした場合、PMOSトランジスタM14の出力電流に定電流i14が加算された電流が抵抗R12に流れるため、定電流i14が流れることによって抵抗R12で発生する電圧降下の増加分(i14×r12)がオフセット電圧Vofになる。
また、前記説明では、同期整流方式の降圧型スイッチングレギュレータを例にして説明したが、これは一例であり、本願発明は、同期整流用トランジスタM2の代わりにダイオードを使用した非同期整流方式の降圧型スイッチングレギュレータや、昇圧型スイッチングレギュレータにも適用することができる。
本発明の第1の実施の形態における電流モード制御型スイッチングレギュレータの回路例を示した図である。 図1の各信号の波形例を示したタイミングチャートである。 図1のスロープ電圧生成回路4の回路例を示した図である。 図3の各電圧の波形例を示した図である。 図3の演算増幅回路13の回路例を示した図である。 図2のスロープ電圧生成回路4で生成したスロープ電圧Vslpの波形を拡大した図である。 図1のスロープ電圧生成回路4の他の回路例を示した図である。 従来の電流モード制御型スイッチングレギュレータの例を示したブロック図である。 図8のスロープ電圧生成回路120の回路例を示した図である。 図8のスロープ電圧生成回路120で生成されたスロープ電圧Vslpの波形例を示した図である。
符号の説明
1 スイッチングレギュレータ
2 基準電圧発生回路
3 誤差増幅回路
4 スロープ電圧生成回路
5 PWMコンパレータ
6 発振回路
7 RSフリップフロップ回路
8,12 インバータ
10 負荷
11,14 定電流源
13 演算増幅回路
M1 スイッチングトランジスタ
M2 同期整流用トランジスタ
M11〜M14 PMOSトランジスタ
L1 インダクタ
C1,C11 コンデンサ
R1,R2,R11,R12 抵抗

Claims (7)

  1. 入力端子に入力された入力電圧を、所定の定電圧に変換して出力端子から出力電圧として出力する電流モード制御型スイッチングレギュレータにおいて、
    制御電極に入力された制御信号に応じてスイッチングを行うスイッチトランジスタと、
    該スイッチングトランジスタのスイッチングによって前記入力電圧による充電が行われるインダクタと、
    該インダクタの放電を行う整流素子と、
    前記インダクタの充電を行う際に該インダクタに流れるインダクタ電流に比例した電圧を生成しスロープ電圧として出力するスロープ電圧生成回路部と、
    前記スロープ電圧に応じて前記スイッチングトランジスタのスイッチング制御を行うスイッチング制御回路部と、
    を備え、
    前記スロープ電圧生成回路部は、
    前記スイッチングトランジスタの制御電極に入力される制御信号に応じてスイッチングを行い、前記インダクタ電流を電圧に変換して出力するスイッチドキャパシタ回路と、
    該スイッチドキャパシタ回路に対して所定の定電流で充電又は放電を行う第1の定電流源と、
    を備えることを特徴とする電流モード制御型スイッチングレギュレータ。
  2. 前記スイッチドキャパシタ回路は、
    前記第1の定電流源からの定電流で充電又は放電が行われるコンデンサと、
    該コンデンサの一端と前記インダクタにおける前記スイッチングトランジスタ側の一端との間に接続された第1のスイッチ素子と、
    前記コンデンサの前記一端と前記入力電圧との間に接続された第2のスイッチ素子と、
    前記コンデンサに並列に接続された第3のスイッチ素子と、
    を備え、
    前記コンデンサの他端と接地電圧との間に前記第1の定電流源が接続され、前記第1のスイッチ素子は、前記スイッチングトランジスタと同じスイッチング動作を行い、前記第2及び第3の各スイッチ素子は、前記スイッチングトランジスタと相反するスイッチング動作を行うことを特徴とする請求項1記載の電流モード制御型スイッチングレギュレータ。
  3. 前記スロープ電圧生成回路部は、前記コンデンサと前記第1の定電流源との接続部の電圧を前記スロープ電圧として出力することを特徴とする請求項2記載の電流モード制御型スイッチングレギュレータ。
  4. 前記スロープ電圧生成回路部は、前記コンデンサと前記第1の定電流源との接続部の電圧を接地電圧基準の電圧に変換して前記スロープ電圧として出力する電圧変換回路を備えることを特徴とする請求項2記載の電流モード制御型スイッチングレギュレータ。
  5. 前記電圧変換回路は、
    前記コンデンサと前記第1の定電流源との接続部の電圧が一方の入力端に入力された演算増幅回路と、
    制御電極が該演算増幅回路の出力端に接続されると共に、電流入力端が前記演算増幅回路の他方の入力端に接続された第1のトランジスタと、
    前記入力電圧と該第1のトランジスタの電流入力端との間に接続された第1の抵抗と、
    前記第1のトランジスタから出力された電流を電圧に変換して前記スロープ電圧を生成する第2の抵抗と、
    を備えることを特徴とする請求項4記載の電流モード制御型スイッチングレギュレータ。
  6. 前記演算増幅回路は、少なくとも一方の入力端に所定のオフセット電圧が設けられることを特徴とする請求項5記載の電流モード制御型スイッチングレギュレータ。
  7. 前記電圧変換回路は、前記第2の抵抗に所定の定電流を供給する第2の定電流源を備えることを特徴とする請求項5記載の電流モード制御型スイッチングレギュレータ。
JP2008215354A 2008-08-25 2008-08-25 電流モード制御型スイッチングレギュレータ Active JP5470772B2 (ja)

Priority Applications (1)

Application Number Priority Date Filing Date Title
JP2008215354A JP5470772B2 (ja) 2008-08-25 2008-08-25 電流モード制御型スイッチングレギュレータ

Applications Claiming Priority (1)

Application Number Priority Date Filing Date Title
JP2008215354A JP5470772B2 (ja) 2008-08-25 2008-08-25 電流モード制御型スイッチングレギュレータ

Publications (2)

Publication Number Publication Date
JP2010051152A true JP2010051152A (ja) 2010-03-04
JP5470772B2 JP5470772B2 (ja) 2014-04-16

Family

ID=42067753

Family Applications (1)

Application Number Title Priority Date Filing Date
JP2008215354A Active JP5470772B2 (ja) 2008-08-25 2008-08-25 電流モード制御型スイッチングレギュレータ

Country Status (1)

Country Link
JP (1) JP5470772B2 (ja)

Cited By (9)

* Cited by examiner, † Cited by third party
Publication number Priority date Publication date Assignee Title
US8482267B2 (en) 2008-04-11 2013-07-09 Ricoh Company, Ltd. Variable voltage DC-DC converter
US8502508B2 (en) 2009-11-11 2013-08-06 Ricoh Company, Ltd. Switching regulator circuit configured to perform step up and step down operations and operation method therefor
JP2014033494A (ja) * 2012-08-01 2014-02-20 Tottori Cosmo Science Kk 電源回路
US8860391B2 (en) 2008-12-26 2014-10-14 Ricoh Company, Ltd. DC-DC converter, and power supply circuit having DC-DC converter
JP2014207741A (ja) * 2013-04-11 2014-10-30 株式会社リコー スイッチングレギュレータ
KR101590045B1 (ko) * 2015-05-27 2016-01-29 (주)비츠로 엘이디 등기구 정전류 제어장치
JP2019047692A (ja) * 2017-09-06 2019-03-22 ローム株式会社 スイッチング電源装置
JP2019083686A (ja) * 2019-01-24 2019-05-30 ローム株式会社 電流モード制御型スイッチング電源装置
CN117294142A (zh) * 2023-11-24 2023-12-26 上海英联电子科技有限公司 电压转换电路

Citations (6)

* Cited by examiner, † Cited by third party
Publication number Priority date Publication date Assignee Title
JP2005039925A (ja) * 2003-07-14 2005-02-10 Shindengen Electric Mfg Co Ltd スイッチング電源
JP2006246626A (ja) * 2005-03-03 2006-09-14 Ricoh Co Ltd スイッチングレギュレータ及びその電圧制御方法
JP2007209103A (ja) * 2006-02-01 2007-08-16 Ricoh Co Ltd 電流モード制御dc−dcコンバータ
JP2008072833A (ja) * 2006-09-14 2008-03-27 Ricoh Co Ltd スロープ補償回路およびスイッチングレギュレータ
JP2008161001A (ja) * 2006-12-26 2008-07-10 Ricoh Co Ltd 電流モード制御型スイッチングレギュレータ及びその動作制御方法
JP2009219179A (ja) * 2008-03-07 2009-09-24 Ricoh Co Ltd 電流モード制御型スイッチングレギュレータ

Patent Citations (6)

* Cited by examiner, † Cited by third party
Publication number Priority date Publication date Assignee Title
JP2005039925A (ja) * 2003-07-14 2005-02-10 Shindengen Electric Mfg Co Ltd スイッチング電源
JP2006246626A (ja) * 2005-03-03 2006-09-14 Ricoh Co Ltd スイッチングレギュレータ及びその電圧制御方法
JP2007209103A (ja) * 2006-02-01 2007-08-16 Ricoh Co Ltd 電流モード制御dc−dcコンバータ
JP2008072833A (ja) * 2006-09-14 2008-03-27 Ricoh Co Ltd スロープ補償回路およびスイッチングレギュレータ
JP2008161001A (ja) * 2006-12-26 2008-07-10 Ricoh Co Ltd 電流モード制御型スイッチングレギュレータ及びその動作制御方法
JP2009219179A (ja) * 2008-03-07 2009-09-24 Ricoh Co Ltd 電流モード制御型スイッチングレギュレータ

Cited By (10)

* Cited by examiner, † Cited by third party
Publication number Priority date Publication date Assignee Title
US8482267B2 (en) 2008-04-11 2013-07-09 Ricoh Company, Ltd. Variable voltage DC-DC converter
US8860391B2 (en) 2008-12-26 2014-10-14 Ricoh Company, Ltd. DC-DC converter, and power supply circuit having DC-DC converter
US8502508B2 (en) 2009-11-11 2013-08-06 Ricoh Company, Ltd. Switching regulator circuit configured to perform step up and step down operations and operation method therefor
JP2014033494A (ja) * 2012-08-01 2014-02-20 Tottori Cosmo Science Kk 電源回路
JP2014207741A (ja) * 2013-04-11 2014-10-30 株式会社リコー スイッチングレギュレータ
KR101590045B1 (ko) * 2015-05-27 2016-01-29 (주)비츠로 엘이디 등기구 정전류 제어장치
JP2019047692A (ja) * 2017-09-06 2019-03-22 ローム株式会社 スイッチング電源装置
JP2019083686A (ja) * 2019-01-24 2019-05-30 ローム株式会社 電流モード制御型スイッチング電源装置
CN117294142A (zh) * 2023-11-24 2023-12-26 上海英联电子科技有限公司 电压转换电路
CN117294142B (zh) * 2023-11-24 2024-02-06 上海英联电子科技有限公司 电压转换电路

Also Published As

Publication number Publication date
JP5470772B2 (ja) 2014-04-16

Similar Documents

Publication Publication Date Title
JP5169333B2 (ja) 電流モード制御型スイッチングレギュレータ
JP5470772B2 (ja) 電流モード制御型スイッチングレギュレータ
KR101168488B1 (ko) 충전 제어 회로
JP5091027B2 (ja) スイッチングレギュレータ
JP5195182B2 (ja) 電流モード制御型スイッチングレギュレータ
JP5369555B2 (ja) 電流モード制御型スイッチングレギュレータ及びその動作制御方法
JP4473669B2 (ja) 定電圧回路、その定電圧回路を使用した定電流源、増幅器及び電源回路
JP4054714B2 (ja) 昇降圧型dc−dcコンバータ
US20110043175A1 (en) Current-mode control switching regulator and operations control method thereof
JP6009742B2 (ja) スイッチング電源装置
JP5315988B2 (ja) Dc−dcコンバータ及びそのdc−dcコンバータを備えた電源回路
JP2009303317A (ja) 基準電圧発生回路及びその基準電圧発生回路を備えたdc−dcコンバータ
JP2006246626A (ja) スイッチングレギュレータ及びその電圧制御方法
JP2009071951A (ja) 定電流出力制御型スイッチングレギュレータ
JP2007159319A (ja) Dc−dcコンバータの制御回路および制御方法
JP4487649B2 (ja) 昇降圧型dc−dcコンバータの制御装置
KR20180015592A (ko) 스위칭 제어 회로, 스위칭 전원 장치, 전자 기기
CN108475984A (zh) 在输入电压的宽范围内具有稳定的输出特性且具有应对输入电压变化的器件的dc-dc转换器
US7423415B2 (en) DC-DC converter and its control method, and switching regulator and its control method
US20120032659A1 (en) Power supply device
JP2010063290A (ja) 電源制御回路
JP5645466B2 (ja) 電源の制御回路及び電子機器
JP5104284B2 (ja) スイッチング電源の制御回路および該制御回路を用いるスイッチング電源
WO2024154487A1 (ja) 電源制御装置、スイッチング電源
JP2006217720A (ja) スイッチング電源

Legal Events

Date Code Title Description
A621 Written request for application examination

Free format text: JAPANESE INTERMEDIATE CODE: A621

Effective date: 20110613

A977 Report on retrieval

Free format text: JAPANESE INTERMEDIATE CODE: A971007

Effective date: 20121019

A131 Notification of reasons for refusal

Free format text: JAPANESE INTERMEDIATE CODE: A131

Effective date: 20121106

A521 Request for written amendment filed

Free format text: JAPANESE INTERMEDIATE CODE: A523

Effective date: 20121226

A131 Notification of reasons for refusal

Free format text: JAPANESE INTERMEDIATE CODE: A131

Effective date: 20130618

A521 Request for written amendment filed

Free format text: JAPANESE INTERMEDIATE CODE: A523

Effective date: 20130703

TRDD Decision of grant or rejection written
A01 Written decision to grant a patent or to grant a registration (utility model)

Free format text: JAPANESE INTERMEDIATE CODE: A01

Effective date: 20140107

A61 First payment of annual fees (during grant procedure)

Free format text: JAPANESE INTERMEDIATE CODE: A61

Effective date: 20140120

R151 Written notification of patent or utility model registration

Ref document number: 5470772

Country of ref document: JP

Free format text: JAPANESE INTERMEDIATE CODE: R151

S111 Request for change of ownership or part of ownership

Free format text: JAPANESE INTERMEDIATE CODE: R313111

R350 Written notification of registration of transfer

Free format text: JAPANESE INTERMEDIATE CODE: R350

R250 Receipt of annual fees

Free format text: JAPANESE INTERMEDIATE CODE: R250

R250 Receipt of annual fees

Free format text: JAPANESE INTERMEDIATE CODE: R250

R250 Receipt of annual fees

Free format text: JAPANESE INTERMEDIATE CODE: R250

R250 Receipt of annual fees

Free format text: JAPANESE INTERMEDIATE CODE: R250

R250 Receipt of annual fees

Free format text: JAPANESE INTERMEDIATE CODE: R250

R250 Receipt of annual fees

Free format text: JAPANESE INTERMEDIATE CODE: R250

S111 Request for change of ownership or part of ownership

Free format text: JAPANESE INTERMEDIATE CODE: R313111

R350 Written notification of registration of transfer

Free format text: JAPANESE INTERMEDIATE CODE: R350

R250 Receipt of annual fees

Free format text: JAPANESE INTERMEDIATE CODE: R250

R250 Receipt of annual fees

Free format text: JAPANESE INTERMEDIATE CODE: R250

R250 Receipt of annual fees

Free format text: JAPANESE INTERMEDIATE CODE: R250