WO2017163594A1 - 車両用空調装置 - Google Patents

車両用空調装置 Download PDF

Info

Publication number
WO2017163594A1
WO2017163594A1 PCT/JP2017/002647 JP2017002647W WO2017163594A1 WO 2017163594 A1 WO2017163594 A1 WO 2017163594A1 JP 2017002647 W JP2017002647 W JP 2017002647W WO 2017163594 A1 WO2017163594 A1 WO 2017163594A1
Authority
WO
WIPO (PCT)
Prior art keywords
refrigerant
heat exchanger
valve
cooling
compressor
Prior art date
Legal status (The legal status is an assumption and is not a legal conclusion. Google has not performed a legal analysis and makes no representation as to the accuracy of the status listed.)
Ceased
Application number
PCT/JP2017/002647
Other languages
English (en)
French (fr)
Japanese (ja)
Inventor
健太朗 黒田
圭俊 野田
Current Assignee (The listed assignees may be inaccurate. Google has not performed a legal analysis and makes no representation or warranty as to the accuracy of the list.)
Panasonic Intellectual Property Management Co Ltd
Original Assignee
Panasonic Intellectual Property Management Co Ltd
Priority date (The priority date is an assumption and is not a legal conclusion. Google has not performed a legal analysis and makes no representation as to the accuracy of the date listed.)
Filing date
Publication date
Application filed by Panasonic Intellectual Property Management Co Ltd filed Critical Panasonic Intellectual Property Management Co Ltd
Priority to US16/084,006 priority Critical patent/US10611212B2/en
Publication of WO2017163594A1 publication Critical patent/WO2017163594A1/ja
Anticipated expiration legal-status Critical
Ceased legal-status Critical Current

Links

Images

Classifications

    • BPERFORMING OPERATIONS; TRANSPORTING
    • B60VEHICLES IN GENERAL
    • B60HARRANGEMENTS OF HEATING, COOLING, VENTILATING OR OTHER AIR-TREATING DEVICES SPECIALLY ADAPTED FOR PASSENGER OR GOODS SPACES OF VEHICLES
    • B60H1/00Heating, cooling or ventilating [HVAC] devices
    • B60H1/00642Control systems or circuits; Control members or indication devices for heating, cooling or ventilating devices
    • B60H1/00814Control systems or circuits characterised by their output, for controlling particular components of the heating, cooling or ventilating installation
    • B60H1/00878Control systems or circuits characterised by their output, for controlling particular components of the heating, cooling or ventilating installation the components being temperature regulating devices
    • B60H1/00899Controlling the flow of liquid in a heat pump system
    • B60H1/00914Controlling the flow of liquid in a heat pump system where the flow direction of the refrigerant does not change and there is a bypass of the condenser
    • BPERFORMING OPERATIONS; TRANSPORTING
    • B60VEHICLES IN GENERAL
    • B60HARRANGEMENTS OF HEATING, COOLING, VENTILATING OR OTHER AIR-TREATING DEVICES SPECIALLY ADAPTED FOR PASSENGER OR GOODS SPACES OF VEHICLES
    • B60H1/00Heating, cooling or ventilating [HVAC] devices
    • B60H1/02Heating, cooling or ventilating [HVAC] devices the heat being derived from the propulsion plant
    • B60H1/03Heating, cooling or ventilating [HVAC] devices the heat being derived from the propulsion plant and from a source other than the propulsion plant
    • B60H1/034Heating, cooling or ventilating [HVAC] devices the heat being derived from the propulsion plant and from a source other than the propulsion plant from the cooling liquid of the propulsion plant and from an electric heating device
    • BPERFORMING OPERATIONS; TRANSPORTING
    • B60VEHICLES IN GENERAL
    • B60HARRANGEMENTS OF HEATING, COOLING, VENTILATING OR OTHER AIR-TREATING DEVICES SPECIALLY ADAPTED FOR PASSENGER OR GOODS SPACES OF VEHICLES
    • B60H1/00Heating, cooling or ventilating [HVAC] devices
    • B60H1/00271HVAC devices specially adapted for particular vehicle parts or components and being connected to the vehicle HVAC unit
    • BPERFORMING OPERATIONS; TRANSPORTING
    • B60VEHICLES IN GENERAL
    • B60HARRANGEMENTS OF HEATING, COOLING, VENTILATING OR OTHER AIR-TREATING DEVICES SPECIALLY ADAPTED FOR PASSENGER OR GOODS SPACES OF VEHICLES
    • B60H1/00Heating, cooling or ventilating [HVAC] devices
    • B60H1/02Heating, cooling or ventilating [HVAC] devices the heat being derived from the propulsion plant
    • B60H1/04Heating, cooling or ventilating [HVAC] devices the heat being derived from the propulsion plant from cooling liquid of the plant
    • B60H1/08Heating, cooling or ventilating [HVAC] devices the heat being derived from the propulsion plant from cooling liquid of the plant from other radiator than main radiator
    • B60H1/10Heating, cooling or ventilating [HVAC] devices the heat being derived from the propulsion plant from cooling liquid of the plant from other radiator than main radiator the other radiator being situated in a duct capable of being connected to atmosphere outside vehicle
    • BPERFORMING OPERATIONS; TRANSPORTING
    • B60VEHICLES IN GENERAL
    • B60HARRANGEMENTS OF HEATING, COOLING, VENTILATING OR OTHER AIR-TREATING DEVICES SPECIALLY ADAPTED FOR PASSENGER OR GOODS SPACES OF VEHICLES
    • B60H1/00Heating, cooling or ventilating [HVAC] devices
    • B60H1/00271HVAC devices specially adapted for particular vehicle parts or components and being connected to the vehicle HVAC unit
    • B60H2001/00307Component temperature regulation using a liquid flow
    • BPERFORMING OPERATIONS; TRANSPORTING
    • B60VEHICLES IN GENERAL
    • B60HARRANGEMENTS OF HEATING, COOLING, VENTILATING OR OTHER AIR-TREATING DEVICES SPECIALLY ADAPTED FOR PASSENGER OR GOODS SPACES OF VEHICLES
    • B60H1/00Heating, cooling or ventilating [HVAC] devices
    • B60H1/00642Control systems or circuits; Control members or indication devices for heating, cooling or ventilating devices
    • B60H1/00814Control systems or circuits characterised by their output, for controlling particular components of the heating, cooling or ventilating installation
    • B60H1/00878Control systems or circuits characterised by their output, for controlling particular components of the heating, cooling or ventilating installation the components being temperature regulating devices
    • B60H2001/00928Control systems or circuits characterised by their output, for controlling particular components of the heating, cooling or ventilating installation the components being temperature regulating devices comprising a secondary circuit

Definitions

  • the present disclosure relates to a vehicle air conditioner.
  • a heating device for vehicles many hot water heaters that use the heat of engine cooling water to heat the vehicle interior are employed.
  • a heat pump type cooling device that cools air sent into the passenger compartment with a low-temperature refrigerant of a heat pump is generally employed.
  • Patent Document 1 uses a common compressor and refrigerant for cooling and heating, based on the configurations of a hot water heater and a heat pump cooling device as used in conventional vehicles, and a heat pump.
  • the vehicle air conditioner which improved the heating performance by adding the auxiliary heating function which further heats engine cooling water by this is disclosed.
  • various components mounted on the vehicle require adjustment and cooling, such as heat generating components such as engines that normally only require cooling with cooling water, as well as in-vehicle devices such as oil coolers and inverters. Warm target parts are also known.
  • the vehicle air conditioner includes a compressor, a heat exchanger, a condenser, an evaporator, a refrigerant passage, and an on-off valve.
  • the compressor compresses the refrigerant.
  • the heat exchanger performs heat exchange between the refrigerant and the coolant for heat transport.
  • the condenser condenses the refrigerant by releasing the heat of the high-temperature and high-pressure refrigerant.
  • the evaporator performs heat exchange between the low-temperature and low-pressure refrigerant and the air sent to the passenger compartment.
  • the refrigerant flows through the refrigerant passage.
  • the on-off valve can block the refrigerant passage.
  • the heating refrigerant circuit is configured such that the refrigerant returns from the compressor through the heat exchanger to the compressor.
  • the cooling refrigerant circuit is configured such that the refrigerant returns from the compressor through the condenser and the evaporator to the compressor.
  • the refrigerant path from the condenser to the compressor in the cooling refrigerant circuit is divided into a first path passing through the evaporator and a second path passing through a heat exchanger provided in parallel with the evaporator in the middle of the refrigerant path.
  • the on-off valve is provided on the upstream side of the heat exchanger in the second passage.
  • the present disclosure it is possible to easily heat or cool the temperature control target component at a low cost with a simple configuration, based on the configuration of a conventional vehicle air conditioner having an auxiliary heating function.
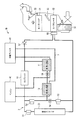
  • FIG. 1 is a configuration diagram illustrating a vehicle air conditioner according to a first embodiment.
  • FIG. 2 is a diagram for explaining an operation in the heating mode of the vehicle air conditioner according to the first embodiment.
  • FIG. 3 is a diagram for explaining the operation in the cooling mode of the vehicle air conditioner according to the first embodiment.
  • FIG. 4 is a diagram for explaining the operation in the cooling / cooling mode of the vehicle air conditioner according to the first embodiment.
  • FIG. 5 is a configuration diagram showing a vehicle air conditioner according to the second embodiment.
  • FIG. 6 is a configuration diagram showing a vehicle air conditioner according to the third embodiment.
  • FIG. 7 is a configuration diagram showing a vehicle air conditioner according to the fourth embodiment.
  • FIG. 8 is a configuration diagram showing a vehicle air conditioner according to the fifth embodiment.
  • the present disclosure is based on the configuration of a conventional vehicle air conditioner having an auxiliary heating function, and can easily heat or cool a temperature controlled component with a simple configuration at low cost. Providing the device.
  • FIG. 1 is a configuration diagram illustrating the vehicle air conditioner according to the first embodiment of the present disclosure.
  • the vehicle air conditioner 1 is provided in a vehicle including an engine (internal combustion engine) 40 corresponding to a heat generating component and an in-vehicle device (for example, an oil cooler or an inverter) 41 corresponding to a temperature control target component. It is a device that is installed and performs air conditioning in the passenger compartment.
  • engine internal combustion engine
  • in-vehicle device for example, an oil cooler or an inverter
  • FIG. 2 is a diagram for explaining the operation in the heat pump heating mode for heating the passenger compartment.
  • FIG. 3 is a diagram for explaining the operation in the cooling mode for cooling the passenger compartment.
  • FIG. 4 is a diagram illustrating an operation in the cooling / cooling mode in which the vehicle interior is cooled and the in-vehicle device 41 is cooled. Details of the operations in FIGS. 2 to 4 will be described later.
  • the vehicle air conditioner 1 includes a compressor 10, a first heat exchanger 11, a second heat exchanger 12, an outdoor condenser (corresponding to a condenser) 20, a heater core 31, an evaporator 32, a first on-off valve 51, and a second on-off valve. 52, a third on-off valve 53, a throttle valve 54, expansion valves 55 and 56, a check valve 57, and a three-way valve 58.
  • a refrigerant circuit 2 (circuit shown by a solid line in FIG. 1) is configured by connecting at least two of these parts with a refrigerant pipe (passage) through which refrigerant flows, and between at least two of these parts.
  • the coolant circuit 3 (the circuit shown by the dotted line in FIG. 1) is configured by connecting the coolant with a coolant pipe (passage) through which coolant flows.
  • the vehicle air conditioner 1 is connected to the engine 40 and the vehicle-mounted device 41 via a coolant pipe.
  • a refrigerant pipe that connects the compressor 10, the second heat exchanger 12, and the first heat exchanger 11 and circulates the refrigerant constitutes a heating refrigerant circuit 2 ⁇ / b> A.
  • a refrigerant pipe connecting the condenser 20 and the evaporator 32 and circulating the refrigerant forms a cooling refrigerant circuit 2B.
  • a part of the refrigerant circuit 2A for heating and a part of the refrigerant circuit 2B for cooling are common.
  • the coolant piping that forms the coolant circuit 3 includes the engine 40 that is the object of cooling, the in-vehicle device 41 that is not only cooled but also the object of heating, and the first heat exchanger 11, the second heat exchanger 12, and The heater cores 31 are connected to each other and the coolant is circulated.
  • the engine 40 includes an engine cooling unit.
  • the engine cooling unit includes a water jacket for flowing the coolant around the engine 40 and a pump for flowing the coolant to the water jacket, and releases the exhaust heat of the engine 40 to the coolant flowing in the water jacket.
  • the pump is rotated by the power of the engine 40, for example.
  • the coolant inlet of the engine cooling section provided in the engine 40 communicates with the first heat exchanger 11 and the in-vehicle device 41 via the coolant pipe.
  • the coolant outlet of the engine cooling unit included in the engine 40 communicates with the second heat exchanger 12 via the coolant pipe.
  • the engine cooling unit may be provided with a radiator that releases heat to the outside air when the amount of exhaust heat from the engine 40 increases.
  • the cooling liquid is an antifreezing liquid such as LLC (Long Life Coolant), and is a liquid for transporting heat.
  • LLC Long Life Coolant
  • the transfer of the coolant in the coolant circuit 3 can be performed using only the pump provided in the engine cooling unit. Thereby, reduction of the cost of an apparatus and reduction of the installation space of an apparatus can be aimed at.
  • a pump may be added to another part of the coolant pipe.
  • the in-vehicle device 41 is a temperature control target component that needs to be cooled as well as heated, such as an oil cooler or an inverter.
  • the in-vehicle device 41 is also provided with, for example, a device temperature control unit having the same configuration as the engine cooling unit, and heat is released from the in-vehicle device 41 to the coolant flowing in the device temperature control unit included in the in-vehicle device 41. Heat is supplied from the liquid to the in-vehicle device 41.
  • the inlet of the coolant of the device temperature adjustment unit included in the in-vehicle device 41 is communicated with the second heat exchanger 12 via the coolant pipe.
  • the coolant outlet of the device temperature adjustment unit included in the in-vehicle device 41 communicates with the coolant inlet of the engine cooling unit included in the engine 40 via the coolant pipe.
  • the coolant sent from the second heat exchanger 12 may be further introduced into the in-vehicle device 41 after passing through a radiator.
  • the compressor 10 is a device that is driven by engine power or electricity, compresses sucked refrigerant, and discharges high-temperature and high-pressure refrigerant.
  • the refrigerant compressed by the compressor 10 is sent from the discharge port of the compressor 10 to the outdoor condenser 20 or the second heat exchanger 12 through the refrigerant pipe.
  • the low-temperature and low-pressure refrigerant discharged from the first heat exchanger 11 or the evaporator 32 is sucked from the suction port of the compressor 10 through the refrigerant pipe.
  • the refrigerant pipe extending from the discharge port of the compressor 10 is provided with a branch portion that branches the refrigerant pipe into a pipe that reaches the refrigerant inlet of the outdoor capacitor 20 and a pipe that reaches the refrigerant inlet of the second heat exchanger 12. Yes.
  • the refrigerant flows through the piping extending from the discharge port of the compressor 10 leading to this branching part both during heating and during cooling.
  • a first on-off valve (corresponding to a switching unit) 51 that can block the flow of the refrigerant is disposed in a pipe between the branching unit and the refrigerant inlet of the outdoor capacitor 20.
  • a second on-off valve (corresponding to a switching unit) 52 capable of blocking the flow of the refrigerant is disposed in the pipe between the branching unit and the refrigerant inlet of the second heat exchanger 12.
  • the first on-off valve 51 and the second on-off valve 52 are, for example, valves that switch between opening and closing in the middle of the refrigerant pipe by electrical control.
  • pilot valves that are a kind of electromagnetic valves are employed.
  • the pilot type valve is a valve that controls a flow of fluid by opening and closing a small hole and operates a valve body by utilizing a pressure difference of the fluid generated thereby.
  • the direction in which the refrigerant flows is always constant, so a pilot valve can be employed. In the case of a pilot valve, even if the refrigerant pressure in the refrigerant pipe to be arranged is high, it can be operated without any problem.
  • the high-temperature and high-pressure refrigerant discharged from the compressor 10 is sent to the cooling refrigerant circuit 2B including the outdoor capacitor 20, or Whether to be sent to the refrigerant circuit 2A for heating including the second heat exchanger 12 is selected.
  • the second heat exchanger 12 functions as a sub-condenser (condenser) in the heating mode, which will be described in detail later, and has an internal passage through which high-temperature and high-pressure refrigerant discharged from the compressor 10 flows and an internal passage through which coolant flows. Then, heat exchange is performed between the refrigerant and the coolant. Specifically, in the heating mode, the high-temperature and high-pressure refrigerant is sent from the compressor 10 to the second heat exchanger 12 to release heat from the high-temperature and high-pressure refrigerant to the coolant. Thereby, the 2nd heat exchanger 12 condenses a high temperature / high pressure refrigerant.
  • the refrigerant inlet of the second heat exchanger 12 is communicated with the outlet of the compressor 10 via the refrigerant pipe of the heating refrigerant circuit 2A.
  • the refrigerant outlet of the second heat exchanger 12 communicates with the intake port of the compressor 10 through the expansion valve 55 and the first heat exchanger 11 in order, similarly through the refrigerant pipe of the refrigerant circuit 2A for heating. Yes.
  • the refrigerant inlet of the second heat exchanger 12 communicates with the refrigerant outlet of the outdoor condenser 20 via a pipe branched from the refrigerant pipe extending from the outdoor condenser 20.
  • the refrigerant piping from the outdoor condenser 20 to the compressor 10 includes a refrigerant piping (first passage) that passes through the evaporator 32 on the way and a bypass refrigerant circuit that passes through the second heat exchanger 12 provided in parallel with the evaporator 32.
  • the refrigerant piping of the bypass refrigerant circuit 2 ⁇ / b> B ′ upstream of the second heat exchanger 12 is connected to the refrigerant piping of the heating refrigerant circuit 2 ⁇ / b> A from the compressor 10 to the second heat exchanger 12.
  • the refrigerant pipe of the bypass refrigerant 2 ⁇ / b> B ′ communicates with the refrigerant inlet of the second heat exchanger 12.
  • a refrigerant pipe of the bypass refrigerant circuit 2B ′ is provided with a third on-off valve (corresponding to an on-off valve) 53 that allows the refrigerant to flow into the refrigerant inlet of the second heat exchanger 12 or blocks the refrigerant flow. It is done.
  • the third on-off valve 53 is a valve that switches between opening and closing in the middle of the refrigerant pipe by, for example, electrical control, and shuts off the refrigerant flow when closed.
  • a direct acting valve which is a kind of electromagnetic valve is employed as the third on-off valve 53.
  • the direct acting valve is a valve that controls the flow of fluid (refrigerant) by operating a movable core and mechanically opening and closing a main orifice.
  • a direct acting valve it is possible to open and close even if the pressure of the refrigerant is high by making the connection diameter to the refrigerant pipe small.
  • the direct acting valve can fulfill the function of expanding the refrigerant, the throttle valve 54 described later can be dispensed with.
  • a pilot valve can be used instead of the direct acting valve.
  • the refrigerant sent from the outdoor capacitor 20 returns to the compressor 10 through only the refrigerant pipe having the evaporator 32 by switching control of the opening / closing of the third on-off valve 53.
  • it is selected whether to return to the compressor 10 not only through the refrigerant pipe with the evaporator 32 but also through the refrigerant pipe of the bypass refrigerant circuit 2B ′ including the second heat exchanger 12 and the first heat exchanger 11.
  • the third on-off valve 53 is not limited to the position shown in FIG. 1 as long as it can block the refrigerant flow at some point in the refrigerant piping of the bypass refrigerant circuit 2B ′.
  • the second heat exchanger 12 functions as a sub-condenser (condenser) that condenses the refrigerant by exchanging heat between the high-temperature and high-pressure refrigerant and the coolant in a state where the refrigerant flows through the heating refrigerant circuit 2A. To do.
  • the second heat exchanger 12 in the state where the refrigerant flows into the cooling refrigerant circuit 2B and the third on-off valve 53 is opened, the second heat exchanger 12 is supplied with the refrigerant and the coolant that are expanded after being sent from the outdoor capacitor 20. It functions as a sub-evaporator (evaporator) that exchanges heat between them to vaporize the refrigerant.
  • a throttle valve 54 is disposed between the refrigerant inlet of the second heat exchanger 12 and the third on-off valve 53.
  • the throttle valve 54 expands the high-temperature and high-pressure refrigerant, and sends the low-temperature and low-pressure refrigerant to the second heat exchanger 12.
  • an orifice electromagnetic valve or the like may be used.
  • the coolant inlet of the second heat exchanger 12 is communicated with the engine cooling part of the engine 40 via the coolant pipe.
  • the coolant outlet of the second heat exchanger 12 communicates with either the heater core 31 or the in-vehicle device 41 through the coolant pipe by the three-way valve 58.
  • the three-way valve 58 is configured such that, for example, the flow of the coolant sent from the refrigerant outlet of the second heat exchanger 12 is flowed toward the heater core 31 or toward the vehicle-mounted device 41 by electrical control. It is a valve to switch to.
  • the first heat exchanger 11 functions as a sub-evaporator (evaporator) in the heating mode and the cooling / cooling mode.
  • the first heat exchanger 11 has an internal passage through which a low-temperature and low-pressure refrigerant flows and an internal passage through which a cooling liquid flows, and performs heat exchange between the refrigerant and the cooling liquid.
  • the low-temperature and low-pressure refrigerant is introduced from the expansion valve 55, and heat is transferred from the coolant to the low-temperature and low-pressure refrigerant. Moving. Thereby, the first heat exchanger 11 vaporizes the low-temperature and low-pressure refrigerant.
  • the refrigerant inlet of the first heat exchanger 11 communicates with the refrigerant outlet of the second heat exchanger 12 via the expansion valve 55.
  • the refrigerant outlet of the first heat exchanger 11 communicates with the refrigerant pipe connecting the check valve 57 and the compressor 10.
  • the expansion valve 55 expands the refrigerant and discharges the low-temperature and low-pressure refrigerant to the first heat exchanger 11.
  • the expansion valve 55 is disposed in the vicinity of the first heat exchanger 11 on the upstream side of the first heat exchanger 11.
  • the expansion valve 55 is, for example, a thermal expansion valve that has a function of automatically adjusting the amount of refrigerant discharged according to the temperature of the refrigerant sent from the first heat exchanger 11.
  • the coolant inlet of the first heat exchanger 11 is communicated with the heater core 31 via the coolant pipe.
  • the coolant outlet of the first heat exchanger 11 communicates with the engine cooling section of the engine 40 via the coolant pipe.
  • the outdoor condenser 20 has an internal passage through which high-temperature and high-pressure refrigerant flows and an internal passage through which air flows.
  • the outdoor condenser 20 is disposed near the top of the vehicle in the engine room and exchanges heat between the refrigerant and the outside air.
  • the high-temperature and high-pressure refrigerant discharged from the compressor 10 flows through the outdoor condenser 20 in the cooling mode and the cooling / cooling mode, and heat is discharged from the refrigerant to the outside air. Outside air is blown onto the outdoor capacitor 20 by, for example, a fan.
  • a reservoir tank may be provided on the refrigerant delivery side of the outdoor capacitor 20.
  • the heater core 31 and the evaporator 32 are disposed in an intake passage of an HVAC (Heating, Ventilation, and Air Conditioning) 30.
  • the HVAC 30 is provided with a fan 34 for flowing intake air.
  • the heater core 31 is included in the coolant circuit 3, and the evaporator 32 is included in the refrigerant circuit 2.
  • the heater core 31 is a device that exchanges heat between the coolant and air, and is disposed in the intake passage of the HVAC 30 that supplies air into the passenger compartment. Heated coolant is supplied to the heater core 31 and releases heat to the intake air (air sent to the vehicle interior) sent into the vehicle compartment in the heating mode.
  • the heater core 31 can adjust the amount of air passing through the opening of the door 33 in the intake passage.
  • the door 33 can be opened and closed by electrical control, and is also called a mix door.
  • the evaporator 32 is a device that exchanges heat between the low-temperature and low-pressure refrigerant and the air, and is disposed in the intake passage of the HVAC 30.
  • the evaporator 32 is supplied with a low-temperature and low-pressure refrigerant in the cooling mode and the cooling / cooling mode, and cools the intake air (air sent to the vehicle interior) supplied to the vehicle interior.
  • the expansion valve 56 expands the high-pressure refrigerant and discharges the low-temperature and low-pressure refrigerant to the evaporator 32.
  • the expansion valve 56 is disposed in the vicinity of the evaporator 32 on the upstream side of the evaporator 32.
  • the expansion valve 56 is, for example, a temperature type expansion valve having a function of automatically adjusting the amount of refrigerant to be discharged according to the temperature of the refrigerant sent from the evaporator 32.
  • a check valve 57 is disposed in the middle of the refrigerant circuit from the evaporator 32 to the compressor 10.
  • the check valve 57 is a valve that prevents the refrigerant from flowing back in the heating mode in which the refrigerant does not flow to the outdoor condenser 20 and the evaporator 32.
  • the refrigerant pressure in the outdoor condenser 20 and the evaporator 32 may be low.
  • the refrigerant flowing in the refrigerant circuit 2A of the first heat exchanger 11 and the second heat exchanger 12 flows back to the cooling refrigerant circuit 2B on the evaporator 32 side, and the heat pump cycle Efficiency will decrease.
  • Such inconvenience can be avoided by the presence of the check valve 57.
  • the vehicle air conditioner 1 has a control system configuration in which the compressor 10 is driven, the operating parts of the HVAC 30 are driven, and the on-off valves (first on-off valve 51, second on-off valve 52, and third on-off valve 53). And a control unit (not shown) for controlling the switching of the flow path of the three-way valve 58, the pump for transferring the cooling liquid by power, and the like.
  • the control unit includes, for example, a microcomputer, an I / O, a program memory storing a control program, a working memory, and the like, and the microcomputer performs predetermined control according to the control program, but is configured as one unit. It may be made up of a plurality of units.
  • the operation mode of the vehicle air conditioner 1 includes a hot water heating mode, a heat pump heating mode, a cooling mode, a cooling / cooling mode, and the like. These operating modes are switched to operate.
  • the hot water heating mode is a mode in which the passenger compartment is heated without operating the heat pump.
  • the heating mode, the cooling mode, and the cooling / cooling mode will be described in order as representative examples.
  • FIG. 2 is a diagram for explaining the operation in the heating mode.
  • the heating mode is a mode in which the first on-off valve 51 is closed, the second on-off valve 52 is opened, and the third on-off valve 53 is closed. Further, the door 33 of the heater core 31 is opened (for example, fully opened). Further, the three-way valve 58 is switched so that the coolant sent from the second heat exchanger 12 flows to the heater core 31.
  • the refrigerant discharged from the compressor 10 passes through the second heat exchanger 12, the expansion valve 55, and the first heat exchanger 11 in order in the heating refrigerant circuit 2A and returns to the compressor 10. Circulate like so.
  • the high-temperature and high-pressure refrigerant compressed by the compressor 10 dissipates heat to the coolant in the second heat exchanger 12 and condenses.
  • the condensed refrigerant is expanded by the expansion valve 55 to become a low-temperature and low-pressure refrigerant, and is sent to the first heat exchanger 11.
  • the low-temperature and low-pressure refrigerant is vaporized by absorbing heat from the coolant in the first heat exchanger 11.
  • the vaporized low-pressure refrigerant is sucked into the compressor 10 and compressed again.
  • the coolant circulates in the coolant circuit 3 so as to pass through the engine 40, the second heat exchanger 12, the heater core 31, and the first heat exchanger 11 in this order.
  • the coolant that has absorbed the exhaust heat by the engine 40 is further heated by the second heat exchanger 12 and sent to the heater core 31.
  • the coolant that has reached a high temperature can sufficiently heat the intake air that is sent into the passenger compartment by the heater core 31.
  • the first heat exchanger 11 can release the heat to the refrigerant to vaporize the refrigerant. Further, the coolant cooled in the first heat exchanger 11 is sent to the engine 40 and used for cooling the engine 40.
  • FIG. 3 is a diagram for explaining the operation in the cooling mode.
  • the cooling mode is a mode in which the first on-off valve 51 is opened, the second on-off valve 52 is closed, and the third on-off valve 53 is also closed. Further, the door 33 of the heater core 31 is fully closed. Further, the three-way valve 58 is switched so that the coolant sent from the second heat exchanger 12 flows to the heater core 31.
  • the refrigerant discharged from the compressor 10 circulates back through the outdoor condenser 20, the expansion valve 56, and the evaporator 32 in order in the cooling refrigerant circuit 2B so as to return to the compressor 10.
  • the high-temperature and high-pressure refrigerant compressed by the compressor 10 dissipates heat to the air by the outdoor condenser 20 and condenses.
  • the condensed refrigerant is expanded by the expansion valve 56 to become a low-temperature and low-pressure refrigerant and is sent to the evaporator 32.
  • the low-temperature and low-pressure refrigerant cools and evaporates the intake air sent into the passenger compartment in the evaporator 32.
  • the vaporized low-pressure refrigerant is sucked into the compressor 10 and compressed.
  • the flow of the coolant is the same as in the heating mode, and circulates in the coolant circuit 3 so as to pass through the engine 40, the second heat exchanger 12, the heater core 31, and the first heat exchanger 11 in order. To do. In this case, when the coolant passes through the second heat exchanger 12, the heater core 31, and the first heat exchanger 11 in this order, it hardly exchanges heat with the refrigerant or air.
  • the heat dissipation of the coolant is mainly performed by a radiator of an engine cooling unit in the engine 40.
  • the engine 40 Since the engine 40 is very hot, it is cooled by heat dissipation from the radiator even if the outside air temperature is high. Here, it is good also as employ
  • FIG. 4 is a diagram for explaining the operation in the cooling and cooling mode.
  • the first on-off valve 51 is opened, the second on-off valve 52 is closed, and the third on-off valve 53 is opened. Further, the door 33 of the heater core 31 is fully closed. Further, the three-way valve 58 is switched so that the coolant sent from the second heat exchanger 12 flows not to the heater core 31 but to the in-vehicle device 41.
  • the refrigerant discharged from the compressor 10 passes through the outdoor condenser 20 in the cooling refrigerant circuit 2B and then flows through the refrigerant pipe (first passage) passing through the evaporator 32, as well as the evaporator 32. And the refrigerant pipe (second passage) passing through each heat exchanger (the first heat exchanger 11 and the second heat exchanger 12) provided in parallel.
  • the refrigerant sent from the outdoor condenser 20 passes through the expansion valve 56 and the evaporator 32 in order and returns to the compressor 10, the third on-off valve 53, the throttle valve 54, the second heat exchanger 12, and the first heat.
  • the refrigerant flows through both the refrigerant pipes of the bypass refrigerant circuit 2B ′ that passes through the exchanger 11 and returns to the compressor 10 in order.
  • the refrigerant compressed by the compressor 10 dissipates heat to the air by the outdoor condenser 20 and condenses.
  • the condensed refrigerant expands in the expansion valve 56 to become a low-temperature and low-pressure refrigerant and is sent to the evaporator 32.
  • the low-temperature and low-pressure refrigerant cools and evaporates the intake air sent into the passenger compartment in the evaporator 32.
  • the vaporized low-pressure refrigerant is sucked into the compressor 10 and compressed.
  • the refrigerant passing through the refrigerant pipe of the bypass refrigerant circuit 2 ⁇ / b> B ′ is expanded in the throttle valve 54 and then sent to the second heat exchanger 12.
  • the second heat exchanger 12 cools the coolant by vaporizing the refrigerant, instead of condensing the refrigerant as in the heating mode.
  • the refrigerant sent out from the second heat exchanger 12 expands in the expansion valve 55 to become a low-temperature and low-pressure refrigerant and is sent to the first heat exchanger 11.
  • the low-temperature and low-pressure refrigerant is vaporized by absorbing heat from the coolant in the first heat exchanger 11.
  • the vaporized low-pressure refrigerant is sucked into the compressor 10 and compressed again.
  • the coolant circulates in the coolant circuit 3 so as to pass through the engine 40, the second heat exchanger 12, and the in-vehicle device 41 in order.
  • the coolant that has absorbed the exhaust heat by the engine 40 is cooled by the second heat exchanger 12 and then sent to the in-vehicle device 41 via the three-way valve 58.
  • the vehicle-mounted device 41 can be cooled by sending the coolant cooled by the second heat exchanger 12 to the vehicle-mounted device 41.
  • Such an operation can sufficiently cool the passenger compartment and also cool the in-vehicle device 41.
  • the vehicle air conditioner 1 uses the configuration of the hot water heater that uses the coolant of the engine 40 to flow through the heater core 31 for heating and the low-temperature and low-pressure refrigerant of the heat pump. It also has a heat pump type cooling device that performs cooling as a basic configuration. And it becomes the structure by which the auxiliary heating function which further heats a cooling fluid with a heat pump was added to this basic structure. With such a configuration, even when the engine 40 is at a low temperature, the vehicle interior can be quickly heated with a small amount of energy by the action of the heat pump.
  • the basic structure is the same as that of a hot water heater and a heat pump type cooling device as used in a conventional vehicle, and at the time of cooling and heating.
  • the common compressor 10 and the refrigerant By using the common compressor 10 and the refrigerant, the heating performance can be improved at a low cost, and the increase in installation space can be reduced from the conventional configuration.
  • the bypass refrigerant circuit 2B ′ is added to the cooling refrigerant circuit 2B, the third on-off valve is also arranged, and the refrigerant flows through the bypass refrigerant circuit 2B ′.
  • the second heat exchanger 12 is made to function as a sub-evaporator, not as a sub-capacitor. Accordingly, it is possible to add a function of cooling the in-vehicle device 41 while keeping the basic configuration as it is while suppressing an increase in the number of parts and installation space as much as possible.
  • cooling refrigerant circuit 2B it is possible to not only heat the cooling liquid but also to cool it by only changing a part of the refrigerant flow path. It can be performed.
  • the refrigerant pipe extending from the second heat exchanger 12 to the first heat exchanger 11 and the refrigerant extending from the outdoor condenser 20 to the evaporator 32. Since the pipes are different, each refrigerant pipe can be independently adjusted to suit a plurality of operation modes (for example, a heating mode and a cooling mode).
  • the expansion valve 55 that expands the refrigerant in front of the first heat exchanger 11 and the expansion valve 56 that expands the refrigerant in front of the evaporator 32 are provided.
  • each expansion valve can be independently adjusted to suit a plurality of operating modes.
  • the adjustment can be made according to a plurality of operation modes. It becomes possible to demonstrate specialized operation performance. In addition, the operation mode can be switched smoothly.
  • the outdoor condenser is switched when the operation mode is switched.
  • the refrigerant accumulates in 20 and it becomes difficult to collect and the amount of refrigerant becomes unstable.
  • the vehicle air conditioner 1 of the present embodiment such a problem hardly occurs.
  • the configuration in which the first heat exchanger 11 is provided on the downstream side of the second heat exchanger 12 in the refrigerant circuit 2A for heating has been described as an example.
  • the structure which does not provide the heat exchanger 11 may be sufficient. Next, such a case will be described.
  • FIG. 5 is a configuration diagram illustrating a vehicle air conditioner 1a according to the second embodiment of the present disclosure.
  • symbol is attached
  • This vehicle air conditioner 1a has the same basic configuration as that of the first embodiment. However, in this vehicle air conditioner 1a, the first heat exchanger 11 is not disposed between the refrigerant outlet of the second heat exchanger 12 and the refrigerant inlet of the compressor 10 in the refrigerant circuit 2, A hot gas cycle method may be employed.
  • the coolant circuit 3 is configured so that the coolant circulates between the engine 40, the second heat exchanger 12, and the in-vehicle device 41.
  • the vehicle air conditioner 1a as well, as with the vehicle air conditioner 1, it is possible not only to heat the coolant by the second heat exchanger 12, but also to cool it.
  • the operation mode can be switched to any one of the heating mode, the cooling mode, and the cooling / cooling mode in accordance with the temperature control status (desired to warm / cool) of the in-vehicle device 41.
  • the operation mode is switched to the heating mode.
  • the refrigerant discharged from the compressor 10 circulates back to the compressor 10 through the second heat exchanger 12.
  • the coolant circulates through the engine 40, the second heat exchanger 12, and the in-vehicle device 41 in order.
  • heat exchange is performed between the high-temperature and high-pressure refrigerant and the coolant, and the heated coolant is sent to the in-vehicle device 41 to heat the in-vehicle device 41.
  • the operation mode is switched to the cooling mode.
  • the refrigerant discharged from the compressor 10 circulates back to the compressor 10 through the outdoor condenser 20, the expansion valve 56, the evaporator 32, and the compressor 10 in this order.
  • the coolant flow is the same as in the heating mode.
  • the operation mode is switched to the cooling / cooling mode.
  • the refrigerant discharged from the compressor 10 not only flows through the refrigerant pipe (first passage) passing through the evaporator 32 as in the cooling mode, but also includes second heat provided in parallel with the evaporator 32. It flows through the refrigerant pipe (second passage) passing through the exchanger 12. The flow of the coolant is the same as in the heating mode and the cooling mode.
  • heat exchange is performed between the refrigerant expanded in the throttle valve 54 and the coolant, and the cooled coolant is sent to the in-vehicle device 41 to cool the in-vehicle device 41.
  • piping for sending the coolant sent from the second heat exchanger 12 to the heater core 31 is omitted, but the vehicle-mounted device 41 or the heater core 31 is the same as in the first embodiment.
  • the coolant circuit 3 may be configured so that the coolant can be delivered to any one of the above.
  • FIG. 6 is a configuration diagram illustrating a vehicle air conditioner according to the third embodiment of the present disclosure.
  • symbol is attached
  • the vehicle air conditioner 1b has a configuration in which a throttle valve 59 and the first heat exchanger 11 are added to the vehicle air conditioner 1a of the second embodiment. That is, the throttle valve 59 and the first heat exchanger 11 similar to the first embodiment are provided between the refrigerant outlet of the second heat exchanger 12 and the refrigerant inlet of the compressor 10 in the refrigerant circuit 2. Arranged to constitute a heat pump cycle.
  • the coolant circuit 3 is configured such that the coolant circulates between the engine 40, the second heat exchanger 12, the in-vehicle device 41, and the first heat exchanger 11.
  • the vehicle air conditioner 1b it is possible not only to heat the coolant by the second heat exchanger 12 but also to cool the vehicle as in the case of the vehicle air conditioner 1a.
  • the on / off control of each on-off valve controls the heating mode and the cooling mode.
  • the operation mode can be switched to either the cooling / cooling mode.
  • the exhaust heat of the engine 40 can be absorbed more and stable driving can be performed without depending on the outside air temperature or the like.
  • a throttle valve 59 for expanding the refrigerant is disposed upstream of the first heat exchanger 11.
  • the throttle valve 59 has the same configuration as that of the throttle valve 54, but the above-described expansion valve 55 may be employed instead of the throttle valve 54, and the selection of a specific valve type may be changed as appropriate.
  • the piping for sending the coolant sent from the second heat exchanger 12 to the heater core 31 is omitted, but the vehicle-mounted device 41 or the heater core 31 is the same as in the first embodiment.
  • the coolant circuit 3 may be configured so that the coolant can be delivered to any one of the above.
  • FIG. 7 is a configuration diagram illustrating a vehicle air conditioner 1c according to the fourth embodiment of the present disclosure. Note that the same reference numerals are given to the same components as those in the first to third embodiments, and a duplicate description will be omitted.
  • the vehicle air conditioner 1c has the same basic configuration as that of the first embodiment, and the refrigerant circuit 2 is configured in the same manner as in the first embodiment. However, the coolant circuit 3 is partially different in the route of the coolant pipe.
  • the coolant circuit 3 is configured so that the coolant circulates between the engine 40, the second heat exchanger 12, the heater core 31, the in-vehicle device 41, and the first heat exchanger 11. Yes.
  • the heater core 31 and the in-vehicle device 41 are arranged in series. Therefore, when heating the heater core 31, the vehicle-mounted device 41 can also be heated simultaneously, and when heating the vehicle-mounted device 41, the heater core 31 can also be heated simultaneously.
  • FIG. 8 is a configuration diagram illustrating a vehicle air conditioner 1d according to the fifth embodiment of the present disclosure.
  • the same components as those in the first to fourth embodiments are denoted by the same reference numerals, and redundant description is omitted.
  • This vehicle air conditioner 1d has the same basic configuration as that of the third embodiment, and the refrigerant circuit 2 is configured in the same manner as in the first and third embodiments. However, the coolant circuit 3 is partially different in the route of the coolant pipe.
  • the coolant pipe from the coolant delivery port of the engine 40 is branched by a three-way valve 61, and the coolant fluid introduction of the engine 40 is introduced through the second heat exchanger 12 and the in-vehicle device 41 in order.
  • the coolant flow path can be switched between the coolant flow path that returns to the opening and the coolant flow path that passes through the expansion valve 55 and the first heat exchanger 11 and returns to the refrigerant liquid inlet of the engine 40. It is configured as follows.
  • the three-way valve 61 is a valve that can switch the flow of the coolant sent from the engine 40 between one side and the other side, for example, by electrical control. In this way, by flowing the coolant through one of the first heat exchanger 11 and the second heat exchanger 12, the pressure loss can be reduced.
  • the vehicle air conditioner of the present disclosure is applied not only to a system that configures a heat pump cycle, but also to a system that configures a hot gas cycle, such as the vehicle air conditioner 1a of the second embodiment. May be.
  • the heating component of the vehicle is the engine 40
  • other heating components such as an electric motor for driving in an electric vehicle, a secondary battery for supplying electric power for driving It may be.
  • first heat exchanger 11, the second heat exchanger 12, the expansion valve 55, the first on-off valve 51, the second on-off valve 52, and the like may be configured as an integrated unit.
  • the unit may be one in which each component is housed and integrated in one housing, or may be one in which each component is joined.
  • the present disclosure can be used for an air conditioner for vehicles mounted on various vehicles such as an engine vehicle, an electric vehicle, or a HEV (Hybrid Electric Vehicle) vehicle.
  • vehicles such as an engine vehicle, an electric vehicle, or a HEV (Hybrid Electric Vehicle) vehicle.
  • HEV Hybrid Electric Vehicle
  • Coolant circuit 10 Compressor 11 First heat exchanger 12 Second heat exchange 51 First on-off valve (switching part) 52 Second on-off valve (switching part) 53 Third open / close valve 54, 59 Throttle valve 55, 56 Expansion valve 57 Check valve 58, 61 Three-way valve 20 Outdoor condenser 30 HVAC 31 Heater core 32 Evaporator 33 Door 34 Fan 40 Engine (engine cooling part) 41 On-vehicle device (engine temperature control part)

Landscapes

  • Engineering & Computer Science (AREA)
  • Chemical & Material Sciences (AREA)
  • Combustion & Propulsion (AREA)
  • Physics & Mathematics (AREA)
  • Thermal Sciences (AREA)
  • Mechanical Engineering (AREA)
  • Air-Conditioning For Vehicles (AREA)
PCT/JP2017/002647 2016-03-25 2017-01-26 車両用空調装置 Ceased WO2017163594A1 (ja)

Priority Applications (1)

Application Number Priority Date Filing Date Title
US16/084,006 US10611212B2 (en) 2016-03-25 2017-01-26 Air conditioner for vehicle

Applications Claiming Priority (2)

Application Number Priority Date Filing Date Title
JP2016-062526 2016-03-25
JP2016062526A JP6590321B2 (ja) 2016-03-25 2016-03-25 車両用空調装置

Publications (1)

Publication Number Publication Date
WO2017163594A1 true WO2017163594A1 (ja) 2017-09-28

Family

ID=59899953

Family Applications (1)

Application Number Title Priority Date Filing Date
PCT/JP2017/002647 Ceased WO2017163594A1 (ja) 2016-03-25 2017-01-26 車両用空調装置

Country Status (3)

Country Link
US (1) US10611212B2 (enExample)
JP (1) JP6590321B2 (enExample)
WO (1) WO2017163594A1 (enExample)

Families Citing this family (7)

* Cited by examiner, † Cited by third party
Publication number Priority date Publication date Assignee Title
KR20190105618A (ko) * 2017-09-18 2019-09-17 지디 미디어 히팅 엔드 벤틸레이팅 이큅먼트 코 엘티디 멀티연결식 공기조화기의 제어방법, 시스템 및 컴퓨터 판독가능 저장 매체
CN109334392B (zh) * 2018-11-12 2024-09-27 珠海格力电器股份有限公司 车辆及其热管理系统
US11549606B2 (en) * 2018-11-28 2023-01-10 Mahle International Gmbh Pilot-pressure-controlled flow valve and fluid system containing same
CN112406494B (zh) * 2019-08-23 2022-08-09 华为技术有限公司 用于汽车的热管理系统以及基于该系统的热管理方法
FR3100491A1 (fr) * 2019-09-09 2021-03-12 Valeo Systemes Thermiques Circuit de fluide refrigerant pour vehicule et procede de contrôle d’un tel circuit
US11597255B2 (en) 2020-03-25 2023-03-07 Pony Al Inc. Systems and methods for cooling vehicle components
KR20220048170A (ko) * 2020-10-12 2022-04-19 현대자동차주식회사 차량용 열 관리 시스템

Citations (2)

* Cited by examiner, † Cited by third party
Publication number Priority date Publication date Assignee Title
JP2003154841A (ja) * 2001-11-19 2003-05-27 Japan Climate Systems Corp 車両用空調装置
JP2005002983A (ja) * 2003-05-19 2005-01-06 Denso Corp 水冷式吸気冷却装置及びその運転制御方法

Family Cites Families (46)

* Cited by examiner, † Cited by third party
Publication number Priority date Publication date Assignee Title
US5299431A (en) * 1991-04-26 1994-04-05 Nippondenso Co., Ltd. Automotive air conditioner having condenser and evaporator provided within air duct
US5641016A (en) * 1993-12-27 1997-06-24 Nippondenso Co., Ltd. Air-conditioning apparatus for vehicle use
US5531264A (en) * 1994-10-19 1996-07-02 Zexel Corporation Control apparatus for a cooling unit with a heating function and a multi-compartment temperature management apparatus for a vehicle using this cooling unit
JPH1076841A (ja) * 1996-09-06 1998-03-24 Calsonic Corp ヒートポンプ式自動車用空気調和装置
EP0842799A3 (en) * 1996-11-15 2003-03-05 Calsonic Kansei Corporation Heat pump type air conditioning system for automotive vehicle
JP3952545B2 (ja) * 1997-07-24 2007-08-01 株式会社デンソー 車両用空調装置
US6237357B1 (en) * 1999-06-07 2001-05-29 Mitsubishi Heavy Industries, Ltd. Vehicular air conditioner using heat pump
US6347528B1 (en) * 1999-07-26 2002-02-19 Denso Corporation Refrigeration-cycle device
JP3953377B2 (ja) * 2002-07-16 2007-08-08 トヨタ自動車株式会社 空調装置
JP2004217087A (ja) * 2003-01-15 2004-08-05 Calsonic Kansei Corp 車両用空調装置
JP2005263200A (ja) * 2004-02-18 2005-09-29 Denso Corp 車両用空調装置
US8517087B2 (en) * 2007-02-20 2013-08-27 Bergstrom, Inc. Combined heating and air conditioning system for vehicles
EP2492614B1 (en) * 2009-10-23 2022-11-09 Mitsubishi Electric Corporation Air conditioning device
WO2012098966A1 (ja) * 2011-01-21 2012-07-26 サンデン株式会社 車両用空気調和装置
US20130319029A1 (en) * 2011-02-22 2013-12-05 Hitachi, Ltd. Vehicle thermal system
JP5920179B2 (ja) * 2011-12-05 2016-05-18 株式会社デンソー 熱交換器およびそれを備えるヒートポンプサイクル
JP5531045B2 (ja) * 2012-03-16 2014-06-25 株式会社日本自動車部品総合研究所 冷却装置
JP5867305B2 (ja) * 2012-06-20 2016-02-24 株式会社デンソー 車両用熱管理システム
KR101416357B1 (ko) * 2012-09-07 2014-07-08 현대자동차 주식회사 차량용 히트펌프 시스템 및 그 제어방법
JP5799924B2 (ja) * 2012-09-25 2015-10-28 株式会社デンソー 冷凍サイクル装置
JP6031931B2 (ja) * 2012-10-03 2016-11-24 株式会社デンソー 冷凍サイクル装置
JP5870903B2 (ja) * 2012-11-07 2016-03-01 株式会社デンソー 冷凍サイクル装置
JP5962556B2 (ja) * 2013-03-19 2016-08-03 株式会社デンソー 車両用熱管理システム
CN104121724B (zh) * 2013-04-27 2018-10-26 浙江三花汽车零部件有限公司 一种空调系统及一种热交换器
US20160159199A1 (en) 2013-07-25 2016-06-09 Panasonic Intellectual Property Management Co., Ltd. Vehicular air conditioning device, and constituent unit thereof
JPWO2015011919A1 (ja) * 2013-07-26 2017-03-02 パナソニックIpマネジメント株式会社 車両用空調装置
JP6223753B2 (ja) * 2013-09-04 2017-11-01 サンデンホールディングス株式会社 車両用空気調和装置
US9499026B2 (en) * 2013-09-16 2016-11-22 Denso International America, Inc. Vehicular air-conditioning system with a switching heat exchanger
JP6233009B2 (ja) * 2013-12-26 2017-11-22 株式会社デンソー 車両用空調装置
JP6197657B2 (ja) * 2014-01-14 2017-09-20 株式会社デンソー 車両用熱管理システム
JP6252186B2 (ja) * 2014-01-15 2017-12-27 株式会社デンソー 車両用熱管理システム
JP6197671B2 (ja) * 2014-01-29 2017-09-20 株式会社デンソー 空調装置
JP6314821B2 (ja) * 2014-01-29 2018-04-25 株式会社デンソー 車両用空調装置
JP2015186989A (ja) * 2014-03-12 2015-10-29 カルソニックカンセイ株式会社 車載温調装置、車両用空調装置及びバッテリ温調装置
JP6418779B2 (ja) * 2014-05-08 2018-11-07 サンデンホールディングス株式会社 車両用空気調和装置
JP6269307B2 (ja) * 2014-05-13 2018-01-31 株式会社デンソー 車両用空調装置
US9822752B2 (en) * 2014-05-19 2017-11-21 Ford Global Technologies, Llc Vehicle heating system and method
WO2016017643A1 (ja) * 2014-07-28 2016-02-04 三菱電機株式会社 空気調和装置
WO2016059791A1 (ja) * 2014-10-17 2016-04-21 パナソニックIpマネジメント株式会社 車両用空調装置
JPWO2016067567A1 (ja) * 2014-10-31 2017-08-17 パナソニックIpマネジメント株式会社 空調制御装置および車両用空調装置、および空調制御装置の電磁弁故障判定方法
JPWO2016103578A1 (ja) * 2014-12-24 2017-10-12 パナソニックIpマネジメント株式会社 車両用空調装置
US10391835B2 (en) * 2015-05-15 2019-08-27 Ford Global Technologies, Llc System and method for de-icing a heat pump
DE102015112030A1 (de) * 2015-07-23 2017-01-26 Halla Visteon Climate Control Corporation Modulares Klimatisierungssystem eines Kraftfahrzeugs
JP6555112B2 (ja) * 2015-12-11 2019-08-07 株式会社デンソー 冷凍サイクル装置
DE102016110443B4 (de) * 2016-06-06 2018-03-29 Konvekta Aktiengesellschaft Kälteanlage, Kälteanlagensystem und Verfahren mit Kältemittelverlagerung
JP6673294B2 (ja) * 2016-08-30 2020-03-25 株式会社デンソー 冷凍サイクル装置

Patent Citations (2)

* Cited by examiner, † Cited by third party
Publication number Priority date Publication date Assignee Title
JP2003154841A (ja) * 2001-11-19 2003-05-27 Japan Climate Systems Corp 車両用空調装置
JP2005002983A (ja) * 2003-05-19 2005-01-06 Denso Corp 水冷式吸気冷却装置及びその運転制御方法

Also Published As

Publication number Publication date
JP2017171245A (ja) 2017-09-28
US20190255910A1 (en) 2019-08-22
US10611212B2 (en) 2020-04-07
JP6590321B2 (ja) 2019-10-16

Similar Documents

Publication Publication Date Title
CN105431313B (zh) 车辆用空调装置
JP6590321B2 (ja) 車両用空調装置
JP5187786B2 (ja) 車両用ヒートポンプシステム
JP6108322B2 (ja) 車両用空調装置
JP6304578B2 (ja) 車両用空調装置
CN105408142B (zh) 车辆用空调装置
CN107635802B (zh) 用于车辆的热系统和用于对车辆进行空气调节的方法
JP2019501068A (ja) 車両用ヒートポンプシステム
KR20180122272A (ko) 자동차의 공조 시스템 및 공조 시스템의 작동 방법
JP2021147044A (ja) 車室の空気を空調して自動車の駆動部品を通じて熱伝達するためのシステム及びそのシステムの動作方法
WO2016059791A1 (ja) 車両用空調装置
KR20220127295A (ko) 승객실 공기 공조 및 자동차 파워트레인의 구성 요소를 통한 열 전달 시스템 및 시스템 작동 방법
WO2015008463A1 (ja) 車両用空調装置およびその構成ユニット
JP6315222B2 (ja) 車両用空調装置の構成ユニット
WO2021261320A1 (ja) 車両用冷却装置
WO2017163563A1 (ja) 熱交換ユニットおよび車両用空調装置
CN120225374A (zh) 热调节系统
JP2017171248A (ja) 車両用空調装置
JP2004182166A (ja) 車両用空調装置
JP2018192967A (ja) 車両用空調システム
JP2018177096A (ja) 車両用空調装置

Legal Events

Date Code Title Description
NENP Non-entry into the national phase

Ref country code: DE

121 Ep: the epo has been informed by wipo that ep was designated in this application

Ref document number: 17769641

Country of ref document: EP

Kind code of ref document: A1

122 Ep: pct application non-entry in european phase

Ref document number: 17769641

Country of ref document: EP

Kind code of ref document: A1