WO2016181634A1 - 内燃機関の再始動制御装置 - Google Patents

内燃機関の再始動制御装置 Download PDF

Info

Publication number
WO2016181634A1
WO2016181634A1 PCT/JP2016/002231 JP2016002231W WO2016181634A1 WO 2016181634 A1 WO2016181634 A1 WO 2016181634A1 JP 2016002231 W JP2016002231 W JP 2016002231W WO 2016181634 A1 WO2016181634 A1 WO 2016181634A1
Authority
WO
WIPO (PCT)
Prior art keywords
internal combustion
combustion engine
engine
restart
vehicle
Prior art date
Legal status (The legal status is an assumption and is not a legal conclusion. Google has not performed a legal analysis and makes no representation as to the accuracy of the status listed.)
Ceased
Application number
PCT/JP2016/002231
Other languages
English (en)
French (fr)
Japanese (ja)
Inventor
朋久 尾勢
浅田 忠利
前田 茂
崇 千田
Current Assignee (The listed assignees may be inaccurate. Google has not performed a legal analysis and makes no representation or warranty as to the accuracy of the list.)
Denso Corp
Original Assignee
Denso Corp
Priority date (The priority date is an assumption and is not a legal conclusion. Google has not performed a legal analysis and makes no representation as to the accuracy of the date listed.)
Filing date
Publication date
Application filed by Denso Corp filed Critical Denso Corp
Priority to US15/558,379 priority Critical patent/US10479359B2/en
Priority to DE112016002143.7T priority patent/DE112016002143B4/de
Priority to CN201680027061.4A priority patent/CN107532527B/zh
Publication of WO2016181634A1 publication Critical patent/WO2016181634A1/ja
Anticipated expiration legal-status Critical
Ceased legal-status Critical Current

Links

Images

Classifications

    • BPERFORMING OPERATIONS; TRANSPORTING
    • B60VEHICLES IN GENERAL
    • B60WCONJOINT CONTROL OF VEHICLE SUB-UNITS OF DIFFERENT TYPE OR DIFFERENT FUNCTION; CONTROL SYSTEMS SPECIALLY ADAPTED FOR HYBRID VEHICLES; ROAD VEHICLE DRIVE CONTROL SYSTEMS FOR PURPOSES NOT RELATED TO THE CONTROL OF A PARTICULAR SUB-UNIT
    • B60W30/00Purposes of road vehicle drive control systems not related to the control of a particular sub-unit, e.g. of systems using conjoint control of vehicle sub-units
    • B60W30/18Propelling the vehicle
    • B60W30/18009Propelling the vehicle related to particular drive situations
    • B60W30/18072Coasting
    • BPERFORMING OPERATIONS; TRANSPORTING
    • B60VEHICLES IN GENERAL
    • B60KARRANGEMENT OR MOUNTING OF PROPULSION UNITS OR OF TRANSMISSIONS IN VEHICLES; ARRANGEMENT OR MOUNTING OF PLURAL DIVERSE PRIME-MOVERS IN VEHICLES; AUXILIARY DRIVES FOR VEHICLES; INSTRUMENTATION OR DASHBOARDS FOR VEHICLES; ARRANGEMENTS IN CONNECTION WITH COOLING, AIR INTAKE, GAS EXHAUST OR FUEL SUPPLY OF PROPULSION UNITS IN VEHICLES
    • B60K6/00Arrangement or mounting of plural diverse prime-movers for mutual or common propulsion, e.g. hybrid propulsion systems comprising electric motors and internal combustion engines
    • B60K6/20Arrangement or mounting of plural diverse prime-movers for mutual or common propulsion, e.g. hybrid propulsion systems comprising electric motors and internal combustion engines the prime-movers consisting of electric motors and internal combustion engines, e.g. HEVs
    • B60K6/42Arrangement or mounting of plural diverse prime-movers for mutual or common propulsion, e.g. hybrid propulsion systems comprising electric motors and internal combustion engines the prime-movers consisting of electric motors and internal combustion engines, e.g. HEVs characterised by the architecture of the hybrid electric vehicle
    • B60K6/48Parallel type
    • B60K6/485Motor-assist type
    • BPERFORMING OPERATIONS; TRANSPORTING
    • B60VEHICLES IN GENERAL
    • B60KARRANGEMENT OR MOUNTING OF PROPULSION UNITS OR OF TRANSMISSIONS IN VEHICLES; ARRANGEMENT OR MOUNTING OF PLURAL DIVERSE PRIME-MOVERS IN VEHICLES; AUXILIARY DRIVES FOR VEHICLES; INSTRUMENTATION OR DASHBOARDS FOR VEHICLES; ARRANGEMENTS IN CONNECTION WITH COOLING, AIR INTAKE, GAS EXHAUST OR FUEL SUPPLY OF PROPULSION UNITS IN VEHICLES
    • B60K6/00Arrangement or mounting of plural diverse prime-movers for mutual or common propulsion, e.g. hybrid propulsion systems comprising electric motors and internal combustion engines
    • B60K6/20Arrangement or mounting of plural diverse prime-movers for mutual or common propulsion, e.g. hybrid propulsion systems comprising electric motors and internal combustion engines the prime-movers consisting of electric motors and internal combustion engines, e.g. HEVs
    • B60K6/50Architecture of the driveline characterised by arrangement or kind of transmission units
    • B60K6/54Transmission for changing ratio
    • BPERFORMING OPERATIONS; TRANSPORTING
    • B60VEHICLES IN GENERAL
    • B60WCONJOINT CONTROL OF VEHICLE SUB-UNITS OF DIFFERENT TYPE OR DIFFERENT FUNCTION; CONTROL SYSTEMS SPECIALLY ADAPTED FOR HYBRID VEHICLES; ROAD VEHICLE DRIVE CONTROL SYSTEMS FOR PURPOSES NOT RELATED TO THE CONTROL OF A PARTICULAR SUB-UNIT
    • B60W10/00Conjoint control of vehicle sub-units of different type or different function
    • B60W10/02Conjoint control of vehicle sub-units of different type or different function including control of driveline clutches
    • BPERFORMING OPERATIONS; TRANSPORTING
    • B60VEHICLES IN GENERAL
    • B60WCONJOINT CONTROL OF VEHICLE SUB-UNITS OF DIFFERENT TYPE OR DIFFERENT FUNCTION; CONTROL SYSTEMS SPECIALLY ADAPTED FOR HYBRID VEHICLES; ROAD VEHICLE DRIVE CONTROL SYSTEMS FOR PURPOSES NOT RELATED TO THE CONTROL OF A PARTICULAR SUB-UNIT
    • B60W10/00Conjoint control of vehicle sub-units of different type or different function
    • B60W10/04Conjoint control of vehicle sub-units of different type or different function including control of propulsion units
    • B60W10/06Conjoint control of vehicle sub-units of different type or different function including control of propulsion units including control of combustion engines
    • BPERFORMING OPERATIONS; TRANSPORTING
    • B60VEHICLES IN GENERAL
    • B60WCONJOINT CONTROL OF VEHICLE SUB-UNITS OF DIFFERENT TYPE OR DIFFERENT FUNCTION; CONTROL SYSTEMS SPECIALLY ADAPTED FOR HYBRID VEHICLES; ROAD VEHICLE DRIVE CONTROL SYSTEMS FOR PURPOSES NOT RELATED TO THE CONTROL OF A PARTICULAR SUB-UNIT
    • B60W10/00Conjoint control of vehicle sub-units of different type or different function
    • B60W10/04Conjoint control of vehicle sub-units of different type or different function including control of propulsion units
    • B60W10/08Conjoint control of vehicle sub-units of different type or different function including control of propulsion units including control of electric propulsion units, e.g. motors or generators
    • BPERFORMING OPERATIONS; TRANSPORTING
    • B60VEHICLES IN GENERAL
    • B60WCONJOINT CONTROL OF VEHICLE SUB-UNITS OF DIFFERENT TYPE OR DIFFERENT FUNCTION; CONTROL SYSTEMS SPECIALLY ADAPTED FOR HYBRID VEHICLES; ROAD VEHICLE DRIVE CONTROL SYSTEMS FOR PURPOSES NOT RELATED TO THE CONTROL OF A PARTICULAR SUB-UNIT
    • B60W10/00Conjoint control of vehicle sub-units of different type or different function
    • B60W10/10Conjoint control of vehicle sub-units of different type or different function including control of change-speed gearings
    • BPERFORMING OPERATIONS; TRANSPORTING
    • B60VEHICLES IN GENERAL
    • B60WCONJOINT CONTROL OF VEHICLE SUB-UNITS OF DIFFERENT TYPE OR DIFFERENT FUNCTION; CONTROL SYSTEMS SPECIALLY ADAPTED FOR HYBRID VEHICLES; ROAD VEHICLE DRIVE CONTROL SYSTEMS FOR PURPOSES NOT RELATED TO THE CONTROL OF A PARTICULAR SUB-UNIT
    • B60W10/00Conjoint control of vehicle sub-units of different type or different function
    • B60W10/10Conjoint control of vehicle sub-units of different type or different function including control of change-speed gearings
    • B60W10/11Stepped gearings
    • BPERFORMING OPERATIONS; TRANSPORTING
    • B60VEHICLES IN GENERAL
    • B60WCONJOINT CONTROL OF VEHICLE SUB-UNITS OF DIFFERENT TYPE OR DIFFERENT FUNCTION; CONTROL SYSTEMS SPECIALLY ADAPTED FOR HYBRID VEHICLES; ROAD VEHICLE DRIVE CONTROL SYSTEMS FOR PURPOSES NOT RELATED TO THE CONTROL OF A PARTICULAR SUB-UNIT
    • B60W20/00Control systems specially adapted for hybrid vehicles
    • B60W20/40Controlling the engagement or disengagement of prime movers, e.g. for transition between prime movers
    • FMECHANICAL ENGINEERING; LIGHTING; HEATING; WEAPONS; BLASTING
    • F02COMBUSTION ENGINES; HOT-GAS OR COMBUSTION-PRODUCT ENGINE PLANTS
    • F02DCONTROLLING COMBUSTION ENGINES
    • F02D29/00Controlling engines, such controlling being peculiar to the devices driven thereby, the devices being other than parts or accessories essential to engine operation, e.g. controlling of engines by signals external thereto
    • F02D29/02Controlling engines, such controlling being peculiar to the devices driven thereby, the devices being other than parts or accessories essential to engine operation, e.g. controlling of engines by signals external thereto peculiar to engines driving vehicles; peculiar to engines driving variable pitch propellers
    • FMECHANICAL ENGINEERING; LIGHTING; HEATING; WEAPONS; BLASTING
    • F02COMBUSTION ENGINES; HOT-GAS OR COMBUSTION-PRODUCT ENGINE PLANTS
    • F02NSTARTING OF COMBUSTION ENGINES; STARTING AIDS FOR SUCH ENGINES, NOT OTHERWISE PROVIDED FOR
    • F02N11/00Starting of engines by means of electric motors
    • F02N11/04Starting of engines by means of electric motors the motors being associated with current generators
    • FMECHANICAL ENGINEERING; LIGHTING; HEATING; WEAPONS; BLASTING
    • F02COMBUSTION ENGINES; HOT-GAS OR COMBUSTION-PRODUCT ENGINE PLANTS
    • F02NSTARTING OF COMBUSTION ENGINES; STARTING AIDS FOR SUCH ENGINES, NOT OTHERWISE PROVIDED FOR
    • F02N11/00Starting of engines by means of electric motors
    • F02N11/08Circuits specially adapted for starting of engines
    • FMECHANICAL ENGINEERING; LIGHTING; HEATING; WEAPONS; BLASTING
    • F02COMBUSTION ENGINES; HOT-GAS OR COMBUSTION-PRODUCT ENGINE PLANTS
    • F02NSTARTING OF COMBUSTION ENGINES; STARTING AIDS FOR SUCH ENGINES, NOT OTHERWISE PROVIDED FOR
    • F02N11/00Starting of engines by means of electric motors
    • F02N11/08Circuits specially adapted for starting of engines
    • F02N11/0814Circuits specially adapted for starting of engines comprising means for controlling automatic idle-start-stop
    • F02N11/0818Conditions for starting or stopping the engine or for deactivating the idle-start-stop mode
    • FMECHANICAL ENGINEERING; LIGHTING; HEATING; WEAPONS; BLASTING
    • F02COMBUSTION ENGINES; HOT-GAS OR COMBUSTION-PRODUCT ENGINE PLANTS
    • F02NSTARTING OF COMBUSTION ENGINES; STARTING AIDS FOR SUCH ENGINES, NOT OTHERWISE PROVIDED FOR
    • F02N11/00Starting of engines by means of electric motors
    • F02N11/08Circuits specially adapted for starting of engines
    • F02N11/0814Circuits specially adapted for starting of engines comprising means for controlling automatic idle-start-stop
    • F02N11/0844Circuits specially adapted for starting of engines comprising means for controlling automatic idle-start-stop with means for restarting the engine directly after an engine stop request, e.g. caused by change of driver mind
    • FMECHANICAL ENGINEERING; LIGHTING; HEATING; WEAPONS; BLASTING
    • F02COMBUSTION ENGINES; HOT-GAS OR COMBUSTION-PRODUCT ENGINE PLANTS
    • F02NSTARTING OF COMBUSTION ENGINES; STARTING AIDS FOR SUCH ENGINES, NOT OTHERWISE PROVIDED FOR
    • F02N11/00Starting of engines by means of electric motors
    • F02N11/08Circuits specially adapted for starting of engines
    • F02N11/0848Circuits specially adapted for starting of engines with means for detecting successful engine start, e.g. to stop starter actuation
    • FMECHANICAL ENGINEERING; LIGHTING; HEATING; WEAPONS; BLASTING
    • F02COMBUSTION ENGINES; HOT-GAS OR COMBUSTION-PRODUCT ENGINE PLANTS
    • F02NSTARTING OF COMBUSTION ENGINES; STARTING AIDS FOR SUCH ENGINES, NOT OTHERWISE PROVIDED FOR
    • F02N5/00Starting apparatus having mechanical power storage
    • F02N5/04Starting apparatus having mechanical power storage of inertia type
    • BPERFORMING OPERATIONS; TRANSPORTING
    • B60VEHICLES IN GENERAL
    • B60KARRANGEMENT OR MOUNTING OF PROPULSION UNITS OR OF TRANSMISSIONS IN VEHICLES; ARRANGEMENT OR MOUNTING OF PLURAL DIVERSE PRIME-MOVERS IN VEHICLES; AUXILIARY DRIVES FOR VEHICLES; INSTRUMENTATION OR DASHBOARDS FOR VEHICLES; ARRANGEMENTS IN CONNECTION WITH COOLING, AIR INTAKE, GAS EXHAUST OR FUEL SUPPLY OF PROPULSION UNITS IN VEHICLES
    • B60K6/00Arrangement or mounting of plural diverse prime-movers for mutual or common propulsion, e.g. hybrid propulsion systems comprising electric motors and internal combustion engines
    • B60K6/20Arrangement or mounting of plural diverse prime-movers for mutual or common propulsion, e.g. hybrid propulsion systems comprising electric motors and internal combustion engines the prime-movers consisting of electric motors and internal combustion engines, e.g. HEVs
    • B60K6/22Arrangement or mounting of plural diverse prime-movers for mutual or common propulsion, e.g. hybrid propulsion systems comprising electric motors and internal combustion engines the prime-movers consisting of electric motors and internal combustion engines, e.g. HEVs characterised by apparatus, components or means specially adapted for HEVs
    • B60K6/26Arrangement or mounting of plural diverse prime-movers for mutual or common propulsion, e.g. hybrid propulsion systems comprising electric motors and internal combustion engines the prime-movers consisting of electric motors and internal combustion engines, e.g. HEVs characterised by apparatus, components or means specially adapted for HEVs characterised by the motors or the generators
    • B60K2006/268Electric drive motor starts the engine, i.e. used as starter motor
    • BPERFORMING OPERATIONS; TRANSPORTING
    • B60VEHICLES IN GENERAL
    • B60WCONJOINT CONTROL OF VEHICLE SUB-UNITS OF DIFFERENT TYPE OR DIFFERENT FUNCTION; CONTROL SYSTEMS SPECIALLY ADAPTED FOR HYBRID VEHICLES; ROAD VEHICLE DRIVE CONTROL SYSTEMS FOR PURPOSES NOT RELATED TO THE CONTROL OF A PARTICULAR SUB-UNIT
    • B60W30/00Purposes of road vehicle drive control systems not related to the control of a particular sub-unit, e.g. of systems using conjoint control of vehicle sub-units
    • B60W30/18Propelling the vehicle
    • B60W30/18009Propelling the vehicle related to particular drive situations
    • B60W30/18072Coasting
    • B60W2030/18081With torque flow from driveshaft to engine, i.e. engine being driven by vehicle
    • BPERFORMING OPERATIONS; TRANSPORTING
    • B60VEHICLES IN GENERAL
    • B60WCONJOINT CONTROL OF VEHICLE SUB-UNITS OF DIFFERENT TYPE OR DIFFERENT FUNCTION; CONTROL SYSTEMS SPECIALLY ADAPTED FOR HYBRID VEHICLES; ROAD VEHICLE DRIVE CONTROL SYSTEMS FOR PURPOSES NOT RELATED TO THE CONTROL OF A PARTICULAR SUB-UNIT
    • B60W30/00Purposes of road vehicle drive control systems not related to the control of a particular sub-unit, e.g. of systems using conjoint control of vehicle sub-units
    • B60W30/18Propelling the vehicle
    • B60W30/18009Propelling the vehicle related to particular drive situations
    • B60W30/18072Coasting
    • B60W2030/1809Without torque flow between driveshaft and engine, e.g. with clutch disengaged or transmission in neutral
    • BPERFORMING OPERATIONS; TRANSPORTING
    • B60VEHICLES IN GENERAL
    • B60WCONJOINT CONTROL OF VEHICLE SUB-UNITS OF DIFFERENT TYPE OR DIFFERENT FUNCTION; CONTROL SYSTEMS SPECIALLY ADAPTED FOR HYBRID VEHICLES; ROAD VEHICLE DRIVE CONTROL SYSTEMS FOR PURPOSES NOT RELATED TO THE CONTROL OF A PARTICULAR SUB-UNIT
    • B60W2510/00Input parameters relating to a particular sub-units
    • B60W2510/10Change speed gearings
    • B60W2510/1005Transmission ratio engaged
    • BPERFORMING OPERATIONS; TRANSPORTING
    • B60VEHICLES IN GENERAL
    • B60WCONJOINT CONTROL OF VEHICLE SUB-UNITS OF DIFFERENT TYPE OR DIFFERENT FUNCTION; CONTROL SYSTEMS SPECIALLY ADAPTED FOR HYBRID VEHICLES; ROAD VEHICLE DRIVE CONTROL SYSTEMS FOR PURPOSES NOT RELATED TO THE CONTROL OF A PARTICULAR SUB-UNIT
    • B60W2520/00Input parameters relating to overall vehicle dynamics
    • B60W2520/10Longitudinal speed
    • BPERFORMING OPERATIONS; TRANSPORTING
    • B60VEHICLES IN GENERAL
    • B60WCONJOINT CONTROL OF VEHICLE SUB-UNITS OF DIFFERENT TYPE OR DIFFERENT FUNCTION; CONTROL SYSTEMS SPECIALLY ADAPTED FOR HYBRID VEHICLES; ROAD VEHICLE DRIVE CONTROL SYSTEMS FOR PURPOSES NOT RELATED TO THE CONTROL OF A PARTICULAR SUB-UNIT
    • B60W2710/00Output or target parameters relating to a particular sub-units
    • B60W2710/02Clutches
    • B60W2710/021Clutch engagement state
    • BPERFORMING OPERATIONS; TRANSPORTING
    • B60VEHICLES IN GENERAL
    • B60WCONJOINT CONTROL OF VEHICLE SUB-UNITS OF DIFFERENT TYPE OR DIFFERENT FUNCTION; CONTROL SYSTEMS SPECIALLY ADAPTED FOR HYBRID VEHICLES; ROAD VEHICLE DRIVE CONTROL SYSTEMS FOR PURPOSES NOT RELATED TO THE CONTROL OF A PARTICULAR SUB-UNIT
    • B60W2710/00Output or target parameters relating to a particular sub-units
    • B60W2710/06Combustion engines, Gas turbines
    • BPERFORMING OPERATIONS; TRANSPORTING
    • B60VEHICLES IN GENERAL
    • B60WCONJOINT CONTROL OF VEHICLE SUB-UNITS OF DIFFERENT TYPE OR DIFFERENT FUNCTION; CONTROL SYSTEMS SPECIALLY ADAPTED FOR HYBRID VEHICLES; ROAD VEHICLE DRIVE CONTROL SYSTEMS FOR PURPOSES NOT RELATED TO THE CONTROL OF A PARTICULAR SUB-UNIT
    • B60W2710/00Output or target parameters relating to a particular sub-units
    • B60W2710/10Change speed gearings
    • B60W2710/1005Transmission ratio engaged
    • FMECHANICAL ENGINEERING; LIGHTING; HEATING; WEAPONS; BLASTING
    • F02COMBUSTION ENGINES; HOT-GAS OR COMBUSTION-PRODUCT ENGINE PLANTS
    • F02NSTARTING OF COMBUSTION ENGINES; STARTING AIDS FOR SUCH ENGINES, NOT OTHERWISE PROVIDED FOR
    • F02N11/00Starting of engines by means of electric motors
    • F02N11/08Circuits specially adapted for starting of engines
    • F02N11/0814Circuits specially adapted for starting of engines comprising means for controlling automatic idle-start-stop
    • F02N11/0818Conditions for starting or stopping the engine or for deactivating the idle-start-stop mode
    • F02N11/0825Conditions for starting or stopping the engine or for deactivating the idle-start-stop mode related to prevention of engine restart failure, e.g. disabling automatic stop at low battery state
    • FMECHANICAL ENGINEERING; LIGHTING; HEATING; WEAPONS; BLASTING
    • F02COMBUSTION ENGINES; HOT-GAS OR COMBUSTION-PRODUCT ENGINE PLANTS
    • F02NSTARTING OF COMBUSTION ENGINES; STARTING AIDS FOR SUCH ENGINES, NOT OTHERWISE PROVIDED FOR
    • F02N2200/00Parameters used for control of starting apparatus
    • F02N2200/02Parameters used for control of starting apparatus said parameters being related to the engine
    • F02N2200/022Engine speed
    • FMECHANICAL ENGINEERING; LIGHTING; HEATING; WEAPONS; BLASTING
    • F02COMBUSTION ENGINES; HOT-GAS OR COMBUSTION-PRODUCT ENGINE PLANTS
    • F02NSTARTING OF COMBUSTION ENGINES; STARTING AIDS FOR SUCH ENGINES, NOT OTHERWISE PROVIDED FOR
    • F02N2200/00Parameters used for control of starting apparatus
    • F02N2200/08Parameters used for control of starting apparatus said parameters being related to the vehicle or its components
    • F02N2200/0801Vehicle speed
    • FMECHANICAL ENGINEERING; LIGHTING; HEATING; WEAPONS; BLASTING
    • F02COMBUSTION ENGINES; HOT-GAS OR COMBUSTION-PRODUCT ENGINE PLANTS
    • F02NSTARTING OF COMBUSTION ENGINES; STARTING AIDS FOR SUCH ENGINES, NOT OTHERWISE PROVIDED FOR
    • F02N2200/00Parameters used for control of starting apparatus
    • F02N2200/08Parameters used for control of starting apparatus said parameters being related to the vehicle or its components
    • F02N2200/0802Transmission state, e.g. gear ratio or neutral state
    • FMECHANICAL ENGINEERING; LIGHTING; HEATING; WEAPONS; BLASTING
    • F02COMBUSTION ENGINES; HOT-GAS OR COMBUSTION-PRODUCT ENGINE PLANTS
    • F02NSTARTING OF COMBUSTION ENGINES; STARTING AIDS FOR SUCH ENGINES, NOT OTHERWISE PROVIDED FOR
    • F02N2300/00Control related aspects of engine starting
    • F02N2300/20Control related aspects of engine starting characterised by the control method
    • F02N2300/2002Control related aspects of engine starting characterised by the control method using different starting modes, methods, or actuators depending on circumstances, e.g. engine temperature or component wear
    • YGENERAL TAGGING OF NEW TECHNOLOGICAL DEVELOPMENTS; GENERAL TAGGING OF CROSS-SECTIONAL TECHNOLOGIES SPANNING OVER SEVERAL SECTIONS OF THE IPC; TECHNICAL SUBJECTS COVERED BY FORMER USPC CROSS-REFERENCE ART COLLECTIONS [XRACs] AND DIGESTS
    • Y02TECHNOLOGIES OR APPLICATIONS FOR MITIGATION OR ADAPTATION AGAINST CLIMATE CHANGE
    • Y02TCLIMATE CHANGE MITIGATION TECHNOLOGIES RELATED TO TRANSPORTATION
    • Y02T10/00Road transport of goods or passengers
    • Y02T10/10Internal combustion engine [ICE] based vehicles
    • Y02T10/40Engine management systems
    • YGENERAL TAGGING OF NEW TECHNOLOGICAL DEVELOPMENTS; GENERAL TAGGING OF CROSS-SECTIONAL TECHNOLOGIES SPANNING OVER SEVERAL SECTIONS OF THE IPC; TECHNICAL SUBJECTS COVERED BY FORMER USPC CROSS-REFERENCE ART COLLECTIONS [XRACs] AND DIGESTS
    • Y02TECHNOLOGIES OR APPLICATIONS FOR MITIGATION OR ADAPTATION AGAINST CLIMATE CHANGE
    • Y02TCLIMATE CHANGE MITIGATION TECHNOLOGIES RELATED TO TRANSPORTATION
    • Y02T10/00Road transport of goods or passengers
    • Y02T10/60Other road transportation technologies with climate change mitigation effect
    • YGENERAL TAGGING OF NEW TECHNOLOGICAL DEVELOPMENTS; GENERAL TAGGING OF CROSS-SECTIONAL TECHNOLOGIES SPANNING OVER SEVERAL SECTIONS OF THE IPC; TECHNICAL SUBJECTS COVERED BY FORMER USPC CROSS-REFERENCE ART COLLECTIONS [XRACs] AND DIGESTS
    • Y02TECHNOLOGIES OR APPLICATIONS FOR MITIGATION OR ADAPTATION AGAINST CLIMATE CHANGE
    • Y02TCLIMATE CHANGE MITIGATION TECHNOLOGIES RELATED TO TRANSPORTATION
    • Y02T10/00Road transport of goods or passengers
    • Y02T10/60Other road transportation technologies with climate change mitigation effect
    • Y02T10/62Hybrid vehicles

Definitions

  • the present disclosure relates to a control device that controls restart of an internal combustion engine.
  • an idling stop coasting technology that stops an internal combustion engine (hereinafter referred to as an engine) and coasts is being sought in recent years.
  • Patent Document 1 when there is a request to restart the engine during inertial running, and the rotational change amount of the output shaft connected to the drive wheels of the vehicle is higher than a set value, the clutch is coupled to the output shaft of the engine. By doing so, the rotational speed of the internal combustion engine is increased by the driving force possessed by the traveling vehicle, and the engine is restarted (hereinafter referred to as pushing). Further, when the rotation change amount of the output shaft is lower than the set value, the engine is started by the starter motor.
  • This disclosure is intended to provide a start control device that more reliably restarts an engine when the engine is restarted during inertial running.
  • the present disclosure relates to an internal combustion engine, an electric motor that is connected to an output shaft of the internal combustion engine and increases a rotational speed of the internal combustion engine by applying torque to the output shaft, a drive wheel, and an output shaft of the internal combustion engine And a clutch device for connecting / disconnecting power transmission to / from the drive wheel.
  • the restart control device is provided with an execution condition determining unit that determines whether an execution condition for the vehicle to perform inertial running is satisfied, and when the execution condition determining unit determines that the execution condition is satisfied, An inertial traveling unit that stops the fuel supply and shuts off the clutch device and coasts the vehicle, and determines that a restart condition for restarting the internal combustion engine is established during the inertial traveling.
  • the fuel supply to the internal combustion engine is resumed.
  • a starting part for starting the engine a starting part for restarting the fuel supply to the internal combustion engine after the rotational speed of the internal combustion engine is increased by the electric motor, and the restart condition
  • the internal combustion engine is started by one of the pushing portion and the start portion when the restart condition is determined by the fixed portion, and the internal combustion engine is started by the other when the internal combustion engine is not started.
  • a double starter for starting the engine is performed by one of the pushing portion and the start portion when the restart condition is determined by the fixed portion, and the internal combustion engine is started by the other when the internal combustion engine is not started.
  • the internal combustion engine, the drive wheels, the clutch device that connects and disconnects the power transmission between the output shaft and the drive wheels of the internal combustion engine, and the rotational speed of the internal combustion engine by applying torque to the output shaft of the internal combustion engine.
  • the restart control apparatus applied to the vehicle which has the electric motor which raises.
  • the restart control device includes an execution condition determination unit.
  • the execution condition determination unit determines whether an execution condition for the vehicle to perform inertial running is satisfied. When it is determined that the execution condition is satisfied, the inertial traveling unit stops the fuel supply to the internal combustion engine and shuts off the clutch device to bring the vehicle into the inertial traveling state. Then, it is determined whether a restart condition for restarting the internal combustion engine is satisfied by the restart condition determination unit while the vehicle is coasting.
  • This restart control device tries to restart with two configurations when restarting the internal combustion engine during inertial running.
  • One is a pushing unit that connects the clutch device and increases the rotational speed of the internal combustion engine with the driving force generated by inertial running, and then restarts the fuel supply to the internal combustion engine to start the engine. is there.
  • the other is a starting unit that starts the operation by restarting the fuel supply to the internal combustion engine after the rotational speed of the internal combustion engine is increased by the electric motor.
  • the restart condition determining unit determines that the restart condition is satisfied, the double starting unit starts the internal combustion engine by one of the pushing unit and the starting unit, and the internal combustion engine is started. If not, the internal combustion engine is started by the other.
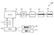
  • FIG. 1 is a diagram illustrating an overall configuration of a vehicle according to the present embodiment.
  • FIG. 2 is a control flowchart executed by the ECU according to this embodiment.
  • FIG. 3 is a control flowchart executed by an ECU according to another embodiment.
  • FIG. 1 shows a configuration of a vehicle 100 including an internal combustion engine (hereinafter referred to as an engine).
  • an output shaft (crankshaft) 6 of the engine 10 has an integrated starter generator (ISG) 11 having an engine start function and an output auxiliary function in addition to a power generation function driven by the crankshaft 6 to generate power.
  • ISG integrated starter generator
  • the ISG 11 applies torque from the outside of the engine 10 to the crankshaft 6 from the outside of the engine 10 at the time of start-up after warm-up and when the combustion of the engine 10 is stopped, such as when restarting after idling stop. 10 is started.
  • the ISG 11 assists driving of the crankshaft 6 by applying torque to the crankshaft 6 from the outside while the vehicle is running after the engine 10 is started. Therefore, ISG11 corresponds to an electric motor.
  • crankshaft 6 a fluid friction connecting portion (torque converter) 12, a clutch (corresponding to a clutch device) 13, an automatic transmission (corresponding to an automatic transmission) 14, and a drive wheel 15 are connected.
  • the crankshaft 6 can be connected to the drive wheels 15 of the vehicle via the torque converter 12, the clutch 13, and the automatic transmission 14.
  • the automatic transmission 14 is configured by, for example, a well-known multi-stage transmission mechanism including a planetary gear mechanism, CVT, or the like.
  • the clutch 13 is referred to as a forward clutch or a forward clutch.
  • the clutch 13 is a forward range (drive (D)) other than the parking (P) range, reverse (R) range, and neutral (N) range of the automatic transmission 14. Range, 1st speed range, 2nd speed range, etc.) are selected.
  • the clutch 13 When the clutch 13 is connected, the torque of the engine 10 is transmitted to the drive wheels 15 via the crankshaft 6.
  • the electronic control unit (ECU) 16 includes a microcomputer, and controls the output of the engine 10 and the output of the ISG 11 based on various information taken from the outside.
  • the various information corresponds to a vehicle speed (vehicle speed) detected by a vehicle speed sensor (corresponding to a vehicle speed detection unit) 17, a rotational speed of the engine 10 detected by the rotational speed sensor 18, and the like.
  • the ECU 16 corresponds to an execution condition determining unit, an inertia traveling unit, a restart condition determining unit, a pushing unit, a starting unit, a double starting unit, a forced starting unit, and a shift control unit.
  • the ECU 16 executes restart control of the engine 10 shown in FIG.
  • the restart control of the engine 10 shown in FIG. 2 is repeatedly executed by the ECU 16 at a predetermined cycle while the ECU 16 is powered on.
  • the execution permission conditions include, for example, environmental conditions, vehicle conditions, power supply conditions, engine conditions, and driver operation conditions. More details
  • the environmental conditions include that the outside air temperature is in a predetermined range and the atmospheric pressure is in a predetermined range.
  • the vehicle conditions are that the vehicle speed ve is within a predetermined range (for example, 40 to 120 km / h), the road surface gradient (inclination) is within the predetermined range, the driving amount of the electric load is less than the predetermined value, and the brake negative pressure is This includes a case where the pressure is larger than the predetermined negative pressure and no prohibition request is issued from another ECU or the like.
  • the power supply conditions include that the battery capacity is within a predetermined range, not generating power (except when a power generation request is generated during coasting), and no prohibition request from the power system.
  • the temperature of engine coolant is within a predetermined range
  • the temperature of transmission hydraulic oil is within a predetermined range.
  • the driver operating conditions are accelerator off, brake off, and shift lever position in the D range.
  • step 110 the vehicle is caused to perform idling stop coasting.
  • the idling stop coasting refers to a state in which the vehicle is coasted by stopping fuel supply to the engine 10 and disengaging the clutch 13.
  • step 120 it is determined whether or not a restart request for the engine 10 has been made. In the present embodiment, for example, it is determined that a restart request has occurred when the accelerator operation amount Acc as the operation amount by which the accelerator pedal is depressed is larger than the predetermined operation amount Acc0. If it is not determined that a restart request for the engine 10 has occurred (S120: NO), the determination in step 120 is repeated until a restart request for the engine 10 occurs. If it is determined that a restart request for the engine 10 has occurred (S120: YES), the process proceeds to step 130.
  • step 130 the ISG 11 is driven, and the engine 10 is rotated by the torque generated thereby, and the engine 10 is tried to start by burning the fuel. At this time, the vehicle disengages the clutch 13 and maintains the inertial running state.
  • step 140 it is determined whether or not the engine 10 has been successfully started.
  • the rotational speed of the engine 10 detected by the rotational speed sensor 18 exceeds the threshold value ⁇
  • the threshold value ⁇ is set as an engine speed that is considered to increase at a minimum when the engine 10 is successfully started. If it is determined that the engine 10 has been successfully started (S140: YES), the clutch 13 is engaged and this control is terminated. If it is not determined that the engine 10 has been successfully started (S140: NO), the process proceeds to step 150.
  • step 150 the vehicle speed sensor 17 is used to detect the vehicle speed ve.
  • step 160 it is determined whether the vehicle speed ve detected by the vehicle speed sensor 17 is higher than a predetermined speed ve0 (for example, 20 km / h).
  • the predetermined speed ve0 is set as a vehicle speed at which the engine 10 can be restarted by pushing.
  • the process proceeds to step 170.
  • step 170 the clutch 13 is engaged and the engine 10 is restarted by pushing. Specifically, when the clutch 13 is engaged, the rotation of the drive wheel 15 due to inertial traveling is transmitted to the crankshaft 6 via the automatic transmission 14, the clutch 13, and the torque converter 12 to rotate the engine 10. . Accordingly, the engine 10 is started by burning the fuel while the engine 10 is rotated. And this control is complete
  • Step 180 since the vehicle speed ve is low, the rotation speed of the engine 10 cannot be sufficiently increased only by the rotation transmitted from the drive wheel 15, and the output of the ISG 11 is added in addition to the rotation transmitted from the drive wheel 15. The rotational speed of the engine 10 is increased. In this state, the process proceeds to step 170, and the engine 10 is restarted by pushing. And this control is complete
  • the ECU 16 according to the present embodiment has the following effects.
  • the ISG 11 when there is a restart request for the engine 10, the ISG 11 first tries to restart the engine 10. If the engine 10 can be restarted at this time, a shock or the like due to a deceleration change that occurs when the pressing is performed does not occur, and the driver can drive without feeling uncomfortable.
  • the engine 10 is started by pushing without driving assistance by the ISG 11. As a result, it is possible to attempt to start the engine 10 only with the driving force generated by inertial running.
  • the ISG 11 tries to restart the engine 10 by pushing while assisting the driving of the engine 10.
  • the vehicle speed ve is lower than the predetermined speed ve0, if the engine 10 is started by pushing only with the driving force generated by inertial running, the rotation speed of the engine 10 cannot be sufficiently increased and the start is started. There is a risk of failure.
  • the engine 10 can be driven by the ISG 11 to assist the restart of the engine 10 more reliably. Further, by assisting the drive of the engine 10 by the ISG 11, it is possible to mitigate a shock caused by a deceleration change that occurs when the pushing is performed, and thus it is possible to suppress deterioration in drivability.
  • the clutch 13 is disconnected in order to perform idling stop coasting.
  • the predetermined speed ve0 was set as a vehicle speed at which the engine 10 can be restarted by pushing.
  • the predetermined speed ve0 is not limited to the above setting, and may be set as a vehicle speed that can be increased to a predetermined rotational speed as a rotational speed necessary for starting the engine 10, for example. Further, the predetermined speed ve0 may be changed by changing the gear ratio of the automatic transmission 14.
  • the engine 10 when the engine 10 is requested to be restarted, the engine 10 is first tried to be restarted by the ISG 11, and when the engine 10 is not restarted, the engine 10 is restarted by pushing.
  • the engine 10 may be restarted by pushing, and if the engine 10 is not restarted, the engine 10 may be restarted by the ISG 11. If the engine 10 can be restarted at this time by trying to restart the engine 10 by pushing first, it is not necessary to use the ISG 11. Therefore, compared with the case where the engine 10 is first restarted by the ISG 11, the power consumption can be suppressed, and the fuel consumption can be saved.
  • step 130 of FIG. 2 if restart of the engine 10 by the ISG 11 fails, the process proceeds to the next step. About this, you may try restarting the engine 10 by ISG11 in multiple times. Similarly, in step 170, the engine 10 may be restarted a plurality of times by pushing.
  • step 150, step 160, and step 180 may be deleted.
  • the automatic transmission 14 is set so that the rotational speed of the engine 10 becomes higher than a predetermined rotational speed (a rotational speed necessary for starting the engine 10) according to the vehicle speed ve. If the current gear ratio is changed, the rotational speed of the engine 10 can be more reliably increased.
  • the rotational speed of the engine 10 if the rotational speed of the engine 10 cannot be made higher than the predetermined rotational speed even if the gear ratio of the automatic transmission 14 is increased, the rotational speed of the engine 10 is output by the output of the ISG 11. To assist. Thereby, compared with the control of FIG. 2, the output of ISG11 can be suppressed and it becomes possible to suppress power consumption.
  • FIG. 3 is a modification of part of the procedure in FIG. That is, between step 210 corresponding to step 110 and step 320 corresponding to step 120, step 250 corresponding to step 150 and step 260 corresponding to step 160 move. If step 260 is NO, steps 270 to 290 are inserted in place of step 180.
  • step 260 the control in the case where it is not determined in step 260 that the vehicle speed ve detected by the vehicle speed sensor 17 is higher than the predetermined speed ve0 (S260: NO) will be described.
  • step 270 since the vehicle speed ve is not higher than the predetermined speed ve0, the restart of the engine 10 cannot be attempted twice, and the engine 10 is forcibly started.
  • step 280 the ISG 11 is driven, and the engine 10 is started by burning the fuel while the crankshaft 6 is rotated with the torque generated thereby.
  • step 290 by maintaining the state where the clutch 13 is disengaged, coasting (idle coasting) is continued in a state where the engine 10 is driven (idle state). And this control is complete
  • steps 200, 210, 250, 260, 320, 330, 340, and 370 in FIG. 3 are respectively performed in steps 100, 110, 120, 130, 140, 150, The same processing as 160 and 170 is performed.
  • the engine 10 is started, so that the problem about the restart of the engine 10 is solved, and the inertial running state of the vehicle is kept as it is with the engine 10 started. Can be maintained.

Landscapes

  • Engineering & Computer Science (AREA)
  • Chemical & Material Sciences (AREA)
  • Combustion & Propulsion (AREA)
  • Mechanical Engineering (AREA)
  • Transportation (AREA)
  • General Engineering & Computer Science (AREA)
  • Automation & Control Theory (AREA)
  • Control Of Vehicle Engines Or Engines For Specific Uses (AREA)
  • Hybrid Electric Vehicles (AREA)
  • Control Of Driving Devices And Active Controlling Of Vehicle (AREA)
PCT/JP2016/002231 2015-05-12 2016-04-28 内燃機関の再始動制御装置 Ceased WO2016181634A1 (ja)

Priority Applications (3)

Application Number Priority Date Filing Date Title
US15/558,379 US10479359B2 (en) 2015-05-12 2016-04-28 Restart control device for internal combustion engine
DE112016002143.7T DE112016002143B4 (de) 2015-05-12 2016-04-28 Neustartsteuerungsvorrichtung für eine verbrennungskraftmaschine
CN201680027061.4A CN107532527B (zh) 2015-05-12 2016-04-28 内燃机的再启动控制装置

Applications Claiming Priority (2)

Application Number Priority Date Filing Date Title
JP2015-097589 2015-05-12
JP2015097589A JP6295998B2 (ja) 2015-05-12 2015-05-12 内燃機関の再始動制御装置

Publications (1)

Publication Number Publication Date
WO2016181634A1 true WO2016181634A1 (ja) 2016-11-17

Family

ID=57248220

Family Applications (1)

Application Number Title Priority Date Filing Date
PCT/JP2016/002231 Ceased WO2016181634A1 (ja) 2015-05-12 2016-04-28 内燃機関の再始動制御装置

Country Status (5)

Country Link
US (1) US10479359B2 (enExample)
JP (1) JP6295998B2 (enExample)
CN (1) CN107532527B (enExample)
DE (1) DE112016002143B4 (enExample)
WO (1) WO2016181634A1 (enExample)

Cited By (3)

* Cited by examiner, † Cited by third party
Publication number Priority date Publication date Assignee Title
GB2559742A (en) * 2017-02-15 2018-08-22 Gm Global Tech Operations Llc A method of cranking an internal combustion engine of a motor vehicle
FR3088602A1 (fr) 2018-11-16 2020-05-22 Psa Automobiles Sa Procede de redemarrage autonome d’un moteur thermique de vehicule automobile
US12473364B2 (en) 2018-11-14 2025-11-18 Regeneron Pharmaceuticals, Inc. Intralesional administration of PD-1 inhibitors for treating skin cancer

Families Citing this family (14)

* Cited by examiner, † Cited by third party
Publication number Priority date Publication date Assignee Title
US10451022B2 (en) 2016-11-02 2019-10-22 Paccar Inc Intermittent restart for automatic engine stop start system
JP6799486B2 (ja) * 2017-03-17 2020-12-16 株式会社Subaru アイドリングストップ制御装置
US10690103B2 (en) 2017-09-26 2020-06-23 Paccar Inc Systems and methods for using an electric motor in predictive and automatic engine stop-start systems
US10487762B2 (en) * 2017-09-26 2019-11-26 Paccar Inc Systems and methods for predictive and automatic engine stop-start control
JP6852696B2 (ja) * 2018-02-26 2021-03-31 トヨタ自動車株式会社 車両のエンジン始動制御装置
US10883566B2 (en) 2018-05-09 2021-01-05 Paccar Inc Systems and methods for reducing noise, vibration and/or harshness associated with cylinder deactivation in internal combustion engines
US10746255B2 (en) 2018-05-09 2020-08-18 Paccar Inc Systems and methods for reducing noise, vibration, and/or harshness during engine shutdown and restart
JP7163837B2 (ja) * 2019-03-20 2022-11-01 トヨタ自動車株式会社 ハイブリッド車両の制御装置
CN110758372B (zh) * 2019-09-25 2021-04-16 潍柴动力股份有限公司 双行星排混合动力系统的控制方法、控制装置及车辆
SE543691C2 (en) * 2019-10-02 2021-06-08 Scania Cv Ab Control device and method for starting a combustion engine during free-wheeling, a vehicle with such device, computer program for executing the method and computer readable medium containing the program
JP7492325B2 (ja) * 2019-11-05 2024-05-29 株式会社Subaru エンジンシステム
WO2021111637A1 (ja) * 2019-12-06 2021-06-10 日産自動車株式会社 ハイブリッド車両制御方法及びハイブリッド車両制御装置
US12246717B2 (en) * 2021-09-10 2025-03-11 Cummins Inc. Systems and methods for re-starting engine during coasting event
EP4560132A1 (en) * 2023-11-22 2025-05-28 Volvo Truck Corporation Predictive engine stop-start based on clutch energy

Citations (5)

* Cited by examiner, † Cited by third party
Publication number Priority date Publication date Assignee Title
JPS6049237U (ja) * 1983-09-14 1985-04-06 日産自動車株式会社 エンジンの自動停止始動装置
JP2000220557A (ja) * 1999-02-03 2000-08-08 Mazda Motor Corp ハイブリッド車両
JP2001107763A (ja) * 1999-10-08 2001-04-17 Toyota Motor Corp 複数の原動機を備えた車両の制御装置
JP2007196763A (ja) * 2006-01-24 2007-08-09 Mitsubishi Fuso Truck & Bus Corp ハイブリッド車両の発進制御装置及び発進制御装置付きハイブリッド車両
JP2015014231A (ja) * 2013-07-04 2015-01-22 スズキ株式会社 エンジンの再始動制御装置

Family Cites Families (17)

* Cited by examiner, † Cited by third party
Publication number Priority date Publication date Assignee Title
US6752741B2 (en) 2002-05-31 2004-06-22 Visteon Global Technologies, Inc. ISA engine start-stop strategy
JP2006183547A (ja) * 2004-12-27 2006-07-13 Nissan Motor Co Ltd ハイブリッド車両のエンジン始動装置
DE102007047091A1 (de) 2007-10-01 2009-04-02 Robert Bosch Gmbh Modulare Funktionseinheiten zum Starten und Stoppen eines Verbrennungsmotors
JP4831172B2 (ja) * 2009-01-16 2011-12-07 株式会社デンソー 内燃機関の自動停止始動制御装置
JP2010241330A (ja) 2009-04-08 2010-10-28 Aisin Ai Co Ltd 車両の動力伝達制御装置
JP5107333B2 (ja) * 2009-12-03 2012-12-26 三菱電機株式会社 内燃機関の制御装置
US8192327B2 (en) * 2010-02-17 2012-06-05 Ford Global Technologies, Llc Methods and systems for assisted direct start control
DE102010060079B4 (de) * 2010-10-20 2022-03-17 Ford Global Technologies, Llc Verfahren und Steuerungssystem zum Öffnen des Antriebsstrangs eines Kraftfahrzeuges
JP5548599B2 (ja) * 2010-12-02 2014-07-16 ジヤトコ株式会社 コーストストップ車両およびその制御方法
US8574125B2 (en) * 2010-12-30 2013-11-05 Ford Global Technologies, Llc Methods and systems for assisted direct start control
JP5770483B2 (ja) 2011-02-09 2015-08-26 本田技研工業株式会社 車両用駆動装置
GB2490109B (en) * 2011-04-14 2016-10-12 Ford Global Tech Llc A method and apparatus for controlling an engine of a motor vehicle
JP5382260B1 (ja) * 2012-01-23 2014-01-08 トヨタ自動車株式会社 エンジン再始動制御装置、車両、および、車両制御方法
DE102013225150A1 (de) 2013-12-06 2015-06-11 Volkswagen Aktiengesellschaft Verfahren zum Start eines Verbrennungsmotors eines Kraftfahrzeugs und Kraftfahrzeug
JP6331802B2 (ja) * 2014-07-15 2018-05-30 株式会社デンソー 車両制御装置
JP6331807B2 (ja) * 2014-07-17 2018-05-30 株式会社デンソー 車両制御装置
KR20160131649A (ko) * 2015-05-08 2016-11-16 현대자동차주식회사 Ssc 해제시 재시동방법 및 장치

Patent Citations (5)

* Cited by examiner, † Cited by third party
Publication number Priority date Publication date Assignee Title
JPS6049237U (ja) * 1983-09-14 1985-04-06 日産自動車株式会社 エンジンの自動停止始動装置
JP2000220557A (ja) * 1999-02-03 2000-08-08 Mazda Motor Corp ハイブリッド車両
JP2001107763A (ja) * 1999-10-08 2001-04-17 Toyota Motor Corp 複数の原動機を備えた車両の制御装置
JP2007196763A (ja) * 2006-01-24 2007-08-09 Mitsubishi Fuso Truck & Bus Corp ハイブリッド車両の発進制御装置及び発進制御装置付きハイブリッド車両
JP2015014231A (ja) * 2013-07-04 2015-01-22 スズキ株式会社 エンジンの再始動制御装置

Cited By (3)

* Cited by examiner, † Cited by third party
Publication number Priority date Publication date Assignee Title
GB2559742A (en) * 2017-02-15 2018-08-22 Gm Global Tech Operations Llc A method of cranking an internal combustion engine of a motor vehicle
US12473364B2 (en) 2018-11-14 2025-11-18 Regeneron Pharmaceuticals, Inc. Intralesional administration of PD-1 inhibitors for treating skin cancer
FR3088602A1 (fr) 2018-11-16 2020-05-22 Psa Automobiles Sa Procede de redemarrage autonome d’un moteur thermique de vehicule automobile

Also Published As

Publication number Publication date
JP2016211495A (ja) 2016-12-15
CN107532527B (zh) 2020-10-30
DE112016002143T5 (de) 2018-01-18
US20180080425A1 (en) 2018-03-22
CN107532527A (zh) 2018-01-02
JP6295998B2 (ja) 2018-03-20
US10479359B2 (en) 2019-11-19
DE112016002143B4 (de) 2021-10-28

Similar Documents

Publication Publication Date Title
JP6295998B2 (ja) 内燃機関の再始動制御装置
CN106574670B (zh) 车辆的控制装置及车辆的控制方法
US8042632B2 (en) Creep mode propulsion for stop-start hybrid vehicles
JP5652090B2 (ja) 車両制御装置
CN103998751B (zh) 车辆的发动机自动控制装置
JP5907279B2 (ja) 車両の制御装置
CN103269934B (zh) 混合动力车辆的控制装置
CN104203683B (zh) 用于混合电动车辆的控制装置
CN103946520B (zh) 车辆的发动机自动停止控制装置
JP6241424B2 (ja) 車両制御装置
JP2011179597A (ja) 車両駆動システムの制御装置
JP3588673B2 (ja) アイドルストップ車両
CN107336706B (zh) 车辆控制装置
JP2010230160A (ja) 車両制御装置
JP3890817B2 (ja) ハイブリッド車両の制御装置
US20190186450A1 (en) Method and device for controlling vehicle including idle stop and go function
WO2017183519A1 (ja) 車両制御装置
WO2018168389A1 (ja) 車両制御装置
JP2014238101A (ja) 車両制御装置
JP2012218689A (ja) 車両制御装置
JP6756198B2 (ja) 車両の制御方法及び車両の制御装置
JP6143346B2 (ja) アイドルストップ車の制御装置
JP2004257259A (ja) ハイブリッド自動車
JP2019143481A (ja) パワートレーン制御装置
JP2014097695A (ja) 車両の制御装置

Legal Events

Date Code Title Description
121 Ep: the epo has been informed by wipo that ep was designated in this application

Ref document number: 16792363

Country of ref document: EP

Kind code of ref document: A1

WWE Wipo information: entry into national phase

Ref document number: 15558379

Country of ref document: US

WWE Wipo information: entry into national phase

Ref document number: 112016002143

Country of ref document: DE

122 Ep: pct application non-entry in european phase

Ref document number: 16792363

Country of ref document: EP

Kind code of ref document: A1