JP2011069578A - 浴室乾燥機 - Google Patents

浴室乾燥機 Download PDF

Info

Publication number
JP2011069578A
JP2011069578A JP2009222791A JP2009222791A JP2011069578A JP 2011069578 A JP2011069578 A JP 2011069578A JP 2009222791 A JP2009222791 A JP 2009222791A JP 2009222791 A JP2009222791 A JP 2009222791A JP 2011069578 A JP2011069578 A JP 2011069578A
Authority
JP
Japan
Prior art keywords
air
bathroom
circulation
exhaust
port
Prior art date
Legal status (The legal status is an assumption and is not a legal conclusion. Google has not performed a legal analysis and makes no representation as to the accuracy of the status listed.)
Granted
Application number
JP2009222791A
Other languages
English (en)
Other versions
JP5370923B2 (ja
Inventor
Hiroshi Shigefuji
博司 重藤
Naohito Wajima
尚人 輪島
Hiroyuki Usui
宏之 臼井
Hiroko Ebihara
裕子 海老原
Current Assignee (The listed assignees may be inaccurate. Google has not performed a legal analysis and makes no representation or warranty as to the accuracy of the list.)
Toto Ltd
Original Assignee
Toto Ltd
Priority date (The priority date is an assumption and is not a legal conclusion. Google has not performed a legal analysis and makes no representation as to the accuracy of the date listed.)
Filing date
Publication date
Application filed by Toto Ltd filed Critical Toto Ltd
Priority to JP2009222791A priority Critical patent/JP5370923B2/ja
Publication of JP2011069578A publication Critical patent/JP2011069578A/ja
Application granted granted Critical
Publication of JP5370923B2 publication Critical patent/JP5370923B2/ja
Active legal-status Critical Current
Anticipated expiration legal-status Critical

Links

Images

Classifications

    • YGENERAL TAGGING OF NEW TECHNOLOGICAL DEVELOPMENTS; GENERAL TAGGING OF CROSS-SECTIONAL TECHNOLOGIES SPANNING OVER SEVERAL SECTIONS OF THE IPC; TECHNICAL SUBJECTS COVERED BY FORMER USPC CROSS-REFERENCE ART COLLECTIONS [XRACs] AND DIGESTS
    • Y02TECHNOLOGIES OR APPLICATIONS FOR MITIGATION OR ADAPTATION AGAINST CLIMATE CHANGE
    • Y02PCLIMATE CHANGE MITIGATION TECHNOLOGIES IN THE PRODUCTION OR PROCESSING OF GOODS
    • Y02P70/00Climate change mitigation technologies in the production process for final industrial or consumer products
    • Y02P70/10Greenhouse gas [GHG] capture, material saving, heat recovery or other energy efficient measures, e.g. motor control, characterised by manufacturing processes, e.g. for rolling metal or metal working

Landscapes

  • Drying Of Solid Materials (AREA)

Abstract

【課題】排気と給気とで熱交換を行いながら浴室内を乾燥する一方で、熱交換を行わずに一部の空気を排出しつつ残部の空気を加熱しながら浴室内に循環させることもでき、その場合に一つのファンを駆動することで対応することが可能な浴室乾燥機を提供すること。
【解決手段】この浴室乾燥機10は、循環排気ファン117が吹き出した空気が、排気口105と循環吹出口102との双方に供給され、循環吹出口102に供給される空気がヒータ120によって加温される温風乾燥モードと、循環排気ファン117が吹き出した空気が、排気口105と循環吹出口102との双方に供給され、循環吹出口102に供給される空気がヒータ120によって加温されると共に、給気ファン118を駆動することで、排気から給気へと熱交換器119によって熱量を移動させる熱回収温風乾燥モードと、を実行可能なように構成されている。
【選択図】図1

Description

本発明は、浴室乾燥機に関する。
浴室内の空気を吸引して浴室内を乾燥させることが可能な浴室乾燥機として、下記特許文献1に記載されているような浴室乾燥機が提案されている。下記特許文献1に記載の浴室乾燥機は、排気ファンと吸気ファンと熱交換器とを備えているものである。背景技術の理解を容易にするため、下記特許文献1に記載の浴室乾燥機の概念的な構成図を図11に示す。
図11に示す浴室乾燥機80は、本体800に、浴室と連通する浴室側吸込口801と、浴室側リターン空気吸込口802と、浴室側吐出口803と、室外と連通する室外側吸込口804と、室外側吐出口805とを設けている。本体800内には、浴室側吸込口801より室外側吐出口805に至る排気通風路806と、室外側吸込口804より浴室側吐出口803に至る給気通風路807を形成している。給気通風路807に、浴室側リターン空気吸込口802を連通させるとともに、ヒータ808及び給気用ファンモータ809を設けている。排気通風路806には、排気用ファンモータ810を設けている。給気通風路807と排気通風路806の交差する所には、熱交換器811を設けている。給気通風路807の熱交換器811の風下側と、排気通風路806の熱交換器811の風上側とを結ぶ連通路812を有し、連通路812の給気通風路807側に開閉ダンパ813と、排気通風路806側に開閉ダンパ814とを設けている。
図11に示す浴室乾燥機80は、このような構成を備えることで、次のような運転モードを実行することができる。第一の運転モードは、熱回収を行いながら温風乾燥を行うモードである。具体的には、給気用ファンモータ809と排気用ファンモータ810を運転し、浴室側吸込口801より浴室空気が入り、排気用ファンモータ810を通って熱交換器811を通り熱交換を行なったのち、室外側吐出口805より室外へ排出される。一方室外空気は、室外側吸込口804より入り、熱交換器811を通って熱交換を行なったのち、浴室側リターン空気吸込口802より入る空気と合流して、給気用ファンモータ809を通り、ヒータ808で暖められた上で浴室側吐出口803より浴室内へ給気される。
第二の運転モードは、熱交換を行わずに排気又は給気を行うモードである。具体的には、排気用ファンモータ810だけを運転すると、浴室側吸込口801より浴室空気が入り、排気用ファンモータ810を通って熱交換器811中を通り、室外側吐出口805より室外へ排出される。次にヒータ808を切り給気用ファンモータ809だけを運転すると、室外側吸込口804より室外空気が入り、熱交換器811中を通って、浴室側リターン空気吸込口802より入る空気と合流して、給気用ファンモータ809を通り、浴室側吐出口803より浴室内へ給気される。
第三の運転モードは、空気を循環させて暖房を行うモードである。具体的には、開閉ダンパ813,814を開き、給気用ファンモータ809と排気用ファンモータ810を運転すると、浴室側吸込口801より浴室空気が入り、排気用ファンモータ810を通って連通路812を介して浴室側リターン空気吸込口802より入る空気と合流し、給気用ファンモータ809を通り、浴室空気はヒータ808で暖められた上で浴室側吐出口803より浴室内へ給気される。
特公平7−44991号公報
上記特許文献1に記載の浴室乾燥機では、熱交換を行わずに排気又は給気を行うモードである第二の運転モードの際には排気用ファンモータ810又は給気用ファンモータ809を選択的に駆動させる。しかしながら、熱回収を行いながら温風乾燥を行うモードである第一の運転モードの際や、空気を循環させて暖房を行うモードである第三の運転モードの際には排気用ファンモータ810及び給気用ファンモータ809を両方とも駆動させるものとしている。
ところで、例えば排気温度よりも外気温度が高い場合等は、熱交換器において排気と給気との間で熱交換を行えば給気温度が下がってしまい、結果として熱効率が悪くなることも想定される。そのような場合には、熱交換を行わない温風乾燥運転を行うことが求められるが、上記特許文献1における記載では熱交換を行わずに暖房を行う運転は上述した第三の運転モードのみの対応しか記載されておらず、換気を行いながら熱交換を行わずに温風乾燥運転を行うことができなかった。
また、上記特許文献1に直接の記載はないものの、浴室内の空気の一部を循環させながら加熱し、残部を排気し、排気した分の空気を浴室扉のガラリから取り入れる運転を行おうとすれば次のような運転態様を採用することが考えられる。まず、開閉ダンパ813によって室外側吸込口804から空気を取り込まないようにし、給気用ファンモータ809を駆動させて浴室側リターン空気吸込口802から空気を取り込んでヒータ808によって加温して浴室側吐出口803より浴室内へと循環させる。続いて、排気用ファンモータ810を駆動させて浴室側吸込口801から取り込んだ空気を室外側吐出口805から排気する。このように、上記特許文献1に記載の浴室乾燥機において一部の空気を換気しながら残部の空気を加温しつつ循環させる運転を実行しようとすると、排気用ファンモータ810及び給気用ファンモータ809を両方とも駆動させる必要があった。
従って、上記特許文献1に記載の浴室乾燥機では、排気を行いながら温風を供給する運転を行おうとすれば、必ず二つのファンを駆動する必要があり、省エネルギーの観点からは好ましいものとはいえなかった。
本発明はこのような課題に鑑みてなされたものであり、その目的は、排気と給気とで熱交換を行いながら浴室内を乾燥することを可能にしつつ、熱交換を行わずに一部の空気を排出しつつ残部の空気を加熱しながら浴室内に循環させることも可能であって、その場合には一つのファンを駆動することで対応することが可能な浴室乾燥機を提供することにある。
上記課題を解決するために本発明に係る浴室乾燥機は、浴室内の空気を吸引して浴室内を乾燥させることが可能な浴室乾燥機であって、浴室外から空気を取り入れるための外気口と、浴室内へ空気を供給するための給気口と、浴室内から空気を取り入れるための換気口と、前記換気口から取り入れた空気の少なくとも一部を浴室内へと還流させるための循環吹出口と、前記換気口から取り入れた空気の少なくとも一部を浴室外へと排出するための排気口と、前記換気口から空気を吸い込んで吹き出す循環排気ファンと、前記外気口から空気を吸い込んで吹き出す給気ファンと、前記循環排気ファンが吹き出した空気を、前記排気口と前記循環吹出口とに分配比率を変えて供給する第一ダンパと、前記第一ダンパと前記循環吹出口との間に設けられたヒータと、前記循環排気ファンが吹き出す空気と前記給気ファンが吸い込む空気との間で熱交換を行うための熱交換器と、前記循環排気ファン、前記給気ファン、前記第一ダンパ、前記ヒータを制御するための制御手段と、を備え、前記制御手段は、前記循環排気ファンが吹き出した空気が、前記排気口と前記循環吹出口との双方に供給され、前記循環吹出口に供給される空気が前記ヒータによって加温される温風乾燥モードと、前記循環排気ファンが吹き出した空気が、前記排気口と前記循環吹出口との双方に供給され、前記循環吹出口に供給される空気が前記ヒータによって加温されると共に、前記給気ファンを駆動することで、前記循環排気ファンが吹き出す空気から前記給気ファンが吸い込む空気へと前記熱交換器によって熱量を移動させる熱回収温風乾燥モードと、を実行可能なように構成されていることを特徴とする。
本発明では、換気口から空気を吸い込んで吹き出す循環排気ファンを備えると共に、循環排気ファンが吹き出した空気を、排気口と循環吹出口とに分配比率を変えて供給する第一ダンパを備えている。また、循環排気ファンと独立して給気ファンを備え、給気ファンを駆動させることで外気口から空気を吸い込んで給気口から浴室へと空気を吹き出すことができる。
従って熱交換をする運転である熱回収温風乾燥モードを実行する際には、循環排気ファンを駆動し第一ダンパを所定位置に制御することで循環排気ファンが吹き出した空気が、排気口と循環吹出口との双方に供給され、循環吹出口に供給される空気がヒータによって加温されるように各部を制御する。それと共に、給気ファンを駆動することで、熱交換器に排気と給気とを供給することができ、循環排気ファンが吹き出す空気から前記給気ファンが吸い込む空気へと熱交換器によって熱量を移動させることができる。
一方、熱交換をしない運転である温風乾燥モードを実行する際には、循環排気ファンを駆動し第一ダンパを所定位置に制御することで循環排気ファンが吹き出した空気が、排気口と循環吹出口との双方に供給され、循環吹出口に供給される空気がヒータによって加温されるように各部を制御する。この温風乾燥モードの実行にあたっては、給気ファンを駆動させることなく、浴室に設けられた浴室扉のガラリ等から空気を浴室内に補填することができる。
従って本発明では、熱回収温風乾燥モードの実行によって、排気と給気とで熱交換を行いながら浴室内を乾燥することを可能にしつつ、温風乾燥モードの実行によって、熱交換を行わずに浴室内の一部の空気を排出しつつ残部の空気を加熱しながら浴室内に循環させることも可能なものとなっている。更に、温風乾燥モードの実行に際しては循環排気ファンのみを駆動させ給気ファンを駆動させずに実行することが可能なので、熱交換器によって熱交換を行わない暖房運転にあたって、循環排気ファン一つの駆動で対応することができ、省エネルギーに資することができる。
また本発明に係る浴室乾燥機では、前記熱交換器が、前記第一ダンパよりも前記排気口に向かって下流側に設けられていることも好ましい。この好ましい態様によれば、熱交換器を第一ダンパよりも排気口に向って下流側に設けるので、熱交換器を第一ダンパよりも上流側に設けるよりも熱回収効率を上げることができる。また、熱回収を行わない場合においては、熱交換機を通さずにヒータに空気を送り込むことができるので、熱交換器の劣化を抑制することができる。
また本発明に係る浴室乾燥機では、前記第一ダンパから前記循環吹出口に至る流路に、当該流路の一部を閉塞し開放することが可能な流路絞りが設けられており、前記制御手段は、前記循環排気ファンが吹き出した空気が、前記循環吹出口にのみ供給され、その供給される空気が前記ヒータによって加温される温風暖房モードを更に実行可能なように構成され、前記制御手段は、前記温風乾燥モード及び前記熱回収温風乾燥モードの実行時には前記流路の一部を閉塞し、前記温風暖房モードの実行時には前記流路を開放するように前記流路絞りを制御することも好ましい。
熱交換器を第一ダンパの下流に設ける場合、熱交換器内の流路抵抗が大きいため、排気口と循環吹出口とに空気を分配する運転モードの場合、より流路抵抗の小さい循環吹出口側により多くの空気が流れ、排気口側に流れる空気を確保し難くなる。そこでこの好ましい態様では、第一ダンパから循環吹出口に至る流路にその一部を閉塞・開放可能な流路絞りを設け、排気口と循環吹出口との双方に空気を送り込む温風乾燥モード及び熱回収温風乾燥モードの実行時には流路の一部を閉塞することで循環吹出口側の流路抵抗を上げ、排気口へ送り込む空気量を確保することができる。また、循環吹出口にのみ空気を供給する温風乾燥モードの実行時には、流路を開放することで無駄な流路抵抗を除去することができる。
また本発明に係る浴室乾燥機では、前記排気口から吹き出される空気の温度を検出する排気温度検出手段と、前記外気口から吸い込まれる空気の温度を検出する外気温度検出手段とを備え、前記制御手段は、前記排気温度検出手段が検出した空気の温度が、前記外気温度検出手段が検出した空気の温度を上回ると前記熱回収温風乾燥モードを実行し、下回ると前記温風乾燥モードを実行することも好ましい。
排気温度検出手段が検出した空気の温度が、外気温度検出手段が検出した空気の温度を下回っていると、排気と給気との間で熱交換することは排気により給気温度が下げられることになり好ましくない。そこで本発明のこの好ましい態様では、排気温度検出手段が検出した空気の温度が、外気温度検出手段が検出した空気の温度を上回ると、熱回収を行う熱回収温風乾燥モードを実行して効率的な熱回収運転を実行し、逆に下回ると熱回収を行わない温風乾燥モードを実行することで非効率な熱交換を行わないようにすることができる。結果、熱回収を行う熱回収温風乾燥モードと熱回収を行わない温風乾燥モードとを、熱交換の効率を考慮して自動的に切り替えて運転することができる。
また本発明に係る浴室乾燥機では、浴室以外の他室内へ空気を供給するための第二給気口と、前記給気ファンよりも前記給気口に向かって下流側に、前記給気ファンが吹き出した空気を、前記給気口と前記第二給気口とに分配比率を変えて供給する第二ダンパと、を備え、前記制御手段は、前記給気ファンが吹き出した空気が、前記第二給気口にのみ供給されるように前記第二ダンパを制御し、前記循環排気ファンが吹き出した空気が、前記循環吹出口にのみ供給される供給されるように前記第一ダンパを制御することで、前記熱交換器によって前記循環排気ファンが吹き出す空気から前記給気ファンが吸い込む空気へと熱量を移動させる浴室熱回収モードを実行可能なように構成されていることも好ましい。
この好ましい態様によれば、循環排気ファンが吹き出す空気から給気ファンが吸い込む空気へと熱量を移動させ、給気ファンが吸い込んで送り出す空気を第二ダンパによって第二給気口へと送り込むことができるので、浴室内の空気から熱を受け取った空気によって他室の暖房を行うことができる。
本発明によれば、排気と給気とで熱交換を行いながら浴室内を乾燥することを可能にしつつ、熱交換を行わずに一部の空気を排出しつつ残部の空気を加熱しながら浴室内に循環させることも可能であって、その場合には一つのファンを駆動することで対応することが可能な浴室乾燥機を提供することができる。
本発明の実施形態である浴室乾燥機の概略構成図である。 図1に示す浴室乾燥機の制御ブロック図である。 図1及び図2に示す浴室乾燥機において、温風乾燥モードを実行する際の各部の動作状態を示す概略構成図である。 図1及び図2に示す浴室乾燥機において、熱回収温風乾燥モードを実行する際の各部の動作状態を示す概略構成図である。 図1及び図2に示す浴室乾燥機において、温風暖房モードを実行する際の各部の動作状態を示す概略構成図である。 図1及び図2に示す浴室乾燥機において、浴室熱回収モードを実行する際の各部の動作状態を示す概略構成図である。 図1及び図2に示す浴室乾燥機において、換気モードを実行する際の各部の動作状態を示す概略構成図である。 図1及び図2に示す浴室乾燥機において、熱回収換気モードを実行する際の各部の動作状態を示す概略構成図である。 図1及び図2に示す浴室乾燥機において、涼風モードを実行する際の各部の動作状態を示す概略構成図である。 熱交換器を第一ダンパよりも下流側に設ける例を示す図である。 従来の浴室乾燥機の概略構成図である。
以下、添付図面を参照しながら本発明の実施の形態について説明する。説明の理解を容易にするため、各図面において同一の構成要素に対しては可能な限り同一の符号を付して、重複する説明は省略する。
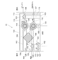
本発明の実施形態に係る浴室乾燥機について図1を参照しながら説明する。図1は、本発明の実施形態である浴室乾燥機10の概略構成を示す図である。図1に示すように浴室乾燥機10は、本体100に、浴室内から空気を取り入れるための換気口101と、換気口101から取り入れた空気の少なくとも一部を浴室内へと還流させるための循環吹出口102と、浴室内に空気を供給するための給気口103と、浴室外(本実施形態の場合は屋外)から空気を取り入れるための外気口104と、換気口101から取り入れた空気の少なくとも一部を浴室外(本実施形態の場合は屋外)へ排出するための排気口105と、リビングといった浴室外の他室へと空気を供給するための第二給気口106と、洗面所といった浴室外の他室から空気を取り入れるための第二換気口107とが設けられている。
本体100内には、浴室内の空気を循環させたり排気させたりするために換気口101から空気を吸い込んで吹き出す循環排気ファン117と、浴室内に空気を供給するために外気口104から空気を吸い込んで吹き出す給気ファン118とが設けられている。本体100内にはまた、循環排気ファン117が吹き出す空気と給気ファン118が吸い込む空気との間で熱交換を行うための熱交換器119が設けられている。本体100内にはまた、循環排気ファン117が吹き出した空気を、排気口105と循環吹出口102とに分配比率を変えて供給する第一ダンパ121と、給気ファン118が吹き出した空気を、給気口103と第二給気口106とに分配比率を変えて供給する第二ダンパ123とが設けられている。第一ダンパ121及び第二ダンパ123は、ロータリーダンパによって構成されている。
本体100内には、換気口101と循環排気ファン117とを繋ぐ流路108と、循環排気ファン117と第一ダンパ121とを繋ぐ流路109と、第一ダンパ121と排気口とを繋ぐ流路111と、第一ダンパ121と循環吹出口102とを繋ぐ流路110とが設けられている。流路109は、循環排気ファン117から熱交換器119を経由して第一ダンパ121に至るように設けられている。流路110には、第一ダンパ121側から、流路絞り122、ヒータ120が設けられている。流路絞り122は、所定の運転モードを実行する場合には流路110の一部を閉塞し、別の運転モードを実行する場合には流路110を開放するように制御されるものである。ヒータ120は、流路110を通る空気を加熱することが可能なように構成されている。
本体100内には、外気口104と給気ファン118とを繋ぐ流路112と、給気ファン118と第二ダンパ123とを繋ぐ流路113と、第二ダンパ123と第二給気口106とを繋ぐ流路114と、第二ダンパ123と給気口103とを繋ぐ流路115とが設けられている。流路112は、外気口104から熱交換器119を経由して給気ファン118に至るように設けられている。
本体100内には、第二換気口107と循環排気ファン117とを繋ぐ流路116が設けられている。流路116には開閉ダンパである第三ダンパ124が設けられている。第三ダンパ124によって流路116を塞ぐと、循環排気ファン117の駆動によって浴室側の換気口101からのみ空気を吸い込み、第三ダンパ124を開くと、換気口101からの吸い込みに併せて循環排気ファン117の駆動によって洗面所といった他室から第二換気口107を経由して空気を吸い込むことができる。
本体100の外気口104近傍には、外気口104から吸い込まれる空気の温度を検出する外気温度センサ125(外気温度検出手段)が設けられている。本体100の排気口105近傍には、排気口105から吹き出される空気の温度を検出する排気温度センサ126(排気温度検出手段)が設けられている。
続いて、本実施形態の浴室乾燥機10の制御的な構成について図2を参照しながら説明する。図2は、浴室乾燥機10の制御的な構成を示すブロック図である。図2に示すように、制御部CU(制御手段)は、リモコンRP、外気温度センサ125、排気温度センサ126からの入力信号を受け付け、循環排気ファン117、給気ファン118、ヒータ120、第一ダンパ121、流路絞り122、第二ダンパ123、第三ダンパ124に対する指示信号を出力するように構成されている。制御部CUは、例えば、プロセッサ及びメモリにより構成されている。そして、リモコンRPの操作により浴室乾燥機10の運転が開始されると、予めメモリに記憶されたプログラムをプロセッサが実行し、外気温度センサ125,排気温度センサ126からの信号を入力し、循環排気ファン117,給気ファン118,ヒータ120,第一ダンパ121,流路絞り122,第二ダンパ123,第三ダンパ124に対する指示信号を出力することで、浴室乾燥機10の制御を行う。
上述したような構成の浴室乾燥機10では、温風乾燥モード、熱回収温風乾燥モード、温風暖房モード、浴室熱回収モード、換気モード、熱回収換気モード、涼風モードといった多様な運転モードを実行することができる。引き続いて、各運転モードの詳細を説明する。
温風乾燥モードについて説明する。温風乾燥モードは、梅雨時期や冬季等で洗濯物が外に干せない場合に、浴室内に干した洗濯物にヒータ120で加熱した温風を当て、洗濯物からの水分の蒸発を促し、そして、洗濯物から蒸発した水分を含む高温多湿の空気を外部へ排出することにより洗濯物を乾燥させるための運転モードである。図3は、温風乾燥モードを実行する際の各部の動作を示す図である。図3において、制御部CUによって駆動制御される部分にはハッチングを施しており、その結果流れる空気は矢印で示している。以降の説明においても同様である。温風乾燥モードは、循環排気ファン117が吹き出した空気が、排気口105と循環吹出口102との双方に供給され、循環吹出口102に供給される空気がヒータ120によって加温されるものである。
まず、循環排気ファン117が回転駆動され、換気口101から吸込まれた空気が第一ダンパ121側へと吹き出される。第一ダンパ121は、循環排気ファン117から吹き出された空気の一部が循環吹出口102に向かい、残部が排気口105に向うような位置に制御される。流路絞り122は、排気側の流路圧損が高く排気口105の流量が低減し、循環吹出口102の流量が増加する場合に、流量のバランスを調整するために、流路110の一部を閉塞するような位置に制御される。ヒータ120には通電され、流路110を通って循環吹出口102に向う空気が加温される。
図3に示す温風乾燥モードでは、循環排気ファン117のみを回転駆動し、給気ファン118を停止しているので、省エネルギーに配慮した運転が可能となる。尚、循環排気ファン117の回転駆動によって、換気口101から吸込まれる空気と、循環吹出口102から浴室内に還流する空気との差分、すなわち排気口105から屋外へと排出される空気に相当する量の空気が浴室の扉のガラリ等から吸込まれる。
続いて、熱回収温風乾燥モードについて説明する。熱回収温風乾燥モードは、温風乾燥モードで洗濯物を乾燥する際に外気に排出される高温多湿の排気から熱を回収するための運転モードである。図4は、熱回収温風乾燥モードを実行する際の各部の動作を示す図である。熱回収温風乾燥モードは、循環排気ファン117から吹き出した空気が、排気口105と循環吹出口102との双方に供給され、循環吹出口102に供給される空気がヒータ120102によって加温されると共に、給気ファン118を駆動することで、循環排気ファン117が吹き出す空気から給気ファン118が吸い込む空気へと熱交換器119によって熱量を移動させるものである。
従って、循環排気ファン117が回転駆動され、換気口101から吸込まれた空気が第一ダンパ121側へと吹き出される。第一ダンパ121は、循環排気ファン117から吹き出された空気の一部が循環吹出口102に向かい、残部が排気口105に向うような位置に制御される。流路絞り122は、排気側の流路圧損が高く排気口105の流量が低減し、循環吹出口102の流量が増加する場合に、流量のバランスを調整するために、流路110の一部を閉塞するような位置に制御される。ヒータ120には通電され、流路110を通って循環吹出口102に向う空気が加温される。
また、給気ファン118も回転駆動され、外気口104から吸込まれた空気が第二ダンパ123側へと吹き出される。第二ダンパ123は、給気ファン118から吹き出された空気の全てが給気口103に向うような位置に制御される。このように、循環排気ファン117も給気ファン118も回転駆動されるので、循環排気ファン117が吹き出す空気から給気ファン118が吸い込む空気へと熱交換器119によって熱量を移動させることができる。図4に示す熱回収温風乾燥モードでは、循環排気ファン117が吹き出す空気が持つ熱量を給気ファン118が吸い込む空気へと移動させるので、排出する空気が持つ熱エネルギーを有効に活用することができる。
図3を参照しながら説明した温風乾燥モードと、図4を参照しながら説明した熱回収温風乾燥モードとは、任意に選択可能なモードとしても好ましいけれども、自動的に選択されるように構成することも好ましい。具体的には、制御部CUが、排気温度センサ126が検出した空気の温度が、外気温度センサ125が検出した空気の温度を上回ると熱回収温風乾燥モードを実行し、下回ると温風乾燥モードを実行するものである。
排気温度が外気温度を下回っていることが検知されると、排気と給気との間で熱交換することは排気により給気温度が下げられることになり好ましくない。そこで、排気温度センサ126が検出した空気の温度が、外気温度センサ125が検出した空気の温度を上回ると、熱回収を行う熱回収温風乾燥モードを実行して効率的な熱回収運転を実行し、逆に下回ると熱回収を行わない温風乾燥モードを実行することで非効率な熱交換を行わないようにしている。その結果、熱回収を行う熱回収温風乾燥モードと熱回収を行わない温風乾燥モードとを、熱交換の効率を考慮して自動的に切り替えて運転することができる。
続いて、温風暖房モードについて説明する。温風暖房モードは、冬季等の寒い日に、入浴者の急激な温度変化によるヒートショックを和らげるために予め浴室全体を暖めておいたり、入浴中の浴室を暖めるための運転モードである。図5は、温風暖房モードを実行する際の各部の動作を示す図である。温風暖房モードは、循環排気ファン117が吹き出した空気が、循環吹出口102にのみ供給され、その供給される空気がヒータ120よって加温されるものである。
まず、循環排気ファン117が回転駆動され、換気口101から吸込まれた空気が第一ダンパ121側へと吹き出される。第一ダンパ121は、循環排気ファン117から吹き出された空気の全てが循環吹出口102に向うような位置に制御される。流路絞り122は、流路110を開放するような位置に制御される。ヒータ120には通電され、流路110を通って循環吹出口102に向う空気が加温される。
図5に示す温風暖房モードでは、循環排気ファン117のみを回転駆動し、給気ファン118を停止しているので、省エネルギーに配慮した運転が可能となる。
続いて、浴室熱回収モードについて説明する。浴室熱回収モードは、冬季等に居室の換気のために外気を導入する際に、浴室内の暖められた空気の熱を利用して導入される外気を暖めるための運転モードである。図6は、浴室熱回収モードを実行する際の各部の動作を示す図である。浴室熱回収モードは、循環排気ファン117が吹き出した空気が、循環吹出口102にのみ供給され、給気ファン118を駆動することで、循環排気ファン117が吹き出す空気から給気ファン118が吸い込む空気へと熱交換器119によって熱量を移動させ、給気ファン118が吹き出す空気はリビングといった他室へと供給されるものである。
従って、循環排気ファン117が回転駆動され、換気口101から吸込まれた空気が第一ダンパ121側へと吹き出される。第一ダンパ121は、循環排気ファン117から吹き出された空気の全てが循環吹出口102に向うような位置に制御される。流路絞り122は、流路110を解放するような位置に制御される。
また、給気ファン118も回転駆動され、外気口104から吸込まれた空気が第二ダンパ123側へと吹き出される。第二ダンパ123は、給気ファン118から吹き出された空気の全てが第二給気口106に向うような位置に制御される。このように、循環排気ファン117も給気ファン118も回転駆動されるので、循環排気ファン117が吹き出す空気から給気ファン118が吸い込む空気へと熱交換器119によって熱量を移動させることができる。すなわち、浴室内の熱を利用して他室へ暖気を供給することができる。
図6に示す浴室熱回収モードでは、循環排気ファン117が吹き出す空気が持つ熱量を給気ファン118が吸い込む空気へと移動させるので、排出する空気が持つ熱エネルギーを有効に活用することができる。
続いて、換気モードについて説明する。換気モードは、入浴後に浴室内に滞留した水蒸気を排出させたり、浴室の天井や壁面に付着した水滴を乾燥させるために浴室内の空気を入替えるための運転モードである。また、集合住宅では改正建築基準法で義務付けられた24時間換気流量を確保するための運転モードである。図7は、換気モードを実行する際の各部の動作を示す図である。換気モードは、循環排気ファン117が吹き出した空気が、排気口105に全て供給されるものである。
まず、循環排気ファン117が回転駆動され、換気口101から吸込まれた空気が第一ダンパ121側へと吹き出される。本実施形態の場合、洗面所といった他室の換気も同時に行うので、第三ダンパ124が開かれて、第二換気口107から吸込まれた空気も第一ダンパ121側へと吹き出される。第一ダンパ121は、循環排気ファン117から吹き出された空気の全てが排気口105に向うような位置に制御される。
図7に示す換気モードでは、循環排気ファン117のみを回転駆動し、給気ファン118を停止しているので、省エネルギーに配慮した運転が可能となる。尚、循環排気ファン117の回転駆動によって、換気口101から吸込まれる空気に相当する量の空気が浴室の扉のガラリ等から吸込まれる。
続いて、熱回収換気モードについて説明する。熱回収換気モードは、換気モードで浴室内の空気や居室内の空気を換気する際に、外部に排出される排気から熱を回収するための運転モードであって、特に夏季及び冬季に使用されることを想定した運転モードである。図8は、熱回収換気モードを実行する際の各部の動作を示す図である。熱回収換気モードは、循環排気ファン117が吹き出した空気が、排気口105にのみ供給されると共に、給気ファン118を駆動することで、循環排気ファン117が吹き出す空気から給気ファン118が吸い込む空気へと熱交換器119によって熱量を移動させるものであり、給気ファン118が吹き出す空気はリビングといった他室へと供給されるものである。
まず、循環排気ファン117が回転駆動され、換気口101から吸込まれた空気が第一ダンパ121側へと吹き出される。本実施形態の場合、洗面所といった他室の換気も同時に行うので、第三ダンパ124が開かれて、第二換気口107から吸込まれた空気も第一ダンパ121側へと吹き出される。第一ダンパ121は、循環排気ファン117から吹き出された空気の全てが排気口105に向うような位置に制御される。
また、給気ファン118も回転駆動され、外気口104から吸込まれた空気が第二ダンパ123側へと吹き出される。第二ダンパ123は、給気ファン118から吹き出された空気の全てが第二給気口106に向うような位置に制御される。このように、循環排気ファン117も給気ファン118も回転駆動されるので、循環排気ファン117が吹き出す空気から給気ファン118が吸い込む空気へと熱交換器119によって熱量を移動させることができる。すなわち、浴室内の熱を利用して他室へ暖気を供給することができる。
図8に示す熱回収換気モードでは、循環排気ファン117が吹き出す空気が持つ熱量を給気ファン118が吸い込む空気へと移動させるので、排出する空気が持つ熱エネルギーを有効に活用することができる。
続いて、涼風モードについて説明する。涼風モードは、夏季等の入浴中に蒸し暑いと感じた場合に、浴室内に送風すると同時に換気することで蒸し暑さを軽減するための運転モードである。図9は、涼風モードを実行する際の各部の動作を示す図である。涼風モードは、循環排気ファン117が吹き出した空気が、排気口105と循環吹出口102との双方に供給されるものである。
まず、循環排気ファン117が回転駆動され、換気口101から吸込まれた空気が第一ダンパ121側へと吹き出される。第一ダンパ121は、循環排気ファン117から吹き出された空気の一部が循環吹出口102に向かい、残部が排気口105に向うような位置に制御される。流路絞り122は、排気側の流路圧損が高く排気口105の流量が低減し、循環吹出口102の流量が増加する場合に、流量のバランスを調整するために流路110の一部を閉塞するような位置に制御される。
図9に示す涼風モードでは、循環排気ファン117のみを回転駆動し、給気ファン118を停止しているので、省エネルギーに配慮した運転が可能となる。尚、循環排気ファン117の回転駆動によって、換気口101から吸込まれる空気と、循環吹出口102から浴室内に還流する空気との差分、すなわち排気口105から屋外へと排出される空気に相当する量の空気が浴室の扉のガラリ等から吸込まれる。
上述した本実施形態では、循環排気ファン117と第一ダンパ121との間の流路109に熱交換器119を設けているけれども、第一ダンパ121よりも下流側に熱交換器119を設けることも好ましい。このように、第一ダンパ121よりも下流側に熱交換器119を設ける例を図10に示す。このように、第一ダンパ121と排気口105とを繋ぐ流路111に熱交換器119を設けることで、浴室から排出される空気のみから熱を回収することができるため、熱交換器119を第一ダンパ121よりも上流側に設けるよりも熱回収効率を上げることができる。また、熱回収を行わない温風暖房モードにおいては、熱交換器119を通さずにヒータ120に空気を送り込むことができるので、熱交換器119の圧損による流体エネルギーの損失を低減するとともに、熱交換器119の劣化を抑制することができる。
10:浴室乾燥機
100:本体
101:換気口
102:循環吹出口
103:給気口
104:外気口
105:排気口
106:第二給気口
107:第二換気口
108,109,110,111,112,113,114,115,116:流路
117:循環排気ファン
118:給気ファン
119:熱交換器
120:ヒータ
121:第一ダンパ
122:流路絞り
123:第二ダンパ
124:第三ダンパ
125:外気温度センサ
126:排気温度センサ
CU:制御部
RP:リモコン

Claims (5)

  1. 浴室内の空気を吸引して浴室内を乾燥させることが可能な浴室乾燥機であって、
    浴室外から空気を取り入れるための外気口と、
    浴室内へ空気を供給するための給気口と、
    浴室内から空気を取り入れるための換気口と、
    前記換気口から取り入れた空気の少なくとも一部を浴室内へと還流させるための循環吹出口と、
    前記換気口から取り入れた空気の少なくとも一部を浴室外へと排出するための排気口と、
    前記換気口から空気を吸い込んで吹き出す循環排気ファンと、
    前記外気口から空気を吸い込んで吹き出す給気ファンと、
    前記循環排気ファンが吹き出した空気を、前記排気口と前記循環吹出口とに分配比率を変えて供給する第一ダンパと、
    前記第一ダンパと前記循環吹出口との間に設けられたヒータと、
    前記循環排気ファンが吹き出す空気と前記給気ファンが吸い込む空気との間で熱交換を行うための熱交換器と、
    前記循環排気ファン、前記給気ファン、前記第一ダンパ、前記ヒータを制御するための制御手段と、を備え、
    前記制御手段は、
    前記循環排気ファンが吹き出した空気が、前記排気口と前記循環吹出口との双方に供給され、前記循環吹出口に供給される空気が前記ヒータによって加温される温風乾燥モードと、
    前記循環排気ファンが吹き出した空気が、前記排気口と前記循環吹出口との双方に供給され、前記循環吹出口に供給される空気が前記ヒータによって加温されると共に、前記給気ファンを駆動することで、前記循環排気ファンが吹き出す空気から前記給気ファンが吸い込む空気へと前記熱交換器によって熱量を移動させる熱回収温風乾燥モードと、を実行可能なように構成されていることを特徴とする浴室乾燥機。
  2. 前記熱交換器は、前記第一ダンパよりも前記排気口に向かって下流側に設けられていることを特徴とする請求項1に記載の浴室乾燥機。
  3. 前記第一ダンパから前記循環吹出口に至る流路に、当該流路の一部を閉塞し開放することが可能な流路絞りが設けられており、
    前記制御手段は、前記循環排気ファンが吹き出した空気が、前記循環吹出口にのみ供給され、その供給される空気が前記ヒータによって加温される温風暖房モードを更に実行可能なように構成され、
    前記制御手段は、前記温風乾燥モード及び前記熱回収温風乾燥モードの実行時には前記流路の一部を閉塞し、前記温風暖房モードの実行時には前記流路を開放するように前記流路絞りを制御することを特徴とする請求項2に記載の浴室乾燥機。
  4. 前記排気口から吹き出される空気の温度を検出する排気温度検出手段と、前記外気口から吸い込まれる空気の温度を検出する外気温度検出手段とを備え、
    前記制御手段は、前記排気温度検出手段が検出した空気の温度が、前記外気温度検出手段が検出した空気の温度を上回ると前記熱回収温風乾燥モードを実行し、下回ると前記温風乾燥モードを実行することを特徴とする請求項1に記載の浴室乾燥機。
  5. 浴室以外の他室内へ空気を供給するための第二給気口と、
    前記給気ファンよりも前記給気口に向かって下流側に、前記給気ファンが吹き出した空気を、前記給気口と前記第二給気口とに分配比率を変えて供給する第二ダンパと、を備え、
    前記制御手段は、前記給気ファンが吹き出した空気が、前記第二給気口にのみ供給されるように前記第二ダンパを制御し、前記循環排気ファンが吹き出した空気が、前記循環吹出口にのみ供給される供給されるように前記第一ダンパを制御することで、前記熱交換器によって前記循環排気ファンが吹き出す空気から前記給気ファンが吸い込む空気へと熱量を移動させる浴室熱回収モードを実行可能なように構成されていることを特徴とする請求項1に記載の浴室乾燥機。
JP2009222791A 2009-09-28 2009-09-28 浴室乾燥機 Active JP5370923B2 (ja)

Priority Applications (1)

Application Number Priority Date Filing Date Title
JP2009222791A JP5370923B2 (ja) 2009-09-28 2009-09-28 浴室乾燥機

Applications Claiming Priority (1)

Application Number Priority Date Filing Date Title
JP2009222791A JP5370923B2 (ja) 2009-09-28 2009-09-28 浴室乾燥機

Publications (2)

Publication Number Publication Date
JP2011069578A true JP2011069578A (ja) 2011-04-07
JP5370923B2 JP5370923B2 (ja) 2013-12-18

Family

ID=44015007

Family Applications (1)

Application Number Title Priority Date Filing Date
JP2009222791A Active JP5370923B2 (ja) 2009-09-28 2009-09-28 浴室乾燥機

Country Status (1)

Country Link
JP (1) JP5370923B2 (ja)

Cited By (2)

* Cited by examiner, † Cited by third party
Publication number Priority date Publication date Assignee Title
CN103727659A (zh) * 2014-01-16 2014-04-16 湖南大学 浴室用热电热回收暖风机
JP2017181016A (ja) * 2016-03-28 2017-10-05 パナソニックIpマネジメント株式会社 浴室暖房乾燥機

Citations (3)

* Cited by examiner, † Cited by third party
Publication number Priority date Publication date Assignee Title
JPH06137759A (ja) * 1992-10-27 1994-05-20 Matsushita Seiko Co Ltd 浴室用衣類乾燥機
JP2002306900A (ja) * 2001-04-17 2002-10-22 Matsushita Electric Works Ltd 室内物干し装置
JP2006071222A (ja) * 2004-09-03 2006-03-16 Matsushita Electric Ind Co Ltd 同時給排型浴室換気暖房乾燥機

Patent Citations (3)

* Cited by examiner, † Cited by third party
Publication number Priority date Publication date Assignee Title
JPH06137759A (ja) * 1992-10-27 1994-05-20 Matsushita Seiko Co Ltd 浴室用衣類乾燥機
JP2002306900A (ja) * 2001-04-17 2002-10-22 Matsushita Electric Works Ltd 室内物干し装置
JP2006071222A (ja) * 2004-09-03 2006-03-16 Matsushita Electric Ind Co Ltd 同時給排型浴室換気暖房乾燥機

Cited By (2)

* Cited by examiner, † Cited by third party
Publication number Priority date Publication date Assignee Title
CN103727659A (zh) * 2014-01-16 2014-04-16 湖南大学 浴室用热电热回收暖风机
JP2017181016A (ja) * 2016-03-28 2017-10-05 パナソニックIpマネジメント株式会社 浴室暖房乾燥機

Also Published As

Publication number Publication date
JP5370923B2 (ja) 2013-12-18

Similar Documents

Publication Publication Date Title
CN110023686B (zh) 热交换型换气装置
KR200461855Y1 (ko) 환기 시스템
JP2001116290A (ja) 暖房乾燥機
JP4735573B2 (ja) 換気空調装置
JP6675057B2 (ja) 熱交換形換気装置
JP5237782B2 (ja) 熱交換型換気装置
JP5096788B2 (ja) 換気システム
TW201239164A (en) Bathroom dryer
JP2011220639A (ja) 熱交換換気装置
JP4478004B2 (ja) 空気調和機
JP5370923B2 (ja) 浴室乾燥機
JP4042688B2 (ja) 浴室空調装置
JP2005164113A (ja) 換気装置
JP3959181B2 (ja) 熱交換換気システム
JP2011069580A (ja) 浴室乾燥機
JP2010091208A (ja) 換気空調装置
KR101243227B1 (ko) 환기 시스템 및 그 제어방법
JP2005164114A (ja) 浴室用空調装置
JP3839707B2 (ja) 浴室暖房乾燥機および全熱交換装置の運転方法
JP2006112684A (ja) 空調換気システム
JPS62237231A (ja) 空気調和機
JP2011069579A (ja) 浴室乾燥機
JP2000074446A (ja) 熱交換換気システム
JP5921221B2 (ja) 間接気化冷却式の冷房システム
JP2004257605A (ja) 浴室換気暖房乾燥装置

Legal Events

Date Code Title Description
A621 Written request for application examination

Free format text: JAPANESE INTERMEDIATE CODE: A621

Effective date: 20120726

A977 Report on retrieval

Free format text: JAPANESE INTERMEDIATE CODE: A971007

Effective date: 20130821

TRDD Decision of grant or rejection written
A01 Written decision to grant a patent or to grant a registration (utility model)

Free format text: JAPANESE INTERMEDIATE CODE: A01

Effective date: 20130826

R150 Certificate of patent or registration of utility model

Ref document number: 5370923

Country of ref document: JP

Free format text: JAPANESE INTERMEDIATE CODE: R150

Free format text: JAPANESE INTERMEDIATE CODE: R150

A61 First payment of annual fees (during grant procedure)

Free format text: JAPANESE INTERMEDIATE CODE: A61

Effective date: 20130908