JP2010099657A - 空気清浄装置 - Google Patents

空気清浄装置 Download PDF

Info

Publication number
JP2010099657A
JP2010099657A JP2009267254A JP2009267254A JP2010099657A JP 2010099657 A JP2010099657 A JP 2010099657A JP 2009267254 A JP2009267254 A JP 2009267254A JP 2009267254 A JP2009267254 A JP 2009267254A JP 2010099657 A JP2010099657 A JP 2010099657A
Authority
JP
Japan
Prior art keywords
plastic
particles
conductive
array
sheet material
Prior art date
Legal status (The legal status is an assumption and is not a legal conclusion. Google has not performed a legal analysis and makes no representation as to the accuracy of the status listed.)
Granted
Application number
JP2009267254A
Other languages
English (en)
Other versions
JP5143815B2 (ja
Inventor
George Griffiths
ジョージ グリフイズ
Geoffrey Norman Walter Gay
ジョオフレイ ノーマン ウオルター ゲイ
Current Assignee (The listed assignees may be inaccurate. Google has not performed a legal analysis and makes no representation or warranty as to the accuracy of the list.)
Darwin Technology Ltd
Original Assignee
Darwin Technology Ltd
Priority date (The priority date is an assumption and is not a legal conclusion. Google has not performed a legal analysis and makes no representation as to the accuracy of the date listed.)
Filing date
Publication date
Family has litigation
First worldwide family litigation filed litigation Critical https://patents.darts-ip.com/?family=10851212&utm_source=google_patent&utm_medium=platform_link&utm_campaign=public_patent_search&patent=JP2010099657(A) "Global patent litigation dataset” by Darts-ip is licensed under a Creative Commons Attribution 4.0 International License.
Application filed by Darwin Technology Ltd filed Critical Darwin Technology Ltd
Publication of JP2010099657A publication Critical patent/JP2010099657A/ja
Application granted granted Critical
Publication of JP5143815B2 publication Critical patent/JP5143815B2/ja
Anticipated expiration legal-status Critical
Expired - Lifetime legal-status Critical Current

Links

Images

Classifications

    • BPERFORMING OPERATIONS; TRANSPORTING
    • B03SEPARATION OF SOLID MATERIALS USING LIQUIDS OR USING PNEUMATIC TABLES OR JIGS; MAGNETIC OR ELECTROSTATIC SEPARATION OF SOLID MATERIALS FROM SOLID MATERIALS OR FLUIDS; SEPARATION BY HIGH-VOLTAGE ELECTRIC FIELDS
    • B03CMAGNETIC OR ELECTROSTATIC SEPARATION OF SOLID MATERIALS FROM SOLID MATERIALS OR FLUIDS; SEPARATION BY HIGH-VOLTAGE ELECTRIC FIELDS
    • B03C3/00Separating dispersed particles from gases or vapour, e.g. air, by electrostatic effect
    • B03C3/28Plant or installations without electricity supply, e.g. using electrets
    • BPERFORMING OPERATIONS; TRANSPORTING
    • B03SEPARATION OF SOLID MATERIALS USING LIQUIDS OR USING PNEUMATIC TABLES OR JIGS; MAGNETIC OR ELECTROSTATIC SEPARATION OF SOLID MATERIALS FROM SOLID MATERIALS OR FLUIDS; SEPARATION BY HIGH-VOLTAGE ELECTRIC FIELDS
    • B03CMAGNETIC OR ELECTROSTATIC SEPARATION OF SOLID MATERIALS FROM SOLID MATERIALS OR FLUIDS; SEPARATION BY HIGH-VOLTAGE ELECTRIC FIELDS
    • B03C3/00Separating dispersed particles from gases or vapour, e.g. air, by electrostatic effect
    • B03C3/02Plant or installations having external electricity supply
    • B03C3/04Plant or installations having external electricity supply dry type
    • B03C3/14Plant or installations having external electricity supply dry type characterised by the additional use of mechanical effects, e.g. gravity
    • YGENERAL TAGGING OF NEW TECHNOLOGICAL DEVELOPMENTS; GENERAL TAGGING OF CROSS-SECTIONAL TECHNOLOGIES SPANNING OVER SEVERAL SECTIONS OF THE IPC; TECHNICAL SUBJECTS COVERED BY FORMER USPC CROSS-REFERENCE ART COLLECTIONS [XRACs] AND DIGESTS
    • Y02TECHNOLOGIES OR APPLICATIONS FOR MITIGATION OR ADAPTATION AGAINST CLIMATE CHANGE
    • Y02ATECHNOLOGIES FOR ADAPTATION TO CLIMATE CHANGE
    • Y02A50/00TECHNOLOGIES FOR ADAPTATION TO CLIMATE CHANGE in human health protection, e.g. against extreme weather
    • Y02A50/20Air quality improvement or preservation, e.g. vehicle emission control or emission reduction by using catalytic converters
    • Y02A50/2351Atmospheric particulate matter [PM], e.g. carbon smoke microparticles, smog, aerosol particles, dust
    • YGENERAL TAGGING OF NEW TECHNOLOGICAL DEVELOPMENTS; GENERAL TAGGING OF CROSS-SECTIONAL TECHNOLOGIES SPANNING OVER SEVERAL SECTIONS OF THE IPC; TECHNICAL SUBJECTS COVERED BY FORMER USPC CROSS-REFERENCE ART COLLECTIONS [XRACs] AND DIGESTS
    • Y10TECHNICAL SUBJECTS COVERED BY FORMER USPC
    • Y10STECHNICAL SUBJECTS COVERED BY FORMER USPC CROSS-REFERENCE ART COLLECTIONS [XRACs] AND DIGESTS
    • Y10S55/00Gas separation
    • Y10S55/05Methods of making filter
    • YGENERAL TAGGING OF NEW TECHNOLOGICAL DEVELOPMENTS; GENERAL TAGGING OF CROSS-SECTIONAL TECHNOLOGIES SPANNING OVER SEVERAL SECTIONS OF THE IPC; TECHNICAL SUBJECTS COVERED BY FORMER USPC CROSS-REFERENCE ART COLLECTIONS [XRACs] AND DIGESTS
    • Y10TECHNICAL SUBJECTS COVERED BY FORMER USPC
    • Y10STECHNICAL SUBJECTS COVERED BY FORMER USPC CROSS-REFERENCE ART COLLECTIONS [XRACs] AND DIGESTS
    • Y10S55/00Gas separation
    • Y10S55/38Tubular collector electrode
    • YGENERAL TAGGING OF NEW TECHNOLOGICAL DEVELOPMENTS; GENERAL TAGGING OF CROSS-SECTIONAL TECHNOLOGIES SPANNING OVER SEVERAL SECTIONS OF THE IPC; TECHNICAL SUBJECTS COVERED BY FORMER USPC CROSS-REFERENCE ART COLLECTIONS [XRACs] AND DIGESTS
    • Y10TECHNICAL SUBJECTS COVERED BY FORMER USPC
    • Y10STECHNICAL SUBJECTS COVERED BY FORMER USPC CROSS-REFERENCE ART COLLECTIONS [XRACs] AND DIGESTS
    • Y10S55/00Gas separation
    • Y10S55/39Electrets separator

Landscapes

  • Electrostatic Separation (AREA)
  • Filtering Materials (AREA)
  • Filtering Of Dispersed Particles In Gases (AREA)
  • Electrical Discharge Machining, Electrochemical Machining, And Combined Machining (AREA)
  • Sampling And Sample Adjustment (AREA)

Abstract

【課題】工場、倉庫、温室、ホール、ショッピングモールまたはショッピングルームのごとき限られた空間内のエアゾール濃度を減少するための空気清浄装置を提供する。
【解決手段】ガス流中に運ばれる粒子を除去するための粒子沈澱装置において、ガス流が比較的自由に通過し得る通路配列体を備え、通路をエレクトレット特性を有するプラスチック壁間に設け、ガス流を前記配列体を通して押圧するための手段を設け、それによって粒子が前記ガス流から前記通路に集められることを特徴とする。
【選択図】なし

Description

本発明は、工場、倉庫、温室、ホール、ショッピングモールまたはショッピングルームのごとき限られた空間内のエアゾール濃度を減少するための空気清浄装置に関するものである。
発明の背景
高いエアゾール濃度は懸濁された粒子を吸い込むことによって健康上の危険を有する。
農場において、高いエアゾール濃度は家禽小屋および集約的な養豚小屋等のごとき状況において認められ、作業者および動物の両方が危険に曝されている。
工業において、制限された空間内での溶接、研磨、精錬および内燃機関の使用のごとき種々の工程はすべて取り囲まれた空間内に高い汚染エアゾール濃度を発生している。
社会および家庭の状況において、エアゾール汚染は喫煙によって発生されている。くしゃみはバクテリアおよびウイルスのエアゾールを発生する。アレルギー発生花粉はその年の種々の期間において高濃度において認められる。ダニ埃アレルゲン粒子はベッドを整えるとき発生されかつエアゾールとして空気に入り込む。
通常の空気清浄器は、フィルタ内に粒子を落とし込む(濾過空気清浄器(FAC’s))かまたは粒子をプレート上に集める(静電沈澱空気清浄器(ESPAC’s))ことにより空気から粒子を除去している。フィルタまたはプレートは次いで処理され、洗浄されかつ交換され得る。
FAC’sに関連付けられる欠点は:
1.フィルタの効率がしばしば時間がたつにつれて著しく降下する、
2.フィルタを横切る圧力がしばしば高くかつ強力なファンを必要とする、
3.強力なファンはしばしば雑音が多くかつかなりの動力を消費する、
4.フィルタは規則的に交換される必要がある、
ということである。
ESPAC’sに関連付けられる利点は:
1.より低い圧力降下、
2.低い雑音および低い動力、
3.洗浄可能な収集プレート、
である。
ESPAC’sに関連付けられる欠点は以下の通りである。すなわち、
1.高電圧金属収集プレートの出費が嵩む遮蔽。使用者は高電圧電源(代表的には、数キロボルト)からの電気ショックの可能性から保護される必要がある。電源が切られるときも同様に、プレート上に蓄えられた電荷からのショックの危険がある。プレートは清浄にするために取り外される必要がありかつそこで安全なインターロックがプレートに接近する前にこのプレートを自動的に放出するように通常設けられている。
2.効率の損失および電気的故障(空気が絶縁状態を保てずに、いわゆる絶縁破壊が起こること)によって発生されるオゾンの発生および金属プレート間の漏洩。
3.プレートはプレート間の空気中での電気的故障(空気が絶縁状態を保てずに、いわゆる絶縁破壊が起こること)を減少するように比較的広く間隔が置かれる必要がある。これは効率を減少する。
本発明の目的は、実質上、ESPAC’sに関連付けられる欠点なしに空気またはガス流から粒子を除去するのに使用するための実用的な装置を提供することにある。
本発明の第1の態様によれば、ガス流中に運ばれる粒子を除去するための粒子沈殿装置はガス流が比較的自由に通過し得る一連の通路配列体を備え、通路をプラスチツク壁間に設け、ガス流を前記通路を通して押圧するための手段を設け、プラスチック壁にはそれと接触してかつ前記通路の外部に導電性材料の区域を設け前記ガス流から粒子を集めるために前記通路に帯電された場所を設けるために前記導電性材料の絶縁された区域に高いおよび低い電位を交互に印加するための手段を備えている。
第2の態様によれば、この発明は、ガス流が比較的自由に通過し得る通路配列体を含み、通路をエレクトレット特性を有するプラスチツク壁間に設け、ガス流を前記配列を通して押圧するための手段を備え、それによって粒子が前記ガス流から前記通路に集められるガス流中に運ばれる粒子を除去するための粒子沈殿装置を提供することにある。
通路は、好ましくは、その反対面上に好ましくは導電性材料を有している溝付きのプラスチツクシート材料によって設けられる。溝付きプラスチツクシートは、例えば、一方が他方の頂部上に置かれ、アコーディオン(コンサーティナ)の方法で折り曲げられ、螺旋に形成されるか、または同中心配列からなることも可能である。
変形例において、通路は並んで配置されたプラスチツクチューブによって設けられる。前記プラスチツクチューブは長方形の断面からまたは円形の断面からなることもできる。
さらに再び、通路は波形プラスチツクシートの壁間にまたは平らなプラスチツクシートと波形の導電性材料との間に形成されることができる。
本発明において使用されるプラスチツク材料は、好ましくは、ポリプロピレン、ポリエチレンまたはその共重合体からなっている。だが、ポリ塩化ビニル、PET,PTFEまたはポリカーボネートのごとき他のプラスチツク材料も、また、適する。
本発明の第1の態様の実施例に関して、導電性材料の区域は、好ましくは、高いインピーダンス材料からなるが、低いインピーダンス材料からなることも可能である。交互のプラスチツクシートは高いインピーダンスおよびその上の低いインピーダンスの区域を有することができる。
高いインピーダンス材料は、好ましくは、紙のごとき、セルロースを基礎にした材料である。変形例において、高いインピーダンス材料は塗料またはインクまたは帯電防止コーーティングを包含している。
低いインピータンス材料は金属シート、金属フィルム、カーボンを基礎にしたフィルムおよびカーボンを基礎にした塗料から選択され得る。
導電性材料は、好ましくは、それに電位を印加するための手段が接続されるのを除いてプラスチツク壁の縁部から内方に間隔が置かれている。
本発明の好適な実施例は、さらに、通路の配列の前にガス流中の粒子を電気的に帯電するための手段からなっている。かかる手段はコロナ放電手段または放射性イオン化手段であってもよい。
本発明の第1の態様の好適な実施例は、高いおよび低い電位において溝付きプラスチツクシート導電性材料の交互の層からなっており、そのさい前記導電性材料が高い電圧の漏洩かつそれゆえ装置に入っている粒子を帯電するためのイオン漏洩を誘起するように前記プラスチツクシートの縁部から内方に間隔が置かれている。低い電位の区域は、好ましくは、アース電位にある。
本発明に使用される高いインピーダンスの材料は10 ないし1011オーム/スクエアの範囲の薄いフィルム固有抵抗を有している。
本発明の第1の態様の装置は、好ましくは、高い電位区域に電力を供給するための高電圧電源および絶縁された高いインピーダンス材料から作られたそれらの区域との間の接続リード線からなっている。
本発明の好適な実施例の装置は、さらに、ガス流が配列を出るとき前記ガス流をイオン化するための手段からなっている。ガス流が配列を出るとき前記ガス流をイオン化するための前記手段が一次コロナ放電エミッタおよび一次エミッタに対してより低い電位での二次コロナ放電エミッタからなっている。前記一次エミッタは、好ましくは、高い負の電位に接続される一方前記二次エミッタは、好ましくは、アースされる。前記一次エミッタは、好ましくは、鋭い先端を有する針でありかつ前記二次エミッタは、好ましくは、比較的鈍い先端を有する針である。この発明の第2の態様の好適な実施例において、プラスチツク壁は装置内に参入の前に電気的に帯電されている。前記プラスチツク壁はそれに印加された高い電位差により前記壁の反対側に印加された電極によって帯電される。変形例において、前記プラスチツク壁はより高い温度で電界を印加しかつ次いで電界の存在においてより低い温度に冷却することによって帯電され得る。前記プラスチツク壁は、また、一方の側で高い電位のコロナ放電と他方の側でアースされた導電性板との間で前記プラスチツク壁を動かすことによって帯電され得る。
本発明の第2の態様の他の好適な実施例において、プラスチツク壁は溝付きプラスチツクシート材料の面によって設けられかつ帯電は溝内部をアース電位にかつ前記シート材料の外面をそれぞれ高い負のかつ正の電位に接続する導電性液体で前記面を充填することによって可能である。
プラスチツク壁を帯電する他の手段はプラスチツク壁ををそれぞれ高いおよび低い電位に維持される導電性または半導電性材料からなるローラ間に送給することによって可能である。
また好適であるのは、壁の反対側が導電性にされかつともに電気的に接続されるということである。前記プラスチツク壁は導電性コーティングまたは導電性シート材料の塗布によって導電性にされる。
本発明の装置は、一般に、高いおよび低い電位に交互にある一連の間隔が置かれたプレートからなっている。高い電位のプレートは低い電位のプレートから電気的に絶縁されている。高い電位のプレートは低い電位のプレートに関連して正または負にすることができる。低い電位のプレートは直線的に間隔が置かれたプレートの配列または円形に間隔が置かれたプレートの配列または螺旋状に間隔が置かれたプレートの配列または他の好都合に間隔が置かれた配列を形成することができる。高い電位のプレートは特別な高いインピーダンスの材料からかつ金属(低いインピーダンス材料(LIM)である)からでなく製造される。高い電位のプレートの高いインピーダンス材料(HIM)はプレートをそれらの完全な作動電位に上昇させるがそれらをショックの危険に曝さない。高いインピーダンス(HIM)の高い電位のプレートが人間、例えば、使用者によって触れられるとき、電流の流れはショックおよび健康への危険を生じない低い値に制限される。結果として、一連の間隔が置かれたコレクタプレートはもはや空気清浄器内で保護のために隠される必要はなく、しかも代わりに、必要ならば、プレートの洗浄のために容易に接近しかつ取り外すのに外部に取り付けられることができる。
高い電位のプレートは高電圧電源から電力を供給する必要がある。本発明によれば、また、高いインピーダンス材料(HIM)から作られた高い電位のプレートへの接続のために特殊なリード線が設けられる。HIMリード線は通常の方法においてプラスチツクで絶縁されるが、絶縁が破壊される場合に、リード線はリード線内からの低い電流の流れの制限によりショックの危険が存在しない。
一連の間隔が置かれたプレートに入っている空気は代表的には電気的に駆動されるファンの使用によってプレートの配列(アレイ)を通って吹き出されるかまたは引き出される。それらがプレートを通過するとき、帯電された粒子(正または負に帯電される)および電気的に中立の粒子はプレート上に引き出されかつその上に集められている粒子を結果として生じる強力な電界に従わされる。プレートは使い捨て可能にまたは洗浄可能に設計され得る。
好適な実施例において、高い電位および低い電位のプレートセットの両方がHIMから作られている。
本発明の他の好適な実施例において、高い電位のHIMプレートは絶縁フィルムで被覆されている。
本発明のさらに他の好適な実施例において、高い電位のHIMプレートおよび低い電位のプレートの両方が絶縁フィルムによって被覆されている。
変形例において、高い電位のかつ低い電位のプレート間のギヤツプが空気を通す絶縁二重壁の溝付きシート材料によって占有されている。
他の好適な実施例において、絶縁プラスチツク二重壁の溝付きシート材料を挟んでいる高電位のかつ低い電位のプレートが最初に高電圧電源に接続されかつ次いで接続解除される。
本発明の粒子収集装置は長く持続する電荷を呈している1枚の誘電体材料であるエレクトレットに基づくことも可能である。エレクトレットの電荷は表面電荷層、誘電体内の電荷、分極電荷またはこれらの組み合わせからなっている。
薄膜エレクトレットは、その分極および空間電荷が誘電体内のあらゆる所で互いに埋め合わせしないならば、外部の静電電界を示している。この外部静電電界は薄膜ポリマエレクトレットから製造される空気清浄フィルタ材料において利用される。薄膜ポリマは不織フィルタ織物を製造するように充電される。懸濁された粒子を含有している空気が織物に通されるとき粒子は電界がエレクトレット織物に近づくので強力な電界を受ける。これらの力は結果として織物上への粒子の堆積を生じる。この繊維状エレクトレットポリマフィルタ材料は、高い効率が比較的低い圧力降下において達成され得るために通常の繊維状フィルタ媒体(微細ガラス繊維のごとき)を超える利点を有している。
しかしながら、同様に低い圧力降下において高い効率を設けることができるフィルタ媒体に関してさらに他の要求が存在している。
プラスチツクシート材料、とくにプラスチツク二重壁溝付きプラスチツクシート材料はそれにエレクトレット特性を付与するように予め処理させることができ、そしてその材料が空気清浄収集装置において使用される。シート材料の製造に適するプラスチツク材料は、ポリエチレン(PE)、ポリプロピレン(PP)、エチレンおよびプロピレンの共重合体、PVC,PET,PTFE、ポリカーボネート等を含んでいる。使用されるプラスチツク材料は、好ましくは、空気が溝を通って容易に通過する通路を好ましくは備えそしてそこでかかる空気清浄配列による圧力降下は小さい。通過している空気流れ中の粒子は通路内で強力な電界を受けている。帯電された粒子は、それらが付着しかつしたがって捕捉される通路壁に向かって電界内で動く(電気泳動と呼ばれる方法によって)。
通路中の電界が非直線であるため、帯電されないまたは中立の粒子は、また、壁に向かって動き(電気泳動と呼ばれる方法によって)かつ捕捉される。
多くのエレクトレット空気清浄材料がポリマフィルムの表面上に外部展開を示すように製造されるが、この発明においてはプラスチツク材料の通路内の空気空間の内部で電界強度を最大にするように注意が払われている。
本発明を添付図面に示した実施例について以下にさらに説明する。
図1ないし図8の以下の説明において、同様な部分は簡単化のために同一の符号が付与されそして実施例間の主要な差異を簡単に説明する。
図1を参照すると、粒子沈澱装置はプレート間に空気またはガスの実質上自由な流れを許容するように分離された少なくとも2枚のプレート1および2(簡単化のために2枚のプレートのみが示されている)からなっている。
高い電位にあるプレート1は高いインピーダンスの材料(HIM)から構成されるかまたはそれにより被覆されている。プレートは厚くする必要はなく、1mmまたはそれ以下でほとんどの目的に役立つ。適宜な高いインピーダンスの材料はカード、ボール紙、紙接着セルローステープおよび他の材料の範囲を包含している。変形例において、プレート1はHIMフィルムで被覆されたれ絶縁プラスチツク材料からなることもできる。かかるコーティング材料は幾つかのプラスチツク、幾つかの特殊な塗料および幾つかの帯電防止コーティングを含んでいる。適宜な高いインピーダンスの材料(HIM)は、好ましくは、10 および1011オーム/スクエアの範囲の薄膜抵抗性を有している。比較により、低いインピーダンスの材料(LIM)は、代表的には、ほぼ50ミクロンの厚さの金属に関して0.1ないし1.0オーム/スクエアかつ50ミクロンの厚さのカーボン塗料フィルムに関して10ないし1000オーム/スクエアの薄膜抵抗性を有している。絶縁体および絶縁材料の表面抵抗性は、代表的には、1013ないし1016オーム/スクエアの範囲にある。
高電圧電源4は特別なリード線5によって高電圧プレート1に接続されている。リード線5は絶縁材料の覆いによって取り囲まれているHIMの導電コアから構成されている。HIMリード線5は高い電位を維持するのに十分な電流をプレート配列に供給するために十分に導電性であることが必要であるが、絶縁材料が破壊される場合に使用者にショックを生じるのに十分な導電性ではない。多数の材料がリード線5のコアを構成するのに使用されることができ、それはセルロース糸またはプレートの高いインピーダンス材料に使用されると同様な材料を含んでいる。
プレート2は低い電圧のプレートでありかつHIMから構成されている。プレート2は通常の絶縁された金属導体コアのリード線6を介して電源4に接続されている。プレート2は低いまたはアース電位にあり、電気ショックの危険を持たずかつそこで、また、金属、金属箔またはカーボン被覆粒子のごとき導電性の材料から構成され得る。
例として、13枚のHIMプレートの配列が4mmのプレート間の分離距離により0.4mmの厚さのセルロースカードから構成された。配列体はこの配列体を通る空気流に関して100mmの深さだった。空気は2.0m/sで配列体に通された。高い電位のHIMプレートは低い電位のプレートに関連して−13キロボルトd.c.に保持された。配列体を通っている空気は平均直径0.5ミクロンの負に帯電された塩粒子のほぼ500ミリグラム/立方メートルを含有した。捕捉の効率は93%であるように測定された。
図2の実施例(明瞭のために、電源および接続を示してない)において、高い電位のHIMプレート1は絶縁体8で覆われるかまたは被覆されている。これは高いおよび低い電位のプレートが埃または異物によって橋絡される場合にプレート上の電位の漏洩および損失を減少する。
絶縁体8は非導電塗料の1つまたは複数のフィルム、プラスチツクテープフィルム、熱密封プラスチツクフィルムまたは他の適宜な絶縁にすることができる。
低い電位のプレート7は、高いインピーダンスの材料または金属導電材料、導電性カーボン塗料で被覆された材料、導電性カーボン負荷のプラスチツクまたは他の同様な適宜な材料から構成され得る。
図3の実施例において、上方の高い電位のプレート1および下方の低い電位のプレート7は絶縁体8で覆われるかまたは被覆されている。
高い電位のプレートは絶縁体8で覆われた高いインピーダンスの材料から構成されている。
低い電位のプレートは適宜な高いまたは低いインピーダンスの材料から構成されかつプレートが絶縁体8で覆われている。
絶縁されたプレートのセットを有する利点は、プレートがともに接触したとしても高い電位の損失かつそれゆえ機能の損失がないということである。
図4aおよび図4bの実施例において、高いおよび低い電位の両方のプレートは絶縁プラスチツク二重壁溝付きシート材料9によって分離されている。シート材料9はポリプロピレン、ポリエチレン、ポリカーボネート、P.T.F.E.または他の適宜な絶縁材料から作ることもできる。図4aは溝を通る空気の流れを示している。図4bは空気があたかも紙面に流れているように図4aと直角である図を示している。空気はプラスチツクシート材料9の溝を通って自由に流れることができる。溝壁10はシート材料9と一体の部分である。溝付きプラスチツクシート材料9は構造が堅固でありかつそれ自体多重プレート配列の簡単な建造物に力を貸している。
高いおよび低い電位のプレートの好適な材料は高いインピーダンスの材料(HIM)であるが、二重壁のプラスチツク溝付きシート材料9が良好な絶縁体であるとき、その場合に低いインピーダンスの材料が適するかもしれない。
図4の実施例において、粒子の沈澱は高い電位のプレート1と低い電位のプレート2との間に連続する高い電位を印加することによって行われる。
例として、直径410mmおよび深さ100mmの円形の配列が、HIMから作られた高いおよび低い電位のプレートによって分離された絶縁プラスチツク二重壁溝付きシート材料(IPTFSM)からなる積み重ねを使用して構成された。ポリプロピレンから構成されたIPTFSMは4mmの開放空気間隙を有した。IPTFSMの壁厚は0.4mmであった。使用されたHIMは0.13mmの厚さの接着セルローステープてあった。高い電位のHIMプレートは低い電位のプレートに関連して−10キロボルトd.c.で保持された。空気(平均直径0.5ミクロンの塩粒子のおよそ500ミリグラム/立方メートルの負に帯電されたエアゾールを含んでいる)は1.8m/sの平均速度で配列に通された。清浄な空気供給量(CADR)が717立方メートル/時間として測定された。
さらに他の実施例(再び図4に言及する)において、最初の高い電位は2枚のプレート間に印加されかつ次いで高い電圧供給が接続解除される。粒子捕捉での効率は降下するように期待されるかもしれないが、これがその場合であるようには認められない。プレート間に発生された最初の高い電界強度は溝付きプラスチツクシート材料9内に不動にされた電荷を蓄えるエレクトレット材料を形成させると思われる。不動にされて蓄えられた電荷によって発生された電界強度は材料9の溝の壁上に粒子を沈澱するように十分に強い。
さらに他の実施例は溝付きシート材料9の前処理なしに空気清浄収集装置として積み重ねられた配列体11を使用することを含んでいる。これらのシート材料はしばしば溶融されたプラスチツクの押し出し成形によって製造されそして本来の純粋さを保っている材料は通常或る程度のエレクトレット特性を有しかつさらに他の処理なしに空気清浄特性を示している。
図6、図7および図8は、それぞれ、直線、円形、および螺旋の間隔が置かれたプレートの配列体を示している。各場合において、高い電位のプレートは13でかつ低い電位のプレートは12で示されている。空気の流れはあたかも紙面に向かっている。
図9は、空気フィルタが二重壁付きの溝付きのプラスチツクシート10からどのように作られるかを示している。シートの外面30aおよびbは導電性または高い抵抗の電極材料で被覆されるかまたは覆われている。シート材料はその場合に空気通路の重なり合い配列を形成するようにアコーディオン(コンサーティナ)方法において折り曲げられる。一方の外面30aは高い電位の側としてかつ他方の外面30bが低い電位の側として示されている。面30aおよび30bは高いおよび低い電位源にちょうど良い時期に接続されてエアゾール粒子が溝を通って通過している空気流から引き付けられ得る溝内に帯電された場所を誘起するのに必要な電界を設ける。図示されないのは、ファンまたは配列を通って空気を引き出すかまたは吹き出すため他の手段である。
本発明の実施例において、粒子がフィルタ配列に入る前に粒子を予め帯電するのが望ましいかもしれない。これは本発明の空気フィルタのプラスチツク空気流出口導管内に配置された2つのイオンエミッタ36,38によって達成されることが可能である。エミッタの一方36は、高い負の電位において、代表的には、0.1mmより小さい先端の曲率半径を有する、鋭い点を備えそして鈍い先端(代表的には0.5mmないし2.0mmである先端の曲率半径)を有しているイオンエミッタ38から距離zに位置決めされている。
エミッタ間の高い電界強度の結果として、両方のエミッタはコロナ放出に使われる。鋭いエミッタ36は多量の負のイオンを放出する。負のイオンの流れは正のイオンの流れを本質的に中和する。両方のエミッタを横切っている吹き出している空気の最終的な作用は負のイオンの出発雲を結果として生じる。
これらのイオンは空気清浄機を出てかつ部屋内の粒子の拡散帯電に進む。イオンエミッタによって発生された空気イオンは、拡散帯電によりそれらが部屋内の粒子へ少量の電荷を付与する場合に部屋内に吹き出される。帯電された粒子が空気清浄機に引き出されるとき、それらはシート材料の溝内の静電電界によって捕捉される。局部堆積を減少しかつ静電気ショックの可能性を減少するために空気清浄機の内部にイオンエミッタを配置するのが望ましい。外部のイオンエミッタはエミッタの近傍に局部的な汚物の堆積を発生しかつまた空気清浄器の使用者に対して静電気の迷惑を有するかもしれない。これは2つの鋭いエミッタの使用に対比している。2つの鋭いエミッタが使用されるならば、より多くの量の正のイオンが存在する。出口空気流中の正のイオンは負に帯電された粒子を効果的に中立化しかつしたがって溝内の粒子捕捉の効率を減少する。負のイオン化(かつしたがって単極帯電)の最適化はエミッタの電位、エミッタ先端の曲率半径、距離zおよび空気流れの方向および速度を調整することによって達成される。
図11は本発明の実施例を略示しており、そのさい絶縁二重壁プラスチツクシート材料は電極材料層42,44間に挟まれた正方形のプラスチツク絶縁チューブ40の配列によって置き換えられる。
空気は、空気がシート材料の溝を通って流れるのと同一の方法において正方形のチューブ40の長さを流れ落ちる。正方形の溝は好都合には連続するプラスチツク押し出し成形方法によって製造されかつチューブは種々の空気清浄用途に適するような適宜の長さに切断する。個々のチューブは正方形チューブを挟むように高いおよび低い電位の電極材料42,44と示されるように一直線に整列されている。
変形例において、図12に示されるように、円形断面のプラスチツクチューブが、再び、電極材料42,44間に挟まれて使用され得る。
図面の図13に留意すると、本発明の粒子収集装置は、それぞれ、高いおよび低い電位において電極材料62,64のシート間に挟まれた波形または波状のプラスチツクシート60の折り目間に設けられる空気流れ通路を有することができる。
粒子を勧誘している空気は波形に沿って引き出されるか吹き出される。この型の装置は折り曲げられた長方形の空気清浄配列または円形の空気清浄配列の形成に容易に力を貸している。
本発明の好適な実施例は、粒子の外部帯電が必要とされないようにプラスチツク、とくに溝付きプラスチツク、シート配列それ自体によって粒子帯電を設けるように電極または電極材料の位置決めを利用することができる。
図14はシート材料72(配列において1枚のシートのみを示している)に関連して電極材料70の配置を示している。距離x,yおよびzは電極のサンドイッチにおいて一方の電極(高い電位)から次の電極(それ以上またはそれ以下の低い電位)への適切な絶縁を許容するように設けられたゆるやかな動きの距離である。
距離yが減少されるならば、その場合に高い電圧電流の漏洩が増大する。距離および電圧の適宜な選択によりイオン化がイオン漏洩によって配列の面上に達成され得る。イオン化が空気清浄配列の空気入口面上に発生されるように配置されるならば、その場合に中立の粒子がそれらが配列に入る直前に帯電させられる。イオン化が空気清浄配列の空気出口面上に発生されるように配置されるならば、その場合に、これらのイオンはこれらが引き出されかつ空気清浄配列に落ち込まされる前に部屋内の粒子を帯電させる部屋内に吹き出される。
本発明の粒子収集装置の空気清浄配列を取り扱うことによって発生される静電気ショックの可能性を減少するために、図15は、アルミニウム箔接続細片82で被覆された紙80、2枚の紙の層(電流サージブロック)84およびアルミニウム箔端子耳片86からなっている。紙層は電流の流れを数マイクロアンペアに制限するような高い抵抗性の材料からなっている。他の方法は高いおよび低い電圧電極間に直接接続される高い抵抗性の材料を使用する。抵抗性は電源を不正に負荷しない(かつ電圧を減少する)値に調整されるが、動力が切られるとまもなく数秒間空気清浄配列から放電する。この方法において配列は取り扱うのに迅速に安全にされる。
図16は部屋環境に使用するための代表的な完成した空気清浄装置100を示しそして図17は粒子帯電および収集を示している部屋環境内の空気清浄装置100を示している。装置100は溝付きプラスチツクシートおよび高いおよび低い電位の電極(図4Bにおけるような)の配列の形のコレクタ102および矢印の方向に配列を通って空気を引き出すためのファン104を備えている。配列およびファンは入口グリル106および出口グリル108との間に封入されている。ファン近傍のコロナエミッタ110はコレクタを出ている空気をイオン化している。
通常の静電気空気清浄器においては2枚の平行な導電(通常金属)プレートまたは電極112,114(図18)の間に実質上均一な非直線電界が存在している。
2枚のプレート間に通っている帯電された粒子は力を受けかつ帯電された粒子が付着するプレートの一方に動く(電気泳動と呼ばれる方向を介して)。2枚のプレート間を通過している中立の粒子は僅かな力を受けるかまたは力を受けずそして実質上捕捉されることなく通過する。
絶縁プラスチツク二重壁溝付きシート材料が高いおよび低い転移のプレートまたは電極間に挟まれる本発明の実施例において、(図4B)溝の内部の電界は実質上非直線である。
導電または半導電プレート上の電位が均一であるのに反して、溝内部の電界は非直線である。電界の非直線性は多分プラスチツク材料内の電荷の不均一な移動および溝壁の作用によっている。
溝を通っている帯電された粒子は電界を受けかつ電気泳動によって堆積される。溝を通過している中立の粒子は非直線の電界を受けかつ動き(電気泳動と呼ばれる方法によって)そして同様に堆積される。
力が粒子の分極化および電界の非直線性の両方によって中立の粒子に作用している。その結果は中立の粒子の運動および堆積である。
したがって、この実施例において、帯電されたおよび中立の両方の粒子が堆積される。帯電された粒子の堆積効率は中立の粒子の堆積効率より大きい。しかしながら、中立の粒子の堆積効率は顕著である。
他の実施例において、電極は水の進入を防止するためにプラスチツクシート材料の内部で密封されてもよい。これは、乾燥されかつ再び使用され得るように複合コレクタ配列が水または洗剤を使用して周期的にきれいに洗浄されることを許容する。
図19に示されるように、溝付きシート配列を波形または波状電極に形成された電極120を有することにより置き換えることができそして電極はプラスチツク材料の薄膜122を使用して分離される。
空気は波形およびプラスチツクフィルムによって形成されたサンドイッチを通して吹き付けられるかまたは引き出される。
説明のために、半導電性材料は約10 〜1011オーム/スクエアの程度の薄膜抵抗性を有しているあらゆる材料である。
この発明を、次に、添付図面の図4Bに関連して低い電圧降下における高い効率を示すように、例として、さらに説明する。
シート厚さ2.1ミリメートル、溝間隔2.7ミリメートルおよび壁厚150ミクロンを有する300グラム/平方メートルの1枚のプラスチツク二重壁溝付きシート材料が選択された。シートは切断されかつ80g.s.m.紙転居区を使用して空気清浄配列に組み立てられた。
配列は70mmの空気流通過深さを付与するように寸法付けられた。一方の組の電極がアースに接続されかつ他方の組の電極がマイナス12,000ボルトに
維持された。
約1ミリグラム/立方メートルの0.5ミクロン塩エアゾールが試験室に発生された。粒子帯電は図10において説明されたように2つの電極(一方がアース、他方が12kv)を超えて室空気に吹き付けることにより拡散帯電によって達成された。
一連の実験が配列を通る種々の空気速度において塩粒子の捕捉効率を測定するためにエアゾールモニタを使用して導かれた。結果は以下の通りである。
空気速度 捕捉効率 圧力降下
(m/s) (%) (パスカル)
0.5 99.99 3
1.0 99.97 7
2.0 99.95 14
3.0 99.23 27
さらに他の実施例において、プラスチツク二重壁溝付きシート材料はあらゆる処理により空気清浄配列に簡単に作られる。
図5に関連して、プラスチツク二重壁溝付きシート材料10のエレクトレット帯電に適する好適な実施例を以下で説明する。
これは絶縁プラスチツク二重壁溝付きシート材料9の配列11からなっている。この実施例において高いおよび低い電位のプレートがある。代わりに、各個々のシート9は高いおよび低い電圧の電極間で「帯電」され、除去されかつ次いで配列11を形成するように積み重ねられる。それを通って流れる粒子を沈澱させるようなこの配列の有効性はシート材料9内に蓄えられたエレクトレット電荷に依存している。大きな電荷がシート材料9を除去しかつ配列11に積み重ねる前に非常に大きな電位差を印加することにより蓄えられ得る。
除去可能な平らな金属または半導電性電極がシート材料10の頂部および底部に用いられる。高い電位差が2つの電極間に印加される。高い電圧を充電するのに十分な時間後次いで接続解除されそして電極は新たに形成されたエレクトレットシート材料から除去される。
エレクトレットシート材料は次に切断されかつ材料を空気清浄配列200(図5参照)に積み重ねることによって簡単に形成され得る。溝内部の電界は溝を通して流れている空気の流れへの粒子の落ち込みを結果としてもたらす。外部電源は、プラスチツク材料内のエレクトレット電荷が時間に関連して安定している(寿命を多年にすることが可能である)ため溝内の電界を維持するのに必要とされない。
図20の実施例において、(シート材料のエレクトレット帯電後)各シート10の両側(空気清浄配列のすべてのシートのすべての側)をともに電気的に接続するのが好都合と認められた。これは溝の内部の電界を最大にしかつそれゆえ濾過の効率を最大にするようになされる。
各シートの各側をともに電気的に接続するために、すべてのプラスチツクシート表面は導電性または半導電性にされることが必要である。これは導電性塗料フィルムまたは帯電防止コーティングを用いるか、またはシートの各側に紙または金属フィルム198を取着することによってなされ得る。
配列中のすべてのシートの導電性面は次いでワイヤ202、導電性テープ、半導電性テープ、導電性コーティング、半導電性または同様な手段の使用によってともに接続される。
これと同様にともに接続されるとき溝空気空間内の電界は最大にされることができかつそれゆえ粒子の捕捉効率は最大にされ得る。
図20の実施例を、次に、以下の例として、さらに説明する。
エチレンおよびプロピレンの共重合体から作られたプラスチツク二重壁付き溝付きシート材料10のシートが選択された。シートは2.1ミリメートルのシート厚さ、2.7ミリメートルの溝間隔および約150ミクロンの壁厚さを有する約300グラム/平方メートルの重さがあった。
紙電極がシート材料を挟むように配置された。一方の電極はアースに電気的に接続されかつ他方の電極は15分の周期にわたってマイナス33,000ボルトの電位に接続された。電極は接続解除され、取り除かれそしてエレクトレット帯電プラスチツクシート材料は切断されかつ図20に示されるように配列にサンドイッチにされた。
エレクトレットシートは70ミリメートルの空気流通過深さを付与するように切断された。一連の実験は配列を通る種々の空気速度において0.5ミクロン塩粒子の捕捉の効率を測定するためにエアゾールモニタを使用して導かれた。
約1ミリグラム/立方メートルの濃度での帯電されないエアゾール塩粒子を使用する結果は以下の通りであった。
空気速度 捕捉効率 圧力降下
(m/s) (%) (パスカル)
1 93 6
2 88 13
3 84 26
4 79 37
5 74 52
約1ミリグラム/立方メートルの濃度において負に帯電されたエアゾール粒子を使用する結果は以下の通りであった。
空気速度 捕捉効率 圧力降下
(m/s) (%) (パスカル)
1 99 6
2 99 13
3 99 26
4 98 37
5 96 52
プラスチツク二重壁溝付きシート材料10のエレクトレット帯電はより高い温度で材料に電界を印加しかつ次いで電界の存在においてより低い温度に冷却することによって達成され得る。
図21はシートの下でアースされた導電性または半導電性プレート212を有するシートの上方に配置された高い電位のコロナワイヤ210を使用しているプラスチツク二重壁シート材料のエレクトレット帯電の他の手段を示している。プラスチツクシートはプラスチツクシートの長さに沿って帯電を行うためにゆっくり動かされる。
図22において、プラスチツク二重壁の溝付きシート材料10はシートの下にアースされた導電性または半導電性プレート216を備えたシートの上方に配置された高い電位のコロナ点エミッタ214を使用して達成される。プラスチツクシートはこのプラスチツクシートの長さに沿って帯電を行うためにゆっくり動かされる。エレクトレット材料に最大の電荷貯蔵を達成するために、通常、エレクトレット材料を横切って非常に高い電位差を印加することが好都合である。付与された電位差が高ければ高いほど、付与された電位が除去された後利用し得る蓄えられた電荷は益々高い。しかしながら、電位差は、余りにも高い誘電体破壊があるならば結果としてエレクトレット電荷の減少を生じるため制御されねばならない。
プラスチツク二重壁シート材料10の溝付き構造は図23に示されるように代替の好適な手段によってエクトレット帯電に力を貸している。溝の内部は、適宜に導電性にされた、水または他の液体220によつて洗浄されるかまたはそれによって充填されている。今、一時的に導電性である、溝の内部はアース電位に接続されかつプラスチツクシートの頂部および底部面は伝導性または半伝導性の電極222,224で覆われている。頂部電極222は適宜に高い負の電位に接続されている。底部電極224は適宜に高い正の電位に接続されている。この方法においてエレクトレット電荷はシート材料の頂部および底部面の誘電体に形成されている。
適宜な時間後、電極は接続解除され、導電性の液体が溝から排出されそして溝が空気乾燥される。溝内部の空隙の非常に高い電界強度がこの方法において達成される。
この新たに形成されたエレクトレット溝材料が切断されかつかつ以前に示されたように空気清浄配列に配置される。
図24に示されるように、プラスチツク二重壁溝付きシート材料10のエレクトレット帯電は導電性または半導電性材料から作られたローラ230,232を介してシート材料をゆっくり送給することによって達成される。ローラはそれぞれ適宜な高いおよび低い電位に維持される。ローラは電荷転送を高めるために適宜な導電性液体で湿されるかまたは処理されることができる。
プラスチツク二重壁溝付きシート材料のエレクトレット帯電は、除去し得る電極の一方または両方が電荷転送を高めるために適宜な導電性液体で湿されるかまたは処理されること除いて、図5に関連して述べられた方法と同様な方法において達成され得る。
プラスチツク溝付きシート材料以外の材料は好都合にエレクトレット帯電されかつ本発明の空気清浄配列を構成するのに使用され得る。図25はこれを示している。長方形の断面配管300が示されるように2つの平らな電極302,304によってエレクトレット帯電される。エレクトレット帯電はバッチ処理を使用してまたは好ましくは連続的に達成され得る。
変形例において、図26に示されるように、長方形断面のプラスチツク配管300は2つのL−断面形状の電極306によってエレクトレット帯電される。
図27は、円形または楕円形断面のプラスチツク配管310が2つの適宜に成形された電極312,314によってエレクトレット帯電され得る。
いったんエレクトレット帯電されると、長方形300または円形310のプラスチツクチューブは切断されかつ図28にそれそれ示されるように空気清浄配列に組み立てられることかできる。
図29はエレクトレット帯電された溝付き配列(図20に示された配列と同様な)が空気清浄装置としてでなくしかも帯電された粒子検出器として使用されることを示している。溝10に入っている帯電された粒子は溝を横切る電界を受ける。粒子はそれらが付着しかつそれらの電荷を向ける壁に動いている。電荷は電極198に移動する。正に帯電された粒子またはイオンは溝の1側に動きかつ負に帯電された粒子またはイオンは他の側に移動する。
分極化されたエレクトレット帯電されたシートの正しい方法を保証することによりかつ交互の電極をともに接続することにより、2つの電流、すなわち、集められた正の電荷(A1)に起因する電流および集められた負の電荷(A2)に起因する電流を測定することが可能である。
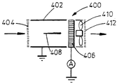
かかる配列の帯電された粒子の収集可能性は高感度の粒子汚染測定装置400(図30参照)を構成するのに利用させることができる。かかる装置の簡単な説明を次いで行う。等電性チューブ402は入口グリル404を有しそして図20に示される型のエレクトレット配列406に至っている。導電性チューブ402はアースに接続されている。チューブ402内にはコロナエミッタ針408がある。配列406を超えて、ファン410および出口グリル412がある。配列406は捕捉された粒子から配列上に集められた電荷から結果として生じる電流を測定するために電流計Aを介してアースに接続されている。
空気はファン410によって装置に引き出される。空気の流れのすべてが単極コロナ帯電(技術的に、フィールド帯電と呼ばれる)を受ける。粒子がコロナ帯電器を通過するので、すべての粒子が帯電される。コロナ電荷が負であるならば、その場合にすべての粒子が、入っている粒子の電荷の状態に関係なく負に帯電される。すなわち、コロナ帯電器に入っている正、中立および負の粒子は負の電荷で出る。
これらの負の粒子のすべてが次にエレクトレット帯電された配列406に捕捉されるならば、配列から流れている電流は装置に入っている粒子の密度に比例しかつ装置を通る空気の流れに比例する。
かかる装置は、高い感度(低い圧力降下が高い空気流量を許容する)、安定ゼロ状態(粒子がない、電流がない)、漏洩または干渉の問題なし(集合配列が高い電圧に接続されない)を含んでいる、他の粒子汚染測定装置を超える多数の利点を有している。
次に、図30の実施例は、以下の例として、さらに説明される。すなわち、
煙エアゾールが部屋内に発生されかつ100mmの直径の円形断面の導電性チューブに引き出された。(空気速度1.5メートル/秒)。エアゾールは約マイナス6000ボルトの電位で保持された中心に置かれた絶縁された針上に通された。針からのコロナ放電が到来する粒子を電気的に帯電するように4.5マイクロアンペアのイオン電流を発生した。非常に動きやすい過剰な負のイオンのすべてが取り囲んでいる導電性チューブによって捕捉された。それらの低い移動性によって帯電された粒子は70ミリメートルの深さの正方形のエレクトレット帯電された配列に空気流に沿って運ばれた。流れ中の負の粒子は配列に捕捉されかつ電流計によって測定される電流を生起した。
実験の結果は以下の通りである。
エアゾール濃度 配列からの電流
(μg/m ) (ナノアンペア)
1000 6.2
800 5.0
600 3.7
400 2.5
200 1.3
0 0.0
図はエアゾール濃度と配列(アレイ)によって集められた電流との間の直線関係を示している。
本発明の第1実施例を示す概略図である。 本発明の第2実施例を示す概略図である。 本発明の第3実施例を示す概略図である。 図4Aは本発明の第4実施例を示す概略図である。図4Bは本発明の第4実施例を示す概略図である。 本発明の第5実施例を示す概略図である。 直線的に間隔が置かれたプレートの配列を示す第6実施例の概略図である。 円形に間隔が置かれたプレートの配列を示す第7実施例の概略図である。 螺旋状に間隔が置かれたプレートの配列を示す第8実施例の概略図である。 本発明の第9実施例を示す概略図である。 空気流れ中の粒子を帯電するための装置を示す概略図である。 本発明の第10実施例を示す概略図である。 本発明の第11実施例を示す概略図である。 本発明の第12実施例を示す概略図である。 空気流れ中の粒子を帯電するためにイオン漏洩を発生するための装置を示す概略図である。 本発明の装置からの静電気ショックの危険を減少するための装置を略示する概略図である。 本発明の粒子沈澱装置の作動を示す概略図である。 本発明の粒子沈澱装置の作動を示す概略図である。 従来技術の静電空気清浄器を示す概略図である。 本発明の第13実施例を示す概略図である。 本発明の第14実施例を示す概略図である。 本発明の装置用のコレクタプレートのエレクトレット帯電の第1手段を示す概略図である。 本発明の装置用のコレクタプレートのエレクトレット帯電の第2手段を示す概略図である。 本発明の装置用のコレクタプレートのエレクトレット帯電の第3手段を示す概略図である。 本発明の装置用のコレクタプレートのエレクトレット帯電の第4手段を示す概略図である。 本発明の第15実施例を示す概略図である。 本発明の第16実施例を示す概略図である。 本発明の第17実施例を示す概略図である。 本発明の第18実施例を示す概略図である。 本発明による帯電された粒子検出器を示す概略図である。 本発明による粒子汚染測定装置を示す概略図である。
1,2,7,9,12,13 プレート
4 電源
5 リード線
8 絶縁体
11 通路配列体

Claims (29)

  1. ガス流中に運ばれる粒子を除去するための粒子沈殿装置において、ガス流が比較的自由に通過し得る通路配列体を備え、通路をエレクトレット特性を有するプラスチツク壁間に設け、ガス流を前記配列体を通して押圧するための手段を設け、それによって粒子が前記ガス流から前記通路に集められることを特徴とする装置。
  2. 前記通路が溝付きのプラスチツクシート材料によって設けられることを特徴とする請求項1に記載の装置。
  3. 前記溝付きプラスチツクシートが一方が他方の頂部上に置かれることを特徴とする請求項2に記載の装置。
  4. 前記溝付きプラスチツクシート材料がアコーディオンの方法で折り曲げられることを特徴とする請求項2に記載の装置。
  5. 前記溝付きプラスチツクシート材料が螺旋に形成されることを特徴とする請求項2に記載の装置。
  6. 前記プラスチツクシート材料が同中心配列にあることを特徴とする請求項2に記載の装置。
  7. 前記通路が並んで配置されたプラスチツクチューブによって設けられることを特徴とする請求項1に記載の装置。
  8. 前記プラスチツクチューブが長方形の断面からなっていることを特徴とする請求項7に記載の装置。
  9. 前記チューブが円形の断面からなっていることを特徴とする請求項7に記載の装置。
  10. 前記通路が波形プラスチツクシートの壁間に形成されることを特徴とする請求項1に記載の装置。
  11. 前記通路が波形の電極と平らなプラスチツクシートとの間に形成されることを特徴とする請求項1に記載の装置。
  12. 前記プラスチツク材料がポリプロピレン、ポリエチレンまたはその共重合体、ポリ塩化ビニル、PET,PTFEまたはポリカーボネートからなることを特徴とする請求項1ないし11のいずれか1項に記載の装置。
  13. さらに、通路の前記配列の前に前記ガス流中の粒子を電気的に帯電するための手段を備えていることを特徴とする請求項1ないし12のいずれか1項に記載の装置。
  14. 前記ガス流中の粒子を電気的に帯電するためのコロナ放電手段を備えていることを特徴とする請求項13に記載の装置。
  15. 前記ガス流中の粒子を電気的に帯電するための放射性イオン化手段を備えていることを特徴とする請求項13に記載の装置。
  16. さらに、前記ガス流が前記配列を出るとき前記ガス流をイオン化するための手段を備えていることを特徴とする請求項1ないし15のいずれか1項に記載の装置。
  17. 前記ガス流が前記配列を出るとき前記ガス流をイオン化するための前記手段が一次コロナ放電エミッタと、一次エミッタに対してより低い電位での二次コロナ放電エミッタとからなっていることを特徴とする請求項16に記載の装置。
  18. 前記一次エミッタが高い負の電位に接続されかつ前記二次エミッタがアースされることを特徴とする請求項17に記載の装置。
  19. 前記一次エミッタが鋭い先端を有する針でありかつ前記二次エミッタが比較的鈍い先端を有する針であることを特徴とする請求項17または18に記載の装置。
  20. 前記プラスチツク壁が前記装置内に参入の前に電気的に帯電されることを特徴とする請求項1ないし19のいずれか1項に記載の装置。
  21. 前記プラスチツク壁がそれに印加された高い電位差により前記壁の反対側に印加された電極によって帯電されることを特徴とする請求項20に記載の装置。
  22. 前記プラスチツク壁がより高い温度で電界を印加しかつ次いで電界の存在においてより低い温度に冷却することによって帯電されることを特徴とする請求項20に記載の装置。
  23. 前記プラスチツク壁が一方の側で高い電位のコロナ放電と他方の側でアースされた導電性板との間で前記プラスチツク壁を動かすことによって帯電されることを特徴とする請求項20に記載の装置。
  24. 前記プラスチツク壁が溝付きプラスチツクシート材料の面によって設けられかつ充電が溝内部をアース電位にかつ前記シート材料の外面をそれぞれ高い負のかつ正の電位に接続する導電性液体で前記面を充填することによることを特徴とする請求項20に記載の装置。
  25. 前記プラスチツク壁がこれらをそれぞれ高いおよび低い電位に維持される導電性または半導電性材料からなるローラ間に送給することによって帯電されることを特徴とする請求項20に記載の装置。
  26. 前記壁の反対側が導電性にされかつ電気的に接続されることを特徴とする請求項21ないし25のいずれか1項に記載の装置。
  27. 前記壁の反対側がアースに接続されることを特徴とする請求項26に記載の装置。
  28. 前記プラスチツク壁が導電性コーティングまたは導電性シート材料の塗布によって導電性にされることを特徴とする請求項26または27に記載の装置。
  29. 汚染モニタの形において、前記プラスチツク壁が集められた粒子から生じる電流を測定するための電流計を介してアースに電気的に接続されことを特徴とする請求項1ないし28のいずれか1項に記載の装置。
JP2009267254A 1999-04-12 2009-11-25 空気清浄装置 Expired - Lifetime JP5143815B2 (ja)

Applications Claiming Priority (2)

Application Number Priority Date Filing Date Title
GB9908099.6 1999-04-12
GBGB9908099.6A GB9908099D0 (en) 1999-04-12 1999-04-12 Air cleaning collection device

Related Parent Applications (1)

Application Number Title Priority Date Filing Date
JP2000610614A Division JP4665079B2 (ja) 1999-04-12 2000-04-12 空気清浄装置

Publications (2)

Publication Number Publication Date
JP2010099657A true JP2010099657A (ja) 2010-05-06
JP5143815B2 JP5143815B2 (ja) 2013-02-13

Family

ID=10851212

Family Applications (2)

Application Number Title Priority Date Filing Date
JP2000610614A Expired - Lifetime JP4665079B2 (ja) 1999-04-12 2000-04-12 空気清浄装置
JP2009267254A Expired - Lifetime JP5143815B2 (ja) 1999-04-12 2009-11-25 空気清浄装置

Family Applications Before (1)

Application Number Title Priority Date Filing Date
JP2000610614A Expired - Lifetime JP4665079B2 (ja) 1999-04-12 2000-04-12 空気清浄装置

Country Status (15)

Country Link
US (2) US6749669B1 (ja)
EP (3) EP1527818B1 (ja)
JP (2) JP4665079B2 (ja)
KR (1) KR100734504B1 (ja)
CN (2) CN100357033C (ja)
AT (2) ATE298269T1 (ja)
AU (1) AU780343B2 (ja)
CA (2) CA2369637C (ja)
DE (2) DE60020946T2 (ja)
DK (1) DK1169131T3 (ja)
ES (1) ES2244425T3 (ja)
GB (2) GB9908099D0 (ja)
MX (1) MXPA01010196A (ja)
PT (1) PT1169131E (ja)
WO (1) WO2000061293A1 (ja)

Cited By (1)

* Cited by examiner, † Cited by third party
Publication number Priority date Publication date Assignee Title
WO2015056724A1 (ja) 2013-10-15 2015-04-23 株式会社ユポ・コーポレーション フィルター

Families Citing this family (123)

* Cited by examiner, † Cited by third party
Publication number Priority date Publication date Assignee Title
GB9908099D0 (en) * 1999-04-12 1999-06-02 Gay Geoffrey N W Air cleaning collection device
SE519468C2 (sv) * 2001-08-10 2003-03-04 Andrzej Loreth Partikelavskiljare
FI113157B (fi) * 2002-04-11 2004-03-15 Lifa Iaq Ltd Oy Sähkösuodatinrakenne
TW200401579A (en) * 2002-07-04 2004-01-16 Toho Kasei Co Ltd Heat resistant electret material, heat resistant electret using the same, method for manufacturing the same, and electrostatic acoustic sensor
GB0226240D0 (en) * 2002-11-11 2002-12-18 Secr Defence An electrostatic precipitator
JP2004273315A (ja) * 2003-03-10 2004-09-30 Sharp Corp イオン発生装置、空気調節装置および荷電装置
SE0302691D0 (sv) * 2003-10-13 2003-10-13 Andrzej Loreth Hybridpartikelfilter
GB0408910D0 (en) * 2004-04-22 2004-05-26 Darwin Technology Ltd Device for air cleaning
US20060005703A1 (en) * 2004-06-30 2006-01-12 Chi-Hsiang Wang Ultraviolet air purifier having multiple charged collection plates
US7258715B2 (en) * 2004-07-22 2007-08-21 Kaz, Incorporated Air cleaner
EP1799327A4 (en) * 2004-09-10 2008-11-12 Malcolm Coleman ODOR REDUCING APPARATUS
US20060156925A1 (en) * 2005-01-20 2006-07-20 Libera John P Electrostatic precipitator incorporated in another high-voltage device
CA2605965C (en) * 2005-04-19 2012-01-03 Ohio University Composite discharge electrode
DE202005010532U1 (de) * 2005-07-05 2006-11-16 Hengst Gmbh & Co.Kg Elektroabscheider mit auswechselbarer Niederschlagselektrode
NL1029461C2 (nl) * 2005-07-07 2007-01-09 Simco Nederland Werkwijze en inrichting voor het bijeenhouden van een elektrisch niet-geleidende stapel van voorwerpen.
US7351274B2 (en) * 2005-08-17 2008-04-01 American Standard International Inc. Air filtration system control
US7332019B2 (en) 2005-08-17 2008-02-19 American Standard International Inc. Air filtration system
JPWO2007077897A1 (ja) * 2005-12-28 2009-06-11 日本碍子株式会社 集塵電極及び集塵機
US7708813B2 (en) * 2005-12-29 2010-05-04 Environmental Management Confederation, Inc. Filter media for active field polarized media air cleaner
US8814994B2 (en) 2005-12-29 2014-08-26 Environmental Management Confederation, Inc. Active field polarized media air cleaner
US9789494B2 (en) 2005-12-29 2017-10-17 Environmental Management Confederation, Inc. Active field polarized media air cleaner
US8795601B2 (en) 2005-12-29 2014-08-05 Environmental Management Confederation, Inc. Filter media for active field polarized media air cleaner
US7686869B2 (en) * 2005-12-29 2010-03-30 Environmental Management Confederation, Inc. Active field polarized media air cleaner
US7691186B2 (en) * 2005-12-29 2010-04-06 Environmental Management Confederation, Inc. Conductive bead active field polarized media air cleaner
US8252097B2 (en) * 2005-12-29 2012-08-28 Environmental Management Confederation, Inc. Distributed air cleaner system for enclosed electronic devices
WO2007081245A1 (en) * 2006-01-12 2007-07-19 Camfil Ab Cleanable dust filter comprising a zigzag pleated filter pack
EP1985371A4 (en) * 2006-02-14 2013-05-22 Kagome Kk FUNIGZID PROCESSES ABOUT CONIDIUM ADSORPTION USING DIELECTRIC POLARIZATION DEVICE FOR ELIMINATING FLYING ORGANISMS AND DEVICE FOR PROTECTING PLANTS
EP1829614A1 (en) 2006-03-02 2007-09-05 Technische Universiteit Delft Method for the removal of smut, fine dust and exhaust gas particles, particle catch arrangement for use in this method and use of the particle catch arrangement to generate a static electric field
US20070213705A1 (en) * 2006-03-08 2007-09-13 Schmid Peter M Insulated needle and system
FI121540B (fi) * 2006-03-08 2010-12-31 Canatu Oy Menetelmä, jolla siirretään korkean aspektisuhteen omaavia molekyylirakenteita
US8226816B2 (en) * 2006-05-24 2012-07-24 West Virginia University Method of producing synthetic pitch
EP2046500A2 (en) * 2006-07-19 2009-04-15 Koninklijke Philips Electronics N.V. Electrostatic particle filter
US20080072476A1 (en) * 2006-08-31 2008-03-27 Kennel Elliot B Process for producing coal liquids and use of coal liquids in liquid fuels
US7601204B2 (en) * 2006-09-06 2009-10-13 Trane International Inc. Air conditioning apparatus with integrated air filtration system
ES2301415B1 (es) * 2006-12-11 2009-04-16 Bsh Electrodomesticos España, S.A. Dispositivo separador de particulas electrostaticas.
JP5839766B2 (ja) * 2007-08-03 2016-01-06 ダイハツ工業株式会社 プラズマ反応器
US7909918B2 (en) 2007-08-15 2011-03-22 Trane International, Inc. Air filtration system
US8091167B2 (en) * 2008-01-30 2012-01-10 Dell Products L.P. Systems and methods for contactless automatic dust removal from a glass surface
US8559156B2 (en) * 2008-06-03 2013-10-15 Illinois Tool Works Inc. Method and apparatus for charging or neutralizing an object using a charged piece of conductive plastic
WO2010021128A1 (ja) * 2008-08-21 2010-02-25 パナソニック株式会社 電気集じん機
KR101610024B1 (ko) * 2008-12-01 2016-04-21 삼성전자 주식회사 전기집진장치 및 그 전극
KR101610854B1 (ko) * 2008-12-11 2016-04-21 삼성전자 주식회사 전기집진장치 및 그 고전압 전극
US8092577B2 (en) 2008-12-19 2012-01-10 Steris Corporation Method and apparatus for removing gaseous or vaporous sterilants from a medium
JP4758488B2 (ja) * 2009-02-16 2011-08-31 本田技研工業株式会社 粒子状物質検出装置
JP2010210533A (ja) * 2009-03-12 2010-09-24 Ngk Insulators Ltd 粒子状物質検出装置
KR101525848B1 (ko) * 2009-05-12 2015-06-05 삼성전자 주식회사 전기집진장치
US8197579B2 (en) 2009-06-19 2012-06-12 Empire Technology Development Llc Gas storage and release using piezoelectric materials
US8608838B2 (en) * 2010-01-22 2013-12-17 Yau Lee Innovative Technology, Ltd. Tubing air purification system
DE102010009846B4 (de) * 2010-03-02 2015-10-01 K+S Aktiengesellschaft Verfahren zur elektrostatischen Trennung eine Mineralsalzgemisches
CN101887003B (zh) 2010-06-29 2016-06-08 上海杰远环保科技有限公司 一种微粒测量装置及其测量方法
WO2012055110A1 (zh) * 2010-10-29 2012-05-03 南京师范大学 一种单区板式高温静电除尘器
GB2562647B (en) * 2011-03-10 2018-12-26 Adc Tech Int Ltd Air purifier having an electret module
MX352664B (es) 2011-03-15 2017-12-01 Kaz Europe Sa Limpiador de aire con filtración de iones mejorado.
JP5820071B2 (ja) * 2011-08-23 2015-11-24 エンパイア テクノロジー ディベロップメント エルエルシー 自浄式エレクトレットフィルタ
US9005347B2 (en) 2011-09-09 2015-04-14 Fka Distributing Co., Llc Air purifier
JP5873560B2 (ja) * 2011-10-31 2016-03-01 ヒューレット−パッカード デベロップメント カンパニー エル.ピー.Hewlett‐Packard Development Company, L.P. プリントヘッド用のキャッピング装置
CN102580854B (zh) * 2011-12-29 2014-07-16 东莞市宇洁新材料有限公司 一体化结构的静电集尘过滤器及其驻极处理工艺
CN103182347A (zh) * 2011-12-31 2013-07-03 福建新大陆环保科技有限公司 一种网状空气吸尘膜或布及应用其的防尘制品
CN103301942B (zh) * 2012-03-14 2016-08-31 珠海格力电器股份有限公司 空气净化系统及净化空气的方法
CN103301943A (zh) * 2012-03-14 2013-09-18 珠海格力电器股份有限公司 空气过滤滤芯及具有该滤芯的空气过滤装置
CN103307659B (zh) * 2012-03-14 2016-09-14 珠海格力电器股份有限公司 带有空气净化装置的空气调节器
CN102974461B (zh) * 2012-04-12 2015-09-02 孙茂华 利用材料驻极体特性集尘的空气净化装置和空气净化方法
CN104368444A (zh) * 2013-08-14 2015-02-25 广东美的制冷设备有限公司 空气过滤板、空气过滤器及其制造方法
CN103939998B (zh) * 2014-01-10 2016-09-28 宁波东大空调设备有限公司 室内净化新风机的导电带缠绕型机芯的加工方法
KR102200401B1 (ko) * 2014-01-14 2021-01-08 엘지전자 주식회사 공기조화장치
US9927329B2 (en) 2014-04-23 2018-03-27 Signature Science, Llc Signature collection cartridge with embossed collection substrate
CN103920357A (zh) * 2014-04-29 2014-07-16 郎欢标 一种空气净化设备及包含该空气净化设备的空气净化装置
CN103920592A (zh) * 2014-04-29 2014-07-16 郎欢标 一种空气集尘设备及包含该空气集尘设备的空气净化装置
CN104028383B (zh) * 2014-06-18 2016-06-08 上海龙净环保科技工程有限公司 一种湿式电除尘器及其使用方法
CN104132396B (zh) * 2014-07-30 2016-11-09 上海爱启环境技术工程有限公司 一种纳米碳纤维电场尘粒聚集空气净化装置
US9914134B2 (en) * 2014-07-31 2018-03-13 Trane International Inc. Systems and methods for cleaning air
CN104148179B (zh) * 2014-08-19 2017-05-24 阮海生 一种高效dep净化处理单元
CN104162331B (zh) * 2014-08-22 2016-04-06 阮海生 一种静电-介电电泳除尘器
CN104209188B (zh) * 2014-08-22 2016-11-09 成都代代吉前瞻科技股份有限公司 一种静电-dep除尘器
CN104190538B (zh) * 2014-08-22 2017-05-24 成都代代吉前瞻科技股份有限公司 一种利用介电电泳技术的除尘单元
CN104162333B (zh) * 2014-08-22 2016-04-06 阮海生 一种有效滤除可吸入颗粒物的除尘器
CN104162337B (zh) * 2014-08-22 2016-03-30 成都代代吉前瞻科技股份有限公司 一种简易高效的dep空气净化系统
CN104190196A (zh) * 2014-08-22 2014-12-10 成都代代吉前瞻科技股份有限公司 一种能够滤除可入肺颗粒物的电袋复合式除尘器
JP2016068040A (ja) * 2014-09-30 2016-05-09 スリーエム イノベイティブ プロパティズ カンパニー 帯電フィルタ
EP3015297B2 (de) * 2014-10-29 2022-09-14 Carl Freudenberg KG Anordnung mit einem Filterelement
SG11201708373WA (en) 2015-04-14 2017-11-29 Environmental Man Confederation Inc Corrugated filtration media for polarizing air cleaner
CN106179754B (zh) * 2015-05-08 2017-08-08 东北师范大学 集尘板附尘层自动转换装置
CN104907175A (zh) * 2015-05-08 2015-09-16 黄京跃 一种空气净化模块、空气净化装置及制造方法
GB2533466A (en) 2015-10-22 2016-06-22 Darwin Tech Int Ltd Air cleaning device
KR102431701B1 (ko) 2015-11-20 2022-08-11 삼성전자주식회사 전기집진장치 및 이의 제조방법
CN105536994B (zh) * 2016-01-05 2017-12-26 东华大学 一种静电式空气净化器集尘板的制备方法
CN105727670B (zh) * 2016-02-01 2018-05-04 上海赛菲环境科技股份有限公司 空气过滤方法
KR102554741B1 (ko) * 2016-07-18 2023-07-13 삼성전자주식회사 스크롤형 전기집진장치 및 이를 포함하는 공기조화장치
CN107774447B (zh) * 2016-08-25 2023-11-17 宁波方太厨具有限公司 一种静电除油烟单元
CN107774451B (zh) * 2016-08-25 2023-12-15 宁波方太厨具有限公司 一种静电净化单元
CN107812612B (zh) * 2016-09-14 2020-05-15 东莞市宇洁新材料有限公司 微通道结构颗粒物集尘器、集尘方法及其制作方法
WO2018148948A1 (zh) * 2017-02-17 2018-08-23 白三妮 空气颗粒沉积吸附装置
CN107048477A (zh) * 2017-05-09 2017-08-18 马根昌 无公害抽烟面具
KR102190076B1 (ko) * 2017-07-12 2020-12-11 주식회사 엔바이오니아 공기청정기용 집진부 및 이의 제조방법
CN108072080B (zh) * 2017-07-31 2024-01-16 宁波方太厨具有限公司 一种静电油烟净化装置及应用有该装置的吸油烟机
CN107442279A (zh) * 2017-08-30 2017-12-08 王殿芳 一种高效静电油烟净化器的激活放电叠筒组合件
CN107442275B (zh) * 2017-09-01 2023-07-28 苏州贝昂智能科技股份有限公司 一种易于清洗的可分离式净化内芯
JP7258858B2 (ja) 2017-10-02 2023-04-17 ブルーエアー・エービー 限られた空間内の空気を処理するための空気処理装置
CN109692759A (zh) * 2017-10-20 2019-04-30 山东雪圣环境工程有限公司 空气净化设备
CN108480050B (zh) * 2018-02-09 2020-12-04 北京东方计量测试研究所 驻极体材料及静电除尘装置
SE542576C2 (sv) * 2018-04-18 2020-06-09 Eurus Airtech Ab Högresistiva elektrodelement för tvåstegselektrofilter
EP3802993B1 (en) * 2018-06-22 2023-11-08 Zodiac Pool Systems LLC Filters principally for use in connection with swimming pools and spas
KR102512135B1 (ko) 2018-07-12 2023-03-21 주식회사 경동나비엔 전기 집진 필터
US11638403B2 (en) * 2018-07-30 2023-05-02 King Abdullah University Of Science And Technology Salt aerosol removal and irrigation water cooling system
CN109028430B (zh) * 2018-09-06 2024-08-02 庞凯戈 一种智能识别空气污染程度的自动换气系统
KR20200054358A (ko) 2018-11-05 2020-05-20 주식회사 에스제이피일렉 듀얼 노즐 3d프린터를 이용한 3차원 구조의 전자기필터의 제조방법
KR20200054357A (ko) 2018-11-05 2020-05-20 주식회사 에스제이피일렉 3차원 전극배열을 갖는 전자기필터
KR102133970B1 (ko) * 2018-11-22 2020-07-15 이스트썬텍 주식회사 정전식 공기 청정 필터 및 이를 이용한 정전식 공기 청정 장치
US12269045B2 (en) * 2019-04-02 2025-04-08 Samsung Electronics Co., Ltd. Electrostatic charger and electrostatic precipitator
CN111992335A (zh) * 2019-05-27 2020-11-27 无锡凯漫科技有限公司 用于过滤空气中细微颗粒物的高压集尘装置及集尘系统
KR102105628B1 (ko) * 2019-06-17 2020-04-28 이스트썬텍 주식회사 정전식 공기 청정 필터 및 이를 이용한 정전식 공기 청정 장치
SE544046C2 (en) * 2019-06-28 2021-11-16 Cabinair Sweden Ab Air purification device with a filter medium comprising a conductive material
CN110404681A (zh) * 2019-08-05 2019-11-05 北京中科纳清科技股份有限公司 复合颗粒带电和吸附功能的过滤器及空气净化设备
KR102723646B1 (ko) * 2019-08-13 2024-10-31 한온시스템 주식회사 전기집진기
CN112452545A (zh) * 2019-09-06 2021-03-09 山东雪圣电器有限公司 新型微通道空气净化过滤器
EP4045170A1 (fr) * 2019-10-15 2022-08-24 Teqoya Dispositif de filtration électronique de particules
KR102326412B1 (ko) * 2020-04-22 2021-11-15 이스트썬텍 주식회사 유분기가 있는 먼지 제거를 위한 정전식 공기 청정 장치
FI130711B1 (fi) * 2020-05-15 2024-02-05 Genano Oy Ilmanpuhdistuslaite, järjestely ja menetelmä materiaalin poistamiseksi kaasuvirrasta
CN111672630B (zh) * 2020-05-15 2021-09-03 西安交通大学 一种静电烟雾处理装置及方法
CN114452753A (zh) * 2020-11-09 2022-05-10 魏荣宗 废气净化系统
CN117505072A (zh) * 2022-07-28 2024-02-06 佛山市顺德区美的电热电器制造有限公司 集尘组件及具有其的空气净化装置
FR3139482A1 (fr) 2022-09-12 2024-03-15 Michel Pourprix Précipitateur/collecteur électrostatique pour purificateur d’air ou épurateur d’aérosols, à empilement de plaques à canaux débouchants et électrodes intercalées.
CN116272211B (zh) * 2023-05-17 2023-08-18 河北科技师范学院 一种介电电泳电极结构、制备方法及气体净化装置

Citations (1)

* Cited by examiner, † Cited by third party
Publication number Priority date Publication date Assignee Title
JPS5610314A (en) * 1979-07-09 1981-02-02 Nitta Kk Electret filter

Family Cites Families (33)

* Cited by examiner, † Cited by third party
Publication number Priority date Publication date Assignee Title
DE518087C (de) 1927-06-19 1931-02-09 Platen Munters Refrigerating S Verfahren zum Auffangen schwebender fluessiger oder fester Stoffteilchen aus bewegten Gasen oder Daempfen, insbesondere aus zu Atmungszwecken bestimmter Luft
US2974747A (en) * 1956-03-20 1961-03-14 Borg Warner Electric precipitators
US2908348A (en) * 1957-11-18 1959-10-13 American Air Filter Co Electrostatic air filter
US3181284A (en) * 1962-04-30 1965-05-04 American Air Filter Co Electrostatic air filter
GB1361905A (en) * 1971-06-18 1974-07-30 Metallgesellschaft Ag Earthing device for an electrostatic precipitator
ZA744247B (en) * 1973-08-31 1975-06-25 Metallgesellschaft Ag Electrostatic precipitator made of plastics material
US4234324A (en) * 1978-12-04 1980-11-18 Dodge Jr Cleveland E Electrostatic filter
US4249919A (en) * 1978-12-26 1981-02-10 Kalt Charles G Matrix type electrostatic precipitator
JPS5658A (en) 1979-06-15 1981-01-06 Hitachi Ltd Tape guide unit
US4477268A (en) * 1981-03-26 1984-10-16 Kalt Charles G Multi-layered electrostatic particle collector electrodes
JPS58137452A (ja) * 1982-02-08 1983-08-15 Nippon Soken Inc 静電濾過装置用濾過体
DE3324478A1 (de) * 1983-07-07 1985-01-24 Robert Bosch Gmbh, 7000 Stuttgart Vorrichtung zum reinigen von gasen
JPS60172362A (ja) * 1984-02-18 1985-09-05 Senichi Masuda 静電式濾過集塵装置
JPS6345095A (ja) * 1986-08-13 1988-02-26 株式会社 寿 筆記具
US5055118A (en) * 1987-05-21 1991-10-08 Matsushita Electric Industrial Co., Ltd. Dust-collecting electrode unit
JPH03233814A (ja) * 1990-02-09 1991-10-17 Sumitomo Electric Ind Ltd 高発泡絶縁押出機
DE4127405C2 (de) * 1991-08-19 1996-02-29 Fraunhofer Ges Forschung Verfahren zur Trennung von Gemischen mikroskopisch kleiner, in einer Flüssigkeit oder einem Gel suspendierter dielektrischer Teilchen und Vorrichtung zur Durchführung des Verfahrens
SE469466B (sv) * 1992-02-20 1993-07-12 Tl Vent Ab Tvaastegs elektrofilter
JPH0647232A (ja) * 1992-07-31 1994-02-22 Nippon Cambridge Filter Kk エレクトレット濾材を用いたエアーフィルタ装置の捕集効率低下防止方法
DE4326189A1 (de) * 1993-08-04 1995-02-16 Steuler Industriewerke Gmbh Wabenförmiger Hohlkörper aus Kunststoff, vorzugsweise Polyolefinen
SE504098C2 (sv) * 1993-11-24 1996-11-11 Tl Vent Ab Avskiljare för ett elektrofilter
JPH07213944A (ja) * 1994-02-01 1995-08-15 Nippondenso Co Ltd 空気浄化フィルタ
DE4421859C2 (de) * 1994-06-22 1996-07-04 Gregory Kinteraya Filter zum Reinigen von Gasen, insbesondere zum Abfangen von hochdispersem Staub oder von Schwefeldioxid
SE515908C2 (sv) * 1995-02-08 2001-10-29 Purocell Sa Anordning vid elektrostatfilter
SE516209C2 (sv) * 1995-09-08 2001-12-03 Andrzej Loreth Kondensatoravskiljare för rening av luft
GB9526489D0 (en) * 1995-12-22 1996-02-21 Mountain Breeze Ltd Air filtration apparatus
WO1998017368A1 (en) * 1996-10-18 1998-04-30 Chapman Rick L High efficiency permanent air filter
US5759240A (en) * 1997-01-28 1998-06-02 Environmental Elements Corp. Laminar flow electrostatic precipitator with sandwich structure electrodes
US6398852B1 (en) * 1997-03-05 2002-06-04 Eurus Airtech Ab Device for air cleaning
SE522210C2 (sv) * 1997-04-16 2004-01-20 Blue Air Ab Anordning vid ett filter
US6524488B1 (en) * 1998-06-18 2003-02-25 3M Innovative Properties Company Method of filtering certain particles from a fluid using a depth loading filtration media
SE511329C2 (sv) * 1997-08-06 1999-09-13 Eurus Airtech Ab Anordning för rening av luft
GB9908099D0 (en) * 1999-04-12 1999-06-02 Gay Geoffrey N W Air cleaning collection device

Patent Citations (1)

* Cited by examiner, † Cited by third party
Publication number Priority date Publication date Assignee Title
JPS5610314A (en) * 1979-07-09 1981-02-02 Nitta Kk Electret filter

Cited By (2)

* Cited by examiner, † Cited by third party
Publication number Priority date Publication date Assignee Title
WO2015056724A1 (ja) 2013-10-15 2015-04-23 株式会社ユポ・コーポレーション フィルター
US10010892B2 (en) 2013-10-15 2018-07-03 Yupo Corporation Filter

Also Published As

Publication number Publication date
US20040226448A1 (en) 2004-11-18
KR100734504B1 (ko) 2007-07-03
GB9908099D0 (en) 1999-06-02
DE60020946T2 (de) 2006-05-04
CA2369637A1 (en) 2000-10-19
ATE440666T1 (de) 2009-09-15
JP5143815B2 (ja) 2013-02-13
EP1169131A1 (en) 2002-01-09
DE60042854D1 (de) 2009-10-08
PT1169131E (pt) 2005-11-30
KR20020002425A (ko) 2002-01-09
DK1169131T3 (da) 2005-10-24
GB2352658B (en) 2003-04-30
US7014688B2 (en) 2006-03-21
DE60020946D1 (de) 2005-07-28
CN1347344A (zh) 2002-05-01
EP1527818B1 (en) 2009-08-26
CN101229529B (zh) 2011-05-18
GB2352658A (en) 2001-02-07
ES2244425T3 (es) 2005-12-16
CN100357033C (zh) 2007-12-26
MXPA01010196A (es) 2002-03-27
CA2606544C (en) 2009-06-16
CA2606544A1 (en) 2000-10-19
AU3979000A (en) 2000-11-14
JP4665079B2 (ja) 2011-04-06
EP1527818A1 (en) 2005-05-04
GB0008954D0 (en) 2000-05-31
WO2000061293A1 (en) 2000-10-19
EP1262239A3 (en) 2002-12-11
EP1169131B1 (en) 2005-06-22
HK1118249A1 (en) 2009-02-06
JP2002540935A (ja) 2002-12-03
CN101229529A (zh) 2008-07-30
US6749669B1 (en) 2004-06-15
EP1262239A2 (en) 2002-12-04
ATE298269T1 (de) 2005-07-15
CA2369637C (en) 2008-06-10
AU780343B2 (en) 2005-03-17

Similar Documents

Publication Publication Date Title
JP5143815B2 (ja) 空気清浄装置
JP2002540935A5 (ja)
EP1222032B1 (en) Electrofiltration apparatus
US6585803B1 (en) Electrically enhanced electrostatic precipitator with grounded stainless steel collector electrode and method of using same
EP0245108B1 (en) Process and apparatus for productionof a non-woven fiber sheet
JP6263736B2 (ja) 電気集塵フィルタユニット
Yun et al. A novel polymer-arrayed electrostatic precipitator with electrical resistance material for the removal of fine particles
JP2007253055A (ja) 集塵装置および空調装置
JP4910339B2 (ja) 集塵装置および空調装置
JP4839898B2 (ja) 集塵装置および空調装置
JP2007083203A (ja) 集塵装置および空調装置
HK1118249B (en) Air cleaning device
JP2536584B2 (ja) エレクトレットフィルタ―
JPH031045B2 (ja)
JPH0763650B2 (ja) コロナ式送風器およびこれを利用した電気集塵装置
JPH0663175B2 (ja) エレクトレツトシ−トの製造方法
JPH02144163A (ja) 空気清浄機
JPH0459020B2 (ja)
JPH04210261A (ja) 空気清浄機

Legal Events

Date Code Title Description
A521 Request for written amendment filed

Free format text: JAPANESE INTERMEDIATE CODE: A821

Effective date: 20101004

A711 Notification of change in applicant

Free format text: JAPANESE INTERMEDIATE CODE: A711

Effective date: 20101004

A521 Request for written amendment filed

Free format text: JAPANESE INTERMEDIATE CODE: A821

Effective date: 20101004

A131 Notification of reasons for refusal

Free format text: JAPANESE INTERMEDIATE CODE: A131

Effective date: 20111018

A521 Request for written amendment filed

Free format text: JAPANESE INTERMEDIATE CODE: A523

Effective date: 20120116

A131 Notification of reasons for refusal

Free format text: JAPANESE INTERMEDIATE CODE: A131

Effective date: 20120612

A521 Request for written amendment filed

Free format text: JAPANESE INTERMEDIATE CODE: A523

Effective date: 20120629

TRDD Decision of grant or rejection written
A01 Written decision to grant a patent or to grant a registration (utility model)

Free format text: JAPANESE INTERMEDIATE CODE: A01

Effective date: 20121113

A01 Written decision to grant a patent or to grant a registration (utility model)

Free format text: JAPANESE INTERMEDIATE CODE: A01

A61 First payment of annual fees (during grant procedure)

Free format text: JAPANESE INTERMEDIATE CODE: A61

Effective date: 20121121

FPAY Renewal fee payment (event date is renewal date of database)

Free format text: PAYMENT UNTIL: 20151130

Year of fee payment: 3

R150 Certificate of patent or registration of utility model

Ref document number: 5143815

Country of ref document: JP

Free format text: JAPANESE INTERMEDIATE CODE: R150

Free format text: JAPANESE INTERMEDIATE CODE: R150

R250 Receipt of annual fees

Free format text: JAPANESE INTERMEDIATE CODE: R250

R250 Receipt of annual fees

Free format text: JAPANESE INTERMEDIATE CODE: R250

R250 Receipt of annual fees

Free format text: JAPANESE INTERMEDIATE CODE: R250

R250 Receipt of annual fees

Free format text: JAPANESE INTERMEDIATE CODE: R250

R250 Receipt of annual fees

Free format text: JAPANESE INTERMEDIATE CODE: R250

EXPY Cancellation because of completion of term