JP2010004717A - 定電圧昇圧電源 - Google Patents
定電圧昇圧電源 Download PDFInfo
- Publication number
- JP2010004717A JP2010004717A JP2008163598A JP2008163598A JP2010004717A JP 2010004717 A JP2010004717 A JP 2010004717A JP 2008163598 A JP2008163598 A JP 2008163598A JP 2008163598 A JP2008163598 A JP 2008163598A JP 2010004717 A JP2010004717 A JP 2010004717A
- Authority
- JP
- Japan
- Prior art keywords
- voltage
- power supply
- differential amplifier
- output
- charge pump
- Prior art date
- Legal status (The legal status is an assumption and is not a legal conclusion. Google has not performed a legal analysis and makes no representation as to the accuracy of the status listed.)
- Granted
Links
Images
Classifications
-
- H—ELECTRICITY
- H02—GENERATION; CONVERSION OR DISTRIBUTION OF ELECTRIC POWER
- H02M—APPARATUS FOR CONVERSION BETWEEN AC AND AC, BETWEEN AC AND DC, OR BETWEEN DC AND DC, AND FOR USE WITH MAINS OR SIMILAR POWER SUPPLY SYSTEMS; CONVERSION OF DC OR AC INPUT POWER INTO SURGE OUTPUT POWER; CONTROL OR REGULATION THEREOF
- H02M3/00—Conversion of DC power input into DC power output
- H02M3/02—Conversion of DC power input into DC power output without intermediate conversion into AC
- H02M3/04—Conversion of DC power input into DC power output without intermediate conversion into AC by static converters
- H02M3/06—Conversion of DC power input into DC power output without intermediate conversion into AC by static converters using resistors or capacitors, e.g. potential divider
- H02M3/07—Conversion of DC power input into DC power output without intermediate conversion into AC by static converters using resistors or capacitors, e.g. potential divider using capacitors charged and discharged alternately by semiconductor devices with control electrode, e.g. charge pumps
- H02M3/073—Charge pumps of the Schenkel-type
Landscapes
- Engineering & Computer Science (AREA)
- Power Engineering (AREA)
- Dc-Dc Converters (AREA)
- Read Only Memory (AREA)
- Dram (AREA)
Abstract
【解決手段】定電圧昇圧電源は、クロック信号を生成し出力すると共に入力される制御電圧に応じて出力するクロック信号の発振周波数を変化させる電圧制御可変周波数発振器と、前記クロック信号を入力し、このクロック信号に同期したポンピング動作を行って入力電圧を昇圧した出力電圧を出力するチャ−ジポンプと、前記チャ−ジポンプの出力電圧を分圧しモニタ電圧を出力する分圧回路と、前記モニタ電圧及び参照電圧を入力し、両電圧の電位差を増幅して前記制御電圧を出力する差動増幅器とを有する。
【選択図】図1
Description
「チャージポンプ電源回路の高性能化の検討」、松川朋宏他、第17回 回路とシステム軽井沢ワークショップ、2004年4月26日
(オンオフ制御方式の定電圧昇圧電源)
先ず、オンオフ制御により安定した昇圧動作を実現する定電圧昇圧電源について説明する。
次に、別の制御方法による定電圧昇圧電源について説明する。
この定電圧昇圧電源の場合、帰還増幅回路の安定化が問題となる。この問題に関しては、増幅回路406の遮断周波数、もしくは、帰還回路408の遮断周波数のどちらか一方を他方に比べて十分に低く設定すれば良い。具体的には、負荷容量Cloadが小さく、負荷電流Iloadが小さく一定である場合、帰還回路408にローパスフィルタを付加することで帰還回路408の遮断周波数を低くすることができる。
図1に示すオンオフ制御方式の定電圧昇圧電源の場合、リップルを抑制することが重要な課題であり、その解決手段としてデカプリングキャパシタ5の大容量化をすることは前述の通りである。しかし、このことは、チップ面積の増大による製造コストの増加を招くことになる。
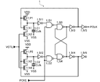
この定電圧昇圧電源は、制御電圧VCTLが高い場合に発振周波数が高くなり、制御電圧VCTLが低い場合に発振周波数が低くなる電圧制御可変周波数発振器(VCO)1と、その出力であるクロック信号PCLKを受け、そのタイミングと同期してポンピング動作を行うチャ−ジポンプ(charge pump)2とを有する。また、このチャ−ジポンプ2の出力電圧VPPを抵抗で分圧する分圧回路3と、分圧回路3の出力であるモニタ電圧VDIV及び外部から与えられる参照電圧VREFを反転入力端子“−”及び非反転入力端子“+”に受け、入力端子間に生じる電位差を増幅して制御電圧VCTLを出力する差動増幅器4とを有する。
図11は、本発明の第2の実施形態に係る定電圧昇圧電源を示すブロック図である。
図14は、本発明の第3の実施形態に係る定電圧昇圧電源を示すブロック図である。
Claims (5)
- クロック信号を生成し出力すると共に入力される制御電圧に応じて出力するクロック信号の発振周波数を変化させる電圧制御可変周波数発振器と、
前記クロック信号を入力し、このクロック信号に同期したポンピング動作を行って入力電圧を昇圧した出力電圧を出力するチャ−ジポンプと、
前記チャ−ジポンプの出力電圧を分圧しモニタ電圧を出力する分圧回路と、
前記モニタ電圧及び参照電圧を入力し、両電圧の電位差を増幅して前記制御電圧を出力する差動増幅器と
を有することを特徴とする定電圧昇圧電源。 - 前記差動増幅回路は、前記モニタ電圧を反転入力端子に入力し、前記参照電圧を非反転入力端子に入力する
ことを特徴とする請求項1記載の定電圧昇圧電源。 - 前記差動増幅回路は、前記参照電圧を反転入力端子に入力し、前記モニタ電圧を非反転入力端子に入力する
ことを特徴とする請求項1記載の定電圧昇圧電源。 - 前記差動増幅器は、閉ループ型である
ことを特徴とする請求項1〜3のいずれか1項記載の定電圧昇圧電源。 - 前記差動増幅器に前記チャージポンプの出力電圧が電源として供給されている
ことを特徴とする請求項1〜3のいずれか1項記載の定電圧昇圧電源。
Priority Applications (2)
| Application Number | Priority Date | Filing Date | Title |
|---|---|---|---|
| JP2008163598A JP5072731B2 (ja) | 2008-06-23 | 2008-06-23 | 定電圧昇圧電源 |
| US12/487,941 US7928796B2 (en) | 2008-06-23 | 2009-06-19 | Constant voltage boost power supply |
Applications Claiming Priority (1)
| Application Number | Priority Date | Filing Date | Title |
|---|---|---|---|
| JP2008163598A JP5072731B2 (ja) | 2008-06-23 | 2008-06-23 | 定電圧昇圧電源 |
Publications (2)
| Publication Number | Publication Date |
|---|---|
| JP2010004717A true JP2010004717A (ja) | 2010-01-07 |
| JP5072731B2 JP5072731B2 (ja) | 2012-11-14 |
Family
ID=41430592
Family Applications (1)
| Application Number | Title | Priority Date | Filing Date |
|---|---|---|---|
| JP2008163598A Expired - Fee Related JP5072731B2 (ja) | 2008-06-23 | 2008-06-23 | 定電圧昇圧電源 |
Country Status (2)
| Country | Link |
|---|---|
| US (1) | US7928796B2 (ja) |
| JP (1) | JP5072731B2 (ja) |
Cited By (7)
| Publication number | Priority date | Publication date | Assignee | Title |
|---|---|---|---|---|
| KR101139102B1 (ko) | 2010-12-03 | 2012-04-30 | 에스케이하이닉스 주식회사 | 전압 공급 회로 및 이를 구비한 집적 회로 |
| US8593874B2 (en) | 2010-11-01 | 2013-11-26 | Kabushiki Kaisha Toshiba | Voltage generation circuit which is capable of reducing circuit area |
| CN103729045A (zh) * | 2012-10-11 | 2014-04-16 | 禾瑞亚科技股份有限公司 | 触控系统的电源管理装置及管理方法 |
| JP2015037362A (ja) * | 2013-08-13 | 2015-02-23 | 株式会社東芝 | レギュレータ、および、スイッチ装置 |
| US9985519B2 (en) | 2014-08-26 | 2018-05-29 | Toshiba Memory Corporation | Voltage generation circuit |
| KR102062541B1 (ko) | 2012-07-09 | 2020-01-06 | 퀄컴 인코포레이티드 | 전하 펌프 레귤레이터 회로 |
| JP2021083303A (ja) * | 2019-11-21 | 2021-05-27 | 株式会社村田製作所 | Psrrを改善したチャージポンプ回路および高電圧生成方法 |
Families Citing this family (49)
| Publication number | Priority date | Publication date | Assignee | Title |
|---|---|---|---|---|
| US7719343B2 (en) | 2003-09-08 | 2010-05-18 | Peregrine Semiconductor Corporation | Low noise charge pump method and apparatus |
| CA2613400C (en) * | 2005-06-24 | 2014-08-26 | The Flewelling Ford Family Trust | A method and device for lowering the impedance of a fet (field effect transistor) |
| US8710907B2 (en) | 2008-06-24 | 2014-04-29 | Sandisk Technologies Inc. | Clock generator circuit for a charge pump |
| US8816659B2 (en) | 2010-08-06 | 2014-08-26 | Peregrine Semiconductor Corporation | Low-noise high efficiency bias generation circuits and method |
| US9660590B2 (en) | 2008-07-18 | 2017-05-23 | Peregrine Semiconductor Corporation | Low-noise high efficiency bias generation circuits and method |
| JP5295706B2 (ja) * | 2008-10-03 | 2013-09-18 | 株式会社東芝 | 電圧発生回路、及びそれを備えた半導体記憶装置 |
| US8067978B2 (en) * | 2009-10-13 | 2011-11-29 | Nanya Technology Corp. | Dynamic current supplying pump |
| US20110133820A1 (en) * | 2009-12-09 | 2011-06-09 | Feng Pan | Multi-Stage Charge Pump with Variable Number of Boosting Stages |
| CN102195472B (zh) * | 2010-03-08 | 2014-11-26 | 上海华虹宏力半导体制造有限公司 | 电荷泵电路 |
| US8598945B2 (en) * | 2010-06-21 | 2013-12-03 | Rf Micro Devices, Inc. | High voltage charge-pump with a feedback control loop |
| US8339185B2 (en) | 2010-12-20 | 2012-12-25 | Sandisk 3D Llc | Charge pump system that dynamically selects number of active stages |
| US9768683B2 (en) | 2011-01-18 | 2017-09-19 | Peregrine Semiconductor Corporation | Differential charge pump |
| US9264053B2 (en) * | 2011-01-18 | 2016-02-16 | Peregrine Semiconductor Corporation | Variable frequency charge pump |
| JP5306400B2 (ja) | 2011-03-24 | 2013-10-02 | 株式会社東芝 | Dc−dcコンバータ |
| TWI456874B (zh) * | 2011-04-27 | 2014-10-11 | Realtek Semiconductor Corp | 電荷幫浦回授控制裝置及其方法 |
| CN102447414B (zh) * | 2011-12-23 | 2014-02-26 | 上海电力学院 | 基于动态解耦的单相电压源型逆变器功率控制方法 |
| US9576949B2 (en) * | 2012-09-05 | 2017-02-21 | Taiwan Semiconductor Manufacturing Company, Ltd. | Diode formed of PMOSFET and schottky diodes |
| US8710909B2 (en) | 2012-09-14 | 2014-04-29 | Sandisk Technologies Inc. | Circuits for prevention of reverse leakage in Vth-cancellation charge pumps |
| JP5802638B2 (ja) | 2012-09-21 | 2015-10-28 | 株式会社東芝 | 昇降圧型電源回路 |
| TWI480779B (zh) * | 2012-10-11 | 2015-04-11 | Egalax Empia Technology Inc | 觸控系統之電源管理裝置 |
| TWI534600B (zh) * | 2012-10-11 | 2016-05-21 | 禾瑞亞科技股份有限公司 | 觸控系統之電源管理裝置 |
| US8836412B2 (en) * | 2013-02-11 | 2014-09-16 | Sandisk 3D Llc | Charge pump with a power-controlled clock buffer to reduce power consumption and output voltage ripple |
| US8981835B2 (en) | 2013-06-18 | 2015-03-17 | Sandisk Technologies Inc. | Efficient voltage doubler |
| US9024680B2 (en) | 2013-06-24 | 2015-05-05 | Sandisk Technologies Inc. | Efficiency for charge pumps with low supply voltages |
| US9077238B2 (en) | 2013-06-25 | 2015-07-07 | SanDisk Technologies, Inc. | Capacitive regulation of charge pumps without refresh operation interruption |
| US9007046B2 (en) | 2013-06-27 | 2015-04-14 | Sandisk Technologies Inc. | Efficient high voltage bias regulation circuit |
| US9250271B2 (en) | 2013-08-26 | 2016-02-02 | Globalfoundries Inc. | Charge pump generator with direct voltage sensor |
| US9083231B2 (en) | 2013-09-30 | 2015-07-14 | Sandisk Technologies Inc. | Amplitude modulation for pass gate to improve charge pump efficiency |
| US9385600B2 (en) * | 2013-11-22 | 2016-07-05 | Texas Instruments Incorporated | Low-loss step-up and step-down voltage converter |
| US9154027B2 (en) | 2013-12-09 | 2015-10-06 | Sandisk Technologies Inc. | Dynamic load matching charge pump for reduced current consumption |
| US9196367B2 (en) * | 2014-04-02 | 2015-11-24 | Ememory Technology Inc. | Non-volatile memory apparatus and erasing method thereof |
| US9923457B2 (en) * | 2015-04-23 | 2018-03-20 | Taiwan Semiconductor Manufacturing Company, Ltd. | Regulated power converter and method of operating the same |
| US9917507B2 (en) | 2015-05-28 | 2018-03-13 | Sandisk Technologies Llc | Dynamic clock period modulation scheme for variable charge pump load currents |
| KR20170003025A (ko) * | 2015-06-30 | 2017-01-09 | 에스케이하이닉스 주식회사 | 내부전압 생성회로 |
| US10033268B2 (en) | 2015-07-10 | 2018-07-24 | Micron Technology, Inc. | Apparatuses and methods for charge pump regulation |
| US9647536B2 (en) | 2015-07-28 | 2017-05-09 | Sandisk Technologies Llc | High voltage generation using low voltage devices |
| US9520776B1 (en) | 2015-09-18 | 2016-12-13 | Sandisk Technologies Llc | Selective body bias for charge pump transfer switches |
| CN107872152B (zh) * | 2016-09-28 | 2020-10-30 | 深圳市中兴微电子技术有限公司 | 电源管理电路及其实现方法 |
| CN107464579B (zh) * | 2017-08-22 | 2023-06-02 | 珠海博雅科技股份有限公司 | 时钟信号产生电路和电荷泵系统 |
| CN109842292A (zh) * | 2017-11-24 | 2019-06-04 | 北京兆易创新科技股份有限公司 | 一种电荷泵电路及nor flash |
| CN112581997B (zh) * | 2019-09-27 | 2022-04-12 | 长鑫存储技术有限公司 | 电源模块和存储器 |
| CN110971120B (zh) * | 2019-12-30 | 2025-02-14 | 深圳市智慧芯图科技有限公司 | 一种浮动电源供电的轨对轨超低失配电荷泵电路 |
| US10983543B1 (en) * | 2020-06-23 | 2021-04-20 | Analog Bits Inc. | Method and circuits to provide higher supply voltage for analog components from lower supply voltages |
| CN112467977A (zh) * | 2020-11-20 | 2021-03-09 | 广州昂瑞微电子技术有限公司 | 一种射频开关及其电荷泵稳压电路 |
| US11881280B2 (en) * | 2020-11-30 | 2024-01-23 | Stmicroelectronics International N.V. | Circuit and method for constant slew rate in high voltage charge pumps |
| CN113992038A (zh) * | 2021-10-29 | 2022-01-28 | 常州翊迈新材料科技有限公司 | 恒压输出可调脉冲电源 |
| CN116545239B (zh) * | 2023-07-06 | 2024-01-16 | 芯耀辉科技有限公司 | 一种电荷泵系统、电源装置、存储器及电子设备 |
| KR20250036522A (ko) * | 2023-09-07 | 2025-03-14 | 삼성전자주식회사 | 전압 조정기 |
| CN117394689B (zh) * | 2023-10-24 | 2024-03-08 | 上海帝迪集成电路设计有限公司 | 一种自适应宽工作电压范围的供电单元及其控制方法 |
Citations (7)
| Publication number | Priority date | Publication date | Assignee | Title |
|---|---|---|---|---|
| JPS60254650A (ja) * | 1984-05-31 | 1985-12-16 | Fujitsu Ltd | 半導体集積回路 |
| JP2614938B2 (ja) * | 1990-10-25 | 1997-05-28 | 日本電気アイシーマイコンシステム株式会社 | チャージポンプ装置 |
| JP2002272091A (ja) * | 2001-03-06 | 2002-09-20 | Rohm Co Ltd | 倍電圧昇圧型dc/dcコンバータ |
| JP2003077286A (ja) * | 2001-05-18 | 2003-03-14 | Em Microelectronic Marin Sa | 高電圧ジェネレータ用のレギュレーティング回路 |
| JP2004004609A (ja) * | 2002-04-23 | 2004-01-08 | Samsung Electronics Co Ltd | 液晶表示装置の駆動電圧発生回路及びその方法 |
| JP2006136134A (ja) * | 2004-11-05 | 2006-05-25 | Rohm Co Ltd | チャージポンプ回路 |
| JP2007159375A (ja) * | 2005-12-08 | 2007-06-21 | Fujitsu Ltd | 昇圧型dc−dcコンバータおよび昇圧型dc−dcコンバータの制御方法 |
Family Cites Families (9)
| Publication number | Priority date | Publication date | Assignee | Title |
|---|---|---|---|---|
| US6359947B1 (en) * | 1999-08-31 | 2002-03-19 | Intel Corporation | Split clock buffers for a negative charge pump |
| US6356062B1 (en) * | 2000-09-27 | 2002-03-12 | Intel Corporation | Degenerative load temperature correction for charge pumps |
| EP1298777A1 (en) * | 2001-09-28 | 2003-04-02 | STMicroelectronics S.r.l. | High-efficiency regulated voltage-boosting device |
| JP4257196B2 (ja) * | 2003-12-25 | 2009-04-22 | 株式会社東芝 | 半導体装置および半導体装置の駆動方法 |
| JP4247170B2 (ja) | 2004-09-02 | 2009-04-02 | 株式会社東芝 | 半導体記憶装置 |
| JP4113170B2 (ja) | 2004-09-08 | 2008-07-09 | 株式会社東芝 | 半導体装置 |
| JP4851903B2 (ja) | 2005-11-08 | 2012-01-11 | 株式会社東芝 | 半導体チャージポンプ |
| JP4908006B2 (ja) | 2006-02-03 | 2012-04-04 | 株式会社東芝 | 半導体装置 |
| US7639067B1 (en) * | 2006-12-11 | 2009-12-29 | Altera Corporation | Integrated circuit voltage regulator |
-
2008
- 2008-06-23 JP JP2008163598A patent/JP5072731B2/ja not_active Expired - Fee Related
-
2009
- 2009-06-19 US US12/487,941 patent/US7928796B2/en active Active
Patent Citations (7)
| Publication number | Priority date | Publication date | Assignee | Title |
|---|---|---|---|---|
| JPS60254650A (ja) * | 1984-05-31 | 1985-12-16 | Fujitsu Ltd | 半導体集積回路 |
| JP2614938B2 (ja) * | 1990-10-25 | 1997-05-28 | 日本電気アイシーマイコンシステム株式会社 | チャージポンプ装置 |
| JP2002272091A (ja) * | 2001-03-06 | 2002-09-20 | Rohm Co Ltd | 倍電圧昇圧型dc/dcコンバータ |
| JP2003077286A (ja) * | 2001-05-18 | 2003-03-14 | Em Microelectronic Marin Sa | 高電圧ジェネレータ用のレギュレーティング回路 |
| JP2004004609A (ja) * | 2002-04-23 | 2004-01-08 | Samsung Electronics Co Ltd | 液晶表示装置の駆動電圧発生回路及びその方法 |
| JP2006136134A (ja) * | 2004-11-05 | 2006-05-25 | Rohm Co Ltd | チャージポンプ回路 |
| JP2007159375A (ja) * | 2005-12-08 | 2007-06-21 | Fujitsu Ltd | 昇圧型dc−dcコンバータおよび昇圧型dc−dcコンバータの制御方法 |
Cited By (11)
| Publication number | Priority date | Publication date | Assignee | Title |
|---|---|---|---|---|
| US8593874B2 (en) | 2010-11-01 | 2013-11-26 | Kabushiki Kaisha Toshiba | Voltage generation circuit which is capable of reducing circuit area |
| KR101139102B1 (ko) | 2010-12-03 | 2012-04-30 | 에스케이하이닉스 주식회사 | 전압 공급 회로 및 이를 구비한 집적 회로 |
| US8421523B2 (en) | 2010-12-03 | 2013-04-16 | SK Hynix Inc. | Voltage supply circuit and integrated circuit including the same |
| KR102062541B1 (ko) | 2012-07-09 | 2020-01-06 | 퀄컴 인코포레이티드 | 전하 펌프 레귤레이터 회로 |
| CN103729045A (zh) * | 2012-10-11 | 2014-04-16 | 禾瑞亚科技股份有限公司 | 触控系统的电源管理装置及管理方法 |
| CN103729045B (zh) * | 2012-10-11 | 2016-08-10 | 禾瑞亚科技股份有限公司 | 触控系统的电源管理装置及电源管理方法 |
| JP2015037362A (ja) * | 2013-08-13 | 2015-02-23 | 株式会社東芝 | レギュレータ、および、スイッチ装置 |
| US9484810B2 (en) | 2013-08-13 | 2016-11-01 | Kabushiki Kaisha Toshiba | Semiconductor device and method of manufacturing the same |
| US9985519B2 (en) | 2014-08-26 | 2018-05-29 | Toshiba Memory Corporation | Voltage generation circuit |
| JP2021083303A (ja) * | 2019-11-21 | 2021-05-27 | 株式会社村田製作所 | Psrrを改善したチャージポンプ回路および高電圧生成方法 |
| JP7010354B2 (ja) | 2019-11-21 | 2022-01-26 | 株式会社村田製作所 | Psrrを改善したチャージポンプ回路および高電圧生成方法 |
Also Published As
| Publication number | Publication date |
|---|---|
| US20090315598A1 (en) | 2009-12-24 |
| US7928796B2 (en) | 2011-04-19 |
| JP5072731B2 (ja) | 2012-11-14 |
Similar Documents
| Publication | Publication Date | Title |
|---|---|---|
| JP5072731B2 (ja) | 定電圧昇圧電源 | |
| US6194887B1 (en) | Internal voltage generator | |
| US10503189B1 (en) | Voltage regulator and dynamic bleeder current circuit | |
| US7176740B2 (en) | Level conversion circuit | |
| KR100394757B1 (ko) | 반도체 장치 | |
| JP2020510397A (ja) | 低ドロップアウトレギュレータ | |
| JPH10243636A (ja) | 昇圧回路及び半導体記憶装置 | |
| JPH09288523A (ja) | 内部電源電圧発生回路、内部電圧発生回路および半導体装置 | |
| US8314649B1 (en) | Semiconductor apparatus | |
| KR102506190B1 (ko) | 발진회로 및 반도체 집적회로 | |
| US20140307499A1 (en) | Booster circuit | |
| JP4947703B2 (ja) | チャージポンプ回路 | |
| JP4937078B2 (ja) | 定電圧電源回路 | |
| US7863969B2 (en) | Power supply voltage dropping circuit using an N-channel transistor output stage | |
| JP4377274B2 (ja) | 電源回路及び該電源回路を備えた半導体記憶装置 | |
| US7835220B2 (en) | PLL circuit for increasing potential difference between ground voltage and reference voltage or power source voltage of oscillation circuit | |
| US10656664B1 (en) | Voltage generator | |
| US6559709B2 (en) | Low-consumption charge pump for a nonvolatile memory | |
| JPWO2004034169A1 (ja) | 電圧安定化回路 | |
| JP2005237164A (ja) | 電源回路 | |
| US9310775B2 (en) | Analog electronic timepiece | |
| CN116488454A (zh) | 用于开关电路负载的电压调节器电路 | |
| Rana et al. | Single charge-pump generating high positive and negative voltages driving common load | |
| JP2006155357A (ja) | 降圧回路 | |
| JP2006155359A (ja) | 降圧回路 |
Legal Events
| Date | Code | Title | Description |
|---|---|---|---|
| A621 | Written request for application examination |
Free format text: JAPANESE INTERMEDIATE CODE: A621 Effective date: 20100729 |
|
| A977 | Report on retrieval |
Free format text: JAPANESE INTERMEDIATE CODE: A971007 Effective date: 20120411 |
|
| A131 | Notification of reasons for refusal |
Free format text: JAPANESE INTERMEDIATE CODE: A131 Effective date: 20120501 |
|
| A521 | Written amendment |
Free format text: JAPANESE INTERMEDIATE CODE: A523 Effective date: 20120702 |
|
| TRDD | Decision of grant or rejection written | ||
| A01 | Written decision to grant a patent or to grant a registration (utility model) |
Free format text: JAPANESE INTERMEDIATE CODE: A01 Effective date: 20120724 |
|
| A01 | Written decision to grant a patent or to grant a registration (utility model) |
Free format text: JAPANESE INTERMEDIATE CODE: A01 |
|
| A61 | First payment of annual fees (during grant procedure) |
Free format text: JAPANESE INTERMEDIATE CODE: A61 Effective date: 20120821 |
|
| R151 | Written notification of patent or utility model registration |
Ref document number: 5072731 Country of ref document: JP Free format text: JAPANESE INTERMEDIATE CODE: R151 |
|
| FPAY | Renewal fee payment (event date is renewal date of database) |
Free format text: PAYMENT UNTIL: 20150831 Year of fee payment: 3 |
|
| LAPS | Cancellation because of no payment of annual fees |
