JP2005265014A - 作業車の作動油冷却装置 - Google Patents

作業車の作動油冷却装置 Download PDF

Info

Publication number
JP2005265014A
JP2005265014A JP2004076567A JP2004076567A JP2005265014A JP 2005265014 A JP2005265014 A JP 2005265014A JP 2004076567 A JP2004076567 A JP 2004076567A JP 2004076567 A JP2004076567 A JP 2004076567A JP 2005265014 A JP2005265014 A JP 2005265014A
Authority
JP
Japan
Prior art keywords
oil
cooler
cooling
continuously variable
variable transmission
Prior art date
Legal status (The legal status is an assumption and is not a legal conclusion. Google has not performed a legal analysis and makes no representation as to the accuracy of the status listed.)
Granted
Application number
JP2004076567A
Other languages
English (en)
Other versions
JP4434791B2 (ja
Inventor
Ten Okuyama
天 奥山
Yukikazu Tanaka
如一 田中
Mikio Oomori
美樹雄 大森
Kunisuke Nakamura
国祐 中村
Fumio Nagano
文男 長野
Current Assignee (The listed assignees may be inaccurate. Google has not performed a legal analysis and makes no representation or warranty as to the accuracy of the list.)
Kubota Corp
Original Assignee
Kubota Corp
Priority date (The priority date is an assumption and is not a legal conclusion. Google has not performed a legal analysis and makes no representation as to the accuracy of the date listed.)
Filing date
Publication date
Application filed by Kubota Corp filed Critical Kubota Corp
Priority to JP2004076567A priority Critical patent/JP4434791B2/ja
Publication of JP2005265014A publication Critical patent/JP2005265014A/ja
Application granted granted Critical
Publication of JP4434791B2 publication Critical patent/JP4434791B2/ja
Anticipated expiration legal-status Critical
Expired - Fee Related legal-status Critical Current

Links

Images

Classifications

    • FMECHANICAL ENGINEERING; LIGHTING; HEATING; WEAPONS; BLASTING
    • F16ENGINEERING ELEMENTS AND UNITS; GENERAL MEASURES FOR PRODUCING AND MAINTAINING EFFECTIVE FUNCTIONING OF MACHINES OR INSTALLATIONS; THERMAL INSULATION IN GENERAL
    • F16HGEARING
    • F16H57/00General details of gearing
    • F16H57/04Features relating to lubrication or cooling or heating
    • F16H57/0412Cooling or heating; Control of temperature
    • F16H57/0413Controlled cooling or heating of lubricant; Temperature control therefor

Landscapes

  • Engineering & Computer Science (AREA)
  • General Engineering & Computer Science (AREA)
  • Mechanical Engineering (AREA)
  • Combines (AREA)
  • Harvester Elements (AREA)
  • Control Of Fluid Gearings (AREA)
  • General Details Of Gearings (AREA)

Abstract

【課題】 エンジン冷却手段を利用してオイルクーラ21を冷却しながら、かつ、オイルクーラ21と無段変速装置11を接続する油路を短くしながら作動油を冷却することができるようにする。
【解決手段】 無段変速装置11に対し、オイルクーラ21及びチャージポンプ22を備えた給油路23を介してオイルタンク24を接続してある。エンジン冷却用のラジエータ26の冷却水出口を給水路27aによってオイルクーラ21の冷却水入り口に接続し、オイルクーラ21の冷却水出口を還元水路27bによってラジエータ26の冷却水入り口に接続して、エンジン冷却水がラジエータ26とオイルクーラ21の間を循環してオイルクーラ21に冷却作用するように構成してある。
【選択図】 図3

Description

本発明は、エンジン駆動力を変速して走行装置に伝達する静油圧式の無段変速装置を備えた作業車の作動油冷却装置に関する。
上記作業車において、従来、たとえば特許文献1に示されるように、エンジン3のラジエータ4と防塵カバー5との間にオイルクーラ9を配置するとともに、このオイルクーラ9を配管10、10′を介して油圧式無段変速機8(静油圧式の無段変速装置に相当)に接続することによって、作動油冷却装置を構成されたものがあった。
実公平3−20494号公報 ( 第3欄、第2図 )
従来の冷却技術を採用すると、オイルクーラが無段変速装置から離れて位置し、オイルクーラと無段変速装置を接続する管路が長くなって管路に起因する圧力損失が大きくなりがちであった。
本発明の目的は、作業車に元来装備される装置をオイルクーラの冷却手段に利用しながら、しかも管路による圧力損失を軽減しながら作動油冷却をすることができる作業車の作動油冷却装置を提供することにある。
本第1発明にあっては、エンジン駆動力を変速して走行装置に伝達する静油圧式の無段変速装置を備えた作業車の作動油冷却装置において、前記無段変速装置の作動油に作用するオイルクーラを水冷式クーラに構成するとともに、エンジン冷却用ラジエータの冷却水が前記オイルクーラに対して冷却作用するように前記冷却水を前記エンジン冷却用ラジエータと前記オイルクーラとの間で循環させる冷却循環回路を設けてある。
すなわち、エンジン冷却用ラジエータの冷却水を冷却循環回路によってオイルクーラに対して冷却用に供給するものであるから、オイルクーラを無段変速装置に直結するなど無段変速装置の近くに配置して、オイルクーラと無段変速装置を接続する油路を短い油路にしても、エンジン冷却装置をオイルクーラの冷却手段に利用して作動油の冷却を行なうことができる。
従って、本第1発明によれば、作業車に元来装備されるエンジン冷却装置をオイルクーラの冷却手段に利用して作動油を冷却するものでありながら、オイルクーラと無段変速装置を接続する油路を短い油路に済ませ、油路による圧力損失を抑制して無段変速装置の効率や性能を安定化することができる。また、エンジン冷却用ラジエータに対してオイルクーラによる障害がない状態で冷却風を供給してエンジンの冷却効率をアップすることもできる。
本第2発明にあっては、エンジン駆動力を変速して走行装置に伝達する静油圧式の無段変速装置を備えた作業車の作動油冷却装置において、前記無段変速装置の作動油に作用するオイルクーラを油冷式クーラに構成するとともに、走行用ミッションケースの潤滑油が前記オイルクーラに対して冷却作用するように前記潤滑油を前記走行用ミッションケースと前記オイルクーラとの間で循環させる冷却循環回路を設けてある。
すなわち、走行用ミッションケースの潤滑油を冷却循環回路によってオイルクーラに対して冷却用に供給するものであるから、オイルクーラを無段変速装置に直結するなど無段変速装置の近くに配置して、オイルクーラと無段変速装置を接続する油路を短い油路にしても、伝動装置をオイルクーラの冷却手段に利用して作動油の冷却を行なうことができる。
従って、本第2発明によれば、作業車に元来装備される伝動装置をオイルクーラの冷却手段に利用して構造面などの有利化を図りながら作動油を冷却することができながら、オイルクーラと無段変速装置を接続する油路を短い油路に済ませ、油路による圧力損失を抑制して無段変速装置の効率や性能を安定化することができる。
本第3発明にあっては、本第1又は第2発明の構成において、前記オイルクーラを前記無段変速装置に直結してある。
すなわち、オイルクーラを無段変速装置に直結してあるものだから、オイルクーラと無段変速装置の間をこれらの内部に位置する油路によって作動油を流動させることができる。
従って、本第3発明によれば、オイルクーラと無段変速装置を内部油路によって接続し、油路による圧力損失を効果的に抑制して無段変速装置の効率や性能をより一層安定化することができる。
本第4発明にあっては、本第1〜3発明のいずれか一つの構成において、前記オイルクーラを前記無段変速装置の作動油に作用するオイルフィルタに連設してある。
すなわち、オイルクーラをオイルフィルタに連設してあるものだから、オイルクーラとオイルフィルタの間をこれらの内部に位置する油路によって作動油を流動させることができる。
従って、本第4発明によれば、オイルクーラとオイルフィルタを内部油路によって接続し、油路による圧力損失を効果的に抑制して無段変速装置の効率や性能をより一層安定化することができる。
以下、本発明の実施例を図面に基づいて説明する。
〔第1実施形態〕
図1に示すように、左右一対のクローラ式走行装置1、運転座席2を有した搭乗型の運転部、運転座席2の下方に位置するエンジン3を有した原動部を備えた自走機体の機体フレーム4の前部に、刈取り前処理部5の前処理部フレーム5aの基端部を機体横向きの軸芯まわりで回動自在に連結するとともに、前処理部フレーム5aにリフトシリンダ6を連動させ、前記機体フレーム4の後側に脱穀装置7及び穀粒タンク8を設けて、コンバインを構成してある。
このコンバインは、稲、麦などの穀粒を収穫するものであり、前記リフトシリンダ6を操作すると、このリフトシリンダ6が前処理部フレーム5aを機体フレーム4に対して上下に揺動操作して刈取り前処理部5を地面上近くまで下降した作業位置と、地面上から高く浮上した上昇非作業位置とに昇降操作する。刈取り前処理部5を下降作業位置にして自走機体を走行させると、刈取り前処理部5が植立茎稈を引起装置5bによって引起し処理するとともにバリカン型の刈取装置5cによって刈取り、刈取り穀稈を株元側に作用する挟持搬送装置と穂先側に作用する係止搬送装置とで成る搬送装置5dによって機体後方側に搬送して脱穀装置7の脱穀フィードチェーン7aの始端部に供給する。脱穀装置7は、脱穀フィードチェーン7aによって刈取穀稈の株元側を挟持して機体後方向きに搬送しながら穂先側を扱室(図示せず)に供給して脱穀処理する。穀粒タンク8は、脱穀装置7からの脱穀粒を回収して貯留していく。
走行装置1及び刈取り前処理部5は、図2に示す駆動構造によって駆動するように構成してある。
すなわち、前記エンジン3の出力軸3aの駆動力を伝動ベルト10を介して走行用主変速装置としての静油圧式の無段変速装置11の入力軸11aに伝達し、この無段変速装置11の出力軸11bの駆動力をミッションケース12に入力してギヤ式の走行用副変速装置13を介して左右一対の操向クラッチ18,18に伝達し、左側の操向クラッチ18の出力をミッションケース12の左横側から出力して左側の走行装置1のクローラ駆動スプロケット1aに伝達し、右側の操向クラッチ18の出力をミッションケース12の右横側から出力して右側の走行装置1のクローラ駆動スプロケット1aに伝達するように構成してある。前記無段変速装置11の出力軸11bに前記ミッションケース12の内部で連動している作業用出力軸15の駆動力を伝動ベルト16を介して刈取り前処理部5の入力軸5eに伝達するように構成してある。
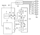
図3に示すように、前記無段変速装置11の給油ポートに、オイルフィルタ20、オイルクーラ21及びチャージポンプ22が装備された給油路23を介してオイルタンク24を接続し、前記無段変速装置11のドレンポートを、排油路25を介して前記オイルタンク24に接続してある。
図4に示すように、前記オイルクーラ21を、冷却水入り口21aからクーラボディ内の熱交換部に冷却水を取り入れて冷却水とオイルの間で熱交換させてオイル冷却を行い、熱交換後の冷却水を冷却水出口21bからクーラボディ外に排出するように水冷式クーラに構成してある。図3,4に示すように、前記エンジン3を冷却するようにエンジン冷却水を冷却風によって冷却処理するラジエータ26の冷却水出口を前記オイルクーラ21の前記冷却水入り口21aに接続する給水路27aと、このオイルクーラ21の前記冷却水出口21bを前記ラジエータ26の冷却水入り口に接続する還元水路27bとによって冷却循環回路27を構成し、前記ラジエータ26に供給されるエンジン冷却水を前記冷却循環回路27によってラジエータ26とオイルクーラ21との間で循環させてオイルクーラ21に対して冷却作用させるように作動油冷却装置を構成してある。
つまり、無段変速装置11のドレンポートから排出された作動油を排油路25を介してオイルタンク14に回収し、このオイルタンク14に貯留された作動油をチャージポンプ22によってオイルタンク24からオイルクーラ21に取り出し、このオイルクーラ21においてエンジン冷却水によって冷却処理し、この冷却後の作動油をオイルフィルタ20に供給して塵埃の除去処理を行なってから無段変速装置11に補給するようにしてある。
図4に示すように、前記オイルクーラ21は、クーラボディがオイルフィルタ20のケースに連設し、かつ、クーラボディが無段変速装置11のケースに直結する状態にしてオイルフィルタ20と無段変速装置11の間に配置し、前記給油路23のうちのオイルクーラ21とオイルフィルタ20を接続する油路部分23a、及び、オイルクーラ21をオイルフィルタ20を介して無段変速装置11に接続する油路部分23bがオイルクーラ21やオイルフィルタ20、無段変速装置11の内部に位置する内部油路に構成してある。
図3に示す油圧回路28は、前記オイルタンク24に貯留された作動油を油圧ポンプ29によってオイルタンク24から取り出し、この油圧ポンプ29からの圧油を制御弁が装備された油圧ユニット30によって前記リフトシリンダ6や、図2の如く前記ミッションケース12の内部に位置する左右一対の旋回ピストン17a、左右一対のクラッチピストン14a、左右一対の操向ピストン18aに供給して、これらリフトシリンダ6、旋回ピストン17a、クラッチピストン14a、操向ピストン18aを操作するものである。各操向ピストン18aは、操向クラッチ18を入り切り操作するものである。各旋回ピストン17aは、旋回内側の走行装置1を減速駆動する旋回減速クラッチ17を入り切り操作するものである。各クラッチピストン14aは、前記旋回減速クラッチ17から走行装置1に対する伝動を入り切りする伝動クラッチ14を入り切り操作するものである。また、油圧回路31は、前記ミッションケース12に貯留された潤滑油を循環ポンプ32によってミッションケース12とオイルフィルタ33の間で循環させてオイルフィルタ33によるろ過作用によって潤滑油から塵埃を除去する処理を行なうものである。
〔第2実施形態〕
図5は、第2の実施形態を備えたコンバインの油圧回路を示し、このコンバインにあっては、第1実施形態のコンバインにおける走行装置1及び刈取り前処理部5の駆動構造と同様に構成した駆動構造を備えている。
このコンバインの油圧回路にあっては、走行用の前記無段変速装置11の給油ポートに、オイルフィルタ20、オイルクーラ34及びチャージポンプ22が装備された給油路23を介してオイルタンク24を接続し、前記無段変速装置11のドレンポートを、排油路25を介して前記オイルタンク24に接続してある。
図6に示すように、前記オイルクーラ34を、冷却油入り口34aからクーラボディ内の熱交換部に冷却油を取り入れて冷却油とオイルの間で熱交換させてオイル冷却を行い、熱交換後の冷却油を冷却油出口34bからクーラボディ外に排出するように油冷式クーラに構成してある。図5,6に示すように、前記ミッションケース12の油取出し口を前記オイルクーラ34の前記冷却油入り口34aに接続するとともにオイルフィルタ33を備えた取り出し油路35aと、このオイルクーラ34の前記冷却油出口34bを前記ミッションケース12の油還元口に接続するとともに循環ポンプ32を備えた還元油路35bとによって除塵兼冷却用の循環回路35を構成し、前記ミッションケース12に貯留された潤滑油を前記循環回路35によってミッションケース12とオイルフィルタ33との間で循環させてオイルフィルタ33によってろ過処理するように、かつ、前記ミッションケース12の前記潤滑油を前記循環回路35によってミッションケース12とオイルクーラ34との間で循環させてオイルクーラ34に対して冷却作用させるように作動油用の除塵兼冷却装置を構成してある。
つまり、ミッションケース12に内部ミッションの潤滑のために貯留された潤滑油を、循環ポンプ32によってミッションケース12からオイルフィルタ33に取り出して塵埃の除去処理を行い、この処理後の潤滑油をオイルクーラ34を通してミッションケース12に還元するようにしてある。また、無段変速装置11のドレンポートから排出された作動油を排油路25を介してオイルタンク24に回収し、このオイルタンク24に貯留された作動油をチャージポンプ22によってオイルタンク24からオイルクーラ34に取り出し、このオイルクーラ34においてミッション用潤滑油によって冷却処理し、この冷却後の作動油をオイルフィルタ20に供給して塵埃の除去処理を行なってから無段変速装置11に補給するようにしてある。
図6に示すように、前記オイルクーラ34は、クーラボディがオイルフィルタ20のケースに連設し、かつ、クーラボディが無段変速装置11のケースに直結する状態にしてオイルフィルタ20と無段変速装置11の間に配置し、前記給油路23のうちのオイルクーラ34とオイルフィルタ20とを接続する油路部分23a、及び、オイルクーラ34をオイルフィルタ20を介して無段変速装置11に接続する油路部分23bがオイルクーラ34やオイルフィルタ20、無段変速装置11の内部に位置する内部油路に構成してある。
図5に示す油圧回路28は、前記オイルタンク24に貯留された作動油を油圧ポンプ29によってオイルタンク24から取り出し、この油圧ポンプ29からの圧油を制御弁が装備された油圧ユニット30によって前記リフトシリンダ6や、図2の如く前記ミッションケース12の内部に位置する左右一対の旋回ピストン17a、左右一対のクラッチピストン14a、左右一対の操向ピストン18aに供給して、これらリフトシリンダ6、旋回ピストン17a、クラッチピストン14a、操向ピストン18aを操作するものである。各操向ピストン18aは、操向クラッチ18を入り切り操作するものである。各旋回ピストン17aは、旋回内側の走行装置1を減速駆動する旋回減速クラッチ17を入り切り操作するものである。各クラッチピストン14aは、前記旋回減速クラッチ17から走行装置1に対する伝動を入り切りする伝動クラッチ14を入り切り操作するものである。
〔別実施形態〕
本発明による作動油冷却装置は、コンバインの他、トラクタや芝刈り機、田植機など各種の作業を行なう車両にも適用することができる。従って、これら、コンバイン、トラクタ、芝刈り機、田植機などの車両を総称して作業車と呼称する。
コンバイン全体の側面図 伝動構造の概略図 油圧回路図 水冷式オイルクーラ、オイルフィルタの配設部の正面図 第2実施形態を備えた油圧回路図 油冷式オイルクーラ、オイルフィルタの配設部の正面図
符号の説明
1 走行装置
11 無段変速装置
12 走行用ミッションケース
20 オイルフィルタ
21,34 オイルクーラ
26 エンジン冷却用ラジエータ
27,35 冷却循環回路

Claims (4)

  1. エンジン駆動力を変速して走行装置に伝達する静油圧式の無段変速装置を備えた作業車の作動油冷却装置であって、
    前記無段変速装置の作動油に作用するオイルクーラを水冷式クーラに構成するとともに、エンジン冷却用ラジエータの冷却水が前記オイルクーラに対して冷却作用するように前記冷却水を前記エンジン冷却用ラジエータと前記オイルクーラとの間で循環させる冷却循環回路を設けてある作業車の作動油冷却装置。
  2. エンジン駆動力を変速して走行装置に伝達する静油圧式の無段変速装置を備えた作業車の作動油冷却装置であって、
    前記無段変速装置の作動油に作用するオイルクーラを油冷式クーラに構成するとともに
    .、走行用ミッションケースの潤滑油が前記オイルクーラに対して冷却作用するように前記潤滑油を前記走行用ミッションケースと前記オイルクーラとの間で循環させる冷却循環回路を設けてある作業車の作動油冷却装置。
  3. 前記オイルクーラを前記無段変速装置に直結してある請求項1又は2記載の作業車の作動油冷却装置。
  4. 前記オイルクーラを前記無段変速装置の作動油に作用するオイルフィルタに連設してある請求項1〜3のいずれか1項に記載の作業車の作動油冷却装置。
JP2004076567A 2004-03-17 2004-03-17 作業車の作動油冷却装置 Expired - Fee Related JP4434791B2 (ja)

Priority Applications (1)

Application Number Priority Date Filing Date Title
JP2004076567A JP4434791B2 (ja) 2004-03-17 2004-03-17 作業車の作動油冷却装置

Applications Claiming Priority (1)

Application Number Priority Date Filing Date Title
JP2004076567A JP4434791B2 (ja) 2004-03-17 2004-03-17 作業車の作動油冷却装置

Publications (2)

Publication Number Publication Date
JP2005265014A true JP2005265014A (ja) 2005-09-29
JP4434791B2 JP4434791B2 (ja) 2010-03-17

Family

ID=35089796

Family Applications (1)

Application Number Title Priority Date Filing Date
JP2004076567A Expired - Fee Related JP4434791B2 (ja) 2004-03-17 2004-03-17 作業車の作動油冷却装置

Country Status (1)

Country Link
JP (1) JP4434791B2 (ja)

Cited By (4)

* Cited by examiner, † Cited by third party
Publication number Priority date Publication date Assignee Title
WO2010087096A1 (ja) * 2009-01-29 2010-08-05 株式会社小松製作所 作業車両の油圧システム
CN104455355A (zh) * 2014-10-30 2015-03-25 长城汽车股份有限公司 变速器油的冷却液路结构、油冷却集成模块及其安装结构
CN104747699A (zh) * 2013-12-25 2015-07-01 本田技研工业株式会社 润滑油的热交换装置
JP2017133594A (ja) * 2016-01-28 2017-08-03 アイシン精機株式会社 流体ポンプユニット

Cited By (10)

* Cited by examiner, † Cited by third party
Publication number Priority date Publication date Assignee Title
WO2010087096A1 (ja) * 2009-01-29 2010-08-05 株式会社小松製作所 作業車両の油圧システム
US8561760B2 (en) 2009-01-29 2013-10-22 Komatsu Ltd. Hydraulic system for working vehicle
CN104747699A (zh) * 2013-12-25 2015-07-01 本田技研工业株式会社 润滑油的热交换装置
JP2015124803A (ja) * 2013-12-25 2015-07-06 本田技研工業株式会社 潤滑油の熱交換装置
US9581235B2 (en) 2013-12-25 2017-02-28 Honda Motor Co., Ltd. Heat exchanging device of lubrication oil
CN104747699B (zh) * 2013-12-25 2017-08-11 本田技研工业株式会社 润滑油的热交换装置
DE102014224847B4 (de) * 2013-12-25 2021-06-24 Honda Motor Co., Ltd. Wärmeaustauscheinrichtung für Schmieröl
CN104455355A (zh) * 2014-10-30 2015-03-25 长城汽车股份有限公司 变速器油的冷却液路结构、油冷却集成模块及其安装结构
CN104455355B (zh) * 2014-10-30 2017-02-15 长城汽车股份有限公司 变速器油的冷却液路结构、油冷却集成模块及其安装结构
JP2017133594A (ja) * 2016-01-28 2017-08-03 アイシン精機株式会社 流体ポンプユニット

Also Published As

Publication number Publication date
JP4434791B2 (ja) 2010-03-17

Similar Documents

Publication Publication Date Title
US8038518B2 (en) Fluid cooler located in an air stream of a work assembly of an agricultural combine
JP4996349B2 (ja) 作業車の冷却構造
JP6345103B2 (ja) 作業車
JP4434791B2 (ja) 作業車の作動油冷却装置
JP2016118154A (ja) 作業車
JP4110087B2 (ja) コンバインの油圧配管構造
JP4024515B2 (ja) コンバインにおけるエンジン関係構造
JP5595007B2 (ja) コンバイン
JPH106796A (ja) コンバイン
CN112443651B (zh) 具有齿轮和液压冷却系统的车辆
JP2010054011A (ja) コンバインの走行伝動装置
JP2017180219A (ja) 作業車両
JP2010053951A (ja) コンバインの走行伝動装置
JPH0636655Y2 (ja) 収穫機等におけるオイル冷却装置
JP2002295639A (ja) 作業機の伝動構造
SU1061694A3 (ru) Гидравлическа система транспортного средства
JPS6313963A (ja) 作業車輌におけるオイル循環装置
CN109070731B (zh) 作业机及插秧机
JP4546869B2 (ja) コンバイン
JP2008296687A (ja) コンバインの原動部
JP2007117017A (ja) 作業車の油圧回路構造
JPS6317116A (ja) 作業車輌におけるオイル循環装置
JP2004132466A (ja) 収穫機の油貯溜部
JP2002295637A (ja) 作業機の伝動構造
CN102398510A (zh) 作业车辆的原动部结构

Legal Events

Date Code Title Description
A621 Written request for application examination

Free format text: JAPANESE INTERMEDIATE CODE: A621

Effective date: 20060323

A977 Report on retrieval

Free format text: JAPANESE INTERMEDIATE CODE: A971007

Effective date: 20090226

A131 Notification of reasons for refusal

Free format text: JAPANESE INTERMEDIATE CODE: A131

Effective date: 20090305

A521 Request for written amendment filed

Free format text: JAPANESE INTERMEDIATE CODE: A523

Effective date: 20090414

TRDD Decision of grant or rejection written
A01 Written decision to grant a patent or to grant a registration (utility model)

Free format text: JAPANESE INTERMEDIATE CODE: A01

Effective date: 20091210

A01 Written decision to grant a patent or to grant a registration (utility model)

Free format text: JAPANESE INTERMEDIATE CODE: A01

A61 First payment of annual fees (during grant procedure)

Free format text: JAPANESE INTERMEDIATE CODE: A61

Effective date: 20091222

R150 Certificate of patent or registration of utility model

Ref document number: 4434791

Country of ref document: JP

Free format text: JAPANESE INTERMEDIATE CODE: R150

Free format text: JAPANESE INTERMEDIATE CODE: R150

FPAY Renewal fee payment (event date is renewal date of database)

Free format text: PAYMENT UNTIL: 20130108

Year of fee payment: 3

FPAY Renewal fee payment (event date is renewal date of database)

Free format text: PAYMENT UNTIL: 20140108

Year of fee payment: 4

LAPS Cancellation because of no payment of annual fees