EP1200656B1 - Verfahren und vorrichtung zur herstellung schmelzersponnener endlosfäden - Google Patents

Verfahren und vorrichtung zur herstellung schmelzersponnener endlosfäden Download PDF

Info

Publication number
EP1200656B1
EP1200656B1 EP00943920A EP00943920A EP1200656B1 EP 1200656 B1 EP1200656 B1 EP 1200656B1 EP 00943920 A EP00943920 A EP 00943920A EP 00943920 A EP00943920 A EP 00943920A EP 1200656 B1 EP1200656 B1 EP 1200656B1
Authority
EP
European Patent Office
Prior art keywords
preparation
threads
filaments
thread
draw
Prior art date
Legal status (The legal status is an assumption and is not a legal conclusion. Google has not performed a legal analysis and makes no representation as to the accuracy of the status listed.)
Expired - Lifetime
Application number
EP00943920A
Other languages
English (en)
French (fr)
Other versions
EP1200656A1 (de
Inventor
Diethard Hübner
Current Assignee (The listed assignees may be inaccurate. Google has not performed a legal analysis and makes no representation or warranty as to the accuracy of the list.)
Oerlikon Textile GmbH and Co KG
Original Assignee
Saurer GmbH and Co KG
Priority date (The priority date is an assumption and is not a legal conclusion. Google has not performed a legal analysis and makes no representation as to the accuracy of the date listed.)
Filing date
Publication date
Application filed by Saurer GmbH and Co KG filed Critical Saurer GmbH and Co KG
Publication of EP1200656A1 publication Critical patent/EP1200656A1/de
Application granted granted Critical
Publication of EP1200656B1 publication Critical patent/EP1200656B1/de
Anticipated expiration legal-status Critical
Expired - Lifetime legal-status Critical Current

Links

Images

Classifications

    • DTEXTILES; PAPER
    • D01NATURAL OR MAN-MADE THREADS OR FIBRES; SPINNING
    • D01DMECHANICAL METHODS OR APPARATUS IN THE MANUFACTURE OF ARTIFICIAL FILAMENTS, THREADS, FIBRES, BRISTLES OR RIBBONS
    • D01D5/00Formation of filaments, threads, or the like
    • D01D5/08Melt spinning methods
    • D01D5/096Humidity control, or oiling, of filaments, threads or the like, leaving the spinnerettes
    • DTEXTILES; PAPER
    • D06TREATMENT OF TEXTILES OR THE LIKE; LAUNDERING; FLEXIBLE MATERIALS NOT OTHERWISE PROVIDED FOR
    • D06BTREATING TEXTILE MATERIALS USING LIQUIDS, GASES OR VAPOURS
    • D06B11/00Treatment of selected parts of textile materials, e.g. partial dyeing
    • D06B11/0003Treatment of selected parts of textile materials, e.g. partial dyeing of fibres, slivers or rovings
    • D06B11/0006Treatment of selected parts of textile materials, e.g. partial dyeing of fibres, slivers or rovings in connection with a spinning step

Definitions

  • the invention relates to a method for producing melt-spun endless Multi-color yarn according to the preamble of claim 1 and a device for performing the method according to the preamble of claim 5.
  • DE 196 49 809 A1 describes a method for spinning, drawing and winding a synthetic thread in which the thread is subjected to heat treatment is subjected. Before the heat treatment, the thread receives a preparation and a post-treatment after the heat treatment. The procedure is not for crimped multi-colored yarns can be used.
  • EP 0 784 109 A2 describes a method and a device for generating a described multi-colored yarns, in which differently colored or differently colored Partial threads are treated so that before a final joint Compacting the individual threads again, individually another so-called Subcompacted, merged, compacted and wound up. Again, the goal is a compactness of the threads and distinguishable To achieve colors in the yarn.
  • a the first compacting is arranged directly behind the preparation; this causes, that part of the preparation is driven out of the thread by the compacting is and is therefore lost to the manufacturing process. This part continues nebulizing the preparation due to the action of compressed air; because of this one There is a risk to the health of the operating personnel and the environment that mist is caught and disposed of. Finally, they form through the compacting created nodes an inhomogeneity and disrupt the stretching.
  • the invention is for the production of various multicolored yarn qualities such as e.g. BCF (Bulced Continuous Filament; carpet fiber) suitable.
  • BCF Bending Continuous Filament; carpet fiber
  • the process includes the Steps spinning and cooling the filaments, preparing and stripping the filaments summarized filaments, drawing, texturing, compacting and winding.
  • Filament describes in the designs a single fiber, while thread or yarn is an aggregated variety of filaments.
  • a thread or a Yarn is composed of several threads, which are before a merger processed separately.
  • the object of the invention is a method for producing melt-spun continuous filaments with the minimal use of aids, such as compressed air and preparation agent, an optimal thread run on the godets at the same time high occupancy, better behavior in further treatment steps, such as Stretching and texturing, and a great color contrast for multi-colored threads is achieved.
  • Another object is to provide a device for performing the to create method according to the invention.
  • the first object is according to the invention by the characterizing features of the claim 1 solved.
  • the preparation agent that is applied in a first place in this way has enough time to penetrate far into the thread and to close here to distribute; this process is particularly intensified when the deflection element is deflected, where the thread is subjected to flexing.
  • the second preparation causes the preparation as a whole largely evenly over the entire surface of all filaments and can be applied without a significant excess. This favors the heat transfer between thread and godet and further processing, such as. a stretch.
  • a thread keeps a compact shape without splitting. This makes it possible to pull many threads over a godet, and / or to drive a large number of loops without a compacting for this is required. At the same time, very high thread speeds are possible. The The risk of filament breakage is reduced.
  • the limitation of the amount of preparation agent according to claim 3 prevents losses and environmental damage from spraying the agent off the thread.
  • Claim 5 solves the second problem.
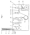
  • the figure shows an apparatus for producing a multi-colored melt-spun Continuous yarn using the example of three colors.
  • a spinning shaft 2.1, 2.2, 2.3 arranged in which the different dyed or staining filaments 3.1, 3.2, 3.3, which the nozzle plates 1.1, 1.2, 1.3 leave, be cooled.
  • a large number of filaments 3.1, 3.2, 3.3 is in front of the further treatment in each case combined into a single thread 4.1, 4.2, 4.3.
  • Galette 6 and deflection roller 7 form the first trigger element.
  • a second preparation device 9.1, 9.2, 9.3 arranged between the godet 6 and a first pair of godets 8 .
  • the pair of godets 8 consists of two vertically spaced, each drivable and heatable godets 8.1, 8.2 and is multiple, e.g. 5 to 13 times wrapped in threads 4.1, 4.2, 4.3. Behind it is a second one Pair of godets 10, which is also wrapped several times by the threads 4.1, 4.2, 4.3.
  • the associated godets 10.1, 10.2 can each be driven and both horizontally and also vertically spaced.
  • the threads 4.1, 4.2, 4.3 are combined behind the godet 10.1.
  • a texturing device 11 is also arranged, followed by one drivable cooling roller 12. After the cooling roller 12, the thread 4 passes over a drivable Galette 13 and a deflection roller 14 to the compacting device 15. The thread 4 is then via a drivable godet 16 and a deflection roller 17 to a winding device 18 led.
  • the entire device from the first preparation device 5, but without the winding device 18, is expediently mounted on a frame 19.
  • the threads 4.1, 4.2, 4.3 are in the first preparation device 5.1, 5.2, 5.3 wetted with preparation agent; the amount is e.g. approx. 75% of the total amount required.
  • the preparation agent causes that the threads 4.1, 4.2, 4.3 largely during the further processing are compact and that good heat transfer between threads and e.g. Galette is achieved.
  • the threads 4.1, 4.2, 4.3 are on the godet 6 and the deflection 7 withdrawn and fed to the second preparation device 9. Because the preparation, that was applied to the first preparation device 5.1, 5.2, 5.3, could largely penetrate the threads 4.1, 4.2, 4.3, it is now possible to remove the missing Apply the amount of preparation for optimal processing. without a significant excess being required.
  • the threads 4.1, 4.2, 4.3 are then known Stretched by means of the pairs of godets 8, 10 and then combined in the Texturing device 11 crimped, cooled on the cooling roll 12, in the compacting device 15 tangled and finally by means of the winding machine 18 on spools wound.
  • the godets 13, 16 with the deflection rollers 14, 17 each serve the trigger of thread 4.
  • the device shown as an example in the figure can also be designed such that several, e.g. 2, 4, 6 or 8 threads 4 can be processed simultaneously and in parallel.

Landscapes

  • Engineering & Computer Science (AREA)
  • Textile Engineering (AREA)
  • Chemical & Material Sciences (AREA)
  • Materials Engineering (AREA)
  • Mechanical Engineering (AREA)
  • Spinning Methods And Devices For Manufacturing Artificial Fibers (AREA)
  • Yarns And Mechanical Finishing Of Yarns Or Ropes (AREA)

Description

Die Erfindung betrifft ein Verfahren zur Herstellung von schmelzersponnenem endlosem Mehrfarbengarn gemäß dem Oberbegriff des Anspruchs 1 sowie eine Vorrichtung zur Durchführung des Verfahrens gemäß dem Oberbegriff des Anspruchs 5.
Bei der Herstellung von schmelzersponnenen Endlosfäden besteht das Problem, daß die Fäden, die nicht weiter behandelt werden, beim Abziehen und Verstrecken auf den Galetten aufspleißen, daß heißt, die einzelnen Filamente laufen auseinander und einzelne Fäden vermischen sich untereinander. Hierdurch werden die Laufruhe des Fadens, die maximal mögliche Belegung einer Galette und bei mehrfarbigen Fäden die Klarheit der einzelnen Farben negativ beeinflußt.
Die DE 196 49 809 A1 beschreibt ein Verfahren zum Spinnen, Verstrecken und Aufspulen eines synthetischen Fadens, bei dem der Faden einer Wärmebehandlung unterworfen wird. Vor der Wärmebehandlung erhält der Faden eine Vorpräparation und nach der Wärmebehandlung eine Nachpräparation. Das Verfahren ist nicht für gekräuselte mehrfarbige Garne einsetzbar.
Aus der EP 0 485 871 B1 sind ein Verfahren und eine Vorrichtung bekannt geworden, wobei unterschiedlich gefärbte Teilfäden nach einer Präparation einzeln vorkompaktiert, vereinzelt auf Galetten verstreckt und anschließend gemeinsam texturiert, kompaktiert und auf einer Spule aufgewickelt werden, wobei die Vorkompaktierung während des Verstreckens wieder rückgängig gemacht wird. Durch das Vorkompaktieren soll erreicht werden, daß die Teilfäden einen gewissen Zusammenhalt während der Verarbeitung haben und das fertige Garn klar unterscheidbare Farben aufweist.
In der EP 0 784 109 A2 sind ein Verfahren und eine Vorrichtung zur Erzeugung eines mehrfarbigen Garnes beschrieben, bei dem unterschiedlich gefärbte oder anders anfärbende Teilfäden so behandelt werden, daß vor einer endgültigen gemeinsamen Kompaktierung die Teilfäden wieder vereinzelt, einzeln einer weiteren sogenannten Nachkompaktierung unterworfen, zusammengeführt, kompaktiert und aufgespult werden. Auch hier ist es das Ziel, eine Kompaktheit der Teilfäden und unterscheidbare Farben im Garn zu erzielen.
Die bekannten Verfahren weisen eine Reihe von Nachteilen auf. Eine Kompaktierung erfolgt meistens mittels Druckluft; diese Energieart ist sehr teuer, so daß die Herstellungskosten der Fäden mit der Anzahl der Kompaktiervorgänge stark ansteigen. Eine erste Kompaktierung ist unmittelbar hinter der Präparation angeordnet; dies bewirkt, daß durch die Kompaktierung ein Teil des Präparationsmittels aus dem Faden ausgetrieben wird und somit für den Herstellprozeß verloren ist. Weiterhin wird dieser Teil des Präparationsmittels infolge der Wirkung der Druckluft vernebelt; da hierdurch eine Gefährdung der Gesundheit des Bedienungspersonals und der Umwelt entsteht, muß jener Nebel aufgefangen und entsorgt werden. Schließlich bilden die durch die Kompaktierung erzeugten Knoten eine Inhomogenität und stören die Verstreckung.
Die Erfindung ist für die Herstellung verschiedener mehrfarbiger Garnqualitäten wie z.B. BCF (Bulced Continuous Filament; Teppichfaser) geeignet. Der Prozeß umfaßt die Schritte Spinnen und Kühlen der Filamente, Präparieren und Abziehen der zu Teilfäden zusammengefaßten Filamente, Verstrecken, Texturieren, Kompaktieren und Aufspulen. Filament beschreibt in den Ausführungen eine einzelne Faser, während Faden oder Garn eine zusammengefaßte Vielzahl von Filamenten ist. Ein Faden bzw. ein Garn ist aus mehreren Teilfäden zusammengesetzt, die vor einem Zusammenschluß getrennt bearbeitet werden.
Aufgabe der Erfindung ist es, ein Verfahren zur Herstellung schmelzersponnener Endlosfäden aufzuzeigen, bei dem mit minimalem Einsatz von Hilfsmitteln, wie z.B. Druckluft und Präparationsmittel, ein optimaler Fadenlauf auf den Galetten bei einer gleichzeitig hohen Belegung, besseres Verhalten bei weiteren Behandlungsschritten, wie Verstrecken und Texturieren, und bei mehrfarbigen Fäden ein großer Farbkontrast erzielt wird. Eine weitere Aufgabe besteht darin, eine Vorrichtung zur Durchführung des erfindungsgemäßen Verfahrens zu schaffen.
Die erste Aufgabe ist erfindungsgemäß durch die kennzeichnenden Merkmale des Anspruchs 1 gelöst. Das Präparationsmittel, das an einer ersten Stelle aufgetragen wird, hat auf diese Weise genügend Zeit, weit in den Faden einzudringen und sich hier zu verteilen; dieser Prozeß wird besonders bei der Umlenkung am Abzugsorgan verstärkt, wo der Faden einer Walkarbeit unterworfen ist. Die zweite Präparation bewirkt, daß das Präparationsmittel insgesamt weitestgehend gleichmäßig auf die gesamte Oberfläche aller Filamente und ohne wesentlichen Überschuß aufgetragen werden kann. Dies begünstigt den Wärmeübergang zwischen Faden und Galetten und die weitere Bearbeitung, wie z.B. eine Verstreckung. Ein Faden behält eine kompakte Form ohne aufzuspleißen. Hierdurch ist es möglich, viele Fäden über eine Galette zu ziehen, und/oder eine große Umschlingungszahl zu fahren, ohne daß hierfür eine Kompaktierung erforderlich ist. Gleichzeitig sind sehr hohe Fadengeschwindigkeiten möglich. Die Gefahr eines Filamentbruches ist reduziert.
Die Begrenzung der Präparationsmittelmenge nach Anspruch 3 verhindert Verluste und Umweltbeeinträchtigungen durch Abspritzen des Mittels vom Faden.
Nach Anspruch 4 können die für die nachfolgenden Verfahrensschritte optimal wirkenden Präparationsmittel eingesetzt werden.
Anspruch 5 löst die zweite Aufgabe.
Die Zeichnung dient der Erläuterung der Erfindung anhand eines vereinfacht und schematisch dargestellten Ausführungsbeispiels.
Die Figur zeigt eine Vorrichtung zur Herstellung eines mehrfarbigen schmelzersponnenen Endlosgarns am Beispiel für drei Farben.
Bei der in der Figur dargestellten Vorrichtung ist jeweils unmittelbar unter drei Düsenplatten 1.1, 1.2, 1.3 ein Spinnschacht 2.1, 2.2, 2.3 angeordnet, in dem die unterschiedlich gefärbten oder anfärbenden Filamente 3.1, 3.2, 3.3, welche die Düsenplatten 1.1, 1.2, 1.3 verlassen, gekühlt werden. Eine Vielzahl Filamente 3.1, 3.2, 3.3 wird vor der weiteren Behandlung jeweils zu einem einzelnen Faden 4.1, 4.2, 4.3 zusammengefaßt. Hinter jedem Spinnschacht 2.1, 2.2, 2.3 ist eine erste Präparationsvorrichtung 5.1, 5.2, 5.3 angeordnet, die aus mehreren Präpariereinheiten, die unmittelbar hintereinander angeordnet sind, aufgebaut sein kann. Die präparierten Fäden 4.1, 4.2, 4.3 umschlingen mehrfach, z.B. 1,5 bis 2-fach eine antreibbare Galette 6 und eine Umlenkrolle 7. Galette 6 und Umlenkrolle 7 bilden das erste Abzugsorgan. Zwischen der Galette 6 und einem ersten Galettenpaar 8 ist jeweils eine zweite Präparationsvorrichtung 9.1, 9.2, 9.3 angeordnet. Das Galettenpaar 8 besteht aus zwei vertikal beabstandeten, jeweils antreibbaren und beheizbaren Galetten 8.1, 8.2 und ist mehrfach, z.B. 5 bis 13-fach von den Fäden 4.1, 4.2, 4.3 umschlungen. Dahinter befindet sich ein zweites Galettenpaar 10, das ebenfalls mehrfach von den Fäden 4.1, 4.2, 4.3 umschlungen ist. Die zugehörigen Galetten 10.1, 10.2 sind jeweils antreibbar und sowohl horizontal als auch vertikal beabstandet. Hinter der Galette 10.1 sind die Fäden 4.1, 4.2, 4.3 zusammengefaßt. Es ist weiter eine Texturiereinrichtung 11 angeordnet, gefolgt von einer antreibbaren Kühlwalze 12. Nach der Kühlwalze 12 gelangt der Faden 4 über eine antreibbare Galette 13 und eine Umlenkrolle 14 zur Kompaktiervorrichtung 15. Der Faden 4 ist dann über eine antreibbare Galette 16 und eine Umlenkrolle 17 zu einer Aufspulvorrichtung 18 geführt. Die gesamte Vorrichtung ab der ersten Präparationsvorrichtung 5, aber ohne die Aufspulvorrichtung 18, ist zweckmäßig auf einem Gestell 19 montiert.
Im Betrieb wird geschmolzener, unterschiedlich gefärbter oder anfärbender Kunststoff durch die Düsenplatten 1.1, 1.2, 1.3 gepreßt und zu Filamenten 3.1, 3.2, 3.3 ersponnen. Diese werden im Spinnschacht 2 durch z.B. einen Luftstrom abgekühlt, so daß der Kunststoff der Filamente 3.1, 3.2, 3.3 erstarrt. Die zu einzelnen Fäden 4.1, 4.2, 4.3 zusammengefaßten Filamente 3 sind bis vor der Texturierung 11 getrennt gehalten, so daß jeweils eine separate Behandlung erfolgt. Dies ist zum einen durch eine entsprechende Fadenführung und zum anderen durch die Kompaktheit eines Fadens 4.1, 4.2, 4.3 infolge der Präparierung gewährleistet. Die Fäden 4.1, 4.2, 4.3 werden in der ersten Präparationsvorrichtung 5.1, 5.2, 5.3 mit Präparationsmittel benetzt; die Menge beträgt z.B. ca. 75 % der insgesamt erforderlichen Menge. Das Präparationsmittel bewirkt, daß die Fäden 4.1, 4.2, 4.3 während der weiteren Verarbeitung weitestgehend kompakt sind und daß ein guter Wärmeübergang zwischen Fäden und z.B. Galette erzielt wird. Die Fäden 4.1, 4.2, 4.3 werden über die Galette 6 und die Umlenkung 7 abgezogen und der zweiten Präparationsvorrichtung 9 zugeführt. Da das Präparationsmittel, das bei der ersten Präparationsvorrichtung 5.1, 5.2, 5.3 aufgetragen wurde, weitgehend in die Fäden 4.1, 4.2, 4.3 eindringen konnte, ist es jetzt möglich, die fehlende Menge an Präparationsmittel für die optimale Weiterverarbeitung aufzutragen. ohne daß ein nennenswerter Überschuß erforderlich ist. Es ist auch möglich, ein zweites Präparationsmittel zu benutzen. Die Fäden 4.1, 4.2, 4.3 werden dann in bekannter Weise mittels der Galettenpaare 8, 10 verstreckt und dann zusammengefaßt in der Texturiervorrichtung 11 gekräuselt, auf der Kühlwalze 12 gekühlt, in der Kompaktiervorrichtung 15 getangelt und schließlich mittels der Aufspulmaschine 18 auf Spulen gewickelt. Die Galetten 13, 16 mit den Umlenkrollen 14, 17 dienen jeweils dem Abzug des Fadens 4.
Die in der Figur beispielhaft dargestellte Vorrichtung kann auch so ausgeführt sein, daß mehrere, z.B. 2, 4, 6 oder 8 Fäden 4 gleichzeitig und parallel verarbeitet werden.

Claims (7)

  1. Verfahren zur Herstellung von schmelzersponnenem endlosem Mehrfarbengarn aus einer Vielzahl von Filamenten, wobei die unterschiedlich gefärbten oder anfärbbaren Filamente gruppenweise zu mindestens zwei Fäden zusammengefaßt und abgezogen werden,
    mit mindestens den weiteren Schritten
    Präparieren, wobei eine Präparierung der Fäden mit einem Präparationsmittel mindestens vor einem ersten Abzugsorgan durchgeführt wird,
    Verstrecken,
    Texturieren, wobei die Fäden gekräuselt werden,
    Kühlen,
    Kompaktieren und
    Aufwickeln der Fäden,
    dadurch gekennzeichnet, daß mindestens eine zweite Präparierung hinter dem ersten Abzugsorgan und vor dem Verstrecken durchgeführt wird.
  2. Verfahren nach Anspruch 1, dadurch gekennzeichnet, daß die Fäden bis einschließlich zum Verstrecken getrennt gehalten werden, dann als Garn zusammengefaßt und gemeinsam texturiert, gekühlt, kompaktiert sowie aufgewickelt werden.
  3. Verfahren nach Anspruch 1 oder 2, dadurch gekennzeichnet, daß bei der ersten Präparierung gerade so viel Präparationsmittel aufgetragen wird, daß ein guter Lauf auf dem ersten Abzugsorgan gewährleistet ist.
  4. Verfahren nach Anspruch 1 bis 3, dadurch gekennzeichet, daß bei der ersten Präparierung und der zweiten Präparierung unterschiedliche Präparationsmittel eingesetzt werden.
  5. Vorrichtung zur Herstellung von schmelzersponnenem endlosem Mehrfarbengam aus einer Vielzahl von Filamenten (3), wobei die unterschiedlich gefärbten oder anfärbbaren Filamente (3.1, 3.2, 3.3) gruppenweise zu mindestens zwei Fäden (4.1, 4.2, 4.3) zusammengefaßt werden, mit mindestens
    einem Abzugsorgan, bestehend aus einer Galette (6) und einer Umlenkrolle (7),
    mindestens einer Präpariervorrichtung (5.1, 5.2, 5.3), wobei eine vor dem Abzugsorgan angeordnet ist,
    zwei Galettenpaaren (8, 10), zwischen denen die Fäden (4) verstreckt werden,
    einer Texturiereinrichtung (11),
    einer Kühlwalze (12),
    einer Kompaktiervorrichtung (15) und
    einer Aufspulvorrichtung (18),
    dadurch gekennzeichnet, daß eine zweite Präparationsvorrichtung (9.1, 9.2, 9.3) zwischen dem Abzugsorgan (6, 7) und dem ersten Galettenpaar (8.1, 8.2) angeordnet ist.
  6. Vorrichtung nach Anspruch 5, dadurch gekennzeichnet, daß die zweite Präparationsvorrichtung (9.1, 9.2, 9.3) für jeden Faden (4.1, 4.2, 4.3) getrennt angeordnet ist.
  7. Vorrichtung nach Anspruch 5 oder 6, dadurch gekennzeichnet, daß die Präparationsvorrichtung (5, 9.1, 9.2, 9.3) aus zwei unmittelbar benachbarten Präpariereinheiten besteht.
EP00943920A 1999-06-30 2000-06-28 Verfahren und vorrichtung zur herstellung schmelzersponnener endlosfäden Expired - Lifetime EP1200656B1 (de)

Applications Claiming Priority (3)

Application Number Priority Date Filing Date Title
DE19929817A DE19929817B4 (de) 1999-06-30 1999-06-30 Verfahren und Vorrichtung zur Herstellung schmelzersponnener Endlosfäden
DE19929817 1999-06-30
PCT/EP2000/006008 WO2001002633A1 (de) 1999-06-30 2000-06-28 Verfahren und vorrichtung zur herstellung schmelzersponnener endlosfäden

Publications (2)

Publication Number Publication Date
EP1200656A1 EP1200656A1 (de) 2002-05-02
EP1200656B1 true EP1200656B1 (de) 2004-05-12

Family

ID=7912958

Family Applications (1)

Application Number Title Priority Date Filing Date
EP00943920A Expired - Lifetime EP1200656B1 (de) 1999-06-30 2000-06-28 Verfahren und vorrichtung zur herstellung schmelzersponnener endlosfäden

Country Status (6)

Country Link
US (1) US6814828B1 (de)
EP (1) EP1200656B1 (de)
JP (1) JP2003504522A (de)
AT (1) ATE266752T1 (de)
DE (2) DE19929817B4 (de)
WO (1) WO2001002633A1 (de)

Families Citing this family (9)

* Cited by examiner, † Cited by third party
Publication number Priority date Publication date Assignee Title
DE10116959A1 (de) * 2001-04-05 2002-10-10 Neumag Gmbh & Co Kg Vorrichtung zum Schmelzspinnen und Ablegen mehrerer Spinnkabel
CN100400728C (zh) * 2001-09-11 2008-07-09 诺马格有限及两合公司 纺丝-拉伸-卷曲变形机
DE10326850A1 (de) * 2003-06-14 2004-12-30 Saurer Gmbh & Co. Kg Vorrichtung zum Spinnen und Behandeln synthetischer Fäden
ITMI20041137A1 (it) * 2004-06-04 2004-09-04 Fare Spa Apparecchiatura per il trattamento di filati sintetici
AU2010256456B2 (en) * 2009-06-05 2016-07-07 Invista Technologies S.A.R.L. Systems and methods for intermittently colored yarn
CN103154334B (zh) * 2010-10-21 2015-09-02 欧瑞康纺织有限及两合公司 多丝复合纱线的制造方法和熔体纺丝设备
CN103911676B (zh) * 2014-04-03 2016-03-16 湖州厉华妤婕联合纺织有限公司 一种熔纺生成装置
CN109338550A (zh) * 2018-04-04 2019-02-15 苏州帝达化纤机械制造有限公司 一种膨体连续长丝的纺丝设备
CN109930276A (zh) * 2019-04-09 2019-06-25 龙福环能科技股份有限公司 聚乳酸生产膨化纤维的牵伸装置及应用

Family Cites Families (9)

* Cited by examiner, † Cited by third party
Publication number Priority date Publication date Assignee Title
LU48351A1 (de) * 1964-04-07 1965-10-07
US3427192A (en) * 1964-05-20 1969-02-11 Deering Milliken Res Corp Textile sizing composition
JPS60246808A (ja) * 1984-05-21 1985-12-06 Toray Ind Inc 合成繊維の製造方法
DE3735752C2 (de) * 1986-10-29 1994-03-31 Barmag Barmer Maschf Verfahren zur Herstellung von Glattgarn aus Polyamid oder Polyester
US4995884A (en) * 1989-12-08 1991-02-26 Henkel Corporation Polyalphaolefin emulsions for fiber and textile applications
EP0485871B1 (de) * 1990-11-10 1995-02-15 Barmag Ag Verfahren und Vorrichtung zum Kombinieren von Fäden mit verschiedenen Farben um ein mehrfarbiges Garn zu machen
US5350529A (en) * 1992-08-28 1994-09-27 E. I. Du Pont De Nemours And Company Low fume finish for wet air-jet texturing
DE19649809A1 (de) * 1995-12-05 1997-06-12 Barmag Barmer Maschf Verfahren zum Spinnen, Verstrecken und Aufspulen eines synthetischen Fadens
BR9700044A (pt) * 1996-01-12 1998-11-10 Rieter Ag Maschf Processo e aparelho para produção de um fio multicolorido a partir de fios componentes coloridos de maneira diversificada de filamento sem fim

Also Published As

Publication number Publication date
WO2001002633A1 (de) 2001-01-11
DE50006424D1 (de) 2004-06-17
JP2003504522A (ja) 2003-02-04
EP1200656A1 (de) 2002-05-02
ATE266752T1 (de) 2004-05-15
DE19929817B4 (de) 2004-07-15
DE19929817A1 (de) 2001-01-11
US6814828B1 (en) 2004-11-09

Similar Documents

Publication Publication Date Title
DE69107411T2 (de) Verfahren und Vorrichtung zum Kombinieren von Fäden mit verschiedenen Farben um ein mehrfarbiges Garn zu machen.
EP2630279B1 (de) Verfahren zur herstellung eines multifilen verbundfadens und schmelzspinnvorrichtung
DE10235936A1 (de) Vorrichtung zum Spinnen und Aufwickeln
DE3720237A1 (de) Verfahren zum herstellen von luftblastexturiertem naehgarn
EP0133198B1 (de) Verfahren und Anordnung zur Herstellung eines ungezwirnten Kräuselgarns aus mindestens zwei Fadenbündeln unterschiedlicher Farbe oder Färbbarkeit
EP3568510A1 (de) Vorrichtung und verfahren zur erzeugung eines mehrfarbigen garnes
EP2567008B1 (de) Verfahren und vorrichtung zum schmelzspinnen, verstrecken und aufwickeln mehrerer synthetischer fäden
DE69013893T2 (de) Verfahren zur Herstellung einer teilweise lösbaren und spaltbaren Micro-Verbundfaser.
EP1200656B1 (de) Verfahren und vorrichtung zur herstellung schmelzersponnener endlosfäden
DE2953527C2 (de) Verfahren und Vorrichtung zur Herstellung von Effektgarn
EP0718424B1 (de) Anordnung von Streck-Texturiermaschinen für Synthetikfäden
DE2328499A1 (de) Spinnstrecken und spinnstrecktexturierung von multifilgarnen
DE19746878B4 (de) Verfahren zur Herstellung eines Mehrkomponentenfadens
DE2855763C2 (de)
WO2017063913A1 (de) Verfahren und vorrichtung zur herstellung feiner multifiler fäden
EP1838908B1 (de) Verfahren und vorrichtung zum schmelzspinnen und texturieren einer vielzahl von multifilen faeden
WO2019034488A1 (de) Verfahren und vorrichtung zur herstellung eines multifilen vollverstreckten fadens aus einer polyamidschmelze
EP1258547A1 (de) Lufttexturierter Faden sowie Verfahren zu dessen Herstellung
EP2673406A1 (de) Verfahren und vorrichtung zum texturieren eines synthetischen fadens
DE1660400C3 (de) Verfahren zur Herstellung von kompakten Mehrfadengarnen
DE3243998C2 (de)
WO2003002796A1 (de) Verfahren und einrichtung zur herstellung von fäden, sowie nach dem verfahren hergestellter faden
EP1527219A1 (de) Verfahren und vorrichtung zum spinnen und texturieren von synthetischen fäden
DE3813898A1 (de) Verfahren zum herstellen von luftblastexturiertem naehgarn
DE2018019C3 (de) Vorrichtung zur Herstellung von Mischgarnen aus synthetischen Polymeren

Legal Events

Date Code Title Description
PUAI Public reference made under article 153(3) epc to a published international application that has entered the european phase

Free format text: ORIGINAL CODE: 0009012

17P Request for examination filed

Effective date: 20020130

AK Designated contracting states

Kind code of ref document: A1

Designated state(s): AT BE CH CY DE DK ES FI FR GB GR IE IT LI LU MC NL PT SE

GRAP Despatch of communication of intention to grant a patent

Free format text: ORIGINAL CODE: EPIDOSNIGR1

GRAS Grant fee paid

Free format text: ORIGINAL CODE: EPIDOSNIGR3

GRAA (expected) grant

Free format text: ORIGINAL CODE: 0009210

RAP1 Party data changed (applicant data changed or rights of an application transferred)

Owner name: SAURER GMBH & CO. KG

AK Designated contracting states

Kind code of ref document: B1

Designated state(s): AT BE CH CY DE DK ES FI FR GB GR IE IT LI LU MC NL PT SE

PG25 Lapsed in a contracting state [announced via postgrant information from national office to epo]

Ref country code: NL

Free format text: LAPSE BECAUSE OF FAILURE TO SUBMIT A TRANSLATION OF THE DESCRIPTION OR TO PAY THE FEE WITHIN THE PRESCRIBED TIME-LIMIT

Effective date: 20040512

Ref country code: CY

Free format text: LAPSE BECAUSE OF FAILURE TO SUBMIT A TRANSLATION OF THE DESCRIPTION OR TO PAY THE FEE WITHIN THE PRESCRIBED TIME-LIMIT

Effective date: 20040512

Ref country code: GB

Free format text: LAPSE BECAUSE OF FAILURE TO SUBMIT A TRANSLATION OF THE DESCRIPTION OR TO PAY THE FEE WITHIN THE PRESCRIBED TIME-LIMIT

Effective date: 20040512

Ref country code: IE

Free format text: LAPSE BECAUSE OF FAILURE TO SUBMIT A TRANSLATION OF THE DESCRIPTION OR TO PAY THE FEE WITHIN THE PRESCRIBED TIME-LIMIT

Effective date: 20040512

Ref country code: FI

Free format text: LAPSE BECAUSE OF FAILURE TO SUBMIT A TRANSLATION OF THE DESCRIPTION OR TO PAY THE FEE WITHIN THE PRESCRIBED TIME-LIMIT

Effective date: 20040512

Ref country code: FR

Free format text: LAPSE BECAUSE OF FAILURE TO SUBMIT A TRANSLATION OF THE DESCRIPTION OR TO PAY THE FEE WITHIN THE PRESCRIBED TIME-LIMIT

Effective date: 20040512

REG Reference to a national code

Ref country code: GB

Ref legal event code: FG4D

Free format text: NOT ENGLISH

REG Reference to a national code

Ref country code: CH

Ref legal event code: EP

REG Reference to a national code

Ref country code: IE

Ref legal event code: FG4D

Free format text: GERMAN

REF Corresponds to:

Ref document number: 50006424

Country of ref document: DE

Date of ref document: 20040617

Kind code of ref document: P

PG25 Lapsed in a contracting state [announced via postgrant information from national office to epo]

Ref country code: LU

Free format text: LAPSE BECAUSE OF NON-PAYMENT OF DUE FEES

Effective date: 20040628

PG25 Lapsed in a contracting state [announced via postgrant information from national office to epo]

Ref country code: MC

Free format text: LAPSE BECAUSE OF NON-PAYMENT OF DUE FEES

Effective date: 20040630

REG Reference to a national code

Ref country code: CH

Ref legal event code: NV

Representative=s name: KEMENY AG PATENTANWALTBUERO

PG25 Lapsed in a contracting state [announced via postgrant information from national office to epo]

Ref country code: SE

Free format text: LAPSE BECAUSE OF FAILURE TO SUBMIT A TRANSLATION OF THE DESCRIPTION OR TO PAY THE FEE WITHIN THE PRESCRIBED TIME-LIMIT

Effective date: 20040812

Ref country code: DK

Free format text: LAPSE BECAUSE OF FAILURE TO SUBMIT A TRANSLATION OF THE DESCRIPTION OR TO PAY THE FEE WITHIN THE PRESCRIBED TIME-LIMIT

Effective date: 20040812

Ref country code: GR

Free format text: LAPSE BECAUSE OF FAILURE TO SUBMIT A TRANSLATION OF THE DESCRIPTION OR TO PAY THE FEE WITHIN THE PRESCRIBED TIME-LIMIT

Effective date: 20040812

PG25 Lapsed in a contracting state [announced via postgrant information from national office to epo]

Ref country code: ES

Free format text: LAPSE BECAUSE OF FAILURE TO SUBMIT A TRANSLATION OF THE DESCRIPTION OR TO PAY THE FEE WITHIN THE PRESCRIBED TIME-LIMIT

Effective date: 20040823

NLV1 Nl: lapsed or annulled due to failure to fulfill the requirements of art. 29p and 29m of the patents act
GBV Gb: ep patent (uk) treated as always having been void in accordance with gb section 77(7)/1977 [no translation filed]

Effective date: 20040512

REG Reference to a national code

Ref country code: IE

Ref legal event code: FD4D

PLBE No opposition filed within time limit

Free format text: ORIGINAL CODE: 0009261

STAA Information on the status of an ep patent application or granted ep patent

Free format text: STATUS: NO OPPOSITION FILED WITHIN TIME LIMIT

26N No opposition filed

Effective date: 20050215

EN Fr: translation not filed
PGFP Annual fee paid to national office [announced via postgrant information from national office to epo]

Ref country code: AT

Payment date: 20060608

Year of fee payment: 7

PGFP Annual fee paid to national office [announced via postgrant information from national office to epo]

Ref country code: BE

Payment date: 20060613

Year of fee payment: 7

Ref country code: CH

Payment date: 20060613

Year of fee payment: 7

PGFP Annual fee paid to national office [announced via postgrant information from national office to epo]

Ref country code: IT

Payment date: 20060630

Year of fee payment: 7

PGFP Annual fee paid to national office [announced via postgrant information from national office to epo]

Ref country code: DE

Payment date: 20060821

Year of fee payment: 7

BERE Be: lapsed

Owner name: *SAURER G.M.B.H. & CO. K.G.

Effective date: 20070630

PG25 Lapsed in a contracting state [announced via postgrant information from national office to epo]

Ref country code: PT

Free format text: LAPSE BECAUSE OF NON-PAYMENT OF DUE FEES

Effective date: 20041012

REG Reference to a national code

Ref country code: CH

Ref legal event code: PL

PG25 Lapsed in a contracting state [announced via postgrant information from national office to epo]

Ref country code: AT

Free format text: LAPSE BECAUSE OF NON-PAYMENT OF DUE FEES

Effective date: 20070628

PG25 Lapsed in a contracting state [announced via postgrant information from national office to epo]

Ref country code: BE

Free format text: LAPSE BECAUSE OF NON-PAYMENT OF DUE FEES

Effective date: 20070630

PG25 Lapsed in a contracting state [announced via postgrant information from national office to epo]

Ref country code: CH

Free format text: LAPSE BECAUSE OF NON-PAYMENT OF DUE FEES

Effective date: 20070630

Ref country code: DE

Free format text: LAPSE BECAUSE OF NON-PAYMENT OF DUE FEES

Effective date: 20080101

Ref country code: LI

Free format text: LAPSE BECAUSE OF NON-PAYMENT OF DUE FEES

Effective date: 20070630

PG25 Lapsed in a contracting state [announced via postgrant information from national office to epo]

Ref country code: IT

Free format text: LAPSE BECAUSE OF NON-PAYMENT OF DUE FEES

Effective date: 20070628