WO2012102282A1 - 電動ポンプ装置 - Google Patents

電動ポンプ装置 Download PDF

Info

Publication number
WO2012102282A1
WO2012102282A1 PCT/JP2012/051485 JP2012051485W WO2012102282A1 WO 2012102282 A1 WO2012102282 A1 WO 2012102282A1 JP 2012051485 W JP2012051485 W JP 2012051485W WO 2012102282 A1 WO2012102282 A1 WO 2012102282A1
Authority
WO
WIPO (PCT)
Prior art keywords
motor
state
electric pump
hydraulic pressure
gain
Prior art date
Legal status (The legal status is an assumption and is not a legal conclusion. Google has not performed a legal analysis and makes no representation as to the accuracy of the status listed.)
Ceased
Application number
PCT/JP2012/051485
Other languages
English (en)
French (fr)
Japanese (ja)
Inventor
健吾 宇田
Current Assignee (The listed assignees may be inaccurate. Google has not performed a legal analysis and makes no representation or warranty as to the accuracy of the list.)
JTEKT Corp
Original Assignee
JTEKT Corp
Priority date (The priority date is an assumption and is not a legal conclusion. Google has not performed a legal analysis and makes no representation as to the accuracy of the date listed.)
Filing date
Publication date
Application filed by JTEKT Corp filed Critical JTEKT Corp
Priority to EP12739050.8A priority Critical patent/EP2670046A4/en
Priority to US13/981,435 priority patent/US9322410B2/en
Priority to CN201280006517.0A priority patent/CN103329428B/zh
Publication of WO2012102282A1 publication Critical patent/WO2012102282A1/ja
Anticipated expiration legal-status Critical
Ceased legal-status Critical Current

Links

Images

Classifications

    • FMECHANICAL ENGINEERING; LIGHTING; HEATING; WEAPONS; BLASTING
    • F04POSITIVE - DISPLACEMENT MACHINES FOR LIQUIDS; PUMPS FOR LIQUIDS OR ELASTIC FLUIDS
    • F04DNON-POSITIVE-DISPLACEMENT PUMPS
    • F04D27/00Control, e.g. regulation, of pumps, pumping installations or pumping systems specially adapted for elastic fluids
    • FMECHANICAL ENGINEERING; LIGHTING; HEATING; WEAPONS; BLASTING
    • F16ENGINEERING ELEMENTS AND UNITS; GENERAL MEASURES FOR PRODUCING AND MAINTAINING EFFECTIVE FUNCTIONING OF MACHINES OR INSTALLATIONS; THERMAL INSULATION IN GENERAL
    • F16HGEARING
    • F16H61/00Control functions within control units of change-speed- or reversing-gearings for conveying rotary motion ; Control of exclusively fluid gearing, friction gearing, gearings with endless flexible members or other particular types of gearing
    • F16H61/0021Generation or control of line pressure
    • F16H61/0025Supply of control fluid; Pumps therefor
    • F16H61/0031Supply of control fluid; Pumps therefor using auxiliary pumps, e.g. pump driven by a different power source than the engine
    • GPHYSICS
    • G05CONTROLLING; REGULATING
    • G05BCONTROL OR REGULATING SYSTEMS IN GENERAL; FUNCTIONAL ELEMENTS OF SUCH SYSTEMS; MONITORING OR TESTING ARRANGEMENTS FOR SUCH SYSTEMS OR ELEMENTS
    • G05B5/00Anti-hunting arrangements
    • G05B5/01Anti-hunting arrangements electric
    • HELECTRICITY
    • H02GENERATION; CONVERSION OR DISTRIBUTION OF ELECTRIC POWER
    • H02PCONTROL OR REGULATION OF ELECTRIC MOTORS, ELECTRIC GENERATORS OR DYNAMO-ELECTRIC CONVERTERS; CONTROLLING TRANSFORMERS, REACTORS OR CHOKE COILS
    • H02P6/00Arrangements for controlling synchronous motors or other dynamo-electric motors using electronic commutation dependent on the rotor position; Electronic commutators therefor
    • H02P6/08Arrangements for controlling the speed or torque of a single motor
    • H02P6/085Arrangements for controlling the speed or torque of a single motor in a bridge configuration
    • FMECHANICAL ENGINEERING; LIGHTING; HEATING; WEAPONS; BLASTING
    • F16ENGINEERING ELEMENTS AND UNITS; GENERAL MEASURES FOR PRODUCING AND MAINTAINING EFFECTIVE FUNCTIONING OF MACHINES OR INSTALLATIONS; THERMAL INSULATION IN GENERAL
    • F16HGEARING
    • F16H61/00Control functions within control units of change-speed- or reversing-gearings for conveying rotary motion ; Control of exclusively fluid gearing, friction gearing, gearings with endless flexible members or other particular types of gearing
    • F16H2061/0075Control functions within control units of change-speed- or reversing-gearings for conveying rotary motion ; Control of exclusively fluid gearing, friction gearing, gearings with endless flexible members or other particular types of gearing characterised by a particular control method
    • F16H2061/0078Linear control, e.g. PID, state feedback or Kalman

Definitions

  • the present invention relates to an electric pump device.
  • an electric pump device which drives an oil pump by a motor to generate hydraulic pressure (see, for example, Patent Document 1).
  • Such an electric pump device is mounted, for example, on a vehicle having a so-called idle stop function that automatically stops the engine at the time of temporary stop, and hydraulically operates hydraulic devices such as a transmission mechanism at idle stop when the oil pump driven by the engine stops. To supply.
  • a control device provided in this kind of electric pump device supplies drive power to the motor by executing current feedback control so that the actual current value follows the current command value corresponding to the target hydraulic pressure. There is. And the hydraulic pressure generated by the oil pump is controlled through the supply of drive power to the motor.
  • the present invention has been made in view of the above-described circumstances, and an object thereof is to provide an electric pump device capable of generating a necessary hydraulic pressure quickly after starting and stably supplying the hydraulic pressure. To provide.
  • an oil pump for generating hydraulic pressure, a motor for driving the oil pump, and a control device for controlling the operation of the oil pump through supply of drive power to the motor are provided.
  • the control device includes a control signal output unit that outputs a motor control signal, and a drive circuit that outputs drive power based on the motor control signal, and the control signal output unit is a current command value corresponding to a target hydraulic pressure.
  • An electric pump device that generates the motor control signal by executing current feedback control so as to follow an actual current value supplied to the motor, the electric pump device further including a rotational state of the motor; A state determination unit that determines whether or not the necessary hydraulic pressure is supplied to the hydraulically operated device by maintaining the state; If it is determined that, the gist that a gain change unit for changing the gain of the current feedback control so lowers the responsiveness of the current feedback control.
  • the gain is changed to lower the responsiveness of the current feedback control, so that the state is not stable (for example, until the oil pressure reaches the target oil pressure after start-up) It is possible to suppress the instability of the rotation of the motor in the stable state while enhancing the response of the current feedback control in the start state of As a result, the required hydraulic pressure can be generated quickly at the time of start-up, and the hydraulic pressure can be stably supplied to the hydraulically-operated device, and the generation of abnormal noise and vibration can be suppressed.
  • a second aspect of the present invention is the electric pump device according to the first aspect, wherein the state determination unit determines whether or not the stable state is based on a parameter indicating a rotational state of the motor. It is a summary.
  • the control device executes the current feedback control, in the stable state where the necessary hydraulic pressure is supplied to the hydraulic device by maintaining the rotational state of the motor, the parameter indicating the rotational state of the motor changes too much I will not do. Therefore, it is possible to easily determine whether or not the motor is in the stable state by, for example, determining the amount of change or the like using the parameter indicating the rotational state of the motor as described above.
  • an electric pump device capable of generating a necessary hydraulic pressure quickly after being started and capable of stably supplying the hydraulic pressure.
  • FIG. 2 is a schematic configuration view showing a hydraulic circuit for supplying hydraulic pressure to the transmission mechanism.
  • FIG. 2 is a block diagram showing the electrical configuration of the electric pump device.
  • FIG. 2 is a block diagram showing an electrical configuration of a rotational position signal generation unit. The wave form diagram of the terminal voltage of a motor coil, and a rotation position signal. The flowchart which shows the processing procedure of gain change processing.
  • the electric pump device 1 shown in FIG. 1 is mounted on a vehicle (not shown) having a so-called idle stop function for automatically stopping the engine 2 when temporarily stopping.
  • the electric pump device 1 is a hydraulic circuit for supplying hydraulic pressure (hydraulic oil) to a transmission mechanism 4 (in the present embodiment, a continuously variable transmission) which is a hydraulic operation device, together with a main pump 3 driven by an engine 2. It is provided in 5. Then, hydraulic pressure is supplied to the transmission mechanism 4 as an alternative to the main pump 3 when the engine 2 is stopped, such as during idling stop.
  • the main pump 3 is drivingly connected to the engine 2, and by driving the engine 2, the main pump 3 sucks in hydraulic oil from the oil pan 11 and supplies hydraulic pressure to the transmission mechanism 4.
  • the electric pump device 1 includes an oil pump 12 for generating oil pressure, a motor 13 for driving the oil pump 12, and an EOPECU (a control device for controlling the operation of the oil pump 12 through supply of drive power to the motor 13).
  • EOP Electric Oil Pump
  • ECU Electronic Control Unit (14).
  • the motor pump 1 drives the oil pump 12 by the motor 13 to suck in the hydraulic oil from the oil pan 11 and supply the hydraulic pressure to the transmission mechanism 4.
  • the outlet oil passage 15 of the oil pump 12 is provided with a check valve 16 for inhibiting the backflow of the hydraulic oil at the time of its stop.
  • the vehicle is provided with a host ECU 18 that controls the operation of the engine 2 and the transmission mechanism 4.
  • the host ECU 18 receives various sensor values such as vehicle speed and accelerator opening, and the host ECU 18 controls the operation of the engine 2 and the transmission mechanism 4 based on the input state quantities. Do. For example, the host ECU 18 stops the engine 2 when it is determined that the predetermined stop condition is satisfied based on the vehicle speed, the accelerator opening degree, etc., and restarts the engine 2 when it is determined that the predetermined restart condition is satisfied. Execute idle stop control.
  • the EOPECU 14 is connected to the host ECU 18 and drives the motor 13 at idle stop based on a control signal (including a current command value I * described later) from the host ECU 18 to shift the oil pressure from the oil pump 12 It is configured to supply hydraulic pressure to the
  • the EOPECU 14 controls the drive circuit 21 that supplies three-phase (U, V, W) drive power to the motor 13 and the control that outputs the motor control signal to the drive circuit 21 to drive the motor 13.
  • the microcomputer 22 is provided as a signal output unit.
  • a sensorless type brushless motor is adopted as the motor 13.
  • the EOP ECU 14 operates the motor 13 by 120-degree square wave energization which switches the energized phase and the energization direction every 120 degrees (electrical angle). Supply drive power to
  • the drive circuit 21 is formed by connecting a plurality of FETs (field effect transistors) 23a to 23f as switching elements. Specifically, the drive circuit 21 is formed by connecting in series a series circuit of each set of FETs 23a and 23d, FETs 23b and 23e, and FETs 23c and 23f, and connects each of the FETs 23a and 23d, FETs 23b and 23e, and FETs 23c and 23f.
  • the points 24u, 24v, 24w are connected to the motor coils 25u, 25v, 25w of the respective phases of the motor 13, respectively.
  • the drive circuit 21 employs a known PWM inverter in which three switching arms corresponding to each phase are connected in parallel with the pair of switching elements connected in series as a basic unit (switching arm). There is.
  • the motor control signal output from the microcomputer 22 is a gate on / off signal that defines the switching state of each of the FETs 23a to 23f that constitute the drive circuit 21.
  • the FETs 23a to 23f are turned on / off in response to motor control signals applied to the respective gate terminals, and the conduction phase and the conduction direction (conduction pattern) to the motor coils 25u, 25v, 25w of each phase are switched.
  • the DC voltage of the on-vehicle power supply (battery) 26 is converted into three-phase drive power and is output to the motor 13.
  • EOPECU 14 in addition to the above-described host ECU 18, voltage sensors 27u, 27v, 27w for detecting terminal voltages Vu, Vv, Vw of motor coils 25u, 25v, 25w, and an actual current value I supplied to motor 13 A current sensor 28 is connected to detect the current.
  • the microcomputer 22 estimates the rotational position of the rotor 29 based on the terminal voltages Vu, Vv, Vw, and determines the energization pattern. Further, the microcomputer 22 executes current feedback control for causing the actual current value I to follow the current command value I * corresponding to the target hydraulic pressure output from the host ECU 18 at a ratio of the on time of each of the FETs 23a to 23f. Determine a certain duty ratio.
  • the host ECU 18 calculates the current command value I * based on the hydraulic pressure generated by the electric pump device 1 (oil pump 12), the engine speed, and the like. Then, the microcomputer 22 outputs a motor control signal having the determined energization pattern and duty ratio, thereby supplying three-phase drive power to the motor 13, and hydraulic pressure generated by the oil pump 12 through the supply of this drive power. Control.
  • the microcomputer 22 generates a rotational position signal S1 to S3 indicating the rotational position of the rotor 29 based on the terminal voltages Vu, Vv and Vw, the current command value I * and the actual value And a current feedback control unit 32 that generates a duty command value D * indicating a duty ratio based on the current value I. Further, the microcomputer 22 includes a motor control signal generation unit 33 which generates a motor control signal based on the rotational position signals S1 to S3 and the duty command value D *.
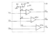
  • the rotational position signal generation unit 31 includes a voltage dividing circuit 41 formed by connecting in series two resistors R1 and R2 having the same resistance value, and a reference voltage V0 output from the voltage dividing circuit 41.
  • three comparators 42u, 42v, 42w that respectively compare the voltage 1/2 of the on-vehicle power supply 26 with the terminal voltages Vu, Vv, Vw are provided.
  • the comparators 42u, 42v, 42w output rotational position signals S1 to S3 to the motor control signal generator 33 based on the comparison between the terminal voltages Vu, Vv, Vw and the reference voltage V0.
  • the comparators 42u, 42v, 42w output “1 (high level)” as the rotational position signals S1 to S3.
  • “0 (low level)” is output as the rotational position signals S1 to S3.
  • the terminal voltages Vu, Vv, Vw differ in phase by 120 degrees, and the power supply voltage is detected in the 120 ° conduction section of the 180 ° electrical angle,
  • the induced voltage (counter electromotive force) generated in each of the motor coils 25 u, 25 v, 25 w is detected in the 60 ° rest zone where the energization is stopped.
  • the FETs 23a to 23f are switched from on to off, noise is generated due to parasitic diodes (not shown) of the FETs 23a to 23f.
  • the rotational position signals S1 to S3 change at the time when the terminal voltages Vu, Vv and Vw become the reference voltage V0 (zero cross point), and the noise is eliminated to reduce the noise according to the rotational position of the rotor 29 (101 It changes regularly in the following order:) ⁇ (100) ⁇ (110) ⁇ (010) ⁇ (011) ⁇ (001).
  • the current feedback control unit 32 receives the current command value I * and the actual current value I and calculates a current deviation ⁇ I, and a duty command value D based on the current deviation ⁇ I.
  • a feedback operation unit (F / B operation unit) 46 for operating * is provided.
  • the feedback calculation unit 46 calculates the duty command value D * by multiplying the input current deviation ⁇ I by a predetermined gain (PI gain) K. The larger the value of duty command value D *, the higher the duty ratio. Then, the current feedback control unit 32 outputs the duty command value D * thus calculated to the motor control signal generation unit 33.
  • Motor control signal generation unit 33 generates a conduction pattern corresponding to rotation position signals S1 to S3 input from rotation position signal generation unit 31, and a duty ratio indicated by duty command value D * input from current feedback control unit 32. Generating a motor control signal. Further, the motor control signal generation unit 33 measures the time interval between the zero cross points, that is, the time interval in which the rotor 29 rotates 60 electrical degrees and the signal pattern indicated by the rotational position signals S1 to S3 changes. Then, the generated motor control signal is output to each of the FETs 23a to 23f of the drive circuit 21 so that the energization pattern is switched when a predetermined switching time corresponding to the time interval has elapsed from the latest zero crossing point. As a result, three-phase drive power is supplied to the motor 13. In the present embodiment, the predetermined switching time is 1/2 of the time interval between the nearest zero crossing points.
  • the EOP ECU 14 passes the activated state until the hydraulic pressure generated by the oil pump 12 reaches the target hydraulic pressure after the motor 13 is activated, and maintains the rotational state of the motor 13 to shift the necessary hydraulic pressure to the transmission mechanism. It is determined whether it is in the stable state supplied to 4. Then, in the stable state, the gain K of the current feedback control is made lower than that in the starting state.
  • the current feedback control unit 32 of the microcomputer 22 includes a PI gain setting unit 51 that changes the gain K, and an angular velocity calculation unit that calculates the motor angular velocity (rotor angular velocity) ⁇ based on the rotational position signals S1 to S3. 52 are provided.
  • the actual current value I detected by the current sensor 28 and the motor angular velocity ⁇ calculated by the angular velocity calculation unit 52 are input to the PI gain setting unit 51.
  • the PI gain setting unit 51 sets the gain K to a high response gain K1 having high responsiveness of feedback control.
  • PI gain setting unit 51 determines whether or not the motor is in the stable state based on motor angular velocity ⁇ indicating the rotational state of motor 13 and actual current value I, and in the case of the stable state, gain K is set high. The response is changed to a low response gain K2 smaller than the response gain K1. That is, in the present embodiment, the PI gain setting unit 51 functions as a state determination unit and a gain change unit.
  • the PI gain setting unit 51 detects the motor angular velocity ⁇ and the actual current value I at a predetermined sampling cycle, and the memory 53 provided in the PI gain setting unit 51 actually detects one cycle earlier.
  • the current value I and the motor angular velocity ⁇ are stored.
  • PI gain setting unit 51 calculates variation amounts X and Y from the previous values (actual current value I and motor angular velocity ⁇ one cycle before) of actual current value I and motor angular velocity ⁇ , respectively, and these variation amounts It is determined whether or not X and Y are equal to or less than a predetermined ratio Xth and Yth of each previous value as a threshold.
  • the predetermined proportions Xth and Yth are set to about 10% of the previous values. Then, the PI gain setting unit 51 determines that the state is stable when the change amounts X and Y are less than or equal to the predetermined ratios Xth and Yth of the previous values continuously for a predetermined determination time, and the gain K is highly responsive. The gain K1 is changed to the low response gain K2. The angular velocity calculation unit 52 calculates the motor angular velocity ⁇ based on the time interval between the zero cross points.
  • step 101 determines whether the start flag indicating the start state is set or not (step 101). If the flag is set (step 101: YES), the value of the gain K is set to the high response gain K1 (step 102). In the initial state, the start flag is set. Subsequently, the actual current value I and the motor angular velocity ⁇ are obtained (step 103), and the actual current value I and the motor angular velocity ⁇ are stored in the memory 53 (step 104).
  • step 106 the previous values of the actual current value I and the motor angular velocity ⁇ are read out from the memory 53, and the change amounts X, Y and the predetermined rates Xth, Yth are calculated. It is determined whether it is the following or not (step 106).
  • step 106: NO When the change amount X is larger than the predetermined ratio Xth, or when the change amount Y is larger than the predetermined ratio Yth (step 106: NO), the microcomputer 22 continuously changes the change amounts X and Y by the predetermined ratio Xth and Yth, respectively. The continuation flag indicating that it is the following is cleared (step 107). On the other hand, if the change amounts X and Y are less than or equal to the predetermined ratios Xth and Yth, respectively (step 106: YES), it is determined whether the continuation flag is set (step 108).
  • step 108 NO
  • the continuation flag is set (step 109)
  • step 111: YES the microcomputer 22 determines that it is in the stable state, clears the start flag (step 113), and reduces the value of the gain K to a low response gain. It is set to K2 (step 114).
  • step 111: NO the processing of step 113 and step 114 is not executed. If the activation flag is not set (step 101: NO), the processes of steps 102 to 114 are not executed.
  • the microcomputer 22 determines whether the necessary hydraulic pressure is supplied to the transmission mechanism 4 by maintaining the rotational state of the motor 13 or not, and the gain of the current feedback control when it is in the stable state.
  • the PI gain setting unit 51 is provided to change K to a low response gain K2 smaller than the high response gain K1 set in the start state.
  • the gain K is changed to the low response gain K2 when determined to be in the stable state, so that the motor 13 rotates in the stable state while the same gain K is set to the high response gain K1 in the start state. Can be suppressed from becoming unstable.
  • the required hydraulic pressure can be generated quickly at the time of start-up, and the hydraulic pressure can be stably supplied to the transmission mechanism 4, and the generation of abnormal noise and vibration can be suppressed.
  • the electric pump device 1 of the present embodiment supplies hydraulic pressure at the time of idle stop when the vehicle is stopped, and the start and stop thereof are repeated. That is, since the operating state of the electric pump device 1 (motor 13) changes frequently, the gain K is changed as described above to improve the response in the start state and stabilize the rotation of the motor 13 in the stable state. The effect is great.
  • the PI gain setting unit 51 determines that the state is stable when the change amounts X and Y of the actual current value I and the motor angular velocity ⁇ are respectively less than or equal to predetermined ratios Xth and Yth for a predetermined determination time. I did it.
  • the microcomputer 22 executes the current feedback control, in the stable state, the actual current value I and the motor angular velocity ⁇ do not change much. Therefore, as in the above configuration, by using the actual current value I and the motor angular velocity ⁇ , it is possible to easily determine whether or not the stable state is accurately.
  • the motor 13 is constituted by a sensorless type brushless motor. Then, the EOPECU 14 estimates the rotational position of the rotor 29 based on the induced voltages generated in the motor coils 25 u, 25 v, 25 w, and supplies the motor 13 with three-phase drive power. According to the above configuration, since the rotation sensor such as the Hall element or the like whose performance largely changes depending on the temperature is not used, the operation of the motor 13 is accurately controlled even if the electric pump device 1 is disposed in a high temperature environment such as an engine chamber can do.
  • the energization pattern is switched when a predetermined switching time according to the time interval between the latest zero cross points has elapsed from the latest detected zero cross point. Therefore, the response is high, and when the motor angular velocity ⁇ fluctuates rapidly, the switching timing of the energization pattern may be largely deviated from the appropriate timing corresponding to the actual rotational position of the rotor 29, and a step out easily occurs. Become. Therefore, in the configuration in which a sensorless type brushless motor is adopted as the drive source of the oil pump 12 as in the present embodiment, the gain K is changed to the low response gain K2 in the stable state, so that the motor 13 in the stable state is The effect of stabilizing the rotation is great.
  • whether or not the stable state is determined using the actual current value I and the motor angular velocity ⁇ is not limited to this, for example, only one of the actual current value I and the motor angular velocity ⁇ It may be determined whether or not it is in the stable state using.
  • other parameters such as, for example, angular acceleration of the motor 13 may be used as parameters indicating the rotational state of the motor 13.
  • the present invention is not limited to this.
  • the hydraulic pressure generated by the oil pump 12 is detected by the hydraulic pressure sensor. It may be determined based on the detected hydraulic pressure whether or not it is in a stable state. For example, when the amount of change in hydraulic pressure to be detected continues for a predetermined determination time and is less than or equal to the threshold value, it can be determined that the state is stable.
  • a sensorless type brushless motor is employed as the motor 13.
  • the present invention is not limited thereto.
  • a brushless motor having a rotation sensor such as a Hall element for detecting the rotational position of the rotor 29 or a DC motor with a brush Etc. may be adopted.
  • the present invention is embodied in an electric pump device mounted on a vehicle having an idle stop function and supplying hydraulic pressure to the transmission mechanism.
  • the present invention is not limited to this, and may be embodied in, for example, an electric pump device for electronic hydraulic power steering (EHPS) and an electric pump used for other applications.
  • EHPS electronic hydraulic power steering
  • the state determination unit is in the stable state when the change amounts of the actual current value and the motor angular velocity are each less than or equal to a threshold for a predetermined determination time.
  • the motor is a sensorless type brushless motor
  • the control device is a motor
  • An electric pump device characterized in that drive power is supplied to the motor by estimating a rotational position of a rotor based on an induced voltage generated in a coil.
  • the rotational position of the rotor is estimated by detecting a point (zero cross point) at which the induced voltage of each motor coil becomes the reference potential. Then, when a predetermined switching time according to a time interval (motor angular velocity) between past zero cross points elapses from the detected zero cross point, the conduction phase and the conduction direction are switched to supply three-phase drive power. Therefore, the response is high, and when the motor angular velocity fluctuates rapidly, the switching timing of the energization pattern may be largely deviated from the appropriate timing corresponding to the actual rotational position of the rotor, and the step-out easily occurs. Therefore, the effect of stabilizing the rotation of the motor in the stable state by applying the first aspect is significant.
  • the oil pump supplies hydraulic oil to the hydraulically operated device.
  • a main pump driven by an engine in a hydraulic circuit for driving the oil pump, wherein the control device operates the oil pump to complement the hydraulic supply to the hydraulic operating device at idle stop.
  • Electric pump device According to the above configuration, the hydraulic pressure is supplied at the time of idle stop when the vehicle is stopped, and the start and stop of the electric pump device are repeated. That is, since the operating state of the electric pump device (of the motor) changes frequently, the first aspect is applied to improve the response in the start state and stabilize the rotation of the motor in the stable state. It is large.

Landscapes

  • Engineering & Computer Science (AREA)
  • General Engineering & Computer Science (AREA)
  • Mechanical Engineering (AREA)
  • Power Engineering (AREA)
  • Automation & Control Theory (AREA)
  • General Physics & Mathematics (AREA)
  • Physics & Mathematics (AREA)
  • Power Steering Mechanism (AREA)
  • Control Of Transmission Device (AREA)
  • Control Of Electric Motors In General (AREA)
  • Steering Control In Accordance With Driving Conditions (AREA)
  • Control Of Positive-Displacement Pumps (AREA)
  • Control Of Motors That Do Not Use Commutators (AREA)
PCT/JP2012/051485 2011-01-25 2012-01-25 電動ポンプ装置 Ceased WO2012102282A1 (ja)

Priority Applications (3)

Application Number Priority Date Filing Date Title
EP12739050.8A EP2670046A4 (en) 2011-01-25 2012-01-25 ELECTROPUMP
US13/981,435 US9322410B2 (en) 2011-01-25 2012-01-25 Electric pump device
CN201280006517.0A CN103329428B (zh) 2011-01-25 2012-01-25 电动泵设备

Applications Claiming Priority (2)

Application Number Priority Date Filing Date Title
JP2011013258A JP5787054B2 (ja) 2011-01-25 2011-01-25 電動ポンプ装置
JP2011-013258 2011-01-25

Publications (1)

Publication Number Publication Date
WO2012102282A1 true WO2012102282A1 (ja) 2012-08-02

Family

ID=46580847

Family Applications (1)

Application Number Title Priority Date Filing Date
PCT/JP2012/051485 Ceased WO2012102282A1 (ja) 2011-01-25 2012-01-25 電動ポンプ装置

Country Status (5)

Country Link
US (1) US9322410B2 (enExample)
EP (1) EP2670046A4 (enExample)
JP (1) JP5787054B2 (enExample)
CN (1) CN103329428B (enExample)
WO (1) WO2012102282A1 (enExample)

Families Citing this family (11)

* Cited by examiner, † Cited by third party
Publication number Priority date Publication date Assignee Title
JP6173720B2 (ja) 2013-03-05 2017-08-02 日立オートモティブシステムズ株式会社 モータの駆動装置
JP6237662B2 (ja) 2015-01-30 2017-11-29 株式会社アドヴィックス ブレーキ制御装置
JP6642144B2 (ja) * 2016-03-11 2020-02-05 コニカミノルタ株式会社 電源制御装置及び画像形成装置
JP7052387B2 (ja) * 2018-02-06 2022-04-12 株式会社ジェイテクト 電動ギヤポンプ
CN108622188B (zh) * 2018-04-28 2024-05-07 中通客车股份有限公司 一种新能源客车助力转向系统及控制方法
CN109842342B (zh) * 2019-01-11 2020-11-20 江苏大学 一种纯电动汽车用轮毂电机抗干扰智能控制器
CN109861618B (zh) * 2019-01-11 2020-11-20 江苏大学 混合动力汽车用bsg交流电机抗干扰复合控制器的构造方法
US20200313505A1 (en) * 2019-03-29 2020-10-01 Nidec Tosok Corporation Electric oil pump
CN110022091B (zh) * 2019-04-17 2020-11-20 辽宁石油化工大学 一种直流电机的恒转矩启动与过载智能保护方法及装置
JP7639580B2 (ja) * 2021-06-29 2025-03-05 ニデックパワートレインシステムズ株式会社 モータ制御装置および電動ポンプ装置
JP2023013162A (ja) * 2021-07-15 2023-01-26 Ntn株式会社 電動ポンプ装置、およびその制御方法

Citations (5)

* Cited by examiner, † Cited by third party
Publication number Priority date Publication date Assignee Title
JPH05168270A (ja) * 1991-12-10 1993-07-02 Seiko Epson Corp モータ回転速度制御回路および制御方式
JPH05240331A (ja) * 1992-02-24 1993-09-17 Toyota Motor Corp 車両用動力伝達装置の油圧制御装置
JPH10103476A (ja) * 1996-09-30 1998-04-21 Mazda Motor Corp 自動変速機の制御装置
JP2006280088A (ja) 2005-03-29 2006-10-12 Jtekt Corp ブラシレスモータ
JP2008148475A (ja) * 2006-12-12 2008-06-26 Mitsubishi Electric Corp 二重給電同期機の制御システム

Family Cites Families (8)

* Cited by examiner, † Cited by third party
Publication number Priority date Publication date Assignee Title
GB9416836D0 (en) 1994-08-19 1994-10-12 Automotive Products Plc Fluid pressure supply system
JP3666319B2 (ja) * 1999-09-29 2005-06-29 松下電器産業株式会社 モータの制御方法
JP3842150B2 (ja) 2002-03-08 2006-11-08 本田技研工業株式会社 車両制御装置
EP1616774A3 (en) * 2004-07-15 2007-08-08 NSK Ltd., Electric power steering apparatus
JP4124765B2 (ja) * 2004-12-02 2008-07-23 本田技研工業株式会社 油圧供給装置
US20080111633A1 (en) * 2006-11-09 2008-05-15 International Business Machines Corporation Systems and Arrangements for Controlling Phase Locked Loop
US20090087319A1 (en) * 2007-09-27 2009-04-02 Liquidynamics, Inc. Pump system including a variable frequency drive controller
JP2010259132A (ja) * 2009-04-21 2010-11-11 Panasonic Corp 電動機駆動装置およびこれを具備した空気調和装置

Patent Citations (5)

* Cited by examiner, † Cited by third party
Publication number Priority date Publication date Assignee Title
JPH05168270A (ja) * 1991-12-10 1993-07-02 Seiko Epson Corp モータ回転速度制御回路および制御方式
JPH05240331A (ja) * 1992-02-24 1993-09-17 Toyota Motor Corp 車両用動力伝達装置の油圧制御装置
JPH10103476A (ja) * 1996-09-30 1998-04-21 Mazda Motor Corp 自動変速機の制御装置
JP2006280088A (ja) 2005-03-29 2006-10-12 Jtekt Corp ブラシレスモータ
JP2008148475A (ja) * 2006-12-12 2008-06-26 Mitsubishi Electric Corp 二重給電同期機の制御システム

Non-Patent Citations (1)

* Cited by examiner, † Cited by third party
Title
See also references of EP2670046A4 *

Also Published As

Publication number Publication date
EP2670046A1 (en) 2013-12-04
US9322410B2 (en) 2016-04-26
EP2670046A4 (en) 2016-01-27
JP5787054B2 (ja) 2015-09-30
CN103329428B (zh) 2016-01-20
CN103329428A (zh) 2013-09-25
US20130309101A1 (en) 2013-11-21
JP2012157141A (ja) 2012-08-16

Similar Documents

Publication Publication Date Title
WO2012102282A1 (ja) 電動ポンプ装置
US9035588B2 (en) Brushless motor driving apparatus and brushless motor driving method
US8773060B2 (en) Brushless motor drive device and drive method
CN103023395B (zh) 无刷电机的驱动装置
WO2018016276A1 (ja) 電動オイルポンプ装置
US20190271303A1 (en) Electric Oil Pump Device
JP2012157141A5 (enExample)
JP2018061330A (ja) ブラシレスモータの制御装置及び制御方法
US20130280101A1 (en) Electric pump device
JP5724353B2 (ja) 電動ポンプ用ブラシレスモータの制御装置
JP6026763B2 (ja) スクロール圧縮機の制御方法及び装置
JP2013183550A (ja) ブラシレスモータの駆動装置
JP6244694B2 (ja) ブラシレスモータの制御装置
CN110798100B (zh) 电动马达的驱动装置以及电动泵装置
JP2021013290A (ja) モータ制御装置
JP6159852B2 (ja) ブラシレスモータの駆動装置
JP5960783B2 (ja) ブラシレスモータの駆動装置
JP5422526B2 (ja) ブラシレスモータの駆動装置
KR100720357B1 (ko) 모터 속도제어방법
JP2023122183A (ja) 電子制御装置
JP2021118579A (ja) モータ制御装置
JP2019126113A (ja) ブラシレスモータの制御装置及び制御方法

Legal Events

Date Code Title Description
121 Ep: the epo has been informed by wipo that ep was designated in this application

Ref document number: 12739050

Country of ref document: EP

Kind code of ref document: A1

WWE Wipo information: entry into national phase

Ref document number: 13981435

Country of ref document: US

NENP Non-entry into the national phase

Ref country code: DE

WWE Wipo information: entry into national phase

Ref document number: 2012739050

Country of ref document: EP