JP6435546B2 - 銅−ニッケル合金電気めっき装置 - Google Patents
銅−ニッケル合金電気めっき装置 Download PDFInfo
- Publication number
- JP6435546B2 JP6435546B2 JP2014212524A JP2014212524A JP6435546B2 JP 6435546 B2 JP6435546 B2 JP 6435546B2 JP 2014212524 A JP2014212524 A JP 2014212524A JP 2014212524 A JP2014212524 A JP 2014212524A JP 6435546 B2 JP6435546 B2 JP 6435546B2
- Authority
- JP
- Japan
- Prior art keywords
- chamber
- oxidation
- cathode chamber
- anode chamber
- reduction potential
- Prior art date
- Legal status (The legal status is an assumption and is not a legal conclusion. Google has not performed a legal analysis and makes no representation as to the accuracy of the status listed.)
- Active
Links
Images
Classifications
-
- C—CHEMISTRY; METALLURGY
- C25—ELECTROLYTIC OR ELECTROPHORETIC PROCESSES; APPARATUS THEREFOR
- C25D—PROCESSES FOR THE ELECTROLYTIC OR ELECTROPHORETIC PRODUCTION OF COATINGS; ELECTROFORMING; APPARATUS THEREFOR
- C25D21/00—Processes for servicing or operating cells for electrolytic coating
- C25D21/12—Process control or regulation
- C25D21/14—Controlled addition of electrolyte components
-
- C—CHEMISTRY; METALLURGY
- C25—ELECTROLYTIC OR ELECTROPHORETIC PROCESSES; APPARATUS THEREFOR
- C25D—PROCESSES FOR THE ELECTROLYTIC OR ELECTROPHORETIC PRODUCTION OF COATINGS; ELECTROFORMING; APPARATUS THEREFOR
- C25D17/00—Constructional parts, or assemblies thereof, of cells for electrolytic coating
- C25D17/02—Tanks; Installations therefor
-
- C—CHEMISTRY; METALLURGY
- C22—METALLURGY; FERROUS OR NON-FERROUS ALLOYS; TREATMENT OF ALLOYS OR NON-FERROUS METALS
- C22C—ALLOYS
- C22C19/00—Alloys based on nickel or cobalt
- C22C19/002—Alloys based on nickel or cobalt with copper as the next major constituent
-
- C—CHEMISTRY; METALLURGY
- C22—METALLURGY; FERROUS OR NON-FERROUS ALLOYS; TREATMENT OF ALLOYS OR NON-FERROUS METALS
- C22C—ALLOYS
- C22C19/00—Alloys based on nickel or cobalt
- C22C19/03—Alloys based on nickel or cobalt based on nickel
-
- C—CHEMISTRY; METALLURGY
- C22—METALLURGY; FERROUS OR NON-FERROUS ALLOYS; TREATMENT OF ALLOYS OR NON-FERROUS METALS
- C22C—ALLOYS
- C22C9/00—Alloys based on copper
- C22C9/06—Alloys based on copper with nickel or cobalt as the next major constituent
-
- C—CHEMISTRY; METALLURGY
- C25—ELECTROLYTIC OR ELECTROPHORETIC PROCESSES; APPARATUS THEREFOR
- C25D—PROCESSES FOR THE ELECTROLYTIC OR ELECTROPHORETIC PRODUCTION OF COATINGS; ELECTROFORMING; APPARATUS THEREFOR
- C25D17/00—Constructional parts, or assemblies thereof, of cells for electrolytic coating
-
- C—CHEMISTRY; METALLURGY
- C25—ELECTROLYTIC OR ELECTROPHORETIC PROCESSES; APPARATUS THEREFOR
- C25D—PROCESSES FOR THE ELECTROLYTIC OR ELECTROPHORETIC PRODUCTION OF COATINGS; ELECTROFORMING; APPARATUS THEREFOR
- C25D17/00—Constructional parts, or assemblies thereof, of cells for electrolytic coating
- C25D17/002—Cell separation, e.g. membranes, diaphragms
-
- C—CHEMISTRY; METALLURGY
- C25—ELECTROLYTIC OR ELECTROPHORETIC PROCESSES; APPARATUS THEREFOR
- C25D—PROCESSES FOR THE ELECTROLYTIC OR ELECTROPHORETIC PRODUCTION OF COATINGS; ELECTROFORMING; APPARATUS THEREFOR
- C25D17/00—Constructional parts, or assemblies thereof, of cells for electrolytic coating
- C25D17/008—Current shielding devices
-
- C—CHEMISTRY; METALLURGY
- C25—ELECTROLYTIC OR ELECTROPHORETIC PROCESSES; APPARATUS THEREFOR
- C25D—PROCESSES FOR THE ELECTROLYTIC OR ELECTROPHORETIC PRODUCTION OF COATINGS; ELECTROFORMING; APPARATUS THEREFOR
- C25D21/00—Processes for servicing or operating cells for electrolytic coating
- C25D21/06—Filtering particles other than ions
-
- C—CHEMISTRY; METALLURGY
- C25—ELECTROLYTIC OR ELECTROPHORETIC PROCESSES; APPARATUS THEREFOR
- C25D—PROCESSES FOR THE ELECTROLYTIC OR ELECTROPHORETIC PRODUCTION OF COATINGS; ELECTROFORMING; APPARATUS THEREFOR
- C25D21/00—Processes for servicing or operating cells for electrolytic coating
- C25D21/10—Agitating of electrolytes; Moving of racks
-
- C—CHEMISTRY; METALLURGY
- C25—ELECTROLYTIC OR ELECTROPHORETIC PROCESSES; APPARATUS THEREFOR
- C25D—PROCESSES FOR THE ELECTROLYTIC OR ELECTROPHORETIC PRODUCTION OF COATINGS; ELECTROFORMING; APPARATUS THEREFOR
- C25D21/00—Processes for servicing or operating cells for electrolytic coating
- C25D21/12—Process control or regulation
-
- C—CHEMISTRY; METALLURGY
- C25—ELECTROLYTIC OR ELECTROPHORETIC PROCESSES; APPARATUS THEREFOR
- C25D—PROCESSES FOR THE ELECTROLYTIC OR ELECTROPHORETIC PRODUCTION OF COATINGS; ELECTROFORMING; APPARATUS THEREFOR
- C25D3/00—Electroplating: Baths therefor
- C25D3/02—Electroplating: Baths therefor from solutions
- C25D3/56—Electroplating: Baths therefor from solutions of alloys
- C25D3/562—Electroplating: Baths therefor from solutions of alloys containing more than 50% by weight of iron or nickel or cobalt
-
- C—CHEMISTRY; METALLURGY
- C25—ELECTROLYTIC OR ELECTROPHORETIC PROCESSES; APPARATUS THEREFOR
- C25D—PROCESSES FOR THE ELECTROLYTIC OR ELECTROPHORETIC PRODUCTION OF COATINGS; ELECTROFORMING; APPARATUS THEREFOR
- C25D3/00—Electroplating: Baths therefor
- C25D3/02—Electroplating: Baths therefor from solutions
- C25D3/56—Electroplating: Baths therefor from solutions of alloys
- C25D3/58—Electroplating: Baths therefor from solutions of alloys containing more than 50% by weight of copper
-
- C—CHEMISTRY; METALLURGY
- C25—ELECTROLYTIC OR ELECTROPHORETIC PROCESSES; APPARATUS THEREFOR
- C25D—PROCESSES FOR THE ELECTROLYTIC OR ELECTROPHORETIC PRODUCTION OF COATINGS; ELECTROFORMING; APPARATUS THEREFOR
- C25D5/00—Electroplating characterised by the process; Pretreatment or after-treatment of workpieces
- C25D5/08—Electroplating with moving electrolyte e.g. jet electroplating
-
- C—CHEMISTRY; METALLURGY
- C25—ELECTROLYTIC OR ELECTROPHORETIC PROCESSES; APPARATUS THEREFOR
- C25D—PROCESSES FOR THE ELECTROLYTIC OR ELECTROPHORETIC PRODUCTION OF COATINGS; ELECTROFORMING; APPARATUS THEREFOR
- C25D5/00—Electroplating characterised by the process; Pretreatment or after-treatment of workpieces
- C25D5/60—Electroplating characterised by the structure or texture of the layers
- C25D5/605—Surface topography of the layers, e.g. rough, dendritic or nodular layers
- C25D5/611—Smooth layers
-
- C—CHEMISTRY; METALLURGY
- C25—ELECTROLYTIC OR ELECTROPHORETIC PROCESSES; APPARATUS THEREFOR
- C25D—PROCESSES FOR THE ELECTROLYTIC OR ELECTROPHORETIC PRODUCTION OF COATINGS; ELECTROFORMING; APPARATUS THEREFOR
- C25D5/00—Electroplating characterised by the process; Pretreatment or after-treatment of workpieces
- C25D5/627—Electroplating characterised by the visual appearance of the layers, e.g. colour, brightness or mat appearance
Landscapes
- Chemical & Material Sciences (AREA)
- Engineering & Computer Science (AREA)
- Materials Engineering (AREA)
- Metallurgy (AREA)
- Organic Chemistry (AREA)
- Chemical Kinetics & Catalysis (AREA)
- Electrochemistry (AREA)
- Mechanical Engineering (AREA)
- Automation & Control Theory (AREA)
- Electroplating Methods And Accessories (AREA)
- Electroplating And Plating Baths Therefor (AREA)
Description
(1)銅とニッケルの析出電位が約0.6V離れており、銅が優先的に析出してしまうこと、
(2)めっき浴が不安定で金属水酸化等の不溶性化合物を生じてしまうこと、
(3)通電によりめっき組成が変動、均一組成の皮膜が安定して得られないこと、
(4)液寿命が短いこと、
などが挙げられる。
また、このように構成された本発明によれば、陰極室と陰極室酸化還元電位調整槽のめっき液、及び陽極室と陽極室酸化還元電位調整槽のめっき液が循環装置により循環されるので、陰極側及び陽極側のめっき液を夫々均一に維持することができ、均一なめっき皮膜を得ることができる。
さらに、このように構成された本発明によれば、陰極室及び陽極室内の酸化還元電位を正確に適正値に維持することができる。
このように構成された本発明によれば、隔膜を安価に構成することができる。
このように構成された本発明によれば、良好な銅−ニッケル合金電気めっき皮膜を得ることができる。
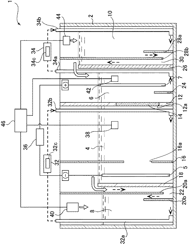
図1は、本発明の第1実施形態による銅−ニッケル合金電気めっき装置の断面図である。
また、陰極室4内には陰極5(被めっき物)が、陽極室6内には陽極7が、めっき液に浸漬されるように夫々配置される。
隔膜14は、陰極室4と陽極室6を通電可能に仕切るように構成されている。隔膜14としては、ポリエステル、ポリプロピレン、カネカロン、サラン、PTFE等の布、または中性隔膜として、ポリエチレンテレフタレート樹脂基材でポリフッ化ビニリデン樹脂酸化チタン/ショ糖脂肪酸エステル膜材のもの等、またはイオン交換膜として、カチオン交換膜を使用することができる。
本実施形態の銅−ニッケル合金電気めっき装置1には、酸化還元電位を調整するための構成として、陰極室電位測定装置38と、陰極室調整剤添加装置40と、陽極室電位測定装置42と、陽極室調整剤添加装置44と、陰極室調整剤添加装置40及び陽極室調整剤添加装置44に接続された制御部46が備えられている。
陰極室調整剤添加装置40は、陰極室酸化還元電位調整槽8内のめつき液に酸化還元電位調整剤を添加するように構成されている。
同様に、陽極室電位測定装置42は、陽極室6内に配置され、陽極室6内のめっき液の酸化還元電位を測定するように構成されている。
陽極室調整剤添加装置44は、陽極室酸化還元電位調整槽10内のめつき液に酸化還元電位調整剤を添加するように構成されている。
この制御部46による酸化還元電位の調整は、銅−ニッケル合金電気めっき装置1の作動中、常時実施される。
図2は、本発明の第2実施形態による銅−ニッケル合金電気めっき装置の断面図である。上述した第1実施形態においては、陰極室4と陰極室酸化還元電位調整槽8、陽極室6と陽極室酸化還元電位調整槽10が夫々隣接して配置され、オーバーフローさせることによりめっき液を循環させていたが、本実施形態においては酸化還元電位調整槽が分離されている点が第1実施形態とは異なる。従って、ここでは、本発明の第2実施形態の、第1実施形態とは異なる点を説明し、同様の構成、作用、効果については説明を省略する。
また、陰極室104内には陰極105(被めっき物)が、陽極室106内には陽極107が、めっき液に浸漬されるように夫々配置される。
一方、陽極室106内には、隔壁112と陽極107の間にスラッジ堤防124が設けられている。スラッジ堤防124は、陽極室106の底面から所定の高さまで延びる壁により構成され、沈積したスラッジが隔壁112の方へ移動するのを防止している。
本実施形態において使用される銅−ニッケル合金電気めっき浴は、(a)銅塩及びニッケル塩、(b)金属錯化剤、(c)導電性付与塩、(d)含硫黄有機化合物、及び(e)酸化還元電位調整剤を含有してなる。
銅塩としては、硫酸銅、ハロゲン化第二銅、スルファミン酸銅、メタンスルホン酸銅、酢酸第二銅、塩基性炭酸銅などが挙げられるがこれに限定されない。これらの銅塩は、単独で使用してもよく、又は2種以上を混合して使用してもよい。ニッケル塩としては、硫酸ニッケル、ハロゲン化ニッケル、塩基性炭酸ニッケル、スルファミン酸ニッケル、酢酸ニッケル、メタンスルホン酸ニッケルなどが挙げられるがこれに限定されない。これらのニッケル塩は、単独で使用してもよく、又は2種以上を混合して使用してもよい。銅塩とニッケル塩のめっき浴中の濃度は、求められるめっき皮膜の組成により種々選定する必要があるが、銅イオンとして好ましくは0.5〜40g/L、より好ましくは2〜30g/Lであり、ニッケルイオンとして好ましくは0.25〜80g/L、より好ましくは0.5〜50g/Lである。また、めっき浴中の銅イオンとニッケルイオンの合計濃度は、好ましくは0.0125〜2.0モル/L、より好ましくは0.04〜1.25モル/Lである。
金属錯化剤は銅及びニッケルである金属を安定化させる。金属錯化剤としては、モノカルボン酸、ジカルボン酸、ポリカルボン酸、オキシカルボン酸、ケトカルボン酸、アミノ酸、アミノカルボン酸、及びこれらの塩などが挙げられるがこれに限定されない。具体的には、マロン酸、マレイン酸、コハク酸、トリカルバリル酸、クエン酸、酒石酸、リンゴ酸、グルコン酸、2−スルホエチルイミノ−N,N−ジ酢酸、イミノジ酢酸、ニトリロトリ酢酸、EDTA、トリエチレンジアミンテトラ酢酸、ヒドロキシエチルイミノジ酢酸、グルタミン酸、アスパラギン酸、β−アラニン−N,N−ジ酢酸などが挙げられる。これらの中でも、好ましくはマロン酸、クエン酸、リンゴ酸、グルコン酸、EDTA、ニトリロトリ酢酸、グルタミン酸である。また、これらカルボン酸の塩としては、マグネシウム塩、ナトリウム塩、カリウム塩、アンモニウム塩などが挙げられるがこれに限定されない。これらの金属錯化剤は、単独で使用してもよく、又は2種以上を混合して使用してもよい。金属錯化剤のめっき浴中の濃度は、好ましくは浴中金属イオン濃度(モル濃度)の0.6〜2倍、より好ましくは0.7〜1.5倍である。
導電性付与塩は、銅−ニッケル合金電気めっき浴に電導性を付与する。本発明において、導電性付与塩としては、無機ハロゲン化塩、無機硫酸塩、低級アルカン(好ましくは、C 1〜4)スルホン酸塩、及びアルカノール(好ましくは、C 1〜4)スルホン塩が挙げられる。
無機ハロゲン化塩としては、マグネシウム、ナトリウム、カリウム、アンモニウムの塩化塩、臭化塩、ヨウ化塩などが挙げられるがこれに限定されない。これらの無機ハロゲン化塩は、単独で使用してもよく、又は2種以上を混合して使用してもよい。無機ハロゲン化塩のめっき浴中の濃度は、好ましくは0.1〜2モル/L、より好ましくは0.2〜1モル/Lである。
無機硫酸塩としては、硫酸マグネシウム、硫酸ナトリウム、硫酸カリウム、硫酸アンモニウムなどが挙げられるがこれに限定されない。これらの無機硫酸塩は、単独で使用してもよく、又は2種以上を混合して使用してもよい。
低級アルカンスルホン酸塩及びアルカノールスルホン塩としては、マグネシウム塩、ナトリウム塩、カリウム塩、アンモニウム塩などが挙げられ、より具体的には、メタンスルホン酸、2−ヒドロキシプロパンスルホン酸のマグネシウム、ナトリウム、カリウム、アンモニウム塩などが挙げられるがこれに限定されない。これらのスルホン酸塩は、単独で使用してもよく、又は2種以上を混合して使用してもよい。
硫酸塩及び/又は前記スルホン酸塩のめっき浴中の濃度は、好ましくは0.25〜1.5モル/L、より好ましくは0.5〜1.25モル/Lである。
また、導電性付与塩として、互いに異なる複数の導電性付与塩を用いると、さらに効果的である。好ましくは導電性付与塩として、無機ハロゲン化塩と、無機硫酸塩及び前記スルホン酸塩からなる群より選ばれる塩とを含有させるとよい。
含硫黄有機化合物としては、好ましくはジスルフィド化合物、含硫アミノ酸、ベンゾチアゾリルチオ化合物、及びそれらの塩からなる群より選ばれる化合物が挙げられる。
ジスルフィド化合物としては、一般式(I)で表されるジスルフィド化合物などが挙げられるがこれに限定されない。
A−R1−S−S−R2−A (I)
(式中、R1及びR2は炭化水素基を表し、AはSO3Na基、SO3H基、OH基、NH2基又はNO2基を表す。)
式中、好ましい炭化水素基はアルキレン基であり、より好ましくは炭素数1〜6のアルキレン基である。ジスルフィド化合物の具体例としては、ビスソディウムスルホエチルジスルフィド、ビスソディウムスルホプロピルジスルフィド、ビスソディウムスルホペンチルジスルフィド、ビスソディウムスルホヘキシルジスルフィド、ビススルホエチルジスルフィド、ビススルホプロピルジスルフィド、ビススルホペンチルジスルフィド、ビスアミノエチルジスルフィド、ビスアミノプロピルジスルフィド、ビスアミノブチルジスルフィド、ビスアミノペンチルジスルフィド、ビスヒドロキシエチルジスルフィド、ビスヒドロキシプロピルジスルフィド、ビスヒドロキシブチルジスルフィド、ビスヒドロキシペンチルジスルフィド、ビスニトロエチルジスルフィド、ビスニトロプロピルジスルフィド、ビスニトロブチルジスルフィド、ソディウムスルホエチルプロピルジスルフィド、スルホブチルプロピルジスルフィドなどが挙げられるがこれに限定されない。これらのジスルフィド化合物のなかでも、ビスソディウムスルホプロピルジスルフィド、ビスソディウムスルホブチルジスルフィド、ビスアミノプロピルジスルフィドが好ましい。
含硫アミノ酸としては、一般式(II)で表される含硫アミノ酸などが挙げられるがこれに限定されない。
R−S−(CH2)nCHNHCOOH (II)
(式中、Rは炭化水素基、−H又は−(CH2)nCHNHCOOHを表し、nはそれぞれ独立に1〜50である。)
式中、好ましい炭化水素基はアルキル基であり、より好ましくは炭素数1〜6のアルキル基である。含硫アミノ酸の具体例としては、メチオニン、シスチン、システイン、エチオニン、シスチンジスルホキシド、シスタチオニンなどが挙げられるがこれに限定されない。
ベンゾチアゾリルチオ化合物としては、一般式(III)で表されるベンゾチアゾリル化合物などが挙げられるがこれに限定されない。
(式中、Rは炭化水素基、−H又は−(CH2)nCOOHを表す。)
式中、好ましい炭化水素基はアルキル基であり、より好ましくは炭素数1〜6のアルキル基である。また、n=1〜5である。ベンゾチアゾリルチオ化合物の具体例としては、2−ベンゾチアゾリルチオ酢酸、3−(2−ベンゾチアゾリルチオ)プロピオン酸などが挙げられるがこれに限定されない。また、その塩としては、硫酸塩、ハロゲン化塩、メタンスルホン酸塩、スルファミン酸塩、酢酸塩などが挙げられるがこれに限定されない。
これらのジスルフィド化合物、含硫アミノ酸、ベンゾチアゾリルチオ化合物及びそれらの塩は、単独で使用してもよく、又は2種以上を混合して使用してもよい。ジスルフィド化合物、含硫アミノ酸、ベンゾチアゾリルチオ化合物及びそれらの塩からなる群より選ばれる化合物のめっき浴中の濃度は、好ましくは0.01〜10g/L、より好ましくは0.05〜5g/Lである。
スルホン酸化合物及びその塩としては、芳香族スルホン酸、アルケンスルホン酸、アルキンスルホン酸、及びそれらの塩などが挙げられるがこれに限定されない。具体的には、1,5−ナフタレンジスルホン酸ナトリウム、1,3,6−ナフタレントリスルホン酸ナトリウム、2−プロペン−1−スルホン酸ナトリウムなどが挙げられるがこれに限定されない。
スルフィミド化合物及びその塩としては、安息香酸スルフィミド(サッカリン)及びその塩などが挙げられるがこれに限定されない。具体的には、サッカリンナトリウムなどが挙げられるがこれに限定されない。
スルファミン酸化合物及びその塩としては、アセスルファムカリウム、N−シクロヘキシルスルファミン酸ナトリウムなどが挙げられるがこれに限定されない。
スルホンアミド及びその塩としては、パラトルエンスルホンアミドなどが挙げられるがこれに限定されない。
これらのスルホン酸化合物、スルフィミド化合物、スルファミン酸化合物、スルホンアミド、及びそれらの塩は、単独で使用してもよく、又は2種以上を混合して使用してもよい。スルホン酸化合物、スルフィミド化合物、スルファミン酸化合物、スルホンアミド、及びそれらの塩からなる群より選ばれる化合物のめっき浴中の濃度は、好ましくは0.2〜5g/L、より好ましくは0.4〜4g/Lである。
酸化還元電位調整剤は、好ましくは酸化剤であり、例えば無機系乃至有機系の酸化剤である。このような酸化剤としは、例えば過酸化水素水、水溶性オキソ酸及びその塩が挙げられる。水溶性オキソ酸及びその塩には無機系及び有機系オキソ酸が含まれる。
陰極(被めっき物)と陽極間で通電して電気めっきする際に、陰極で2価銅イオンは還元反応により金属銅として析出し、次いで析出した金属銅は溶解反応等により1価の銅イオンを生成する。そして、このような1価銅イオンの生成により、めっき浴の酸化還元電位は低下する。ORP調整剤は、1価銅イオンを酸化して2価銅イオンとすることでめっき浴の酸化還元電位の低下を防止する1価銅イオンの酸化剤として作用するものと推測される。
好ましい無機系オキソ酸としては、次亜塩素酸、亜塩素酸、塩素酸、過塩素酸、臭素酸等のハロゲンオキソ酸及びそれらのアルカリ金属塩、硝酸及びそのアルカリ金属塩、並びに過硫酸及びそのアルカリ金属塩が挙げられる。
好ましい有機系オキソ酸及びその塩としては、3−ニトロベンゼンスルホン酸ナトリウム等の芳香族スルホン酸塩、過酢酸ナトリウム等の過カルボン酸塩が挙げられる。
またPH緩衝剤として用いられる水溶性の無機、有機化合物およびそれらのアルカリ金属塩もORP調整剤として使用できる。このようなORP調整剤としては、好ましくはホウ酸、リン酸、炭酸、及びそれらのアルカリ金属塩など、またギ酸、酢酸、コハク酸等のカルボン酸及びそれらのアルカリ金属塩などが挙げられる。
このようなORP調整剤は各々単独で用いてもよく、また2種以上混合して用いてもよい。ORP調整剤が酸化剤の場合、添加量としては、通常、0.01〜5g/Lの範囲、好ましくは0.05〜2g/Lの範囲で用いられる。また、ORP調整剤がPH緩衝剤の場合は、通常、2〜60g/Lの範囲、好ましくは5〜40g/Lの範囲で用いられる。
浴中の酸化還元電位(ORP)が20mV(vs.Ag/AgCl)以下になると、めっきの析出が粗くなり凹凸のある表面となる。なお、浴中の酸化還元電位(ORP)の上限に制限はないが、350mV(vs.Ag/AgCl)以上では、浴中に含有されている有機物、即ち、(b)金属錯化剤、(d)含硫黄有機化合物等に影響を及ぼし、それらの効果が低下することがあるので好ましくない。
水溶性界面活性剤としては、イオン性に関係なく、アニオン界面活性剤、カチオン界面活性剤、両性界面活性剤、ノニオン界面活性剤のうちいずれも使用可能であるが、好ましくはノニオン界面活性剤である。エチレンオキサイド若しくはプロピレンオキサイドの重合基、又はエチレンオキサイドとプロピレンオキサイドの共重合基を有するが、それらの重合度は5〜250、好ましくは10〜150である。これらの水溶性界面活性剤は、単独で使用してもよく、又は2種以上を混合して使用してもよい。水溶性界面活性剤のめっき浴中の濃度は、好ましくは0.05〜5g/L、より好ましくは0.1〜2g/Lである。
水溶性合成高分子としては、グリシジルエーテルと多価アルコールとの反応生成物が挙げられる。グリシジルエーテルと多価アルコールとの反応生成物は、銅−ニッケル合金電気めっき皮膜を緻密化させ、さらにめっき組成の均一化に効果がある。
グリシジルエーテルと多価アルコールとの反応生成物の反応原料であるグリシジルエーテルとしては、分子内に二個以上のエポキシ基を含有するグリシジルエーテル、及び分子内に一個以上の水酸基と一個以上のエポキシ基とを含有するグリシジルエーテルなどが挙げられるがこれに限定されない。具体的には、グリシドール、グリセロールポリグリシジルエーテル、エチレングリコールジグリシジルエーテル、ポリエチレングリコールジグリシジルエーテル、ポリプロピレングリコールジグリシジルエーテル、ソルビトールポリグリシジルエーテルなどである。
多価アルコールとしては、エチレングリコール、プロピレングリコール、スリセリン、ポリグリセリンなどが挙げられるがこれに限定されない。
グリシジルエーテルと多価アルコールとの反応生成物は、好ましくはグリシジルエーテルのエポキシ基と多価アルコールの水酸基の縮合反応により得られる水溶性重合物である。
これらのグリシジルエーテルと多価アルコールとの反応生成物は、単独で使用してもよく、又は2種以上を混合して使用してもよい。グリシジルエーテルと多価アルコールとの反応生成物のめっき浴中の濃度は、好ましくは0.05〜5g/L、より好ましくは0.1〜2g/Lである。
電気めっきをする際には、陽極として、カーボン、白金、白金めっきしたチタン、酸化インジウムを被覆したチタンなどの不溶解性陽極を使用することができる。また、銅、ニッケル、銅−ニッケル合金、銅とニッケルを併用した可溶性陽極なども使用できる。
さらに、本実施形態における電気めっきにおいては、めっき槽中の、被めっき基板(陰極)と陽極電極が隔膜14により分離されている。隔膜14としては、好ましくは中性隔膜あるいはイオン交換膜である。中性隔膜としては、ポリエチレンテレフタレート樹脂基材でポリフッ化ビニリデン樹脂酸化チタン/ショ糖脂肪酸エステル膜材のものなどを挙げることができる。また、イオン交換膜としては、カチオン交換膜が適している。
本実施形態における銅−ニッケル合金電気めっき浴により、析出金属皮膜の銅/ニッケル組成比率が5/95〜99/1の任意の組成のめっき皮膜を得ることができるが、好ましくは20/80〜98/2であり、より好ましくは40/60〜95/5である。
陰極電流密度は、通常0.01〜10A/dm2、好ましくは0.1〜8.0A/dm2である。
めっき時間は要求されるめっきの膜厚、電流条件にもよるが、通常1〜1200分の範囲、好ましくは15〜800分の範囲である。
浴温は、通常15〜70℃、好ましくは20〜60℃である。浴の撹拌は、エアー、液流、カソードロッカー、パドル(以上、図示せず)などの機械的な液撹拌を行うことができる。膜厚は、広い範囲のものが可能であるが、一般に0.5〜100μm、好ましくは3〜50μmである。
なお、評価用として使用した試験片の、銅ストライクめっきの膜厚は、銅−ニッケル合金電気めっきの膜厚に比べ極端に薄く、銅−ニッケル合金電気めっきの膜厚及び合金組成への影響は無視できるレベルである。
次に、表−1に示すめっき液を
(1)陽極室6と陰極室4の間に隔膜14(ポリプロピレン製の布)を設置しためっき槽2に入れ、
(2)陽極室6に銅板陽極(陽極7)を、陰極室4に上記試験片(被めっき物)を設置し、
(3)陽極室6と陽極室酸化還元電位調整槽10との循環濾過を行い、更に、
(4)陰極室4と陰極室酸化還元電位調整槽8との循環濾過を行い、
(5)陽極室酸化還元電位調整槽10、及び陰極室酸化還元電位調整槽8により酸化還元電位(ORP)を調整しながら、
陰極と陽極間で通電し、表−2の条件でめっきを行った。得られためっきの膜厚と合金組成、めっき表面状態、及びめっき外観評価(色調、平滑性及び光沢性を含む)の結果を表−3に示す。
なお、本実施例では、酸化還元電位(ORP)調整のための薬品として、過酸化水素水を使用した。
(1)めっきの膜厚は、蛍光X線分析装置により測定した。
(2)めっきの合金組成は、めっき断面の合金組成をエネルギー分散型X線分析装置で測定し、めっき皮膜の均一性の評価を行った。
(3)めっき表面状態は走査型電子顕微鏡で観察し、評価した。
(4)めっき外観は、目視にて観察した。
(1)陽極室6、陽極室酸化還元電位調整槽10、陰極室4、陰極室酸化還元電位調整槽8の4つの室に分割されていない、単一槽に入れ、
(2)陽極に銅板を設置し、陰極に実施例で使用したものと同様の上記の試験片を設置し、陰極と陽極間で通電し、表−5の条件でめっきを行った。得られためっきの膜厚と合金組成、めっき表面状態、及びめっき外観評価(色調、平滑性及び光沢性を含む)の結果を表−6に示す。
ニッケル塩種:スルファミン酸ニッケル(実施例1)、硫酸ニッケル(実施例4)、酢酸ニッケル(実施例2)、メタンスルホン酸ニッケル(実施例3)
pH調整剤:水酸化ナトリウム(実施例1、2、及び3)、水酸化カリウム(実施例4)
ニッケル塩種:スルファミン酸ニッケル(比較例1)、硫酸ニッケル(比較例4)、酢酸ニッケル(比較例2)、メタンスルホン酸ニッケル(比較例3)
pH調整剤:水酸化ナトリウム(比較例1、2、及び3)、水酸化カリウム(比較例4)
2 めっき槽
4 陰極室
5 陰極(被めっき物)
6 陽極室
7 陽極
8 陰極室酸化還元電位調整槽
10 陽極室酸化還元電位調整槽
12 隔壁
12a 開口部
14 隔膜
16 陰極側遮蔽板
18 陰極室堰部
20a、20b 仕切壁
22 折り返し通路
24 スラッジ堤防
26 陽極室堰部
28a、28b 仕切壁
30 折り返し通路
32 陰極室移送装置
32a 陰極室吸込パイプ
32b 陰極室吐出パイプ
32c 陰極室濾過装置
34 陽極室移送装置
34a 陽極室吸込パイプ
34b 陽極室吐出パイプ
34c 陽極室濾過装置
36 電源部
38 陰極室電位測定装置
40 陰極室調整剤添加装置
42 陽極室電位測定装置
44 陽極室調整剤添加装置
46 制御部
100 本発明の第2実施形態の銅−ニッケル合金電気めっき装置
102 めっき槽本槽
104 陰極室
105 陰極(被めっき物)
106 陽極室
107 陽極
108 陰極室酸化還元電位調整槽
110 陽極室酸化還元電位調整槽
112 隔壁
112a 開口部
114 隔膜
116 陰極側遮蔽板
116a 開口部
124 スラッジ堤防
132 陰極室第1移送装置
132a 陰極室吸込パイプ
132b 陰極室吐出パイプ
133 陰極室第2移送装置
133a 陰極室吸込パイプ
133b 陰極室吐出パイプ
134 陽極室第1移送装置
134a 陽極室吸込パイプ
134b 陽極室吐出パイプ
135 陽極室第2移送装置
135a 陽極室吸込パイプ
135b 陽極室吐出パイプ
138 陰極室電位測定装置
140 陰極室調整剤添加装置
142 陽極室電位測定装置
144 陽極室調整剤添加装置
146 制御部
147 陰極室酸化還元電位調整槽撹拌器
148 陽極室酸化還元電位調整槽撹拌器
Claims (5)
- 銅−ニッケル合金電気めっき装置であって、
被めっき物を内部に配置する陰極室と、
陽極室と、
この陽極室の内部に配置された陽極と、
上記陰極室と上記陽極室を隔てるように配置された、通電可能な隔膜と、
上記陰極室内のめっき液の酸化還元電位を調整するための陰極室酸化還元電位調整槽と、
上記陽極室内のめっき液の酸化還元電位を調整するための陽極室酸化還元電位調整槽と、
上記被めっき物と上記陽極の間に電流を流す電源部と、
上記陰極室内及び上記陰極室酸化還元電位調整槽内のめっき液を循環させる陰極室循環装置と、
上記陽極室内及び上記陽極室酸化還元電位調整槽内のめっき液を循環させる陽極室循環装置と、
上記陰極室内のめっき液の酸化還元電位を測定する陰極室電位測定装置と、
上記陽極室内のめっき液の酸化還元電位を測定する陽極室電位測定装置と、
上記陰極室酸化還元電位調整槽に酸化還元電位調整剤を添加する陰極室調整剤添加装置と、
上記陽極室酸化還元電位調整槽に酸化還元電位調整剤を添加する陽極室調整剤添加装置と、
上記陰極室電位測定装置によって測定された酸化還元電位、及び上記陽極室電位測定装置によって測定された酸化還元電位に基づいて、上記陰極室調整剤添加装置及び上記陽極室調整剤添加装置を制御する制御部と、
を有することを特徴とする電気めっき装置。 - 上記隔膜は、ポリエステル、ポリプロピレン、カネカロン、サラン又はPTFE製の布、中性隔膜、又はイオン交換膜である請求項1記載の電気めっき装置。
- 上記陰極室循環装置は、上記陰極室内のめっき液を上記陰極室酸化還元電位調整槽にオーバーフローさせる陰極室堰部と、上記陰極室酸化還元電位調整槽内のめっき液を上記陰極室に移送する陰極室移送装置と、この陰極室移送装置によって移送されるめっき液を濾過する陰極室濾過装置と、を備え、
上記陽極室循環装置は、上記陽極室酸化還元電位調整槽内のめっき液を上記陽極室にオーバーフローさせる陽極室堰部と、上記陽極室内のめっき液を上記陽極室酸化還元電位調整槽に移送する陽極室移送装置と、この陽極室移送装置によって移送されるめっき液を濾過する陽極室濾過装置と、を備えている請求項1又は2記載の電気めっき装置。 - 上記陰極室循環装置は、上記陰極室内のめっき液を上記陰極室酸化還元電位調整槽に移送する陰極室第1移送装置と、上記陰極室酸化還元電位調整槽内のめっき液を上記陰極室に移送する陰極室第2移送装置と、上記陰極室と上記陰極室酸化還元電位調整槽の間で循環されるめっき液を濾過する陰極室濾過装置と、を備え、
上記陽極室循環装置は、上記陽極室酸化還元電位調整槽内のめっき液を上記陽極室に移送する陽極室第1移送装置と、上記陽極室内のめっき液を上記陽極室酸化還元電位調整槽に移送する陽極室第2移送装置と、上記陽極室と上記陽極室酸化還元電位調整槽の間で循環されるめっき液を濾過する陽極室濾過装置と、を備えている請求項1又は2記載の電気めっき装置。 - さらに、上記陰極室、上記陽極室、上記陰極室酸化還元電位調整槽、及び上記陽極室酸化還元電位調整槽に収容された銅−ニッケル合金電気めっき液を有し、この銅−ニッケル合金電気めっき液が、(a)銅塩及びニッケル塩、(b)金属錯化剤、(c)導電性付与塩、及び(d)含硫黄有機化合物、を含有する請求項1乃至4の何れか1項に記載の電気めっき装置。
Priority Applications (13)
| Application Number | Priority Date | Filing Date | Title |
|---|---|---|---|
| JP2014212524A JP6435546B2 (ja) | 2014-10-17 | 2014-10-17 | 銅−ニッケル合金電気めっき装置 |
| MYPI2017000473A MY190427A (en) | 2014-10-17 | 2015-06-25 | Copper-nickel alloy electroplating apparatus |
| MX2017004574A MX2017004574A (es) | 2014-10-17 | 2015-06-25 | Aparato de electroenchapado de aleacion de cobre-niquel. |
| KR1020177009288A KR101916614B1 (ko) | 2014-10-17 | 2015-06-25 | 구리-니켈 합금 전기 도금 장치 |
| EP15849917.8A EP3208364B1 (en) | 2014-10-17 | 2015-06-25 | Copper-nickel alloy electroplating device |
| CN201580055714.5A CN107075713B (zh) | 2014-10-17 | 2015-06-25 | 铜-镍合金电镀装置 |
| US15/519,474 US10538854B2 (en) | 2014-10-17 | 2015-06-25 | Copper-nickel alloy electroplating device |
| RU2017116979A RU2648811C1 (ru) | 2014-10-17 | 2015-06-25 | Устройство для нанесения гальванического покрытия из медно-никелевого сплава |
| BR112017007630-6A BR112017007630A2 (ja) | 2014-10-17 | 2015-06-25 | Copper-nickel alloy electroplating device |
| PCT/JP2015/068332 WO2016059833A1 (ja) | 2014-10-17 | 2015-06-25 | 銅-ニッケル合金電気めっき装置 |
| SG11201703049XA SG11201703049XA (en) | 2014-10-17 | 2015-06-25 | Copper-Nickel Alloy Electroplating Apparatus |
| TW104125581A TWI651438B (zh) | 2014-10-17 | 2015-08-06 | 銅-鎳合金電鍍裝置 |
| PH12017500597A PH12017500597A1 (en) | 2014-10-17 | 2017-03-31 | Copper-nickel alloy electroplating apparatus |
Applications Claiming Priority (1)
| Application Number | Priority Date | Filing Date | Title |
|---|---|---|---|
| JP2014212524A JP6435546B2 (ja) | 2014-10-17 | 2014-10-17 | 銅−ニッケル合金電気めっき装置 |
Publications (2)
| Publication Number | Publication Date |
|---|---|
| JP2016079460A JP2016079460A (ja) | 2016-05-16 |
| JP6435546B2 true JP6435546B2 (ja) | 2018-12-12 |
Family
ID=55746382
Family Applications (1)
| Application Number | Title | Priority Date | Filing Date |
|---|---|---|---|
| JP2014212524A Active JP6435546B2 (ja) | 2014-10-17 | 2014-10-17 | 銅−ニッケル合金電気めっき装置 |
Country Status (13)
| Country | Link |
|---|---|
| US (1) | US10538854B2 (ja) |
| EP (1) | EP3208364B1 (ja) |
| JP (1) | JP6435546B2 (ja) |
| KR (1) | KR101916614B1 (ja) |
| CN (1) | CN107075713B (ja) |
| BR (1) | BR112017007630A2 (ja) |
| MX (1) | MX2017004574A (ja) |
| MY (1) | MY190427A (ja) |
| PH (1) | PH12017500597A1 (ja) |
| RU (1) | RU2648811C1 (ja) |
| SG (1) | SG11201703049XA (ja) |
| TW (1) | TWI651438B (ja) |
| WO (1) | WO2016059833A1 (ja) |
Families Citing this family (6)
| Publication number | Priority date | Publication date | Assignee | Title |
|---|---|---|---|---|
| JP6834070B2 (ja) * | 2016-06-13 | 2021-02-24 | 石原ケミカル株式会社 | 電気スズ及びスズ合金メッキ浴、当該メッキ浴を用いて電着物を形成した電子部品の製造方法 |
| KR101872734B1 (ko) * | 2017-07-20 | 2018-06-29 | 주식회사 익스톨 | 니켈 전기 도금액 및 이를 이용한 전기 도금 방법 |
| JP2020097764A (ja) * | 2018-12-18 | 2020-06-25 | トヨタ自動車株式会社 | 成膜装置、及びそれを用いた金属膜の形成方法 |
| CN110387573B (zh) * | 2019-07-04 | 2021-01-05 | 广州兴森快捷电路科技有限公司 | 多废液分流方法及电镀生产系统 |
| CA3109026A1 (en) * | 2020-02-18 | 2021-08-18 | Magna Exteriors Inc. | Tailgate accessibility |
| CN112126953B (zh) * | 2020-09-10 | 2024-07-16 | 深圳市生利科技有限公司 | 一种铜-镍合金电镀工艺 |
Family Cites Families (14)
| Publication number | Priority date | Publication date | Assignee | Title |
|---|---|---|---|---|
| SU1019027A1 (ru) * | 1982-02-16 | 1983-05-23 | Проектно-конструкторский технологический институт машиностроения | Ванна дл гальванической обработки деталей |
| JPH04198499A (ja) * | 1990-07-20 | 1992-07-17 | Asahi Glass Co Ltd | 電位調節機構を有する銅溶解槽 |
| TW473811B (en) | 1998-11-30 | 2002-01-21 | Ebara Corp | Plating apparatus |
| US20020027080A1 (en) * | 2000-03-17 | 2002-03-07 | Junichiro Yoshioka | Plating apparatus and method |
| WO2002068727A2 (en) * | 2001-02-23 | 2002-09-06 | Ebara Corporation | Copper-plating solution, plating method and plating apparatus |
| JP2003183898A (ja) * | 2001-12-20 | 2003-07-03 | Toho Kako Kensetsu Kk | めっき液濃度自動調整装置及び方法 |
| US20040007473A1 (en) * | 2002-07-11 | 2004-01-15 | Applied Materials, Inc. | Electrolyte/organic additive separation in electroplating processes |
| IES20030443A2 (en) * | 2003-06-16 | 2004-12-01 | Fraudhalt Ltd | A method and apparatus for determining if an optical disk originated from a valid source |
| US8128791B1 (en) * | 2006-10-30 | 2012-03-06 | Novellus Systems, Inc. | Control of electrolyte composition in a copper electroplating apparatus |
| US9330222B2 (en) * | 2010-07-24 | 2016-05-03 | Cadence Design Systems, Inc. | Methods, systems, and articles of manufacture for implementing electronic circuit designs with electro-migration awareness |
| JP5631775B2 (ja) * | 2011-02-24 | 2014-11-26 | 新光電気工業株式会社 | 複合めっき液 |
| US9518332B2 (en) * | 2011-03-17 | 2016-12-13 | Taiwan Semiconductor Manufacturing Company, Ltd. | Electrochemical plating |
| JP6047711B2 (ja) * | 2012-02-08 | 2016-12-21 | 石原ケミカル株式会社 | 無電解ニッケル及びニッケル合金メッキ方法、並びに当該メッキ用の前処理液 |
| SG11201406599RA (en) | 2012-04-19 | 2014-11-27 | Dipsol Chem | Copper-nickel alloy electroplating bath and plating method |
-
2014
- 2014-10-17 JP JP2014212524A patent/JP6435546B2/ja active Active
-
2015
- 2015-06-25 KR KR1020177009288A patent/KR101916614B1/ko not_active Expired - Fee Related
- 2015-06-25 US US15/519,474 patent/US10538854B2/en not_active Expired - Fee Related
- 2015-06-25 CN CN201580055714.5A patent/CN107075713B/zh not_active Expired - Fee Related
- 2015-06-25 BR BR112017007630-6A patent/BR112017007630A2/ja not_active IP Right Cessation
- 2015-06-25 MY MYPI2017000473A patent/MY190427A/en unknown
- 2015-06-25 WO PCT/JP2015/068332 patent/WO2016059833A1/ja not_active Ceased
- 2015-06-25 EP EP15849917.8A patent/EP3208364B1/en active Active
- 2015-06-25 RU RU2017116979A patent/RU2648811C1/ru not_active IP Right Cessation
- 2015-06-25 MX MX2017004574A patent/MX2017004574A/es unknown
- 2015-06-25 SG SG11201703049XA patent/SG11201703049XA/en unknown
- 2015-08-06 TW TW104125581A patent/TWI651438B/zh not_active IP Right Cessation
-
2017
- 2017-03-31 PH PH12017500597A patent/PH12017500597A1/en unknown
Also Published As
| Publication number | Publication date |
|---|---|
| RU2648811C1 (ru) | 2018-03-28 |
| SG11201703049XA (en) | 2017-05-30 |
| BR112017007630A2 (ja) | 2018-01-30 |
| MX2017004574A (es) | 2017-07-17 |
| EP3208364A4 (en) | 2018-05-30 |
| KR20170053675A (ko) | 2017-05-16 |
| TWI651438B (zh) | 2019-02-21 |
| EP3208364B1 (en) | 2019-08-07 |
| PH12017500597A1 (en) | 2017-08-30 |
| KR101916614B1 (ko) | 2018-11-07 |
| US10538854B2 (en) | 2020-01-21 |
| WO2016059833A1 (ja) | 2016-04-21 |
| EP3208364A1 (en) | 2017-08-23 |
| TW201615900A (zh) | 2016-05-01 |
| CN107075713B (zh) | 2019-09-24 |
| CN107075713A (zh) | 2017-08-18 |
| JP2016079460A (ja) | 2016-05-16 |
| MY190427A (en) | 2022-04-21 |
| US20170241040A1 (en) | 2017-08-24 |
Similar Documents
| Publication | Publication Date | Title |
|---|---|---|
| JP6435546B2 (ja) | 銅−ニッケル合金電気めっき装置 | |
| KR101649435B1 (ko) | 구리-니켈 합금 전기 도금 욕 및 도금 방법 | |
| JP6439172B2 (ja) | 銅−ニッケル合金電気めっき浴 | |
| CN102102218B (zh) | 在电解液中补充锡和制造合金的金属的方法 | |
| US20050173255A1 (en) | Electroplated quaternary alloys | |
| KR102332676B1 (ko) | 시아나이드를 함유하지 않는 산성 무광택 은 전기도금 조성물 및 방법 | |
| CN106591897B (zh) | 一种无氰离子液体镀铜溶液及镀铜工艺 | |
| JP5688145B2 (ja) | ニッケルのpHを調整する方法及び装置 | |
| WO2005078163A1 (en) | Ternary and quaternary alloys to replace chromium |
Legal Events
| Date | Code | Title | Description |
|---|---|---|---|
| RD04 | Notification of resignation of power of attorney |
Free format text: JAPANESE INTERMEDIATE CODE: A7424 Effective date: 20170426 |
|
| A621 | Written request for application examination |
Free format text: JAPANESE INTERMEDIATE CODE: A621 Effective date: 20170704 |
|
| A521 | Request for written amendment filed |
Free format text: JAPANESE INTERMEDIATE CODE: A523 Effective date: 20180305 |
|
| A131 | Notification of reasons for refusal |
Free format text: JAPANESE INTERMEDIATE CODE: A131 Effective date: 20180719 |
|
| A521 | Request for written amendment filed |
Free format text: JAPANESE INTERMEDIATE CODE: A523 Effective date: 20180912 |
|
| TRDD | Decision of grant or rejection written | ||
| A01 | Written decision to grant a patent or to grant a registration (utility model) |
Free format text: JAPANESE INTERMEDIATE CODE: A01 Effective date: 20181017 |
|
| A61 | First payment of annual fees (during grant procedure) |
Free format text: JAPANESE INTERMEDIATE CODE: A61 Effective date: 20181019 |
|
| R150 | Certificate of patent or registration of utility model |
Ref document number: 6435546 Country of ref document: JP Free format text: JAPANESE INTERMEDIATE CODE: R150 |
|
| R250 | Receipt of annual fees |
Free format text: JAPANESE INTERMEDIATE CODE: R250 |
|
| R250 | Receipt of annual fees |
Free format text: JAPANESE INTERMEDIATE CODE: R250 |
|
| R250 | Receipt of annual fees |
Free format text: JAPANESE INTERMEDIATE CODE: R250 |
|
| R250 | Receipt of annual fees |
Free format text: JAPANESE INTERMEDIATE CODE: R250 |
|
| R250 | Receipt of annual fees |
Free format text: JAPANESE INTERMEDIATE CODE: R250 |
