JP5073796B2 - レーザ発振器制御装置 - Google Patents

レーザ発振器制御装置 Download PDF

Info

Publication number
JP5073796B2
JP5073796B2 JP2010186277A JP2010186277A JP5073796B2 JP 5073796 B2 JP5073796 B2 JP 5073796B2 JP 2010186277 A JP2010186277 A JP 2010186277A JP 2010186277 A JP2010186277 A JP 2010186277A JP 5073796 B2 JP5073796 B2 JP 5073796B2
Authority
JP
Japan
Prior art keywords
signal
laser oscillator
controller
communication line
stop
Prior art date
Legal status (The legal status is an assumption and is not a legal conclusion. Google has not performed a legal analysis and makes no representation as to the accuracy of the status listed.)
Expired - Fee Related
Application number
JP2010186277A
Other languages
English (en)
Other versions
JP2012044103A (ja
Inventor
英二 小林
武 渡邊
Current Assignee (The listed assignees may be inaccurate. Google has not performed a legal analysis and makes no representation or warranty as to the accuracy of the list.)
Fanuc Corp
Original Assignee
Fanuc Corp
Priority date (The priority date is an assumption and is not a legal conclusion. Google has not performed a legal analysis and makes no representation as to the accuracy of the date listed.)
Filing date
Publication date
Application filed by Fanuc Corp filed Critical Fanuc Corp
Priority to JP2010186277A priority Critical patent/JP5073796B2/ja
Priority to US13/208,598 priority patent/US8611381B2/en
Priority to DE102011110717A priority patent/DE102011110717B4/de
Priority to CN2011102518952A priority patent/CN102377102B/zh
Publication of JP2012044103A publication Critical patent/JP2012044103A/ja
Application granted granted Critical
Publication of JP5073796B2 publication Critical patent/JP5073796B2/ja
Expired - Fee Related legal-status Critical Current
Anticipated expiration legal-status Critical

Links

Images

Classifications

    • HELECTRICITY
    • H01ELECTRIC ELEMENTS
    • H01SDEVICES USING THE PROCESS OF LIGHT AMPLIFICATION BY STIMULATED EMISSION OF RADIATION [LASER] TO AMPLIFY OR GENERATE LIGHT; DEVICES USING STIMULATED EMISSION OF ELECTROMAGNETIC RADIATION IN WAVE RANGES OTHER THAN OPTICAL
    • H01S3/00Lasers, i.e. devices using stimulated emission of electromagnetic radiation in the infrared, visible or ultraviolet wave range
    • H01S3/09Processes or apparatus for excitation, e.g. pumping
    • H01S3/097Processes or apparatus for excitation, e.g. pumping by gas discharge of a gas laser
    • H01S3/09702Details of the driver electronics and electric discharge circuits
    • BPERFORMING OPERATIONS; TRANSPORTING
    • B23MACHINE TOOLS; METAL-WORKING NOT OTHERWISE PROVIDED FOR
    • B23KSOLDERING OR UNSOLDERING; WELDING; CLADDING OR PLATING BY SOLDERING OR WELDING; CUTTING BY APPLYING HEAT LOCALLY, e.g. FLAME CUTTING; WORKING BY LASER BEAM
    • B23K26/00Working by laser beam, e.g. welding, cutting or boring
    • B23K26/70Auxiliary operations or equipment
    • B23K26/702Auxiliary equipment
    • GPHYSICS
    • G05CONTROLLING; REGULATING
    • G05BCONTROL OR REGULATING SYSTEMS IN GENERAL; FUNCTIONAL ELEMENTS OF SUCH SYSTEMS; MONITORING OR TESTING ARRANGEMENTS FOR SUCH SYSTEMS OR ELEMENTS
    • G05B19/00Program-control systems
    • G05B19/02Program-control systems electric
    • G05B19/04Program control other than numerical control, i.e. in sequence controllers or logic controllers
    • G05B19/042Program control other than numerical control, i.e. in sequence controllers or logic controllers using digital processors
    • G05B19/0428Safety, monitoring
    • HELECTRICITY
    • H01ELECTRIC ELEMENTS
    • H01SDEVICES USING THE PROCESS OF LIGHT AMPLIFICATION BY STIMULATED EMISSION OF RADIATION [LASER] TO AMPLIFY OR GENERATE LIGHT; DEVICES USING STIMULATED EMISSION OF ELECTROMAGNETIC RADIATION IN WAVE RANGES OTHER THAN OPTICAL
    • H01S3/00Lasers, i.e. devices using stimulated emission of electromagnetic radiation in the infrared, visible or ultraviolet wave range
    • H01S3/23Arrangements of two or more lasers not provided for in groups H01S3/02 - H01S3/22, e.g. tandem arrangements of separate active media
    • H01S3/2383Parallel arrangements

Landscapes

  • Engineering & Computer Science (AREA)
  • Physics & Mathematics (AREA)
  • Plasma & Fusion (AREA)
  • Electromagnetism (AREA)
  • Optics & Photonics (AREA)
  • Mechanical Engineering (AREA)
  • Automation & Control Theory (AREA)
  • Microelectronics & Electronic Packaging (AREA)
  • General Physics & Mathematics (AREA)
  • Lasers (AREA)
  • Semiconductor Lasers (AREA)
  • Numerical Control (AREA)
  • Laser Surgery Devices (AREA)

Description

本発明は、コントローラとの通信によりレーザ発振器を制御するレーザ発振器制御装置に関する。
この種のレーザ発振器制御装置として、従来、制御プログラムの実行異常を検出するウォッチドッグタイマを備え、制御プログラムに異常が発生した場合に、レーザ光線照射手段のゲート信号を遮断して、レーザ照射を停止させるようにした装置が知られている(例えば特許文献1参照)。また、コントローラとの通信により制御されるI/Oモジュールを有する装置において、コントローラからの周期的な信号の有無をI/Oモジュール内に備えたウォッチドッグタイマで検出し、周期的な信号がなくなるとI/Oモジュールからの出力を停止させるようにした装置が知られている(例えば特許文献2参照)。
特開2008−126252号公報 特開2002−123301号公報
ところで、コントローラとの通信によりレーザ発振器を制御する場合には、レーザ出力データ、レーザガス圧のデータ、励起用電源出力データ等、レーザ発振器の動作状態を表す状態信号がレーザ発振器からコントローラに送信され、この状態信号に基づきコントローラがレーザ発振器をフィードバック制御する。したがって、レーザ発振器からの信号の送信に異常があると、コントローラがレーザ発振器を適切に制御できなくなる。
しかしながら、上記特許文献1,2記載の装置は、コントローラから出力される信号の異常を検出するものであり、レーザ発振器からコントローラに送信される信号の異常を検出することはできない。したがって、レーザ発振器からの送信に異常があった場合に、レーザ発振器が不所望に動作するおそれがある。
本発明は、送信部および受信部を有するコントローラと、送信部および受信部を有し、通信ラインを介してコントローラと通信するレーザ発振器とを備え、レーザ発振器からコントローラに送信されたレーザ発振器の動作状態を表す状態信号に基づいて、コントローラからレーザ発振器に制御信号を出力するレーザ発振器制御装置であって、通信ラインは、第1の通信ラインと第2の通信ラインとを有し、コントローラは、所定周期で変化する交番信号を生成し、この交番信号を第1の通信ラインおよび第2の通信ラインを介してそれぞれレーザ発振器に送信する交番信号送信回路を有し、レーザ発振器は、第1の通信ラインおよび第2の通信ラインを介して送信されたコントローラからの交番信号をそれぞれ戻り信号として第1の通信ラインおよび第2の通信ラインを介してそれぞれコントローラに送信する戻り信号送信回路を有し、さらにコントローラは、第1の通信ラインおよび第2の通信ラインを介してそれぞれ送信されたレーザ発振器からの戻り信号を監視し、戻り信号が異常であると判定すると、レーザ発振器によるレーザ照射を停止するための停止制御信号を出力する監視回路と、監視回路からの停止制御信号をレーザ発振器に送信する停止制御信号送信回路とを有し、さらにレーザ発振器は、停止制御信号を受信すると、レーザ発振器によるレーザ照射を停止させる照射停止信号を出力する停止信号出力回路を有し、停止制御信号送信回路は、第1の通信ラインを介して送信された戻り信号に基づく監視回路からの停止制御信号を、第2の通信ラインを介してレーザ発振器に送信する一方、第2の通信ラインを介して送信された戻り信号に基づく監視回路からの停止制御信号を、第1の通信ラインを介してレーザ発振器に送信することを特徴とする。
本発明によれば、コントローラがレーザ発振器からの戻り信号を監視し、戻り信号が異常であると判定すると、停止制御信号を出力するようにしたので、レーザ発振器からの送信に異常があった場合のレーザ発振器の不所望な動作を防止できる。
本発明の第1の実施の形態に係るレーザ発振器制御装置の全体構成を示す図。 図1の変形例を示す図。 本発明の第2の実施の形態に係るレーザ発振器制御装置の全体構成を示す図。 図3の具体例を示す図。
−第1の実施の形態−
以下、図1、図2を参照して本発明の第1の実施の形態について説明する。図1は、本発明の第1の実施の形態に係るレーザ発振器制御装置の全体構成を示す図である。このレーザ発振器制御装置は、コントローラ1とレーザ発振器2とを有し、両者はシリアル通信用の通信ケーブル3を介して互いに通信可能に接続されている。
図1に示すように、コントローラ1は、レーザ発振器2に信号を送信する送信部11と、レーザ発振器2からの信号を受信する受信部12とを有する。同様に、レーザ発振器2は、コントローラ1に信号を送信する送信部21と、コントローラ1からの信号を受信する受信部22とを有する。各送信部11,21は、パラレル信号をシリアル信号に変換する変換回路を有し、各受信部12,22は、シリアル信号をパラレル信号に変換する変換回路を有する。
コントローラ1は、CPU,ROM,RAM,その他の周辺回路などを有する演算処理装置を含んで構成され、レーザ発振器2の制御用の制御信号S1を出力する制御信号出力部13と、交番信号S2を生成する交番信号生成部14と、交番信号S2に対応したレーザ発振器2からの戻り信号S3を監視する信号監視部15とを有する。
制御信号出力部13には、受信部12で受信されたレーザ発振器2の動作状態を表す状態信号S4、例えばレーザ出力データ、レーザガス圧のデータ、励起用電源出力データ等の信号が入力される。制御信号出力部13は、これらの入力信号に基づいて送信部11に制御信号S1を出力し、レーザ発振器2が所定の動作を実行するようにレーザ発振器2をフィードバック制御する。
交番信号生成部14は、CPUのクロック信号に応じて発振する発振回路を有し、図示のように所定周期でオンオフ的(パルス状)に変化する交番信号S2を生成して、この交番信号S2を送信部11に出力する。コントローラ1が正常に動作していれば、交番信号生成部14から交番信号S2が出力され続け、コントローラ1(CPU)の動作が異常になると、交番信号S2の出力が停止する。
信号監視部15は、レーザ発振器2からの戻り信号S3を監視する。戻り信号S3は、図示のように交番信号S2に対応して周期的に変化(交番)する信号であり、信号監視部15では、戻り信号S3が交番する周期を監視し、戻り信号S3が異常であるか否かを判定する。例えば、予め定めた所定時間を経過しても戻り信号S3の交番が検出されない場合に、戻り信号S3が異常であると判定する。戻り信号S3が異常であると判定されると、信号監視部15は交番信号生成部14に停止信号S5を出力する。停止信号S5が出力されると、交番信号生成部14は交番信号S2の出力を停止する。
レーザ発振器2は、コントローラ1からの制御信号S1によりレーザ発振器本体23の駆動を制御する駆動回路部24と、受信部22で受信した交番信号S2を監視するウォッチドッグタイマ25と、交番信号S2に対応した戻り信号S3を生成する戻り信号生成部26とを有する。
レーザ発振器本体23は、例えば放電管と、放電管の両側に配置された一対のミラーとにより光共振器を構成する周知のものであり、放電励起用の電源が起動されて放電管の電極に高周波電圧が印加されると放電が発生し、放電管内の媒質ガスが励起され、光共振器からレーザ光が出力される。光共振器のレーザ出力部には、レーザ光を光学的に遮断または通過させるシャッタが設けられている。
駆動回路部24は、コントローラ1からの制御信号S1に応じてレーザ発振器本体23に制御信号を出力し、レーザ発振器本体23における放電のオンオフ、放電電圧の大きさ、シャッタの開閉等、レーザ発振器本体23の動作を制御する。レーザ発振器本体23の動作状態を表す状態信号S4は、コントローラ1のフィードバック制御に供するために送信部21に出力される。
ウォッチドッグタイマ25は、交番信号S2のパルスが入力される度にタイマをリセットする。リセット後に予め定めた所定時間t0を経過しても交番信号S2のパルスの入力がないとき、ウォッチドッグタイマ25はタイムアップし、駆動回路部24に停止信号S6を出力する。この停止信号S6により駆動回路部24は、レーザ発振器本体23の放電を停止するとともに、レーザ出力部のシャッタを閉じ、レーザ発振器2のレーザ照射を停止させる。
戻り信号生成部26は、交番信号S2に対応して周期的に変化する戻り信号S3を生成する。例えば、戻り信号生成部26では交番信号S2の信号線と戻り信号S3の信号線を短絡し、交番信号S2をそのまま戻り信号S3として送信部21に出力し、コントローラ1に送信する。
第1の実施の形態に係るレーザ発振器制御装置の主要な動作を説明する。コントローラ1のCPUに異常がなく、レーザ発振器2から送信される信号にも異常がなければ、レーザ発振器2から交番信号S1に対応した戻り信号S3がコントローラ1に送信される。この場合、信号監視部15は戻り信号S3が正常状態であると判定するため、交番信号生成部14で生成された交番信号S2がレーザ発振器2に送信され続け、ウォッチドッグタイマ25が繰り返しリセットされる。したがって、ウォッチドッグタイマ25から駆動回路部24に停止信号S6は出力されず、コントローラ1はレーザ発振器本体23の状態信号S4に応じた制御信号S1を出力し、レーザ発振器2を適切にフィードバック制御する。
これに対し、レーザ発振器2の送信部21または受信部22における通信状態に異常が生じると、戻り信号生成部26で正常状態の戻り信号S3が生成されず、あるいは送信部21から戻り信号S3が正常状態のまま送信されない。このため、信号監視部15は、戻り信号S3の交番周期が異常であると判定し、交番信号生成部14に停止信号S5を出力する。停止信号S5が出力されると、交番信号生成部14からの交番信号S2の出力が停止し、ウォッチドッグタイマ25はタイムアップして、駆動回路部24に停止信号S6を出力する。
これにより、レーザ発振器本体23の放電が停止されるとともに、レーザ出力部のシャッタが閉じられ、レーザ発振器2の動作が停止される。レーザ発振器2の通信状態に異常が生じた場合には、戻り信号S3だけでなくレーザ発振器本体23の状態信号S4もコントローラ1に正常に送信されないが、この場合に、レーザ発振器2の動作が停止されることで、レーザ発振器2の誤動作を防止できる。なお、コントローラ1のCPUに異常が生じた場合には、交番信号S2のパルスが出力されないため、ウォッチドッグタイマ25が同様にタイムアップし、レーザ発振器2の動作が停止される。
第1の実施の形態によれば以下のような作用効果を得ることができる。
(1)コントローラ1に設けられた交番信号生成部14により、交番信号S2を生成してレーザ発振器2に送信し、レーザ発振器2に設けられた戻り信号生成部26により、コントローラ1からの交番信号S2に対応した戻り信号S3を生成してコントローラ1に送信し、さらにコントローラ1に設けられた信号監視部15により、レーザ発振器2からの戻り信号S3を監視し、戻り信号S3が異常であると判定すると、交番信号生成部14に停止信号S5を出力して交番信号S2の出力を停止するようにした。これによりレーザ発振器2の通信状態に異常が発生した場合に、レーザ発振器2のウォッチドッグタイマ25がタイムアップして、レーザ発振器2の動作が停止され、レーザ発振器2の不所望な動作を防止できる。
(2)レーザ発振器2に、コントローラ1からの交番信号S2により作動するウォッチドッグタイマ25を設けるようにしたので、コントローラ1の異常時にもレーザ発振器2の動作を停止できる。
(3)コントローラ1の異常時およびレーザ発振器2の異常時に、それぞれ共通のウォッチドッグタイマ25を用いてレーザ発振器2の動作を停止させるので、部品構成を簡素化できる。
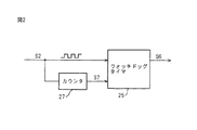
なお、以上では、コントローラ1の交番信号生成部14で交番信号S2を生成するようにしたが、コントローラ1の起動初期においては、動作が不安定となり、交番信号S2の交番周期が一定とならず、レーザ発振器2で通信異常を誤検知してしまうおそれがある。そこで、図2に示すように、レーザ発振器2に、交番信号S2の交番回数をカウンタするカウンタ27を設け、コントローラ1の起動後に交番回数が所定回数に達すると、カウンタ27から駆動開始信号S7を出力し、ウォッチドッグタイマ25に交番信号S2の監視を開始させるようにしてもよい。これにより通信状態が安定してから交番信号S2の監視が行われるため、通信異常の誤検知を防止できる。
−第2の実施の形態−
図3、図4を参照して本発明の第2の実施の形態について説明する。第2の実施の形態では、戻り信号S3の異常時に、その戻り信号S3が送信される通信ケーブル3を介さずに、コントローラ1からレーザ発振器2に停止信号を出力する。図3は、本発明の第2の実施の形態に係るレーザ発振器制御装置の全体構成を示す図である。なお、図1と同一の箇所には同一の符号を付し、以下では第1の実施の形態との相違点を主に説明する。
図3に示すように、レーザ発振器2にウォッチドッグタイマ25(図1)は設けられず、コントローラ1からの交番信号S2は、戻り信号生成部26を介して戻り信号S3とされて送信部21に出力される。コントローラ1の信号監視部15は、レーザ発振器2からの戻り信号S3の異常の有無を判定し、戻り信号S3が異常であると判定されると、交番信号生成部14以外に停止信号S5を出力する。この停止信号S5は、レーザ発振器2によるレーザ照射を停止させるための制御信号であり、戻り信号S3が送信された通信ケーブル3を介さずに信号監視部15から出力される。なお、レーザ発振器2に第1の実施の形態と同様、ウォッチドッグタイマ25を設けてもよい。
図4は、図3の停止信号S5の出力形態を含む、レーザ発振器制御装置の全体構成を示す図である。なお、図4では、制御信号出力部13とレーザ発振器本体23と駆動回路部24の図示を省略している。
図4では、図3の制御構成を2系統設けて制御装置全体を構成している。すなわち、コントローラ1には、一対の送信部11a,11bと一対の受信部12a,12bと一対の信号生成部14a,14bと一対の信号監視部15a,15bとがそれぞれ設けられ、レーザ発振器2には、一対の送信部21a,21bと一対の受信部22a,22bと一対の戻り信号生成部26a,26bとがそれぞれ設けられている。コントローラ1の送受信部11a,12aとレーザ発振器2の送受信部21a,22aとは第1通信ケーブル3aを介して接続され、コントローラ1の送受信部11b,12bとレーザ発振器2の送受信部21b,22bとは第2通信ケーブル3bを介して接続されている。各信号生成部14a,14b、各信号監視部15a,15b、および各戻り信号生成部26a,26bは、それぞれ互いに同一の処理を行い、第1通信ケーブル3aおよび第2通信ケーブル3bを介してそれぞれレーザ発振器2からコントローラ1に戻り信号S3が送信される。
一方の信号監視部15aが、第1通信ケーブル3aからの戻り信号S3が異常であると判定すると、信号監視部15aは送信部11bに停止信号S5を出力し、送信部11bは第2通信ケーブル3bを介してレーザ発振器2に停止信号S5を送信する。この停止信号S5を受信部22bが受信すると、受信部22bは駆動回路部24に停止信号S6を出力する。これにより駆動回路部24がレーザ発振器2の動作を停止する。また、他方の信号監視部15bが、第2通信ケーブル3bからの戻り信号S3が異常であると判定すると、信号監視部15bは送信部11aに停止信号S5を出力し、送信部11aは第1通信ケーブル3aを介してレーザ発振器2に停止信号S5を送信する。この停止信号S5を受信部22aが受信すると、受信部22aは駆動回路部24に停止信号S6を出力する。これにより駆動回路部24がレーザ発振器2の動作を停止する。
このように第2の実施の形態では、コントローラ1とレーザ発振器2とを一対の通信ケーブル3a,3bで接続し、一方の通信ケーブル3a(3b)からの戻り信号S3が異常であると判定すると、他方の通信ケーブル3b(3a)を介してレーザ発振器2に停止信号S5を送信するようにした。これにより、一方の通信ラインに異常が生じた場合に、他方の通信ラインを介して確実に停止信号S5を送信することができ、レーザ発振器2の誤動作を確実に防止することができる。
上記実施の形態(図1〜図3)では、通信ケーブル3(通信ライン)を介してコントローラ1とレーザ発振器2とが通信する際に、交番信号送信回路として、交番信号生成部14で交番信号S2を生成して送信部11から送信し、戻り信号送信回路として、戻り信号生成部26で戻り信号S3を生成して送信部21から送信し、監視回路として、信号監視部15で戻り信号S3の異常の有無を判定し、異常と判定した時に交番信号生成部14に停止信号S5(停止制御信号)を出力するようにした。とくに、図1では、ウォッチドッグタイマ回路として、交番信号S2の異常時にウォッチドッグタイマ25から停止信号S6(照射停止信号)を出力し、図2では、カウンタ回路として、交番回数をカウンタ27でカウントし、交番回数が所定回数に達してから交番信号S2の監視を開始させるようにした。また、上記実施の形態(図4)では、交番信号送信回路および戻り信号送信回路をそれぞれ2系統設けるとともに、停止制御信号送信回路として、信号監視部15a,15bで第1通信ケーブル3a(第1の通信ライン)からの戻り信号S3が異常であると判定すると、第2通信ケーブル3b(第2の通信ライン)を介してレーザ発振器2に停止信号S5(停止制御信号)を出力し、停止信号出力回路として、停止信号S5を受信した受信部22bから駆動回路部24に停止信号S6(照射停止信号)を出力するようにした。
これらの構成は一例であり、レーザ発振器2でコントローラ1からの交番信号S2に対応した戻り信号S3を生成し、レーザ発振器からの戻り信号S3の異常の有無をコントローラ1で判定して異常判定時に停止信号S5を出力するのであれば、レーザ発振器制御装置の構成はいかなるものでもよい。すなわち、本発明の特徴、機能を実現できる限り、本発明は実施の形態のレーザ発振器制御装置に限定されない。
1 コントローラ
11,11a,11b 送信部
12,12a,12b 受信部
13 制御信号出力部
14,14a,14b 交番信号生成部
15,15a,15b 信号監視部
2 レーザ発振器
21,21a,21b 送信部
22,22a,22b 受信部
23 レーザ発振器本体
24 駆動回路部
25 ウォッチドッグタイマ
26,26a,26b 戻り信号生成部
27 カウンタ

Claims (1)

  1. 送信部および受信部を有するコントローラと、送信部および受信部を有し、通信ラインを介して前記コントローラと通信するレーザ発振器とを備え、前記レーザ発振器から前記コントローラに送信された前記レーザ発振器の動作状態を表す状態信号に基づいて、前記コントローラから前記レーザ発振器に制御信号を出力するレーザ発振器制御装置であって、
    前記通信ラインは、第1の通信ラインと第2の通信ラインとを有し、
    前記コントローラは、
    所定周期で変化する交番信号を生成し、この交番信号を前記第1の通信ラインおよび前記第2の通信ラインを介してそれぞれ前記レーザ発振器に送信する交番信号送信回路を有し、
    前記レーザ発振器は、
    前記第1の通信ラインおよび前記第2の通信ラインを介して送信された前記コントローラからの前記交番信号をそれぞれ戻り信号として前記第1の通信ラインおよび前記第2の通信ラインを介してそれぞれ前記コントローラに送信する戻り信号送信回路を有し、
    さらに前記コントローラは、
    前記第1の通信ラインおよび前記第2の通信ラインを介してそれぞれ送信された前記レーザ発振器からの戻り信号を監視し、前記戻り信号が異常であると判定すると、前記レーザ発振器によるレーザ照射を停止するための停止制御信号を出力する監視回路と、
    前記監視回路からの前記停止制御信号を前記レーザ発振器に送信する停止制御信号送信回路とを有し、
    さらに前記レーザ発振器は、
    前記停止制御信号を受信すると、前記レーザ発振器によるレーザ照射を停止させる照射停止信号を出力する停止信号出力回路を有し、
    前記停止制御信号送信回路は、前記第1の通信ラインを介して送信された前記戻り信号に基づく前記監視回路からの前記停止制御信号を、前記第2の通信ラインを介して前記レーザ発振器に送信する一方、前記第2の通信ラインを介して送信された前記戻り信号に基づく前記監視回路からの前記停止制御信号を、前記第1の通信ラインを介して前記レーザ発振器に送信することを特徴とするレーザ発振器制御装置。
JP2010186277A 2010-08-23 2010-08-23 レーザ発振器制御装置 Expired - Fee Related JP5073796B2 (ja)

Priority Applications (4)

Application Number Priority Date Filing Date Title
JP2010186277A JP5073796B2 (ja) 2010-08-23 2010-08-23 レーザ発振器制御装置
US13/208,598 US8611381B2 (en) 2010-08-23 2011-08-12 Laser oscillator control device
DE102011110717A DE102011110717B4 (de) 2010-08-23 2011-08-16 Laseroszillator-Steuerungsvorrichtung
CN2011102518952A CN102377102B (zh) 2010-08-23 2011-08-16 激光振荡器控制装置

Applications Claiming Priority (1)

Application Number Priority Date Filing Date Title
JP2010186277A JP5073796B2 (ja) 2010-08-23 2010-08-23 レーザ発振器制御装置

Publications (2)

Publication Number Publication Date
JP2012044103A JP2012044103A (ja) 2012-03-01
JP5073796B2 true JP5073796B2 (ja) 2012-11-14

Family

ID=45594056

Family Applications (1)

Application Number Title Priority Date Filing Date
JP2010186277A Expired - Fee Related JP5073796B2 (ja) 2010-08-23 2010-08-23 レーザ発振器制御装置

Country Status (4)

Country Link
US (1) US8611381B2 (ja)
JP (1) JP5073796B2 (ja)
CN (1) CN102377102B (ja)
DE (1) DE102011110717B4 (ja)

Cited By (1)

* Cited by examiner, † Cited by third party
Publication number Priority date Publication date Assignee Title
KR101729158B1 (ko) * 2015-02-25 2017-04-21 정중섭 비상위치지시용 무선표지설비 측정기 교정장치

Families Citing this family (15)

* Cited by examiner, † Cited by third party
Publication number Priority date Publication date Assignee Title
US10100792B2 (en) 2013-02-21 2018-10-16 Mitsubishi Heavy Industries, Ltd. Fluid machine and fluid machine system equipped with the same
DE112013007195T5 (de) * 2013-06-26 2016-03-17 Mitsubishi Electric Corporation Entfernte Einheit und Abnormalitätsbestimmungsverfahren darin
JP6619410B2 (ja) * 2017-12-05 2019-12-11 ファナック株式会社 レーザ加工装置
CN108683843B (zh) * 2018-04-28 2020-02-18 Oppo广东移动通信有限公司 电子设备控制方法、装置、电子设备和可读存储介质
CN108717280B (zh) * 2018-05-30 2021-04-02 Oppo广东移动通信有限公司 激光投射器的控制系统和移动终端
CN108539576B (zh) * 2018-05-30 2020-06-12 Oppo广东移动通信有限公司 激光投射器的控制系统和移动终端
WO2019227975A1 (zh) 2018-05-30 2019-12-05 Oppo广东移动通信有限公司 激光投射器的控制系统、终端和激光投射器的控制方法
CN108539575B (zh) * 2018-05-30 2021-04-02 Oppo广东移动通信有限公司 激光投射器的控制系统和移动终端
CN109066288A (zh) * 2018-05-30 2018-12-21 Oppo广东移动通信有限公司 激光投射器的控制系统、终端和激光投射器的控制方法
WO2019228020A1 (zh) 2018-05-30 2019-12-05 Oppo广东移动通信有限公司 激光投射器的控制系统和移动终端
CN108767653A (zh) * 2018-05-30 2018-11-06 Oppo广东移动通信有限公司 激光投射器的控制系统、终端和激光投射器的控制方法
EP3888351A4 (en) * 2018-11-29 2022-07-20 Ha, Hieu Thuan Charles PROJECTION DEVICE FOR DISPLAYING CONSTRUCTION PLANS
JP6975187B2 (ja) * 2019-01-31 2021-12-01 ファナック株式会社 レーザ制御装置、レーザ制御システム及びレーザ装置ならびにレーザ制御方法
JP7381237B2 (ja) * 2019-07-25 2023-11-15 ラピスセミコンダクタ株式会社 音声再生装置、および音声再生システム
JP7317664B2 (ja) * 2019-10-25 2023-07-31 株式会社Screenホールディングス 基板処理装置および基板処理方法

Family Cites Families (16)

* Cited by examiner, † Cited by third party
Publication number Priority date Publication date Assignee Title
JPS623828A (ja) * 1985-06-28 1987-01-09 Amada Co Ltd シリアル通信における異常検出装置
JPS62107301A (ja) * 1985-11-05 1987-05-18 Mitsubishi Electric Corp プログラマブルコントロ−ラ
JPH01156888U (ja) 1988-04-19 1989-10-27
US5579328A (en) * 1995-08-10 1996-11-26 Northern Telecom Limited Digital control of laser diode power levels
WO2001015289A2 (en) * 1999-08-09 2001-03-01 Perceptron, Inc. Method and system for maximizing safe laser power of structured laser light projectors
JP2002123301A (ja) * 2000-10-12 2002-04-26 Yaskawa Electric Corp コントロール装置
US6998567B2 (en) 2003-01-31 2006-02-14 Trimedyne, Inc. Generation and application of efficient solid-state laser pulse trains
JP2004341995A (ja) * 2003-05-19 2004-12-02 Hitachi Ltd 遠隔制御装置
DE10394283B4 (de) * 2003-10-10 2015-07-09 Mitsubishi Denki K.K. Steuersystem unter Verwendung einer seriellen Kommunikation
JP2005158984A (ja) 2003-11-26 2005-06-16 Fanuc Ltd レーザ発振器
JP4292404B2 (ja) * 2004-01-07 2009-07-08 株式会社安川電機 駆動軸操作システム
JP3918950B2 (ja) * 2005-04-19 2007-05-23 オムロン株式会社 セーフティデバイス
US7515619B2 (en) * 2005-06-22 2009-04-07 Intel Corporation Laser control circuit
JP2007279933A (ja) * 2006-04-05 2007-10-25 Oki Electric Ind Co Ltd クロック信号発生回路
JP2008126252A (ja) 2006-11-17 2008-06-05 Disco Abrasive Syst Ltd レーザー加工装置
US20080138080A1 (en) * 2006-12-08 2008-06-12 Alcatel Lucent Controller detection

Cited By (1)

* Cited by examiner, † Cited by third party
Publication number Priority date Publication date Assignee Title
KR101729158B1 (ko) * 2015-02-25 2017-04-21 정중섭 비상위치지시용 무선표지설비 측정기 교정장치

Also Published As

Publication number Publication date
DE102011110717A1 (de) 2012-03-29
CN102377102A (zh) 2012-03-14
US8611381B2 (en) 2013-12-17
JP2012044103A (ja) 2012-03-01
DE102011110717B4 (de) 2013-06-06
US20120044962A1 (en) 2012-02-23
CN102377102B (zh) 2013-06-12

Similar Documents

Publication Publication Date Title
JP5073796B2 (ja) レーザ発振器制御装置
JP5283651B2 (ja) 車両用の制御装置
CN107003915B (zh) 驱动控制装置
US20100308868A1 (en) Clock supervision unit
KR102644538B1 (ko) 모터 제어를 위한 pwm 듀티의 연산 수행을 감시하는 시스템
JP3980422B2 (ja) 光送信装置
JP2010277313A (ja) モジュール間信号伝達方式
JP2009202612A (ja) 電動パワーステアリング装置
JP5666067B1 (ja) モータ制御装置およびモータ制御システム
CN104903945A (zh) 具有执行器的设备
JP5511475B2 (ja) 信号処理システムおよびこれに用いる信号源ユニットならびに信号処理ユニット
JP5905100B2 (ja) 車両内のセンサ装置、及び、車両内のセンサ装置の駆動方法
JP2016118885A (ja) 保守診断情報を出力する制御装置及び診断情報記録表示装置
US10965226B2 (en) Power conversion apparatus and power conversion system
JP6032391B2 (ja) 安全制御装置
JP2018156450A (ja) 制御システム、制御装置、監視装置
KR20090030765A (ko) 차량 네트워크 통신중 캔 메시지 전송방법
JP2007065868A (ja) クロック発振停止検出機能付きエンコーダ
JP2005065419A (ja) 電力変換装置
EP1132788B1 (en) Fail-safe controller
KR100731506B1 (ko) 와치독 회로를 가지는 마이크로 컨트롤러와 그 제어 방법
JP5134926B2 (ja) 監視システム、およびコントローラ
KR101449274B1 (ko) 유효 채널을 이용하는 와치독 및 그 동작방법
JP4062738B2 (ja) データ伝送装置およびデータ伝送方法
JP2005188939A (ja) 電源監視リセットシステム

Legal Events

Date Code Title Description
A131 Notification of reasons for refusal

Free format text: JAPANESE INTERMEDIATE CODE: A131

Effective date: 20111213

A521 Request for written amendment filed

Free format text: JAPANESE INTERMEDIATE CODE: A523

Effective date: 20120208

A131 Notification of reasons for refusal

Free format text: JAPANESE INTERMEDIATE CODE: A131

Effective date: 20120410

A521 Request for written amendment filed

Free format text: JAPANESE INTERMEDIATE CODE: A523

Effective date: 20120605

TRDD Decision of grant or rejection written
A01 Written decision to grant a patent or to grant a registration (utility model)

Free format text: JAPANESE INTERMEDIATE CODE: A01

Effective date: 20120731

A01 Written decision to grant a patent or to grant a registration (utility model)

Free format text: JAPANESE INTERMEDIATE CODE: A01

A61 First payment of annual fees (during grant procedure)

Free format text: JAPANESE INTERMEDIATE CODE: A61

Effective date: 20120822

R150 Certificate of patent or registration of utility model

Ref document number: 5073796

Country of ref document: JP

Free format text: JAPANESE INTERMEDIATE CODE: R150

Free format text: JAPANESE INTERMEDIATE CODE: R150

FPAY Renewal fee payment (event date is renewal date of database)

Free format text: PAYMENT UNTIL: 20150831

Year of fee payment: 3

LAPS Cancellation because of no payment of annual fees