JP3633974B2 - トラック搭載型クレーンの転倒防止装置 - Google Patents
トラック搭載型クレーンの転倒防止装置 Download PDFInfo
- Publication number
- JP3633974B2 JP3633974B2 JP29230494A JP29230494A JP3633974B2 JP 3633974 B2 JP3633974 B2 JP 3633974B2 JP 29230494 A JP29230494 A JP 29230494A JP 29230494 A JP29230494 A JP 29230494A JP 3633974 B2 JP3633974 B2 JP 3633974B2
- Authority
- JP
- Japan
- Prior art keywords
- stability limit
- truck
- limit signal
- signal output
- track
- Prior art date
- Legal status (The legal status is an assumption and is not a legal conclusion. Google has not performed a legal analysis and makes no representation as to the accuracy of the status listed.)
- Expired - Fee Related
Links
- 230000002265 prevention Effects 0.000 title claims description 10
- 239000000725 suspension Substances 0.000 claims description 6
- 238000000926 separation method Methods 0.000 claims description 5
- 230000000630 rising effect Effects 0.000 claims description 2
- 238000001514 detection method Methods 0.000 description 11
- 238000010586 diagram Methods 0.000 description 5
- 230000005540 biological transmission Effects 0.000 description 1
- 230000000694 effects Effects 0.000 description 1
- 230000008054 signal transmission Effects 0.000 description 1
- 238000004804 winding Methods 0.000 description 1
Images
Landscapes
- Control And Safety Of Cranes (AREA)
- Jib Cranes (AREA)
Description
【産業上の利用分野】
この発明は、トラック搭載型クレーンに用いられる転倒防止装置に関するものである。
【0002】
【従来の技術】
トラック搭載型クレーンBは、図3に示す如く、左右端部に開口部を有する案内筒2,2を備えた基台1であって案内筒2,2がトラックAの運転室A1と荷台A2間のシャーシフレームA3上に横架状態となるようにして取付けられた基台1、前記基台1の案内筒2,2の左右の開口部にそれぞれ伸縮自在に嵌挿された左右一対のアウトリガビーム3,3、各アウトリガビーム3,3の外端部にそれぞれ垂設されたジャッキ4,4、前記基台1に旋回駆動自在に取付けた旋回ポスト5、旋回ポスト5に起伏自在に取付けられブーム起伏シリンダ6aにより起伏駆動される伸縮ブーム6、および前記旋回ポスト5または伸縮ブーム6基端部に取付けたウインチ7とを備え、伸縮ブーム6の先端部に配置したブーム先端滑車6bを経由して引き出された前記ウインチ7からのワイヤロープ8で以て吊具9を吊下するよう構成している。A4およびA5は、車輌Aの前輪および後輪であってこれら前輪A4およびA5は、夫々シャーシフレームの下側に板バネ等の弾性的な懸架装置を介して取り付けられた前輪軸A6および後輪軸A7の左右外端位置に取り付けられている。
【0003】
そして、この種のトラック搭載型クレーンBでクレーン作業をする場合には、先ずアウトリガビーム3,3を適宜伸長させると共にジャッキ4,4を伸ばしてトラックAの前輪A4側(運転室A1側)を持ち上げてトラックAを安定させる。そして、旋回ポスト5を旋回駆動、伸縮ブーム6を起伏並びに伸縮駆動、およびウインチ7により吊具9を巻き上げ巻き下げ駆動し、吊具9に吊下した吊荷を任意の位置へ移動させるのである。
【0004】
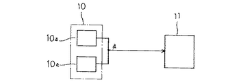
従来、この種のトラック搭載型クレーンBにはクレーン作業の安全を確保するために図4に示す如き安全装置、即ち、前記各ジャッキ4,4のいずれか一方の支持力が所定値以下となった時を検出して安定限界信号aを出力する安定限界信号出力部10と、この安定限界信号出力部10からの安定限界信号aで以て作動してトラック搭載型クレーンBの作動を停止する作動停止手段または警報手段11とからなる安全装置が取付けられている。
【0005】
前記安定限界信号出力部10は、例えば各案内筒2,2の先端部に配置されたリミットスイッチ10a,10aであって、案内筒2,2の先端部内側上面に対するアウトリガビーム3,3上面の非圧接状態を検出するリミットスイッチ10a,10aで以て構成されている。そして、案内筒2,2の先端部内側上面に対するアウトリガビーム3,3上面の非圧接状態は、ジャッキ4,4の支持力が低下した時に生じるものであるから、リミットスイッチ10a,10aで以て構成された安定限界信号出力部10は、各ジャッキ4,4のいずれか一方の支持力が所定値以下となった時を検出して安定限界信号aを出力するのである。
【0006】
安定限界信号出力部10の他の例としては、図5に示す如く、各ジャッキ4,4に作用する負荷をそれぞれ検出する負荷検出手段10b,10bと、これら負荷検出手段10b,10bの検出に係るいずれか一方の負荷が予め設定した所定値以下になると安定限界信号aを出力する演算手段10cとで以て構成したものがある。
【0007】
前記作動停止手段または警報手段11は、それが作動停止手段である場合には、例えば、その作動時に伸縮ブーム6の伸長並びに倒伏、ウインチ7の巻き上げ、および旋回ポスト5の旋回の各駆動を指示する操作信号の伝達を遮断するよう車輌搭載型クレーンBの操作信号伝達経路に介装した操作信号遮断手段で構成している。また、前記作動停止手段または警報手段11は、それが警報手段である場合には、例えば、ブザーあるいは警告灯で構成している。
【0008】
このように構成した従来の安全装置は、トラックAが左右方向に転倒するに先立って発生する反転倒側のジャッキ4の支持力低下を、安定限界信号出力部10で以って検出し、この検出結果でトラック搭載型クレーンBの作動を停止又は警報するものであるから、トラックAの左右方向への転倒を防止することができるものである。
【0009】
【発明が解決しようとする課題】
しかしながら、クレーン作動時におけるトラックAの転倒の危険は、トラックAの左右方向に加えて前方向にも存在するため、クレーン作業の安定確保のためには、トラックAの左右方向への転倒並びに前方向への転倒を事前に警報するものでなければならない。このため、上記した従来の安全装置では、トラック搭載型クレーンBのクレーン作業の安全を充分に確保できないという問題があった。
【0010】
この発明の目的は、上記従来の安全装置の問題点を解決し、トラック搭載型クレーンBが架装されたトラックAの左右方向への転倒を防止できる他、トラックAの前方への転倒を防止することができる新規な安全装置を提供することにある。
【0011】
【課題を解決するための手段】
上記の目的を達成するため、本発明のトラック搭載型クレーンの転倒防止装置は、以下の如く構成する。
左右端部に開口部を有する案内筒2,2を備えた基台1であって案内筒2,2がトラックAの運転室A1と荷台A2間のシャーシフレームA3上に横架状態となるようにして取付けられた基台1、前記基台1の案内筒2,2の左右開口部にそれぞれ伸縮自在に嵌挿された左右一対のアウトリガビーム3,3、各アウトリガビーム3,3の外端部にそれぞれ垂設されたジャッキ4,4、前記基台1に旋回駆動自在に取付けた旋回ポスト5、旋回ポスト5に起伏自在に取付けられブーム起伏シリンダ6aにより起伏駆動される伸縮ブーム6、および前記旋回ポスト5または伸縮ブーム6基端部に取付けたウインチ7とを備え、伸縮ブーム6の先端部に配置したブーム先端滑車6bを経由して引き出された前記ウインチ7からのワイヤロープ8で以って吊具9を吊下してなるトラック搭載型クレーンBに用いられる転倒防止装置であって、
当該転倒防止装置を、前記各ジャッキ4,4のいずれか一方の支持力が所定値以下となったことを検出してトラックAの左右方向への安定限界を示す安定限界信号aを出力する左右方向安定限界信号出力部10、トラックAのシャーシフレームA3に弾性的な懸架装置を介して取付けられた後輪A5の輪軸A7とシャーシフレームA3との間がトラックAに前方向転倒モーメントが作用して後輪A 5 が地面から浮上する際の離隔距離より若干小さな値だけ離隔したことを検出してトラックAの前方向への安定限界を示す安定限界信号bを出力する前方向安定限界信号出力部、およびこれら両安定限界信号出力部からの安定限界信号により作動してトラック搭載型クレーンBの作動を停止する作動停止手段または警報手段11とで以って構成したことを特徴とするトラック搭載型クレーンの転倒防止装置。
【0012】
【作用】
本発明のトラック搭載型クレーンの転倒防止装置は、従来の転倒防止装置に、トラックAのシャーシフレームA3に弾性的な懸架装置を介して取付けられた後輪A5の輪軸A7との間がトラックAに前方向転倒モーメントが作用して後輪A 5 が地面から浮上する際の離隔距離より若干小さな値だけ離隔したことを検出してトラックAの前方向への安定限界を示す安定限界信号bを出力する前方向安定限界信号出力部を追加し、この前方向安定限界信号出力部からの安定限界信号bによっても、作動停止手段又は警報手段11を作動させるようにしたものであるから、トラック搭載型クレーンBが架装されたトラックAの左右方向への転倒を防止できる他、トラックAの前方への転倒を防止することができるのである。
【0013】
【実施例】
以下本発明のトラック搭載型クレーンの転倒防止装置の実施例を、図1〜図2に基づいて説明する。本発明の転倒防止装置は、トラックAの左右方向の転倒を防止する従来の転倒防止装置の構成に加えて、上述した如く前方向安定限界信号出力部を追加して構成したものであるから、図3および図4に示し従来の安全装置の説明で用いた符号は、以下の説明においても同義のものとしてそのまま援用する。
【0014】
図1において、12は前方向安定限界信号出力部である。この前方向安定限界信号出力部12は、トラックAのシャーシフレームA3と後輪A5の輪軸A7との間がトラックAに前方向転倒モーメントが作用して後輪A 5 が地面から浮上する際の離隔距離より若干小さな値だけ離隔したことを検出して、トラックAの前方向への安定限界を示す安定限界信号bを出力し、この信号bで作動停止手段又は警報手段11を作動させるものである。
【0015】
図2は前方向安定限界信号出力部12の具体例を示している。図2において、A3はトラックAのシャーシフレーム、A2は荷台、A5は後輪、A7は後輪A5の輪軸である。後輪A5の輪軸A7は、弾性的な懸架装置A8(この例では板バネが用いられている)を介してシャーシフレームA3に取り付けられている。前方向安定限界信号出力部12は、後輪A5の輪軸A7の上部(この例では懸架装置を構成する板バネA8の上部)に取り付けられて上方に延出する金属性の検知片12aとシャーシフレームA3に取り付けられ前記検知片12aの近接状態を検知する近接スイッチ12bにより構成されている。近接スイッチ12bと検知片12aの配置関係は、シャーシフレームA3に対して輪軸A7が所定値以上離隔したときに検知片12aが近接スイッチ12bの検知範囲を離れ、前方向安定限界信号出力部12が安定限界信号bを出力するように調整されている。前記所定値とは、クレーン作業時にトラックAに前方向転倒モーメントが作用して後輪A5が地面から浮上する際の離隔距離より若干小さな値としている。
【0016】
前方向安定限界信号出力部12は、上記実施例に限らず、例えば前記近接スイッチ12bを、その作動子が前記検知片12aにより作動されるリミットスイッチに変更して構成しても良く、要は輪軸A7とシャーシフレームA3との間が所定値以上離隔したことを検出して、トラックAの前方向への安定限界を示す安定限界信号bを出力するものであれば良いものである。
【0015】
【発明の効果】
以上の如く構成し作用する本発明のトラック搭載型クレーンの転倒防止装置は、トラック搭載型クレーンBが架装されたトラックAの左右方向への転倒を防止する従来の安全装置に前方向安定限界信号出力部12を付加し、この前方向安定限界信号出力部12で以て、トラックAの前方への転倒を防止するようにしたものであるから、簡単な構成でありながら、トラック搭載型クレーンBのクレーン作業の安全を確実に確保することができるのである。
【図面の簡単な説明】
【図1】本発明に係るトラック搭載型クレーンの転倒防止装置の説明図である。
【図2】前方向安定限界信号出力部の説明図である。
【図3】トラック搭載型クレーンの説明図である。
【図4】従来のトラック搭載型クレーンの転倒防止装置の説明図である。
【図5】従来のトラック搭載型クレーンの転倒防止装置における安定限界信号出力部の他の例の説明図である。
【符号の説明】
A;トラック、A1;運転室、A2;荷台、A3;シャーシフレーム、
A4;前輪、A5;後輪、A6;輪軸、A7;輪軸、
B;トラック搭載型クレーン、1;基台、2,2;案内筒、
3,3;アウトリガビーム、4,4;ジャッキ、5;旋回ポスト、
6;伸縮ブーム、6a;ブーム起伏シリンダ、6b;ブーム先端滑車、
7;ウインチ、8;ワイヤロープ、9;吊具、
10;左右方向安定限界信号出力部、10a,10a;リミットスイッチ、
11;作動停止手段または警報手段、
12;前方向安定限界信号出力部、b;安定限界信号、
12a;検知片、12b;近接スイッチ、
Claims (1)
- 左右端部に開口部を有する案内筒2,2を備えた基台1であって案内筒2,2がトラックAの運転室A1と荷台A2間のシャーシフレームA3上に横架状態となるようにして取付けられた基台1、前記基台1の案内筒2,2の左右開口部にそれぞれ伸縮自在に嵌挿された左右一対のアウトリガビーム3,3、各アウトリガビーム3,3の外端部にそれぞれ垂設されたジャッキ4,4、前記基台1に旋回駆動自在に取付けた旋回ポスト5、旋回ポスト5に起伏自在に取付けられブーム起伏シリンダ6aにより起伏駆動される伸縮ブーム6、および前記旋回ポスト5または伸縮ブーム6基端部に取付けたウインチ7とを備え、伸縮ブーム6の先端部に配置したブーム先端滑車6bを経由して引き出された前記ウインチ7からのワイヤロープ8で以って吊具9を吊下してなるトラック搭載型クレーンBに用いられる転倒防止装置であって、
当該転倒防止装置を、前記各ジャッキ4,4のいずれか一方の支持力が所定値以下となったことを検出してトラックAの左右方向への安定限界を示す安定限界信号aを出力する左右方向安定限界信号出力部10、トラックAのシャーシフレームA3に弾性的な懸架装置を介して取付けられた後輪A5の輪軸A7とシャーシフレームA3との間がトラックAに前方向転倒モーメントが作用して後輪A 5 が地面から浮上する際の離隔距離より若干小さな値だけ離隔したことを検出してトラックAの前方向への安定限界を示す安定限界信号bを出力する前方向安定限界信号出力部、およびこれら両安定限界信号出力部からの安定限界信号により作動してトラック搭載型クレーンBの作動を停止する作動停止手段または警報手段11とで以って構成したことを特徴とするトラック搭載型クレーンの転倒防止装置。
Priority Applications (1)
| Application Number | Priority Date | Filing Date | Title |
|---|---|---|---|
| JP29230494A JP3633974B2 (ja) | 1994-10-31 | 1994-10-31 | トラック搭載型クレーンの転倒防止装置 |
Applications Claiming Priority (1)
| Application Number | Priority Date | Filing Date | Title |
|---|---|---|---|
| JP29230494A JP3633974B2 (ja) | 1994-10-31 | 1994-10-31 | トラック搭載型クレーンの転倒防止装置 |
Publications (2)
| Publication Number | Publication Date |
|---|---|
| JPH08127493A JPH08127493A (ja) | 1996-05-21 |
| JP3633974B2 true JP3633974B2 (ja) | 2005-03-30 |
Family
ID=17780033
Family Applications (1)
| Application Number | Title | Priority Date | Filing Date |
|---|---|---|---|
| JP29230494A Expired - Fee Related JP3633974B2 (ja) | 1994-10-31 | 1994-10-31 | トラック搭載型クレーンの転倒防止装置 |
Country Status (1)
| Country | Link |
|---|---|
| JP (1) | JP3633974B2 (ja) |
Families Citing this family (3)
| Publication number | Priority date | Publication date | Assignee | Title |
|---|---|---|---|---|
| CN103448470A (zh) * | 2013-08-06 | 2013-12-18 | 中国重汽集团成都王牌商用车有限公司 | 随车起重运输汽车专用二类底盘 |
| JP7342548B2 (ja) * | 2019-09-12 | 2023-09-12 | 株式会社タダノ | 積載形トラッククレーン |
| JP7643155B2 (ja) * | 2021-04-14 | 2025-03-11 | 株式会社タダノ | 積載形トラッククレーン |
-
1994
- 1994-10-31 JP JP29230494A patent/JP3633974B2/ja not_active Expired - Fee Related
Also Published As
| Publication number | Publication date |
|---|---|
| JPH08127493A (ja) | 1996-05-21 |
Similar Documents
| Publication | Publication Date | Title |
|---|---|---|
| ES2617605T3 (es) | Sistema de seguridad para carretillas elevadoras contrapesadas y vehículos similares | |
| CN107531465B (zh) | 履带起重机的车身配重支撑装置 | |
| JP3633974B2 (ja) | トラック搭載型クレーンの転倒防止装置 | |
| JP2009249138A (ja) | トラッククレーン | |
| JPH0873189A (ja) | トラック搭載型クレーンの安全装置 | |
| JP4019841B2 (ja) | クローラクレーン | |
| JPS6335880Y2 (ja) | ||
| JP4152626B2 (ja) | 移動式クレーンの過負荷防止装置 | |
| CN117794844A (zh) | 装载型汽车起重机 | |
| JP4199468B2 (ja) | クレーン車の安全装置 | |
| JP2990464B2 (ja) | クレーン車におけるジブ格納状態の確認装置 | |
| JP3964513B2 (ja) | トラック搭載型クレーンの安定限界信号発生装置 | |
| JPS58214446A (ja) | トラツククレ−ンの顛倒防止装置 | |
| JPS63277194A (ja) | カウンタ−バランスクレ−ンのバランスウエイト作動装置 | |
| JP4615237B2 (ja) | 車両搭載用クレーンのブーム自動格納装置 | |
| JP3724980B2 (ja) | リーダ式杭打機 | |
| JPH0754232Y2 (ja) | 作業車の安全装置 | |
| JP4061065B2 (ja) | クローラクレーン | |
| JP3310476B2 (ja) | トラック搭載型クレーンの安全限界表示装置 | |
| JP2000143167A (ja) | 移動式クレーンにおけるジブの後方転倒防止装置 | |
| JPS592071Y2 (ja) | トラッククレ−ンのカウンタ−ウエイト | |
| JP2736833B2 (ja) | 履帯式クレーン作業機 | |
| JPS6214079Y2 (ja) | ||
| JP2736834B2 (ja) | 履帯式クレーン作業機 | |
| JPH03256998A (ja) | ジブ付きクレーンにおけるジブ起仰制限装置 |
Legal Events
| Date | Code | Title | Description |
|---|---|---|---|
| A02 | Decision of refusal |
Free format text: JAPANESE INTERMEDIATE CODE: A02 Effective date: 20040413 |
|
| A521 | Written amendment |
Free format text: JAPANESE INTERMEDIATE CODE: A523 Effective date: 20040513 |
|
| A911 | Transfer of reconsideration by examiner before appeal (zenchi) |
Free format text: JAPANESE INTERMEDIATE CODE: A911 Effective date: 20040520 |
|
| TRDD | Decision of grant or rejection written | ||
| A01 | Written decision to grant a patent or to grant a registration (utility model) |
Free format text: JAPANESE INTERMEDIATE CODE: A01 Effective date: 20041130 |
|
| A61 | First payment of annual fees (during grant procedure) |
Free format text: JAPANESE INTERMEDIATE CODE: A61 Effective date: 20041222 |
|
| R150 | Certificate of patent or registration of utility model |
Free format text: JAPANESE INTERMEDIATE CODE: R150 |
|
| FPAY | Renewal fee payment (event date is renewal date of database) |
Free format text: PAYMENT UNTIL: 20090107 Year of fee payment: 4 |
|
| FPAY | Renewal fee payment (event date is renewal date of database) |
Free format text: PAYMENT UNTIL: 20100107 Year of fee payment: 5 |
|
| LAPS | Cancellation because of no payment of annual fees |