JP2010146672A - 光ディスク装置及びトラックジャンプ方法 - Google Patents

光ディスク装置及びトラックジャンプ方法 Download PDF

Info

Publication number
JP2010146672A
JP2010146672A JP2008324869A JP2008324869A JP2010146672A JP 2010146672 A JP2010146672 A JP 2010146672A JP 2008324869 A JP2008324869 A JP 2008324869A JP 2008324869 A JP2008324869 A JP 2008324869A JP 2010146672 A JP2010146672 A JP 2010146672A
Authority
JP
Japan
Prior art keywords
track
value
optical pickup
optical
correction
Prior art date
Legal status (The legal status is an assumption and is not a legal conclusion. Google has not performed a legal analysis and makes no representation as to the accuracy of the status listed.)
Pending
Application number
JP2008324869A
Other languages
English (en)
Inventor
Tsutomu Arai
勉 新居
Current Assignee (The listed assignees may be inaccurate. Google has not performed a legal analysis and makes no representation or warranty as to the accuracy of the list.)
Kenwood KK
Original Assignee
Kenwood KK
Priority date (The priority date is an assumption and is not a legal conclusion. Google has not performed a legal analysis and makes no representation as to the accuracy of the date listed.)
Filing date
Publication date
Application filed by Kenwood KK filed Critical Kenwood KK
Priority to JP2008324869A priority Critical patent/JP2010146672A/ja
Publication of JP2010146672A publication Critical patent/JP2010146672A/ja
Pending legal-status Critical Current

Links

Images

Landscapes

  • Moving Of The Head For Recording And Reproducing By Optical Means (AREA)

Abstract

【課題】光ディスク装置において、トラックジャンプに際し、光ピックアップがミラー面上に逸脱するのを防止する。
【解決手段】光ディスクの回転制御が開始された後、光ピックアップをスレッド方向に所定距離移動させ、その間に光ピックアップが横切るトラック数を計測することによりトラックピッチを測定する測定手段と、測定手段によるトラックピッチの測定値及び目標トラックまでのトラック数に基づいて目標トラックまでの移動距離を求め、光ピックアップを該移動距離だけ移動させるトラックジャンプ手段とを備えた光ディスク装置において、トラックジャンプ手段による移動によって光ピックアップが光ディスクのミラー面上に逸脱するの防止することを目的として所定の減算値を減ずることにより測定手段によるトラックピッチの測定値を補正する補正手段(ステップ43〜47)を設ける。
【選択図】図4

Description

本発明は、トラックジャンプ機能を備えた光ディスク装置、及び該装置に適したトラックジャンプ方法に関する。
光ピックアップの移動距離を検出することが可能な駆動機構を備えた従来の光ディスク装置においては、光ディスクが装填されると、トラックジャンプを行うために必要なトラックピッチの測定が行われる。この測定は、光ディスクの回転制御が開始された後、フォーカスサーボをオン状態とし、光ピックアップによる光ディスクの情報(トラック)の検出を可能とした状態において、光ピックアップを一定距離Dmだけ移動させ、移動中に光ピックアップが横切るトラックの本数Nmを測定することにより行われる。トラックピッチの測定値Lmは、次式により求められる。
[数1]
測定値Lm=距離Dm/本数Nm
トラックジャンプを行う場合には、目標アドレスまでのトラック数Nを求め、さらに目標アドレスが存在するトラックまでの移動距離Dを次式により求め、得られた移動距離Dだけ光ピックアップを移動させる。
[数2]
移動距離D=トラック数N×測定値Lm
なお、このようにしてトラックピッチを測定し、測定したトラックピッチを用いてピックアップの移動量を決定するようにした技術は、たとえば、特許文献1において開示されている。
特開平11−7737号公報
しかしながら、たとえば光ディスクに偏芯が存在する場合、光ピックアップの移動中に横切るトラックの本数には、光ディスクの回転角度に応じたばらつきが発生する。この場合、ピックアップを移動させずに光ディスクが回転したとき、トラックが光ピックアップを横切る状況が発生する。光ディスクの回転中心及びピックアップ間の距離は常に一定であるのに対し、ディスク上のトラックが光ディスクの回転中心に対して偏芯しているからである。このとき、光ディスクが所定の回転位置αにあるとき、横切るトラックのうちの最も内側のトラック上に光ピックアップが位置するとすれば、該回転位置から180°だけ回転した位置(α+180°)においては、最も外側のトラック上に光ピックアップが位置する。この180°回転する間に横切るトラックの本数をnとする。
かかる偏芯が存在する状態において、上記数1式を用いた方法によりトラックピッチを測定する場合、光ディスクが上記回転位置αに位置するときに光ピックアップの移動を開始し、一定距離Dmの移動を完了したときに、光ディスクの回転位置が(α+180°)に変化しているとすれば、その間に横切ったトラックの本数Nmは、偏芯のない状態において横切るべきトラック数Noに対し、上述の180°回転する間に横切るトラックの本数nだけ多い値となる。逆に、回転位置が(α+180°)の位置からピックアップの移動を開始するとすれば、本数nだけ少ない値となる。つまり、トラックの偏芯が存在する状態でトラックピッチを測定する場合には、次式のように、偏芯の無い場合に横切るトラックの本数Noよりも、偏芯に起因して多く又は少なく横切るトラックの本数に応じた誤差が測定値Lmに含まれ、測定値Lmがばらつくことになる。測定値Lmのばらつきの最大値及び最小値は次式で表される。
[数3]
測定値Lm=距離Dm/(本数No±本数n)
光ディスクには、トラックにより形成されるデータエリアの外側、すなわちディスクの外周部分に、トラックの無いミラー面が存在する。このようなミラー面近傍のトラックを目標トラックとしてトラックジャンプを行う場合、光ディスクに偏芯がなく、正確なトラックピッチが得られる場合には、目標トラックまでの実際の移動距離と、算出される移動距離とは一致するので問題は生じない。しかし、上述のように偏芯が存在し、トラックピッチの測定値にばらつきが生じる場合には、該測定値に基づいて算出される目標トラックまでの移動距離は、実際の目標トラックまでの距離よりも大きいか又は小さい値となる。ミラー面近傍のトラックに対してトラックジャンプを行う際、算出された移動距離が実際の移動距離よりも大きいと、光ピックアップがミラー面上に飛び出すことになる。その場合、ミラー面上にはトラックが存在しないので、トラッキングサーボを機能させることができず、サーボエラーが発生し、光ディスクの再生を継続することができなくなる。
本発明の目的は、かかる従来技術の問題に鑑み、光ディスク装置において、トラックジャンプに際し、トラックピッチの測定値に拘らず、光ピックアップがミラー面上に逸脱するのを防止することにある。
この目的を達成するため、第1の発明に係る光ディスク装置は、光ディスクの回転制御が開始された後、光ピックアップをスレッド方向に所定距離移動させ、その間に光ピックアップが横切るトラック数を計測することによりトラックピッチを測定する測定手段と、前記測定手段によるトラックピッチの測定値及び目標トラックまでのトラック数に基づいて目標トラックまでの移動距離を求め、光ピックアップを該移動距離だけ移動させるトラックジャンプ手段とを備えた光ディスク装置において、前記測定手段によるトラックピッチの測定値を所定の補正値によって補正する補正手段を具備することを特徴とする。
第2の発明に係る光ディスク装置は、第1発明において、前記減算値は、一定の値であることを特徴とする。
第3の発明に係る光ディスク装置は、第1又は第2発明において、前記補正手段は、前記トラックピッチの測定値の補正を、該測定値に対し、前記補正値としての所定の1以下の数を乗算することによって行うことを特徴とする。
第4の発明に係る光ディスク装置は、第1又は第2発明において、光ディスクに対してトラックが偏芯していない光ディスクを回転させながら、位置が固定された光ピックアップを横切るトラック数をカウントして得られる装置に固有の偏芯量に応じた補正を前記補正値に対して施す補正値補正手段を有することを特徴とする。
第5の発明に係る光ディスク装置は、第1発明において、前記補正値は、光ディスクを回転させながら、位置が固定された光ピックアップを横切るトラック数をカウントして得られる偏芯量に応じた値であり、前記補正手段は、前記トラックピッチの測定値の補正を、該測定値から該補正値を減算することにより行うことを特徴とする。
第6の発明に係るトラックジャンプ方法は、光ディスクの回転制御が開始された後、光ピックアップをスレッド方向に所定距離移動させ、その間に光ピックアップが横切るトラック数を計測することによりトラックピッチを測定する測定工程と、前記測定工程によるトラックピッチの測定値及び目標トラックまでのトラック数に基づいて目標トラックまでの移動距離を求め、光ピックアップを該移動距離だけ移動させるトラックジャンプ工程とを備えたトラックジャンプ方法において、前記測定工程によるトラックピッチの測定値を所定の補正値によって補正する補正工程を具備することを特徴とする。
本発明によれば、光ディスク装置において、トラックジャンプに際し、光ピックアップがミラー面上に逸脱するのを防止することができる。
図1は、本発明の第1の実施形態に係るディスク再生装置の構成を示すブロック図である。同図に示すように、この装置は、光ディスク1を回転させるスピンドルモータ2、回転する光ディスク1から情報を読み取ってRF信号を出力する光ピックアップ3、光ピックアップ3をスレッド方向に駆動する送りモータ4、光ピックアップ3からのRF信号を増幅するRFアンプ5、RFアンプ5からのRF信号に基づき、フォーカスサーボ、トラッキングサーボ等のサーボ制御や、デコード処理を行うシステムLSI6を備える。
光ピックアップ3はディスク1への情報読取用の光ビームを発し、その反射光を受光するレーザ発光及びフォトディテクタ部13、光ビームをディスク1の記録面に照射する対物レンズをフォーカス調整方向に駆動するためのフォーカスコイル14、並びに、対物レンズを光ディスク1の半径方向に駆動するためのトラッキングコイル15を備える。
この装置はまた、デコードされた音声データを所定時間分蓄えながら供給するショックプルーフメモリ7、ショックプルーフメモリ7からの音声データをアナログ信号に変換して出力するDA変換器8、装置各部を制御するコントロールマイコン9、システムLSI6からの指令に基づき、スピンドルモータ2、フォーカスコイル14、トラッキングコイル15、及び送りモータ4に対し駆動信号を供給するドライブ回路10を備える。コントロールマイコン9はCPU、ROM、RAM等により構成される。
レーザ発光及びフォトディテクタ部13、RFアンプ5、システムLSI6、並びにドライブ回路10及びフォーカスコイル14により、レーザ発光及びフォトディテクタ部13からの光ビームの合焦位置をディスク1の記録面に一致させるフォーカスサーボ機構が構成される。また、レーザ発光及びフォトディテクタ部13、RFアンプ5、システムLSI6、ドライブ回路10、並びにトラッキングコイル15により、光ビームをディスク1のトラックに追従させるトラッキングサーボ機構が構成される。システムLSI6は、ドライブ回路10を介し、スピンドルモータ2により、光ディスクをCLVやZCLV方式で回転させる光ディスクの回転制御を行う。
コントロールマイコン9は、システムLSI6を介してフォーカスサーボ及びトラッキングサーボのオン・オフを制御したり、RFアンプ5及びシステムLSI6を介して得られるトラックエラー信号に基づいて光ピックアップ3が横切るトラックの本数をカウントしたり、システムLSI6を介して送りモータ4を制御し、光ピックアップ3の位置を制御したりすることができる。
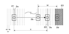
図2は、図1のディスク再生装置において再生される光ディスク1ついてトラックジャンプを行うときの様子を示す図である。図中の21はトラックジャンプの開始時に光ピックアップ3が位置するアドレスが存在する開始トラック、22はトラックジャンプにより光ピックアップ3を位置させたいアドレスが存在する目標トラック、23は光ディスク1におけるデータエリア外側の外周部に存在するミラー面、Xは開始トラック21から目標トラック22までの距離、Yは開始トラック21からミラー面23までの距離である。トラックが回転中心に対して偏芯していない場合には、トラックピッチの測定値Lmは実際のトラックピッチに一致していると考えられるので、距離Xは開始トラックから目標トラックまでのトラック数Nに対して、トラックピッチの測定値Lmを乗じた値に一致する。なお、トラックピッチの測定値Lmは、上述の数1式を用いる方法により取得することができる。
しかしながらトラックが偏芯している場合、トラックピッチの測定値Lmをそのまま用いてトラックジャンプを行うと、実際のトラックピッチを真正値Lrとすれば、次式が成立するとき、光ピックアップ3はミラー面23上に飛び出すことになる。
[数4]
(測定値Lm−真正値Lr)×トラック数N>距離Y−距離X
すなわち、トラックジャンプによって実際に光ピックアップ3が移動する距離Dは、トラックピッチの測定値Lm、及び目標アドレスまでのトラック数Nを用いて次式で表されるが、トラックピッチの測定値Lmのばらつきに応じ、目標トラックまでの距離(Lr×N)のまわりでばらつくので、ミラー面23に達するおそれがある。
[数5]
移動距離D=測定値Lm×トラック数N
図3はこの移動距離Dのばらつきの様子を示す。図中の3aは開始トラック21上に位置する光ピックアップ、3bはトラックピッチの測定値Lmがばらつき範囲内における最小である場合のトラックジャンプ後の光ピックアップ、3cは目標トラック22上に位置する光ピックアップ、3dはトラックピッチの測定値Lmがばらつき範囲内における最大である場合のトラックジャンプ後の光ピックアップ、そしてLrはトラックピッチの真正値である。トラックジャンプ後の光ピックアップ3の位置は、トラックピッチの測定値Lmのばらつきに応じて、光ピックアップ3cの位置のまわりでばらつく。ばらつきの範囲は、光ピックアップ3bの位置から光ピックアップ3dの位置までの範囲Wとなる。したがって、同図のように、出発トラック21の位置、目標トラック22の位置、及びトラックピッチの測定値Lmの値によっては、ばらつき範囲Wがミラー面23上にまで及び、トラックジャンプ後の光ピックアップ3dが、ミラー面23上に逸脱する場合がある。
このように、測定値Lmをそのまま用いてトラックジャンプを行った場合の移動距離Dのばらつきは、トラックの偏芯に起因する測定値Lmのばらつきに対応して発生する。1つの光ディスク1におけるトラックピッチの測定値Lmのばらつきの範囲は、上述の数3式により表される。また、トラックの偏芯量は個々の光ディスク1によって異なる値となるが、各光ディスク1を通じて所定の範囲内にあると考えられる。したがって、トラックピッチの測定値Lmにおけるばらつきも、各光ディスク1を通じて、所定の範囲内にあると考えられる。
そこで、各光ディスク1にわたる測定値Lmのばらつき範囲を考慮し、本実施形態においては、トラックピッチの測定値Lmを、所定の減算値Sを差し引いて補正するようにしている。補正したトラックピッチの測定値Lc及びこれを用いたトラックジャンプによる移動距離Dは、目標アドレスまでのトラック数Nを用い、次式で表される。
[数6]
補正された測定値Lc=測定値Lm−減算値S
移動距離D=補正された測定値Lc×トラック数N
減算値Sとしては、補正された測定値Lcが実際のトラックピッチを超えることがないような値が採用される。つまり、各光ディスク1を通じて、ミラー面23に隣接するトラックまでの種々のトラックからのトラックジャンプによっても光ピックアップ3がミラー面23上に逸脱することがないような値が採用される。ただし、トラックジャンプの精度を極力劣化させないように、極力小さな値が好ましい。言い換えれば、トラックジャンプの測定値Lmがばらつき範囲における最大の値となった場合に、補正された測定値Lcによりトラックジャンプを行ったとき、移動距離Dが丁度目標トラックまでの距離に一致するような値が好ましい。
減算値Sとしては、たとえば、0.1[μm]が該当する。トラックピッチの測定値が真正値よりも0.1[μm]だけ大きい場合、光ディスク1がCDであるとすれば、最も内側のトラックから最も外側のトラックまでトラックジャンプを行うとき、約22000本のトラックを横切るので、測定値をそのまま用いた場合の誤差は2.2[mm]となるが、減算値Sが0.1[μm]であれば、この誤差分がキャンセルされることになる。
減算値Sは、ディスク再生装置において固定値として記憶され、該ディスク再生装置によって再生される各光ディスク1に対して共通に用いられる。つまり、個々のディスク再生装置や光ディスクに固有の値ではなく、同一規格の光ディスクの再生に際して共通に適用される一定の値である。たとえば、トラックジャンプにおける目標トラックまでのトラック数を1000、トラックピッチの測定値を1.7[μm]、減算値Sを0.1[μm]とすれば、該トラックジャンプによる移動距離Dは次式で表される。
[数7]
移動距離D=補正値Lc×1000
補正値Lc=1.7[μm]−0.1[μm]
コントロールマイコン9はこのようにして、補正されたトラックピッチの測定値Lcを用いて移動距離Dを算出し、対応する回転数だけ送りモータ4を回転させることにより、トラックジャンプを行う。トラックジャンプによる移動後の光ピックアップ3の位置は、減算値Sにより、目標トラック上か又は殆どの場合その手前のトラック上の位置となる。したがって、ミラー面23に隣接するトラックを目標トラックとしてトラックジャンプを行う場合でも、光ピックアップ3がミラー面23上に逸脱することはない。トラックジャンプの後、コントロールマイコン9は、たとえば、トラックジャンプ完了時に光ピックアップ3が位置するトラックのアドレスを読み取り、該トラックから目標アドレスが位置する目標トラックまでの残りのトラック数を算出し、トラッキングコイル15の駆動により残りのトラック数分のずれを吸収することができる。
なお、本実施形態では、減算によって補正値を算出したが、この代わりに、たとえば、測定値Lm又は移動距離Dに対し、たとえば0.9等の1以下の数値を乗算することによって、算出することも可能である。
以上説明したように、本実施形態によれば、実際のトラックピッチを超えることがないようなトラックピッチの補正値Lcを与える減算値Sによりトラックピッチの測定値を補正するようにしたため、トラックジャンプにより光ピックアップ3がミラー面23上に逸脱するのを防止することができる。
本発明の第2の実施形態に係るディスク再生装置においては、ディスク再生装置毎に、装置固有の偏芯量を求め、これ基づいて補正した装置固有の減算値Spを用いるようにしている。すなわち、トラックの偏芯量には光ディスクに対する偏芯の他に、光ディスクを支持して回転させるターンテーブルの振れに起因するものも含まれる。このターンテーブルの振れに起因する偏芯量を、そのターンテーブルを有するディスク再生装置に固有の偏芯量として考え、この偏芯量に基づいて上述の減算値Sを補正し、該ディスク再生装置に固有の減算値Spとして用いる。ディスク再生装置の構成図としては図1をそのまま適用することができる。
ディスク再生装置に固有の減算値Spは次のようにして求めることができる。すなわちディスク再生装置の生産時に、ディスクに対するトラックの偏芯の無い光ディスク1をターンテーブル上にセットしてトラックの偏芯量を測定する。測定は、トラッキングサーボをオフとして光ピックアップ3を所定位置に固定したまま、フォーカスサーボをオン状態として、光ディスク1を半回転させ、その間に光ピックアップ3を横切るトラック数をトラックエラー信号に基づいてカウントし、得られたトラック数にトラックピッチを乗ずることによって行うことができる。乗ずるトラックピッチとしては、たとえば、規格上の中心値である1.6[μm]を用いることができる。測定した偏芯量をディスク再生装置のメモリ等に記憶させ、ディスク再生装置の使用時に用いることができるようにしておく。
ディスク再生装置の使用時には、メモリに記憶してある偏芯量に基づいて上述の減算値Sを補正し、装置固有の減算値Spとして用いる。トラックジャンプにおける目標トラックまでのトラック数をN、トラックジャンプを行う光ディスク1について予め該ディスク再生装置において測定したトラックピッチの測定値をLmとすれば、トラックジャンプによる移動距離Dは、次式で表される。
[数8]
移動距離D=トラック数N×(測定値Lm−減算値Sp)
本実施形態によれば、ディスク再生装置に固有の偏芯量によって減算値Sを補正した装置固有の減算値Spを用いるようにしたため、光ピックアップがミラー面に逸脱するのを防止しながら、ディスク再生装置毎の特性に適合した移動距離Dによるトラックジャンプを行うことができる。
図4は本発明の第3の実施形態に係るディスク再生装置のコントロールマイコンによる一部の処理を示すフローチャートである。この処理は、トラックピッチの測定値を補正する処理である。この処理では、トラックピッチの測定値の補正に用いる減算値を、光ディスク毎に測定した偏芯量に基づき、光ディスク毎の減算値Soとして取得するようにしている。ディスク再生装置の構成図としては、図1をそのまま適用することができる。
図4の処理を開始すると、ステップ41において、図示していないターンテーブル上に光ディスク1をローディングする。次に、ステップ42において、フォーカスサーボをオン状態とする。次に、ステップ43において、光ディスク1が半回転する間に光ピックアップ3が横切るトラック数nをカウントする。このカウントは、トラッキングサーボをオフ状態として光ピックアップ3を所定の固定位置に位置させ、かつフォーカスサーボをオン状態としながら光ディスク1を半回転させ、その間に、光ピックアップ3からRFアンプ5及びシステムLSI6を介して得られるトラッキングエラー信号に基づいて行うことができる。
次に、ステップ44において、得られたトラック数nに基づき、光ディスク1におけるトラックの偏芯量dを次式により算出する。式中のトラックピッチLとしては、たとえば規格上のトラックピッチの平均値である1.6[μm]が用いられる。
[数9]
偏芯量d=トラック数n×トラックピッチL
次に、ステップ45において、トラックピッチの測定値の補正に用いる減算値Soを算出する。減算値Soは次式のように、偏芯量dに対し、所定の係数cを乗ずることによって求められる。
[数10]
減算値So=偏芯量d×係数c
係数cとしては、減算値Soを減算することにより補正されたトラックピッチの測定値Lcが実際のトラックピッチを超えることがないような値が採用される。つまり、減算値Soで補正されたトラックピッチの測定値Lcを用いて、ミラー面23に隣接するトラックまでの種々のトラックからのトラックジャンプを行った場合でも、光ピックアップ3がミラー面23上に逸脱することがないような値であって、かつトラックジャンプの精度を極力劣化させない極力小さな値が採用される。
次に、ステップ46においてトラックピッチの測定を行う。測定は、上述の数1式を用いた方法により行うことができる。
次に、ステップ47において、トラックピッチの測定値Lmについての補正された測定値Lcを次式により求める。これにより、図4の処理を終了する。トラックジャンプは補正されたトラックピッチの測定値Lcを用い、第1実施形態の場合と同様にして行うことができる。
[数11]
補正された測定値Lc=測定値Lm−減算値So
本実施形態によれば、光ディスク毎の偏芯量に基づいて補正したトラックピッチの測定値Lcを用いてトラックジャンプを行うことにより、光ピックアップがミラー面に逸脱するのを防止しながら、各光ディスクに適合した移動距離によるトラックジャンプを行うことができる。
なお、トラックの偏芯量には、光ディスクに対するトラックの偏芯量、及びターンテーブルの振れによるトラックの偏芯量が含まれるが、これらを合計した偏芯量は約300〜400[μm]である。これに対し、ミラー面の内側に隣接するリードアウトエリアの幅は規格上0.5[mm]である。このため、基本的には、真正なトラックピッチを用いてトラックジャンプを行う場合には、該偏芯量の存在に起因して光ピックアップがミラー面へ逸脱するおそれはないと考えられる。したがって本発明では、トラックの偏芯に起因してトラックピッチの測定値に含まれてくる誤差に専ら注目し、課題の解決を図っている。
本発明の第1の実施形態に係るディスク再生装置の構成を示すブロック図である。 図1のディスク再生装置において再生される光ディスク1ついてトラックジャンプを行うときの様子を示す図である。 トラックピッチの測定値をそのまま用いてトラックジャンプを行う場合の移動距離のばらつきの様子を示す図である。 本発明の第3の実施形態に係るディスク再生装置のコントロールマイコンによる一部の処理を示すフローチャートである。
符号の説明
1:光ディスク、2:スピンドルモータ、3,3a〜3d:光ピックアップ、4:送りモータ、5:RFアンプ、6:システムLSI、7:ショックプルーフメモリ、8:DA変換器、9:コントロールマイコン、10:ドライブ回路、13:レーザ発光部/フォトディテクタ部、14:フォーカスコイル、15:トラッキングコイル、21:開始トラック、22:目標トラック、23:ミラー面。

Claims (6)

  1. 光ディスクの回転制御が開始された後、光ピックアップをスレッド方向に所定距離移動させ、その間に光ピックアップが横切るトラック数を計測することによりトラックピッチを測定する測定手段と、
    前記測定手段によるトラックピッチの測定値及び目標トラックまでのトラック数に基づいて目標トラックまでの移動距離を求め、光ピックアップを該移動距離だけ移動させるトラックジャンプ手段とを備えた光ディスク装置において、
    前記測定手段によるトラックピッチの測定値を所定の補正値によって補正する補正手段を具備することを特徴とする光ディスク装置。
  2. 前記補正値は、一定の値であることを特徴とする請求項1に記載の光ディスク装置。
  3. 前記補正手段は、前記トラックピッチの測定値の補正を、該測定値に対し、前記補正値としての所定の1以下の数を乗算することによって行うことを特徴とする請求項1又は2に記載の光ディスク装置。
  4. 光ディスクに対してトラックが偏芯していない光ディスクを回転させながら、位置が固定された光ピックアップを横切るトラック数をカウントして得られる装置に固有の偏芯量に応じた補正を前記補正値に対して施す補正値補正手段を有することを特徴とする請求項1又は2の記載の光ディスク装置。
  5. 前記補正値は、光ディスクを回転させながら、位置が固定された光ピックアップを横切るトラック数をカウントして得られる偏芯量に応じた値であり、前記補正手段は、前記トラックピッチの測定値の補正を、該測定値から該補正値を減算することにより行うことを特徴とする請求項1に記載の光ディスク装置。
  6. 光ディスクの回転制御が開始された後、光ピックアップをスレッド方向に所定距離移動させ、その間に光ピックアップが横切るトラック数を計測することによりトラックピッチを測定する測定工程と、
    前記測定工程によるトラックピッチの測定値及び目標トラックまでのトラック数に基づいて目標トラックまでの移動距離を求め、光ピックアップを該移動距離だけ移動させるトラックジャンプ工程とを備えたトラックジャンプ方法において、
    前記測定工程によるトラックピッチの測定値を所定の補正値によって補正する補正工程を具備することを特徴とするトラックジャンプ方法。
JP2008324869A 2008-12-22 2008-12-22 光ディスク装置及びトラックジャンプ方法 Pending JP2010146672A (ja)

Priority Applications (1)

Application Number Priority Date Filing Date Title
JP2008324869A JP2010146672A (ja) 2008-12-22 2008-12-22 光ディスク装置及びトラックジャンプ方法

Applications Claiming Priority (1)

Application Number Priority Date Filing Date Title
JP2008324869A JP2010146672A (ja) 2008-12-22 2008-12-22 光ディスク装置及びトラックジャンプ方法

Publications (1)

Publication Number Publication Date
JP2010146672A true JP2010146672A (ja) 2010-07-01

Family

ID=42566927

Family Applications (1)

Application Number Title Priority Date Filing Date
JP2008324869A Pending JP2010146672A (ja) 2008-12-22 2008-12-22 光ディスク装置及びトラックジャンプ方法

Country Status (1)

Country Link
JP (1) JP2010146672A (ja)

Citations (4)

* Cited by examiner, † Cited by third party
Publication number Priority date Publication date Assignee Title
JPS59198570A (ja) * 1983-04-22 1984-11-10 Asahi Optical Co Ltd ビデオデイスク再生装置における高速サ−チ方式
JPS6047274A (ja) * 1983-08-25 1985-03-14 Sony Corp 情報信号の高速サ−チ方法
JPS61188787A (ja) * 1985-02-15 1986-08-22 Pioneer Electronic Corp アドレス探索方法
JP2000339710A (ja) * 1999-05-25 2000-12-08 Sharp Corp 光ディスクドライブのシーク制御装置

Patent Citations (4)

* Cited by examiner, † Cited by third party
Publication number Priority date Publication date Assignee Title
JPS59198570A (ja) * 1983-04-22 1984-11-10 Asahi Optical Co Ltd ビデオデイスク再生装置における高速サ−チ方式
JPS6047274A (ja) * 1983-08-25 1985-03-14 Sony Corp 情報信号の高速サ−チ方法
JPS61188787A (ja) * 1985-02-15 1986-08-22 Pioneer Electronic Corp アドレス探索方法
JP2000339710A (ja) * 1999-05-25 2000-12-08 Sharp Corp 光ディスクドライブのシーク制御装置

Similar Documents

Publication Publication Date Title
JP4377841B2 (ja) フォーカス検出手段またはトラッキング検出手段の調整方法および光ディスク装置
JP2010146672A (ja) 光ディスク装置及びトラックジャンプ方法
JP4157564B2 (ja) 光ディスク装置、ディスク判別方法
WO2006009082A1 (ja) 光ディスク記録再生装置及び光ディスク記録再生装置のディスク判別方法
US8027231B2 (en) Information recording apparatus and method, information reproducing apparatus and method, and computer program
US20110205872A1 (en) Optical disc drive and method of controlling the same
JP3940927B2 (ja) 光ディスク記録装置
JP4725538B2 (ja) 光ディスク装置
US7957228B2 (en) Information recording device and method, and computer program
JP3998424B2 (ja) 光ディスク記録再生装置
JP4036061B2 (ja) ディスクドライブ装置、サーボゲイン調整方法
JP4470695B2 (ja) 光ディスク記録再生装置
JP2006185482A (ja) 光ピックアップチルト補正制御装置およびチルト補正方法
JP5076846B2 (ja) 光ディスク装置
JP4518138B2 (ja) 光ディスク再生装置
US20060158978A1 (en) Optical disk apparatus
US20080123505A1 (en) Optical disk apparatus and optical disk reproduction method
JP2006196100A (ja) チルト調整装置及びチルト調整方法
JP2008065885A (ja) 光ディスク装置及び該装置のレイヤジャンプ制御方法
JP2008234698A (ja) 光ディスク再生装置
JP2009277283A (ja) 光ディスク装置
JP2011141936A (ja) 光学ドライブ装置、記録パラメータ調整方法
JP2007200381A (ja) 光ディスク装置運転方法および光ディスク装置
JP2007018578A (ja) チルト調整方法およびこれを用いた光ディスク再生装置
JP2009252300A (ja) 光ディスク再生装置及び光ディスク種別判定方法

Legal Events

Date Code Title Description
A621 Written request for application examination

Free format text: JAPANESE INTERMEDIATE CODE: A621

Effective date: 20100922

A521 Written amendment

Free format text: JAPANESE INTERMEDIATE CODE: A523

Effective date: 20110825

A711 Notification of change in applicant

Free format text: JAPANESE INTERMEDIATE CODE: A712

Effective date: 20111012

A977 Report on retrieval

Free format text: JAPANESE INTERMEDIATE CODE: A971007

Effective date: 20111208

A131 Notification of reasons for refusal

Effective date: 20111213

Free format text: JAPANESE INTERMEDIATE CODE: A131

A02 Decision of refusal

Effective date: 20120508

Free format text: JAPANESE INTERMEDIATE CODE: A02