JP2005295767A - ステッピングモータの駆動装置 - Google Patents

ステッピングモータの駆動装置 Download PDF

Info

Publication number
JP2005295767A
JP2005295767A JP2004111265A JP2004111265A JP2005295767A JP 2005295767 A JP2005295767 A JP 2005295767A JP 2004111265 A JP2004111265 A JP 2004111265A JP 2004111265 A JP2004111265 A JP 2004111265A JP 2005295767 A JP2005295767 A JP 2005295767A
Authority
JP
Japan
Prior art keywords
stepping motor
counting
count
excitation
driving
Prior art date
Legal status (The legal status is an assumption and is not a legal conclusion. Google has not performed a legal analysis and makes no representation as to the accuracy of the status listed.)
Granted
Application number
JP2004111265A
Other languages
English (en)
Other versions
JP4399783B2 (ja
Inventor
Atsukore Suganuma
篤是 菅沼
Current Assignee (The listed assignees may be inaccurate. Google has not performed a legal analysis and makes no representation or warranty as to the accuracy of the list.)
Victor Company of Japan Ltd
Original Assignee
Victor Company of Japan Ltd
Priority date (The priority date is an assumption and is not a legal conclusion. Google has not performed a legal analysis and makes no representation as to the accuracy of the date listed.)
Filing date
Publication date
Application filed by Victor Company of Japan Ltd filed Critical Victor Company of Japan Ltd
Priority to JP2004111265A priority Critical patent/JP4399783B2/ja
Publication of JP2005295767A publication Critical patent/JP2005295767A/ja
Application granted granted Critical
Publication of JP4399783B2 publication Critical patent/JP4399783B2/ja
Anticipated expiration legal-status Critical
Expired - Fee Related legal-status Critical Current

Links

Images

Landscapes

  • Control Of Stepping Motors (AREA)

Abstract

【課題】 ヒステリシス現象の影響を低減させ、回転子を精度よく安定して移動及び停止させることができるステッピングモータの駆動制御装置を提供する
【解決手段】 クロックパルス(CP)をアップカウントの制限値Uとダウンカウントの制限値Dとの間で回転方向(dir)に応じてアップカウント又はダウンカウントし、補正用カウント値Xを得るカウンタ手段(A)と、補正用カウント値Xと与えられた目標移動パルス数hとを用い、クロックパルス(CP)のパルス数CPnを、アップカウント時にはCPn=h+U−Xとし、ダウンカウント時にはCPn=h−D+Xとしてアップダウンカウンタ(1)に出力するパルス付与手段(B)とを備えた。
【選択図】 図3

Description

本発明は、ステッピングモータの駆動装置に係り、特に、ステッピングモータの基本ステップ角を分割してマイクロステップ駆動する駆動装置に関する。
近年、ステッピングモータの駆動においては、その基本ステップ角をn分割して駆動する所謂マイクロステップ駆動が多用されている。このマイクロステップ駆動は、駆動角度を細かく設定できるので、特に、磁気ディスク装置の磁気ヘッド駆動において好適な駆動方法である。
このマイクロステップ駆動を用いた従来の駆動制御装置について図5,図6を用いて説明する。これらの図は、後述する特許文献1に記載された図を基にしている。
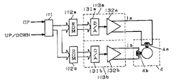
図5はステッピングモータを駆動するための従来の駆動制御装置の構成を示すものである。
アップダウンカウンタ101は、回転方向信号UP/DOWNによりクロックパルスCPを計数アップまたは計数ダウンする。
ROM102a,102bには、正弦波及び余弦波の振幅データが記憶されている。
D/Aコンバータ131a,131bは、アップダウンカウンタ101の出力をアドレスデータとして各ROM102a,102bから読み出された振幅データをアナログ信号に変換する。
駆動回路132a,132bは、D/Aコンバータ131a,131bから出力されたアナログ信号に応じてステッピングモータ4を駆動する。
D/Aコンバータ131a,131bと駆動回路132a,132bとにより励磁電流制御部103a,103bが構成される。
この駆動制御装置で駆動されるステッピングモータ4は、ステータコイル4a,4bを備えている。
以上のように構成されたステッピングモータ4とその駆動制御装置の動作について、図5,図6を用いて説明する。
図6は、ステッピングモータ4の初期状態である逆転方向で静止している状態から、回転方向信号UP/DOWNをアップ(H)にすることで正転方向に基本ステップ角で4ステップ角だけ回転した後、回転方向信号UP/DOWNをダウン(L)にすることで逆転方向の回転に切り替わるまで、の各部の作用を示している。
まず、回転方向信号UP/DOWNにより、アップダウンカウンタ101の計数方向が設定される。
クロックパルスCPが入力されると、アップダウンカウンタ101は計数動作をはじめる。
アップダウンカウンタ101の計数値をアドレスデータとしてROM102a,102bから正弦波、余弦波の振幅データが順次読み出される。
読み出された振幅データは、励磁電流制御部103a,103bのD/Aコンバータ131a,131bによりアナログ信号に変換され、励磁信号として駆動回路132a,132bに入力される。
駆動回路は、例えば定電流駆動によってステッピングモータ4のステータコイル4a,4bを駆動する。
この各部の作用において、最初にクロックパルスCPが入力されてアップダウンカウンタ101が計数アップ動作を開始すると、励磁位置の回転角が正方向に移動し、これにより回転子位置との間に位相差が生じてトルクが発生する。
そして、この発生トルクが増大し、正方向の最大摩擦トルクと平衡状態になった時点でモータの回転子は移動を開始して励磁位置に追従していく。
図6におけるt1の時点で、回転方向信号UP/DOWNが反転してアップダウンカウンタ101が計数ダウンを開始すると、励磁位置の回転角は逆方向に移動する。そして、励磁位置と回転子位置との位相差が逆方向になり、さらに、この逆方向の発生トルクが増大して最大摩擦トルクと平衡状態になると回転子は励磁位置に追従を始める。
ステッピングモータは、内部摩擦損失等により励磁位置と回転子位置との間に位相差が発生して回転子の停止位置がずれるという所謂ヒステリシス現象があって正確な位置決めが難しいという問題点を有していることは周知である。
例えば、図6のt1の時点で、逆方向に移動パルス数をセットしても、当図に示すヒステリシスの範囲において回転子は移動できず、結果としてセットした移動数に相当する移動が行われないという問題点があった。
この問題点に対して、移動方向が変わった場合にヒステリシス分に相当するパルス数を増やす補正を行ってこのヒステリシス現象を低減させる改善技術が提案されている(特許文献1参照)。
特開平6−189598号公報
しかしながら、上述した従来技術は、回転子の停止状態における回転子の摩擦トルクと発生トルクとの平衡状態からの補正(図6におけるヒステリシス境界であるt1あるいはt4の時点での補正)については有効であるものの、例えば、ヒステリシス内での補正に対応するものではなかった。
また、回転子が長時間停止してその摩擦トルクが低下した際に、発生トルクの方が大きくなって回転を開始してしまい、その結果、位置精度が悪化するという問題があった。
そこで、本発明は、ヒステリシス現象の影響を低減させ、回転子を精度よく安定して移動及び停止させることができるステッピングモータの駆動制御装置を提供することにある。
上記の課題を解決するために、本願発明は手段として次の構成を有する。
即ち、請求項1に係る発明は、ステッピングモータを駆動させるための駆動装置であって、ステッピングモータ(4)の回転方向に応じてクロックパルス(CP)をアップカウント又はダウンカウントし、得られたカウント値を出力するアップダウンカウンタ(1)と、出力された前記カウント値に応じた回転角で前記ステッピングモータ(4)をマイクロステップ駆動する駆動手段とを備えたステッピングモータの駆動装置において、
前記クロックパルス(CP)をアップカウントの制限値Uとダウンカウントの制限値Dとの間で前記回転方向(dir)に応じてアップカウント又はダウンカウントし、補正カウント値Xを得るカウンタ手段(A)と、前記補正カウント値Xと与えられた目標移動パルス数hとを用い、前記クロックパルス(CP)のパルス数CPnを、前記アップカウント時にはCPn=h+U−Xとし、前記ダウンカウント時にはCPn=h−D+Xとして前記アップダウンカウンタ(1)に出力するパルス付与手段(B)とを備えたことを特徴とするステッピングモータの駆動装置である。
また、請求項2に係る発明は、前記ステッピングモータ(4)の駆動後に、励磁位相を前記駆動時の回転方向とは反対方向に変換する励磁位相変換手段(D)、又は、励磁強度を下げる励磁強度変更手段(C)を備えたことを特徴とする請求項1記載のステッピングモータの駆動装置である。
本発明によれば、ヒステリシス現象の影響が低減し、回転子を精度よく安定して所定角度移動させることができ、安定して停止状態を維持することができるという効果を奏する。
本発明の実施の形態を、好ましい実施例により図1〜図4を用いて説明する。
図1は、本発明のステッピングモータの駆動制御装置における実施例の基本構成を説明する図であり、
図2は、本発明のステッピングモータの駆動制御装置における実施例の動作を説明する図であり、
図3は、本発明のステッピングモータの駆動制御装置における実施例の具体的構成を説明する図であり、
図4は、本発明のステッピングモータの駆動制御装置における実施例を説明するフローチャートである。
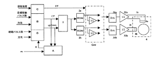
まず、図3を用いて駆動制御装置の実施例の構成を詳述する。
当図において、アップダウンカウンタ1は、回転方向信号dirによりクロックパルスCPを計数アップまたは計数ダウンする。
ROM2a,2bには、正弦波及び余弦波の振幅データが記憶されている。
D/Aコンバータ31a,31bは、カウンタCの出力をアドレスデータとして各ROM2a,2bから読み出された振幅データをアナログ信号に変換する。
駆動回路32a,32bは、D/Aコンバータ31a,31bから出力されたアナログ信号に応じてステッピングモータ4を駆動する。
D/Aコンバータ31a,31bと駆動回路32a,32bとにより励磁電流制御部3a,3bを構成する。
全体を制御するマイコンM1,M2と切り替え器Cswとについての詳細は後述する。
また、この駆動制御装置により駆動されるステッピングモータ4は、ステータコイル4a,4bを有している。
マイコンM1,M2は、以下に説明するカウンタ部A,パルス付与部B,励磁強度変更部C,位相変換部Dを備えている。励磁強度変更部Cと位相変換部Dについては、いずれか一方を備えているものでもよい。
カウント部Aは、「処理AA」のフローチャート〔図4(A)参照〕の処理を実行する。回転方向信号dirが正方向の場合に、クロックパルスCPをアップカウントし、これがm発以上であればmにセットする。
また、回転方向信号dirが逆方向の場合に、クロックパルスCPをダウンカウントし、これが0(ゼロ)以下であれば0(ゼロ)にセットする。
パルス付与部Bは、カウント部Aでのカウント値をxとし、回転子の目標移動パルス数hと回転方向dirとが与えられた時に、ドライブ(アップダウンカウンタ1以降)に与えるクロックパルスCPのパルス数を、正方向の場合にh+(m−x)とし、逆方向の場合にh+xとする。
励磁強度変更部Cは、回転子が停止した際に、励磁強度を低下させる。
励磁位相変換部Dは、回転子が停止した際に、励磁位相を反対に転換する。
共有メモリSMは、aim_count(励磁パルス数),dirr(方向),x(パル数),start(開始)の各メモリ番地に数値を記憶する。
dir信号は従来技術(図5,図6参照)における回転方向信号UP/DOWNに相当する信号である。
ステッピングモータ4は、基本ステップ角を16個に分割してマイクロステップ駆動される。また、駆動のために与えられるパルス数をxとし、ヒステリシス範囲はパルス数でmに相当する範囲とする。
マイコンM2は、目標移動パルス数hと方向dirrとが与えられた時、m及び共有メモリSMに取り込まれたパルス数xを読みこんで「処理BB」のフローチャート〔図4(B)参照〕処理を実行し、各値を共有メモリSM内のaim_count(励磁パルス数),dirr(方向),start(開始)に書きこむ。
励磁パルス数aと方向dirrが与えられた時は、「処理DD」のフローチャート〔図4(D)参照〕処理を実行し、各値を共有メモリSM内の、aim_count(励磁パルス数),dirr(方向),start(開始)に書きこむ。
マイコンM1は、周期tm毎に通常処理で示すフローチャートの処理を実行している。本実施例では、「処理AA」〔図4(A)参照〕も周期tm毎に実行される。
「通常処理」のフローチャート〔図4(E)参照〕では、start=1になったことを受けて、dirrを出力し、また、divcをカウントし、処理周期5回毎にCP=1を出力する。
また、これをcp_count(クロックパルス数)でカウントし、aim_countになったら、start=0(ゼロ)にして終了する。
カウント部Aで行われる処理AAでは、CP=1の時、dir=1ならば、xをインクリメントしmで制限をかける。
dir=0ならば、xをデクリメントし、0(ゼロ)で制限をかける。
励磁強度変更部Cで行われる処理CCでは、励磁強度を下げる場合に、reiji_kyoudo=0(ゼロ)に応じてsw=1を出力し、切り換え器Cswのスイッチの下側を選択させる。
次に、この実施例の動作について、図2を用いて説明する。
まず、t0=0(ゼロ)で、回転子の回転角はH0の位置にあるものとする。この状態から、基本ステップ角で4ステップ角分、回転子を正回転方向に回転させる。この4ステップは、マイクロステップ数で、4*16=64(個)に相当する。
以下の説明においては、h0=64,m=12とする。
まず、励磁強度を上げた状態にして、reiji_kyoudo=1にして、マイコンM2で処理CCを実行する。
次に、目標移動パルス数:h=h0,方向:正回転方向aim_dir=1にし、start=1とする。
マイコンM2が処理BBを実行し、共有メモリSMのデータは、x=m,aim_count=h+m−x,dir=1,start=1となる。
マイコンM1は、このstart=1を受けて通常処理を実行し、dir=1にしてクロックパルスCPをh発だけ発生させる。
また、処理AAが実行されてxをインクリメントするが、上述したように制限されてmのままとなる。
回転方向信号dirにより、アップダウンカウンタ1の計数方向が設定される。
アップダウンカウンタ1は、クロックパルスCPが入力されることにより計数動作を始める。その計数値をアドレスデータとして、ROM2a,2bから正弦波、余弦波の振幅データが順次読み出される。
読み出された振幅データは、励磁電流制御部3a,3bのD/Aコンバータ31a,31bによりアナログ信号に変換され、励磁信号として駆動回路32a,32bに入力される。
駆動回路32a,32bは、例えば定電流駆動によってステッピングモータ4のステータコイル4a,4bを駆動する。これにより回転子は回転移動し、t1時点で、回転角H3の位置となり停止する。
この状態において、発生トルクと摩擦トルクとは平衡状態にあるが、仮に、状態が変わって摩擦トルクが小さくなった場合、発生トルクの方が大きくなり、この回転子は正転方向に回転してしまう。
このため、回転子が停止した直後、reiji_kyoudo=0(ゼロ)にして、マイコンM2の処理CCを実行する。
この処理CCにより、ROM2a,2bからの読み出しデータが1/2になって励磁強度が1/2となる。その結果、発生トルクが1/2になり、回転子の不要な回転移動を防ぐことができる。
また、励磁パルス数:a=d(例えば、d=3),方向:r_dir=0(ゼロ)とし、マイコンM2で処理DDを実行させ、励磁位相をdパルス逆回転してx=m−d,t2の位置K0にすれば、この場合も発生トルクが下がり回転子の不要な回転を防いでこれを安定して停止させることができる。
次に、このようなヒステリシスの範囲内の位置K0から、目標移動パルス数hを与えたときの動作について説明する。この位置K0は、上述のように、x=m−dとなる位置である。
位置K0から正回転角h1だけ回転子を回転移動させたい場合、aim_dir=1,h=h1としてマイコンM2に処理BBを実行させれば、aim_count=h1+m−x=h1+dとなり、マイコンM1は、dir=1でクロックパルスCPを(h1+d)パルス発生させる。
これによって励磁位置はK1になり、回転子はt3の時点から正方向に回転を始め、t6の時点で、W1の位置まで回転移動する。この移動における回転角は、H3からH1であり、正回転角h1だけ移動したことになる。
一方、逆回転角h2だけ回転子を回転移動させたい場合、aim_dir=0,h=h2としてマイコンM2に処理BBを実行させれば、aim_count=h2+x=h2+m−dとなり、マイコンM1は、dir=0でクロックパルスCPを(h2+m−d)パルス発生させる。
これによって励磁位置はK2になり、回転子はt4の時点から逆方向に回転を始め、t5の時点で、W1の位置まで回転移動する。この移動における回転角は、H3からH2であり、逆回転角h2だけ移動したことになる。
上述した駆動制御装置の実施例によれば、ヒステリシス現象の影響を大幅に低減することができ、回転子の回転角度を極めて高精度にすることができる。また、停止後の回転子の不要な回転を防止し、これを極めて安定して静止させることができる。
また、この駆動制御装置は、以下のような駆動制御方法でステッピングモータを駆動するものであればよい。
即ち、ステッピングモータ(4)の回転方向に応じてクロックパルス(CP)をアップカウント又はダウンカウントし、得られたカウント値を出力するアップダウンカウンタ(1)と、出力された前記カウント値に応じた回転角で前記ステッピングモータ(4)をマイクロステップ駆動する駆動手段とを備えてステッピングモータを駆動するステッピングモータの駆動方法において、
前記クロックパルス(CP)を、アップカウントの制限値Uとダウンカウントの制限値Dとの間で前記回転方向に応じてアップカウント又はダウンカウントして補正カウント値Xを得るステップと、前記補正カウント値Xと与えられた目標移動パルス数hとを用い、前記クロックパルス(CP)のパルス数CPnを、前記アップカウント時にはCPn=h+U−Xとし、前記ダウンカウント時にはCPn=h−D+Xとして前記アップダウンカウンタ(1)に出力するステップとを有することを特徴とするステッピングモータの駆動方法である。
また、この駆動方法において、前記ステッピングモータ(4)の駆動後に、励磁位相を前記駆動時の回転方向とは反対方向に変換するステップ、又は、励磁強度を下げる励磁強度変更ステップを備えたことを特徴とするステッピングモータの駆動方法である。
本発明の実施例は、上述した構成に限定されるものではなく、本発明の要旨を逸脱しない範囲において変形例としてもよい。
例えば、図1に本発明のステッピングモータの駆動装置の基本的構成を示しているが、上述した実施例は、この基本的構成に対してマイコン1,2等を用いて具現化した一例を示したものであり、この実施例に限るものではないことは言うまでもない。
本発明のステッピングモータの駆動制御装置における実施例の基本構成を説明する図である。 本発明のステッピングモータの駆動制御装置における実施例の動作を説明する図である。 本発明のステッピングモータの駆動制御装置における実施例の具体的構成を説明する図である。 本発明のステッピングモータの駆動制御装置の実施例を説明するフローチャートである。 従来の駆動制御装置の構成を説明する図である。 従来の駆動制御装置の動作を説明する図である。
符号の説明
1 アップダウンカウンタ
2a,2b ROM
3a,3b 励磁電流制御部
4 ステッピングモータ
4a,4b ステータコイル
31a,31b D/Aコンバータ
32a,32b 駆動回路
A カウンタ部
B パルス付与部
C 励磁強度変更部
CP クロックパルス
Csw 切り替え器
D 位相変換部
M1,M2 マイコン
SM 共有メモリ

Claims (2)

  1. ステッピングモータを駆動させるための駆動装置であって、
    前記ステッピングモータの回転方向に応じてクロックパルスをアップカウント又はダウンカウントし、得られたカウント値を出力するアップダウンカウンタと、
    出力された前記カウント値に応じた回転角で前記ステッピングモータをマイクロステップ駆動する駆動手段とを備えたステッピングモータの駆動装置において、
    前記クロックパルスを、アップカウントの制限値Uとダウンカウントの制限値Dとの間で前記回転方向に応じてアップカウント又はダウンカウントして補正カウント値Xを得るカウンタ手段と、
    前記補正カウント値Xと与えられた目標移動パルス数hとを用い、前記クロックパルスのパルス数CPnを、前記アップカウント時にはCPn=h+U−Xとし、前記ダウンカウント時にはCPn=h−D+Xとして前記アップダウンカウンタに出力するパルス付与手段とを備えたことを特徴とするステッピングモータの駆動装置。
  2. 前記ステッピングモータの駆動後に、
    励磁位相を前記駆動時の回転方向とは反対方向に変換する励磁位相変換手段、又は、励磁強度を下げる励磁強度変更手段を備えたことを特徴とする請求項1記載のステッピングモータの駆動装置。
JP2004111265A 2004-04-05 2004-04-05 ステッピングモータの駆動装置 Expired - Fee Related JP4399783B2 (ja)

Priority Applications (1)

Application Number Priority Date Filing Date Title
JP2004111265A JP4399783B2 (ja) 2004-04-05 2004-04-05 ステッピングモータの駆動装置

Applications Claiming Priority (1)

Application Number Priority Date Filing Date Title
JP2004111265A JP4399783B2 (ja) 2004-04-05 2004-04-05 ステッピングモータの駆動装置

Publications (2)

Publication Number Publication Date
JP2005295767A true JP2005295767A (ja) 2005-10-20
JP4399783B2 JP4399783B2 (ja) 2010-01-20

Family

ID=35328079

Family Applications (1)

Application Number Title Priority Date Filing Date
JP2004111265A Expired - Fee Related JP4399783B2 (ja) 2004-04-05 2004-04-05 ステッピングモータの駆動装置

Country Status (1)

Country Link
JP (1) JP4399783B2 (ja)

Cited By (1)

* Cited by examiner, † Cited by third party
Publication number Priority date Publication date Assignee Title
JP2018207769A (ja) * 2017-06-05 2018-12-27 ローム株式会社 ステッピングモータの駆動回路、それを用いたシステム、ステッピングモータの制御方法

Cited By (2)

* Cited by examiner, † Cited by third party
Publication number Priority date Publication date Assignee Title
JP2018207769A (ja) * 2017-06-05 2018-12-27 ローム株式会社 ステッピングモータの駆動回路、それを用いたシステム、ステッピングモータの制御方法
JP7144190B2 (ja) 2017-06-05 2022-09-29 ローム株式会社 ステッピングモータの駆動回路、それを用いたシステム

Also Published As

Publication number Publication date
JP4399783B2 (ja) 2010-01-20

Similar Documents

Publication Publication Date Title
JP4039728B2 (ja) ステッピングモータの制御装置
JP4165915B2 (ja) ステッピングモータ制御装置
JPH11215894A (ja) ステッピングモータの制御装置
JP4399783B2 (ja) ステッピングモータの駆動装置
JP3381561B2 (ja) ステッピングモータの駆動装置及びこれを用いた監視カメラ装置
JP2006271127A (ja) ステッピングモータの停止制御方法
CN103207014B (zh) 旋转驱动机构和具有该旋转驱动机构的光色散系统
JP2003224998A (ja) ステッピングモータ駆動方法
JP6619382B2 (ja) モータ駆動制御装置及びモータ駆動制御装置の制御方法
JP2006246642A (ja) モータ制御回路及びモータ制御方法
JP4269380B2 (ja) モータ駆動回路及びディスク装置
JP2008278643A (ja) ステッピングモータ駆動装置
JPH06189598A (ja) ステッピングモータの駆動制御装置
JP4340080B2 (ja) カメラ移動装置
JPH08149892A (ja) ステッピングモータ駆動装置
JPH0614798B2 (ja) パルスモ−タ−用駆動装置
JP2009011087A (ja) ステッピングモータのマイクロステップ制御方法および電動装置
JP2001231298A (ja) ステッピングモータの制御装置及び制御方法
CN111030524B (zh) 一种高稳定性的步进电机细分驱动方法及系统
US12463567B2 (en) Motor control device, motor control method, and a non-transitory storage medium storing a motor control program for a motor control device
JPH09163798A (ja) ステッピングモータのマイクロステップ駆動装置
JP6425305B2 (ja) ステッピングモータ用駆動装置、及びステッピングモータの駆動方法
JPH05207797A (ja) ステッピングモータの駆動方式
JP4653692B2 (ja) ステッピングモータのマイクロステップ駆動装置
JP6387899B2 (ja) ステッピングモーター制御装置

Legal Events

Date Code Title Description
A621 Written request for application examination

Free format text: JAPANESE INTERMEDIATE CODE: A621

Effective date: 20060630

A977 Report on retrieval

Free format text: JAPANESE INTERMEDIATE CODE: A971007

Effective date: 20090408

A131 Notification of reasons for refusal

Free format text: JAPANESE INTERMEDIATE CODE: A131

Effective date: 20090414

A521 Written amendment

Free format text: JAPANESE INTERMEDIATE CODE: A523

Effective date: 20090615

TRDD Decision of grant or rejection written
A01 Written decision to grant a patent or to grant a registration (utility model)

Free format text: JAPANESE INTERMEDIATE CODE: A01

Effective date: 20091002

A01 Written decision to grant a patent or to grant a registration (utility model)

Free format text: JAPANESE INTERMEDIATE CODE: A01

A61 First payment of annual fees (during grant procedure)

Free format text: JAPANESE INTERMEDIATE CODE: A61

Effective date: 20091015

FPAY Renewal fee payment (event date is renewal date of database)

Free format text: PAYMENT UNTIL: 20121106

Year of fee payment: 3

FPAY Renewal fee payment (event date is renewal date of database)

Free format text: PAYMENT UNTIL: 20121106

Year of fee payment: 3

S111 Request for change of ownership or part of ownership

Free format text: JAPANESE INTERMEDIATE CODE: R313111

FPAY Renewal fee payment (event date is renewal date of database)

Free format text: PAYMENT UNTIL: 20121106

Year of fee payment: 3

R350 Written notification of registration of transfer

Free format text: JAPANESE INTERMEDIATE CODE: R350

FPAY Renewal fee payment (event date is renewal date of database)

Free format text: PAYMENT UNTIL: 20121106

Year of fee payment: 3

FPAY Renewal fee payment (event date is renewal date of database)

Free format text: PAYMENT UNTIL: 20131106

Year of fee payment: 4

LAPS Cancellation because of no payment of annual fees