EP1764173A2 - Vorrichtung zum Herstellen eines Formteils - Google Patents

Vorrichtung zum Herstellen eines Formteils Download PDF

Info

Publication number
EP1764173A2
EP1764173A2 EP06013880A EP06013880A EP1764173A2 EP 1764173 A2 EP1764173 A2 EP 1764173A2 EP 06013880 A EP06013880 A EP 06013880A EP 06013880 A EP06013880 A EP 06013880A EP 1764173 A2 EP1764173 A2 EP 1764173A2
Authority
EP
European Patent Office
Prior art keywords
piston
cylinder
guide means
central axis
tool
Prior art date
Legal status (The legal status is an assumption and is not a legal conclusion. Google has not performed a legal analysis and makes no representation as to the accuracy of the status listed.)
Granted
Application number
EP06013880A
Other languages
English (en)
French (fr)
Other versions
EP1764173A3 (de
EP1764173B1 (de
Inventor
Walter Solty
Bernd Horn
Guido Schrömges
Current Assignee (The listed assignees may be inaccurate. Google has not performed a legal analysis and makes no representation or warranty as to the accuracy of the list.)
SMS Group GmbH
Original Assignee
SMS Meer GmbH
Priority date (The priority date is an assumption and is not a legal conclusion. Google has not performed a legal analysis and makes no representation as to the accuracy of the date listed.)
Filing date
Publication date
Application filed by SMS Meer GmbH filed Critical SMS Meer GmbH
Publication of EP1764173A2 publication Critical patent/EP1764173A2/de
Publication of EP1764173A3 publication Critical patent/EP1764173A3/de
Application granted granted Critical
Publication of EP1764173B1 publication Critical patent/EP1764173B1/de
Active legal-status Critical Current
Anticipated expiration legal-status Critical

Links

Images

Classifications

    • BPERFORMING OPERATIONS; TRANSPORTING
    • B30PRESSES
    • B30BPRESSES IN GENERAL
    • B30B11/00Presses specially adapted for forming shaped articles from material in particulate or plastic state, e.g. briquetting presses, tabletting presses
    • B30B11/02Presses specially adapted for forming shaped articles from material in particulate or plastic state, e.g. briquetting presses, tabletting presses using a ram exerting pressure on the material in a moulding space
    • BPERFORMING OPERATIONS; TRANSPORTING
    • B22CASTING; POWDER METALLURGY
    • B22FWORKING METALLIC POWDER; MANUFACTURE OF ARTICLES FROM METALLIC POWDER; MAKING METALLIC POWDER; APPARATUS OR DEVICES SPECIALLY ADAPTED FOR METALLIC POWDER
    • B22F3/00Manufacture of workpieces or articles from metallic powder characterised by the manner of compacting or sintering; Apparatus specially adapted therefor ; Presses and furnaces
    • B22F3/02Compacting only
    • B22F3/03Press-moulding apparatus therefor
    • BPERFORMING OPERATIONS; TRANSPORTING
    • B30PRESSES
    • B30BPRESSES IN GENERAL
    • B30B15/00Details of, or accessories for, presses; Auxiliary measures in connection with pressing
    • B30B15/04Frames; Guides
    • B30B15/041Guides
    • FMECHANICAL ENGINEERING; LIGHTING; HEATING; WEAPONS; BLASTING
    • F15FLUID-PRESSURE ACTUATORS; HYDRAULICS OR PNEUMATICS IN GENERAL
    • F15BSYSTEMS ACTING BY MEANS OF FLUIDS IN GENERAL; FLUID-PRESSURE ACTUATORS, e.g. SERVOMOTORS; DETAILS OF FLUID-PRESSURE SYSTEMS, NOT OTHERWISE PROVIDED FOR
    • F15B15/00Fluid-actuated devices for displacing a member from one position to another; Gearing associated therewith
    • F15B15/08Characterised by the construction of the motor unit
    • F15B15/14Characterised by the construction of the motor unit of the straight-cylinder type
    • F15B15/1423Component parts; Constructional details
    • F15B15/1471Guiding means other than in the end cap

Definitions

  • the invention relates to a device for producing a molded part from powder, in particular from metal powder, from a powdery, doughy material, from a powder containing flowable material or from pre-pressed material having a tool on which in the manufacture of the molding a pressing force is exerted by a pressing device, wherein the tool for producing a desired molding contour has at least one piston-cylinder system with a central axis, which has a piston movable hydraulically relative to a cylinder in a travel direction.
  • a generic device is from the US 5,498,147 known. There, a tool is described which has a plurality of concentric piston-cylinder units inserted into each other. To guide the entire tool in the machine, laterally arranged guide columns are provided, which pass through a cover plate of the tool.
  • Devices of this type are used to produce molded parts of metal powder by pressing and subsequent sintering.
  • stamp-like tools are used for the pressing of powdery material, which compress the powder introduced into a die by an axial pressing movement.
  • At least one press die is inserted, which penetrates into the die.
  • the die has a cavity which opens to the punch side is.
  • the die opening is closed - except for a slight play - by the stamp.
  • the stamp builds up by its penetration into the Matrizenhohlraum necessary for compression pressure.
  • a plurality of punches are used, which can move in an axial direction.
  • the punches can dive into an axially closed on one side mold or come in an axially open in both directions die from both axial directions. Occasionally, through mandrel rods are used, but primarily have no compression function, but a positive displacement function.
  • the punches can also dip laterally into the die to create undercuts or other geometric shapes. To demould the molded part, these radially dipping punch are withdrawn so far that the demolding is not hindered.
  • piston-cylinder systems For positioning of the individual stamps, these are connected to piston-cylinder systems or they are part of these systems. In this case, a number of pistons are arranged concentrically with each other. During pressing, they are moved in accordance with the contour of the molded part to be generated by a defined displacement relative to its cylinder.
  • the individual piston-like stamps are guided in their cylinders characterized in that the piston rests with its radially outwardly facing cylindrical surface in the corresponding bore of the cylinder. It has been found, especially in the production of asymmetrical moldings, that tilting moments, the axis of which are perpendicular to the central axis of the tool, can cause problems. The existing leadership of the pistons in their cylinders is then no longer sufficient for a high-quality production. In addition, there may be problems when the rotationally symmetrical pistons in the cylinders uncontrolled around the Central axis can rotate. The known structural elements are then no longer sufficient to ensure a sufficiently accurate guidance of the pistons in their cylinders.
  • the invention is therefore the object of a device of the type mentioned in such a way that the disadvantages mentioned are avoided. It should thus be ensured that even with off-center forces sufficient guidance of the piston is maintained in their cylinders and that a rotation of the piston to its cylinder about the central axis is not possible.
  • This solution to this problem by the invention is characterized by a guide means, which guides at least one of the pistons relative to one of the cylinders in the direction of travel of the piston-cylinder system, wherein the guide means extends in the travel direction along an axis which is spaced from the central axis wherein the tool is designed as a replaceable adapter in the pressing device.
  • the invention thus provides previously unknown in the prior art guide means which are at least partially at a distance from the central axis.
  • the guide means is preferably suitable for receiving a tilting moment between the cylinder and the piston, wherein the tilting moment acts perpendicular to the central axis. Especially when asymmetric moldings have to be pressed and consequently there is no necessarily a symmetrical force distribution, the guide means ensure that no relative tilting between the piston and the cylinder can occur.
  • the guide means comprises at least one rod which is fixedly arranged on the piston or on the cylinder is and which is guided in a guide (socket) in the cylinder or in the piston. It is particularly provided that a plurality of rods are arranged on the piston or on the cylinder; Advantageously, four rods are used, which are arranged on the piston or on the cylinder. These four rods can be arranged symmetrically to two mutually perpendicular planes.
  • the rod may be attached to a support member fixed to the piston or cylinder.
  • a number of piston-cylinder systems are arranged along the central axis.
  • the pistons may be arranged concentrically with each other and at least two pistons may be adjacent to one another on facing lateral surfaces.
  • the guide means can also guide a plurality of pistons and / or cylinders relative to one another.
  • the individual pistons of the tool are guided improved in an advantageous manner, which is particularly their parallelism.
  • the directional stability of the pistons is also improved.
  • the guide rods are quick and easy to assemble and disassemble, as well as the sockets on the respective piston.
  • the overall quality of the molded part is improved because the tool is provided with precisely working parts.
  • a device 1 for producing a molded part is shown, with the metal powder 12 can be pressed into a molded part.
  • the invention is not only suitable for the processing of powder. Frequently, an already preformed compact is re-pressed in a further step, especially in the final pressing at higher pressures.
  • the device 1 consists essentially of a tool 2, which can be used in a pressing device 3.
  • the pressing device 3 has a machine frame 13 with an upper cross member 14 and a lower cross member 15.
  • an upper piston 16 is arranged in a cylinder, with which a pressing force can be applied downward.
  • the lower cross member 15 carries a lower piston 17, with which a pressing force can be generated upwards.
  • the tool 2 has a die 18, which receives the powder 12.
  • a number of stamp pistons 5 arranged concentrically with one another are provided, which are arranged in respective cylinders 4 and can be moved or controlled relative to them.
  • a piston-cylinder system Depending on a piston 5 forms together with this receiving cylinder 4, a piston-cylinder system, as it is already known as such. All pistons 5 and cylinders 4 are arranged concentrically around a central axis 6 in the exemplary embodiment.
  • actuating the respective piston-cylinder systems 4, 5 By actuating the respective piston-cylinder systems 4, 5, a movement in the direction of travel V (corresponds to the present case the vertical direction) can be accomplished. Only mentioned in passing were stamp 19 and 20, which are actuated by the upper piston 16, and a filler 21 for the feed of the die 18 with powder 12th
  • a guide means 7 which prevents tilting and excludes twisting.
  • a plate-shaped support member 11 is fixed to the piston 5, to which in turn four rods 9 are fixedly arranged with a circular cross-section.
  • the rods 9 are arranged displaceably in guides 10 in the cylinder 4 in the direction of travel V.
  • the guides can be designed as tightly tolerated sliding bushes, which ensure that during the displacement of the piston 5 relative to the cylinder 4 in the direction of travel V, a high degree of parallelism of both elements 4, 5 is maintained.
  • tilting moments M which act perpendicular to the direction of travel V, should have no influence on the parallelism between piston 5 and cylinder 4.
  • the rods 9 are positioned so that their axis 8 is at a (radial) distance a from the central axis 6.

Landscapes

  • Engineering & Computer Science (AREA)
  • Mechanical Engineering (AREA)
  • Manufacturing & Machinery (AREA)
  • Physics & Mathematics (AREA)
  • Fluid Mechanics (AREA)
  • General Engineering & Computer Science (AREA)
  • Powder Metallurgy (AREA)
  • Press Drives And Press Lines (AREA)
  • Press-Shaping Or Shaping Using Conveyers (AREA)
  • Presses And Accessory Devices Thereof (AREA)
  • Glass Compositions (AREA)
  • Encapsulation Of And Coatings For Semiconductor Or Solid State Devices (AREA)

Abstract

Die Erfindung betrifft eine Vorrichtung (1) zum Herstellen eines Formteils aus Pulver, insbesondere aus Metallpulver, aus einem ein Pulver enthaltenden, teigigen Material, aus einem ein Pulver enthaltenden, fließfähigen Material oder aus vorgepresstem Material, die ein Werkzeug (2) aufweist, auf das bei der Herstellung des Formteils von einer Pressvorrichtung (3) eine Druckkraft ausgeübt wird, wobei das Werkzeug (2) zur Erzeugung einer gewünschten Formteilkontur mindestens ein Kolben-Zylinder-System (4, 5) mit einer Zentralachse (6) aufweist, das einen hydraulisch relativ zu einem Zylinder (4) in eine Verfahrrichtung (V) bewegbaren Kolben (5) hat. Um die Führung des Systems zu verbessern, ist die Erfindung gekennzeichnet durch ein Führungsmittel (7), das zumindest den Kolben (5) relativ zu dem Zylinder (4) in Verfahrrichtung (V) des Kolben-Zylinder-Systems (4, 5) führt, wobei sich das Führungsmittel (7) in Verfahrrichtung (V) entlang einer Achse (8) erstreckt, die von der Zentralachse (6) beabstandet (a) ist und wobei das Werkzeug (2) als auswechselbarer Adapter in der Pressvorrichtung (3) ausgebildet ist.

Description

  • Die Erfindung betrifft eine Vorrichtung zum Herstellen eines Formteils aus Pulver, insbesondere aus Metallpulver, aus einem ein Pulver enthaltenden, teigigen Material, aus einem ein Pulver enthaltenden, fließfähigen Material oder aus vorgepresstem Material, die ein Werkzeug aufweist, auf das bei der Herstellung des Formteils von einer Pressvorrichtung eine Druckkraft ausgeübt wird, wobei das Werkzeug zur Erzeugung einer gewünschten Formteilkontur mindestens ein Kolben-Zylinder-System mit einer Zentralachse aufweist, das einen hydraulisch relativ zu einem Zylinder in eine Verfahrrichtung bewegbaren Kolben hat.
  • Eine gattungsgemäße Vorrichtung ist aus der US 5,498,147 bekannt. Dort wird ein Werkzeug beschrieben, das eine Vielzahl von ineinander eingesetzte, konzentrische Kolben-Zylinder-Einheiten aufweist. Um das gesamte Werkzeug in der Maschine zu führen, sind seitlich angeordnete Führungssäulen vorgesehen, die eine Deckplatte des Werkzeugs durchsetzen.
  • Vorrichtungen dieser Art werden eingesetzt, um Formteile aus Metallpulver durch Pressen und anschließendes Sintern herzustellen. Hierbei werden für das Pressen von pulverförmigem Werkstoff stempelartige Werkzeuge eingesetzt, die in eine Matrize eingebrachtes Pulver durch eine axiale Pressbewegung komprimieren.
  • Hierzu wird zumindest ein Pressstempel eingesetzt, der in die Matrize eindringt. In diesem Falle besitzt die Matrize einen Hohlraum, der zur Stempelseite hin geöffnet ist. Die Matrizenöffnung wird - bis auf ein geringfügiges Spiel - vom Stempel geschlossen. Der Stempel baut durch sein Eindringen in den Matrizenhohlraum den zur Verdichtung notwendigen Druck auf.
  • Es kann auch vorgesehen werden, dass mehrere Stempel eingesetzt werden, die sich in eine Achsrichtung bewegen können. Die Stempel können dabei in eine axial einseitig geschlossene Matrize eintauchen oder bei einer axial in beiden Richtungen offenen Matrize aus beiden axialen Richtungen kommen. Gelegentlich werden auch durchgehende Dornstangen eingesetzt, die aber primär keine Verdichtungsfunktion, sondern eine Verdrängerfunktion haben. Die Stempel können auch seitlich in die Matrize eintauchen, um Hinterschneidungen oder sonstige geometrische Ausprägungen zu erzeugen. Zur Entformung des Formteils werden diese radial eintauchenden Stempel so weit zurückgezogen, dass die Entformung nicht behindert wird.
  • Zur Positionierung der einzelnen Stempel sind diese mit Kolben-Zylinder-Systemen verbunden bzw. sie sind Teil dieser Systeme. Dabei ist eine Anzahl Kolben zueinander konzentrisch angeordnet. Beim Pressen werden sie gemäß der zu erzeugenden Kontur des Formteils um einen definierten Verschiebeweg relativ zu ihrem Zylinder bewegt.
  • Bei den vorbekannten Lösungen werden die einzelnen kolbenartig ausgebildeten Stempel in ihren Zylindern dadurch geführt, dass der Kolben mit seiner radial nach außen weisenden zylindrischen Oberfläche in der entsprechenden Bohrung des Zylinders anliegt. Dabei hat es sich vor allem bei der Herstellung von unsymmetrischen Formteilen gezeigt, dass Kippmomente, deren Achse senkrecht zur Zentralachse des Werkzeugs stehen, Probleme verursachen können. Die vorhandene Führung der Kolben in ihren Zylindern reicht dann nicht mehr für eine qualitativ hochwertige Fertigung aus. Darüber hinaus kann es dann zu Problemen kommen, wenn die rotationssymmetrischen Kolben in den Zylindern unkontrolliert um die Zentralachse drehen können. Die bekannten konstruktiven Elemente reichen dann nicht mehr aus, um eine hinreichend genaue Führung der Kolben in ihren Zylindern sicherzustellen.
  • Der Erfindung liegt daher die Aufgabe zugrunde, eine Vorrichtung der eingangs genannten Art so fortzubilden, dass die genannten Nachteile vermieden werden. Es soll also sichergestellt werden, dass auch bei außermittigen Kräften eine hinreichende Führung der Kolben in ihren Zylindern erhalten bleibt und dass ein Verdrehen des Kolbens zu seinem Zylinder um die Zentralachse nicht möglich ist.
  • Diese Lösung dieser Aufgabe durch die Erfindung ist gekennzeichnet durch ein Führungsmittel, das zumindest einen der Kolben relativ zu einem der Zylinder in Verfahrrichtung des Kolben-Zylinder-Systems führt, wobei sich das Führungsmittel in Verfahrrichtung entlang einer Achse erstreckt, die von der Zentralachse beabstandet ist, wobei das Werkzeug als auswechselbarer Adapter in der Pressvorrichtung ausgebildet ist.
  • Die Erfindung sieht also bisher im Stand der Technik nicht bekannte Führungsmittel vor, die sich zumindest teilweise im Abstand von der Zentralachse befinden.
  • Das Führungsmittel ist dabei bevorzugt zur Aufnahme eines Kippmoments zwischen dem Zylinder und dem Kolben geeignet ist, wobei das Kippmoment senkrecht zur Zentralachse wirkt. Gerade, wenn unsymmetrische Formteile gepresst werden müssen und sich folglich nicht notwendiger Weise eine symmetrische Kraftverteilung ergibt, stellen die Führungsmittel sicher, dass kein relatives Verkippen zwischen Kolben und Zylinder auftreten kann.
  • Eine bevorzugte Ausgestaltung der Erfindung sieht vor, dass das Führungsmittel mindestens eine Stange aufweist, die am Kolben oder am Zylinder fest angeordnet ist und die in einer Führung (Buchse) im Zylinder oder im Kolben geführt ist. Dabei ist insbesondere vorgesehen, dass mehrere Stangen am Kolben oder am Zylinder angeordnet sind; dabei kommen mit Vorteil vier Stangen zum Einsatz, die am Kolben oder am Zylinder angeordnet sind. Diese vier Stangen können symmetrisch zu zwei aufeinander senkrecht stehenden Ebenen angeordnet sein.
  • Die Stange kann an einem Trägerelement befestigt sein, die am Kolben oder am Zylinder festgelegt ist.
  • Vorzugsweise ist eine Anzahl Kolben-Zylinder-Systeme entlang der Zentralachse angeordnet. Die Kolben können dabei konzentrisch zueinander angeordnet sein und mindestens zwei Kolben können an zugewandten Mantelflächen aneinander liegen. Dabei kann das Führungsmittel grundsätzlich auch mehrere Kolben und/oder Zylinder relativ zueinander führen.
  • Mit der erfindungsgemäßen Ausführung wird erreicht, dass ein Verdrehen des Kolbens relativ zu seinem Zylinder nicht möglich ist, was vor allem beim Pressen unsymmetrischer Formteile wichtig ist.
  • Weiterhin wird eine verbesserte Führung zwischen Kolben und Zylindern erreicht, insbesondere im Falle dessen, dass Kippmomente zwischen diesen Bauteilen wirken, wobei die Momentenachse senkrecht auf der Zentralachse der Kolben-Zylinder-Einheiten steht.
  • Die einzelnen Kolben des Werkzeugs sind in vorteilhafter Weise verbessert geführt, was insbesondere ihre Parallelität anbelangt. Auch der Geradeauslauf der Kolben ist verbessert.
  • Schließlich ist es von Vorteil, dass die Führungsstellen, da nunmehr von der Zentralachse "nach außen" verlagert, leichter zugänglich sind.
  • Vorteilhaft ist es ferner, dass kürzere Montagezeiten möglich sind, da aufwändige Demontagen der einzelnen Kolben zum Zwecke der Verbesserung des Führungsspiels entfallen können. Die Führungsstangen sind schnell und einfach zu montieren bzw. zu demontieren, ebenso die Buchsen an den jeweiligen Kolben.
  • Dadurch wird insgesamt die Qualität des Formteils verbessert, da das Werkzeug mit präzise zueinander arbeitenden Teilen versehen ist.
  • Weitere Merkmale und Einzelheiten der Erfindung ergeben sich aus den Ansprüchen und der Beschreibung eines in den Zeichnungen dargestellten Ausführungsbeispiels der Erfindung. Es zeigen:
  • Fig. 1
    eine Vorrichtung zum Herstellen eines Formteils aus Pulver,
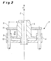
    Fig. 2
    einen Ausschnitt aus dem Werkzeug der Vorrichtung mit einem Kolben-Zylinder-System und einem erfindungsgemäßen Führungsmittel,
    Fig. 3a
    die Draufsicht auf einen Zylinder eines ersten Kolben-Zylinder-Systems der Vorrichtung,
    Fig. 3b
    die Draufsicht auf einen Kolben eines ersten Kolben-Zylinder-Systems der Vorrichtung,
    Fig. 3c
    die Draufsicht auf ein Trägerelement der Führungsmittel eines ersten Kolben-Zylinder-Systems,
    Fig. 4a
    die Draufsicht auf ein Trägerelement der Führungsmittel eines zweiten Kolben-Zylinder-Systems,
    Fig. 4b
    die Draufsicht auf einen Kolben eines zweiten Kolben-Zylinder-Systems der Vorrichtung und
    Fig. 4c
    die Draufsicht auf ein Trägerelement der Führungsmittel eines zweiten Kolben-Zylinder-Systems.
  • In Fig. 1 ist eine Vorrichtung 1 zum Herstellen eines Formteils dargestellt, mit der Metallpulver 12 zu einem Formteil gepresst werden kann. Es sei angemerkt, dass die Erfindung nicht nur für die Verarbeitung von Pulver tauglich ist. Häufig wird ein bereits vorgeformter Pressling in einem weiteren Schritt nachgepresst, insbesondere beim abschließenden Pressen mit höheren Drücken.
  • Die Vorrichtung 1 besteht im wesentlichen aus einem Werkzeug 2, das in eine Pressvorrichtung 3 eingesetzt werden kann. Die Pressvorrichtung 3 hat einen Maschinenrahmen 13 mit einer oberen Traverse 14 und einer unteren Traverse 15. An der oberen Traverse 14 ist ein Oberkolben 16 in einem Zylinder angeordnet, mit dem eine Presskraft nach unten ausgeübt werden kann. Die untere Traverse 15 trägt einen Unterkolben 17, mit dem eine Presskraft nach oben erzeugt werden kann.
  • Das Werkzeug 2 weist eine Matrize 18 auf, die das Pulver 12 aufnimmt. Um eine gewünschte Formteilkontur herzustellen, ist eine Anzahl konzentrisch zueinander angeordnete stempelartige Kolben 5 vorgesehen, die in jeweiligen Zylindern 4 angeordnet sind und relativ zu diesen gesteuert bzw. geregelt verfahren werden können. Je ein Kolben 5 bildet zusammen mit dem diesen aufnehmenden Zylinder 4 ein Kolben-Zylinder-System, wie es als solches vorbekannt ist. Alle Kolben 5 bzw. Zylinder 4 sind im Ausführungsbeispiel um eine Zentralachse 6 herum konzentrisch angeordnet. Durch Betätigung der jeweiligen Kolben-Zylinder-Systeme 4, 5 kann eine Verfahrbewegung in Verfahrrichtung V (entspricht vorliegend der vertikalen Richtung) bewerkstelligt werden. Nur am Rande erwähnt seien Stempel 19 und 20, die durch den Oberkolben 16 betätigt werden, sowie ein Füller 21 für die Beschickung der Matrize 18 mit Pulver 12.
  • Um eine kippfreie Führung des Kolbens 5 relativ zum Zylinder 4 auch bei unsymmetrischen Formteilen sicherzustellen und ferner eine relative Drehung zwischen Kolben 5 und Zylinder 4 um die Zentralachse 6 zu verhindern, ist eine Ausgestaltung vorgesehen, wie sie schematisch aus Fig. 2 hervorgeht.
  • Zwischen Kolben 5 und Zylinder 4 ist ein Führungsmittel 7 vorgesehen, das Kippen verhindert und Verdrehen ausschließt. Hierzu ist am Kolben 5 ein plattenförmiges Trägerelement 11 befestigt, an dem wiederum vier Stangen 9 mit kreisförmigem Querschnitt fest angeordnet sind. Die Stangen 9 sind in Führungen 10 im Zylinder 4 in Verfahrrichtung V verschieblich angeordnet. Die Führungen können als eng tolerierte Gleitbuchsen ausgebildet sein, die sicherstellen, dass bei der Verschiebung des Kolbens 5 relativ zum Zylinder 4 in Verfahrrichtung V ein hoher Grad an Parallelität beider Elemente 4, 5 aufrechterhalten wird. Namentlich sollen Kippmomente M, die senkrecht zur Verfahrrichtung V wirken, keinen Einfluss auf die Parallelität zwischen Kolben 5 und Zylinder 4 haben.
  • Die Stangen 9 sind so positioniert, dass ihre Achse 8 in einem (radialen) Abstand a von der Zentralachse 6 liegt.
  • Wie in den Figuren 3 bzw. 4 für zwei Kolben-Zylinder-Systeme 4, 5 des Werkzeugs 2 gesehen werden kann, sind vorliegend vier Stangen 9 angeordnet, die zu zwei aufeinander senkrecht stehenden Symmetrieebenen spiegelbildlich positioniert sind. Die Stangen 9 werden von den jeweiligen Trägerelementen 11 gehalten, die an den Kolben 5 festgelegt sind. Zu dem in Fig. 4a skizzierten Trägerelement 11 ist auch der Schnitt in der Seitenansicht skizziert, um die Ausgestaltung des Elements zu illustrieren.
  • Das Einfügen der Hauptführungsstangen in den Adapter (Werkzeug) ermöglicht es also, außermittige Kräfte besser als bisher aufzunehmen, da die Führungsstangen aufgrund ihrer Steifigkeit und ihrer Positionierung im Adapter (Werkzeug) Drehmomente und Seitenkräfte besser aufnehmen und übertragen können, als es bei der vorbekannten Lösung der Fall ist. Dort sind zumeist die Kolben mit Führungsbändern geführt, die nicht die Leistungsfähigkeit haben, wie die Ausgestaltung nach der Erfindung.
  • Bezugszeichenliste:
  • 1
    Vorrichtung zum Herstellen eines Formteils
    2
    Werkzeug
    3
    Pressvorrichtung
    4
    Zylinder
    5
    Kolben
    4, 5
    Kolben-Zylinder-System
    6
    Zentralachse
    7
    Führungsmittel
    8
    Achse des Führungsmittels
    9
    Stange
    10
    Führung
    11
    Trägerelement
    12
    Metallpulver
    13
    Maschinenrahmen
    14
    obere Traverse
    15
    untere Traverse
    16
    Oberkolben
    17
    Unterkolben
    18
    Matrize
    19
    Stempel
    20
    Stempel
    21
    Füller
    V
    Verfahrrichtung
    a
    Abstand
    M
    Kippmoment

Claims (9)

  1. Vorrichtung (1) zum Herstellen eines Formteils aus Pulver, insbesondere aus Metallpulver, aus einem ein Pulver enthaltenden, teigigen Material, aus einem ein Pulver enthaltenden, fließfähigen Material oder aus vorgepresstem Material, die ein Werkzeug (2) aufweist, auf das bei der Herstellung des Formteils von einer Pressvorrichtung (3) eine Druckkraft ausgeübt wird, wobei das Werkzeug (2) zur Erzeugung einer gewünschten Formteilkontur mindestens ein Kolben-Zylinder-System (4, 5) mit einer Zentralachse (6) aufweist, das einen hydraulisch relativ zu einem Zylinder (4) in eine Verfahrrichtung (V) bewegbaren Kolben (5) hat,
    gekennzeichnet durch
    ein Führungsmittel (7), das zumindest den Kolben (5) relativ zu dem Zylinder (4) in Verfahrrichtung (V) des Kolben-Zylinder-Systems (4, 5) führt, wobei sich das Führungsmittel (7) in Verfahrrichtung (V) entlang einer Achse (8) erstreckt, die von der Zentralachse (6) beabstandet (a) ist, wobei das Werkzeug (2) als auswechselbarer Adapter in der Pressvorrichtung (3) ausgebildet ist.
  2. Vorrichtung nach Anspruch 1,
    dadurch gekennzeichnet,
    dass das Führungsmittel (7) zur Aufnahme eines Kippmoments (M) zwischen dem Zylinder (4) und dem Kolben (5) geeignet ist, wobei das Kippmoment (M) senkrecht zur Zentralachse (6) wirkt.
  3. Vorrichtung nach Anspruch 1 oder 2,
    dadurch gekennzeichnet,
    dass das Führungsmittel (7) mindestens eine Stange (9) aufweist, die am Kolben (5) oder am Zylinder (4) fest angeordnet ist und die in einer Führung (10) im Zylinder (4) oder im Kolben (5) geführt ist.
  4. Vorrichtung nach Anspruch 3,
    dadurch gekennzeichnet,
    dass mehrere Stangen (9) am Kolben (5) oder am Zylinder (4) angeordnet sind.
  5. Vorrichtung nach Anspruch 4,
    dadurch gekennzeichnet,
    dass vier Stangen (9) am Kolben (5) oder am Zylinder (4) angeordnet sind.
  6. Vorrichtung nach einem der Ansprüche 3 bis 5,
    dadurch gekennzeichnet,
    dass die Stange (9) an einem Trägerelement (11) befestigt ist, die am Kolben (5) oder am Zylinder (4) festgelegt ist.
  7. Vorrichtung nach einem der Ansprüche 1 bis 6,
    dadurch gekennzeichnet,
    dass eine Anzahl Kolben-Zylinder-Systeme (4, 5) entlang der Zentralachse (6) angeordnet ist.
  8. Vorrichtung nach Anspruch 7,
    dadurch gekennzeichnet,
    dass die Kolben (5) konzentrisch angeordnet sind und mindestens zwei Kolben (5) an zugewandten Mantelflächen aneinander liegen.
  9. Vorrichtung nach Anspruch 7 oder 8,
    dadurch gekennzeichnet,
    dass das Führungsmittel (7) mehrere Kolben (5) und/oder Zylinder (4) relativ zueinander führt.
EP06013880A 2005-09-20 2006-07-04 Vorrichtung zum Herstellen eines Formteils Active EP1764173B1 (de)

Applications Claiming Priority (1)

Application Number Priority Date Filing Date Title
DE102005044759A DE102005044759B4 (de) 2005-09-20 2005-09-20 Vorrichtung zum Herstellen eines Formteils

Publications (3)

Publication Number Publication Date
EP1764173A2 true EP1764173A2 (de) 2007-03-21
EP1764173A3 EP1764173A3 (de) 2008-07-02
EP1764173B1 EP1764173B1 (de) 2010-09-22

Family

ID=37672200

Family Applications (1)

Application Number Title Priority Date Filing Date
EP06013880A Active EP1764173B1 (de) 2005-09-20 2006-07-04 Vorrichtung zum Herstellen eines Formteils

Country Status (5)

Country Link
US (1) US20070062248A1 (de)
EP (1) EP1764173B1 (de)
JP (1) JP2007083308A (de)
AT (1) ATE482041T1 (de)
DE (2) DE102005044759B4 (de)

Cited By (6)

* Cited by examiner, † Cited by third party
Publication number Priority date Publication date Assignee Title
WO2016124497A1 (de) * 2015-02-02 2016-08-11 Gkn Sinter Metals Engineering Gmbh Pulverpresse mit kegeligem unterstempel, verfahren zum betrieb einer pulverpresse, pressling hergestellt mit einer pulverpresse, unterstempel einer pulverpresse und computerprogrammprodukt zum verfahren von unterstempeln einer presse
WO2016124511A1 (de) * 2015-02-04 2016-08-11 Gkn Sinter Metals Engineering Gmbh Pulverpresse mit kegeligem unterbau
WO2016124498A1 (de) * 2015-02-02 2016-08-11 Gkn Sinter Metals Engineering Gmbh Gestaltoptimierte pm-werkzeugkomponenten unter verwendung von verbindungstechnologie
CN108637244A (zh) * 2018-04-12 2018-10-12 海宁金瑞金属制品有限公司 粉末冶金的成型模具
EP3530448A1 (de) * 2018-02-26 2019-08-28 Osterwalder AG Presseneinrichtung für eine pulverpresse und ein werkzeugwechselsystem
NL2028552B1 (en) * 2021-06-25 2023-01-02 Boschman Tech Bv Component Processing Apparatus and Method Allowing to Selectively Apply Force to a Component Processed

Families Citing this family (2)

* Cited by examiner, † Cited by third party
Publication number Priority date Publication date Assignee Title
DE102014003726A1 (de) * 2014-03-18 2015-09-24 Gkn Sinter Metals Engineering Gmbh Presse zum Herstellen maßhaltiger Grünlinge und Verfahren zum Herstellen
DE102017114455B3 (de) * 2017-06-29 2018-10-31 Gkn Sinter Metals Engineering Gmbh Ebenenplatte eines Pressenwerkzeugs

Citations (1)

* Cited by examiner, † Cited by third party
Publication number Priority date Publication date Assignee Title
US5498147A (en) 1990-08-10 1996-03-12 Yoshizuka Seiki Co., Ltd. Powder molding press

Family Cites Families (7)

* Cited by examiner, † Cited by third party
Publication number Priority date Publication date Assignee Title
US2499980A (en) * 1944-01-07 1950-03-07 Stokes Machine Co Press for molding annular stepped articles
DE3142126A1 (de) * 1981-10-23 1983-05-11 Dorst-Keramikmaschinen-Bau Otto Dorst U. Dipl.-Ing. Walter Schlegel, 8113 Kochel "presse zum herstellen masshaltiger presslinge aus pulverfoermigem material"
DE3909757A1 (de) * 1989-03-23 1990-09-27 Dorst Masch & Anlagen Presse mit einem in die presse einsetzbaren werkzeuggestell
DE9203546U1 (de) * 1992-03-17 1993-07-22 Komage - Gellner & Co. Maschinenfabrik KG, 54427 Kell Vorrichtung zum Pressen von Formteilen aus einer feinkörnigen Masse
JPH0818158B2 (ja) * 1993-06-29 1996-02-28 株式会社ヨシツカ精機 粉末成形プレス
JP2000015493A (ja) * 1998-06-30 2000-01-18 Aisin Seiki Co Ltd 粉末成形機
JP4714334B2 (ja) * 2000-11-21 2011-06-29 株式会社ヨシツカ精機 粉末成形プレスのパンチ接続構造および接続方法

Patent Citations (1)

* Cited by examiner, † Cited by third party
Publication number Priority date Publication date Assignee Title
US5498147A (en) 1990-08-10 1996-03-12 Yoshizuka Seiki Co., Ltd. Powder molding press

Cited By (15)

* Cited by examiner, † Cited by third party
Publication number Priority date Publication date Assignee Title
CN107427916B (zh) * 2015-02-02 2020-09-29 吉凯恩粉末冶金工程有限公司 粉末压制机、其运行方法以及其计算机程序产品的存储介质
WO2016124497A1 (de) * 2015-02-02 2016-08-11 Gkn Sinter Metals Engineering Gmbh Pulverpresse mit kegeligem unterstempel, verfahren zum betrieb einer pulverpresse, pressling hergestellt mit einer pulverpresse, unterstempel einer pulverpresse und computerprogrammprodukt zum verfahren von unterstempeln einer presse
WO2016124498A1 (de) * 2015-02-02 2016-08-11 Gkn Sinter Metals Engineering Gmbh Gestaltoptimierte pm-werkzeugkomponenten unter verwendung von verbindungstechnologie
CN107427916A (zh) * 2015-02-02 2017-12-01 吉凯恩粉末冶金工程有限公司 带有锥式的下冲模的粉末压制机、用于运行粉末压制机的方法、以粉末压制机制造的压制品、粉末压制机的下冲模和用于使压制机的下冲模移动的计算机程序产品
CN107428105A (zh) * 2015-02-02 2017-12-01 吉凯恩粉末冶金工程有限公司 在使用连接技术下的形状优化的pm工具构件
US20180015680A1 (en) * 2015-02-02 2018-01-18 Gkn Sinter Metals Engineering Gmbh Shape-Optimized PM Tool Components Using Connection Technology
US11007744B2 (en) * 2015-02-02 2021-05-18 Gkn Sinter Metals Engineering Gmbh Shape-optimized PM tool components using connection technology
WO2016124511A1 (de) * 2015-02-04 2016-08-11 Gkn Sinter Metals Engineering Gmbh Pulverpresse mit kegeligem unterbau
US11103924B2 (en) 2015-02-04 2021-08-31 Gkn Sinter Metals Engineering Gmbh Powder press having a cone-shaped substructure
CN111819072A (zh) * 2018-02-26 2020-10-23 奥斯瓦尔德股份公司 用于粉末压机的压制设备以及工具更换系统
EP3530448A1 (de) * 2018-02-26 2019-08-28 Osterwalder AG Presseneinrichtung für eine pulverpresse und ein werkzeugwechselsystem
WO2019162510A1 (de) * 2018-02-26 2019-08-29 Osterwalder Ag Presseneinrichtung für eine pulverpresse und ein werkzeugwechselsystem
US12097679B2 (en) 2018-02-26 2024-09-24 Osterwalder Ag Press device for a powder press and a tool changing system
CN108637244A (zh) * 2018-04-12 2018-10-12 海宁金瑞金属制品有限公司 粉末冶金的成型模具
NL2028552B1 (en) * 2021-06-25 2023-01-02 Boschman Tech Bv Component Processing Apparatus and Method Allowing to Selectively Apply Force to a Component Processed

Also Published As

Publication number Publication date
US20070062248A1 (en) 2007-03-22
ATE482041T1 (de) 2010-10-15
EP1764173A3 (de) 2008-07-02
EP1764173B1 (de) 2010-09-22
DE502006007915D1 (de) 2010-11-04
DE102005044759A1 (de) 2007-04-05
JP2007083308A (ja) 2007-04-05
DE102005044759B4 (de) 2007-07-12

Similar Documents

Publication Publication Date Title
EP2103423B1 (de) Pulverpresse zur Herstellung eines Presslings aus Metallpulver
DE2604648C2 (de) Rundlaufpresse
DE69623567T2 (de) Verfahren und Vorrichtung zur Herstellung von Pulverpresslingen
EP0679503B1 (de) Verfahren zur Herstellung von Presslingen aus pulverförmigem Material sowie entsprechende Presse
EP0473769A1 (de) Vorrichtung zur herstellung von tuben.
DE3142126A1 (de) "presse zum herstellen masshaltiger presslinge aus pulverfoermigem material"
DE3036533A1 (de) Presse zur herstellung von formkoerpern aus pulver
DE2801225A1 (de) Presswerkzeug zum pressen eines pulverfoermigen materials in ein geformtes werkstueck
EP4076881B1 (de) Vorrichtung zur herstellung von betonsteinen
WO2016124511A1 (de) Pulverpresse mit kegeligem unterbau
EP2098317A1 (de) Verfahren und Vorrichtung zum Herstellen eines Presslings aus Metallpulver
DE2224592C3 (de) Doppelt wirkende hydraulische Pulverpresse mit einem einzigen Hydraulikzylinder
EP2441573B1 (de) Presse und Verfahren zur Herstellung eines Formlings aus pulverförmigem Material
EP1764173B1 (de) Vorrichtung zum Herstellen eines Formteils
DE69502722T2 (de) Dosiervorrichtung für eine tablettierpresse
DE2033106A1 (de) Stauch oder Schmiedepresse
DE69817482T2 (de) Verfahren zum herstellen von keramischen fliesen , einschliesslich fliesen mit grossen abmessungen und vorrichtung zum durchführen des verfahrens
DE2906858A1 (de) Pressgussvorrichtung
EP3075505B1 (de) Vorrichtung zur herstellung von betonformteilen
EP0220634A2 (de) Schliesseinheit für Formwerkzeuge, insbesondere solchen für die Herstellung von Polyurethan-Formteilen
DE3304576A1 (de) Verfahren und vorrichtung zum herstellen von tiefen kegeligen oder zylindrischen keramischen hohlkoerpern aus pulverfoermiger oder granulatartiger pressmasse durch isostatisches pressen
DE102023123181A1 (de) Vorrichtung zum Herstellen von Formlingen, insbesondere Steinformlinge für Mauerwerksteine und Verfahren zum Ändern eines Formats von herzustellenden Formlingen
DE102005027296B3 (de) Vorrichtung zum Herstellen eines Formteils aus Pulver
DE102005027032B4 (de) Vorrichtung zum Herstellen eines Formteils
DE976579C (de) Presswerkzeug zum Herstellen von zu sinternden Presskoerpern aus Metallpulver

Legal Events

Date Code Title Description
PUAI Public reference made under article 153(3) epc to a published international application that has entered the european phase

Free format text: ORIGINAL CODE: 0009012

AK Designated contracting states

Kind code of ref document: A2

Designated state(s): AT BE BG CH CY CZ DE DK EE ES FI FR GB GR HU IE IS IT LI LT LU LV MC NL PL PT RO SE SI SK TR

AX Request for extension of the european patent

Extension state: AL BA HR MK YU

PUAL Search report despatched

Free format text: ORIGINAL CODE: 0009013

AK Designated contracting states

Kind code of ref document: A3

Designated state(s): AT BE BG CH CY CZ DE DK EE ES FI FR GB GR HU IE IS IT LI LT LU LV MC NL PL PT RO SE SI SK TR

AX Request for extension of the european patent

Extension state: AL BA HR MK RS

17P Request for examination filed

Effective date: 20081206

17Q First examination report despatched

Effective date: 20090206

AKX Designation fees paid

Designated state(s): AT BE BG CH CY CZ DE DK EE ES FI FR GB GR HU IE IS IT LI LT LU LV MC NL PL PT RO SE SI SK TR

GRAP Despatch of communication of intention to grant a patent

Free format text: ORIGINAL CODE: EPIDOSNIGR1

GRAS Grant fee paid

Free format text: ORIGINAL CODE: EPIDOSNIGR3

GRAA (expected) grant

Free format text: ORIGINAL CODE: 0009210

AK Designated contracting states

Kind code of ref document: B1

Designated state(s): AT BE BG CH CY CZ DE DK EE ES FI FR GB GR HU IE IS IT LI LT LU LV MC NL PL PT RO SE SI SK TR

REG Reference to a national code

Ref country code: GB

Ref legal event code: FG4D

Free format text: NOT ENGLISH

REG Reference to a national code

Ref country code: CH

Ref legal event code: EP

REG Reference to a national code

Ref country code: CH

Ref legal event code: NV

Representative=s name: SCHMAUDER & PARTNER AG PATENT- UND MARKENANWAELTE

REG Reference to a national code

Ref country code: IE

Ref legal event code: FG4D

Free format text: LANGUAGE OF EP DOCUMENT: GERMAN

REF Corresponds to:

Ref document number: 502006007915

Country of ref document: DE

Date of ref document: 20101104

Kind code of ref document: P

PG25 Lapsed in a contracting state [announced via postgrant information from national office to epo]

Ref country code: LT

Free format text: LAPSE BECAUSE OF FAILURE TO SUBMIT A TRANSLATION OF THE DESCRIPTION OR TO PAY THE FEE WITHIN THE PRESCRIBED TIME-LIMIT

Effective date: 20100922

Ref country code: FI

Free format text: LAPSE BECAUSE OF FAILURE TO SUBMIT A TRANSLATION OF THE DESCRIPTION OR TO PAY THE FEE WITHIN THE PRESCRIBED TIME-LIMIT

Effective date: 20100922

REG Reference to a national code

Ref country code: NL

Ref legal event code: VDEP

Effective date: 20100922

LTIE Lt: invalidation of european patent or patent extension

Effective date: 20100922

PG25 Lapsed in a contracting state [announced via postgrant information from national office to epo]

Ref country code: SI

Free format text: LAPSE BECAUSE OF FAILURE TO SUBMIT A TRANSLATION OF THE DESCRIPTION OR TO PAY THE FEE WITHIN THE PRESCRIBED TIME-LIMIT

Effective date: 20100922

Ref country code: PL

Free format text: LAPSE BECAUSE OF FAILURE TO SUBMIT A TRANSLATION OF THE DESCRIPTION OR TO PAY THE FEE WITHIN THE PRESCRIBED TIME-LIMIT

Effective date: 20100922

PG25 Lapsed in a contracting state [announced via postgrant information from national office to epo]

Ref country code: SE

Free format text: LAPSE BECAUSE OF FAILURE TO SUBMIT A TRANSLATION OF THE DESCRIPTION OR TO PAY THE FEE WITHIN THE PRESCRIBED TIME-LIMIT

Effective date: 20100922

Ref country code: GR

Free format text: LAPSE BECAUSE OF FAILURE TO SUBMIT A TRANSLATION OF THE DESCRIPTION OR TO PAY THE FEE WITHIN THE PRESCRIBED TIME-LIMIT

Effective date: 20101223

Ref country code: LV

Free format text: LAPSE BECAUSE OF FAILURE TO SUBMIT A TRANSLATION OF THE DESCRIPTION OR TO PAY THE FEE WITHIN THE PRESCRIBED TIME-LIMIT

Effective date: 20100922

REG Reference to a national code

Ref country code: IE

Ref legal event code: FD4D

PG25 Lapsed in a contracting state [announced via postgrant information from national office to epo]

Ref country code: IE

Free format text: LAPSE BECAUSE OF FAILURE TO SUBMIT A TRANSLATION OF THE DESCRIPTION OR TO PAY THE FEE WITHIN THE PRESCRIBED TIME-LIMIT

Effective date: 20100922

PG25 Lapsed in a contracting state [announced via postgrant information from national office to epo]

Ref country code: IT

Free format text: LAPSE BECAUSE OF FAILURE TO SUBMIT A TRANSLATION OF THE DESCRIPTION OR TO PAY THE FEE WITHIN THE PRESCRIBED TIME-LIMIT

Effective date: 20100922

Ref country code: SK

Free format text: LAPSE BECAUSE OF FAILURE TO SUBMIT A TRANSLATION OF THE DESCRIPTION OR TO PAY THE FEE WITHIN THE PRESCRIBED TIME-LIMIT

Effective date: 20100922

Ref country code: PT

Free format text: LAPSE BECAUSE OF FAILURE TO SUBMIT A TRANSLATION OF THE DESCRIPTION OR TO PAY THE FEE WITHIN THE PRESCRIBED TIME-LIMIT

Effective date: 20110124

Ref country code: EE

Free format text: LAPSE BECAUSE OF FAILURE TO SUBMIT A TRANSLATION OF THE DESCRIPTION OR TO PAY THE FEE WITHIN THE PRESCRIBED TIME-LIMIT

Effective date: 20100922

Ref country code: CZ

Free format text: LAPSE BECAUSE OF FAILURE TO SUBMIT A TRANSLATION OF THE DESCRIPTION OR TO PAY THE FEE WITHIN THE PRESCRIBED TIME-LIMIT

Effective date: 20100922

Ref country code: RO

Free format text: LAPSE BECAUSE OF FAILURE TO SUBMIT A TRANSLATION OF THE DESCRIPTION OR TO PAY THE FEE WITHIN THE PRESCRIBED TIME-LIMIT

Effective date: 20100922

Ref country code: NL

Free format text: LAPSE BECAUSE OF FAILURE TO SUBMIT A TRANSLATION OF THE DESCRIPTION OR TO PAY THE FEE WITHIN THE PRESCRIBED TIME-LIMIT

Effective date: 20100922

Ref country code: IS

Free format text: LAPSE BECAUSE OF FAILURE TO SUBMIT A TRANSLATION OF THE DESCRIPTION OR TO PAY THE FEE WITHIN THE PRESCRIBED TIME-LIMIT

Effective date: 20110122

PG25 Lapsed in a contracting state [announced via postgrant information from national office to epo]

Ref country code: ES

Free format text: LAPSE BECAUSE OF FAILURE TO SUBMIT A TRANSLATION OF THE DESCRIPTION OR TO PAY THE FEE WITHIN THE PRESCRIBED TIME-LIMIT

Effective date: 20110102

PLBE No opposition filed within time limit

Free format text: ORIGINAL CODE: 0009261

STAA Information on the status of an ep patent application or granted ep patent

Free format text: STATUS: NO OPPOSITION FILED WITHIN TIME LIMIT

26N No opposition filed

Effective date: 20110623

PG25 Lapsed in a contracting state [announced via postgrant information from national office to epo]

Ref country code: DK

Free format text: LAPSE BECAUSE OF FAILURE TO SUBMIT A TRANSLATION OF THE DESCRIPTION OR TO PAY THE FEE WITHIN THE PRESCRIBED TIME-LIMIT

Effective date: 20100922

REG Reference to a national code

Ref country code: DE

Ref legal event code: R097

Ref document number: 502006007915

Country of ref document: DE

Effective date: 20110623

BERE Be: lapsed

Owner name: SMS MEER G.M.B.H.

Effective date: 20110731

PG25 Lapsed in a contracting state [announced via postgrant information from national office to epo]

Ref country code: MC

Free format text: LAPSE BECAUSE OF NON-PAYMENT OF DUE FEES

Effective date: 20110731

GBPC Gb: european patent ceased through non-payment of renewal fee

Effective date: 20110704

REG Reference to a national code

Ref country code: FR

Ref legal event code: ST

Effective date: 20120330

PG25 Lapsed in a contracting state [announced via postgrant information from national office to epo]

Ref country code: FR

Free format text: LAPSE BECAUSE OF NON-PAYMENT OF DUE FEES

Effective date: 20110801

Ref country code: BE

Free format text: LAPSE BECAUSE OF NON-PAYMENT OF DUE FEES

Effective date: 20110731

PG25 Lapsed in a contracting state [announced via postgrant information from national office to epo]

Ref country code: GB

Free format text: LAPSE BECAUSE OF NON-PAYMENT OF DUE FEES

Effective date: 20110704

PG25 Lapsed in a contracting state [announced via postgrant information from national office to epo]

Ref country code: CY

Free format text: LAPSE BECAUSE OF EXPIRATION OF PROTECTION

Effective date: 20100922

Ref country code: LU

Free format text: LAPSE BECAUSE OF NON-PAYMENT OF DUE FEES

Effective date: 20110704

PG25 Lapsed in a contracting state [announced via postgrant information from national office to epo]

Ref country code: BG

Free format text: LAPSE BECAUSE OF FAILURE TO SUBMIT A TRANSLATION OF THE DESCRIPTION OR TO PAY THE FEE WITHIN THE PRESCRIBED TIME-LIMIT

Effective date: 20101222

Ref country code: TR

Free format text: LAPSE BECAUSE OF FAILURE TO SUBMIT A TRANSLATION OF THE DESCRIPTION OR TO PAY THE FEE WITHIN THE PRESCRIBED TIME-LIMIT

Effective date: 20100922

PG25 Lapsed in a contracting state [announced via postgrant information from national office to epo]

Ref country code: HU

Free format text: LAPSE BECAUSE OF FAILURE TO SUBMIT A TRANSLATION OF THE DESCRIPTION OR TO PAY THE FEE WITHIN THE PRESCRIBED TIME-LIMIT

Effective date: 20100922

REG Reference to a national code

Ref country code: DE

Ref legal event code: R082

Ref document number: 502006007915

Country of ref document: DE

Representative=s name: HEMMERICH & KOLLEGEN PATENTANWAELTE, DE

Ref country code: DE

Ref legal event code: R082

Ref document number: 502006007915

Country of ref document: DE

Representative=s name: HEMMERICH & KOLLEGEN, DE

Ref country code: DE

Ref legal event code: R081

Ref document number: 502006007915

Country of ref document: DE

Owner name: SMS GROUP GMBH, DE

Free format text: FORMER OWNER: SMS MEER GMBH, 41069 MOENCHENGLADBACH, DE

P01 Opt-out of the competence of the unified patent court (upc) registered

Effective date: 20230707

PGFP Annual fee paid to national office [announced via postgrant information from national office to epo]

Ref country code: CH

Payment date: 20230801

Year of fee payment: 18

Ref country code: AT

Payment date: 20230720

Year of fee payment: 18

PGFP Annual fee paid to national office [announced via postgrant information from national office to epo]

Ref country code: DE

Payment date: 20230719

Year of fee payment: 18

REG Reference to a national code

Ref country code: DE

Ref legal event code: R119

Ref document number: 502006007915

Country of ref document: DE

REG Reference to a national code

Ref country code: CH

Ref legal event code: PL

REG Reference to a national code

Ref country code: AT

Ref legal event code: MM01

Ref document number: 482041

Country of ref document: AT

Kind code of ref document: T

Effective date: 20240704

PG25 Lapsed in a contracting state [announced via postgrant information from national office to epo]

Ref country code: DE

Free format text: LAPSE BECAUSE OF NON-PAYMENT OF DUE FEES

Effective date: 20250201

PG25 Lapsed in a contracting state [announced via postgrant information from national office to epo]

Ref country code: AT

Free format text: LAPSE BECAUSE OF NON-PAYMENT OF DUE FEES

Effective date: 20240704

Ref country code: CH

Free format text: LAPSE BECAUSE OF NON-PAYMENT OF DUE FEES

Effective date: 20240731