EP0244633A2 - Zündanlage für Brennkraftmaschinen - Google Patents

Zündanlage für Brennkraftmaschinen Download PDF

Info

Publication number
EP0244633A2
EP0244633A2 EP87104801A EP87104801A EP0244633A2 EP 0244633 A2 EP0244633 A2 EP 0244633A2 EP 87104801 A EP87104801 A EP 87104801A EP 87104801 A EP87104801 A EP 87104801A EP 0244633 A2 EP0244633 A2 EP 0244633A2
Authority
EP
European Patent Office
Prior art keywords
primary winding
control current
switching transistor
ignition system
switching
Prior art date
Legal status (The legal status is an assumption and is not a legal conclusion. Google has not performed a legal analysis and makes no representation as to the accuracy of the status listed.)
Granted
Application number
EP87104801A
Other languages
English (en)
French (fr)
Other versions
EP0244633B1 (de
EP0244633A3 (en
Inventor
Richard Dipl.-Ing. Schleupen
Current Assignee (The listed assignees may be inaccurate. Google has not performed a legal analysis and makes no representation or warranty as to the accuracy of the list.)
Robert Bosch GmbH
Original Assignee
Robert Bosch GmbH
Priority date (The priority date is an assumption and is not a legal conclusion. Google has not performed a legal analysis and makes no representation as to the accuracy of the date listed.)
Filing date
Publication date
Application filed by Robert Bosch GmbH filed Critical Robert Bosch GmbH
Publication of EP0244633A2 publication Critical patent/EP0244633A2/de
Publication of EP0244633A3 publication Critical patent/EP0244633A3/de
Application granted granted Critical
Publication of EP0244633B1 publication Critical patent/EP0244633B1/de
Anticipated expiration legal-status Critical
Expired - Lifetime legal-status Critical Current

Links

Images

Classifications

    • FMECHANICAL ENGINEERING; LIGHTING; HEATING; WEAPONS; BLASTING
    • F02COMBUSTION ENGINES; HOT-GAS OR COMBUSTION-PRODUCT ENGINE PLANTS
    • F02PIGNITION, OTHER THAN COMPRESSION IGNITION, FOR INTERNAL-COMBUSTION ENGINES; TESTING OF IGNITION TIMING IN COMPRESSION-IGNITION ENGINES
    • F02P3/00Other installations
    • F02P3/02Other installations having inductive energy storage, e.g. arrangements of induction coils
    • F02P3/04Layout of circuits
    • F02P3/045Layout of circuits for control of the dwell or anti dwell time
    • F02P3/0453Opening or closing the primary coil circuit with semiconductor devices

Definitions

  • the invention relates to an ignition system according to the preamble of the main claim.
  • the invention has for its object to provide an ignition system according to the preamble of the main claim and to avoid the aforementioned inadequacy.
  • the circuit part shown should belong to the ignition system of an internal combustion engine intended for a motor vehicle.
  • the circuit part has an ignition coil 1 with a primary winding 2 and a secondary winding 3.
  • the primary winding 2 is connected to the collector of a switching transistor 4, the emitter of which is connected to the ground line 5 connected to the negative pole of a current source (not shown).
  • the secondary winding 3 has at its one connection to the connection of the primary winding 3 facing the switching transistor 4 and at its other connection directly to the one connection of a spark plug 6.
  • the other connection of the spark plug 6 is connected to the ground line 5.
  • the primary winding 2 forms a bridge circuit in conjunction with three ohmic resistors 7, 8, 9.
  • the primary winding 2 is connected with its connection facing away from the switching transistor 4 via the bridge resistor 7 to a supply line 10 starting from the positive pole of the current source.
  • the bridge resistors 8, 9 form a series circuit which has one end at the connection between the primary winding 2 and the switching transistor 4 and the other end at the supply line 10.
  • One end of a diagonal branch 11 is connected to the one between the primary winding 2 and the bridge resistor 7 Connection and connected at its other end to the connection existing between bridge resistor 8 and bridge resistor 9.
  • Uref reference voltage
  • a zener diode 12 and the series-emitter-base path of a (pnp) control transistor 13 are used for this, the cathode of the zener diode 12 of the connection between primary winding 2 and bridge resistor 7 and the base of the control transistor 13 of the connection is facing between bridge resistor 8 and bridge resistor 9.
  • the collector of the control transistor 13 is connected to the base of an (npn) driver transistor 14, the emitter of which is connected to the ground line 5 and the collector of which is connected both to the base of the switching transistor 4 and via a resistor 15 to the supply line 10.
  • the driver transistor 14 can be controlled by a decoupling resistor 16 on its emitter-collector path in the blocking state and, depending on this, the switching transistor 4 on its emitter-collector path in its current transmission state can be controlled by a pulse i supplied by a signal generator (not shown).
  • the bridge circuit can be adjusted as a function of an operating parameter of the internal combustion engine.
  • the bridge resistance 7 is designed to be adjustable in the example, the resistance value of the bridge resistance 7 being intended to decrease as the compression D in the cylinder increases.
  • the circuit section just described has the following mode of operation: As soon as the pulse i turns the driver transistor 14 off and the switching transistor 4 on, the current in the primary winding 2 begins to rise.
  • This increase should be at least almost optimal, that is, on the one hand, it should be "fast” enough so that even at high speeds between two ignition points there is sufficient time for storing an effective ignition energy amount and at the same time there is time for the formation of powerful ignition sparks, and on the other hand the increase is not so "fast” that the voltage thereby generated in the secondary winding 3 on the spark plug 6 causes an undesirable ignition spark.
  • control transistor 13 on its emitter-collector path and, depending on it, the driver transistor 14 on its emitter-collector path is turned on by the reference voltage Uref to such an extent that it causes it at the base of the switching transistor 4 and via the emitter Collector path of the driver transistor 14 running control current branch ensures an optimal charging time constant. Good results can be achieved if the voltage drop dependent on the ohmic resistance of the primary winding 2 is at least almost compensated for with the aid of this control current branch.
  • the bridge circuit can be set as a function of at least one operating parameter of the internal combustion engine.
  • the resistance value of the bridge resistor 7 is reduced with increasing compression in the cylinder, because then the secondary voltage required for an ignition spark is also at higher values and consequently the advantage of the "rapid" current increase in the primary winding 2 can be used.
  • the bridge resistance 7, which is in series with the primary winding 2 can be selected to be higher than is necessary to compensate for the ohmic voltage drop of the primary winding 2.
  • the voltage across the secondary winding 3 thus increases with increasing current, which is possible because of the higher sparkover breakdown voltage permitted by the increasing compression

Landscapes

  • Engineering & Computer Science (AREA)
  • Chemical & Material Sciences (AREA)
  • Combustion & Propulsion (AREA)
  • Mechanical Engineering (AREA)
  • General Engineering & Computer Science (AREA)
  • Ignition Installations For Internal Combustion Engines (AREA)

Abstract

Es wird eine Zündanlage für Brennkraftmaschinen vorgeschlagen, die eine wenigstens an eine Zündkerze (6) unmittelbar angeschlossene Sekundärwicklung (3) und eine in Serie zur Schaltstrecke eines Schalttransistors (4) liegende Primärwicklung (2) hat. Erfindungsgemäß ist hier die Primärwicklung (2) Bestandteil einer Brückenschaltung, wobei eine in deren Diagonalzweig (11) erzeugte Referenzspannu ng (Uref) für die Steuerung eines zur Steuerstromabzweigung am Schalttransistor (4) benutzten Schaltgliedes (14) Verwendung findet und wobei ferner mit Hilfe dieser Steuerstromabzweigung eine optimale Ladezeitkonstante in dem Stromkreis der Primärwicklugn (2) festgelegt ist.

Description

  • Die Erfindung bezieht sich auf eine Zündanlage nach dem Oberbegriff des Hauptanspruches.
  • In Zündanlagen, in denen die Sekundärwicklungen der Zündspulen mit einer bzw. mehreren Zündkerzen unmittelbare Verbindung haben, wie das beispielsweise bei einkerzigen bzw. verteilerlosen mehrkerzigen zündanlagen der Fall ist, besteht die Gefahr, daß beim Einschalten des für die Zündspule bestimmten Primärstromes in der Sekundärwicklung eine so hohe Spannung induziert wird, daß an der Zündkerze ein Zündfunke auftritt und zwar in einem Zeitpunkt, in dem die Brennkraftmaschine Schaden erleiden kann.
  • Der Erfindung liegt die Aufgabe zugrunde, eine Zündanlage nach dem Oberbegriff des Hauptanspruches zu schaffen und dabei die vorerwähnte Unzulänglichkeit zu vermeiden.
  • Diese Aufgabe wird durch Anwendung der im kennzeichnenden Teil des Hauptanspruches aufgeführten Maßnahmen gelöst.
  • In den Unteransprüchen sind vorteilhafte Maßnahmen für die Realisierung der Erfindung angegeben.
  • Ein Ausführungsbeispiel der Erfindung ist in der Zeichnung schaltungsmäßig dargestellt und in der nachfolgenden Beschreibung näher erläutert.
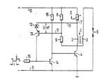
  • Der dargestellte Schaltungsteil soll zu der Zündanlage einer für ein Kraftfahrzeug bestimmten Brennkraftmaschine gehören. Der Schaltungsteil hat eine Zündspule 1 mit einer Primärwicklung 2 und einer Sekundärwicklung 3. Die Primärwicklung 2 ist an den Kollektor eines Schalttransistors 4 angeschlossen, dessen Emitter an der mit dem Minuspol einer nicht dargestellten Stromquelle verbundenen Masseleitung 5 liegt. Die Sekundärwicklung 3 hat an ihrem einen Anschluß mit dem dem Schalttransistor 4 zugewandten Anschluß der Primärwicklung 3 und an ihrem anderen Anschluß unmittelbar mit dem einen Anschluß einer Zündkerze 6 Verbindung. Der andere Anschluß der Zündkerze 6 liegt an der Masseleitung 5.
  • Schließlich bildet die Primärwicklung 2 in Verbindung mit drei ohmschen Widerständen 7, 8, 9 eine Brückenschaltung. Dabei ist die Primärwicklung 2 mit ihrem dem Schalttransistor 4 abgewandten Anschluß über den Brückenwiderstand 7 an eine von dem Pluspol der Stromquelle ausgehende Versorgungsleitung 10 angeschlossen. Die Brückenwiderstände 8, 9 bilden eine Serienschaltung, die mit ihrem einen Ende an der zwischen Primärwicklung 2 und Schalttransistor 4 vorhanden Verbindung und mit ihrem anderen Ende an der Versorgungsleitung 10 liegt. Ein Diagonalzweig 11 ist mit seinem einen Ende an die zwischen Primärwicklung 2 und Brückenwiderstand 7 vorhandene Verbindung und mit seinem anderen Ende an die zwischen Brückenwiderstand 8 und Brückenwiderstand 9 vorhandene Verbindung angeschlossen. Im Diagonalzweig 11 liegt eine Referenzspannung Uref, wofür im bevorzugten Fall Schaltungselemente mit bestimmter Durchbruchsspannung vorgesehen sind. Im vorliegenden Fall sind hierfür eine Zenerdiode 12 und die in Serie dazu liegende Emitter-Basis-Strecke eines (pnp-) Steuertransistors 13 benutzt, wobei die Kathode der Zenerdiode 12 der Verbindung zwischen Primärwicklung 2 und Brückenwiderstand 7 und die Basis des Steuertransistors 13 der Verbindung zwischen Brückenwiderstand 8 und Brückenwiderstand 9 zugewandt ist. Der Kollektor des Steuertransistors 13 ist mit der Basis eines (npn-) Treibertransistors 14 verbunden, dessen Emitter an der Masseleitung 5 und dessen Kollektor sowohl an der Basis des Schalttransistors 4 als auch über einen Widerstand 15 an der Versorgungsleitung 10 liegt.
  • Durch einen von einem nicht dargestellten Signalgeber gelieferten Impuls i ist der Treibertransistor 14 über einen Entkopplungswiderstand 16 an seiner Emitter-Kollektor-Strecke in den Sperrzustand und abhängig davon der Schalttransistor 4 an seiner Emitter-Kollektor-Strecke in seinen Stromdurchlaßzustand steuerbar.
  • Vorteilhaft ist es, wenn sich die Brückenschaltung in Abhängigkeit von we ngistens einem Betriebsparameter der Brennkraftmaschine verstellen läßt. Zu diesem Zweck ist im Beispielsfall der Brückenwiderstand 7 verstellbar ausgeführt, wobei der Widerstandswert des Brückenwiderstandes 7 mit steigender Verdichtung D im Zylinder kleiner werden soll.
  • Der soeben beschriebene Schaltungsteil hat folgende Wirkungsweise:
    Sobald der Impuls i den Treibertransistor 14 aus- und den Schalttransistor 4 einschaltet, beginnt der Strom in der Primärwicklung 2 anzusteigen. Dieser Anstieg soll wenigstens nahezu optimal sein, d.h. er soll einerseits "schnell" genug sein, damit auch bei hohen Drehzahlen zwischen zwei Zündpunkten ausreichende Zeit für die Speicherung eines wirkungsvollen Zündenergiebetrages un gleichzeitig auch Zeit für die Ausbildung kräftigen Zündfunkens bleibt, und daß andererseits der Anstieg nicht so "schnell" ist, daß die dabei in der Sekundärwicklung 3 entstehende Spannung an der Zündkerze 6 einen unerwünschten Zündfunken hervorruft. Zu diesem Zweck wird der Steuertransistor 13 an seiner Emitter-Kollektor-Strecke und abhängig davon der Treibertransistor 14 an seiner Emitter-Kollektor-Strecke durch die Referenzspannung Uref so weit aufgesteuert, daß die dadurch an der Basis des Schalttransistors 4 verursachte und über die Emitter-Kollektor-Strecke des Treibertransistors 14 verlaufende Steuerstromabzweigung für eine optimale Ladezeitkonstante sorgt. Dabei erreicht man gute Ergebnisse, wenn mit Hilfe dieser Steuerstromabzweigung der vom ohmschen Widerstand der Primärwicklung 2 abhängige Spannungsabfall wenigstens nahezu kompensiert wird.
  • Vorteilhaft ist es, wenn sich die Brückenschaltung in Abhängigkeit von wenigstens einem Betriebsparameter der Brennkraftmaschine einstellen läßt. Im Beispielsfall wird der Widerstandswert des Brückenwiderstandes 7 mit zunehmender Verdichtung im Zylinder verkleinert, weil dann die für einen Zündfunken notwendige Sekundärspannung ebenfalls bei höheren Werten liegt und demzufolge vom Vorteil des "schnellen" Stromanstieges in der Primärwicklung 2 Gebrauch gemacht werden kann.
  • In einer weiteren Variante kann der mit der Primärwicklung 2 in Serie liegende Brückenwiderstand 7 höher gewählt werden als das zur Kompensation des ohmschen Spannungsabfalls der Primärwicklung 2 notwendig ist. Damit nimmt die Spannung über der Sekundärwicklung 3 mit steigendem Strom zu, was wegen der durch die steigende Verdichtung zulässigen höheren Kerzen-Überschlagspannung möglich ist

Claims (3)

1. Zündanlage für Brennkraftmaschinen mit einer wenigsten an eine Zündkerze unmittelbar angeschlossenen Sekundärwicklung und mit einer in Serie zur Schaltstrecke eines Schalttransistors liegenden Primärwicklung, dadurch gekennzeichnet, daß die Primärwicklung (2) Bestandteil einer Brückenschaltung ist und eine in deren Diagonalzweig (11) erzeugte Referenzspannung (Uref) für die Steuerung eines zur Steuerstromabzweigung am Schalttransistor benutzten Schaltgliedes (14) Verwendung findet, wobei mit Hilfe dieser Steuerstromabzweigung eine optimale Ladezeitkonstante im Stromkreis der Primärwicklung (2) festgelegt ist.
2. Zündanlage nach Anspruch 1, dadurch gekennzeichnet, daß mit Hilfe der Steuerstromabzweigung der vom ohmschen Widerstand der Primärwicklung (2) abhängige Spannungsabfall wenigstens nahezu kompensiert wird.
3. Zündanlage nach Anspruch 1, dadurch gekennzeichnet, daß die Brückenschaltung in Abhängigkeit von wenigstens einem Betriebsparameter der Brennkraftmaschine einstellbar ist.
EP19870104801 1986-05-09 1987-04-01 Zündanlage für Brennkraftmaschinen Expired - Lifetime EP0244633B1 (de)

Applications Claiming Priority (2)

Application Number Priority Date Filing Date Title
DE3615548 1986-05-09
DE19863615548 DE3615548A1 (de) 1986-05-09 1986-05-09 Zuendanlage fuer brennkraftmaschinen

Publications (3)

Publication Number Publication Date
EP0244633A2 true EP0244633A2 (de) 1987-11-11
EP0244633A3 EP0244633A3 (en) 1988-04-06
EP0244633B1 EP0244633B1 (de) 1991-09-18

Family

ID=6300396

Family Applications (1)

Application Number Title Priority Date Filing Date
EP19870104801 Expired - Lifetime EP0244633B1 (de) 1986-05-09 1987-04-01 Zündanlage für Brennkraftmaschinen

Country Status (3)

Country Link
US (1) US4886037A (de)
EP (1) EP0244633B1 (de)
DE (2) DE3615548A1 (de)

Cited By (1)

* Cited by examiner, † Cited by third party
Publication number Priority date Publication date Assignee Title
WO1991015058A1 (de) * 1990-03-23 1991-10-03 Robert Bosch Gmbh Kurzschlussfeste transistorendstufe, insbesondere zündungsendstufe für kraftfahrzeuge

Families Citing this family (9)

* Cited by examiner, † Cited by third party
Publication number Priority date Publication date Assignee Title
JPH08270534A (ja) * 1995-03-31 1996-10-15 Mitsubishi Electric Corp 内燃機関用点火装置
JP3216966B2 (ja) * 1995-04-04 2001-10-09 三菱電機株式会社 内燃機関用点火装置
DE19605803A1 (de) * 1996-02-16 1997-08-21 Daug Deutsche Automobilgesells Schaltungsanordnung zur Ionenstrommessung
DE19711204C2 (de) * 1997-03-18 1999-01-14 Bosch Gmbh Robert Schaltungsanordnung einer Zündendstufe
DE19741439A1 (de) * 1997-09-19 1999-03-25 Bayerische Motoren Werke Ag Vorrichtung und Verfahren zum Einschalten des Primärstroms einer Zündspule
US6131555A (en) * 1998-04-20 2000-10-17 Cummins Engine Company, Inc. System for controlling ignition energy of an internal combustion engine
US6035838A (en) * 1998-04-20 2000-03-14 Cummins Engine Company, Inc. Controlled energy ignition system for an internal combustion engine
JP2000205034A (ja) * 1999-01-18 2000-07-25 Mitsubishi Electric Corp 内燃機関の燃焼状態検出装置
US6247465B1 (en) * 2000-02-11 2001-06-19 Delphi Technologies, Inc. System and method for preventing spark-on-make in an internal combustion engine using manifold pressure

Family Cites Families (12)

* Cited by examiner, † Cited by third party
Publication number Priority date Publication date Assignee Title
US432493A (en) * 1890-07-15 Martin s
US2487186A (en) * 1946-01-23 1949-11-08 Teletype Corp Plural transmitter telegraph system with number transmitter
US3145727A (en) * 1962-08-17 1964-08-25 Ajinomoto Kk Automatic liquid level control device
US3206032A (en) * 1963-06-24 1965-09-14 M C Nottingham Co Of Temple Ci Sewage disposal tank
US3805957A (en) * 1972-03-31 1974-04-23 Oldham R Inc Floating solids return device
FR2217566A1 (de) * 1973-02-10 1974-09-06 Lucas Electrical Co Ltd
US3931817A (en) * 1975-01-27 1976-01-13 Leonard Infranca Pediatric corrective device
DE2542677C3 (de) * 1975-09-25 1978-11-23 Robert Bosch Gmbh, 7000 Stuttgart Zündeinrichtung für eine Brennkraftmaschine
JPS6053795B2 (ja) * 1978-03-14 1985-11-27 株式会社デンソー 内燃機関点火装置
US4326493A (en) * 1979-07-26 1982-04-27 Autotronic Controls, Corp. Multiple spark discharge ignition system
DE3007335A1 (de) * 1980-02-27 1981-09-10 Robert Bosch Gmbh, 7000 Stuttgart Zuendanlage fuer eine brennkraftmaschine
JPH0694864B2 (ja) * 1984-07-26 1994-11-24 日本電装株式会社 内燃機関用点火装置

Cited By (1)

* Cited by examiner, † Cited by third party
Publication number Priority date Publication date Assignee Title
WO1991015058A1 (de) * 1990-03-23 1991-10-03 Robert Bosch Gmbh Kurzschlussfeste transistorendstufe, insbesondere zündungsendstufe für kraftfahrzeuge

Also Published As

Publication number Publication date
EP0244633B1 (de) 1991-09-18
DE3773043D1 (de) 1991-10-24
US4886037A (en) 1989-12-12
DE3615548A1 (de) 1987-11-12
EP0244633A3 (en) 1988-04-06

Similar Documents

Publication Publication Date Title
DE2340865C3 (de) Zündvorrichtung für eine Brennkraftmaschine
EP0640761B2 (de) Steuerbare Zündanlage
DE2339896B2 (de) Zuendeinrichtung fuer brennkraftmaschinen
DE2636945A1 (de) Zuendanlage fuer brennkraftmaschinen mit einem magnetgenerator
DE2734164A1 (de) Elektronische zuendsteueranordnung fuer brennkraftmaschinen, insbesondere von kraftfahrzeugen
EP0034787A1 (de) Zündsystem für Brennkraftmaschinen
EP0244633B1 (de) Zündanlage für Brennkraftmaschinen
DE2927058A1 (de) Steuereinrichtung fuer eine zuendspule einer brennkraftmaschine
DE69019323T2 (de) Drehzahlbegrenzer für Innenbrennkraftmaschinen.
EP0489264B1 (de) Elektronisches Zündsystem
DE2433155B2 (de) Zündschaltung für eine mehrzylindrige Brennkraftmaschine
EP0850358B1 (de) Zündendstufe
DE19755140B4 (de) Zündanlage mit Zündspule
DE3404245C2 (de) Hochspannungs-Generatorschaltung für ein Kraftfahrzeug-Zündsystem
DE2920831C2 (de) Zündanlage für Brennkraftmaschinen mit einem Magnetgenerator
DE19741963C1 (de) Vorrichtung zur Unterdrückung unerwünschter Zündungen bei einem Ottomotor
DE2527725B2 (de) Schaltungsanordnung für Brennkraftmaschinen-Zündeinrichtungen
DE102004015543B4 (de) Zündanlage für eine Brennkraftmaschine
DE3152015C2 (de) Elektronische Zündvorrichtung für Brennkraftmaschinen
DE3215728A1 (de) Zuendanlage fuer eine brennkraftmaschine
DE2825830A1 (de) Zuendeinrichtung fuer brennkraftmaschinen
DE3423949A1 (de) Zuendanlage fuer brennkraftmaschinen
DE4133253A1 (de) Zuendanlage fuer brennkraftmaschinen
EP0230405B1 (de) Zündanlage für brennkraftmaschinen mit einem magnetgenerator
DE10260321B4 (de) Schaltungsanordnung zur Funkentstörung einer Kraftfahrzeugzündanlage

Legal Events

Date Code Title Description
PUAI Public reference made under article 153(3) epc to a published international application that has entered the european phase

Free format text: ORIGINAL CODE: 0009012

AK Designated contracting states

Kind code of ref document: A2

Designated state(s): DE FR IT SE

PUAL Search report despatched

Free format text: ORIGINAL CODE: 0009013

AK Designated contracting states

Kind code of ref document: A3

Designated state(s): DE FR IT SE

17P Request for examination filed

Effective date: 19880831

17Q First examination report despatched

Effective date: 19910228

GRAA (expected) grant

Free format text: ORIGINAL CODE: 0009210

AK Designated contracting states

Kind code of ref document: B1

Designated state(s): DE FR IT SE

ET Fr: translation filed
REF Corresponds to:

Ref document number: 3773043

Country of ref document: DE

Date of ref document: 19911024

ITF It: translation for a ep patent filed
RAP4 Party data changed (patent owner data changed or rights of a patent transferred)

Owner name: ROBERT BOSCH GMBH

PLBE No opposition filed within time limit

Free format text: ORIGINAL CODE: 0009261

STAA Information on the status of an ep patent application or granted ep patent

Free format text: STATUS: NO OPPOSITION FILED WITHIN TIME LIMIT

26N No opposition filed
PGFP Annual fee paid to national office [announced via postgrant information from national office to epo]

Ref country code: SE

Payment date: 19940421

Year of fee payment: 8

PGFP Annual fee paid to national office [announced via postgrant information from national office to epo]

Ref country code: FR

Payment date: 19940429

Year of fee payment: 8

PGFP Annual fee paid to national office [announced via postgrant information from national office to epo]

Ref country code: DE

Payment date: 19940628

Year of fee payment: 8

EAL Se: european patent in force in sweden

Ref document number: 87104801.3

PG25 Lapsed in a contracting state [announced via postgrant information from national office to epo]

Ref country code: SE

Effective date: 19950402

PG25 Lapsed in a contracting state [announced via postgrant information from national office to epo]

Ref country code: FR

Effective date: 19951229

PG25 Lapsed in a contracting state [announced via postgrant information from national office to epo]

Ref country code: DE

Effective date: 19960103

EUG Se: european patent has lapsed

Ref document number: 87104801.3

REG Reference to a national code

Ref country code: FR

Ref legal event code: ST

PG25 Lapsed in a contracting state [announced via postgrant information from national office to epo]

Ref country code: IT

Free format text: LAPSE BECAUSE OF NON-PAYMENT OF DUE FEES;WARNING: LAPSES OF ITALIAN PATENTS WITH EFFECTIVE DATE BEFORE 2007 MAY HAVE OCCURRED AT ANY TIME BEFORE 2007. THE CORRECT EFFECTIVE DATE MAY BE DIFFERENT FROM THE ONE RECORDED.

Effective date: 20050401