WO2017038007A1 - Imprint apparatus, imprint method, and method of manufacturing article - Google Patents

Imprint apparatus, imprint method, and method of manufacturing article Download PDF

Info

Publication number
WO2017038007A1
WO2017038007A1 PCT/JP2016/003579 JP2016003579W WO2017038007A1 WO 2017038007 A1 WO2017038007 A1 WO 2017038007A1 JP 2016003579 W JP2016003579 W JP 2016003579W WO 2017038007 A1 WO2017038007 A1 WO 2017038007A1
Authority
WO
WIPO (PCT)
Prior art keywords
mold
imprint
imprint material
image
substrate
Prior art date
Legal status (The legal status is an assumption and is not a legal conclusion. Google has not performed a legal analysis and makes no representation as to the accuracy of the status listed.)
Ceased
Application number
PCT/JP2016/003579
Other languages
English (en)
French (fr)
Inventor
Yousuke Kondo
Current Assignee (The listed assignees may be inaccurate. Google has not performed a legal analysis and makes no representation or warranty as to the accuracy of the list.)
Canon Inc
Original Assignee
Canon Inc
Priority date (The priority date is an assumption and is not a legal conclusion. Google has not performed a legal analysis and makes no representation as to the accuracy of the date listed.)
Filing date
Publication date
Application filed by Canon Inc filed Critical Canon Inc
Priority to KR1020187008576A priority Critical patent/KR101980497B1/ko
Publication of WO2017038007A1 publication Critical patent/WO2017038007A1/en
Anticipated expiration legal-status Critical
Ceased legal-status Critical Current

Links

Images

Classifications

    • GPHYSICS
    • G03PHOTOGRAPHY; CINEMATOGRAPHY; ANALOGOUS TECHNIQUES USING WAVES OTHER THAN OPTICAL WAVES; ELECTROGRAPHY; HOLOGRAPHY
    • G03FPHOTOMECHANICAL PRODUCTION OF TEXTURED OR PATTERNED SURFACES, e.g. FOR PRINTING, FOR PROCESSING OF SEMICONDUCTOR DEVICES; MATERIALS THEREFOR; ORIGINALS THEREFOR; APPARATUS SPECIALLY ADAPTED THEREFOR
    • G03F7/00Photomechanical, e.g. photolithographic, production of textured or patterned surfaces, e.g. printing surfaces; Materials therefor, e.g. comprising photoresists; Apparatus specially adapted therefor
    • G03F7/70Microphotolithographic exposure; Apparatus therefor
    • G03F7/70216Mask projection systems
    • G03F7/7035Proximity or contact printers
    • GPHYSICS
    • G03PHOTOGRAPHY; CINEMATOGRAPHY; ANALOGOUS TECHNIQUES USING WAVES OTHER THAN OPTICAL WAVES; ELECTROGRAPHY; HOLOGRAPHY
    • G03FPHOTOMECHANICAL PRODUCTION OF TEXTURED OR PATTERNED SURFACES, e.g. FOR PRINTING, FOR PROCESSING OF SEMICONDUCTOR DEVICES; MATERIALS THEREFOR; ORIGINALS THEREFOR; APPARATUS SPECIALLY ADAPTED THEREFOR
    • G03F7/00Photomechanical, e.g. photolithographic, production of textured or patterned surfaces, e.g. printing surfaces; Materials therefor, e.g. comprising photoresists; Apparatus specially adapted therefor
    • G03F7/0002Lithographic processes using patterning methods other than those involving the exposure to radiation, e.g. by stamping
    • GPHYSICS
    • G03PHOTOGRAPHY; CINEMATOGRAPHY; ANALOGOUS TECHNIQUES USING WAVES OTHER THAN OPTICAL WAVES; ELECTROGRAPHY; HOLOGRAPHY
    • G03FPHOTOMECHANICAL PRODUCTION OF TEXTURED OR PATTERNED SURFACES, e.g. FOR PRINTING, FOR PROCESSING OF SEMICONDUCTOR DEVICES; MATERIALS THEREFOR; ORIGINALS THEREFOR; APPARATUS SPECIALLY ADAPTED THEREFOR
    • G03F7/00Photomechanical, e.g. photolithographic, production of textured or patterned surfaces, e.g. printing surfaces; Materials therefor, e.g. comprising photoresists; Apparatus specially adapted therefor
    • G03F7/70Microphotolithographic exposure; Apparatus therefor
    • G03F7/70483Information management; Active and passive control; Testing; Wafer monitoring, e.g. pattern monitoring
    • G03F7/70491Information management, e.g. software; Active and passive control, e.g. details of controlling exposure processes or exposure tool monitoring processes
    • G03F7/70525Controlling normal operating mode, e.g. matching different apparatus, remote control or prediction of failure
    • GPHYSICS
    • G03PHOTOGRAPHY; CINEMATOGRAPHY; ANALOGOUS TECHNIQUES USING WAVES OTHER THAN OPTICAL WAVES; ELECTROGRAPHY; HOLOGRAPHY
    • G03FPHOTOMECHANICAL PRODUCTION OF TEXTURED OR PATTERNED SURFACES, e.g. FOR PRINTING, FOR PROCESSING OF SEMICONDUCTOR DEVICES; MATERIALS THEREFOR; ORIGINALS THEREFOR; APPARATUS SPECIALLY ADAPTED THEREFOR
    • G03F7/00Photomechanical, e.g. photolithographic, production of textured or patterned surfaces, e.g. printing surfaces; Materials therefor, e.g. comprising photoresists; Apparatus specially adapted therefor
    • G03F7/70Microphotolithographic exposure; Apparatus therefor
    • G03F7/70483Information management; Active and passive control; Testing; Wafer monitoring, e.g. pattern monitoring
    • G03F7/70605Workpiece metrology
    • G03F7/70616Monitoring the printed patterns
    • G03F7/7065Defects, e.g. optical inspection of patterned layer for defects
    • GPHYSICS
    • G03PHOTOGRAPHY; CINEMATOGRAPHY; ANALOGOUS TECHNIQUES USING WAVES OTHER THAN OPTICAL WAVES; ELECTROGRAPHY; HOLOGRAPHY
    • G03FPHOTOMECHANICAL PRODUCTION OF TEXTURED OR PATTERNED SURFACES, e.g. FOR PRINTING, FOR PROCESSING OF SEMICONDUCTOR DEVICES; MATERIALS THEREFOR; ORIGINALS THEREFOR; APPARATUS SPECIALLY ADAPTED THEREFOR
    • G03F7/00Photomechanical, e.g. photolithographic, production of textured or patterned surfaces, e.g. printing surfaces; Materials therefor, e.g. comprising photoresists; Apparatus specially adapted therefor
    • G03F7/70Microphotolithographic exposure; Apparatus therefor
    • G03F7/708Construction of apparatus, e.g. environment aspects, hygiene aspects or materials
    • G03F7/70908Hygiene, e.g. preventing apparatus pollution, mitigating effect of pollution or removing pollutants from apparatus
    • G03F7/70925Cleaning, i.e. actively freeing apparatus from pollutants, e.g. using plasma cleaning

Definitions

  • the present invention relates to an imprint apparatus, an imprint method, and a method of manufacturing an article.
  • An imprint technique is known as a method of forming a fine pattern on a substrate in order to manufacture a semiconductor device or the like.
  • a mold having a portion in which a concave and convex pattern is formed (hereinafter, referred to as a pattern portion) is brought into contact with an imprint material, and a transfer pattern of the mold is formed on a substrate.
  • the substrate When a foreign matter is disposed between a placing unit on which a substrate is placed and the substrate, the substrate locally protrudes. If a pattern is formed in this state, a pattern defect may occur, or the pattern portion may be damaged.
  • PTL 1 describes a lithography apparatus that includes a detection device capable of detecting a foreign matter on a placing unit before a substrate is placed on the placing unit.
  • the detection device includes an optical flat that is to be brought into contact with the placing unit, a laser light source that irradiates the optical flat and the placing unit with laser light, a monitor, and an image processing device.
  • the detection device detects a foreign matter on the placing unit by analyzing a resulting image of an interference fringe captured on the optical flat with the use of the image processing device.
  • the foreign matter detection device described in PTL 1 carries out foreign matter detection before a substrate is placed on the placing unit. Therefore, the step of bringing the optical flat and the substrate into contact with each other is carried out separately, and the throughput of the process involving the foreign matter detection that includes the inspection step and the processing step carried out on the inspected substrate may decrease. Accordingly, one aspect of the present invention provides an imprint apparatus and an imprint method that can suppress a decrease in the throughput associated with the foreign matter detection.
  • An exemplary embodiment according to one aspect of the present invention provides an imprint apparatus configured to form a pattern of an imprint material on a substrate by using a mold.
  • the imprint apparatus includes an image capturing unit configured to capture an image of the imprint material, and a detection unit configured to detect a foreign matter present between the placing unit on which the substrate is placed and the substrate.
  • the detection unit is configured to detect the foreign matter on the basis of a first resulting image captured by the image capturing unit before the mold is released from the imprint material into which the mold has been brought into contact and a second resulting image captured by the image capturing unit after the mold is released from the imprint material into which the mold has been brought into contact.
  • Fig. 1A illustrates a configuration of an imprint apparatus according to an exemplary embodiment.
  • Fig. 1B illustrates a configuration of a rectangular mold and a mold stage.
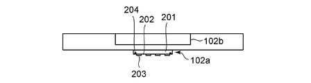
  • Fig. 2A is a front view illustrating a structure of a mold.
  • Fig. 2B illustrates the mold as viewed in the +Z-direction.
  • Fig. 3 is a flowchart illustrating an imprint method according to an exemplary embodiment.
  • Fig. 4A is a schematic diagram illustrating a state in which a mold and an imprint material are in contact with each other.
  • Fig. 4B illustrates an image representing a result obtained by capturing an image of an imprint material before a mold is released.
  • Fig. 1A illustrates a configuration of an imprint apparatus according to an exemplary embodiment.
  • Fig. 1B illustrates a configuration of a rectangular mold and a mold stage.
  • Fig. 2A is a front view illustrating a structure of a mold.
  • FIG. 4C illustrates an image representing a result obtained by capturing an image of the imprint material after the mold is released.
  • Fig. 5 is a schematic diagram illustrating a state in which a mold has been released from an imprint material.
  • Fig. 6 is a flowchart illustrating a method of detecting a foreign matter according to an exemplary embodiment.
  • Fig. 7 illustrates a difference between images captured before and after a mold is released.
  • Fig. 8 is an illustration for describing batch imprinting.
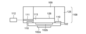
  • Fig. 1A illustrates a configuration of an imprint apparatus 100 according to the present exemplary embodiment.
  • the Z-axis (vertical direction in the present exemplary embodiment) corresponds to an axis that is parallel to an optical axis of ultraviolet radiation 104 that is emitted by a light source 101, transmitted through a mold 102, and incident on a substrate 103.
  • the X-axis and the Y-axis are two axes that are orthogonal to each other within a plane perpendicular to the Z-axis.
  • a substrate stage (moving member) 105 includes a substrate holding unit (placing unit) 106 that holds the substrate 103.
  • the substrate holding unit 106 is connected to a vacuum pump (not illustrated), and the force with which the substrate holding unit 106 holds the substrate 103 is controlled by controlling the vacuum pump.
  • a mark mount 107 on which a reference mark is formed is provided on the substrate stage 105 at a position spaced apart from the substrate 103.
  • Fig. 1B illustrates a configuration of the rectangular mold 102 and a mold stage 108.
  • the mold stage 108 includes a driving mechanism 125 that moves the mold 102 and a mold holding unit 110 that holds the mold 102 in the Z-axis direction.
  • an operation of pressing the mold 102 against an uncured imprint material (imprint material) 114 (illustrated in Fig. 1A) (contact operation) and an operation of releasing the mold 102 from the cured imprint material 114 are carried out.
  • a cylindrical space 109 is formed in the mold stage 108 at a center portion thereof.
  • the mold holding unit 110 sucks and holds the mold 102 through the vacuum suction force.
  • a curable composite (also referred to as uncured resin) that is cured as being provided with energy for curing is used for the imprint material 114.
  • the energy for curing may be provided in the form of an electromagnetic wave, radiation, heat, or the like.
  • the electromagnetic wave may be, for example, infrared radiation, a visible light ray, ultraviolet radiation, or the like that is selected from radiation having a wavelength of no less than 10 nm and no greater than 1 mm, or may be electromagnetic radiation, such as an X-ray or a gamma-ray.
  • the radiation may be corpuscular radiation, such as an electron beam.
  • the curable composite is a composite that is cured as being irradiated with light or radiation or cured as being heated.
  • a photocurable composite which is cured by light, contains at least a polymeric compound and a photopolymerization initiator and may also contain a non-polymeric compound or a solvent as necessary.
  • the non-polymeric compound is at least one selected from a group consisting of a sensitizer, a hydrogen donor, an internal mold lubricant, a surfactant, an antioxidant, a polymer component, or the like.
  • the polymeric compound is a compound that reacts with a polymerizing factor (e.g., radical) generated from a photopolymerization initiator and forms a solid made of a macromolecular compound through a chain reaction (polymerization reaction).
  • a polymerizing factor e.g., radical
  • the polymeric compound is a compound having one or more acryloyl groups or methacryloyl groups, or in other words, is a (meth)acrylic compound.
  • the photopolymerization initiator is a compound that generates a polymerizing factor upon receiving light and, for example, is a radical generator, such as an acylphosphine oxide compound.
  • the imprint material 114 is applied to the substrate 103 in the form of a film by a spin coater or a slit coater.
  • the imprint material 114 may be applied to the substrate 103 by a liquid ejecting head in the form of a liquid droplet or in the form of an island or a film in which a plurality of liquid droplets are connected.
  • the viscosity (viscosity at 25°C) of the imprint material 114 is, for example, no less than 1 mPa*S and no greater than 100 mPa*S.
  • the contact operation and the releasing operation of the imprint material 114 and the mold 102 may be carried out by moving only the substrate stage 105 or by moving the mold stage 108 and the substrate stage 105 in combination.
  • a pressure control unit 112 feeds or discharges a gas through a pipe 111 so as to control the pressure inside a space 113.
  • the space 113 is a space enclosed by a glass plate 126 and a recess portion 102b in the mold 102.
  • the air pressure inside the space 113 is made higher than the air pressure in the imprint apparatus 100 by the pressure control unit 112, and thus a pattern portion (pattern formed portion) 102a, which will be described later, is deformed so as to project toward the substrate 103.
  • the substrate holding unit 106 and the mold holding unit 110 may hold the respective objects to be held by utilizing the electrostatic force instead of utilizing the vacuum suction force.
  • the mold 102 includes the rectangular pattern portion 102a provided at a center portion thereof, and a concave and convex pattern is formed in the pattern portion 102a.
  • the recess portion 102b is formed in the mold 102 on the surface that is opposite to the surface where the pattern portion 102a is formed, and the recess portion 102b has a sectional area that is greater than that of the pattern portion 102a.
  • the recess portion 102b has a depth of approximately 1 mm.
  • Fig. 2A is a front view of the mold 102, and Fig. 2B illustrates the mold 102 as viewed in the +Z-direction.
  • the pattern portion 102a is a portion which a pattern to be transferred is formed.
  • the pattern portion 102a includes a base portion 201, concave portions 202, and convex portions 203.
  • the base portion 201 has a thickness (length in the Z-axis direction) of approximately 30 ⁇ m.
  • the depth of the concave portion 202 from the top of the convex portion 203 is in a range from several ten nanometers to several hundred nanometers, and the width of the concave portion 202 and of the convex portion 203 is in a range from approximately several nanometers to ten-odd nanometers.
  • Marks 204 that are to be used to measure the position or the size of the pattern portion 102a are provided at four corners of the pattern portion 102a.
  • the marks 204 are detected by a detection unit 115, which will be described later.
  • a material that can transmit the ultraviolet radiation 104 for curing is used as a material for the mold 102.
  • a material that can transmit the ultraviolet radiation 104 for curing is used as a material for the mold 102.
  • a material for the mold 102 examples include glass, such as silica glass, silicic acid-based glass, calcium fluoride, magnesium fluoride, or acrylic glass; sapphire; gallium nitride; polycarbonate; polystyrene; acryl; and polypropylene.
  • a multilayer member formed of any desired material among the above may also be used.
  • the material for the mold 102 is selected so that the refractive index of the mold 102 is approximately the same as the refractive index of the imprint material 114.
  • a detection unit 116 detects an alignment mark (not illustrated) provided on the substrate 103 and a reference mark whose position relative to the substrate stage 105 is known. On the basis of the detection result, a control unit 120 obtains the position of the substrate 103 relative to the substrate stage 105. Furthermore, the control unit 120 obtains the shape, the positional deviation, and so on of a pattern region 117 of a base pattern provided on the substrate 103.
  • the detection unit 115 detects the marks 204 (detailed description will be given later) provided on the mold 102 and alignment marks.
  • the detection unit 115 obtains the positional deviation or the difference in shape between the pattern portion 102a and the pattern region 117 on the substrate 103 in which a pattern is to be formed, on the basis of a moire signal (interference fringe) generated by the marks 204 and the alignment marks.
  • the detection unit 115 includes a plurality of scopes.
  • a plurality alignment marks are provided per pattern region 117, and a plurality marks 204 are provided in the pattern portion 102a.
  • Each of the scopes detects a pair of an alignment mark and a mark 204.
  • the detection unit 115 measures the marks at the four corners of the pattern region 117 simultaneously.
  • a moire signal can be detected without a high-precision optical system. Therefore, the detection unit 115 is constituted by a plurality of scopes having low resolution (small NA).
  • An application unit 118 supplies the uncured photocurable imprint material 114 to the pattern region 117.
  • An image capturing unit 119 captures an image of the imprint material 114 during a period from the time when the mold stage 108 starts lowering the mold 102 to the time when the mold 102 is raised back to the original position after a transfer pattern of the pattern portion 102a is formed in the pattern portion 117.
  • the image capturing unit 119 includes a light source 119a formed of a light-emitting diode (LED) and an image capturing element 119b and captures an image of the imprint material 114 from the side of the mold 102 in which the recess portion 102b is formed. Specifically, the image capturing unit 119 captures an image of the imprint material 114 by using light that has been transmitted through the mold 102 and reflected by the substrate 103.
  • the light source 119a emits light having a wavelength (e.g., approximately 400 nm to 500 nm) that is in a wavelength band different from that of the ultraviolet radiation 104 and to which the imprint material 114 is not sensitive.
  • the image capturing element 119b is constituted by a charge-coupled device (CCD) sensor. The imaging field of view of the image capturing element 119b is a little larger than the area of the pattern portion 102a.
  • the filling step is a step in which a region where the imprint material 114 and the pattern portion 102a are in contact with each other extends in a direction parallel to the substrate 103 and the concave portions 202 in the pattern portion 102a are filled with the imprint material 114.
  • the refractive index of the imprint material 114 and the refractive index of the mold 102 are substantially equal to each other, and thus after the concave portions 202 are filled with the imprint material 114, an image having substantially the same gradation number (pixel information) within the imaging field of view is observed.
  • the gradation number is a value that indicates the shade of a color in a gray scale image.
  • substantially the same gradation number means that, when the gradation number of each pixel in a gray scale image is subjected to binarization processing, the resulting gradation number is identical, for example.
  • a resulting image captured by the image capturing unit 119 is stored into a storage unit 121 by the control unit 120.
  • Resulting images stored in the storage unit 121 include a still image at each individual moment.
  • the control unit 120 is connected to the light source 101, the mold stage 108, the detection unit 116, the application unit 118, the image capturing unit 119, the storage unit 121, and a cleaning unit 122.
  • the control unit 120 controls these units so as to form a transfer pattern of the mold 102 onto the substrate 103 and detect a foreign matter present on the front or back surface of the substrate 103.
  • the storage unit 121 stores programs indicated in the flowcharts illustrated in Figs. 3 and 6.
  • the control unit 120 reads out a program stored in the storage unit 121 and controls the units connected to the control unit 120 so as to execute the program.
  • the cleaning unit 122 is controlled by the control unit 120 and cleans the substrate holding unit 106 on the basis of the result of detecting a foreign matter 503a, which will be described later.
  • the cleaning unit 122 includes a plate 124 having a polishing surface and a plate holding unit 123 that holds the plate 124 and can move in the Z-axis direction by being controlled by the control unit 120.
  • the plate 124 is brought into contact with the surface of the substrate holding unit 106 in a state in which the substrate 103 is removed, and the plate 124 and the substrate holding unit 106 are moved relative to each other within the XY plane. Through this operation, the surface of the substrate holding unit 106 is cleaned, and the foreign matter 503a is rubbed off.
  • the imprint apparatus 100 detects a foreign matter by comparing an image (first resulting image) of the imprint material 114 acquired in a state in which the pattern portion 102a and the imprint material 114 are in contact with each other with an image (second resulting image) of the imprint material 114 acquired in a state in which the pattern portion 102a has been released from the cured imprint material 114.
  • the pattern region 117 is positioned underneath the application unit 118 by moving the substrate stage 105.
  • the application unit 118 applies an uncured imprint material 114 onto the pattern region 117 (S101).
  • the pattern region 117 is positioned underneath the mold holding unit 110 by moving the substrate stage 105.
  • the mold stage 108 lowers the mold 102 and the mold holding unit 110.
  • the pressure control unit 112 feeds a gas into the space 113.
  • the pressure inside the space 113 is made higher than the pressure of the space in which the imprint apparatus 100 is disposed, and thus the pattern portion 102a is deformed so as to project toward the lower side (the side toward the substrate 103).
  • the amount of movement by which the mold 102 and the mold holding unit 110 are lowered is determined on the basis of the distance between the pattern portion 102a and the substrate 103 that has been measured in advance by a measuring unit (not illustrated).
  • the pressure control unit 112 discharges the gas from the space 113 so as to gradually bring the pressure inside the space 113 closer to the pressure of the space in which the imprint apparatus 100 is disposed.
  • the concave portions 202 become filled with the imprint material 114 starting from the center portion toward the end portions of the pattern portion 102a, and the region where the pattern portion 102a and the imprint material 114 are in contact with each other gradually increases (S103).
  • the light source 101 irradiates the imprint material 114 with the ultraviolet radiation 104, and the imprint material 114 is cured (S104).
  • the timing at which the filling has been completed is determined by the control unit 120 on the basis of a resulting image captured by the image capturing unit 119. Alternatively, a predetermined period of time may be set in advance.
  • the image capturing unit 119 captures an image of the imprint material 114 during a period from the time when the mold stage 108 starts lowering the mold 102 to the time when the mold 102 is raised back to the original position after a transfer pattern of the pattern portion 102a is formed in the pattern portion 117.
  • the image capturing unit 119 acquires an image during a period after the imprint material 114 has been cured and before the step of releasing the mold 102 from the imprint material 114 (releasing step) starts, and the control unit 120 stores the resulting image into the storage unit 121 (S105).
  • the mold stage 108 raises the mold 102 and the mold holding unit 110 in the +Z direction in the mold releasing step (S106). While the mold 102 and the mold holding unit 110 are being raised, the pressure control unit 112 feeds a gas into the space 113, and the mold releasing step is finished when the region where the pattern portion 102a and the imprint material 114 are in contact with each other is eliminated. It is to be noted that, even when the imprint material 114 partially adheres to the pattern portion 102a, this adhering portion is ignored.
  • the image capturing unit 119 captures an image of the imprint material 114 after the mold releasing step as well.
  • the control unit 120 stores, into the storage unit 121, a resulting image captured by the image capturing element 119b acquired after the mold releasing step is completed (after the releasing operation is completed) (S107).
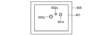
  • the resulting image stored in the storage unit 121 in S105 is referred to as an image 504 (illustrated in Fig. 4B), and the resulting image stored in the storage unit 121 in S107 is referred to as an image 505 (illustrated in Fig. 4C).
  • the image 504 and the image 505 are represented in gray scale.
  • the control unit 120 determines whether the image capturing element 119b has detected a foreign matter 503a between the substrate holding unit 106 and the substrate 103 on the basis of the image 504 and the image 505 (S108). If it is determined that no foreign matter 503a is present (foreign matter 503a is not detected), the steps S101 through S108 are repeated on a next pattern region 117. If it is determined that a foreign matter 503a is present (foreign matter 503a has been detected), the control unit 120 calculates foreign matter information (S109).
  • the foreign matter information is information on the position and the size of the foreign matter 503a.
  • the substrate holding unit 106 is transported to the cleaning unit 122, and the substrate side surface of the substrate holding unit 106 is cleaned (S110).
  • the cleaning unit 122 carries out the cleaning on the basis of the foreign matter information, which has been acquired in S109, received from the control unit 120.
  • the imprint apparatus 100 resumes the process of forming a pattern on the substrate 103 after the cleaning.
  • the control unit 120 notifies the user of an error upon a predetermined number of foreign matters 503a having been detected or a predetermined area occupied by foreign matters 503a having been detected.
  • the cleaning unit 122 may clean the substrate holding unit 106 when the user is notified of an error or upon receiving a cleaning instruction issued by the user who has been notified of an error. Alternatively, the process of forming a pattern on the substrate 103 may be terminated upon the foreign matter 503a having been detected, instead of carrying out the cleaning.
  • Fig. 4A is a schematic diagram illustrating a state in which the mold 102 and the imprint material 114 are in contact with each other.
  • Fig. 4A illustrates a state in which foreign matters 501a and 502a are present on the substrate 103 and a foreign matter 503a is present between the substrate holding unit 106 and the substrate 103.
  • the mold 102 and the imprint material 114 are partially unable to make contact with each other due to the foreign matters 501a and 502a, and gaps 301 and 302 are thus present.
  • the thickness of the imprint material 114 is, for example, approximately 50 ⁇ m, and the size of each of the foreign matters 501a, 502a, and 503a is from several micrometers to no greater than ten-odd micrometers.
  • Figs. 4B and 4C illustrate images acquired by the image capturing unit 119.
  • Fig. 4B illustrates the image 504 representing the result obtained by capturing an image of the imprint material 114 before the mold 102 is released (before releasing).
  • a rectangle 401 corresponds to the outer periphery of the pattern portion 102a and indicates a boundary between the pattern portion 102a and a space surrounding the pattern portion 102a. Images of regions 501b and 502b are indicated inside the rectangle 401.
  • the pattern portion 102a deforms so as to project in the out-of-plane direction (Z-axis direction) with the points at which the pattern portion 102a are in contact with the foreign matters 501a and 502a serving as the respective centers.
  • the gap 301 is a space formed between the pattern portion 102a and the imprint material 114 due to the foreign matter 501a.
  • the gap 302 is a space formed between the pattern portion 102a and the imprint material 114 due to the foreign matter 502a.
  • the refractive index of the gas present in the gaps 301 and 302 is different from the refractive index of the mold 102 and of the imprint material 114, and thus the images of the regions 501b and 502b appear.
  • the substrate 103 gently projects with a point at which the substrate 103 is in contact with the foreign matter 503a serving as the center. Due to the rigidity of the substrate 103, the deformed area of the substrate 103 spreads widely in an out-of-plane direction and slopes gently. As the substrate 103 deforms in this manner, a gap is less likely to be generated between the pattern portion 102a and the imprint material 114, and an image associated with the foreign matter 503a is thus not captured.
  • Fig. 4C illustrates the image 505 representing the result obtained by capturing an image of the imprint material 114 after the mold 102 is released (after releasing).
  • an image of a region 501c appears at substantially the same position as the image of the region 501b
  • an image of a region 502c appears at substantially the same position as the image of the region 502b.
  • an image of a region 503c appears.
  • the images of the regions 501c and 502c have substantially the same gradation number as the images of the regions 501b and 502b.
  • the film thickness of the imprint material 114 in regions where the foreign matters 501a and 502a are present is less uniform than the film thickness of the imprint material 114 in a region in which the foreign matters 501a and 502a are not present (deviation in the film thickness is large). Due to this difference in the film thickness of the imprint material 114, a difference in the interference action of the light is produced, and thus the images of the region 501c and the region 502c appear.
  • the thickness of the imprint material 114 in a region 307 above the foreign matter 503a is less than the thickness of the imprint material 114 in other regions 308 due to the foreign matter 503a. This difference in the thickness produces a difference in the interference action of the light, and thus the image of the region 503c appears.
  • the shape (distribution of the film thickness) of the imprint material 114 held after the mold 102 is released is the same as the shape of the imprint material 114 held before the mold 102 is released, but no image associated with the shape of the imprint material 114 is observed before the mold 102 is released.
  • the refractive index of the mold 102 and the refractive index of the imprint material 114 are substantially the same, and light is less likely to be reflected at the boundary between the mold 102 and the imprint material 114.
  • the mold 102 is sufficiently thicker than the imprint material 114, and thus the total thickness of the mold 102 and the imprint material 114 is substantially the same as the thickness of the mold 102. Therefore, little interference action is produced in association with a subtle difference in thickness of the imprint material 114, and an interference fringe is less likely to be observed by the image capturing unit 119.
  • a gas 309 having a refractive index that is different from the refractive index of the mold 102 and of the imprint material 114 is present between the mold 102 and the imprint material 114.
  • light is reflected at the boundary between the gas 309 and the imprint material 114, and thus an interference fringe, which does not appear in an image obtained before the mold 102 is released, appears in association with the thickness distribution of the imprint material 114.
  • Fig. 6 is a flowchart illustrating a method of acquiring the foreign matter information, such as the presence of a foreign matter 503a and the position and the size of the foreign matter 503a, with the use of the image 504 and the image 505.
  • the control unit 120 reads out the image 504 and the image 505 stored in the storage unit 121 (S201).
  • the control unit 120 subtracts the pixel information of the image 504 from the pixel information of the image 505 (S202). Specifically, the control unit 120 subtracts the gradation numbers of the pixels of the image 504 that correspond to the respective pixels of the image 505 from the gradation numbers of the pixels of the image 505. It is to be noted that the control unit 120 binarizes the image obtained through the subtraction.
  • Fig. 7 illustrates an image 506 acquired in S202, and the image 506 represents a difference between the pixel information of the image of the imprint material 114 obtained before the mold 102 is released and the pixel information of the image of the imprint material 114 obtained after the mold 102 is released.
  • the image of the rectangle 401 which is common to the image 504 and the image 505, disappears, and only the image of the region 503c remains.
  • control unit 120 successively compares the values of adjacent pixels and extracts a boundary at which a pixel having a value no greater than a predetermined threshold value is adjacent to a pixel having a value no less than the threshold value.
  • the boundary extracted here coincides with the outline of the region 503c that represents the outline of the foreign matter 503a.
  • a boundary at which the value shifts from a lower value to a higher value corresponds to the outline of the foreign matter 503a.
  • the control unit 120 obtains the positions of the vertices of the pattern portion 102a (the position of the pattern formed) relative to the imaging field of view of the image capturing element 119b (S203).
  • the control unit 120 extracts the positions of the four vertices of the rectangle 401 in the image 504 and the positions of the four vertices of the rectangle 401 in the image 505 and obtains a mean value of the position of each vertex.
  • the control unit 120 groups together pixels contained in the enclosed boundary and identifies a group as a single foreign matter (S204). On the basis of the result obtained in S204, the control unit 120 determines whether a foreign matter 503a has been detected, or in other words, determines whether the foreign matter 503a is present.
  • the control unit 120 obtains the position of the centroid of the region 503c and thus obtains the position of the centroid of the foreign matter 503a (S205).
  • the position of the centroid obtained in S205 is the position of the foreign matter 503a relative to the imaging field of view of the image capturing element 119b.
  • the position of the centroid is obtained in a similar manner.
  • the control unit 120 obtains the position of the centroid of the foreign matter 503a relative to the pattern portion 102a with the use of the results obtained in S204 and S205 (S206). Specifically, the control unit 120 obtains the position of the foreign matter 503a in the XY coordinate system with one of the four vertices of the pattern portion 102a obtained in S203 serving as the origin.
  • control unit 120 obtains the position of the foreign matter 503a relative to the substrate stage 105 (S207).
  • the position of the substrate 103 relative to the substrate stage 105, the position of the pattern region 117 relative to the substrate 103, and the position of the pattern portion 102a relative to the pattern region 117 are known.
  • the position of the foreign matter 503a relative to the substrate stage 105 can be obtained with the use of the aforementioned pieces of known information and the position of the centroid of the foreign matter 503a relative to the pattern portion 102a obtained in S206.
  • the method of detecting the foreign matter 503a and the method of obtaining the foreign matter information of the foreign matter 503a have been described.
  • a foreign matter 503a present between the substrate holding unit 106 and the substrate 103 can be detected with the use of the resulting images captured before and after the mold 102 is released from the imprint material 114.
  • the detection of a foreign matter 503a can be carried out in parallel to the processing of forming a pattern, and thus a decrease in the throughput can be suppressed as compared to a case in which the present exemplary embodiment is not applied.
  • the method of detecting a foreign matter 503a excels in that the throughput does not decrease even in a case in which the step of detecting a foreign matter 503a is carried out each time the substrate to be placed on the substrate stage 105 is replaced. Furthermore, the method excels in that foreign matters 501a and 502a on the front surface of the substrate 103 can be distinguished from a foreign matter 503a on the back surface of the substrate 103 even after the substrate 103 is placed on the substrate holding unit 106.
  • the processing in each of the steps S205 through S207 is repeated in a number equal to the number of the foreign matters 503a.
  • the processing in S205 through S207 may be carried out again on another foreign matter 503a.
  • the control unit 120 may determine that a fault has occurred at the point at which the region 501b or 502b has appeared in association with the foreign matter 501a or 502a before the mold 102 is released from the substrate 103 and may terminate the imprint processing. Alternatively, the control unit 120 may obtain the size of the foreign matter or the number of the foreign matters on the front surface of the substrate 103 and determine whether to continue with the imprint processing on the basis of the obtained result.
  • the step of capturing an image before the mold 102 is released be carried out after the imprint material 114 has been cured. Even in a case in which the intensity of light incident on the image capturing element 119b changes due to a change in the optical characteristics of the imprint material 114 before and after the imprint material 114 is cured, the pixel value in regions where the foreign matters 501, 502a, and 503a are not present in the images captured before and after the mold 102 is released can be retained constant. Therefore, it becomes easier to compare the image 504 and the image 505.
  • the imprint apparatus 100 may be an apparatus that carries out imprint processing by using a mold 802 (illustrated in Fig. 8) that includes a pattern portion 801 capable of forming a pattern in a plurality of pattern regions 117 through a single instance of imprint processing.
  • a mold 802 illustrated in Fig. 8
  • the image capturing unit 119 captures an image of the imprint material 114 with an imaging field of view that is substantially the same as the region that is subjected to the imprint processing at once, a foreign matter present between the pattern regions 117 and the substrate holding unit 106 can be detected in an area larger than the area in which a foreign matter is detected in the exemplary embodiment described above.
  • the cleaning unit 122 can clean at least one of the substrate holding unit 106 and the back surface of the substrate 103.
  • the cleaning unit 122 does not have to carry out the cleaning on the basis of the foreign matter information.
  • the cleaning unit 122 may clean the entire cleaning target region.
  • the foreign matter information may be at least one of the position and the size of the foreign matter 503a.
  • the imprint apparatus 100 may be an imprint apparatus 100 that employs a thermal curing technique instead of a photocuring technique.
  • the imprint material according to exemplary embodiments of the present invention is an imprint material that is cured by various types of electromagnetic radiation including light or an imprint material that is cured by being heated. The imprint material is selected in accordance with the curing technique employed in the imprint apparatus 100.
  • curing means that the intermolecular coupling of at least part of molecules constituting the imprint material 114 changes.
  • a foreign matter refers to a substance that is not intended to contribute to pattern formation.
  • a foreign matter can be a dried solid object resulting from the imprint material 114 that has been discharged from the application unit 118 and has drifted in the form of mist, a fine particle generated from a member constituting the imprint apparatus 100, dust that has entered from an outside space and is present in the imprint apparatus 100, or the like.
  • a cured pattern formed by using the imprint apparatus is used permanently in at least part of a variety of articles or temporarily when a variety of articles are manufactured.
  • the article is an electric circuit element, an optical element, a microelectromechanical sensor (MEMS), a recording element, a sensor, a mold, or the like.
  • the electric circuit element can be a volatile or nonvolatile semiconductor memory, such as a dynamic random-access memory (DRAM), a static random-access memory (SRAM), a flash memory, or a magnetoresistive random-access memory (MRAM); a semiconductor device, such as a large scale integration (LSI), a CCD, an image sensor, or a field-programmable gate array (FPGA); or the like.
  • DRAM dynamic random-access memory
  • SRAM static random-access memory
  • MRAM magnetoresistive random-access memory
  • LSI large scale integration
  • CCD compact disc-programmable gate array
  • FPGA field-programmable gate array
  • the optical element can be a microlens, a photoconductive member, a waveguide, an anti-reflection film, a diffraction grating, a polarizing element, a color filter, a light-emitting element, a display, a solar cell, or the like.
  • the MEMS can be a digital micromirror device (DMD), a microchannel, an electromechanical conversion element, or the like.
  • the recording element can be an optical disc, such as a compact disc (CD) or a digital versatile disc (DVD), a magnetic disk, a magneto-optical disk, a magnetic head, or the like.
  • the sensor can be a magnetic sensor, an optical sensor, a gyro sensor, or the like.
  • the mold can be a mold for imprinting or the like.
  • a cured pattern is used as-is as a constituting element of at least part of the aforementioned article or used temporarily as a resist mask.
  • the resist mask is removed after etching or ion implantation is carried out in the step of processing the substrate when the article is manufactured.

Landscapes

  • Physics & Mathematics (AREA)
  • General Physics & Mathematics (AREA)
  • Engineering & Computer Science (AREA)
  • Health & Medical Sciences (AREA)
  • Epidemiology (AREA)
  • Public Health (AREA)
  • Plasma & Fusion (AREA)
  • Life Sciences & Earth Sciences (AREA)
  • Atmospheric Sciences (AREA)
  • Environmental & Geological Engineering (AREA)
  • Exposure Of Semiconductors, Excluding Electron Or Ion Beam Exposure (AREA)
  • Shaping Of Tube Ends By Bending Or Straightening (AREA)
PCT/JP2016/003579 2015-09-04 2016-08-03 Imprint apparatus, imprint method, and method of manufacturing article Ceased WO2017038007A1 (en)

Priority Applications (1)

Application Number Priority Date Filing Date Title
KR1020187008576A KR101980497B1 (ko) 2015-09-04 2016-08-03 임프린트 장치, 임프린트 방법 및 물품의 제조 방법

Applications Claiming Priority (2)

Application Number Priority Date Filing Date Title
JP2015-174407 2015-09-04
JP2015174407A JP6541518B2 (ja) 2015-09-04 2015-09-04 インプリント装置、インプリント方法、および物品の製造方法

Publications (1)

Publication Number Publication Date
WO2017038007A1 true WO2017038007A1 (en) 2017-03-09

Family

ID=58186870

Family Applications (1)

Application Number Title Priority Date Filing Date
PCT/JP2016/003579 Ceased WO2017038007A1 (en) 2015-09-04 2016-08-03 Imprint apparatus, imprint method, and method of manufacturing article

Country Status (3)

Country Link
JP (1) JP6541518B2 (enExample)
KR (1) KR101980497B1 (enExample)
WO (1) WO2017038007A1 (enExample)

Cited By (1)

* Cited by examiner, † Cited by third party
Publication number Priority date Publication date Assignee Title
EP4534985A1 (en) * 2023-08-31 2025-04-09 Canon Kabushiki Kaisha Foreign substance inspection method, foreign substance inspection apparatus, molding method, molding apparatus, and article manufacturing method

Families Citing this family (4)

* Cited by examiner, † Cited by third party
Publication number Priority date Publication date Assignee Title
JP6887279B2 (ja) * 2017-03-24 2021-06-16 キヤノン株式会社 インプリント装置および物品製造方法
JP7043199B2 (ja) * 2017-08-03 2022-03-29 キヤノン株式会社 インプリント方法、プログラム、インプリント装置及び物品の製造方法
JP7721736B1 (ja) 2024-05-14 2025-08-12 キヤノン株式会社 平坦化装置、平坦化方法、および物品の製造方法
JP2025185982A (ja) * 2024-06-11 2025-12-23 キヤノン株式会社 基板処理装置および基板処理方法

Citations (5)

* Cited by examiner, † Cited by third party
Publication number Priority date Publication date Assignee Title
JPH1070069A (ja) * 1996-08-28 1998-03-10 Canon Inc 半導体露光装置におけるごみ検出装置
JP2009212382A (ja) * 2008-03-05 2009-09-17 Hitachi High-Technologies Corp プロキシミティ露光装置、プロキシミティ露光装置の基板移動方法、及び表示用パネル基板の製造方法
JP2010149469A (ja) * 2008-12-26 2010-07-08 Showa Denko Kk インプリント装置およびモールドの汚染検出方法
US20150076724A1 (en) * 2013-09-13 2015-03-19 Canon Kabushiki Kaisha Imprint apparatus, imprint method, detecting method, and method of manufacturing device
US20160158978A1 (en) * 2014-12-09 2016-06-09 Canon Kabushiki Kaisha Imprint apparatus, imprint method, and method of manufacturing article

Family Cites Families (8)

* Cited by examiner, † Cited by third party
Publication number Priority date Publication date Assignee Title
JP5173944B2 (ja) * 2009-06-16 2013-04-03 キヤノン株式会社 インプリント装置及び物品の製造方法
US11133118B2 (en) * 2012-05-22 2021-09-28 University Of Massachusetts Patterned nanoparticle structures
JP2014103385A (ja) * 2012-10-26 2014-06-05 Canon Inc 検出装置、リソグラフィ装置、物品の製造方法及び検出方法
JP6331292B2 (ja) * 2013-08-30 2018-05-30 大日本印刷株式会社 インプリント方法およびインプリント装置
JP6313585B2 (ja) * 2013-12-10 2018-04-18 キヤノン株式会社 露光装置及び物品の製造方法
JP2016025230A (ja) * 2014-07-22 2016-02-08 キヤノン株式会社 インプリント方法、インプリント装置、および物品の製造方法
JP6674218B2 (ja) * 2014-12-09 2020-04-01 キヤノン株式会社 インプリント装置、インプリント方法及び物品の製造方法
JP6403627B2 (ja) * 2015-04-14 2018-10-10 キヤノン株式会社 インプリント装置、インプリント方法及び物品の製造方法

Patent Citations (5)

* Cited by examiner, † Cited by third party
Publication number Priority date Publication date Assignee Title
JPH1070069A (ja) * 1996-08-28 1998-03-10 Canon Inc 半導体露光装置におけるごみ検出装置
JP2009212382A (ja) * 2008-03-05 2009-09-17 Hitachi High-Technologies Corp プロキシミティ露光装置、プロキシミティ露光装置の基板移動方法、及び表示用パネル基板の製造方法
JP2010149469A (ja) * 2008-12-26 2010-07-08 Showa Denko Kk インプリント装置およびモールドの汚染検出方法
US20150076724A1 (en) * 2013-09-13 2015-03-19 Canon Kabushiki Kaisha Imprint apparatus, imprint method, detecting method, and method of manufacturing device
US20160158978A1 (en) * 2014-12-09 2016-06-09 Canon Kabushiki Kaisha Imprint apparatus, imprint method, and method of manufacturing article

Cited By (1)

* Cited by examiner, † Cited by third party
Publication number Priority date Publication date Assignee Title
EP4534985A1 (en) * 2023-08-31 2025-04-09 Canon Kabushiki Kaisha Foreign substance inspection method, foreign substance inspection apparatus, molding method, molding apparatus, and article manufacturing method

Also Published As

Publication number Publication date
KR20180044391A (ko) 2018-05-02
KR101980497B1 (ko) 2019-05-20
JP6541518B2 (ja) 2019-07-10
JP2017050482A (ja) 2017-03-09

Similar Documents

Publication Publication Date Title
JP5413816B2 (ja) テンプレートの検査方法及び検査装置、ナノインプリント装置、ナノインプリントシステム、並びにデバイス製造方法
WO2017038007A1 (en) Imprint apparatus, imprint method, and method of manufacturing article
US10228616B2 (en) Imprint apparatus and method of manufacturing article
TWI392578B (zh) 即時壓印程序缺陷診斷技術
KR20210038337A (ko) 정보 처리 장치, 판정 방법, 임프린트 장치, 리소그래피 시스템, 물품 제조 방법 및 비일시적 컴퓨터 판독가능 저장 매체
US11061335B2 (en) Information processing apparatus, storage medium, lithography apparatus, lithography system, and article manufacturing method
KR102771211B1 (ko) 임프린트 장치의 제어 방법, 임프린트 장치, 및 물품 제조방법
KR102292951B1 (ko) 임프린트 장치 및 물품의 제조 방법
JP2018110239A (ja) インプリント装置、インプリント方法、および物品の製造方法
US10372034B2 (en) Imprint apparatus, imprint method, and method for manufacturing article
US11681216B2 (en) Imprint apparatus, imprint method, article manufacturing method, molding apparatus, and molding method
KR20190022385A (ko) 임프린트 장치, 임프린트 방법, 물품 제조 방법, 성형 장치 및 성형 방법
TWI904830B (zh) 平坦化製程、平坦化系統及物品製造方法
TWI486579B (zh) 偵測裝置,微影裝置,物品的製造方法以及偵測方法
JP6643022B2 (ja) インプリント装置、インプリント方法、異物検出方法および物品製造方法
JP2019179883A (ja) 型を用いて基板上の組成物を成形する成形装置、成形方法、および物品の製造方法
JP2019062164A (ja) インプリント装置、インプリント方法、インプリント材の配置パターンの決定方法、および物品の製造方法
US12427552B2 (en) Foreign particle removing method, formation method, article manufacturing method, foreign particle removing apparatus, and system
US20250076213A1 (en) Foreign substance inspection method, foreign substance inspection apparatus, molding method, molding apparatus, and article manufacturing method
KR102877962B1 (ko) 정보 처리 장치, 성형 장치, 성형 방법, 및 물품 제조 방법
KR102909456B1 (ko) 임프린트 방법, 임프린트 장치, 물품 제조 방법, 모델, 모델 생성 방법, 및 저장 매체
US20250353244A1 (en) Imprint apparatus, method of imprinting, method of manufacturing article, and program therefor
JP2025177026A (ja) 検査方法、検査装置、インプリント装置、物品の製造方法、レプリカモールドの製造方法及びモールド
JP2019096697A (ja) インプリント装置および物品製造方法
JP2023020870A (ja) 情報処理装置、成形装置、成形方法及び物品の製造方法

Legal Events

Date Code Title Description
121 Ep: the epo has been informed by wipo that ep was designated in this application

Ref document number: 16841049

Country of ref document: EP

Kind code of ref document: A1

NENP Non-entry into the national phase

Ref country code: DE

ENP Entry into the national phase

Ref document number: 20187008576

Country of ref document: KR

Kind code of ref document: A

122 Ep: pct application non-entry in european phase

Ref document number: 16841049

Country of ref document: EP

Kind code of ref document: A1