WO2010089818A1 - 半導体装置及びその製造方法 - Google Patents

半導体装置及びその製造方法 Download PDF

Info

Publication number
WO2010089818A1
WO2010089818A1 PCT/JP2009/005681 JP2009005681W WO2010089818A1 WO 2010089818 A1 WO2010089818 A1 WO 2010089818A1 JP 2009005681 W JP2009005681 W JP 2009005681W WO 2010089818 A1 WO2010089818 A1 WO 2010089818A1
Authority
WO
WIPO (PCT)
Prior art keywords
semiconductor device
region
insulating film
porosity region
low porosity
Prior art date
Legal status (The legal status is an assumption and is not a legal conclusion. Google has not performed a legal analysis and makes no representation as to the accuracy of the status listed.)
Ceased
Application number
PCT/JP2009/005681
Other languages
English (en)
French (fr)
Japanese (ja)
Inventor
瀬尾光平
Current Assignee (The listed assignees may be inaccurate. Google has not performed a legal analysis and makes no representation or warranty as to the accuracy of the list.)
Panasonic Corp
Original Assignee
Panasonic Corp
Priority date (The priority date is an assumption and is not a legal conclusion. Google has not performed a legal analysis and makes no representation as to the accuracy of the date listed.)
Filing date
Publication date
Application filed by Panasonic Corp filed Critical Panasonic Corp
Publication of WO2010089818A1 publication Critical patent/WO2010089818A1/ja
Priority to US13/193,330 priority Critical patent/US8502388B2/en
Anticipated expiration legal-status Critical
Ceased legal-status Critical Current

Links

Images

Classifications

    • HELECTRICITY
    • H01ELECTRIC ELEMENTS
    • H01LSEMICONDUCTOR DEVICES NOT COVERED BY CLASS H10
    • H01L21/00Processes or apparatus adapted for the manufacture or treatment of semiconductor or solid state devices or of parts thereof
    • H01L21/02Manufacture or treatment of semiconductor devices or of parts thereof
    • H01L21/04Manufacture or treatment of semiconductor devices or of parts thereof the devices having potential barriers, e.g. a PN junction, depletion layer or carrier concentration layer
    • H01L21/18Manufacture or treatment of semiconductor devices or of parts thereof the devices having potential barriers, e.g. a PN junction, depletion layer or carrier concentration layer the devices having semiconductor bodies comprising elements of Group IV of the Periodic Table or AIIIBV compounds with or without impurities, e.g. doping materials
    • H01L21/30Treatment of semiconductor bodies using processes or apparatus not provided for in groups H01L21/20 - H01L21/26
    • H01L21/31Treatment of semiconductor bodies using processes or apparatus not provided for in groups H01L21/20 - H01L21/26 to form insulating layers thereon, e.g. for masking or by using photolithographic techniques; After treatment of these layers; Selection of materials for these layers
    • H01L21/3105After-treatment
    • HELECTRICITY
    • H01ELECTRIC ELEMENTS
    • H01LSEMICONDUCTOR DEVICES NOT COVERED BY CLASS H10
    • H01L21/00Processes or apparatus adapted for the manufacture or treatment of semiconductor or solid state devices or of parts thereof
    • H01L21/70Manufacture or treatment of devices consisting of a plurality of solid state components formed in or on a common substrate or of parts thereof; Manufacture of integrated circuit devices or of parts thereof
    • H01L21/71Manufacture of specific parts of devices defined in group H01L21/70
    • H01L21/768Applying interconnections to be used for carrying current between separate components within a device comprising conductors and dielectrics
    • H01L21/76801Applying interconnections to be used for carrying current between separate components within a device comprising conductors and dielectrics characterised by the formation and the after-treatment of the dielectrics, e.g. smoothing
    • H01L21/76802Applying interconnections to be used for carrying current between separate components within a device comprising conductors and dielectrics characterised by the formation and the after-treatment of the dielectrics, e.g. smoothing by forming openings in dielectrics
    • H01L21/76807Applying interconnections to be used for carrying current between separate components within a device comprising conductors and dielectrics characterised by the formation and the after-treatment of the dielectrics, e.g. smoothing by forming openings in dielectrics for dual damascene structures
    • HELECTRICITY
    • H01ELECTRIC ELEMENTS
    • H01LSEMICONDUCTOR DEVICES NOT COVERED BY CLASS H10
    • H01L21/00Processes or apparatus adapted for the manufacture or treatment of semiconductor or solid state devices or of parts thereof
    • H01L21/70Manufacture or treatment of devices consisting of a plurality of solid state components formed in or on a common substrate or of parts thereof; Manufacture of integrated circuit devices or of parts thereof
    • H01L21/71Manufacture of specific parts of devices defined in group H01L21/70
    • H01L21/768Applying interconnections to be used for carrying current between separate components within a device comprising conductors and dielectrics
    • H01L21/76801Applying interconnections to be used for carrying current between separate components within a device comprising conductors and dielectrics characterised by the formation and the after-treatment of the dielectrics, e.g. smoothing
    • H01L21/7682Applying interconnections to be used for carrying current between separate components within a device comprising conductors and dielectrics characterised by the formation and the after-treatment of the dielectrics, e.g. smoothing the dielectric comprising air gaps
    • HELECTRICITY
    • H01ELECTRIC ELEMENTS
    • H01LSEMICONDUCTOR DEVICES NOT COVERED BY CLASS H10
    • H01L23/00Details of semiconductor or other solid state devices
    • H01L23/52Arrangements for conducting electric current within the device in operation from one component to another, i.e. interconnections, e.g. wires, lead frames
    • H01L23/522Arrangements for conducting electric current within the device in operation from one component to another, i.e. interconnections, e.g. wires, lead frames including external interconnections consisting of a multilayer structure of conductive and insulating layers inseparably formed on the semiconductor body
    • H01L23/5222Capacitive arrangements or effects of, or between wiring layers
    • HELECTRICITY
    • H01ELECTRIC ELEMENTS
    • H01LSEMICONDUCTOR DEVICES NOT COVERED BY CLASS H10
    • H01L23/00Details of semiconductor or other solid state devices
    • H01L23/52Arrangements for conducting electric current within the device in operation from one component to another, i.e. interconnections, e.g. wires, lead frames
    • H01L23/522Arrangements for conducting electric current within the device in operation from one component to another, i.e. interconnections, e.g. wires, lead frames including external interconnections consisting of a multilayer structure of conductive and insulating layers inseparably formed on the semiconductor body
    • H01L23/532Arrangements for conducting electric current within the device in operation from one component to another, i.e. interconnections, e.g. wires, lead frames including external interconnections consisting of a multilayer structure of conductive and insulating layers inseparably formed on the semiconductor body characterised by the materials
    • H01L23/53204Conductive materials
    • H01L23/53209Conductive materials based on metals, e.g. alloys, metal silicides
    • H01L23/53228Conductive materials based on metals, e.g. alloys, metal silicides the principal metal being copper
    • H01L23/53238Additional layers associated with copper layers, e.g. adhesion, barrier, cladding layers
    • HELECTRICITY
    • H01ELECTRIC ELEMENTS
    • H01LSEMICONDUCTOR DEVICES NOT COVERED BY CLASS H10
    • H01L23/00Details of semiconductor or other solid state devices
    • H01L23/52Arrangements for conducting electric current within the device in operation from one component to another, i.e. interconnections, e.g. wires, lead frames
    • H01L23/522Arrangements for conducting electric current within the device in operation from one component to another, i.e. interconnections, e.g. wires, lead frames including external interconnections consisting of a multilayer structure of conductive and insulating layers inseparably formed on the semiconductor body
    • H01L23/532Arrangements for conducting electric current within the device in operation from one component to another, i.e. interconnections, e.g. wires, lead frames including external interconnections consisting of a multilayer structure of conductive and insulating layers inseparably formed on the semiconductor body characterised by the materials
    • H01L23/5329Insulating materials
    • H01L23/53295Stacked insulating layers
    • HELECTRICITY
    • H01ELECTRIC ELEMENTS
    • H01LSEMICONDUCTOR DEVICES NOT COVERED BY CLASS H10
    • H01L2221/00Processes or apparatus adapted for the manufacture or treatment of semiconductor or solid state devices or of parts thereof covered by H01L21/00
    • H01L2221/10Applying interconnections to be used for carrying current between separate components within a device
    • H01L2221/1005Formation and after-treatment of dielectrics
    • H01L2221/1042Formation and after-treatment of dielectrics the dielectric comprising air gaps
    • H01L2221/1047Formation and after-treatment of dielectrics the dielectric comprising air gaps the air gaps being formed by pores in the dielectric
    • HELECTRICITY
    • H01ELECTRIC ELEMENTS
    • H01LSEMICONDUCTOR DEVICES NOT COVERED BY CLASS H10
    • H01L2924/00Indexing scheme for arrangements or methods for connecting or disconnecting semiconductor or solid-state bodies as covered by H01L24/00
    • H01L2924/0001Technical content checked by a classifier
    • H01L2924/0002Not covered by any one of groups H01L24/00, H01L24/00 and H01L2224/00

Definitions

  • the technology disclosed by the present invention relates to a semiconductor device and a manufacturing method thereof, and particularly relates to a wiring technology for forming a copper wiring in a porous insulating film.
  • the capacitance between wirings has increased, and as a result, the RC delay of wiring has become a problem.
  • lowering the dielectric constant of the interlayer insulating film is required.
  • a porous insulating film in which pores are formed in the insulating film is effective.
  • the porous insulating film is susceptible to plasma damage during dry etching or ashing due to the presence of pores, and the cleaning liquid is likely to penetrate into the film during cleaning. As a result, there is a problem that the electrical characteristics or reliability of the semiconductor device is lowered due to the deterioration of the characteristics of the porous insulating film.
  • Patent Document 1 After depositing a non-porous insulating film containing a pore-forming material on a silicon wafer, dry etching using a resist pattern formed on the non-porous insulating film as a mask is used to form wiring grooves in the non-porous insulating film. And via holes are formed. Subsequently, the resist pattern that has become unnecessary is removed by ashing, and then the surface of the non-porous insulating film is cleaned. Subsequently, the pore forming material is removed from the non-porous insulating film by heat treatment to form a porous insulating film. Thereafter, copper wiring and vias are formed in the wiring trenches and via holes via the barrier metal film.
  • the present inventors have found that the insulating film immediately below the wiring is composed of a porous insulating film according to the background art. For this reason, it discovered that the subject that the film
  • the present invention can achieve a high yield or high reliability in a semiconductor device including a copper wiring and a manufacturing method thereof.
  • a semiconductor device includes an insulating film formed on an exemplary substrate of the present invention and a wiring made of copper formed in a wiring groove provided in the insulating film, and the insulating film has a low porosity region having a low porosity And a high porosity region having a higher porosity than the low porosity region, and the low porosity region is formed at a lower portion of the wiring groove, and the high porosity region is formed on a sidewall of the wiring groove. It is formed in the peripheral part.
  • the upper surface of the low porosity region may be in contact with the bottom of the wiring groove.
  • the upper surface of the low porosity region may be substantially in contact with the entire bottom of the wiring groove.
  • the width of the lower surface of the low porosity region may be substantially equal to the width of the upper surface of the low porosity region and the width of the bottom of the wiring groove.
  • the position of the lower surface of the low porosity region may coincide with the position of the lower surface of the insulating film.
  • the low porosity region may be further formed between the sidewall of the wiring trench and the high porosity region.
  • the semiconductor device further includes a via formed in a via hole provided in a bottom portion of the wiring groove in the insulating film and electrically connected to the wiring, and the low porosity region covers the peripheral portion of the via. Good.
  • the position of the upper surface of the high porosity region may coincide with the position of the upper surface of the insulating film, and the position of the lower surface of the high porosity region may coincide with the position of the lower surface of the insulating film.
  • the porosity of the low porosity region may be less than 10%, and the porosity of the high porosity region may be 10% or more.
  • the carbon concentration in the low porosity region may be 20% or more, and the carbon concentration in the high porosity region may be less than 20%.
  • the pore diameter of the vacancy existing in the low porosity region is less than 0.8 nm
  • the vacancy diameter of the vacancy present in the high porosity region is 0.8 nm or more and less than 3.0 nm. There may be.
  • the relative permittivity of the low porosity region may be 2.8 or more, and the relative permittivity of the high porosity region may be less than 2.8.
  • the elastic modulus of the low porosity region may be 10 GPa or more, and the elastic modulus of the high porosity region may be less than 10 GPa.
  • the insulating film may contain a hole forming material.
  • the pore forming material may be porogen.
  • a plurality of wirings may be formed, and only a high porosity region may be formed between adjacent wirings.
  • a method of manufacturing a semiconductor device includes a step (a) of forming an insulating film having a first region and a second region, including a hole forming material on a substrate, and forming a hole included in the first region. Removing the material to make the first region a high-porosity region having a high porosity and making the second region a low-porosity region having a lower porosity than the high-porosity region (b And a step (c) of forming a wiring made of copper in the low porosity region.
  • the method for manufacturing a semiconductor device may further include, after the step (c), a step (d) of removing a hole forming material included in a portion existing around the side wall of the wiring in the low porosity region. .
  • the step (d) may be a step of removing the pore forming material by irradiating an electron beam or ultraviolet rays.
  • step (b) after forming a mask that has an opening that opens on the first region and covers the second region, formation of holes included in the first region is performed. It may be a step of removing material.
  • the step (b) may be a step of removing the hole forming material contained in the first region by irradiating the opening with an electron beam or ultraviolet rays.
  • the mask may be a metal hard mask.
  • the pore forming material may be porogen.
  • a short circuit between wirings due to diffusion of copper into an insulating film having holes or a deterioration in breakdown voltage between wirings is suppressed. High yield or high reliability can be realized.
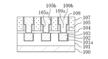
  • FIG. 1 is a cross-sectional view showing the structure of a semiconductor device according to an exemplary embodiment of the present invention.
  • 2A to 2D are cross-sectional views showing a method of manufacturing a semiconductor device according to an exemplary embodiment of the present invention in the order of steps.
  • FIGS. 3A to 3C are cross-sectional views showing a method of manufacturing a semiconductor device according to an exemplary embodiment of the present invention in the order of steps.
  • FIG. 3A also shows a corresponding plan view. Yes.
  • FIG. 4 is a cross-sectional view showing the structure of a semiconductor device according to a modification of the exemplary embodiment of the present invention.
  • FIG. 1 shows the structure of a semiconductor device according to an exemplary embodiment of the present invention.
  • a wiring trench 101a is formed in an insulating film 101 made of, for example, a SiOC film or SiO 2 film having a thickness of 80 to 150 nm formed on a substrate 100 made of, for example, a silicon substrate.
  • a barrier metal film 102 made of, for example, a TiN film, a TaN film, or a Ta / TaN film having a film thickness of 5 to 15 nm is formed on the bottom and side walls of the wiring groove 101a.
  • a copper wiring 103 made of a copper film filling the wiring trench 101a is formed.
  • the barrier metal film 102, and the copper wiring 103 for example, a single layer film made of one kind selected from a SiOC film, a SiCN film, and a SiCO film having a film thickness of 30 to 60 nm, or a plurality of kinds can be used.
  • a liner film 104 made of a laminated film or the like is formed.
  • the liner film 104 for example, an SiOC film having a film thickness of 150 to 250 nm is formed, and an insulating film 105 (non-porous insulating film: corresponding to a low porosity region) containing, for example, porogen as a pore forming material;
  • the insulating film 107 is made of a SiOC film having a film thickness of 150 to 250 nm and has a large number of pores (porous insulating film: corresponding to a high porosity region).
  • the liner film 104 and the insulating film 105 have a via hole 105a that exposes the surface of the copper wiring 103 at the bottom, and the insulating film 105 has a wiring groove 105b that communicates with the via hole 105a.
  • a barrier metal film 108 made of, for example, a TiN film, a TaN film, or a Ta / TaN film having a film thickness of 5 to 15 nm is formed on each of the bottom and side walls of each of the via hole 105a and the wiring groove 105b.
  • a via 109a made of a copper film filling the via hole 105a is formed on the barrier metal film 108, and in the wiring groove 105b, made of a copper film filling the wiring groove 105b on the barrier metal film 108. Copper wiring 109b is formed.
  • the insulating film 105 (non-porous insulating film) has a porosity of less than 10%, a carbon concentration of 20% or more, a pore diameter of less than 0.8 nm, a relative dielectric constant of 2.8 or more, and an elasticity.
  • the rate satisfies any of 10 GPa or more.
  • the insulating film 107 (porous insulating film) has a porosity of 10% or more, a carbon concentration of less than 20%, a pore diameter of 0.8 nm or more and less than 3.0 nm, and a relative dielectric constant of 2. Any one of less than 8 and an elastic modulus of less than 10 GPa is satisfied.
  • FIGS. 3 (a) to 3 (c) show a semiconductor device manufacturing method according to an exemplary embodiment of the present invention in the order of steps.
  • a substrate 100 made of, for example, a silicon substrate an insulating film made of, for example, a SiOC film having a film thickness of 80 to 150 nm or a SiO 2 film, for example, using a plasma CVD method.
  • a film 101 is formed.
  • a wiring groove 101a is formed in the insulating film 101 by using a normal photolithography method and an etching method.
  • a conductive film such as a TiN film, a TaN film, or a Ta / TaN film having a film thickness of 5 to 15 nm, for example, is formed on the insulating film 101 and the bottom and side walls of the wiring trench 101a, and then a seed layer ( (Not shown) and a copper film is deposited by electrolytic plating.
  • the conductive film and the copper film protruding outside the wiring groove 101a are polished and removed by CMP to planarize the surface, thereby forming the conductive film on the bottom and side walls of the wiring groove 101a.
  • a barrier metal film 102 made of copper and a copper wiring 103 made of a seed layer and a copper film are formed.
  • a single-layer film or a plurality of single-layer films selected from a SiOC film, a SiCN film, and a SiCO film having a thickness of 30 to 60 nm for example, a liner film 104 made of a laminated film made of various kinds is deposited.
  • an insulating film 105 (non-porous insulating film: low porosity) made of, for example, porogen as a pore forming material is formed on the liner film 104 by using a plasma CVD method. (Corresponding to the porosity region).
  • the insulating film 105 (non-porous insulating film) has a porosity of less than 10%, a carbon concentration of 20% or more, a pore diameter of less than 0.8 nm, and a relative dielectric constant of 2.8. Any one of the above and an elastic modulus of 10 GPa or more is satisfied.
  • a TiN film having a film thickness of, for example, 5 to 20 nm is deposited on the insulating film 105 (non-porous insulating film), and then a normal photolithography method and etching method are used. Then, a metal hard mask 106 made of, for example, a TiN film is formed so as to cover a region on the via hole 105a and the wiring groove 105b to be formed later.
  • the metal hard mask 106 is not covered with the metal hard mask 106 in the insulating film 105 (non-porous insulating film) by irradiating the metal hard mask 106 with an electron beam or ultraviolet rays.
  • the porogen contained in the part is removed.
  • the insulating film 105 nonporous insulating film
  • the insulating film 105 is formed after the portion not covered with the metal hard mask 106 (the opening portion of the metal hard mask), that is, after the insulating film 105 (nonporous insulating film).
  • a portion to be a region between the wiring trenches is an insulating film 107 (porous insulating film: corresponding to a high porosity region) having a large number of pores generated by removing the porogen.
  • the metal hard mask 106 is removed by CMP and the film thicknesses of the insulating film 105 (non-porous insulating film) and the insulating film 107 (porous insulating film) are increased. 150 to 250 nm.
  • the width of the insulating film 105 (non-porous insulating film) sandwiched between the insulating films 107 (porous insulating films) is 70 to 110 nm.
  • the width of the insulating film 107 (porous insulating film) sandwiched between the insulating films 105 (nonporous insulating films) is 40 to 80 nm. Furthermore, the insulating film 107 (porous insulating film) has a porosity of 10% or more, a carbon concentration of less than 20%, a pore diameter of 0.8 nm or more and less than 3.0 nm, and a relative dielectric constant of 2. Any one of less than 8 and an elastic modulus of less than 10 GPa is satisfied.
  • the liner film 104 and the insulating film 105 are formed on the bottom through a normal mask material forming process, a lithography process, and a dry etching process.
  • a via hole 105a exposing the surface of the copper wiring 103 is formed, and a wiring groove 105b communicating with the via hole 105a is formed in the insulating film 105 (nonporous insulating film).
  • any one of a process using a resist mask, a process using a hard mask made of an insulating film, and a process using a hard mask made of metal is used as a method of forming the via hole 10a and the wiring trench 105.
  • the width of the wiring groove 105b (corresponding to the width A in the plan view portion of the figure) is 60 to 90 nm. Further, the width of the portion of the insulating film 105 (non-porous insulating film) existing between the sidewall of the wiring groove 105b and the insulating film 107 (corresponding to the width B in the plan view portion) is 5 to 10 nm. It is. Therefore, the ratio of the width B to the pore diameter (0.8 nm or more and less than 3.0 nm) is preferably about 1.5 to 12.5 times.
  • the insulating film 105 non-porous insulating film
  • the insulating film 107 porous insulating film
  • a conductive film 108a made of a TaN film having a thickness of 5 to 15 nm and a stacked film of Ta films is formed.
  • a copper film is formed by an electrolytic plating method, and an annealing process is performed. Subsequently, the CMP method is used to polish and remove the conductive film 108a and the copper film protruding from the outside of the wiring groove 101a to planarize the surface, thereby forming the via hole 105a and the bottom and side walls of the wiring groove 105b. A barrier metal film 108 made of the conductive film 108a is formed.
  • a via 109a made of a copper film is formed on the barrier metal film 108 so as to fill the via hole 105a, and a copper wiring 109b made of a copper film on the barrier metal film 108 so as to fill the wiring groove 105b.
  • the via hole 105a and the wiring groove 105b formed in the step shown in FIG. 3A are insulating films having a large number of holes.
  • 107 porous insulating film
  • insulating film 105 nonporous insulating film
  • voids generated by removing the void forming material are exposed on the sidewalls and bottom portions of the wiring grooves formed in the porous insulating film and on the surfaces of the sidewalls of the via holes.
  • the copper constituting the wiring is likely to diffuse into the porous insulating film through the above-described void portion exposed on the surface of the wiring groove through the barrier metal film.
  • This is more conspicuous when the barrier metal film is thinned due to the recent trend toward miniaturization or the suppression of inter-wiring capacitance and the barrier property is not sufficient.
  • the coverage rate of the barrier metal film is lowered due to the influence of the exposed holes.
  • the barrier metal film is deposited with a reduced thickness or the barrier metal film is not formed in the hole portions exposed on the surface of the sidewall of the wiring groove and the sidewall of the via hole.
  • the barrier property with respect to copper of the barrier metal film is deteriorated particularly in the hole portion exposed on the surface of the side wall of the wiring trench, and copper is easily diffused into the porous insulating film.
  • the copper in the wiring easily diffuses into the porous insulating film through the void portion exposed in the wiring groove. As a result, the yield or reliability of the semiconductor device is greatly reduced.
  • the method for manufacturing a semiconductor device in an exemplary embodiment of the present invention as described above, no voids are exposed on the side wall of the via hole 105a, the bottom of the wiring groove 105b, and the surface of the side wall. .
  • the barrier metal film 108 is formed with good coverage on the bottom and side walls of the via hole 105a and the entire bottom and side walls of the wiring trench 105b.
  • the barrier metal film 108 can be prevented from being thinned in the hole portion exposed on the surface of the wiring groove 105b.
  • the diffusion of copper constituting the copper wiring 109b and the via 109a into the insulating film 105 (nonporous insulating film) and the insulating film 107 (porous insulating film) can be suppressed.
  • the deterioration of the short circuit between the wirings and the deterioration of the breakdown voltage between the wirings are prevented, so that the yield and reliability of the semiconductor device are improved.
  • the insulating film 105 (non-porous insulating film) having excellent film strength is present on the entire bottom of the wiring groove 105b, the occurrence of film peeling from the lower liner film 104 can be suppressed. Further, since the insulating film 105 (non-porous insulating film) exists instead of the insulating film 107 (porous insulating film) in the peripheral portion of the via hole 105a, moisture contained in the voids is not contained in the via hole. It is possible to suppress the situation of adhering to and oxidizing.
  • the insulating film 107 (porous insulating film) having a low dielectric constant exists in most of the space between the wirings 109b, an increase in parasitic capacitance can be suppressed. Further, an insulating film 105 (non-porous insulating film) exists between the wiring 109b and the insulating film 107 (porous insulating film). For this reason, it is possible to further suppress the situation of copper diffusion through the hole portion formed in the insulating film 107 (porous insulating film) and to increase the film strength of the side wall of the wiring 109b when the distance between the wirings 109b is long. It is effective when you want to keep it high.
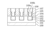
  • FIG. 4 shows a structure of a semiconductor device and a manufacturing method in a modification of the exemplary embodiment of the present invention.
  • the structure of the semiconductor device in the modification of the exemplary embodiment of the present invention includes a portion formed on the sidewall of the wiring trench 10 b in the barrier metal film 108 and the insulating film 107 (porous insulating film). Is different from the structure of the semiconductor device shown in FIG. 1, but the other structures are the same. More specifically, in the structure of the semiconductor device shown in FIG. 4, a portion formed on the side wall of the wiring trench 10b in the barrier metal film 108 shown in the structure of the semiconductor device in FIG.
  • the insulating film 105 non-porous insulating film
  • this region is a part of the insulating film 107 (porous insulating film).
  • the thickness of the portion of the insulating film 105 formed on the side wall of the via hole 15a is reduced in the portion adjacent to the insulating film 107 (porous insulating film) by the thickness of the region.
  • the portion existing outside the sidewall of the wiring trench 10b from the upper part to the lower part of the insulating film 105 (nonporous insulating film) is also formed on the insulating film 107 (porous insulating film). Film).
  • the electron beam Alternatively, by using ultraviolet rays, the porogen contained in the portion existing outside the side wall of the wiring groove 105b from the upper portion to the lower portion of the insulating film 105 (non-porous insulating film) is removed, so that the portion is also an insulating film. Part of 107. In this way, the structure of the semiconductor device shown in FIG. 4 is formed.
  • the part from the insulating film 105 to the insulating film 107 by irradiation with an electron beam or ultraviolet light is not limited to the part existing outside from the upper part to the lower part of the barrier metal film 108 on the side wall of the wiring trench 10b.
  • a portion of the insulating film 105 (non-porous insulating film) around the via hole 105a existing inside the side wall of the wiring groove 10b may also be a part of the insulating film 107.
  • the width in the horizontal direction) is preferably in the range of 0 to 10 nm.
  • the insulating film 105 non-porous insulating film
  • the insulating film 107 porous insulating film
  • the present invention is useful for a method of forming a copper wiring in a semiconductor device.

Landscapes

  • Engineering & Computer Science (AREA)
  • Physics & Mathematics (AREA)
  • Condensed Matter Physics & Semiconductors (AREA)
  • General Physics & Mathematics (AREA)
  • Computer Hardware Design (AREA)
  • Microelectronics & Electronic Packaging (AREA)
  • Power Engineering (AREA)
  • Manufacturing & Machinery (AREA)
  • Internal Circuitry In Semiconductor Integrated Circuit Devices (AREA)
  • Formation Of Insulating Films (AREA)
PCT/JP2009/005681 2009-02-06 2009-10-28 半導体装置及びその製造方法 Ceased WO2010089818A1 (ja)

Priority Applications (1)

Application Number Priority Date Filing Date Title
US13/193,330 US8502388B2 (en) 2009-02-06 2011-07-28 Semiconductor device and method for fabricating the same

Applications Claiming Priority (2)

Application Number Priority Date Filing Date Title
JP2009026384A JP5147751B2 (ja) 2009-02-06 2009-02-06 半導体装置の製造方法
JP2009-026384 2009-02-06

Related Child Applications (1)

Application Number Title Priority Date Filing Date
US13/193,330 Continuation US8502388B2 (en) 2009-02-06 2011-07-28 Semiconductor device and method for fabricating the same

Publications (1)

Publication Number Publication Date
WO2010089818A1 true WO2010089818A1 (ja) 2010-08-12

Family

ID=42541744

Family Applications (1)

Application Number Title Priority Date Filing Date
PCT/JP2009/005681 Ceased WO2010089818A1 (ja) 2009-02-06 2009-10-28 半導体装置及びその製造方法

Country Status (3)

Country Link
US (1) US8502388B2 (enExample)
JP (1) JP5147751B2 (enExample)
WO (1) WO2010089818A1 (enExample)

Cited By (1)

* Cited by examiner, † Cited by third party
Publication number Priority date Publication date Assignee Title
US20120168915A1 (en) * 2010-12-30 2012-07-05 Globalfoundries Singapore Pte. Ltd. Reliable interconnect integration scheme

Families Citing this family (5)

* Cited by examiner, † Cited by third party
Publication number Priority date Publication date Assignee Title
JP5925611B2 (ja) 2012-06-21 2016-05-25 ルネサスエレクトロニクス株式会社 半導体装置およびその製造方法
US9117822B1 (en) * 2014-04-29 2015-08-25 Globalfoundries Inc. Methods and structures for back end of line integration
KR102460075B1 (ko) * 2016-01-27 2022-10-31 삼성전자주식회사 반도체 장치 및 반도체 장치의 제조 방법
US10157841B2 (en) * 2017-04-17 2018-12-18 Micron Technology, Inc. Construction of integrated circuitry and a method of forming an elevationally-extending conductor laterally between a pair of structures
US9960114B1 (en) 2017-05-03 2018-05-01 Micron Technology, Inc. Structure of integrated circuitry and a method of forming a conductive via

Citations (5)

* Cited by examiner, † Cited by third party
Publication number Priority date Publication date Assignee Title
WO2002091450A2 (en) * 2001-05-03 2002-11-14 International Business Machines Corporation Ordered two-phase dielectric film, and semiconductor device containing the same
JP2003068851A (ja) * 2001-06-12 2003-03-07 Toshiba Corp 半導体装置及びその製造方法
JP2003273216A (ja) * 2002-03-18 2003-09-26 Sony Corp 半導体装置およびその製造方法
WO2006100632A1 (en) * 2005-03-22 2006-09-28 Nxp B.V. Side wall pore sealing for low-k dielectrics
JP2008159835A (ja) * 2006-12-25 2008-07-10 Sony Corp 半導体装置の製造方法および半導体装置

Family Cites Families (5)

* Cited by examiner, † Cited by third party
Publication number Priority date Publication date Assignee Title
TW550642B (en) 2001-06-12 2003-09-01 Toshiba Corp Semiconductor device with multi-layer interconnect and method fabricating the same
US6958524B2 (en) * 2003-11-06 2005-10-25 Taiwan Semiconductor Manufacturing Company, Ltd. Insulating layer having graded densification
JP2005142473A (ja) 2003-11-10 2005-06-02 Semiconductor Leading Edge Technologies Inc 半導体装置の製造方法
JP2007027436A (ja) * 2005-07-15 2007-02-01 Toshiba Corp 半導体装置およびその製造方法
WO2007032563A1 (ja) * 2005-09-16 2007-03-22 Nec Corporation 配線構造並びに半導体装置及びその製造方法

Patent Citations (5)

* Cited by examiner, † Cited by third party
Publication number Priority date Publication date Assignee Title
WO2002091450A2 (en) * 2001-05-03 2002-11-14 International Business Machines Corporation Ordered two-phase dielectric film, and semiconductor device containing the same
JP2003068851A (ja) * 2001-06-12 2003-03-07 Toshiba Corp 半導体装置及びその製造方法
JP2003273216A (ja) * 2002-03-18 2003-09-26 Sony Corp 半導体装置およびその製造方法
WO2006100632A1 (en) * 2005-03-22 2006-09-28 Nxp B.V. Side wall pore sealing for low-k dielectrics
JP2008159835A (ja) * 2006-12-25 2008-07-10 Sony Corp 半導体装置の製造方法および半導体装置

Cited By (2)

* Cited by examiner, † Cited by third party
Publication number Priority date Publication date Assignee Title
US20120168915A1 (en) * 2010-12-30 2012-07-05 Globalfoundries Singapore Pte. Ltd. Reliable interconnect integration scheme
US9490165B2 (en) * 2010-12-30 2016-11-08 Globalfoundries Singapore Pte. Ltd. Reliable interconnect integration scheme

Also Published As

Publication number Publication date
JP5147751B2 (ja) 2013-02-20
JP2010182946A (ja) 2010-08-19
US8502388B2 (en) 2013-08-06
US20110285028A1 (en) 2011-11-24

Similar Documents

Publication Publication Date Title
US8242014B2 (en) Method for manufacturing a semiconductor device having an interconnect structure and a reinforcing insulating film
CN100576494C (zh) 利用保护性通路盖层形成半导体器件的双镶嵌布线的方法
JP5558662B2 (ja) デバイス、方法(mimキャパシタおよびその製造方法)
US8564136B2 (en) Semiconductor device and method for fabricating the same
JP5263482B2 (ja) 多層配線構造および多層配線の製造方法
JP2005072384A (ja) 電子デバイスの製造方法
JP2010287831A (ja) 半導体装置およびその製造方法
US7052990B2 (en) Sealed pores in low-k material damascene conductive structures
JP2006019480A (ja) 半導体装置の製造方法
JP5147751B2 (ja) 半導体装置の製造方法
US7602061B2 (en) Semiconductor device and method for manufacturing semiconductor device
JP2005340808A (ja) 半導体装置のバリア構造
JP2006060166A (ja) 電子デバイス及びその製造方法
JP2012134422A (ja) 半導体装置及びその製造方法
JP2011077468A (ja) 半導体装置の製造方法および半導体装置
JP5200436B2 (ja) 半導体装置の製造方法
CN113707602B (zh) 半导体结构的形成方法及半导体结构
JP2003115534A (ja) 半導体装置の製造方法
JP2005203568A (ja) 半導体装置の製造方法及び半導体装置
CN100514624C (zh) 半导体器件及其制造方法
JP4383262B2 (ja) 半導体装置及びその製造方法
KR100483838B1 (ko) 금속배선의 듀얼 다마신 방법
KR100711925B1 (ko) 반도체 장치 및 그 제조 방법
JP2011109036A (ja) 半導体装置及びその製造方法
KR20060005182A (ko) 에어 갭을 갖는 절연막 형성방법 및 이를 이용한 반도체소자의 구리 금속배선 형성방법

Legal Events

Date Code Title Description
121 Ep: the epo has been informed by wipo that ep was designated in this application

Ref document number: 09839596

Country of ref document: EP

Kind code of ref document: A1

NENP Non-entry into the national phase

Ref country code: DE

122 Ep: pct application non-entry in european phase

Ref document number: 09839596

Country of ref document: EP

Kind code of ref document: A1