JP7586876B2 - コネクタ - Google Patents

コネクタ Download PDF

Info

Publication number
JP7586876B2
JP7586876B2 JP2022164072A JP2022164072A JP7586876B2 JP 7586876 B2 JP7586876 B2 JP 7586876B2 JP 2022164072 A JP2022164072 A JP 2022164072A JP 2022164072 A JP2022164072 A JP 2022164072A JP 7586876 B2 JP7586876 B2 JP 7586876B2
Authority
JP
Japan
Prior art keywords
tab
terminal
housing
connector
locking
Prior art date
Legal status (The legal status is an assumption and is not a legal conclusion. Google has not performed a legal analysis and makes no representation as to the accuracy of the status listed.)
Active
Application number
JP2022164072A
Other languages
English (en)
Other versions
JP2024057375A (ja
Inventor
直樹 小林
真輝 田中
Current Assignee (The listed assignees may be inaccurate. Google has not performed a legal analysis and makes no representation or warranty as to the accuracy of the list.)
Yazaki Corp
Original Assignee
Yazaki Corp
Priority date (The priority date is an assumption and is not a legal conclusion. Google has not performed a legal analysis and makes no representation as to the accuracy of the date listed.)
Filing date
Publication date
Application filed by Yazaki Corp filed Critical Yazaki Corp
Priority to JP2022164072A priority Critical patent/JP7586876B2/ja
Priority to CN202311214008.3A priority patent/CN117878629A/zh
Priority to US18/470,853 priority patent/US12470006B2/en
Publication of JP2024057375A publication Critical patent/JP2024057375A/ja
Application granted granted Critical
Publication of JP7586876B2 publication Critical patent/JP7586876B2/ja
Active legal-status Critical Current
Anticipated expiration legal-status Critical

Links

Images

Classifications

    • HELECTRICITY
    • H01ELECTRIC ELEMENTS
    • H01RELECTRICALLY-CONDUCTIVE CONNECTIONS; STRUCTURAL ASSOCIATIONS OF A PLURALITY OF MUTUALLY-INSULATED ELECTRICAL CONNECTING ELEMENTS; COUPLING DEVICES; CURRENT COLLECTORS
    • H01R11/00Individual connecting elements providing two or more spaced connecting locations for conductive members which are, or may be, thereby interconnected, e.g. end pieces for wires or cables supported by the wire or cable and having means for facilitating electrical connection to some other wire, terminal, or conductive member, blocks of binding posts
    • H01R11/11End pieces or tapping pieces for wires, supported by the wire and for facilitating electrical connection to some other wire, terminal or conductive member
    • HELECTRICITY
    • H01ELECTRIC ELEMENTS
    • H01RELECTRICALLY-CONDUCTIVE CONNECTIONS; STRUCTURAL ASSOCIATIONS OF A PLURALITY OF MUTUALLY-INSULATED ELECTRICAL CONNECTING ELEMENTS; COUPLING DEVICES; CURRENT COLLECTORS
    • H01R13/00Details of coupling devices of the kinds covered by groups H01R12/70 or H01R24/00 - H01R33/00
    • H01R13/40Securing contact members in or to a base or case; Insulating of contact members
    • H01R13/405Securing in non-demountable manner, e.g. moulding, riveting
    • H01R13/41Securing in non-demountable manner, e.g. moulding, riveting by frictional grip in grommet, panel or base
    • HELECTRICITY
    • H01ELECTRIC ELEMENTS
    • H01RELECTRICALLY-CONDUCTIVE CONNECTIONS; STRUCTURAL ASSOCIATIONS OF A PLURALITY OF MUTUALLY-INSULATED ELECTRICAL CONNECTING ELEMENTS; COUPLING DEVICES; CURRENT COLLECTORS
    • H01R13/00Details of coupling devices of the kinds covered by groups H01R12/70 or H01R24/00 - H01R33/00
    • H01R13/40Securing contact members in or to a base or case; Insulating of contact members
    • H01R13/42Securing in a demountable manner
    • H01R13/428Securing in a demountable manner by resilient locking means on the contact members; by locking means on resilient contact members
    • HELECTRICITY
    • H01ELECTRIC ELEMENTS
    • H01RELECTRICALLY-CONDUCTIVE CONNECTIONS; STRUCTURAL ASSOCIATIONS OF A PLURALITY OF MUTUALLY-INSULATED ELECTRICAL CONNECTING ELEMENTS; COUPLING DEVICES; CURRENT COLLECTORS
    • H01R13/00Details of coupling devices of the kinds covered by groups H01R12/70 or H01R24/00 - H01R33/00
    • H01R13/02Contact members
    • H01R13/04Pins or blades for co-operation with sockets
    • H01R13/05Resilient pins or blades
    • H01R13/055Resilient pins or blades co-operating with sockets having a rectangular transverse section
    • HELECTRICITY
    • H01ELECTRIC ELEMENTS
    • H01RELECTRICALLY-CONDUCTIVE CONNECTIONS; STRUCTURAL ASSOCIATIONS OF A PLURALITY OF MUTUALLY-INSULATED ELECTRICAL CONNECTING ELEMENTS; COUPLING DEVICES; CURRENT COLLECTORS
    • H01R4/00Electrically-conductive connections between two or more conductive members in direct contact, i.e. touching one another; Means for effecting or maintaining such contact; Electrically-conductive connections having two or more spaced connecting locations for conductors and using contact members penetrating insulation
    • H01R4/28Clamped connections, spring connections
    • H01R4/30Clamped connections, spring connections utilising a screw or nut clamping member
    • HELECTRICITY
    • H01ELECTRIC ELEMENTS
    • H01RELECTRICALLY-CONDUCTIVE CONNECTIONS; STRUCTURAL ASSOCIATIONS OF A PLURALITY OF MUTUALLY-INSULATED ELECTRICAL CONNECTING ELEMENTS; COUPLING DEVICES; CURRENT COLLECTORS
    • H01R4/00Electrically-conductive connections between two or more conductive members in direct contact, i.e. touching one another; Means for effecting or maintaining such contact; Electrically-conductive connections having two or more spaced connecting locations for conductors and using contact members penetrating insulation
    • H01R4/58Electrically-conductive connections between two or more conductive members in direct contact, i.e. touching one another; Means for effecting or maintaining such contact; Electrically-conductive connections having two or more spaced connecting locations for conductors and using contact members penetrating insulation characterised by the form or material of the contacting members
    • H01R4/64Connections between or with conductive parts having primarily a non-electric function, e.g. frame, casing, rail
    • HELECTRICITY
    • H01ELECTRIC ELEMENTS
    • H01RELECTRICALLY-CONDUCTIVE CONNECTIONS; STRUCTURAL ASSOCIATIONS OF A PLURALITY OF MUTUALLY-INSULATED ELECTRICAL CONNECTING ELEMENTS; COUPLING DEVICES; CURRENT COLLECTORS
    • H01R4/00Electrically-conductive connections between two or more conductive members in direct contact, i.e. touching one another; Means for effecting or maintaining such contact; Electrically-conductive connections having two or more spaced connecting locations for conductors and using contact members penetrating insulation
    • H01R4/58Electrically-conductive connections between two or more conductive members in direct contact, i.e. touching one another; Means for effecting or maintaining such contact; Electrically-conductive connections having two or more spaced connecting locations for conductors and using contact members penetrating insulation characterised by the form or material of the contacting members
    • H01R4/66Connections with the terrestrial mass, e.g. earth plate, earth pin
    • HELECTRICITY
    • H01ELECTRIC ELEMENTS
    • H01RELECTRICALLY-CONDUCTIVE CONNECTIONS; STRUCTURAL ASSOCIATIONS OF A PLURALITY OF MUTUALLY-INSULATED ELECTRICAL CONNECTING ELEMENTS; COUPLING DEVICES; CURRENT COLLECTORS
    • H01R13/00Details of coupling devices of the kinds covered by groups H01R12/70 or H01R24/00 - H01R33/00
    • H01R13/02Contact members
    • H01R13/10Sockets for co-operation with pins or blades
    • H01R13/11Resilient sockets
    • H01R13/113Resilient sockets co-operating with pins or blades having a rectangular transverse section
    • HELECTRICITY
    • H01ELECTRIC ELEMENTS
    • H01RELECTRICALLY-CONDUCTIVE CONNECTIONS; STRUCTURAL ASSOCIATIONS OF A PLURALITY OF MUTUALLY-INSULATED ELECTRICAL CONNECTING ELEMENTS; COUPLING DEVICES; CURRENT COLLECTORS
    • H01R2201/00Connectors or connections adapted for particular applications
    • H01R2201/26Connectors or connections adapted for particular applications for vehicles
    • HELECTRICITY
    • H01ELECTRIC ELEMENTS
    • H01RELECTRICALLY-CONDUCTIVE CONNECTIONS; STRUCTURAL ASSOCIATIONS OF A PLURALITY OF MUTUALLY-INSULATED ELECTRICAL CONNECTING ELEMENTS; COUPLING DEVICES; CURRENT COLLECTORS
    • H01R4/00Electrically-conductive connections between two or more conductive members in direct contact, i.e. touching one another; Means for effecting or maintaining such contact; Electrically-conductive connections having two or more spaced connecting locations for conductors and using contact members penetrating insulation
    • H01R4/10Electrically-conductive connections between two or more conductive members in direct contact, i.e. touching one another; Means for effecting or maintaining such contact; Electrically-conductive connections having two or more spaced connecting locations for conductors and using contact members penetrating insulation effected solely by twisting, wrapping, bending, crimping, or other permanent deformation
    • H01R4/18Electrically-conductive connections between two or more conductive members in direct contact, i.e. touching one another; Means for effecting or maintaining such contact; Electrically-conductive connections having two or more spaced connecting locations for conductors and using contact members penetrating insulation effected solely by twisting, wrapping, bending, crimping, or other permanent deformation by crimping
    • H01R4/183Electrically-conductive connections between two or more conductive members in direct contact, i.e. touching one another; Means for effecting or maintaining such contact; Electrically-conductive connections having two or more spaced connecting locations for conductors and using contact members penetrating insulation effected solely by twisting, wrapping, bending, crimping, or other permanent deformation by crimping for cylindrical elongated bodies, e.g. cables having circular cross-section
    • H01R4/184Electrically-conductive connections between two or more conductive members in direct contact, i.e. touching one another; Means for effecting or maintaining such contact; Electrically-conductive connections having two or more spaced connecting locations for conductors and using contact members penetrating insulation effected solely by twisting, wrapping, bending, crimping, or other permanent deformation by crimping for cylindrical elongated bodies, e.g. cables having circular cross-section comprising a U-shaped wire-receiving portion
    • H01R4/185Electrically-conductive connections between two or more conductive members in direct contact, i.e. touching one another; Means for effecting or maintaining such contact; Electrically-conductive connections having two or more spaced connecting locations for conductors and using contact members penetrating insulation effected solely by twisting, wrapping, bending, crimping, or other permanent deformation by crimping for cylindrical elongated bodies, e.g. cables having circular cross-section comprising a U-shaped wire-receiving portion combined with a U-shaped insulation-receiving portion

Landscapes

  • Connector Housings Or Holding Contact Members (AREA)
  • Connections By Means Of Piercing Elements, Nuts, Or Screws (AREA)

Description

本発明は、複数のタブ部が配置された端子金具と、端子金具を収容するハウジングと、複数のタブ部に電気的に接続される複数の端子付き電線と、を備えるコネクタに関する。
従来から、相手側端子と電気的に接続される複数のタブ部を有する端子金具が提案されている。このような端子金具は、一般に一繋がりの導体板を加工して製造されることから、複数の回路を接続するジョイント端子や、複数の回路を接地接続するアース端子として、用いられる。
従来のハウジングユニットの一つは、この種の端子金具をハウジングの収容室に収容するとともに、アース端子として用いている。具体的には、端子金具の一部が所定のアースポイント(例えば、自動車の車体フレーム)に電気的に接続され、複数のタブ部に接続される相手側端子に繋がる複数の回路を、一括して接地接続するようになっている(例えば、特許文献1を参照。)。
特開2013-073911号公報
ところで、上述した従来のコネクタが用いられた自動車を解体するとき、一般に、コネクタが車体フレーム等に固定された状態のまま、作業者等が端子付き電線をハウジングから離れる向きに強く引くことで、相手側端子をハウジング内に保持するための部品(例えば、いわゆるランス)が破壊されて、端子付き電線がハウジングから引き抜かれる。このように端子付き電線を取り除くと、車体フレーム等には、端子金具とハウジングとが残ることになる。適正な分別解体を図る観点では、金属製の端子金具と樹脂製のハウジングとが、車体フレーム等に混在して残ることは望ましくない。そのため、上述したように端子付き電線を取り除いた後、別途、ハウジングを端子金具から取り外すことが好ましい。しかし、ハウジングを取り外す工程は、解体作業の作業性を損なう要因になり得る。
本発明の目的の一つは、分別解体が容易なコネクタの提供である。
前述した目的を達成するために、本発明に係るコネクタは、下記を特徴としている。
複数のタブ部が間隔をあけて所定方向に並ぶようにタブ連設部から延出した端子部と、前記タブ連設部に繋がり且つ外部端子に接続されることになる接点部と、を備え、前記端子部及び前記接点部が一繋がりの導体板から構成される、端子金具と、
前記複数のタブ部が収容される複数の収容室を有し、前記端子金具が収容される、ハウジングと、
前記収容室に収容されて前記複数のタブ部の各々に電気的に接続される相手側端子と、前記相手側端子が取り付けられる電線と、を有する複数の端子付き電線と、
を備える、コネクタであって、
前記端子金具は、
前記所定方向における前記タブ連設部の一端から途中位置までに位置する少なくとも一つの前記タブ部の各々が有する第1係止部と、前記途中位置から前記所定方向における前記タブ連設部の他端までに位置する少なくとも一つの前記タブ部の各々が有する第2係止部と、を有し、
前記第1係止部によって前記タブ部を前記収容室に保持する保持力は、前記第2係止部によって前記タブ部を前記収容室に保持する保持力よりも大きく、
前記相手側端子は、
前記タブ部が挿入される筒状の箱部と、前記箱部の前記他端側の側壁に設けられて前記タブ部が前記所定方向に通過可能な広さを有する開口部と、を有する、
コネクタであること。
本発明のコネクタによれば、コネクタが用いられた自動車等の解体作業を行う際、作業者等が端子付き電線をハウジングから離れる向きに引くと、相手側端子を介してハウジングに、その向きの外力が及ぶ。このとき、タブ連設部の一端側の第1係止部による保持力が、他端側の第2係止部による保持力よりも大きいことから、相対的に保持力が劣る第2係止部が、第1係止部よりも先にハウジングから分離し易い。更に、相手側端子の箱部の他端側の側壁には、タブ部が通過可能な広さの開口部が設けられている。そのため、タブ部の第1係止部がハウジングに固定された状態で、タブ部の第2係止部がハウジングから分離するとともに、タブ部が相手側端子の開口部に入り込むことで、ハウジング全体が傾くことになる。そして、このようにハウジング全体が傾きながら、タブ連設部の他端側から一端側に向けてタブ部が順にハウジングから分離して、最終的に全てのタブ部がハウジングから分離することになる。このように複数のタブ部が順に分離することで、複数のタブ部を同時にハウジングから分離する場合に比べて小さな外力で、端子金具とハウジングとを分離できる。よって、従来のコネクタのようにハウジングのランスが破壊するよりも先に、端子金具とハウジングとを分離できる。その結果、作業者等が従来とおりに端子付き電線を引くだけで、端子金具とハウジングとを分離できる。したがって、本構成のコネクタは、分別解体が容易である。
以上、本発明について簡潔に説明した。更に、以下に説明される発明を実施するための形態を添付の図面を参照して通読することにより、本発明の詳細は更に明確化されるであろう。
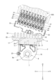
図1は、本発明の実施形態に係るコネクタを示す斜視図である。 図2は、図1に示すコネクタを構成する、端子金具、ハウジング、及び、端子付き電線、を示す斜視図である。 図3は、図2に示す端子金具を前方からみた斜視図である。 図4は、図3のA部の拡大図である。 図5は、図3のB部の拡大図である。 図6は、図2に示す端子付き電線の相手側端子を下方からみた斜視図である。 図7は、図1に示すコネクタの側面図である。 図8は、図7のC-C断面図である。 図9は、端子付き電線の電線をハウジングから離れる向きに引いた場合における端子金具及びハウジングの分離の過程の第1段階(ハウジングの傾斜により端子金具のタブ部が相手側端子の開口部に入り込む段階)を示す、図8に対応する図である。 図10は、端子付き電線の電線をハウジングから離れる向きに引いた場合における端子金具及びハウジングの分離の過程の第2段階(ハウジングの更なる傾斜により端子金具のタブ部が収容室の隔壁を押圧して破壊する段階)を示す、図8に対応する図である。 図11は、端子付き電線の電線をハウジングから離れる向きに引いた場合における端子金具及びハウジングの分離の過程の第3段階(ハウジングが端子金具から完全に分離した段階)を示す、図8に対応する図である。
<実施形態>
以下、図面を参照しながら、本発明の実施形態に係るコネクタ1について説明する。以下、説明の便宜上、図1~図11に示すように、「前」、「後」、「左」、「右」、「上」及び「下」を定義する。「前後方向」、「左右方向」及び「上下方向」は、互いに直交している。前後方向は、端子金具2のハウジング3への取付方向(図2参照)、及び、電線5の端末に接続された相手側端子4のハウジング3への挿入方向(図2参照)と、一致している。
コネクタ1は、図1及び図2に示すように、端子金具2と、端子金具2が後側から取り付けられるハウジング3と、複数の相手側端子4が前側からハウジング3に挿入される複数の端子付き電線9と、を備える。端子金具2が所定のアースポイント6(図1参照。例えば、自動車の車体フレーム)に電気的に接続されることで、コネクタ1は、端子金具2に導通接続される複数の相手側端子4に繋がる複数の電線5(即ち、複数の回路)を、一括して接地接続(アース)する機能を果たす。複数の電線5は、アースポイント6を有する自動車に搭載されるワイヤハーネスの一部を構成している。以下、コネクタ1を構成する各部材について説明する。
まず、端子金具2について説明する。端子金具2は、平板状の導体板に打ち抜き加工を施して得られる導体板に対して、所定の曲げ加工を施すことで、形成される。端子金具2は、図2及び図3に示すように、左右方向に長い略矩形平板状の本体部11と、本体部11の前側に位置して左右方向に延びる第1端子部12と、第1端子部12の左右方向両端部から上向きに延びる左右一対の連結部13と、左右一対の連結部13の上端部同士を繋ぐように左右方向に延びる第2端子部14と、本体部11の後端縁から下向きに延び且つ左右方向に長い略矩形平板状の段差部15と、段差部15の下端縁から後向きに延びる平板状の固定部16と、を一体に備えた、立体形状を有している。固定部16には、板厚方向(上下方向)に貫通する貫通孔22が形成されている。更に、固定部16の周縁部には、回転防止片23が形成されている(図1~図3参照)。貫通孔22及び回転防止片23の機能については後述する。
第1端子部12及び第2端子部14は、両者の左端部同士が左側の連結部13により連結され、且つ、両者の右端部同士が右側の連結部13により連結されることで、上下方向に間隔を空けて互いに対向し且つ左右方向に互いに平行に延びるように、立体的に配置されている。
第1端子部12は、図2及び図3に示すように、本体部11の前側に位置して左右方向に長い略矩形平板状の第1タブ連設部17と、第1タブ連設部17の左右方向に延びる前端縁から左右方向に一定の間隔を空けて前方に延出する複数の第1タブ部(オス端子部)18と、で構成されている。同様に、第2端子部14は、第1タブ連設部17の上側に位置して左右方向に長い略矩形平板状の第2タブ連設部19と、第2タブ連設部19の左右方向に延びる前端縁から左右方向に一定の間隔を空けて前方に延出する複数の第2タブ部(オス端子部)21と、で構成されている。複数の第1タブ部18と複数の第2タブ部21とは、上下方向において間隔を空けて左右方向に互いに平行に並ぶように配置され、複数の第1タブ部18の先端と複数の第2タブ部21の先端とは、前後方向において同じ位置に配置されている。左右方向において、第1タブ部18は左右方向に隣り合う第2タブ部21の間に位置し、第2タブ部21は左右方向に隣り合う第1タブ部18の間に位置している。以下、第1タブ部18と第2タブ部21とを区別する必要がない場合には、第1タブ部18及び第2タブ部21の各々を単に「タブ部18,21」と呼び、第1タブ連設部17と第2タブ連設部19とを区別する必要がない場合には、第1タブ連設部17及び第2タブ連設部19の各々を単に「タブ連設部17,19」と呼ぶ。更に、第1収容室31と第2収容室32とを区別する必要がない場合には、第1収容室31及び第2収容室32の各々を単に「収容室31,32」と呼ぶ。
図3に示すように、タブ連設部17,19の右端付近に位置する複数(具体的には3つ)のタブ部18,21の各々、及び、タブ連設部17,19の左右方向中央付近に位置する複数(具体的には3つ)のタブ部18,21の各々には、第1係止突起24が設けられ、タブ連設部17,19の左端付近に位置する複数(具体的には3つ)のタブ部18,21の各々には、第2係止突起25が設けられている。換言すれば、第1係止突起24が設けられてタブ連設部17,19の左右方向中央付近に位置する複数のタブ部18,21と、第2係止突起25が設けられてタブ連設部17,19の左端付近に位置する複数のタブ部18,21と、の間の左右方向の任意の位置(例えば、図3に示す点Pの位置)を「途中位置」としたとき、左右方向におけるタブ連設部17,19の右端から途中位置までに位置する6つのタブ部18,21の各々に第1係止突起24が設けられ、途中位置から左右方向におけるタブ連設部17,19の左端までに位置する3つのタブ部18,21の各々に第2係止突起25が設けられている。第1係止突起24が設けられたタブ部18,21の数(=6つ)は、第2係止突起25が設けられたタブ部18,21の数(=3つ)よりも多い。端子金具2が有する複数のタブ部18,21のうち、第1係止突起24及び前第2係止突起25の何れも設けられていないタブ部18,21が存在する。
第1係止突起24及び第2係止突起25は、タブ部18,21をハウジング3の後述する収容室31,32に圧入(挿入)する際に収容室31,32の後述する隔壁34(図8等参照)を押圧しながら摺動する圧入用突起として機能する。換言すれば、第1係止突起24及び第2係止突起25は、ハウジング3の収容室31,32に収容されたタブ部18,21を収容室31,32に保持する機能を果たす。
図4及び図5に示すように、第1係止突起24及び第2係止突起25の何れも、タブ部18,21の左右方向両側面から左右方向外側(上記導体板の板面方向)に突出し且つ上下方向(上記導体板の厚さ方向)に延びる、左右一対の突起である。第1係止突起24は、図4に示すように、タブ部18,21の上下方向の厚さ(=上記導体板の厚さ)と等しい上下方向の厚さを有する。一方、第2係止突起25は、図5に示すように、タブ部18,21の上下方向の厚さ(=上記導体板の厚さ)より小さい上下方向の厚さを有する。このため、第1係止突起24による収容室31,32の隔壁34との押圧接触面積が、第2係止突起25による収容室31,32の隔壁34との押圧接触面積より大きくなることに起因して、第1係止突起24によりタブ部18,21を収容室31,32に保持する保持力は、第2係止突起25によりタブ部18,21を収容室31,32に保持する保持力よりも大きい。このように、第1係止突起24による保持力と第2係止突起25による保持力とを異ならせたことによる作用については後述する。
次いで、ハウジング3について説明する。ハウジング3は、樹脂成形体であり、図2に示すように、上下方向に偏平な前後方向に延びる略矩形筒状の形状を有している。ハウジング3の中空部には、端子金具2の第1端子部12(複数の第1タブ部18)を収容するための第1収容室31、端子金具2の第2端子部14(複数の第2タブ部21)を収容するための第2収容室32、及び、端子金具2の左右一対の連結部13を収容するための左右一対の連結部収容室33が、画成されている。第1収容室31及び第2収容室32の各々は、端子金具2の左右方向に並ぶ複数のタブ部18,21に対応して、左右方向に並ぶ複数の隔壁34(図8参照)によって左右方向に仕切られている。
次いで、端子付き電線9について説明する。端子付き電線9は、図2及び図6に示すように、相手側端子(メス端子)4と、相手側端子4が端末に取り付けられる電線5とで構成される。金属製の相手側端子4は、図6に示すように、前後方向に延びる矩形筒状の箱部41と、電線5の端末に接続される電線接続部42と、を一体に有する。箱部41には、端子金具2のタブ部18,21(第1タブ部18又は第2タブ部21)が挿入されることになる。箱部41の内部には、バネ状接点43が設けられている。箱部41の左側壁には、左右方向(左側壁の板厚方向)に貫通し且つ箱部41の先端位置から前後方向に延びる開口部44が形成されている。開口部44は、箱部41に挿入された状態にあるタブ部18,21が左右方向に通過可能な広さを有する。このような開口部44を設けたことによる作用については後述する。
電線接続部42は、図6に示すように、電線5の端末に位置して露出する芯線を加締め固定する芯線加締部45と、電線5の芯線の周囲を覆う絶縁被覆の端末を加締め固定する被覆加締部46とで構成されている。以上、コネクタ1を構成する各部材について説明した。
図1に示すコネクタ1の組み付けは、図2に示すように、端子金具2の複数のタブ部18,21が後側からハウジング3に挿入され、且つ、上下2段で左右方向に並ぶ複数の端子付き電線9の相手側端子4が前側からハウジング3に挿入されることで、完了する。ハウジング3への端子金具2の挿入時、第1係止突起24又は第2係止突起25が設けられたタブ部18,21は、第1係止突起24又は第2係止突起25がハウジング3の収容室31,32の隔壁34(図8等参照)を押圧しながら摺動することで収容室31,32に圧入され、第1係止突起24又は第2係止突起25によって収容室31,32に保持される(図8等参照)。
コネクタ1の組付完了状態では、端子金具2の第1端子部12(複数の第1タブ部18)がハウジング3の第1収容室31に収容され、端子金具2の第2端子部14(複数の第2タブ部21)がハウジング3の第2収容室32に収容され、端子金具2の左右一対の連結部13がハウジング3の左右一対の連結部収容室33に収容されている。下段に並ぶ複数の相手側端子4は、それぞれの箱部41のバネ状接点43が対応する第1タブ部18に弾性的に接触するように第1収容室31に収容されることで、複数の第1タブ部18とそれぞれ電気的に接続される。第1収容室31に収容された複数の相手側端子4の各々は、第1収容室31に設けられた対応するランス(図示省略)と係合することで、第1収容室31からの前方への抜けが防止される。上段に並ぶ複数の相手側端子4は、それぞれの箱部41のバネ状接点43が対応する第2タブ部21に弾性的に接触するように第2収容室32に収容されることで、複数の第2タブ部21とそれぞれ電気的に接続される。第2収容室32に収容された複数の相手側端子4の各々は、第2収容室32に設けられた対応するランス(図示省略)と係合することで、第2収容室32からの前方への抜けが防止される。
組み付けが完了したコネクタ1は、図1に示すように、端子金具2の固定部16が所定のアースポイント6(自動車の車体フレーム等)に締結されることで、アースポイント6に固定される。固定部16のアースポイント6への締結は、例えば、図1に示すように、アースポイント6に設けられたスタッドボルト7を固定部16の貫通孔22に挿通してスタッドボルト7にナット8を締め付けることで、なされる。この締結(ナット8の締め付け)の際、固定部16に設けられた回転防止片23がアースポイント6に設けられた係止孔6a(図8等参照)と係合することで、固定部16(即ち、端子金具2)の所謂連れ回りが防止される。これにより、端子金具2に導通接続される複数の相手側端子4に繋がる複数の電線5(即ち、複数の回路)が、一括して接地接続(アース)される。
(作用・効果)
以上説明したように、本実施形態に係るコネクタ1は、アースポイント6(自動車の車体フレーム等)に固定された状態で使用される。コネクタ1が固定されたアースポイント6を有する自動車の解体作業が行われる際、コネクタ1がアースポイント6に固定された状態のまま、図9に白矢印で示すように、作業者等が、複数の端子付き電線9の電線5を一括してハウジングから離れる向き(前向き)に引く。この結果、複数の相手側端子4を介してハウジング3にその向きの外力が及ぶ。上述したように、第1係止突起24によりタブ部18,21を収容室31,32に保持する保持力が第2係止突起25によりタブ部18,21を収容室31,32に保持する保持力よりも大きい。このため、相対的に保持力が劣る第2係止突起25が、第1係止突起24よりも先にハウジング3から分離し易い。更に、相対的に保持力が劣る第2係止突起25は、第1係止突起24よりもタブ連設部17,19の相対的に左側に位置する(図3も参照)。そのため、まず、タブ連設部17,19の左端側のタブ部18,21がハウジング3から分離することで、ハウジング3の左側がアースポイント6に固定されている端子金具2に対して端子金具2から離れる向き(前向き)に移動するように、ハウジング3全体が(上方からみて時計回りに)僅かに傾斜する。
図9に示すように、ハウジング3全体が僅かに傾斜することで、タブ部18,21の先端左角部が、相手側端子4の箱部41の左側壁に設けられた開口部44に入り込む。このように、タブ部18,21が相手側端子4の開口部44に入り込むことで、ハウジング3全体の傾斜の進行が阻害されない。
次いで、図10に示すように、ハウジング3全体の傾斜が更に進行しながら、タブ連設部17,19の左端側から右端側に向けてタブ部18,21が順にハウジング3から分離していく。このとき、金属製のタブ部18,21の先端左角部が、相手側端子4の開口部44を通り抜ける共に樹脂製のハウジング3の収容室31,32の左側の隔壁34を押圧して破壊することで、ハウジング3全体の傾斜の更なる進行が阻害されない。
そして、図11に示すように、最終的に全てのタブ部18,21がハウジング3から分離することで、ハウジング3が端子金具2から完全に分離する。
このような分離原理から、複数のタブ部18,21を一括してハウジング3から分離する場合に比べて小さな外力で端子金具2とハウジング3とを分離できる。よって、従来のようにハウジングのランスが破壊するよりも先に、端子金具2とハウジング3とを分離できる。その結果、作業者等が従来とおりに複数の端子付き電線9を一括して引くだけで、端子金具2とハウジング3とを分離できる。したがって、本実施形態に係るコネクタ1は、分別解体が容易である。
更に、本実施形態に係るコネクタ1では、第1係止突起24を有するタブ部18,21の数が、第2係止突起25を有するタブ部18,21の数よりも多い。このようなタブ部18,21の数の相違により、コネクタ1における第1係止突起24での保持部分での保持力を、第2係止突起25での保持部分での保持力に比べ、更に大きくすることができる。
更に、本実施形態に係るコネクタ1によれば、端子金具2は、第1係止突起24及び第2係止突起25の何れも有さないタブ部18,21を有する。これにより、上述したようにハウジング3を傾斜させながら端子金具2を分離する作業が、更に容易になる。
<他の態様>
なお、本発明は上記各実施形態に限定されることはなく、本発明の範囲内において種々の変形例を採用できる。例えば、本発明は、上述した実施形態に限定されるものではなく、適宜、変形、改良、等が可能である。その他、上述した実施形態における各構成要素の材質、形状、寸法、数、配置箇所、等は本発明を達成できるものであれば任意であり、限定されない。
上記実施形態では、タブ連設部17,19の右端付近に位置する複数(3つ)のタブ部18,21の各々、及び、タブ連設部17,19の左右方向中央付近に位置する複数(3つ)のタブ部18,21の各々に第1係止突起24が設けられ、タブ連設部17,19の左端付近に位置する複数(3つ)のタブ部18,21の各々に第2係止突起25が設けられている(図3等参照)。これに対し、タブ連設部17,19の左右方向中央付近に位置する複数のタブ部18,21の各々には第1係止突起24が設けられずに、タブ連設部17,19の右端付近に位置する複数のタブ部18,21の各々のみに第1係止突起24が設けられてもよい。
更に、上記実施形態では、左右方向におけるタブ連設部17,19の右端から途中位置(例えば、図3の点Pの位置)までに位置する6つのタブ部18,21の各々に第1係止突起24が設けられ、途中位置から左右方向におけるタブ連設部17,19の左端までに位置する3つのタブ部18,21の各々に第2係止突起25が設けられている。これに対し、左右方向におけるタブ連設部17,19の右端から途中位置までに位置する単一のタブ部18,21に第1係止突起24が設けられてもよいし、途中位置から左右方向におけるタブ連設部17,19の左端までに位置する単一のタブ部18,21に第2係止突起25が設けられてもよい。
更に、上記実施形態では、第1係止突起24を有するタブ部18,21の数が、第2係止突起25を有するタブ部18,21の数よりも多い。これに対し、第1係止突起24を有するタブ部18,21の数が、第2係止突起25を有するタブ部18,21の数より少なくてもよい。また、上記実施形態では、端子金具2は、第1係止突起24及び第2係止突起25の何れも有さないタブ部18,21を有する。これに対し、端子金具2が有する複数のタブ部18,21の全てが第1係止突起24又は第2係止突起25を有していてもよい。
更に、上記実施形態では、端子金具2において相対的に保持力が劣る第2係止突起25が、第1係止突起24よりもタブ連設部17,19の相対的に左側に位置することにより、複数の端子付き電線9の電線5が一括してハウジングから離れる向き(前向き)に引かれた際、ハウジング3の左側が端子金具2に対して端子金具2から離れる向き(前向き)に移動するように、ハウジング3全体が上方からみて時計回りに傾斜する(図9~図11参照)。これに対し、コネクタ1が搭載される自動車のレイアウト等の理由により、複数の端子付き電線9の電線5が一括してハウジングから離れる向き(前向き)に引かれた際に、ハウジング3の右側が端子金具2に対して端子金具2から離れる向き(前向き)に移動するようにハウジング3全体が上方からみて反時計回りに傾斜するのが望ましい場合には、端子金具2において相対的に保持力が劣る第2係止突起25が、第1係止突起24よりもタブ連設部17,19の相対的に右側に位置するように構成すればよい。
ここで、上述した本発明に係るコネクタ1の実施形態の特徴をそれぞれ以下[1]~[4]に簡潔に纏めて列記する。
[1]
複数のタブ部(18,21)が間隔をあけて所定方向に並ぶようにタブ連設部(17,19)から延出した端子部(12,14)と、前記タブ連設部(17,19)に繋がり且つ外部端子(6)に接続されることになる接点部(16)と、を備え、前記端子部(12,14)及び前記接点部(16)が一繋がりの導体板から構成される、端子金具(2)と、
前記複数の前記タブ部(18,21)が収容される複数の収容室(31,32)を有し、前記端子金具(2)が収容されるハウジング(3)と、
前記収容室(31,32)に収容されて前記複数の前記タブ部(18,21)の各々に電気的に接続される相手側端子(4)と、前記相手側端子(4)が取り付けられる電線(5)と、を有する複数の端子付き電線(9)と、
を備える、コネクタ(1)であって、
前記端子金具(2)は、
前記所定方向における前記タブ連設部(17,19)の一端から途中位置までに位置する少なくとも一つの前記タブ部(18,21)の各々が有する第1係止部(24)と、前記途中位置から前記所定方向における前記タブ連設部(17,19)の他端までに位置する少なくとも一つの前記タブ部(18,21)の各々が有する第2係止部(25)と、を有し、
前記第1係止部(24)によって前記タブ部(18,21)を前記収容室(31,32)に保持する保持力は、前記第2係止部(25)によって前記タブ部(18,21)を前記収容室(31,32)に保持する保持力よりも大きく、
前記相手側端子(4)は、
前記タブ部(18,21)が挿入される筒状の箱部(41)と、前記箱部(41)の前記他端側の側壁に設けられて前記タブ部(18,21)が前記所定方向に通過可能な広さを有する開口部(44)と、を有する、
コネクタ(1)。
上記[1]の構成のコネクタによれば、コネクタが用いられた自動車等の解体作業を行う際、作業者等が端子付き電線をハウジングから離れる向きに引くと、相手側端子を介してハウジングに、その向きの外力が及ぶ。このとき、タブ連設部の一端側の第1係止部による保持力が、他端側の第2係止部による保持力よりも大きいことから、相対的に保持力が劣る第2係止部が、第1係止部よりも先にハウジングから分離し易い。更に、相手側端子の箱部の他端側の側壁には、タブ部が通過可能な広さの開口部が設けられている。そのため、タブ部の第1係止部がハウジングに固定された状態で、タブ部の第2係止部がハウジングから分離するとともに、タブ部が相手側端子の開口部に入り込むことで、ハウジング全体が傾くことになる。そして、このようにハウジング全体が傾きながら、タブ連設部の他端側から一端側に向けてタブ部が順にハウジングから分離して、最終的に全てのタブ部がハウジングから分離することになる。このように複数のタブ部が順に分離することで、複数のタブ部を同時にハウジングから分離する場合に比べて小さな外力で、端子金具とハウジングとを分離できる。よって、従来のコネクタのようにハウジングのランスが破壊するよりも先に、端子金具とハウジングとを分離できる。その結果、作業者等が従来とおりに端子付き電線を引くだけで、端子金具とハウジングとを分離できる。したがって、本構成のコネクタは、分別解体が容易である。
[2]
上記[1]に記載のコネクタ(1)において、
前記第1係止部(24)は、
前記タブ部(18,21)から前記導体板の板面方向に突出し且つ前記導体板の厚さ方向に延びる突起形状を有し、
前記第2係止部(25)は、
前記タブ部(18,21)から前記導体板の板面方向に突出し且つ前記導体板の厚さ方向に延びる突起形状を有し、
前記第1係止部(24)の前記厚さ方向における厚さが、前記第2係止部(25)の前記厚さ方向における厚さよりも大きい、
コネクタ(1)。
上記[2]の構成のコネクタによれば、第1係止部及び第2係止部が突起形状を有し、第1係止部の厚さ方向の厚さが、第2係止部の厚さ方向の厚さよりも大きい。このような突起形状の相違により、第1係止部の保持力を第2係止部の保持力よりも大きくすることができる。
[3]
上記[2]に記載のコネクタ(1)において、
前記第1係止部(24)を有する前記タブ部(18,21)の数が、前記第2係止部(25)を有する前記タブ部(18,21)の数よりも多い、
コネクタ(1)。
上記[3]の構成のコネクタによれば、第1係止部を有するタブ部の数が、第2係止部を有するタブ部の数よりも多い。このようなタブ部の数の相違により、コネクタにおける第1係止部での保持部分での保持力を、第2係止部での保持部分での保持力に比べ、更に大きくすることができる。
[4]
上記[1]に記載のコネクタ(1)において、
前記端子金具(2)は、
前記第1係止部(24)及び前記第2係止部(25)の何れも有さない前記タブ部(18,21)を有する、
コネクタ(1)。
上記[4]の構成のコネクタによれば、端子金具は、第1係止部及び第2係止部の何れも有さないタブ部を有する。これにより、上述したようにハウジングを傾斜させながら端子金具を分離する作業が、更に容易になる。
1 コネクタ
2 端子金具
3 ハウジング
4 相手側端子
5 電線
6 アースポイント(外部端子)
9 端子付き電線
12 第1端子部(端子部)
14 第2端子部(端子部)
16 固定部(接点部)
17 第1タブ連設部(タブ連設部)
18 第1タブ部(タブ部)
19 第2タブ連設部(タブ連設部)
21 第2タブ部(タブ部)
24 第1係止突起(第1係止部)
25 第2係止突起(第2係止部)
31 第1収容室(収容室)
32 第2収容室(収容室)
41 箱部
44 開口部

Claims (4)

  1. 複数のタブ部が間隔をあけて所定方向に並ぶようにタブ連設部から延出した端子部と、前記タブ連設部に繋がり且つ外部端子に接続されることになる接点部と、を備え、前記端子部及び前記接点部が一繋がりの導体板から構成される、端子金具と、
    前記複数のタブ部が収容される複数の収容室を有し、前記端子金具が収容される、ハウジングと、
    前記収容室に収容されて前記複数のタブ部の各々に電気的に接続される相手側端子と、前記相手側端子が取り付けられる電線と、を有する複数の端子付き電線と、
    を備える、コネクタであって、
    前記端子金具は、
    前記所定方向における前記タブ連設部の一端から途中位置までに位置する少なくとも一つの前記タブ部の各々が有する第1係止部と、前記途中位置から前記所定方向における前記タブ連設部の他端までに位置する少なくとも一つの前記タブ部の各々が有する第2係止部と、を有し、
    前記第1係止部によって前記タブ部を前記収容室に保持する保持力は、前記第2係止部によって前記タブ部を前記収容室に保持する保持力よりも大きく、
    前記相手側端子は、
    前記タブ部が挿入される筒状の箱部と、前記箱部の前記他端側の側壁に設けられて前記タブ部が前記所定方向に通過可能な広さを有する開口部と、を有する、
    コネクタ。
  2. 請求項1に記載のコネクタにおいて、
    前記第1係止部は、
    前記タブ部から前記導体板の板面方向に突出し且つ前記導体板の厚さ方向に延びる突起形状を有し、
    前記第2係止部は、
    前記タブ部から前記導体板の板面方向に突出し且つ前記導体板の厚さ方向に延びる突起形状を有し、
    前記第1係止部の前記厚さ方向における厚さが、前記第2係止部の前記厚さ方向における厚さよりも大きい、
    コネクタ。
  3. 請求項2に記載のコネクタにおいて、
    前記第1係止部を有する前記タブ部の数が、前記第2係止部を有する前記タブ部の数よりも多い、
    コネクタ。
  4. 請求項1に記載のコネクタにおいて、
    前記端子金具は、
    前記第1係止部及び前記第2係止部の何れも有さない前記タブ部を有する、
    コネクタ。
JP2022164072A 2022-10-12 2022-10-12 コネクタ Active JP7586876B2 (ja)

Priority Applications (3)

Application Number Priority Date Filing Date Title
JP2022164072A JP7586876B2 (ja) 2022-10-12 2022-10-12 コネクタ
CN202311214008.3A CN117878629A (zh) 2022-10-12 2023-09-20 连接器
US18/470,853 US12470006B2 (en) 2022-10-12 2023-09-20 Connector with a terminal fitting

Applications Claiming Priority (1)

Application Number Priority Date Filing Date Title
JP2022164072A JP7586876B2 (ja) 2022-10-12 2022-10-12 コネクタ

Publications (2)

Publication Number Publication Date
JP2024057375A JP2024057375A (ja) 2024-04-24
JP7586876B2 true JP7586876B2 (ja) 2024-11-19

Family

ID=90581732

Family Applications (1)

Application Number Title Priority Date Filing Date
JP2022164072A Active JP7586876B2 (ja) 2022-10-12 2022-10-12 コネクタ

Country Status (3)

Country Link
US (1) US12470006B2 (ja)
JP (1) JP7586876B2 (ja)
CN (1) CN117878629A (ja)

Citations (4)

* Cited by examiner, † Cited by third party
Publication number Priority date Publication date Assignee Title
JP2005353361A (ja) 2004-06-09 2005-12-22 Sumitomo Wiring Syst Ltd コネクタ
JP2012084406A (ja) 2010-10-12 2012-04-26 Yazaki Corp コネクタ
JP2013073911A (ja) 2011-09-29 2013-04-22 Auto Network Gijutsu Kenkyusho:Kk ジョイントコネクタ
JP2014049329A (ja) 2012-08-31 2014-03-17 Yazaki Corp 圧入端子及び端子圧入構造

Family Cites Families (6)

* Cited by examiner, † Cited by third party
Publication number Priority date Publication date Assignee Title
JPH021823Y2 (ja) * 1985-02-27 1990-01-17
JPH081572Y2 (ja) * 1991-03-28 1996-01-17 矢崎総業株式会社 プリント基板用コネクタ
US9362665B2 (en) 2011-09-29 2016-06-07 Autonetworks Technologies, Ltd. Joint connector with pairs of locking lances and communication space extending between the pairs of locking lances
JP6422908B2 (ja) * 2016-03-15 2018-11-14 矢崎総業株式会社 コネクタ
JP6898380B2 (ja) * 2019-04-04 2021-07-07 矢崎総業株式会社 コネクタ
JP2022042037A (ja) * 2020-09-02 2022-03-14 矢崎総業株式会社 コネクタ

Patent Citations (4)

* Cited by examiner, † Cited by third party
Publication number Priority date Publication date Assignee Title
JP2005353361A (ja) 2004-06-09 2005-12-22 Sumitomo Wiring Syst Ltd コネクタ
JP2012084406A (ja) 2010-10-12 2012-04-26 Yazaki Corp コネクタ
JP2013073911A (ja) 2011-09-29 2013-04-22 Auto Network Gijutsu Kenkyusho:Kk ジョイントコネクタ
JP2014049329A (ja) 2012-08-31 2014-03-17 Yazaki Corp 圧入端子及び端子圧入構造

Also Published As

Publication number Publication date
US12470006B2 (en) 2025-11-11
CN117878629A (zh) 2024-04-12
JP2024057375A (ja) 2024-04-24
US20240128675A1 (en) 2024-04-18

Similar Documents

Publication Publication Date Title
JP5563241B2 (ja) 電気コネクタ
US9912106B2 (en) Electrical connector having improved shielding shell
JP6493611B1 (ja) 電気コネクタ
JP2622888B2 (ja) 電気コネクタ
JP5534350B2 (ja) コネクタ装置
US20140220792A1 (en) Conductive plate and joint connector
US7118423B2 (en) Joint connector structure
JP7363626B2 (ja) コネクタおよびコネクタ装置
JP7100073B2 (ja) 電気接続部品
US20040097113A1 (en) Connector
US20180131117A1 (en) Joint connector
US5564953A (en) Divided-type multi-pole connector
JP7586876B2 (ja) コネクタ
KR102503963B1 (ko) 전기 접속 부품
JP2024025507A (ja) 端子金具、コネクタ、及び、端子金具の製造方法
JP7236034B2 (ja) 分岐用コネクタ
JP7256094B2 (ja) ジョイントコネクタ
JP7248737B2 (ja) コネクタ
JP4960273B2 (ja) ケーブルコネクタ
JP7410562B2 (ja) 電気コネクタ
JP3274250B2 (ja) ジョイントコネクタおよびジョイント端子
US12494594B2 (en) Terminal fitting housing unit with heat sink portion
WO2016017392A1 (ja) コネクタユニット、枠部付サブコネクタ及びキャップ付サブコネクタ
WO2024190296A1 (ja) コネクタ
JP2024131161A (ja) 箱状体、及び、電子部品内蔵ユニット

Legal Events

Date Code Title Description
A621 Written request for application examination

Free format text: JAPANESE INTERMEDIATE CODE: A621

Effective date: 20240216

A977 Report on retrieval

Free format text: JAPANESE INTERMEDIATE CODE: A971007

Effective date: 20240829

A131 Notification of reasons for refusal

Free format text: JAPANESE INTERMEDIATE CODE: A131

Effective date: 20240903

A521 Request for written amendment filed

Free format text: JAPANESE INTERMEDIATE CODE: A523

Effective date: 20241004

TRDD Decision of grant or rejection written
A01 Written decision to grant a patent or to grant a registration (utility model)

Free format text: JAPANESE INTERMEDIATE CODE: A01

Effective date: 20241105

A61 First payment of annual fees (during grant procedure)

Free format text: JAPANESE INTERMEDIATE CODE: A61

Effective date: 20241107

R150 Certificate of patent or registration of utility model

Ref document number: 7586876

Country of ref document: JP

Free format text: JAPANESE INTERMEDIATE CODE: R150