JP6248997B2 - ハイブリッド自動車 - Google Patents

ハイブリッド自動車 Download PDF

Info

Publication number
JP6248997B2
JP6248997B2 JP2015177563A JP2015177563A JP6248997B2 JP 6248997 B2 JP6248997 B2 JP 6248997B2 JP 2015177563 A JP2015177563 A JP 2015177563A JP 2015177563 A JP2015177563 A JP 2015177563A JP 6248997 B2 JP6248997 B2 JP 6248997B2
Authority
JP
Japan
Prior art keywords
engine
water temperature
control
predetermined
output
Prior art date
Legal status (The legal status is an assumption and is not a legal conclusion. Google has not performed a legal analysis and makes no representation as to the accuracy of the status listed.)
Active
Application number
JP2015177563A
Other languages
English (en)
Other versions
JP2017052388A (ja
Inventor
啓介 森崎
啓介 森崎
西垣 隆弘
隆弘 西垣
大吾 安藤
大吾 安藤
裕一郎 河合
裕一郎 河合
Current Assignee (The listed assignees may be inaccurate. Google has not performed a legal analysis and makes no representation or warranty as to the accuracy of the list.)
Toyota Motor Corp
Original Assignee
Toyota Motor Corp
Priority date (The priority date is an assumption and is not a legal conclusion. Google has not performed a legal analysis and makes no representation as to the accuracy of the date listed.)
Filing date
Publication date
Application filed by Toyota Motor Corp filed Critical Toyota Motor Corp
Priority to JP2015177563A priority Critical patent/JP6248997B2/ja
Priority to DE102016116644.8A priority patent/DE102016116644B4/de
Priority to CN201610806303.1A priority patent/CN106515711B/zh
Priority to US15/258,129 priority patent/US9751524B2/en
Publication of JP2017052388A publication Critical patent/JP2017052388A/ja
Application granted granted Critical
Publication of JP6248997B2 publication Critical patent/JP6248997B2/ja
Active legal-status Critical Current
Anticipated expiration legal-status Critical

Links

Images

Classifications

    • BPERFORMING OPERATIONS; TRANSPORTING
    • B60VEHICLES IN GENERAL
    • B60WCONJOINT CONTROL OF VEHICLE SUB-UNITS OF DIFFERENT TYPE OR DIFFERENT FUNCTION; CONTROL SYSTEMS SPECIALLY ADAPTED FOR HYBRID VEHICLES; ROAD VEHICLE DRIVE CONTROL SYSTEMS FOR PURPOSES NOT RELATED TO THE CONTROL OF A PARTICULAR SUB-UNIT
    • B60W20/00Control systems specially adapted for hybrid vehicles
    • B60W20/10Controlling the power contribution of each of the prime movers to meet required power demand
    • B60W20/15Control strategies specially adapted for achieving a particular effect
    • B60W20/16Control strategies specially adapted for achieving a particular effect for reducing engine exhaust emissions
    • BPERFORMING OPERATIONS; TRANSPORTING
    • B60VEHICLES IN GENERAL
    • B60KARRANGEMENT OR MOUNTING OF PROPULSION UNITS OR OF TRANSMISSIONS IN VEHICLES; ARRANGEMENT OR MOUNTING OF PLURAL DIVERSE PRIME-MOVERS IN VEHICLES; AUXILIARY DRIVES FOR VEHICLES; INSTRUMENTATION OR DASHBOARDS FOR VEHICLES; ARRANGEMENTS IN CONNECTION WITH COOLING, AIR INTAKE, GAS EXHAUST OR FUEL SUPPLY OF PROPULSION UNITS IN VEHICLES
    • B60K6/00Arrangement or mounting of plural diverse prime-movers for mutual or common propulsion, e.g. hybrid propulsion systems comprising electric motors and internal combustion engines
    • B60K6/20Arrangement or mounting of plural diverse prime-movers for mutual or common propulsion, e.g. hybrid propulsion systems comprising electric motors and internal combustion engines the prime-movers consisting of electric motors and internal combustion engines, e.g. HEVs
    • B60K6/42Arrangement or mounting of plural diverse prime-movers for mutual or common propulsion, e.g. hybrid propulsion systems comprising electric motors and internal combustion engines the prime-movers consisting of electric motors and internal combustion engines, e.g. HEVs characterised by the architecture of the hybrid electric vehicle
    • B60K6/44Series-parallel type
    • B60K6/445Differential gearing distribution type
    • BPERFORMING OPERATIONS; TRANSPORTING
    • B60VEHICLES IN GENERAL
    • B60WCONJOINT CONTROL OF VEHICLE SUB-UNITS OF DIFFERENT TYPE OR DIFFERENT FUNCTION; CONTROL SYSTEMS SPECIALLY ADAPTED FOR HYBRID VEHICLES; ROAD VEHICLE DRIVE CONTROL SYSTEMS FOR PURPOSES NOT RELATED TO THE CONTROL OF A PARTICULAR SUB-UNIT
    • B60W10/00Conjoint control of vehicle sub-units of different type or different function
    • B60W10/04Conjoint control of vehicle sub-units of different type or different function including control of propulsion units
    • B60W10/06Conjoint control of vehicle sub-units of different type or different function including control of propulsion units including control of combustion engines
    • BPERFORMING OPERATIONS; TRANSPORTING
    • B60VEHICLES IN GENERAL
    • B60WCONJOINT CONTROL OF VEHICLE SUB-UNITS OF DIFFERENT TYPE OR DIFFERENT FUNCTION; CONTROL SYSTEMS SPECIALLY ADAPTED FOR HYBRID VEHICLES; ROAD VEHICLE DRIVE CONTROL SYSTEMS FOR PURPOSES NOT RELATED TO THE CONTROL OF A PARTICULAR SUB-UNIT
    • B60W10/00Conjoint control of vehicle sub-units of different type or different function
    • B60W10/04Conjoint control of vehicle sub-units of different type or different function including control of propulsion units
    • B60W10/08Conjoint control of vehicle sub-units of different type or different function including control of propulsion units including control of electric propulsion units, e.g. motors or generators
    • BPERFORMING OPERATIONS; TRANSPORTING
    • B60VEHICLES IN GENERAL
    • B60WCONJOINT CONTROL OF VEHICLE SUB-UNITS OF DIFFERENT TYPE OR DIFFERENT FUNCTION; CONTROL SYSTEMS SPECIALLY ADAPTED FOR HYBRID VEHICLES; ROAD VEHICLE DRIVE CONTROL SYSTEMS FOR PURPOSES NOT RELATED TO THE CONTROL OF A PARTICULAR SUB-UNIT
    • B60W50/00Details of control systems for road vehicle drive control not related to the control of a particular sub-unit, e.g. process diagnostic or vehicle driver interfaces
    • B60W2050/0001Details of the control system
    • B60W2050/0043Signal treatments, identification of variables or parameters, parameter estimation or state estimation
    • BPERFORMING OPERATIONS; TRANSPORTING
    • B60VEHICLES IN GENERAL
    • B60WCONJOINT CONTROL OF VEHICLE SUB-UNITS OF DIFFERENT TYPE OR DIFFERENT FUNCTION; CONTROL SYSTEMS SPECIALLY ADAPTED FOR HYBRID VEHICLES; ROAD VEHICLE DRIVE CONTROL SYSTEMS FOR PURPOSES NOT RELATED TO THE CONTROL OF A PARTICULAR SUB-UNIT
    • B60W2510/00Input parameters relating to a particular sub-units
    • B60W2510/06Combustion engines, Gas turbines
    • BPERFORMING OPERATIONS; TRANSPORTING
    • B60VEHICLES IN GENERAL
    • B60WCONJOINT CONTROL OF VEHICLE SUB-UNITS OF DIFFERENT TYPE OR DIFFERENT FUNCTION; CONTROL SYSTEMS SPECIALLY ADAPTED FOR HYBRID VEHICLES; ROAD VEHICLE DRIVE CONTROL SYSTEMS FOR PURPOSES NOT RELATED TO THE CONTROL OF A PARTICULAR SUB-UNIT
    • B60W2510/00Input parameters relating to a particular sub-units
    • B60W2510/06Combustion engines, Gas turbines
    • B60W2510/0676Engine temperature
    • BPERFORMING OPERATIONS; TRANSPORTING
    • B60VEHICLES IN GENERAL
    • B60WCONJOINT CONTROL OF VEHICLE SUB-UNITS OF DIFFERENT TYPE OR DIFFERENT FUNCTION; CONTROL SYSTEMS SPECIALLY ADAPTED FOR HYBRID VEHICLES; ROAD VEHICLE DRIVE CONTROL SYSTEMS FOR PURPOSES NOT RELATED TO THE CONTROL OF A PARTICULAR SUB-UNIT
    • B60W2530/00Input parameters relating to vehicle conditions or values, not covered by groups B60W2510/00 or B60W2520/00
    • B60W2530/12Catalyst or filter state
    • BPERFORMING OPERATIONS; TRANSPORTING
    • B60VEHICLES IN GENERAL
    • B60WCONJOINT CONTROL OF VEHICLE SUB-UNITS OF DIFFERENT TYPE OR DIFFERENT FUNCTION; CONTROL SYSTEMS SPECIALLY ADAPTED FOR HYBRID VEHICLES; ROAD VEHICLE DRIVE CONTROL SYSTEMS FOR PURPOSES NOT RELATED TO THE CONTROL OF A PARTICULAR SUB-UNIT
    • B60W2710/00Output or target parameters relating to a particular sub-units
    • B60W2710/06Combustion engines, Gas turbines
    • BPERFORMING OPERATIONS; TRANSPORTING
    • B60VEHICLES IN GENERAL
    • B60WCONJOINT CONTROL OF VEHICLE SUB-UNITS OF DIFFERENT TYPE OR DIFFERENT FUNCTION; CONTROL SYSTEMS SPECIALLY ADAPTED FOR HYBRID VEHICLES; ROAD VEHICLE DRIVE CONTROL SYSTEMS FOR PURPOSES NOT RELATED TO THE CONTROL OF A PARTICULAR SUB-UNIT
    • B60W2710/00Output or target parameters relating to a particular sub-units
    • B60W2710/06Combustion engines, Gas turbines
    • B60W2710/0677Engine power
    • BPERFORMING OPERATIONS; TRANSPORTING
    • B60VEHICLES IN GENERAL
    • B60YINDEXING SCHEME RELATING TO ASPECTS CROSS-CUTTING VEHICLE TECHNOLOGY
    • B60Y2300/00Purposes or special features of road vehicle drive control systems
    • B60Y2300/47Engine emissions
    • B60Y2300/474Catalyst warm up
    • BPERFORMING OPERATIONS; TRANSPORTING
    • B60VEHICLES IN GENERAL
    • B60YINDEXING SCHEME RELATING TO ASPECTS CROSS-CUTTING VEHICLE TECHNOLOGY
    • B60Y2300/00Purposes or special features of road vehicle drive control systems
    • B60Y2300/47Engine emissions
    • B60Y2300/476Regeneration of particle filters
    • YGENERAL TAGGING OF NEW TECHNOLOGICAL DEVELOPMENTS; GENERAL TAGGING OF CROSS-SECTIONAL TECHNOLOGIES SPANNING OVER SEVERAL SECTIONS OF THE IPC; TECHNICAL SUBJECTS COVERED BY FORMER USPC CROSS-REFERENCE ART COLLECTIONS [XRACs] AND DIGESTS
    • Y02TECHNOLOGIES OR APPLICATIONS FOR MITIGATION OR ADAPTATION AGAINST CLIMATE CHANGE
    • Y02TCLIMATE CHANGE MITIGATION TECHNOLOGIES RELATED TO TRANSPORTATION
    • Y02T10/00Road transport of goods or passengers
    • Y02T10/10Internal combustion engine [ICE] based vehicles
    • Y02T10/40Engine management systems
    • YGENERAL TAGGING OF NEW TECHNOLOGICAL DEVELOPMENTS; GENERAL TAGGING OF CROSS-SECTIONAL TECHNOLOGIES SPANNING OVER SEVERAL SECTIONS OF THE IPC; TECHNICAL SUBJECTS COVERED BY FORMER USPC CROSS-REFERENCE ART COLLECTIONS [XRACs] AND DIGESTS
    • Y02TECHNOLOGIES OR APPLICATIONS FOR MITIGATION OR ADAPTATION AGAINST CLIMATE CHANGE
    • Y02TCLIMATE CHANGE MITIGATION TECHNOLOGIES RELATED TO TRANSPORTATION
    • Y02T10/00Road transport of goods or passengers
    • Y02T10/60Other road transportation technologies with climate change mitigation effect
    • Y02T10/62Hybrid vehicles

Landscapes

  • Engineering & Computer Science (AREA)
  • Chemical & Material Sciences (AREA)
  • Combustion & Propulsion (AREA)
  • Transportation (AREA)
  • Mechanical Engineering (AREA)
  • Automation & Control Theory (AREA)
  • Hybrid Electric Vehicles (AREA)
  • Control Of Vehicle Engines Or Engines For Specific Uses (AREA)
  • Exhaust Gas After Treatment (AREA)
  • Electric Propulsion And Braking For Vehicles (AREA)
  • Combined Controls Of Internal Combustion Engines (AREA)

Description

本発明は、ハイブリッド自動車に関し、エンジンとモータとバッテリとを備えるハイブリッド自動車に関する。
従来、内燃機関システムとして、内燃機関と内燃機関の排気通路に設けられた粒子状物質(PM)除去装置とを備え、内燃機関の冷却水温度が基準温度より低く且つPM除去装置を通過後の排気中のPM粒子数が基準粒子数より多いときには、内燃機関からの排気中のPM粒子数が減少するように内燃機関の動作点(機関回転数および機関負荷)を変更するものが提案されている(例えば、特許文献1参照)。このシステムでは、上述の制御により、システム外に排出される排気中のPM粒子数を少なくしている。
特開2012−219746号公報
走行用の内燃機関と電動機とこの電動機と電力をやりとりするバッテリとを備え、エンジンを間欠運転しながら走行するハイブリッド自動車では、内燃機関の運転開始時の冷却水温(開始時水温)に応じて、以下の第1制御または第2制御を実行するものがある。第1制御では、開始時水温が第1所定温度以下のときに、冷却水温が第1所定温度よりも高くなるまで、内燃機関の出力を第1所定出力以下に制限して内燃機関の排気浄化装置の触媒を暖機する。第2制御では、開始時水温が第1所定温度よりも高く且つ第2所定温度以下のときに、冷却水温が第2所定温度よりも高くなるまで、内燃機関の出力を第1所定出力よりも大きい第2所定出力以下に制限してPM粒子数の増加を抑制する。この場合、第1制御,第2制御の実行時に、冷却水温の上昇が比較的緩やかなときには、第1制御,第2制御の実行時間が比較的長くなってしまうことがある。第1制御,第2制御の実行時間が比較的長くなると、モータからの出力ひいてはバッテリからの放電電力が比較的大きくなりやすい時間が比較的長く継続し、バッテリの蓄電割合が比較的大きく低下することがある。このため、第1制御,第2制御の実行時間が比較的長くなるのを抑制するのが好ましい。
本発明のハイブリッド自動車は、エンジンからの出力が制限される時間が比較的長くなるのを抑制することを主目的とする。
本発明のハイブリッド自動車は、上述の主目的を達成するために以下の手段を採った。
本発明のハイブリッド自動車は、
走行用のエンジンおよびモータと、
前記モータと電力をやりとりするバッテリと、
前記エンジンを間欠運転しながら走行用の要求出力によって走行するように前記エンジンと前記モータとを制御する制御手段と、
を備えるハイブリッド自動車であって、
前記制御手段は、
前記エンジンの運転開始時の冷却水温である開始時水温が第1所定温度よりも高い第2所定温度よりも高いときには、前記要求出力に応じた前記エンジンの目標出力が該エンジンから出力されるように前記エンジンを制御する通常制御を実行し、
前記開始時水温が前記第1所定温度以下のときには、前記エンジンの出力が第1所定出力以下に制限されて前記エンジンの排気浄化装置の触媒が暖機されるように前記エンジンを制御する第1制御を実行すると共に、その後に前記冷却水温が前記第1所定温度よりも高くなった或いは前記エンジンの運転開始から第1所定時間が経過したときに前記通常制御に移行し、
前記開始時水温が前記第1所定温度よりも高く且つ前記第2所定温度以下のときには、前記エンジンの出力が前記第1所定出力よりも大きい第2所定出力以下に制限されて前記エンジンからの粒子状物質の排出量が抑制されるように前記エンジンを制御する第2制御を実行すると共に、その後に前記冷却水温が前記第2所定温度よりも高くなった或いは前記エンジンの運転開始から第2所定時間が経過したときに前記通常制御に移行する、
ことを要旨とする。
この本発明のハイブリッド自動車では、エンジンを間欠運転しながら走行用の要求出力によって走行するようにエンジンとモータとを制御する。そして、エンジンの運転開始時の冷却水温である開始時水温が第1所定温度よりも高い第2所定温度よりも高いときには、要求出力に応じたエンジンの目標出力がエンジンから出力されるようにエンジンを制御する通常制御を実行する。また、開始時水温が第1所定温度以下のときには、エンジンの出力が第1所定出力以下に制限されてエンジンの排気浄化装置の触媒が暖機されるようにエンジンを制御する第1制御を実行すると共に、その後に冷却水温が第1所定温度よりも高くなった或いはエンジンの運転開始から第1所定時間が経過したときに通常制御に移行する。さらに、開始時水温が第1所定温度よりも高く且つ第2所定温度以下のときには、エンジンの出力が第1所定出力よりも大きい第2所定出力以下に制限されてエンジンからの粒子状物質の排出量が抑制されるようにエンジンを制御する第2制御を実行すると共に、その後に冷却水温が第2所定温度よりも高くなった或いはエンジンの運転開始から第2所定時間が経過したときに通常制御に移行する。したがって、第1制御の実行中に、冷却水温が第1所定温度よりも高くなった或いはエンジンの運転開始から第1所定時間が経過したときに通常制御に移行するから、冷却水温が第1所定温度よりも高くなったときにだけ通常制御に移行するものに比して、冷却水温の上昇が比較的緩やかなときに第1制御の実行時間が比較的長くなるのを抑制することができる。また、第2制御の実行中に、冷却水温が第2所定温度よりも高くなった或いはエンジンの運転開始から第2所定時間が経過したときに通常制御に移行するから、冷却水温が第2所定温度よりも高くなったときにだけ通常制御に移行するものに比して、冷却水温の上昇が比較的緩やかなときに第2制御の実行時間が比較的長くなるのを抑制することができる。これらの結果、モータからの出力ひいてはバッテリからの放電電力が比較的大きくなりやすい時間が比較的長く継続するのを抑制することができ、バッテリの蓄電割合が比較的大きく低下するのを抑制することができる。
こうした本発明のハイブリッド自動車において、前記第2所定出力は、前記開始時水温が低いときに高いときよりも小さくなるように設定されるものとしてもよい。開始時水温が低いときには、開始時水温が高いときよりも、エンジンの気筒内の温度が低く、エンジンからの粒子状物質の排出量が多くなりやすい、と考えられる。開始時水温が低いときに高いときよりも小さくなるように第2所定出力を設定することにより、エンジンからの粒子状物質の排出量をより適切に抑制することができる。
また、本発明のハイブリッド自動車において、前記第2所定時間は、前記開始時水温が低いときに高いときよりも長くなるように設定されるものとしてもよい。上述したように、開始時水温が低いときには、開始時水温が高いときよりも、エンジンの気筒内の温度が低く、エンジンからの粒子状物質の排出量が多くなりやすい、と考えられる。開始時水温が低いときに高いときよりも長くなるように第2所定時間を設定することにより、第2制御の実行時間(エンジンからの粒子状物質を抑制する時間)をより適切にすることができる。
本発明のハイブリッド自動車において、前記制御手段は、前記開始時水温が前記第1所定温度よりも高く且つ前記第2所定温度以下のときにおいて、前記エンジンの前回の運転終了から今回の運転開始までの停止時間が第3所定時間以上のときには、前記第2制御を実行した後に前記通常制御に移行し、前記停止時間が前記第3所定時間未満のときには、前記第2制御を実行せずに前記通常制御を実行するものとしてもよい。停止時間が比較的短いときには、エンジンの気筒内の温度が未だ比較的高く、エンジンからの粒子状物質の排出量はそれほど多くならないと考えられる。停止時間が第3所定時間以上のときには、第2制御を実行した後に通常制御に移行することにより、エンジンからの粒子状物質の排出量を抑制することができる。停止時間が第3所定時間未満のときには、第2制御を実行せずに通常制御を実行することにより、モータからの出力ひいてはバッテリからの放電電力が比較的大きくなるのをより抑制することができる。
この態様の本発明のハイブリッド自動車において、前記第3所定時間は、前記開始時水温が低いときに高いときよりも短くなるように設定されるものとしてもよい。開始時水温が低いときには、開始時水温が高いときよりも、エンジンの気筒内の温度が低下しやすいと考えられる。開始時水温が低いときに高いときよりも短くなるように第3所定時間を設定することにより、第2制御を実行するか否かをより適切に判定することができる。
本発明のハイブリッド自動車において、前記制御手段は、前記第2制御の実行中に、前記冷却水温が前記第2所定温度よりも高くなっておらず且つ前記エンジンの運転開始から前記第2所定時間が経過していないときでも、前記エンジンの運転開始からの積算空気量が所定空気量以上に至ったときには、前記通常制御に移行するものとしてもよい。こうすれば、第2制御の実行時間が長くなるのをより抑制することができる。
この態様の本発明のハイブリッド自動車において、前記所定空気量は、前記開始時水温が低いときに高いときよりも多くなるように設定されるものとしてもよい。上述したように、開始時水温が低いときには、開始時水温が高いときよりも、エンジンの気筒内の温度が低く、エンジンからの粒子状物質の排出量が多くなりやすい、と考えられる。開始時水温が低いときに高いときよりも多くなるように所定空気量を設定することにより、第2制御の実行時間(エンジンからの粒子状物質を抑制する時間)をより適切にすることができる。
本発明の一実施例としてのハイブリッド自動車20の構成の概略を示す構成図である。 エンジン22の構成の概略を示す構成図である。 実施例のHVECU70によって実行される制御ルーチンの一例を示すフローチャートである。 開始時水温Twstと上限パワーPe2との関係を定めたマップの一例を示す説明図である。 開始時水温Twstと閾値topref2との関係を定めたマップの一例を示す説明図である。 変形例の制御ルーチンの一例を示すフローチャートである。 変形例の場合のエンジン22の状態とPN抑制制御の実行の有無との様子の一例を示す説明図である。 開始時水温Twstと閾値toffrefとの関係を定めたマップの一例を示す説明図である。 変形例の制御ルーチンの一例を示すフローチャートである。 開始時水温Twstと閾値Garefとの関係を定めたマップの一例を示す説明図である。 変形例の場合のPN抑制制御を実行する際の様子の一例を示す説明図である。 変形例のハイブリッド自動車120の構成の概略を示す構成図である。 変形例のハイブリッド自動車220の構成の概略を示す構成図である。
次に、本発明を実施するための形態を実施例を用いて説明する。
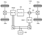
図1は、本発明の一実施例としてのハイブリッド自動車20の構成の概略を示す構成図である。実施例のハイブリッド自動車20は、図示するように、エンジン22と、プラネタリギヤ30と、モータMG1,MG2と、インバータ41,42と、バッテリ50と、ハイブリッド用電子制御ユニット(以下、「HVECU」という)70と、を備える。
エンジン22は、ガソリンや軽油などを燃料として動力を出力する内燃機関として構成されている。図2は、エンジン22の構成の概略を示す構成図である。エンジン22は、図2に示すように、エアクリーナ122によって清浄された空気をスロットルバルブ124を介して吸入すると共に燃料噴射弁126から燃料を噴射して、空気と燃料とを混合する。そして、この混合気を吸気バルブ128を介して燃焼室129に吸入し、点火プラグ130による電気火花によって爆発燃焼させて、そのエネルギによって押し下げられるピストン132の往復運動をクランクシャフト26の回転運動に変換する。燃焼室129からの排気は、一酸化炭素(CO)や炭化水素(HC),窒素酸化物(NOx)の有害成分を浄化する浄化触媒(三元触媒)134aを有する浄化装置134を介して外気に排出される。
エンジン22は、エンジン用電子制御ユニット(以下、「エンジンECU」という)24によって運転制御されている。エンジンECU24は、図示しないが、CPUを中心とするマイクロプロセッサとして構成されており、CPUの他に、処理プログラムを記憶するROM,データを一時的に記憶するRAM,入出力ポート,通信ポートを備える。エンジンECU24には、エンジン22を運転制御するのに必要な各種センサからの信号が入力ポートを介して入力されている。エンジンECU24に入力される信号としては、以下のものを挙げることができる。
・クランクシャフト26の回転位置を検出するクランクポジションセンサ140からのクランク角θcr
・エンジン22の冷却水の温度を検出する水温センサ142からの冷却水温Tw
・吸気バルブ128を開閉するインテークカムシャフトの回転位置や排気バルブを開閉するエキゾーストカムシャフトの回転位置を検出するカムポジションセンサ144からのカム角θci,θco
・スロットルバルブ124のポジションを検出するスロットルバルブポジションセンサ146からのスロットル開度TH
・吸気管に取り付けられたエアフローメータ148からの吸入空気量Qa
・吸気管に取り付けられた温度センサ149からの吸気温Ta
・吸気管内の圧力を検出する吸気圧センサ158からの吸気圧Pin
・空燃比センサ135aからの空燃比AF
・酸素センサ135bからの酸素信号O2
・シリンダブロックに取り付けられてノッキングの発生に伴って生じる振動を検出するノックセンサ159からのノック信号Ks
エンジンECU24からは、エンジン22を運転制御するための各種制御信号が出力ポートを介して出力されている。エンジンECU24から出力される信号としては、以下のものを挙げることができる。
・スロットルバルブ124のポジションを調節するスロットルモータ136への駆動制御信号
・燃料噴射弁126への駆動制御信号
・イグナイタと一体化されたイグニッションコイル138への駆動制御信号
エンジンECU24は、HVECU70と通信ポートを介して接続されており、HVECU70からの制御信号によってエンジン22を運転制御すると共に必要に応じてエンジン22の運転状態に関するデータをHVECU70に出力する。なお、エンジンECU24は、クランクポジションセンサ140からのクランク角θcrに基づいて、クランクシャフト26の回転数、即ち、エンジン22の回転数Neを演算している。また、エンジンECU24は、エアフローメータ148からの吸入空気量Qaとエンジン22の回転数Neとに基づいて、体積効率(エンジン22の1サイクルあたりの行程容積に対する1サイクルで実際に吸入される空気の容積の比)KLを演算している。
図1に示すように、プラネタリギヤ30は、シングルピニオン式の遊星歯車機構として構成されている。プラネタリギヤ30のサンギヤには、モータMG1の回転子が接続されている。プラネタリギヤ30のリングギヤには、駆動輪38a,38bにデファレンシャルギヤ37を介して連結された駆動軸36が接続されている。プラネタリギヤ30のキャリヤには、ねじれ要素としてのダンパ28を介してエンジン22のクランクシャフト26が接続されている。
モータMG1は、例えば同期発電電動機として構成されており、上述したように、回転子がプラネタリギヤ30のサンギヤに接続されている。モータMG2は、例えば同期発電電動機として構成されており、回転子が駆動軸36に接続されている。インバータ41,42は、電力ライン54を介してバッテリ50と接続されている。モータMG1,MG2は、モータ用電子制御ユニット(以下、「モータECU」という)40によって、インバータ41,42の図示しない複数のスイッチング素子がスイッチング制御されることにより、回転駆動される。
モータECU40は、図示しないが、CPUを中心とするマイクロプロセッサとして構成されており、CPUの他に、処理プログラムを記憶するROMやデータを一時的に記憶するRAM,入出力ポート,通信ポートを備える。モータECU40には、モータMG1,MG2を駆動制御するのに必要な各種センサからの信号が入力ポートを介して入力されている。モータECU40に入力される信号としては、以下のものを挙げることができる。
・モータMG1,MG2の回転子の回転位置を検出する回転位置検出センサ43,44からの回転位置θm1,θm2
・モータMG1,MG2の各相に流れる電流を検出する電流センサからの相電流
モータECU40からは、インバータ41,42の図示しない複数のスイッチング素子へのスイッチング制御信号などが出力ポートを介して出力されている。モータECU40は、HVECU70と通信ポートを介して接続されており、HVECU70からの制御信号によってモータMG1,MG2を駆動制御すると共に必要に応じてモータMG1,MG2の駆動状態に関するデータをHVECU70に出力する。モータECU40は、回転位置検出センサ43,44からのモータMG1,MG2の回転子の回転位置θm1,θm2に基づいてモータMG1,MG2の回転数Nm1,Nm2を演算している。
バッテリ50は、例えばリチウムイオン二次電池やニッケル水素二次電池として構成されており、上述したように、電力ライン54を介してインバータ41,42と接続されている。バッテリ50は、バッテリ用電子制御ユニット(以下、「バッテリECU」という)52によって管理されている。
バッテリECU52は、図示しないが、CPUを中心とするマイクロプロセッサとして構成されており、CPUの他に、処理プログラムを記憶するROMやデータを一時的に記憶するRAM,入出力ポート,通信ポートを備える。バッテリECU52には、バッテリ50を管理するのに必要な各種センサからの信号が入力ポートを介して入力されている。バッテリECU52に入力される信号としては、以下のものを挙げることができる。
・バッテリ50の端子間に設置された電圧センサ51aからの電池電圧Vb
・バッテリ50の出力端子に取り付けられた電流センサ51bからの電池電流Ib
・バッテリ50に取り付けられた温度センサ51cからの電池温度Tb
バッテリECU52は、HVECU70と通信ポートを介して接続されており、必要に応じてバッテリ50の状態に関するデータをHVECU70に出力する。バッテリECU52は、電流センサ51bからの電池電流Ibの積算値に基づいて蓄電割合SOCを演算している。蓄電割合SOCは、バッテリ50の全容量に対するバッテリ50から放電可能な電力の容量の割合である。また、バッテリECU52は、演算した蓄電割合SOCと、温度センサ51cからの電池温度Tbと、に基づいて入出力制限Win,Woutを演算している。入出力制限Win,Woutは、バッテリ50を充放電してもよい最大許容電力である。
HVECU70は、図示しないが、CPUを中心とするマイクロプロセッサとして構成されており、CPUの他に、処理プログラムを記憶するROMやデータを一時的に記憶するRAM,入出力ポート,通信ポートを備える。HVECU70には、各種センサからの信号が入力ポートを介して入力されている。HVECU70に入力される信号としては、以下のものを挙げることができる。
・イグニッションスイッチ80からのイグニッション信号
・シフトレバー81の操作位置を検出するシフトポジションセンサ82からのシフトポジションSP
・アクセルペダル83の踏み込み量を検出するアクセルペダルポジションセンサ84からのアクセル開度Acc
・ブレーキペダル85の踏み込み量を検出するブレーキペダルポジションセンサ86からのブレーキペダルポジションBP
・車速センサ88からの車速V
HVECU70は、エンジンECU24,モータECU40,バッテリECU52と通信ポートを介して接続されており、エンジンECU24,モータECU40,バッテリECU52と各種制御信号やデータのやりとりを行なっている。
こうして構成された実施例のハイブリッド自動車20では、アクセル開度Accと車速Vとに基づいて駆動軸36の要求トルクTp*を設定し、エンジン22の間欠運転を伴ってバッテリ50の入出力制限Win,Woutの範囲内で要求トルクTp*が駆動軸36に出力されるようにエンジン22とモータMG1,MG2とを制御する。
次に、こうして構成された実施例のハイブリッド自動車20の動作、特に、エンジン22の制御について説明する。図3は、実施例のHVECU70によって実行される制御ルーチンの一例を示すフローチャートである。このルーチンは、エンジン22の運転開始時に実行される。
制御ルーチンが実行されると、HVECU70は、まず、開始時水温Twstを入力する(ステップS100)。ここで、開始時水温Twstは、エンジン22の運転開始時(本ルーチンの実行開始時)に水温センサ142によって検出された値をエンジンECU24から通信によって入力するものとした。
続いて、開始時水温Twstを閾値Twref1および閾値Twref1よりも高い閾値Twref2と比較する(ステップS110)。ここで、閾値Twref1は、浄化触媒134aが活性化していない状態(以下、「第1所定状態」という)であるか否かを推定する(判定する)ために用いられる閾値であり、例えば、35℃,40℃,45℃などを用いることができる。閾値Twref2は、燃焼室129内の温度が比較的低く燃料が霧化しにくいために燃焼が不安定になりやすくエンジン22からの粒子状物質の排出量(排出粒子数(PN))が多くなりやすい状態(以下、「第2所定状態」という)であるか否かを推定する(判定する)ために用いられる閾値であり、例えば、55℃,60℃,65℃などを用いることができる。
ステップS110で開始時水温Twstが閾値Twref2よりも高いときには、第1所定状態でも第2所定状態でもないと判断し、エンジン22の通常制御の実行を開始して(ステップS160)、本ルーチンを終了する。ここで、エンジン22を通常制御する際の動作について説明する。このとき、HVECU70は、駆動軸36の要求トルクTp*に駆動軸36の回転数Np(例えば、モータMG2の回転数Nm2など)を乗じて駆動軸36の走行用パワーPp*を計算し、走行用パワーPp*からバッテリ50の充放電要求パワーPb*(バッテリ50から放電するときが正の値)を減じて車両の要求パワーPv*を計算する。続いて、車両の要求パワーPv*をエンジン22の目標パワーPe*に設定し、目標パワーPe*とエンジン22を効率よく運転するための動作ラインとに基づいてエンジン22の目標回転数Ne*および目標トルクTe*を設定する。次に、エンジン22の回転数Neが目標回転数Ne*となるようにモータMG1のトルク指令Tm1*を設定すると共にバッテリ50の入出力制限Win,Woutの範囲内で要求トルクTp*が駆動軸36に出力されるようにモータMG2のトルク指令Tm2*を設定する。そして、エンジン22の目標回転数Ne*および目標トルクTe*についてはエンジンECU24に送信し、モータMG1,MG2のトルク指令Tm1*,Tm2*についてはモータECU40に送信する。エンジンECU24は、目標回転数Ne*および目標トルクTe*に基づく運転ポイントでエンジン22が運転されるようにエンジン22の吸入空気量制御,燃料噴射制御,点火制御などを行なう。モータECU40は、トルク指令Tm1*,Tm2*でモータMG1,MG2が駆動されるようにインバータ41,42のスイッチング素子のスイッチング制御を行なう。
ステップS110で開始時水温Twstが閾値Twref1以下のときには、第1所定状態かつ第2所定状態であると判断し、エンジン22の触媒暖機制御の実行を開始する(ステップS120)。ここで、エンジン22の触媒暖機制御は、エンジン22のパワーPeが上限パワーPe1以下に制限されて浄化触媒134aの暖機(以下、「触媒暖機」という)が行なわれるようにエンジン22を制御する制御である。上限パワーPe1としては、例えば、0.8kW,1.0kW,1.2kWなどを用いることができる。この場合、HVECU70は、上述の車両の要求パワーPv*を上限パワーPe1で制限(上限ガード)してエンジン22の目標パワーPe*を設定し、通常制御と同様に、エンジン22の目標回転数Ne*および目標トルクTe*,モータMG1,MG2のトルク指令Tm1*,Tm2*を設定してエンジンECU24,モータECU40に送信する。エンジンECU24は、点火制御では、エンジン22の点火時期を、エンジン22を効率よく運転するための点火時期よりも遅く且つ触媒暖機に適した点火時期とする。また、吸入空気量制御および燃料噴射制御では、点火時期を触媒暖機に適した点火時期としてエンジン22が目標回転数Ne*および目標トルクTe*に基づく運転ポイントで運転されるようにスロットル開度および燃料噴射量を調節する。このように点火時期を触媒暖機に適した点火時期とすることにより、触媒暖機を促進させることができる。
次に、エンジン22の冷却水温Twとエンジン22の運転時間topとを入力する(ステップS130)。ここで、冷却水温Twは、水温センサ142によって検出された値をエンジンECU24から通信によって入力するものとした。また、エンジン22の運転時間topは、エンジン22の運転開始からの時間として図示しないタイマによって計時されている値を入力するものとした。
続いて、エンジン22の冷却水温Twを閾値Twref1と比較すると共に(ステップS132)、エンジン22の運転時間topを閾値topref1と比較し(ステップS134)、エンジン22の冷却水温Twが閾値Twref1以下で且つエンジン22の運転時間topが閾値topref1未満のときには、ステップS130に戻る。そして、ステップS130〜S134の処理を実行しているときに、ステップS132でエンジン22の冷却水温Twが閾値Twref1よりも高くなった或いはステップS134でエンジン22の運転時間topが閾値topref1以上になったときに、エンジン22の触媒暖機制御の実行を終了すると共にエンジン22の通常制御の実行を開始して(ステップS160)、本ルーチンを終了する。ここで、閾値Twref1および閾値topref1は、触媒暖機制御の実行を終了してよい(通常制御に移行してよい)か否かを判定するために用いられる閾値である。閾値toprefは、例えば、65sec,70sec,75secなどを用いることができる。
このように、エンジン22の冷却水温Twが閾値Twref1よりも高くなった或いはエンジン22の運転時間topが閾値topref1以上になったときにエンジン22の制御を触媒暖機制御から通常制御に移行させることにより、冷却水温Twが閾値Twref1よりも高くなったときにエンジン22の制御を触媒暖機制御から通常制御に移行させるものに比して、冷却水温Twの上昇が比較的緩やかなときに、触媒暖機制御の実行時間が比較的長くなるのを抑制することができる。これにより、モータMG2からの出力ひいてはバッテリ50からの放電電力が比較的大きくなりやすい時間が比較的長く継続するのを抑制することができ、バッテリ50の蓄電割合SOCが比較的大きく低下するのを抑制することができる。
ステップS110で開始時水温Twstが閾値Twref1よりも高く且つ閾値Twref2以下のときには、第1所定状態ではないが第2所定状態であると判断し、エンジン22のPN抑制制御の実行を開始する(ステップS140)。ここで、エンジン22のPN抑制制御は、エンジン22のパワーPeが上限パワーPe1よりも大きい上限パワーPe2以下に制限されてエンジン22からの粒子状物質の排出量が抑制されるようにエンジン22を制御する制御である。上限パワーPe2としては、例えば、4.5kW,5.0kW,5.5kWなどを用いることができる。この場合、HVECU70は、上述の車両の要求パワーPv*を上限パワーPe2で制限(上限ガード)してエンジン22の目標パワーPe*を設定し、通常制御と同様に、エンジン22の目標回転数Ne*および目標トルクTe*,モータMG1,MG2のトルク指令Tm1*,Tm2*を設定してエンジンECU24,モータECU40に送信する。このようにしてエンジン22からのパワーPeを上限パワーPe2以下に制限することにより、パワーPeを上限パワーPe2以下に制限しないものに比して、エンジン22からの粒子状物質の排出量を抑制することができる。
次に、エンジン22の冷却水温Twとエンジン22の運転時間topとを入力し(ステップS150)、エンジン22の冷却水温Twを閾値Twref2と比較すると共に(ステップS152)、エンジン22の運転時間topを閾値topref2と比較し(ステップS154)、エンジン22の冷却水温Twが閾値Twref2以下で且つエンジン22の運転時間topが閾値topref2未満のときには、ステップS150に戻る。そして、ステップS150〜S154の処理を実行しているときに、ステップS152でエンジン22の冷却水温Twが閾値Twref2よりも高くなった或いはステップS154でエンジン22の運転時間topが閾値topref2以上になったときに、エンジン22のPN抑制制御の実行を終了すると共にエンジン22の通常制御の実行を開始して(ステップS160)、本ルーチンを終了する。ここで、閾値Twref2および閾値topref2は、PN抑制制御の実行を終了してよい(通常制御に移行してよい)か否かを判定するために用いられる閾値である。閾値toprefは、例えば、3sec,4sec,5secなどを用いることができる。
このように、エンジン22の冷却水温Twが閾値Twref2よりも高くなった或いはエンジン22の運転時間topが閾値topref2以上になったときにエンジン22の制御をPN抑制制御から通常制御に移行させることにより、冷却水温Twが閾値Twref2よりも高くなったときにエンジン22の制御をPN抑制制御から通常制御に移行させるものに比して、冷却水温Twの上昇が比較的緩やかなときに、PN抑制制御の実行時間が比較的長くなるのを抑制することができる。これにより、モータMG2からの出力ひいてはバッテリ50からの放電電力が比較的大きくなりやすい時間が比較的長く継続するのを抑制することができ、バッテリ50の蓄電割合SOCが比較的大きく低下するのを抑制することができる。
なお、実施例では、触媒暖機制御の実行中に、エンジン22の冷却水温Twが閾値Twref1よりも高くなった或いはエンジン22の運転時間topが閾値topref1以上になったときには、冷却水温Twが閾値Twref2以下でも、エンジン22の制御を、触媒暖機制御からPN抑制制御に移行させるのではなく、触媒暖機制御から通常制御に移行させるものとした。これは、エンジン22の運転をある程度の時間に亘って行なったときには、冷却水温Twが閾値Twref2以下でも、エンジン22の気筒内の温度はある程度高くなっていると考えられるためである。
以上説明した実施例のハイブリッド自動車20では、開始時水温Twstが閾値Twref1よりも高い閾値Twref2よりも高いときには、車両の要求パワーPv*をエンジン22の目標パワーPe*に設定してエンジン22の通常制御を実行する。開始時水温Twstが閾値Twref1以下のときには、車両の要求パワーPv*を上限パワーPe1で制限(上限ガード)して目標パワーPe*を設定してエンジン22の触媒暖機制御を実行すると共にエンジン22の冷却水温Twが閾値Twref1よりも高くなった或いはエンジン22の運転時間topが閾値topref1以上になったときにエンジン22の制御を触媒暖機制御から通常制御に移行させる。開始時水温Twstが閾値Twref1よりも高く且つ閾値Twref2以下のときには、車両の要求パワーPv*を上限パワーPe1よりも大きい上限パワーPe2で制限(上限ガード)して目標パワーPe*を設定してエンジン22のPN抑制制御を実行すると共にエンジン22の冷却水温Twが閾値Twref2よりも高くなった或いはエンジン22の運転時間topが閾値topref2以上になったときにエンジン22の制御をPN抑制制御から通常制御に移行させる。これらより、エンジン22の冷却水温Twの上昇が比較的緩やかなときに、触媒暖機制御,PN抑制制御の実行時間が比較的長くなるのを抑制することができる。この結果、モータMG2からの出力ひいてはバッテリ50からの放電電力が比較的大きくなりやすい時間が比較的長く継続するのを抑制することができ、バッテリ50の蓄電割合SOCが比較的大きく低下するのを抑制することができる。
実施例のハイブリッド自動車20では、上限パワーPe2は、固定値を用いるものとした。しかし、上限パワーPe2は、開始時水温Twstに応じて設定するものとしてもよい。この場合、上限パワーPe2は、例えば、開始時水温Twstと上限パワーPe2との関係を予め定めてマップとして図示しないROMに記憶しておき、開始時水温Twstが与えられると、このマップから対応する上限パワーPe2を導出して設定することができる。開始時水温Twstと上限パワーPe2との関係を定めたマップの一例を図4に示す。図4の例では、上限パワーPe2は、開始時水温Twstが低いときに高いときよりも小さくなるように、具体的には、開始時水温Twstが低いほど小さくなるように設定するものとした。例えば、開始時水温Twstが閾値Twref1付近では、上限パワーPe2に4.5kW,5.0kW,5.5kWなどを設定し、開始時水温Twstが閾値Twref2付近では、上限パワーPe2に7.5kW,8.0kW,8.5kWなどを設定するものとした。開始時水温Twstが低いときには、開始時水温Twstが高いときに比して、エンジン22の気筒内の温度が低く、エンジン22からの粒子状物質の排出量が多くなりやすい、と考えられる。したがって、開始時水温Twstが低いときに高いときよりも小さくなるように上限パワーPe2を設定することにより、エンジン22からの粒子状物質の排出量をより適切に抑制することができる。
実施例のハイブリッド自動車20では、閾値topref2は、固定値を用いるものとした。しかし、閾値topref2は、開始時水温Twstに応じて設定するものとしてもよい。この場合、閾値topref2は、例えば、開始時水温Twstと閾値topref2との関係を予め定めてマップとして図示しないROMに記憶しておき、開始時水温Twstが与えられると、このマップから対応する閾値topref2を導出して設定するものとしてもよい。開始時水温Twstと閾値topref2との関係を定めたマップの一例を図5に示す。図5の例では、閾値topref2は、開始時水温Twstが低いときに高いときよりも長くなるように、具体的には、開始時水温Twstが低いほど長くなるように設定するものとした。例えば、開始時水温Twstが閾値Twref1付近では、閾値topref2に3sec,4sec,5secなどを設定し、開始時水温Twstが閾値Twref2付近では、閾値topref2に1sec,1.5sec,2secなどを設定するものとした。上述したように、開始時水温Twstが低いときには、開始時水温Twstが高いときに比して、エンジン22の気筒内の温度が低く、エンジン22からの粒子状物質の排出量が多くなりやすい、と考えられる。したがって、開始時水温Twstが低いときに高いときよりも長くなるように閾値topref2を設定することにより、PN抑制制御の実行時間(エンジン22からの粒子状物質を抑制する時間)をより適切にすることができる。
実施例のハイブリッド自動車20では、図3の制御ルーチンを実行するものとした。しかし、図6の制御ルーチンを実行するものとしてもよい。ここで、図6のルーチンは、図3のルーチンに対して、ステップS100の処理に代えてステップS200の処理を実行する点,ステップS210の処理を追加した点を除いて、図3のルーチンと同一である。したがって、同一の処理については同一のステップ番号を付し、その詳細な説明は省略する。
図6の制御ルーチンでは、HVECU70は、開始時水温Twstに加えてエンジン22の停止時間toffを入力する(ステップS200)。ここで、停止時間toffは、エンジン22の前回の運転終了から今回の運転開始までの時間として図示しないタイマによって計時された値を入力するものとした。
そして、ステップS110で開始時水温Twstが閾値Twref1よりも高く且つ閾値Twref2以下のときには、エンジン22の停止時間toffを閾値toffrefと比較する(ステップS210)。ここで、閾値toffrefは、エンジン22の運転停止中に気筒内の温度がある程度低下したか否かを判定するために用いられる閾値であり、例えば、25sec,30sec,35secなどを用いることができる。このステップS210の処理は、停止時間toffが比較的短いときには、エンジン22の気筒内の温度が未だ比較的高く、エンジン22からの粒子状物質の排出量はそれほど多くならないと考えられる、との理由に基づくものである。
ステップS210でエンジン22の停止時間toffが閾値toffref以上のときには、エンジン22の運転停止中に気筒内の温度がある程度低下したと判断し、エンジン22のPN抑制制御の実行を開始し(ステップS140)、その後に、エンジン22の制御をPN抑制制御から通常制御に移行して(ステップS150〜S160)、本ルーチンを終了する。この場合、PN抑制制御を実行することにより、エンジン22からの粒子状物質の排出量が多くなるのを抑制することができる。
ステップS210でエンジン22の停止時間toffが閾値toffref未満のときには、エンジン22の運転停止中に気筒内の温度がそれほど低下していないと判断し、エンジン22のPN抑制制御を実行せずに通常制御の実行を開始して(ステップS160)、本ルーチンを終了する。この場合、エンジン22のPN抑制制御を実行せずに通常制御の実行を開始することにより、エンジン22からのパワーPeを大きくすることができ、モータMG2からの出力ひいてはバッテリ50からの放電電力が比較的大きくなるのをより抑制することができる。
図7は、この変形例の場合のエンジン22の状態および制御の様子の一例を示す説明図である。なお、図7では、冷却水温Twが閾値Twref1よりも高く且つ閾値Twref2以下の範囲内で変化しているときを考えるものとした。図示するように、エンジン22の運転開始時に、停止時間toffが閾値toffref以上のときには、PN抑制制御を実行した後に通常制御に移行し、停止時間toffが閾値toffref未満のときには、PN抑制制御実行せずに通常制御を実行する。これにより、停止時間toffが閾値toffref以上のときには、エンジン22からの粒子状物質の排出量が多くなるのを抑制することができ、停止時間toffが閾値toffref未満のときには、モータMG2からの出力ひいてはバッテリ50からの放電電力が比較的大きくなるのをより抑制することができる。
この変形例では、閾値toffrefは、固定値を用いるものとした。しかし、閾値toffrefは、開始時水温Twstに応じて設定するものとしてもよい。この場合、閾値toffrefは、例えば、開始時水温Twstと閾値toffrefとの関係を予め定めてマップとして図示しないROMに記憶しておき、開始時水温Twstが与えられると、このマップから対応する閾値toffrefを導出して設定するものとしてもよい。開始時水温Twstと閾値toffrefとの関係を定めたマップの一例を図8に示す。図8の例では、閾値toffrefは、開始時水温Twstが低いときに高いときよりも小さくなるように、具体的には、開始時水温Twstが低いほど小さくなるように設定するものとした。例えば、開始時水温Twstが閾値Twref1付近では、閾値toffrefに25sec,30sec,35secなどを設定し、開始時水温Twstが閾値Twref2付近では、閾値toffrefに55sec,60sec,65secなどを設定するものとした。開始時水温Twstが低いときには、開始時水温Twstが高いときに比して、エンジン22の気筒内の温度が低くなりやすい、と考えられる。したがって、開始時水温Twstが低いときに高いときよりも小さくなるように閾値toffrefを設定することにより、PN抑制制御を実行するか否かをより適切に判定することができる。
実施例のハイブリッド自動車20では、図3の制御ルーチンを実行するものとした。しかし、図9の制御ルーチンを実行するものとしてもよい。ここで、図9のルーチンは、図3のルーチンに対して、ステップS150の処理に代えてステップS300の処理を実行する点,ステップS310の処理を追加した点を除いて、図3のルーチンと同一である。したがって、同一の処理については同一のステップ番号を付し、その詳細な説明は省略する。
図9の制御ルーチンでは、HVECU70は、PN抑制制御の実行を開始すると(ステップS140)、図2のステップS150と同様にエンジン22の冷却水温Twとエンジン22の運転時間topを入力するのに加えて、エンジン22の積算空気量Gaを入力する(ステップS300)。ここで、エンジン22の積算空気量Gaは、エアフローメータ148からの吸入空気量Qaのエンジン22の運転開始からの積算値として演算された値をエンジンECU24から通信により入力するものとした。
続いて、エンジン22の冷却水温Twを閾値Twref2と比較し(ステップS152)、エンジン22の運転時間topを閾値topref2と比較し(ステップS154)、エンジン22の積算空気量Gaを閾値Garefと比較し(ステップS310)、エンジン22の冷却水温Twが閾値Twref2以下で且つエンジン22の運転時間topが閾値topref2未満で且つ積算空気量Gaが閾値Garef未満のときには、ステップS150に戻る。そして、ステップS150〜S310の処理を実行しているときに、ステップS152でエンジン22の冷却水温Twが閾値Twref2よりも高くなった或いはステップS154でエンジン22の運転時間topが閾値topref2以上になった或いはステップS310でエンジン22の積算空気量Gaが閾値Garef以上になったときに、エンジン22のPN抑制制御の実行を終了すると共に通常制御の実行を開始して(ステップS160)、本ルーチンを終了する。ここで、閾値Garefは、PN抑制制御の実行を終了してよい(通常制御に移行してよい)か否かを判定するために用いられる閾値である。閾値toprefは、例えば、15g,17g,20gなどを用いることができる。
このように、エンジン22の冷却水温Twが閾値Twref2よりも高くなった或いはエンジン22の運転時間topが閾値topref2以上になった或いはエンジン22の積算空気量Gaが閾値Garef以上になったときに、即ち、冷却水温Twの条件および運転時間topの条件が成立していないときでも積算空気量Gaの条件が成立したときに、エンジン22の制御をPN抑制制御から通常制御に移行させることにより、PN抑制制御の実行時間が比較的長くなるのをより抑制することができる。
この変形例では、閾値Garefは、固定値を用いるものとした。しかし、閾値Garefは、開始時水温Twstに応じて設定するものとしてもよい。この場合、閾値Garefは、例えば、開始時水温Twstと閾値Garefとの関係を予め定めてマップとして図示しないROMに記憶しておき、開始時水温Twstが与えられると、このマップから対応する閾値Garefを導出して設定するものとした。開始時水温Twstと閾値Garefとの関係を定めたマップの一例を図10に示す。図10の例では、閾値Garefは、開始時水温Twstが低いときに高いときよりも多くなるように、具体的には、開始時水温Twstが低いほど多くなるように設定するものとした。例えば、開始時水温Twstが閾値Twref1付近では、閾値Garefに15g,17g,20gなどを設定し、開始時水温Twstが閾値Twref2付近では、閾値Garefに8g,10g,12gなどを設定するものとした。上述したように、開始時水温Twstが低いときには、開始時水温Twstが高いときに比して、エンジン22の気筒内の温度が低く、エンジン22からの粒子状物質の排出量が多くなりやすい、と考えられる。したがって、開始時水温Twstが低いときに高いときよりも多くなるように閾値Garefを設定することにより、PN抑制制御の実行時間(エンジン22からの粒子状物質を抑制する時間)をより適切にすることができる。
実施例のハイブリッド自動車20では、PN抑制制御を実行する際には、車両の要求パワーPv*を上限パワーPe2で制限してエンジン22の目標パワーPe*を設定するものとした。しかし、図11に示すように、車両の要求パワーPv*がバッテリ50の出力制限Woutと上限パワーPe2との和(Wout+Pe2)よりも大きくなったときには、エンジン22の目標パワーPe*を上限パワーPe2よりも大きくするものとしてもよい。こうすれば、運転者のアクセル操作により対応することができる。
実施例のハイブリッド自動車20では、触媒暖機制御を実行する際には、車両の要求パワーPv*を上限パワーPe1で制限してエンジン22の目標パワーPe*を設定し、PN抑制制御を実行する際には、車両の要求パワーPv*を上限パワーPe2で制限してエンジン22の目標パワーPe*を設定するものとした。しかし、触媒暖機制御を実行する際には、要求パワーPv*に拘わらずに上限パワーPe1を目標パワーPe*に設定し、PN抑制制御を実行する際には、要求パワーPv*に拘わらずに上限パワーPe2を目標パワーPe*に設定するものとしてもよい。
実施例のハイブリッド自動車20では、触媒暖機制御の実行中に、エンジン22の冷却水温Twが閾値Twref1よりも高くなった或いはエンジン22の運転時間topが閾値topref1以上になったときには、エンジン22の制御を触媒暖機制御から通常制御に移行させるものとした。しかし、触媒暖機制御の実行中に、比較的短時間(例えば、運転時間topが上述の閾値topref2よりも短い時間)で冷却水温Twが閾値Twref1よりも高くなったときには、エンジン22の制御を触媒暖機制御からPN抑制制御に移行させた後に通常制御に移行させるものとしてもよい。この場合のPN抑制制御の実行時間は、例えば、閾値topref2から触媒暖機制御の実行時間を減じた時間などとすることができる。
実施例のハイブリッド自動車20では、モータMG2からの動力を駆動輪38a,38bに接続された駆動軸36に出力するものとした。しかし、図12の変形例のハイブリッド自動車120に例示するように、モータMG2からの動力を、駆動軸36が接続された車軸(駆動輪38a,38bに接続された車軸)とは異なる車軸(図12における車輪39a,39bに接続された車軸)に出力するものとしてもよい。このハード構成の場合でも、実施例と同様に、図3の制御ルーチンなどを実行することにより、実施例と同様の効果を奏することができる。
実施例のハイブリッド自動車20では、エンジン22からの動力をプラネタリギヤ30を介して駆動輪38a,38bに接続された駆動軸36に出力すると共にモータMG2からの動力を駆動軸36に出力するものとした。しかし、図13の変形例のハイブリッド自動車220に例示するように、駆動輪38a,38bに接続された駆動軸36に変速機230を介してモータMGを接続すると共にモータMGの回転軸にクラッチ229を介してエンジン22を接続する構成とし、エンジン22からの動力をモータMGの回転軸と変速機230とを介して駆動軸36に出力すると共にモータMGからの動力を変速機230を介して駆動軸に出力するものとしてもよい。このハード構成の場合でも、実施例と同様に、図3の制御ルーチンなどを実行することにより、実施例と同様の効果を奏することができる。
実施例の主要な要素と課題を解決するための手段の欄に記載した発明の主要な要素との対応関係について説明する。実施例では、エンジン22が「エンジン」に相当し、モータMG2が「モータ」に相当し、バッテリ50が「バッテリ」に相当し、HVECU70とエンジンECU24とモータECU40とが「制御手段」に相当する。
なお、実施例の主要な要素と課題を解決するための手段の欄に記載した発明の主要な要素との対応関係は、実施例が課題を解決するための手段の欄に記載した発明を実施するための形態を具体的に説明するための一例であることから、課題を解決するための手段の欄に記載した発明の要素を限定するものではない。即ち、課題を解決するための手段の欄に記載した発明についての解釈はその欄の記載に基づいて行なわれるべきものであり、実施例は課題を解決するための手段の欄に記載した発明の具体的な一例に過ぎないものである。
以上、本発明を実施するための形態について実施例を用いて説明したが、本発明はこうした実施例に何等限定されるものではなく、本発明の要旨を逸脱しない範囲内において、種々なる形態で実施し得ることは勿論である。
本発明は、ハイブリッド自動車の製造産業などに利用可能である。
20,120,220 ハイブリッド自動車、22 エンジン、24 エンジン用電子制御ユニット(エンジンECU)、26 クランクシャフト、28 ダンパ、30 プラネタリギヤ、36 駆動軸、37 デファレンシャルギヤ、38a,38b 駆動輪、39a,39b 車輪、40 モータ用電子制御ユニット(モータECU)、41,42 インバータ、43,44 回転位置検出センサ、50 バッテリ、51a 電圧センサ、51b 電流センサ、51c 温度センサ、52 バッテリ用電子制御ユニット(バッテリECU)、54 電力ライン、70 ハイブリッド用電子制御ユニット(HVECU)、80 イグニッションスイッチ、81 シフトレバー、82 シフトポジションセンサ、83 アクセルペダル、84 アクセルペダルポジションセンサ、85 ブレーキペダル、86 ブレーキペダルポジションセンサ、88 車速センサ、122 エアクリーナ、124 スロットルバルブ、126 燃料噴射弁、128 吸気バルブ、129 燃焼室、130 点火プラグ、132 ピストン、134 浄化装置、134a 浄化触媒、135a 空燃比センサ、135b 酸素センサ、136 スロットルモータ、138 イグニッションコイル、140 クランクポジションセンサ、142 水温センサ、144 カムポジションセンサ、146 スロットルバルブポジションセンサ、148 エアフローメータ、149 温度センサ、158 吸気圧センサ、159 ノックセンサ、229 クラッチ、230 変速機、MG,MG1,MG2 モータ。

Claims (7)

  1. 走行用のエンジンおよびモータと、
    前記モータと電力をやりとりするバッテリと、
    前記エンジンを間欠運転しながら走行用の要求出力によって走行するように前記エンジンと前記モータとを制御する制御手段と、
    を備えるハイブリッド自動車であって、
    前記制御手段は、
    前記エンジンの運転開始時の冷却水温である開始時水温が第1所定温度よりも高い第2所定温度よりも高いときには、前記要求出力に応じた前記エンジンの目標出力が該エンジンから出力されるように前記エンジンを制御する通常制御を実行し、
    前記開始時水温が前記第1所定温度以下のときには、前記エンジンの出力が第1所定出力以下に制限されて前記エンジンの排気浄化装置の触媒が暖機されるように前記エンジンを制御する第1制御を実行すると共に、その後に前記冷却水温が前記第1所定温度よりも高くなった或いは前記エンジンの運転開始から第1所定時間が経過したときに前記通常制御に移行し、
    前記開始時水温が前記第1所定温度よりも高く且つ前記第2所定温度以下のときには、前記エンジンの出力が前記第1所定出力よりも大きい第2所定出力以下に制限されて前記エンジンからの粒子状物質の排出量が抑制されるように前記エンジンを制御する第2制御を実行すると共に、その後に前記冷却水温が前記第2所定温度よりも高くなった或いは前記エンジンの運転開始から第2所定時間が経過したときに前記通常制御に移行する、
    ハイブリッド自動車。
  2. 請求項1記載のハイブリッド自動車であって、
    前記第2所定出力は、前記開始時水温が低いときに高いときよりも小さくなるように設定される、
    ハイブリッド自動車。
  3. 請求項1または2記載のハイブリッド自動車であって、
    前記第2所定時間は、前記開始時水温が低いときに高いときよりも長くなるように設定される、
    ハイブリッド自動車。
  4. 請求項1ないし3のいずれか1つの請求項に記載のハイブリッド自動車であって、
    前記制御手段は、前記開始時水温が前記第1所定温度よりも高く且つ前記第2所定温度以下のときにおいて、前記エンジンの前回の運転終了から今回の運転開始までの停止時間が第3所定時間以上のときには、前記第2制御を実行した後に前記通常制御に移行し、前記停止時間が前記第3所定時間未満のときには、前記第2制御を実行せずに前記通常制御を実行する、
    ハイブリッド自動車。
  5. 請求項4記載のハイブリッド自動車であって、
    前記第3所定時間は、前記開始時水温が低いときに高いときよりも短くなるように設定される、
    ハイブリッド自動車。
  6. 請求項1ないし5のいずれか1つの請求項に記載のハイブリッド自動車であって、
    前記制御手段は、前記第2制御の実行中に、前記冷却水温が前記第2所定温度よりも高くなっておらず且つ前記エンジンの運転開始から前記第2所定時間が経過していないときでも、前記エンジンの運転開始からの積算空気量が所定空気量以上に至ったときには、前記通常制御に移行する、
    ハイブリッド自動車。
  7. 請求項6記載のハイブリッド自動車であって、
    前記所定空気量は、前記開始時水温が低いときに高いときよりも多くなるように設定される、
    ハイブリッド自動車。
JP2015177563A 2015-09-09 2015-09-09 ハイブリッド自動車 Active JP6248997B2 (ja)

Priority Applications (4)

Application Number Priority Date Filing Date Title
JP2015177563A JP6248997B2 (ja) 2015-09-09 2015-09-09 ハイブリッド自動車
DE102016116644.8A DE102016116644B4 (de) 2015-09-09 2016-09-06 Hybridfahrzeug
CN201610806303.1A CN106515711B (zh) 2015-09-09 2016-09-07 混合动力车辆
US15/258,129 US9751524B2 (en) 2015-09-09 2016-09-07 Hybrid vehicle

Applications Claiming Priority (1)

Application Number Priority Date Filing Date Title
JP2015177563A JP6248997B2 (ja) 2015-09-09 2015-09-09 ハイブリッド自動車

Publications (2)

Publication Number Publication Date
JP2017052388A JP2017052388A (ja) 2017-03-16
JP6248997B2 true JP6248997B2 (ja) 2017-12-20

Family

ID=58055195

Family Applications (1)

Application Number Title Priority Date Filing Date
JP2015177563A Active JP6248997B2 (ja) 2015-09-09 2015-09-09 ハイブリッド自動車

Country Status (4)

Country Link
US (1) US9751524B2 (ja)
JP (1) JP6248997B2 (ja)
CN (1) CN106515711B (ja)
DE (1) DE102016116644B4 (ja)

Families Citing this family (14)

* Cited by examiner, † Cited by third party
Publication number Priority date Publication date Assignee Title
DE102017218660A1 (de) 2017-10-19 2019-04-25 Robert Bosch Gmbh Automatische Bremsvorrichtung für ein Fahrzeug und Verfahren zum automatischen Abbremsen eines Fahrzeugs
JP6992460B2 (ja) * 2017-12-05 2022-01-13 トヨタ自動車株式会社 ハイブリッド自動車およびこれに搭載される制御装置
US10908624B2 (en) * 2018-11-09 2021-02-02 Hamilton Sunstrand Corporation Method for managing over-temperature excursions in a failed-fixed control system
JP7088088B2 (ja) * 2019-03-14 2022-06-21 トヨタ自動車株式会社 ハイブリッド車両およびハイブリッド車両の制御方法
CN112141071A (zh) * 2019-06-10 2020-12-29 安徽华菱汽车有限公司 一种混合动力车辆起步控制方法及装置
JP7238692B2 (ja) * 2019-08-23 2023-03-14 トヨタ自動車株式会社 電動車両のエンジン制御装置
JP7167899B2 (ja) * 2019-11-05 2022-11-09 トヨタ自動車株式会社 ハイブリッド車両およびハイブリッド車両の制御方法
JP7552321B2 (ja) * 2020-12-10 2024-09-18 トヨタ自動車株式会社 エンジン装置
CN113847157B (zh) * 2021-10-26 2023-09-01 浙江吉利控股集团有限公司 发动机控制方法、装置、车辆及存储介质
JP7707868B2 (ja) * 2021-11-08 2025-07-15 トヨタ自動車株式会社 エンジン装置
JP2023082524A (ja) * 2021-12-02 2023-06-14 トヨタ自動車株式会社 車両
JP7643312B2 (ja) * 2021-12-06 2025-03-11 トヨタ自動車株式会社 車両
JP7683470B2 (ja) * 2021-12-06 2025-05-27 トヨタ自動車株式会社 車両
JP7643393B2 (ja) * 2022-05-18 2025-03-11 トヨタ自動車株式会社 ハイブリッド車両の駆動力制御装置

Family Cites Families (23)

* Cited by examiner, † Cited by third party
Publication number Priority date Publication date Assignee Title
JP3454174B2 (ja) * 1998-12-22 2003-10-06 トヨタ自動車株式会社 ハイブリッド車輌の排気浄化装置
JP2005320911A (ja) * 2004-05-10 2005-11-17 Toyota Motor Corp 動力出力装置およびこれを搭載する自動車並びにその制御方法
JP4222427B2 (ja) * 2007-03-28 2009-02-12 トヨタ自動車株式会社 車両およびその制御方法
JP5023957B2 (ja) * 2007-10-17 2012-09-12 トヨタ自動車株式会社 ハイブリッド車およびその制御方法
US8267837B2 (en) * 2007-11-07 2012-09-18 GM Global Technology Operations LLC Method and apparatus to control engine temperature for a hybrid powertrain
JP5071213B2 (ja) * 2008-04-11 2012-11-14 トヨタ自動車株式会社 ハイブリッド車両の制御装置
JP4983747B2 (ja) 2008-08-21 2012-07-25 トヨタ自動車株式会社 内燃機関
JP2010222978A (ja) 2009-03-19 2010-10-07 Toyota Motor Corp 内燃機関の制御装置
JP2010241170A (ja) * 2009-04-01 2010-10-28 Toyota Motor Corp 動力出力装置、それを備えたハイブリッド自動車および動力出力装置の制御方法
JP2011169203A (ja) * 2010-02-17 2011-09-01 Hino Motors Ltd ハイブリッド自動車の制御装置およびハイブリッド自動車
JP5392421B2 (ja) * 2010-12-22 2014-01-22 トヨタ自動車株式会社 車両、車両の制御方法および車両の制御装置
JP5716425B2 (ja) * 2011-02-02 2015-05-13 トヨタ自動車株式会社 ハイブリッド自動車
JP2012184688A (ja) * 2011-03-04 2012-09-27 Denso Corp 内燃機関の触媒早期暖機制御装置
JP2012219678A (ja) * 2011-04-06 2012-11-12 Toyota Motor Corp 内燃機関システム
JP2012219746A (ja) * 2011-04-11 2012-11-12 Toyota Motor Corp 内燃機関システム
JP5897885B2 (ja) * 2011-11-25 2016-04-06 トヨタ自動車株式会社 ハイブリッド車両
JP2013133061A (ja) * 2011-12-27 2013-07-08 Toyota Motor Corp ハイブリッド車
US10384527B2 (en) * 2013-02-08 2019-08-20 Cummins Electrified Power Na Inc. Four wheel drive powertrain configurations for two-motor, two-clutch hybrid electric vehicles
JP5983470B2 (ja) * 2013-03-11 2016-08-31 マツダ株式会社 ハイブリッド車の制御装置
JP2014234090A (ja) * 2013-06-03 2014-12-15 トヨタ自動車株式会社 ハイブリッド自動車の制御装置
JP5854023B2 (ja) * 2013-10-04 2016-02-09 トヨタ自動車株式会社 ハイブリッド車両
US9346451B2 (en) * 2014-04-04 2016-05-24 Ford Global Technologies, Llc Method and system for engine control
JP2018000178A (ja) 2016-06-27 2018-01-11 文子 岩澤 ゴキブリ捕獲器

Also Published As

Publication number Publication date
US9751524B2 (en) 2017-09-05
CN106515711B (zh) 2018-12-14
US20170066435A1 (en) 2017-03-09
JP2017052388A (ja) 2017-03-16
DE102016116644B4 (de) 2018-11-29
CN106515711A (zh) 2017-03-22
DE102016116644A1 (de) 2017-03-09

Similar Documents

Publication Publication Date Title
JP6248997B2 (ja) ハイブリッド自動車
JP5664621B2 (ja) ハイブリッド車
CN111137273B (zh) 混合动力汽车
CN107914702B (zh) 混合动力汽车及混合动力汽车的控制方法
JP2018083570A (ja) ハイブリッド自動車
JP6233328B2 (ja) ハイブリッド自動車
JP2014073693A (ja) ハイブリッド自動車
JP2018154142A (ja) ハイブリッド自動車
CN103935356B (zh) 混合动力车辆控制装置和混合动力车辆
JP2018127130A (ja) ハイブリッド車
CN106121842B (zh) 混合动力汽车
JP5991145B2 (ja) ハイブリッド自動車
JP2019127108A (ja) ハイブリッド自動車
JP6160645B2 (ja) ハイブリッド自動車
JP6009978B2 (ja) ハイブリッド自動車
JP2013067297A (ja) ハイブリッド自動車
JP7073938B2 (ja) ハイブリッド自動車
JP2018105197A (ja) 内燃機関装置
JP2022137545A (ja) ハイブリッド自動車
JP6277972B2 (ja) ハイブリッド自動車
JP2022030701A (ja) ハイブリッド車両用制御装置。
JP2016159878A (ja) ハイブリッド自動車の制御装置
JP6020276B2 (ja) ハイブリッド車
JP5040833B2 (ja) ハイブリッド車およびその制御方法
JP7226257B2 (ja) 駆動装置

Legal Events

Date Code Title Description
A621 Written request for application examination

Free format text: JAPANESE INTERMEDIATE CODE: A621

Effective date: 20170222

A977 Report on retrieval

Free format text: JAPANESE INTERMEDIATE CODE: A971007

Effective date: 20171005

TRDD Decision of grant or rejection written
A01 Written decision to grant a patent or to grant a registration (utility model)

Free format text: JAPANESE INTERMEDIATE CODE: A01

Effective date: 20171024

A61 First payment of annual fees (during grant procedure)

Free format text: JAPANESE INTERMEDIATE CODE: A61

Effective date: 20171106

R151 Written notification of patent or utility model registration

Ref document number: 6248997

Country of ref document: JP

Free format text: JAPANESE INTERMEDIATE CODE: R151