JP5990140B2 - コネクタ - Google Patents

コネクタ Download PDF

Info

Publication number
JP5990140B2
JP5990140B2 JP2013166742A JP2013166742A JP5990140B2 JP 5990140 B2 JP5990140 B2 JP 5990140B2 JP 2013166742 A JP2013166742 A JP 2013166742A JP 2013166742 A JP2013166742 A JP 2013166742A JP 5990140 B2 JP5990140 B2 JP 5990140B2
Authority
JP
Japan
Prior art keywords
housing
connector
portions
electric wire
main body
Prior art date
Legal status (The legal status is an assumption and is not a legal conclusion. Google has not performed a legal analysis and makes no representation as to the accuracy of the status listed.)
Expired - Fee Related
Application number
JP2013166742A
Other languages
English (en)
Other versions
JP2015035386A (ja
Inventor
圭史 北村
圭史 北村
水谷 嘉宏
水谷  嘉宏
康人 竹田
康人 竹田
平井 宏樹
宏樹 平井
田中 徹児
徹児 田中
宏芳 前岨
宏芳 前岨
康介 曽根
康介 曽根
加藤 晃央
晃央 加藤
一久 二村
一久 二村
Current Assignee (The listed assignees may be inaccurate. Google has not performed a legal analysis and makes no representation or warranty as to the accuracy of the list.)
Sumitomo Wiring Systems Ltd
Aisin AW Co Ltd
AutoNetworks Technologies Ltd
Sumitomo Electric Industries Ltd
Original Assignee
Sumitomo Wiring Systems Ltd
Aisin AW Co Ltd
AutoNetworks Technologies Ltd
Sumitomo Electric Industries Ltd
Priority date (The priority date is an assumption and is not a legal conclusion. Google has not performed a legal analysis and makes no representation as to the accuracy of the date listed.)
Filing date
Publication date
Application filed by Sumitomo Wiring Systems Ltd, Aisin AW Co Ltd, AutoNetworks Technologies Ltd, Sumitomo Electric Industries Ltd filed Critical Sumitomo Wiring Systems Ltd
Priority to JP2013166742A priority Critical patent/JP5990140B2/ja
Priority to US14/909,551 priority patent/US9666983B2/en
Priority to PCT/JP2014/069330 priority patent/WO2015019842A1/ja
Priority to DE112014003684.6T priority patent/DE112014003684B4/de
Priority to CN201480044390.0A priority patent/CN105531885A/zh
Publication of JP2015035386A publication Critical patent/JP2015035386A/ja
Application granted granted Critical
Publication of JP5990140B2 publication Critical patent/JP5990140B2/ja
Expired - Fee Related legal-status Critical Current
Anticipated expiration legal-status Critical

Links

Images

Classifications

    • HELECTRICITY
    • H01ELECTRIC ELEMENTS
    • H01RELECTRICALLY-CONDUCTIVE CONNECTIONS; STRUCTURAL ASSOCIATIONS OF A PLURALITY OF MUTUALLY-INSULATED ELECTRICAL CONNECTING ELEMENTS; COUPLING DEVICES; CURRENT COLLECTORS
    • H01R13/00Details of coupling devices of the kinds covered by groups H01R12/70 or H01R24/00 - H01R33/00
    • H01R13/62Means for facilitating engagement or disengagement of coupling parts or for holding them in engagement
    • H01R13/629Additional means for facilitating engagement or disengagement of coupling parts, e.g. aligning or guiding means, levers, gas pressure electrical locking indicators, manufacturing tolerances
    • HELECTRICITY
    • H01ELECTRIC ELEMENTS
    • H01RELECTRICALLY-CONDUCTIVE CONNECTIONS; STRUCTURAL ASSOCIATIONS OF A PLURALITY OF MUTUALLY-INSULATED ELECTRICAL CONNECTING ELEMENTS; COUPLING DEVICES; CURRENT COLLECTORS
    • H01R13/00Details of coupling devices of the kinds covered by groups H01R12/70 or H01R24/00 - H01R33/00
    • H01R13/62Means for facilitating engagement or disengagement of coupling parts or for holding them in engagement
    • H01R13/629Additional means for facilitating engagement or disengagement of coupling parts, e.g. aligning or guiding means, levers, gas pressure electrical locking indicators, manufacturing tolerances
    • H01R13/631Additional means for facilitating engagement or disengagement of coupling parts, e.g. aligning or guiding means, levers, gas pressure electrical locking indicators, manufacturing tolerances for engagement only
    • HELECTRICITY
    • H01ELECTRIC ELEMENTS
    • H01RELECTRICALLY-CONDUCTIVE CONNECTIONS; STRUCTURAL ASSOCIATIONS OF A PLURALITY OF MUTUALLY-INSULATED ELECTRICAL CONNECTING ELEMENTS; COUPLING DEVICES; CURRENT COLLECTORS
    • H01R13/00Details of coupling devices of the kinds covered by groups H01R12/70 or H01R24/00 - H01R33/00
    • H01R13/64Means for preventing incorrect coupling
    • HELECTRICITY
    • H01ELECTRIC ELEMENTS
    • H01RELECTRICALLY-CONDUCTIVE CONNECTIONS; STRUCTURAL ASSOCIATIONS OF A PLURALITY OF MUTUALLY-INSULATED ELECTRICAL CONNECTING ELEMENTS; COUPLING DEVICES; CURRENT COLLECTORS
    • H01R4/00Electrically-conductive connections between two or more conductive members in direct contact, i.e. touching one another; Means for effecting or maintaining such contact; Electrically-conductive connections having two or more spaced connecting locations for conductors and using contact members penetrating insulation
    • H01R4/24Connections using contact members penetrating or cutting insulation or cable strands

Landscapes

  • Details Of Connecting Devices For Male And Female Coupling (AREA)

Description

本発明は、コネクタに関する。
特許文献1には、筒状のフード部を有する雄ハウジングと、フード部内に嵌合可能な嵌合部を有する雌ハウジングとが、開示されている。雄ハウジングのフード部は、両ハウジングの嵌合方向と平行な軸周りに角変位可能とされている。雌ハウジングの嵌合部の前端外周には、先細り状のテーパ面が全周に亘って設けられている。両ハウジングの嵌合過程では、フード部の開口縁が嵌合部のテーパ面を摺動することにより、嵌合部がフード部内に誘い込まれるようになっている。この場合に、テーパ面は、角変位するフード部の移動範囲でフード部の開口縁と接触可能なように、嵌合部の前端外周において比較的大きな形成領域を占有して設けられている。
特開2001−126821号公報
上記のように、雌雄の両ハウジングの少なくとも一方が嵌合方向と平行な軸周りに角変位する場合、その角変位するハウジングの移動範囲をカバーするため、ハウジングに上記テーパ面のような大きな誘い込みが必要とされた。その結果、コネクタが大型化し易いという問題があった。
本発明は上記のような事情に基づいて完成されたものであって、嵌合時の誘い込みが大きくならないようして、コネクタが大型になるのを回避することを目的とする。
本発明のコネクタは、筒状のフード部を有する相手ハウジングと、前記フード部内に嵌合可能なハウジング本体を有するハウジングとを備え、前記相手ハウジングと前記ハウジングの少なくとも一方が両ハウジングの嵌合方向と平行な両ハウジング外にある軸の軸周りに角変位し得るものであって、前記フード部の開口縁の一辺は、角変位方向に沿って弧状に湾曲する相手円弧部とされ、前記ハウジング本体の嵌合方向前面の一辺は、角変位方向に沿って弧状に湾曲し、前記相手円弧部に誘導されて前記フード部内に進入可能な円弧部とされているところに特徴を有する。
相手ハウジングとハウジングの少なくとも一方が嵌合方向と平行な軸周りに角変位した場合に、ハウジング本体の円弧部がフード部の相手円弧部に誘導されてフード部内に進入することにより、両ハウジングの嵌合動作が円滑且つ迅速に進められる。この場合に、円弧部及び相手円弧部は、それぞれハウジング本体の嵌合方向前面の一辺及びフード部の開口縁の一辺に、角変位方向に沿って弧状に湾曲する形態とされるため、誘い込み用のテーパ面の形成範囲を小さく又は無くすことができる。その結果、コネクタが大型になるのを回避することができる。
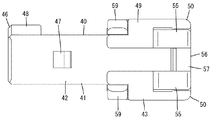
実施例の態様1のワイヤハーネスにおいて、複数のコネクタがそれぞれに対応する相手コネクタと正対しつつ整列して配置された状態を示す斜視図である。 コネクタのハウジングの正面図である。 同じく背面図である。 同じく底面図である。 態様2のワイヤハーネスにおいて、複数のコネクタが整列して配置された状態を示す斜視図である。 コネクタのカバー部が開状態とされ、各電線が配索された状態を示す斜視図である。 コネクタのハウジングの正面図である。 同じく平面図である。 カバー部が開状態とされたときのハウジングの正面図である。 カバー部が開状態とされたときのハウジングの側面図である。 態様2−1のワイヤハーネスにおいて、カバー部が開状態とされたときの各電線の配索構造を示す底面図である。 態様2−1のワイヤハーネスを構成するコネクタにおいて、通し部を通る各電線の配列状態を示す側面図である。 態様2−2のワイヤハーネスにおいて、カバー部が開状態とされたときの各電線の配索構造を示す底面図である。 態様2−2のワイヤハーネスを構成するコネクタにおいて、通し部を通る各電線の配列状態を示す側面図である。 態様3のワイヤハーネスにおいて、複数のコネクタが整列して配置された状態を示す斜視図である。 カバー部が開状態とされたときのハウジングの側面図である。 態様3のワイヤハーネスにおいて、カバー部が開状態とされたときの各電線の配索構造を示す底面図である。 態様3のワイヤハーネスを構成するコネクタにおいて、通し部を通る各電線の配列状態を示す側面図である。 態様4のワイヤハーネスにおいて、複数のコネクタが整列して配置された状態を示す斜視図である。 コネクタのハウジングの正面図である。 同じく平面図である。 同じく背面図である。 カバー部が開状態とされたときのハウジングの側面図である。 態様4のワイヤハーネスにおいて、複数のコネクタが治具を介して整列して配置された状態を示す斜視図である。 態様4のワイヤハーネスにおいて、複数のコネクタが別の治具を介して整列して配置された状態を示す斜視図である。 態様4のワイヤハーネスを構成するコネクタにおいて、通し部を通る各電線の配列状態を示す側面図である。 態様5のワイヤハーネスにおいて、複数のコネクタが整列して配置された状態を示す斜視図である。 態様5のワイヤハーネスを構成するコネクタにおいて、通し部を通る各電線の配列状態を示す側面図である。 態様6のワイヤハーネスにおいて、複数のコネクタが整列して配置された状態を示す斜視図である。 コネクタのハウジング本体の正面図である。 ソレノイド200に設置された相手コネクタの正面図である。 図31の拡大正面図である。 態様7のワイヤハーネスにおけるコネクタの斜視図である。 コネクタの正面図である。 コネクタの背面図である。 コネクタの側面図である。 図36のA−A線断面図である。 ソレノイド200に設置された相手コネクタに嵌合されたコネクタの背面視方向の断面図である。 ソレノイド200が角変位した場合におけるコネクタの背面視方向の断面図である。 比較例の図39相当図である。 カバー部の斜視図である。 カバー部の側面図である。 カバー部の正面図である。 カバー部の平面図である。 ハウジング部分の斜視図である。 ハウジング部分の正面図である。 ハウジング部分の底面図である。
本発明の好ましい形態を以下に示す。
前記相手円弧部及び前記円弧部は、それぞれ前記フード部及びハウジング本体の一辺を拡張してなる。このように相手円弧部及び円弧部が拡張された形態であれば、相手ハウジングとハウジングの少なくとも一方が大きな角変位量で角変位する場合にも対応することが可能となり、誘い込みの信頼性が高められる。
前記相手ハウジングが前記嵌合方向と平行な軸周りに角変位し得るものであり、前記ハウジングは、前記嵌合方向と交差する方向に略位置決めされた状態で、前記相手ハウジングに嵌合される。これにより、ハウジングが相手ハウジングにほぼ正対した状態から相手ハウジングとの嵌合動作を開始することができる。この場合に、円弧部及び相手円弧部によって相手ハウジングに対するハウジングの嵌合位置の位置ずれが吸収されるため、両ハウジングの嵌合動作の円滑性及び迅速性がより向上する。
<実施例>
本実施例のワイヤハーネスは、図1、図5、図15、図19、図27及び図29に示すように、軸方向(電線100の配索方向であって、前後方向と交差(直交)する方向と同義)に延出する複数本の電線100が配索された幹線部10と、幹線部10の延出方向に間隔をあけた複数箇所に設置され、幹線部10の各電線100のうちの一部の電線100が幹線部10と交差する方向に分岐して配索された分岐部20とを備える。幹線部10の各電線100の本数は、基端部側(図1の右側)から先端部側(図1の左側)へ向けて各分岐部20を経る毎に減少していく。
各電線100の端部にはそれぞれ端子金具30が接続されており(図4及び図12を参照)、各端子金具30は、対応するコネクタ40に収容されて保持されている。幹線部10の基端部には、図示しない大型のコネクタが設けられ、幹線部10の先端部及び各分岐部20には、それぞれ小型のコネクタが設けられている。なお、以下の説明において、とくに断りのない限り、コネクタ40とは、小型のコネクタを意味する。
コネクタ40は、対応する相手コネクタ70に嵌合可能とされている。相手コネクタ70は、図1に示すように、各コネクタ40と対応する位置に複数設けられている。本実施例の場合、相手コネクタ70は、円筒状をなすソレノイド200の外周面に設置されている(図31を参照)。ソレノイド200は、図示しないオートマチックトランスミッションを構成する部品にその部品の側縁に沿って前後方向と交差する方向に複数並んで取り付けられ、相手コネクタ70は、各ソレノイド200と対応するように前後方向と交差する方向に複数並んで配置されている。
具体的には、相手コネクタ70は、合成樹脂製の相手ハウジング71を備え、図1に示すように、相手ハウジング71は、筒状のフード部72を有している。フード部72内には図示しない相手端子金具が突出して配置されている。フード部72の一側面の下端部には、側方に膨出するように張り出す拡張部73が設けられている。一方、コネクタ40は、以下に示す態様1〜7のいずれかの態様で構成されている。なお、態様1〜7において、互いに共通する構造あるいは共通する機能を有する部分については、同一名称及び同一符号を付すことにする。
<態様1>
図1〜図4は、態様1を示す。態様1のコネクタ40は、合成樹脂製のハウジング41を備えている。ハウジング41は、前後方向に細長い角ブロック状のハウジング本体42と、ハウジング本体42の後方に配設される屈曲板状のガイド部43とからなる。
ハウジング本体42は、相手コネクタ70のフード部72内に前方から嵌合可能とされ、内部に、後方から端子金具30を挿入可能なキャビティ44が設けられている。キャビティ44は、幅方向に複数並んで配置されている。図3及び図7に示すように、キャビティ44の内壁上面には、ランス45が突出して設けられている。端子金具30は、キャビティ44内に正規挿入された状態でランス45に弾性的に係止され、これによってキャビティ44内に抜け止め状態に保持される。また、各キャビティ44内に端子金具30が挿入された状態で、各端子金具30に接続された電線100は、ハウジング本体42の後面から延出して後述するガイド部43の通し部52に挿通される。
また、図2に示すように、ハウジング本体42の前面外縁には、テーパ状の面取り部46が全周に亘って設けられている。ハウジング本体42は、両ハウジング41、71の嵌合時に、面取り部46に沿ってフード部72内に誘い込まれるようになっている。
ハウジング本体42の上面には、両ハウジング41、71の嵌合時に相手ハウジング71を係止して嵌合状態に保持するロック部47が突設されている。また、ハウジング本体42の前端部には、その一側面の下端から側方に張り出す突片48が設けられている。突片48は、両ハウジング41、71の嵌合時に相手ハウジング71の拡張部73内に挿入される。この場合、仮に、ハウジング本体42の嵌合姿勢が正規と逆向きの姿勢であると、突片48がフード部72の開口縁に当接して拡張部73内に挿入されず、両ハウジング41、71の嵌合動作が規制される。これにより、ハウジング41が誤った嵌合姿勢のまま相手ハウジング71と嵌合される事態が回避されるようになっている。
ガイド部43は、図1及び図2に示すように、ハウジング本体42の後端上縁に一体に連結され、且つハウジング本体42よりも幅方向両側に張り出した状態で後方に突出する基部49と、基部49の後端の幅方向両端部から下向きに突出する一対のアーム部50と、両アーム部50の下端から前方に突出する一対の掛止部51とからなる。側面視において、ハウジング本体42の後面、基部49、アーム部50及び掛止部51によって区画される略矩形の開口部分は、ガイド部43を幅方向(前後方向と交差する方向)に貫通してなり、自身のハウジング本体42から延出する各電線100つまり分岐部20の各電線100と、幹線部10の各電線100とが、それぞれ配索される通し部52とされている。この場合に、図1に示すように、幹線部10の各電線100は、通し部52の両端開口を通してガイド部43の内外を貫通した状態で、前後方向と交差する双方向に配索される。
基部49の幅方向両端部は、幅方向中央部よりも厚肉とされ、基部49の幅方向両端部の上面は、ハウジング本体42の上面よりも一段高い位置に配置されている。基部49の幅方向中央部は、ロック部47の後面を成形する金型の型抜き通路としてロック部47の後方を開放した状態となし、基部49の幅方向中央部の上面は、ハウジング本体42の上面と段差なく面一で連続して配置されている。
両アーム部50は、帯板状に垂下する形態とされ、基部49と略直角に一体に連結され、且つハウジング本体42の後面と略平行に配置されている。そして、両アーム部50の下端は、ハウジング本体42の下端とほぼ同じ高さ位置に配置されている。また、図3に示すように、両アーム部50は、背面視において、ハウジング本体42と幅方向で重なる部分を有さず、ハウジング本体42を挟んだ幅方向両側に対をなして配置されている。
両掛止部51は、両アーム部50とほぼ同じ板幅及び板厚をもって前方(通し部52側)に短く突出する形態とされ、両アーム部50と略直角に一体に連結され、且つ基部49と略平行に配置されている。図4に示すように、両掛止部51の前端は、前後方向において、ハウジング本体42の後面より後方に離れた位置に配置されている。ガイド部43の通し部52に挿通される各電線100は、掛止部51に引っ掛け係止されることにより、通し部52にその脱落が規制された状態で保持されるようになっている。
次に、ガイド部43の通し部52に挿通される各電線100の配索構造について説明する。
ハウジング本体42の後面から延出する各電線100は、ガイド部43の通し部52に進入し、その通し部52を区画するアーム部50によって矯正されつつ実質的にたるみ無く略直角に屈曲させられ、その状態で、幹線部10の各電線100に取り入れられ、前後方向と交差する方向に並列に配置された他のコネクタ40におけるガイド部43の通し部52を、前後方向と交差する双方向に貫通して配索される。
また、幹線部10側から見れば、幹線部10の各電線100は、前後方向と交差する方向に並ぶ複数のコネクタ40におけるガイド部43の通し部52を、前後方向と交差する方向にほぼ同軸で貫通し、その先端部が、各電線100に対応するコネクタ40のガイド部43の通し部52に進入した位置にて実質的にたるみ無く前方へ略直角に屈曲させられ、同コネクタ40のハウジング本体42に端子金具30を介して引き入れられる。この場合、両アーム部50がハウジング本体42の幅方向両側外方に配置され、ハウジング本体42の後方が開放されているので、ハウジング本体42への端子金具30の挿入動作を支障なく行うことが可能となる。
こうして幹線部10の各電線100が、対応するコネクタ40に順次引き入れられることにより、図1に示すように、前後方向と交差する方向に間隔をあけて複数の分岐部20が形成されることになる。
上記各電線100の配索構造において、各分岐部20のコネクタ40におけるガイド部43の通し部52には、他のコネクタ40から延出する幹線部10の各電線100が前後方向と交差する双方向に貫通して配索される。この場合に、幹線部10の各電線100は、ある程度の剛性及び形状保持性を有しており、幹線部10の直線性を維持することが可能な軸としての機能を発揮するものとなる。このため、コネクタ40は、幹線部10の各電線100によって実質的に軸支された状態となり、相手コネクタ70に対する嵌合姿勢が前後方向と交差する方向にぶれるのが防止される。
また、各分岐部20のコネクタ40は、幹線部10の各電線100の軸機能によって、前後方向と交差する方向に互いに所定間隔をあけて実質的に整列させられた状態になる。したがって、各コネクタ40は、同じく整列状態にある複数の相手コネクタ70に対してそれぞれのハウジング本体42の前面(嵌合面)を正対させた状態から相手コネクタ70への嵌合作業を円滑且つ迅速に行うことが可能となる。
<態様2>
図5〜図14は、態様2を示す。態様2のコネクタ40は、態様1と同様、合成樹脂製のハウジング41を備え、ハウジング41は、端子金具30を収容可能な角ブロック状のハウジング本体42と、各電線100を挿通可能な屈曲板状のガイド部43とからなる。
図6及び図7に示すように、ハウジング本体42の両側面の後端下部には、一対のカバーロック受け部53が突設されている。両カバーロック受け部53は、側面視矩形の扁平突状をなし、ガイド部43に設けられた後述するカバー部56のカバーロック部59に係止可能とされている。ハウジング本体42のその他の構造は、態様1と同様であるため、説明を省略する。
ガイド部43は、図5及び図10に示すように、ハウジング本体42の後端上縁に一体に連結され、且つハウジング本体42よりも幅方向両側に張り出した状態で後方に突出する基部49と、基部49の前端側の幅方向両端部から下向きに突出する一対の仕切り部54と、基部49の後端の幅方向両側部から下向きに突出する一対のアーム部50と、基部49の上面の幅方向両側に一体に連結された可撓性で且つ帯状をなす一対のヒンジ部55と、両ヒンジ部55の先端部に一体に連結され、ヒンジ部55を中心として開状態と閉状態とに回動可能に変位するカバー部56とからなる。
基部49は、態様1と同様、幅方向両端部が幅方向中央部よりも厚肉になる形態とされている。両ヒンジ部55は、前記厚肉になる基部49の幅方向両端部における上面後端に一体に連結され、図10に示すように、カバー部56が開状態のときには、基部49の上面から直線状に起立して配置され、図12に示すように、カバー部56が閉状態のときには、基部49の上面にほぼ円形に回曲して配置される。
図10に示すように、仕切り部54とアーム部50とは、基部49と略直角に一体に連結され、側面視において、前後方向に互いに並んで配置されている。また、両仕切り部54と両アーム部50とは、背面視において、両カバーロック受け部53と幅方向で重なる部分を有するものの、両カバーロック受け部53を除いてハウジング本体42の後面部分と幅方向で重なる部分を有しない位置に配置されている。
図12に示すように、仕切り部54は、前後方向に関してハウジング本体42の後面寄りの位置に配置され、側面視において、ハウジング本体42の後面との間に、各電線100の一本分の径寸法と同等又は少し大きい程度の開口寸法が確保されている。一方、仕切り部54とアーム部50との間には、各電線100の複数本の径寸法以上の開口寸法が確保されている。また、図8に示すように、アーム部50は、基部49の後端からほぼ自身の前後寸法分だけ後方に突出しており、両アーム部50の幅方向の対向空間に、カバー部56の後述する連結部57が嵌合可能とされている。
カバー部56は、図6及び図10に示すように、両ヒンジ部55の先端部に一体に連結され、開状態のときに両ヒンジ部55と連続するように起立して配置される平板状の連結部57と、連結部57の先端部と略直角に一体に連結され、閉状態において基部49と対向し、且つ基部49と同等又はそれ以上の表面積を有する平板状の対向基部58と、対向基部58の先端部の幅方向両端と略直角に一体に連結され、閉状態においてカバーロック受け部53を弾性的に係止する一対のカバーロック部59とからなる。両カバーロック部59は、対向基部58との連結位置を支点として撓み可能な帯板状の形態とされ、図7及び図9に示すように、その先端部に、爪状の係止突起60が内側に突出して設けられている。
図7に示すように、カバー部56の両カバーロック部59が閉状態においてハウジング本体42の両カバーロック受け部53に弾性的に係止されることにより、図12に示すように、ハウジング本体42の後面とカバー部56との間に、幅方向(前後方向と交差する方向)に貫通する通し部52が画成される。図12に示すように、画成された通し部52は、側面視において、ハウジング本体42、基部49、アーム部50、仕切り部54及び対向基部58によって全周に亘って閉じた形状となり、且つ仕切り部54を介して2室に分離された状態となる。具体的には、通し部52は、側面視において、ハウジング本体42の後面と仕切り部54との間に区画される開口寸法が狭小な第1通し部52Aと、仕切り部54とアーム部50との間に区画される開口寸法が広大な第2通し部52Bとで構成される。第1通し部52Aには、各電線100が高さ方向に縦一列で密に配列され、第2通し部52Bには、各電線100が高さ方向及び前後方向に概ね点在して配列される。とくに、第1通し部52Aにおいては、各電線100の径方向両端がハウジング本体42の後面と両仕切り部54とに当接可能に配置され、各電線100が前後方向への遊動を規制された状態に挟持される。
次に、ガイド部43の通し部52に挿通される各電線100の配索構造について説明する。
まず、ガイド部43の通し部52に各電線100が挿通されるに際し、カバー部56が両ヒンジ部55を介して開状態とされ、ハウジング本体42の後方が開放される。続いで、幹線部10の各電線100のうち、分岐部20に分岐される各電線100が分取され、その分取された各電線100が第1通し部52Aに通されて端子金具30を介してハウジング本体42のキャビティ44に後方から挿入される。この場合に、各電線100は、分岐部20と対応する位置にその先端部が臨むように、幹線部10の各電線100よりも延出長さが短くされている。一方、図6に示すように、幹線部10の各電線100のうち、幹線部10に残る各電線100は、第2通し部52Bに通され、第2通し部52Bの両端開口を通して前後方向と交差する双方向に引き出される。
続いて、カバー部56が両ヒンジ部55を介して閉状態に向けて回動される。すると、連結部57が両アーム部50の対向空間に嵌合することでハウジング41の後面が閉塞されるとともに、対向基部58が通し部52を挟んで基部49と対向して配置されることでハウジング41の底面が閉塞され、且つ、両カバーロック部59の係止突起60が両カバーロック受け部53を弾性的に係止することでカバー部56がハウジング本体42に対して閉状態に保持される。また、カバー部56が閉状態に保持されることにより、各電線100が通し部52に通された状態に維持される。
上記の場合、第1通し部52Aに遊動規制状態で密に配列された各電線100が軸となって、コネクタ40が前後方向と交差する方向に首振りするのが防止される。その結果、コネクタ40が相手コネクタ70と正対した状態で相手コネクタ70との嵌合動作を円滑且つ迅速に行うことができる。とくに、第1通し部52Aがハウジング本体42と近接する位置に配置されているため、第1通し部52Aを通る各電線100の軸機能により、コネクタ40が首振りするのが確実に防止される。
なお、態様2の場合、各電線100の具体的な配索構造として、以下の態様2−1と態様2−2のうちのいずれかが選択される。
<態様2−1>
図11に示すように、幹線部10の先端側で分岐される分岐部20の左端のコネクタ40においては、自身のハウジング本体42から延出する各電線100が全て第1通し部52Aに挿通される一方、第2通し部52Bには電線100が挿通されずに空の状態とされる。また、左端のコネクタ40と隣接する分岐部20の中央のコネクタ40においては、自身のハウジング本体42から延出する各電線100が全て第1通し部52Aに挿通されるとともに、左端のコネクタ40から延出する各電線100も全て第1通し部52Aに挿通される一方、第2通し部52Bには電線100が挿通されずに空の状態とされる。さらに、中央のコネクタ40とその右側で隣接する分岐部20の右端のコネクタ40においては、自身のハウジング本体42から延出する各電線100が全て第1通し部52Aに挿通されるとともに、左端のコネクタ40から延出する各電線100も全て第1通し部52Aに挿通される一方、第2通し部52Bには中央のコネクタ40から延出する各電線100が全て挿通される。このように、態様2−1では、コネクタ40の第1通し部52Aに、左端のコネクタ40から延出する各電線100と、自身のハウジング本体42から延出する各電線100(分岐部20の各電線100)とが挿通され、コネクタ40の第2通し部52Bに、隣接する分岐部20のコネクタ40から延出する各電線100(幹線部10の各電線100)が挿通される。
<態様2−2>
図13に示すように、幹線部10の先端側で分岐される分岐部20の左端のコネクタ40においては、自身のハウジング本体42から延出する各電線100が全て第1通し部52Aに挿通される一方、第2通し部52Bには電線100が挿通されずに空の状態とされる。また、左端のコネクタ40と隣接する分岐部20の中央のコネクタ40においては、自身のハウジング本体42から延出する各電線100が全て第1通し部52Aに挿通される一方、左端のコネクタ40から延出する各電線100が全て第2通し部52Bに挿通される。さらに、中央のコネクタ40とその右側で隣接する分岐部20の右端のコネクタ40においては、自身のハウジング本体42から延出する各電線100が全て第1通し部52Aに挿通される一方、左端のコネクタ40から延出する各電線100及び中央のコネクタ40から延出する各電線100が全て第2通し部52Bに挿通される。このように、態様2−2では、コネクタ40の第1通し部52Aに、自身のハウジング本体42から延出する各電線100(分岐部20の各電線100)が挿通され、コネクタ40の第2通し部52Bに、他のコネクタ40から延出する各電線100(幹線部10の各電線100)が挿通される。
<態様3>
図15〜図18は、態様3を示す。態様3のコネクタ40も、態様1、2と同様、合成樹脂製のハウジング41を備え、ハウジング41は、端子金具30を収容可能な角ブロック状のハウジング本体42と、各電線100を挿通可能な屈曲板状のガイド部43とからなる。
ハウジング本体42は態様2と同様であって、その両側面の後端下部に、一対のカバーロック受け部53が突設されている。
ガイド部43は態様2と同様であって、基部49、一対の仕切り部54、一対のアーム部50、一対のヒンジ部55及びカバー部56からなる。もっとも、態様3の場合、図18に示すように、側面視において、ハウジング本体42の後面と仕切り部54との間の開口寸法と、仕切り部54とアーム部50との間の開口寸法とは、ほぼ同等とされている。ガイド部43のその他の構成は態様2と同様である。
図17に示すように、態様3の場合、幹線部10の先端側で分岐される分岐部20の左端のコネクタ40においては、自身のハウジング本体42から延出する各電線100が、それぞれ、第1通し部52Aに挿通される電線100と、第2通し部52Bに挿通される電線100とに、ふり分けられる。また、左端のコネクタ40と隣接する分岐部20の中央のコネクタ40においては、自身のハウジング本体42から延出する各電線100が、それぞれ、第1通し部52Aに挿通される電線100と、第2通し部52Bに挿通される電線100とに、ふり分けられるとともに、左端のコネクタ40から延出する各電線100が第1通し部52Aと第2通し部52Bとにそのまま直線状に挿通される。さらに、中央のコネクタ40とその右側で隣接する分岐部20の右端のコネクタ40においては、自身のハウジング本体42から延出する各電線100が、それぞれ、第1通し部52Aに挿通される電線100と、第2通し部52Bに挿通される電線100とに、ふり分けられるとともに、左端のコネクタ40から延出する各電線100及び中央のコネクタ40から延出する各電線100が第1通し部52Aと第2通し部52Bとにそのまま直線状に挿通される。このように、態様3では、自身のハウジング本体42から延出する各電線100(分岐部20の各電線100)及び他のコネクタ40から延出する各電線100(幹線部10の各電線100)が、第1通し部52Aと第2通し部52Bとに均等にふり分けられる。つまり、各電線100が第1通し部52Aと第2通し部52Bとに同本数ずつふり分けられるため、上記のように、第1通し部52Aと第2通し部52Bとが互いに同等の開口寸法(開口面積)を有する場合に、好適な配索構造となる。
<態様4>
図19〜図26は、態様4を示す。態様4のコネクタ40も、態様1〜3と同様、合成樹脂製のハウジング41を備え、ハウジング41は、端子金具30を収容可能な角ブロック状のハウジング本体42と、各電線100を挿通可能な屈曲板状のガイド部43とからなる。なお、ハウジング本体42の構造は、態様1と同様であるため、説明を省略する。
ガイド部43は、図19に示すように、ハウジング本体42の後端上縁に一体に段付き状に連結され、且つハウジング本体42よりも幅方向両側に大きく張り出した状態で後方に突出する矩形板状の基部49と、基部49の後端の幅方向両端部から下向きに突出する一対のアーム部50と、基部49の前端の幅方向両端部から下向きに突出し、且つハウジング本体42の後端から両側方に張り出す一対の前壁部61と、両前壁部61の下端に一体に連結された可撓性で且つ帯状をなす一対のヒンジ部55と、両ヒンジ部55の先端部に一体に連結され、ヒンジ部55を中心として開状態と閉状態とに回動可能に変位するカバー部56とからなる。
図21に示すように、基部49の後端の幅方向中央部には、切欠状のカバーロック受け部53が凹設されている。また、基部49の上面には、平面視矩形のテーブル部62が設けられている。図19に示すように、テーブル部62は、前後方向に貫通するとともに、前後方向と交差する方向に貫通する通し部52Eを有している。テーブル部62の前後両面には、前後方向に延出する通し部52Eの両端がスリット状に開口し、テーブル部62の幅方向両面には、前後方向と交差する方向に延出する通し部52Eの両端がスリット状に開口している。
両アーム部50は、両前壁部61と対向する位置に配置され、背面視において、ハウジング本体42と幅方向で重なる部分を有さず、ハウジング本体42を挟んだ幅方向両側に対をなして配置されている。図22に示すように、両アーム部50の幅方向の対向空間には、カバー部56の後述するカバーロック部59が嵌合可能とされている。
カバー部56は、図23に示すように、両ヒンジ部55の先端部に一体に連結され、開状態において両ヒンジ部55と連続するように起立して配置される平板状の連結部57と、連結部57の先端部と略直角に一体に連結され、閉状態においてハウジング本体42の後面と対向し、両アーム部50の対向空間に嵌合可能な平板状のカバーロック部59が設けられている。図22に示すように、カバーロック部59の幅方向中央部には、縦長矩形状の窓部63が開口して設けられている。
図26に示すように、カバー部56には、前後方向と交差する方向に貫通する通し部52が設けられており、通し部52の両端開口を通して各電線100が双方向に配索可能とされている。また、カバーロック部59の先端部には、閉状態においてカバーロック受け部53に嵌合して弾性的に係止可能な爪状の係止突起60が内側に突出して設けられている。
次に、態様4における各電線100の配索構造について説明する。
まず、カバー部56が両ヒンジ部55を介して開状態とされ、ハウジング本体42の後方が開放される。続いて、幹線部10の各電線100のうち、分岐部20に分岐される各電線100が、対応するコネクタ40のガイド部43の通し部52を通して、同コネクタ40のハウジング本体42に引き入れられる。また、幹線部10の各電線100のうち、幹線部10に残る各電線100もガイド部43の通し部52に通され、通し部52の両端開口を通して前後方向と交差する双方向に配索される。
続いて、カバー部56が両ヒンジ部55を介して閉状態に向けて回動される。すると、カバーロック部59が両アーム部50の対向空間に嵌合することでハウジング41の後面が閉塞されるとともに、連結部57が通し部52を挟んで基部49と対向して配置されることでハウジング41の底面が閉塞され、且つ、両カバーロック部59の係止突起60が両カバーロック受け部53を弾性的に係止することでカバー部56がハウジング本体42に対して閉状態に保持される。また、図26に示すように、カバー部56が閉状態に保持されることにより、各電線100が通し部52に通された状態に維持される。
さらに、態様4の場合、図24に示すように、各コネクタ40のテーブル部62の通し部52Eに、これら通し部52Eを前後方向と交差する方向に一括して貫通する治具80が挿入される。治具80は、各通し部52Eに嵌合可能な断面扁平で且つ直線状をなす部材であって、その直線性を維持可能な所定の剛性を有している。このため、各コネクタ40は、治具80を介して、幹線部10の分岐位置に整列状態に保持されるとともに、前後方向と交差する方向に首振りするのが確実に防止される。その結果、ハウジング本体42の前面が相手コネクタ70と正対した状態から両コネクタ40、70の嵌合動作を円滑且つ迅速に行うことが可能となる。
さらにまた、態様4の場合、図25に示すように、治具80として、幹線部10に沿って前後方向と交差する方向に延びる本体部81と、各コネクタ40と対応する位置にて本体部81から前方に突出してなる突出片82とを有する形態のものを用いることも可能である。この場合、各コネクタ40のうち、前後方向に貫通するテーブル部62の通し部52Eに、後方から治具80の突出片82が差し込まれることにより、上記同様、各コネクタ40が前後方向と交差する方向に整列して配置されることになる。
<態様5>
図27及び図28は、態様5を示す。態様5のコネクタ40も、態様1〜4と同様、合成樹脂製のハウジング41を備え、ハウジング41は、端子金具30を収容可能な角ブロック状のハウジング本体42と、各電線100を挿通可能な屈曲板状のガイド部43とからなる。なお、ハウジング本体42の構造は態様1と同様であるため、説明を省略する。
ガイド部43は、ハウジング本体42の後端上縁に連結されて後方に短く突出する基部49と、基部49の後端の幅方向両端部から下向きに突出する一対のアーム部50と、基部49の上面の幅方向両端部に連結された可撓性で且つ帯状をなす一対のヒンジ部55と、両ヒンジ部55の先端部に一体に連結され、ヒンジ部55を中心として閉状態と開状態とに回動可能なカバー部56とからなる。
基部49は、ハウジング本体42の上面より一段高くなる部分を有し、この部分に前後方向に貫通する通し部52Eが設けられている。基部49の通し部52Eに、態様4の治具80が挿入されることにより、コネクタ40が幹線部10の分岐位置に位置決め可能とされている。両アーム部50は、背面視において、両カバーロック受け部53を除いてハウジング本体42の後面部分と幅方向で重なる部分を有しない位置に配置されている。また、両アーム部50の幅方向の対向空間には、カバー部56の後述する連結部57が嵌合可能とされている。さらに、両アーム部50は、前後方向に関してハウジング本体42の後面寄りの位置に配置され、側面視において、ハウジング本体42の後面との間に、各電線100の一本分の径寸法と同等又は少し大きい程度の開口寸法が確保されている。
カバー部56は、両ヒンジ部55の先端部に連結され、開状態のときに両ヒンジ部55と連続するように起立して配置される平板状の連結部57と、連結部57の先端部に連結され、閉状態において基部49と対向して配置される平板状の対向基部58と、対向基部58の先端部の幅方向両端に連結され、閉状態においてカバーロック受け部53を弾性的に係止する一対のカバーロック部59とからなる。両カバーロック部59は、対向基部58との連結位置を支点として撓み可能な帯板状の形態とされ、その先端部に、爪状の係止突起60が内側に突出して設けられている。
カバー部56の両カバーロック部59が閉状態においてハウジング本体42の両カバーロック受け部53に弾性的に係止されることにより、ハウジング本体42の後面とカバー部56との間に、幅方向(前後方向と交差する方向)に貫通する通し部52が画成される。通し部52は、側面視において、ハウジング本体42、基部49、アーム部50及び対向基部58によって全周に亘って閉じた形状となる。態様5のコネクタ40は、通し部52が1室である点を除けば、態様2のコネクタ40と概ね同様の構造とされ、態様5のコネクタ40の通し部52は、態様2のコネクタ40の第1通し部52Aを高さ寸法に増大させた形態に相当するものである。
次に、態様5における各電線100の配索構造について説明する。
まず、カバー部56が両ヒンジ部55を介して開状態とされ、ハウジング本体42の後方が開放される。続いて、幹線部10の各電線100のうち、分岐部20に分岐される各電線100が、対応するコネクタ40のガイド部43の通し部52を通して、同コネクタ40のハウジング本体42に引き入れられる。また、幹線部10の各電線100のうち、幹線部10に残る各電線100もガイド部43の通し部52に通され、通し部52の両端開口を通して前後方向と交差する双方向に配索される。このとき、各電線100は、ガイド部43の通し部52に縦一列となって遊動規制状態で密に配列される。
続いて、カバー部56が両ヒンジ部55を介して閉状態に向けて回動される。すると、連結部57が両アーム部50の対向空間に嵌合することでハウジング41の後面が閉塞されるとともに、対向基部58が通し部52を挟んで基部49と対向して配置されることでハウジング41の底面が閉塞され、且つ、両カバーロック部59の係止突起60が両カバーロック受け部53を弾性的に係止することでカバー部56がハウジング本体42に対して閉状態に保持される。また、カバー部56が閉状態に保持されることにより、各電線100が通し部52に通された状態に維持される。
態様5によれば、態様2と同様、各電線100が軸となって、各コネクタ40が、前後方向と交差する方向に首振りするのが防止されるとともに、対応する分岐部20の分岐位置に整列させられた状態に維持される。
<態様6>
図29〜図32は、態様6を示す。態様6のコネクタ40も、態様1〜5と同様、合成樹脂製のハウジング41を備え、ハウジング41は、端子金具30を収容可能な角ブロック状のハウジング本体42と、各電線100を挿通可能な屈曲板状のガイド部43とからなる。なお、ガイド部43の構造は態様1と同様であるため、説明を省略する。
ハウジング本体42の前端部には、その両側面の下端から両側方に張り出す一対の突片48が設けられている。両突片48の下面は、ハウジング本体42の他の下面と段差なく面一で連続して配置されている。そして、ハウジング本体42の下面は、両突片48の下面も含め、正面視において円弧を描くように、その全体が上方へ弓なりに湾曲する円弧部64とされている。この場合に、両突片48の全体が弧状に形成されている。また、図30に示すように、面取り部46は、両突片48の外縁のうち、円弧部64を除いた外周部に設けられている。ハウジング本体42のその他の構造は、態様1と同様である。
一方、態様6の場合、相手コネクタ70の構造が既述したものから多少変更されており、以下、その変更点を中心に説明する。
図31に示すように、相手コネクタ70のフード部72には、その両側面の下端から両側方に膨出するように張り出す一対の拡張部73が設けられている。両拡張部73の下面は、フード部72の他の下面と段差なく面一で連続して配置されている。そして、フード部72の下面は、両拡張部73も含め、正面視において円弧を描くように、その全体が上方へ弓なりに湾曲する形態をなす相手円弧部74とされている。この場合、両拡張部73の全体が弧状に形成されている。
円弧部64及び相手円弧部74は、ほぼ同一の曲率半径を有し、両コネクタ40、70の嵌合時に、互いに同心円弧状に配置される。この場合において、円弧部64及び相手円弧部74の曲率中心は、ソレノイド200の軸心に一致しており、フード部72の相手円弧部74は、ソレノイド200の外周面に沿って配置されている。
ところで、ソレノイド200は、オートマチックトランスミッションを構成する部品に取り付けられた状態で、その軸中心を中心として所定の角度範囲で前後方向(両コネクタ40、70の嵌合方向)と平行な軸周りに角変位可能とされている。このため、相手コネクタ70も、ソレノイド200が角変位するのに伴い、ソレノイド200の軸中心を中心として所定の角度範囲で角変位するようになっている。
態様6の場合、態様1と同様、コネクタ40は、ガイド部43の通し部52に通される各電線100の軸機能によって、相手コネクタ70に対して略位置決めされた状態で相手コネクタ70に対する嵌合動作を開始することが可能とされる。
このとき、図32に示すように、相手コネクタ70が初期位置から所定の角度範囲で角変位していると、フード部72の相手円弧部74がソレノイド200の軸心を中心として同心円弧に沿って変位することになる。そして、両コネクタ40、70の嵌合動作の開始時には、ハウジング本体42の円弧部64がフード部72の相手円弧部74に追従するように同じく同心円弧に沿って変位することにより、両突片48が両拡張部73に容易に嵌合させられ、ひいてはハウジング本体42がフード部72内に容易に嵌合させられる。なお、態様1と同様、ハウジング本体52の嵌合姿勢が正しくない場合には、両突片48が両拡張部73に嵌合されず、両ハウジング41、71の嵌合動作が規制される。
<態様7>
図33〜図47は、態様7を示す。態様7のコネクタ40も、態様1〜6と同様、合成樹脂製のハウジング41を備え、ハウジング41は、端子金具30を収容可能な角ブロック状のハウジング本体42と、各電線100を挿通可能なガイド部43とからなる。
図45及び図46に示すように、ハウジング本体42の両側面の後端下部には、一対のカバーロック受け部53が突設されている。両カバーロック受け部53は、側面視矩形の扁平突状をなし、ガイド部43に設けられた後述するカバー部56のカバーロック部59に係止可能とされている。ハウジング本体42のその他の構造は、態様1と同様であるため、説明を省略する。
ガイド部43は、図45に示すように、ハウジング本体42の後端上縁に一体に連結され、且つハウジング本体42よりも幅方向両側に張り出した状態で後方に突出する基部49と、基部49の前端側の幅方向両端部から下向きに突出する一対の仕切り部54と、基部49の後端の幅方向両側部から下向きに突出する一対のアーム部50と、これらとは別体として設けられるカバー部56とからなる。なお、以下の説明において、ハウジング41のうち、カバー部56を除く部分、つまり、ハウジング本体42、仕切り部54、基部49及びアーム部50を、ハウジング部分66と呼称する。
両仕切り部54は、板状をなし、前後方向に関してハウジング本体42の後面寄りの位置に配置され、図36に示すように、側面視において、ハウジング本体42の後面との間に、各電線100の一本分の径寸法と同等又は少し大きい程度の開口寸法を有している。両アーム部50は、両仕切り部54の後方に対向して配置され、後述するカバー部56の背板部67を嵌着可能な形状に画成されている。図35に示すように、両アーム部50の下端には、内側へ対向状に突出する一対の内側突出部68が設けられている。
図36及び図41に示すように、カバー部56は、ハウジング部分66への組み付け時に基部49と対向して配置される湾曲板状の対向基部58と、対向基部58の後端の幅方向中央部から上向きに突出する背板部67と、対向基部58の前端の幅方向両端部から上向きに突出する一対のカバーロック部59とを有している。両カバーロック部59の上端部には、爪状の係止突起60が内側に突出して設けられている。
背板部67の前面の幅方向両端部には、高さ方向に沿った係合リブ65が突出して設けられている。また、背板部67の上端には幅方向両側方に張り出す一対の外側突出部69が設けられている。ここで、図35に示すように、外側突出部69が内側突出部68に掛け止められた状態で、両アーム部50の内側に係合リブ65が当接しつつ背板部67が嵌合させられ、それとともに、図34に示すように、カバーロック部59の係止突起60がカバーロック受け部53の上端に弾性的に係止されることにより、カバー部56がハウジング部分66に保持されるようになっている。このとき、図36に示すように、カバー部56とハウジング部分66との間に、幅方向に貫通する通し部52が画成される。
通し部52は、側面視において、ハウジング本体42、基部49、アーム部50、背板部67及び対向基部58によって全周に亘って閉じた形状となり、且つ仕切り部54を介して2室に分離された状態となる。具体的には、通し部52は、側面視において、ハウジング本体42の後面と仕切り部54との間に区画される開口寸法が狭小な第1通し部52Aと、仕切り部54とアーム部50との間に区画される開口寸法が広大な第2通し部52Bとで構成される。第1通し部52Aには、各電線100が高さ方向に縦一列で密に配列され、第2通し部52Bには、各電線100が高さ方向及び前後方向に概ね点在して配列される。とくに、第1通し部52Aにおいては、各電線100の前後両端がハウジング本体42の後面と両仕切り部54とに当接可能に配置され、各電線100が前後方向への遊動を規制された状態に保持される。
さて、図37〜図39に示すように、ハウジング41の通し部52には、後述するように、ハウジング41が前後方向と平行な軸周りに角変位した場合に、各電線100との干渉を回避可能なように各電線100から退避した形状をなす逃がし部90が設けられている。逃がし部90は、通し部52の内面のうち、基部49の下面と対向基部58の上面とに設けられた第1傾斜面91及び第2傾斜面92によって画成されている。第1傾斜面91及び第2傾斜面92は、通し部52の内面の幅方向中央を挟んだ両側に、同幅方向中央から両端へ向けて、通し部52の内容積を増大させる拡開方向へ次第に傾斜する形態とされている。この場合に、第1傾斜面91及び第2傾斜面92は互いにほぼ同一の傾斜角を有している。
図37に示すように、基部49の上面は、第1傾斜面91及び第2傾斜面92の背合わせ位置に、幅方向にほぼ沿ったフラット面93を有している。このため、基部49は、幅方向両端へ向けて次第に板厚を薄くする形態になっている。一方、対向基部58の下面の幅方向両端部には、第1傾斜面91及び第2傾斜面92の背合わせ位置に、ソレノイド200の外周面に沿うように下向きに湾曲する第1外面94及び第2外面95(態様6の円弧部64に相当するものであるが、ここでは、便宜上、別名称を付す)が設けられている。第1外面94及び第2外面95の傾斜方向は、対向基部58の第1傾斜面91及び第2傾斜面92の傾斜方向と同じ側を向いている。このため、対向基部58の第1傾斜面91及び第2傾斜面92の傾斜角がきつくても、対向基部58の幅方向両端部に所定の板厚を確保することが可能とされている。
また、図41に示すように、対向基部58の第1傾斜面91及び第2傾斜面92には、それぞれ板片状の規制リブ96が突出して設けられている。両規制リブ96の上端は、幅方向に同一高さで配置されて対向基部58の上面の幅方向中央にほぼ段差無く連なる形態とされている。端的には、両規制リブ96は、第1傾斜面91及び第2傾斜面92の傾斜角度の範囲内に配置されている。
図33及び図36に示すように、カバー部56がハウジング部分66に保持された状態では、両規制リブ96が両仕切り部54の下端後面に当接可能に配置される。このため、両仕切り部54の後方への撓み動作が両規制リブ96によって規制される。その結果、第1通し部52Aが所定間隔に正確に保持されることになり、第1通し部52Aに挿通される各電線100の整列状態が安定して維持される。
次に、ガイド部43の通し部52に挿通される各電線100の配索構造について説明する。
ハウジング部分66にカバー部56が取り付けられるに先立ち、ガイド部43の通し部52に各電線100が挿通される。このとき、各電線100のうち、分岐部20に分岐される各電線100が分取され、その分取された各電線100が第1通し部52Aに通されて端子金具30を介してハウジング本体42のキャビティ44に後方から挿入される。一方、幹線部10に残る各電線100は、第2通し部52Bに通され、第2通し部52Bの両端開口を通して前後方向と交差する双方向に引き出される。
続いて、ハウジング部分66に下方からカバー部56が取り付けられる。すると、図36に示すように、カバー部56とハウジング部分66との間に通し部52が周方向に閉じた状態で区画され、各電線100の通し部52からの抜け出しが防止される。
上記の場合、各ハウジング41の通し部52に挿通される各電線100は、その配索方向(各コネクタ40の並び方向)への直線性を保持可能な整列部材としての機能を有するものとなる。このため、各分岐部のコネクタ40のハウジング41は、それぞれ対応する相手コネクタ70と嵌合可能な位置に正対させられ、その後の嵌合作業を円滑且つ迅速に行うことが可能となる。とりわけ、第1通し部52Aに各電線100が遊動規制状態で密に配列され、且つ、この第1通し部52Aがハウジング本体42と近接する位置に配置されるため、第1通し部52Aを通る各電線100の軸機能が効果的に発揮され、コネクタ40が首振りするのが確実に防止されるようになっている。
また、態様6で既述したように、コネクタ40が相手コネクタ70と嵌合された状態では、ソレノイド200がその軸中心を中心として所定の角度範囲で前後方向(両コネクタ40、70の嵌合方向)と平行な軸周りに角変位することが許容されている。
この場合、図40に示すように、仮に、通し部52の内面が各電線100の配索方向となる幅方向に平坦な形状であると、ソレノイド200が図示時計周り方向となる第1軸周り方向Xに角変位したときに、各電線100が、通し部52の平坦な内面に沿って強制的に屈曲変形させられ、全体として波打つような配索構造になってしまう。こうなると、各電線100がコネクタ40Aを並び方向に整列させる機能を充分に果たすことができず、且つ各通し部52に通される各電線100の本数も少なく制限されるという問題がある。
しかるに態様7によれば、通し部52に逃がし部90が設けられているため、図38から図39にかけて示すように、ソレノイド200が第1軸周り方向Xに角変位したときに、各電線100が、その直線性を維持した状態で、通し部52の第1傾斜面91に沿って実質的に屈曲されることなく配索可能となる。また、ソレノイド200が上記とは逆の反時計周り方向となる第2軸周り方向Yに角変位した場合には、各電線100が、その直線性を維持した状態で、通し部52の第2傾斜面92に沿って実質的に屈曲されることなく配索される。このため、ソレノイド200が第1軸周り方向Xと第2軸周り方向Yのいずれの方向に角変位しても、各電線100が整列部材としての整列機能を果たすことができ、且つ各通し部52に通される各電線100の本数も増加させることができる。なお、態様7の場合、ソレノイド200が第1軸周り方向X及び第2軸周り方向Yに最大限に角変位した場合に、第1傾斜面91及び第2傾斜面92が各電線100にほぼ平行して当接可能に配置されるようになっている。
以上説明したように、本実施例によれば、次の効果を奏し得る。
(1)態様1〜6においては、ガイド部43の通し部52に、この通し部52の両端開口を通して双方向に延出する電線100が配索されているため、この双方向に延出する電線100が軸となって、コネクタ40の首振りが防止され、ハウジング本体42の前面が相手コネクタ70との嵌合可能な位置に略位置決め状態で正対することが可能となる。その結果、コネクタ40と相手コネクタ70との嵌合作業を円滑に行うことができる。とくに、それぞれのコネクタ40が対応する相手コネクタ70との嵌合作業を迷わずに行うことができるとともに、両コネクタ40、70が本来の相手コネクタ70とは異なるものと誤嵌合される事態を回避することができる。
(2)態様1〜6においては、ハウジング本体42とガイド部43とが一体に連結された状態になっているため、部品点数が削減され、生産性の向上を図ることができる。
(3)態様1、6においては、ガイド部43には、電線100を引っ掛けて通し部52に留め置くための掛止部51が設けられているため、電線100がガイド部43から抜け出るのが防止される。なお、態様2〜5の場合は、ヒンジ部55を介して基部49に連結されるカバー部56が掛止部51としての機能を発揮することで、電線100がガイド部43から抜け出るのが防止される。
(4)態様1〜6においては、ガイド部43がハウジング本体42の後面から延出する自身の電線100を配索可能なスペースを有する通し部52と、自身以外の他の電線100を配索可能なスペースを有する通し部52とを有しているため、自身の電線100と、自身以外の他の電線100とを、それぞれのスペースにふり分けて配索することができる。
(5)態様2、3においては、コネクタ40のガイド部43に複数の通し部52が分離して設けられ、詳細には、ガイド部43に第1通し部52Aと第2通し部52Bとが分離して設けられているため、それぞれの通し部52A、52Bを介することで、部品点数を増やさず、且つ複雑な作業を要せずに、電線100の配索経路を定めることができる。とくに、それぞれの通し部52A、52Bに電線100をふり分けることにより、電線100の配索パターンにバリエーションをもたせることができ、ひいては電線100を効率良くまとめて配索することができる。
(6)態様2、3においては、第1通し部52Aが自身の電線100を配索可能なスペースを有するとともに、第2通し部52Bが自身以外の他の電線100を配索可能なスペースを有し、第1通し部52Aと第2通し部52Bとの間が仕切り部54によって分離されているため、ハウジング本体42の後面から延出する自身の電線100と自身以外の他の電線100とがそれぞれの通し部52に混在することなく区別して配索され、各電線100の配索作業を規則的に効率良く行うことができる。
(7)態様2においては、複数の通し部52のうち、最も小さい開口面積を有する第1通し部52Aに、整列部材としての電線100が通されるため、電線100の本数が少なくても、電線100による整列部材としての軸機能が効率良く発揮される。
(8)態様1〜6においては、ガイド部43の通し部52に、幹線部10の各電線100と幹線部10の各電線100から分岐する電線100とが挿通されるため、幹線部10及び分岐部20の各電線100が通し部52にまとめて効率良く配索される。
(9)態様1〜6においては、コネクタ40が、幹線部10の延出方向に間隔をあけた複数箇所に設置され、それぞれのコネクタ40を貫通して前後方向と交差する方向(幹線部10の延出方向)に沿って配置される整列部材を介して、対応する相手コネクタ70と正対可能な位置に一括して整列させられるため、両コネクタ40、70の嵌合作業を円滑且つ迅速に行うことが可能となる。この場合において、態様1〜3、5、6では、各コネクタ40のガイド部43の通し部52を貫通する幹線部10の各電線100が整列部材としての機能を果たし、態様4では、各コネクタ40のテーブル部62の通し部52を貫通する治具80が整列部材としての機能を果たしている。態様1〜3、5、6において、整列部材が各電線100からなる場合には、専用の整列部材を省略することができるため、構成の簡素化を図ることができるとともに、コストを安価に抑えることができる。
(10)態様1〜6においては、ガイド部43の通し部52がハウジング41を前後方向と交差する方向に同軸で貫通してなるため、整列部材として直線状の部材であればよく、整列部材の構造を簡素化することができるとともに、コストを安価に抑えることができる。
(11)態様2のガイド部43の第1通し部52A及び態様5のガイド部43の通し部52においては、同通し部52に、複数の電線100が遊動規制状態に密に配列されているため、これら電線100が軸となって、コネクタ40の首振りが防止され、各コネクタ40が対応する相手ハウジング71との嵌合可能な位置に整列させられる。その結果、コネクタ40の誤嵌合をより確実に防止することができるとともに、相手ハウジング71との嵌合作業をより円滑に進めることができる。
(12)態様2のガイド部43の第1通し部52A及び態様5のガイド部43の通し部52においては、同通し部52に、各電線100が前後方向と交差する方向に沿った平面内で一方向に並んで配列され、詳細には、高さ方向に縦一列で密に配列されているため、電線100の軸機能(剛性)がより高められ、コネクタ40の首振りがよりいっそう確実に抑えられる。
(13)態様6においては、相手ハウジング71が前後方向と平行な軸周りに角変位した場合に、ハウジング本体42の円弧部64がフード部72の相手円弧部74に誘導されてフード部72内に進入することにより、両ハウジング41、71の嵌合動作が円滑且つ迅速に進められる。この場合に、円弧部64及び相手円弧部74は、それぞれハウジング本体42の前面の下辺及びフード部72の開口縁の下辺に、角変位方向に沿って弧状に湾曲する形態とされるため、誘い込み用の面取り部46の形成範囲を小さく又は無くすことができる。その結果、コネクタ40が大型になるのを回避することができる。
(14)態様6においては、円弧部64及び相手円弧部74がそれぞれフード部72の下辺及びハウジング本体42の下辺を拡張してなるものであるため、相手ハウジング71が大きな角変位量で角変位する場合にも対応することが可能となり、誘い込みの信頼性が高められる。
(15)態様6においては、ガイド部43の通し部52に挿通される各電線100の軸機能によって、各コネクタ40のハウジング41が前後方向と交差する方向に略位置決めされた状態で相手ハウジング71との嵌合動作を開始することができるとともに、円弧部64及び相手円弧部74によって相手ハウジング71に対するハウジング41の嵌合位置の位置ずれが吸収されるため、両ハウジング41、71の嵌合動作の円滑性及び迅速性がより向上することになる。
(16)態様7においては、ハウジング41が角変位しても、各電線100から退避した形状をなす逃がし部90によって、ハウジング41が各電線100に大きく干渉することがないため、複数のハウジング41が並び方向に整列した状態が安定して維持される。
<他の実施例>
本発明は上記記述及び図面によって説明した実施例に限定されるものではなく、例えば次のような態様も本発明の技術的範囲に含まれる。
(1)態様2、3においては、ガイド部に、3つ以上の通し部が設けられるものであってもよい。
(2)態様2、3においては、ガイド部の第1通し部に、幹線部の各電線が配索され、ガイド部の第2通し部に、自身のハウジング本体から延出する各電線が配索されるものであってもよい。
(3)態様1、4〜6においては、態様2、3と同様、ガイド部に複数の通し部が分離して設けられるものであってもよい。
(4)態様6においては、相手ハウジングではなく、ハウジングが軸周りに角変位する構成であってもよい。あるいは、相手ハウジングとハウジングのいずれもが軸周りに角変位する構成であってもよい。
(5)態様2、3、7においては、仕切り部がカバーに連設されるものであってもよい。
(6)態様1、6においては、掛止部がハウジング本体に連設されるものであってもよい。
(7)態様7においては、各電線の代わりに、例えば、態様4で用いた治具を整列部材として用いてもよい。
10…幹線部
20…分岐部
30…端子金具
40…コネクタ
41…ハウジング
42…ハウジング本体
43…ガイド部
51…掛止部
52、52E…通し部
52A…第1通し部
52B…第2通し部
54…仕切り部
64…円弧部
70…相手コネクタ
71…相手ハウジング
72…フード部
74…相手円弧部
80…治具(整列部材)
90…逃がし部
91…第1傾斜面
92…第2傾斜面
100…電線(整列部材)

Claims (3)

  1. 筒状のフード部を有する相手ハウジングと、前記フード部内に嵌合可能なハウジング本体を有するハウジングとを備え、前記相手ハウジングと前記ハウジングの少なくとも一方が両ハウジングの嵌合方向と平行な両ハウジング外にある軸の軸周りに角変位し得るものであって、
    前記フード部の開口縁の一辺は、角変位方向に沿って弧状に湾曲する相手円弧部とされ、
    前記ハウジング本体の嵌合方向前面の一辺は、角変位方向に沿って弧状に湾曲し、前記相手円弧部に誘導されて前記フード部内に進入可能な円弧部とされていることを特徴とするコネクタ。
  2. 前記相手円弧部及び前記円弧部は、それぞれ前記フード部及びハウジング本体の一辺を拡張してなることを特徴とする請求項1記載のコネクタ。
  3. 前記相手ハウジングが前記嵌合方向と平行な軸周りに角変位し得るものであり、前記ハウジングは、前記嵌合方向と交差する方向に略位置決めされた状態で、前記相手ハウジングに嵌合されることを特徴とする請求項1又は2記載のコネクタ。
JP2013166742A 2013-08-09 2013-08-09 コネクタ Expired - Fee Related JP5990140B2 (ja)

Priority Applications (5)

Application Number Priority Date Filing Date Title
JP2013166742A JP5990140B2 (ja) 2013-08-09 2013-08-09 コネクタ
US14/909,551 US9666983B2 (en) 2013-08-09 2014-07-20 Connector
PCT/JP2014/069330 WO2015019842A1 (ja) 2013-08-09 2014-07-22 コネクタ
DE112014003684.6T DE112014003684B4 (de) 2013-08-09 2014-07-22 Kabelbaum
CN201480044390.0A CN105531885A (zh) 2013-08-09 2014-07-22 连接器

Applications Claiming Priority (1)

Application Number Priority Date Filing Date Title
JP2013166742A JP5990140B2 (ja) 2013-08-09 2013-08-09 コネクタ

Publications (2)

Publication Number Publication Date
JP2015035386A JP2015035386A (ja) 2015-02-19
JP5990140B2 true JP5990140B2 (ja) 2016-09-07

Family

ID=52461181

Family Applications (1)

Application Number Title Priority Date Filing Date
JP2013166742A Expired - Fee Related JP5990140B2 (ja) 2013-08-09 2013-08-09 コネクタ

Country Status (5)

Country Link
US (1) US9666983B2 (ja)
JP (1) JP5990140B2 (ja)
CN (1) CN105531885A (ja)
DE (1) DE112014003684B4 (ja)
WO (1) WO2015019842A1 (ja)

Families Citing this family (10)

* Cited by examiner, † Cited by third party
Publication number Priority date Publication date Assignee Title
JP6050196B2 (ja) * 2013-08-09 2016-12-21 株式会社オートネットワーク技術研究所 ワイヤハーネス及びコネクタ
JP6034276B2 (ja) * 2013-10-25 2016-11-30 株式会社オートネットワーク技術研究所 コネクタ構造
CN113975970B (zh) 2015-02-25 2024-06-14 三菱化学株式会社 分离膜组件及其修补方法
JP6781935B2 (ja) * 2017-04-28 2020-11-11 株式会社オートネットワーク技術研究所 機器コネクタ、およびコネクタ構造体
JP6852600B2 (ja) 2017-07-05 2021-03-31 株式会社オートネットワーク技術研究所 待ち受けコネクタ
JP6845992B2 (ja) * 2018-03-22 2021-03-24 株式会社オートネットワーク技術研究所 コネクタ付き機器
JP7004215B2 (ja) 2018-03-30 2022-01-21 株式会社オートネットワーク技術研究所 コネクタ付き機器
TWI691968B (zh) * 2019-04-10 2020-04-21 技嘉科技股份有限公司 記憶體插座保護罩及記憶體插座組件
JP7501411B2 (ja) * 2021-03-09 2024-06-18 住友電装株式会社 コネクタブラケット及びワイヤハーネス
CN115173117A (zh) * 2021-04-01 2022-10-11 安费诺电子装配(厦门)有限公司 一种连接器壳体、连接器及连接器组件

Family Cites Families (20)

* Cited by examiner, † Cited by third party
Publication number Priority date Publication date Assignee Title
DE3236495A1 (de) * 1982-09-30 1984-04-05 Siemens AG, 1000 Berlin und 8000 München Trennkontaktanordnung mit brueckenartigen kontaktlamellen fuer ausfahrbare schaltgeraete
US4664458A (en) * 1985-09-19 1987-05-12 C W Industries Printed circuit board connector
FR2716299B1 (fr) * 1994-02-16 1996-04-19 Framatome Connectors France Connecteur flottant à verrouillage temporaire et son application au domaine spatial.
JP3242841B2 (ja) 1996-06-26 2001-12-25 矢崎総業株式会社 コネクタガイド機構
JP2001126821A (ja) 1999-10-27 2001-05-11 Sumitomo Wiring Syst Ltd コネクタの取付構造
JP2002231366A (ja) * 2001-02-02 2002-08-16 Sumitomo Wiring Syst Ltd コネクタ
JP3775345B2 (ja) 2002-05-28 2006-05-17 住友電装株式会社 コネクタ
CN1321485C (zh) 2002-07-08 2007-06-13 林原 导线的连接装置
JP4703429B2 (ja) * 2006-02-17 2011-06-15 モレックス インコーポレイテド コネクタホルダ
US7500873B1 (en) * 2008-05-16 2009-03-10 Corning Gilbert Inc. Snap-on coaxial cable connector
JP4820421B2 (ja) 2009-01-13 2011-11-24 ホシデン株式会社 コネクタ
JP5355161B2 (ja) * 2009-03-16 2013-11-27 アイシン・エィ・ダブリュ株式会社 変速機用油圧制御装置
JP5275133B2 (ja) 2009-05-14 2013-08-28 矢崎総業株式会社 コネクタモジュール
WO2011121855A1 (ja) * 2010-03-30 2011-10-06 株式会社フジクラ 同軸コネクタ
US8622768B2 (en) * 2010-11-22 2014-01-07 Andrew Llc Connector with capacitively coupled connector interface
US8622762B2 (en) * 2010-11-22 2014-01-07 Andrew Llc Blind mate capacitively coupled connector
JP5763007B2 (ja) * 2012-04-19 2015-08-12 ヒロセ電機株式会社 電気コネクタ
US9425548B2 (en) * 2012-11-09 2016-08-23 Commscope Technologies Llc Resilient coaxial connector interface and method of manufacture
GB2509924A (en) * 2013-01-17 2014-07-23 Itt Mfg Entpr Llc Breakaway electrical connector
US9048596B2 (en) * 2013-06-05 2015-06-02 Tyco Electronics Brasil Ltda Connector with resilient latches to accommodate mounting to curved or arcuate surfaces

Also Published As

Publication number Publication date
CN105531885A (zh) 2016-04-27
US20160197438A1 (en) 2016-07-07
DE112014003684T5 (de) 2016-04-21
JP2015035386A (ja) 2015-02-19
WO2015019842A1 (ja) 2015-02-12
DE112014003684B4 (de) 2018-02-15
US9666983B2 (en) 2017-05-30

Similar Documents

Publication Publication Date Title
JP6050196B2 (ja) ワイヤハーネス及びコネクタ
JP5990140B2 (ja) コネクタ
JP6046571B2 (ja) コネクタ及びワイヤハーネス
JP6050197B2 (ja) ワイヤハーネス及びコネクタ
JP6046572B2 (ja) ワイヤハーネス及びコネクタ
US10707614B2 (en) Lever-type connector
US10622760B2 (en) Lever-type connector
KR101048462B1 (ko) 커넥터
CN105556760B (zh) 连接器
JP2017010701A (ja) アライニングプレート付きコネクタ
JP6431883B2 (ja) コネクタ
JP6943917B2 (ja) コネクタ
WO2019124027A1 (ja) レバー式コネクタ
JP2009110701A (ja) コネクタ
US20240213717A1 (en) Electrical unit and attachment method
JP7007149B2 (ja) コネクタ
JP2025001151A (ja) コネクタおよびコネクタの組み付け方法

Legal Events

Date Code Title Description
A621 Written request for application examination

Free format text: JAPANESE INTERMEDIATE CODE: A621

Effective date: 20151125

A521 Request for written amendment filed

Free format text: JAPANESE INTERMEDIATE CODE: A523

Effective date: 20160218

A711 Notification of change in applicant

Free format text: JAPANESE INTERMEDIATE CODE: A711

Effective date: 20160218

A521 Request for written amendment filed

Free format text: JAPANESE INTERMEDIATE CODE: A821

Effective date: 20160218

A131 Notification of reasons for refusal

Free format text: JAPANESE INTERMEDIATE CODE: A131

Effective date: 20160701

A521 Request for written amendment filed

Free format text: JAPANESE INTERMEDIATE CODE: A523

Effective date: 20160725

TRDD Decision of grant or rejection written
A01 Written decision to grant a patent or to grant a registration (utility model)

Free format text: JAPANESE INTERMEDIATE CODE: A01

Effective date: 20160809

A61 First payment of annual fees (during grant procedure)

Free format text: JAPANESE INTERMEDIATE CODE: A61

Effective date: 20160812

R150 Certificate of patent or registration of utility model

Ref document number: 5990140

Country of ref document: JP

Free format text: JAPANESE INTERMEDIATE CODE: R150

R250 Receipt of annual fees

Free format text: JAPANESE INTERMEDIATE CODE: R250

R250 Receipt of annual fees

Free format text: JAPANESE INTERMEDIATE CODE: R250

R250 Receipt of annual fees

Free format text: JAPANESE INTERMEDIATE CODE: R250

R250 Receipt of annual fees

Free format text: JAPANESE INTERMEDIATE CODE: R250

LAPS Cancellation because of no payment of annual fees