JP5118940B2 - 電源装置 - Google Patents

電源装置 Download PDF

Info

Publication number
JP5118940B2
JP5118940B2 JP2007286365A JP2007286365A JP5118940B2 JP 5118940 B2 JP5118940 B2 JP 5118940B2 JP 2007286365 A JP2007286365 A JP 2007286365A JP 2007286365 A JP2007286365 A JP 2007286365A JP 5118940 B2 JP5118940 B2 JP 5118940B2
Authority
JP
Japan
Prior art keywords
terminal
output
voltage
circuit
output voltage
Prior art date
Legal status (The legal status is an assumption and is not a legal conclusion. Google has not performed a legal analysis and makes no representation as to the accuracy of the status listed.)
Expired - Fee Related
Application number
JP2007286365A
Other languages
English (en)
Other versions
JP2009118578A (ja
Inventor
貴嗣 和智
Current Assignee (The listed assignees may be inaccurate. Google has not performed a legal analysis and makes no representation or warranty as to the accuracy of the list.)
Rohm Co Ltd
Original Assignee
Rohm Co Ltd
Priority date (The priority date is an assumption and is not a legal conclusion. Google has not performed a legal analysis and makes no representation as to the accuracy of the date listed.)
Filing date
Publication date
Application filed by Rohm Co Ltd filed Critical Rohm Co Ltd
Priority to JP2007286365A priority Critical patent/JP5118940B2/ja
Priority to CN200880023546A priority patent/CN101689803A/zh
Priority to PCT/JP2008/068722 priority patent/WO2009057453A1/ja
Priority to US12/601,928 priority patent/US8330440B2/en
Priority to KR1020107009740A priority patent/KR20100086995A/ko
Priority to TW097140471A priority patent/TW200937824A/zh
Publication of JP2009118578A publication Critical patent/JP2009118578A/ja
Application granted granted Critical
Publication of JP5118940B2 publication Critical patent/JP5118940B2/ja
Expired - Fee Related legal-status Critical Current
Anticipated expiration legal-status Critical

Links

Images

Classifications

    • HELECTRICITY
    • H02GENERATION; CONVERSION OR DISTRIBUTION OF ELECTRIC POWER
    • H02MAPPARATUS FOR CONVERSION BETWEEN AC AND AC, BETWEEN AC AND DC, OR BETWEEN DC AND DC, AND FOR USE WITH MAINS OR SIMILAR POWER SUPPLY SYSTEMS; CONVERSION OF DC OR AC INPUT POWER INTO SURGE OUTPUT POWER; CONTROL OR REGULATION THEREOF
    • H02M1/00Details of apparatus for conversion
    • H02M1/08Circuits specially adapted for the generation of control voltages for semiconductor devices incorporated in static converters
    • HELECTRICITY
    • H02GENERATION; CONVERSION OR DISTRIBUTION OF ELECTRIC POWER
    • H02MAPPARATUS FOR CONVERSION BETWEEN AC AND AC, BETWEEN AC AND DC, OR BETWEEN DC AND DC, AND FOR USE WITH MAINS OR SIMILAR POWER SUPPLY SYSTEMS; CONVERSION OF DC OR AC INPUT POWER INTO SURGE OUTPUT POWER; CONTROL OR REGULATION THEREOF
    • H02M3/00Conversion of DC power input into DC power output
    • H02M3/02Conversion of DC power input into DC power output without intermediate conversion into AC
    • H02M3/04Conversion of DC power input into DC power output without intermediate conversion into AC by static converters
    • H02M3/10Conversion of DC power input into DC power output without intermediate conversion into AC by static converters using discharge tubes with control electrode or semiconductor devices with control electrode
    • H02M3/145Conversion of DC power input into DC power output without intermediate conversion into AC by static converters using discharge tubes with control electrode or semiconductor devices with control electrode using devices of a triode or transistor type requiring continuous application of a control signal
    • H02M3/155Conversion of DC power input into DC power output without intermediate conversion into AC by static converters using discharge tubes with control electrode or semiconductor devices with control electrode using devices of a triode or transistor type requiring continuous application of a control signal using semiconductor devices only
    • H02M3/156Conversion of DC power input into DC power output without intermediate conversion into AC by static converters using discharge tubes with control electrode or semiconductor devices with control electrode using devices of a triode or transistor type requiring continuous application of a control signal using semiconductor devices only with automatic control of output voltage or current, e.g. switching regulators
    • H02M3/158Conversion of DC power input into DC power output without intermediate conversion into AC by static converters using discharge tubes with control electrode or semiconductor devices with control electrode using devices of a triode or transistor type requiring continuous application of a control signal using semiconductor devices only with automatic control of output voltage or current, e.g. switching regulators including plural semiconductor devices as final control devices for a single load
    • H02M3/1588Conversion of DC power input into DC power output without intermediate conversion into AC by static converters using discharge tubes with control electrode or semiconductor devices with control electrode using devices of a triode or transistor type requiring continuous application of a control signal using semiconductor devices only with automatic control of output voltage or current, e.g. switching regulators including plural semiconductor devices as final control devices for a single load comprising at least one synchronous rectifier element
    • YGENERAL TAGGING OF NEW TECHNOLOGICAL DEVELOPMENTS; GENERAL TAGGING OF CROSS-SECTIONAL TECHNOLOGIES SPANNING OVER SEVERAL SECTIONS OF THE IPC; TECHNICAL SUBJECTS COVERED BY FORMER USPC CROSS-REFERENCE ART COLLECTIONS [XRACs] AND DIGESTS
    • Y02TECHNOLOGIES OR APPLICATIONS FOR MITIGATION OR ADAPTATION AGAINST CLIMATE CHANGE
    • Y02BCLIMATE CHANGE MITIGATION TECHNOLOGIES RELATED TO BUILDINGS, e.g. HOUSING, HOUSE APPLIANCES OR RELATED END-USER APPLICATIONS
    • Y02B70/00Technologies for an efficient end-user side electric power management and consumption
    • Y02B70/10Technologies improving the efficiency by using switched-mode power supplies [SMPS], i.e. efficient power electronics conversion e.g. power factor correction or reduction of losses in power supplies or efficient standby modes

Landscapes

  • Engineering & Computer Science (AREA)
  • Power Engineering (AREA)
  • Dc-Dc Converters (AREA)

Description

本発明は、入力電圧から所望の出力電圧を生成する電源装置に関するものである。
従来より、入力電圧から所望の出力電圧を生成する手段としては、高精度で高効率が得られるスイッチング電源装置が広く一般に用いられている。
なお、上記に関連する従来技術の一例としては、本願出願人による特許文献1、2を挙げることができる。
特開2004−23846号公報 特開2004−48835号公報
ところで、上記のスイッチング電源装置は、スイッチング動作によって得られたパルス電圧をLCフィルタで平滑化して、所望の出力電圧を生成する。そのため、出力電圧の発振を防止するには、出力電圧の帰還制御に際して適切な位相補償を行う必要があり、従来のスイッチング電源装置では、LCフィルタを構成するインダクタや出力コンデンサ、或いは、エラーアンプに接続される位相補償用の抵抗やコンデンサとして、高価で大型の素子を用いなければならず、コストアップや装置規模の増大が招かれていた。
本発明は、上記の問題点に鑑み、安価な構成でありながら、出力電圧の帰還制御に際して適切な位相補償を行うことが可能な電源装置を提供することを目的とする。
上記目的を達成すべく、本発明に係る電源装置は、帰還入力される出力電圧と所定の基準電圧との差分を増幅するエラーアンプの出力信号が小さくなるように、出力トランジスタのスイッチング制御を行うことで、入力電圧から所望の出力電圧を生成する電源装置であって、前記エラーアンプの出力段は、カレントミラー回路を用いて電流信号を出力する構成とされており、前記カレントミラー回路の出力側トランジスタには、抵抗とコンデンサを並列接続して成るブースト回路が接続されている構成(第1の構成)とされている。
本発明に係る電源装置であれば、安価な構成でありながら、出力電圧の帰還制御に際して適切な位相補償を行うことが可能となる。
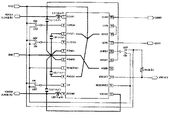
図1は、本発明に係る半導体装置の一実施形態を示すブロック図である。
まず、本実施形態の半導体装置10の概要について述べる。
図1に示す半導体装置10は、DVD[Digital Versatile Disc]ドライブやCD[Compact Disc]ドライブなど、光ディスクドライブ用途向けのシステム電源LSIである。第1の特徴は、3.3[V]出力の同期整流型降圧DC/DCコンバータを内蔵している点である。第2の特徴は、1.5[V]出力の同期整流型降圧DC/DCコンバータを内蔵している点である。第3の特徴は、各チャンネルのDC/DCコンバータを逆相スイッチング動作させることでリプル干渉を抑制している点である。第4の特徴は、ソフトスタート機能(1[ms](Typ.))を内蔵している点である。第5の特徴は、出力電流リミッタや短絡保護機能を内蔵している点である。第6の特徴は、エラーアンプの位相補償機能を内蔵している点である。第7の特徴は、動作周波数を3.0[MHz](Typ.)としている点である。第8の特徴は、リセット回路を内蔵している点である。第9の特徴は、リセット検出に際して、アナログ電源電圧AVCCとDC/DCコンバータ出力を監視している点である。第10の特徴は、リセット遅延時間(50[ms](Typ.))をカウントするためのタイマ回路を内蔵している点である。第11の特徴は、LED[Light Emitting Diode]ドライバ用のPチャネル型MOS[Metal Oxide Semiconductor]電界効果トランジスタを内蔵している点である。第12の特徴は、Pチャネル型MOS電界効果トランジスタを用いたカレントスイッチを内蔵している点である。第13の特徴は、シャットダウン機能を内蔵している点である。第14の特徴は、図2に示すパッケージを採用している点である。なお、図2中に記載した寸法値の単位はミリメートルである。
上記の特徴を有する本実施形態の半導体装置10は、図1に示すように、DC/DCコンバータ部Aと、リセット部Bと、LEDドライバ部Cと、カレントスイッチ部Dと、を集積化して成る。
DC/DCコンバータ部Aは、エラーアンプA11、A12と、PWM[Pulse Width Modulation]コンパレータA21、A22と、コントロールドライバA31、A32と、カレントリミット回路A41、A42と、Pチャネル型MOS電界効果トランジスタA51、A52と、Nチャネル型MOS電界効果トランジスタA61、A62と、基準電圧生成回路A7と、発振器A8と、ソフトスタート回路A9と、を有して成る。なお、DC/DCコンバータ部Aは、1.5[V]の出力電圧を生成する第1のDC/DCコンバータと、3.3[V]の出力電圧を生成する第2のDC/DCコンバータを用いて、2チャンネルの出力電圧を生成するものである。
リセット部Bは、リセット制御回路B1と、論理和演算器B2と、npn型バイポーラトランジスタB3と、を有して成る。
LEDドライバ部Cは、コントローラC1と、Pチャネル型MOS電界効果トランジスタC2と、カレントリミット回路C3と、を有して成る。
カレントスイッチ部Dは、コントローラD1と、Pチャネル型MOS電界効果トランジスタD2と、カレントリミット回路D3と、を有して成る。
また、本実施形態の半導体装置10は、外部との電気的接続を確立する手段として、20本の外部端子(1ピン〜20ピン)を有して成る。
図3は、外部端子のピン番号、端子名、及び、機能を示した対応表である。また、図4は、外部端子のピン番号、端子名、等価回路、及び、機能を示した対応表である。
DCSW1端子(1ピン)は、1.5[V]の出力電圧を生成するDC/DCコンバータのスイッチング端子である。なお、DCSW1端子とPGND1端子(5ピン)との間には、静電保護用クランパが接続されている。
CSWON端子(2ピン)は、カレントスイッチ制御端子であり、CSWON端子がハイレベルとされているときに、カレントスイッチ部Cがオン状態となる。なお、CSWON端子は、TTL[Transistor-Transistor-Logic]レベル入力端子とされており、その信号経路には、静電保護用抵抗(4[kΩ](Typ.))が接続されている。また、CSWON端子とAVCC端子(18ピン)との間、及び、CSWON端子とAGND端子(14ピン)との間には、それぞれ静電保護用ダイオードが接続されている。また、CSWON端子とAGND端子との間には、プルダウン抵抗(100[kΩ](Typ.))が接続されている。
PVCC1端子(3ピン)は、1.5[V]の出力電圧を生成するDC/DCコンバータ用の電源入力端子である。なお、PVCC1端子とAVCC端子との間には、静電保護用ダイオードが接続されている。また、PVCC1端子とPGND1端子との間や、AVCC端子とPGND1端子との間には、それぞれ静電保護用クランパが接続されている。
XLEDON端子(4ピン)は、LEDドライバ制御端子であり、XLEDON端子がローレベルとされているとき、LEDドライバ部Cがオン状態となる。なお、XLEDON端子は、TTLレベル入力端子とされており、その信号経路には、静電保護用抵抗(4[kΩ](Typ.))が接続されている。また、XLEDON端子とAVCC端子との間、及び、XLEDON端子とAGND端子との間には、それぞれ静電保護用ダイオードが接続されている。また、XLEDON端子とAGND端子との間には、プルダウン抵抗(100[kΩ](Typ.))が接続されている。
PGND1端子(5ピン)は、1.5[V]の出力電圧を生成するDC/DCコンバータ用のGND端子である。
PGND2端子(6ピン)は、3.3[V]の出力電圧を生成するDC/DCコンバータ用のGND端子である。
RESERVE1端子(7ピン)は、通常時には用いられないリザーブ端子であり、通常時には接地しておくことが望ましい。
PVCC2端子(8ピン)は、3.3[V]の出力電圧を生成するDC/DCコンバータ用の電源入力端子である。なお、PVCC2端子とAVCC端子との間には、静電保護用ダイオードが接続されている。また、PVCC2端子とPGND2端子との間や、AVCC端子とPGND2端子との間には、それぞれ静電保護用クランパが接続されている。
CS端子(9ピン)は、チップセレクト端子であり、CS端子がハイレベルであるときに、半導体装置10が動作状態となる。なお、CS端子は、TTLレベル入力端子とされており、その信号経路には、静電保護用抵抗(4[kΩ](Typ.))が接続されている。また、CS端子とAVCC端子との間、及び、CS端子とAGND端子との間には、それぞれ静電保護用ダイオードが接続されている。
DCSW2端子(10ピン)は、3.3[V]の出力電圧を生成するDC/DCコンバータのスイッチング端子である。なお、DCSW2端子とPGND2端子との間には、静電保護用クランパが接続されている。
VDCO2端子(11ピン)は、3.3[V]の出力電圧を生成するDC/DCコンバータ用のフィードバック端子である。
RESERVE2端子(12ピン)は、通常時には用いられないリザーブ端子であり、通常時には接地しておくことが望ましい。
XRESET端子(13ピン)は、リセット出力端子である。なお、XRESET端子は、オープンコレクタ出力形式とされている。また、XRESET端子とAVCC端子との間、及び、XRESET端子とAGND端子との間には、それぞれ静電保護用ダイオードが接続されている。
AGND端子(14ピン)は、アナログGND端子である。
VDCO1端子(15ピン)は、1.5[V]の出力電圧を生成するDC/DCコンバータ用のフィードバック端子である。
XHRST端子(16ピン)は、外部リセット端子であり、XHRST端子がローレベルとされているとき、リセット部Bがリセット状態となる。なお、XHRST端子は、TTLレベルヒステリシス入力端子とされており、その信号経路には、静電保護用抵抗(4[kΩ](Typ.))が接続されている。また、XHRST端子とAVCC端子との間、及び、XHRST端子とAGND端子との間には、それぞれ静電保護用ダイオードが接続されている。
LEDO端子(17ピン)は、LEDドライバ出力端子である。
AVCC端子(18ピン)は、アナログ電源端子である。
CSWI端子(19ピン)は、カレントスイッチ入力端子である。
CSWO端子(20ピン)は、カレントスイッチ出力端子である。
次に、外部端子の端子処理について、図5に示す応用回路図を参照しながら、詳細な説明を行う。
図5は、外部端子の端子処理を説明するための応用回路図である。
基板パターンについて、PVCC1端子、PVCC2端子、及び、AVCC端子は、基板上の電源に接続することが望ましい。また、PGND1端子、PGND2端子及び、AGND端子は、基板上のGNDに1ポイントで接続することが望ましい。また、PVCC1端子、PVCC2端子、及び、AVCC端子には、太く短い配線を行い、インピーダンスを十分低くすることが望ましい。また、PGND1端子、PGND2端子、及び、AGND端子についても、太く短い配線を行い、インピーダンスを十分低くすることが望ましい。DC/DCコンバータの出力電圧(VDCO1、VDCO2)については、図示のように出力コンデンサCO1、CO2の両端から取り出すことが望ましい。また、DC/DCコンバータは、基板パターンや周辺部品により性能が影響を受けるため、周辺回路の設計は十分検討することが望ましい。
外付け素子について、PVCC端子とPGND1端子及びPGND2端子との間に接続されるバイパスコンデンサCB1、CB2としては、等価直列抵抗(ESR[Equivalent Series Resistance])の低いセラミックコンデンサを使用し、かつ、できる限り半導体装置10の近傍に配置することが望ましい。また、これに限らず、インダクタやコンデンサ等の外付け素子は、できる限り半導体装置10の近傍に配置し、特に大電流が流れる部分については、太く短い配線を行うことが望ましい。
図6は、上記構成から成る半導体装置10の電気的特性を示す表である。なお、図6に示した電気的特性は、特に指定のない限り、PVCC1=PVCC2=AVCC=5.0[V]、周囲温度Ta=25[℃]での数値を示している。
次に、上記構成から成る半導体装置10の諸機能について説明する。
まず、DC/DCコンバータ部Aの機能について説明する。
DC/DCコンバータ部Aは、第1出力電圧VDCO1を生成する第1の同期整流型DC/DCコンバータと、第2出力電圧VDCO2を生成する第2の同期整流型DC/DCコンバータと、を有して成る。
外付け素子としては、降圧用のインダクタンスL1、L2(推奨1.5[μH])、出力コンデンサCO1、CO2(推奨10[μF])、並びに、PVCC1端子とPGND1端子との間、及び、PVCC2端子とPGND2端子との間にそれぞれ接続されるバイパスコンデンサCB1、CB2(推奨10[μF])を必要とする(図5を参照)。
DC/DCコンバータ部Aは、UVLO[Under Voltage Lock Out]解除電圧(3.75[V](Typ.))で動作を開始する。
エラーアンプA11は、非反転入力端(+)に印加される基準電圧VREFと、反転入力端(−)に印加される出力電圧VDCO1との差分を増幅して、誤差電圧Verr1を生成する。PWMコンパレータA21は、第1非反転入力端(+)に印加される誤差電圧Verr1と第2非反転入力端(+)に印加されるソフトスタート電圧Vssのいずれか低い方と、反転入力端(−)に印加される鋸波電圧Vsawとを比較し、その結果に応じたデューティ比の比較信号Vcmp1を生成する。コントロールドライバA31は、比較信号Vcmp1に基づいてトランジスタ51、61のオン/オフ制御を行い、DCSW1端子にパルス電圧を生成する。これを外付けのLCフィルタ(図5のL1、CO1)で平滑化することにより、第1出力電圧VDCO1(1.5[V](Typ.))を生成する。
エラーアンプA12は、反転入力端(−)に印加される基準電圧VREFと、非反転入力端(−)に印加される出力電圧VDCO2との差分を増幅して、誤差電圧Verr2を生成する。PWMコンパレータA22は、第1反転入力端(−)に印加される誤差電圧Verr2と第2反転入力端(−)に印加されるソフトスタート電圧Vssのいずれか低い方と、非反転入力端(+)に印加される鋸波電圧Vsawとを比較し、その結果に応じたデューティ比の比較信号Vcmp2を生成する。コントロールドライバA32は、比較信号Vcmp2に基づいてトランジスタ52、62のオン/オフ制御を行い、DCSW2端子にパルス電圧を生成する。これを外付けのLCフィルタ(図5のL2、CO2)で平滑化することにより、第2出力電圧VDCO2(3.3[V](Typ.))を生成する。
なお、DC/DCコンバータ部Aは、第1、第2のDC/DCコンバータを互いに逆相でオン/オフ制御する構成とされている。このような構成とすることにより、第1、第2のDC/DCコンバータ相互間のリプル干渉を抑制することが可能となる。
また、DC/DCコンバータ部Aの最大出力電流については、許容損失を超えないように、500[mA]程度が想定されている。
また、DC/DCコンバータ部Aの起動時には、ソフトスタート回路A9(1.0[ms](Typ.))の働きによって、第1出力電圧VDCO1、及び、第2VDCO2を徐々に立ち上げるように、トランジスタ51、61及びトランジスタ52、62のスイッチング制御が行われる。
すなわち、DC/DCコンバータ部Aの起動直後には、出力電圧VDCO1、VDCO2がゼロであるため、誤差電圧Verr1、Verr2が極めて大きくなる。従って、誤差電圧Verr1、Verr2と鋸波電圧Vsawを比較すると、比較信号Vcmp1、Vcmp2のデューティ比が過大となり、負荷に過大な電流が流れてしまうことになる。
そこで、本実施形態の半導体装置10は、誤差電圧Verr1、Verr2とは別に、ソフトスタート電圧VssをPWMコンパレータA21、A22に入力しておき、ソフトスタート電圧Vssが誤差電圧Verr1、Verr2よりも低いときには、誤差電圧Verr1、Verr2に依らず、より低いソフトスタート電圧Vssと鋸波電圧Vsawとの比較結果に応じて、比較信号Vcmp1、Vcmp2のデューティ比を決定する構成とされている。
なお、本実施形態の半導体装置10において、ソフトスタート回路A9は、コンデンサに所定の定電流を流し込むことで、装置の起動後から緩やかに上昇を開始するソフトスタート電圧Vssを生成する構成とされている。
このように、ソフトスタート回路A9を備えた構成であれば、装置の起動時における負荷への過大電流を防止することが可能となる。
次に、リセット部Bの機能について説明する。
リセット部Bは、セットに搭載されるDSP[Digital Signal Processor]などにリセット信号を送出する手段である。なお、リセット信号の出力端に相当するXRESET端子は、トランジスタB3のオープンコレクタ出力であり、外部素子として、プルアップ抵抗R(10[kΩ])を必要とする(図5を参照)。
リセット制御回路B1は、アナログ電源電圧AVCCが3.7[V](Typ.)以下、或いは、第2出力電圧VDCO2が2.7[V](Typ.)以下であることを検出したとき、論理和演算器B2の第1入力端に印加する制御信号をハイレベルとし、トランジスタB3をオンさせる。これにより、XRESET端子は、ローレベル(リセット状態)となる。
また、リセット制御回路B1は、半導体装置10の起動時には、アナログ電源電圧AVCCと第2出力電圧VDCO2の起動が検出されてから、半導体装置10に内蔵されているタイマ回路(不図示)によって50[ms](Typ.)がカウントされた後に、トランジスタB3をオフさせて、XRESET端子をハイレベル(リセット解除)とする。
図7は、リセット部Bの起動動作を説明するためのタイミングチャートであり、上から順に、AVCC端子、VDCO1端子、VDCO2端子、及び、XRESET端子の各電圧波形が示されている。
また、XHRST端子は、論理和演算器B2の第2入力端(反転入力端)に接続されている。従って、XHRST端子をローレベルとすることで、トランジスタB3は、リセット制御回路B1からの制御信号に依ることなく、オン状態に遷移され、XRESET端子は、ローレベル(リセット状態)とされる。なお、XHRST端子を用いたリセット制御の場合、先述のタイマ回路(50[ms](Typ.))は動作しない。
次に、LEDドライバ部Cの機能について説明する。
LEDドライバ部Cは、セットに搭載されるLEDの点消灯制御を行う手段であり、XLEDON端子がローレベルのときにオン状態となる。なお、LEDドライバ部Cに内蔵されるトランジスタC2のオン抵抗は、最大10[Ω]であり、最大出力電流としては、50[mA]程度が想定されている。
次に、カレントスイッチ部Dの機能について説明する。
カレントスイッチ部Dは、セットに搭載されるピックアップ(特にレーザダイオード)への電源供給をオン/オフ制御する手段であり、CSWON端子がハイレベルのときにオン状態となる。なお、CSWI端子側にアナログ電源電圧AVCCなどを印加し、CSWO端子側に負荷を接続する形で使用される。また、カレントスイッチ部Dに内蔵されるトランジスタD2のオン抵抗は、最大1.0[Ω]であり、最大出力電流としては、100[mA]程度が想定されている。
上記したように、本実施形態の半導体装置10は、2チャンネルのDC/DCコンバータ部Aに加えて、リセット部B、LEDドライバ部C、及び、カレントスイッチ部Dを1チップに内蔵した構成とされている。このような構成とすることにより、システム電源IC周辺部の回路群を1チップ化することができ、DVDやCDの電源部を容易に構成することが可能となる。
また、本実施形態の半導体装置10であれば、リセット部B、LEDドライバ部C、及び、カレントスイッチ部Dを各単体のIC、ないしは、ディスクリート部品で形成する構成に比べて、セット規模の縮小や応答速度の向上、及び、消費電力の低減を実現することが可能となる。
次に、出力電圧VDCO1、VDCO2の起動について説明する。
図8は、出力電圧の起動波形を示すタイミングチャートであり、上から順に、電源端子(PVCC、AVCC)、VDCO2端子、VDCO1端子、XRESET端子、XHRSET端子、CSWO端子、及び、LEDO端子の各電圧波形を示している。なお、図8は、CS=5[V]、CSWON=5[V]、XLEDON=0[V]に設定されている場合の様子を示したものである。
電源端子(PVCC、AVCC)の電圧レベルが3.75[V]に達すると、UVLOが解除され、DC/DCコンバータ部Aが動作を開始する。このとき、第1のDC/DCコンバータと第2のDC/DCコンバータは、同時に起動される。なお、ソフトスタート期間は1[ms]に設定されている。また、半導体装置10の起動に際して、DC/DCコンバータ部Aの各出力は、軽負荷の状態としておくことが望ましい。
リセット部Bは、アナログ電源電圧AVCCと第2出力電圧VDCO2の双方を監視しており、それぞれが3.7[V]、2.7[V]に達してから所定期間(50[ms])の経過後に、XRESET端子をハイレベル(リセット解除)とする(図7を参照)。
リセット状態が解除された後、例えば、第2出力電圧VDCO2が2.7[V]を下回ると、リセット部Bは、XRESET端子をローレベル(リセット状態)とし、その後、第2出力電圧VDCO2が2.8[V]を上回ると、その時点から50[ms]経過した後に、リセット部Bは、XRESET端子をハイレベル(リセット解除)とする。一方、第1出力電圧VDCO1は監視されていないため、これが低下した場合でも、XRESET端子がローレベル(リセット状態)とされることはない。
また、XHRST端子によるホストリセットに関して、XHRST端子がローレベルとされている間、リセット部Bは、XRESET端子をローレベル(リセット状態)とし、XHRST端子がハイレベルに戻された時点で、リセット部Bは、XRESET端子を即時にハイレベル(リセット解除)とする。ただし、電圧モニタによるリセット解除から50[ms]以内の期間は、XHRST端子によるホストリセットが無効とされている。
次に、過電流/短絡保護機能について説明する。
DC/DCコンバータ部A、LEDドライバ部C、及び、カレントスイッチ部Dの各出力動作を制御するコントロールドライバA31、A32、コントローラC1、及び、コントローラD1には、過電流/短絡保護機能を実現する手段として、カレントリミット回路A41、A42、C3、D3が各々接続されている。すなわち、XRESET端子以外の各出力端子には、いずれも過電流/短絡保護機能が内蔵されているので、突発的なGNDショートによる破壊から半導体装置10を保護することが可能となる。
まず、DC/DCコンバータ部Aの過電流検出動作について説明する。
図9は、DC/DCコンバータ部Aの過電流検出動作を説明するためのタイミングチャートであり、上から順に、CS端子、VDCO1端子、DCSW1端子、及び、VDCO2端子の各電圧波形を示している。なお、図9では、第1出力電圧VDCO1を生成する第1のDC/DCコンバータで過電流が生じた際の様子が例示されている。
カレントリミット回路A41で過電流(1.5[A](Typ.))が検出されると、所定期間(1.0[μs](Typ.))だけ、PVCC端子から出力コンデンサCO1への充電が禁止され、第1出力電圧VDCO1の生成動作が停止される。一方、カレントリミット回路A42で過電流が検出されていない限り、第2出力電圧VDCO2の生成動作は継続される。第1出力電圧VDCO1の生成動作を停止してから上記所定期間が経過すると、第1出力電圧VDCO1の生成動作が再開され、カレントリミット回路A41で再度の過電流判定が行われる。このとき、過電流状態が解消されていなければ、先述と同様、所定期間だけ、第1出力電圧VDCO1の生成動作が停止される。
このような状態が所定期間(1.5[ms](Typ.))だけ継続すると、短絡保護機能(タイマーオフラッチ機能)が働いて、第1出力電圧VDCO1と第2出力電圧VDCO2の生成動作がいずれも停止される。DC/DCコンバータ部Aの出力動作を再開するためには、半導体装置10に対して電源を再投入するか、或いは、CS端子を用いたシャットダウン動作を行えばよい。
なお、第2出力電圧VDCO2を生成する第2のDC/DCコンバータで過電流が生じた場合には、第2出力電圧VDCO2の生成動作が断続的に停止された後、最終的には、第1出力電圧VDCO1と第2出力電圧VDCO2の生成動作がいずれも停止される。
次に、LEDドライバ部Cの過電流検出動作について説明する。なお、カレントスイッチ部Dの過電流検出動作についても、LEDドライバ部Cと同様であるため、重複した説明は省略する。
図10は、LEDドライバ部Cに内蔵されたカレントリミット回路C3の一構成例を示す回路図である。また、図11は、LEDに対する出力電流ILEDOと出力電圧LEDOとの関係を示す相関図である。
図10に示すように、カレントリミット回路C3は、コンパレータC3a、C3bと、センス抵抗C3cと、直流電圧源C3dと、を有して成る。コンパレータC3aは、センス抵抗C3cの両端電圧(出力電流ILEDOの大小に応じて変動する電圧信号)が所定値に達しているか否かを判定する手段であり、コンパレータC3bは、出力電圧LEDOが所定値Vthに達しているか否かを判定する手段である。
コントローラC1は、コンパレータC3aの出力信号に基づいて、出力電流ILEDOが第1閾値ILIM1に達しているか否かを判断し、出力電流ILEDOが第1閾値ILIM1に達していなければ、出力電圧LEDOを所定値(5.0[V])に維持するように、トランジスタC2の導通度(オン抵抗)を制御する(図11の定電圧制御期間Xを参照)。一方、出力電流ILEDOが第1閾値に達していると判断した場合、コントローラC1は、出力電流ILEDOを第1閾値ILIM1に維持するように、トランジスタC2の導通度(オン抵抗)を制御して、出力電圧LEDOを低下させていく。
このとき、コントローラC1は、コンパレータC3bの出力信号に基づいて、出力電圧LEDOが閾値電圧Vthを下回っているか否かを判断し、出力電圧LEDOが閾値電圧Vthを下回っていなければ、引き続き、出力電流ILEDOを第1閾値ILIM1に維持するように、トランジスタC2の導通度(オン抵抗)を制御して、出力電圧LEDOを低下させる(図11の第1電流制限期間Yを参照)。一方、出力電圧LEDOが閾値電圧Vthを下回っていると判断した場合、コントローラC1は、出力電流ILEDOを第1閾値ILIM1よりも低い第2閾値ILIM2に維持するように、トランジスタC2の導通度(オン抵抗)を制御して、出力電圧LEDOをさらに低下させていく(図11の第2電流制限期間Zを参照)。
このように、2段階のカレントリミット動作を行うことにより、半導体装置10の安全性を高めることが可能となる。なお、LEDO端子で過電流が検出された場合でも、その他の出力端子(VDCO1端子、VDCO2端子、及び、CSWO端子)については、通常動作が継続される。
次に、過電圧ミュート機能について説明する。
図12は、過電圧ミュート機能を説明するためのタイミングチャートであり、上から順番に、電源端子(AVCC、PVCC)、VDCO1端子、VDCO2端子、CSWO端子、及び、LEDO端子の各電圧波形が示されている。
図1では明示していないが、半導体装置10には、過電圧による半導体装置10の誤動作を防止する手段として、過電圧ミュート回路が内蔵されている。図12に示すように、電源電圧(AVCC、PVCC)が6.5[V](Typ.)以上になると、過電圧ミュート機能が働き、DC/DCコンバータ部Aはスイッチングを停止する。これにより、過電圧による半導体装置10の誤動作を防止することが可能となる。
次に、UVLO機能について説明する。
図13は、UVLO機能を説明するためのタイミングチャートであり、上から順番に、電源端子(AVCC、PVCC)、VDCO1端子、VDCO2端子、CSWO端子、及び、LEDO端子の各電圧波形が示されている。
図1では明示していないが、半導体装置10には、減電圧による半導体装置10の誤動作を防止する手段として、UVLO回路が内蔵されている。図13に示すように、電源電圧(AVCC、PVCC)が3.65[V](Typ.)以下(LEDドライバ部Cは3.70[V](Typ.)以下)になると、UVLO機能が働き、DC/DCコンバータ部Aはスイッチングを停止する。これにより、減電圧による半導体装置10の誤動作を防止することが可能となる。なお、電源電圧(AVCC、PVCC)が3.75[V](Typ.)以上(LEDドライバ部Cは3.90[V](Typ.)以上)に戻ると、シャットダウンが解除されて、出力電圧の生成動作が再起動される。
次に、CS端子を用いたシャットダウン機能について説明する。
図14は、CS端子を用いたシャットダウン機能を説明するためのタイミングチャートであり、上から順番に、CS端子、VDCO2端子、VDCO1端子、CSWO端子、及び、LEDO端子の各電圧波形が示されている。なお、図14は、AVCC=PVCC=5[V]、CSWON=5[V]、XLEDON=0[V]に設定されている場合の様子を示したものである。
図14に示すように、CS端子がローレベルとされたときには、先述の保護機能(UVLO機能など)が動作したときと同様、DC/DCコンバータ部Aがスイッチングを停止する。また、LEDドライバ部Cやカレントスイッチ部Dの出力も0[V]となる。その後、CS端子がハイレベルとされたときには、シャットダウンが解除されて、各々の出力動作が再開される。
なお、上記のシャットダウンに際して、VDCO1端子及びVDCO2端子の各端子電圧は、DC/DCコンバータ部Aの出力段を形成するローサイドスイッチ(トランジスタA61、A62)のオン抵抗を介してディスチャージされる。また、CSWO端子及びLEDO端子の各端子電圧は、半導体装置10に内蔵された抵抗(図1には不図示)を介してディスチャージされる。
次に、サーマルシャットダウン機能について説明する。
図1では明示していないが、半導体装置10には、その熱的破壊を防止する手段としてサーマルシャットダウン回路が内蔵されている。チップ温度がTjmax=175[℃](Typ.)に達すると、サーマルシャットダウン機能が働き、DC/DCコンバータ部Aはスイッチングを停止する。このような制御により、半導体装置10を熱的暴走から保護することが可能となる。
なお、上記のサーマルシャットダウン時には、図15に示すように、DC/DCコンバータ部Aの出力段を形成するハイサイドのトランジスタ(A51、A52)とローサイドのトランジスタ(A61、A62)がいずれもオフ状態とされ、VDCO1端子及びVDCO2端子がいずれもハイインピーダンス状態とされる。すなわち、先述のCS端子を用いたシャットダウン時と異なり、サーマルシャットダウン時には、VDCO1端子及びCDCO2端子の各端子電圧がディスチャージされることなく維持される。従って、異常高温下でローサイドのトランジスタ(A61、A62)に電流が流れることはないので、素子の破壊やさらなる温度上昇を回避することが可能となる。なお、LEDO端子及びCSWO端子の各端子電圧については、先述のCS端子を用いたシャットダウン時と同様、半導体装置10に内蔵された抵抗(図1には不図示)を介してディスチャージされる。
次に、DC/DCコンバータ部Aの位相補償について説明する。
半導体装置10は、エラーアンプA11、A12の位相補償を装置内部で行っており、インダクタL1、L2及び出力コンデンサCO1、CO2については、安定動作を行うために推奨値(1.5[μH]、10[μF]以上)を用いることが望ましい。入力コンデンサは、ESRの低い10[μF]以上のセラミックコンデンサを使用することが望ましい。なお、重負荷時でも安定動作を行えるように、PVCC端子とPGND端子との間のバイパスコンデンサCB1、CB2は、図16に示すように、半導体装置10から最小となる距離に配置することが望ましい。出力コンデンサCO1、CO2としては、セラミックコンデンサを使用することが可能であり、これにより低ノイズ及び低リプルの電源を構成することができる。また、DC/DCコンバータ部Aの出力は、図5に示したように、できる限り出力コンデンサCO1、CO2の両端から取り出すことが望ましい。
次に、エラーアンプA11、A12内部での位相補償について説明する。
図17は、エラーアンプA11の一構成例(特に出力段周辺)を示す回路図である。なお、エラーアンプA12は、エラーアンプA11と同様の構成であるため、ここでは重複した説明を省略する。
本構成例のエラーアンプA11は、出力電圧帰還型の電流出力アンプであり、第1出力電圧VDCO1と基準電圧VREFが差動入力される入力段A11aと、入力段A11aからの電圧信号を電流信号に変換して出力する出力段A11bと、を有して成る。
出力段A11bは、コレクタが入力段A11aの出力端に接続されるnpn型バイポーラトランジスタQ1と、ベースがトランジスタQ1のベース及びコレクタに接続されるnpn型バイポーラトランジスタQ2と、トランジスタQ1のエミッタと接地端との間に接続される抵抗R1と、トランジスタQ2のコレクタと電源端との間に接続される定電流源I1と、トランジスタQ2のエミッタと接地端との間に接続されるブースト回路BSTとを有して成り、トランジスタQ2のコレクタから電流信号を出力する構成とされている。なお、ブースト回路BSTは、抵抗RBSTとコンデンサCBSTを並列接続して成る。
このように、エラーアンプA11の出力段A11bは、一対のトランジスタQ1、Q2から成るカレントミラー回路を用いて電流信号を出力する構成であり、これにブースト回路BSTが挿入された形となっている。
ブースト回路BSTは、電流信号の周波数が低周波数領域であるときには、所定のインピーダンスを有する抵抗回路として機能し、電流信号の周波数が高周波数領域であるときには、そのインピーダンスが低下して、トランジスタQ2のエミッタと接地端との間を交流的に短絡するバイパス回路として機能する。
従って、電流信号の周波数が高周波数領域であるときには、トランジスタQ1、Q2から成るカレントミラー回路のミラー比が大きくなるので、エラーアンプA11のゲインを高めることが可能となり、延いては、位相余裕(ゲインが0[db]であるときの位相)を維持することが可能となる。
図18は、エラーアンプA11の周波数特性を示す図であり、横軸は周波数、縦軸は位相とゲインを示している。なお、本図では、インダクタL1及び出力コンデンサCO1の特性値を各々1.5[μH]、10[μF]に設定した場合の周波数特性を示している。また、図中の実線は本発明(ブースト回路あり)の挙動を示すものであり、破線は従来構成(ブースト回路なし)の挙動を示すものである。
図18に示すように、本発明の構成であれば、インダクタL1及び出力コンデンサCO1として特性値の小さい素子を用いた場合であっても、エラーアンプA11の位相余裕を十分に維持することができるので、上記の特性値が多少ばらついても、DC/DCコンバータを安定に動作させることが可能となる。また、エラーアンプA11の出力端に接続する位相補償コンデンサの容量値を数[pF]まで小さくすることもできるため、これを半導体装置10に内蔵することが可能となる。
次に、動作周波数の安定化技術について説明する。
周囲温度や電源電圧の変動に伴って、DC/DCコンバータ部Aの動作周波数が所望の設定値(3[MHz])から大きく変動してしまうと、先述の位相補償に影響を及ぼし、出力リプルが増大してしまう。そこで、半導体装置10では、発振器A8の発振周波数を決定する定電流Icの温度特性並びに電源電圧特性をいずれもフラットとするように、定電流源の回路構成に工夫を凝らしている。
図19は、定電流源の一構成例を示す回路図である。
本図に示すように、本構成例の定電流源は、pnp型バイポーラトランジスタトランジスタQa、Qb、Qcと、npn型バイポーラトランジスタQd、Qeとを有して成る。
トランジスタQa、Qb、Qcのエミッタは、それぞれ、抵抗Ra、Rb、Rcを介して、バンドギャップ電圧VBGの印加端に接続されている。トランジスタQa、Qb、Qcのベースは、いずれもトランジスタQbのコレクタに接続されている。トランジスタQaのコレクタは、トランジスタQdのコレクタに接続されている。トランジスタQbのコレクタは、トランジスタQeのコレクタに接続されている。トランジスタQeのコレクタは、発振器A8の定電流入力端に接続されている。トランジスタQd、Qeのベースは、いずれもトランジスタQdのコレクタに接続されている。トランジスタQdのエミッタは接地端に接続されている。トランジスタQeのエミッタは、抵抗Reを介して接地端に接続されている。
上記したように、本構成例の定電流源は、定電流Icの電源電圧特性をフラットとするために、バンドギャップ電源回路で生成されたバンドギャップ電圧VBGを駆動電圧として用いている。
また、本構成例の定電流源は、トランジスタQdのベース・エミッタ間降下電圧Vfの温度特性と、抵抗Reの温度特性を互いに相殺させることで、定電流Icの温度特性をフラットとしている。
このような定電流源を用いることにより、図20で示すように、DC/DCコンバータ部Aの動作周波数を所望の設定値(3[MHz])に維持することが可能となる。
次に、DC/DCコンバータ部Aの特性向上について説明する。
DC/DCコンバータ部Aの動作周波数が高速であるほど、出力端に接続されるインダクタL1、L2や出力コンデンサCO1、CO2の特性値を小さくしても、図21に示すように、出力リプルを小さく抑えることができる。一方、DC/DCコンバータ部Aの動作周波数を高速にすると、スイッチング損失が大きくなり、変換効率が低下してしまう。
そこで、DC/DCコンバータ部Aでは、動作周波数を従来の1.5[MHz]から3[MHz]まで高めた上で、その変換効率を低下させない工夫を凝らしている。
まず、トランジスタA51、A61、及び、トランジスタA52、A62を同時オフさせる期間(デッドタイム)の最適化を行い、スイッチング損失の低減を行っている。
動作周波数を3[MHz]に設定した場合、PWM信号の周期は、333.3[ns]となり、PWM信号の最小パルス幅は、60[ns]前後(最小デューティ20%)となる。従って、PWM信号のデッドタイムとしては、5〜10[ns]という極めて短い時間を正確に設定しなければならない。
なお、従来構成では、抵抗とコンデンサから成るRC時定数回路を用いて、デッドタイムを設定していたが、このような構成では、素子ばらつきの影響が大きいため、デッドタイムを正確に設定することができない。
そこで、本発明では、素子ディレイ(トランジスタから成るインバータの論理反転遅延時間)を用いて、PWM信号のデッドタイムを設定する構成とされている。このような構成とすることにより、RC時定数回路を用いる従来構成に比べて、PWM信号のデッドタイムを正確に設定することができるので、DC/DCコンバータ部Aのスイッチング損失を低減することが可能となる。
図22は、負荷電流と変換効率の相関関係を示す図である。本図に示すように、半導体装置10であれば、DC/DCコンバータ部Aの動作周波数を3[MHz]に設定し、インダクタL1、L2や出力コンデンサCO1、CO2の特性値を小さく設定しても、十分高い効率(特に負荷電流として数百[mA]を流す高負荷領域における効率)を得ることが可能となる。
また、PWM信号のデッドタイムを合わせ込む過程で、トランジスタA51、A61、及び、トランジスタA52、A62のゲートに付随する寄生コンデンサの容量値を見積もることができたため、これに応じてドライバの電流能力を調整し、スルーレートの最適化を行っている。このような調整により、出力スパイクノイズの低減(図23の例では、第1出力電圧VDCO1について、pp値=20[mV]程度まで低減)や、出力負荷応答の改善(図24の例では、第1出力電圧VDCO1について、ΔV=25[mV]程度に改善)を実現することが可能となる。
なお、上記の実施形態では、DVDドライブやCDドライブなど、光ディスクドライブ用途向けのシステム電源LSIに本発明を適用した構成を例に挙げて説明を行ったが、本発明の適用対象はこれに限定されるものではなく、その他の電源装置にも広く適用することが可能である。
また、本発明の構成は、上記実施形態のほか、発明の主旨を逸脱しない範囲で種々の変更を加えることが可能である。
本発明は、例えば、DVDドライブやCDドライブなど、光ディスクドライブ用途向けのシステム電源LSIに好適な技術である。
は、本発明に係る半導体装置の一実施形態を示すブロック図である。 は、半導体装置10の外形寸法図である。 は、外部端子のピン番号、端子名、及び、機能を示した対応表である。 は、外部端子のピン番号、端子名、等価回路、及び、機能を示した対応表である。 は、外部端子の端子処理を説明するための応用回路図である。 は、半導体装置10の電気的特性を示す表である。 は、リセット部Bの起動動作を説明するためのタイミングチャートである。 は、出力電圧の起動波形を示すタイミングチャートである。 は、DC/DCコンバータ部Aの過電流検出動作を説明するためのタイミングチャートである。 は、LEDドライバ部Cに内蔵されたカレントリミット回路C3の一構成例を示す回路図である。 は、出力電流ILEDOと出力電圧LEDOの関係を示す相関図である。 は、過電圧ミュート機能を説明するためのタイミングチャートである。 は、UVLO機能を説明するためのタイミングチャートである。 は、CS端子を用いたシャットダウン機能を説明するためのタイミングチャートである。 は、サーマルシャットダウン時のスイッチング状態を示す回路図である。 は、バイパスコンデンサCB1、CB2の一配置例を示す模式図である。 は、エラーアンプの一構成例(特に出力段周辺)を示す回路図である。 は、エラーアンプA11の周波数特性を示す図である。 は、定電流源の一構成例を示す回路図である。 は、動作周波数の温度特性を示す図である。 は、DC/DCコンバータ部Aの出力リプルを示す図である。 は、負荷電流と変換効率の相関関係を示す図である。 は、DC/DCコンバータ部Aの出力スパイクノイズを示す図である。 は、DC/DCコンバータ部Aの出力負荷応答を示す図である。
符号の説明
10 半導体装置(システム電源LSI)
A DC/DCコンバータ部
A11、A12 エラーアンプ
A11a 入力段
A11b 出力段
A21、A22 PWMコンパレータ
A31、A32 コントロールドライバ
A41、A42 カレントリミット回路
A51、A52 Pチャネル型MOS電界効果トランジスタ
A61、A62 Nチャネル型MOS電界効果トランジスタ
A7 基準電圧生成回路
A8 発振器
A9 ソフトスタート回路
B リセット部
B1 リセット制御回路
B2 論理和演算器
B3 npn型バイポーラトランジスタ
C LEDドライバ部
C1 コントローラ
C2 Pチャネル型MOS電界効果トランジスタ
C3 カレントリミット回路
C3a、C3b コンパレータ
C3c センス抵抗
C3d 直流電圧源
D カレントスイッチ部
D1 コントローラ
D2 Pチャネル型MOS電界効果トランジスタ
D3 カレントリミット回路
L1、L2 インダクタ
CO1、CO2 出力コンデンサ
CB1、CB2 バイパスコンデンサ
Q1、Q2 npn型バイポーラトランジスタ
R1 抵抗
I1 定電流源
BST ブースト回路
RBST 抵抗
CBST コンデンサ
Qa、Qb、Qc pnp型バイポーラトランジスタ
Qd、Qe npn型バイポーラトランジスタ
Ra、Rb、Rc、Re 抵抗

Claims (1)

  1. 帰還入力される出力電圧と所定の基準電圧との差分を増幅するエラーアンプの出力信号が小さくなるように、出力トランジスタのスイッチング制御を行うことで、入力電圧から所望の出力電圧を生成する電源装置であって、
    前記エラーアンプの出力段は、カレントミラー回路を用いて電流信号を出力する構成とされており、前記カレントミラー回路の出力側トランジスタには、抵抗とコンデンサを並列接続して成るブースト回路が接続されていることを特徴とする電源装置。
JP2007286365A 2007-11-02 2007-11-02 電源装置 Expired - Fee Related JP5118940B2 (ja)

Priority Applications (6)

Application Number Priority Date Filing Date Title
JP2007286365A JP5118940B2 (ja) 2007-11-02 2007-11-02 電源装置
CN200880023546A CN101689803A (zh) 2007-11-02 2008-10-16 电源装置
PCT/JP2008/068722 WO2009057453A1 (ja) 2007-11-02 2008-10-16 電源装置
US12/601,928 US8330440B2 (en) 2007-11-02 2008-10-16 Power supply device with gain changing error amplifier
KR1020107009740A KR20100086995A (ko) 2007-11-02 2008-10-16 전원 장치
TW097140471A TW200937824A (en) 2007-11-02 2008-10-22 Power supply device

Applications Claiming Priority (1)

Application Number Priority Date Filing Date Title
JP2007286365A JP5118940B2 (ja) 2007-11-02 2007-11-02 電源装置

Publications (2)

Publication Number Publication Date
JP2009118578A JP2009118578A (ja) 2009-05-28
JP5118940B2 true JP5118940B2 (ja) 2013-01-16

Family

ID=40590845

Family Applications (1)

Application Number Title Priority Date Filing Date
JP2007286365A Expired - Fee Related JP5118940B2 (ja) 2007-11-02 2007-11-02 電源装置

Country Status (6)

Country Link
US (1) US8330440B2 (ja)
JP (1) JP5118940B2 (ja)
KR (1) KR20100086995A (ja)
CN (1) CN101689803A (ja)
TW (1) TW200937824A (ja)
WO (1) WO2009057453A1 (ja)

Families Citing this family (16)

* Cited by examiner, † Cited by third party
Publication number Priority date Publication date Assignee Title
JP5118940B2 (ja) * 2007-11-02 2013-01-16 ローム株式会社 電源装置
JP5736772B2 (ja) * 2010-12-27 2015-06-17 サンケン電気株式会社 定電流電源装置
JP2013021117A (ja) 2011-07-11 2013-01-31 Rohm Co Ltd Led駆動装置、照明装置、液晶表示装置
US9192014B2 (en) * 2011-07-19 2015-11-17 Nxp B.V. LED short circuit protection
US9136690B1 (en) * 2011-08-30 2015-09-15 Xilinx, Inc. Front-end circuit with electro-static discharge protection
ITMI20120974A1 (it) 2012-06-05 2013-12-06 St Microelectronics Srl Convertitore dc-dc e suo metodo operativo.
JP6328876B2 (ja) * 2012-10-04 2018-05-23 ソニー株式会社 駆動装置および発光装置
US9331587B2 (en) * 2013-01-22 2016-05-03 Power Integrations, Inc. Power converter controller with multiple power sources
CN107529240B (zh) * 2016-06-22 2024-03-15 赛尔富电子有限公司 一种应用于led灯的电源电路
CN107762941A (zh) * 2016-08-16 2018-03-06 浙江红果微电子有限公司 用于主控芯片散热的风扇驱动芯片
CN106487333B (zh) * 2016-10-14 2019-11-05 北京无线电计量测试研究所 一种恒流电离激发电路
JP7246897B2 (ja) * 2018-11-14 2023-03-28 ローム株式会社 半導体集積回路、ハイサイドトランジスタの駆動回路、dc/dcコンバータのコントローラ
CN110753417B (zh) * 2019-11-15 2021-09-17 天津光电通信技术有限公司 一种使用max7219控制双极性LED灯的控制方法
CN113364261B (zh) * 2020-03-03 2023-11-24 康舒科技股份有限公司 整合式驱动模块
TWI760023B (zh) * 2020-12-22 2022-04-01 新唐科技股份有限公司 參考電壓電路
CN117769083A (zh) 2022-09-16 2024-03-26 开利公司 片上系统SoC和包含其的烟雾探测设备

Family Cites Families (18)

* Cited by examiner, † Cited by third party
Publication number Priority date Publication date Assignee Title
US6680604B2 (en) * 2000-03-27 2004-01-20 Intersil Corporation Methods to control the droop when powering dual mode processors and associated circuits
JP4574813B2 (ja) 2000-08-09 2010-11-04 旭化成エレクトロニクス株式会社 増幅回路
JP2002172938A (ja) 2000-12-08 2002-06-18 Toyo Tire & Rubber Co Ltd ウェザーストリップとその取付構造
JP2002199406A (ja) 2000-12-25 2002-07-12 Nec Corp 動画像gop同期方式
US6977489B2 (en) * 2003-01-10 2005-12-20 Intersil Americas, Inc Multiphase converter controller using single gain resistor
US7282894B2 (en) * 2004-08-25 2007-10-16 Matsushita Electric Industrial Co., Ltd. Method and apparatus for performing lossless sensing and negative inductor currents in a high side switch
JP2006262103A (ja) * 2005-03-17 2006-09-28 Fuji Electric Holdings Co Ltd 電圧電流変換回路および誤差増幅回路
US7919952B1 (en) * 2005-03-21 2011-04-05 Microsemi Corporation Automatic gain control technique for current monitoring in current-mode switching regulators
JP2006279703A (ja) * 2005-03-30 2006-10-12 Matsushita Electric Ind Co Ltd 可変利得増幅器並びにそれを用いたミキサ及び直交変調器
JP4863706B2 (ja) 2005-12-08 2012-01-25 セイコーインスツル株式会社 スイッチングレギュレータ
US7495423B1 (en) * 2006-04-03 2009-02-24 National Semiconductor Corporation Apparatus and method for loop adjustment for a DC/DC switching regulator
US7535211B2 (en) * 2006-05-24 2009-05-19 Intersil Americas Inc. Voltage regulator having current canceling compensation
JP5167736B2 (ja) * 2007-09-12 2013-03-21 株式会社リコー スイッチングレギュレータ
JP5118940B2 (ja) * 2007-11-02 2013-01-16 ローム株式会社 電源装置
JP5336091B2 (ja) * 2008-01-24 2013-11-06 セミコンダクター・コンポーネンツ・インダストリーズ・リミテッド・ライアビリティ・カンパニー 電源回路及び電子機器
JP5511225B2 (ja) * 2009-06-03 2014-06-04 ローム株式会社 昇圧型スイッチング電源装置
US8754622B2 (en) * 2009-10-30 2014-06-17 Linear Technology Corporation Voltage regulator compensating for voltage drop along conductors between regulator output and load
TWI442688B (zh) * 2009-12-20 2014-06-21 Microsemi Corp 電源轉換器及控制電源轉換器之方法

Also Published As

Publication number Publication date
KR20100086995A (ko) 2010-08-02
US20100176776A1 (en) 2010-07-15
JP2009118578A (ja) 2009-05-28
TW200937824A (en) 2009-09-01
WO2009057453A1 (ja) 2009-05-07
US8330440B2 (en) 2012-12-11
CN101689803A (zh) 2010-03-31

Similar Documents

Publication Publication Date Title
JP5118940B2 (ja) 電源装置
JP5618733B2 (ja) 半導体装置及びこれを用いたスイッチングレギュレータ
US8373397B2 (en) DC-DC converter and semiconductor integrated circuit
JP7577582B2 (ja) 降圧dc/dcコンバータならびにそのコントローラおよびその制御方法、電子機器
KR100718522B1 (ko) Dc-dc 컨버터, dc-dc 컨버터의 제어 회로, 및dc-dc 컨버터의 제어 방법
US20060012932A1 (en) Overcurrent protection circuit
US8912780B2 (en) Switching control circuit
JP2007006651A (ja) スイッチング制御回路、自励型dc−dcコンバータ
US20110127974A1 (en) Switching control circuit and power supply apparatus
JPWO2012157118A1 (ja) 電圧駆動型素子を駆動する駆動装置
JP6794250B2 (ja) 位相補償回路及びこれを用いたdc/dcコンバータ
US8339164B2 (en) Antenna driving device
JP2019017210A (ja) ハイサイドトランジスタの駆動回路、それを用いたdc/dcコンバータの制御回路、dc/dcコンバータ
JP6722070B2 (ja) Dc/dcコンバータおよびその制御回路、電子機器
US7453251B1 (en) Voltage tracking reference for a power regulator
JP2010246294A (ja) 電源回路および電子機器
JP2018007357A (ja) Dc/dcコンバータおよびその制御回路、インダクタのショート検出方法、制御方法、電子機器
US20240113622A1 (en) Controller circuit of step-down dc/dc converter and in-vehicle power supply system
JP2012027811A (ja) 電圧レギュレータを内蔵した半導体集積回路
JP6794249B2 (ja) 位相補償回路及びこれを用いたdc/dcコンバータ
JP7626673B2 (ja) 昇圧dc/dcコンバータの制御回路、電源回路、電子機器
JP4367774B2 (ja) Icチップ
JP2005312105A (ja) 降圧コンバータ
JP2022165745A (ja) Dc/dcコンバータおよびその制御回路、ならびに電子機器
JP5151966B2 (ja) スイッチング電源

Legal Events

Date Code Title Description
A621 Written request for application examination

Free format text: JAPANESE INTERMEDIATE CODE: A621

Effective date: 20101028

TRDD Decision of grant or rejection written
A01 Written decision to grant a patent or to grant a registration (utility model)

Free format text: JAPANESE INTERMEDIATE CODE: A01

Effective date: 20120925

A01 Written decision to grant a patent or to grant a registration (utility model)

Free format text: JAPANESE INTERMEDIATE CODE: A01

A61 First payment of annual fees (during grant procedure)

Free format text: JAPANESE INTERMEDIATE CODE: A61

Effective date: 20121022

R150 Certificate of patent or registration of utility model

Ref document number: 5118940

Country of ref document: JP

Free format text: JAPANESE INTERMEDIATE CODE: R150

Free format text: JAPANESE INTERMEDIATE CODE: R150

FPAY Renewal fee payment (event date is renewal date of database)

Free format text: PAYMENT UNTIL: 20151026

Year of fee payment: 3

R250 Receipt of annual fees

Free format text: JAPANESE INTERMEDIATE CODE: R250

RD03 Notification of appointment of power of attorney

Free format text: JAPANESE INTERMEDIATE CODE: R3D03

R250 Receipt of annual fees

Free format text: JAPANESE INTERMEDIATE CODE: R250

R250 Receipt of annual fees

Free format text: JAPANESE INTERMEDIATE CODE: R250

R250 Receipt of annual fees

Free format text: JAPANESE INTERMEDIATE CODE: R250

R250 Receipt of annual fees

Free format text: JAPANESE INTERMEDIATE CODE: R250

LAPS Cancellation because of no payment of annual fees