JP4635644B2 - シクロヘキサノンオキシムの製造方法 - Google Patents

シクロヘキサノンオキシムの製造方法 Download PDF

Info

Publication number
JP4635644B2
JP4635644B2 JP2005052876A JP2005052876A JP4635644B2 JP 4635644 B2 JP4635644 B2 JP 4635644B2 JP 2005052876 A JP2005052876 A JP 2005052876A JP 2005052876 A JP2005052876 A JP 2005052876A JP 4635644 B2 JP4635644 B2 JP 4635644B2
Authority
JP
Japan
Prior art keywords
cyclohexanone
water
cyclohexanone oxime
ammonia
organic solvent
Prior art date
Legal status (The legal status is an assumption and is not a legal conclusion. Google has not performed a legal analysis and makes no representation as to the accuracy of the status listed.)
Expired - Fee Related
Application number
JP2005052876A
Other languages
English (en)
Other versions
JP2006232774A (ja
Inventor
正美 深尾
伸一 川瀬
Current Assignee (The listed assignees may be inaccurate. Google has not performed a legal analysis and makes no representation or warranty as to the accuracy of the list.)
Sumitomo Chemical Co Ltd
Original Assignee
Sumitomo Chemical Co Ltd
Priority date (The priority date is an assumption and is not a legal conclusion. Google has not performed a legal analysis and makes no representation as to the accuracy of the date listed.)
Filing date
Publication date
Priority to JP2005052876A priority Critical patent/JP4635644B2/ja
Application filed by Sumitomo Chemical Co Ltd filed Critical Sumitomo Chemical Co Ltd
Priority to DE602006001531T priority patent/DE602006001531D1/de
Priority to EP06003801A priority patent/EP1700846B1/en
Priority to US11/360,631 priority patent/US7449600B2/en
Priority to SG200601242A priority patent/SG125242A1/en
Priority to KR1020060018212A priority patent/KR20060095476A/ko
Priority to TW095106464A priority patent/TWI363747B/zh
Priority to CN2006100095505A priority patent/CN1827592B/zh
Publication of JP2006232774A publication Critical patent/JP2006232774A/ja
Application granted granted Critical
Publication of JP4635644B2 publication Critical patent/JP4635644B2/ja
Anticipated expiration legal-status Critical
Expired - Fee Related legal-status Critical Current

Links

Images

Classifications

    • CCHEMISTRY; METALLURGY
    • C07ORGANIC CHEMISTRY
    • C07CACYCLIC OR CARBOCYCLIC COMPOUNDS
    • C07C249/00Preparation of compounds containing nitrogen atoms doubly-bound to a carbon skeleton
    • C07C249/04Preparation of compounds containing nitrogen atoms doubly-bound to a carbon skeleton of oximes
    • CCHEMISTRY; METALLURGY
    • C07ORGANIC CHEMISTRY
    • C07CACYCLIC OR CARBOCYCLIC COMPOUNDS
    • C07C249/00Preparation of compounds containing nitrogen atoms doubly-bound to a carbon skeleton
    • C07C249/04Preparation of compounds containing nitrogen atoms doubly-bound to a carbon skeleton of oximes
    • C07C249/08Preparation of compounds containing nitrogen atoms doubly-bound to a carbon skeleton of oximes by reaction of hydroxylamines with carbonyl compounds
    • CCHEMISTRY; METALLURGY
    • C07ORGANIC CHEMISTRY
    • C07CACYCLIC OR CARBOCYCLIC COMPOUNDS
    • C07C249/00Preparation of compounds containing nitrogen atoms doubly-bound to a carbon skeleton
    • C07C249/04Preparation of compounds containing nitrogen atoms doubly-bound to a carbon skeleton of oximes
    • C07C249/14Separation; Purification; Stabilisation; Use of additives
    • CCHEMISTRY; METALLURGY
    • C07ORGANIC CHEMISTRY
    • C07CACYCLIC OR CARBOCYCLIC COMPOUNDS
    • C07C251/00Compounds containing nitrogen atoms doubly-bound to a carbon skeleton
    • C07C251/32Oximes
    • C07C251/34Oximes with oxygen atoms of oxyimino groups bound to hydrogen atoms or to carbon atoms of unsubstituted hydrocarbon radicals
    • C07C251/44Oximes with oxygen atoms of oxyimino groups bound to hydrogen atoms or to carbon atoms of unsubstituted hydrocarbon radicals with the carbon atom of at least one of the oxyimino groups being part of a ring other than a six-membered aromatic ring
    • CCHEMISTRY; METALLURGY
    • C07ORGANIC CHEMISTRY
    • C07CACYCLIC OR CARBOCYCLIC COMPOUNDS
    • C07C2601/00Systems containing only non-condensed rings
    • C07C2601/12Systems containing only non-condensed rings with a six-membered ring
    • C07C2601/14The ring being saturated

Landscapes

  • Chemical & Material Sciences (AREA)
  • Organic Chemistry (AREA)
  • Chemical Kinetics & Catalysis (AREA)
  • Organic Low-Molecular-Weight Compounds And Preparation Thereof (AREA)
  • Low-Molecular Organic Synthesis Reactions Using Catalysts (AREA)

Description

本発明はシクロヘキサノンオキシムの製造方法に関する。シクロヘキサノンオキシムはε−カプロラクタムの原料、ひいてはナイロン6の原料等として有用である。
シクロヘキサノンオキシムを製造する方法の1つとして、チタノシリケート触媒の存在下に、シクロヘキサノンを過酸化水素とアンモニアでアンモキシム化反応させる方法が知られている(例えば特許文献1〜3参照)。このアンモキシム化反応により得られた反応液からシクロヘキサノンオキシムを回収する方法に関し、例えば、特許文献1には、反応溶媒として水を用いて上記アンモキシム化反応を行い、触媒濾別後の反応液からトルエンによりシクロヘキサノンオキシムを抽出する方法が開示されている。また、特許文献3には、反応溶媒としてt−ブチルアルコールと水の混合溶媒を用いて上記アンモキシム化反応を行い、触媒濾別後の反応液を蒸留して未反応のアンモニアと含水t−ブチルアルコールを留去させた後、缶出液からトルエンによりシクロヘキサノンオキシムを抽出し、次いで、抽出液を蒸留してトルエンを留去させ、缶出液としてシクロヘキサノンオキシムを回収する方法が開示されている。
特開昭62−59256号公報 特開平6−49015号公報 特開平6−92922号公報
上記従来の方法では、回収されるシクロヘキサノンオキシムの熱安定性が必ずしも十分でないため、例えば、加熱溶融状態で貯蔵や移送する場合、さらには蒸留精製や気相ベックマン転位反応に付すために気化させる場合等において、タール分の発生による問題や、収率や品質の低下の問題が生じることがある。
そこで、本発明者等は、上記アンモキシム化反応によるシクロヘキサノンオキシムの製造方法において、熱安定性に優れるシクロヘキサノンオキシムを有利に回収しうる方法を開発することを目的に鋭意研究を行った結果、アンモキシム化反応を行った後、該反応液を所定の蒸留、抽出及び洗浄からなる一連の工程に付すことにより、上記目的を達成できることを見出し、本発明を完成するに至った。
すなわち、本発明は、下記工程(1)〜(6)、
(1)反応工程:チタノシリケート触媒の存在下に、シクロヘキサノン、過酸化水素及びアンモニアを反応させて、シクロヘキサノンオキシム、水、未反応のアンモニア及び未反応のシクロヘキサノンを含む反応液を得る工程、
(2)第一蒸留工程:工程(1)で得られた反応液を蒸留して、アンモニアを留出させ、シクロヘキサノンオキシム、水及びシクロヘキサノンを含む缶出液を得る工程、
(3)抽出工程:工程(2)で得られた缶出液を有機溶媒と混合した後、有機層と水層とに分離する工程、
(4)洗浄工程:工程(3)で得られた有機層を水と混合した後、有機層と水層とに分離する工程、
(5)第二蒸留工程:工程(4)で得られた有機層を蒸留して、有機溶媒及び水を留出させ、シクロヘキサノンオキシム及びシクロヘキサノンを含む缶出液を得る工程、
(6)第三蒸留工程:工程(5)で得られた缶出液を蒸留して、シクロヘキサノンを留出させ、シクロヘキサノンオキシムを含む缶出液を得る工程、
から構成され、工程(4)で使用される水及び工程(5)に付される工程(4)からの有機層の少なくとも一方に、ホウ素又はリンの酸化物、オキソ酸、オキソ酸塩、オキソ酸エステル及びオキソ酸アミドから選ばれる化合物を添加することを特徴とするシクロヘキサノンオキシムの製造方法を提供するものである。
この製造方法において、第一蒸留工程(2)で留出させたアンモニアは、反応工程(1)で使用するアンモニアとしてリサイクルするのが望ましい。また、第二蒸留工程(5)で留出させた有機溶媒は、抽出工程(3)で使用する有機溶媒としてリサイクルするのが望ましく、第二蒸留工程(5)で留出させた水は、洗浄工程(4)で使用する水としてリサイクルするのが望ましい。さらに、第三蒸留工程(6)で留出させたシクロヘキサノンは、反応工程(1)で使用するシクロヘキサノンとしてリサイクルするのが望ましい。
本発明によれば、熱安定性に優れるシクロヘキサノンオキシムを有利に製造することができる。
以下、添付の図面も参照しながら、本発明を詳細に説明する。本発明のシクロヘキサノンオキシムの製造方法は、チタノシリケート触媒の存在下にシクロヘキサノンを過酸化水素とアンモニアでアンモキシム化反応させる反応工程(1)、反応液から残存アンモニアを留去させ、缶出液としてシクロヘキサノンオキシム/水混合液を得る第一蒸留工程(2)、シクロヘキサノンオキシム/水混合液から有機溶媒によりシクロヘキサノンオキシムを抽出する抽出工程(3)、シクロヘキサノンオキシム抽出液を水で洗浄する洗浄工程(4)、洗浄後のシクロヘキサノンオキシム抽出液から有機溶媒を留去させ、缶出液として粗製シクロヘキサノンオキシムを得る第二蒸留工程(5)、及び、粗製シクロヘキサノンオキシムから残存シクロヘキサノンを留去させ、缶出液として精製シクロヘキサノンオキシムを得る第三蒸留工程(6)の一連の工程から構成されるものである。そして、この精製シクロヘキサノンオキシムの熱安定性を十分に向上させるために、上記の洗浄工程(4)で使用される水、及び第二蒸留工程(5)に付される洗浄後のシクロヘキサノンオキシム抽出液のいずれか一方又は両方に対し、ホウ素又はリンの酸化物、オキソ酸、オキソ酸塩、オキソ酸エステル及びオキソ酸アミドから選ばれる化合物を添加することを要件としている。ここで、これらの工程は、全てを連続式で行ってもよいし、一部を連続式で行い、一部を回分式で行ってもよいし、全てを回分式で行ってもよいが、シクロヘキサノンオキシムの生産性、さらには得られるシクロヘキサノンオキシムの熱安定性ないし品質の点からは、全てを連続式で行うのが好ましい。
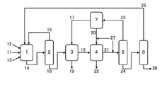
図1は、本発明によるシクロヘキサノンオキシムの連続式製造プロセスの例を、模式的に示すフロー図である。すなわち、まず、反応器1に触媒が分散した反応液を所定量滞留させ、この中に、シクロヘキサノン11、過酸化水素12、アンモニア13及び必要により溶媒等を供給しながら、これら原材料と略同量の反応液14を抜き出すことにより、アンモキシム化反応を行う〔反応工程(1)〕。ここで、反応液14の抜き出しは、フィルター等を介して、その液相のみを抜き出し、触媒は反応器1内に留まるようにするのがよい。触媒も一緒に抜き出す場合は、抜き出された反応液14から触媒を分離する工程が必要となり、また反応器1への触媒の供給も必要となる。なお、触媒濃度は、その活性や反応条件等にもよるが、反応液(触媒+液相)の容量あたりの重量として、通常1〜200g/Lである。また、反応器1としては、過酸化水素の分解を防ぐ観点から、グラスライニングやステンレススチール製のものを使用するのがよい。
触媒に用いるチタノシリケートは、骨格を構成する元素としてチタン、ケイ素及び酸素を含むものであり、実質的にチタン、ケイ素及び酸素のみから骨格が構成されるものであってもよいし、骨格を構成する元素としてさらに他の元素を含むものであってもよい。チタノシリケートとしては、ケイ素/チタンの原子比が10〜1000のものが好適に用いられ、またその形状は、例えば、微粉状であってもよいし、ペレット状であってもよい。チタノシリケートは、例えば特開昭56−96720号公報に記載の方法により、調製することができる。
過酸化水素の使用量は、シクロヘキサノンに対し、通常0.5〜3モル倍、好ましくは0.5〜1.5モル倍である。また、アンモニアの使用量は、シクロヘキサノンに対し、通常1モル倍以上、好ましくは1.5モル倍以上である。ここで、アンモニアは、シクロヘキサノンや過酸化水素より過剰に使用して、反応液中に残存させるようにし、これにより、シクロヘキサノンの転化率やシクロヘキサノンオキシムの選択率が高められる。
使用しうる反応溶媒の好適な例としては、メチルアルコール、エチルアルコール、n−プロピルアルコール、イソプロピルアルコール、n−ブチルアルコール、s−ブチルアルコール、t−ブチルアルコール、t−アミルアルコールの如きアルコール類や水、又はそれらの混合溶媒が挙げられる。
反応温度は通常50〜120℃、好ましくは70〜100℃である。また、反応液中へのアンモニアの溶解度を高めるため、反応は加圧下に行うのがよい。
こうして得られる反応液14中には、目的物のシクロヘキサノンオキシムと共に、理論上、反応したシクロヘキサノンの2モル倍の生成水が含まれる(C6H10O + NH3 + H2O2 → C6H10NOH + 2H2O)。また、過酸化水素としては通常10〜70重量%程度の水溶液が使用されるので、その分の水も含まれる。さらに、上で述べたようにアンモニアを過剰に使用することで、未反応のアンモニアが含まれる。また、シクロヘキサノンを完全に反応させるのは困難であるので、未反応のシクロヘキサノンも含まれる。
そこで、次にこのシクロヘキサノンオキシム、水、アンモニア及びシクロヘキサノンを含む反応液14を、第一蒸留塔2に導入して蒸留し、留分15としてアンモニアを回収する共に、缶出液16として、シクロヘキサノンオキシム、水及びシクロヘキサノンの混合物を得る〔第一蒸留工程(2)〕。この蒸留は、通常、常圧で行えばよいが、必要により加圧下又は減圧下に行ってもよい。
留分15として回収されるアンモニアは、反応器1にリサイクルするのが望ましい。また、反応工程(1)で有機溶媒を使用する場合、すなわち反応器1に有機溶媒を供給する場合には、この有機溶媒は反応液14に含まれて第一蒸留塔2に導入されるが、これも留分15として回収し、反応器1にリサイクルするのが望ましい。有機溶媒も反応器1へリサイクルするためには、反応工程(1)で使用される有機溶媒は、シクロヘキサノンオキシムより低沸点である必要がある。なお、有機溶媒の種類によっては、その共沸組成等により水を同伴して留出するので、この水も一緒に反応器1にリサイクルすればよい。例えば、t−ブチルアルコールであれば、水を12〜18重量%程度含んだ状態で留出するので、この含水t−ブチルアルコールを反応器1にリサイクルすればよい。また、アンモニアは通常、ガスの状態で圧縮機を用いて反応器1にリサイクルするが、加圧下に低温に冷却して、有機溶媒ないし含水有機溶媒に溶解させ、溶液として反応器1にリサイクルしてもよい。
第一蒸留塔2から抜き出される缶出液16は、抽出器3に導入され、有機溶媒17と混合後、缶出液16中のシクロヘキサノンオキシム及びシクロヘキサノンが有機溶媒で抽出されてなる有機層18と、抽出残液である水層19とに分離される〔抽出工程(3)〕。この抽出用の有機溶媒17は、水と分液可能であって、シクロヘキサノンオキシム溶解能を有し、かつシクロヘキサノンオキシムより低沸点である必要がある。その好適な例としては、トルエンのような芳香族炭化水素系溶媒、シクロヘキサンのような脂環式炭化水素系溶媒、ヘキサンやヘプタンのような脂肪族炭化水素系溶媒、ジイソプロピルエーテルやt−ブチルメチルエーテルのようなエーテル類、酢酸エチルのようなエステル類等が挙げられるが、中でもトルエン、シクロヘキサン、ヘプタンのような炭化水素系溶媒が好ましく、特にトルエンのような芳香族炭化水素系溶媒が好ましい。有機溶媒17の使用量は、缶出液16中のシクロヘキサノンオキシムに対し、通常0.1〜2重量倍、好ましくは0.3〜1重量倍である。抽出温度は、通常、常温から有機溶媒17の沸点までの範囲で選択されるが、好ましくは40〜90℃である。なお、抽出器3としては、多段抽出が可能なものを用いてもよいし、混合部と分液部が分離したいわゆるミキサーセトラータイプのものを1段ないし多段で用いてもよい。
抽出器3からの有機層18は、洗浄器4に導入され、水20と混合後、有機層18から不純物が水洗除去されてなる有機層21と、この不純物が水に溶解してなる水層22とに分離される〔洗浄工程(4)〕。この不純物としては、例えば反応工程(1)で副生しうる硝酸アンモニウムや亜硝酸アンモニウム等が挙げられる。洗浄用の水20の使用量は、有機層18中のシクロヘキサノンオキシムに対し、通常0.05〜1重量倍であり、また洗浄温度は、通常40〜90℃である。なお、洗浄器4としては、抽出器3と同様、多段抽出が可能なものを用いてもよいし、混合部と分液部が分離したいわゆるミキサーセトラータイプのものを1段ないし多段で用いてもよい。
洗浄器4からの有機層21を、第二蒸留塔5に導入して蒸留することにより、留分23として、有機層21中の有機溶媒を回収することができると共に、缶出液24として、前記未反応のシクロヘキサノンを含む粗製シクロヘキサノンオキシムを得ることができる〔第二蒸留工程(5)〕。また、その際、有機層21中に溶解ないし分散した状態で含まれる水は、有機溶媒と共に留分23として回収される。この蒸留は、通常、有機溶媒の沸点により常圧ないし微減圧で行われる。
留分23として回収される有機溶媒及び水は、それぞれ、抽出器3に導入される抽出用の有機溶媒17及び洗浄器4に導入される洗浄用の水20としてリサイクルするのが望ましい。具体的には、留分23として回収される有機溶媒及び水を、分液器7に導入して、有機層17と水層20とに分離し、有機層17を抽出器3に導入し、水層20を洗浄器4に導入すればよい。
上記洗浄工程(4)において、抽出器3からの有機層18を洗浄すべく洗浄器4に導入される水20、及び/又は、上記第二蒸留工程(5)において、蒸留に付されるべく洗浄器4から第二蒸留塔5に導入される有機層21には、ホウ素又はリンの酸化物、ホウ素又はリンのオキソ酸、並びに該オキソ酸の塩、エステル及びアミドから選ばれる1種又は2種以上の化合物27が添加される。なお、これらの化合物は、必要に応じて、水や有機溶媒に溶解ないし懸濁させて添加してもよい。
ホウ素の酸化物の例としては、三酸化二ホウ素(B23)等が挙げられ、ホウ素のオキソ酸の例としては、オルトホウ酸(H3BO3)、メタホウ酸(HBO2)、次ホウ酸(H424)、これらの縮合酸等が挙げられる。なお、これらホウ素の酸化物又はオキソ酸は、必要に応じて、骨格中にホウ素及び酸素以外の元素を含んでいてもよい。
リンの酸化物の例としては、六酸化四リン(P46;三酸化リンともいう)、十酸化四リン(P410;五酸化リンともいう)等が挙げられ、リンのオキソ酸の例としては、オルトリン酸(H3PO4)、メタリン酸(HPO3)、ホスホン酸(H3PO3;亜リン酸ともいう)、ホスフィン酸(H3PO2;次亜リン酸ともいう)、これらの縮合酸等が挙げられる。なお、これらリンの酸化物又はオキソ酸は、必要に応じて、骨格中にリン及び酸素以外の元素を含んでいてもよい。
ホウ素又はリンのオキソ酸塩は、オキソ酸の全てのプロトンが金属イオンやアンモニウムイオンで置き換わった正塩であってもよいし、一部のプロトンが金属イオンやアンモニウムイオンで置き換わった酸性塩であってもよい。この金属イオンの好適な例としては、ナトリウムやカリウムのような周期表1族(IA族)、カルシウムやマグネシウムのような周期表2族(IIA族)、チタンやジルコニウムのような周期表4族(IVA族)、亜鉛のような周期表12族(IIB族)の各金属のイオンが挙げられる。また、アンモニウムイオンは、アンモニアがプロトン化されたものであってもよいし、脂肪族、脂環式又は芳香族の第1、第2又は第3アミンがプロトン化されたものであってもよいし、第4アンモニウムイオンであってもよい。
また、ホウ素又はリンのオキソ酸エステルは、オキソ酸の全ての水酸基がアルコール残基(アルコールから酸素原子に結合している水素原子を除いた基)で置き換わったものであってもよいし、一部の水酸基がアルコール残基で置き換わったものであってもよい。同様に、ホウ素又はリンのオキソ酸アミドは、オキソ酸の全ての水酸基がアミン残基(アミンから窒素原子に結合している水素原子を除いた基)で置き換わったものであってもよいし、一部の水酸基がアミン残基で置き換わったものであってもよい。オキソ酸エステルにおけるアルコール残基は、脂肪族、脂環式又は芳香族の第1、第2又は第3アルコールの残基であることができる。また、オキソ酸アミドにおけるアミン残基は、脂肪族、脂環式又は芳香族の第1又は第2アミンの残基であることができる。
水20に上記ホウ素又はリンの化合物27を添加する場合、すなわち洗浄器4において抽出器3からの有機層18を該化合物27の水性液により洗浄する場合、その添加量は、水性液(水20+化合物27)中の濃度で表して、通常0.01〜3モル/リットル、好ましくは0.05〜2モル/リットルである。また、有機層21に上記ホウ素又はリンの化合物27を添加する場合、すなわち第二蒸留塔5において洗浄器4からの有機層21を該化合物27の添加の下に蒸留する場合、その添加量は、有機層21に含まれるシクロヘキサノンオキシムに対し、通常0.1モルppm〜1モル%、好ましくは0.5モルppm〜0.1モル%である。
第二蒸留塔5の缶出液24として抜き出される粗製シクロヘキサノンオキシムを、第三蒸留塔6に導入して蒸留することにより、留分25として、シクロヘキサノンを回収することができると共に、缶出液26として、シクロヘキサノンが除去ないし低減された精製シクロヘキサノンオキシムを得ることができる〔第三蒸留工程(6)〕。この蒸留は、通常、圧力10kPa以下の減圧下に、温度140℃以下で行われる。こうして得られる精製シクロヘキサノンオキシムは、熱安定性に優れ、気相ベックマン転位用の原料として好適に用いることができる。気相ベックマン転位における副反応抑制の観点からは、該精製シクロヘキサノンオキシム中のシクロヘキサノン濃度が1重量%以下、好ましくは0.5重量%以下となるように、上記蒸留条件を調整するのがよい。
留分25として回収されるシクロヘキサノンは、反応器1にリサイクルするのが望ましい。なお、長期運転等により留分25中の不純物の蓄積が顕著となれば、少なくとも一部を精留等により精製すればよい。
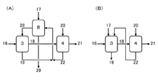
以上のプロセスにおけるシクロヘキサノンオキシムのロスを低減するためには、抽出工程(3)で排出される水層及び洗浄工程(4)で排出される水層中に微量に含まれうるシクロヘキサノンオキシムを、有機溶媒で抽出して回収するのが望ましく、ここで使用される有機溶媒は、抽出工程(3)で使用されるものと同様であることができる。そこで、抽出工程(3)で使用するための有機溶媒を、まず上記水層からの微量のシクロヘキサノンオキシムの回収に使用してから、抽出工程(3)で使用するようにするのが望ましい。また、このシクロヘキサノンオキシムの回収は、多段抽出により行うのが望ましい。
具体的には、図2(A)に示される如く、抽出器3からの水層19と洗浄器4からの水層22を、回収器8に導入し、有機溶媒17と混合後、水層19及び水層22中の微量のシクロヘキサノンオキシムが有機溶媒17で抽出されてなる有機層28と、抽出残液である水層29とに分離すればよい。そして、有機層28は、抽出器3に導入し、第一蒸留塔2の缶出液16からシクロヘキサノンオキシムを抽出するための有機溶媒として使用すればよく、水層29は、排水として処理すればよい。回収器8に導入される有機溶媒17としては、第二蒸留塔5の留分23からの有機層17が使用できる。なお、回収器8としては、抽出器3や洗浄器4と同様、多段抽出が可能なものを用いてもよいし、混合部と分液部が分離したいわゆるミキサーセトラータイプのものを1段ないし多段で用いてもよい。
また、洗浄工程(4)で排出される水層中に微量に含まれうるシクロヘキサノンオキシムを回収するために、該水層を、第一蒸留工程(2)の缶出液であるシクロヘキサノンオキシム/水混合液と共に、抽出工程(3)に付すのも有利である。その際、この抽出工程(3)を多段抽出により行えば、該抽出工程(3)から排出される水層を、実質的にシクロヘキサノンオキシムを含まない回収処理不要のものとすることができ、一層有利である。具体的には、図2(B)に示される如く、洗浄器4からの水層22を、抽出器3に戻しいれ、第一蒸留塔2からの缶出液16と共に有機溶媒17と混合後、缶出液16中のシクロヘキサノンオキシム及びシクロヘキサノン並びに水層22中の微量のシクロヘキサノンオキシムが有機溶媒17で抽出されてなる有機層18と、抽出残液である水層19とに分離すればよく、水層19は、排水処理すればよい。
次に本発明の実施例を示すが、本発明はこれによって限定されるものではない。例中、含有量を表す%は、特記ないかぎり重量基準である。
実施例1
図1に示される連続式製造プロセスに、図2(A)に示される回収操作を適用して、以下の各工程及び熱安定性試験を実施した。
〔反応工程(1)〕
攪拌槽型の反応器1に、チタノシリケート触媒が分散した反応液を滞留させ、この中に、シクロヘキサノン11、60%過酸化水素水12、アンモニア13、及び15%含水t−ブチルアルコールを供給しながら、フィルターを介して反応液14を抜き出すことにより、シクロヘキサノン/過酸化水素/アンモニア/水/t−ブチルアルコール=1/1.1/1.8/4.29/4.0の供給モル比で、圧力0.25MPa(ゲージ圧)の条件下に、温度85℃で反応を行った。反応で副生する窒素ガスは系外に除去し、その際、同伴するアンモニアガスは水に吸収させて回収した。得られた反応液14中の成分濃度は、シクロヘキサノンオキシム20.43%、水22.13%、アンモニア2.32%、シクロヘキサノン0.10%、及びt−ブチルアルコール52.32%であった。
〔第一蒸留工程(2)〕
反応器1から抜き出した反応液14を上記アンモニア吸収水と共に、第一蒸留塔2に導入し、50kPa(ゲージ圧)にて温度83℃で蒸留を行い、留分15として、アンモニア及び含水t−ブチルアルコールを回収し、缶出液16として、シクロヘキサノンオキシム47.97%、水51.20%、及びシクロヘキサノン0.317%からなる混合物を得た。留分15は、反応器1に供給するアンモニアの一部及び15%含水t−ブチルアルコールとして使用した。
〔抽出工程(3)〕
第一蒸留塔2からの缶出液16と、該缶出液16中に含まれるシクロヘキサノンオキシムと同重量のトルエン28とを、抽出器3に導入し、約72℃にて攪拌した後、トルエン層18と水層19に分離した。
〔洗浄工程(4)〕
抽出器3からのトルエン層18と、該トルエン層18中に含まれるシクロヘキサノンオキシムと同重量の水20とを、洗浄器4に導入し、約72℃にて攪拌した後、トルエン層21と水層22に分離した。
〔オキシム回収工程〕
抽出器3からの水層19と洗浄器4からの水層22とを混合し、この混合水層とトルエン17を回収器8に導入し、約72℃にて攪拌した後、トルエン層28と水層29とに分離した。トルエン層28は、抽出器3に導入するトルエン28として使用した。
〔第二蒸留工程(5)〕
洗浄器4からのトルエン層21に、該トルエン層21中に含まれるシクロヘキサノンオキシムに対し3モルppmのオルトリン酸を少量の水に溶かして添加して、第二蒸留塔5に導入し、圧力30kPaの減圧下に温度107℃で蒸留を行い、留分23として、トルエン及び水の混合物を回収し、缶出液24として、シクロヘキサノン1.077%を含む純度98.10%の粗製シクロヘキサノンオキシムを得た。留分23を分液器7に導入し、約35℃にてトルエン層17と水層20とに分離した。トルエン層17は、回収器8に導入するトルエン17として使用し、水層20は、洗浄器4に導入する水20として使用した。
〔第三蒸留工程(6)〕
第二蒸留塔5からの缶出液24を第三蒸留塔6に導入し、圧力4kPaの減圧下に温度120℃で蒸留を行い、留分25として、シクロヘキサノンを回収し、缶出液26として、シクロヘキサノン0.04%を含む純度99.78%の精製シクロヘキサノンオキシムを得た。留分25は、反応器1に供給するシクロヘキサノンの一部として使用した。
〔熱安定性試験〕
缶出液26として得られた精製シクロヘキサノンオキシムを、圧力15torr(2kPa)の減圧下に温度120℃で、留出が見られなくなるまで減圧蒸留したところ、残留したタール分の量は、蒸留仕込量に対し0.01%であった(加熱処理前のタール量)。また、同シクロヘキサノンオキシムを、窒素気流下に200℃で5時間加熱処理した後、上記と同様に減圧蒸留したところ、残留したタール分の量は蒸留仕込量に対し0.12%であった(加熱処理後のタール量)。加熱処理によるタールの増加量は0.11%であった。
比較例1
第二蒸留工程(5)において、第二蒸留塔5に導入される洗浄器4からのトルエン層にオルトリン酸を添加しなかった以外は、実施例1と同様の操作を行い、第三蒸留塔5の缶出液26として、シクロヘキサノン0.01%を含む純度99.23%の精製シクロヘキサノンオキシムを得た。得られたシクロヘキサノンオキシムについて、実施例1と同様に熱安定性試験を行ったところ、加熱処理前のタール量は0.02%であり、加熱処理後のタール量は1.80%であり、加熱処理によるタールの増加量は1.78%であった。
本発明によるシクロヘキサノンオキシムの連続式製造プロセスの例を、模式的に示すフロー図である。 抽出工程(3)ないし洗浄工程(4)の水層からシクロヘキサノンオキシムを回収する操作の2つの例を、模式的に示すフロー図である。
符号の説明
1……反応器、
2……第一蒸留塔、
3……抽出器、
4……洗浄器、
5……第二蒸留塔、
6……第三蒸留塔、
7……分液器、
8……回収器、
11……シクロヘキサノン、
12……過酸化水素、
13……アンモニア、
17……有機溶媒、
20……水、
24……粗製シクロヘキサノンオキシム、
26……精製シクロヘキサノンオキシム。
27……ホウ素又はリンの化合物

Claims (6)

  1. 下記工程(1)〜(6)、
    (1)反応工程:チタノシリケート触媒の存在下に、シクロヘキサノン、過酸化水素及びアンモニアを反応させて、シクロヘキサノンオキシム、水、未反応のアンモニア及び未反応のシクロヘキサノンを含む反応液を得る工程、
    (2)第一蒸留工程:工程(1)で得られた反応液を蒸留して、アンモニアを留出させ、シクロヘキサノンオキシム、水及びシクロヘキサノンを含む缶出液を得る工程、
    (3)抽出工程:工程(2)で得られた缶出液を有機溶媒と混合した後、有機層と水層とに分離する工程、
    (4)洗浄工程:工程(3)で得られた有機層を水と混合した後、有機層と水層とに分離する工程、
    (5)第二蒸留工程:工程(4)で得られた有機層を蒸留して、有機溶媒及び水を留出させ、シクロヘキサノンオキシム及びシクロヘキサノンを含む缶出液を得る工程、
    (6)第三蒸留工程:工程(5)で得られた缶出液を蒸留して、シクロヘキサノンを留出させ、シクロヘキサノンオキシムを含む缶出液を得る工程、
    から構成され、工程(4)で使用される水及び工程(5)に付される工程(4)からの有機層の少なくとも一方に、オルトリン酸、メタリン酸、ホスホン酸、ホスフィン酸、及びこれらの縮合酸から選ばれる化合物を添加することを特徴とするシクロヘキサノンオキシムの製造方法。
  2. 工程(3)で使用される有機溶媒が、炭化水素系溶媒、エーテル系溶媒及びエステル系溶媒から選ばれる請求項1に記載の方法。
  3. 工程(2)で留出させたアンモニアを工程(1)にリサイクルする請求項1又は2に記載の方法。
  4. 工程(5)で留出させた有機溶媒を工程(3)にリサイクルする請求項1〜3のいずれかに記載の方法。
  5. 工程(5)で留出させた水を工程(4)にリサイクルする請求項1〜4のいずれかに記載の方法。
  6. 工程(6)で留出させたシクロヘキサノンを工程(1)にリサイクルする請求項1〜5のいずれかに記載の方法。
JP2005052876A 2005-02-28 2005-02-28 シクロヘキサノンオキシムの製造方法 Expired - Fee Related JP4635644B2 (ja)

Priority Applications (8)

Application Number Priority Date Filing Date Title
JP2005052876A JP4635644B2 (ja) 2005-02-28 2005-02-28 シクロヘキサノンオキシムの製造方法
EP06003801A EP1700846B1 (en) 2005-02-28 2006-02-24 Process for producing cyclohexanone oxime
US11/360,631 US7449600B2 (en) 2005-02-28 2006-02-24 Process for producing cyclohexanone oxime
SG200601242A SG125242A1 (en) 2005-02-28 2006-02-24 Process for producing cyclohexanone oxime
DE602006001531T DE602006001531D1 (de) 2005-02-28 2006-02-24 Verfahren zur Herstellung von Cyclohexanon-oxim
KR1020060018212A KR20060095476A (ko) 2005-02-28 2006-02-24 시클로헥사논 옥심의 제조 방법
TW095106464A TWI363747B (en) 2005-02-28 2006-02-24 Process for producing cyclohexanone oxime
CN2006100095505A CN1827592B (zh) 2005-02-28 2006-02-24 制备环己酮肟的方法

Applications Claiming Priority (1)

Application Number Priority Date Filing Date Title
JP2005052876A JP4635644B2 (ja) 2005-02-28 2005-02-28 シクロヘキサノンオキシムの製造方法

Publications (2)

Publication Number Publication Date
JP2006232774A JP2006232774A (ja) 2006-09-07
JP4635644B2 true JP4635644B2 (ja) 2011-02-23

Family

ID=36591358

Family Applications (1)

Application Number Title Priority Date Filing Date
JP2005052876A Expired - Fee Related JP4635644B2 (ja) 2005-02-28 2005-02-28 シクロヘキサノンオキシムの製造方法

Country Status (8)

Country Link
US (1) US7449600B2 (ja)
EP (1) EP1700846B1 (ja)
JP (1) JP4635644B2 (ja)
KR (1) KR20060095476A (ja)
CN (1) CN1827592B (ja)
DE (1) DE602006001531D1 (ja)
SG (1) SG125242A1 (ja)
TW (1) TWI363747B (ja)

Families Citing this family (12)

* Cited by examiner, † Cited by third party
Publication number Priority date Publication date Assignee Title
JP5029162B2 (ja) * 2007-06-18 2012-09-19 住友化学株式会社 シクロヘキサノンの製造方法
CN101781232B (zh) * 2010-01-29 2012-09-05 河北瑞通美邦工程有限公司 一种环己酮肟制备工艺
TWI480100B (zh) * 2011-04-27 2015-04-11 China Petrochemical Dev Corp Taipei Taiwan Titanium-silicon molecular sieve and its preparation method and method for producing cyclohexanone oxime using the molecular sieve
EP2697192B1 (en) * 2011-07-08 2015-10-21 Ningbo Ocean Chemical New Materials Technology Co. Ltd. Method for preparation of alkoxy-amine hydrochloride
WO2013061752A1 (ja) * 2011-10-28 2013-05-02 住友化学株式会社 廃水処理方法
CN103382164B (zh) * 2012-05-04 2017-08-11 Cap Iii 有限公司 一种纯化从环己酮肟合成区获得的有机物溶液的方法
TW201350463A (zh) * 2012-05-04 2013-12-16 Dsm Ip Assets Bv 純化由肟之合成部所獲得之有機產物溶液的方法
CN103193672B (zh) * 2013-03-11 2014-09-17 浙江圣安化工有限公司 一种肟的蒸馏方法
CN105439898B (zh) * 2014-08-26 2017-10-13 湖北三宁化工股份有限公司 一种甲苯肟溶液洗涤装置及方法
CN105837468B (zh) * 2015-01-15 2018-09-28 湖北金湘宁化工科技有限公司 一种环己酮肟的制备方法
CN110423206B (zh) * 2019-07-17 2022-07-08 天津大学 从氨肟化反应产物中分离环己酮肟、环己酮与甲苯的方法
CN113105358A (zh) * 2021-04-15 2021-07-13 河南资环检测科技有限公司 一种臭氧水氧化环己酮制备环己酮肟的方法

Family Cites Families (10)

* Cited by examiner, † Cited by third party
Publication number Priority date Publication date Assignee Title
GB977812A (en) * 1961-11-17 1964-12-16 Basf Ag Separation of cycloalkanone oximes
GB1056124A (en) * 1963-07-24 1967-01-25 Ici Ltd Preparation of oximes
JPS541295B1 (ja) * 1967-04-06 1979-01-23
IT1127311B (it) * 1979-12-21 1986-05-21 Anic Spa Materiale sintetico,cristallino,poroso costituito da ossidi di silicio e titanio,metodo per la sua preparazione e suoi usi
IT1214622B (it) * 1985-07-10 1990-01-18 Montedipe Spa Processo catalitico per laproduzione di cicloesanonossima.
US4794198A (en) * 1986-11-14 1988-12-27 Montedipe S.P.A. Catalytic process for the manufacture of oximes
IT1244680B (it) * 1991-01-23 1994-08-08 Montedipe Srl Processo a piu' stadi per l'ammossimazione in fase liquida dei composti carbonilici
IT1255745B (it) 1992-04-01 1995-11-15 Enichem Anic Srl Processo in due stadi per la produzione in fase liquida di ossime
ITMI20011361A1 (it) * 2001-06-28 2002-12-28 Enichem Spa Metodo di purificazione della cicloesanossima
TWI341830B (en) * 2003-11-28 2011-05-11 Sumitomo Chemical Co Stabilization method of cycloalkanone oxime

Also Published As

Publication number Publication date
JP2006232774A (ja) 2006-09-07
EP1700846A1 (en) 2006-09-13
DE602006001531D1 (de) 2008-08-07
TWI363747B (en) 2012-05-11
US7449600B2 (en) 2008-11-11
SG125242A1 (en) 2006-09-29
US20060205939A1 (en) 2006-09-14
CN1827592A (zh) 2006-09-06
EP1700846B1 (en) 2008-06-25
TW200639142A (en) 2006-11-16
CN1827592B (zh) 2011-06-15
KR20060095476A (ko) 2006-08-31

Similar Documents

Publication Publication Date Title
JP4635644B2 (ja) シクロヘキサノンオキシムの製造方法
KR20160029021A (ko) 2,3,6-트리메틸페놀의 산화에 의한 2,3,5-트리메틸 벤조퀴논의 제조 방법
US8183406B2 (en) Process for recovering valued compounds from a stream derived from purification of methyl methacrylate
WO2016148200A1 (ja) ε-カプロラクタムの製造方法
CN1793114B (zh) 环己酮肟的制备方法
US5074967A (en) Separation of methoxyisopropylamine from methoxyisopropylamine-water azeotrope
JP4595804B2 (ja) シクロヘキサノンオキシムの製造方法
JP3803771B2 (ja) エチルアミン類の製造方法
JP7359141B2 (ja) ヘキサフルオロ-1,3-ブタジエンの製造方法
KR102218342B1 (ko) Hpo 추출 구역으로부터 배출된 무기 공정 액체의 스팀 스트리핑 및 응축 열의 이용
JP6004884B2 (ja) ε−カプロラクタムの製造方法
WO2013164371A1 (en) A process for purifying organic product solution obtained from oxime synthesis section
CN102648049B (zh) 制备脱过氧化催化剂的方法
JP2003160561A (ja) 2,2,6,6−テトラメチル−4−ピペリドンの製造法
JPH09100258A (ja) エチルアミン類の製造方法
JPH05301858A (ja) カプロラクタムの製法
JP2007210980A (ja) 酢酸エチル/メチルエチルケトン混合系からの酢酸エチルの回収方法
WO1999008998A1 (en) Process for producing formamide
JP4576834B2 (ja) シクロアルカノンオキシムの処理方法
JPS63139176A (ja) 1,1′−パ−オキシジシクロヘキシルアミンの製造方法
JP2002068718A (ja) フリーヒドロキシルアミン水溶液の高収率製造法
JPH07258239A (ja) インデンオキサイドの精製方法
JPH11124359A (ja) ホルムアミドの製造法
JP2015196658A (ja) ヒドロキシルアミンを含有する有機溶媒の蒸留方法
JP2005272386A (ja) 高純度カプロラクタムの製造方法

Legal Events

Date Code Title Description
RD05 Notification of revocation of power of attorney

Free format text: JAPANESE INTERMEDIATE CODE: A7425

Effective date: 20080131

RD05 Notification of revocation of power of attorney

Free format text: JAPANESE INTERMEDIATE CODE: A7425

Effective date: 20080514

A977 Report on retrieval

Free format text: JAPANESE INTERMEDIATE CODE: A971007

Effective date: 20090303

A131 Notification of reasons for refusal

Free format text: JAPANESE INTERMEDIATE CODE: A131

Effective date: 20100126

A131 Notification of reasons for refusal

Free format text: JAPANESE INTERMEDIATE CODE: A131

Effective date: 20100727

A521 Request for written amendment filed

Free format text: JAPANESE INTERMEDIATE CODE: A523

Effective date: 20100922

TRDD Decision of grant or rejection written
A01 Written decision to grant a patent or to grant a registration (utility model)

Free format text: JAPANESE INTERMEDIATE CODE: A01

Effective date: 20101026

A01 Written decision to grant a patent or to grant a registration (utility model)

Free format text: JAPANESE INTERMEDIATE CODE: A01

A61 First payment of annual fees (during grant procedure)

Free format text: JAPANESE INTERMEDIATE CODE: A61

Effective date: 20101108

FPAY Renewal fee payment (event date is renewal date of database)

Free format text: PAYMENT UNTIL: 20131203

Year of fee payment: 3

FPAY Renewal fee payment (event date is renewal date of database)

Free format text: PAYMENT UNTIL: 20131203

Year of fee payment: 3

LAPS Cancellation because of no payment of annual fees