JP4588909B2 - 浮き上がり許容の制震構造 - Google Patents

浮き上がり許容の制震構造 Download PDF

Info

Publication number
JP4588909B2
JP4588909B2 JP2001080039A JP2001080039A JP4588909B2 JP 4588909 B2 JP4588909 B2 JP 4588909B2 JP 2001080039 A JP2001080039 A JP 2001080039A JP 2001080039 A JP2001080039 A JP 2001080039A JP 4588909 B2 JP4588909 B2 JP 4588909B2
Authority
JP
Japan
Prior art keywords
pile
control structure
horizontal
building
vertical
Prior art date
Legal status (The legal status is an assumption and is not a legal conclusion. Google has not performed a legal analysis and makes no representation as to the accuracy of the status listed.)
Expired - Fee Related
Application number
JP2001080039A
Other languages
English (en)
Other versions
JP2002276192A (ja
Inventor
秀樹 木村
大作 荘
康博 春日
敬三 岩下
Current Assignee (The listed assignees may be inaccurate. Google has not performed a legal analysis and makes no representation or warranty as to the accuracy of the list.)
Takenaka Corp
Original Assignee
Takenaka Corp
Priority date (The priority date is an assumption and is not a legal conclusion. Google has not performed a legal analysis and makes no representation as to the accuracy of the date listed.)
Filing date
Publication date
Application filed by Takenaka Corp filed Critical Takenaka Corp
Priority to JP2001080039A priority Critical patent/JP4588909B2/ja
Publication of JP2002276192A publication Critical patent/JP2002276192A/ja
Application granted granted Critical
Publication of JP4588909B2 publication Critical patent/JP4588909B2/ja
Anticipated expiration legal-status Critical
Expired - Fee Related legal-status Critical Current

Links

Images

Landscapes

  • Foundations (AREA)
  • Buildings Adapted To Withstand Abnormal External Influences (AREA)

Description

【0001】
【発明の属する技術分野】
この発明は、地震が発生したときに建物の浮き上がりを許容して、前記建物に作用する地震力を低減させる浮き上がり許容の制震構造の技術分野に属する。
【0002】
【従来の技術】
地震力の低減装置として使用されている免震装置は、建物と一体化した構造となっており、アスペクト比の大きな建物では、大きな引張力が発生し、設計が困難な場合があった。
【0003】
そのため、地震が発生した際に建物を浮き上がらせて、前記建物に作用する地震力を低減させる方式の浮き上がり許容の制震構造が種々開発されている。
【0004】
具体的には、建物の杭と基礎梁等とを縁切りし、杭の上端部が衝撃吸収材等を介して基礎梁の凹部に嵌め込まれ、地震時の建物の浮き上がりを許容する制震構造が公知に属する(例えば、特開平10−227039号公報、特開平10−227040号公報、特開平10−331173号公報、類似技術として特開2000−240315公報等)。
【0005】
【本発明が解決しようとする課題】
上述した公知技術は、いずれも浮き上がりが生じると、支点となる杭の上端部に軸力及びせん断力が集中して作用する構成となっており、杭の上端部が破壊される虞がある。
【0006】
また、建物の水平方向変位を確実に拘束できるように、杭の上端部と基礎梁の凹部とを精度良く嵌め合わせる必要がある。そのため、高度な製作精度、施工精度が要求され、施工が困難である。
【0007】
従って、本発明の目的は、建物に浮き上がりが生じても、支点となる杭の上端部にせん断力が集中して作用することを防いで、杭の上端部の健全化を図り、嵌合部において高度な製作精度、施工精度を必要としない簡易な構成で、建物の水平方向変位を確実に拘束し、施工が容易な浮き上がり許容の制震構造を提供することである。
【0008】
【課題を解決するための手段】
上述した従来の課題を解決するための手段として、請求項1に記載した発明に係る浮き上がり許容の制震構造は、
建物の杭の上端部と柱及び基礎梁等の下端部とが縁切りされ、前記杭の上端部又は前記柱及び基礎梁等の下端部のいずれか一方に凹部を形成し、他方に凸部を形成し、凹部と凸部とを嵌め合わせて構成されており、
前記凹部と凸部とは、水平面同士が面接触し、且つ隣接する凸部の相対面する垂直面がそれぞれの凹部の垂直面と面接触するように嵌め合わされていることを特徴とする。
【0009】
請求項2に記載した発明は、請求項1に記載した発明に係る浮き上がり許容の制震構造において、
前記凹部又は凸部の水平面は、少なくとも一方が粗面とされていることを特徴とする。
【0010】
請求項3に記載した発明は、請求項1又は2に記載した発明に係る浮き上がり許容の制震構造において、
前記凹部の垂直面と凸部の垂直面とは、支圧材を挟んで面接触していることを特徴とする。
【0011】
請求項4に記載した発明は、請求項1〜3のいずれか一に記載した発明に係る浮き上がり許容の制震構造において、
前記凹部には鋼製マスが埋め込まれ、前記鋼製マスの水平面は表面が粗面とされていることを特徴とする。
【0012】
請求項5に記載した発明は、請求項1〜4のいずれか一に記載した発明に係る浮き上がり許容の制震構造において、
前記凹部と凸部との隙間は、シート等で被われ防水処理が施されていることを特徴とする。
【0013】
【本発明の実施形態及び実施例】
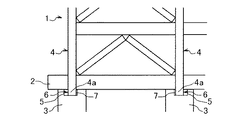
図1は、請求項1に記載した発明に係る浮き上がり許容の制震構造をアスペクト比の大きな耐震要素(連層ブレース)を有する建物1の一部に用いた実施の形態を概念的に示している。図2は、前記制震構造を概念的に示している。
【0014】
この制震構造は、建物1の外側(図1に示すA部)において隣接する杭3、3の上端部と、基礎梁2の下端部とが縁切りされ、前記杭3の上端部に凹部5を形成し、前記基礎梁2から下方へ突出した柱4の下部4aを凸部6とし、凹部5と凸部6とを嵌め合わせて構成されている。
【0015】
前記凹部5と凸部6とは、双方の水平面同士が面接触し、且つ隣接する凸部6、6の相対面する垂直面がそれぞれの凹部5、5の垂直面と面接触するように嵌め合わされている。そのため、建物1に水平方向変位が生じると、前記隣接する凸部6、6の垂直面のどちらか一方が必ず、凹部5の垂直面と面接触しているので、建物1の水平方向変位を確実に拘束することができる。
【0016】
従って、凹部5と凸部6との嵌合精度に関係なく、隣接する凸部6、6の相対面する垂直面がそれぞれの凹部5、5の垂直面と面接触するように、前記凹部5と凸部6とを嵌め合わせるだけで、建物1の水平方向変位を確実に拘束することができ、嵌合部において高度な製作精度、施工精度を必要とせず、施工が容易である。
【0017】
前記凹部5又は凸部6の水平面は、少なくとも一方が粗面とされ、摩擦力が増大されている(請求項2記載の発明)。そのため、詳細は後述するが、建物1に浮き上がりが生じたときに、支点となる杭3の上端部、即ち凹部5の水平面に作用するせん断力が、前記の摩擦力を反力として、確実に杭3に伝達される。
【0018】
また、前記凹部5の垂直面と凸部6の垂直面とは、支圧材7を挟んで面接触する構成で実施することが好ましい(請求項3記載の発明)。そうすると、凸部6が浮き上がった際にも、前記凸部6の垂直面は、支圧材7の弾性変形により凹部5の垂直面と面接触した状態に維持される。
【0019】
図3は、上記構成の制震構造を用いた建物1の浮き上がりを概念的に示している。図4は、浮き上がりが生じた時の制震構造を概念的に示している。
【0020】
この制震構造は、地震が発生して建物1の一部に浮き上がりが生じると、支点となる杭3の凹部5の水平面に軸力P及び矢印方向(図4の右側方向)のせん断力Qが作用する。このとき、理屈では支点となる凹部5の水平面と凸部6の水平面とが面接触した状態に維持されず、凸部6がピン状態で(即ち、図4において凸部6の右側端部を支点として)回転するように考えられるが、実際には、建物1に浮き上がりが生じると、梁と柱とが変形を生じること、そして、凸部6の水平面は凹部5の水平面に軸力Pで押さえつけられていること等の理由により、凹部5の水平面と凸部6の水平面とが面接触した状態に維持される(図3を参照)。
【0021】
そのため、前記せん断力Qが、凹部5の垂直面と凸部6の垂直面とが面接触しない方向へ作用しても、上記のように水平面同士が面接触した状態に維持されるので、大きな摩擦力が発生し確実にせん断力Qを杭3に伝達させることができる。また、凹部5の水平面又は凸部6の水平面の少なくとも一方が粗面とされているので、より大きな摩擦力を発生させることができ、せん断力Qの伝達に寄与している。
【0022】
一方、浮き上がり側の杭3の凹部5においては、凸部6が浮き上がりながら支圧材7を凹部5の垂直面に押しつける。このとき、前記支圧材7は、凹部5の垂直面と凸部6の垂直面との間に挟み込まれて弾性変形し、前記垂直面同士を面接触した状態に維持させる。
【0023】
従って、前記せん断力Qは、支圧材7を介して凹部5の垂直面に作用し、前記垂直面の支圧力を反力にして杭3に伝達される。
【0024】
上記制震構造は浮き上がりが生じる柱4の水平方向せん断力を杭3に伝えることができ、かつ支点となる側の柱4の水平方向せん断力も杭3に伝えることができるために、どちらか一方の杭3にせん断力が集中することがなく、杭3の健全化を図ることができる。
【0025】
以上、本発明による制震構造の基本概念を示したが、具体的には凹部5と凸部6との嵌合部周辺は以下の構成とされる。
【0026】
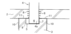
図5は、前記嵌合部周辺の通常時の詳細を示している。
【0027】
前記柱4の外側面には、基礎梁2と一体化するスタッド8などが設けられ、強固に基礎梁2に緊結される。そのため、柱4に生じる軸力はスタッド8を介して基礎梁2にも伝達され、前記基礎梁2の下端面と接触する杭3の上端面に作用する。したがって、杭3の上端部全体で軸力を受け止めることができ、杭3の上端部が破壊されることがない。
【0028】
前記柱4の下部4aを嵌め合わせる凹部5には鋼製マス9が埋め込まれ、前記鋼製マス9の水平面は表面が粗面とされる(請求項4記載の発明)。前記杭3の上端部には、ケーシング10が巻き付けられて、柱4の下部4a及び杭3の上端部の健全化が図られている。
【0029】
前記柱4の下部4aは、その水平面が鋼製マス9の水平面(底面)に面接触し、且つ垂直面が支圧材7を介して鋼製マス9の垂直面と面接触するように嵌め合わされる。
【0030】
前記支圧材7は、前記下部4aの垂直面の下端に設けられ、柱4の下部4aの浮き上がり量が最大のときでも鋼製マス9から飛び出さない高さに構成されている。そのため、柱4の下部4aの浮き上がり量を問わず、前記下部4aの垂直面は、常に支圧材7を介して鋼製マス9の垂直面と面接触した状態に維持される。
なお、前記支圧材7と鋼製マス9との接触面には、支圧材7の上下運動を円滑に行うために、グリースが塗布され、摩擦力の低減が図られている。
【0031】
前記柱4の下部4aと鋼製マス9との隙間は、シート11で被われて防水処理が施され(請求項5記載の発明)、雨水及び土砂等が嵌合部に浸入することを防ぐ。もちろん、前記シート11は、柱4の浮き上がりを許容するに足りる弛みを有する。
【0032】
図6は、前記嵌合部周辺の浮き上がり時の詳細を示している。
【0033】
柱4の下部4aの浮き上がりに伴い、同下部4aの下端に設けられた支圧材7は、鋼製マス9の垂直面に押しつけられ、弾性変形しながら同垂直面に沿って上方へ引き上げられる。上述したように垂直面同士は、常に面接触した状態に維持されるので、浮き上がりによるせん断力を、支圧材7を介して鋼製マス9の垂直面に確実に作用させ、杭3に伝達させることができる。また、支圧材7の上下運動が円滑に行われるため、建物1の浮き上がりを邪魔することがなく、建物1に作用する地震力を確実に低減することができる。
【0034】
一方、支点となる鋼製マス9の水平面には、図示を省略したが、やはり軸力及びせん断力が作用する。
【0035】
前記柱4の下部4aの水平面と鋼製マス9の水平面とは、上述したように面接触した状態に維持されるので、大きな摩擦力が発生し確実にせん断力を杭3に伝達させることができる。
【0036】
また、前記軸力の一部がスタッド8などを介して基礎梁2に伝達され、前記基礎梁2の下端面と接触する杭3の上端面にも作用するので、浮き上がりによる軸力が鋼製マス9の水平面に集中して作用することがない。
【0037】
従って、上記制震構造は浮き上がりが生じる柱4の水平方向せん断力を杭3に伝えることができ、かつ支点となる側の柱4の水平方向せん断力も杭3に伝えることができる。しかも、支点側では軸力を杭3の上端部全体に作用させることができる。
【0038】
もちろん、隣接する柱4、4の下部4a、4aの相対面する垂直面がそれぞれの鋼製マス9、9の垂直面と面接触するように、前記下部4aと鋼製マス9とを嵌め合わせるだけで、建物1の水平方向変位を確実に拘束することができ、嵌合部において高度な製作精度、施工精度を必要とせず、施工が容易である。
【0039】
なお、建物1の浮き上がり量を制御する場合は、面接触していない柱4の下部4aの垂直面と鋼製マス9(凹部5)の垂直面との間に鉛直方向に粘弾性体等のエネルギー吸収装置が設けられる。この場合、前記柱4の下部4aの浮き上がりにより、エネルギー吸収装置が減衰性能を発揮して、浮き上がり量が制御される。そのため、より安全性の高い制震構造を提供することができる。
【0040】
また、柱4の下部4aの落下衝撃力を軽減するために、鋼製マス9(凹部5)の水平面に緩衝材が設けられることもある。
【0041】
上記実施形態では、杭3の上端部に凹部5を形成し、基礎梁2の下端部に凸部6を形成しているが、この限りではない。即ち、前記制震構造は、基礎梁2の下端部に凹部を形成し、杭3の上端部に凸部を形成しても同様に実施できる。
【0042】
上記実施形態では、柱4の下部4aを凸部6としているが、この限りではない。即ち、柱4を基礎梁2から突出させず、前記基礎梁2の下端部に凸部を設けても同様に実施できる。
【0043】
上記実施形態では、杭3の上端部の外側面にケーシングを巻き付けて、補強しているが、杭3の上端部にせん断補強筋を配して補強しても同様に実施できる。
【0044】
更に、上記実施形態では、建物1の一部分について実施されているが、この限りではない。即ち、図7(a)及び図8(a)に示すように、建物全体に浮き上がりを生じさせる場合においても実施できる。具体的には、図7(a)は、建物1が上部構造体1aと下部構造体1bとに縁切りされ、上部構造体1aの下端部に凸部6を形成し、下部構造体1bの上端部に凹部5を形成して、前記凹部5と凸部6とは、双方の水平面同士及び建物内側の垂直面同士が面接触するように嵌め合わされている。なお、図8(a)は、上部構造体1aの下端部に凹部5を形成し、下部構造体1bの上端部に凸部6を形成した浮き上がり許容の制震構造を示している。
【0045】
図7(b)、図8(b)は、上部構造体1aに浮き上がりが生じた時の概念図を示している。
【0046】
上部構造体1aに浮き上がりが生じると、上記図1〜図6の実施形態と同様に、浮き上がりにより支点となる凹部5の水平面と凸部6の水平面とが面接触した状態に維持され、浮き上がり側の凹部5の垂直面と凸部6の垂直面とが、面接触した状態に維持されるので、支点となる凹部5又は凸部6にせん断力が集中することを防ぐことができ、前記凹部5又は凸部6が破壊されることがない。また、凸部6の建物内側の垂直面が凹部5の垂直面と面接触していれば、上部構造体1aの水平方向変位を確実に拘束することができるので、嵌合部において高度な製作精度、施工精度を必要とせず、施工が容易である。
【0047】
【本発明が奏する効果】
請求項1〜5に記載した浮き上がり許容の制震構造は、浮き上がりが生じる柱の水平方向せん断力を杭に伝えることができ、かつ支点となる側の柱の水平方向せん断力も杭に伝えることができるために、どちらか一方の杭にせん断力が集中することがなく、杭の健全化を図ることができる。
【0048】
また、凹部と凸部との嵌合精度に関係なく、隣接する凸部の相対面する垂直面がそれぞれの凹部の垂直面と面接触するように、前記凹部と凸部とを嵌め合わせるだけで、建物の水平方向変位を確実に拘束することができ、嵌合部において高度な製作精度、施工精度を必要とせず、施工が容易である
【0049】
更に、建物の浮き上がりを円滑に行うことができるので、建物に作用する地震力を確実に低減することができる。
【図面の簡単な説明】
【図1】本発明に係る浮き上がり許容の制震構造を建物の一部に用いた実施の形態を概念的に示した立面図である。
【図2】本発明に係る浮き上がり許容の制震構造を概念的に示している。
【図3】本発明に係る浮き上がり許容の制震構造を用いた建物の浮き上がりを概念的に示した立面図である。
【図4】浮き上がりが生じたときの制震構造を概念的に示した立面図である。
【図5】嵌合部周辺の具体例を示した立面図である。
【図6】図5の浮き上がり時を示した立面図である。
【図7】(a)は、本発明に係る浮き上がり許容の制震構造の他の実施形態を示した立面図である。(b)は、(a)の浮き上がり時を示した立面図である。
【図8】(a)は、本発明に係る浮き上がり許容の制震構造の他の実施形態を示した立面図である。(b)は、(a)の浮き上がり時を示した立面図である。
【符号の説明】
1 建物
2 基礎梁
3 杭
4 柱
4a 下部
5 凹部
6 凸部
7 支圧材
9 鋼製マス

Claims (5)

  1. 建物の杭の上端部と柱及び基礎梁等の下端部とが縁切りされ、前記杭の上端部又は前記柱及び基礎梁等の下端部のいずれか一方に凹部を形成し、他方に凸部を形成し、凹部と凸部とを嵌め合わせて構成されており、
    前記凹部と凸部とは、水平面同士が面接触し、且つ隣接する凸部の相対面する垂直面がそれぞれの凹部の垂直面と面接触するように嵌め合わされていることを特徴とする、浮き上がり許容の制震構造。
  2. 前記凹部又は凸部の水平面は、少なくとも一方が粗面とされていることを特徴とする、請求項1に記載した浮き上がり許容の制震構造。
  3. 前記凹部の垂直面と凸部の垂直面とは、支圧材を挟んで面接触していることを特徴とする、請求項1又は2に記載した浮き上がり許容の制震構造。
  4. 前記凹部には鋼製マスが埋め込まれ、前記鋼製マスの水平面は表面が粗面とされていることを特徴とする、請求項1〜3のいずれか一に記載した浮き上がり許容の制震構造。
  5. 前記凹部と凸部との隙間は、シート等で被われ防水処理が施されていることを特徴とする、請求項1〜4のいずれか一に記載した浮き上がり許容の制震構造。
JP2001080039A 2001-03-21 2001-03-21 浮き上がり許容の制震構造 Expired - Fee Related JP4588909B2 (ja)

Priority Applications (1)

Application Number Priority Date Filing Date Title
JP2001080039A JP4588909B2 (ja) 2001-03-21 2001-03-21 浮き上がり許容の制震構造

Applications Claiming Priority (1)

Application Number Priority Date Filing Date Title
JP2001080039A JP4588909B2 (ja) 2001-03-21 2001-03-21 浮き上がり許容の制震構造

Publications (2)

Publication Number Publication Date
JP2002276192A JP2002276192A (ja) 2002-09-25
JP4588909B2 true JP4588909B2 (ja) 2010-12-01

Family

ID=18936392

Family Applications (1)

Application Number Title Priority Date Filing Date
JP2001080039A Expired - Fee Related JP4588909B2 (ja) 2001-03-21 2001-03-21 浮き上がり許容の制震構造

Country Status (1)

Country Link
JP (1) JP4588909B2 (ja)

Families Citing this family (3)

* Cited by examiner, † Cited by third party
Publication number Priority date Publication date Assignee Title
JP5146763B2 (ja) * 2008-11-21 2013-02-20 清水建設株式会社 建物の浮き上がりを利用した耐震構造
JP5762879B2 (ja) * 2011-08-12 2015-08-12 株式会社竹中工務店 多段階ステッピング制震構造及び方法
JP6834206B2 (ja) * 2016-07-13 2021-02-24 前田建設工業株式会社 建物の補強構造

Family Cites Families (6)

* Cited by examiner, † Cited by third party
Publication number Priority date Publication date Assignee Title
JPS5914487Y2 (ja) * 1979-11-15 1984-04-27 オイレス工業株式会社 落橋防止機能を有する固定支承の構造
JPH0533525A (ja) * 1991-07-25 1993-02-09 Taisei Corp 建築構造物
JP3438108B2 (ja) * 1994-07-07 2003-08-18 大成建設株式会社 杭頭支持構造
JP3494199B2 (ja) * 1997-02-14 2004-02-03 日本ピラー工業株式会社 杭基礎構造
JP2000120299A (ja) * 1998-10-16 2000-04-25 Ohbayashi Corp 構造物用制振装置
JP3803949B2 (ja) * 1999-02-22 2006-08-02 株式会社竹中工務店 アスペクト比が大きい建物の免震方法及び免震構造

Also Published As

Publication number Publication date
JP2002276192A (ja) 2002-09-25

Similar Documents

Publication Publication Date Title
CN113431100A (zh) 一种土木工程抗震结构
JP4588909B2 (ja) 浮き上がり許容の制震構造
JP4274557B2 (ja) 水平荷重弾性支持装置
JP2007239306A (ja) 免震ダンパーの取付方法
JP6752166B2 (ja) 免震装置
JP2006241815A (ja) 幾何剛性付加滑り型支承とその配置構造
JP2021156160A (ja) 免震構造用ダンパー機構、免震構造用ダンパー機構の配置構造、免震構造用トリガー機構、免震構造用トリガー機構の配置構造、免震構造用すべり支承機構、及び建物
JPH11181769A (ja) アンカーの免震構造およびその免震工法
JPH11293685A (ja) 構造物の免震構造
JP2007262833A (ja) 粘性系の振動減衰装置及びこれを具備した免震建物
JP4588844B2 (ja) 免震柱脚部構造
JP2016079799A (ja) 制振構造
JP3671317B2 (ja) 免震機構
JP5252227B2 (ja) 免震システム
JP5153411B2 (ja) 杭構造体及び構造物
JP3713645B2 (ja) 積層ゴムを用いた免震装置
JP2001132262A (ja) 摩擦減衰機構を備える制振架構
JP5841889B2 (ja) 柱脚用ピン構造
JP4312026B2 (ja) 支承サイドブロック
JP2001020223A (ja) 既設橋桁支承部の改修方法
JP3845140B2 (ja) 構造物の免振装置
JP2006336208A (ja) 制振装置
JPS62220734A (ja) 振動エネルギ吸収装置
JP4456726B2 (ja) 免震構造架構
JPH112046A (ja) 免震構造物の浮き上がり防止装置

Legal Events

Date Code Title Description
A621 Written request for application examination

Free format text: JAPANESE INTERMEDIATE CODE: A621

Effective date: 20071227

A977 Report on retrieval

Free format text: JAPANESE INTERMEDIATE CODE: A971007

Effective date: 20100729

TRDD Decision of grant or rejection written
A01 Written decision to grant a patent or to grant a registration (utility model)

Free format text: JAPANESE INTERMEDIATE CODE: A01

Effective date: 20100817

A01 Written decision to grant a patent or to grant a registration (utility model)

Free format text: JAPANESE INTERMEDIATE CODE: A01

A61 First payment of annual fees (during grant procedure)

Free format text: JAPANESE INTERMEDIATE CODE: A61

Effective date: 20100909

R150 Certificate of patent or registration of utility model

Free format text: JAPANESE INTERMEDIATE CODE: R150

FPAY Renewal fee payment (event date is renewal date of database)

Free format text: PAYMENT UNTIL: 20130917

Year of fee payment: 3

LAPS Cancellation because of no payment of annual fees